Skip to main content

NKVY/Apartment in Kiev

Page 1

+380505086039 +380958418184 +380635776497

info@buro12.com

www.buro12.com

листів комплекту ДП ЛистНайменування

01Склад проекту

023 д квартири

04План меблів

04.1План меблів з габаритними розмірами

05План демонтованих стін та перегородок

06План монтажу

06.1План монтажу ГК конструкциій та скління

07План отоплювальних приладів

08План прив'язки води та каналізації

09План вентиляції та кондиціювання

10План стелі

11Зведений план електрики

12План прив'язки точок електрообладнання

13План розташування електрофурнітури

14План підлоги

15План-схеми плінтусів

16Маркувальний план

17Відомість сантехнічного обладнання

18Відомість освітлювальних приладів

19Відомість електрообладнання

20Відомість меблів

21Розгортка передпокою

22Розгортка санвузлу

22.1Схема меблів санвузлу

23Розгорта гардеробної кімнати

24Розгорта кабінету

25Розгортка кухні-вітальні

25.1Схема меблів кухні-вітальні

26Розгортка спальної кімнати

27Схема меблів

UKRAINE / KIEV 04154 Bulvarno-Kudriavska Street 8a office 15 tel.
e-mail
web :
Нотатки: Дата: №Проекту: Ревизии: №Дата Опис Деталі Лист№ D Ж К " Н а у к о в и й " в у л П е т р о п а в л і в с ь к а, 4 0 Ск лад проекту 001 00 Р055 27 02 2019 Відомість
UKRAINE / KIEV 04154 Bulvarno-Kudriavska Street 8a office 15 tel. +380505086039 +380958418184 +380635776497 e-mail info@buro12.com web : www.buro12.com Нотатки: Дата: №Проекту: Ревизии: №Дата Опис Деталі Лист№ D Ж К " Н а у к о в и й " в у л П е т р о п а в л і в с ь к а, 4 0 3 д к варт ири 002 00 Р055 27 02 2019
1402 1600 1520 610 1748 940 590 2100 1023 648 707 1070 1477 100 390 933 901 160 384 1610 807 2 1 0 0 7 3 4 7 7 2 1015 40 1000 2100 820 614 1 0 0 2 3 0 0 8 2 0 8 8 2 7 4 3 606 1679 1818 1011 115 161 910 3 2 2 1 4 5 3 1 2 6 8 2 4 2 1 8 3 105 606 1679 1818 1111 1415 1590 1408 1673 1 1 8 0 4570 2 4 2 0 225 2100 843 1837 1405 261 3 3 7 4 9 7 2 5 0 5 1 2 3 8 4 5 5 1 0 7 1218 5 4 7 2 5 0 5 1 2 3 8 4 3 8 2 9 2 2 2 5 0 5 7 3 6 2 0 5 1218255 2 7 2 7 1 9 5 3 6 6 8 2 7 6 0 1395 2094 428 2100 843 1837 1405 261 3435 100 4413 1 2 7 5 2 0 0 hстелі=2720 Заглушка hпідвіконня=560 hпідвіконня=855мм hвікна=1679мм hп=2505 мм hп=2505 мм hп=2535 мм hп=2100мм hп=2100мм hп=2100мм 568 Щитові Існуючі стіни Бетон Умовні позначення UKRAINE / KIEV 04154 Bulvarno-Kudriavska Street 8a office 15 tel. +380505086039 +380958418184 +380635776497 e-mail info@buro12.com web : www.buro12.com Нотатки: Дата: №Проекту: Ревизии: №Дата Опис Деталі Лист№ D Ж К " Н а у к о в и й " в у л П е т р о п а в л і в с ь к а, 4 0 План об м і р в 003 00 Р055 27 02 2019
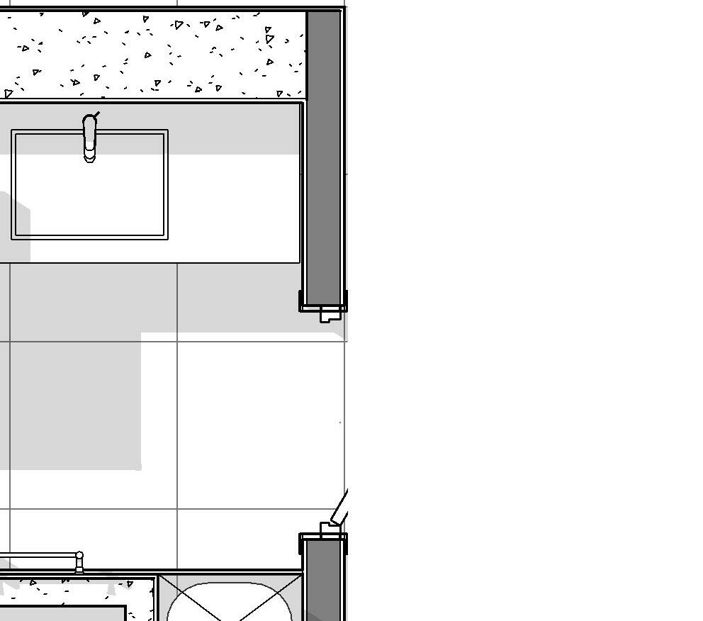
1 2 6 3 5 4 7 ПМ Х UKRAINE / KIEV 04154 Bulvarno-Kudriavska Street 8a office 15 tel. +380505086039 +380958418184 +380635776497 e-mail info@buro12.com web : www.buro12.com Нотатки: Дата: №Проекту: Ревизии: №Дата Опис Деталі Лист№ D Ж К " Н а у к о в и й " в у л П е т р о п а в л і в с ь к а, 4 0 План меблі в 004 00 Р055 27 02 2019 Експлікація приміщень №НазваПлоща 1Передпокій9 м² 2Гардероб4 м² 3Санвузол7 м² 4Кабінет10 м² 5Кухня-вітальня30 м² 6Спальня13 м² 7Сушка1 м² 74 м²
2045 2400 840 570 1580 905 1 2 6 3 5 4 1600 165 600 50 545 1600 645 900 1325 7 1560 900 1600 910 2100 775 750 1500 360 Dr-1 Dr-2 Dr-3 600 300 915605 700400 400 1450 600 600 600 600 600 600 200 1270 400 ПМ Х 375 550 550 550 1245 4. 24 5. 25 3. 22 1. 21 6. 26 2. 23 Примітка на кресленні вказані посилання на розгортки по кожній кімнаті з докладною інформацією 920 615 250 405 225 1400 280 640 910 600 500 500 600 600 205 520 950 22801580 700 900 225 890 390 Посилання 1 A101 номер виду аркуш Умовні позначення UKRAINE / KIEV 04154 Bulvarno-Kudriavska Street 8a office 15 tel. +380505086039 +380958418184 +380635776497 e-mail info@buro12.com web : www.buro12.com Нотатки: Дата: №Проекту: Ревизии: №Дата Опис Деталі Лист№ D Ж К " Н а у к о в и й " в у л П е т р о п а в л і в с ь к а, 4 0 План меблі в з г абарит ни ми роз м ра ми 004 1 00 Р055 27 02 2019 Експлікація приміщень №НазваПлоща 1Передпокій9 м² 2Гардероб4 м² 3Санвузол7 м² 4Кабінет10 м² 5Кухня-вітальня30 м² 6Спальня13 м² 7Сушка1 м² 74 м²
3105 2420 3865 1675 570 2530 1015 40 2540 1010 2660 105 3535 485 1610 1220 2225 1405 1680 260 Демонтаж перемички Стіни і перегородки що демонтуютьсяUKRAINE / KIEV 04154 Bulvarno-Kudriavska Street 8a office 15 tel. +380505086039 +380958418184 +380635776497 e-mail info@buro12.com web : www.buro12.com Нотатки: Дата: №Проекту: Ревизии: №Дата Опис Деталі Лист№ D Ж К " Н а у к о в и й " в у л П е т р о п а в л і в с ь к а, 4 0 План де монт ованих ст н т а перег ородок 005 00 Р055 27 02 2019 Відомість демонтованих стін ПлощаОбсяг Демонтовані стіни55 м²9.30 м³

МаркаОписаниеРозмірК-сть Відкривання Dr-1Дерев'яні двері800х21001 Праве Dr-2Дерев'яні двері800х21001 Ліве Dr-3Дерев'яні двері800х21001 Праве Dw-1Дверний отвір840х21201

Dw-2Дверний отвір840х21201 Dw-3Дверний отвір840х21201

1015 1355 840 340 2560 1275 120 100 120 85 160 80 300 1550 380 840 500 610 840 1055 2 1 4 5 6 7 3 Dw-1 Dw-2 Dw-3 160 60 120 14351630 1-1 06 Примітка прив'я зки вказані без урахуванням обробки стін лист дивитися з розгорненнями і візуалізаціями 4055 240 205 530 160 100 100 430 845 1405 600 2420 80 Sподіума=9.2 м2 hподіума =150 мм Sстяжки = 4.2 м2 Перегородки та стіни що монтуються 90 80 150 2120 840 2120 840 UKRAINE / KIEV 04154 Bulvarno-Kudriavska Street 8a office 15 tel. +380505086039 +380958418184 +380635776497 e-mail info@buro12.com web : www.buro12.com Нотатки: Дата: №Проекту: Ревизии: №Дата Опис Деталі Лист№ D Ж К " Н а у к о в и й " в у л П е т р о п а в л і в с ь к а, 4 0 План монт а жу 006 00 Р055 27 02 2019 Експлікація
приміщень
№НазваПлоща 1Передпокій9 м² 2Гардероб4 м² 3Санвузол7 м² 4Кабінет10 м² 5Кухня-вітальня30 м² 6Спальня13 м² 7Сушка1 м² 74 м² Вузол 1 1
Dr 1,3 Dr 2 Закласти отвір
84 160 207 113 2547 2 1 4 5 6 7 3 Dw-1 Dw-2 Dw-3 1405 1537 80 60 2620 90 Скляна перегородка Скляна перегородка 2-2 06.1 1050 1245 245 2705 305 1635 970 Гіпсокартон Примітка - прив я зки вказані з урахуванням обробки стін лист дивитися з розгорненнями візуалізаціями Декоративнаштукатурка Стінабезоздоблення(Шлакоблок перегородковий160/160/360мм) Стінабезоздоблення(Шлакоблок перегородковий160/160/360мм) Бетоннийпілонбезоздоблення 50 280 200 2640 30 625 30 620 30 625 30 625 30 1235 30 370 30 370 30 375 30 1040 30 475 30 475 30 2700 30 640 30 640 30 640 30 635 30 Dr 4 Dr 5 UKRAINE / KIEV 04154 Bulvarno-Kudriavska Street 8a office 15 tel. +380505086039 +380958418184 +380635776497 e-mail info@buro12.com web : www.buro12.com Нотатки: Дата: №Проекту: Ревизии: №Дата Опис Деталі Лист№ D Ж К " Н а у к о в и й " в у л П е т р о п а в л і в с ь к а, 4 0 План монт а жу ГК к онст рук ц й т а ск лі ння 006 1 00 Р055 27 02 2019 Гіпсокартон Обрещітка Дерев'яна панель Експлікація приміщень №НазваПлоща 1Передпокій9 м² 2Гардероб4 м² 3Санвузол7 м² 4Кабінет10 м² 5Кухня-вітальня30 м² 6Спальня13 м² 7Сушка1 м² 74 м² МаркаПлоща ГКЛ-18 м² ГКЛ-3 (вологостійкий)3 м² ГКЛ-44 м² ГКЛ-63 м² 18 м² Dr 4 Dr 5 Відомість фарби стін НайменуванняПлоща Фарба RAL-9003117 м² Вузол2-2
Тепла підлога S=3.05м23 2 6 4 5 1 7 1100 100 800 900 800 150 460 1080 540 1200 150 150 1625 355 150 1000 395 150 1225 810 150 3950 800 100 150 1335 150 h=1000 мм h=1500 мм 100 100 100 Тепла підлога S=10.6м2 100 800 1465 ПМ Х 715 150 150 900 150 150 3290 150 790 100 3800 100 1030 150 Водяна тепла підлога Радіатор Умовні позначення 45 50 150 290 400 Рушникосушка Терморегулятор теплої підлоги UKRAINE / KIEV 04154 Bulvarno-Kudriavska Street 8a office 15 tel. +380505086039 +380958418184 +380635776497 e-mail info@buro12.com web : www.buro12.com Нотатки: Дата: №Проекту: Ревизии: №Дата Опис Деталі Лист№ D Ж К " Н а у к о в и й " в у л П е т р о п а в л і в с ь к а, 4 0 План от опл ювальних прилад в 007 00 Р055 27 02 2019 Експлікація приміщень №НазваПлоща 1Передпокій9 м² 2Гардероб4 м² 3Санвузол7 м² 4Кабінет10 м² 5Кухня-вітальня30 м² 6Спальня13 м² 7Сушка1 м² 74 м² Примітка - це креслення є схемою всі розміри і прив'язки вказані з урахуванням обробки стін площа приміщень вказана з урахуванням обробки стін -точнакількістьігабаритиопалювальнихприладівпідібратизгідно характеристикобраногообладнання
Сушильний автомат Пральна машина EQ EQ ПМ Х Водонагрівач hпідключення=узгодити після обрання обладнання 405 1815 Вивід в підлозі подіуму (трап) Вивід підключення мийки та посудомийної машини hводи = 500 hканал.= 400 Змішувач вбудовується в стілницю hводи = 550 hканал = 450 hпідключення=узгодити після обрання обладнання 405 700 Вивід холодної води Вивід холодної та гарячої води Вивід каналізації 480 hводи=1200 (від подіуму) Умовні позначення UKRAINE / KIEV 04154 Bulvarno-Kudriavska Street 8a office 15 tel. +380505086039 +380958418184 +380635776497 e-mail info@buro12.com web : www.buro12.com Нотатки: Дата: №Проекту: Ревизии: №Дата Опис Деталі Лист№ D Ж К " Н а у к о в и й " в у л П е т р о п а в л і в с ь к а, 4 0 План прив язк и води т а к аналі з аці ї 008 00 Р055 27 02 2019 Експлікація приміщень №НазваПлоща 1Передпокій9 м² 2Гардероб4 м² 3Санвузол7 м² 4Кабінет10 м² 5Кухня-вітальня30 м² 6Спальня13 м² 7Сушка1 м² 74 м² Примітка це креслення є схемою всі розміри і прив язки з урахуванням обробки стін всі розміри висот вказані від рівня "чистової підлоги"
225 1226 230 775 Gree GFH36K3BI ПМ Х Примітка це креслення є схемою всі розміри прив язки вказані з урахуванням обробки стін Кухонна витяжка подача повітря забір повітря примусова вентиляція 6 4 5 7 Умовні позначення UKRAINE / KIEV 04154 Bulvarno-Kudriavska Street 8a office 15 tel. +380505086039 +380958418184 +380635776497 e-mail info@buro12.com web : www.buro12.com Нотатки: Дата: №Проекту: Ревизии: №Дата Опис Деталі Лист№ D Ж К " Н а у к о в и й " в у л П е т р о п а в л і в с ь к а, 4 0 План вент иляці ї т а к ондиц ювання 009 00 Р055 27 02 2019 Експлікація приміщень №НазваПлоща 1Передпокій9 м² 2Гардероб4 м² 3Санвузол7 м² 4Кабінет10 м² 5Кухня-вітальня30 м² 6Спальня13 м² 7Сушка1 м² 74 м²
Гіпсокартон S=7 м² Опуск300 Гіпсокартонволагостійкий S=6 м² Опуск300 Гіпсокартон S=2 м² Опуск 150 Гіпсокартон S=1 м² Опуск60 Гіпсокартон S=4 м² Опуск200 1885 3550 700 205 2705 1545 1520 910 3090 1520 610 1570 760 3270 1245 520 390 2080 1610 960 300 585 1510 2190 1520 250 150 UKRAINE / KIEV 04154 Bulvarno-Kudriavska Street 8a office 15 tel. +380505086039 +380958418184 +380635776497 e-mail info@buro12.com web : www.buro12.com Нотатки: Дата: №Проекту: Ревизии: №Дата Опис Деталі Лист№ D Ж К " Н а у к о в и й " в у л П е т р о п а в л і в с ь к а, 4 0 План ст елі 010 00 Р055 27 02 2019 Експлікація приміщень №НазваПлоща 1Передпокій9 м² 2Гардероб4 м² 3Санвузол7 м² 4Кабінет10 м² 5Кухня-вітальня30 м² 6Спальня13 м² 7Сушка1 м² 74 м² Примітка всі розміри і прив'язки вказаны з урахуванням обробки стін, узгодити після оздоблювальних робіт площа приміщень вказана з урахуванням обробки стін опуск стелі уточнити після узгодження системи канального кондиціонування план дивитися спільно з розгорненнями Відомість оздоблення стелі ПокриттяПлоща Бетон62.4 м² Фарба білого кольору14.8 м² Фарба білого кольору вологостійка6.2 м² Відомість матеріалу стелі НазваПлоща ГКЛ16.4 м² ГКЛ вологостійкий6.2 м²
130018901300 Бра h=1100 LED (вертикально) 565 II 400 650170650 14901490870 200 510 104010401040620 180018001265 665 350 5001040515 920 1095 1345 6 5 4 3 2 1 7 В1 2.1 Led 2.1 Led 4.1 4.1 4.14.1 4.1 8201630820 5.1 5.1 5.1 5.3 5.4 5.5 шина 7.1 7.1 5.6 5.6 5.6 3.1 3.1 3.1 3.1 3.2 3.2 3.1 5.2 5.4 5.4 5.4 6.1 6.16.1 6.1 6.1 6.2 6.2 1.1 1.1 6.3 / з кнопкою 1.2 Led 1035 1035 4.2 4.2 h=1400 мм Вивід під рушникосушку Пральна машина Сушильний автомат 22003000 625 5.6 6.1 6.2 6.1 6.2 1320 6.2 Вивід вентиляції під стелю (вентилятор з автоматичним вмиканням) Вивід під блок кондиціонера 200 h=600 мм h=600 мм h=2600 мм h=2600 мм 360 II 210 200 305 760 1.1 1.1 1.1 2.1 2.1 5.1 h=1400 мм h=1400 мм h=1200 мм h=1400 мм 400 ПМ 500 2065 700 600 300 170 200200 200 705 1025 h=900 мм 675170675 670800490 Датчик антизатоплення 390600645915850330 h=1500 ммII Бра h=2000 Датчик руху групи 1.2 h=2600 Х 180 3.2 4.2 365 5.1 5.4 4.3 5.2 II 200 h=1870 мм 150 h=700 мм h=1500 мм 1.1 5.1 5.4 5.6 В1 Примітка всі розміри і прив'язки вказані з урахуванням обробки стін всі розміри висот дани від "чистової підлоги" усі прив язкипідвісних світильників бра узгодити під час авторського нагляду план дивитися спільно з розгорненнями розводку електромереж кондиціонеру узгодити з підряльником в залежності від типо обраного обладнання LED (вертикально) 5.3 h=1000 мм Бра h=1200 з кнопкою2.1 h=1500 мм h=1000 мм h=1000 мм h=300 мм 1255 Щитова слаботочна Щитова електрична Блок управління охоронної системи LED Розетка 220V Інтернет розетка RJ 45 ТВ розетка Розетка IP44 Перемикач одноклавішний Перемикач двоклавішний Відеодомофон Терморегулятор теплої підлоги Дзвінок Вивід 220V Вивід 12V Датчик руху Перемикач перехресний двоклавішний Перемикач перехресний одноклавішний Розетка кабель каналЛюстра Трековий світильник Накладний світильник Накладний світильник Врізний світильник Шина LED стічка Провод Бра Умовні позначення UKRAINE / KIEV 04154 Bulvarno-Kudriavska Street 8a office 15 tel. +380505086039 +380958418184 +380635776497 e-mail info@buro12.com web : www.buro12.com Нотатки: Дата: №Проекту: Ревизии: №Дата Опис Деталі Лист№ D Ж К " Н а у к о в и й " в у л П е т р о п а в л і в с ь к а, 4 0 Зведений план елект рик и 011 00 Р055 27 02 2019 Експлікація приміщень №НазваПлоща 1Передпокій9 м² 2Гардероб4 м² 3Санвузол7 м² 4Кабінет10 м² 5Кухня-вітальня30 м² 6Спальня13 м² 7Сушка1 м² 74 м² Вент решітка (примусова вентиляція) Вент решітка (примусова вентиляція)
1300 1890 1300 LED (вертикально) 565 EQ EQ 400 675 170 675650 170 650 1490 1490 870 EQ EQ 510 1040 1040 1040 620 3000 1800 1800 1800 1265 665 350 1040 515 600 3000 9201095 6 5 43 2 1 7 2.1 2.1 2.1 2.1 4.1 4.14.1 4.1 820 1630 820 1260 2065 700 5.1 5.1 5.1 5.3 5.4 5.5 шина 7.1 5.6 5.6 5.6 3.1 3.1 3.1 3.1 3.2 5.2 5.4 5.4 5.4 6.16.1 6.1 6.1 6.2 1.1 1035 1035 4.2 2200 625 1320 6.2 Вивід під блок кондиціонера ( в стелі) h=2600 мм h=2600 мм 1.2 50 120 h=1600 мм 525 1055 1490 1055 1135 2175 2355 1.1 1.1 Датчик антизатоплення 760 EQ EQ 1270 1220 Бра h=1100 Бра h=2000 h=2700 мм Вивід під рушникосушку Вивід вентиляції під стелю (вентилятор з автоматичним вмиканням) 670 800 715430 800 455 6.3 / з кнопкою 100 100 635 870 420 290 280 600 310 5.1 1.1 4.2 365 Примітка всі розміри прив язки вказані з урахуванням обробки стін всі розміри висот дани від "чистової підлоги" усі прив'язкипідвісних світильників і бра узгодити під час авторського нагляду план дивитися спільно з розгорненнями LED (вертикально) розводку електромереж кондиціонеру узгодити з підряльником в залежності від типо обраного обладнання Бра h=1200 з кнопкою 355 1185 775 Люстра Трековий світильник Накладний світильник Накладний світильник Врізний світильник Шина LED стічка Провод Бра Умовні позначення UKRAINE / KIEV 04154 Bulvarno-Kudriavska Street 8a office 15 tel. +380505086039 +380958418184 +380635776497 e-mail info@buro12.com web : www.buro12.com Нотатки: Дата: №Проекту: Ревизии: №Дата Опис Деталі Лист№ D Ж К " Н а у к о в и й " в у л П е т р о п а в л і в с ь к а, 4 0 План прив язк и т очок елект рообладнання 012 00 Р055 27 02 2019 Експлікація приміщень №НазваПлоща 1Передпокій9 м² 2Гардероб4 м² 3Санвузол7 м² 4Кабінет10 м² 5Кухня-вітальня30 м² 6Спальня13 м² 7Сушка1 м² 74 м² Вивід під примусову вентиляцію
6 5 4 3 2 1 7 2.1 4.1 7.1 3.23.1 5.2 6.1 6.2 1.1 4.2 3.2 h=1400 мм 5.6 6.1 6.2 6.1 6.2 1.1 200 h=600 мм h=600 мм 360 360 EQ EQ 200 200 200 200200 705 1040 150 720 720 300 h=1400 мм h=1400 мм h=1400 мм 2095 3730 h=1000 мм h=700 мм 300 400 200 Пральна машина Сушильний автомат 200 330 h=1000 мм h=1500 мм 1.2 h=2600 мм h=1200 мм h=300 мм 2735 3340 1180 115 5.1 5.4 5.1 5.4 5.6 17101675 h=1870 мм h=1000 мм h=900 мм h=300 мм h=900 мм h=300 мм h=300 мм h=300 ммh=300 мм h=300 мм h=300 мм h=900 мм h=300 мм h=300 мм h=900 мм h=900 мм h=300 мм h=1500 мм h=1500 мм h=900 мм h=300 мм 970 130В1 740 830 180 Примітка всі розміри і прив язки вказані з урахуванням обробки стін всі розміри висот дани від "чистової підлоги" план дивитися спільно з розгорненнями Прихованийкороб 5.3 розводку електромереж кондиціонеру узгодити з підряльником в залежності від типо обраного обладнання 4.2 h=900 мм 170 100 500 140 Щитова слаботочна Щитова електрична Блок управління охоронної системи h=900 мм h=900 мм Умовні позначення LED Розетка 220V Інтернет розетка RJ 45 ТВ розетка Розетка IP44 Перемикач одноклавішний Перемикач двоклавішний Відеодомофон Терморегулятор теплої підлоги Дзвінок Вивід 220V Вивід 12V Датчик руху Перемикач перехресний двоклавішний Перемикач перехресний одноклавішний Розетка кабель канал 300 1400 300700 1000 1870 1000 300 1600 UKRAINE / KIEV 04154 Bulvarno-Kudriavska Street 8a office 15 tel. +380505086039 +380958418184 +380635776497 e-mail info@buro12.com web : www.buro12.com Нотатки: Дата: №Проекту: Ревизии: №Дата Опис Деталі Лист№ D Ж К " Н а у к о в и й " в у л П е т р о п а в л і в с ь к а, 4 0 План розт а шування елект ро фу рні т у ри 013 00 Р055 27 02 2019 Експлікація приміщень №НазваПлоща 1Передпокій9 м² 2Гардероб4 м² 3Санвузол7 м² 4Кабінет10 м² 5Кухня-вітальня30 м² 6Спальня13 м² 7Сушка1 м² 74 м² Схемакухні Накладні

(60х60)

(60х60) MQV34

600х600BICOLORCeppo Grey (60х60) MQV33

3.2Плитка подіум с/вBICOLORMonteverde Noce (16.5×100) MN 93

4.1Паркетна дошкаВудхартДуб #3003 / Баланс (190мм)10

5.1Плитка 600х600BICOLORCeppo Grey (60х60) MQV37

5.2Паркетна дошкаВудхартДуб #3003 / Баланс (190мм)24

6.1Паркетна дошкаВудхартДуб #3003

Експлікація приміщень

1-1 06 600 600 Примітка всі розміри і прив'язки вказані з урахуванням обробки стін, узгодити після оздоблювальних робіт площа приміщень вказана з урахуванням обробки стін стик підлогового покриття під дверним полотном 415 600 210465 235235 600 600 110 3-3 14 Стикпіддвернимполотном!!! Подіум 5.2 4.1 6.1 5.1 2.1 1.1 3.1 3.2 1.12% Умовні позначення Трап 785 65 40 80 150 UKRAINE / KIEV 04154 Bulvarno-Kudriavska Street 8a office 15 tel. +380505086039 +380958418184 +380635776497 e-mail info@buro12.com web : www.buro12.com Нотатки: Дата: №Проекту: Ревизии: №Дата Опис Деталі Лист№ D Ж К " Н а у к о в и й " в у л П е т р о п а в л і в с ь к а, 4 0 План п длог и 014 00 Р055 27 02 2019 Відомість матеріалу підлоги №ТипВиробникМодельПлоща 1.1Плитка 600х600BICOLORCeppo Grey
MQV310 м² 2.1Плитка 600х600BICOLORCeppo Grey
м² 3.1Плитка
м²
м²
м²
м²
м²
/ Баланс (190мм)13 м²
№НазваПлоща 1Передпокій9 м² 2Гардероб4 м² 3Санвузол7 м² 4Кабінет10 м² 5Кухня-вітальня30 м² 6Спальня13 м² 7Сушка1 м² 74 м² старт розкладки плитки Нахил Схемапідрізкиплиткипіддушовийтрап Вузол 1 1 Вузол 3 3
ПМ Х Плінтус 175 415 370 575 1030 2850 2055 4490 2410 1445 325 600 230 5260 1105 1245 350 1485 190 115 4025 34051260 Примітка всі розміри прив язки з урахуванням обробки стін, узгодити після оздоблювальних робіт площа приміщень вказана з урахуванням обробки стін - профіль плинтусу затвердити під час авторського нагляду 4980 335 UKRAINE / KIEV 04154 Bulvarno-Kudriavska Street 8a office 15 tel. +380505086039 +380958418184 +380635776497 e-mail info@buro12.com web : www.buro12.com Нотатки: Дата: №Проекту: Ревизии: №Дата Опис Деталі Лист№ D Ж К " Н а у к о в и й " в у л П е т р о п а в л і в с ь к а, 4 0 План сх е ми пл нтусі в 015 00 Р055 27 02 2019 Відомість ТипДовжина Плінтус h=80мм49.30 м Експлікація приміщень №НазваПлоща 1Передпокій9 м² 2Гардероб4 м² 3Санвузол7 м² 4Кабінет10 м² 5Кухня-вітальня30 м² 6Спальня13 м² 7Сушка1 м² 74 м²
ПМ Х Sa 1 Sa 3 Sa 5 Sa 7 Sa 8 Sa 9 Sa 2 Sa 10 Sa 4F 1 F 11 F 12 F 12 F 12 F 12 F 13 F 13 F 18 F 19 F 16 F 16 F 15 F 14 F 8 F 10 F 6 F 3 F 2 F 4 F 7 F 9 F 5 F 21 F 20 F 22 F 23 F 17 Sa 11 Sa 12 Sa 13 UKRAINE / KIEV 04154 Bulvarno-Kudriavska Street 8a office 15 tel. +380505086039 +380958418184 +380635776497 e-mail info@buro12.com web : www.buro12.com Нотатки: Дата: №Проекту: Ревизии: №Дата Опис Деталі Лист№ D Ж К " Н а у к о в и й " в у л П е т р о п а в л і в с ь к а, 4 0 Марк у вальний план 016 00 Р055 27 02 2019 Експлікація приміщень №НазваПлоща 1Передпокій9 м² 2Гардероб4 м² 3Санвузол7 м² 4Кабінет10 м² 5Кухня-вітальня30 м² 6Спальня13 м² 7Сушка1 м² 74 м²

Bulvarno-Kudriavska

tel. +380505086039 +380958418184 +380635776497 e-mail info@buro12.com web : www.buro12.com

UKRAINE / KIEV 04154
Street 8a office 15
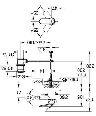
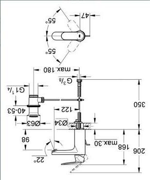
Нотатки: Дата: №Проекту: Ревизии: №Дата Опис Деталі Лист№ D Ж К " Н а у к о в и й " в у л П е т р о п а в л і в с ь к а, 4 0 В і до м і ст ь с ант ех н чног о обладнання 017 00 Р055 27 02 2019 Специфікація сантехнического обладнання МаркаНайменуванняЗображенняТех. хар-киК-стьВиробникМодель Sa-7Змішувач під біде1GROHЕ Grohe Grohtherm 1000 Cosmopolitan M (34286002) Sa-8 Душова скляна перегородка 1-Sa-9Рушникосушка1TERMAViva (910х400) Sa-10Кран кухонний1 Franke Neptune Evo Neptune Evo Sa-11Мийка кухонна1FrankeAton ANX 110-34 Sa-12 Трап+ решітка під плитку 1 ACO ShowerDrain C-line 785 мм C-line 408744 785 мм + Решітка під плитку Sa-13Водонагрівач1-Специфікація сантехнического обладнання МаркаНайменуванняЗображенняТех. хар-киК-стьВиробникМодель Sa-1 Змішувач під умивальник 1GROHЕ Grohe Eurosmart Cosmopolitan M-Size (23325000) Sa-2Умивальник1 VILLEROY & BOCH Architectura 41776001 Sa-3 Інсталяція (комплект) 1 VILLEROY & BOCH ARCHITECTURA 5684HR01+3877200 1 Sa-4Інсталяція під біде1GROHЕRAPID SL 38553001 Sa-5Біде1 VILLEROY & BOCH ARCHITECTURA 54840001 Sa-6Душова система1GROHЕ Eurosmart Cosmopolitan S-Size (32839000)

UKRAINE

Bulvarno-Kudriavska

15 tel. +380505086039 +380958418184 +380635776497 e-mail info@buro12.com web : www.buro12.com

/ KIEV 04154
Street 8a office
Нотатки: Дата: №Проекту: Ревизии: №Дата Опис Деталі Лист№ D Ж К " Н а у к о в и й " в у л П е т р о п а в л і в с ь к а, 4 0 В і до м і ст ь ос в т л ювальних прилад в 018 00 Р055 27 02 2019 Спецификация осветительных приборов МаркаНайменуванняВиробникМодельВид моделіРозмірК-сть 5.3ЛюстраLampe Gras LES ACROBATES 1 5.4 Світильник для шини ImperiumLight112114.05.054 5.5ШинаImperiumLight3300.05.051 5.6 Накладний світильник х1бокс KANLUX966333 6.1 Накладний світильник х2бокс KANLUX966574 6.3БраMARKSLOJD944111 6.4ТоршерMARKSLOJD945751 7.1Люстра 1 Спецификация осветительных приборов МаркаНайменуванняВиробникМодельВид моделіРозмірК-сть 1.1 Врізний світильник + GU10 (20 uah) KANLUX966574 1.2Лед стрічкаLED-1 2.1 Врізний світильник + GU10 (20 uah) KANLUX966572 2.1 LedЛед стрічка 2 3.1 Врізний світильник ip44 MARKSLOJD885198 3.2Бра с/уFARO NEWPORT FARO БОРДО 71153 1 3.3Настільна лампаIKEARANARP1 4.1 Накладний світильник х2бокс KANLUX966574 4.3БраTK LIGHTING151041 4.4Лед стрічка 1 5.1 Накладний світильник х2бокс KANLUX966574 5.2Лед стрічка 1

UKRAINE

Bulvarno-Kudriavska

tel. +380505086039 +380958418184 +380635776497 e-mail info@buro12.com web : www.buro12.com

Специфікація розеток

НайменуванняК-стьПримітка Заглушка2 Розетк 1х RG454 Розетка 220V43з них 2 накладні Розетка IP442

Розетка TV3

Термостат теплої підлоги2

Специфікація рамок

НайменуванняК-стьПримітка

Рамка на 1 пост26

Рамка на 2 поста61 накладний Рамка на 3 поста4 Рамка на 4 поста4

Рамка на 5 постів1

Специфікація вимикачів

НайменуванняК-сть Перемикач двоклавішний1

Перемикач одноклавішний2

Перемикач перехресний двоклавішний9

Перемикач перехресний одноклавішний3

руху1 Дзвінок1

/ KIEV 04154
Street 8a office 15
Нотатки: Дата: №Проекту: Ревизии: №Дата Опис Деталі Лист№ D Ж К " Н а у к о в и й " в у л П е т р о п а в л і в с ь к а, 4 0 В і до м і ст ь елект рообладнання 019 00 Р055 27 02 2019 Специфікація электрообладнання НаименуванняК-сть Відеодомофон1 Датчик

F-3 Шафа для взуття (гардероб)

F-4Шафа (гардероб)1

F-5Шафа (гардероб)1

F-6Шафа (гардероб)1

F-7Прикроватний стіл1

Індивідуальне

Індивідуальне виготовлення

Індивідуальне виготовлення 910x600

Індивідуальне виготовлення

Bulvarno-Kudriavska

+380505086039 +380958418184 +380635776497 e-mail info@buro12.com web : www.buro12.com

UKRAINE / KIEV 04154
Street 8a office 15 tel.
Нотатки: Дата: №Проекту: Ревизии: №Дата Опис Деталі Лист№ D Ж К " Н а у к о в и й " в у л П е т р о п а в л і в с ь к а, 4 0 В і до м і ст ь мебл в 020 00 Р055 27 02 2019 Специфікація меблів МаркаНайменуванняЗображенняК-стьВиробникПриміткаРозмір F-16Крісло2KARE Butterfly Brown Eco F-17Диван1Blest Енерджі (свіло сірий) 2280х1580х72 0 F-18Стіл1 Індивідуальне виготовлення 1600x600 F-19Крісло1 Primel (167695) HY7163A-4 F-20Стелаж1 Індивідуальне виготовлення 1400x280 F-21 Тумба під раковину 1 Індивідуальне виготовлення F-22Журнальний стіл1 Індивідуальне виготовлення 600x600 F-23 Вішалка для верхнього одягу 1 Індивідуальне виготовлення Специфікація меблів МаркаНайменуванняЗображенняК-стьВиробникПриміткаРозмір F-1Банкетка1400х350 F-2Шафа (передпокій)1 Індивідуальне виготовлення 700х2500
1
виготовлення
Індивідуальне виготовлення 500х500 F-8Ліжко1 Індивідуальне виготовлення 2100х1600 F-9 Журнальний стіл D400 1XO Індивідуальне виготовлення D400 F-10Консоль1 Індивідуальне виготовлення 1500х350 F-11Обідній стіл1Xtable Індивідуальне виготовлення 1600х900 F-12Стілець4 Tomebel (186509) Джордан серо-черный DC-1545 960х575 F-13Диван2 Індивідуальне виготовлення F-14 Журнальний стіл D600 1XO Індивідуальне виготовлення D600 F-15 Журнальний стіл D750 1 Індивідуальне виготовлення
900 ФарбаRAL-9003 13358002095 4230 200 880 1500 2170 ДСП Egger Дуб Арагон 6.2 м2 2545400800510 4250 150 900 300 2400 1500 200 ФарбаRAL-9003 4751025420 1915 3608001375910285 ДСП Egger Дуб Арагон 0.56 м2 3440 1.1 2130 4250 3440 2535700 UKRAINE / KIEV 04154 Bulvarno-Kudriavska Street 8a office 15 tel. +380505086039 +380958418184 +380635776497 e-mail info@buro12.com web : www.buro12.com Нотатки: Дата: №Проекту: Ревизии: №Дата Опис Деталі Лист№ D Ж К " Н а у к о в и й " в у л П е т р о п а в л і в с ь к а, 4 0 Розг ортк а передпок о ю 021 00 Р055 27 02 2019 Специфікація плитки (передпокій) МаркаЗображенняВиробникМодельПлощаКіль-сть 1.1BICOLOR Ceppo Grey (60х60) MQV3 10 м²32 12 34 1.1 3.1 3.2 2.1 1-22-3 3-4 4-1
1200 900 960510 280 Вивід під рушникосушку 1460 1 23 4 56 7 3.23.1 450 Навісна шафа ГК короб Інсталяція Оздоблення 1975205 3.3 1200 2180 850 2000 3110 15051605 1140 3.3 450 550 300 3.3 1000 200 1400 1200 1500125 1-1 22 450 3.3 1500 220 355 140 90 745800145 202400 1000 1690 585215 3.3 785 40 80 150 UKRAINE / KIEV 04154 Bulvarno-Kudriavska Street 8a office 15 tel. +380505086039 +380958418184 +380635776497 e-mail info@buro12.com web : www.buro12.com Нотатки: Дата: №Проекту: Ревизии: №Дата Опис Деталі Лист№ D Ж К " Н а у к о в и й " в у л П е т р о п а в л і в с ь к а, 4 0 Розг ортк а с анвуз лу 022 00 Р055 27 02 2019 Змішувач на біде GROHE Eurosmart Cosmopolitan Трап+решітка ACO C line 408744 785 мм Душова система GROHE Grohe Grohtherm 1000 Cosmopolitan M Умивальник VILLEROY & BOCH ARCHITECTURA 41776001 Змішувач GROHE Eurosmart Cosmopolitan Рушникосушка TERMA VIVA (910х400) Інсталяція під біде VILLEROY & BOCHARCHITECTURA 5684HR01 Інсталяція (комплект) VILLEROY & BOCHARCHITECTURA 54840001 Декоративна штукатурка сірого кольру Специфікація підлогового покриття с/в МаркаЗображенняВиробникМодельПлощаКіл-сть 3.1BICOLOR Ceppo Grey (60х60) MQV3 3 м²10 3.2BICOLOR Monteverde Noce (16.5×100) MN 9 3 м² Спеціфікація плитки (стіни) МаркаЗображенняВиробникМодельПлоща 3.3BICOLORMonteverdeNoce(16.5×100)MN912 м² 1-22-33-44-5 5-66-7 3.2 Вузол1-1 Вивід під бра 7-1
725725 200 20 420 640 205001450 326 І 326 І 326 1014 1252 750 750 200100 340 60 850 2400 390 5631275562 520 950 1278 350 350 368 18 18 18 UKRAINE / KIEV 04154 Bulvarno-Kudriavska Street 8a office 15 tel. +380505086039 +380958418184 +380635776497 e-mail info@buro12.com web : www.buro12.com Нотатки: Дата: №Проекту: Ревизии: №Дата Опис Деталі Лист№ D Ж К " Н а у к о в и й " в у л П е т р о п а в л і в с ь к а, 4 0 Сх е ма меблі в с анвуз лу 022 1 00 Р055 27 02 2019 Корпус ДСП Фасад МДФ колір NCS S 0500 N Корпус ДСП Фасад МДФ колір NCS S 1500 N Корпус ДСП Фасад МДФ перфорована панель Бойлер
280 300 200 2500 1905800385 ФарбаRAL-9003 3090 600920 1520 2600 300405250615915600 900 830 18 2482 800 1700 ФарбаRAL-90032.1 Led 3090 610910 2600 ФарбаRAL-90032.1 Led 1520 1 23 4 915 2.1 1520 1520 1570 910 3090 UKRAINE / KIEV 04154 Bulvarno-Kudriavska Street 8a office 15 tel. +380505086039 +380958418184 +380635776497 e-mail info@buro12.com web : www.buro12.com Нотатки: Дата: №Проекту: Ревизии: №Дата Опис Деталі Лист№ D Ж К " Н а у к о в и й " в у л П е т р о п а в л і в с ь к а, 4 0 Розг орт а г ардеробної к мнат и 023 00 Р055 27 02 2019 Специфікація плитки (гардероб) МаркаЗображенняВиробникМодельПлощаК-сть 2.1BICOLOR Ceppo Grey (60х60) MQV3 4 м²15 1-22-33-4 4-1 • Всі габаритні розміри вбудованих меблів узгодити з фабрикою виробником меблів Примітка
300 400 4490 ФарбаRAL-9003 2050 300 900 710 200 1400 105020351405 ФарбаRAL-9003 1200 4490 800 ФарбаRAL-9003 1200 365 Вивід під бра 4.3 2700 702802050 2405 II 295 4.1 4490 2405 140514351650 3152050 UKRAINE / KIEV 04154 Bulvarno-Kudriavska Street 8a office 15 tel. +380505086039 +380958418184 +380635776497 e-mail info@buro12.com web : www.buro12.com Нотатки: Дата: №Проекту: Ревизии: №Дата Опис Деталі Лист№ D Ж К " Н а у к о в и й " в у л П е т р о п а в л і в с ь к а, 4 0 Розг орт а к аб нету 024 00 Р055 27 02 2019 1 2 3 4 1-2 2-33-4 4-1 Специфікація паркету (кабінет) МаркаЗображенняВиробникМодельПлоща 4.1Вудхарт Дуб #3003 / Баланс (190мм) 10 м² 4.2 4.2 Led 4.1 4.2 Вент решітка Гіпсокартон
705705 1400 1475157514101660 300 300 6115 900 1000 200 300 37087533026251015 5.1 5.4 1.1 5.65.3 900 300 Вент труба 5215 3730 700 5.2 Led 5.2 3340 115 330 1600 2700 20 1180 2095 2735 10505050 5.1 5.4 300 1870 1000 900 6115 400500 36553001260 300 5215 12 34 5.2 6115 5215 6140 5215 UKRAINE / KIEV 04154 Bulvarno-Kudriavska Street 8a office 15 tel. +380505086039 +380958418184 +380635776497 e-mail info@buro12.com web : www.buro12.com Нотатки: Дата: №Проекту: Ревизии: №Дата Опис Деталі Лист№ D Ж К " Н а у к о в и й " в у л П е т р о п а в л і в с ь к а, 4 0 Розг ортк а к ух н ві т альн 025 00 Р055 27 02 2019Специфікація підлогового покриття (кухня-вітальня) МаркаЗображенняВиробникМодельПлощаКол-во 5.1BICOLOR Ceppo Grey (60х60) MQV3 7 м²20 шт. 5.2Вудхарт Дуб #3003 / Баланс (190мм) 24 м² 1-2 2-3 3-4 4-1
150 600 200 400 20 30 750 100 Металеві полиціВарочна поверхня 2100 795 300 • Металева труба 20х20 • Полиці ДСП 2700 343 18 343 343 343 343 343 343 152 18 18 18 18 18 18 18 600 600 600 600 600 600 200 360 600 340 UKRAINE / KIEV 04154 Bulvarno-Kudriavska Street 8a office 15 tel. +380505086039 +380958418184 +380635776497 e-mail info@buro12.com web : www.buro12.com Нотатки: Дата: №Проекту: Ревизии: №Дата Опис Деталі Лист№ D Ж К " Н а у к о в и й " в у л П е т р о п а в л і в с ь к а, 4 0 Сх е ма меблі в к ух ні в т альн 025 1 00 Р055 27 02 2019 • Корпус ДСП • Фасади фарбовані : NCS білий S 0500 N NCS cірий S 4502 В • Ручка GOLA • Стільниця + фартук - HanStone Tranquility Холодильник Карго Посудомійна машина
6.1 3270 4025 3405 4025 600 300 1100 600 150 2700 6.16.2 6.1 6.2 Вивід під бра6.2 Led 4025 300 900 3270 6.16.2 6.2 Led 150 300 1400 300 4025 1710 1675 3270 UKRAINE / KIEV 04154 Bulvarno-Kudriavska Street 8a office 15 tel. +380505086039 +380958418184 +380635776497 e-mail info@buro12.com web : www.buro12.com Нотатки: Дата: №Проекту: Ревизии: №Дата Опис Деталі Лист№ D Ж К " Н а у к о в и й " в у л П е т р о п а в л і в с ь к а, 4 0 Розг ортк а с пальної к мнат и 026 00 Р055 27 02 2019 Специфікація паркету (спальня) МаркаЗображенняВиробникМодельПлоща 6.1Вудхарт Дуб #3003 / Баланс (190мм) 13 м² 1 2 3 4 1-2 2-33-4 4-1 Вент решітка
18684182321859718 16641880018 1887918 2500 2500 18601860418 900 1801 F-3F-4 F-5 F-6 F-20 300 600 600 1885518 1585 891 915 2408 215 700 Щитова F-2 Дзеркало F-23 1801 300 300 300 300 300 300 300 256 18 18 18 18 18 18 18 18 18601860418 300 1000 330 330 330 18 18 18 18 18 2550 600 320 18 355 18 532 18 532532 18 360550550550 • ДСП - Egger Дуб Арагон 2023 336 345 345 345 345 345 345 18 18 18 18 18 18 18 18 18 18 18 18 345 345 1788 2705 1400 280 І1363І 343 343 343 343 343 343 343 155 18 18 18 18 18 18 18 18 2170 220 150 1800 435 3030 UKRAINE / KIEV 04154 Bulvarno-Kudriavska Street 8a office 15 tel. +380505086039 +380958418184 +380635776497 e-mail info@buro12.com web : www.buro12.com Нотатки: Дата: №Проекту: Ревизии: №Дата Опис Деталі Лист№ D Ж К " Н а у к о в и й " в у л П е т р о п а в л і в с ь к а, 4 0 Сх е ма меблі в 027 00 Р055 27 02 2019 Відкиднавішалка • Всі габаритні розміри вбудованих меблів узгодити з фабрикою виробником меблів Примітка

Turn static files into dynamic content formats.

Create a flipbook