
8 YEARS OF ARCHITECTURE

P O R P O R
T O F T O F
L I O L I O



A PASSIONATE ARCHITECT WITH A FOCUS ON SUSTAINABILITY, RENEWABLE ENERGY, AND REDUCING THE ECOLOGICAL FOOTPRINT.
FINDING WAYS TO LEARN NEW EVERYDAY.
Registered Architech
PURISM ARCHITECTS
SPADE ARCHITECTS
STUDIO WONDER SPACES
ALWAYS TRING TO BUILD A HEALTHY COOPERATIVE AURA & PEOPLE AROUND 2017-2022 BATCHELORS IN ARCHITECTURE
FREELANCE - SQUARE WIT











BRAINSTOMING & DISCUSSION
CONCEPTUALIZATION
DESIGN
DESIGN DETAILING
CONSTRUCTION DRAWINGS
STRUCTURAL DESIGN
MEP FEASIBILITY CHECK
PERSENTATION & GRAPHICS
VISUVALIZATION
WALKTHROUGH
COORDINATION ON SITE
SITE PROGRESS CHECK
5years AMS ACADEMY OF ARCHITECTURE, CHENNAI
PROJECTMANAGEMENT
COMMUNICATION
PROBLEM SOLVING TEAMWORK & COLABORATION SKETCHING
DISCLAIMER: ALL DESIGNS, DRAWINGS, AND VISUAL CONTENT PRESENTED IN THIS PORTFOLIO ARE MY ORIGINAL WORK, CREATED BY ME UNLESS OTHERWISE STATED. UNAUTHORIZED
001 1
002 2
003 3
004 4
005 5








VILLA' JALI BREEZE

CONTEMPORARY
JAPANDI
MINIMAL
Office space in Erode with different departments collaborating – the client's requirement is to maximize the use of abundant natural sunlight.
The site is set in a beautiful location with views to the south and west, so we planned a balcony at the front of the first floor to take advantage of them.










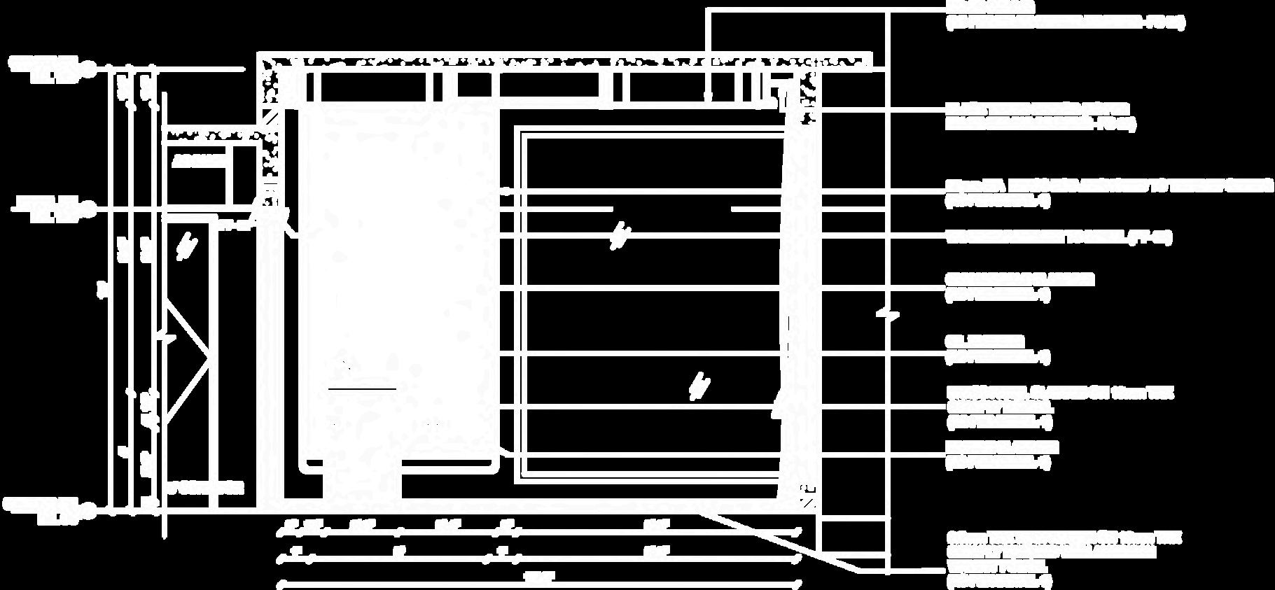
A DOUBLE-HEIGHT SPACE WITH ABUNDANT NATURAL LIGHT CREATES A BRIGHT, OPEN ATMOSPHERE, ENHANCING THE SENSE OF SPACE AND CONNECTION TO THE OUTDOORS THE HIGH CEILINGS AND AMPLE DAYLIGHT FOSTER A REFRESHING, AIRY ENVIRONMENT.


A FIRST-FLOOR SWIMMING POOL WITH A ROW OF PLANTERS OFFERS A STYLISH RETREAT, BLENDING MODERN DESIGN WITH NATURE. THE GREENERY ENHANCES AESTHETICS, PROVIDES PRIVACY, AND ADDS A REFRESHING AMBIANCE, MAKING THE SPACE BOTH FUNCTIONAL AND SERENE.






















VPEA OFFICE

An office space in Erode, designed for collaboration across different departments, prioritizes abundant natural sunlight as per the client’s requirement. The site is set in a beautiful location with views to the south and west, leading to the addition of a first-floor balcony to enhance the experience.
















The client's requirement was a contemporary design with a touch of traditional elements, so we incorporated this through the choice of materials. We carefully considered all aspects of the design to seamlessly blend traditionalism with contemporary style.
The planning includes a grand entrance facing a feature wall at the center of the building, complemented by a skylight that allows abundant natural light to illuminate the entire space.



Balcony with the view to the coconut mush beyond the reach filled with blues and greens. Simple three materials used.

Highlighting elements are the slab projection and the fin walls with buffering gap for the air flow and connection between the building and the fin brings up a thinking factor in.


Front view with screened light inside allows minimal heat inside the building with abundant ventilation.























































































