

PROBLEM SOLVING
TROUBLESHOOTING TALES FROM THE FIELD








No matter the job site, equip your team with the tools to communicate effectively.




Rugged durability in a sleek and lightweight build
Large 6.3” display that works with gloves and in wet conditions
Dust and water resistant design
Paired with Bell Push-to-Talk, you can instantly and efficiently communicate with your team at the push of a button.



Get the Samsung Galaxy XCover Pro with Canada’s best Push-to-Talk solution.
CON TENTS


FEATURES
14
HYDRONICS
FIXING THE FIX
The pressure was on to find a second solution after solving one issue in a two-pipe buffer tank configuration.
By John Siegenthaler
20
IEQ
HEATING THE HISTORICAL
Designing for human comfort under the constraints of a heritage home in the mountains.
By Robert Bean
24
HVAC
THE TROUBLES I HAVE SEEN
Sharp eyesight, inquisitive minds and deductive reasoning are all required when solving HVAC problems. By Ian
McTeer
34
PLUMBING
BUILDING CROSS CONNECTION
CONTROL AWARENESS
Annual photo contest draws attention to the Bad and Ugly as a way to promote safety and assurance.
By Doug Picklyk
CON TENTS
46 REFRIGERATION
BACK IN THE DAY
Retelling of an early service call to solve a grocery store’s meat freezing issue that required deductive reasoning, a look at the manuals and a sense of touch.
By Dave Demma
50
CONTROLS
THERMODYNAMICS … HUMBUG! Troubleshooting controls issues require taking methodical steps, but sometimes the solutions are more obvious than you think, like a simple hole in the wall.
By Curtis Bennett





SYSTEM XFR® DWV IS RIGHT AT HOME in a 40-story condo building.

System XFR® DWV from IPEX is an engineered PVC DWV system available in diameters from 1.5” to 18”.
It delivers greater corrosion resistance, flow rates and carrying capacity, and lower thermal conductivity than metal. It also has higher impact resistance, lasts longer, costs less to maintain AND weighs less than cast iron.
System XFR® DWV… fast becoming the preferred choice across Canada.
Certified for use in noncombustible construction, high buildings and air return plenums.
Ask for System XFR® DWV by name. Be sure to check out our entire line of DWV System pipe and fitting products. For more information please contact 1-800-463-9572 or visit ipexna.com Open your IOS or Android device and scan here for more information.

< UPFRONT
LOOKING FORWARD
WELL, SO THAT WAS 2020. AS THE NEW YEAR APPROACHES MANY PEOPLE CAN’T WAIT TO SAY “GOOD-BYE” TO THESE PAST 12 MONTHS. For all of the disruption the deadly coronavirus has caused around the world, it’s important to take some time for serious reflection and also consider what effect the pandemic will have on the year to come.
“Volatility,” was the word Peter Norman, chief economist with the Altus Group, emphasized when delivering his forecast for what’s ahead in 2021. Norman delivered an economic update webinar hosted jointly by the Canadian Institute of Plumbing and Heating (CIPH) and the Heating, Refrigeration and Air Conditioning Institute of Canada (HRAI) in late November.
Focused on areas most effecting our industry, Norman called his presentation “Housing, Real Estate and the Pandemic—8 Months In.” He suggests the “ripple” effects of what’s happened already will have an impact going into 2021 and beyond. The non-residential sector of construction—including commercial, industrial and institutional buildings—is where he sees the greatest uncertainty, especially when it comes to planning for downtown office and retail spaces, as the cultural shifts towards work-from-home and accelerated online shopping are expected to linger.
The 2020 boom in the housing market was real, hitting its highest third quarter activity ever, and new housing starts remained steady. Norman’s concerns are that unemployment rates and reduced immigration may slow demand for new homes in the year to come. What remains to be seen is how government support programs will spark new activity in these areas.
If there is one thing that I witnessed in 2020, it was the underlying issues in HVAC/R and plumbing that often go unnoticed rising to the forefront of the public consciousness.
The heightened awareness of ventilation requirements will continue to drive conversations across all sectors of the construction market, and energy efficiency in the built environment continues to gather momentum as federal commitments to combat climate change lead to actions. This is where the resilience and problem-solving abilities of the mechanical industry will continue to shine for years to come.
So farewell to 2020. You presented change and challenges to us all, but coming up with solutions is what this industry is all about. Our team here at HPAC magazine is already making plans to bring greater learning and networking opportunities to you, our readers, in the New Year.
We’ll be continuing our 30 Mechanical Minutes webinars in 2021, and be on the lookout for more details on our Modern Hydronics Summit that will be delivered online March 30 and 31. We’ll be taking advantage of a superb new virtual event platform that will enable engaging interaction with our speakers, sponsors, exhibitors and other attendees. We’re already excited about this new online experience and we’re sure you’re going to enjoy it as well.
So please take time over the holiday season to unwind, refresh and get ready for a successful 2021. From our entire HPAC Magazine Team: Season’s Greetings and Happy New Year. <>
– Doug Picklyk, Editor
Reader Service
Print and digital subscription inquires or changes, please contact
Urszula Grzyb, Audience Development Manager
Tel: (416) 510-5180
Fax: (416) 510-6875
Email: ugrzyb@annexbusinessmedia.com
Mail: 111 Gordon Baker Rd., Suite 400, Toronto, ON M2H 3R1
EDITOR
ASSOCIATE PUBLISHER MEDIA DESIGNER
ACCOUNT COORDINATOR
PUBLISHER
COO
Doug Picklyk (416) 510-5218 DPicklyk@hpacmag.com
David Skene (416) 510-6884 DSkene@hpacmag.com
Emily Sun
esun@annexbusinessmedia.com
Kim Rossiter (416) 510-6794 krossiter@hpacmag.com
Peter Leonard (416) 510-6847 PLeonard@hpacmag.com
Scott Jamieson sjamieson@annexbusinessmedia.com
PUBLICATIONS MAIL AGREEMENT NO. 40065710
Heating Plumbing Air Conditioning (established 1925) is published 7 times per year by Annex Publishing & Printing Inc. HPAC Magazine is the leading Canadian business publication for the owner/manager of mechanical contracting businesses and their supply partners.
ISSN: 0017-9418 (Print) ISSN 2371-8536 (Online)
Contents Copyright © 2020 by Annex Publishing & Printing Inc. may not be reprinted without permission.
SUBSCRIBER SERVICES:
To subscribe, renew your subscription or to change your address or information please visit us at www.hpacmag.com
Subscription Price per year: $44.00 (plus tax) CDN; Outside Canada per year: $112.00 US; Elsewhere: 1 year $123.00 (CDN); Single copy Canada: $5.00 CDN. Heating Plumbing Air Conditioning is published 7 times per year except for occasional combined, expanded or premium issues, which count as two subscription issues.
MAIL PREFERENCES: From time to time we make our subscription list available to select companies and organizations whose product or service may interest you. If you do not wish your contact information to be made available, please contact us via one of the following methods: Tel: 416-442-5600 ext. 3552, Fax: 416-510-6875 or 416442-2191; E-mail: blao@annexbusinessmedia.com; or by mail: 111 Gordon Baker Rd., Suite 400, Toronto ON M2H 3R1 Annex Privacy Officer Privacy@annexbusinessmedia.com Tel: 800-668-2374
HPAC Magazine receives unsolicited materials (including letters to the editor, press releases, promotional items and images) from time to time. HPAC Magazine, its affiliates and assignees may use, reproduce, publish, re-publish, distribute, store and archive such unsolicited submissions in whole or in part in any form or medium whatsoever, without compensation of any sort.
NOTICE: HPAC Magazine, Annex Publishing & Printing Inc., their staff, officers, directors and shareholders (hence known as the “Publisher”) assume no liability, obligations, or responsibility for claims arising from advertised products. The Publisher also reserves the right to limit liability for editorial errors, omissions and oversights to a printed correction in a subsequent issue. HPAC Magazine’s editorial is written for management level mechanical industry personnel who have documented training in the mechanical fields in which they work. Manufacturers’ printed instructions, datasheets and notices always take precedence to published editorial statements.

Proud member of:


www.hpacmag.com





NEWS FEATURE
ASHRAE MOVES INTO NET ZERO RETROFIT HEADQUARTERS
ASHRAE, the global society advancing human well-being through sustainable technology for the built environment, is walking the talk as the society’s approximately 110-person staff officially moved into its new Net Zero energy ready Atlanta-area global headquarters at the beginning October.
The society began renovations in January 2020 on an existing 66,700 sq. ft. building, originally built in 1978 on 11 acres of land. “ASHRAE’s new global headquarters is a prime example of how we are helping to pioneer a movement that many expect will ultimately make net-zero energy the ‘new norm’ in sustainable design and construction,” said ASHRAE building ad hoc committee chair Ginger Scoggins, P.E.
“Although new construction of netzero energy buildings makes a lot of headlines, reuse of existing structures is a basic tenet of sustainability—the energy performance of existing buildings must be addressed to substantially impact the 40% of primary energy consumed by buildings,” added Scoggins.
“ASHRAE’s goal for this project was to renovate a three-story 1970’s era, cheap energy period building into a high-performing net-zero-ready facility


ASHRAE’s retrofit Net Zero energy-ready headquarters: (l-r) Ginger Scoggins, P.E.; Charles E. Gulledge, P.E., 2020-21 ASHRAE president; and Jeff Littleton, ASHRAE executive vice president.
in a cost-effective way that can be replicated in the built environment industry,” noted Tim McGinn, P.E.
Examples of technical features of the new ASHRAE headquarters include:
• Radiant ceiling panel system: This is used for heating and cooling and a dedicated outdoor air system for outdoor air ventilation with enthalpy heat recovery.
• Overhead fresh air distribution system augmented with reversible ceiling fans in the open office areas and displacement distribution in the learning centre.
• Six water source-heat pumps: There are four on basement level and two on an upper level atrium that will be used to condition these spaces.
• Demand Control Ventilation (DCV): This will be used for high occupancy spaces in the meeting and learning centre. Air distribution is constant volume in office areas and provided by fabric duct, reducing diffuser count and duct branches.
• Modeling Energy Use Intensity (EUI) of 17 kBtu/sq.ft./yr.
• Roof-top and ground mounted photovoltaic solar energy system planned for installation March 2021.
“ASHRAE’s first-of-its-kind headquarters building was designed as a living showcase of what’s possible through technology integration to increase effi -
ciency, protect people and property, and enhance the occupant experience,” said 2020-21 ASHRAE president Charles E. Gulledge III, P.E. “In addition to supporting ASHRAE’s technical standards, innovative product integrations from our generous donors also provide a scalable and repeatable model for a net-zero energy building design.”
Prior to the COVID-19 pandemic, ASHRAE had already planned to provide 30% more outside air to the building than the required minimum ventilation rates from ASHRAE Standard 62.1 and will implement other applicable guidance that has been developed by the ASHRAE Epidemic Task Force (ETF) for commercial office buildings.
“ASHRAE’s new global headquarters is an example of an effective built environment that fully considers the importance of effective operations by installing the systems and equipment in a manner that facilitates operation and maintenance,” said 2019-20 ASHRAE president Darryl K. Boyce, P.Eng.
“We are grateful to our donors for their generous support and partnership. It is this support that not only shows our donors’ alignment with ASHRAE’s sustainability goals, but helps us to address the challenges of designing and operate buildings in a technology driven environment.” <> ashrae.org/newhq
INDUSTRY NEWS

MCEE 2021 CANCELLED
Due to the uncertainty related to the pandemic, the Mécanex/Climatex/ Électricité/Éclairage (MCEE) partners have decided to cancel MCEE 2021, the bi-annual trade show scheduled to take place at the Palais des congrès de Montréal on April 7 and 8, 2021.
The show’s partners include the Canadian Institute of Plumbing & Heating (CIPH) and the Corporation of Master Pipe Mechanics of Quebec (CMMTQ) along with Corporation des en treprises de traitement de l’air et du froid (CETAF) and Corporation des maî tres électriciens du Québec (CMEQ).
The next MCEE trade show will take place in 2023. mcee.ca

The AHR Expo will return in 2022 at the Las Vegas Convention Center.
The 2021 ASHRAE Winter Virtual Conference will take place February 9-11, and will include a mixture of live and ondemand sessions. Additional details about the conference and committee meetings will be available in the coming weeks at ashrae.org/Chicago.
ahrexpo.com
CONSTRUCTION ROBOT FOR MECHANICAL/PLUMBING APPLICATIONS
Hilti has introduced the Jaibot, a semiautonomous robot for mobile ceilingdrilling.
The construction robot is designed to assist mechanical, electrical and plumbing (MEP) installation contractors tackle

productivity, safety and labor shortage challenges.
For commercial applications, the Jaibot operates based on building information modeling (BIM) data, accurately locating itself indoors, drilling holes with dust-controlled functions and marks the holes according to the trade.
Completely cordless, the robot can work an 8-hr day and is navigated by a worker via remote control. hilti.ca
Continued on p12

AHR EXPO 2021 CANCELLED
AHR Expo show management announced that “after exhausting all possibilities to tentatively reschedule the show for March 2021, we regret to announce … the forced cancellation of the 2021 AHR Expo in Chicago.”
With continuing surges of the COVID-19 pandemic across America and local restrictions that prohibit mass gatherings over 50 people in many states, it was determined that hosting an in-person event will not happen 2021.

THE EASY WAY TO BOOST PRODUCTIVITY.
Adrian Steel’s Grip Lock and Drop Down Ladder Racks are designed with ergonomics and user safety in mind. Whether you’re upfitting a single van or an entire fleet, Adrian Steel has just what you need. Increased efficiency starts now.


STUDY CONFIRMS UV-C KILLS 99.9% OF VIRUS THAT CAUSES COVID-19
Third-party lab tests have proven that residential and commercial UV-C disinfection equipment for HVAC systems from Fresh-Aire UV are >99.99% effective in inactivating SARS CoV-2, the virus which causes COVID-19 disease.
The “SARS CoV-2 Neutralization by Germicidal UVC Light Systems” study conducted by Innovative Bioanalysis in Costa Mesa, Calif., validated a 4-log, >99.99% coronavirus inactivation in less than two seconds of exposure to Fresh-Aire UV’s germicidal UVC 254-nanometer light system.
The exposure time is comparable to a moving airstream model within a facility’s HVAC or ventilation system. The lab used Fresh-Aire UV’s ADS airstream and BlueTube XL coil and airstream disinfection systems designed for healthcare, education, office and other commercial facility applications. The residential and
commercial APCO-X coil and air disinfection system also exhibited the same positive results.
The study is one of the first successful SARS CoV-2 inactivation tests in the HVAC industry.
Innovative Bioanalysis is now executing a second phase of testing. www.freshaireuv.com
CIPH AND MCAC SUPPORT FOR INFRASTRUCTURE BANK’S GROWTH PLAN
In a joint statement the Mechanical Contractors Association of Canada (MCAC) and the Canadian Institute of Plumbing & Heating (CIPH) voiced their support of the federal government announcement on October 1 that $10 billion will be invested over the next three years as part of the Canada Infrastructure Bank’s Growth Plan, including $2 billion earmarked for retrofits of buildings to make them more energy efficient.
“We are delighted to see that the government acknowledges retrofits are a key part of Canada’s low-carbon transition. Retrofitting is not just good for business, it will help to reduce the proportion of greenhouse gas emissions from the built environment, conserve water, and make places healthier and more com-
SWEET HEAT CONTEST RECOGNIZING HYDRONIC TALENT
We’re calling on hydronic contractors across Canada to get out their cameras and show off their work. Entry is simple, visit hpacmag.com and look for the Sweet Heat logo, fill in the online form and attach it along with installation photos (before and after shots will work best) of a project completed between June 1/2020 and Feb 28/2021.
We’re asking for a limit of one submission per contractor, and it can be a new installation or a retrofit. Deadline to enter is March 12, 2021.
Important: Entries must include the online form which asks for a description of the particular challenges faced, how obstacles were overcome and innovations involved.
The winning entry, and two runners up, will be announced at the end of the Modern Hydronics Virtual Summit (March 30 and 31, 2021) by HPAC contributors John Siegenthaler and Robert Bean. In addition, the winning entry will be profiled by HPAC and be featured on the cover of the August 2021 edition of Modern Hydronics. hpacmag.com/wp-content/uploads/2020/11/Sweet-Heat-form.pdf
fortable to live and work in,” stated Ralph Suppa, president and general manager of CIPH.
“This acceleration shows that the government is already following through on Throne Speech commitments,” added Tania Johnston, CEO of MCAC.
CIPH and MCAC are also encouraging the government to invest in skilled trades training, support efficiency by addressing trade barriers, and partnering with provinces and municipalities on public projects. ciph.ca mcac.ca
SMACNA LAUNCHES SYSTEM AIR LEAKAGE TEST STANDARD
The Sheet Metal and Air Conditioning Contractors’ National Association (SMACNA) based in Virginia has announced the official launch of the first edition, System Air Leakage Test Standard.
The 96-page standard is a resource for leakage testing of any portion of, and up to, the entire forced air system. Since 1965, SMACNA has included a procedure for leakage testing of ductwork, a process that has evolved over time based on research and feedback from the industry.
The new system air leakage test standard goes beyond the duct and includes procedures for any item included in a forced air system.
The pass/fail criterion are based on research specific to testing conditions, and distributes the responsibility of system performance equitably. smacna.org
HRAI FORMS IAQ EXPERT PANEL
The Heating, Refrigeration and Air Conditioning Institute of Canada (HRAI) has established an expert advisory panel on indoor air quality in commercial and institutional buildings.
The panel, chaired by Joe Muchynski of Arvin Air Systems, also includes members of the contractors division of HRAI and members from each of the three HRAI member divisions, as well as repre -
LETTER TO THE EDITOR
Greetings!
We read with interest the article “Material Knowledge” by Jonathan Simon in your October 2020 issue.
As a residential plumbing manager, Mr. Simon is obviously well-versed in the residential side of the plastic piping market. However, the article doesn’t make it clear that what is being discussed is only the residential side; the article makes no mention of the innovative and durable plastic piping products that are available in the commercial market.
As you’re probably aware, polypropylene (PP) pipe has been used in thousands of HVAC and plumbing installations (including residential) worldwide for nearly five decades ... It is ideal for both new construction and re-piping projects.
We’d like to encourage your readers in the commercial market to look into the benefits of PP pipe!
Thanks,
Barry Campbell, VP of Marketing, Aquatherm North America
sentatives from the Building Owners and Managers Association (BOMA), the Public Health Agency of Canada (PHAC), the National Research Council (NRC), the University of Toronto and University of Alberta, ASHRAE and the Air-Conditioning, Heating and Refrigeration Institute (AHRI).
One objective for this group is to produce materials on the best practices currently in place to limit the transmission of COVID-19 through HVAC systems.
“Over the months ahead we will work together to make sure Canadians have better information about the risks of transmission in an array of environments and conditions,” said Muchynski in a media release. “We want to ensure business owners, building managers, and institutional administrators can confidently assess risks and make good choices for indoor environments while navigating the impacts of the pandemic.” hrai.ca
QUEBEC RELEASES $6.7B GREEN ECONOMY PLAN
On Monday, Nov. 16th Québec Premier François Legault and the province’s Minister of the Environment, Benoit Charette, unveiled Québec’s 2030 Plan for a Green Economy along with its first five-year implementation plan covering 2021-2026, backed by a budget of $6.7 billion over those five years.
The government is launching a major electrification push in the transportation industry, but also in the building heating and other industrial sectors.
The province will inject more than $550 million to reduce GHG emissions linked to heating residential, commercial and institutional buildings by 50%.
This target is to be achieved by what it calls ‘optimal complementarity’ between the electricity and gas networks and by the use of bioenergy, energy efficiency, and converting from fuel oil to electricity, as well as through the use of renewable natural gas and other renewable energy sources.
Energy efficiency is also a priority, as more than $307 million will be invested over the next five years through the EcoPerformance program which will see $113 million invested to support energy conversion and efficiency in commercial and institutional buildings. An additional $75 million is set aside to encourage heat recovery and re-use.
Internally, the government will be reducing its carbon footprint with the objective of reducing emissions from its real estate holdings by 60% by 2030, compared to their 1990 levels—a target higher than the one set for Québec as a whole.
quebec.ca
FEDS FUNDING BIOMASS BOILER PROJECTS IN NEW BRUNSWICK
The Government of Canada and the Federation of Canadian Municipalities (FCM) are investing $417,400 in a pilot project to replace existing fossil-fuel burning heating furnaces with high-efficiency biomass boilers in four municipality facilities in New Brunswick:
It’s anticipated that this model could generate a ripple effect on other small towns in Northern New Brunswick, as well as the rest of Canada, where residual forest or agricultural biomass is available.
This pilot is expected to generate a 70% reduction in GHG emissions, a 70% reduction in energy consumption and a reclamation of 64 tonnes of residual forest biomass per year.
Upon completion of the project energy efficiency measures will be put in place in each building; following which several months of monitoring will be carried out to assess the results of the project.
ONTARIO APPOINTS SKILLED TRADES PANEL TO ADVISE ON TRAINING AND CERTIFICATION
The Ontario government is investing an additional $75 million over the next two years to help apprentices cover living expenses during their in-class training time and is also appointing a five-member Skilled Trades Panel to provide advice and recommendations on developing a new approach to training and certification as a replacement of the Ontario College of Trades.
This $75-million investment includes: a grant for apprentice learning to support those ineligible for EI while attending in-class training, a $24 million commitment to increase the maximum benefit rates for EI-eligible apprentices attending full-time in-class training. There is also a commitment to support training providers and upgrades to their their facilities with modern equipment. ontario.ca/page/skilled-tradespanel-consultations
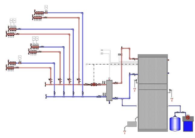
FIXING THE FIX
The pressure was on to find a second solution after solving one issue in a recent two-pipe buffer tank configuration scenario.
BY JOHN SIEGENTHALER
Have you ever been involved with a project where a “fix” for one situation created a “glitch” elsewhere? I suspect that many of you can answer in the affirmative. In most cases the “glitch” forced another modification that - hopefully - solved both it and the original problem. This month’s article is all about one such scenario.
SOME BACKGROUND
In past articles I’ve discussed the advantages, and limitations, of “two-pipe” buffer tank configurations, especially as they relate to biomass boiler systems.
Figure 1 (top left, opposite page) shows a typical two-pipe configuration for reference.
The advantages of a two-pipe buffer tank configuration are:
1. Heated water can move directly from the heat source to the load without first passing through the buffer tank when the heat source and load are operating at the same time.
2. When the conditions described in 1 above are present, the flow rate into and out of the buffer tank is only the difference between the heat source flow rate and the load flow rate. Lower flow rates into and out of the tank reduce mixing and help preserve beneficial temperature stratification.
The “Achilles heel” of a two-pipe buffer tank configuration is that it’s possible, when appropriate measures are not taken, for some of the flow returning from the load to pass through the inactive heat source rather than through the buffer tank. This creates heat loss in the mechanical room and also reduces the supply water temperature to the load.
Preventing this undesirable “ghost flow” through the inactive heat source(s) requires hardware that can create a suitable pressure threshold before forward flow is allowed.
One way to do so is to install a motorized two-way valve that closes when the heat source is off, and opens when it’s operating.
On one project that I’m familiar with these motorized two-way valves were added as a last-minute means of preventing flow through any of three pellet
“The “Achilles heel” of a two-pipe buffer tank configuration is that it’s possible, when appropriate measures are not taken, for some of the flow returning from the load to pass through the inactive heat source rather than through the buffer tank.”


2. Installation location of “ghost flow” valves on a pellet boiler installation: motorized two-way valves that close when the heat source is off and open when it’s operating.
boilers when they were not operating. The valves were signaled to open when the boiler’s circulator turned on, which, based on internal controls in each pellet boiler, would not occur until the boiler water reached some initial temperature indicating that the combustion was established and stable.
Figure 2 (above right) shows where these “ghost flow” valves were added.
In this system, each pellet boiler has a motorized three-way that serves as an “anti-condensation” mixing valve. The cool water inlet port of this valve is fully closed until the inlet of the pellet boiler reaches a temperature of 130F.
If the water temperature in the boiler continues to rise, as it should, the cold port of the valve continues to open allowing increasing flow from the boiler to the load. If the return water temperature drops back toward 130F the cold port of the valve decreases cool water flow into the valve in an attempt to keep the inlet water temperature high enough to prevent sustained flue gas condensation within the boiler.
Study the details in Figure 2 carefully. Do you see any issues?
If not, here’s a clue: as a boiler warms up fluid begins to “dribble” from its pressure relief valve (PRV). This occurs well before the water in the boiler reaches 130F.
WHAT’S HAPPENING?
I’m sure some of you spotted the problem. During a cold start the anti-condensation valve is in full bypass. This effectively blocks the piping path from that valve’s cool port to the balance of the system.
The motorized “ghost flow” valve is also closed until the boiler warms up. Because this valve was installed on the supply pipe from the boiler it also blocks any “pressure communication” between the boiler and the balance of system, where the expansion tanks are located.
The result is a volume of incompressible fluid being heated without any communication with the system’s expansion tank. Under those conditions the PRV did just what it was supposed to do—relieve rapidly increasing pressure inside
Continued on p16
Figure
Figure 1. Typical two-pipe buffer tank configuration.
< HYDRONICS
Continued from p15
the boiler before that pressure could be released in a far more dramatic and perhaps “explosive” manner.
If the ghost flow valves had been installed on the boiler’s return pipe this problem would not arise.
The pressure inside the boiler could communicate with the system’s expansion tank through the boilers outlet pipe. Unfortunately, this detail was not spotted prior to the installation of the ghost flow valves.
“The fix of the fix resolved a dribbling pressure release valve situation. It also prevents flow returning from the load from passing through inactive boilers.”
THE FIX
There are a couple of potential ways to fix this situation. One would be to see if the actuator on the anti-condensation valve could be adjusted so that the cold port was never 100% closed. This might or might not be possible depending on the actuator and valve used.
Fortunately, there was a pressuretesting tapping installed on each side of each ghost flow valve. One of those tappings was equipped with a small ball valve. This allows a very short length of ¼-in. copper tubing to be installed as a pressure equalizing tube around the closed ghost valve as shown in Figure 3 (above).
The ball valve in the pressure equalizer tube is cracked open very slightly to minimize flow rate through the bypass while still allowing the expanding fluid to reach the system’s expansion tank.

Once set, the handle of the ball valve was removed to reduce potential for tampering.
I recommended this solution because in an emergency replacement situation, a technician may not realize that the actuator of the replacement anti-condensation valve requires an adjustment to prevent the cold port from being fully closed. Without such an adjustment the problem would reoccur. There’s also a possibility that the replacement parts might not allow such an adjustment.
The fix of the fix resolved a dribbling PRV situation. It also prevents flow returning from the load from passing through inactive boilers.
The take-away: Always check your piping layouts to ensure that any heat generating equipment can never be isolated from “communication” with the system’s expansion tank. The same goes for chillers. <>

John Siegenthaler, P.E., is a mechanical engineering graduate of Rensselaer Polytechnic Institute and a licensed professional engineer. He has more than 35 years of experience in designing modern hydronic heating systems. Siegenthaler’s latest book is Heating with Renewable Energy (visit www.hydronicpros.com for more information).
Figure 3. Pressure equalizer tubes with ball valves installed: the ball valve is cracked open very slightly to minimize flow rate through the bypass while still allowing the expanding fluid to reach the system’s expansion tanks.
& presents...
THE INSTALLATION CONTEST



Get your cameras ready. Be a part of Canada’s first ever hydronic installation contest.
Proud of your work? Better than the rest? It’s time to bring it on!
ENTRY IS SIMPLE – send us pics (before and after shots will work best) of an installation between June 1/2020 to Feb 28/2021. Include a brief description of the particular challenges that you faced with this installation and how you overcame the obstacles to deliver your customers Sweet Heat. This can be a new installation or a retrofit. Submissions are limited to one per contractor. Remember that aesthetics are only one part of the judging criteria. Deadline to enter is March 12, 2021. Show us your problem-solving ability too! The winning entry, and two runners up, will be discussed and announced at the end of the Modern Hydronics virtual Summit (March 30 and 31) by none other than our very own John Siegenthaler and Robert Bean. In addition to having your winning entry shared across our social media channels you’ll also be interviewed by HPAC’s editor and featured on the cover of the August edition of Modern Hydronics –

OIL DEAERATORS
The oil heat industries’ best kept secret to safer, more reliable, optimal efficiency operation.

Benefits to using Oil Deaerators
The use of an oil deaerator will increase the Annual Fuel Utilisation Efficiency (AFUE) of any oil-fired heating appliances, keep heat exchangers cleaner and soot-free, increase oil burners’ reliability, eliminate nuisance burner lockouts, lower the amount of late nights and weekends service calls, all while reducing risks of environmental oil spills for inground and top-draw oil tank installations.
“I used an oil deaerator for the first time 25+ years ago to eliminate a fuel supply problem. Oil deaerators fixed all my burner pumps oil supply issues every time!”
— Mario Bouchard, 35+ years experience in oil combustion.

Eliminating air from oil
Today’s generation of oil burners can run 100% smoke-free and provide optimal oil combustion. The only way oil burners can achieve that is by being supplied with clean, deaerated heating oil. Clean, deaerated heating oil allows for better nozzle oil atomisation and keeps nozzle oil lines free from air bubbles preventing nozzle after-drip during every burner shut down cycles. Upon each burner call for heat, oil deaerators provide room temperature, deaerated heating oil for smoke-free, smooth, and precise burner ignition. Clean burner ignition maintains combustion chambers and heat exchangers cleaner maximizing the heat exchange thus optimizing the heating appliance’s annual efficiency.
Oil pump : one-line, the benefits of two
Todays oil burners are designed to operate more reliably and at greater performance. This reliability and performance can only be achieved if the oil burner operates in a two-line configuration. This would usually require running two oil lines between the oil tank and the oil burner, but with an oil deaerator, only one line is necessary between the oil tank and the oil burner. This can be easily installed on any new and existing installation. EVERY oil-fired equipment should be installed with an oil deaerator!!
With environment in mind
Certain applications such as underground and top draw oil tanks would normally require the use of a supply and return oil lines between the oil tank and the burner. The use of two oil lines poses twice the risks of creating an oil line environmental spill than having only one oil line travelling from the oil tank to the oil burner. An oil deaerator takes care of removing the need of a return oil line and contributes in preventable environmental oil-line spills.
• Easy installation of a TOP DRAW outside oil tank with using a single oil line to the oil burner.
• Also available with 10gph or 17gph integrated oil filter.
• Large oil and air compartments for greater de-aeration capacities.
• Manufactured with a “Fluorinated” plastic, exclusive to Granby to prevent odors from seeping through the plastic container.
• B-100 Ready
Granby OptiFuel oil de-aerator is 100% UL/ULC certified and meets CAN-CSA B139 requirements.



HEATING THE HISTORICAL
Designing for human comfort under the constraints of a heritage home in the mountains.
BY ROBERT BEAN
It was no surprise that clients attracted to our engineering firm, Indoor Climate Consulting, were mostly other engineers. In fact, almost 90% of our clients had professional design backgrounds, another 8% were healthcare professionals—primarily physicians—and the additional 2% had various researchbased backgrounds. Knowledgeable clients receptive to our firm’s "design for people – good buildings follow" philosophy were the lubricant for designing and building better indoor environmental quality (IEQ) buildings.
In the following case study, a family sought us out by searching online for IEQ professionals. Their project was a single-family home designated as a historical building. Located in a campus town nestled in the Rocky Mountains, it was the home they were going to be retiring in.
After our initial interview, it was clear they wanted to improve the home's thermal comfort and air quality through a


full renovation of the its interior ergonomics. Still, requirements for maintaining the historical elements prevented them from adding exterior insulation and changing out the windows.
Another firm was initially hired to reduce infiltration and improve u-values with blown-in cavity insulation. Yet, a subsequent thermal imaging survey revealed areas that still needed remediation work (see Figure 1).
Load calculations based on the final remediated work, verified by another survey and blower door test, led us to recommend a combination of radiant ceilings, floors and walls and panel radiators for thermal comfort. For air quality, we worked with the client to use low VOC finishes and a combination of an ERV and fan/coil fitted with an external MERV 13 filter box.
HEATING DESIGN
Our practice designed the heat terminals for the heating system around the lowest possible fluid temperatures. This enabled us to extract the maximum efficiency from the boiler when in the space heating mode while avoiding the costs of multiple temperature strategies involving the use of more circulators and controls (see Figure 2).
To do this, we base loaded using radiant ceilings on the main floor and radiant floors upstairs. The trim for design days was radiant walls and panel radiators. Engineering these additional radiant surfaces takes a little more tweaking. Still, the payoff in system simplification and improved efficiency is well worth the outcomes.
The one exception was a rogue zone on the main floor. For this area of the
Figure 1. A thermal imaging survey revealed thermal challenges with this historic building.
Figure 2. A single low temperature system serving radiant panels, walls, floors and ceilings.
Speakers include: Siegenthaler, Bean, Miller, Goldie, Bennett, MacNevin
Topics include:
- Air-to-Water Heat Pumps
- Reducing Water Temperature in Existing Hydronic Systems
- Energy Metering
- Selling Hydronics to Builders
- Buffer Tanks
- Snow and Ice Melt








< IEQ


house we custom designed a system comprised of a filter box, electric coil and in-line fan. This assembly provided heat for peak loads and constant filtration of recirculated mixed air from the room and ERV.
VENTILATION SOLUTION
Our three focus areas for ventilation
were the house proper, each of the bathrooms and the kitchen. For this, we used an ERV supplied with air filtered through a MERV 11 to 13 inline filter box. The ERV supplied air to each room and extracted air from hallways and rooms from under generous undercut doorways (see Figure 3).
The upstairs bathroom had a dedi-
cated exhaust air fan. In the kitchen, the clients were receptive to using an induction cooktop rather than a gas range, and with the hood covering more than 120% of the stovetop and sufficiently low enough, we could reduce the exhaust hood flow to 275 cfm.
DISCUSSION
On a relative scale, this was one of our firm’s smaller but more interesting projects, driven first by doing whatever was possible to the enclosure within the historical buildings' limitations.
Engineering the radiant surface areas to fit a common lowest temperature was a welcome solution. Some zones required both radiant floors and ceiling surfaces, or a combination of radiant floors and walls or panel radiators to achieve thermal comfort (see Figure 4) We also had to develop a site-fabricated fan/coil with electric heat for the rogue main floor zone's peak load.
The use of induction instead of a gas range and a generous sized deep sump range hood enabled a low exhaust flow for more effective and quiet operation.
The ERV worked to ventilate the home plus serve the fan/coil filtration unit on the main floor. This turned out to be especially useful for improving indoor air quality in the past years of forest fires.
None of this would have happened had the clients not prioritized this historic home's indoor environmental quality. By seeking out the IEQ professional, they achieved a lifetime of desired outcomes. <>

Robert Bean is director of healthyheating.com and founder of Indoor Climate Consultants Inc. He is a retired engineering technology professional who specialized in the design of indoor environments and high performance building systems.
Figure 3. The ventilation system included an ERV with external high performance filter box and a supplemental system for constant filtration and secondary heat for main floor.
Figure 4.The high heating load in the main floor laundry/bathroom required both radiant ceilings and floors.
The cost-effective, time-saving alternative to metal systems.
AquaRise®, a nonmetallic potable water distribution system for commercial and high building construction. Based on over 15 years’ experience designing and manufacturing industry-leading CPVC systems, AquaRise offers numerous benefits over metal with a system that’s fully-approved for noncombustible applications.


A SOLID ALTERNATIVE TO METAL BETTER LONG-TERM PERFORMANCE FULLY-CERTIFIED COMPLIANCE FULL FLAME & SMOKE LISTINGS
PERMANENT JOINING SYSTEM
PROJECT SAVINGS
Learn more about thermoplastic potable water piping systems, review system design, installation and solvent welding steps, watch the product videos or schedule your lunch and learn. All you need to get started!
THE TROUBLES I HAVE SEEN
Sharp eyesight, inquisitive minds and deductive reasoning are all required when solving HVAC problems.
BY IAN McTEER
We all make mistakes, nobody’s perfect! Such a common refrain seemingly illustrating a universal human truth. Mistakes lead to consequences: this morning I mistyped my computer PIN code twice (caps were on) and got locked-out for half an hour. Minor mistake, minor consequence.
An industry of psychologists, also known as “life coaches”, help us to deal with missteps, mess-ups, and misunderstandings under the banner of learning from one’s mistakes. On the other hand, Einstein said that a person who never made a mistake never tried anything new.
Mistakes inevitably lead to some sort of trouble, maybe just a minor consequence like my typing error, but trouble tends to exhibit itself on a sliding scale with not much more than a little ouch at one end of the scale escalating to property damage, injury or death at the other.
Thus, avoiding trouble in the HVAC world means mistakes must be minimized by utilizing an on-going commitment to quality control. Taking the time to specify equipment appropriately, installing and commissioning it correctly and to maintain a service routine is the best way, in my mind, to avoid trouble.
It is true that some contractors have little regard for quality work, but it’s
also very true that equipment owner’s too often have an unrealistic expectation of the product (perhaps related to a miscommunication mistake) or otherwise abuse HVAC systems through lack of maintenance. I long ago learned to never side with either the contractor or the equipment user; my job is to understand why the equipment is causing so much trouble. (Insider secret: sometimes it IS the equipment!)
I want to describe two situations in which furious end-users combined with frustrated contractors all at war over what appeared to be faulty equipment led to troubles galore.
THE RELUCTANT TXV
Our government decided back in 2006 that residential split system air conditioners should operate at a minimum efficiency of 13 SEER going into the future. I’m all for efficiency, however, this particular requirement had an unusual consequence in that many outdoor unit and indoor coil combinations now required a TXV metering device in order to meet the updated requirement. I have been a TXV champion ever since I learned how they worked, yet industry members thought capillary tubes and metering pistons did an acceptable job at a much lower price, therefore, TXV’s were rarely used in residential application up until 2006.
Far too many contractors and technicians had either forgotten or were unaware of the subtle differences in charging requirements and troubleshooting techniques between the different devices.
Add to that, some TXV’s started com -
ing onto the market with manufacturing defects at the very same time. Some TXV’s had diaphragm failures, others had leaking sensor bulbs, some even had contaminated desiccant inside the sensor bulb.
All these defects caused the valve to fail closed or partially closed leading to a diagnosis of unacceptably high superheat. Service bulletins were issued describing the problem, specifying model numbers, date codes and troubleshooting guides. But, once the bad news started winding its way through the HVAC community, too often valves, even entire evaporator coils, were coming back for warranty exchanges all indicted with the high superheat menace.
I received a call from our parts department one day. A technician was at the counter looking for his fourth replacement TXV on the same unit.
The counter person told me the third valve’s date code was outside of the range specified in the service bulletin, so I suggested they give him another one and that I’d meet the technician on the job.
Upon arrival at the jobsite, there was no technician just a furious homeowner who told me the installing contractor was no longer welcome. A blistering hot day, to be sure, and the old system recently dispatched to the recycler had at least been working.
Going into his second week without cooling, and no solution in sight now that he had fired the contractor, the frustrated customer allowed me to inspect the job. The system charge had been removed so the tech could unbolt the third replacement TXV from the

evaporator coil. I noticed the brass female connector standing open in the evaporator coil case had a small amount of compressor oil inside the fitting with a brownish tint and gritty feel: not good! (see Figure 1, next page)
I extricated the filter strainer from inside the open fitting using a small screwdriver (not recommended, use a pick tool). Yes, there’s a removeable strainer in there! (see Figure 2)
The strainer contained enough dirt and debris to create a substantial blockage, no wonder high superheat appeared to be the trouble (see Figure 3). Because the tech was aware of the service bulletin implicating some TXV’s as problematic, in his mind, all TXV’s were suspect.
It turns out the homeowner asked the installer to place the unit in a different location from the original unit. The interconnecting line set had to be run underneath a closed-in deck. The installation crew made no attempt to seal the tubing as it passed through the dirt under the deck – both the liquid and suction tubing contained debris. In the end, we had another contractor replace the entire system at no charge to the homeowner. Problem solved.
THE CASE OF THE WRONG FURNACE
Fortunately, it was not every day that furious homeowners contacted me threatening legal action, but one time was too many in my mind. However, taking the heat is what I was getting paid for.
“In most HVAC disputes there are three parties: the contractor, the end user, and a silent party—the equipment.”
In most HVAC disputes there are three parties: the contractor, the end user, and a silent party—the equipment. Initially, my main concern caused me to take the side of the installed products. This situation had all the hallmarks of serious trouble related to miscommunication on all sides: installation errors, lack of commissioning and even the municipality failed to pick-up on the real issue at the time of occupancy.
Another blistering hot summer’s day pushed the homeowner, a retired accountant, to dig deep into the HVAC industry’s team roster eventually finding my contact information. Once on the line with me, the homeowner informed me that a lawyer’s letter would be on its way shortly demanding satisfaction for extremely poor heating and cooling performance from his essentially brand-new comfort system.
The well-off senior lived in a newly-established gated community, his roomy townhouse featured a loft with windows facing west and a partially finished basement.
“I’ll arrange a meeting with you and the contractor,” I told him.
Continued on p26



“Not a chance, the site contractor is not welcome—his tech has been here many times and the problems have not been corrected, that’s why I’m calling you,” he replied.
I managed to get a well-qualified technician from another company to meet me at the jobsite. The homeowner allowed us to inspect the system. Considering the size of the house, optional loft included, and its large windows, I thought the two-ton air conditioner might have been undersized for the application.
It was operational, but the room temperature and humidity level hadn’t been mitigated to an acceptable level of comfort. We found that the cooling system employed a non-AHRI matched evaporator coil, that, technically speaking, wouldn’t have been a major problem.
We did find the furnace blower wheel and secondary heat exchanger covered in drywall dust. During a second visit, we replaced the evaporator coil with a matched component, cleaned the furnace, set the system charge correctly, and determined (without documentation) that airflow to the loft should be adequate as he told us there was practically no air to the loft previously. Problem solved, I thought!
During one of the many visits by the installing contractor’s service technician, the homeowner learned from the tech, and rightfully so, that cooling sys -
tems work best when window curtains are kept closed during the day.
Not wanting to spoil his view, the homeowner spent thousands of dollars having heat mirror window decals installed, although I’d argue the effect proved to be marginal at best. All our efforts made only minor comfort improvements, he had even covered the south and west facing windows with blankets to further reduce passive heating.
Back to the drawing board. I had noticed something about the ductwork on my first visit. It seemed to be much larger than required for a 60K btuh furnace and 2.0-ton cooling unit.
There is no good reason to oversize the duct system, no contractor would spend extra dollars on unnecessary sheet metal.
“Let’s talk to the building inspector,” I suggested.
I wanted to see the approved HVAC plan for his house. The municipality reluctantly agreed to send an inspector with the plans, whereupon we discovered the furnace should have been 80K btuh and the cooling unit should have been 2.5 tons. How could that have happened?
I know the contractor did not intend to install undersized equipment. My theory worked this way: the building site featured similarly-sized linked semi-detached bungalows. Some models had the loft option thus requiring a
beefier HVAC system.
Having started-off in HVAC by delivering furnaces and duct jobs to new construction sites myself, I can attest to the fact that sometimes the housing units under construction are poorly marked or the delivery information is sketchy; whatever, I suspect the delivery crew got the ductwork right but the equipment wrong.
Somewhere on that site, to this day, exists a non-loft unit with an oversized furnace and air conditioner no one has ever complained about. And because the 60K model furnace and the 80K model are in the exact same sized cabinet, the sheet metal installers simply plugged the 60K unit sitting there waiting for them into the duct job they found in the basement. The installers nor the technician who came along later had any idea the equipment was incorrect.
The inexperienced technician tried and tried to make a silk purse out of a sow’s ear, and even though he made an effort, however misguided, the initial mistakes meant he could never satisfy the homeowner.
I have long thought a laminated copy of the approved heating plan, including the worksheet load calculation containing room by room air flow values, should become part of every residential installation. Such information is an
Figure 3. The strainer contained enough dirt and debris to create a substantial blockage.
Figure 2. The filter strainers are removable.
Figure 1. Note the strainer in the brass female connector.



ACCURATE MEASUREMENTS IN A TIME OF UNCERTAINTY
When the COVID-19 pandemic hit, Nick Postolache, owner of Enviro Balance, Inc., felt fortunate to be working in an industry that is still in high demand during this time of uncertainty. Enviro Balance, Inc. is a firm that provides testing, adjusting and balancing (TAB) services in the Greater Toronto Area and Southern Ontario region. Postolache started the company in 2013.
Aside from wearing masks and sanitizing instrumentation more frequently, the pandemic has changed the nature of some of the work the technicians perform. Just before the pandemic hit, the team at Enviro

TSI’s capture hood stand and LogDat™ Mobile app to aid the technicians in reaching diffusers and grilles on high ceilings easily, allowing for a more efficient workflow.
Postolache and his team found the reporting features of the instrument beneficial as well.
“The reporting is required to be either in metric or imperial, and having an instrument that provides both of these, that was a help as well,” he said.
Balance received calls from hospitals to check the ventilation systems in isolation rooms.
“It was that period of time where everyone knew it was coming and they were trying to get ready,” Postolache said. “Having reliable and accurate instrumentation provides us the confidence that we’re accurate in our measurements.”
The team at Enviro Balance uses TSI equipment as their main tools to complete measurements in hospital settings, among other locations.
One instrument the team at Enviro Balance used pre-pandemic, and is still using today, is TSI’s Alnor® Balometer® Capture Hood EBT731. They also use
The team at Enviro Balance utilizes everything on the EBT731 Capture Hood, down to the inside storage pockets.
“The rotating vanes are going in there − the technicians are using those pockets to store just about everything,” Postolache said. “I have other instrumentation from competitors, but my technicians are asking for the Alnor capture hoods.”
For more information about TSI’s ventilation test instrumentation, visit tsi.com/comfort-HPAC












<
invaluable guide for proper commissioning, future equipment troubleshooting, potential renovations or future additions to the house.
Had such data been left behind in my circumstance, perhaps the error would have been corrected sooner saving the homeowner countless hours of frustration and expense. Yes, the equipment was replaced at no cost to the homeowner two years after the fact.
Some mistakes are truly doozies: a tiny grinding error in the primary mirror of the Hubble Space Telescope amounting to 1/50th the thickness of a human hair cost nearly $1 billion to repair. And in the HVAC world, a study authored by Sarah Lynn Garrett of Kansas State University described how an oversized cooling system combined with a plethora of errors during the construction of the Polk County court-
“Upon arrival at the jobsite, there was no technician just a furious homeowner who told me the installing contractor was no longer welcome.”
house in Bartow, Florida cost $35 million to repair, millions more than the original cost of the entire 10-storey building!
Philosophers call it schadenfreude: those who experience pleasure, even joy, in hearing about the troubles, humiliation or failures of others. Such an attitude was not top of mind as I thought about how I could describe several very problematic situations I’ve experienced.
Trouble often results from more than just one error; yes, some are carelessly caused, even reckless, yet we are all
capable of misadventures; unfortunately, sometimes those that end very badly.
Thus, learning from mistakes is one thing, but what one does or doesn’t do about them makes all the difference. <>

Ian McTeer is an HVAC consultant with 35 years of experience in the industry. He was most recently a field rep for Trane Canada DSO. McTeer is a refrigeration mechanic and Class 1 Gas technician.

Plumbing is an unpredictable business, but the quality of the pumps you install shouldn’t be. Generations of plumbers have trusted our hard-working, reliable pumps to get the job done right the first time. Make a Big Impact on your next job with Little Giant.


Daikin Applied’s SmartSource dedicated outdoor air system (DOAS) is heat pump technology for heating and cooling using 100% outside air. The unit’s SmartBoost Heat Technology allows air as cold as 0F to enter without pre-heating. The DOAS taps a water source heat pump’s hot gas reheat coil in addition to the unit’s primary DX coil. The heating efficiencies are coupled with ECM and shaftless blower technology help performance. www.daikinapplied.com

Venmar Ventilation’s Canadian-made Venmar AVS N series and vänEE AI series heat recovery ventilators (HRV) and energy recovery ventilators (ERV) feature new VIRTUO air technology offering improved performance and quick installation. Their smart, built-in, auto balancing allows quick set up, continuous self-adjustment optimizes operation and simple touchscreen controls allow simple settings. They come standard with MERV 8 filters and MERV 13 are an option.
www.venmar.ca

Pioneer HVAC Systems introduces its patentpending Self Locking Damper (SLD), an adjustable damper for more accurate residential air balancing. Unlike conventional dampers that tighten with a wing nut that often gets hidden under dry wall after construction, the SLD allows for simple manual re-adjustments inside the supply line after installation. This sleeve is made of 26-gage and damper of 22-gage galvanized iron sheet. www.pioneerhvac.ca

RenewAire’s EV Series Premium is a static plate enthalpy core-based ERV for single-family, multi-family and light commercial buildings. Standard EC motors allow variable speed ondemand and continuous operation. The units accommodate spaces of up to 4,000-sq.-ft with a minimum 165-CFM of outdoor air and have operating ranges of 30 to 225-CFM (med.) and 30 to 280-CFM (large).
www.renewaire.com
ESAB Welding’s Miniarc Rogue ES 180i is a portable stick/lift TIG inverter with advanced arc performance and controls. The unit weighs 18.2 lbs., measures 13.5 x 6 x 10.4 in., has a maximum output of 180 amps at 25% duty cycle and uses 115 – 230V 50/60 Hz primary power. It produces a smooth welding arc with all types of Stick electrodes, and it delivers a stable TIG arc down to 10 amps. esab.com

NAVAC’s new cordless NEF6LM power flaring tool weighs less than three pounds and produces precise, automatic flares in a fraction of the time compared to traditional flaring methods. It can create flares in five sizes, ranging from ¼-in. to ¾-in. Using one-button operation and a LED flashlight, it can complete a flare in just 15 seconds and can make over 100 flares per charge. It’s fully charged in 30 minutes. navacglobal.com
HVAC PRODUCTS

Centrotherm Eco Systems now offers Air Excellent, a dedicated air management system for HRV and ERV. The system can independently control the air quality in each room. Balanced air exchange for every room is achieved using a proprietary pressure configurator that continuously calculates the pressure drops over the duct runs. The low-profile system can support open concept floor plans. www.centrotherm.us.com

The York mission critical horizontal computer room air handler (YORK MCH CRAH) is designed to meet cooling requirements for demanding data centers. Offered in three standard capacities (105 kW, 210 kW and 315 kW rated at a 22F delta air temperature), the units are designed for minimal footprint and feature left or right-hand connections to minimize field piping. www.york.com

NIBCO PressACR fittings are designed for use in copper tube systems for AC and refrigeration applications. Approved for a range of refrigerants and lubricants, the fitting are UL recognized to 700 psi. They are engineered to install with the NIBCO PressACR 19kn tool which creates a round crimp pattern. Straight and reducing couplings, 45- and 90-degree elbows, caps, Y-joints, and tees are available from ¼-, to 1-1/8-in. nibco.com

Franklin Electric’s new Little Giant brand high-temperature condensate pump, the HT-VCL series, is designed to handle difficult plenum and commercial applications. It comes in 1/8 and 1/3 hp models with flows up to 575 gph at 5 ft. with a maximum of 62 ft. of head. Its 14-ft. lead wires connect to a power supply with separate leads for overflow detection switch. littlegiant.com

Fujitsu General America has introduced new multi-position air handler units that combine Fujitsu’s inverter heat pump technology and side discharge outdoor units with a modular design indoor unit. Available in four sizes from 24,000 to 48,000 Btu/h, the new systems include aluminum indoor unit coils, high static pressure capability, indoor sound levels as low as 24 dBA and adaptive fan motor control. www.fujitsugeneral.com

Johnson Controls new economical LUX CS1 Smart Thermostat requires minimal setup with flexible installation using either a Power Wire, C-wire or LUX Power Bridge. It offers a simple interface and connects to the Amazon Alexa and Google Assistant and is compatible with the LUX App to control temperature from a smart phone, plus geofencing and smart scheduling for energy savings. pro.luxproducts.com








BUILDING CROSS CONNECTION CONTROL AWARENESS
Drawing attention to the Bad and Ugly as a way to promote safety and assurance. BY DOUG PICKLYK


For the sixth year running the Western Canada Section of the American Water Works Association (WCS AWWA) has conducted its annual National Bad and Ugly Cross Connection Control photo contest, a project launched in 2014 as part of an ongoing campaign to raise the level of awareness of potentially dangerous cross connections in Canada’s potable water systems. Administered by the Cross Connection Control committee of the WCS AWWA, the contest also serves to educate water industry representatives in the field.
The Western Canada Section of the AWWA includes all members residing in or having business activity in Alberta, Saskatchewan, Manitoba, the Northwest Territories, and the Territory of Nunavut. Other AWWA sections across the country include Atlantic Canada (ACWWA), B.C. and the Yukon (BCWWA), Quebec section (SQ-AWWA, Réseau Environnement), and Ontario (OWWA).
The annual WCS AWWA Bad and Ugly contest attracts photos from across the country, and once again the committee
awarded two winning entries, one in the inspector/regulator category and one in the active backflow tester in the field category, with this year's winners coming from Québec and Alberta respectively.
INSPECTOR CATEGORY
This year's winner in the inspector category was Jean Lalanne, a cross connection control inspector for the Régie du bâtiment du Québec (the building board in Québec).
Lalanne's photo was from a new-build three-story 12-unit building, where the owner and the general contractor didn’t want the water main situated within one of the dwellings.
Faced with those restrictions, the plumber decided to conceal the main water stop valve, the premise isolation double check valve assembly (DCVA) backflow, and the four risers stop valves in the same pit with no drainage, in a hallway, under the stairway (see image, opposite page, left).
Because all those devices were installed in the sequence
This backflow preventer was installed upside down with its relief port facing up instead of down.
This multi-unit building’s isolation device was installed at an angle and inaccessible behind riser shut-off valves.

WHAT IS A CROSS CONNECTION?
A cross connection has been defined is any actual or potential connection between a potable water system and any source of pollution or contamination through which backflow may occur.

Backflow, in turn, is the reversal of the normal direction of flow in a potable water distribution system. There are two types of backflow: back-siphon, and backpressure. Backsiphon is caused by negative pressure in the supply piping, possibly as a result of a water main break (pictured above) or due to high water withdrawal rate such as fire fighting or water main flushing.
Backpressure is caused whenever a potable system is connected to a non-potable supply operating under a higher pressure such as a boiler system, a high pressure car wash or a chemical feed system in an industrial plant.
In these situations some type of backflow prevention device needs to be installed and maintained at the point of cross connection in order to protect the potable system from contamination.
of the construction, the result was that the riser stop valves blocked the access of the DCVA backflow and the water main stop valve, and the DCVA was tilted sideways to make more room for the risers valves.
Following a conversation with the plumbing inspector, the plumbing contractor admitted it was a very bad installation. The setup was redone properly, in a blown wall under the stairway, with an access panel. The final solution respected the general contractor and owner's restrictions to keep the access outside of the dwellings, and more importantly the change respected the code.
For his bad and ugly photo entry, Lalanne received a gift certificate from the backflow manufacture representatives on the WCSAWWA CCC committee, and in return Lalanne decided to give back the amount to United Way for the diabetes foundation.
TESTER CATEGORY
The winning photo entry for the tester-in-the-field category was received from Shayne Makin, a plumber with DMT Mechanical in Lethbridge, Alberta.
Makin's photo came from a building where he was testing backflow preventers and noticed that the relief port (RP) on one of the preventers installed on a chemical feed line was upside down (see image, opposite page, right).
The client was notified that the backflow preventer was installed incorrectly and that the discovery resulted in an automatic
fail. A new backflow was installed and the issue was corrected.
For his bad and ugly photo, Makin received a new pressure differential gauge from Apollo Valves.
PROMOTING PREVENTION
In a statement attached to the announcement of this year’s winners, the WCS CCC committee said: “Our water industry representatives, inspectors, plumbers and testers all share a responsibility to protect our water supplies. Cross connections do exist and are a potential to contaminate or pollute our potable water. Let’s do our best to find and correct these cross connections before the damage is done.”
The committee also expressed its appreciation to all of the testers and inspectors who submitted bad and ugly photos for the 2020 contest, and they also recognized the support the annual contest receives from backflow manufacturers Conbraco, Watts and Zurn for providing the contest prizes.
For those interested in participating in the 2021 "Bad and Ugly Cross Connection Control" photo contest visit: www.wcsawwa.net under the Cross Connection Control tab. <>
For more information on cross connection control training and certification visit the AWWA section within your region: B.C./Yukon: www.bcwwa.org Alta/Sask/Man/NWT/NT: www.wcsawwa.net Ontario: owwa.ca Quebec: reseau-environnement.com/secteurs/eau/awwa/ NB/Nfld/NS/PEI: www.acwwa.ca/
Shayne Makin from DMT Mechanical in Lethbridge, Alberta, was this year’s Bad and Ugly photo contest winner in the backflow tester category.

Catch and control water issues. Anytime, anywhere.
Get alerts to your phone instantly if a leak is detected, and use the remote shut-off feature to stop leaks in their tracks. You can also view live and historical water usage. Everything you need to control your home’s water system is in the palm of your hands.
Home & Away
Protect yourself by while away or home by putting the Control in Away Mode. While in Away mode, the Control will alert and automatically shut the water off if a leak is detected. Home mode uses your normal leak detection settings.
Intelligent Leak Detection
While in Home mode, Smart Alerts™ allows your device to learn your unique water usage patterns so it can send notifications when it detects abnormal use.
Smart Home Compatibility
The Control integrates with Amazon Alexa and the Google Assistant™ so you can ask your smart home device about water usage, tell it to change among multiple locations on one app.
Multiple Locations, One App
Protect and control water in second homes or vacation properties.

Scan to see how you can control the water in your home!




Real-time leak protection, complete peace of mind.

The StreamLabs Control is a whole-home smart water leak detection device that uses ultrasonic technology to detect leaks as small as 0. m . The Control pairs to your Wi-Fi network to provide real-time water usage and other alerts such as pressure, temperature and humidity to provide a healthy and well-protected home. The Control has a brass full-flow valve with a stainless steel ball valve and performs monthly valve checks for continuous long-term operation and reliability. Illuminated Membrane Switch with Push Buttons 12V Gearbox with Stainless Steel Final Gears Double Union Connections - FNPT or SharkBite
Want to be a StreamLabs Pro?
The StreamLabs Control comes with a two-year warranty that is extended to four years when installed by a StreamLabs Pro contractor. Start saving your customers money and apply today!





Robust ABS Housing
PLUMBING PRODUCTS

Geberit North America offers a hands-free version of its Type 50 series of flush plates for inwall urinal systems. The touchless actuator uses sensors to automatically flush the urinal when the user walks away. They have a flush volume of 0.5 GPF (1.9 LPF) and are made from die-cast zinc and feature four finishes: brushed chrome, brushed PVD red gold, brushed PVD black chrome and brushed PVD brass. www.geberitnorthamerica.com

RIDGID’s RP 350 press tool is engineered to be 5% lighter and almost three inches shorter than its predecessor. It features a brushless motor, 360-degree swivel head and advanced LED interface and lighting. It is compatible with the full line of RIDGID jaws and rings, including: ½ – 4-in. ProPress for copper and stainless steel, ½ – 2-in. PureFlow for PEX, and ½ – 2-in. MegaPress for carbon steel. RIDGID.com

Dearborn’s True Blue Bath Waste line is now available with finished drain spuds in designer finishes. Along with the chrome drain spud, they also come in brushed nickel, oil rubbed bronze, white and matte black. Constructed out of brass, built for durability, finished drain spuds are available in full, half and trim kits with options for ABS or PVC and touch toe, uni-lift and push n’ pull stopper options. oatey.com

The Series e-82 twin vertical in-line centrifugal pump from Bell & Gossett delivers space savings and energy-efficient pumping for commercial HVAC and plumbing applications. It provides a wide hydraulic range with 22 models and features a changeover valve to operate pumps separately or in parallel. In parallel mode, they handle flows up to 1600 gpm with head up to 130 ft. total dynamic head (TDH) and 175 psi standard. bellgossett.com

The Watts Pronto! line of adjustable cleanouts come in PVC and cast iron. They feature a patented integrated bubble level concrete cover for a level installation and to protect the cleanout. Designed for light to medium duty commercial and residential use, they include pipe connections of 2, 3, and 4 inches and come complete with an anchor flange, with up to 1-1/2-in. pre-pour and 1-in. post-pour adjustability. www.watts.com/pronto

The Electric Eel eCAM Ace 2 SL pipeline inspection camera system now comes standard with a battery cradle that accepts a Milwaukee M18 or equivalent battery (battery not included). The cradle adds convenience and allows easy access to power for remote field work or where electricity is not available. Other features include a self-leveling colour camera, one-touch USB recording, on-screen footage counter and wheels for easy transport. www.electriceel.com

Webstone has two new Pro-Pal three-way ball valves to divert, select, or mix fluids based on application needs. Flow options include a 90-degree handle operation to divert or select, or a 180-degree handle operation to divert, select, or mix. Products are forged from leadfree DZR brass, available in sizes ½ – 2-in., and feature dual stem seals and press connections that are compatible with popular press tools. www.webstonevalves.com/propal

The Korky Beehive Max Hideaway toilet plunger and Beehive Mini sink & drain plunger are the latest additions to the Beehive plunger line. The Hideaway comes with a drip-free caddy and collapsible handle, while the Mini is designed for clogs in sinks, shower drains, and tubs. They come standard with a T-handle and the patented beehive shape head design for any drain type. korky.com/beehive


HoldRite, an RWC company, has launched HydroFlame 300 self-leveling (HF300SL) and HydroFlame 300 caulk-grade (HF300CG) silicone firestop sealants for areas subjected to high levels of moisture or when UL listed W ratings are required. As quick curing silicone sealants, they can be used across a variety of pipe types. The self-leveling HF300SL is designed for floor applications, while the HF300CG is designed for use on both floor and wall penetrations. holdrite.com
Caleffi North America is offering the LEGIOMIX Station featuring a 6000 Series LEGIOMIX electronic mixing valve to provide temperature control for commercial domestic hot water (DHW) systems. The pre-built stations include the digital mixing valve with union connections, serviceable stainless steel check valves, purge test ports, isolation valves and a LEGIOMIX controller, pre-mounted on a powder-coated painted steel strut frame. Stations are available in five sizes from 1-in. to 2½-in. copper pipe connections. www.caleffi.us

The 7th Edition of Aquatherm’s North America Installer Manual covers best practices, safety and planning for the proper installation of its polypropylene piping systems. Significant updates include: information on the adoption of the latest DVS polypropylene fusion parameters; a new chapter on butt fusion with photos and “Pro Tips”; updated charts for approved butt fusion tool manufacturers; and an updated section on unions. aquatherm.com/installer-manual

Taco Comfort Solutions’ VT Series vertical turbine pumps are available with 6-in. to 18-in. bowl diameters, and provide quiet performance for cooling tower, chilled water, water transfer, pressure boosting and water supply applications. All impellers are investment cast stainless steel to provide longer life and better abrasive and corrosive resistance. All bowls and discharge heads are ductile iron for higher hanging weight and better tensile strength. www.TacoComfort.com
MECHANICAL SUPPLY NEWS
MANUFACTURERS • DISTRIBUTORS • WHOLESALERS
DESCHENES GROUP ACQUIRES POWRMATIC
Deschenes Group Inc. has acquired Powrmatic of Canada from Powrmatic’s parent company Stamm International Corp.
MANUFACTURER ACQUISITIONS

Powrmatic, headquartered in Montreal, distributes residential, commercial and industrial supplies to the HVAC, electrical and hearth industries with six branches located in Montreal, Toronto, London, Ottawa, Quebec City and Halifax and has over 100 employees.
“This acquisition fits well with our development and growth strategy across Canada,” said François Deschênes, president/CEO of Deschênes Group, in a company release. Powrmatic will become DGI’s 13th business unit and will continue to operate under the leadership of Claude Lapierre. groupedeschenes.com powrmatic.ca
REP AGENCY OPENS IN ONTARIO

CENTRIC Sales and Marketing Inc. has launched in Ontario. Headquartered in Toronto, the independent manufacturer’s representative agency, founded by Jeremy Torra, will serve HVAC/R, plumbing and mechanical verticals into wholesale distribution and the trades. Current brands include Navac, Midland Industries and Brymark. centricsales.ca
NEW PRESIDENT FOR WOLSELEY CANADA
Wolseley Canada named Sébastien Laforge, formerly vice president, Eastern Canada, as president taking over from Kevin Fancey who retired at the end of October.
Laforge joined Wolseley Canada in 1996 as finance manager and became finance director in 1998. From 2009 to 2020 he was general manager, Quebec plumbing and HVAC. wolseleyexpress.com
MASTER GROUP CONTINUES TO GROW

The Master Group has acquired Alberta-based Soper’s Supply Ltd., a major distributor of HVAC/R motors, and EFI Concepts, an Ontario-based manufacturer’s representative specializing in HVAC applications in industrial, institutional and environmental business solutions.
Based in Edmonton, Soper’s services Western Canada with branches in Winnipeg, Edmonton, Calgary, Surrey and Vancouver, EFI Concepts has its head office in Toronto and a branch office in Ancaster. master.ca
>> The Stelpro Group has acquired Flextherm, a leader in the electric floor heating industry. Founded in 1991, Flextherm has a 50,000-sq. ft. plant in Longueuil, Quebec. The company will retain its structure, independent of Stelpro, and production will continue to take place at its Longueuil plant. stelpro.com flextherm.com
>> Ouellet Canada has acquired Britech, a Canadian manufacturer and supplier of electric radiant heating systems including heating cables (floor, concrete and snow melting), electric thermal storage heating and self-regulating heating cables (roof and gutter de-icing). ouellet.com
DISTRIBUTION
>> NAVAC has named EMCO Corp. its distributor of the year for 2020. The distinction comes in just the second year of the two companies’ partnership—a year that saw EMCO’s sales of NAVAC tools increase more than 120%. emco.ca
>> Ontor Ltd. has been appointed manufacturers’ representative for Testo North America and will be supporting Testo HVAC/R test and measurement products across Canada. www.ontor.com
>> Roland Lajoie Enterprises Inc., Montreal-area distributor of plumbing, heating and architectural equipment, announced a new relationship with InSinkErator, offering food-waste disposers and instant hot/cold water dispensers. www.lajoie.co
NEW LOCATION:
>> Mits Airconditioning is moving to a new facility in Barrie, Ont. The new branch has a large showroom/training centre and warehouse. Mits also welcomes Donald Doherty to the sales and technical support team at the new Barrie location: 691 Dunlop St. W. www.mitsair.com

TAYLOR PIPE SUPPORTS PARTNERING WITH WALRAVEN
Taylor Pipe Supports and the Dutch-based Walraven Group have announced a Canadian partnership. Offering a complete line of pipe supports and strut products for the plumbing, mechanical, and fire protection markets, Taylor is Canadian owned with facilities in Hamilton and Burlington, Ont. as well as Delta, B.C. As part of a company transition, Allen Taylor is stepping down as president at Taylor Pipe Supports and Gary Day steps in as president. taylorpipesupports.ca
François Deschênes
Sébastien Laforge
Jeremy Torra


Max Rohr has joined Caleffi North America in the role of education and training manager. Rohr will partner with Caleffi representatives to offer product and system design training for engineers, contractors and wholesalers. Most recently he spent five years at REHAU as marketing and academy manager.





Zurn Industries named Adam Findlay as digital sales manager at Zurn Canada, responsible for launching Zurn’s connected products portfolio along with handling national owner account relationships. Findlay brings experience in plumbing and IoT environments from Spectrum Brands. In addition, Mark Wilson expands his area sales manager role with Zurn Canada from British Columbia to all of Western Canada, and Bryon Keats moves to senior business development manager, fire protection for the Canadian market.
Daikin has announced that Takayuki “Taka” Inoue will lead sales, marketing and distribution for the Daikin, Goodman, Amana and Quietflex brands in the newly-created role of executive vice president and chief sales and marketing officer of
Goodman/Daikin North America. Inoue has served as executive vice president and president, Daikin North America since 2016. As a result of this change, Doug Widenmann has been promoted to senior vice president and president, Daikin North America, reporting to Inoue. In addition, Brad Snyder, senior vice president and president of the Goodman, will retire from his position but continue to serve as an advisor to the company, and Ardee Toppe, who was senior vice president and president of the Quietflex and PTAC business units, will take over as the senior vice president and president of Goodman, Quietflex and PTAC.
REHAU has appointed Mark Hudoba to vice president of building solutions for the Americas region. Hudoba replaces Mike Dietrich, who leaves REHAU after 20 years with the company. Most recently, Hudoba was director of product management for building materials with Katerra and previously was director of product management and senior director of strategy and innovation at Uponor North America.



Bradley Corp. had announced that Bryan Mullett has become chairman/CEO and Luis de Leon, who was named executive vice president in 2019, has been named president/ COO. Mullett, who became CEO of the company in 2016, adds the chairman of the Board role from his father, Donald Mullett, who now takes on a vice chairman role. Bryan Mullett represents the fifth-generation of family leadership for Bradley. Bradley celebrates its 100-year anniversary in 2021.

Daniel Rademacher, trades education network program manager with Viega, has been elected vice president of the board of directors of the American Society of Sanitary Engineering (ASSE) International. The group’s mission is to promote the importance of safe and correct plumbing and mechanical systems and improve the performance and safety of these systems.

Rohr
Findlay
Hudoba
Rademacher
Widenmann
Mullett
Inoue Toppe
de Leon
AHR 2021 INNOVATION AWARD WINNERS
Although there will be no AHR Expo in Chicago in 2021— cancelled because of COVID-19—the show management, co-sponsors ASHRAE and AHRI, and the AHR Expo Innovation Awards panel of judges have still put in the work to evaluate and recognize the latest advancements in products and technology for the HVAC/R industry.
New product submissions were collected over the summer of 2020 and reviewed by a panel of third-party judges made up of distinguished ASHRAE members. Entrants were eval -
BUILDING AUTOMATION

Infinitum Electric’s IEq is a high-efficiency silicon carbide variable frequency drive (VFD). The VFD offers a smaller, smarter, cooler and more efficient motor controller with integrated IoT capabilities in one single unit for driving HVAC/R equipment.
uated based on overall innovative design, creativity of the product or service, application, as well as potential market impact. The winners of the 2021 AHR Expo Innovation Awards were selected among 10 industry categories: building automation, cooling, green building, heating, indoor air quality, plumbing, refrigeration, software, tools & instruments, and ventilation.

PLUMBING
Caleffi Hydronic Solutions AngleMix 520 series thermostatic mixing valve controls mixed water temperature in residential and commercial DHW systems. Its anglestyled body minimizes the number of elbows required, and it can close off its hot and cold ports at 100% tightness.
HEATING GREEN BUILDING

Advanced Cooling Technologies’ Pump-Assisted Split Loop Energy Recovery Heat Exchanger recovers energy from either the exhaust or supply air stream during all seasons, allowing AHUs to consume less energy, leading to new system layouts for better building air distribution and return.

Viega’s Radiant Auto-Balancing System introduces the ability to monitor the temperature of every return circuit in a radiant system coupled with monitoring air temperature in each zone to optimize flow to each loop and increase efficiency.
Continued on p44
COOLING

Emerson’s Copeland ZPK7 fixed speed scroll compressor is available in 1.5-5 ton and can be applied in both residential and commercial applications. It provides up to 5% efficiency improvement at the SEER2 B rating point and HSPF2 part load conditions.
TOOLS AND INSTRUMENTS

INFICON’s D-TEK 3 refrigerant leak detector offers enhanced sensitivity to find small leaks and is designed for next-gen infrared sensors, allowing it to search for leaks from classic refrigerants, CO2, and flammable refrigerants with a quick sensor change.
SOFTWARE
Willdan’s NEO Net Energy Optimizer energy modeling software is an online services platform that provides customized, real-time energy and financial ROI analyses streamlining whole building analyses of HVAC systems and energy conservation measures for commercial buildings.


VENTILATION

Aldes’ CAR3 constant airflow regulators feature dual-side airflow adjustability and greater airflow ranges for a variety of applications. The technology allows users to set or change the airflow quickly, in supply or exhaust applications, without removing the CAR3 from the duct.
INDOOR AIR QUALITY
Des Champs Technologies’ series PLP
Air-Trap is a new concept in condensate trap design that permits condensate removal from AC or other condensing equipment while blocking airflow all year and requires only 2-7/8-in. height for positive 0-40-in. WC pressure.
REFRIGERATION

Officine Mario Dorin Spa’s CD600 Range is the largest CO2 transcritical compressor platform available. The Range features UL and CSA approvals, and based on a 6 cylinders design, the platform includes models up to 100 hp and 2200 cfh.



BACK IN THE DAY
Retelling of an early service call to solve a grocery store’s meat freezing issue that required deductive reasoning, a look at the manuals and a sense of touch. BY DAVE DEMMA
Back in the day…way back in the day…after graduating from college, I started my career in this industry as a technician. In spite of my newly-earned engineering degree, I just didn’t fancy myself sitting behind a desk. I like working with my hands, and I was very intrigued to gain a real-world experience to complement my booklearning experience. I was employed by a large contractor whose main focus of business was supermarkets.
One particular day I was sent to the QFI supermarket in San Mateo, California. The complaint: the fresh meat was freezing.
Now, this was an older store that was probably built in the 1960s. Their equipment was not “state of the art”. Each system had its own separate condensing unit, and the controls were simplistic. This particular system was utilizing R-12, and the method of tem -
perature control was simply a low-pressure control.
Because there is a defined relationship between refrigerant pressure and refrigerant saturation temperature, a pressure control (set correctly) can provide moderately acceptable temperature control.
However, the best control will always be maintained when sensing the particular parameter which is to be maintained (as opposed to sensing a parameter that has a correlation to the parameter being maintained).
The low-pressure control’s approximate settings would have been as follows: cut-in setting of 27 psi (28.4F saturation temperature), and cut-out setting of 14.5 psi (10F saturation temperature).
After connecting my gauges, I found that the compressor was chugging
along at a suction pressure of 21psi (20F). This was nowhere near the 14 psi cut-out, yet the discharge air in the display case was low enough to freeze the meat.
After watching the system operate for a little while, it was noticeable that the suction pressure was not falling below the 22 psi range. In other words, this compressor was doing all it could, maintaining a constant 22 psi suction pressure…but lacking sufficient capacity to bring the suction pressure anywhere near the control’s cut-out setpoint.
This is where some detailed analysis can assist with a diagnosis, but it involves looking at the performance data for the compressor (which is typically available online for the compressor manufacturer).
There are several things which will determine the compressor motor am -
Rating Conditions
65F Return Gas
0 F Subcooling
95F Ambient Air Over
9RS3-076A-TFC
CFC-12
COPELAMETIC® TFC 208/230-3-60
MEDIUM TEMPERATURE
Figure 1. Performance characteristics/specification chart for the 9RS3-076A-TFC.
perage; voltage supply, voltage drop (due to excessive resistance in the wire connections or starter contacts), and anything that increases the load on the motor—internal compressor resistance (bearings and/or rings), and changes in suction and/or discharge pressure (which influences the compression load on the pistons).
Referring to the specification chart for the 9RS3-076A-TFC (Figure 1), for varying SST and SCT conditions, it lists the following compressor performance specifications:
C C apacity in Btuh
P Power in Watts
A Current Amps
M Mass Flow in Lbs/Hr
E EER in Btu/Watt-Hr
% Isentropic Efficiency
We are focusing on compressor motor amperage, specifically in tandem with SST and SCT.
All other system parameters remaining equal: (1) As the suction pressure increases,
< REFRIGERATION
Continued from p47
the compressor motor amperage will increase. This is due to the fact that density (lb/ft³) increases as the suction pressure increases. With a given cylinder displacement, the greater the vapour density, the greater the refrigerant mass flow. It would make sense that it would require more energy (amperage) to deliver a higher mass flow.
At a 10F SST and 90F SCT, the compressor motor amperage is 24.3 amps. Increasing the SST to 20F SST, the compressor motor amperage increases to 25.6 amps.
(2) As the discharge pressure increases, the compressor motor amperage will increase. This is the result of the pistons being required to compress to a higher pressure, which requires more work, and that comes in the form of electrical energy (amperage).
At a 10F SST and 90F SCT, the compressor motor amperage is 24.3 amps. Increasing the SCT to 100F, the compressor motor amperage is 24.8 amps.
Now, the compressor in this particular service call was operating at a 20F SST and 100F SCT. The compressor motor amperage should have been 26.3. But it was somewhere in the range of 18.
Something did not add up, as the amperage was much lower than the manufacturer’s data states it should have been. A series of logical deductions, based on the data, will suggest the cause:
(1) Compressor amperage is the result of compressor loading.
(2) The compressor is operating at a 20F SST, which is well above the lowpressure control cut-out set-point. This would suggest that the compressor is under a high load.
(3) The compressor motor amperage is well below what it should be for the condition, which suggests that the compressor is operating at a low load condition.
And now, let’s add a little additional information.
(4) The 9RS3 is a three-cylinder
compressor. Typically, the head above each cylinder is too hot to touch. But, the head above the front cylinder waslukewarm to the touch.
(5) The compressor is operating with a noticeable vibration. This is not ordinary.
My deduction was that one of the three cylinders was not doing any work. That would explain the lukewarm head, the reduced amperage, and depending on the cause of the ineffective cylinder, could also explain the vibration.

Removing the compressor head revealed that the front cylinder was half full of oil. On these smaller semi-hermetic compressors you can alternately push down on one cylinder, then another, and it will turn the crankshaft. Doing this revealed that pistons #2 and #3 were connected to the crankshaft, and moving up/down along with the crankshaft rotation. But piston #1 never moved.
Boom….broken connecting rod! (see Figure 2)
The interesting thing about this broken connecting rod is that it happened in such a manner that the compressor was able to continue to rotate without any obstruction from the broken parts. The remaining attached portion of the rod on the crankshaft caused an imbalance which resulted in the compressor vibration.
Now, let’s think about this for a mo -
ment. A three-cylinder compressor, with one cylinder inoperative, has become a permanently unloaded two-cylinder compressor.
Rather than 100% compressor capacity, it is now 66.67% compressor capacity.
But, this caused the normally 34F meat in the display case to freeze. How could this happen?
The compressor was a little oversized for the application, so the loss of 1/3 of the compressor capacity didn’t result in the product never reaching its desired temperature. The real cause of the freezing was the fact that a lowpressure control was used as the means for maintaining temperature.
With the broken connecting rod, the compressor did not have enough capacity to bring the system down to the cutout point. So, it operated non-stop, with 28F air blowing on the fresh meat all day long (except during the periodic defrost cycles). Of course, the meat froze.
To take this a step further, had the means of temperature control been a thermostat, this likely would not have resulted in a service call.
But, it did result in a service call. And, it provided a good opportunity for a young technician to learn a little more about troubleshooting, analytical thinking, and not giving up until a cause was found.
And the experience also illustrated the benefit in using the manufacturer’s performance data as a comparative means to determine how your equipment is performing. <>

Dave Demma holds a degree in refrigeration engineering and worked as a journeyman refrigeration technician before moving into the manufacturing sector where he regularly trains contractor and engineering groups. He can be reached at ddemma@uri.com.
Figure 2. The actual piston/broken rod from the compressor.


THERMODYNAMICS … HUMBUG! < CONTROLS
Troubleshooting controls issues requires taking methodical steps, but sometimes the solutions are more obvious than you think, like a simple hole in the wall. BY
CURTIS BENNETT
My wife tells me that I am way too literal, and when she says it, it’s not a compliment. I tend to look at things as 1’s or 0’s, on or off, open or closed, true or false. That’s how mechanical controls work, at least on the inside, and that’s where I spend my days.
There are not too many control issues that fool me anymore. Not that I am some super troubleshooter, just that I take the fool me once , shame on you, fool me twice, well that’s my bad for not seeing the same issue happening again.
So thankfully most, and I say most, of my good troubleshooting mishaps occurred when I was familiarizing myself
with this industry. Now don’t get me wrong, I am still learning all the time, but in certain situations familiar patterns appear and I am now able to see them quicker. Troubleshooting is not about knowing every possibility to figure out a problem, it’s about taking the right steps or asking the right questions to see the problem as clear as possible.
Many times I’ve been on the phone with a customer only to get near the end of our conversation before I ask what I believe to be an obvious question—only to find out it was not so obvious to them. So today let’s take a look at a couple troubleshooting doozies that I’ve encountered over the last few years.

TROUBLED SHOOTING
First things first, story time. To be honest I thought I was out of “shocking” stories to share, but it turns out I am not, they literally just keep happening to me. I’m not sure if it’s because I like electricity or I’m just a sucker for punishment. This story starts with my son’s friend’s homemade Taser. Yes, all good stories start like that!
I have no idea where he got the parts for it, but he did. He found the instructions online and made this Taser. After he built it my son and his friend had tried to zap themselves on the toe or somewhere really far from their heart, because they had heard from someone to stay away from the heart. They said that the zap hurt, but nothing too bad. So I was over at the friend’s house having dinner, as I am friends with his dad, and I said “go get that Taser!” So the young man goes and gets it and presses the button, to just show me the raw power as it makes this nasty zapping sound. If you’re of my era or older you will remember bug zappers and the crazy sound they made when a moth flew into range. It was something like that.
Anyways, I said ok I’m going to do it. I showed him the area on my arm to “taze” me, and I told him to give’r. Well it hurt, it really hurt. He “tazed” me on my forearm and it made my whole hand curl up. I think he held it on a little too long, but I probably would have done the same thing.
It left a little mark on my arm where he had done it, and of course everyone laughed very hard. At the end of the day, if this is what it takes to get stories for articles, so be it. This episode was a completely different type of ‘troubled’ shooting ... now I’ll get back to where I was originally heading.
CODING CONUNDRUMS
I still troubleshoot at our business on a daily basis. Computer coding is notorious for bugs. Some bugs are bigger than others, and I have spent days on a single, sometimes seemingly small
bug, going through every possibility only to find out it wasn’t even my fault. It was a compiler issue.
Let me tell you, nothing is more frustrating than finding out a huge bug is not even your fault, but likewise a huge relief that you’re not a bobble head in making a stupid mistake for days. However, I have had those as well and they sting badly.
“When you examine the problem-solving process we go through: it seems to start slow and methodical, and then gets a little more “frantic” as the day goes on.”
One approach I take to troubleshooting is talking things out. I will often just sit down with someone in the office and explain my problem. I summarize it as best as possible, and then talk it out. More often than not while explaining my issues, or the coding dilemma, I will see the answer.
But OK, I’m not here to talk about coding issues. So let’s talk real world mechanical control issues, or maybe not the control but something that masks as a control issue. I have two good ones, so let’s jump in.
LIMITLESS
I enjoy what I do, but when I can’t figure something out it drives me crazy. While designing our original boiler controls, I spent countless hours in boiler rooms learning how things work and why they do what they do. I was “green”, so I was learning more each day about controls, but I was not entirely up to speed on the equipment internals.
When the control sends the signal to turn a boiler ON/OFF, the appliance is supposed to turn ON/OFF. The issue we had was that our control was turning the
boiler on, but the boiler was shutting off early. So where do you start?
Well, make sure the control is actually turning on the boiler. We do that by doing a continuity test at the connection at the control. Now don’t do a continuity test with the boiler wires hooked up. Resistance does not work when there is voltage present, and the boiler wires “most likely” have 24VAC on them.
So I tested the control, we had continuity. So we move down the line and perform the same continuity test at the boiler. This test was good as well. The control is still turning the boiler on, and the wiring is good. Next, we make sure the boiler is still powered. Yep, still powered.
If a boiler does not have any flow, the flow switch will not prove and the boiler will turn off. But guess what, good flow. It was getting a little perplexing at this point, so I needed to dig deeper into the boiler and its onboard controls.
After some digging and reading, it appeared everything was good. Remember, the problem was not turning the boiler on, but that it was turning off before the control was ready to turn it off.
At this point I started to look at the wiring diagram inside the boiler. It showed something I did not think about, and to be honest, because I was not so familiar with the inner working yet this was not too obvious. The internal limits of the boiler.
You guessed it, someone had turned down the limits and they were set lower than our control. Eureka!
Now this wasn’t a five-minute conclusion, this was most of a day to get to this solution. Something so simple.
It’s interesting when you examine the problem-solving process we go through: it seems to start slow and methodical, and then gets a little more “frantic” as the day goes on. Luckily this problem was solved and was added to the database of encountered issues in my head.
CONDUIT CONTROL
This next challenge was not as obvious,
Continued on p52
but equally as perplexing. I travelled to a lot of job sites when HBX first started to sell controls. Sometimes I was just helping out, because we were new but also because there were legitimate issues and we wanted to have great customer service.
So this call was about the control going into warm weather shut down (WWSD) when it should not be. The starting point was at the control. Check the wiring, look at the wiring for a bad connection, or even worse an intermittent connection! But they all came up negative.
Then we checked all connections at the outdoor sensor and heated it up a little to watch the control show the correct number. All was good. Next was to take a known good sensor and hook it up to the control to see the result. Guess what, works as well.
Keep in mind that thermistor testing takes a little time. You need to watch to ensure there is a change over time, and that the numbers settle in where they should. So we were getting to the end of the day. I will point out that this was a warm day, around 15C outside, so we were not in WWSD and we should not have been.
So I needed to come back the next day. The next day the temp was quite a bit colder, but the first thing I noticed was that the outdoor temperature on the control was not showing as cold as it should. So we went outside to look, but we were on the north side of the building so there was no sun exposure. I know that’s what you were thinking.
So what the heck could it be? The sensor was located outside the wall from the boiler room. It was attached well, they even used conduit to go from inside to outside! Normally, and take “normally” with a grain of salt, you don’t use conduit. At least I had not seen it done before. Usually it’s just drill a hole to the outside and run the wire.
So it turns out this was a good lesson

“At the end of the day troubleshooting is actually fun. We get a rush when we find the problem, especially if it was a doozy.”
in thermodynamics—temperature wants to naturally equalize. So what was happening is that because they had used conduit from inside the room to outside, the heat from the room was moving outside and heating up the outdoor sensor.
WHAT!!!!
Yes, that was it. There was a big enough opening that the heat could transfer. That’s why when you just drill a hole, the wire takes up most of the space so no heat can move through the wall. But with the conduit, the wires did not take up enough space to stop the heat transfer out to the sensor.
You did notice that the first day I was there the temperature outside was pretty close to the temperature in the boiler room. That is why we could not find anything wrong. It was not until the
correct situation arose that we could even start to look at different options.
HELP ME
At the end of the day troubleshooting is actually fun. We get a rush when we find the problem, especially if it was a doozy. One of the biggest issues in troubleshooting is trying to replicate an issue. It’s actually where we spend most of our time when troubleshooting at the office. If you can’t replicate the issue you can’t find it. Good, detailed and accurate information, whether from yourself or from someone on the phone, is pivotal to finding a solution. To quote Jerry Maguire, “Help me! Help you!” Thinking about that movie actually has me laughing out loud. It had me at “Hello.” <>

Curtis Bennett C.E.T is product development manager with HBX Control Systems Inc. in Calgary. He formed HBX Control Systems with Tom Hermann in 2002. Its control systems are designed, engineered and manufactured in Canada to accommodate a range of hydronic heating and cooling needs commonly found in residential, commercial and industrial design applications.
Sometimes drilling a simple hole in the wall is the answer.
Basic Principles of Residential Ventilation (online)
The Heating, Refrigeration and Air Conditioning Institute of Canada (HRAI) offers this introductory self-directed online course presented through an interactive electronic textbook that allows students to move through the modules at their own pace. Participants are introduced to the basic principles of residential ventilation including the flow of air, heat and water and how these impact natural ventilation (aka air leakage), the theory of mechancial air flow including air pressure, duct resistance and fan ratings are also discussed. A review of the impact on combusion appliances, humidity levels and indoor air quality is also provided.
Upon course completion students will understand the basic building science principles that are the foundation for ventilation design and commissioning. hrai.ca
TECA Quality First Training (B.C.)
The Thermal Environmental Comfort Association (TECA) Quality First training programs are developed by the industry, setting minimum standards for the residential and light commercial heating, ventilating and cooling trade in British Columbia. Courses provide contractors the information they need to install equipment that operates safely and comfortably at rated efficiencies. As of May 2020, TECA is now offering on-line training while still maintaining the integrity of its certification. www.teca.ca
Productivity Improvement for Mechanical Projects
This session will provide proven methods and practices for creating, controlling, and improving project productivity on all types of projects. The following topics will be presented and discussed: material handling practices that guarantee improved jobsite productivity; understanding “average” productivity and the “typical” construction site work day; identifying, managing, and controlling recoverable lost time; understanding the differences between management-caused lost time and worker-caused lost time; understanding the differences and the important connection between punctuality and productivity; optimum crew size and its effect on productivity; the relationship between planning, productivity, and profitability; planning activities that have huge impacts on productivity; identifying and controlling the internal and external factors that affect productivity; and fabrication, preassembly, tagging, bagging, and its effect on productivity program. This course will be led by John Koontz on February 11, 2021 from 12:00 pm to 2:00 pm. mcac.ca
THE SOURCE
ADVERTISERS
VIRTUAL TRAINING OPPORTUNITIES
Hydronics Training
The Canadian Hydronic Council (CHC) Certification Program is a method to recognize the mastery of a set of industry criteria in hydronic installation, hydronic design or both. Designers and installers become certified to ensure they are designing/installing systems to industry standards. NAIT and BCIT offer training blocks. ciph.com/page/chc_certification
Design Technician Designations
The HRAI Residential Air System Design Technician (RASDT) Designation was established in partnership with Natural Resources Canada (NRCan). The designation is awarded to all individuals who hold current certification for the following four HRAI training programs: Residential Ventilation using Section 9.32 of the Building Code (as of September 1, 2019), Residential Heat Loss & Heat Gain Calculations, Residential Air System Design and Residential Commissioning.
The HRAI Residential Hydronics Design Technician (RHDT) Designation was also established in partnership with NRCan. The designation is awarded to those who hold current certification for the following four HRAI training programs: Residential Ventilation using Section 9.32 of the Building Code (as of September 1, 2019), Residential Heat Loss & Heat Gain Calculations, Residential Radiant Hydronics Design and Residential Commissioning.
The new HRAI Residential Ventilation Design Technician (RVDT) Designation will be awarded to those who hold current certification for the following four HRAI training programs: Residential Ventilation using Section 9.32 of the Building Code, Residential Ventilation using CSA F326, HRV/ERV Installation & Balancing Fundamentals and Depressurization Testing of Residential Systems. hrai.ca/rasdt-rhdt-rvdt-designations
Introduction to Residential HVAC Equipment
HRAI is offering a technical course for the non-technical. Get your admin, counter staff and sales teams up to speed quickly with HRAI’s Introduction to Residential HVAC equipment. Provide your staff with the tools to confidently address customer questions about equipment options, energy efficiency and operating costs. They will be introduced to HVAC equipment types, applications and energy efficiency metrics in this course designed for the layman. This one-day course is being offered via a virtual classroom. Dates of the course include January 27th, 2021 or March 11, 2021. The course runs from 8:30 am to 4:30 pm.
hrai.ca
CALENDAR
Due to the COVID-19 pandemic visit event websites for the most current information.
2021
2021 ASHRAE VIRTUAL Winter Conference
February 9-11
The ASHRAE Winter Conference will be virtual this year, and it will include a mixture of live, pre-recorded and ondemand sessions. www.ashrae.org/conferences
Modern Hydronics Summit 2021
March 30-31
The 5th edition of Modern Hydronics – The Summit will run over two half-days online with educational sessions, vendor exhibits and live interaction. www.modernhydronicssummit.com
KBIS 2021 Virtual
February 9-12
The Kitchen & Bath Industry Show (KBIS), a site for new product launches, will also be virtual this year. www.kbis.com
MCEE 2021 CANCELLED
Due to COVID-19 the Mécanex/Climatex/ Expolectriq/Éclairage (MCEE) 2021 trade show to held in Montreal, April 7-8, 2021 has been cancelled. The next MCEE will be held in 2023. www.mcee.ca
ISH – International Trade Show for Water and HVAC
March 22-26
The world’s largest exhibition for the HVAC sector held in Frankfurt, Germany showcasing an array of leading-edge solutions. ish.messefrankfurt.com
MEET 2021
May 5-6
Postponed by a year, the biennial Mechanical, Electrical, Electronic Technology trade show in Atlantic Canada will be held at the Moncton Coliseum. www.meetshow.ca
2021 ASHRAE Annual Conference
June 26-30
The conference will be held in Phoenix, Arizona with the technical program and committee meetings taking place at the Sheraton Phoenix Downtown and the Phoenix Convention Center. ashrae.org/conferences
CIPH Annual Business Conference
June 27-29
The networking event for the Canadian plumbing and heating industry will be held at the Algonquin Resort in St. Andrews, New Brunswick. www.ciph.com
Ventilation 2021
August 15-18
Held every three years, the 13th International Industrial Ventilation Conference for Contaminant Control is taking place in Toronto at the Sheraton City Centre. www.ashrae.org/conferences
Canadian Hydronics Conference
September 14-15
The conference will bring hydronics industry professionals together in Saskatoon to connect in person and share knowledge and business building ideas. www.ciph.com/page/chc2021
CIPHEX West 2021
November 3-4
Western Canada’s plumbing, hydronics, heating, ventilation, air conditioning, refrigeration and water treatment show is being held at the Pacific National Exhibition in Vancouver. www.ciphexwest.ca

2022
AHR Expo
January 31-February 2
The Air Conditioning, Heating, Refrigerating (AHR) Expo returns in 2022 to the Convention Center in Las Vegas. The annual showcase will reveal the future of HVAC/R technology along with plenty of educational and networking opportunities. ahrexpo.com
Help Keep Your Contractor Customers




Adding Warmth to Every Day
Viessmann is one of the most preferred and trusted brands in hydronic heating solutions in Canada for 40 years. Whether your project is a new home, commercial residence, or retrofit we offer heating solutions supported with digital tools to provide peace of mind at your fingertips:
• Program, remotely monitor & control your boiler using ViCare App
• Free expert advice when you request a heating system consultation online
• Extended 5 year parts and labour warranty for residential gas-fired condensing boilers up to 300 MBH input*
