FB - June 2016

Page 1


FOOD BEVERAGE

Jim Petsis jpetsis@mromagazine.com (416) 510-6842 SALES MANAGER Jay Armstrong jarmstrong@ mromagazine.com (416) 510-6803

Dimopoulos tdimopoulos@ canadianmanufacturing.com Supplement of

Rehana Begg rbegg@annexweb.com (416) 510-6851

ART DIRECTOR

Svetlana Avrutin savrutin@annexbizmedia.com

ACCOUNT CO-ORDINATOR

Tracey Hanson thanson@annexbizmedia.com (416) 510-6762

CIRCULATION MANAGER

Beata Olechnowicz colechnowicz@ annexbizmedia.com (519) 376-0470 (866) 323-4362

Al Diggins • adiggins@emccanada.org

Scott McNeil-Smith • smcneilsmith@emccanada.org SENIOR

The Internet of Food

If your plant or facility is on the sidelines because it is skeptical about the hype around the Industrial Internet of Things (IIoT), now might be a good time to have skin in the game.

The implications are huge. The lineup of disruptive technologies (such as smart materials, sensors, nanoelectronics, piezoelectric materials and memory metals) has the potential economic impact of $33 trillion by 2025, according to international not-forprofit Industrial Internet Consortium. Technology researcher Gartner, Inc. forecasts that 6.4 billion connected things will be in use worldwide in 2016 and in 2016 alone, 5.5 million new things will get connected every day.

These stats are nothing short of revolutionary. And in today’s interoperable Industry 4.0 era, companies using smart, enabling tools have taken a long-term view of securing success. They bolster IT (information technology) and OT (operational technology) capabilities in an effort to future-proof production requirements and customer demand. These facilities know that machine-to-machine communication and data-controlled equipment give managers visibility of what’s happening in their enterprise – right down to the product on

the plant floor. Automation and track-and-trace technology open up the possibility of integrated product development and production processes. With rich information at their fingertips, plants are able to support regulatory compliance while providing status updates about contamination levels and operating temperatures, and co-ordinating processes. Marketing opportunities have no limits across these value chains.

In this issue of Food & Beverage Engineering & Maintenance, we tip our hats to technologies that have a transformative effect on industry. For instance, Fredericton-based Smart Skin Technologies seized the opportunity to bring its groundbreaking system for measuring line pressure and 3D orientation in glass, can, PET and other packaging lines to the food & beverage sector (read “Sensory Perception,” page 6). Smart Skin’s founder and CEO, Kumaran Thillainadarajah, says that the company has applied its technology at six of the world’s top beer and softdrink players – each looking for insights into how their lines are performing.

Then click through to “Documented Compliance” (page 10) to find out how process flow was enhanced at Krombacher, one of the largest privately owned

breweries in Germany. This case study demonstrates how the famous brewery configures and documents information using a cross-disciplinary engineering platform (EPLAN) without compromising hygiene, safety and traceability requirements. The platform is available in Canada.

These innovative technologies are becoming prevalent because they provide meaningful business outcomes – they offer uninterrupted operation of systems and demonstrate the efficacy of having data in context and in real time. The big challenge, going forward, is deciding which IIoT opportunities to invest in.

Rehana Begg Editor, Food & Beverage Engineering & Maintenance rbegg@annexweb.com www.mromagazine.com

SENSORY PERCEPTION

The

food & beverage sector benefits from technology and process innovation.

The growing practice of using the Internet and sensors to communicate in real time and adjust equipment settings in order to improve uptime, gives technology development businesses like Smart Skin Technology a foothold in the Industrial Internet of Things (IIoT). The Fredericton-based company is best known for its sensor technology, Quantifeel, a polymer film that uses nanotechnology to measure the pressure against it. Smart Skin rolled out the Quantifeel sensor to the beverage industry in 2013 and enabled line staff to gain unprecedented insights. Plants that routinely have problems adjusting the flow of cans or bottles on their

lines can now use a drone (a fake can or bottle lined with pressuresensitive Quantifeel technology) to monitor the pressure and motion along the conveyor, or the 3D orientation in glass, can, PET and other packaging lines. The embedded technology helps to gauge the effect that operational parameters have on line performance, which in turn helps to prevent costly bottlenecks, reduce wastage, improve efficiency and minimize downtime.

Building on this technology, the company has further developed a location tracking tag, the Quantifeel System, which works by dropping a sensor onto the packaging line and automatically embedding the precise location of pressure issues.

A drone, embedded with Quantifeel technology, monitors pressure and motion along the conveyor.

INNOVATION

According to Smart Skin’s founder and CEO, Kumaran Thillainadarajah, the Quantifeel technology can save a bottling plant $1 million a year by reducing the number of broken bottles. He says that six out of the top 10 beer and soft-drink manufacturers currently use the technology.

Thillainadarajah developed the initial technology when he was an engineering student at the University of New Brunswick in 2008. The leading-edge technology has a variety of applications, including sporting equipment, and has led to several awards, including the Special Award for Social Awareness at the Canadian Engineering Competition in 2009, the NBIF Breakthru Competition in 2009 and the KIRA award for Most Promising Startup in 2012. Smart Skin was named to the Canadian Innovation Exchange’s 2013 CIX Top 20.

In the following Q&A, Thillainadarajah shares his thoughts on the way technology is transforming the Food & Beverage sector.

BEGG: How does the Smart Skin Technology transform the way soft-drink manufacturers solve bottlenecking problems in their production lines?

THILLAINADARAJAH: Our product is for the entire consumer packaged goods market space, not just for soft drinks or liquids. We have also designed solutions for food, alcohol, dairy, and pharmaceuticals. The product works by measuring the force, pressure, and impacts from the container’s perspective. This gives our customers information about what their products are experiencing as they travel down a packaging

line. By using the Quantifeel System customers can quickly pinpoint the areas that are causing damage to their products and solve them at the point of origin. The product is helping customers reduce loss during production, waste, and improve overall packaging line efficiencies.

BEGG: Innovation is being challenged in today’s competitive environment. Where do you see product innovation going?

THILLAINADARAJAH: Our product roadmap is being designed by our customers. Our engineers spend

Smart skin Technology founder and CEO, Kumaran Thillainadarajah.

By using the Quantifeel System customers can quickly pinpoint the areas that are causing damage to their products and solve them at the point of origin.

INNOVATION

a lot of time with customers understanding how they are using our product, the challenges our customers face, and how we can add more value to their processes through the use of our products. We are building a total picture of a packaging line to guide improvements and highlight problem areas. We are doing this with our proprietary location tracking system, which was designed based upon customer feedback. We are empowering plants and line operators to diagnose their own packaging lines and implement and verify fixes themselves.

BEGG: How is technology changing the food and beverage industry?

THILLAINADARAJAH: Millions of dollars are being wasted on inefficiencies at these plants. Our customers understand that the first step in solving your problem is admitting you have one and then understanding it. We are part of the IOT revolution that is transforming the way this industry

works. By using sensors to capture important data, processing it into mission critical information, and then providing feedback to packaging line operators, we are helping customers run a more efficient operation and most importantly translating that into raw materials savings.

BEGG: From a technology perspective, what are some of the shifts seen on the plant floor?

THILLAINADARAJAH: In today’s hyper-competitive marketplace operators are challenged with doing more with less. That is challenging for the people working on plant floors who have more and more responsibilities and tasks added to their daily work routines. Our product is about empowering those people to do more with less, faster. It gives them the information they need to be more effective problem solvers, identify issues as they occur, and be more productive at the same time.

Sensors in the drone information data and process it into mission critical data to provide feedback to line operators.

BEGG: Aside from packaging, which industries are likely to take advantage of the Quantifeel System technology?

THILLAINADARAJAH: This is a platform technology with many different applications outside of packaging. We are keeping an eye out for the next big thing for Smart Skin, but the packaging market is so large that it can keep us busy for the next decade. We really want to

branch out of our focus in beverage and design solutions for other markets within the packaging space. We think pharmaceuticals have a lot to gain from using our technology, as do other related industries, such as transportation and logistics, aviation, automotive, and other related industrial segments.

For more information, visit www.SmartSkinTech.com

DOCUMENTED COMPLIANCE

A German brewery selects a software platform that meets its operational engineering, electrical planning and documentation needs.

Krombacher is one of the largest beer breweries in Germany. Its slogan, which translates into “as unique as its taste” is also reflected in its technology. Production and logistic systems are constantly being expanded and modernized in order to keep pace with the expansion of the company. Krombacher‘s operational engineering department keeps an overview of efficient electrical planning, modification and documentation of existing and new plant data using the EPLAN Platform, a software solution that allows consistent, cross-disciplinary work sharing.

KROMBACHER

RELIES ON EPLAN

Krombacher’s brewery systems are divided into two production plants in the Krombach district of Kreuztal. The headquarter covers the production, while bottling and logistics are located on the other side of the state road. These production and bottling sites are linked by underground lines, so the technology and production-logistics are rather complex. “We have a high level of automation,” explains Ulrich Stiebeling, head of the operational engineering department. There are currently over 1,000 controllers and enclosures

installed across the whole company premises. Krombacher uses EPLAN Electric P8 for electrical design, plus EPLAN Fluid and EPLAN View for pneumatic design and visualization.

CONVERT OR REDRAW?

When devices are replaced, the plant needs to be extended or optimized and Ulrich Stiebeling‘s team is usually faced with the challenges of entering changes manually. Smaller plants are also planned and implemented completely in-house, with conversion of old plans from EPLAN 5.70 to P8 also done by hand. “When it comes to conversions or major plant and machine changes, we need to decide on a case-by-case basis: Convert or redraw? A newly drawn plan is always beneficial for the future,” explains the head of operational engineering.

GOOD DOCUMENTATION SAVES TIME AND

MONEY

Good documentation is a question of discipline: Schematics produced in EPLAN can be viewed in PDF form

have a familiar structure, which makes work easier for service technicians if errors occur in the system.

“They always find the faults – it is just a question of whether it takes a quarter of an hour or several hours,” says Ulrich Stiebeling. With clear, current EPLAN visualizations, the origin of faults is easy to find without expensive downtimes. Clear guidelines prevent illegible plans. This applies to the in-house team and external specialist suppliers to which orders are issued for complex major systems, for example in the

bottling plant. This is why Krombacher not only demands EPLAN Electric P8 based documentation from all plant suppliers, but also issues clear guidelines for the use of the CAE system to Krombacher standards and provides training to ensure its proper use. The implementation of DIN EN 81346 makes clear guidelines indispensable.

CLEAR GUIDELINES, SMOOTH PROCESSES

“Our aim is group-oriented drawing, so all those involved in the plans can work efficiently with them,” says Torsten Friedrich. The catalogue of guidelines containing all specifications was drawn up in conjunction with EPLAN. Anyone accepting an order from Krombacher is given sample documentation, master data and component libraries on storage media. The aim is to standardize the structure, terminology and documentation to enable structured archiving so that project data can be accessed more quickly and, last but not least, maintenance

costs can be reduced. The Krombacher guidelines have proved particularly useful when it comes to handling error checking. Krombacher demands tested drawings from its suppliers, as “faulty plans are wasted money.”

FRONTRUNNER IN TERMS OF CONSISTENCY

The next step is to move in the same direction for pneumatic design with the help of EPLAN Fluid. “Pneumatics need to be checked just as carefully as electronics,” explains electronic engineer Udo Klappert, because neglecting them can result in time-wasting and expensive periods of downtime. Consistent electronic and pneumatic design and documentation from a single source gives Krombacher operational engineering additional time and cost benefits in terms of development design and maintenance.

This article was submitted by EPLAN. For more information, visit www. eplancanada.com.

PEARSON’S PLUMBING

Canada’s largest airport implements a proactive maintenance plan after congealed grease and oil from dining vendors make its way into the plumbing lines.

As Canada’s largest airport, Toronto Pearson is a busy place – and getting busier all the time. In 2015, 41 million passengers passed through the facility (that’s well over 100,000 a day), a six per cent increase over 2014. By 2032, the facility will handle an estimated 60 million passengers. Toronto Pearson supports 40,000 employees, and overall water consumption is over one-billion litres a year. It’s a destination in itself with a wide variety of things to do and places to eat and shop.

With a facility of this magnitude, all systems – from baggage handling to parking – must work and work well. That’s the focus of Clarence

Walters, manager, Mechanical Systems at the Greater Toronto Airport Authority (GTAA). It’s his job to ensure all mechanical systems impact customer service in positive ways, but two years ago, it became apparent that one system in particular was a very large threat to that service. At that point, Walters began root cause analysis (RCA) to get to the bottom of what was up with Pearson’s plumbing.

Simply put, the existing system (more on that later) was allowing a substantial amount of grease and oil from Pearson’s 70+ dining venues to make its way into the plumbing lines. This material congealed over

The Greater Toronto Airports Authority is working towards a unified grease recovery/recycling program to bolster sustainability efforts at the airport.

MAINTENANCE

time, mixed with bio solids and turned acidic, wearing away at the existing cast-iron pipes and causing them to fail prematurely. This meant downtime and high repair and maintenance costs for the GTAA. If that weren’t bad enough, the excess weight of grease buildups was causing the joints between drainage pipes to come apart, which again meant downtime for vendors, lots of breakdown maintenance for Walters’ crews and some significant safety issues. The odour of the decaying grease, particularly where it leaked from broken joints, was also attracting insects and rodents – the last thing you want at a world-class facility. “The grease blockages were decreasing pipe capacity and in some cases entirely blocking pipes,” Walters explains. “This required regular maintenance with pressurized water jetting, which is time-consuming and costly. We had a pump or two requiring

maintenance every year mostly due to grease issues, but also due to other issues like paper towels in toilets.”

It was clear that plumbing system maintenance was really amounting to an attempt to avoid failure. And besides headaches for the plumbing maintenance team, the situation was really hard for vendors. “It meant working in short intervals through the early hours of the morning or partially interfering with regular operations,” Walters notes. “Restaurants run about 20 hours a day in this facility, from before the first flight to after the last, and that’s a very short window of opportunity to do maintenance.”

How were food establishments dealing with grease, you ask? They had the typical “passive” grease traps/interceptors in place. These systems collect grease from sink water and store it in tanks, but they are inefficient, and their efficiency

is reduced to almost nothing as the tank approaches capacity. There is no way to know how much room is left in one of these tanks because they are sealed. While each food establishment had a schedule where an outside company would come and pump out the tank, the intervals in some cases were too long. Tanks were overflowing regularly, with the grease going the only place it could – into the

plumbing. And to top the situation off, water from dishwashers (which can also contain a high volume of grease and bio solids) was going directly into main drain lines without being run through any type of grease trap (this is because dishwasher wastewater is relatively high in temperature and that’s counterproductive to the operation of a grease interceptor). The system clearly needed to change.

MAINTENANCE

All this became clear throughout 2014 to Walters and his team. “We used our own internal RCA templates,” he explains. “There are a lot of ways of diagraming RCA and ours is similar to the PEMAC [Plant Engineering and Maintenance Association of Canada] model. There are a lot of maintenance strategies are out there and you have to choose what works for you.”

However, moving everyone over to a new system wouldn’t be simple. “Because of the complexity of this facility, any work you do usually impacts other operations, for example passenger and baggage screening,” Walters explains. “We can’t just go in and replace equipment or infrastructure. We have a lot of partners that we need to engage prior to making changes…[and] we need to consider the people that work in each area and ensure they have access to continue to do their work, and that we do our work in a safe, efficient and effective way. It’s all about finding effective work solutions. In some cases that means using scaffolding, or single-man lifts,

and in others, it might mean carrying out work in stages. Everyone’s role is important, so working together is essential.”

But not only would the changeover affect vendors – it would require them to be much more active in their own individual grease management.

Before we get to how Walters won partner support on that score, let’s take a look at the new system. It has two parts, a strainer basket, which catches organic matter and a small grease interceptor which channels grease and oils into an outer storage cassette. Restaurant workers in each establishment clean out the basket and the cassette when needed, emptying the contents into an organic waste bin or a sealed grease container. Since there is nothing stored in the unit, there is no odour. Walters is working (with the Toronto Pearson corporate sustainability and business group) towards a unified fat, oil and grease recovery/recycling program, and it may be that one central company will take away all the organic matter and grease for reuse in products like animal feed or bio-diesel.

“SELLING” THE NEW SYSTEM

With his long experience in industry and having taken communications courses, Walters used a multipronged approach to engage food establishment owners and workers. He requested that the grease interceptor manufacturer (Gosslyn)

provide a unit so he could develop a working model and demonstrate the step-by-step maintenance required by kitchen staff in each establishment. Walters also created a poster board explaining the pain-points of the plumbing system and how the new system mitigates the problems.

A grease interceptor channels grease to an outer storage cassette.

In addition, he felt it crucial to create a short training program with a simple take-away document outlining dos and don’ts. “Managers book time and send their employees for training when they can, in twos or threes. We have to be flexible for them. Going forward, we are planning to make a video so that it’s there on demand.”

Face-to-face visits are also key. “I drop by different locations and inquire how the unit is functioning, and occasionally people have concerns and questions on what they need to do,” Walters says. “Since we’re changing the technology, it was important to us to take responsibility and educate tenants and their frontline staff.”

Tenant design standards have been changed for new food establishments, and all existing tenants will have converted to new wastewater systems by the end of 2016 or early 2017. Meanwhile, maintenance crews are doing a phased replacement of old pipes with PVC.

“Pressure jetting and drainage line maintenance won’t go away,” Walters notes, “but main drain lines will now be easily accessible through cleanouts in the floor spaces. The restaurants are spread out so we will complete the pipe replacement in phases as opportunity arises.”

Most tenants will see a return on investment within about two years. Maintenance time and costs associated with rectifying severe problems is being slashed steadily month-bymonth, but Walters is quick to point out the big picture benefits – that Toronto Pearson will be able to handle expected growth and continue to provide good passenger experiences. He concludes that with any change, it’s all about the people. “People are your biggest resource,” he says. “If they understand the underlying issues, you can collaborate and find the best solutions together.”

AWARDED - ISO 22000 FOOD

SAFETY SYSTEM CERTIF ICATION

Atlas Copco is the first compressor manufacturer to receive ISO 22000 certification by Lloyds Register for our production facility in Antwerp, Belgium. This facility manufactures state-of-the-art Class Zero certified oil-free air compressors, as well as blowers and air treatment products.

Treena Hein is an award-winning freelance writer based in Pembroke, Ont. Reach her at treenahein@outlook.com.

For more information: 1.800.513.3782 or foodbev@ca.atlascopco.com www.atlascopco.com/classzerous/iso-22000/

TRACK AND TRACE

How a CMMS impacts production line maintenance

Computerized Maintenance Management System or CMMS is a software solution that helps the maintenance team keep a record of all the assets in the company that they are responsible for. With the CMMS system, one can track and schedule maintenance tasks and keep a record of the work performed by the assets. It helps the maintenance and facility managers in ensuring their equipment is functioning as expected. Computerized maintenance programs are trending due to the efficiency they bring to the table by identifying bottlenecks of any process quickly and preventing problems before they even occur.

MAINTENANCE ON THE PRODUCTION LINE

The production line of any manufacturing unit consists of several processes and equipment. Maintenance is crucial in any production line as it:

• Reduces the downtime and repairs

• Improves the lifecycle of equipment and forecasts replacement

• Reduces rework and manufacturing scrap

Maintenance extends beyond fixing the equipment or ensuring the smooth running of various processes. Trying to perform

maintenance manually will be time-consuming and it will leave some gaps where there is a possibility of missing out crucial aspects. Software tools such as performance management software and asset management systems eliminate such instances and they support the entire operation in a seamless manner. Moreover, CMMS solutions help manufacturing plants in justifying the need for quality equipment by helping maintenance teams prolong an asset’s lifecycle.

BENEFITS OF CMMS

SOFTWARE FOR PRODUCTION LINE MAINTENANCE

When plants implement CMMS, they reap the following benefits:

SCHEDULING AND TRACKING

PREVENTIVE MAINTENANCE SYSTEM

Tracking potential maintenance problems beforehand

will not only save time but also reduce the chance of equipment failure. The CMMS provides a preventive maintenance system, which enables its users to reduce repair costs and track potential problems that may arise due to damage or lack of maintenance. Additionally, it will extend the life of equipment.

REDUCED DOWNTIME AND REPAIR WORK

Preventive maintenance helps in predicting potential repairs that the assets might need. This ensures that preventive maintenance is carried out regularly or as and when the issues get flagged. This decreases the chances of equipment failure, which further reduces the downtime. As a result, you can save money that would otherwise be spent on getting the damage control done or making necessary repairs after its too late.

REDUCED COSTS

When the downtime and the extent of repair work goes down, it reflects in the amount of money you save. CMMS gives a comprehensive report of which assets need repair and with the help of the preventive maintenance report, plant managers can make better decisions pertaining to asset management, scheduling and repairs.

OPTIMIZED INVENTORY MANAGEMENT

Inventory management is a crucial aspect but keeping the inventory stocked with assets you won’t need in the near future is a waste of space as well as money. If the plant isn’t aware of the assets’ location, personnel end up wasting a lot of time just on searching them. If a spare is urgently needed and there’s now way of knowing where the assets are

kept, downtime will increase. With CMMS in place, managers can search throughout the company to find the parts they need, place shipment orders when they need the required parts and get it delivered overnight.

IMPROVED SCHEDULING AND PLANNING

CMMS greatly helps with scheduling in advance, which ensures that maintenance plans do not coincide with production or repair time. There are calendar and predictive maintenance tools that assist in planning and scheduling in an efficient manner. With the power to foresee potential threats to the maintenance system or the processes, maintenance and operations teams can plan and schedule tasks to increase the productivity, reduce downtime and dodge unnecessary expenses.

PROVIDES CRUCIAL DATA

Maintenance management software provides all of the required maintenance-related information, such as machine repair history, labour utilization rates and other important metrics. This data aids maintenance managers in taking informed decisions that would eventually benefit various manufacturing processes.

ACHIEVE REGULATORY COMPLIANCE

The CMMS automates all the processes of defining, scheduling and implementing preventive maintenance to comply with environmental and safety regulations. It also includes compliance with work orders and equipment insurance policy. Additionally, it contains most of the information needed for compliance, which eliminates the

need to have redundant records.

Plants can expect to observe significant process changes after a CMMS and performance management system implementation. To summarize, productivity will rise, breakdowns will go down, repair and maintenance work

reduce and the overall performance will improve.

Lindsey Walker, marketing manager, NEXGEN Asset Management, a provider of asset management software solutions. Reach her at lwalker@nexgenam.com.

DON’T WORRY ABOUT ARC FLASH –CONTROL IT!

Mitigate the likelihood and magnitude of electrical exposure with readily available technology.

At some point in our life we have all heard or perhaps stated variations of the common phrase “don’t worry about things you can’t control.”

With respect to workplace electrical safety, there has been little change over the past 10 years in non-fatal injuries due to electricity and the issue isn’t a lack of awareness or intent or budget; it is a lack of effective action, it’s a lack of control!

When considering the arc flash hazard there are two questions we need to ask (the same two questions for any hazard):

What is the likelihood it will happen and how severe will the impact be?

WHAT IS THE LIKELIHOOD AN ARC FLASH WILL HAPPEN?

Electrical hazards have been identified in the Ministry of Labour’s Safe At Work Ontario strategy as one of the hazards requiring attention to reduce injuries and create safer workplaces. Roughly half of electrical incidents causing injury were caused by working directly on energized electrical equipment. This includes deaths and serious burn injuries from arc flash.

HOW SEVERE WILL THE IMPACT BE?

Direct cost (WSIB premiums) of a new lost-time injury (LTI) in 2007 averages around $21,300. Indirect cost of each LTI in 2007, including rehiring, retraining and lost productivity, was $85,000.

According to statistics compiled by CapSchell Inc., a Chicago-based research and consulting firm that specializes in preventing workplace injuries and deaths, there are five to 10 arc-flash explosions that occur in electric equipment every day in the North America resulting in hospitalization Recent changes to NFPA 70E and

CSA Z462 aligning these standards with the Hierarchy of Risk Control in ANSI Z10 support the approach of directly answering and addressing the two questions.

CSA Z462 Annex 0 Genereal Design

Requirements 0.2.2 says that design option decision should facilitate the ability to eliminate hazards or reduce risk by doing the following:

1. Reducing the likelihood of exposure

2. Reducing the magnitude or severity of exposure, and

3. Enabling achievement of an electrically safe work condition.

The conventional approach to workplace electrical safety has been to conduct an arc flash study after the installation is complete, calculate the incident energy levels, post warning signs and labels, provide training on safe work practices, then purchase appropriately rated PPE, job done.

Posting warnings, conducting awareness training, purchasing and issuing PPE does not in any way reduce the likelihood of an arc flash event, nor does it reduce the

Before conducting work, consider using arc-mitigating technology.

magnitude of the arc flash.

For those professing that PPE does reduce the severity of exposure, let’s pause and consider what it means to wear ARC-rated clothing – there is a 50 per cent probability of receiving second-degree burns. Surely we can’t accept this as safe!

Electric arcing may produce temperatures as high as 35,000 degrees and, in addition to causing severe burns, there is the real possibility of hearing loss, eye injuries as well as lung damage and blast injuries from the pressure wave. This is not achieving an electrically safe work condition.

The positive news is that we can control both the likelihood of exposure as well as the magnitude of exposure with technology that is

proven, readily available and already being used by enlightened companies leading the way in improving workplace electrical safety.

CONTROL THE LIKELIHOOD OF EXPOSURE

The first and obvious step is to deenergize the electric circuit before conducting any work whenever practical. If this isn’t practical or safe, then consider options that reduce the likelihood of an arc flash event occurring.

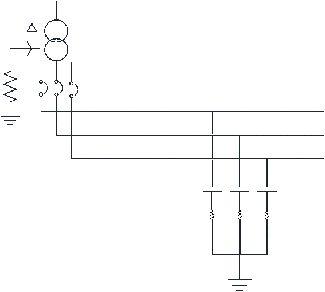
Again referring to CSA Z462, Annex 0 clause 0.2.4 states: “A great majority of electrical faults are of the phase-to-ground type. Highresistance grounding will insert an impedance in the ground return path and below (at 5 kV nominal

or below), leaving insufficient fault energy and thereby helping reduce the arc flash hazard level.”

This is consistent with statements in the Industrial Power System Grounding Design Handbook, which states that 95per cent of all electrical faults are phase-to-ground faults and IEEE1411993 Recommended Practice for Electric Power Distribution for Industrial Plants 7.2.2, which states: “There is no arc flash hazard (on HRG systems) as there is with solidly grounded systems, since the current is limited to approximately 5 amps.”

FM Global Standard 5-18 Protection of Electrical Equipment Single Phase and Other Related Faults states: “Sustained arcing faults in low voltage apparatus are often initiated by a single-phase fault to ground which results in extensive damage to switchgear and motor control centers.”

If we already understand that the vast majority of arcing faults start as single-phase-to-ground faults – whether the specifics are 95 per cent or the great majority, and that by employing High Resistance

Grounding, a technology that has been around for 50 years and used in all manner of industries from petrochemical to food processing to automotive to paper manufacturing to data centres, and we can reduce the exposure to the hazard significantly, then the question needs to be asked why is this not standard practice for grounding industrial facilities? HRG as a technology is recommended by IEEE, it is recognized by NFPA 70E, it is promoted by FM Global and yet it is still not the default option when making the grounding decision for industrial facilities.

A whopping 95 per cent of all electrical faults are phase-toground faults.

depends on the arcing current and time and of these two factors time is the most easily controlled and managed. Rules of thumb for different arc burning times are:

• 35 ms or less – no significant damage to persons or switchgear, which can often be returned to use after checking for insulation resistance

• 100 ms – small damage to switchgear that requires cleaning and possibly some minor repair. Personnel could be at risk of injuries.

Of course High Resistance

Grounding does not protect against phase-to-phase faults, nor does it lower the incident energy calculation, and therefore additional control steps must be taken to ensure an electrically safe workplace.

REDUCE THE MAGNITUDE OF EXPOSURE

Again referring to CSA Z462, Annex 0 clause 0.2.4 states: “Arc flash relay.

An arc flash relay typically uses light sensors to detect the light produced by an arc flash event. Once a certain level of light is detected the relay will issue a trip signal to an upstream overcurrent device.”

An arc is developed in milliseconds and leads to the discharge of enormous amounts of energy. The energy discharged in the arc is directly proportional to the square of the short-circuit current and the time the arc takes to develop, that is, energy = I2t

The damage resulting from the arc

• 500 ms – catastrophic damage to equipment and personnel are likely to suffer serious injuries.

The goal of arc mitigation technology is to protect personnel and property and to effectively accomplish this we must first detect the arc and then cut the flow of current to the arc in as short a time as possible. As noted above, the target is to achieve a total reaction time of 100ms or less from detection of the arc to isolation of the circuit. Arcs produce light at intensity

levels that excess 20,000 lux. This can be detected through special arc detection optical sensors connected to a relay system that has a typical operating time under 1ms and is the fastest arc flash detection technology currently available. The operating time is independent of the fault current magnitude since any current detector elements are used only to supervise the optical system

With optical arc protection technology installed the relay operating time is essentially negligible compared to the circuit breaker operating time and the cost is fairly low since current transformers are only needed on the main breakers. If we sum up the circuit breaker operating time and the optical arc detection time we are well below the goal of 100ms regardless of the age and speed of the circuit breaker and have mitigated the damage to a lower and safer level. By simply changing from standard co-ordination and instantaneous settings on the relay (suggested by some consultants as sufficient) to a protection system that uses optical

arc detection, the incident energy levels are reduced substantially.

CSA Z462, Annex 0 clause 0.2.4 states: “Energy-reducing active arc flash mitigation system. This system can reduce the arcing duration by creating a low impedance current path, located within a controlled compartment, to cause the arcing fault to transfer to the new current path, while the upstream breaker clears the circuit. The system works without compromising existing selective co-ordination in the electrical distribution system.”

Arc quenching has been used in Europe for more than 30 years but due to concerns over the mechanical stresses caused by initiating a threephase bolted fault, it is a technology yet to be fully embraced in North America.

The solution may be as simple as modifying the approach to add an impedance into the circuit so that as the arc is detected by an optical detection relay, a signal is sent to initiate the arc quenching device, which closes onto a resistor placed between the quencher and each phase of the bus bar.

The high levels of fault current are dampened and controlled by a resistor on each phase eliminating the concern over mechanical stresses.

The addition of arc quenching technology, controlled through an impedance could result in lowering the incident energy levels in the event of an arc flash to very low and safer levels. It is possible to achieve incident energy levels below 2 Cal/ cm2 simply through the application of existing technology.

A safer workplace can easily be achieved if we simply change our approach by conducting risk assessment during the design phase of a project as recommended in CSA

Z462 Annex O.2.1: “facility owners, managers and employers responsible for facilities and installations where electrical energy is a potential hazard to workers and other personnel should ensure that an electrical hazard risk assessment is performed during the design of electrical systems and installations.”

By following this proactive approach, we start with the risk

assessment, conduct the arc flash study to quantify the risk and hazard and then rather than post warning signs and print labels, we take action.

We employ elimination technology (High Resistance Grounding) to reduce the likelihood of exposure as the first step. We employ technology to reduce the magnitude or severity of exposure (arc flash detection relay or active arc mitigation system), then we redo the study, re-quantify the risk and the hazard (which will be much lower), then post the warning labels, purchase the PPE and conduct the training.

A workplace where the likelihood of an arc flash is 95 per cent lower, where the impact of an arc flash can be minimized to very low levels is possible today – we just need to take control.

Andrew Cochran is president of I-Gard Corporation, a leader in electrical safety technology, specifically resistance grounding and arc mitigation. Cochran can be reached at acochran@i-gard.com or visit the website at www.i-gard.com.

It never fails to amaze me how much “awesomeness” can come from a group of like-minded individuals who – charged with a common interest – are eager to learn, network, question and share!

EMC (Excellence In Manufacturing Consortium), NRCan (Natural Resources Canada), and CIPEC (Canadian Industrial Program for Energy Conservation) recently provided the perfect forum for manufacturers, suppliers and industry experts to come to the table to discuss energy efficiency opportunities, benchmark with others, peer into the conceivable future, connect with subject matter experts and suppliers and, best of all, celebrate excellence with those who have made considerable inroads into their energy management and ongoing sustainability initiatives.

Energy Summit 2016, held in

Niagara Falls, Ont. (May 17-18, 2016), was about moving “from ideas to action.” If there is one thing to take away from this conference, it’s that this is one of the most important continuous improvement journeys a company can embark on today.

Nearly 300 delegates, speakers and subject-matter experts travelled from across Canada and the U.S. to learn about mitigating energy costs, implementing practices to enable target achievement, and cultivating a more sustainable future. The summit began with pre-conference tours to Stratus Vineyards (www.stratuswines.com), located on the outskirts of NiagaraOn-The-Lake and Chocolate F/X (www.chocolatefx.ca) in St. David’s – both interesting facilities looking at ways to keep energy costs low and the means in which to lessen their environmental impacts.

The Stratus winery is sustainability-oriented and is the first LEED (Leadership in Energy and Environmental Design) certified building in Canada and first winery to be certified worldwide – a very notable achievement for the industry and our country. Our guides were excellent at answering queries put forward by our energy officiates who were interested in the processing side of the business as much as their energy management and sustainability initiatives.

The team at Stratus outlined a number of their building and process features including their gravity-flow winery, geo-exchange technology to heat and cool the building, resource and energy-efficient mechanical, electrical and plumbing systems, comprehensive waste management program, organic landscape and a parking lot paved with a stone that reduced light-reflective heat. Similarly, Chocolate F/X provided

a comprehensive overview of their facility and the various elements they have incorporated to mitigate energy costs. A guided tour highlighting the history of chocolate-making was followed by the opportunity to sample (and perchance purchase) something decadent! Industry guests were amazed that Chocolate F/X welcomes several thousand tourists each year and with any number of buses arriving daily, expect to reach 75,000 visitors this year alone!

Energy Summit 2016 engaged participants in themes weaved around Energy Management, Innovation, Sustainability and the concept of Energy Treasure Hunts. We touched on labour, culture, engagement, and examined best practices, KPIs, global carbon markets, technical elements, the value of partnership support, opportunities in procurement and the overall future of energy.

I was particularly pleased to moderate a session on Energy Efficiency Opportunities in the Food and Beverage Industry. Our Speakers from Campbell Company of Canada and Canada Bread Company, Limited came to the

table with a wealth of knowledge and experience on their energy and sustainability endeavours .

These representatives shared overviews of their companies and the corporate targets they are hoping to achieve. We learned about their energized workforces, continuous improvement initiatives, successful projects and retrofits undertaken (such as CHP, lighting, stork water, wind farms and electric cars) and the benefits to be had. Our representatives also discussed the significance of metrics and best practices to gain baseline results and the importance of tracking to ensure ongoing improvement. We looked at developing the right culture and the importance of getting support from stakeholders.

And, in review, our speakers shared their thoughts on where roadblocks might lie as we endeavour to become more energy efficient and more sustainably compliant. Three particular keys to success are:

1. The importance of partnerships;

2. Acquiring key stakeholders at all levels; and

3. Engaging operators.

There were many conversations with the exhibitors, discussions with peers, subject matter experts and our keynotes. It is safe to say that our Energy Summit 2016, “From Ideas to Action,” left everyone thinking and excited about what they can achieve in their own facilities!

With the 2016 session now at an end, I vividly recall the biennial Energy Summit held in 2014. At this forum, a group of processors approached us and asked if there might be a way that we could “continue the conversation” around Energy; they were excited about the learning possibilities, about the opportunity to connect with like-minded individuals, and about growing and developing a culture around energy management and sustainability. Since then, we have had four excellent sessions, each showcasing their particular journey to date, including:

• Campbell Company of Canada, Toronto

• Sons Bakery, Brampton

• Marsan Foods, Scarborough

• Bonduelle North America, Strathroy and Tecumseh Plants

At each of these EMC Food Sector Energy Management events we have welcomed another GF2 Partner to the table. Provision Coalition showcased an impressive online sustainability portal that is free to anyone in the food, beverage, bio or ag industries across Canada.

This September, we will return to Campbell’s once again to catch up on some of their latest initiatives and to see their new Cogen in place. (Mark your calendar – it’s a visit you don’t want to miss!)

Building a culture that embraces the economic opportunities, environmental needs and social responsibility requirements opens the door for companies to engage their people, enhance supply chain relationships and build knowledge and support from partners such as the teams at EMC, NRCAN, CIPEC, Provision Coalition, Sectoral Organizations, the community at large – and most importantly – your fellow manufacturers. Like many good things, and as mentioned earlier, this is a continuous improvement journey and as such can bring the very best back to those taking on the challenge to become more energy efficient and

sustainable for generations to come. If you would like to learn more about the EMC Energy Group to review your procurement, efficiency or sustainable energy strategies, please let us know – we would be happy to visit!

As I remember the enthusiastic dialogue between participants, the subject matter experts, key note speakers and your fellow peers who shared their journeys to date, we hope our GF2 Food Sector Networking Events provide processors with yet another forum to learn from others

on that peer-to-peer basis furthering the conversation on Energy Efficiency Opportunities between Summits.

How do you get involved? If you are interested in learning more about EMC (Excellence in Manufacturing Consortium) and the Food Sector Initiative, please feel free to touch base with Bren de Leeuw, Director – Field Operations Canada and EMC Food, Beverage and Bio Sector Program (bdeleeuw@emccanada. org) anytime! Visit our website at www.emccanada.org.

Turn static files into dynamic content formats.

Create a flipbook
Issuu converts static files into: digital portfolios, online yearbooks, online catalogs, digital photo albums and more. Sign up and create your flipbook.