Amara Annick Design Portfolio - '23

Page 1

AmArA ANNick design portfolio

cOmmErciAL wOrk rESiDENTiAL wOrk PrESENTATiON mEDiA PHYSicAL mODELS ArTwOrk 03 09 17 23 27 c O N T
E N T S

cOmmErciAL wOrk

micrO APArTmENT

To create an efficient living working space for a tenant that accommodates all the functions of a full-size apartment. Emphasizing the city’s culture and a sustainable mindset were important objectives. Programs used: AutoCAD, Sketchup, Enscape, Photoshop, and Indesign

Concept Images

Process Work

Main Level Floor Plan

Scale: N.T.S.

Detail - Stairs & Railing Attachment

Scale: N.T.S.

Spiral Stair Elevation

Scale: N.T.S.

Loft Floor Plan

Scale: N.T.S.

3
workspace stairs bedroom Loft living room stairs bathroom laundry dining kitchen MainFloor t.fi 1 iii iii
workspace stairs bedroom Loft try stairs bathroom living laundry room K dining kitchen MainFloor 2ND LEVEL BEDROOM CLOSET WORKSPACE KITCHEN BATHROOM W & D LIVING ROOM DINING AREA STAIRS BIKE STOR. DW REF. PATIO

Material Selections

Living Room Rendered Perspective

Kitchen Rendered Perspective

Axonometric Drawing

4

LAw OfficE LObbY

To apply knowledge of 3D rendering programs to design a Law Office Lobby based on the artist Georgia O’Keeffe. Also ensuring an understanding of the components of the schematic design phase and the importance of space planning. As well as a focus on FF&E choices while incorporating the programs: Sketchup, Enscape, AutoCAD, and Photoshop.

Scale: N.T.S.

5
Georgia O’Keeffe Artwork Project Logo Lobby Floor Plan

Rendered Perspective

Rendered Perspective

Furniture, Lighting, and Material Selections

6

rESiDENTiAL wOrk

rOw HOuSE

To design a row house located in the historic district of Logan’s Circle in Washington, DC. As well as understanding concept development and being able to implement it into space planning and design. Programs used AutoCAD, Sketchup, Enscape, Photoshop, and Indesign.

Process Work

Floor Plan

Scale: N.T.S.

Concept Images Living

8
PANTRY ETHAN'S BEDROOM PRIMARY BEDROOM PRIMARY BATHROOM CHRISTINA'S OFFICE CLOSET GUEST ROOM TERRACE STAIRS STAIRS DINING ROOM LIVING ROOM ENTRY LAUNDRY SAFE REF. W D MUDROOM KTICHENETTE GAME ROOM & GUITAR AREA RYAN'S OFFICE HALF BATH CLOSET BATHROOM KITCHEN STOR. GUEST BATH GUITARS ON WALL BOOKSHELF (12 LN) MICRO. DW STAIRS LINEN STOR. DRESSER MIRROR SCONCE SCONCE FOLDING AREA STOR. FOOSBALL TABLE SPORTS DISPLAY SHELVES N 2 SHOE STOR. (FITS 16 PAIRS) BOOKSHELF (30 LN) ORANGE MAC UP DOWN UP DOWN UP DOWN STAIRS UP DOWN SHOWER GAS HEATER GAS FIRE PIT BAR TABLE BARSTOOLS GRILL PLATE/CHINA STOR. BAR CART EXTRA SEATING PIN UP BOARD 3 COAT CLOSET SCONCE **LEAF CAN INSERT FOR EXTRA SPACES, LOCATED BASEMENT STOR. PLAY AREA SCONCE DRESSER
Room Rendered Perspective BASEMENT 1ST LEVEL 2ND LEVEL 3RD LEVEL

Building Section

Scale: N.T.S.

Material Selections

9
Home Office Rendered Perspective Primary Bedroom Rendered Perspective Craft Plywood Section Model

uNivErSAL DESigN cOTTAgE

To apply knowledge of Universal Design by retrofitting an existing residence to accommodate an accessible bathroom and wheelchair ramp. Programs used: AutoCAD.

Floor Plan

Scale: N.T.S.

Room Remodel for ADA Bathroom

Scale: N.T.S.

Building Section

Scale: N.T.S.

10

Axonometric of Exterior Wall

Scale: N.T.S.

Kitchen North Wall Elevation & Cabinet Detail

Scale: N.T.S.

Axonometric of Exterior Wall

Scale: N.T.S.

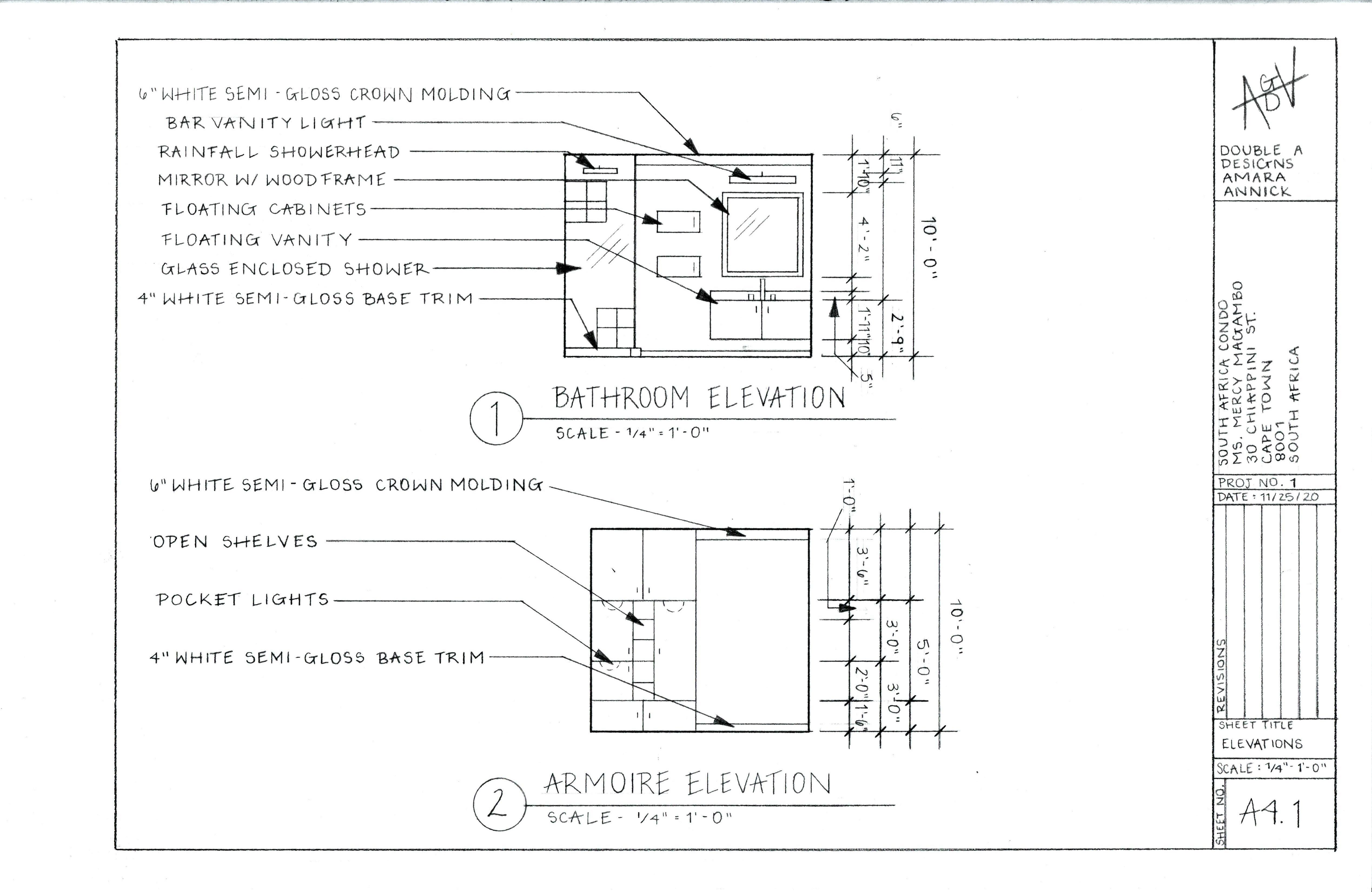
Bathroom Elevation

Scale: N.T.S.

11

cAPE TOwN cONDO

To apply knowledge of hand drafting, space planning, and overall design skills to compile a set of architectural drawings for a condo in South Africa. Understanding the composition of each drawing, from the needed content on the page as well as the correct delineation of architectural components to relay the necessary information.

Floor Plan

Scale: N.T.S.

Building Section

Scale: N.T.S.

Building Section

Scale: N.T.S.

12
Process Work Iiit.io 9 ride E f EDGE ftp.I OTEE tsitiisooooistiigiPI

Cabinet Section Detail

Scale: N.T.S.

Partial Lighting & Electrical Plan

Scale: N.T.S.

Elevation

Scale: N.T.S.

Elevation

Scale: N.T.S.

PrESENTATiON mEDiA

mAquETTE

To design a historically accurate bedroom with period-appropriate furnishings influenced by the Louis XVI style. A digitally rendered floor plan and elevations were created to form a fold-up model supported by material and drapery design boards.

Programs used: AutoCAD and Photoshop.

15
16
Floor Plan Board Drapery Board

SHibui bOArD

To successfully communicate the design through chosen textiles following the Japanese concept of Shibui. The design approach is driven by nature and its purpose is to connect it to one’s everyday life. Using this to further understand the design principles and elements that influence a visually pleasing palette of materials.

17

TONvgYi TEA

cHiNESE TEA HOuSE AND bAr

To apply research methods to develop design concepts in this case for an “Asian Fusion” Tea House. A digital presentation display of chosen materials and design elements was created to explain the chosen space. Programs used: Indesign

18

PHYSicAL mODELS

gALLEY kiTcHEN mODEL

To apply knowledge of 2D digital drafting and space planning to create a galley kitchen model made of balsa wood. Programs used: AutoCAD

Floor Plan

Scale: N.T.S.

Kitchen Wall Elevation

Scale: N.T.S.

20

uNivErSAL DESigN bATHrOOm mODEL

To apply knowledge of Universal Design and space planning to create an accessible bathroom and to test the workability of the design by building a foam core model. Programs used: AutoCAD

Floor Plan

Scale: N.T.S.

21

STuDiO ArTwOrk

gOuAcHE PAiNTiNgS

23

cHArcOAL ArTwOrk

24
Charcoal Drawing Charcoal Perspective Drawing

Turn static files into dynamic content formats.

Create a flipbook
Issuu converts static files into: digital portfolios, online yearbooks, online catalogs, digital photo albums and more. Sign up and create your flipbook.
Amara Annick Design Portfolio - '23 by Amara Annick - Issuu