PORTFOLIO - AEK

Page 1

AIDA ELKABBAJ

PORTFOLIO

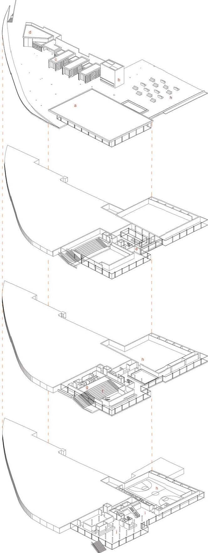
Hospital hôtel-dieu

Type. Status.

Size.

Location.

Architect.

Healthcare

Construction documents

Work experience, 2023

40 000 m2

Canada

Provencher_Roy

NIVEAU 2000 �
NIVEAU 2000 filAT- SOFFlTE �
Mechanicalvolume
PARAPET­

Secondary schools

Type. Status.

Size.

Location.

Architect. Educational Built

Work experience, 2021

20 000 m2 / school

Canada

Provencher_Roy

Conceptual sketches - Saint-Jérôme school

Site: Topographic variation

Integration: Volumetric sliding

Saint-Jérôme school Terrebonne school
PUBLIQUE
PLACE

Creation of an animated center

Creation of a sports and arts center

Collaborative spaces with exterior views and natural light

Vaudreuil-Dorion school Saint-Zotique school
EB EB EB EB EH EH EH EH EB E E D C B B A A 19 18 17 16 15 14 13 12 11 10 9 8 7 6 5 4 3 2 1 20 21 22 23 X1 X2 X3 X4 X5 X6 X7 X8 X9 1 A-202A 1 -202B 1 A-202C A-301 4 A-301 A-301 1 -301 3 -401 3 -401 1 A-401 1 A-401 4 A-401 4 A-401 3.1.3_02 7.1.1_03 MÉCANIQUE 20.15 LOCAL COMITÉS 2041 AIRE DE JEUX RÉGIE 2031 DÉPÔT 1.3.15 SUPPORT INFO. 1.3.17 DÉPÔT INFO. 1.3.13 CRÉATION NUMÉRIQUE 1.1.13_01 CLASSE 2017 1.1.13_02 1.1.13_03 2011 COLLAB. FERMÉ 2003B 1.4.4 COLLAB. FERMÉ CENTRE DE DOCUMENTATION DÉPÔT 2003E DÉPÔT RÉPARATION 2003F 1.4.1 BIBLIOTHÉCAIRE 1.4.7 3.3.5_02 2008 5.1.2_07 2007 7.1.6 EAU 3.3.5_01 CASIERS BUREAU SÉCURITÉ 7.1.1_02 SALLE MÉCANIQUE 2014 4.2.3 SALON (2028F) 4.2.2 TABLES (2028F) CUISINE 7.2.6_03 CONCIERGERIE 1.5.8 COLLAB. FERMÉ 1.5.9 COLLAB. FERMÉ SALLE DE TRAVAIL 2028G COLLAB. OUV. CALME (2028G) COLLAB. OUV. (2028G) 1.5.1 MATÉRIAUTHÈQUE (2028G) 2028J ZONE ARCHIVES BUREAU DIR. ADJ. 1.5.12_07 BUREAU PNE 1.5.12_08 BUREAU PNE 1.5.12_09 BUREAU PNE 1.5.12_10 BUREAU PNE 1.5.12_11 2061 1.5.12_12 2063 1.5.15_01 BUREAU ADJ. 2050 8.1.0_E1.2 ESC01 8.1.0_E2.2 ESCALIER ASCENSEUR 8.1.3_2 8.1.0_E3.2 ESC03 ESCALIER 8.1.0_V07 VES17 ESCALIER Z.1 F G H J J 4.2.5 5.1.6_03 WCA DOUCHE 5.1.2_02 5.1.1_02 2036 DÉPÔT 2028E WC 5.1.4_01 2028A 5.1.1_07 2005 7.1.11_05 ÉLECTRIQUE 7.1.4_05 TÉLÉCOM SAT. 2012 LOCAL ÉLECTRIQUE 2022 7.1.4_04 TÉLÉCOM SAT. 3.1.10_02 DÉV. DURABLE 2020 8.1.0_V08 VESTIBULE 8.1.0_V09 2029A 8.1.0_E8.2 ESC08 8.1.0_E9.2 ESCALIER 2045 3.3.12 LOCAL PRÊT (2048) 3.1.10_03 DÉV. DURABLE 2048 8.1.0_C10 COR02E PLATEAU DOUBLE PLATEAU DOUBLE PARTIE HAUTE 8.1.2_5 MP01 5.1.5_05 2032 ZONE CASIERS (2028G) 8.1.0_C09 COR02C 3.3.5_03 2009 3.3.5_04 CASIERS 1.4.6_02 3.3.2_02 (1012) 3.3.2_E5.2 1.4.6_01 DYN. 8.1.0_C07 CORRIDOR 3.3.1_02 2ATRIUM 11.9 14.9 6 8 7 0 6 8 7 0 6 8 7 0 6 8 7 0 6 8 7 0 4 4 5 0 2 4 2 0 6 8 7 0 6 8 7 0 6 8 7 0 6 8 7 0 2 9 2 0 ENTRÉE DES ÉLÈVES 8.1.0_E10.2 ESCALIER 10 8.1.0_E7B.2 ESC07B 8.1.0_E7A.2 CULTURES (COR02A) 1.5.5 8.1.0_C11 2028 1.5.3_02 2028K 7105 7100 7100 7310 4060 7060 10400 3840 50 7550 7800 7800 140 7660 7800 7800 7800 7800 7800 7800 7800 7800 7800 7800 12 13 14 15 17 18 19 8.1.0_C08 COR02B 104.15 CORRIDOR 7 0 0 0 4 70325 46502 19464 22657 15 6 3 451 37699 2 4 9 6 7 7 0 0 0 4 2 A-401 A-306 16 03 03 03 03 03 05 06 08 09 09 09 010 010 011 012 013 012 013 EL. NIVEAU 2 10000 19 18 17 16 15 14 13 12 11 10 9 8 7 6 5 4 3 2 1 EL. MEZZANINE9050 EL. NIVEAU 3 15000 EL. TOIT GYMNASE16800 EL. PARAPET GYMNASE17495 EL. NIVEAU 4 19500 EL. TOIT 24270 EL. PARAPET NIV 4 24840 20 21 22 23 EL. NIVEAU 1_RDJ 5400 EL. NIVEAU 1_RDJ5400 EL. NIVEAU FONDATION2500 11.9 14.9 EL. VIDE TECHNIQUE 28255 PLATEAU DOUBLE 1080A GRADINS CORRIDOR COR01G 3.1.3_02 CAFÉTÉRIA TYPE 2047 VESTIAIRE 1082 VESTIAIRE 1078A LOCAL PREMIERS 1070 VESTIAIRE 1064A VESTIAIRE 1060A VESTIAIRE PERSONNEL 1054 DÉPÔT GÉNÉRAL 1052 7.1.5 SERVEURS ESCALIER ESC01 CORRIDOR COR01E 7.1.1_01 SALLE MÉCANIQUE 1038 CONCIERGERIE 1026 CONCIERGERIE 1026 DÉPÔT DIVERS 1024 WC 1020 WC 1018 DÉVELOPPEMENT 1016 DÉPÔT GÉNÉRAL 1014 1ATRIUM CAFÉTÉRIA TYPE 1006 1.1.5_02 3079 1.1.5_05 COLLAB. FERMÉ 4085 1.1.2_05 ATELIER CRÉATIF 4092 1.1.2_02 3086 1.1.3_02 3086A 1.1.3_05 DÉPÔT 4092A 8.1.0_E2.4 ESC02 8.1.0_E2.3 ESC02 8.1.0_C17 COR04E 5.1.1_06 4068 1.1.2_04 ATELIER CRÉATIF 4066 1.1.2_01 3058 5.1.1_04 3060 8.1.0_C13 COR03E 3.3.2_02 GRADINS 1.4.6_01 DYN. 8.1.0_C07 CORRIDOR 3.3.5_02 CASIERS 7.1.1_06 SALLE MÉCANIQUE 4004 5.1.1_05 4010 8.1.0_C18 COR04G 8.1.0_E1.4 ESC01 8.1.0_E1.3 ESC01 8.1.0_C14 COR03G 5.1.1_03 3010 7.1.1_05 3004 3.3.5_02 CASIERS 8.1.0_C07 CORRIDOR 8.1.0_E1.2 ESCALIER 1.1.3_03 DÉPÔT 4038A 7.1.1_04 MÉCANIQUE CUISINE VESTIAIRE 2028C WCA DOUCHE WC WC 7.1.1_03 SALLE MÉCANIQUE 2038 1.2.0_04 1.1.5_03 COLLAB. FERMÉ 4031 1.1.2_03 ATELIER CRÉATIF 4038 8.1.0_C15 COR03B 7800 7800 7800 7800 7800 7800 7800 7800 7800 7800 7800 7800 7800 7600 3840 10400 7060 4060 7310 7100 7100 7105 49 139
EL. NIVEAU 210000 19 18 17 16 15 14 13 12 11 10 9 8 7 6 5 4 3 2 1 EL. NIVEAU 315000 EL. TOIT GYMNASE16800 EL. PARAPET GYMNASE17495 EL. NIVEAU 419500 EL. TOIT24270 EL. PARAPET NIV 424840 20 21 22 23 7800 7800 7800 7800 7800 7800 7800 7800 7800 7800 7800 7800 7800 7600 3840 10400 7060 4060 7310 7100 7100 7105 11.9 14.9 EL. VIDE TECHNIQUE28255 04 04 04 04 05 AXE PARAPET ±15 000 NIV NIVEAU ±19 500 NIVEAU DESSUS DALLE NIVEAU ET EL. VAR. 38 134 1 1 2 3 8 305 100 1 0 25 16 16 102 6 PANNEAU DE GARDE-CORPS PLAQUE D'ACIER PERFORÉ 3mm ép., PEINTE ET SOUDÉE AU CADRE DU PANNEAU PLAQUE PLIÉ EN 'L' 25x25x3mm, PEINT PLAQUE D'ACIER VERTICALE 38x19mm D'ÉPAISSEUR, PEINT, SOUDÉE AU LIMON (SOUDURE À MEULER ET POLIR, TYPE) LIMON PROFILÉ EN C, EN ACIER GALVANISÉ, PEINT MARCHE DE GRANITE 38mm COLLÉE AVEC UN PROFILÉ DOUBLE ANTI-DÉRAPANT INTÉGRÉ AU NEZ DE MARCHE. APPLIQUER UN MASTIC LA JONCTION AVEC LES ÉLÉMENTS D'ACIER. PLAQUE D'ACIER GALVANISÉ 6mm ép., PEINTE PLAQUE 38x19mm, PEINT CLOISON DE PUITS (1H) INSTALLÉE DESSOUS LA VOLÉE D'ESCALIER JUSQU'À L'OUVERTURE DU 10m FINI DE PLANCHER (VOIR PLANS DES FINIS SÉRIE A-900) POUTRE D'ACIER (VOIR DOCUMENTS DE STRUCTURE) PROFIL DE L'ENDUIT IGNIFUGE (1h) GP1 LIMON PROFILÉ EN C, EN ACIER GALVANISÉ, PEINT MOULURE DE FINITION EN 'J' AVEC ATTACHE DISSIMULÉ CAVITÉ REMPLIE D'UN SCELLANT CONTINU HOMOLOGUÉ PARE-FEU/PARE-FUMÉE 38 134 50 40 1616 102 POUTRE EN MONTANTS MÉTALLIQUES GP CLOISON DE PUITS (1H) INSTALLÉE DESSOUS LA VOLÉE D'ESCALIER GP1 1616 92 16 CAVITÉ REMPLIE D'UN SCELLANT CONTINU HOMOLOGUÉ PARE-FEU/PARE-FUMÉE FOND DE VISSAGE EN TÔLE MÉTALLIQUE DE cal.16 PARE-FUMÉE EN VERRE FIXÉ DANS UN SABOT, VERRE DE TYPE V-04É GP1 1 0 0 PROFIL DU PARE-FUMÉE LE LONG DE L'OUVERTURE LONGITUDINALE PANNEAU DE GYPSE 16mm SUR COLOMBAGE MÉTALLIQUE 92mm ENTRE LES LIMONS D'ACIER. ALIGNÉ LE DESSOUS DU GYSPE AVEC LE DESSOUS DES LIMONS SUSPENTES MÉTALLIQUES, SOUDER L'ANCRAGE DESSOUS LA PLAQUE D'ACIER 108 FERMETURE VERTICAL HOMOLOGUÉ PARE-FEU (1H), TEL QUE LA CLOISON DE TYPE 14C (VOIR TABLEAU DES TYPES DE CLOISON) 100 19 25 25 19 25 V O R C O U P E 25 PANNEAU DE GARDE-CORPS PLAQUE D'ACIER PERFORÉ 3mm ép., PEINTE ET SOUDÉE AU CADRE DU PANNEAU PLAQUE PLIÉ EN 'L' 25x25x3mm, PEINT PLAQUE D'ACIER VERTICALE 38x19mm D'ÉPAISSEUR, PEINT, SOUDÉE AU LIMON (SOUDURE À MEULER ET POLIR, TYPE) LIMON PROFILÉ EN C, EN ACIER GALVANISÉ, PEINT MARCHE DE GRANITE 38mm COLLÉE AVEC UN PROFILÉ DOUBLE ANTI-DÉRAPANT INTÉGRÉ AU NEZ DE MARCHE. APPLIQUER UN MASTIC LA JONCTION AVEC LES ÉLÉMENTS D'ACIER. PLAQUE 38x19mm, PEINT 25 02 B X1 X2 X3 X4 X5 X6 X7 X8 X9 F J TABLEAU DE POINTAGE (H.C.). PANIER DE BASKETBALL MURAL. PANIER DE BASKETBALL MURAL. PANIER DE BASKETBALL MURAL. TB2 ETI PANIER DE BASKETBALL MURAL. RIDEAU SÉPARATEUR ACOUSTIQUE DOUBLE, MOTORISÉ RIDEAU SÉPARATEUR ACOUSTIQUE DOUBLE, MOTORISÉ AVEC VALENCE EN PARTIE HAUTE. REVÊTEMENT PHÉNOLIQUE PL-02. 3 0 5 0 3 0 5 0 COLONNE EN ACIER PEINT, (VOIR STRUCTURE). COLONNE EN ACIER PEINT, (VOIR STRUCTURE). COLONNE EN ACIER PEINT, (VOIR STRUCTURE). PANIER DE BASKETBALL MOTORISÉ. PANIER DE BASKETBALL MOTORISÉ. COLONNE EN ACIER PEINT, (VOIR STRUCTURE). COLONNE EN ACIER PEINT, (VOIR STRUCTURE). TYPE 1300 COLONNE EN ACIER PEINT, (VOIR STRUCTURE). COLONNE EN ACIER PEINT, (VOIR STRUCTURE). CONTREVENTEMENT EN ACIER PEINT,(VOIRSTRUCTURE). (H.C.). PM-01 PM-01 PM-01 3405 3465 3465 3405 POURSUIVRE LA CLOISON DE BLOC JUSQU'AU PONTAGE OU REMPLACER LE BLOC PAR UNE CLOISON DE GYPSE DU DESSOUS DES POUTRELLES JUSQU'AU PONTAGE 14 TABLEAU DE POINTAGE (H.C.). 3050 3050 PE8 2 8 0 0 PE8 PE8 PE8 PE8 04 04 04 04 06 06 08 09 09 011 011 010 010 013 013 013 013 013 014 19 18 EL. TOIT GYMNASE16800 EL. PARAPET GYMNASE17495 20 21 22 23 EL. NIVEAU 1_RDJ5400 EL. MEZZANINE DALLE SURELEVEE 10050 EL. N2 DALLE SURBAISSEE9100 ESPALIER TRIPLE. PANIER DE BASKETBALL MOTORISÉ. PANIER DE BASKETBALL MOTORISÉ PANIER DE BASKETBALL MURAL. REVÊTEMENT PHÉNOLIQUE PL-02. 3 0 5 1 3 0 5 0 3283 TB2 ETI CONTREVENTEMENT EN ACIER PEINT, (VOIR STRUCTURE). COLONNE EN ACIER PEINT, (VOIR STRUCTURE). COLONNE EN ACIER PEINT, (VOIR STRUCTURE). COLONNE EN ACIER PEINT, (VOIR STRUCTURE). (H.C.). 3 1 0 PM-01 PE8 PE8 PM-01 PM-01 03 07 013 013 014 015

Octave

Type.

Status.

Size.

Location. Architect.

Residential & multi-level parking Built Work experience, 2020 145 000 m2 - 110 units Canada GMAD

EH EB EH EB P.E. P.E. D.P. 55m2 1/2 Acc L-307 56m2 1/2 L-309 57m2 1/2 L-310 57m2 1/2 L-308 57m2 1/2 Acc L-306 57m2 1/2 L-314 57m2 1/2 L-312 56m2 1/2 Acc L-305 56m2 1/2 Acc L-303 68m2 1/2 L-301 69m2 1/2 L-304 69m2 1/2 L-302 56m2 1/2 L-311 Non ferméem2 1/2 L-313 57m2 1/2 L-315 56m2 1/2 L-316 1 A400 56m2 1/2 L-318 74m2 1/2 L-320 140m2 1/2 L-322 Pièce superfluem2 1/2 L-321 56m2 1/2 L-317 A700 88m2 1/2 L-319 A400 ASC. 02 ASC. 01 ESC.01 CORRIDOR C.D. ESC.02 TELECOM A1.1 W1 A1 A1.1 A2 A3 D1 K.2 3.8 P304 914 RAF P303 762 45 RAF P301 914 90 RAF P302 813 45 RAF L301 914 20 RAF L302 914 20 RAF L303 914 20 RAF L305 914 20 RAF L304 914 20 RAF L306 914 20 RAF L307 914 20 RAF L309 914 20 RAF L308 914 20 RAF L310 914 20 RAF L311 914 20 RAF L313 914 20 RAF L312 914 20 RAF L314 914 20 RAF L315 914 20 RAF L316 914 20 RAF L317 914 20 RAF L319 914 20 RAF L318 914 20 RAF L320 914 20 RAF L321 914 20 RAF L322 914 20 RAF 1 1 9 4 1 4 7 1 1 4 6 6 985 4173 3327 3327 3473 3327 3473 3327 3473 3347 3453 3449 3351 3327 3473 3327 3473 2134 4666 3539 2561 700 3300 106 1110 800 2478 3522 3357 3443 3351 3449 3357 3443 3357 3443 3357 3443 3400 3400 3357 3443 5549 1251 3300 106 F03 F01 F02 FP02 F03 FP01 F02 FP01 F02 FP01 F02 FP01 F02 FP01 F04 FP01 F02 FP01 F02 FP01 F02 F02 F03 F03 F02 FP07 F01 FP01 F03 FP01 FP01 FP01 FP01 FP01 FP01 FP01 FP01 FP01 F02 F02 156 2286 3796 1562 276 1500 1500 1043 2480 1140 2384 1500 1500 276 1483 2040 1500 1500 276 1493 2031 1500 1500 276 1471 2055 1500 1500 275 1334 2190 1500 1500 275 1555 1968 1500 1500 276 2303 1221 1500 1500 276 1596 1915 1500 1500 289 2730 4070 1293 2007 1049 3717 1742 3192 4 2 9 3 0 0 0 1 4 6 2 8 0 0 5 5 9 1 1 0 2 0 2 7 6 3 0 0 0 2 4 1 4 1 5 6 156 7645 6800 429 1500 1500 3371 275 1500 1500 3525 276 1500 1500 3524 276 1500 1500 3524 276 1500 1500 3524 276 1500 1500 3524 276 1500 1500 3524 276 1500 1500 3524 276 1500 1500 2221 1303 1824 1476 1287 2133 2932 3347 3192 1 1 4 8 4 9 1 5 0 0 1 5 0 0 1 4 5 9 1 7 2 3 4 2 9 1 8 0 0 1 2 0 0 1 0 7 3 1 1 8 8 1 5 5 1 6 4 3 2 A400 P300 914 45 RAF TELECOM 3.5 1.5 4035 F03 F02 F01 F01 F02 F02 F02 F01 F02 F02 F02 F02 F03 F02 F03 D.P. D.P. D.P. D.P. D.P. D.P. D.P. ZA ZB 2 Z 5 6 8 9 10 W U R P 7 S V Q O A-400 2 A-300 1 Y 3 A400 4910 7860 10390 6600 10400 8895 8105 10850 6300 6465 3990 TOITURE VÉGÉTALISÉE OUVERTURE DANS LA DALLE ÉCHELLE Pente % Pente % A-500 4 A-500 3400 VIDE 7.5 A-700

Skybridge Type. Status.

Size. Location.

Architect.

Pedestrian bridge Built Work experience, 2018 320 m2

Canada LEMAY

600-750 PEEL RÉSO CENTRE-VILLE ESCALIERS PROJET DE RENDRE LA RUE À DOUBLE SENS (REF. PPU DES GARES) RUE SAINT-ANTOINE OUEST RUE JEAN-D’ESTRÉES
C R vê emen n p â Re ê emen en pa ne ux de é on L m e d p ond 9 0 0 6 1 2 6 9 5 6 0 7 43 6 5 0 63 0 8 5010 9 5010 10 5010 11 5010 12 5010 13 5010 14 5010 15 5010 16 5010 17 5010 18 5010 19 5010 20 5010 21 5010 22 5010 23 5010 24 5010 25 5010 26 5010 27 5010 28 5010 L m app o d p an he 1 5 0 JOINTS DE CONTRÔLE PANNEAUX BÉTON JOINTS DE CONTRÔLE PLÂTRE. POSITION DES JOINTS COORDONNER Limite plancher 1 5 0 Limite plancher 1 5 0 C 1 1 C 1 Limite plancher Limite plancher Limite plancher Limite plancher Limite plancher Limite plancher Limite plancher Limite plancher Limite plancher Limite plancher Limite plancher Limite plancher Limite plancher Limite plancher Échelle: 50 5010 ELEVATION O._COLONNE CENTRALE 1 Échelle: 1 50 5010 ELEVATION N._COLONNE CENTRALE 2 Échelle: 1 50 5010 ELEVATION S._COLONNE CENTRALE 3 Échelle: 50 5010 PLAN COLONNE CENTRALE-NIV.RUE 4 Échelle: 50 5010 PLAN COLONNE CENTRALE-+3000 5 Échelle: 50 5010 PLAN COLONNE CENTRALE-+6000 6 Échelle: 50 5010 PLAN COLONNE CENTRALE-+9000 7 Échelle: 50 5010 Coupe PF2 8 Échelle: 50 5010 Coupe PF3 9 Échelle: 50 5010 Coupe PF4 10 Échelle: 1 50 5010 Coupe PF5 11 Échelle: 50 5010 Coupe PF6 12 Échelle: 1 50 5010 Coupe PF7 13 Échelle: 1 50 5010 Coupe PF8 14 Échelle: 50 5010 Coupe PF10 16 Échelle: 50 5010 Coupe PF9 15 Échelle: 50 5010 Coupe PF11 17 Échelle: 1 50 5010 Coupe PF12 18 Échelle: 50 5010 Coupe PF13 19 Échelle: 1 50 5010 Coupe PF14 20 Échelle: 1 50 5010 Coupe PF15 21 E4 38(?) 73 20 152 29(?) 75 1349 439 261 152 DF-01 N2 N3 N4 N6 N7 N8 N9 N10 N11 N14 N15 N16 N17 N18 N19 N20 N21 N22 N23 N1 N1 N24 N22 N31 N27 N30 N29 N35 PENTE DF-01 (ISOLANT SUR CONTREVENTEMENT) 1220 MINIMUM 314 8 6 5 m m M N E T 9 6 5 m m M A X V A R E 7 5 4 1328 (POUTRE) 800 MINIMUM 19 67 105 2 0 135 4 5 2 N91 4 1 4 N84 102 V A R I E N84 2 4 6 N93 3 4 0 5 0 4 3 2 2 4 E3 3 0 0 N94 64 6 0 0

Seafront promenade

Type. Status.

Size. Location.

Architect.

Seafront promenade

Built

Work experience, 2017

367 000 m2

Morocco LEMAY

6.28 6.05 5200 5030 5900 4740 4820 12800 38500 10000 6.28 1200 5200 3800 3800 3800 3800 3800 1610 3830 1610 20400 400 1500 5880 400 4825 3855 1855 1000 675 400 1015 675 1000 750 1000 1000 5445 8210 5220

(e)co project

Solar Decathlon Europe 2012

Type.

Status.

Size.

Location.

Energy self-sufficient house

Built, 2012

150 m2 Spain

The (e)co team participated alongside 20 other universities worldwide in the 2nd edition Solar Decathlon Europe 2012.

After winning the first prize of Architecture at the previous competition in 2010 with the project LOW3, the team committed to the same axioms projective to achieve the three equilibrium of sustainability: environmental, social and economic.

Energy: (e)co uses the greenhouse’s technology to adapt cells to maximum production according to the sun position.

To reduce the consumption of the house we maximize the bioclimatic system.

1

Wood boxes

Threeself-supportingmodules of KLH (laminated wood) with rockwool insulation and recycled wood panels.

Conditioned spaces totaling 45m2.

Greenhouse

Main structure type greenhouse gantry and galvanized steel trusses.

Outer casing 100m2 unheated. 2

3

Pallets platform

Continous interior-exterior platform of recycled wood pallets.

Pallet joint is suited to function as a wooden platform, saving material cost and adding recycling andreuse parameters

4

Outer envelope Implementation

Exterior facade of cellular polycarbonate panels AISLUX clipped to the main structure.

The outer skin favors the greenhouse effect, adding heating in winter and shade in summer.

5

Implementation of passive systems that encourage a reduction in energy demand: installation of shade nets, machine passive climate, vegetation.

Implementation of active systems, such as photovoltaic panels and solar collectors.

vertical section perspective S:1/80 A B C D E 3024 1630 600 720 74 94 80 20 144 80 128 2244 80 128 3313 2698 5143 1296 1296 1296 1195 3128 2487 355 174 74 115 2420 284 6186 3220 151 2013 120 2601 634 1692 126 150 2674 115 350 384 2415 335 50 50 50 150 20 18 1200 144 392 120 13154 mur módul. U=0,21W/m²K panell contraxapat d'avet. GABARRÓ. 20mm cargol HBS 170Ø6mm cada 600mm. ROTHOBLAAS Barnís a l'aigua incolor. AKZONOBEL làmina estanqueïtat l'aire. SOLITEX panell monorock 365. ROCKWOOL. 40+40mm. làmina permeable al vapor. INTELLO panell de fusta contralaminada. KLH. 94mm Barnís a l'aigua incolor. AKZONOBEL módul módul altell módul intermig nord intermig sud terrassa sud panell de façana nord. U=2,2W/m²K sistema arco plus 323. AISLUX. Policarbonat cristal. 20mm. U=2,2W/m²K Rastrells de fusta. 50x20mm. Barnís l'aigua incolor. AKZONOBEL panell de coberta nord. U=2,2W/m²K sistema arco plus 6124. AISLUX. Policarbonat opac. 12mm. U=2,2W/m²K Corretges de secció "C". Acer galvanitzat en calent. 100x40mm. 2mm panell REC 240 PE. 240Wp. RECOSOLAR. 950x1665. e=38mm cremallera d'acer galvanitzat. ININSA sistema de sombreig diagonals coberta hivernacle Ø55mm. e=2mm obertura oscil.lobatent módul. U=1,6W/m²K doble vidre amb càmara. 4+14+4 Barnís l'aigua incolor. AKZONOBEL sistema de clima tub d'acer inoxidable. Ø150mm tub d'acer inoxidable. Ø250mm sistema d'impulsió aire tub microperforat. Ø100mm. sistema instal.lacions aigua canal religa d'acer galvanitzat. 400x100mm. tub de pvc aigua potable. Ø35mm tub de pvc aigua pluvials. Ø35mm tub de pvc aigua grisa. Ø35mm tub de pvc aigua residuals. Ø35mm traçat de cablejat C1, C2, C3, ..Cn xapa plegada d'acer galvanitzat en fred. e=1,5mm panell contraxapat de fusta. 20mm barnís l'aigua. AKZONOBEL sistema de mecanització amb cremalleres agrícola. ININSA obertura oscil.lobatent sostre. U=1,6W/m²K 600x600mm. doble vidre amb càmara. 4+14+4 Barnís l'aigua incolor. AKZONOBEL canal recollida d'aigua estructura hivernacle pilar d'acer galvanitzat en calent. ININSA. IPE 140. e=6mm màquina de clima xapa ondulada d'acer glavanitzat. e=1,5mm panell monorock 365. ROCKWOOL. 40+40+40+40mm panell contraxapat de pollancre. 15mm móduls de mobiliari peça rentaplats móbil. empresillat. planxa d'acer. 400x400. e=10mm peça de fusta contralaminada. KLH. 1500x500. 94mm empresillat. planxa d'acer. 400x400. e=10mm llit de graves reciclades. 35mm sistema de tarima tauló de fusta termotractada europalet sense junta. 1200x800mm plot regulable de PVC Panell de policarbonat sistema arco plus 6124. AISLUX. Policarbonat cristal. 12mm. U=2,2W/m²K
.

Low 3

Solar Decathlon Europe 2010

Type. Status. Size. Location. Energy self-sufficient house.

Built, 2010

70 m2 Spain

The house built by a group of students, is composed of two skins and a separate opening roof that adapts to temperature, thus minimizing the use of air conditioning.

The UPC LOW3 team won the First Prize in Architecture section on the jury of Glenn Murcutt, Louisa Hutton and Patxi Mangado.

74m2 + 42m2 92,4m3 + 304,6m3

Cultural Center

ETSAV

Type.

Status.

Size.

Location.

Cultural equipment

Master thesis. 2012

3 000 m2

Sant Boi Llobregat (Catalunya)

The project is based on a cultural center in the town of Sant Boi de Llobregat. A static program of multipurpose hall, and a theater-auditorium and a dynamic program of exhibit hall, workshops, catering, cafeteria and lobby.

On site there is a height difference of 9 m, with the lower bound in close proximity to the train station, the council and river park, and the upper bound integrated to the old town with a viewpoint area covered in centenarian trees.

Urban strategy: with the central position of the site, we are able to connect the existing spaces and river park with the facilities of the old town and city center.

The project strategy is to extend the viewing platform using the project program to energize and activate the old city. Two dimensions (city & park) are connected through a public staircase, creating a communication alley between the exterior and interior spaces.

site Program Viewpoint extension Continuity park-city Reactivate the public space
Existing
AUDITORIUM l ��--��:__ •• J uf�1!1;
c�
C /2-�?f
HALL

The inward vision that is created, allows it to become not only a way point, but an area to stay in.

The circulations through the transparent facade give life and transform the building into a city landmark.

Architecture school

Type.

Status.

Size.

30 000 m2

Academic project, 2011

Lausanne, Switzerland

Location. Educational equipment

Mixed programme to attract and welcome more students, doctorants, and teachers into the existing university.

The metodology of work was a research about 3 systems:

1.Urban system

2.Space system

3.Structural system

PROGRAM AXONOMETRY

Hotel in Porto

Souto de Moura & Camilo Rebelo studio, EPFL.

Type.

Status.

Size.

Location. Hotel Academic project, 2010 10 000 m2 Porto, Portugal.

Hotel spaces are divided into an outdoor public space and a private space inside.

Volume is formed by stacking layers to create terraces with different views.

The hotel is located in a complex site, due to the surrounding beach shore, urban park and main avenue ofthecity.

The shape of the project is determined by the elements around it.

Rooms are rectangular modules, leaving irregular spaces outdoors for public corridors, which are not designed only as spaces of movement but also of meeting and life.

Type. Technical details

Status. Academic projects

Location. Catalunya

ETSAV
Details

Green city Ben Guerir

Type. Status.

Size. Location. Architect.

First green-city in Africa Built

Work experience, 2013. 100 000 m2 Morocco Komiha

Phosphate laboratories

Type.

Status.

Size.

Location.

Architect.

Research laboratories

Built

Work experience, 2013

6 000 m2

Morocco

Komiha

11,0 9,4 7,0 +07.40 +11.40 +0.00 +0.00 +10.60 +5.30 +09.35 +0.00 +5.30 +10.60 +09.35 +0.00 +5.30 +10.60 Staon d'essai humide Staon d'essai sec Matériel minéralurgie Matériel topographie Carothèque CEDFI B M K HJ F JK MLJIHFEDCB 25,93 5,97 m 298,64 2,57 27,39 298,39 298,62 m 27,37 28,39 25,55 29,36 8,33 m 41,33 56,39 56,21 m 40,54 105,56 41,99 101,56 m 115,68 171,06 10,45 m 144,66 m 25,14 108,44 m 40,66 m 71,72 m 37,02 57,95 26,62 m 11,55 m 11,52 m 397,25 51,58 m 50,56 51,21 99,40 m 505,47 313,86 m 8,04 10,70 A1 A1 B1 B1 B2 B2 13,69 13,72 m 469,47 21,59 22,93 20,58 16,58 44,30 71,68 m 48,47 9,56 9,56 m 20,65 Accès echantillons (grand sacs-camions) Open Space Open Space Open Space Réprographie Infirmerie local menage technique lobby Patio accessible Patio accessible Patio accessible Vestiaires Sanitaires Vestiaires Sanitaires Laboratoire de valorisation de déchets Laboratoire physicochimique Laboratoire developement nouveaux procedés Laboratoire paleontologie Salle preparation de palentologie Bureau Local déchets Laboratoire sedimentologie Local téchnique Reception gaz aerée Salle de conferences 116pers. Loge conferencier Accueil wc femmes wc hommes regie traduction simultané Patio Jardin privatif Salle prière hommes Cafeteria hommes Vestiaires femmes Cafeteria femmes Salle prière femmes Vestiaires Local technique Local technique Tableaugénéral+éclairageextérieur. Carothèque Materiel mineralurgie Bureau Stations d'essai sec h= 10m Stations d'essai humide h= 10m Responsables Materiel topographie Materiel prospection Local téchnique C2 C2 C1 C1 Kitchenette A BCDEFGHIJ LM 10 11 12 13 14 15 16 17 18 19 AB DE FH JK LM 10 11 12 13 14 15 16 17 18 19
THANK YOU

Turn static files into dynamic content formats.

Create a flipbook
Issuu converts static files into: digital portfolios, online yearbooks, online catalogs, digital photo albums and more. Sign up and create your flipbook.