

SERVICES





OIL SYSTEM CLEANER


Removes sludge, gum and varnish • Removes harmful deposits • Neutralizes internal engine acids
Justice Brothers Oil System Cleaner has a solvent action that removes gum and varnish deposits from the close tolerance passages of valves and lifters allowing them to operate smoothly. In addition, Justice Brothers Oil System Cleaner has the ability to suspend particles and prevent their accumulation on engine parts.
Without the action of Justice Brothers Oil System Cleaner, the pint or so of old oil, with its sludges and acids remaining in the crankcase and oil passages after an oil drain, will contaminate the new oil, resulting in the rapid formation of sludge that will cling to vital engine parts.


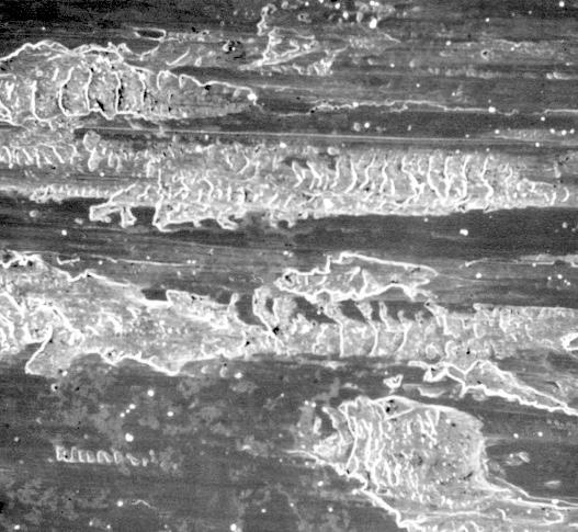
ENGINE OIL SUPPLEMENT
METAL TO METAL CONTACT RESULTS
(150 X) magnification

Subsurface wear, cracked, rough and abrasive due to friction


Protects internal engine components • Reduces friction • Superior protection • Will not “void” new car warranty • Protects against heat and wear
Short trips, stop and go traffic, and driving in the hot summer months, can cause high engine temperatures that break down motor oils, and lead to premature engine wear and shorter engine life.
With Justice Brothers Engine Oil Supplement that contains JB Metal Conditioner®, your engine is protected from these high stress situations. Your engine will run cooler, use less fuel, emit less exhaust and deliver more horsepower.


FUEL SYSTEM TREATMENT


DIRTY CLEANED
Lubricates upper cylinder area • Cleans fuel injection systems • Dissolves carbon, gum and varnish • Keeps valves and manifolds clean
One product that protects your engine, combined with a product that cleans fuel-injection systems. By adding Justice Brothers Gas Treatment to your fuel, you are prolonging the life of your engine's int parts, plus maximizing your performance and gas mileage. Justice Brothers Gas Treatment will assist in lubricating valves and piston rings while removing residue inside your fuel-injectors, providing a smoother running more efficient engine.
This multi-function product from Justice Brothers will save you money by combining two necessary products into one, plus it also acts as a fuel stabilizer during cold winter weather. Justice Brothers Gas Treatment will not harm catalytic converters or oxygen sensors and is compatible with all fuel grades.


AIR INTAKE SYSTEM CLEANER


DIRTY CLEANED
• Eliminates rough idling and stalling • Removes gum and varnish • Cleans lubricates and protects
• Safe for oxygen sensors and catalytic converters
Justice Brothers Fuel Injection System Cleaner is the answer for cleaning the air-intake and related systems on today’s fuel injected cars. It’s easy to use–just attach the plastic extension nozzle to the can and proceed as directed by the simple instructions on the back of the can. Justice Brothers Fuel Injection System Cleaner cleans the system inside and out without dismantling.


FUEL INDUCTION SERVICE




Restores fuel system performance
• Removes gum & varnish from combustion chamber • Eliminates rough idling & stalling • Improves hard starting
Today’s modern fuel injection systems require regular cleaning and maintenance in order to maintain proper operation and performance, reduce vehicular emissions and improve driveability. Justice Brothers Induction Cleaning Service is a cost and time effective method to achieve this. This service will not harm oxygen sensors and is catalytic converter safe. Justice Brothers Induction Cleaning Service lubricates valves & rings, opens clogged fuel injectors, and cleans throttle body.



BRAKE FLUID EXCHANGE


DIRTY CLEAN
Helps prevent leaks • Reduces brake system failure due to fluid contamination • Good for both hydraulic disc, drums and ABS braking systems • Mixes with all conventional brake fluids
The primary reason brake fluid fails is that the corrosion inhibitors are severely depleted, which causes the internal brake system components to begin to corrode, indicating moisture has entered the brake system. Replacing Brake fluid periodically will prolong the life of a vehicle’s brake system components. High Performance Brake Fluid goes beyond the minimum specifications demanded by the Department of Transportation (DOT), the Federal Motor Vehicle Safety Standard (FMVSS), the Society of Automotive Engineers (SAE) as well as the requirements of brake system manufacturers.

DIFFERENTIAL SERVICE

For manual transmissions, differentials gear boxes and trans-axles • Excellent engine assembly lube • Safe for oxygen sensors and catalytic converters
Justice Brothers Gear Oil Treatment has been carefully designed so that it will smooth shifting and protect against friction and heat in all makes and models of manual transmissions, differentials and trans-axles. It contains JB Metal Conditioner® which takes the teeth out of friction by making the surfaces of metal relatively smooth. When it is carried to moving metal parts by the oil or grease to which it is added, it smooths and seals the metal surfaces without build-up or any change in tolerances. This smoothing and sealing reduces heat, resulting in less wear and longer life.


TRANSMISSION CONDITIONER

Justice Brothers Automatic Transmission Conditioner has been carefully designed to smooth shifting and protect seals against leaking in all makes and models of automatic transmissions, regardless of their age. It spans the years, working equally well in old and new transmissions, to maintain top operating condition.
The precision working parts in automatic transmissions need protection against the often dirty drive fluid passing through them. Justice Brothers Automatic Transmission Stop-Leak, added to the drive fluid, cleans and smooths the surfaces of precision parts, preventing contaminates from clinging to them, and promotes efficient operation. Additionally, because it promotes smooth, efficient shifting, Justice Brothers Automatic Transmission Stop-Leak inhibits excessive heat formation and the resultant deterioration of the drive fluids.


UNIVERSAL CVT CONDITIONER



Designed for use in both chain and belt type CVT’s • Compatible with all CVT fluids • Contains anti-wear additives for improved reliability • Prevents fluid breakdown resulting in extended fluid life
Numerous automakers are now including CVT transmissions in many of their new models. This is due to the fact that CVTs are both lighter and more fuel-efficient than traditional automatic transmissions. CVTs are currently in some of the best-selling cars on the market, including the Honda Civic and Toyota Camry.
Unfortunay, there are some inherent problems associated with CVT transmissions. Specifically, belt deformation and frictional forces result in increased thermal loads. This increased heat breaks down the fluid, resulting in a shortened belt life span and affecting the CVT’s proper operation.


RADIATOR CLEANING SERVICE


Helps prevent engine overheating • Stops rust & acid formation • Mixes with all types of antifreeze
Justice Brothers Radiator Cleaner is designed to thoroughly clean a cooling system without any of the accompanying dangers associated with acid-type cleaners, or the weaknesses of alkaline-type cleaners. When used as directed, Justice Brothers Radiator Cleaner will promote cooling system efficiency and better engine performance.
Justice Brothers Radiator Cleaner safely removes rust, grease and sludge from the entire cooling system, without damage to any parts. Additionally, Justice Brothers Radiator Cleaner will not cause foaming that can create excessive discharge through the overflow pipe.


STEERING FLUID REPLACEMENT


DIRTY CLEAN
Formulated for use in all European passenger cars • Contains JB Metal Conditioner® • Will not appreciably thin or thicken
The power steering system is vital to a vehicle, yet it is often overlooked when it comes to preventative maintenance. Most vehicle owners have experienced some type of power steering problem with a power steering pump, hose, gearbox or rack & pinon. Failures could be anything from a noisy power steering pump, leaks or stiffness when first starting the vehicle. Justice Brothers Universal Synthetic Power Steering Fluid & Conditioner is a super-premium formula containing 100% synthetic base stocks with premium additives, including JB Metal Conditioner®. It meets all European OEM standards and can also be used power steering systems manufactured by U.S. and Asian OEM's.


PROFESSIONAL BATTERY SERVICE

Ifyou’reexperiencingsubparbatteryperformance,corrodedbatteryterminalscouldbeat fault.Onceafaultybatteryisruledoutourtechnicianswillinspectyourbatteryterminals todetermineifacleaningisdue.Ifwarranted, technicianswillthencleanandremove corrosionfromyourvehicle’sbatteryterminalandcableends.Finally, Justice Brothers Battery Terminal Protectors areapplied.



We thank you.



Hillside Toyota



