alpha Mechatronic Systems

Page 49

premo ®

a lp ha

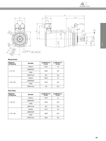
Senza freno Rapporto di riduzione

Lunghezza L0 in mm

Lunghezza L1 in mm

240,5

23

262,8

45,3

DRIVE-CLiQ

293

75,5

Resolver

225,5

23

247,8

45,3

DRIVE-CLiQ

278

75,5

Encoder

Lunghezza L0 in mm

Lunghezza L1 in mm

279,5

23

301,8

45,3

DRIVE-CLiQ

332

75,5

Resolver

241,3

23

263,6

45,3

293,8

75,5

Encoder Resolver HIPERFACE

®

i = 16 – 35 EnDat

HIPERFACE

®

i = 40 – 100 EnDat

Con freno Rapporto di riduzione

Resolver HIPERFACE

®

i = 16 – 35 EnDat

HIPERFACE

®

i = 40 – 100 EnDat DRIVE-CLiQ

49


Turn static files into dynamic content formats.

Create a flipbook
Issuu converts static files into: digital portfolios, online yearbooks, online catalogs, digital photo albums and more. Sign up and create your flipbook.