









TUUNAUKSEEN? ENTISÖINTIIN?
Täältä löydän kaiken tarvittavan kumpaankin vaihtoehtoon

![]()










TUUNAUKSEEN? ENTISÖINTIIN?
Täältä löydän kaiken tarvittavan kumpaankin vaihtoehtoon




Kaikki tarrat löytyvät sivuilta 81-82
Rungon korjauspalat löytyvät sivulta 83



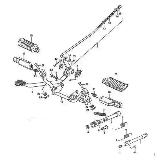
Nro Varaosa nro Kuvaus Tarvittava määrä
2 47211-17200-019 Sivuposki, vasen (musta) 1
2* BP30014 Sivuposki, 3d-tulostettu 1
5 09320-08509-000 Läpivientikumi sivuposki 2
6 02112-0655B-000 Sivuposken kiinnitysruuvi 87-00 1
6 02112-06557-000 Sivuposken kiinnitysruuvi 81-86 1
7 09160-06109-000 Aluslaatta sivuposken kiinnitysruuville 1
*Tarvikeosa
Jos listassa ei ole osan numeroa, niin silloin sitä ei enää ole saatavilla
Tuotenumero on linkki verkkokauppaan












Polttoainejärjestelmän osat löytyvät sivulta 70




Nro Varaosa nro Kuvaus Tarvittava määrä
1* 307-0900 Etulokasuoja, kromattu teräs 1
1* 307-0902 Etulokasuoja, musta muovinen 1
2 01500-06127-000 Pultti M6 x 12 (lokasuoja/sähkölaitteet) 4 Suzuki PV 50 alkuperäinen varaosa. Etulokasuoja vuosimallit 1981-1993. Takalokasuoja vuosimallit 1981-1990. Sähkölaitteet vuosimallit 1981-1993.
2 01570-0612A-000 Pultti, Etulokasuoja vuosimallit 1994-2000. 4 Takalokasuoja vuosimallit 1998-2000.
3 08321-01067-000 Jousilaatta 4 (etu- ja takalokasuoja/pakoputki/tankki/vilkut)
*Tarvikeosa
Jos listassa ei ole osan numeroa, niin silloin sitä ei enää ole saatavilla Tuotenumero on linkki verkkokauppaan

Kiristysmomentit
M6 pultit ja mutterit 7 Nm
















Ohjaustangot osat löytyvät sivulta 61



*Tarvikeosa
Jos listassa ei ole osan numeroa, niin silloin sitä ei enää ole saatavilla
Tuotenumero on linkki verkkokauppaan









Jos listassa ei ole osan numeroa, niin silloin sitä ei enää ole saatavilla Tuotenumero on linkki verkkokauppaan




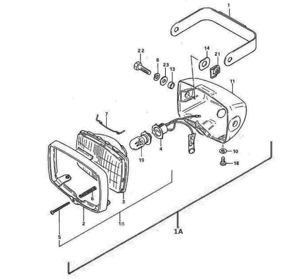
Valot
löytyvät sivulta 63
08322-01087-000
*Tarvikeosa
kampikammio/etulyhty) 81/83-93/81-93
Jos listassa ei ole osan numeroa, niin silloin sitä ei enää ole saatavilla




Valot löytyvät sivulta 63
Nro Varaosa nro
8* 307-0160
17* 6866
17* 71624
20* 307-0159
*Tarvikeosa
Kuvaus
Tarvittava määrä
Takavalo 82-97 1
Takavalon polttimo 6V, 10W, 81-97 1
Takavalon polttimo 12V, 10w S8, Pituus 44 mm 1
Takavalon kiinnikerauta 81-97 1
Jos listassa ei ole osan numeroa, niin silloin sitä ei enää ole saatavilla
Tuotenumero on linkki verkkokauppaan








Tuotenumero













Johtosarja löytyy sivulta 11



Jos listassa ei ole osan numeroa,
Tuotenumero




Öljy iskunvaimentimeen (0,55 dl) Bel-Ray haarukkaöljy 10W 1L
Kiristysmomentit
Iskunvaimentimen kiinnityspultti: 35 Nm
Iskunvaimentimen korkki: 50 Nm
Vastusputken kiinnityspultti: 50 Nm
Voiteluaineet löytyvät sivulta 84

T-palan kiinnitysmutteri: Niin että tanko liikkuu helposti muttei ”lonksa”
Lukitusmutteri: Ei liian tiukalle, muttei myöskään saa jäädä löysälle

Nro Varaosa nro
51147-48130-000
8 51148-36011-000
9 51177-46100-000


51571-17200-000
16 09280-18004-000
17 51351-46190-000
09103-10027-000
24 06111-06003-SARJA
24 BP10019
25 51611-20002-000
26 51612-04000-000
27 06111-06003-000
09166-26001-000
29 51631-28000-000 Mutteri 25 x 44 x 10 mm 1
30 51632-02400-000
31 51643-25001-000
32 51900-309V0-000
32* 307-5090
34 08321-21057-000
35 02112-05167-000
*Tarvikeosa
Jos listassa ei ole osan numeroa, niin silloin sitä ei enää ole saatavilla Tuotenumero on linkki verkkokauppaan




Kiristysmomentit

3 08319-31067-000
01500-08257-000
01500-0825A-000
01570-0825A-000

Nro Varaosa nro


Etupyörä
Etu- ja takapyörä vuosimallit 1981-1993
8 08321-0108B-000 Jousilaatta (ohjaustanko/etupyörä/takapyörä)
Ohjaustanko vuosimallit 1981-1993. Etu- ja takapyörä vuosimallit 1994-2000 9 54441-26503-000
12 09160-14055-000
13 09100-06078-000
09103-06045-000
08310-0008B-000
pultti M6 x 33 mm (etu-/takapyörä)
34* 355-005737
3.50/4.00-8 DELI TR87, 90 astetta
35* BP10050 Vannelautaset, Pari RST, vakio 2
35* BP10049 Vannelautaset, Pari, teräs, vakio 2
35* BP10044 Vannelautaset, Pari RST, +10 mm leveämmät 2
35* BP10043 Vannelautaset, Pari teräs, +10 mm leveämmät 2
39 08143-63007-000 Laakeri, vasen NSK 6300 2RS 10 x 35 x 11 mm 1
39* 48-6300-2RS Laakeri 6300 2RS 10 x 35 x 11 mm 1
42 01500-0816B-000 Pultti (jalkatapit/etu- ja takapyörä) 81-93
*Tarvikeosa
Jos listassa ei ole osan numeroa, niin silloin sitä ei enää ole saatavilla Tuotenumero on linkki verkkokauppaan







*Tarvikeosa
Jos listassa ei ole osan numeroa, niin silloin sitä ei enää ole saatavilla
Tuotenumero on linkki verkkokauppaan Kiristysmomentit Takahaarukan kiinnityspultti:





*Tarvikeosa
Jos listassa ei ole osan numeroa, niin silloin sitä ei enää ole saatavilla Tuotenumero on linkki verkkokauppaan












23 08322-01127-000
35* BP10044

Sylinterisarjat löytyvät sivulta 72



Pultit ja mutterit löytyvät sivulta 73
Kiristysmomentit
Kannenmutterit: 10 Nm
Sylinterin imupuolen kiinnitysmutterit 10 Nm
M6 pultit ja mutterit 7 Nm
M4 pultit ja mutterit 2 Nm

Varmista että läppien kiinnitysruuvi ei ole liian korkea, käytä aina aluperäisiä!



Jos listassa ei ole osan numeroa, niin silloin sitä ei enää ole saatavilla
Tuotenumero on linkki verkkokauppaan

-Lämmitä kampiakselin laakerita kuumailmapuhaltimella, niin ne on helpompi asentaa kampiakseliin

(Oikea)




-Huomioi että männänrenkaat tulevat oikein päin, -Öljyä öljytiivisteiden sisäpinnat 2t-öljyllä ennen kampiakselin asennusta

Kiristysmomentit:
Ensiörattaan mutteri: 50 Nm M6 pultit ja mutterit: 7 Nm
Nro Varaosa nro Kuvaus Tarvittava määrä
2* 301-0672-00
Männänrengassarja 41,00 mm 1
2 12140-46110-050 Männänrengassarja 41,50 mm 1
2* 301-0672-06
2* 70956
2* 301-0672-12
2* 301-0672-14
Männänrengassarja 42,50 mm 1
Männänrengassarja 43.50 mm 1
Männänrengassarja 44,00 mm 1
Männänrengassarja 44,50 mm 1

Nro Varaosa nro




-Liota tiivisteet öljyssä ennen asennusta, niin saat ne ehjinä irti irroittaessa Kiristysmomentit
Kannenmutterit: 10 Nm
Sylinterin imupuolen
kiinnitysmutterit: 10 Nm
M6 pultit ja mutterit: 7 Nm
M4 pultit ja mutterit: 2 Nm






*Tarvikeosa
Jos listassa ei ole osan numeroa, niin silloin sitä ei enää ole saatavilla
Tuotenumero on linkki verkkokauppaan

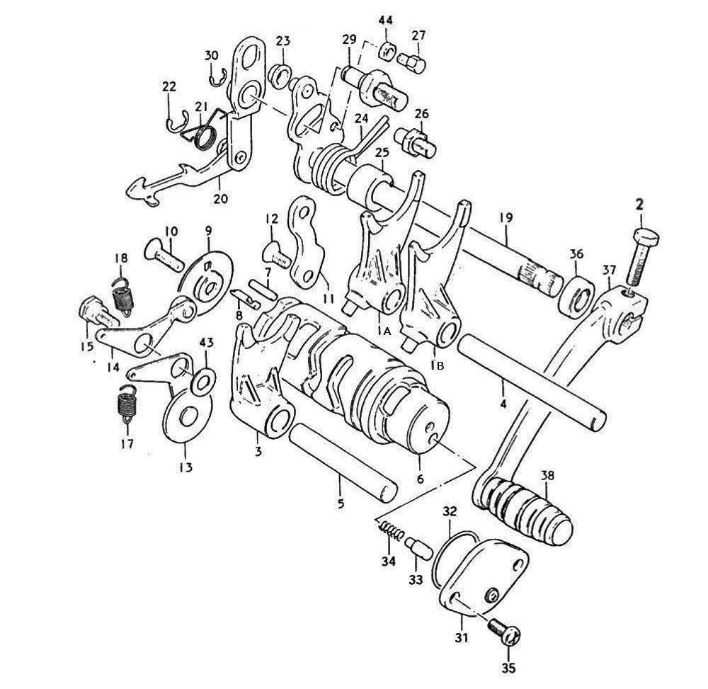
Kiristysmomentit




Kiristysmomentit - Rummunkääntövivusto säädetään osaa 27 pyörittämällä niin että rumpuun osuva hahlo on vapaa-asennossaan keskellä rumpua - Siirtorummussa oleva lovettu tappi tulee kuvan osoittamaan kohtaan










Varaosa nro
Ketjut ja rattaat löytyvät sivulta 78
5. vaihde sarja PV/S/S1/R BP10051 4-vaihteinen PV-type päivittyy tällä vain alkuperäisosia sisältävällä setillä 5-vaihteiseksi. Hommaan tarvitaan vain prässi, kuumailmapuhallin sekä sokkapihdit. Mukaan tulee räjäytyskuvat, joiden avulla muutosten tekeminen on helpompaa.

Tarvittava määrä 5 24241-46000-000
vaihderatas 24-hampainen, kytkinakseli 1 6 24251-46002-000
vaihderatas 26-hampainen, kytkinakseli 1 8 09380-17007-000 Lukkorengas vaihteistoon 1
24131-46000-000 Vetoakseli 1
24331-46000-000
vaihderatas 29-hampainen, vetoakseli 1
02122-0612A-000 Ruuvi (vaihteensiirtäjä/vaihteisto) 1



Nro Varaosa nro Kuvaus Tarvittava määrä
13 24341-46000-000
15 09283-21003-000
282-420100-088 Ketju, vahvistettu 420MS 88-lenkkiä 1
35* 283-420001-088
Ketju+jousilukko, D.I.D 420D (RJ), 88-lenkkiä 1
35* 281-42002-090 Ketju Regina, 420 90-lenkkiä, kultainen 1
35* 282-420100-090 Ketju RK, vahvistettu 420MS 90-lenkkiä 1
35* 283-420001-090 Ketju D.I.D, 420D (RJ), 90-lenkkiä 1
35* 284-420-90 Ketju KMC, 420 90-lenkkiä 1
36* 27620-01012-000
36* 27620-01023-000
37 02112-0610B-000
(kampikammio/vaihteisto)
*Tarvikeosa Jos listassa ei ole osan numeroa, niin silloin sitä ei enää ole saatavilla Tuotenumero on linkki verkkokauppaan




-Liota uudet kytkinlevyt öljyssä ennen asennusta -Kytkimen painelaakeri asennetaan niin että laakeritapit ovat kytkinakseliin päin ja laakerin tasainen puoli osuu kytkinkanteen

Suositeltu työkalu BP40000
Monipuolinen kytkintyökalu monille Suzukin moottoreille. Tähän työkaluun on ympätty sen lisäksi vielä kolme muutakin työkalua:
Kiristysmomentit
Kytkinkruunun mutteri: 40 Nm
M6 pultit ja mutterit: 7 Nm
M5 ruuvit: 4 Nm
Ensiörattaan lukitus
Eturattaan lukitus
Vauhtipyörän lukitus


Nro


Jos listassa ei ole osan numeroa, niin silloin sitä ei enää ole saatavilla
Tuotenumero on linkki verkkokauppaan


-Liota uudet kytkinlevyt öljyssä ennen asennusta
Kiristysmomentit
M6 pultit ja mutterit: 7 Nm
Kytkimen päivityssetti BP11026
Jos on koneessa vääntöä niin paljon ettei kolmella levyllä saa kytkintä pitäväksi, tässä ratkaisu sinulle! Neljällä levyllä saat 33% lisää pitoa ilman jäykempiä jousia.
Settiin kuuluu kaikki mitä kuvassa näkyy: SGP kytkinkeskiö (korvaa alkuperäisen
PV-type keskiön) SGP Kytkimen välilevy (lisäksi tarvitset kaksi nykyisessä kytkimessäsi olevaa välilevyä) 4kpl kytkinlevyjä.
Loput osat saat käytettyä omasta kolmelevyisestä kytkimestäsi.




Jos listassa ei ole osan numeroa, niin silloin sitä ei enää ole saatavilla
Tuotenumero on linkki verkkokauppaan

Kiristysmomentit
















Magneetonkopat löytyvät sivulta 80



Jos listassa ei ole osan numeroa, niin silloin sitä ei enää ole saatavilla
Tuotenumero on linkki verkkokauppaan



Kaasuttimet, varaosat ja suuttimet löytyvät sivuilta 64-67




*Tarvikeosa
Jos listassa ei ole osan numeroa, niin silloin sitä ei enää ole saatavilla
Tuotenumero on linkki verkkokauppaan



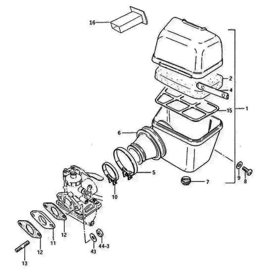
Ilmansuodattimet
löytyvät sivuilta 68-69

Nro Varaosa nro
13700-17210-000
3 08319-31067-000 Lukkomutteri laipalla 2 (sylinteri/takapyörä/etupyörä/ilmanpuhdistin)
4 13821-00011-000
5 09402-54303-000
13881-17200-000
13860-00010-000
02142-06167-000
09136-06017-000
09160-06084-000
09402-34303-000
21-847
13125-46110-000

Pakoputket ja osat löytyvät sivulta 74




Jos listassa ei ole osan numeroa, niin silloin sitä ei enää ole saatavilla
Tuotenumero on linkki verkkokauppaan




Jos listassa ei ole osan numeroa, niin silloin sitä ei enää ole saatavilla
Tuotenumero on linkki verkkokauppaan




Nro Varaosa nro Kuvaus Tarvittava määrä 2 44651-05003-000
44600-30832-000
23 09116-06006-000
01500-0616A-000
*Tarvikeosa
Jos listassa ei ole osan numeroa, niin silloin sitä ei enää ole saatavilla
Tuotenumero on linkki verkkokauppaan






Musta, sileä malli
Alkuperäisen sileän
penkinpäällisen jäljitelmä.
Koukkukiinnitys
Tuotenumero PP0008



Sileä malli, Koukkukiinnitys
Tuotenumero PP0014
Musta, ruutukuvioitu malli
Koukkukiinnitys
Tuotenumero PP0100

Alkuperäisen ruutukuvioidun penkinpäällisen jäljitelmä.
Takana valkoinen Suzuki-teksti
Kuminauhakiinnitys
Tuotenumero PP0011
Musta, hiilikuitu
Takana valkoinen Suzuki-teksti. Kuminauhakiinnitys
Tuotenumero PP0010
Musta, sileä malli, vuosimallit 1989-1993
Takana iso valkoinen Suzuki -teksti Penkinpäällisen teksti ei ole alkuperäistä vastaava!
Koukkukiinnitys
Tuotenumero 307-0099-M
Sileä malli, Kuminauhakiinnitys
Tuotenumero PP0015



Sininen, sileä malli
Koukkukiinnitys
Tuotenumero 307-512S
Sininen, sileä malli
Kuminauhakiinnitys
Tuotenumero PP0039
Sininen ruutukuvioitu malli
Koukkukiinnitys
Tuotenumero PP0009

Sininen ruutukuvioitu malli
Kuminauhakiinnityss
Tuotenumero PP0012


Punainen, ruutukuvioitu malli
Koukkukiinnitys
Takana valkoinen Suzuki-teksti.
Tuotenumero PP0040



Punainen, ruutukuvioitu malli
Kuminauhakiinnitys
Takana valkoinen Suzuki-teksti.
Tuotenumero PP0013

Violetti / valkoinen, sileä malli
Kotimaista tuotantoa
Koukkukiinnitys
Tuotenumero BP30006

Sini / valkoinen, sileä malli
Kotimaista tuotantoa
Koukkukiinnitys
Tuotenumero BP30008

Punainen, sileä malli
Takana valkoinen
Suzuki-teksti.
Koukkukiinnitys
Tuotenumero 307-512P

Musta / oranssi sileä malli
Kotimaista tuotantoa
Koukkukiinnitys
Tuotenumero BP30005

Oranssi / musta sileä malli
Kotimaista tuotantoa
Koukkukiinnitys
Tuotenumero BP30004


Satulan Pehmuste
Ruskea / musta sileä malli
Kotimaista tuotantoa
Koukkukiinnitys
Tuotenumero BP30003
Tiheästä vaahtomuovista
valmistettu
Tuotenumero PF001



TIMELESS ohjaustangot
Tuotenumero Kuvaus
306-71539V Timeless ohjaustanko, valkoinen
306-71539 Timeless ohjaustanko, musta
306-71539P Timeless ohjaustanko, punainen



PROTAPER tangonpehmusteet
Tuotenumero Kuvaus
63-8303-2
63-8304-0
63-8303-0
63-8303-10
Tangonpehmuste 27 cm, punainen
Tangonpehmuste 20 cm, musta
Tangonpehmuste 27 cm, musta
Tangonpehmuste 27 cm, valkoinen

Donitsit
Tuotenumero Kuvaus
457-73471 PROGRIP Donitsi, Punainen
457-73473 PROGRIP Donitsi, Oranssi


430-DTZ5 SCAR Donitsi, Vihreä
430-DTZ4 SCAR Donitsi, Oranssi


63-0020 PROTAPER Donitsi
Pikakaasu
Tuotenumero Kuvaus
307-0479 Pikakaasu, yleismalli



Tuotenumero Kuvaus
63-0032-12
63-0032-2
63-0032-4
63-0032-5
63-0032-11
63-0032-0


Clampon Full Diamaond, valkoinen / harmaa
Clampon Full Diamaond, punainen / harmaa
Clampon Full Diamaond, sininen / harmaa
Clampon Full Diamaond, kelta / harmaa
Clampon Full Diamaond, musta / harmaa
Clampon Full Diamaond, musta
63-0030-11 Clampon 1/2 Waffle, musta / harmaa
63-0030-2 Clampon 1/2 Waffle, puna / musta
63-0030-3 Clampon 1/2 Waffle, neon vihreä / musta
63-0030-4 Clampon 1/2 Waffle, sini / musta
63-0030-6 Clampon 1/2 Waffle, oranssi / musta
63-0031-10
Clampon Pillow Top, valko / harmaa
63-0031-11 Clampon Pillow Top, musta / harmaa
Clampon Full Diamaond






Clampon 1/2 Waffle





Clampon Pillow Top



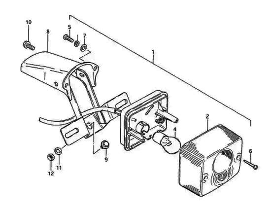
Valot
Tuotenumero Kuvaus
15-854
15-855
15-853
LED-takavalo, kirkas
LED-takavalo, savu harmaa
LED-takavalo, punainen E-hyväksytty!
15-856
15-858
15-857
LED-takavalo, kirkas
LED-takavalo, savu harmaa
LED-takavalo, punainen
E-hyväksytty!
71675





LED-takavalo, kirkas E-hyväksytty!
15-71697 Rekisterivalo LED E-hyväksytty!
307-71650 Etulyhty, suorakaide
Toiminnot: Ajovalo + parkki
Linssi lasia, Ei sisällä ajovalopolttimoa, parkkipolttimo sisältyy (12V T10 W5W).
Polttimon kannat: BA20D ajovalo, T10 parkki
BP30013 Alkuperäisen mallin mukainen heijastin 3D-tulostetulla rungolla
Polttimot
Tuotenumero Kuvaus
09471-06022-000 6V, 15/15W 90-97
09471-12020-000 12V, 35/35W 98-00
12-955 12V 35/35W BA20D (Philips) 12-393980 12V, 12V 35/35W BA20D Halogen


6866 Takavalon polttimo 6V, 10W 81-97 Pituus 44 mm OS6411 Takavalon polttimo 12V, 10W 81-97 Pituus 41 mm OS7528 Takavalon polttimo 12V, 21/5W 98-00












Kaasuttimet, DELLORTO
Tuotenumero Kuvaus Koko
302-72992 PHBG 20AS-2527, käsiryyppy 20 mm
302-73003 PHBG 21BS-2660, vaijeriryyppy 21 mm


Kaasuttimet, tarvike
Tuotenumero Kuvaus Koko
13200-17253-000 Kaasutin, alkuperäinen 94-00
302-0337
302-0334
302-0335
mm
Kaasutin, ”KENTSE”
Kaasutin PHBG
Kaasuttimen korjaussarja PHBG
Tuotenumero Kuvaus
302-0194
Kaasuttimen korjaussarja PHBG-tyypin kaasuttimille
Ryyppyvaijeri, sopii PHBG
Tuotenumero Kuvaus
302-0252 Vaijerin pituus: 320 mm
Käsiryyppy PHBG-tyyppisille kaasuttimille
Tuotenumero Kuvaus
302-0250 Sopii kaiken kokoisiin PHBG-kaasareihin!
Kaasuttimen korjaussarja, Mikuni VM12SH ja VM14SH
Tuotenumero Kuvaus
302-70175 Kaasuttimen korjaussarja Mikuni VM12SH ja VM14SH kaasuttimille
Kaasuttimen välikumit
Tuotenumero Kuvaus
Kaasarin välikumi 35 mm









Suuttimet, DELLORTO 5mm, PHBG, PHBL, SHA
Tuotenumero Koko Ø
302-80121490 42
302-80121990 47
302-80123290 48
302-73056 56
302-73060 60
302-73062 62
302-73065 65
302-73068 68
302-73072 72
302-73078 78
302-73080 80
302-73082 82
302-73085 85
302-73088 88



Tuotenumero Koko Ø
302-73090 90
302-73092 92
302-73095 95
302-73098 98
302-73100 100
302-73105 105
302-73115 115
302-73120 120
302-73125 125
302-73130 130
302-73135 135
302-73140 140
302-73145 145
302-73150 150
302-73155 155
Suuttimet, DELLORTO 6mm, PHBN, PHVA
Tuotenumero Koko Ø
302-73165 65
302-73170 70
302-73172 72
302-73175 75
302-73180 80
302-73182 82
302-73188 88
302-73195 95
302-73198 98
302-73200 100
302-73205 105

Tuotenumero Koko Ø
302-73202 102 302-73208 108
302-73210 110
302-73213 125
302-73214 130
302-73216 140
302-73217 145
302-73219 155
302-73430 160
302-73431 165
302-73432 170 5 mm 6 mm
Suutinsarja Dellorton PHBG, PHBL ja SHA, sekä Mikuni (5 mm kierteellä)
Tuotenumero Kuvaus
302-0095 5 mm kierteellä.
Sisältää seuraavat koot: 50, 52, 54, 56, 58, 60, 62, 64, 66, 68
302-0096
5 mm kierteellä.
Sisältää seuraavat koot: 70, 72, 74, 76, 78, 80, 82, 84, 86, 88
302-0097
5 mm kierteellä.
Sisältää seuraavat koot: 90, 92, 94, 96, 98, 100, 102, 104, 106, 108




Suutinsarja Dellorton PHBG, PHBL ja SHA, sekä Mikuni (6 mm kierre)
Tuotenumero Kuvaus
302-0089 6 mm kierteellä.
Sisältää seuraavat koot: 50, 52, 54, 56, 58, 60, 62, 64, 66, 68
302-0090 6 mm kierteellä.
Sisältää seuraavat koot: 70, 72, 74, 76, 78, 80, 82, 84, 86, 88
302-0091 6 mm kierteellä.
Sisältää seuraavat koot: 90, 92, 94, 96, 98, 100, 102, 104, 106, 108
302-0092 6 mm kierteellä.
Sisältää seuraavat koot: 110, 112, 114, 116, 118, 120, 122, 124, 126, 128
Dellorto PHBG varaosat
Nro Varaosa nro Kuvaus
73287 302-73287
Tyhjäkäyntiruuvi 73282 302-73282 Ilmaruuvisarja
73250 302-73250
Koho 73405 302-73405
Käsiryyppysarja 73408 302-73408
73220 302-148835
73220 302-73220
Neulat


Dellorton kaasuttimien neuloissa pieni luku tarkoittaa ohutta neulaa (rikas seos), kun taas suuri luku paksua neulaa (laiha seos).
Ryyppysarja
Tyhjäkäyntisuutin, 35
Tyhjäkäyntisuutin, 40 73220 302-148842
Tyhjäkäyntisuutin, 42 73252 302-73252
Kohon Akseli
73255 302-73255 Luisti 40 94755064 302-94755064 Luisti 50 73279 302-73279
73275 302-73275
73275 302-73275
73240 302-95015002
73240 302-73240
Luistin Jousi
Neulan Lukkorengas
Neulan Lukkorengas
Ryyppysuutin 50
Ryyppysuutin 55 73241 302-73241
73240 302-950165
73295 302-73295
73265 302-95950108
73265 302-73265
73265 302-73266
Ryyppysuutin 60
Ryyppysuutin 65
Soviteholkki
Luistin Neula W01
Luistin Neula W6
Luistin Neula W7
Tuotenumero on linkki verkkokauppaan




Neulasarja, PHBG
Tuotenumero Kuvaus Koko
302-0196 Neulasarja, PHBG Ø17,5 - Ø21mm (10kpl)
PV50:n vakioputsarin päivityssetti
Tuotenumero Kuvaus


BP10035 Tällä setillä saat vakioputsarin sopimaan yhteen max 21 mm kaasarin kanssa. Mukana 3d-tulostettu putsarin kansi isommalla ilmanottoreiällä ja pituussäädet tävä välikumi. Ja ihan varmuuden vuoksi myös tulostetut kasausklipsut jos alkuperäiset ovat päässeet hukkumaan. Välikumin sisähalkaisja on 32 mm.
HUOM: Jos välikumi ei tahdo mennä paikalleen, liota/turvota sitä vuorokausi bensassa ja kokeile uudelleen.
Tuotenumero Koko Ø
302-0302-50 50
302-0302-55 55
302-0302-58 58
302-0302-60 60
302-0302-65 65
302-0302-70 70
302-0302-75 75
302-0302-78 78
302-0302-80 80
302-0302-83 83
302-0302-85 85
302-0302-88 88
302-0302-90 90
302-0302-95 95
302-0302-100 100
302-0302-105 105
302-0302-108 108
302-0302-110 110
302-0302-115 115
302-0302-120 120
302-0302-125 125
302-0302-130 130
302-0302-133 133
302-0302-135 135
302-0302-140 140
302-0302-143 143
302-0302-145 145
302-0302-148 148
302-0302-150 150





MIW Power Filter
Tuotenumero Kiinnitys Ø Halkaisija Pituus
203-M5006
203-M5007

Tec-X Ilmansuodatimet Tuotenumero

Ø
Tec-X Power II, Ilmansuodatimet
Tuotenumero Kiinnitys Ø Halkaisija Pituus
302-0831-35 35 mm 74 mm 50 mm
302-0831-42 42 mm 74 mm 50 mm



R-Box, Ilmansuodatimet
Tuotenumero Kiinnitys Ø Väri
302-08331-0 28/35 mm Musta
302-08331-2 28/35 mm Punainen

Tec-X, Stage II Ilmansuodatimet
Tuotenumero Kiinnitys Ø Halkaisija Ø Pituus
302-0832-28 28 mm 90 mm 83 mm
302-0832-30 30 mm 90 mm 80 mm
302-0832-32 32 mm 90/72 mm 83 mm
302-0832-35 35 mm 90/72 mm 83 mm
302-0832-38 38 mm 90/72 mm 83 mm
302-0832-39 39 mm 90/72 mm 83 mm
302-0832-42 42 mm 90/72 mm 83 mm
302-0832-45 45 mm 90/72 mm 83 mm
302-0832-46 46 mm 90/72 mm 83 mm
302-0832-48 48 mm 90/72 mm 83 mm
302-0832-50 50 mm 90/72 mm 83 mm
302-0832-52 52 mm 90/72 mm 83 mm
302-0832-54 54 mm 90/72 mm 83 mm
302-0832-60 60 mm 90/72 mm 83 mm


TNT Speed, Ilmansuodatimet



Tuotenumero Kiinnitys Ø Halkaisija Pituus Väri
302-0834-2 28/35 mm 48/74 mm 100 mm Punainen
302-0834-0 28/35 mm 48/74 mm 100 mm Musta
TNT Speed, Ilmansuodatimet
Tuotenumero Kiinnitys Ø Halkaisija Pituus Väri
302-0833-2 28/35 mm 85 mm 39 mm Punainen
302-0833-0 28/35 mm 85 mm 39 mm Musta
302-0833-5 28/35 mm 85 mm 39 mm Keltainen
302-0833-4 28/35 mm 85 mm 39 mm Sininen





Air-System, Ilmansuodatin
Tuotenumero Kiinnitys Ø Halkaisija Pituus Väri
302-0835-2 35 mm 70 mm 55 mm Punainen

Polttoaineletkut 5 mm
Tuotenumero Pituus Väri
9-3-2545-11 1 m Läpinäkyvä
9-3-2545-0 1 m Musta


9-3-2545-5 1 m Neonkeltainen
9-3-2545-3 1 m Neonvihreä
9-3-2545-2 1 m Punainen
9-3-2545-6 1 m Oranssi
9-3-2545-7 1 m Vaalenapunainen
9-3-2545-1 1 m Violetti








Polttoainehanat, yleismalliset Tuotenumero Letkukoko Ø
302-3556-6 6 mm
302-3556-8 8 mm

302-3557-6 6 mm
302-3557-8 8 mm

302-3575 7 mm

302-3576 6 mm

302-3550 PV:n oma, ei alkuperäinen

Polttoainesuodattimet, yleismalliset Tuotenumero Letkukoko Ø
302-71912 5/5 mm

87-07101 6/6 mm

302-3571-0 6/6 mm

302-3571-4 6/6 mm




Imu- ja pakolaipat
Tuotenumero Kuvaus
BP10005 Imulaippa ”vakio”
Materiaali 5 mm paksua laserleikattua terästä
BP10005 Imulaippa RM
Käy seuraaviin Ilmajäähdytteisiin sylintereihin: RM50 (alumiinia), RM60, RM80, DS80, GT80
BP10046 Imulaippa Malossi
Reikä 22,5 mm
BP10020 Pakolaippa
Kiinnitysreikien väli 58 mm, keskireikä 30 mm
Sylinterin korotuslaipat
Tuotenumero Kuvaus
BP10041
BP10042
BP30010
BP10036
BP10037
BP10040
Korotuslaippa PV, 1 mm
Korotuslaippa PV, 2 mm
Korotuslaippa PV, 12 mm
Korotuslaippa RM, 1 mm
Korotuslaippa RM, 2 mm
Korotuslaippa RM, 12 mm







Kapeahuuhteluisiin Suzukin mopoihin passeli hienosäätökoropala. Nopealla laskutoimituksella ilmaistuna saat paolle ja huuhteluille 1 mm korotuspalalla 6 astetta, 2 mm korotuspalalla 12 astetta lisää aukioloaikaa asentamalla tämän peltilipareen pyttysi alle.
Kannattaa samalla sorvata sylinterin yläpäästä tavaraa pois niin että saadaan paljevälys 0,6mm paikkeille.
12 mm korotuslaippa kapeahuuhteluisiin Suzukin mopoihin passeli laippa jos haluat istuttaa lyhytiskuisen sylinterin pitkäiskuiselle kampuralle

Sylinterisarjat, sisältävät läppäventtiilin, männän ja tiivisteet
Tuotenumero
301-0820
301-0821
301-0822
Tiivisteet
Tuotenumero
21-904
21-904-46
21-904-52
13125-46110-000
BP11001
BP11000
21-847
11241-46130-000
21-905
BP11022
BP11023
11482-46010-000
21-906
BP11008
BP11009
Kuvaus
Sylinterisarja 50 cc3



Sylinterisarja 60 cc3
Sylinterisarja 80 cc3
Kuvaus
Sylinterikannen tiiviste 50 cc3
Sylinterikannen tiiviste 60 cc3
Sylinterikannen tiiviste 80 cc3
Kaasuttimen Imutiiviste (alkuperäinen)
Kaasuttimen Imutiiviste
Kaasuttimen Imutiiviste, Malossi, keskireiän halkaisija 22,5 mm
Kaasuttimen Imutiiviste, Paksu
Sylinterin alatiiviste (alkuperäinen)
Sylinterin alatiiviste
Sylinterin alatiiviste
Sylinterin alatiiviste RM80 / GT80
Kytkinkopantiiviste (alkuperäinen)
Kytkinkopantiiviste
Kytkinkopantiiviste
Kytkinkopantiiviste RM80








Stefat löytyvät sivuilta

Pultit, mutterit yms.
Tuotenumero Kuvaus
Koko
BP11002 Kannen kaulusmutteri M6



BP11003 Moottorinkinnitysmutterit M8

BP10021 Paksut prikat kannenmutteriden alle 6 mm

BP10024 Pitkät mutterit kannen kiristykseen

Sylinterin pinnapultti, tarvike 6 x 112 mm
09108-06012-000 Sylinterin pinnapultti, alkuperäinen 6 x 112 mm 301-0042
BP10022 Sylinterin pinnapulttisarja, erikoisluja 6 x 112 mm
BP10038 Uppokantaruuvi
Vaihteensiirtäjä vuosimallit 1994-2000.
Vaihteisto vuosimallit 1981-2000.
BP10017 Moottorin pulttisarja PV50
6 x 10 mm
Moottorin lohkojen ja koppien pultit ja prikat
Mukana myös M6 x 1,0 mm, kierretappi
BP10018 Moottorin pulttisarja RM80
Moottorin lohkojen ja koppien pultit ja prikat
Mukana myös M6 x 1,0 mm, kierretappi
BP10016 Moottorin pulttisarja GT80
Moottorin lohkojen ja koppien pultit ja prikat
Mukana myös M6 x 1,0 mm, kierretappi
13601-04148 Vakiokaasuttimen Kohokammion ruuvit
BP10019 Ohjauslaakerinkuula 3/16”, 50 kpl









Tehoputki
Sopii alkuperäisiin kiinnikkeisiin.
Lisää tehoa ja vääntöä jopa vakiosylinterin kanssa.
Tehoputken kanssa sopiva äänenvaimennin 308-0701
Tuotenumero 308-0700

Pakoputken suojapelti
Alkuperäinen varaosa
Tuotenumero 14781-17200-000

Giannelli Äänenvaimentaja, yleismalli
Ø20 mm, Hiilikuitu. Putkiliitos 20 mm
Kokonaispituus: 320 mm
Vaimenninosan pituus: 200 mm
Vaimentimen halkaisija: 60 mm
Tuotenumero 308-0200-20




Pakoputki
Suzuki PV 50 tarvikeosa
Tuotenumero 308-0702

Äänenvaimennin
Sopii tehoputkeen 308-0700
Tuotenumero 308-0701

Vaimentimen välikumi
Kestävää ja silti pehmyttä silikonia, sopii 18-20 mm putken päälle.
Laadukkaat ABA:n klemmarit kuuluvat pakettiin. Kumin pituus n. 50mm
Tuotenumero BP10039



Ignitech DCCDIP1 Race boxi
Pelkkä Boxi ilman mitään muuta.
Ohjelmoimiseen tarvittavan ohjelman voit
ladata suoraan Ignitechin omilta sivuilta.
Tuotenumero BP21000
Pick-up anturi Ignitech

Sopii DCCDIP1 Race boxille
Tuotenumero BP21003

Pick-up anturi, tarvike
Johtosarja Ignitech 130 cm
Ehdoton hankinta boxin kaveriksi!
Sopii DCCDIP1 Race boxille.
Tuotenumero BP21001

Kartanvaihtokytkin Ignitech

Ignitechin kanssa käytettäväksi tarkoitettu kartanvaihtokytkin eri säätöjen testaamiseen
Tuotenumero BP21007
Sopii DCCDIP1 Race boxille ja lähes kaikkiin muihinkin CDI:llä varustettuihin sähköihin. Kiinnitysreikien väli 37 mm +-0,5mm
Tuotenumero BP21002

Triggeripyörä Ignitech
Triggeripyörä kipinän liipaisuun
Tuotenumero BP21006
Toisiopuola, tarvike
Magneeton aluslevy Ignitech

Ignitechiä ja muita pickup-anturia vaativia sähköjä varten aluslevy, johon tuon anturin saa kiinni parilla kierretangon pätkällä. Käy Suzuki PV:n aluslevyn tilalle suoraan
Tuotenumero BP20000

Pelkkä toisiopuola ilman mitään muuta, edes tulpanhattu(vastuksellinen!) ei kuulu mukaan. Kapasitiivinen tyypiltään. Sopii useimpiin boxillisiin /CDI sytytyksiin.
Kiinnitysreikien väli 57 mm +-1mm
Tuotenumero BP21004

Toisiopuola Ignitech IC-CDI-S
Pelkkä toisiopuola ilman mitään muuta, edes tulpanhattu(vastuksellinen!) ei kuulu mukaan. Kapasitiivinen tyypiltään. Sopii useimpiin boxillisiin /CDI sytytyksiin.
Tuotenumero BP21005

Kierrostenrajotin, On/Off Kytkimellä, Yleismalli
kierrosten rajoittimella mopon tai skootterin moottorin maksimikierrosnopeus voidaan säätää haluttuun lukemaan
Tuotenumero 303-2301


Renkaat
Tuotenumero Kuvaus Koko
35-608 CST rengas 110/80-8 Matalaprofiilinen rengas Honda Monkey ja Suzuki PV mopoihin



355-005973 DELI X-Worm SB112A 3.50-8 46M TL S-112A X-WORM, kohtuuhintainen, mutta suorituskyvyltään erinomainen slicksi PV-50 ja Monkey:in!

352-81101 Deestone D811 3.50-8 PR4

355-005980 DELI Finn SC110 3.50-8 46M TL Finnspeed renkaalle kunniaa tekevä rengas. Hiukan uudistettu pitävä kuvio varmistaa pidon, niin soralla kuin asfaltillakin!

355-005980-2 DELI Finn SC110, nastarengas 3.50-8 46M TL Oiva nastarengas Suzuki PV50 ja Honda Monkey mopoihin!

25-125614 Michelin Sisärengas 3.50-8, 4.00-8
Venttiili: 90 asteen kulmassa
355-005737 Deli Sisärengas 3.50-8, 4.00-8
Venttiili: 90 asteen kulmassa





Vanteet
Tuotenumero
BP10050
Kuvaus
Vannelautaset, Pari RST, vakio
BP10049 Vannelautaset, Pari, teräs, vakio
BP10044 Vannelautaset, Pari RST, +10 mm leveämmät
BP10043

Vannelautaset, Pari teräs, +10 mm leveämmät

Laakerit
Tuotenumero Kuvaus
22-587
22-540
22-543
22-589
22-551
22-601
22-650
Etupyörän laakeri, vasen, KOYO 6300 2RS 10 x 35 x 11 mm
Etupyörän laakeri, oikea, KOYO 6200 2RS 10 x 30 x 9 mm
Takapyörän laakeri, vasen, KOYO 6201 2RSH 12 x 32 x 10 mm
Takapyörän laakeri, oikea, KOYO 6301 2RS 12 x 37 x 12 mm
Kytkinakselin laakeri, KOYO 6203 2RS 17 x 40 x 12 mm
Vetoakselin laakeri, KOYO, 6303 C3 17 x 47 x 14 mm
Runkolaakeri, vasen KOYO 6204 C3 20 x 47 x 14 mm
09262-20121-000 Runkolaakeri, vasen 6204 C3 20 x 47 x 14 mm (alkuperäinen)
22-651
Runkolaakeri, oikea KOYO 6204 NC3 20 x 47 x 14 mm
09262-20141-000 Runkolaakeri, oikea 6204 NC3 20 x 47 x 14 mm (alkuperäinen)
BP11027
Runkolaakeri, oikea NACHI 6204 NC3 20 x 47 x 14 mm (sisältää lukkorenkaan)
C2 – Normaalia pienempi laakerivälys (0-0,009 mm)

CN – Normaali laakerivälys (0,005-0,02 mm)
C3 – Normaalia suurempi laakerivälys (0,011-0,025 mm)
C4 – suurempi laakerivälys kuin C3 (0,018-0,033 mm)
C5 – suurempi laakerivälys kuin C4 (0,136-0,192 mm)
Stefat
Tuotenumero Kuvaus
09285-10004-000 Kytkinvivun akselin stefa
09285-12006-000 Vaihdepolkimen akselin stefa
09285-14002-000 Käynnistyspolkimen akselin stefa
09283-21003-000 Vetoakselin stefa
09283-26015-000 Kampiakselin stefa, kytkimen puoli
09283-20034-000 Kampiakselin stefa, magneeton puoli
22-010 Sisältää kaikki stefat PV50 moottoriin




Tuotenumero
27511-19000-000
27-0075-11
27-0075-12
27-0075-13
27-0075-14
27-0075-15
27-0075-16
27-0075-17
27-1075-28
27-1075-32
64511-17201-000
27-1075-35
27-1075-38
09105-08001-000
307-0539
281-42002-088
282-420100-088
283-420001-088
281-42002-090
282-420100-090
283-420001-090
284-420-90
27620-01012-000
27620-01023-000
Värilliset ketjut
282-420527-140
282-420524-140
282-420522-140
282-420523-140
282-420527-CL
282-420524-CL
282-420522-CL
282-420523-CL
BP10012
Kuvaus
Eturatas 13-hampainen 81-93 (Alkuperäinen)
Eturatas 11-hampainen
Eturatas 12-hampainen
Eturatas 13-hampainen
Eturatas 14-hampainen
Eturatas 15-hampainen
Eturatas 16-hampainen
Eturatas 17-hampainen
Takaratas 28-hamamsta
Takaratas 32-hammasta
Takaratas 35-hammasta (Alkuperäinen)
Takaratas 35-hammasta
Takaratas 38-hammasta
Takarattaan pultti 8 x 33,5 mm
Takarattaan pulttisarja


Ketju 420, 88-lenkkiä
Ketju 420MS, vahvistettu, 88-lenkkiä
Ketju ja jousilukko 420D (RJ), 88-lenkkiä, D.I.D
Ketju 420, kultainen, 90-lenkkiä, Regina
Ketju 420MS, vahvistettu 90-lenkkiä, RK
Ketju 420D (RJ), 90-lenkkiä, D.I.D
Ketju 420 90-lenkkiä, KMC
Ketjulukko 420, D.I.D
Ketjulukko 420, RK
Ketju, 420SB, 140 lenkkiä, keltainen
Ketju, 420SB, 140 lenkkiä, vihreä
Ketju, 420SB, 140 lenkkiä, punainen
Ketju, 420SB, 140 lenkkiä, sininen
Ketjuliitin, 420SB keltainen
Ketjuliitin, 420SB vihreä
Ketjuliitin, 420SB punainen
Ketjuliitin, 420SB sininen






Made in Finland! 3D-tulostettu ketjulaahari, materiaali joustava TPU


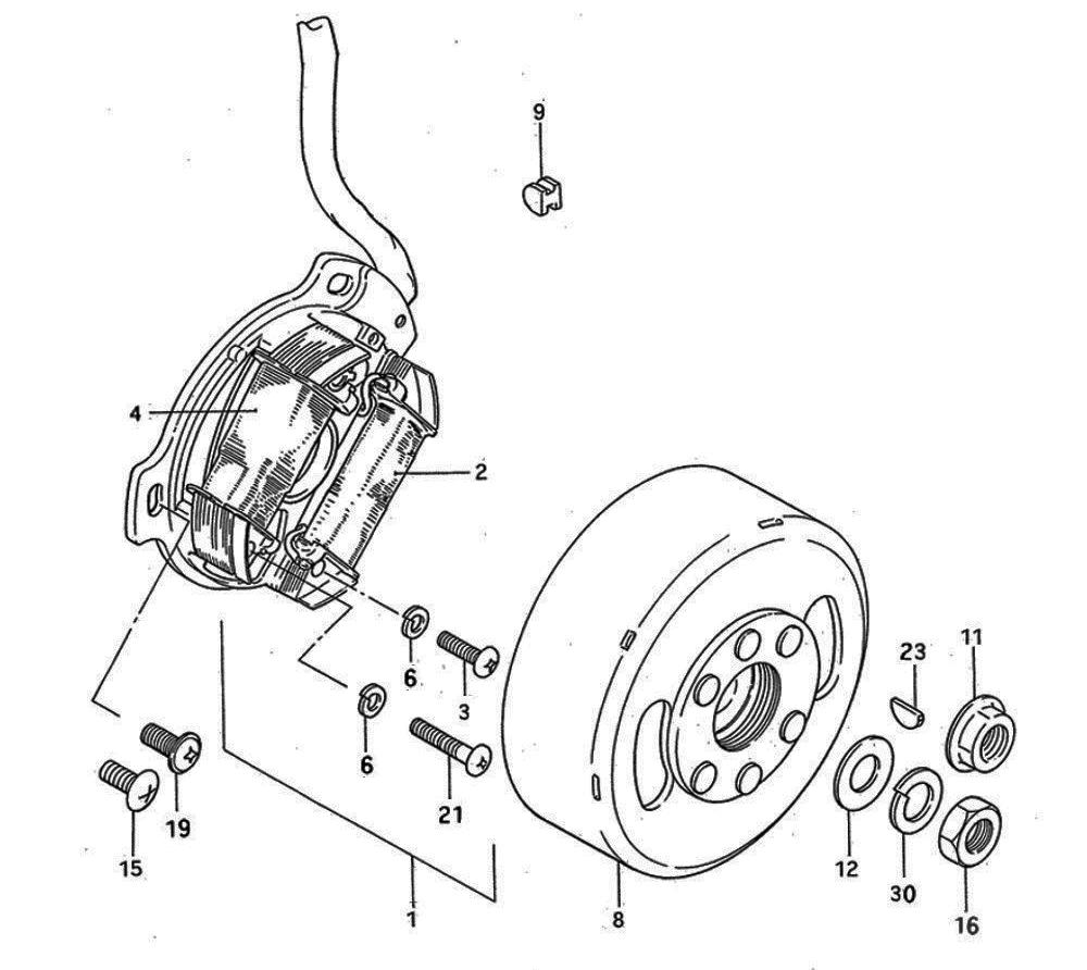
3D-tulostetut magneeton kopat
Tuotenumero Kuvaus
BP10026
Magneeton koppa, ”vakio”



BP10028
Magneeton koppa, Biohazard

BP10034
Magneeton koppa, Jekku

BP10033
Magneeton koppa, Malossi

BP10031
Magneeton koppa, R
BP10030
Magneeton koppa, Suomi leijona


BP10027
Magneeton koppa, Radioaktiivinen

BP10032
Magneeton koppa, Karjala
Alkuperäinen magneeton koppa
Tuotenumero Kuvaus
11351-46401-000
Magneeton koppa (musta) 83-00 Alkuperäinen





Tuotenumero Kuvaus
307-0983-SS-L
307-0983-SS
307-0983-P-L
307-0983-P
307-0983-K-L
307-0983-K
307-0983-S-L
307-0983-S
307-0982-S-L
307-0982-S
307-0980-L
307-0980
307-0983-H-L
307-0983-H
307-0983-L
307-0983
PV50 Tarrasarja -81 sininen / tummansininen laminoitu
PV50 Tarrasarja -81 sininen / tummansininen
PV50 Tarrasarja -82 punainen / valkoinen laminoitu
PV50 Tarrasarja -82 punainen / valkoinen
PV50 Tarrasarja -83 / 85-86 keltainen / punainen laminoitu
PV50 Tarrasarja -83 / 85-86 keltainen / punainen
PV50 Tarrasarja -84 sininen / musta laminoitu
PV50 Tarrasarja -84 sininen / musta
PV50 Tarrasarja -87-88 sininen / punainen laminoitu
PV50 Tarrasarja -87-88 sininen / punainen
PV50 Tarrasarja -89 kulta / punainen laminoitu
PV50 Tarrasarja -89 kulta / punainen
PV50 Tarrasarja -90 harmaa / musta laminoitu
PV50 Tarrasarja -90 harmaa / musta
PV50 Tarrasarja -91-93 oranssi / valkoinen laminoitu
PV50 Tarrasarja -91-93 oranssi / valkoinen









Tuotenumero Kuvaus
Tarrat
SZ68271-40A10-SVH Tankin tarra 94-98
SZT5
Sivuposken Tarra -92
Suzuki PV:tä maahantuotiin Suomeen Solifer-Suzuki nimellä.
1992 vuosimallin sivuposkeen asennettiin maahantuojan toimesta Solifer 92 tarra
SZT4
Sivuposken Tarra, Sininen -85
Suzuki PV:tä maahantuotiin Suomeen Solifer-Suzuki nimellä.
1992 vuosimallin sivuposkeen asennettiin maahantuojan toimesta Solifer 95 tarra
SZT6
Tankin etupalaan tuleva Suzukin S-logo tarra.
Mitat: 50 x 50 mm Väri: valkoinen






SZT1
Magneeton kopan vaihdekaavio tarra

SZT2
Tyyppikilpitarra 80-93

SZT3
Tyyppikilpitarra 94->

68319-33E02-000 Yleinen varoitusetiketti





Suzuki PV:n tarrat tuovat mopon ulkonäköön sen viimeisen silauksen. Ilman tarroja PV vaan ei ole PV. Monen tarran valmistus on jo Suzukilla lopetettu, mutta valikoimastamme löydät laadukkaat ”repro” Suzuki PV tarrajäljennökset.
Tarroja on kahdenlaisia: laminoitu ja laminoimaton. Laminoitu on sään- ja polttoaineenkestävä jolloin se tulee maalatun tankin päälle. Se on myös hieman laminoimatonta tarraa paksumpi. Laminoimaton tarra ei ole sään/polttoaineenkestävä, joten se täytyy kiinnittää ennen tankin lakkausta. Tarra on ohuempi, mikä tekee lakkauksesta helpompaa, eikä siihen jää kovin suurta korkeuseroa tankin pinnalle.

Tuotenumero Kuvaus
BP30000 Moottorin etukiinnikepari



BP30009
Jalkatappirungon korvakot

307-1390
Jalkatappisarja, Taittuva, yleismalli

307-72323
Tankinkorkki 35mm, lukollinen. Korkki on kromin värinen kuvasta poiketen

BP10025
Putsarin ”kärsä” TPU:sta tulostettu

BP10008
Johtosarjan Läpivienti, TPU:sta tulostettu

BP40001
Piparimuotti PV50




Tuotenumero Kuvaus
Pitkät terät alumiinille, varsi 6 mm, pituus 150 mm
BP41014
BP41011
BP41015
BP41012
BP41013
BP41010
Vingunterä alumiinille, muoto B
Vingunterä alumiinille, muoto C
Vingunterä alumiinille, muoto D
Vingunterä alumiinille, muoto E
Vingunterä alumiinille, muoto G
Vingunterä alumiinille, muoto H
Pitkät terät teräkselle, varsi 3 mm, pituus 150 mm
BP41000 Vingunterä, muoto C
BP41002
BP41003
BP41005
BP41004
Vingunterä, muoto E
Vingunterä, muoto F
Vingunterä, muoto H
Vingunterä, ohut, muoto H
Pitkät terät teräkselle, varsi 6 mm, pituus 150 mm
BP41006 Vingunterä, muoto C
BP41007 Vingunterä, muoto D
BP41008 Vingunterä, muoto E
BP41009 Vingunterä, muoto F
BP41010 Vingunterä, muoto H
Terät teräkselle, varsi 3 mm, pituus 60 mm
BP41001 Vingunterä, muoto D




Tuotenumero Kuvaus
9-3-2873
Magneeton Ulosvetäjä 27 x 1 mm



BP40000
Monipuolinen kytkintyökalu usealle Suzuki-moottorille
- Ensiörattaan lukitus
- Eturattaan lukitus
- Vauhtipyörän lukitus
BP40003
T-palan mutterien avainsarja
Laserleikattua 3 mm terästä
K9810
Paineilmahiomakone, suora Kamasa Tools
- Kierrokset: 25000 rpm
- Ilmankulutus: 113 l/m
K9811
Paineilmahiomakone, kulma Kamasa Tools
- Kierrokset: 20000 rpm
- Ilmankulutus: 113 l/m
K25016
Kamasa-Tools Työkalusarja, 98-osainen
Työkalusarja sisältää 2 hylsyavainsarjaa (1/4” ja 1/2”) kiintosilmukka-avaimet, nivelhylsyavaimet ja ruuvaustyökalut





9-3-2851
Rengasrautasarja
Pituus 240 mm, pinnakoukku ja säilytyspussi

9-1-72607
Ketjunkatkaisija
Soveltuu ketjutyypeille: 415, 420, 428, 520, 530


Tuotenumero Kuvaus
9-596-0 Polisport, Musta



9-596-4 Polisport, Sininen
9-596-10 Polisport, Valkoinen
9-596-2 Polisport, Punainen
9-596-3 Polisport, Vihreä
9-596-6 Polisport, Oranssi
17-8985800001 Polisport, Bikestand Basic






391-183065 MX Stand varikkopukki


Tuotenumero Kuvaus
55-841



55-822-001
Bel-Ray haarukkaöljy 10W 1L



Bel-Ray H1R synteettinen 2-tahti racing öljy 1L
55-821-001
Bel-Ray Si-7 synteettinen 2-tahtiöljy 1L

55-134-002
Ipone R2000 RS 2-tahtiöljy 2L
21-908717
VALVOLINE SYNPOWER 2T 2-tahtiöljy 1L
X1R-17070 X-1R Synteettinen 2-tahtiöljy 0,5L

55-830-001
Bel-Ray Gear Saver 80W vaihteistoöljy 1L


55-445-001
Castrol MTX 10W-40 1L


55-165
Ipone Sand Chain ketjuöljy 100 ml

55-166-9
Ipone White Chain ketjuöljy 250 ml
55-165-1 Ipone X-Trem Chain Offroad ketjuöljy 750 ml
CD01500KR KRAMP Ketjuöljy 500 ml




Tekniset tiedot
Suzuki PV50, vuosimallit 81-93
Moottorin tyyppi: 2 tahti
Iskutilavuus: 49,9 cm³
Sylinterin halkaisija: 41 mm
Iskun pituus: 37,8 mm
Puristussuhde: 6,2:1
Kaasutin: Mikuni VM12SH
Pääsuutin: 57,5
Suurin teho: 1,5 hp
Polttoainesekoitus: 3%
Polttoainesäiliö: 3,5 litraa
Kytkin: Monilevyinen märkäkytkin
Vaihteisto: 4-vaihteinen
Toisioveto: Ketju
Välityssuhde: 11.2, eturatas 13, takaratas 35
Sytytysjärjestelmä: Kärjellinen 81-82
Kärjetön CDI 83-
Sytytystulppa: NGK BP6ES
Tulpan kärkiväli: 0,7 mm
Sähköjärjestelmän jännite 6V
Eturengas
Koko 3,50 x 8
Paine 1,7 bar
Takarengas
Koko 3,50 x 8
Paine 1,9 bar
Tekniset tiedot
Suzuki PV50, vuosimallit 94-00
Moottorin tyyppi: 2 tahti
Iskutilavuus: 49,9 cm³
Sylinterin halkaisija: 41 mm
Iskun pituus: 37,8 mm
Puristussuhde: 7,0:1
Kaasutin: Mikuni VM14SH
Pääsuutin: 72,5
Suurin teho: 2,0 hp
Polttoainesekoitus: Tuorevoitelu
Polttoainesäiliö: 3,5 litraa
Kytkin: Monilevyinen märkäkytkin
Vaihteisto: 4-vaihteinen
Toisioveto: Ketju
Välityssuhde: 10.4, eturatas 14, takaratas 35
Sytytysjärjestelmä: Kärjetön CDI 83-
Sytytystulppa: NGK BP6ES
Tulpan kärkiväli: 0,7 mm
Sähköjärjestelmän jännite 6V, 98-00 12 V
Eturengas
Koko 3,50 x 8
Paine 1,7 bar
Takarengas
Koko 3,50 x 8
Paine 1,9 bar