Teknisk katalog 061023

Page 1

TEKNISKE PRODUKTER

03.10.2023

TEKNISKE PRODUKTER

1CompactSign

2Lamper

3KF - Kjørefeltsignal

4FG - Fartsgrenseskilt

5Fareskilt

6Arbeidsvarsling

7Kontrollskilt

8Spesialskilt

9Overlys - Lyslist

10 Mekanisk variable skilt

11 Fester

13 Nødskap 14 Nødkiosk

INDEX

INDEX TEKNISKE PRODUKTER 1

COMPACTSIGN

1.1 INNVENDIG BELYST SKILT COMPACTSIGN LED SYREFAST STÅL

1.2 INNVENDIG BELYST SKILT COMPACTSIGN LED ALUMINIUM

1.3 COMPACTSIGN TERMINALSKILT

1.4 COMPACTSIGN MX

INNVENDIG BELYST SKILT COMPACTSIGN LED SYREFAST STÅL

BESKRIVELSE

Et skilt i syrefast stål, (316L / A4) LED lyskilder gir lang levetid, lite vedlikehold lave driftskostnader.

Festeteknologi med C-skinne for M12 firkanthode-bolt i bunn og topp. Alle Euroskilts festetyper kan monteres på alle skilter.

 Tykkelse: 35mm

 IP67 Godkjent

 Tilfredsstiller klasse L2, HB R310

 Kabelgjennomføring, 1 stk. M20

 230Vac driver i egen boks gir dobbelisolering

 Driverboksen (koplingsboks med driver) måler 250x100x70mm. Fester for boksmontering under skilt / på tunnelvegg bestilles separat. (Se egen beskrivelse for DAB/601 skilt)

 Mange typer fester, bestilles separat.

 Leveres med 2m kabel

TEKNOLOGI

Skiltets lyskilde sitter i profilen og er skjermet mot ytre påvirkninger. Diodene er plassert i skiltets sider. Antall dioder (LED) varierer etter størrelse på skilt.

Diodene tåler fukt og vann. CompactSign er en patentert teknologi som sikrer en jevn belysning i hele skiltflaten.

Se figur til høyre:

1.Lysdioder (LED) plassert i profil

2.Pakning

3.3mm klar plate, foliert på innsiden

4.12mm klar plate

5.2mm klar plate

6.3mm klar plate, foliert på innsiden

Rev.09.03.2020 Del 1.1 - Side 1

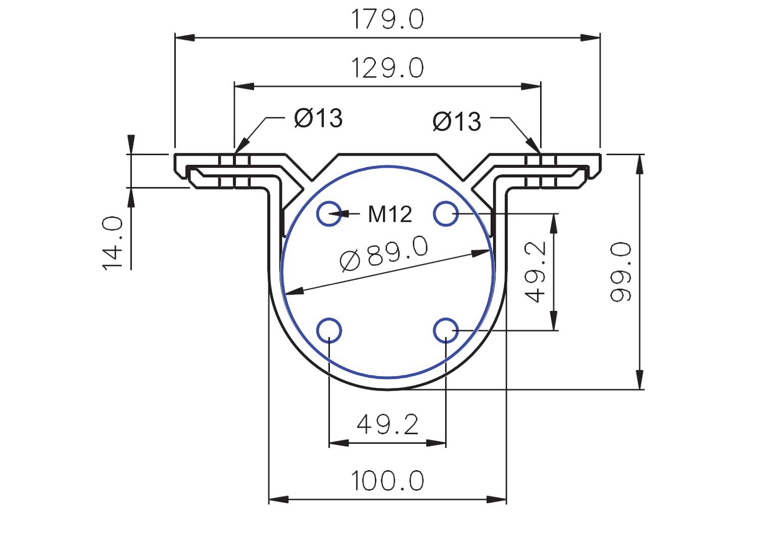
INNVENDIG BELYST SKILT COMPACTSIGN LED SYREFAST STÅL

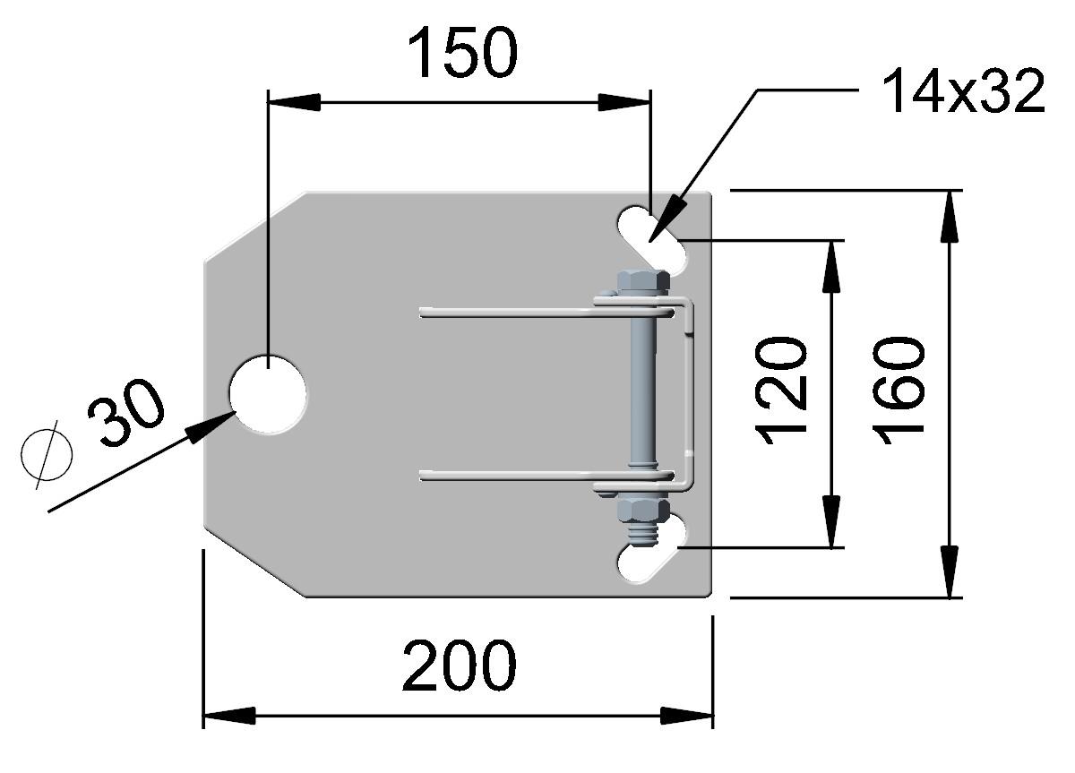
FESTELØSNING MED C-SKINNE

Innvendig belyste skilt av typen CompactSign i syrefast stål leveres med påsveiset C-skinne i topp og bunn.

Alle typer av feste for C-skinne kan monteres på alle skilt.

Alle mål er utvendige skiltmål oppgitt uten C-skinne.

C-skinnen bygger 15mm på topp og bunn slik at den totale høyden blir 30mm mer enn oppgitt mål.

Det brukes en egen firkanthodebolt til C-Skinne.

Boltene følger med festet. Holdfasthetsklasse: tilsvarende ca. 3.6.

For bestilling av ekstra firkanthode bolter:

P.nr. 101616001 Bolt M12x35 m/firkant hode for c-skinne

P.nr. 101616227 Bolt M12x90 m/firkant hode for c-skinne

OBS! Disse syrefaste spesialboltene med firkanthode skal kun brukes vertikalt til CS og ikke til andre skilt eller til andre profiler. Må ikke brukes over kjørebane, kun mot vegg.

BESTILLING AV COMPACTSIGN LED SYREFAST STÅL

På bestilling/ordre velges følgende for hvert skilt.

1.Type skilt (leveres nesten alltid uten fester)

2.Feste for driverboks/koplingsboks

P.nr. 17095400001 CS-R-SF Driverboks feste for standard feste/vegg (plate)

P.nr. 17095400002 CS-R-SF Driverboks feste for kamjern/gjengestang (plate)

P.nr. 17095400003 CS Driverboks feste, vinkler under skilt

3.Skiltfeste - se neste to sider

Samt, om eksisterende festepunkt har C-C mål som ikke passer med målene på standardfester eller annet som krevet tilpasning:

4.Kundetilpassing - utstyr som brukes i tillegg for å få standard fester til å passe andre C-C mål etc. og må tegnes, styrkeberegnes og prises for hvert enkelt tilfelle. P.nr. 17099999990

Rev.09.03.2020 Del 1.1 - Side 2

INNVENDIG BELYST SKILT COMPACTSIGN LED SYREFAST STÅL

FESTEUTSTYR TIL C-SKINNE

Rev.09.03.2020 Del 1.1 - Side 3

INNVENDIG BELYST SKILT COMPACTSIGN LED SYREFAST STÅL

FESTEUTSTYR TIL C-SKINNE - FOR FESTER AV ALUMINIUM

Skinne feste senter

Til Alu NM120 feste Prod.nr. 17095400008

Til Alu NM150 feste Prod.nr. 17095400009

Til Alu Lattix 4420 feste Prod.nr. 17095400010

Til Alu Lattix 4425 feste Prod.nr. 17095400011

Skinne feste flaggmontert

Til Alu NM120 feste Prod.nr. 17095400012

Til Alu NM150 feste Prod.nr. 17095400013

Til Alu Lattix 4420 feste Prod.nr. 17095400014

Til Alu Lattix 4425 feste Prod.nr. 17095400015

Rev.09.03.2020 Del 1.1 - Side 4

INNVENDIG BELYST SKILT COMPACTSIGN LED SYREFAST STÅL

FESTEUTSTYR TIL C-SKINNE FOR PLOGSKILT

Disse festene leveres samlet som et sett. Settet passer på alle skilt med C-skinne og plogskiltet kan med dette justeres til alle ønskede vinkler opp til 120°. Driverboks monteres på innsiden av plogskiltet med medfølgende fester.

Festesett for plogmontering for M12 bolter i vegg

P.nr. 170 950 000 30

Rev.09.03.2020 Del 1.1 - Side 5

INNVENDIG BELYST SKILT COMPACTSIGN LED SYREFAST STÅL

STANDARDSKILT MED C-SKINNE

Skilt 570.1V

P.nr. 170 002 003 30 CS-R-570.1V-T-SFC

Størrelse: 470 x 470mm, Skiltansikt: 400 x 400mm

C-C Kamjern: 598mm, C-C M12 bolt: 588mm

Driver: LPC-20-700, Drift: 0,35A 230Vac, LED: 21W

Kaldstartstrøm: 220µs, 70A, 230Vac

Vekt: 8kg

Skilt 570.1H

P.nr. 170 002 003 31 CS-R-570.1H-T-SFC

Størrelse: 470 x 470mm, Skiltansikt: 400 x 400mm

C-C Kamjern: 598mm, C-C M12 bolt: 588mm

Driver: LPC-20-700, Drift: 0,35A 230Vac, LED: 21W

Kaldstartstrøm: 220µs, 70A, 230Vac

Vekt: 8kg

Skilt 605

P.nr. 170 006 050 03 CS-R-605-T-SFC

Størrelse: 510 x 510mm, Skiltansikt: 440 x 440mm

C-C Kamjern: 638mm, C-C M12 bolt: 628mm

Driver: LPC-20-700, Drift: 0,35A 230Vac, LED: 21W

Kaldstartstrøm: 220µs, 70A, 230Vac

Vekt: 9kg

Skilt 606

P.nr. 170 006 060 01 CS-R-606-T-SFC

Størrelse: 510 x 510mm, Skiltansikt: 440 x 440mm

C-C Kamjern: 638mm, C-C M12 bolt: 628mm

Driver: LPC-20-700, Drift: 0,35A 230Vac, LED: 21W

Kaldstartstrøm: 220µs, 70A, 230Vac

Vekt: 9kg

Skilt 605-606 (600.21)

P.nr. 170 002 002 01 CS-R-605/606-T-LS-SFC

Størrelse: 510 x 880mm, Skiltansikt: 440 x 810mm

C-C Kamjern: 1008mm, C-C M12 bolt: 998mm

Driver: LPC-35-1050, Drift: 0,7A 230Vac, LED: 31,5W

Kaldstartstrøm: 500µs, 55A, 230Vac

Vekt: 16kg

Rev.09.03.2020 Del 1.1 - Side 6

INNVENDIG BELYST SKILT COMPACTSIGN LED SYREFAST STÅL

STANDARDSKILT MED C-SKINNE

Skilt 555-600.21 US

P.nr. 170 002 003 01 CS-R-US- 555/600.21T-SFC

Størrelse: 520 x 920mm, Skiltansikt: 450 x 850mm

C-C Kamjern: 1048mm, C-C M12 bolt: 1038mm

Driver: LPC-35-1400 Drift: 0,7A 230Vac, LED: 33,6W

Kaldstartstrøm: 500µs, 55A, 230Vac

Vekt: 17kg

Skilt 904H LS

P.nr. 170 002 009 00 CS-R-LS-904H-T-SFC

Størrelse: 690 x 690mm, Skiltansikt: 620 x 620mm

C-C Kamjern: 818mm, C-C M12 bolt: 808mm

Driver: LPC-20-700, Drift: 0,35A 230Vac, LED: 21W

Kaldstartstrøm: 220µs, 70A, 230Vac

Vekt: 16kg

Skilt 904V LS

P.nr. 170 002 009 02 CS-R-LS-904V-T-SFC

Størrelse: 690 x 690mm, Skiltansikt: 620 x 620mm

C-C Kamjern: 818mm, C-C M12 bolt: 808mm

Driver: LPC-20-700, Drift: 0,35A 230Vac, LED: 21W

Kaldstartstrøm: 220µs, 70A, 230Vac

Vekt: 16kg

Skilt 210 LS

P.nr. 170 002 009 01

CS-R-LS-210-E-SFC

Størrelse: 740 x 656mm, Skiltansikt: 670 x 586mm

C-C Kamjern: 784mm, C-C M12 bolt: 774mm

Driver: LPC-20-700, Drift: 0,35A 230Vac, LED: 21W

Kaldstartstrøm: 220µs, 70A, 230Vac

Vekt: 17kg

Rev.09.03.2020 Del 1.1 - Side 7

INNVENDIG BELYST SKILT COMPACTSIGN LED SYREFAST STÅL

STANDARDSKILT MED C-SKINNE

Skilt 362.xx US

Skilt

Skilt

Skilt

Størrelse: 470 x 470mm, Skiltansikt: 400 x 400mm

C-C Kamjern: 598mm, C-C M12 bolt: 588mm

Driver: LPC-20-350, Drift: 0,35A 230Vac, LED: 16.8W

Kaldstartstrøm: 220µs, 70A, 230Vac

Vekt: 8kg

Skilt 362.xx LS

Skilt

Størrelse: 670 x 670mm, Skiltansikt: 600 x 600mm

C-C Kamjern: 798mm, C-C M12 bolt: 788mm

Driver: LPC-20-700, Drift: 0,35A 230Vac, LED: 21W

Kaldstartstrøm: 220µs, 70A, 230Vac

Vekt: 16kg

Skilt

Skilt

Skilt

Størrelse: 870 x 870mm, Skiltansikt: 800 x 800mm

C-C Kamjern: 998mm, C-C M12 bolt: 988mm

Driver: LPC-35-1050, Drift: 0,7A 230Vac, LED: 31,5W

Kaldstartstrøm: 500µs, 55A, 230Vac

Vekt: 27kg

Rev.09.03.2020 Del 1.1 - Side 8
P.nr.17000200620 CS-R-US-362.30-E-SFC
362.30
362.40 P.nr.17000200621 CS-R-US-362.40-E-SFC
P.nr.17000200622 CS-R-US-362.50-E-SFC
362.50
P.nr.17000200623 CS-R-LS-362.30-E-SFC
Skilt 362.30
362.40 P.nr.17000200624 CS-R-LS-362.40-E-SFC
362.50 P.nr.17000200625 CS-R-LS-362.50-E-SFC Skilt 362.60 P.nr.17000200626 CS-R-LS-362.60-E-SFC Skilt 362.70 P.nr.17000200627 CS-R-LS-362.70-E-SFC Skilt 362.80 P.nr.17000200628 CS-R-LS-362.80-E-SFC Skilt 362.90 P.nr.17000200629 CS-R-LS-362.90-E-SFC
Skilt
362.30 P.nr.17000200630 CS-R-MS-362.30-E-SFC
362.40 P.nr.17000200631 CS-R-MS-362.40-E-SFC Skilt 362.50 P.nr.17000200632 CS-R-MS-362.50-E-SFC Skilt 362.60 P.nr.17000200633 CS-R-MS-362.60-E-SFC Skilt 362.70 P.nr.17000200634 CS-R-MS-362.70-E-SFC Skilt 362.80 P.nr.17000200635 CS-R-MS-362.80-E-SFC
362.xx MS Skilt
Skilt
362.90 P.nr.17000200636 CS-R-MS-362.90-E-SFC
362.100 P.nr.17000200637 CS-R-MS-362.100-E-SFC
Skilt
362.110 P.nr.17000200638 CS-R-MS-362.110-E-SFC

INNVENDIG BELYST SKILT COMPACTSIGN LED SYREFAST STÅL

STANDARDSKILT MED C-SKINNE

Skilt 364.xx US Skilt

Størrelse: 470 x 470mm, Skiltansikt: 400 x 400mm

C-C Kamjern: 598mm, C-C M12 bolt: 588mm

Driver: LPC-20-350, Drift: 0,35A 230Vac, LED: 16.8W

Kaldstartstrøm: 220µs, 70A, 230Vac

Vekt: 8kg

Størrelse: 670 x 670mm, Skiltansikt: 600 x 600mm

C-C Kamjern: 578mm, C-C M12 bolt: 788mm

Driver: LPC-20-700, Drift: 0,35A 230Vac, LED: 21W

Kaldstartstrøm: 220µs, 70A, 230Vac

Vekt: 16kg

Størrelse: 870 x 870mm, Skiltansikt: 800 x 800mm

C-C Kamjern: 998mm, C-C M12 bolt: 988mm

Driver: LPC-35-1050, Drift: 0,7A 230Vac, LED: 31,5W

Kaldstartstrøm: 500µs, 55A, 230Vac

Vekt: 27kg

Rev.09.03.2020 Del 1.1 - Side 9
P.nr.17000200639 CS-R-US-364.30-E-SFC
364.40 P.nr.17000200640 CS-R-US-364.40-E-SFC
364.50 P.nr.17000200641 CS-R-US-364.50-E-SFC
364.30
Skilt
Skilt
Skilt
Skilt 364.30 P.nr.17000200642 CS-R-LS-364.30-E-SFC Skilt 364.40 P.nr.17000200643 CS-R-LS-364.40-E-SFC Skilt 364.50 P.nr.17000200644 CS-R-LS-364.50-E-SFC Skilt 364.60 P.nr.17000200645 CS-R-LS-364.60-E-SFC Skilt 364.70 P.nr.17000200646 CS-R-LS-364.70-E-SFC
364.xx LS
Skilt 364.xx MS Skilt 364.30 P.nr.17000200647 CS-R-MS-364.30-E-SFC Skilt 364.40 P.nr.17000200648 CS-R-MS-364.40-E-SFC Skilt 364.50 P.nr.17000200649 CS-R-MS-364.50-E-SFC Skilt 364.60 P.nr.17000200650 CS-R-MS-364.60-E-SFC Skilt 364.70 P.nr.17000200651 CS-R-MS-364.70-E-SFC

INNVENDIG BELYST SKILT COMPACTSIGN LED SYREFAST STÅL

STANDARDSKILT MED C-SKINNE

Skilt 534.11

P.nr. 170 002 003 40 CS-R-534.V11-E-SFC

Størrelse: 910 x 970mm, Skiltansikt: 840 x 900mm

C-C Kamjern: 1098mm, C-C M12 bolt: 1088mm

Driver: LPC-60-1400, Drift: 0,7A 230Vac, LED: 58,8W

Kaldstartstrøm: 540µs, 60A, 230Vac

Vekt: 28kg

Skilt 530.11

P.nr. 170 002 003 41 CS-R-530.11-E-SFC

Størrelse: 970 x 1015mm, Skiltansikt: 900 x 945mm

C-C Kamjern: 1143mm, C-C M12 bolt: 1133mm

Driver: LPC-60-1400, Drift: 0,7A 230Vac, LED: 58,8W

Kaldstartstrøm: 540µs, 60A, 230Vac

Vekt: 28kg

Skilt 334 US

P.nr. 170 002 006 01 CS-R-US-334-E-SFC

Størrelse: 470 x 470mm, Skiltansikt: 400 x 400mm

C-C Kamjern: 598mm, C-C M12 bolt: 588mm

Driver: LPC-20-350, Drift: 0,35A 230Vac, LED: 16.8W

Kaldstartstrøm: 220µs, 70A, 230Vac

Vekt: 8kg

Skilt 334 LS

P.nr. 170 002 006 02

CS-R-LS-334-E-SFC

Størrelse: 670 x 670mm, Skiltansikt: 600 x 600mm

C-C Kamjern: 798mm, C-C M12 bolt: 788mm

Driver: LPC-20-700, Drift: 0,35A 230Vac, LED: 21W

Kaldstartstrøm: 220µs, 70A, 230Vac

Vekt: 16kg

Skilt 334 MS

P.nr. 170 002 006 03

CS-R-MS-334-E-SFC

Størrelse: 870 x 870mm, Skiltansikt: 800 x 800mm

C-C Kamjern: 998mm, C-C M12 bolt: 988mm

Driver: LPC-35-1050, Drift: 0,7A 230Vac, LED: 31,5W

Kaldstartstrøm: 500µs, 55A, 230Vac

Vekt: 27kg

Rev.09.03.2020 Del 1.1 - Side 10

INNVENDIG BELYST SKILT COMPACTSIGN LED SYREFAST STÅL

STANDARDSKILT MED C-SKINNE

Skilt 336 US

P.nr. 170 002 006 10 CS-R-US-336-E-SFC

Størrelse: 470 x 470mm, Skiltansikt: 400 x 400mm

C-C Kamjern: 598mm, C-C M12 bolt: 588mm

Driver: LPC-20-350, Drift: 0,35A 230Vac, LED: 16.8W

Kaldstartstrøm: 220µs, 70A, 230Vac

Vekt: 8kg

Skilt 336 LS

P.nr. 170 002 006 11 CS-R-LS-336-E-SFC

Størrelse: 670 x 670mm, Skiltansikt: 600 x 600mm

C-C Kamjern: 798mm, C-C M12 bolt: 788mm

Driver: LPC-20-700, Drift: 0,35A 230Vac, LED: 21W

Kaldstartstrøm: 220µs, 70A, 230Vac

Vekt: 16kg

Skilt 336 MS

P.nr. 170 002 006 12 CS-R-MS-336-E-SFC

Størrelse: 870 x 870mm, Skiltansikt: 800 x 800mm

C-C Kamjern: 798mm, C-C M12 bolt: 788mm

Driver: LPC-35-1050, Drift: 0,7A 230Vac, LED: 31,5W

Kaldstartstrøm: 500µs, 55A, 230Vac

Vekt: 27kg

Skilt 310 US

P.nr. 170 002 006 65 CS-R-US-310(3,5t)-E-SFC

Størrelse: 470 x 470mm, Skiltansikt: 400 x 400mm

C-C Kamjern: 598mm, C-C M12 bolt: 588mm

Driver: LPC-20-350, Drift: 0,35A 230Vac, LED: 16.8W

Kaldstartstrøm: 220µs, 70A, 230Vac

Vekt: 8kg

Skilt 310 LS

P.nr. 170 002 006 66 CS-R-LS-310(3,5t)-E-SFC

Størrelse: 670 x 670mm, Skiltansikt: 600 x 600mm

C-C Kamjern: 798mm, C-C M12 bolt: 788mm

Driver: LPC-20-700, Drift: 0,35A 230Vac, LED: 21W

Kaldstartstrøm: 220µs, 70A, 230Vac

Vekt: 16kg

Rev.09.03.2020 Del 1.1 - Side 11

INNVENDIG BELYST SKILT COMPACTSIGN LED SYREFAST STÅL

STANDARDSKILT MED C-SKINNE

Skilt 310 MS

P.nr. 170 002 006 67 CS-R-MS-310(3,5t)-E-SF

Størrelse: 870 x 870mm, Skiltansikt: 800 x 800mm

C-C Kamjern: 998mm, C-C M12 bolt: 988mm

Driver: LPC-35-1050, Drift: 0,7A 230Vac, LED: 31,5W

Kaldstartstrøm: 500µs, 55A, 230Vac

Vekt: 27kg

Skilt 104.1 LS

P.nr. 170 002 006 60 CS-R-LS-104.1-E-SFC

Størrelse: 740 x 656mm, Skiltansikt: 670 x 586mm

C-C Kamjern: 784mm, C-C M12 bolt: 774mm

Driver: LPC-20-700, Drift: 0,35A 230Vac, LED: 21W

Kaldstartstrøm: 220µs, 70A, 230Vac

Vekt: 17kg

Skilt 104.2 LS

P.nr. 170 002 006 61 CS-R-LS-104.2-E-SFC

Størrelse: 740 x 656mm, Skiltansikt: 670 x 586mm

C-C Kamjern: 784mm, C-C M12 bolt: 774mm

Driver: LPC-20-700, Drift: 0,35A 230Vac, LED: 21W

Kaldstartstrøm: 220µs, 70A, 230Vac

Vekt: 17kg

Skilt 538.12

P.nr. 170 002 010 00 CS-R-538.12-E-SFC

Størrelse: 910 x 970mm, Skiltansikt: 840 x 900mm

C-C Kamjern: 1098mm, C-C M12 bolt: 1088mm

Driver: LPC-60-1400, Drift: 0,7A 230Vac, LED: 58,8W

Kaldstartstrøm: 540µs, 60A, 230Vac

Vekt: 28kg

Skilt 538.21

P.nr. 170 002 010 01

CS-R-538.21-E-SFC

Størrelse: 910 x 970mm, Skiltansikt: 840 x 900mm

C-C Kamjern: 1098mm, C-C M12 bolt: 1088mm

Driver: LPC-60-1400, Drift: 0,7A 230Vac, LED: 58,8W

Kaldstartstrøm: 540µs, 60A, 230Vac

Vekt: 28kg

Rev.09.03.2020 Del 1.1 - Side 12

INNVENDIG BELYST SKILT COMPACTSIGN LED SYREFAST STÅL

STANDARDSKILT MED C-SKINNE

Skilt 916

Ferdige sett med skilter

Størrelse: 570/610 x 720mm

Skiltansikt: 500/540 x 650mm

C-C Kamjern: 848mm

C-C M12 bolt: 838mm

Driver: LPC-20-700, Drift: 0,35A 230Vac, LED: 21W

Kaldstartstrøm: 220µs, 70A, 230Vac

Vekt: 13kg/stk.

Rev.09.03.2020 Del 1.1 - Side 13
Antall Tunnel skilt Pr.nr.Produkt navn lengde totalt 17000200803 CS-R-LS-916 3km-T-SFC 3km 4 stk. 17000200804 CS-R-LS-916 4km-T-SFC 4km 6 stk. 17000200805 CS-R-LS-916 5km-T-SFC 5km 8 stk. 17000200806 CS-R-LS-916 6km-T-SFC 6km 10 stk. 17000200807 CS-R-LS-916 7km-T-SFC 7km 12 stk. 17000200808 CS-R-LS-916 8km-T-SFC 8km 14 stk. 17000200809 CS-R-LS-916 9km-T-SFC 9km 16 stk. 17000200810 CS-R-LS-916 10km-T-SFC 10km 18 stk.

INNVENDIG BELYST SKILT COMPACTSIGN LED SYREFAST STÅL

601B LYTT TIL RADIO MED C-SKINNE (DAB SKILT TOPOSISJON)

Et variabelt LED skilt med gul vekselblink som kun er aktivt når det er melding på DAB radio. I normal situasjon er skiltet av. Skiltet er kun 46mm tykt.

Driverboksen måler 250x100x180mm og leveres med fester montert under skilt men den kan monteres i flere posisjoner under skilt eller på vegg. Lampefeste til plogskilt sikrer at lampen alltid har riktig retning uansett vinkel på plogskilt.

US ensidig: Driver: LPC-60-1400, Drift: 0,7A 230Vac, LED: 58,8W

US tosidig: Driver: 2xLPC-60-1400, Drift: 1,4A 230Vac, LED: 117,6W - Vekt: 37kg

LS ensidig: Driver: LPC-60-1750, Drift: 0,7A 230Vac, LED: 59,5W

LS tosidig: Driver: 2xLPC-60-1750, Drift: 1,4A 230Vac, LED: 119W - Vekt: 43kg

Kaldstartstrøm: US/LS ensidig: 540µs, 60A, 230Vac, US/LS tosidig: 540µs, 120A, 230Vac

601B Lytt til radio US - tosidig

P.nr. 170 002 001 00

CS-R-US-601-T-SFC4

Størrelse: 550 x 700mm, Skiltansikt: 480 x 630mm

C-C Kamjern: 828mm

C-C M12 bolt: 818mm

601B Lytt til radio US - ensidig

P.nr. 170 001 000 12

CS-R-US-601-E-SFC

601B Lytt til radio US (x2) Med fester for plogmontering

P.nr. 170 953 000 16

CS-R-US-601-PlogSkilt-T-SFC

601B Lytt til radio LS - tosidig

P.nr. 170 002 001 01

CS-R-LS-601-T-SFC

Størrelse: 710 x 910mm, Skiltansikt: 640 x 840mm

C-C Kamjern: 1038mm

C-C M12 bolt: 1028mm

601B Lytt til radio LS - ensidig

P.nr. 170 001 000 13

CS-R-LS-601-E-SFC

601B Lytt til radio LS (x2) Med fester for plogmontering

P.nr. 170 953 000 12

CS-R-LS-601-PlogSkilt-T-SFC

Rev.09.03.2020 Del 1.1 - Side 14

INNVENDIG BELYST SKILT COMPACTSIGN LED ALUMINIUM

BESKRIVELSE

Et skilt av høy kvalitet med lave kostnader. LED gir lang levetid og mindre vedlikehold. Høy korrosjonsbestandighet med kromatert, pulverlakkert, sjøvannsbestandig aluminium. Alle bolter, skruer og mutrer er i syrefast A4.

 Tykkelse 38mm

 IP67 Godkjent

 Tilfredsstiller klasse L2, HB R310

 Diverse varianter av festeutstyr kan bestilles

 8mm festespor i rammen

 230Vac integrert driver

 Driver i egen boks

TEKNOLOGI

Skiltets lyskilde sitter i profilen og er skjermet mot ytre påvirkninger.

Antall dioder (LED) varierer etter størrelse på skilt. Det er bare i skiltets sider det er plassert dioder. Diodene blir ikke ødelagte av vann.

CompactSign er en patentert teknologi som sikrer en jevn belysning i hele skiltflaten.

Se figur til høyre:

1.Lysdioder (LED) plassert i profil

2.Spor for Sikaflex eller pakning

3.3mm klar plate, foliert på innsiden

4.12mm klar plate

5.2mm klar plate

6.3mm klar plate, foliert på innsiden

Rev.09.03.2020 Del 1.2 - Side 1

INNVENDIG BELYST SKILT COMPACTSIGN LED ALUMINIUM

STANDARDSKILT

Leveres med standard feste, hvis ikke annet spesifiseres.

C-C mål for innfesting i høyden:

Standard feste = skiltmål - 200mm, justerbart til mindre C-C mål

Kamjernfeste = skiltmål + 60mm, justerbart 13mm

Kabelgjennomføring leveres som standard 1 stk. M20

Rev.08.10.2020 Del 1.2 - Side 2
P.nr. 170 000 000 42 570.1V 513 x 513mm Effekt 14W Lysstyrke
P.nr. 170 000 000 52 570.1H 513 x 513mm Effekt 14W Lysstyrke ca.300cd P.nr. 170 000 000 62 605 553 x 553mm Effekt 14W Lysstyrke 300cd P.nr. 170 000 000 72 606 553 x 553mm Effekt 14W Lysstyrke ca.300cd P.nr. 170 000 000 82 362.xx 713 x
Effekt 21W Lysstyrke
P.nr. 170 000 000 10 605-606 553 x 923mm Effekt 21W Lysstyrke ca.300cd P.nr. 170 000 000 20 555-600.21 563 x 963mm Effekt 28W Lysstyrke ca.300cd P.nr. 170 000 000 01 601 633 x 913mm Effekt 28W Lysstyrke ca.300cd
ca.300cd
713mm
ca.300cd

INNVENDIG BELYST SKILT COMPACTSIGN LED ALUMINIUM

FESTEUTSTYR

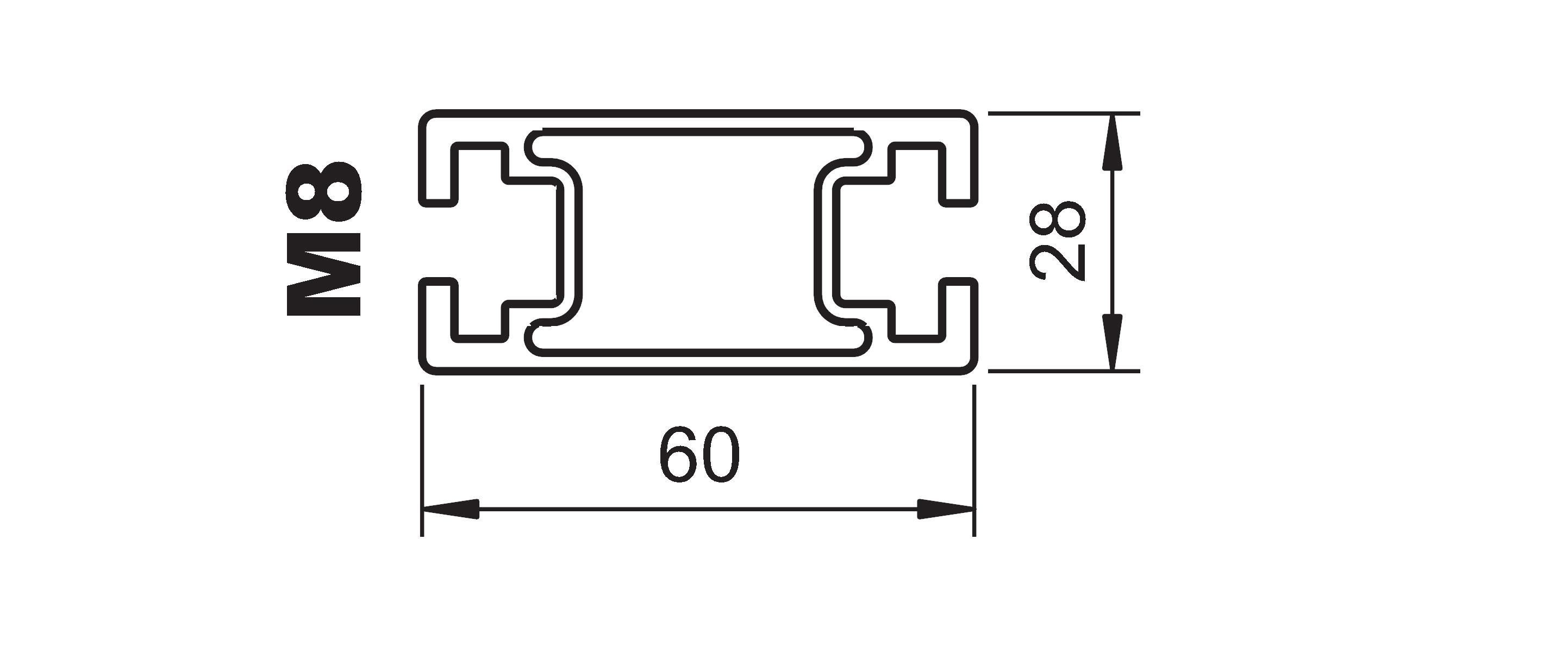
Standard feste

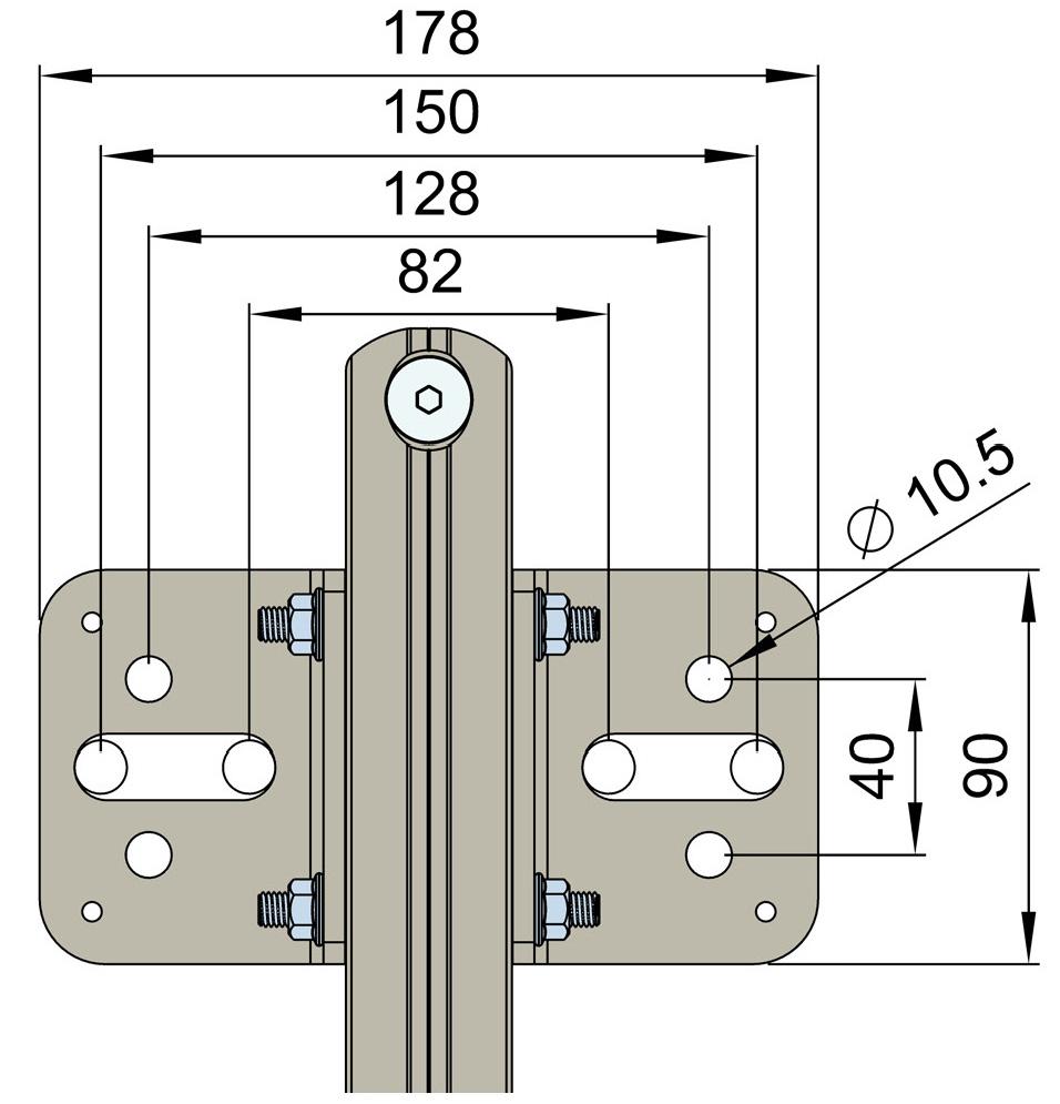
Fester for montering mot vegg/stolpe.

Festes i skiltet med 8mm T-hode bolter i skruespor Med 10,5mm hull for 8mm bolter og 15mm slidespor for 12mm bolter.

C-C mål for innfesting i høyden = skiltmål - 200mm

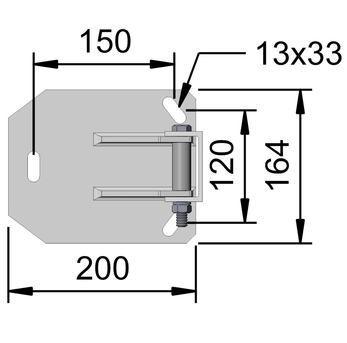
Kamjernfeste

Feste for kamjern. Justerbart horisontalt og vertikalt. Festes i skiltet med 8mm T-hode bolter i skruespor.

C-C mål for innfesting i høyden = skiltmål + 60mm, justerbart 30mm For innfesting på mast eller annen innfesting se eget kapittel om innfesting.

Rev.09.03.2020 Del 1.2 - Side 3

INNVENDIG BELYST SKILT COMPACTSIGN LED ALUMINIUM

FESTEUTSTYR EKSEMPEL FLAGGMONTERING

CS feste forsterket flaggmontering, Ø60mm

P.nr. 17095000026

CS feste forsterket flaggmontering, Ø90mm

P.nr. 17095000027

CS feste forsterket flaggmontering, til stålklammer C-C 162mm

P.nr. 17095000028 og 17095000029

Passer til stålklammer (lysmastklammer) 3"/88,9mm, 4"/114,3mm og 5"/139,7mm, stålklammer bestilles separat

Rev.09.03.2020 Del 1.2 - Side 4

BESKRIVELSE

Et skilt av høy kvalitet med lave kostnader. LED gir lang levetid og mindre vedlikehold. Høy korrosjonsbestandighet med kromatert, pulverlakkert, sjøvannsbestandig aluminium. Alle bolter, skruer og mutrer er i syrefast A4.

• Kun 38mm tykt skilt

• IP20, innendørs skilt

• Forventet levetid lysdioder: 100.000 timer

• Effektforbruk for standard terminalskilt er 10-17W

• Mange varianter av festeutstyr kan suppleres

Alle skilt er CE-merket og testet av tredjeparts institusjon.

• EN 60598-1, EN60598-2-1, EN55015, EN 61000-3-2, EN 61547

• EMC 89/336/EEC

• LVD 73/23/EEC

Rev.01.12.2018 Del 1.3 - Side 1
COMPACTSIGN TERMINALSKILT

TEKNOLOGI INNENDØRS SKILT

Skiltets lyskilde sitter i profilen og er skjermet mot ytre påvirkninger. For skilt opptil 1,2m bredde er det en vertikal lyslist med dioder i den ene siden, for bredere skilt opp til 3m er det to, en i hver kortside.

Diodene blir ikke ødelagte av vann. CompactSign er en patentert teknologi som sikrer en jevn belysning i hele skiltflaten.

Lakkering: RAL 9007 Glans 30

Se

figur til høyre:

1.Lysdioder (LED) plassert i profil

2.3mm klar plate, antirefleks, foliert

3.12mm klar plate

4.3mm klar plate, foliert

COMPACTSIGN TERMINALSKILT Rev.01.12.2018 Del 1.3 - Side 2

OPPBYGGING

SKIFTE AV SKILTFRONT

Rev.01.12.2018 Del 1.3 - Side 3
COMPACTSIGN TERMINALSKILT

COMPACTSIGN TERMINALSKILT

Innendørs skilt

3-sidig

Rev.01.12.2018 Del 1.3 - Side 4
STANDARDSKILT
skilt, bagasjebånd

FESTEUTSTYR

Pendelfeste - takmontert

Med gjengemuffer og innvendig hurtigkopling for elektrisk tilkopling.

Montering

Takhatt monteres med 2 stk. M6-M8 skruer i Ø10mm hull. Det finnes to høyder takhatt: 100mm (standard) og lav type 50mm.

Skruene må monteres med min. Ø16mm diameter skive.

Det er viktig å kontrollere at skruene har den kapasitet som kreves: Med fire skilt innunder hverandre må hver

skrue ha en garantert tillatt last på min: 80 kg

Det gir tilsvarende for 1 - 4 skilt i høyden:

1 skilt = 20 kg/skrue

2 skilt = 40 kg/skrue

3 skilt = 60 kg/skrue

4 skilt = 80 kg/skrue

Rev.01.12.2018 Del 1.3 - Side 5
COMPACTSIGN TERMINALSKILT

COMPACTSIGN TERMINALSKILT

FESTEUTSTYR

Søylefeste

Fester, vinkler, for montering mot søyle.

Rev.01.12.2018 Del 1.3 - Side 6

COMPACTSIGN TERMINALSKILT

FESTEUTSTYR

Veggfeste - flaggmontert Fester for montering mot vegg/stolpe.

Rev.01.12.2018 Del 1.3 - Side 7

COMPACTSIGN MX

BESKRIVELSE

Et skilt av høy kvalitet. LED gir lang levetid, lave levetidskostnader og mindre vedlikehold. Høy korrosjonsbestandighet med kromatert, pulverlakkert, sjøvannsbestandig aluminium. Alle bolter, skruer og mutrer er i syrefast A4. Skiltets front er låst fast i bunn og låses i topp.

• Utskiftbar lysdioderekke

• Enkelt utskiftbar skiltfront

• Forventet levetid lysdioder: 100.000 timer

• Tilpasset standard festemateriell

TEKNOLOGI

Skiltets lyskilde sitter i egen utskiftbar profil som er skjermet mot ytre påvirkninger. Diodene blir ikke ødelagte av vann. Compact Sign er en patentert teknologi som sikrer en jevn belysning i hele skiltflaten.

Se figur til høyre:

1.Lysdioder plassert i egen profil

2.Utskiftbar profil for LED

3.Skruer for LED profil

4.Utskiftbar skiltfront

5.Foliert frontplate

6.Klar plate som sprer lys fra LED

7.Aluminium bakplate

8.Innfesting til standard trafikkoppsettingsmateriell

Rev. 01.12.2018 Del 1.4 - Side 1

FESTEUTSTYR

Det er enkelt å montere skiltet som har M12 skinner rundt om samt skinne for VD klammer. Det er og mulig å montere skiltet med kun bolthode i sporet, men da må man huske at styrken blir vesentlig redusert og man må kontrollberegne innfestingen nøye. Det er også enkelt å ettermontere annet utstyr med T-bolt/hammerhodebolt i skinnen.

Ved montering er det viktig å huske at alle deler av festeutstyret som er i direkte kontakt med skiltet må være i A4, syrefast stål eller varmgalvanisert stål, A2 eller elzink må ikke brukes.

Montering på Norsafe Mast

Når skiltet monteres på Norsafe Mast er det normalt kun nødvendig med fester oppe og nede på skiltet, der det er behov for det så leveres skiltet med ekstra M12 ryggskinner for montering av fester i flere høyder, da skal det monteres doble fester i alle ryggskinner. Alle fester og monteringsdetaljer er laget av aluminium med syrefaste bolter som sikrer lang levetid. Det er også mulig å montere skiltet med NM feste for VD dersom man ikke har feste med glideskinne tilgjengelig. Følgende fester med glideskinne brukes for montering av skiltet på

Norsafe Mast:

Artikkel nr.: 21190022618 Klammer alum Ø90mm med flattskinne

Artikkel nr.: 22330020012 NM120 Skiltfeste m/60mm glideskinne

Artikkel nr.: 22330030015 NM150 Skiltfeste m/60mm glideskinne

Artikkel nr.: 22330000019 NM190/290 Skiltfeste m/60mm glideskinne

MX Rev. 09.03.2020 Del 1.4 - Side 2
COMPACTSIGN

COMPACTSIGN MX

FESTEUTSTYR

Montering på Lattix Mast

Ved montering på Lattix skal det monteres mutterskinner hver 0,3m høyde bak på skiltet. Det er derfor meget viktig å innformere om hva skiltet skal monteres på når man bestiller. Standard kombiklammer modifisert med M12 bolt og glideskinne brukes til montering.

Artikkel nr.:

21940000005 Klammer kombi type for Lattix master modifisert

Montering på stål fagverk

Feste i galvanisert stål brukes når skiltet skal monteres på en mast eller portal laget av stål fagverk.

Art.nr.: 21190022730 Klammer VFZ for Ø20-45mm, m/VD skinne

Art.nr.: 21190022740 Klammer VFZ for Ø20-45mm, m/glideskinne

Montering med Ø60 eller Ø90mm rør bak skiltet

Aluminium fester som brukes når skiltet skal monteres på rør samt på Norsafe Mast NM89. Her må man være obs på at rørene normalt blir det svakeste punktet i konstruksjonen. Det er også mulig å montere skiltet med feste for VD dersom man ikke har feste med glideskinne tilgjengelig. Det kan og leveres varmgalvaniserte fester for montering på andre rør. Følgende fester med glideskinne brukes for montering med rør:

Artikkel nr.: 21190022614 Klammer alum Ø60mm med flattskinne

Artikkel nr.: 21190022618 Klammer alum Ø90mm med flattskinne

Rev. 09.03.2020 Del 1.4 - Side 3

INDEX TEKNISKE PRODUKTER

2 LED LAMPER

Gul Slavelampe 12/24Vdc

Rød Slavelampe 12/24Vdc

Gult Vekselblinksett - 40-60mm rørfeste

Rødt Vekselblinksett - 40-60mm rørfeste

Gulblink - Aluminium for kamjernfeste

Rødblink for tunnel

Gult vekselblink - for varslingsvogn

13LED varselblink for bomarm - dobbel

14LED varselblink for bomarm - 1x dobbelsidig

15LED varselblink for bomarm - 2 x dobbsidig

16Ledelys for bomlamper Ø200mm

17Gul Vekselblink for forvarsling

18Gul Vekselblink 200mm med bakgrunnskjerm

19Rød Vekselblink 200mm med bakgrunnskjerm

20Rød Vekselblink 300mm med bakgrunnskjerm

21Gul slavelampe 300mm

22Rød slavelampe 300mm

23Gult vekselblinksett 300mm med 40-50mm rørfeste

24Rødt vekselblinksett 300mm med 40-50mm rørfeste

25Ledelys for bomlamper Ø300mm

26LED Ledelys for tunnel

27Gult Vekselblinksett for 601 DAB

28Rødt Vekselblinksett, 300mm - 40-60mm rørfeste

29Gult varselblink for bomarm - singel

26 9 22 SideVare P.nr. 1 160 952 014 24 2 160 952 013 24 3 160 610 000 09 160 610 000 11 4 160 610 000 10 160 610 000 12 5 160 000 000 10 6 160 000 000 40 160 000 000 40 7 160 600 000 05 8
Gult vekselblink - for
160 000 000 30 160 000 000 31 10Rødt vekselblink - for skiltmontering 160 000 000 20 160 00 000 021
varselblink for bomarm - singel 160 600 000 52
skiltmontering
12Rødt
160 600 000 03 160 600 000 02 160 600 000 01 160 600 000 08 160 950 028 20 160 600 000 30 160 600 000 10 160 600 000 20 160 950 300 02 160 950 300 01 160 610 000 15 160 610 000 16 160 600 000 09 160 000 000 01 160 000 000 18 160 000 000 24 160 600 000 58

200mm Gul slavelampe. Euroskilt LED lampe type SR2D. Leveres med 5m kabel.

CE merket, EN 12352

L8M / L8H

Effekt: 8W

P.nr.: 16095201424

1 Brun: 9 - 28 Vdc

2.Blå: 0 Vdc

1 12 9 23

200mm rød slavelampe. Euroskilt LED lampe type SR2D. Leveres med 5m kabel.

CE merket, EN 12352

L8M / L8H

Effekt: 8W

P.nr.: 16095201324

1.Brun: 9 - 28 Vdc

2.Blå: 0 Vdc

1 12 9 23

GULT VEKSELBLINKSETT

MED 40-60MM R RFESTE

200mm Gulblink for montering på 40-60mm rør. Euroskilt LED lampe type SR1.

Leveres med r ørfeste.

Styrekort er inkludert i lampe. Leveres med 3m kabel mellom hver lampe og 5m kabel til forsyning.

CE merket, EN 12352

Effekt: 8W

P.nr.: 16061000009

1.Rød: 12 - 24 Vdc

2 Sort: 0 Vdc

3.Gul/grønn: Relékontakt inn (Galvanisk skilt tilbakemelding)

4.Orange: Relékontakt ut (Galvanisk skilt tilbakemelding)

P.nr..: 16061000011

1.Brun: 12 - 24 Vdc

2.Blå: 0 Vdc (blå)

03.10 23 1

R DT VEKSELBLINKSETT

MED 40-60MM R RFESTE

200mm Rødblink for montering på 40-60mm rør Euroskilt LED lampe type SR1.

Leveres med rørfeste.

Styrekort er inkludert i lampe. Leveres med 3m kabel mellom hver lampe og 5m kabel til forsyning.

CE merket, EN 12352

Effekt: 8W

P.nr.: 16061000010

1.Rød: 12 - 24 Vdc

2 Sort: 0 Vdc

3 Gul/grønn: Relékontakt inn (Galvanisk skilt tilbakemelding)

4.Orange: Relékontakt ut (Galvanisk skilt tilbakemelding)

P.nr.: 16061000012

1.Brun: 12 - 24 Vdc

2.Blå: 0 Vdc (blå)

FESTEUTSTYR

03.10.2023 1

200mm Gulblink for montering på kamjern. I aluminium.

Euroskilt LED lampe type SR1

Leveres med U-bøyler for 20 - 28mm kamjern. Med styre/overvåkingsrele egen boks som er montert på festet mellom lampene.

CE merket, EN 12352

Effekt: 12W

P.nr.: 16000000010

1.Rød: 24Vdc

2.Sort: 0 Vdc

3.Gul/grønn: Relékontakt inn (Galvanisk skilt tilbakemelding)

4.Orange: Relékontakt ut (Galvanisk skilt tilbakemelding)

L: 230Vac

N: 230Vac

GND: Jord

3: Relé kontakt inn (Galvanisk skilt tilbakemelding)

4: Relé kontakt ut (Galvanisk skilt tilbakemelding)

03.10 23 5

R DBLINK

BESKRIVELSE

2

Med styre/overvåkingsrele i egen 260 x 175mm boks, som monteres på betongvegg. Leveres med 1,5m kabel.

CE merket, EN 12352

Effekt: 12W

24Vdc spenning

P.nr.: 16000000040

Tilkobling (nr. p rekkeklemme)

1.Rød: 24Vdc

2.Sort: 0 Vdc

3.Gul/grønn: Relékontakt inn (Galvanisk skilt tilbakemelding )

4.Orange: Relékontakt ut (Galvanisk skilt tilbakemelding)

230Vac spenning

P.nr.: 16000000041

Tilkobling (nr. p rekkeklemme)

L: 230Vac

N: 230Vac

GND: Jord

3: Relékontakt inn (Galvanisk skilt tilbakemelding)

4: Relékontakt ut (Galvanisk skilt tilbakemelding)

FESTEUTSTYR

03.10.2023 6

200mm Gulblink for varslingsvogn

Euroskilt LED lampe type SR2D

Leveres med aluminium feste. Med styre/overvåkingsrele i egen boks som er montert på festet. Leveres med 5m kabel til hver lampe og 5 meter kabel fra styreboks.

CE merket, EN 12352

Effekt: 12W

P.nr.: 16060000005

1.Kunde tilkobling: 12 - 24 Vdc

2.Kunde tilkobling: 0 Vdc

3.Brun: Lampe 1 +

4.Blå: Lampe 1 -

5.Brun: Lampe 2 +

6.Blå: Lampe 2 -

FESTEUTSTYR

10.03.2023 7

200mm Gulblink.

Euroskilt LED lampe type SR1

Leveres med feste for skilt.

Styrekort er inkludert i lampe.

Leveres med 3m kabel mellom hver lampe og 5m kabel til forsyning.

CE merket, EN 12352

Effekt: 12W

P.nr.: 16000000030

1.Rød: 24Vdc

2.Sort: 0 Vdc

3.Gul/grønn: Relékontakt inn (Galvanisk skilt tilbakemelding )

4.Orange: Relékontakt ut (Galvanisk skilt tilbakemelding)

FESTEUTSTYR

10.03.2023 8

200mm Gulblink.

Euroskilt LED lampe type SR1

Leveres med feste for skilt.

Styrekort er inkludert i lampe.

230Vac-24Vdc trafo levert i boks.

Leveres med 3m kabel mellom hver lampe og 5m kabel til forsyning.

CE merket, EN 12352

Effekt: 12W

P.nr.: 16000000031

L: 230Vac

N: 230Vac

1: 24V til styrekort

2: 0 Vdc

3: Relékontakt inn (Galvanisk skilt tilbakemelding)

4: Relékontakt ut (Galvanisk skilt tilbakemelding)

Trafo kan leveres uten boks for integrering i skilt P.nr.: 16000000022

FESTEUTSTYR

8 10 20 9

200mm Rødblink.

Euroskilt LED lampe type SR1

Leveres med feste for skilt. Styrekort er inkludert i lampe. Leveres med 3m kabel mellom hver lampe og 5m kabel til forsyning.

CE merket, EN 12352

Effekt: 12W

P.nr.: 16000000020

1.Rød: 24Vdc

2.Sort: 0 Vdc

3.Gul/grønn: Relékontakt inn (Galvanisk skilt tilbakemelding)

4.Orange: Relékontakt ut (Galvanisk skilt tilbakemelding)

03.10.2023 0

200mm Rødblink.

Euroskilt LED lampe type SR1

Leveres med feste for skilt.

Styrekort er inkludert i lampe.

230Vac-25Vdc trafo levert i boks.

Leveres med 3m kabel mellom hver lampe og 5m kabel til forsyning.

CE merket, EN 12352

Effekt: 12W

P.nr.: 16000000021

L: 230Vac

N: 230Vac

1: 24V til styrekord

2: 0 Vdc

3: Relékontakt inn (Galvanisk skilt tilbakemelding)

4: Relékontakt ut (Galvanisk skilt tilbakemelding)

Trafo kan leveres uten boks for integrering i skilt P.nr.: 16000000022

9 3 20 1

VEKSELBLINK

200mm Rødblink (alt. gulblink).

Euroskilt LED lampe type SR1

Leveres med feste for bom.

Styrekort er inkludert i lampe.

Leveres med 5m kabel til lampe.

CE merket, EN 12352

Effekt: 12W

1.Rød: + 24Vdc

2.Sort: 0 Vdc

3.Gul/Grønn: Relé kontakt inn (Galvanisk skilt tilbakemelding)

4.Orange: Relékontakt ut (Galvanisk skilt tilbakemelding)

P.nr.: 16060000052
03.10.2023 2

200mm Rødblink (alt. gulblink).

Euroskilt LED lampe type SR1

Leveres med feste for bom. Styrekort er inkludert i lampe. Leveres med 5m kabel til hver lampe.

CE merket, EN 12352

Effekt: 12W

P.nr.: 16060000003

1.Rød: + 24Vdc

2.Sort: 0 Vdc

5.Brun: + Lampe 2

6.Blå: -Lampe 2

3.Grønn/Gul: Relékontakt inn (Galvanisk skilt tilbakemelding)

4.Orange: Relékontakt ut (Galvanisk skilt tilbakemelding)

5.Brun: + Lampe 2

6.Blå: -Lampe 2

12 9 23 3

200mm Rødblink og gulblink montert rygg mot rygg.

2 stk. Euroskilt LED lampe type SR1. en gul og en rød lampe. Leveres med feste for bom. Styrekort er inkludert i lampe. Leveres med 5m kabel til hver lampe.

CE merket, EN 12352

Effekt: 12W

P.nr.: 16060000002

1.Rød: + 24Vdc

2.Sort: 0 Vdc

5.Brun: + Lampe 2

6.Blå: -Lampe 2

3.Grønn/Gul: Relékontakt inn (Galvanisk skilt tilbakemelding)

4.Orange: Relékontakt ut (Galvanisk skilt tilbakemelding)

5.Brun: + Lampe 2

6.Blå: -Lampe 2

FESTEUTSTYR

12 9 23 4

R DT OG GULT VEKSELBLINK FOR BOMARM

- DOBBEL

BESKRIVELSE

200mm Rødblink og gulblink montert rygg mot rygg.

4 stk. Euroskilt LED lampe type SR1.

2 stk. gule og 2 stk. røde lamper. Leveres med feste for bom. Styrekort er inkludert i lampe. Leveres med 5m kabel til hver lampe.

CE merket, EN 12352

Effekt: 2x 12W

P.nr.: 16060000001

1.Rød: + 24Vdc

2.Sort: 0 Vdc

5.Brun: + Lampe 2

6.Blå: -Lampe 2

3.Grønn/Gul: Relékontakt inn (Galvanisk skilt tilbakemelding)

4.Orange: Relékontakt ut (Galvanisk skilt tilbakemelding)

5.Brun: + Lampe 2

6.Blå: -Lampe 2

FESTEUTSTYR

12 9 23 15

LEDELYS FOR BOMLAMPER

200mm Gulblink med 40 - 60mm rørfeste.

3-7 stk. Euroskilt LED lampe type SR2 , i ledelys oppsett. Antall lamper må spesifiseres (3-7stk pr oppsett) Leveres med 5m kabel til hver lampe.

CE merket, EN 12352 Effekt: 12W

P.nr.: 16060000008

1.Rød: + 24Vdc

2.Sort: 0 Vdc

P.nr.: 16095100405

3-7 lamper, 24Vdc spenning, Justerbar bakgrunnbelysning, justerbar hastighet Starter sekvens ved hjelp av 24Vdc påslag på start inngang, slåes av igjen ved 24Vdc påslag på stopp inngang. Ved feil trengs det 24Vdc påslag på stopp inngang for å ”resette” alarmtilbakemelding.

50% diodeutfall. System OK.

Rød lysdiode under drift: Alarm 50% diodeutfall. Grønn lysdiode under drift: Alt er OK.

12.09.2023 16

GULT VEKSELBLINK FOR FORVARSLING

200mm Gulblink.

Euroskilt LED lampe type SR1

Leveres med feste for Ø60mm rør.

Styrekort og lysføler er inkludert i lampe.

Leveres med kabel mellom

lampene og 5m kabel med batteriklemmer til forsyning.

CE merket, EN 12352

Effekt: 8W

P.nr.: 16095 02820

1.Rød klemme: + 12 - 24Vdc

2.Sort klemme: 0 Vdc

FESTEUTSTYR

12.09.2023 17
21190022615

GUL VEKSELBLINK 200MM MED

BAKGRUNNSSKJERM

200mm Gulblink med bakgrunnsskjerm.

Euroskilt LED lampe type SR1.

Med justerbar blinkfrekvens.

Med styre/overvåkingsrele i egen boks.

CE merket, EN 12352

Effekt: 12W

P.nr.: 16060000030

1. Rød: 24Vdc

2. Sort: 0 Vdc

3: Relékontakt inn (Galvanisk skilt tilbakemelding )

4: Relékontakt ut (Galvanisk skilt tilbakemelding)

P.nr.: 16060000030

L: 230Vac

N: 230Vac

GND: Jord

3: Relékontakt inn (Galvanisk skilt tilbakemelding)

4: Relékontakt ut (Galvanisk skilt tilbakemelding)

12.09.2023 18

R D VEKSELBLINK 200MM MED

BAKGRUNNSSKJERM

200mm Rødblink med bakgrunnsskjerm.

Euroskilt LED lampe type SR1.

Med justerbar blinkfrekvens.

Med styre/overvåkingsrele i egen boks.

CE merket, EN 12352

Effekt: 12W

P.nr.: 16060000010

1. Rød: 24Vdc

2. Sort: 0 Vdc

3: Relékontakt inn (Galvanisk skilt tilbakemelding )

4: Relékontakt ut (Galvanisk skilt tilbakemelding)

P.nr.: 16060000010

L: 230Vac

N: 230Vac

GND: Jord

3: Relékontakt inn (Galvanisk skilt tilbakemelding)

4: Relékontakt ut (Galvanisk skilt tilbakemelding)

12.09.2023 19

R D VEKSELBLINK 300MM MED

BAKGRUNNSSKJERM

300mm Rødblink med bakgrunnsskjerm.

Euroskilt LED lampe type SR300.

Med justerbar blinkfrekvens.

Med styre/overvåkingsrele i egen boks.

CE merket, EN 12352

Effekt: 17W

P.nr.: 16060000020

1. Rød: 24Vdc

2. Sort: 0 Vdc

3: Relékontakt inn (Galvanisk skilt tilbakemelding )

4: Relékontakt ut (Galvanisk skilt tilbakemelding)

P.nr.: 16060000020

L: 230Vac

N: 230Vac

GND: Jord

3: Relékontakt inn (Galvanisk skilt tilbakemelding)

4: Relékontakt ut (Galvanisk skilt tilbakemelding)

FESTEUTSTYR

12.09.2023 0

300mm Gul slavelampe. Euroskilt LED lampe type SR300. Leveres med 5m kabel.

CE merket, EN 12352

Effekt: 17W

P.nr.: 16095030002

1. Brun: 12Vdc

2. Blå: 0 Vdc

1 12.09.2023 1

300mm Rød slavelampe. Euroskilt LED lampe type SR300. Leveres med 5m kabel.

CE merket, EN 12352

Effekt: 17W

P.nr.: 16095030001

1. Brun: 12Vdc

2. Blå: 0 Vdc

1 12.09.2023 2

300mm Gulblink for montering på 40-60mm rør.

Euroskilt LED lampe type SR300.

Leveres med rørfeste.

Styrekort er inkludert i lampe.

Leveres med 3m kabel mellom hver lampe og 5m kabel til forsyning.

CE merket, EN 12352

Effekt: 17W

P.nr.: 16061000015

1. Rød: 12 - 24 Vdc

2. Sort: 0 Vdc

3. Gul/grønn: Relékontakt inn (Galvanisk skille, tilbakemelding)

4. Orange: Relékontakt ut (Galvanisk skille, tilbakemelding)

1 10.03.2023 3

300mm Rødblink for montering på 40-60mm rør.

Euroskilt LED lampe type SR300.

Leveres med rørfeste.

Styrekort er inkludert i lampe.

Leveres med 3m kabel mellom hver lampe og 5m kabel til forsyning.

CE merket, EN 12352

Effekt: 17W

P.nr.: 16061000016

1.Rød: 12 - 24 Vdc

2.Sort: 0 Vdc

3.Gul/grønn: Relekontakt inn (Galvanisk skille, tilbakemelding)

4.Orange: Relekontakt ut (Galvanisk skille, tilbakemelding)

1 10.03.2023 4

LEDELYS FOR BOMLAMPER

300mm Gulblink med 40 - 60mm rørfeste.

3-7 stk. Euroskilt LED lampe type SR300, i ledelys oppsett.

Antall lamper må spesifiseres (3-7stk pr oppsett)

Leveres med 5m kabel til hver lampe.

CE merket, EN 12352

Effekt: 17W

P.nr.: 16060000009

1.Rød: + 24Vdc.

2. Sort: 0 Vdc

P.nr.: 16095100405

3-7 lamper, 24Vdc spenning, Justerbar bakgrunnbelysning, justerbar hastighet Starter sekvens ved hjelp av 24Vdc påslag på start inngang, slåes av igjen ved 24Vdc påslag på stopp inngang. Ved feil trengs det 24Vdc påslag på stopp inngang for å ”resette” alarmtilbakemelding.

50% diodeutfall. System OK.

Rød lysdiode under drift: Alarm 50% diodeutfall. Grønn lysdiode under drift: Alt er OK.

12.09.2023 25

BESKRIVELSE

Solid og sikkert 230Vac LED nødlys/ledelys.

Høyde 306mm x bredde 165mm.

Utført i syrefast stål for evakuering av tunnel.

Alle bolter, skruer og mutrer er i syrefast A4.

2x7 lysdioder gir lys i 180 graders vinkel.

Lys ca. 1800 Lumen.

Kontinuerlig lystid på over 100 000 timer.

Effektforbruk ved 230Vac er kun 14W.

Lyskilden er ikke utskiftbar men hele fronten kan byttes ut ved feil.

Dobbelisolert boks for integrert driver.

Tetthetsgrad IP66.

Armatur er sikret med 100° temperatursikring.

P.nr.: 16000000001

Tilfredsstiller EN 60598-2-22

IP 66 Nemko godkjent

I henhold til håndbok 21 og 062

Kabelgjennomføring i bunn og gjennom bakplate.

Hull i bunn er 140 x 50mm og i bakplate 140 x 50mm.

Koblingsboks leveres med 2 stk. M25 nipler for kabel.

Keramisk tilkopling er for 6mm2 ledning.

FESTEUTSTYR

9 3 20 26

GULT VEKSELBLINKSETT FOR 601 DAB

200mm Gulblink for montering på skilt 601 Radio DAB.

Euroskilt LED lampe type SR1. Styrekort SC05H er inkludert i lampe. Leveres med kabel mellom hver lampe og kabel til forsyning.

CE merket, EN 12352

Effekt: 8W

P.nr.:16000000018

1. Rød: 12 - 24 Vdc

2. Sort: 0 Vdc

3. Gul/grønn: Relékontakt inn (Galvanisk skilt tilbakemelding)

4. Orange: Relékontakt ut (Galvanisk skilt tilbakemelding)

03.10.2023 27

RØDT VEKSELBLINKSETT 300MM

MED 40-60MM RØRFESTE

300m m Rødblin k fo r monterin g på 40 - 60m m rør.

Euroskil t LE D lamp e typ e SR300.

Levere s me d rørfeste.

Styrekor t er inkluder t i koblingsboks .

Levere s me d 3m kabe l mellom

hve r lamp e og 5m kabel

ti l koblingsboks .

CE merket , EN 12352

Effekt : 17W

230Vac spenning

P.nr.:160000000024

Tilkobling (nr. på rekkeklemme)

L: 230Vac

N: 230Vac

1: 24V til styrekort

2: 0 Vdc

3. Relekontakt inn (Galvanisk skille, tilbakemelding)

4: Relekontakt ut (Galvanisk skille, tilbakemelding)

Feste for 40-60mm rør. Artikkelnr.: 16095201011

Spesialverktøy for rørfeste, Artikkelnr.: 16095201020

Forsynes med 230Vac eller 12- 40Vac, eller 12 - 24Vdc Om det forsynes med annet enn 230Vac, fjerne sikring F1

Vekselblink kort
03.10.2023 28

GUL VEKSELBLINK

200mm gul blink

Euroskilt LED lampe type SR1

Leveres med feste for bom. Styrekort er inkludert i lampe. Leveres med 5m kabel til lampe.

CE merket, EN 12352

Effekt: 12W

P.

1.Rød: + 24Vdc

2.Sort: 0 Vdc

3.Gul/Grønn: Relé kontakt inn (Galvanisk skilt tilbakemelding)

4.Orange: Relékontakt ut (Galvanisk skilt tilbakemelding)

nr.: 16060000058
12 09 23 29

3 KF - Kjørefeltsignal

LED kjørefeltsignalene kan leveres med kasse og fester i aluminium eller syrefast stål.

XYZ justerbart feste med Ø60mm rør er alltid inkludert.

Diodestørrelse: 5mm

Spredningsvinkel: 30°

Strømtrekket over diodene er lavere enn 60 % av diodenes maksimale strømtrekk

Kapslingsgrad: IP66

Kasse, fester: Aluminium eller syrefast stål

Frontplate: Refleksfri Polycarbonat AR

Bakdeksel: ABS plast

Pulverlakkert RAL 9017 glans 30

Aluminium kromateres før lakkering

24Vdc spenning (18-28Vdc)

4W 7W 7W varme

4W 7W 7W varme

6W 10W 10W varme 7W 12W 12W varme

C2L3(*)R2B4/T1,T2,T3/P3

C2L3(T)R0B4/T1,T2,T3/P3

16005000006 KF LED Ø200 (Syrefast)

16005000011 KF LED Ø300 (Syrefast)

16005000020 KF LED Ø400 (Aluminium)

16005000030 KF LED Ø500 (Aluminium)

16095100100

16095100105

Bakgrunnsskjerm for KF400 - 1000x1000mm

Bakgrunnsskjerm for KF500 - 1200x1200mm

C2L3R2B4/T1,T2,T3/P3
01 12 8
01 12 8

Det kan monteres bakgrunnsskjerm på KF400 og KF500 kjørefeltsignaler. Skjermen er forsterket med knekte kanter rundt om og monteres slik at alle standard festefunksjoner og vedlikeholdsmuligheter beholdes. Det er utsparinger i bakgrunnsskjermen for rørfester.

Artikkel nr.: 16095100100 Bakgrunnsskjerm for KF400 - 1000x1000mm

Artikkel nr.: 16095100105 Bakgrunnsskjerm for KF500 - 1200x1200mm

Først monteres bakre monteringsramme som består av tre Z-profiler. Den skrues fast i skruesporet bak på kjørefeltsignalet med M8 skruer.

Deretter skyves bakgrunnsskjermen på fra front og skrues fast i rammen med M6 skruer. Et sett skruer består av: 12 stk M8 x 25mm Skruer, 12 stk. M8 låsemutrer, 12 stk. M8 skiver 12 stk M6 x 25mm Skruer, 12 stk. M6 låsemutrer, 12 stk. M6 skiver

01 12 8

Kassene kan åpnes slik at elektronikkenheten med LED, styrekort og tilkopling enkelt kan skiftes ut uten at man må koble til alle ledningene på ny. Med pluggbar tilkopling.

Kassen er hengslet etter kundens ønske.

-Åpne hurtiglåsen på siden

-Løft opp sideprofilen

-Skru ut de 8 skruene som holder baklokket

-Trekk ut den løstagbare koblingsrekken

-Skyv hele elektronikkenheten ut til siden

-Skyv inn en ny elektronikkenhet

-Sett på plass koblingsrekken

-Skru fast baklokket

-Lås fast sideprofilen med hurtiglåsen

-Ferdig, hurtig og enkelt!

01 12 8

17: Tilbakemelding signal 4 (LED27)

18: Tilbakemelding signal 3 (LED26)

19: Tilbakemelding signal 2 (LED25)

20: Tilbakemelding signal 1 (LED24)

21: +24V (forsyning inn til reléer på

22: 0V skillekort samt ut til skilt)

23: Påslag signal 1 (LED14)

24: Påslag signal 2 (LED15)

25: Påslag signal 3 (LED16)

26: Påslag signal 4 (LED17)

27: Tilbakemelding Alt OK (LED18)

28: -

29: Dimming (LED29)

1: Tilbakemelding signal 4 (LED23)

2: Tilbakemelding signal 3 (LED22)

3: Tilbakemelding signal 2 (LED21)

4: Tilbakemelding signal 1 (LED20)

5: +24V

6: 0V

7: Påslag signal 1 (LED3)

8: Påslag signal 2 (LED4)

9: Påslag signal 3 (LED5)

10: Påslag signal 4 (LED6)

11: Relékontakt Alt OK inn (LED7)

12: Relékontakt Alt OK tilb. (LED8)

13: -

14: -

15: Reset (LED 11)

16: Dimming (LED28: gløder til vanlig og lyser ved påslag)

01 12 8
og 1X M25 01 12 8

LED KJØREFELTSIGNAL

FESTEUTSTYR

Kjørefeltsignaler leveres med XYZ feste som kan vinkles og justeres i alle retninger. Ø60,3 mm rør medfølger.

XYZ feste i aluminium H=395mm

XYZ feste i aluminium H=495mm

XYZ feste i aluminium H=595mm

Varenummer: 16095100520

Varenummer: 16095100521

Varenummer: 16095100522

XYZ feste i syrefast stål H=395mm

XYZ feste i syrefast stål H=495mm

XYZ feste i syrefast stål H=595mm

Varenummer: 16095100530

Varenummer: 16095100531

Varenummer: 16095100532

Rev.01.12.2018 Del 3 - Side 7

LED KJØREFELTSIGNAL

FESTEUTSTYR

Fester for montering av XYZ feste for kjørefeltsignaler på 100 x 100 mm tunneldrager.

Enkelsidig Ø60 mm rørfeste til 100x100 mm tunneldrager, 316L

Varenummer: 22595400030

Dobbelsidig Ø60 mm rørfeste til 100x100 mm tunneldrager,316L

Varenummer: 22595400040

Del 3 - Side 8
Rev.12.09.2023

4 FG - Fartsgrenseskilt

BESKRIVELSE

LED Fartsgrenseskilt som kan leveres med en kombinasjon av alle fartsgrenser man trenger. Skiltet er utviklet spesielt for krevende Norske forhold. Det har meget høy korrosjonsbestandighet og høy tetthetsgrad.

Godkjent og CE-merket i hht. EN 129661:2005+A1:2009

C2L3R2B4/T1,T2,T3/P3

C2L3(*)R2B4/T1,T2,T3/P3

C2L3(T)R0B4/T1,T2,T3/P3

Strømforsyning

Standard 24Vdc, opsjon 230Vac

Skiltet må ha spenning på når det er montert ute for å holde det fritt for kondens. Det er minimalt luftvolum inne i skiltet med varmeelement som en del av matrisekortet.

Tilkobling, kabling

Tilkobling til skiltet med pluggbare hurtigkoplinger. Ekstern tilkopling med 2x M25 nipler i baklokk

Material og overflatebehandling

Kasse i kromatert, pulverlakkert 6063T6 aluminium. Farge RAL 9017. Bakdeksel i ABS plast. Alt av skruer og festemateriell er i syrefast stål (A4). Frontplate laget av 6mm refleksfri polykarbonat AR.

Skiltoppbygging

Meget stabilt skilt med skruespor for mange typer innfestinger. Det har integrert lufting og drenering. Der skiltet åpnes er det trepunktpakning for å sikre best mulig tetthet.

Rev.01.12.2018 Del 4 - Side 1
LED FARTSGRENSESKILT

LED FARTSGRENSESKILT

Størrelse: US

Varenummer: 16001362000

Størrelse: LS

Varenummer: 16001362001

Størrelse: LS

Varenummer:

16001362002

Størrelse: MS

Varenummer: 16001362006

Størrelse: MS

Varenummer: 16001362007

Størrelse: SS

Varenummer: 16001362008

Rev.01.12.2018 Del 4 - Side 2

FESTEUTSTYR

Det er enkelt å montere skiltet som har M12 skinner rundt om samt skinne for VD klammer. Det er og mulig å montere skiltet med kun bolthode i sporet, men da må man huske at styrken blir vesentlig redusert og man må kontrollberegne innfestingen nøye. Det er også enkelt å ettermontere annet utstyr med T-bolt/hammerhodebolt i skinnen.

Ved montering er det viktig å huske at alle deler av festeutstyret som er i direkte kontakt med skiltet må være i A4, syrefast stål eller varmgalvanisert stål, A2 eller elzink må ikke brukes

Montering i tunnel

Når skiltet monteres i tunnel brukes festebrakett for vegg med knekkledd

Festebrakett for rett/buet vegg

XYZ med knekkledd

Rev.09.03.2020 Del 4 - Side 3
LED FARTSGRENSESKILT

FESTEUTSTYR

Montering på Norsafe Mast

Når skiltet monteres på Norsafe Mast er det normalt kun nødvendig med fester oppe og nede på skiltet, dersom skiltet blir over 2m høyt så blir det levert med ekstra M12 ryggskinner for montering av fester i flere høyder, da skal det monteres doble fester i alle ryggskinner. Alle fester og monteringsdetaljer er laget av aluminium med syrefaste bolter som sikrer lang levetid. (Det er også mulig å montere skiltet med NM feste for VD dersom man ikke har feste med glideskinne tilgjengelig) Følgende fester med glideskinne brukes for montering av skiltet på Norsafe Mast:

Artikkel nr.: 22330020012 NM120 Skiltfeste m/60mm glideskinne

Artikkel nr.: 22330030015 NM150 Skiltfeste m/60mm glideskinne

Artikkel nr.: 22330000019 NM190/290 Skiltfeste m/60mm glideskinne

Montering på Lattix Mast

Ved montering på Lattix skal det monteres mutterskinner hver 0,3m høyde bak på skiltet. (Såfremt ikke Lattix kommer med andre direktiver) Det er derfor meget viktig å innformere om hva skiltet skal monteres på når man bestiller. Standard kombiklammer modifisert med M12 bolt og glideskinne brukes til montering.

Artikkel nr.:

21940000005 Klammer kombi type for lattix master modifisert

Rev.01.12.2018 Del 4 - Side 4
LED FARTSGRENSESKILT

LED FARTSGRENSESKILT FESTEUTSTYR

Montering på stål fagverk

Feste i galvanisert stål brukes når skilt skal monteres på en mast eller portal laget av stål fagverk.

Art.nr.: 21190022730 Klammer VFZ for Ø20-45mm , m/VD skinne

Art.nr.: 21190022740 Klammer VFZ for Ø20-45mm , m/glideskinne

Montering med Ø60 eller Ø90mm rør bak skiltet

Aluminium fester som brukes når skiltet skal monteres på rør samt på Norsafe Mast NM89. Her må man være obs på at rørene normalt blir det svakeste punktet i konstruksjonen. (Det er også mulig å montere skiltet med feste for VD dersom man ikke har feste med glideskinne tilgjengelig)

Det kan og leveres varmgalvaniserte fester for montering på andre rør. Følgende fester med glideskinne brukes for montering med rør:

Artikkel nr.: 21190022614 Klammer alum Ø60mm med flattskinne

Artikkel nr.: 21190022618 Klammer alum Ø90mm med flattskinne

Montering i tunnel

Det er mange løsninger for å montere skiltet i tunnel. Euroskilt kan levere alle ønskede tunneloppheng i tak eller på vegg med eller uten bruddbolt som brekker av ved påkjørsel.

Rev.09.03.2020 Del 4 - Side 5

SYREFAST LED FARTSGRENSESKILT

BESKRIVELSE

LED Fartsgrenseskilt i syrefast stål 316L med C-skinne som kan leveres med en kombinasjon av fartsgrenser. Skiltet er utviklet spesielt for krevende Norske forhold.

Strømforsyning

24Vdc. Skiltet må ha spenning på når det er montert ute for å holde det fritt for kondens. Det er minimalt luftvolum inne i skiltet med varmeelement som en del av matrisekortet.

Tilkobling, kabling

Tilkobling til skiltet med pluggbare hurtigkoplinger. Ekstern tilkopling med 1x M20 og 1x M25 nipler i baklokk.

Material og overflatebehandling

Kasse i syrefast 316L, pulverlakkert stål. Bakdeksel i ABS plast. Skruer og festemateriell er i syrefast stål (A4). Plate foran LED er laget av 5mm refleksfri polykarbonat AR.

Frontplate i mattlakkert syrefast stål med hull for LED. Meget stabilt skilt med integrert lufting og drenering.

Fester

Det er påsveist en C-skinne i topp og bunn som gir mange festemuligheter.

Størrelse: LS

Varenummer:

AV LED FARTSGRENSESKILT SYREFAST STÅL Med C-skinne

BESTILLING

På bestilling/ordre velges følgende for hvert skilt.

1.Type skilt (leveres uten fester)

2.Skiltfeste - se neste side

Rev.01.12.2018 Del 4 - Side 6

SYREFAST LED FARTSGRENSESKILT

FESTEUTSTYR TIL C-SKINNE

Rev.01.12.2018 Del 4 - Side 7

SYREFAST LED FARTSGRENSESKILT

BESKRIVELSE

Syrefast stål 316L LED Fartsgrenseskilt som leveres med en kombinasjon av alle fartsgrenser man trenger. Skiltet er utviklet spesielt for krevende Norske forhold. Det har meget høy korrosjonsbestandighet og høy tetthetsgrad. Det er minimalt luftvolum inne i skiltet med varmeelement som en del av matrisekortet. Det har integrert lufting og drenering.

Strømforsyning

Standard 24Vdc, opsjon 230Vac. Skiltet må ha spenning på når det er montert ute for å holde det fritt for kondens.

Godkjent og CE-merket i hht. EN 12966-1:2005+A1:2009

C2L3R2B4/T1,T2,T3/P3

C2L3(*)R2B4/T1,T2,T3/P3

C2L3(T)R0B4/T1,T2,T3/P3

Tilkobling, kabling

Tilkobling til skiltet med pluggbare hurtigkoplinger.

Ekstern tilkopling med 1x M16 og 1x M25 nipler i baklokk

Material og overflatebehandling

Ramme i syrefast 316L, pulverlakkert stål.

Bakdeksel i ABS plast.

Skruer og festemateriell er i syrefast stål (A4).

Plate foran LED er laget av 5mm refleksfri polykarbonat AR.

Frontplate i mattlakkert syrefast stål med hull for LED.

Festeutstyr

Størrelse: LS

Varenummer:

Syrefast stål 316L festebrakett for rett/buet vegg, XYZ med knekkledd

Rev.01.12.2018 Del 4 - Side 8

LED FARTSGRENSESKILT

STYRING - SKILLEKORT SC28E

Til/fra styrekort på skilt:

17: Tilbakemelding signal 4 (LED27)

18: Tilbakemelding signal 3 (LED26)

19: Tilbakemelding signal 2 (LED25)

20: Tilbakemelding signal 1 (LED24)

21: +24V (forsyning inn til reléer på

22: 0V skillekort samt ut til skilt)

23: Påslag signal 1 (LED14)

24: Påslag signal 2 (LED15)

25: Påslag signal 3 (LED16)

26: Påslag signal 4 (LED17)

27: Tilbakemelding Alt OK (LED18)

28: -

29: Dimming (LED29)

Til/fra overordnet styring:

1: Tilbakemelding signal 4 (LED23)

2: Tilbakemelding signal 3 (LED22)

3: Tilbakemelding signal 2 (LED21)

4: Tilbakemelding signal 1 (LED20)

5: +24V

6: 0V

7: Påslag signal 1 (LED3)

8: Påslag signal 2 (LED4)

9: Påslag signal 3 (LED5)

10: Påslag signal 4 (LED6)

11: Relékontakt Alt OK inn (LED7)

12: Relékontakt Alt OK tilb. (LED8)

13: -

14: -

15: Reset (LED 11)

16: Dimming (LED28: gløder til vanlig og lyser ved påslag)

Rev.01.12.2018 Del 4 - Side 9
Galvanisk skille. Monteres på DIN skinne i SSA skap.

LED FARTSGRENSESKILT

STYRING - STYREKORT SC15G

Kortet er montert i skiltet

Tilkobling til skiltet med pluggbare hurtigkoplinger

Ekstern tilkopling med 1x M20 og 1x M25 nipler i baklokk

Rev.01.12.2018 Del 4 - Side 10

5 Fareskilt

LED VMS skilt utviklet spesielt for krevende Norske forhold. Det har meget høy korrosjonsbestandighet og høy tetthetsgrad. Det er minimalt luftvolum inne i skiltet med varmeelement som en del av matrisekortet.

Diodestørrelse: 5mm

Spredningsvinkel: 30°

Strømtrekket over diodene er lavere enn 60 % av diodenes

maksimale strømtrekk

Kapslingsgrad: IP66

24Vdc, opsjon 230Vac Skiltet må ha spenning på når det er montert ute for å holde det fritt for kondens.

Tilkobling til skiltet med pluggbare hurtigkoplinger. Ekstern tilkopling med 1x M20 og 1x M25 nipler i baklokk

Kasse i kromatert, pulverlakkert 6063T6 aluminium.

Bakdeksel i ABS plast.

Alt av skruer og festemateriell er i syrefast stål (A4). Frontplate laget av 5mm refleksfri polykarbonat AR.

Meget stabilt tett skilt med skruespor for mange typer innfestinger. Det har integrert lufting og drenering.

C2L3R2B4/T1,T2,T3/P3 C2L3(*)R2B4/T1,T2,T3/P3 C2L3(T)R0B4/T1,T2,T3/P3
01 12 8

Størrelse: MS

Varenummer: 16000148004

01 12 8

17: Tilbakemelding signal 4 (LED27)

18: Tilbakemelding signal 3 (LED26)

19: Tilbakemelding signal 2 (LED25)

20: Tilbakemelding signal 1 (LED24)

21: +24V (forsyning inn til reléer på

22: 0V skillekort samt ut til skilt)

23: Påslag signal 1 (LED14)

24: Påslag signal 2 (LED15)

25: Påslag signal 3 (LED16)

26: Påslag signal 4 (LED17)

27: Tilbakemelding Alt OK (LED18)

28: -

29: Dimming (LED29)

1: Tilbakemelding signal 4 (LED23)

2: Tilbakemelding signal 3 (LED22)

3: Tilbakemelding signal 2 (LED21)

4: Tilbakemelding signal 1 (LED20)

5: +24V

6: 0V

7: Påslag signal 1 (LED3)

8: Påslag signal 2 (LED4)

9: Påslag signal 3 (LED5)

10: Påslag signal 4 (LED6)

11: Relékontakt Alt OK inn (LED7)

12: Relékontakt Alt OK tilb. (LED8)

13: -

14: -

15: Reset (LED 11)

16: Dimming (LED28: gløder til vanlig og lyser ved påslag)

01 12 8
1 og 1x M25 1 12 8

Det er enkelt å montere skiltet som har M12 skinner rundt om samt skinne for VD klammer. Det er og mulig å montere skiltet med kun bolthode i sporet, men da må man huske at styrken blir vesentlig redusert og man må kontrollberegne innfestingen nøye. Det er også enkelt å ettermontere annet utstyr med T-bolt/hammerhodebolt i skinnen. Ved montering er det viktig å huske at alle deler av festeutstyret som er i direkte kontakt med skiltet må være i A4, syrefast stål eller varmgalvanisert stål, A2 eller elzink må ikke brukes.

Når skiltet monteres i tunnel brukes festebrakett for vegg med knekkledd

Festebrakett for rett/buet vegg

XYZ med knekkledd

09 03 20

Når skiltet monteres på Norsafe Mast er det kun nødvendig med fester oppe og nede på skiltet. Det skal monteres doble fester i alle ryggskinner. Alle fester og monteringsdetaljer er laget av aluminium med syrefaste bolter som sikrer lang levetid. Det er også mulig å montere skiltet med NM feste for VD dersom man ikke har feste med glideskinne tilgjengelig. Følgende fester med glideskinne brukes for montering av skiltet på Norsafe Mast:

Artikkel nr.: 21190022618 Klammer alum Ø90mm med flattskinne

Artikkel nr.: 22330020012 NM120 Skiltfeste m/60mm glideskinne

Artikkel nr.: 22330030015 NM150 Skiltfeste m/60mm glideskinne

Artikkel nr.: 22330000019 NM190/290 Skiltfeste m/60mm glideskinne

Ved montering på Lattix skal det monteres mutterskinner hver 0,3m høyde bak på skiltet. (Såfremt ikke Lattix kommer med andre direktiver) Det er derfor meget viktig å innformere om hva skiltet skal monteres på når man bestiller. Standard kombiklammer modifisert med M12 bolt og glideskinne brukes til montering.

Artikkel nr.:

21940000005 Klammer kombi type for Lattix master modifisert

1 12 8

6 Arbeidsvarsling

LED ARBEIDSVARSLING

BESKRIVELSE

LED VMS skilt utviklet spesielt for krevende Norske forhold. Det har meget høy korrosjonsbestandighet og høy tetthetsgrad med trepunktspakninger.

LED, elektronikk

Diodestørrelse: 5mm

Spredningsvinkel: 30°

Strømtrekket over diodene er lavere enn 60 % av diodenes maksimale

strømtrekk

Kapslingsgrad: IP66

Strømforsyning

230Vac, opsjon 24Vdc

Effektforbruk maks. 100W

2x 30W separate varmeelement

Skiltet må ha spenning på når det er montert ute for å holde det fritt for kondens.

Godkjent og CE-merket iht.

EN 12966-1:2005+A1:2009

C2L3R2B4/T1,T2,T3/P3

C2L3(*)R2B4/T1,T2,T3/P3

C2L3(T)R0B4/T1,T2,T3/P3

Tilkobling, kabling

Tilkobling til koplingsboks med rekkeklammer.

Material og overflatebehandling

Kasse i kromatert, pulverlakkert

6063T6 aluminium.

Alt av skruer og festemateriell er i syrefast stål (A4).

Frontplate laget av 5mm refleksfri polykarbonat AR.

Lagring og frakt

Under frakt og lagring må skiltet stå oppreist i normalposisjon på grunn av drenering og lufting

Skiltoppbygging

Meget stabilt skilt med integrerte skruespor for mange typer innfesting. Det har integrert lufting og drenering. Der skiltet åpnes er det trepunktpakning for å sikre best mulig tetthet.

Rev.04.04.2018 Del 6 - Side 1

LED ARBEIDSVARSLING

Arbeidsmann 1

Varenummer: 1600153 015

Posisjon 1

Arbeidsmann 3

Varenummer: 1600153 017

Posisjon 1

Arbeidsmann 4

Varenummer: 1600153 018

Posisjon 1 Posisjon 2 Posisjon 2 Posisjon 3
Rev.04.04.2018 Del 6 - Side 2
Posisjon 4

LED ARBEIDSVARSLING

Arbeidsmann 5

Varenummer: 1600153 019

Arbeidsmann 6

Varenummer: 1600153 020

Arbeidsmann 7

Varenummer: 1600153 021

Posisjon 1 Posisjon 2 Posisjon 3 Posisjon 4 Posisjon 1 Posisjon 2 Posisjon 3 Posisjon 2 Posisjon 3 Posisjon 4
Rev.04.04.2018 Del 6 - Side 3
Posisjon 1

LED ARBEIDSVARSLING

STYRING - SKILLEKORT SC28E

Til/fra styrekort på skilt:

17: Tilbakemelding signal 4 (LED27)

18: Tilbakemelding signal 3 (LED26)

19: Tilbakemelding signal 2 (LED25)

20: Tilbakemelding signal 1 (LED24)

21: +24V (forsyning inn til reléer på

22: 0V skillekort samt ut til skilt)

23: Påslag signal 1 (LED14)

24: Påslag signal 2 (LED15)

25: Påslag signal 3 (LED16)

26: Påslag signal 4 (LED17)

27: Tilbakemelding Alt OK (LED18)

28: -

29: Dimming (LED29)

Til/fra overordnet styring:

1: Tilbakemelding signal 4 (LED23)

2: Tilbakemelding signal 3 (LED22)

3: Tilbakemelding signal 2 (LED21)

4: Tilbakemelding signal 1 (LED20)

5: +24V

6: 0V

7: Påslag signal 1 (LED3)

8: Påslag signal 2 (LED4)

9: Påslag signal 3 (LED5)

10: Påslag signal 4 (LED6)

11: Relékontakt Alt OK inn (LED7)

12: Relékontakt Alt OK tilb. (LED8)

13: -

14: -

15: Reset (LED 11)

16: Dimming (LED28: gløder til vanlig og lyser ved påslag)

Galvanisk skille. Monteres på DIN skinne i SSA skap.
Rev.04.04.2018 Del 6 - Side 4

LED ARBEIDSVARSLING

STYRING - STYREKORT SC15G

Kortet er montert i skiltet
Rev.04.04.2018 Del 6 - Side 5
Tilkopling via koplingsboks på baksiden av skiltet

LED ARBEIDSVARSLING

STYRING - Koplingsboks

Koplingsboksen er normalt montert i nedre venstre hjørne på skiltet. Platen den er montert på bygger 200mm fra skiltkant slik at fester først kan monteres etter det.

Ved montering på Ø60mm rør eller på Norsafe Mast så finnes minimum avstand fra skiltkant til senter av røret eller masten i tabellen

nedenfor:

Mål fra kant feste til senter

Mål fra kant skilt til senter

Ø60 rør 75 mm275 mm

NM89 90 mm290 mm

NM120 104 mm304 mm

NM150 131 mm331 mm

NM190 156 mm356 mm

Rev.04.04.2018 Del 6 - Side 6

LED ARBEIDSVARSLING

FESTEUTSTYR

Det er enkelt å montere skiltet som har M12 skinner rundt om samt skinne for VD klammer. Det er og mulig å montere skiltet med kun bolthode i sporet, men da må man huske at styrken blir vesentlig redusert og man må kontrollberegne innfestingen nøye. Det er også enkelt å ettermontere annet utstyr med T-bolt/hammerhodebolt i skinnen.

Ved montering er det viktig å huske at alle deler av festeutstyret som er i direkte kontakt med skiltet må være i A4, syrefast stål eller varmgalvanisert stål, A2 eller elzink må ikke brukes.

Montering på Norsafe Mast

Når skiltet monteres på Norsafe Mast er det normalt kun nødvendig med fester oppe og nede på skiltet, der det er behov for det så leveres skiltet med ekstra M12 ryggskinner for montering av fester i flere høyder, da skal det monteres doble fester i alle ryggskinner. Alle fester og monteringsdetaljer er laget av aluminium med syrefaste bolter som sikrer lang levetid. Det er også mulig å montere skiltet med NM feste for VD dersom man ikke har feste med glideskinne tilgjengelig. Følgende fester med glideskinne brukes for montering av skiltet på Norsafe Mast:

Artikkel nr.: 21190022618 Klammer alum Ø90mm med flattskinne

Artikkel nr.: 22330020012 NM120 Skiltfeste m/60mm glideskinne

Artikkel nr.: 22330030015 NM150 Skiltfeste m/60mm glideskinne

Artikkel nr.: 22330000019 NM190/290 Skiltfeste m/60mm glideskinne

Rev.09.03.2020 Del 6 - Side 7

LED ARBEIDSVARSLING

FESTEUTSTYR

Montering på stål fagverk

Feste i galvanisert stål brukes når skiltet skal monteres på en mast eller portal laget av stål fagverk.

Art.nr.: 21190022730 Klammer VFZ for Ø20-45mm , m/VD skinne

Art.nr.: 21190022740 Klammer VFZ for Ø20-45mm , m/glideskinne

Montering med Ø60 eller Ø90mm rør bak skiltet

Aluminium fester som brukes når skiltet skal monteres på rør samt på Norsafe Mast NM89. Her må man være obs på at rørene normalt blir det svakeste punktet i konstruksjonen. (Det er også mulig å montere skiltet med feste for VD dersom man ikke har feste med glideskinne tilgjengelig)

Det kan og leveres varmgalvaniserte fester for montering på andre rør. Følgende fester med glideskinne brukes for montering med rør:

Artikkel nr.: 21190022614 Klammer alum Ø60mm med flattskinne

Artikkel nr.: 21190022618 Klammer alum Ø90mm med flattskinne

Montering i tunnel

Det er mange løsninger for å montere skiltet i tunnel. Euroskilt kan levere alle ønskede tunneloppheng med eller uten bruddbolt som brekker av ved påkjørsel.

Rev.09.03.2020 Del 6 - Side 8
7 Kontrollskilt

LED VMS skilt utviklet spesielt for krevende Norske forhold. Det har meget høy korrosjonsbestandighet og høy tetthetsgrad med trepunktspakninger.

Diodestørrelse: 5mm

Spredningsvinkel: 30°

Strømtrekket over diodene er lavere enn 60 % av diodenes maksimale strømtrekk

Kapslingsgrad: IP66

230Vac, opsjon 24Vdc

Effektforbruk maks. 100W 2x 30W separate varmeelement Skiltet må ha spenning på når det er montert ute for å holde det fritt for kondens.

C2L3R2B4/T1,T2,T3/P3

C2L3(*)R2B4/T1,T2,T3/P3

C2L3(T)R0B4/T1,T2,T3/P3

Tilkobling til koplingsboks med rekkeklammer.

Kasse i kromatert, pulverlakkert 6063T6 aluminium. Alt av skruer og festemateriell er i syrefast stål (A4).

Frontplate laget av 5mm refleksfri polykarbonat AR.

Under frakt og lagring må skiltet stå oppreist i normalposisjon på grunn av drenering og lufting

Meget stabilt skilt med integrerte skruespor for mange typer innfesting. Det har integrert lufting og drenering. Der skiltet åpnes er det trepunktpakning for å sikre best mulig tetthet.

Varenummer: 16001540001

Varenummer: 16001540003

Varenummer: 16001540004

Varenummer: 16001540006

Varenummer: 16001540005

Varenummer: 16001540002

17: Tilbakemelding signal 4 (LED27)

18: Tilbakemelding signal 3 (LED26)

19: Tilbakemelding signal 2 (LED25)

20: Tilbakemelding signal 1 (LED24)

21: +24V (forsyning inn til reléer på

22: 0V skillekort samt ut til skilt)

23: Påslag signal 1 (LED14)

24: Påslag signal 2 (LED15)

25: Påslag signal 3 (LED16)

26: Påslag signal 4 (LED17)

27: Tilbakemelding Alt OK (LED18)

28: -

29: Dimming (LED29)

1: Tilbakemelding signal 4 (LED23)

2: Tilbakemelding signal 3 (LED22)

3: Tilbakemelding signal 2 (LED21)

4: Tilbakemelding signal 1 (LED20)

5: +24V

6: 0V

7: Påslag signal 1 (LED3)

8: Påslag signal 2 (LED4)

9: Påslag signal 3 (LED5)

10: Påslag signal 4 (LED6)

11: Relékontakt Alt OK inn (LED7)

12: Relékontakt Alt OK tilb. (LED8)

13: -

14: -

15: Reset (LED 11)

16: Dimming (LED28: gløder til vanlig og lyser ved påslag)

Koplingsboksen er normalt montert i nedre venstre hjørne på skiltet. Platen den er montert på bygger 200mm fra skiltkant slik at fester først kan monteres etter det. Ved montering på Ø60mm rør eller på Norsafe Mast så finnes minimum avstand fra skiltkant til senter av røret eller masten i tabellen nedenfor:

Mål fra kant feste til senter

Mål fra kant skilt til senter

Ø60 rør

NM89

NM120

NM150

NM190

Det er enkelt å montere skiltet som har M12 skinner rundt om samt skinne for VD klammer. Det er og mulig å montere skiltet med kun bolthode i sporet, men da må man huske at styrken blir vesentlig redusert og man må kontrollberegne innfestingen nøye. Det er også enkelt å ettermontere annet utstyr med T-bolt/hammerhodebolt i skinnen.

Ved montering er det viktig å huske at alle deler av festeutstyret som er i direkte kontakt med skiltet må være i A4, syrefast stål eller varmgalvanisert stål, A2 eller elzink må ikke brukes.

Når skiltet monteres på Norsafe Mast er det normalt kun nødvendig med fester oppe og nede på skiltet, der det er behov for det så leveres skiltet med ekstra M12 ryggskinner for montering av fester i flere høyder, da skal det monteres doble fester i alle ryggskinner. Alle fester og monteringsdetaljer er laget av aluminium med syrefaste bolter som sikrer lang levetid. Det er også mulig å montere skiltet med NM feste for VD dersom man ikke har feste med glideskinne tilgjengelig. Følgende fester med glideskinne brukes for montering av skiltet på Norsafe Mast:

Artikkel nr.: 21190022618 Klammer alum Ø90mm med flattskinne

Artikkel nr.: 22330020012 NM120 Skiltfeste m/60mm glideskinne

Artikkel nr.: 22330030015 NM150 Skiltfeste m/60mm glideskinne

Artikkel nr.: 22330000019 NM190/290 Skiltfeste m/60mm glideskinne

9 3 20

Ved montering på Lattix skal det monteres mutterskinner hver 0,3m høyde bak på skiltet. (Såfremt ikke Lattix kommer med andre direktiver) Det er derfor meget viktig å innformere om hva skiltet skal monteres på når man bestiller. Standard kombiklammer modifisert med M12 bolt og glideskinne brukes til montering.

Artikkel nr.: 21940000005 Klammer kombi type for Lattix master modifisert

Feste i galvanisert stål brukes når skiltet skal monteres på en mast eller portal laget av stål fagverk.

Art.nr.: 21190022730 Klammer VFZ for Ø20-45mm , m/VD skinne

Art.nr.: 21190022740 Klammer VFZ for Ø20-45mm , m/glideskinne

Aluminium fester som brukes når skiltet skal monteres på rør samt på Norsafe Mast NM89. Her må man være obs på at rørene normalt blir det svakeste punktet i konstruksjonen. Det er også mulig å montere skiltet med feste for VD dersom man ikke har feste med glideskinne tilgjengelig. Det kan og leveres varmgalvaniserte fester for montering på andre rør. Følgende fester med glideskinne brukes for montering med rør:

Artikkel nr.: 21190022614 Klammer alum Ø60mm med flattskinne

Artikkel nr.: 21190022618 Klammer alum Ø90mm med flattskinne

Det er mange løsninger for å montere skiltet i tunnel. Euroskilt kan levere alle ønskede tunneloppheng med eller uten bruddbolter som brekker av ved påkjørsel.

9 3 20
8 Spesialskilt

LED VMS skilt utviklet spesielt for krevende Norske forhold.

Det har meget høy korrosjonsbestandighet og høy tetthetsgrad med trepunktspakninger.

Diodestørrelse: 5mm

Spredningsvinkel: 30°

Strømtrekket over diodene er lavere enn 60 % av diodenes maksimale strømtrekk

Kapslingsgrad: IP66

230Vac, opsjon 24Vdc

Effektforbruk maks. 100W 2x 30W separate varmeelement Skiltet må ha spenning på når det er montert ute for å holde det fritt for kondens.

Tilkobling til koplingsboks med rekkeklammer.

Kasse i kromatert, pulverlakkert 6063T6 aluminium. Alt av skruer og festemateriell er i syrefast stål (A4).

Frontplate laget av 5mm refleksfri polykarbonat AR.

Under frakt og lagring må skiltet stå oppreist i normalposisjon på grunn av drenering og lufting

Meget stabilt skilt med integrerte skruespor for mange typer innfesting. Det har integrert lufting og drenering. Der skiltet åpnes er det trepunktpakning for å sikre best mulig tetthet.

C2L3R2B4/T1,T2,T3/P3 C2L3(*)R2B4/T1,T2,T3/P3 C2L3(T)R0B4/T1,T2,T3/P3

Varenummer: 16014400001

Opsjon: Posisjon med løpende pil

Varenummer: 16014400002

Varenummer: 16014400003

Opsjon: Posisjon med løpende pil

Varenummer: 16014400004

Opsjon: Posisjon med løpende pil

Varenummer: 16014400005

Varenummer: 16014400006

Varenummer: 16014400007

Varenummer: 16014400008

Opsjon: Posisjon med løpende pil

Varenummer: 16014400009

Varenummer: 16014400011

Varenummer: 16014400013

Varenummer: 16014400014

Varenummer: 16014400012

17: Tilbakemelding signal 4 (LED27)

18: Tilbakemelding signal 3 (LED26)

19: Tilbakemelding signal 2 (LED25)

20: Tilbakemelding signal 1 (LED24)

21: +24V (forsyning inn til reléer på

22: 0V skillekort samt ut til skilt)

23: Påslag signal 1 (LED14)

24: Påslag signal 2 (LED15)

25: Påslag signal 3 (LED16)

26: Påslag signal 4 (LED17)

27: Tilbakemelding Alt OK (LED18)

28: -

29: Dimming (LED29)

1: Tilbakemelding signal 4 (LED23)

2: Tilbakemelding signal 3 (LED22)

3: Tilbakemelding signal 2 (LED21)

4: Tilbakemelding signal 1 (LED20)

5: +24V

6: 0V

7: Påslag signal 1 (LED3)

8: Påslag signal 2 (LED4)

9: Påslag signal 3 (LED5)

10: Påslag signal 4 (LED6)

11: Relékontakt Alt OK inn (LED7)

12: Relékontakt Alt OK tilb. (LED8)

13: -

14: -

15: Reset (LED 11)

16: Dimming (LED28: gløder til vanlig og lyser ved påslag)

Koplingsboksen er normalt montert i nedre venstre hjørne på skiltet. Platen den er montert på bygger 200mm fra skiltkant slik at fester først kan monteres etter det. Ved montering på Ø60mm rør eller på Norsafe Mast så finnes minimum avstand fra skiltkant til senter av røret eller masten i tabellen nedenfor:

Mål fra kant feste til senter

Mål fra kant skilt til senter

Ø60 rør

NM89

NM120

NM150

NM190

Det er enkelt å montere skiltet som har M12 skinner rundt om samt skinne for VD klammer. Det er og mulig å montere skiltet med kun bolthode i sporet, men da må man huske at styrken blir vesentlig redusert og man må kontrollberegne innfestingen nøye. Det er også enkelt å ettermontere annet utstyr med T-bolt/hammerhodebolt i skinnen.

Ved montering er det viktig å huske at alle deler av festeutstyret som er i direkte kontakt med skiltet må være i A4, syrefast stål eller varmgalvanisert stål, A2 eller elzink må ikke brukes.

Når skiltet monteres på Norsafe Mast er det normalt kun nødvendig med fester oppe og nede på skiltet, der det er behov for det så leveres skiltet med ekstra M12 ryggskinner for montering av fester i flere høyder, da skal det monteres doble fester i alle ryggskinner. Alle fester og monteringsdetaljer er laget av aluminium med syrefaste bolter som sikrer lang levetid. Det er også mulig å montere skiltet med NM feste for VD dersom man ikke har feste med glideskinne tilgjengelig. Følgende fester med glideskinne brukes for montering av skiltet på Norsafe Mast:

Artikkel nr.: 21190022618 Klammer alum Ø90mm med flattskinne

Artikkel nr.: 22330020012 NM120 Skiltfeste m/60mm glideskinne

Artikkel nr.: 22330030015 NM150 Skiltfeste m/60mm glideskinne

Artikkel nr.: 22330000019 NM190/290 Skiltfeste m/60mm glideskinne

9 3 20

Ved montering på Lattix skal det monteres mutterskinner hver 0,3m høyde bak på skiltet. (Såfremt ikke Lattix kommer med andre direktiver) Det er derfor meget viktig å innformere om hva skiltet skal monteres på når man bestiller. Standard kombiklammer modifisert med M12 bolt og glideskinne brukes til montering.

Artikkel nr.: 21940000005 Klammer kombi type for Lattix master modifisert

Feste i galvanisert stål brukes når skiltet skal monteres på en mast eller portal laget av stål fagverk.

Art.nr.: 21190022730 Klammer VFZ for Ø20-45mm , m/VD skinne

Art.nr.: 21190022740 Klammer VFZ for Ø20-45mm , m/glideskinne

Aluminium fester som brukes når skiltet skal monteres på rør samt på Norsafe Mast NM89. Her må man være obs på at rørene normalt blir det svakeste punktet i konstruksjonen. Det er også mulig å montere skiltet med feste for VD dersom man ikke har feste med glideskinne tilgjengelig. Det kan og leveres varmgalvaniserte fester for montering på andre rør. Følgende fester med glideskinne brukes for montering med rør:

Artikkel nr.: 21190022614 Klammer alum Ø60mm med flattskinne

Artikkel nr.: 21190022618 Klammer alum Ø90mm med flattskinne

Det er mange løsninger for å montere skiltet i tunnel. Euroskilt kan levere alle ønskede tunneloppheng med eller uten bruddbolter som brekker av ved påkjørsel.

9 3 20
9
Overlys - Lyslist

Se mekanisk variabelt skilt og VD-skilt for ytterligere informasjon.

Artikkel nr.: 16000000004, 1,2 meter overlys - 230Vac, 1,05A ca. 23W

Artikkel nr.: 16000000005, 1,8 meter overlys - 230Vac, 1,75A ca. 39W

Artikkel nr.: 16000000006, 2,4 meter overlys - 230Vac, 2,10A ca. 46W

Artikkel nr.: 16000000007, 3,0 meter overlys - 230Vac, 3,15A ca. 70W

Leveres som standard lakkert trafikkgrå.

Med mutterskinner, avstandsskiner og skruer, for veggmontering, passer f.eks. Stavanger leskur.

De to mutterskinnene er gjenget M8 med C-C 56mm. Mutterskinnene er montert i spor på siden.

Artikkel nr.: 16000000062, 1,2 meter lyslist veggmontering utemiljø - 230Vac, 1,05A ca. 23W

Leveres som standard lakkert sort.

Med festevinkel for takmontering, passer f.eks. Publikus.

C-C hull mellom vinklene for montering er 1262mm, M8 skrue, mutter og skive brukes.

Artikkel nr.: 16000000061, 1,2 meter lyslist takmontering utemiljø - 230Vac, 1,05A ca. 23W

Leveres som standard lakkert sort.

1 12 8

Boring av Ø9mm hull for å feste lyslist i Stavanger leskur.

Hullene bores 3,8-4mm lavere en sporet i profilen.

Lyslisten festes med 4 skruer som sitter sammen to og to, med en mutterskinne og en avstands skinne.

(Leveres av ES Tønsberg med lyslisten)

C-C = 56mm i skinnen, de monteres med et mellomrom på ca.600mm.

1 12 8

Lengde på rør bak skilt for montering av overlys = skilthøyde + 0,3m

Øvre kant av feste til overlys på rør monteres 300mm over skilt/feste.

Opphengsarm

Overlyset vinkles slik at øvre lyslinje treffer toppen av selve skiltet nedenfor skiltrammen.

Det er meget viktig å vinkle ned overlyset nok slik at det ikke kommer noe lys over skiltet som kan blende motgående trafikk.

Antall og type overlys og antall opphengsarmer velges i henhold til følgende tabell:

0 - 1,8m 1x 1,2m1 4,8 - 6,0m 2x 2,4m4 1,8 - 2,4m 1x 1,8m2 6,0 - 7,2m 2x 3,0m4 2,4 - 3,0m 1x 2,4m2 7,2 - 9,0m 3x 2,4m6 2,4 - 3,6 1x 3m2 9,0 - 10,8m 3x 3,0m6 3,6 - 4,8m 2x 1,8m2 10,8 - 14,4m 4x 3,0m8 ,
Ø60mm rørfeste
VD-skinne Ø60mm rør
med
1 12 8

10 Mekanisk variable skilt

Euroskilt Mekanisk Variabelt skilt Mark III. Skiltkassen og cellene er fremstilt av ekstruderte aluminiumsprofiler og aluminiumsplater i en svært stabil konstruksjon som gjør det mulig å lage store skilter. Skiltkassen er kromatert samt utvendig lakkert og alle ståldetaljer, mutrer, skruer, m.m. er i A4/316 stål for å tilfredsstille korrosjonsklasse C5. Den variable skiltflaten er bygget opp av hule trekantede profiler (celler). Disse er opplagret i tannhjul i den ene enden og lagerkule i den andre, begge av kunststoff. Cellene roteres av en motor via drivreim og tannhjul som gir en presis bevegelse. Cellenes posisjon leses av en nøyaktig encoder. Hvert skilt kan ha en eller flere motorer avhengig av størrelse eller antall visninger Dekselet til motorrommet har lås for trekantnøkkel. Skiltene kan leveres med horisontale eller vertikale celler. Ved store skilt deles de i seksjoner for å lette transport og montering. Skiltet har isbrytingsfunksjon som virker slik at cellene beveger seg litt i forhånds-programmerte tidsintervaller for å bryte is som legger seg på skiltet.

230Vac, (Alternativt 24Vdc)

Strømforbruk skilt, I max = 8,0A (kan variere på grunn av skiltstørrelse og styring)

Motor: GR 53-30 + gear PLG 52 – IP 66

Skiltet leveres med en av følgende typer encoder beroende på styring: For å tilfredsstille IP65: Gray parallell, IP 65 eller Lika SSI, IP 65 For å tilfredsstille IP66: Sendix absolut, Singelturn SSI - IP67 / IP69k

Skiltet ferdigstilles hos Euroskilt og en avsluttende kontroll (FAT test) utføres for å kontrollere at skiltet virker korrekt, resultat av kontroll med eget kontrollskjema med alle data og info. om motor, encoder og styring samt Teknisk manual medfølger skiltet. Det ferdige skiltet kan tilfredsstille følgende krav avhengig av type encoder og styring.

*=

Slag 13 N/A EN 60598-1 0,51kg, 50mm kule, 1,3m slipphøyde Vibrasjon 14 AJ2 IEC 60068-2-64 Test Fh* Forurensing 8.2.2 D4 CIE 60664-1 Tetthet, vann 16 P3 EN 60529 IP x6* Tetthet, støv 17 P3 EN 60529 IP 6x* Temp. kulde 18 T2 IEC 60068-2-1 -25 grader C* Temp. varme 18 T3 IEC 60068-2-2 +60 grader C*
Er avhengig av styring og encoder

Hvis ikke annet spesifiseres så leveres skiltet ferdig koblet, kunden må oppgi hvor lange kabler som ønskes. Som opsjon kan kablene leveres med plugger for hurtig tilkobling.

Håndvask

Når man bestiller et mekanisk variabelt skilt skal bestillingen minimum inneholde følgende:

1.Skilt

2.Fester til skilt i forhold til hva det skal monteres på

3.Opphengsarm, hvis man skal ha overlys

4.Overlys, type og antall, se tabell

5.Lamper med feste for Ø60mm rør, type må defineres se liste

6.Ø60mm rør, lengde og antall samt antall fester for rør.

Mange forskjellige tilleggsmoduler kan integreres i skiltet. Som for eksempel LED Grafisk Display, Mekanisk Grafisk Display (faste ikke variable skiltmoduler) blinklamper.

For å lyse opp det mekanisk variable skiltet kan overlys brukes, Kan koples til enten direkte i koblingsboks eller leveres med plugger for hurtigtilkopling.

Lengde på rør bak skilt for montering av overlys eller lamper alene = skilthøyde + 0,3m

Lengde på rør bak skilt for montering av både overlys og blinklamper = skilthøyde + 0,55m

Øvre kant av feste til overlys på rør monteres 300mm over skilt/feste.

Antall og type overlys og antall opphengsarmer velges i henhold til følgende tabell:

()* = antall opphengsarmer hvis blinklamper skal brukes i tillegg til overlys

Driver er integrert i en egen boks montert på overlyset. For ytterligere info. om overlys se eget kapittel om overlys.

0 - 1,8m 1x 1,2m1 (2)* 4,8 - 6,0m 2x 2,4m4 1,8 - 2,4m 1x 1,8m2 6,0 - 7,2m 2x 3,0m4 2,4 - 3,0m 1x 2,4m2 7,2 - 9,0m 3x 2,4m6 2,4 - 3,6 1x 3m2 9,0 - 10,8m 3x 3,0m6 3,6 - 4,8m 2x 1,8m2 (4)* 10,8 - 14,4m 4x 3,0m8
Ø60mm rørfeste Opphengsarm Ø60mm rør

Overlyset vinkles slik at øvre lyslinje treffer toppen av selve skiltet nedenfor skiltrammen.

Det er meget viktig å vinkle ned overlyset nok slik at det ikke kommer noe lys over skiltet som kan blende motgående trafikk.

Skiltet kan leveres med blinklamper

Se egne sider om blinklamper for å velge ønsket type. Andre løsninger kan og leveres.

200mm Vekselblinkere SR1 / SR2D: maks 12W

300mm Vekselblinkere SR300: maks 17W

Lampene kan koples til enten direkte i koblingsboks eller leveres med IP66 plugger for hurtigtilkopling med plugguttak bak på skilt.

Artikkel nr.: 16061000011, 200mm vekselblinksett, gult med styring og feste for 40-60mm rør

Artikkel nr.: 16061000012, 200mm vekselblinksett, rødt med styring og feste for 40-60mm rør

Artikkel nr.: 16095201424, 200mm slavelampe, gul, med feste for 40-60mm rør.

Artikkel nr.: 16095201324, 200mm slavelampe, rød, med feste for 40-60mm rør.

Artikkel nr.: 16061000015, 300mm vekselblinksett, gult med styring og feste for 40-60mm rør

Artikkel nr.: 16061000016, 300mm vekselblinksett, rødt med styring og feste for 40-60mm rør

Artikkel nr.: 16095030002, 300mm slavelampe, gul, med feste for 40-60mm rør.

Artikkel nr.: 16095030001, 300mm slavelampe, rød, med feste for 40-60mm rør.

Tilleggstrafo for 230Vac strømforsyning kan leveres

Artikkel nr.: 16000000022 Trafo uten boks for integrering i skilt. For ytterligere info. om lamper se eget kapittel om lamper.

Det er enkelt å montere skiltet som har M12 skinner rundt om. Dersom skiltet er høyt blir det levert med ekstra M12 ryggskinner montert, hvor mange avhenger av hva skiltet skal monteres på. Ved montering er følgende viktig å huske; Kun fester med flatt glideskinne må brukes, ikke kun enkel mutter/bolt. Dersom styringsskap skal monteres på masten er det viktig at det monteres på baksiden av masten. Det er og meget viktig med egen skikkelig jording av skiltet. Alle deler av festeutstyret som er i direkte kontakt med skiltet må være i A4, syrefast stål eller varmgalvanisert stål, A2 eller elzink må ikke brukes.

Når skiltet monteres på Norsafe Mast er det normalt kun nødvendig med fester oppe og nede på skiltet, dersom skiltet blir over 2m høyt så blir det levert med ekstra M12 ryggskinner for montering av fester i flere høyder, da skal det monteres doble fester i alle ryggskinner. Alle fester og monteringsdetaljer er laget av aluminium med syrefaste bolter som sikrer lang levetid. Følgende fester med glideskinne brukes for montering av skiltet på Norsafe Mast:

Artikkel nr.: 22330020012 NM120 Skiltfeste m/60mm glideskinne

Artikkel nr.: 22330030015 NM150 Skiltfeste m/60mm glideskinne

Artikkel nr.: 22330000019 NM190/290 Skiltfeste m/60mm glideskinne

Ved montering på Lattix skal det monteres mutterskinner hver 0,3m høyde bak på skiltet (Såfremt ikke Lattix kommer med andre direktiver). Det er derfor meget viktig å innformere om hva skiltet skal monteres på når man bestiller. Standard kombiklammer modifisert med M12 bolt og glideskinne brukes til montering.

Artikkel nr.: 21940000005 klammer kombi type for lattix master modifis

Feste i galvanisert stål brukes når skiltet skal monteres på en mast eller portal laget av stål fagverk.

Art.nr.: 21190022740 Klammer VFZ for Ø20-45mm, m/glideskinne

Her må man være obs på at rørene normalt blir det svakeste punktet i konstruksjonen. Dersom skiltet skal monteres over veien må det min. brukes Ø60mm stålrør (1,68kNm), ikke alu rør (1,16kNm) andre alternativer er Ø90mm alu rør (3,56kNm) eller Ø89mm stålrør (4,18kNm) eller NM89 (7,5kNm). Opphenget må alltid beregnes.

Følgende fester med glideskinne brukes for montering med rør:

Artikkel nr.: 21190022614 Klammer alum Ø60mm med flattskinne

Artikkel nr.: 21190022618 Klammer alum Ø90mm med flattskinne Det kan og leveres varmgalvaniserte fester for montering på andre dimensjoner rør.

Det er mange løsninger for å montere skiltet i tunnel. Euroskilt kan levere alle ønskede tunneloppheng med eller uten bruddbolt som brekker av ved påkjørsel.

9 3 20

Det er viktig å beregne alle typer konstruksjoner som monteres over veien på en portal. Den svakeste delen av konstruksjonen er normalt røret bak skiltet. Det bør min brukes Ø60mm stålrør (ikke Ø60mm aluminium) bak skiltet når et mekanisk skilt monteres på en portal.

Euroskilt kan levere fester med portalen, Da beregnes portaler og skilt sammen med portalen.

Skilt og oppheng må styrkeberegnes og beskrives av prosjektet.

,
9 10

TEKNISKE PRODUKTER 11 Fester

FESTER, festemateriell og montering

Indeks

1.Info. / Innledning / Indeks

2. Bolter og skinner som brukes til Innfesting i M12 skruespor

3. Rør, kamjern og masteprofiler, kapasitet og standard fester

4.Profiler som brukes til oppheng / innfesting

5.Grunnlag til beregning av antall fester som trenges

6. Oversikt over standard fester

7.Montering i tunnel, med XYZ festebrakett

8. Montering av VMS på Norsafe Mast

9. Montering av på Lattix Mast

10. Montering på master og portaler med stål fagverk

11. Montering med Ø60 eller Ø90mm rør bak skiltet

12. Euroskilt skiltoppheng for tunnel i syrefast stål (E-TunO)

13.Deler/fester til Euroskilt tunneloppheng

14. Norsafe Mast og T&V mast, med standard fester fra lager

15.Løsninger for ledninger til NM - i og utenfor masten

16. Fester til NM, dobbeltsidig feste, fester på to master

17. Systemløsninger med NM

18. Norsafe Mast min. C-C mål

19. Norsafe Mast, mål / detaljer for fester på toppen og på siden

20. Portaler og portalfester

21.Tabeller og annen info.

Fester Rev.20.04.2023 Del 11 - Side 1

FESTER, festemateriell og montering

Bolter og skinner som brukes til Innfesting i M12 skruespor

OBS! Leverandør av skilt må dokumentere kapasitet av skiltets innfesting, profil/skinne etc.

Glideskinne og bolt

Beste løsning. Dette gir full styrke. (Som den gamle RS-skinnen med T-bolt)

Tillatt last: 15 kN (1500kg)

Firkanthodebolt for C-skinne

Kun for Compact Sign. Kun vertikal montering. Kun for bruk i CS C-skinne, ikke for noe annet. Må ikke brukes over kjørebane, kun mot vegg. Holdfasthetsklasse: tilsvarende ca. 3.6.

Tillatt last: 4,5 kN (450kg) – kun med CS

VD skinne og bolt

Dette er en løsning dersom man ikke har annet alternativ. Gir relativt god styrke, kan brukes til å henge opp skiltet.

Tillatt last: 5 kN (500kg)

T-bolt

Dette brukes normalt kun til å feste ekstrautstyr på skilt. Men brukt til NM gir den meget god styrke med NM-festet.

(Når T-Bolt brukes til Norsafe Mast så er det godset i festet som gir styrke)

Tillatt last: 3,5 kN (350kg)

Sekskanthode bolt

Dette brukes kun til å feste ekstrautstyr på skiltet og ikke for å henge opp selve skiltet. Gir en lav styrke.

Tillatt last: 2,5 kN (250kg)

Mutter

Dette brukes kun til å feste ekstrautstyr på skiltet og ikke for å henge opp selve skiltet. Gir en lav styrke. Usikker.

Tillatt last: 2,5 kN (250kg)

Fester Rev.20.04.2023 Del 11 - Side 2

FESTER, festemateriell og montering

Rør, kamjern og masteprofiler, kapasitet og standard fester

Rør / Profil: Bøye kapasitet: Eksempel feste:

Ø20mm gjengestang A4-70/A4-80

Ø24mm gjengestang A4-70/A4-80

Ø60 x 3mm Aluminium rør (skall ikke brukes til å feste skilt eller kjørefeltsignal på portal)

Ø60 x 5mm Aluminium rør (for å feste kjørefeltsignal på portal eller annet)

Ø60,3 x 2,9mm Stål rør,VZN

Ø60,3 x 2,0mm Stål rør 316L Ø60,3 x 3,65mm Stål rør 316L

Fester Rev.20.04.2023 Del 11 - Side 3
0,40/0,53 kNm 0,69/0,92 kNm
1,16kNm 1,86kNm
1,68kNm 1,24kNm 2,08kNm Ø90
Aluminium rør 3,56kNm Ø88,9
Stål rør 4,18kNm NM 89-7.5 7,5kNm NM 120-15 15kNm NM 150-30 30kNm NM 190-45 (NM 190-60) (NM 290-100) (NM 290-115) 45kNm (60kNm) (100kNm) (115kNm)
x 4mm
x 3,2mm

FESTER, festemateriell og montering

Beregning av hvilket rør eller oppheng som trenges

Dette viser hvordan man beregner rør/oppheng med Euroskilt Mastkalkulator, dette er for mindre skilter når man ikke trenger Norsafe Mastens større kapasitet eller når syrefast stål kreves. Ref. forrige side med: "Rør, kamjern og masteprofiler, kapasitet og standard fester"

Ovenfor viser en beregning av et skilt på 0,4 x 0,4 m med vindlastklasse 5 (WL5), med en monteringshøyde på 2m - enten fra bakken eller ned fra et tunneltak eller ut fra vegg. For tunnel brukes WL5 og man må alltid regne et oppheng om gangen ikke to eller flere. Beregningen viser at dette oppsettet trenger et rør/oppheng som har en kapasitet som er større en 1,3kNm. Se Mb = 1,3 kNm nede til høyre på illustrasjonen ovenfor.

OBS! På portal, oppheng i tak i tunnel og annet over veien må sikkerhetsklasse 2 brukes. Euroskilt Tunneloppheng (E-TunO) er med i tabellen, det er kun for oppheng i tunnel.

I tabellen til høyre i Mastkalkulator kan man finne ut hvilken rør/oppheng man trenger. Denne tabellen viser nedenfor.

I tabellen kan man finne ut hva man trenger, i dette tilfelle må man ha et rør/oppheng som har en større kapasitet en 1,3kNm. De som har stor nok kapasitet er merket med rødt. De som har mindre kapasitet, kan da ikke brukes. (E-Tuno vertikal 1,3kNm er kun for flatt tunneltak)

Fester Rev.20.04.2023 Del 11 - Side 4

FESTER, festemateriell og montering

Profiler som brukes til oppheng / innfesting

OBS! Leverandør av skilt må dokumentere kapasitet av skiltets innfesting, profil/skinne etc.

Ryggskinne TOV 5268 og Forsterket ryggskinne EUV5134

Monteres bakpå skilt. TOV 5268 må forsterkes med innvendig profil for styrke.

Profil TOV 0170

Profil TOV 0189

Profil TOV 0162

Fester Rev.20.04.2023 Del 11 - Side 5

FESTER, festemateriell og montering

Beregning av antall fester som trenges

Dette viser hvordan man finner grunnlag til å beregne hvor mange fester som trenges for å henge opp et skilt med hjelp av Euroskilt mastkalkulator. OBS! noen ganger må man dele opp skiltet i «soner» for å beregne belastning på innfesting pga. «B/4» regel.

1. Finn den totale vindlasten på skiltet

- Enten på første siden: Prosjektinfo.: Prosj./ Tilb./ S.Ordre - nr.: SO

C - C avstand master:

- Eller på fanen CALC-result:

Calc. results: Euroskilt kalkulator for ettergivende master

Prosjektinfo.: Den store veien Kunde: Kongen

Prosj./ Tilb./ S.Ordre - nr.:

Utfylt av: Johnny Sköld Dato: 05.03.2020

Fester Rev.20.04.2023 Del 11 - Side 6
Pos.: m Egendefinert v m ( zref m ( HDSL m m( Auto C-C = Mekanisk Variabelt Skilt (VMS): Totalhøyde mast = 2,200 = 0,500 m ) 2,500 5,84 kN Skiltlast: = min.2,5 m ) 3,000 1,667 m )
1,000 Monteringshøyde: Skiltbredde: Skilthøyde: No.1. 2,000 Den store veien 123456789 Profil: 99-63-91
SO-123456789
Ref.:
Wind force on sign: Wind load q w 0,80kN/m2 Shape factor, sign c fs 1,20 Load factor γ F 1,35 Material factor γ m 1,15 Width sign W S 2,50m Height sign H S 1,00m W/4-factor1,57 Wind force on sign F wS =q w c fs γ F γ m W S H S·”W/4-factor” 5,84kN
12345

FESTER, festemateriell og montering

Oversikt over standard fester

22331020012 NM120 Skiltfeste m/60mm VD-skinne

22331030015 NM150 Skiltfeste m/60mm VD-skinne

22331000019 NM190/290 Skiltfeste m/60mm VD-skinne

22330020012 NM120 Skiltfeste m/60mm glideskinne

22330030015 NM150 Skiltfeste m/60mm glideskinne

22330000019 NM190/290 Skiltfeste m/60mm glideskinne

21190022620 Klammer alum Ø90mm m/ VD-skinne (til NM89)

21190022618 Klammer alum Ø90mm m/ glideskinne (til NM89)

21190022622 Klammer alum Ø90mm m/ VD-skinne, tosidig (til NM89)

21190022621 Klammer alum Ø90mm m/ glideskinne, tosidig (til NM89)

22332020012 NM120 U-feste T-kryss

22332020015 NM150 U-feste T-kryss

22332020019 NM190 U-feste T-kryss

22332020029 NM290 U-feste T-kryss

21190022615 Klammer alum Ø60mm m/ VD-skinne

21190022614 Klammer alum Ø60mm m/ glideskinne

Fester Rev.20.04.2023 Del 11 - Side 7

FESTER, festemateriell og montering

Oversikt over standard fester

Fester Rev.20.04.2023 Del 11 - Side 8
NM120 VD skinne 210mm, C-C 162mm 22331030204 NM150 VD skinne 260mm, C-C 204mm 22331000249 NM190/290 VD skinne 310mm, C-C 249mm
NM120 Glideskinne 210mm,
162mm 22330030204 NM150 Glideskinne 260mm, C-C 204mm 22330000249 NM190/290 Glideskinne 310mm, C-C 249mm
Tverrprofil,
m
Tverrprofil,
m
Tverrprofil,
m
NM Vinkel
mast.
Klammer
Tverrprofil,
Tverrprofil,
22250300400 Tverrprofil,
Klammer
Klammer
22331020162
22330020162
C-C
22250400300
stor, 50x120mm, L= 3,0
22250400400
stor, 50x120mm, L= 4,0
22250400500
stor, 50x120mm, L= 5,0
22334000001
til Oppheng tunnel, gjengestang M20/M24 og Ø60mm / Ø90mm rør samt NM og T&V
21190900006
hjørne, alum, 90 gr. VD profil 22250300200
liten, 40x80mm, L= 2,0 m 22250300300
liten, 40x80mm, L= 3,0 m
liten, 40x80mm, L= 4,0 m 21190900004 Klammer hjørne, alum, Flexi glideskinne 21190900002
hjørne, alum Flexi VD profil 21190900008
hjørne, alum, 90 gr. glideskinne

FESTER, festemateriell og montering

Montering i tunnel med XYZ festebrakett

Når skilt monteres i tunnel kan det brukes festebrakett for vegg med knekkledd. Brukes i hovedsak til fartsgrenseskilt, men kan også brukes til andre typer skilt med skruespor. leveres med knekkledd med bruddbolt slik at det svinger unna ved påkjøring. P.nr. 16095100520

Festebrakett for rett/buet vegg XYZ med knekkledd

Fester Rev.20.04.2023 Del 11 - Side 9

FESTER, festemateriell og montering

Montering av VMS på Norsafe Mast

Når VMS eller LED skilt monteres på Norsafe Mast er det normalt kun nødvendig med fester oppe og nede på skiltet, dersom skiltet blir over 2m høyt så blir det levert med ekstra M12 ryggskinner for montering av fester i flere høyder, da skal det monteres doble fester i alle ryggskinner. Leverandør av skilt må dokumentere styrke/kapasitet i forhold til innfesting og profil/skinne m.m. og beregning av innfesting må beregnes i forhold til det. Alle fester og monteringsdetaljer er laget av aluminium med syrefaste bolter som sikrer lang levetid. (Det er også mulig å montere skiltet med NM feste for VD dersom man ikke har feste med glideskinne tilgjengelig) Firkanthodebolter skal ikke brukes. Følgende fester med glideskinne brukes for montering av skiltet på Norsafe Mast:

Artikkel nr.: 22330020012 NM120 Skiltfeste m/60mm glideskinne

Artikkel nr.: 22330030015 NM150 Skiltfeste m/60mm glideskinne

Artikkel nr.: 22330000019 NM190/290 Skiltfeste m/60mm glideskinne

Montering av VMS på Lattix Mast

Ved montering på Lattix skal det monteres ryggskinner hver 0,3m høyde bak på skiltet (Dersom ikke Lattix oppgir noe annet). Det er derfor meget viktig å innformere om hva skiltet skal monteres på når man bestiller. Standard kombiklammer modifisert med M12 bolt og glideskinne brukes til montering.

Artikkel nr.:

21940000005 Klammer kombi type for lattix master modifisert

Fester Rev.20.04.2023 Del 11 - Side 10

FESTER, festemateriell og montering

Montering på vertikalt stål fagverk

Feste i galvanisert stål brukes når skiltet skal monteres på en mast eller portalbein laget av stål fagverk.

Prod.nr.: 21190022730 Klammer VFZ for Ø20-45mm, m/VD skinne

Prod.nr.: 21190022740 Klammer VFZ for Ø20-45mm, m/glideskinne

Prod.nr.: 21190022770 Klammer VFZ for Ø50-80mm, m/VD skinne

Prod.nr.: 21190022780 Klammer VFZ for Ø50-80mm, m/glideskinne

Montering med Ø60 eller Ø90mm rør bak skiltet

Aluminium fester som brukes når skiltet skal monteres på rør samt på Norsafe Mast NM89. Her må man være obs på at rørene normalt blir det svakeste punktet i konstruksjonen. (Det er også mulig å montere skiltet med feste for VD dersom man ikke har feste med glideskinne tilgjengelig)

Det kan og leveres varmgalvaniserte fester for montering på andre rør. Følgende fester med glideskinne brukes for montering med rør:

Artikkel nr.: 21190022614 Klammer alum Ø60mm med flattskinne

Artikkel nr.: 21190022618 Klammer alum Ø90mm med flattskinne

Det finnes og tilsvarende syrefaste fester for montering i tunnel, men siden de normalt ikke kan monteres med vanlig glideskinne eller VD-skinne da skilter i tunnel oftest har andre innfestinger som f.eks. C-skinne eller direkte feste mot vegg så leveres disse uten bolter og bakplate, det må da bestilles separat.

Fester Rev.20.04.2023 Del 11 - Side 11

FESTER, festemateriell og montering

EUROSKILT SKILTOPPHENG FOR TUNNEL (E-TunO)

Et nytt forenklet oppheng i syrefast stål som er utviklet spesielt for å spare tid og krav til presisjon og justering ved montering samt redusere kostnad til vedlikehold og i produksjon. Opphenget er helsveiset iht. alle krav i EN1090. Det er grundig optimalisert i forhold til styrke for å sikre at det alltid tilfredsstiller alle krav samtidig som man ikke bruker unødvendig mye material. Dokumentert og CE merket i hht. EN1090 og EN12899 samt CPR. Alle Ytelseserklæringer og CE-merker finnes på: www.euroskilt.no/YE/014

• Hurtig enkel montering, få deler og ingen løse bolter og mutrer i leveransen

• Enkel trinnløs justering i alle retninger også for takbolt

• Drager kan justeres ±5° (8,75% stigning, 1:11,4)

• Alle deler i syrefast stål 316L / A4-80

• Styrke og utmatting (SVV R510, lastveksling på 3∙107 for 30år) er beregnet

• Kan hurtig dimensjoneres i forhold til størrelse på skilt

• 2 varianter C-C bolter mot tak; 800mm og 1080mm

• Ovale hull i takvinkel med firkantbrikke over/under gir C-C mål ±36mm

• Spesialvarianter med større/mindre C-C mål finnes hvis man borer feil

• 3 styrkevarianter; 16kNm, 13,7kNm og 8,77kNm

• Forsterkningshylse til takbolt hvis man får for lang avstand til tak

• Variantene dekker alle belastninger fra små kjørefeltsignaler til de største skilt, alle firkantrør er i dimensjon 100x100mm med forskjellige veggtykkelser, alle vinkler mot tak er 100x100x10mm

• En M12x120mm sikringsbolt er montert i bunn av vertikaler med to mutre

• Standardfester til dragere/skilt som passer til alle varianter

Fester Rev.20.04.2023 Del 11 - Side 12

FESTER, festemateriell og montering

EUROSKILT SKILTOPPHENG FOR TUNNEL (E-TunO)

E-TunO Vertikal 8,77kNm C-C 1080 (±36mm)

P.nr. 22590200010

Maks. fri boltlengde (M24) over takvinkel gis av belastningen: 8,77kNm = 227mm, 8kNm = 250mm, 7kNm = 287mm og < 6,5kNm = max. 300mm

Kappelengde oppgis ved bestilling.

E-TunO Vertikal 13,7Nm C-C 1080 (±36mm)

P.nr. 22590200020

Maks. fri boltlengde (M24) over takvinkel gis av belastningen: 13,7kNm = 142mm, 13kNm=151mm, 12kNm=164mm, 11kNm=180mm, 10kNm=199mm, 9kNm=221mm

Kappelengde oppgis ved bestilling.

E-TunO Vertikal 16kNm C-C 1080 (±36mm)

P.nr. 22590200030

Maks. fri boltlengde (M24) over takvinkel gis av belastningen: 16kNm = 122mm, 15,5kNm=126mm, 15kNm=130mm, 14kNm=140mm, 13kNm=145mm Kappelengde oppgis ved bestilling.

Spesialvarianter

med lengre eller kortere C-C mål for bruk

22590200050 E-TunO Vertikal 8,77kNm Spesial C-C 1010 (±36mm)

22590200090 E-TunO Vertikal 8,77kNm Spesial C-C 1150 (±36mm)

22590200060 E-TunO Vertikal 13,7Nm Spesial C-C 1010 (±36mm)

22590200100 E-TunO Vertikal 13,7Nm Spesial C-C 1150 (±36mm)

22590200070 E-TunO Vertikal 16kNm Spesial C-C 1010 (±36mm)

22590200110 E-TunO Vertikal 16kNm Spesial C-C 1150 (±36mm)

ved feilboring

Fester Rev.20.04.2023 Del 11 - Side 13

FESTER, festemateriell og montering

EUROSKILT SKILTOPPHENG FOR TUNNEL (E-TunO)

E-TunO Dragerfeste, just. i xy + vinkel, 316L

P.nr. 22590200260

Det er seraterte sider mot vertikal drager for å forhindre glidning. Drager kan justeres ±5°

E-TunO Dragerfeste, dobbelsidig, 316L

P.nr. 22590200270

Det er seraterte sider mot vertikal drager for å forhindre glidning. Drager kan justeres ±5°

E-TunO Enkelsidig Ø60mm feste til drager, 316L Feste for 1 stk. Ø60,3mm rør

P.nr. 22595400030

E-TunO Dobbelsidig Ø60mm feste t/drager, 316L Feste for 2 stk. Ø60,3mm rør

P.nr. 22595400040

Feste som brukes når man fester skilt direkte på vertikalt oppheng uten drager OBS! Leverandør av skilt må dokumentere kapasitet av skiltets innfesting, profil/skinne etc.

E-TunO Skiltfeste M12 ryggskinne VMS,VD

P.nr. 22595400060

Det er seraterte flater mot firkantrør for å hindre glidning. Innfesting kan justeres ±5° (8,75% stigning) M12 bolt må ikke brukes uten glideskinne

Fester Rev.20.04.2023 Del 11 - Side 14

FESTER, festemateriell og montering

EUROSKILT SKILTOPPHENG FOR TUNNEL (E-TunO)

E-TunO Vertikal 8,77kNm C-C 800, 316L

P.nr. 22590200160

Maks. fri boltlengde (M24) over takvinkel = 207mm Kappelengde oppgis ved bestilling.

E-TunO Vertikal 13,7kNm C-C 800, 316L

P.nr. 22590200170

Maks. fri boltlengde (M24) over takvinkel = 122mm Kappelengde oppgis ved bestilling.

E-TunO Drager 8,77kNm, 316L, 0-6m (100x100x3mm)

P.nr. 22590200200

E-TunO Drager 8,77kNm, 316L, 6-12m (100x100x3mm)

P.nr. 22590200230

E-TunO Drager 13,7kNm, 316L, 0-6m (100x100x5mm)

P.nr. 22590200210

E-TunO Drager 13,7kNm, 316L, 6-12m (100x100x5mm)

P.nr. 22590200240

E-TunO Drager 16kNm, 316L, 0-6m (100x100x6mm)

P.nr. 22590200220

E-TunO Drager 16kNm, 316L, 6-12m (100x100x6mm)

P.nr. 22590200250

E-TunO Forst.hylse til takbolt M24 x30mm

Forsterkningshylse til takbolt, brukes dersom avstand til tak blir for langt for takboltens styrke.

P.nr. 22590200300

Fester Rev.20.04.2023 Del 11 - Side 15

FESTER, festemateriell og montering

EUROSKILT SKILTOPPHENG FOR TUNNEL (E-TunO)

E-TunO Vertikal 0,5kNm 0,3m Ø60mm 316L

P.nr. 22590200310

Oppheng med 0,3m Ø60,3x2mm rør med fotplate for veldig små skilter montert mot flatt

tak.

Monteres med 2x M16 bolter.

C-C mål mellom bolter mot tak:120mm

Kapasitet: 0,5kNm

E-TunO Vertikal 1,3kNm 0,3m Ø60mm 316L

P.nr. 22590200320

Oppheng med 0,6m Ø60,3x3,65 mm rør med fotplate for små skilter montert mot flatt tak.

Monteres med 2x M16 bolter.

C-C mål mellom bolter mot tak:170mm

Kapasitet: 1,3kNm

E-TunO Vertikal 1,3kNm 0,6m Ø60mm 316L

P.nr. 22590200330

Oppheng med 0,3m Ø60,3x3,65 mm rør med fotplate for små skilter montert mot flatt tak.

Monteres med 2x M16 bolter.

C-C mål mellom bolter mot tak:170mm

Kapasitet: 1,3kNm

Fester Rev.20.04.2023 Del 11 - Side 16

FESTER, festemateriell og montering

Norsafe Mast og T&V mast, med standard fester fra lager Noen eksempel på muligheter som finnes med lagerførte profiler og fester i aluminium.

Fester Rev.20.04.2023 Del 11 - Side 17

FESTER, festemateriell og montering

Løsninger for ledninger til NM - i og utenfor masten

Plassering, tillatt boring for kabel, min. 1m over fotplate Maks. Ø30mm hull for NM89, maks. Ø50mm hull for andre master OBS! - Kun på siden ikke foran eller bak på masten NM89 NM120 NM150 NM190 NM290

Alle elskap, elbokser og annet må plasseres bak masten i forhold til kjøreretning - ikke fremfor masten eller på siden. Skilt og annet på fremsiden må monteres min. 1,8m over bakken. Alle fotplater til Norsafe Master har et Ø50mm hull, dette hull må ikke forandres eller økes størrelse på.

Norsafe Mast og NM fundament Ytelseserklæringer: www:euroskilt.no/YE/010

Fester Rev.20.04.2023 Del 11 - Side 18

FESTER, festemateriell og montering

Norsafe Mast

Oppbygging av dobbeltsidig feste

Norsafe Mast montering av skilt på to master

Ved montering på to master skal feste med VD skinne 2 brukes (Hvis ikke masten står bak rekkverk)

Norsafe Mast og NM fundament Ytelseserklæringer: www:euroskilt.no/YE/010

Fester Rev.20.04.2023 Del 11 - Side 19

FESTER, festemateriell og montering

Norsafe Mast Systemløsninger Utvendig T-kryss

Hvis det er mulig så anbefales det å bruke innvendig T-kryss som er en mye sterkere og rimeligere løsning, dette er en løsning som kun brukes hvis kundene insisterer på det.

Beregning:

Det er meget viktig å utføre beregning før man gir pris da denne løsningen normalt krever større master en forventet. Og det må beregnes to ganger, både mot sterk retning og mot svak retning da Norsafe Masten kun har 50% styrke på tvers. OBS! Fundamentet kommer ofte på tvers av kjøreretningen med denne løsningen. Hvis noen av skiltene blir bredere en 2,8m må normalt to master brukes (eller en annen type konstruksjon), da monteres to skilt direkte mot mastene og det siste skiltet med hjørneklammer mot de to andre skiltene, sjekk at fundamentene får plass.

For beregning brukes Euroskilt Mastkalkulator: (Skiltbredde-feltet kan bli rødt pga. VD, det er OK)

1. Sterk retning, på langs med fundament/kjøreretning, beregnes med front skilt høyde x største bredde x 2,5 som da skal ha en utnyttelse på under 100%. Dette er i samme retning som normalt for andre skilt langs veien. Husk at noen ganger må monteringshøyde økes pga snøbrøytelast.

2. For svak akse, på tvers av den vanlige retningen som skilt monteres på, beregnes med side skilt høyde x største bredde x 2,5 som da skal ha en utnyttelse på under 50% i bøyning I mastkalkulatorn skrives da in skiltets bredde som 2,5 x skiltets virkelige bredde.

F.eks. om skiltet er 1m bredt så skrives det in 2,5 m i "skiltbredde"

Fester Rev.20.04.2023 Del 11 - Side 20

FESTER, festemateriell og montering

Norsafe Mast Systemløsninger Utvendig T-kryss

Deler som medgår, montering og kappelengder:

Norsafe Mast 120/150/190 (NM 89 er ikke egnet til dette)

Standard NM feste (2 stk. for hver tverrprofil):

22330020012 NM120 Skiltfeste/ klammer m/60mm glideskinne, T-bolt M8

22330030015 NM150 Skiltfeste/ klammer m/60mm glideskinne, T-bolt M12

22330000019 NM190/290 Skiltfeste/ klammer m/60mm glideskinne, T-bolt M12

Tverrprofil, kappes normalt 4mm lengre en bredde front skilt VD-profil, da passer alt fint i mot og man slipper måle så mye, men den kan kappes opptil 50mm kortere.

Tverrprofil monteres minimum hver 0,5m i høyden, helst ved hver VD-skjøt:

22250300200 Tverrprofil, Norskilt, liten, 40x80mm, L= 2,0 m

22250300300 Tverrprofil, Norskilt, liten, 40x80mm, L= 3,0 m

Hjørneklammer, min. 6 stk. for hvert tverrstag, ev. flere hvis mange VD skjøter i front 90grader Hjørneklammer monteres ved hver tverrprofil og hver VD skjøt mot front skilt

21190900006 Klammer hjørne, alu., 90 gr. VD profil, til skilt 904

Rørklammer, min. 2 stk. for tvert tverrstag:

21190022615 Klammer alum Ø60mm m/ VD-skinne

Rør, kappes i samme høyde som skilt: Ø60mm aluminium rør

Husk å klamre sammen alle VDprofiler på begge sider av hvert tverrstag der det er VD-skjøt og ved VD-skjøter uten tverrstag.

Ø60mm rør kan utelates for mindre skilt under 1m bredde.

Tiltrekningsmoment:

M8 = 22Nm

M10 = 44Nm

M12 = 76Nm

Fester Rev.20.04.2023 Del 11 - Side 21

FESTER, festemateriell og montering

Norsafe Mast minimum C-C mål

For å sjekke at det er plass til fundamenter og f.eks. montering av fester bakpå skiltet

Fester Rev.20.04.2023 Del 11 - Side 22

FESTER, festemateriell og montering

Norsafe Mast, mål og detaljer for fester på toppen og på siden

Fester Rev.20.04.2023 Del 11 - Side 23

FESTER, festemateriell og montering

Fester Rev.20.04.2023 Del 11 - Side 24
Stål fagverksportaler

FESTER, festemateriell og montering

Fester Rev.20.04.2023 Del 11 - Side 25

FESTER, festemateriell og montering

Stål fagverksportaler - Skiltfester

Euroskilt designer og produserer egne fagverksportaler i stål og kan levere mange forskjellige portalfester som og kan designes etter behov. Her vises en standard type portalfeste som kan leveres og beregnes sammen med portalen. Det er helsveiste fester for 5° frontmontering (FM2) og for 5° toppmontering (TM2) samt fester for RGB skilter med 0° frontmontering (FM3) og for 0° toppmontering (TM3). De er utviklet for å ikke svekke portalens hjørnestag med punktlaster. OBS! Leverandør av skilt må dokumentere kapasitet av skiltets innfesting, profil/skinne etc. Disse festene leveres med sterkere Ø60mm og Ø89mm rør, enn de rørene som normalt brukes til skiltmontering, veggtykkelser beregnes for hvert enkelt skilt og portal.

22590116000 Skiltfeste portal TM2 Ø60mm Toppmontert 5gr.

22590118900 Skiltfeste portal TM2 Ø89mm Toppmontert 5gr.

22590116010 Skiltfeste portal FM2 Ø60mm Frontmontert 5gr.

22590118910 Skiltfeste portal FM2 Ø89mm Frontmontert 5gr.

22590116015 Skiltfeste portal TM3 Ø60mm Toppmontert 0 gr.

22590118915 Skiltfeste portal TM3 Ø89mm Toppmontert 0 gr.

22590116020 Skiltfeste portal FM3 Ø60mm Frontmontert 0 gr.

22590118920 Skiltfeste portal FM3 Ø89mm Frontmontert 0 gr.

Fester Rev.20.04.2023 Del 11 - Side 26

FESTER, festemateriell og montering

Stål fagverksportaler - Skiltfester

Fester og bolter for skiltkonsoller

21190022614 Klammer alum Ø60mm m/ glideskinne

21190022615 Klammer alum Ø60mm m/ VDskinne

21190022618 Klammer alum Ø90mm m/ glideskinne

21190022620 Klammer alum Ø90mm m/ VDskinne

21120116012 Klammer forsterket syrefast 60mm M12

21120119012 Klammer forsterket syrefast 90mm M12

HALFEN T-bolt HS 50/30 M12x50 A4-70

HALFEN article: 0350.090-00003 (Ekstra M12 mutter må leveres med)

21190009016 Klammer 90mm 316 M16 -uten bolter

HALFEN T-bolt HS 50/30 M16x80 A4-50

HALFEN article 0350.090-0009 (Ekstra M16 mutter må leveres med)

21190009020 Klammer 90mm 316 M20 -uten bolter

HALFEN T-bolt HS 50/30 M20x75 A4-50

HALFEN article 0350.090-00014 (Ekstra M20 mutter må leveres med)

Festevinkel for RGB skilt

22590109050

Ø90 klammer mot M16 hull

Fester for portalbein, stål fagverksportaler

21190022730 Klammer VFZ for Ø20-45mm, m VD skinne

21190022740 Klammer VFZ for Ø20-45mm, m glideskinne

21190022770 Klammer VFZ for Ø50-80mm, m/VD skinne

21190022780 Klammer VFZ for Ø50-80mm, m/glideskinne

Fester Rev.03.10.2023 Del 11 - Side 27

FESTER, festemateriell og montering

Tabeller og annen info.

Tiltrekningsmoment for A4-80 mutrer og bolter til fester:

M8 = 22Nm

M10 = 44Nm

M12 = 76Nm

M16 = 187Nm

Alle fester til Norsafe Mast har A4 Self-Lock mutter med flens. Dette er en vibrasjonssikker låsemutter med helt spesielle gjenger som sikrer at den ikke løsner uansett vibrasjon samtidig som den er meget lett og hurtig å montere i forhold til vanlige låsemutre med nylonring. Den er også belagt med Gleitmo smørebelegg.

Dersom man ikke har disse mutrene, men har vanlige syrefaste A4 mutrer så er det viktig å smøre dem med silikonspray el.l. ved montering så dem ikke "sveiser" seg fast.

Tiltrekningsmoment for A4-80 mutrer til Norsafe Mast aluminium fotplater:

M20 = 436Nm

M24 = 754Nm

Fester Rev.20.04.2023 Del 11 - Side 27

15 010 100 200 Nødskap (Oslo skapet) mekanisk bryter

Skapet er utviklet med tanke på å tilfredsstille

gjeldene krav samtidig som det bygger minst mulig. Et nødskap av høy kvalitet i syrefast stål 316L. I henhold til SVV Håndbok N500, IP65. Folie tilpasses.

Bredde: 600mm

Høyde: 900mm,

Dybde: 370mm

Vekt: ca.26 kg (tomt skap)

15 010 100 250 Nødskap "Oslo skapet" med innhold

• 2 Stk. Brannslukkere 6 kg (pulver)

• Koblingsboks med rekkeklemmer

• Induktiv giver for dør

• Induktiv giver for brannslukker

• LED belysning

Mekanisk giver for dør

Selvjusterende varmeelement Med løfteører / feste for Ø20mm kamjern

Med løfteører / feste for Ø20mm kamjern

1

15 010 100 210 Nødskap, Standard - m/tavlerom

Skapet er utviklet med tanke på å tilfredsstille

gjeldene krav samtidig som det bygger minst mulig. Et nødskap av høy kvalitet i syrefast stål 316L. I henhold til SVV Håndbok N500, IP65. Folie tilpasses.

Bredde: 700mm

Høyde: 900mm,

Dybde: 350mm

Vekt: ca.26 kg (tomt skap)

15 010 100 220 Nødskap, Standard - m/tavlerom og innhold

• 2 Stk. Brannslukkere 6 kg (pulver)

• Koblingsboks med rekkeklemmer

• Induktiv giver for dør

• Induktiv giver for brannslukker

• LED belysning

Mekanisk giver for dør

Selvjusterende varmeelement Med løfteører / feste for Ø20mm kamjern

Med løfteører / feste for Ø20mm kamjern

2

15 010 100 300 Nødskap Basic m/skillevegg

Skapet er utviklet med tanke på å tilfredsstille

gjeldene krav samtidig som det bygger minst mulig. Et nødskap av høy kvalitet i syrefast stål 316L.

I henhold til SVV Håndbok N500, IP65.

Folie tilpasses.

Bredde: 600mm

Høyde: 900mm,

Dybde: 370mm

Vekt: ca.34 kg (tomt skap)

15 010 100 310 Nødskap Nødskap Basic m/innhold

• 2 Stk. Brannslukkere 6 kg (pulver)

• Koblingsboks med rekkeklemmer

• Induktiv giver for dør

• Induktiv giver for brannslukker

• LED belysning

Mekanisk giver for dør Selvjusterende varmeelement Med løfteører / feste for Ø20mm kamjern

3
Med løfteører / feste for Ø20mm kamjern

15 010 100 400 Nødskap Slimline m/glassdør

Skapet er utviklet med tanke på å tilfredsstille

gjeldene krav samtidig som det bygger minst mulig. Et nødskap av høy kvalitet i syrefast stål 316L.

I henhold til SVV Håndbok N500, IP65.

Folie tilpasses.

Bredde: 600mm

Høyde: 900mm,

Dybde: 250mm

Vekt: 26 kg (tomt skap)

15 010 100 410 Nødskap Slimline m/glassdør og innhold

• 2 Stk. Brannslukkere 6 kg (pulver)

• Koblingsboks med rekkeklemmer

• Induktiv giver for dør

• Induktiv giver for brannslukker

• LED belysning

Mekanisk giver for dør

Selvjusterende varmeelement Med løfteører / feste for Ø20mm kamjern

Med løfteører / feste for Ø20mm kamjern

4

15 010 100 500 Nødskap Slimline fordeling m/tett dør

Skapet er utviklet med tanke på å tilfredsstille

gjeldene krav samtidig som det bygger minst mulig. Et nødskap av høy kvalitet i syrefast stål 316L.

I henhold til SVV Håndbok N500, IP65. Folie tilpasses.

Bredde: 600mm

Høyde: 900mm

Dybde: 250mm

Vekt: ca.34 kg (tomt skap)

15 010 100 510 Nødskap Slimline fordeling m/tett dør og innhold

• 2 Stk. Brannslukkere 6 kg (pulver)

• Koblingsboks med rekkeklemmer

• Induktiv giver for dør

• Induktiv giver for brannslukker

• LED belysning

Mekanisk giver for dør

Selvjusterende varmeelement Med løfteører / feste for Ø20mm kamjern

Med løfteører / feste for Ø20mm kamjern

5

15 010 100 600 Nødskap, Standard - u/tavlerom, m/koblingsboks

Skapet er utviklet med tanke på å tilfredsstille gjeldene krav samtidig som det bygger minst mulig. Et nødskap av høy kvalitet i syrefast stål 316L. I henhold til SVV Håndbok N500, IP65.

Folie tilpasses.

Bredde: 700mm

Høyde: 900mm

Dybde: 350mm

Vekt: 26 kg (tomt skap)

15 010 100 610 Nødskap, Standard - u/tavlerom, m/koblingsboks og innhold

• 2 Stk. Brannslukkere 6 kg (pulver)

• Koblingsboks med rekkeklemmer

• Induktiv giver for dør

• Induktiv giver for brannslukker

• LED belysning

Mekanisk giver for dør Selvjusterende varmeelement Med løfteører / feste for Ø20mm kamjern

Med løfteører / feste for Ø20mm kamjern

6

Nødkiosk i syrefast stål 316L

Vanntett

Dør og vindu i 6mm herdet

sikkerhets glass

30mm Brannhemmende plate (Gachmat)

Vulkaniserte pakninger

Dørpumpe for automatisk

lukking

Polyester pulverlakk

RAL 3020 (Rød)

Glans 40-60, 150 Mμ

Alle hengsler er boltet Innvendig panikkbeslag

Kabelgjennomføring via gulv

Monteres på betongsokkel

15020000001 ES-Nødkiosk 1

1000 x 1000 x 2200 mm

15020000002 ES-Nødkiosk 2 1000 x 1200 x 2200 mm

Opsjoner:

15095200100 Elektrodel

3 givere og LED lys

15095200200 Blindfelt Oppgi hvilken side

15095100655 Brannslukker

15095200150 Elektroskap

1
2
3
4

I nærheten av deg!

Vi har avdelinger i hele Norge med høyt kvalifisert personell, som står klare til å hjelpe deg.

0 60 80 Ring:

Og du vil bli satt over til din nærmeste Euroskilt-avdeling.

Bestilling:

Tlf.: 06080

E-post: post@euroskilt.no

For mer informasjon: www.euroskilt.no

Salg:

Vingrom (hovedkontor)

Oslo

Kristiansand

Stavanger

Bergen

Ålesund

Trondheim

Mo i Rana

Bodø

Tromsø

Produksjon: Vingrom

Tønsberg

Vik i Sogn

Storforshei

TROMSØ BODØ TRONDHEIM ÅLESUND VINGROM STORFORSHEI OSLO TØNSBERG VIK I SOGN BERGEN STAVANGER KRISTIANSAND MO I RANA

Turn static files into dynamic content formats.

Create a flipbook
Issuu converts static files into: digital portfolios, online yearbooks, online catalogs, digital photo albums and more. Sign up and create your flipbook.