ARC382 Final Binder - Omar Darwish

Page 2

22 01 03 31 33 32 15 LEGEND 01 15 22 32 Precast GRC Panel Compression Screws Facade Thermal Insulation Washer Steel I-Beam Galvanized Steel Louver Steel nut M10x50boH Aluminium Mullion Profile 03 17 31 33 17 ARC382 FINAL BINDER OMAR DARWISH 87246 SPRING 2023 SCALE 1:5

TABLE OF CONTENTS:

A1: MURABA PRIMARY RESEARCH

A2: MURABA LOUVRE DETAIL AND RENDERS

A3: JAPANESE JOINT AND PAVILION

A-1 THE

RESIDENCE, Dubai UAE PRIMARY RESEARCH AND PROPOSAL

MURABA OMAR DARWISH

RESEARCH ABOUT RCR ARCHITECTS

BACKGROUND INFORMATION:

Rafael (born in Olot, Spain in 1961), Carme (born in Olot, Spain in 1962), and Ramon (born in Vic, Spain in 1960) are architects who graduated from the Escuela Técnica Superior de Arquitectura del Vallès (ETSAV-UPC) in 1987. They have been working together under the name RCR ARQUITECTES with their team since 1988. Additionally, they earned a Master›s Degree in Landscape Architecture from 1987 to 1989. They have taught Architectural Projects in Vallès and Barcelona, as well as Urban Planning and Landscape Architecture in the Vallès. Moreover, since 2008, they have been hosting an international workshop of transversal disciplines every summer at their headquarters.

THE RCR APPROACH:

RCR Architects is recognized for its design approach that emphasizes the use of materials, consideration of the surroundings, and creation of sensory experiences. The firm values the relationship between architecture and nature and frequently incorporates natural elements into their designs. The aim of their work is to evoke emotions and foster a connection between people and their surroundings. The projects they create are distinguished by their understated sophistication, timeless elegance, and incorporation of traditional building methods and materials in a creative manner.

ACHEIVEMENTS:

RCR Arquitectes is a Spanish architectural firm based in Catalonia that has received several awards, including:

1. Pritzker Prize (2017)

2. Venice Biennale Golden Lion for Lifetime Achievement (2016)

3. UIA Gold Medal (2015)

4. Mies van der Rohe Prize (2011)

5. RIBA European Award (2010)

6. National Architecture Prize of Spain (2005)

7. FAD Architecture Prize (1999)

These awards highlight the significance of RCR Arquitectes’s contributions to architecture and design, and its impact on the field both nationally and internationally.

FIRM

RESEARCH ABOUT RCR ARCHITECTS

PROJECTS

Lira Theater Public Open Space

The architects have designed a slatted-steel box to form a covered public space for theatre productions. The box has angled sides and is open at both ends, located over a plaza between two existing structures. It overlooks a river and is accessible from the opposite bank through a bridge made from the same material.

Soulages Museum

The contemporary art exhibitions are displayed in weathering-steel boxes that extend slightly from a slope. The galleries are connected by glass-enclosed walkways and bridges, creating a pathway through the museum.

Crematorium Hofheide

The building is comprised of several boxes, each with its own internal circulation, while technical spaces are located in the basement level. This arrangement allows the ground floor, which is slightly lower than the lake level, to be used as a gathering place for meetings, ceremonies, and solitude. The exterior of the building is covered with a thin layer of steel, leaving a continuous strip at the base to incorporate the surrounding landscape into the farewell rituals. As the crematorium does not have a specific form of worship, it uses nature as a backdrop for the ceremony.

La

RESEARCH

CREMATORIUM HOFHEIDE LOUVRES STUDY

The rectangular building is mainly constructed with concrete that has been dyed to blend in with the local ironrich stone. The upper two thirds of the exterior walls are covered by a screen made of strips of weathering steel in varying widths. Some of the steel pieces have been slightly twisted, adding a textured design to the building.

LOUVRE DETAIL LOUVRE SECTION DETAIL LOUVRE PLAN DETAIL

RESEARCH ABOUT RCR ARCHITECTS

THE MURABA RESIDENCE, DUBAI

ABOUT

MURABA: MURABA - WORD MEANING RESPONSE TO CONTEXT

Muraba Residences is an architectural gem set on the Estearn Crescent of the Palm Jumeirah, Dubai. Pritzker Prize 2017 laureates RCR Arquitectes designed the building, which is the first residential project they ever done.

A traditional Emirati word for a building with towers and walls which connect to form a secure home space. Often a landmark, the Muraba becomes a significant part of the identity of its surrounding community

The building’s design responds directly to its context, with its orientation determined by the trajectory of the sun and the windows and balconies pointed towards the views. The Muraba Residences seek to optimise the changing effects of daylight throughout the day, while providing the privacy required by occupants.

RESEARCH ABOUT RCR ARCHITECTS

THE MURABA RESIDENCE, DUBAI

INTERIORS:

Muraba Residences is an architectural gem set on the Estearn Crescent of the Palm Jumeirah, Dubai. Pritzker Prize 2017 laureates RCR Arquitectes designed the building, which is the first residential project they ever done.

LOUVRES:

A system of louvred glass slats moulded with a rippling pattern is incorporated into the building’s facades to restrict views into the residences.

MATERIALITY:

The building’s design responds directly to its context, with its orientation determined by the trajectory of the sun and the windows and balconies pointed towards the views. The Muraba Residences seek to optimise the changing effects of daylight throughout the day, while providing the privacy required by occupants.

-High

1. Precast GRC Panels - Variable LengthDepth 9cm 6. Bottom Galvanized Steel Bracket for vertical panel with tridimensional adjustment -High Resistance (screws, nuts, bolts) 11. Steel Reinforced Concrete Slab 12. Galvanized Steel Plate embedded in concrete slab for IPE200 - steel profile fixing 13. HALFEEN built-in galvanized steel channel for panel fixing adjustment - Length 20cm 14. High Resistance Steel Fixing Screw 15. 20mm Insulation Block-Work at Site 7. Top Galvanized Steel Bracket for horizontal stabilization and fixing with tridimensional adjustment Resistance hardware (screws, nuts, bolts) 8. Clay Hollow Block Wall (width 10 cm) for facade envelope enclosure, with access points for adjustment of panel fixing 9. Thermal Insulation Embedded within GRC Panels ribs 10. Gpysum Board False Ceiling 2. Joint Sealing between GRC panels and profiles (Silicon Cornering 813C - same color as panel) 3. IPE200 - Laminated Steel Profile (2 layers of antioxidant primer coating, highly resitant to marine enviroment - same color as natural aluminium in window frames) 4. Interior dry wall (composed of 45mm galvanized steel profile, inner thermal insulation (rockwool), 2 gypsum boards of 13mm) 5. Travertine Stone Paving - Variable width 22/14/10 cm - Variable Length 70/60/50/40/30/20 cm - Depth 2cm - Laid on 6cm leveling cement mortar screed 16. Panel preinstalled screw for bracket fixing 21. ALUCOBOND facade cladding panel - Side enclosure panel (same color as natural aluminum in window frames) 26. Profile steel “U” to support the glass balustrade, mechanically attached to the structural slab 27. Galvanized steel plate fixed to the slab with high-strength bolts 28. Frame steel plates to support main glass railing. Finished with two coats of primer and two coats of finish paint 29. Auxilary structure of tubular galvanized steel to hold the plates, anchored to the structural slab 30. Vertical wrinkled glass - 2 layers of laminated glass - Variable depth - Horizontal wrinkled glass transition 22. Facade thermal insulation 23. Fixed window hidden profiles with insulating glass 24. Painted steel facade cladding panel (same color as natural aluminum in window frames) 25. Laminated glass railing recessed bottom steel profile 17. Vertical wrinkled glass fin, 3 layers of laminated glass 18. Galvanized steel element for support fixing of glass fins, fixed to steel plate with compression screws 19. Structural steel plate factory pre-welded to IPE-200 profile - 2 layers of antioxidant primer coating - 2 layers of paint coating. Highly resistant to marine enviroment (same color as natural aluminum in window frames) 20. ALUCOBOND facade cladding panel (same color as natural aluminum in window frames)
DETAIL SKETCH OF GLASS LOUVRE SECTION VIEW 01 17 03 18 23 22 11 20 21
RESEARCH ABOUT RCR ARCHITECTS

RESEARCH ABOUT RCR ARCHITECTS

DETAIL SKETCH OF GLASS LOUVRE ZOOMED SECTION VIEW 03 18 22 17 0.20
RESEARCH ABOUT RCR ARCHITECTS DETAIL SKETCH OF GRC PANELS SECTION VIEW 01 09 08 04 05 15 02 03 12 06 16
DETAIL SKETCH OF GRC PANELS ZOOMED SECTION VIEW 01 02 03 12 16 07 09 08 15 0.20 0.10
RESEARCH ABOUT RCR ARCHITECTS
RESEARCH ABOUT RCR ARCHITECTS DETAIL SKETCH OF GLASS LOUVRES AXONOMETRIC VIEW 03 17 18 11 20
RESEARCH ABOUT RCR ARCHITECTS DETAIL SKETCH OF GRC PANELS AXONOMETRIC VIEW 01 09 03 12 07 16 05

RESEARCH ABOUT RCR ARCHITECTS

OF
LOUVRES PLAN VIEW 0.25 0.20 0.21 21 20 22 17 03 18
DETAIL SKETCH
GLASS
DETAIL SKETCH OF GRC PANELS ZOOMED PLAN VIEW 03 17 18 0.21
RESEARCH ABOUT RCR ARCHITECTS

RESEARCH ABOUT RCR ARCHITECTS

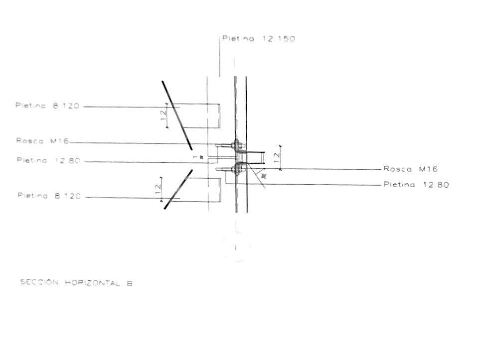
AN ANALYSIS OF THE RCR LOUVRE APPROACH VS GGI LOUVRE CONNECTION PROPOSAL

GGI has presented a novel approach to installing glass louvers. This new design involves altering the design of the steel support that holds the louvers in place. The previous proposal by RCR for the support could potentially harm the glass louvers and was vulnerable to strong wind conditions at the site. Moreover, the proposed support was costly to produce.

GGI has come up with a solution that does not involve inserting screws through the glass louvers. They have proposed a steel element with screws that run parallel, providing a sturdier support for the louvers. Additionally, the new steel element is more resilient and cost-effective to manufacture.

34 10.5 29 62 18.5 GLASS SHOE ISOMETERIC
ISOMETERIC
GLASS SHOE EXPLODED
A2: LOUVRE DETAIL DRAWINGS AND RENDERS: A PROPOSAL WITH GALVANIZED STEEL OMAR DARWISH 87246
04 03 15 AXONOMETRIC OF LOUVRES
Top Level Connection
LOUVRES CONSTRUCTION
Middle Level Connection
EXTERIOR RENDERS
EXTERIOR RENDERS
INTERIOR RENDERS
INTERIOR RENDERS
INTERIOR RENDERS

A3 - Jigoku-Gumi Joint

A Study on Opaque vs Transparent Planes through Joints and an Intervention

Jigoku-gumi is a traditional Japanese woodworking technique for joining wooden laths without the use of nails or glue. The technique involves overlapping two layers of narrow wooden laths in a systematic manner and securing them with a third layer until the entire structure becomes cohesive.

The term «jigoku-gumi» literally means «hell joinery,» which reflects the difficulty and precision required to master this technique. The joints are often used in Japanese architecture to create a strong, yet flexible framework that can withstand earthquakes and other natural disasters.

The resulting structure is not only strong but also beautiful, with a unique pattern and texture that is characteristic of Japanese woodworking. This technique has been used for centuries in the construction of traditional Japanese buildings such as temples, shrines, and tea houses, and is still practiced by artisans and carpenters today.

STEP 1

STEP 2

STEP 3

IGOR PERAZA PAVILION WITH JAPANESE JOINT ODA JOINT ASSEMBLY 150 ODA
IGOR PERAZA PAVILION WITH JAPANESE JOINT ODA JOINT PIECES ELEVATIONS 150 ODA
IGOR PERAZA PAVILION WITH JAPANESE JOINT ODA JOINT PIECES SECTIONS 150 ODA A SECTION
SECTION
SECTION
A A A B C B C
AA
BB
CC
IGOR PERAZA PAVILION WITH JAPANESE JOINT ODA JOINT PIECES ELEVATIONS
IGOR PERAZA PAVILION WITH JAPANESE JOINT ODA JOINT PIECES SECTIONS A A A A B B SECTION AA SECTION BB C C C C B B SECTION CC SECTION BB
IGOR PERAZA PAVILION WITH JAPANESE JOINT ODA JOINT PIECES ELEVATIONS
IGOR PERAZA PAVILION WITH JAPANESE JOINT ODA JOINT PIECES SECTIONS C A C A C A C A
B
B
B B
SECTION CC SECTION AA SECTION BB SECTION BB
IGOR PERAZA PAVILION WITH JAPANESE JOINT ODA JOINT PIECES ELEVATIONS
A A A A B C B C SECTION
IGOR PERAZA PAVILION WITH JAPANESE JOINT ODA JOINT PIECES SECTIONS 150 ODA
AA SECTION BB SECTION CC
IGOR PERAZA PAVILION WITH JAPANESE JOINT ODA PAVILION RENDERS 150 ODA
IGOR PERAZA PAVILION WITH JAPANESE JOINT ODA PAVILION RENDERS 150 ODA
IGOR PERAZA PAVILION WITH JAPANESE JOINT ODA PAVILION RENDERS 150 ODA
IGOR PERAZA PAVILION WITH JAPANESE JOINT ODA PAVILION RENDERS 150 ODA
IGOR PERAZA PAVILION WITH JAPANESE JOINT ODA PAVILION RENDERS 150 ODA
IGOR PERAZA PAVILION WITH JAPANESE JOINT ODA
LEGEND: 01 Precast GRC Panel Steel I-Beam 03 15 Compression Screws Galvanized Steel Louver 17 22 Facade Thermal Insulation Steel nut M10x50boH 31 32 Washer Aluminium Mullion Profile 33 INT R. 0.012 EXT R. 0.020

Turn static files into dynamic content formats.

Create a flipbook
Issuu converts static files into: digital portfolios, online yearbooks, online catalogs, digital photo albums and more. Sign up and create your flipbook.
ARC382 Final Binder - Omar Darwish by O.Darwish - Issuu