
4 minute read
MACHINES
ITEM PART NUMBER QTY DESCRIPTION REV
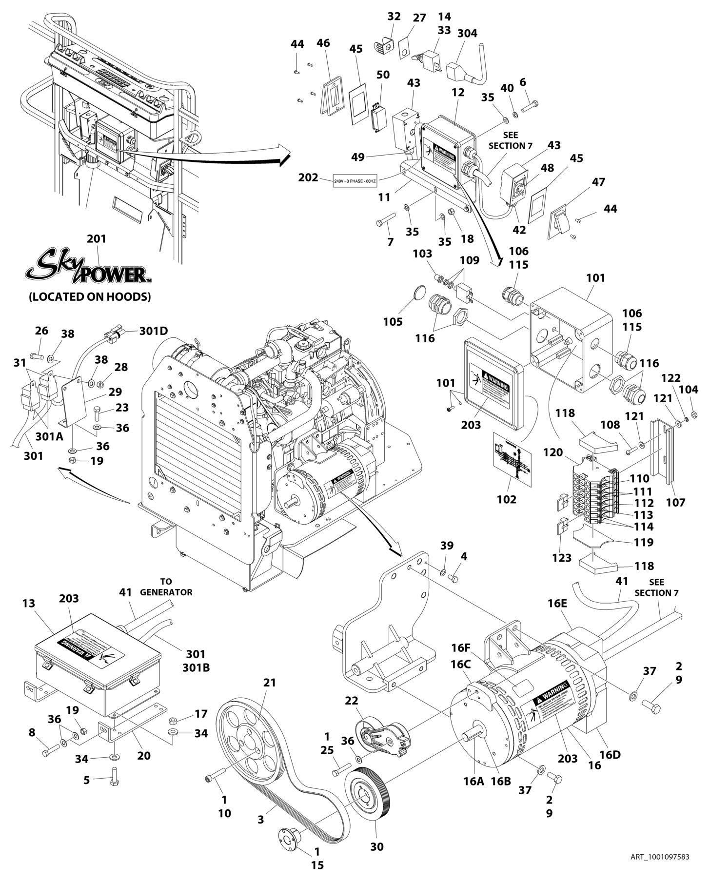
Ref 7500W GENERATOR INSTALLATION - PERKINS ENGINE
MACHINES (BELGIUM AND ROMANIAN BUILT MACHINES)
1001097583 Ref Perkins Engine Machines - Without UGM (50Hz Spec) C 1001111818 Ref Perkins Engine Machines - With UGM (50Hz Spec) (ANSI
Export, Australian, CE and Japanese Specs)
C 1001112044 Ref Perkins Engine Machines - With UGM (50Hz Spec) (Australian
and CE Specs)
B 1 0100011 AR Compound, Locking 2 0100019 AR Compound, Locking 3 0480126 1 Belt 4 0641403 1 Bolt 1/4 x 3/8 5 0641408 4 Bolt 1/4 x 1 6 0641508 4 Bolt 5/16 x 1 7 0641516 3 Bolt 5/16 x 2 8 0641614 2 Bolt 3/8 x 1-3/4 9 0641808 4 Bolt 1/2 x 1 10 0701217 3 Bolt M12 x 45 11 0902888 1 Bracket 12 0861567 1 Junction Box Assembly (See Items 101-123 for Breakdown) 13 0861572 1 Control Box Assembly 13 7024488 1 Card, Circuit - Generator Power 13 See Note 1 Fuse (Note: Not Available - Purchase Locally) 13 7024489 1 Card, Circuit - Control 13 70000619 1 Harness, Circuit Card 14 2820031 AR Heat Shrink 15 0962520 1 Bushing 16 2460048 1 Generator Assembly 16 70001100 1 Rotor (Includes p/n 70001384 & 70000863) (Not Shown) 16 70001384 1 Bearing, Ball Radial (Not Shown) 16 70000863 1 Fan (Not Shown) 16 70002088 1 Stator (Not Shown) 16 70002297 1 Stud 16 70003631 1 Brushholder Assembly (Not Shown) 16A 70004171 1 Key 16B 70001966 1 Bearing, Ball Radial (Located in Belt Tensioner Endbell) 16B 70003708 1 Ring, Internal Retaining (Located in Belt Tensioner Endbell) 16B 70003709 1 Ring, External Retaining (Located in Belt Tensioner Endbell) 16C 70001953 1 Endbell, Belt Tensioner 16D 70004169 1 Endbell, Brush Block 16E 70004169 1 Shroud 16E See Note NSS Insulator, Endbell (Note: Not Available for Purchase) 16E 7027799 1 Block, Connector 6 Position (Not Shown) 16E 70002460 1 Nut, Brass (Attaches p/n 7027799 to Cover) (Not Shown) 16E 7024485 1 Breaker, Circuit 30Amp (Not Shown) 16E 70001696 1 Boot, Breaker (Not Shown) 16E 7026626 1 Connector, 6 Position (Includes Seal) (Not Shown - Plugs into Item 39) 16E 7026597 1 Connector, with Leads (Not Shown) 16E 7026188 1 Clamp, Cable Options (Not Shown) 16E 70004169 1 Plate, End Panel
ITEM PART NUMBER QTY
DESCRIPTION
16E 70001974 1 Decal - Terminal Connections 16F 70001973 1 Decal - Warning Moving Parts 17 3311405 4 Nut 1/4 18 3311505 3 Nut 5/16 19 3311605 2 Nut 3/8 20 3574523 2 Plate 21 3580316 1 Pulley 22 3580317 1 Pulley 23 0641408 1 Bolt 1/4 x 1 23 0641610 1 Bolt 3/8 x 1-1/4 25 0641618 1 Bolt 3/8 x 2-1/4 26 0721004 2 Bolt #10 x 1/2 27 3252764 1 Nameplate 28 3311005 2 Nut #10 29 3574163 1 Bracket 30 3580319 1 Pulley 31 3740080 2 Relay 32 4060802 1 Guard, Switch 33 4360336 1 Switch, Toggle 34 4711400 8 Washer 1/4 35 4711500 10 Washer 5/16 36 4711600 7 Washer 3/8 37 4711800 4 Washer 1/2 38 4751000 4 Washer #10 39 4791400 1 Washer 1/4 40 4761500 4 Washer 5/16 41 4922925 1 Harness, Generator 41 4460225 1 Plug, Male 6 Position (Plugs into Generator) 41 See Note NSS Socket, Female (Use with 4460225) 41 See Note NSS Seal, Plug (Use with 4460225) 41 See Note NSS Seal, Interface (Use with 4460225) 42 4460051 1 Connector, Strain Relief (Used With 1001111818 Only) 43 0860038 2 Box, Switch (Used With 1001111818 Only) 44 3910606 8 Screw #6 x 3/8 (Used With 1001111818 Only) 45 3960422 2 Gasket (Used With 1001111818 Only) 46 1001110873 1 Cover, Receptacle (Used With 1001111818 Only) 47 1001110872 1 Cover, Receptacle (Used With 1001111818 Only) 48 4460958 1 Receptacle, Female Twist-Lock (Used With 1001111818 Only) 49 4460071 1 Connector, Strain Relief (Used With 1001111818 Only) 50 4460346 1 Receptacle (Used With 1001111818 Only) 0861567 Ref JUNCTION BOX ASSEMBLY 101 0861541 1 Box, Junction 102 1705376 1 Decal - Wiring Schematic 103 3300396 1 Cover, Fuse 104 3310601 2 Nut 6 105 3520189 1 Plug 106 3520192 2 Plug 107 3640986 1 Rail, Relay (Prior to SN 0300072911) 107 3641533 1 Rail, Relay (SN 0300072911 to Present) 108 3910610 2 Bolt 6 x 5/8 109 4360070 1 Circuit Breaker - 15Amp
REV
B
ITEM PART NUMBER QTY DESCRIPTION
110 4460411 2 Marker Strip #1 111 4460412 4 Marker Strip #2 112 4460413 2 Marker Strip #3 113 4460414 2 Marker Strip #4 114 4460415 4 Marker Strip #5 115 4460425 2 Strain Relief, Terminal 116 4460426 2 Connector, Strain Relief 118 4460607 2 Terminal, End Block 119 4460956 1 Terminal, End Barrier 120 4460957 7 Terminal, Block 121 4750600 4 Washer #6 122 4760600 2 Washer #6 123 4461001 2 Terminal, Cross Connector Jumper 0272589 Ref DECAL INSTALLATION A
201 1705460 2 Decal - SkyPower 202 1705461 1 Decal - 240V - 3 Phase 203 1705489 3 Decal - Hazardous Voltage Ref ELECTRICAL DIAGRAM COMPONENTS 4933264 Ref Electrical Diagram - Without UGM 1001112586 Ref Electrical Diagram - With UGM 301 Ref Generator Harness Options (See ELECTRICAL SECTION for Breakdown): 301 4922757 1 Generator Harness - Without UGM 301 1001112587 1 Generator Harness - With UGM 301A 4460374 2 Plug, Sealed Relay 301A 4460375 7 Terminal 301B 4460967 1 Plug, Male - 3 Position 301B 4460465 3 Socket, Female 301C 2400060 1 Fuseholder (Not Shown) 301C 2400064 1 Fuse - 5Amp (Not Shown) 301D 4460742 1 Connector - 2 Position (With UGM Only) 301D 4460743 2 Socket, Female (With UGM Only) 301D 4460458 2 Seal (With UGM Only) 304 4922641 1 Switch Harness
REV
C
3-C A






