
1 minute read
INTAKE AIR PIPES
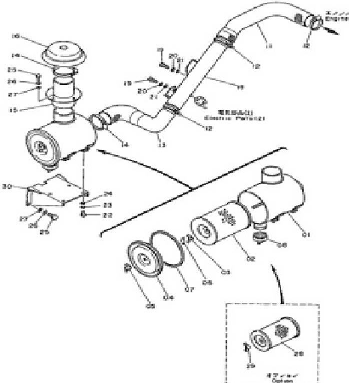
r - - - - - - - - - - - - - - - - - - - - - - - -- - - - - - - - - - - - - - - - - - - - - - - 1 t I t I

AIR CLEANER AIR FILTERASSEMBLY
01-0. 4187525 (1) CLEANER; AIR FILTER ASSEMBLY 01-0. 4226537 (1] CLEANER; AIR FILTER ASSEMBLY 01. 4206932 [11 BODY 01. 4226538 (1) BODY *02. 4147010 [1] ELEMENT, AIR FILTER 02. 4226539 [11 ELEMENT, AIR FILTER 03. 4162832 [1) NUT 04. 4162830 [1] COVER 05. 4162833 [11 NUT 06. 4162834 [1] CLIP 07. 4163558 [1] GASKET 08. 4162831 [11 VALVE 08. 4152863 [1] VALVE 11. 3035486 [1] HOSE; AIR HOSE 12. 4507397 (3) CLAMP;HOSE 13. 3035484 [1] HOSE; AIR HOSE 14. 4512716 (2) CLAMP;HOSE 15. 8035420 [1] PIPE AIR TUBE 16. 4188251 [1) CAP 18. 8035746 (1] PIPE AIR TUBE 19. J901230 [4] BOLT 20. A590912 [4] WASHER;SPRING 21. AS90112 [4] WASHER 22. J901025 (4) BOLT 23. A590910 [4) WASHER;SPRING 24. AS90110 [4) WASHER 25. J901225 (8) BOLT 26. AS90912 (8) WASHER;SPRING 27. AS90112 [8) WASHER 28-2. 4147011 [1] ELEMENT;FILTER 28. 4145213 [1) ELEMENT 29. 4163739 [11 NUT

30. 8038567 (1) BRACKET L - - - - - - - - - - - - - - - - - - - - - - - - - - - - - - - - - - - - - - - - - - - - - - - - -
www.HeavyEquipmentRestorationParts.com Contact email: EngineParts@HeavyEquipmentRestorationParts.com






