1 Messmate Street, Lalor

Page 4

FOR SALE BY EXPRESSIONS OF INTEREST CLOSING 20TH OCTOBER AT 3PM. ONE messmate STREET LALOR
CONTENTS 4. Introduction 6. Executive Summary 8. Tenancy Details 18. Property Particulars 20. Building Particulars 24. Location 30. Sale Method 3 ONE messmate STREET LALOR

Aston Commercial are pleased to offer

1 Messmate Street, Lalor for sale by Expressions of Interest closing on Thursday 20th October 2022 at 3pm.

This secure investment comprises a premium multi-purpose Medical Centre designed to meet the exacting standards of the local community and growing location. This is clearly endorsed by the current tenant recently renewing their option and committing to a future term.

4 INTRODUCTION

Securely Leased Medical Centre Investment.

Medical assets have proven themselves to be secure and long-term investment plays. Recent events have only reinforced this view. Healthcare provides secure yields, driving long term growth even during times of economic downturn.

1 Messmate Street is superbly positioned on a triple frontage block only 17km’s from the CBD within the fast growing region of Melbourne’s North.

Aston Commercial strongly recommend this quality long term investment for your serious consideration.

5

Positioned on the corner of Messmate and Station Streets, 17 kms north of Melbourne’s CBD. Securely leased Medical Centre Investment.

income of

ZONING

sqm*

METHOD OF

Sale by Expressions of Interest closing on Thursday 20th October 2022 at 3pm

EXCLUSIVE SELLING AGENTS
RGZ1 - Residential Growth Zone Schedule 1 TERMS OF SALE 10% deposit with the balance payable in 60 days
SALE For
LAND AREA 627 sqm* EXECUTIVE SUMMARY Liam Rafferty Associate Director 0421 886 655 liam@astoncommercial.com.au Fred Nucara Managing Director 0418 567 560 fred@astoncommercial.com.au LEASE Current
$226,242 pa* + GST on a new Four (4) Year Lease BUILDING AREA 425
*approx. 6 ONE messmate STREET LALOR

TENANCY DETAILS

TENANCY PARTICULARS

The property is being sold subject to a lease summarised as follows:

Tenant

Trading Name

Sonic Clinical Services Pty Ltd

L alor Clinic

Current Rent $226,242 net pa*

Lease Term Four (4) Years

Commencement Date 29th January 2022

Options

Rent Reviews

One (1) further Four (4) year option

CPI annual increases

Outgoings Paid by Tenant

OVERVIEW OF TENANT

Our medical centre has been proudly serving the Lalor community since 1973. Our GPs offer a range of healthcare services including antenatal care, immunisations and aged care.

Our practice is pleased to offer a range of GP Services, including, but not limited to:

• Aged Care and Senior’s Health

• Antenatal Care

• Child Immunisations

• Chronic Disease Management and GP Management Plans

• Immunisations

• Mental Health

• Occupational Health

• Women’s Health www.ipn.com.au/gp/vic-lalor-lalor-medical-centre

8

TENANCY DETAILS

T he Lalor clinic forms part of the IPN Medical Centres national network which is Australia’s largest operator of Medical Centres and provider of quality management services and facilities for Doctors.

GP

MEDICAL CENTRES IN THE IPN NETWORK

GP REGISTRARS CURRENTLY PRACTISING WITH IPN

PATIENT CONSULTATIONS A YEAR

IPN Medical Centres is a premium operator of medical centres across Australia.

At Independent Practitioner Network (IPN) Medical Centres, we work with Doctors, nurses and practice staff at over 160 medical centres to provide patients with the Best of Health.

IPN provides over 10 million patient consultations a year, supported by a network of over 1,900 Doctors.

IPN Doctors work with, not for IPN, running their own practices from the comfort of one or more modern, well established, supportive group practices while they practice medicine with complete clinical sovereignty.

IPN Medical Centres is part of Sonic Clinical Services which is the primary care division of Sonic Healthcare, bringing together a range of businesses that provide national healthcare services and solutions.

160+ 90+ 10MIL+ 1,800+ GPS CURRENTLY WORKING WITH IPN
REGISTRARS SUCCESSFULLY TRAINED WITH IPN OF OUR PRACTICES ARE ACCREDITED TRAINING PROVIDERS 400+ 40%+ 10
Leased to Sonic Clinical Services, a primary care division of Sonic Healthcare.

WHY BUY?

LONG STANDING BUSINESS IN OPERATION AND TRADING SINCE 1973 PRIME CORNER WITH TRIPLE LEASED TO AUSTRALIA’S LARGEST MEDICAL CENTRE OPERATOR AND OCCUPATIONAL HEALTH PROVIDER
CORNER FREEHOLD TRIPLE FRONTAGE ADJOINING LALOR’S COMMERCIAL AND SHOPPING PRECINCT ESSENTIAL SERVICE INDUSTRY IN GROWING LOCATION
Annual income of $226,242 pa + GST

PROPERTY

PARTICULARS

TITLE PARTICULARS

The property is outlined on the Certificate of Title as follows

Volume: 10534 Folio: 967 Lot 1 on Title Plan 637008T

LAND DIMENSIONS AND AREA

Messmate Street Frontage 12.99 metres*

Station Street Frontage 36.77 metres*

Scott Street Frontage 15.70 metres*

Eastern Boundary 39.83 metres*

Total Land Area 627 square metres*

ZONING

Under the Hume City Council Planning Scheme the land is zoned Commercial 2 – CZ2.

The land is also subject to the following overlay: DDO - Design And Development OverlaySchedule 2 *approx.

18

ONE messmate STREET

LALOR

19

BUILDING PARTICULARS

20

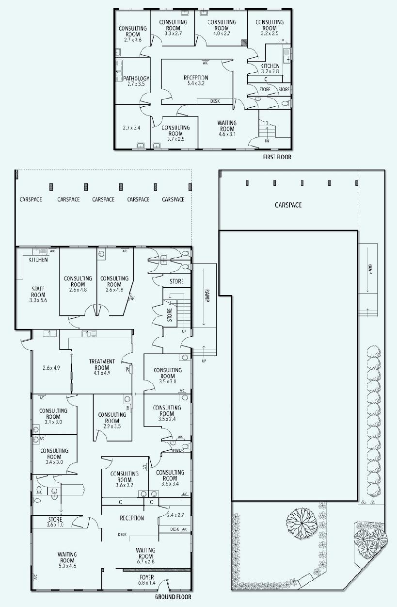
Known as the Lalor Clinic, the subject property comprises dual purpose-built buildings forming a multifaceted medical centre. The structure incorporates a reception/waiting rooms, fourteen consulting rooms, procedure room, pathology collection room, administration area, staff tearoom, staff toilets and cleaners closet

along with patient toilets. Other features include air conditioning, basins and multiple pedestrian entrance doors.

Externally, the property also benefits from landscaped gardens and 5 off-street car spaces.

21

LALOR 3075

Lalor is a lively melting pot of cultures located thirty minutes from the inner city. Serviced by Lalor Station on the Epping line, the area also has an extensive bus network. Services travel regularly to both Thomastown and Epping.

The Lalor Shopping Centre between Station Street and May Road consists of over 100 specialty stores and community centres including Coles, Australia Post and the Lalor Library. Its diverse food stalls provide a unique and busy market atmosphere merging European, Mediterranean and Asian cultures.

The Craigieburn Bypass Trail following the Hume Freeway provides facilities for recreational and commuting cyclists. Eight schools including Lalor East Primary School and Lalor Secondary College service the area.

LOCATION
24

LOCATION

Some nearby businesses and infrastructure include:

SHOPPING

Coles

Liqourland Woolworths

Epping Plaza

EDUCATION

St Luke’s Primary School

Lalor Primary School

Lalor Secondary College

Thomastown Secondary College

TRANSPORT

Lalor Railway Station

Thomastown Railway Station

Bus (Route 554, 555 & 559)

LIFESTYLE

Lalor Library

Thomastown Aquatic Centre

Lalor Reserve

26

METHOD OF SALE

TERMS OF SALE

OF

EXCLUSIVE SELLING AGENTS Liam Rafferty Associate Director 0421 886 655 liam@astoncommercial.com.au Fred Nucara Managing Director 0418 567 560 fred@astoncommercial.com.au ONE messmate STREET LALOR SALE METHOD CONTRACT
SALE & VENDORS STATEMENT Available upon request
10% deposit with the balance payable in 60 days INSPECTIONS Strictly by appointment with the exclusive selling agents
For Sale by Expressions of Interest closing on Thursday 20th October 2022 at 3pm 30

DISCLAIMER

“Materials” refers to any representations, statements, documents, data, statistics, measurements, estimates, figures, calculations, projections, approximates or otherwise stated by Aston Commercial Pty Ltd whether verbally or in writing. The Materials have been collated to assist potential purchasers for advertising and general information only to assist potential purchasers to decide whether to proceed with further investigation in relation to the property or the land. The Materials provided by Aston Commercial does not constitute any offer or contract of sale and is not to be relied upon prior to signing any relevant contract. Any dimensions or measurements of the property or the land (internal and external) are approximates only and should not be relied upon before signing any contract. The potential purchaser must conduct investigations to satisfy themselves that any Materials provided are accurate. Aston Commercial excludes unequivocally all inferred or implied terms, conditions and warranties arising out of the Materials and excludes all liability for loss and damage arising therefrom.

*Approximate

Turn static files into dynamic content formats.

Create a flipbook
Issuu converts static files into: digital portfolios, online yearbooks, online catalogs, digital photo albums and more. Sign up and create your flipbook.