Timberlab: Delegated Connection Design

Page 1


FALL 2025

© 2025 Timberlab Incorporated

Revised September 2025

Do not distribute without permission from Timberlab.

850 NW 13th Avenue Portland, OR 97209 Timberlab.com

Information herein is shown for explanation purposes only. Examples shown are not suggestions for any particular project; they are presented as general considerations and do not apply to specific circumstances.

INTRODUCTION

This guide is intended to help the structural engineer of record (SEOR) understand the process and requirements for delegating the design of mass timber connections to Timberlab. Delegation of this scope allows us to optimize connections for the project’s selected manufacturer and for our fabrication capabilities and preferences, resulting in a more efficient, cost-effective, and constructible building. Frequent two-way communication between the design team and Timberlab is crucial for the success of this process. We view our role as that of a close partner to the entire team, and in particular to the structural engineer of record.

This guide covers most situations that arise on delegated connection designs and outlines our typical scope and preferred workflow. Because each project is unique, this guide is not exhaustive, and exceptions can always be made to suit the needs of the project.

A checklist is provided at the end of the guide to help ensure the necessary information is included in the documents submitted to Timberlab for our delegated design work.

For projects with full delegated design of the mass timber structure, please refer to the “Timberlab Guide for Full Delegated Mass Timber Design,” published as a separate document.

COMMUNICATING DESIGN CRITERIA + INTENT

Structural, fire, and architectural requirements for mass timber connections are the main drivers of the design. Understanding the overarching goals and design criteria in each of these categories gives us a framework to begin our design efforts.

Structural Design Criteria

Structural design criteria are typically documented in the SEOR’s drawings and should include all applicable codes and standards, including editions. We also assume the structural drawings will include, at minimum, the design criteria listed in the 2021 International Building Code, Section 1603 (Construction Documents). Though Timberlab is not responsible for member design or for deriving connection forces, the design criteria provide overall context and allow us to verify the forces given, which we typically do on a random sampling basis to serve as an additional check of the design. Load maps for each floor, while not required, are particularly useful when they are included on the drawings.

Understanding the potential for net uplift at the roof level and the magnitude of those forces is important for us to properly gauge our efforts, since connections with load reversal are more complicated than typical gravity connections. While roof load diagrams typically include worst-case loading for gravity conditions, loads which are allowed for but may not be present for the full life of the structure (for example, PV panels) can lead to unconservative designs for uplift. Conversely, wind load diagrams which give only components and cladding loads and omit roof uplift forces on the main wind force-resisting system (MWFRS) can lead to overly conservative designs for members with sufficiently large tributary areas. The drawings should indicate the MWFRS roof loads as well as any gravity loads which are provisional in nature. For projects with green roofs, uplift forces should be calculated based on the minimum dry weight of the system, or with the green roof weight neglected entirely if the owner anticipates that the green roof may be permanently removed at any point in the future.

For projects in Seismic Design Category D and higher, provide the maximum design seismic drifts at each story in each primary direction. The code requires seismic design drifts imposed on gravity framing to be accommodated. While some proprietary connectors and specific connection configurations have test data on seismic drift compatibility, other connection types may require engineering judgment to demonstrate their ability to meet this code requirement. Early in the project, Timberlab and the SEOR should review various connection types and available data to agree on the design approach to drift compatibility. When uncertain, we will assume the connection is exposed to view, which is conservative but can add cost to the project unnecessarily.

Other items we typically review in the SEOR’s drawings include requirements for special inspections and structural observations during the course of construction.

Species Selection

Selection of timber species and structural grades will dictate glulam member sizes and CLT panel layups as well as connection capacities. Even small variations in the final dimensions of a member can affect the connection design and potential for clashes. The architect and owner often have influence on species selection along with the SEOR, so having a clear decision on species by all stakeholders is necessary prior to the start of delegated design efforts.

Fire-Resistance Ratings

Fire-resistance ratings are a critical component of the design. The building’s construction type and required fire-resistance rating for all mass timber elements must be clearly indicated; connections will be designed to match the rating of the connected elements. Where proprietary connections with fire test reports are available, we will use these tests as the basis of design. For custom connections, we will typically design in accordance with the 2024 Fire Design Specification for Wood Construction (FDS), Chapter 16 of the 2024 National Design Specification for Wood Construction (NDS), and the 2021 edition of the American Wood Council’s technical report TR-10, Calculating the Fire Resistance of Wood Members and Assemblies

Different construction types have varying fireresistance rating requirements and limits on the amount of exposed mass timber permitted in the building. In addition, more stringent fire-resistance ratings may apply to certain components of the building such as egress paths, fire separations between occupancies, or structural elements supporting rated partition walls. Unless specifically directed otherwise, we will design connections based on the assumptions listed in Table 1.

Table 1. Fire Design Assumptions According to Construction Type

Construction Type Mass Timber Fire Design Assumption

III-A

III-B

IV-A

IV-B

IV-C

IV-HT

V-A

V-B

All mass timber except top of slab exposed. 1-hour rated connections.

All mass timber except top of slab exposed. Unrated connections.

All mass timber and connections covered with noncombustible protection for the full required duration.

All mass timber slab soffits exposed.

Exposure of beams, columns, and walls provided by the design team.

Covered elements protected for the full required duration by noncombustible protection. 2-hour rated connections where exposed (reduced to 1 hour at roof).

All mass timber except top of slab exposed. 2-hour rated connections (reduced to 1 hour at roof).

All mass timber except top of slab exposed. Unrated connections.

All mass timber except top of slab exposed. 1-hour rated connections.

All mass timber except top of slab exposed. Unrated connections.

For construction types which require a fire-resistance rating, assuming all mass timber is exposed is conservative and provides maximum flexibility for the owner; however, it may be overly conservative in cases where the design has specifically accounted for encapsulation. In such cases, and for all Type IV-B buildings, provide key plans indicating which elements will achieve their fire-resistance rating through encapsulation and which are exposed.

If the SEOR intends elements to be designed to achieve a fire-resistance rating through a combination of protection and charring, those elements and the contribution from noncombustible protection must be clearly identified.

Design of noncombustible protection remains the responsibility of the architect of record. The design, detailing, and documentation of noncombustible protection must be closely coordinated with the SEOR and Timberlab to ensure compliance with the building code.

When fire-rated timber elements are supported by structural steel framing, special attention is warranted. Although structural steel buildings can be protected with fire-rated gypsum board, spray fireproofing, or intumescent paint, the code path for hybrid structures needs to be determined where steel is in contact with mass timber. The approach can be justified through testing or an alternative method, for example with a fire modeling analysis. Intumescent paint without testing or analysis is not sufficient, due to the relatively low temperature rise limits on timber connections. Alternative code compliance methods cannot be delegated to Timberlab and must be the responsibility of a separately engaged fire engineer.

Structural Framing

Member design remains the responsibility of the SEOR, and the design team’s drawings should accurately document the structural framing scheme. This information may be given on a combination of architectural and structural drawings and includes dimensioned gridlines, locations of members located off-grid, floor-to-floor heights, top of structural slab relative to top of finished floor, and all member sizes and CLT panel layups. The precise final location of all slab edges and openings may not be known until further in the coordination process, but any critical slab edge locations at the building perimeter and large openings such as atriums should be dimensioned to a reasonable level of accuracy. (See our “Designing for Fabrication” guide for a typical project timeline and explanation of Levels of Detail, including the final coordination of slab edges for LOD300.)

Indicative Details and Architecturally Exposed Connections

Overall design intent for connections, whether for aesthetic or structural purposes, should be communicated through indicative details. Annotations to help document the thought process and key goals are immensely helpful. Though pictures are worth a thousand words, it can sometimes be difficult to know which parts of a detail are the most critical without additional commentary. Engaging Timberlab in a design assist capacity early in the project helps create common understanding through the coordination process, but if we are brought on later in the project and beginning delegated design work right away, a page-turn meeting with the design team is recommended to review overall design intent.

Indicative details for structural purposes should be developed based on realistic design forces. This exercise can also help confirm member proportions, as connections can frequently drive member sizing in mass timber structures.

More careful attention to aesthetics will be paid to connections that are exposed to view in the completed structure, while hidden connections will be designed for economy and ease of fabrication and installation. Provide notes, key plan markups, or other documentation to indicate which connections are exposed and which are hidden. When uncertain, we will assume the connection is exposed to view, which is conservative but can add cost to the project unnecessarily.

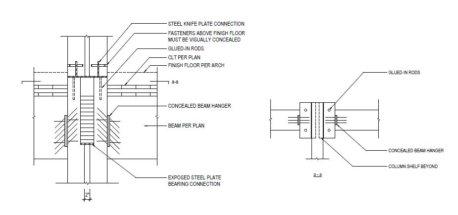
An example of an indicative beam-to-column detail is provided in Figure 1A, with the completed Timberlab detail in Figure 1B. The indicative detail communicates the desire for most connection elements to be concealed but allowing the bearing plate to be exposed, and it shows the structural intention for a direct bearing connection in one direction and off-the-shelf beam hangers in the perpendicular direction. The final detail shown in Figure 1B has taken this basic concept and developed it fully, including the following modifications:

• The beam hangers are recessed into the column rather than into the ends of the beams. This approach avoids the need to install a plug in the bottom of the beam to conceal the hanger when looking up from below.

• The bearing area of the beam on the notched edges of the column is structurally sufficient for the design loads, allowing the steel bearing plate to be eliminated.

• The glued-in rod / knife plate column splice arrangement has been inverted, locating the pins within the architectural floor build-up and eliminating the need for plugs to conceal the pins.

• The location of the column splice is shifted slightly to ensure sufficient access to the pins above the CLT.

• The shallower beam is necked down to account for potential variation in the beam width after manufacturing (which is permitted by manufacturing standard tolerances) and ensure a consistent dimension.

• All critical tolerances and bearing lengths are noted

• 3D views are included for clarity.

Figure 1B. Final beam-to-column detail

A second example, showing a beam-to-beam detail, is provided in Figure 2A, with the completed Timberlab detail in Figure 2B. The indicative detail provides two different options, which increases our flexibility when choosing a final strategy. The final detail shown in Figure 2B includes the following modifications:

• The option with two separate brackets is provided. The “saddle” version of the detail would involve added cost for steel fabrication (complete joint penetration welds are typically required at the corners) and can present fit-up issues in the field due to the bracket warping out of square due to the heat of welding.

• Once the brackets are separated into two pieces, each piece must resolve the eccentricity between the centerline of the bearing area and the vertical plate and screws. This eccentricity is taken out through bearing against the side of the beam at the bottom of the bracket coupled with tension in the fully threaded screws at the top of the bracket.

• The tension screws are offset to avoid clashing in the center of the supporting beam.

• All critical tolerances and bearing lengths are noted.

• A 3D view is included for clarity.

Figure 2A. Indictive beam-to-beam detail
Figure 2B. Final beam-to-beam detail

Accommodating Other Delegated Scopes

FACADE LOADING DIAGRAM

Many projects will include other delegated design items that have the potential to impact the mass timber scope, for example exterior cladding, elevators, and roof anchors. While we understand the design of these items will likely be finalized after the mass timber connections, a set of reasonable assumptions will need to be articulated as a basis of the mass timber design. While these assumptions may have a greater impact on the member and panel designs (which remain in the SEOR’s scope) than the connections, discussing and explicitly documenting the basis of design helps with future coordination when the other trades are brought on board. See Figure 3 for an example of design assumptions for exterior cladding.

FINISH FLOOR PER ARCH

CLT PER PLAN

COLUMN BEYOND

ANCHOR (GRAVITY & WIND)

ANCHOR (WIND)

GLULAM BEAM PER PLAN

EXTERIOR ENVELOPE

NOTES:

1. ALL CLADDING LOADS WILL BE DELIVERED TO CLT. CLADDING WILL NOT CONNECT DIRECTLY TO PERIMETER BEAMS. CONNECTIONS MAY OCCUR AT TOP AND BOTTOM OF CLT OR ONLY AT TOP, AT CLADDING DESIGNER'S OPTION.

2. WEIGHT OF CLADDING = 15 PSF

3. FOR GRAVITY LOADS, CLADDING IS BOTTOM LOADED AND SUPPORTED AT EVERY FLOOR LEVEL.

4. FOR WIND LOADS, CLADDING SPANS VERTICALLY FROM FLOOR TO FLOOR WITH LATERAL SUPPORTS AT TOP AND BOTTOM.

5. MAXIMUM SPACING OF ANCHOR POINTS TO CLT = 5'-0".

INDICATIVE DETAIL:

Figure 3. Facade Loading Diagram

CONNECTION FORCES

Delegated connection design at Timberlab ultimately feeds into our 3D model that is used to generate shop drawings and fabrication files, meaning we are looking at every single unique condition on the project. For large projects with repetitive framing, grouping members to reduce the documentation burden on the SEOR is acceptable, but we base our schedule on having a complete set of design forces when we begin our work.

Format

Forces at each connection are to be given as individual load cases (dead, live, roof live, snow, wind, earthquake, etc.) without load factors. Wind and seismic forces shall be given as ultimate (i.e. 1.0W, 1.0E) and shall include any applicable force multipliers from ASCE 7 or NDS SDPWS. Provide all applicable loads regardless of the governing case(s). Timberlab will combine load cases in accordance with code-prescribed load combinations. We may use Allowable Stress Design (ASD) or Load and Resistance Factor Design (LRFD) at our discretion.

Although SEORs may be accustomed to providing only a single force from the governing load combination, for example when delegating steel connection design, timber connection design must account for the effects of load duration. These load duration adjustments to the connection capacity mean that the largest design force of all load combinations may not govern the design, and it’s possible for multiple load combinations to govern different portions of the same connection. For this reason, we prefer to combine load cases ourselves to be sure we are applying the appropriate adjustments for load duration. In addition, providing individual load cases gives us the flexibility to choose ASD or LRFD where one method may result in a more cost-effective connection design, or where we may be forced to use one method. For example, many proprietary connectors developed for use in the US market publish capacities only in ASD format, and it may not always be appropriate to apply NDS format conversion factors to a proprietary connector.

Column Forces

Unless multi-story columns are explicitly required, columns are typically spliced at each floor level. To allow for the design of the splices, provide column forces at each level. If the structural drawings include a column schedule, an annotated schedule is preferred, as shown in Figure 4. Alternatively, a typical column splice force at each level and/or unique column size can be given.

Partial Loading and Live Load Reduction

Connection forces should include the effects of partial loading for live, snow, and ice loads where required by ASCE 7.

Indicate whether live load reduction has been applied where permitted by the code. If load maps are provided, simply noting which live loads have been considered reducible is an efficient way to communicate this information. We assume reducible live loads have been applied to all members (i.e. beams as well as columns) where tributary areas allow, unless noted otherwise.

Precision and Accuracy

Report forces to a minimum of two significant digits. Forces given with more than three significant digits will be rounded to the nearest three significant digits.

Reporting forces as accurately as possible for each unique condition, without rounding up or adding extra safety factors, helps us keep our design as economical as possible.

Figure 4. Example Column Schedule

TOLERANCES

Accounting for fabrication and erection tolerances at connections is just as important to our designs as meeting the structural requirements. Understanding what tolerances are necessary or expected on a project, especially where industry-standard guidance may not exist, is a significant part of our process.

Timber

Manufacturing tolerances for mass timber elements are codified in the relevant product standards (e.g. ANSI A190.1 for glulam, APA PRG 320 for CLT); however, tolerances for CNC machining and erection are not standardized. The project’s structural specifications are the most appropriate documents to set these tolerances. Timberlab can provide input on the scope of these tolerances and reasonable limits that balance constructibility with the structural and architectural requirements.

For large glulam members, we also aim to account for expected dimensional changes to the timber and eliminate (or minimize) restraining forces associated with shrinkage and swelling perpendicular to grain. We typically assume glulam will arrive to our fabrication facility at a moisture content of 12%-15% and equilibrate in the completed building at 8%-10% for elements inside the building envelope. For exterior elements or other special circumstances, these assumptions may need to be adjusted.

Other Materials

Where mass timber interfaces with other materials, provide any project-specific tolerances that are more stringent than industry standard (i.e. AISC Code of Standard Practice for steel, ACI 117 for concrete, and TMS 602 for CMU). Unless noted otherwise, we will assume these standards apply and detail the timber connections to be able to accommodate the maximum tolerances permitted by the relevant standard.

LATERAL SYSTEM

The analysis and design of the overall lateral system remains the responsibility of the SEOR, including the vertical elements (walls, frames, etc.); categorization of the diaphragms as rigid, semi-rigid, or flexible; and distribution of lateral forces to the vertical elements through the diaphragm.

If CLT is being used as the diaphragm, the extent of delegated design for the diaphragm can take many forms and should be discussed early in the project. Timberlab’s scope can include CLT inplane shear checks, panel-to-panel connections, and the design of boundary elements (chords and collectors). To delegate all of these items, the SEOR must provide the following information for each orthogonal axis of the structure:

• Total diaphragm force at each level for both wind and seismic (1.0W and 1.0E)

• Force distribution (usually distributed evenly over the diaphragm area for seismic loads and applied to the building windward and leeward edges for wind loads)

• Amount of force being delivered to each vertical lateral-resisting element

• Any overstrength factors required by ASCE 7

From these inputs, we generate shear and moment diagrams for each level and calculate demands on chords and collectors, including any additional force multipliers required by SDPWS. Because diaphragms typically have multiple potential load paths, we request the SEOR to review these diagrams to ensure the overall approach is acceptable before proceeding into detailed design. Due to the complexity of designing for large axial forces in glulam beam connections, we typically prefer to use the CLT panels themselves with supplemental steel straps, plates, or other structural steel elements as required fastened to the top side of the CLT to function as diaphragm boundary elements.

Alternatively, the SEOR can choose to delegate individual elements or connections, for example delegating panel-to-panel connections while retaining responsibility for chord and collector designs. This more limited approach to delegated design for the diaphragms can be accomplished by providing design forces for only those elements. In these circumstances, the SEOR should include any applicable force multipliers from SDPWS in the information provided to Timberlab. Where panel-topanel connections are delegated in high seismic zones, an overall shear diagram for each level can help economize on connections by allowing us to design for the actual force at each splice location rather than using a maximum force everywhere.

For projects with CLT shear walls as the lateral system, the design of hold downs, wall panel-to-panel joints, and wall base connections to the foundation can be included in our scope if the design forces are provided.

DESIGN CRITERIA LOCK

Even when Timberlab is engaged early in the process, our project schedules and fees are built on a certain duration for our delegated design work that begins once the information listed in the sections above (and reiterated in the checklist at the end of this guide) is finalized and provided in its entirety. We refer to this milestone as “Design Criteria Lock” in our project schedules. Having Timberlab involved in the project early effectively gives us a “jump start” on the work and will reduce the durations we build into the schedule following Design Criteria Lock, when compared to a traditional design-bid-build project.

We cannot guarantee that changes to the delegated design information after Design Criteria Lock can be incorporated without increasing our cost and/or jeopardizing the project schedule. We understand that no process is perfect, which will sometimes mean changes. We aim to accommodate them without changing schedule or cost if we can, but what can seem like a minor change (for example shifting a single grid line by 6 inches) can create re-design and re-documentation work on dozens of members and connections, depending on where we are in the delegated design process.

We are also committed to a process that allows for multiple quality control checks along the way, and we do not want to compromise quality by rushing to incorporate last-minute changes. For significant changes, we may be able to maintain the schedule by reallocating resources internally (which represents an additional cost), but the reality may be that we need additional time. In such cases, Timberlab will work with the general contractor on the overall project schedule to minimize the overall impact to the project.

SUBMITTALS + REVIEW PROCESS

Understanding typical timelines for the delegated design process, including review periods and the process for incorporating feedback, helps create a realistic schedule for the project. Intermediate milestones help keep the project on track while ensuring enough time is reserved for quality control along the way.

AHJ Requirements

The SEOR’s drawings and specifications should clearly indicate that mass timber connections are a delegated design item. This establishes the relationship between the SEOR as the registered design professional in charge of the project and Timberlab as a specialty structural engineer designing to the performance specifications given in the contract documents.

We typically assume our delegated design scope is treated by the Authority Having Jurisdiction (AHJ) as a deferred submittal, meaning it does not need to be complete at the time the design team files for a building permit. However, in some jurisdictions, the AHJ may expect connection designs to be complete at the time of building permit submission. The design team should confirm the timing of Timberlab’s submittals with the AHJ as early in the process as possible, preferably during the Schematic Design phase. For projects where Timberlab’s submittal needs to be included for building permit application, the overall project timeline shifts forward, and we need to be brought on to the team earlier to avoid schedule delays.

Even if the submittal is deferred, the design team is responsible for confirming the AHJ review requirements. If the AHJ plans to review and comment on the delegated design submittal, rather than simply receiving the submittal for record, their review period must also be built into our project schedule; in those circumstances, we will not release material for fabrication prior to receiving AHJ approval.

During these early discussions with the AHJ, in states which have a Structural Engineer (SE) designation, the design team should also confirm whether an SE stamp is required on Timberlab’s submittals. We typically assume a PE stamp is sufficient, unless the project is in a state with a full structural engineering practice act (e.g. Illinois and Hawaii).

Review of Delegated Design Information

Our typical project schedules include the preparation of a project-specific delegated design checklist and a coordination period to ensure all required information is clear and documented prior to Design Criteria Lock. The generic checklist at the end of this document outlines the common items needed for our work. If this coordination process results in any additions or changes to the delegated design information, the final design and performance criteria should be incorporated into an updated set of contract documents.

The delegated design checklist is often accompanied by a separate modeling checklist, because accurate 3D modeling of the mass timber elements requires additional information beyond what the engineering team needs to complete the structural design. (Exact roof slopes and locations of slab edges are two common examples.) The timing required to complete items on the modeling checklist may differ slightly from that of the delegated design checklist.

Typical Details

Following Design Criteria Lock, Timberlab’s delegated design efforts focus on developing typical connection details. These details are typically drafted in 2D format, though 3D views may be needed for connections with complex geometry that are difficult to visualize in 2D. The amount of time needed for this initial phase varies by project, but the minimum time allotted for smaller projects is three weeks. The details then go through an internal Timberlab review by our fabrication and installation teams to provide constructibility feedback, with a subsequent period to incorporate any changes prior to submitting the typical details to the design team. Once the design team’s feedback is received, we request a page-turn meeting to review the comments and come to agreement on any changes to the typical details.

A preliminary glulam and CLT billet list is generated after we receive comments back on the typical details submittal. Minor adjustments to glulam member sizes in order to accommodate final connection geometries may still be required during the LOD350 phase as detailed designs and clash detection progresses.

For smaller projects, typical details may not be a separate phase with a formal submittal, in which case full delegated design information will be submitted with LOD350.

LOD350 and Stamped Submittals

After completing typical connections, we begin detailed analysis and calculations for each connection type. Ultimately this work feeds into our signed and sealed submittal, which includes the LOD350 drawings and our calculation package. Depending on the size and complexity of the project, the length of this phase can vary significantly. Similar to the previous phase, we reserve time for internal review by our fabrication and installation teams as well as an engineering quality control review, plus time to incorporate any revisions as a result of those reviews. Once complete, the LOD350 drawings and calculation package are submitted to the design team and final billet lists created.

For projects where mass timber elements connect to structural steel framing, the LOD350 set also serves to communicate the information necessary for the steel fabricator to create their shop drawings. For example, Timberlab’s design for the connection of a glulam beam to a steel girder may require the steel supplier to provide additional stiffener plates or screw holes in their member. While the design of these connections is included in Timberlab’s scope, the supply of supplemental plates typically remains in the steel supplier’s scope to maximize the amount of work that can be completed in the steel fabrication shop and avoid costly and time-consuming field work.

The Timberlab engineering team uses a variety of software programs as well as hand calculations as part of our design. Although software output can appear as a “black box,” we aim to include a detailed sample calculation for each main connection type to show the overall approach, the design equations being used, and the relevant inputs and outputs. The remaining design checks for similar connections may be presented in a summary format to reduce the length of the calculation package.

SEOR’s Review of Delegated Design Submittals

As with any delegated design scope, the SEOR’s review is necessary to confirm the delegated design complies with the performance and design criteria set forth in the contract documents and agreed upon during coordination prior to Design Criteria Lock. Consistent with AIA guidelines for design team review of delegated design submittals as outlined in AIA A201-2017, submittal review is “only for the limited purpose of checking for conformance with information given and the design concept expressed in the Contract Documents.” We recommend the SEOR review the following information:

• All general notes and/or narratives provided at the front of the calculation package

• Design loads

• Load path for each main connection type

• Spot checks of sample connection calculations

• Effects of connections on the balance of the primary structural system where mass timber interfaces with other systems (for example, concentrated loads imposed or eccentricities that may necessitate reinforcement of the supporting structure)

Field Reviews

The SEOR is responsible to issue a statement of special inspections in accordance with the building code. Because the code guidance on special inspections for mass timber is still developing, Timberlab is happy to discuss this scope with the design team to develop a list of third-party special inspections that is appropriate to the project.

It is helpful for us to understand what field visits are planned by the SEOR for structural observations and approximately when those reviews may take place. When practical, we may schedule our own field review visits to coincide with the SEOR.

EXCLUSIONS

Typical exclusions to Timberlab’s scope are noted below.

Code Variances

Alternative materials and methods requests (AMMR) requiring approval by the authority having jurisdiction (AHJ) are outside of Timberlab’s scope and remain with the SEOR. Meetings with the AHJ or preparation of documents to support an AMMR request can be provided as an additional service.

Beam Camber

Because beam camber can complicate fit-up issues on site, we do not recommend cambering beams unless special circumstances warrant. Detailing connections to accommodate camber is not typically included in our scope unless specifically noted in our proposal.

Beam Penetrations

Checking beam penetrations and designing any reinforcement required at the penetrations are considered part of the member checks and remain the responsibility of the SEOR.

Design of Embed Plates and Post-Installed Anchors

Where mass timber connects to steel embed plates in concrete or CMU construction, Timberlab’s scope includes the connection of the mass timber element to the embed plate, including field welds to the embed. The design of the embed itself remains the responsibility of the SEOR and must account for the loads imposed on the embed, including any eccentricities. Similarly, for plates that are attached to concrete or CMU with post-installed anchors, design of the plate and anchors remains the responsibility of the SEOR.

DELEGATED CONNECTION DESIGN CHECKLIST

Timing of delegated design submission

AHJ review requirements

PE vs SE stamp required

All applicable codes, including edition

Structural design criteria per 2021 IBC §1603

Load maps for each floor (optional)

Superimposed roof dead loads noted where they may not always be present

Wind loads for MWFRS and C&C reported separately

Seismic design drifts (SDC D and higher)

Requirements for inspections and structural observations

Timber species and grades

Construction type

Fire-resistance ratings for all mass timber elements

Scope of exposed and protected mass timber

Noncombustible protection contribution to fire ratings

Code compliance path for fire-rated mass timber supported by structural steel

Structural framing:

Geometry

Glulam member sizes

CLT panel layups

Critical slab edge locations

Indicative architectural details

Indicative structural details

Connection forces:

Column base

Beam-to-beam

Beam-to-column

Beam-to-wall

Column splice

CLT-to-beam

CLT-to-wall

CLT panel-to-panel splice

Diaphragm chord/collector to CLT

CLT wall panel-to-panel splice

CLT wall hold downs

CLT wall base

Forces reported by individual load case

Forces reported to minimum 2, maximum 3 significant digits

Mass timber tolerances

Steel, concrete, or CMU tolerances where different from industry standard

Diaphragm shear force diagrams (optional)

Lateral system forces include force multiplication factors as applicable

Any connections fully detailed by SEOR clearly noted as not in Timberlab’s scope

Turn static files into dynamic content formats.

Create a flipbook
Issuu converts static files into: digital portfolios, online yearbooks, online catalogs, digital photo albums and more. Sign up and create your flipbook.
Timberlab: Delegated Connection Design by Timberlab - Issuu