KGK 2025 nr 3 DIGI

Page 1


Bouke de Vries:

3D-geprinte hydrocultuur van klei

Wij leveren complete installaties voor ontstoffing, luchtreiniging en pneumatisch transport

Technieken voor o.a.:

- Ontstoffing van productieruimtes (MAC)

- Reduceren van geuremissies (NER)

- Reduceren van stofemissies (NER)

Componenten die wij o.a. kunnen leveren:

- Natfilters & Droogfilters

- Cyclonen

- Gaswassers

- Topsteen- / Frogreinigers

- Naverbranders

Projecten kunnen turn-key worden uitgevoerd

Wij garanderen de emissie & grenswaarden

Engineering, bouw en onderhoud in eigen beheer

Mesys Industrial Air Systems BV

Molenstraat 27, 6914AC Herwen

+31 (0) 316 248744

www.mesys.nl

Info@mesys.nl

werk

Hoog vacuüm stofzuiginstallatie
Natfilter met slibtransporteur
Frogreiniger

COLOFON INHOUD

KGK

Onafhankelijk vakblad voor keramiek, glas en minerale materialen. De redactie staat open voor bijdragen van vakgenoten. U kunt hiervoor contact opnemen met de redactie.

Redactieraad

W. van den Berg

A.J.A. Winnubst

P.B.M. Schoonebeek

E. Brinkman

G.J.H. van Nifterik

Hoofdredactie

G.J.H. van Nifterik gvn@kgkmagazine.nl

Redactie

SJP Uitgevers

Kalkhaven 53 4201 BA Gorinchem

tel: + 31 (0)183 66 08 08 info@kgkmagazine.nl

Uitgeverij/advertenties

SJP Uitgevers

Kalkhaven 53 4201 BA Gorinchem

tel: + 31 (0)183 66 08 08 sjp@sjp-uitgevers.nl

Abonnementen

Abonnementsprijs Nederland (2025): € 81,75 (excl. BTW, incl. verzendkosten binnen Nederland)

Abonnementsprijs buitenland (2025): € 140,71 (incl. verzendkosten)

Voor leden van KNB en NKV is het abonnementsgeld inbegrepen in de contributie.

Abonnementen gelden voor onbepaalde tijd, tenzij schriftelijk/per e-mail wordt opgezegd voor 1 november

Website: www.kgkmagazine.nl

Druk: Printhuys, Gorinchem

Niets uit deze uitgave mag worden verveelvoudigd en/of openbaar gemaakt door middel van herdruk of op welke wijze dan ook zonder voorafgaande schriftelijke toestemming van de uitgever.

8 NKV Student Speech Contest 2025 Eddy Brinkman, Netherlands Ceramic Society NKV

12 TCKI-excursie Barcelona

Peter Meijerman, TCKI

17 Expositie: Bouke de Vries UNBROKEN Keramiekmuseum Princessehof

20 Doorbraak in synthetisch botherstel: Australische onderzoekers ontwikkelen baanbrekende nanostructuren Redactie KGK

22 Prediction and optimization of the sintering behavior of LaWO bilayer membranes for hydrogen separation

Anne Timmermans, Claudiu Savulescu, Joris Remmers, Maja Rücker, Diletta Giuntini, Department of Mechanical Engineering, Eindhoven University of Technology, Netherlands

3D-geprinte hydrocultuur van klei

Redactie KGK

KNB jaarverslag 2024

Bouwkeramisch Nederland had in 2024 een mager jaar. Of politieke stilstand er nu wel of niet oorzaak van was, feit is dat voor veel sectorproducten productie, afzet en omzet fors terugliepen. Voor de korte en middellange termijn zijn er nieuwe onzekerheden. KNB publiceerde het Jaarverslag over 2024.

Hoewel 2024 mondiaal gezien een superverkiezingsjaar was, was er in Nederland op politiek vlak vooral stilstand. Op de grote thema’s als klimaat, energie, stikstof maar ook wonen ontbrak het aan nieuw beleid of duidelijkheid over bestendiging van bestaand beleid.

Voor de bouwkeramische sector betekende dat volgens KNB onduidelijkheid over het wanneer en waarmee toekomstbestendig maken van de fabrieken en het ontbreken van stimulerende prikkels voor de bouwmarkt.

KNB heeft daarom zelf het initiatief genomen om een actiegericht versnellingsplan opstelde met transitiepaden, knelpunten en sectorale oplossingsrichtingen. Ook zocht KNB samenwerking met collega-koepels van regionaal gevestigde energie intensieve maakindustrieën, gezamenlijk georganiseerd in Stichting Cluster 6.

Productie (x1 milj WF)

(x1 milj WF)

Eindvoorraad (x1 milj WF)

Uitvoer (x1 milj WF)

(x1 milj WF)

Aantal Werknemers

(mlm

Productie, voorraad en afzet van metselbaksteen in WF (Bron: KNB)

Bouwbeeld

De druk op de woningmarkt bleef in 2024 onverminderd groot. Door politieke stilstand maar ook hoge financieringslasten, personeelstekorten en lange procedures komt de feitelijke realisatie van 900.000 nieuwe woningen tot 2030 steeds verder buiten bereik. Verder ontbreekt het nog steeds aan juridisch houdbare oplossingen voor de stikstof-opgave, inmiddels aangevuld met een gebrek aan

voldoende nieuwe stroom- en wateraansluitingen. Het CBS noteerde de oplevering van ruim 69.000 nieuwe woningen. Dat is minder dan de 73.650 in 2023 (-5,5 procent) en lijkt gevolg van de lage vergunning-afgiften in 2022 en 2023. Door splitsing, transformatie, samenvoeging en sloop, werden niet meer dan ruim 1.000 nieuwe woningen extra aan de voorraad toegevoegd. Het aantal vergunningen voor nieuwe woningen steeg naar 67.000 (+21 procent, CBS). Dat is verrassend gezien de inwerkingtreding van de nieuwe Omgevingswet begin 2024 maar ook een compliment aan gemeenten om de afgifte toch op niveau te hebben kunnen houden. Voor nieuwe koop- en huurwoningen werd vrijwel evenveel vergund: 34.000 voor koop (+28 procent) en 33.000 voor huur (+16 procent). Relevant is dat het gemiddeld aantal woningen per verleende vergunning steeg tot tien, bijna een verdubbeling vergeleken met 2016!

Metselbaksteen

Na een zeer slecht 2023 liep de afzet metselbaksteen in 2024 verder terug (-7 procent): een nieuw historisch dieptepunt. De afzetdaling was zowel binnenlands (-9 procent) als in het buitenland (-4 procent).

Verondersteld wordt dat een groot deel van het binnenlands verbruik is gerealiseerd met bakstenen uit de voorraad van de tussenhan-

del. Om voorraadvorming op de tasvelden te beheersen werd bij de productie fors op de rem getrapt (-22 procent).

Positief is dat in de loop van 2024 de afzet weer opliep en de produc tie wat toenam.

Straatbaksteen

De straatbaksteenmarkt vertoonde in 2024 tekenen van herstel met een structureel geworden behoefte aan circulaire oplossingen. Straat baksteen voldoet prima aan deze behoefte. Het product kent een uitzonderlijk lange levensduur (circa 135 jaar) en een hergebruikper centage van bijna 90 procent. Afnemers herkennen deze meerwaarde en waarderen de gunstige milieukosten. Productinnovaties door de materialisatie vergroten de keuze voor opdrachtgevers aan circulaire oplossingen met straatbaksteen.

Keramische dakpannen

In 2024 daalde de vraag vanuit de nieuwbouw naar keramische pan nen verder. De sorteringen die vooral in de renovatiemarkt worden gebruikt houden goed stand. In die markt is nauwelijks sprake van vraaguitval.

Keramische wand- en vloertegels

2024 toonde een stabiliserende markt met weinig nieuwbouw. De nadruk lag op de renovatiesector waarin de afzet van de keramische tegel groeide. Duurzaamheid en prefab winnen aan belang, energie(prijzen) en arbeidsmarktkrapte leidden tot hogere productie kosten.

Verwachtingen

Volgens Bouwminister Keijzer is het beleidsdoel van 100.000 nieuwe woningen in 2029 realiteit. Daar is wel een blijvende inzet van alle bouwpartijen voor nodig. Landelijk zijn er voldoende bouwplannen zodat vooral het aantal verleende bouwvergunningen moet stijgen. Nieuw is het op deregulering en versimpeling van bouwbeleid gerichte Rijksbeleid: STOER. Dat lijkt nodig ook: de woningbouwpijplijn loopt steeds meer vol (+13 procent tot 200.000 stuks) met wel vergunde maar nog niet gebouwde woningen. Tegen deze achtergrond zijn de afzetverwachtingen voor keramische bouwproducten op de middellange en langere termijn positief.

´Bouwsector klimt uit dal´

De handelsoorlog van president Trump heeft vooralsnog geen grote gevolgen voor de bouwsector. Dat blijkt uit de Sectorprognose Bouw van ABN AMRO die de bank afgelopen juni publiceerde.

ABN AMRO verwacht dat de bouw in 2025 groeit met 1,0 procent en in 2026 met maar liefst 2,5 procent. Voor de periode daarna is vooral het Nederlandse beleid van belang, bijvoorbeeld rond stikstof en investeringen in infrastructuur. De bouwsector wordt grotendeels gedreven door binnenlandse vraag.

Val kabinet positief

De val van het kabinet-Schoof lijkt vooralsnog positief uit te pakken voor de bouwsector. Ten eerste is hiermee de bevriezing van sociale huren van de baan. De vier coalitiepartijen hadden daartoe in april besloten in de Voorjaarsnota. Door die maatregel zou de investeringsruimte van woningcorporaties worden beperkt. Daardoor zou de doelstelling van het bouwen van 100.000 woningen per jaar nog verder uit zicht raken. Ten tweede boekte het kabinet-Schoof geen vooruitgang wat betreft de stikstofproblematiek, ondanks het instellen van een werkgroep met twaalf bewindspersonen.

Bouwdip door stijging kosten en rente

De bouwproductie is in 2024 met 2,8 procent gedaald. De veelgehoorde stelling dat deze daling vooral is veroorzaakt door de stikstofproblematiek, is volgens ABN AMRO echter een misvatting. De daling van de bouwproductie in 2024 is vooral het gevolg van de energiecrisis van 2022, die leidde tot hogere inflatie, en daarmee tot een sterke stijging van de bouwkosten en de lange rente. Dat maakte de financiering van bouwprojecten moeilijker.

Verder speelt het gebrek aan geschikte kavels een rol, bijvoorbeeld voor logistiek vastgoed.

De stikstofproblematiek helpt inderdaad niet bij de verlening van nieuwbouwvergunningen, maar deze problematiek belemmert de vergunningverlening al sinds mei 2019, toen de Raad van State het Programma Aanpak Stikstof (PAS) buiten werking stelde.

ABN AMRO signaleert dat de vraag naar nieuwbouwwoningen inmiddels toeneemt. In 2024 werd voor ruim 67.000 woningen een nieuwbouwvergunning afgegeven, een

stijging van 21 procent ten opzichte van 2023. Dat zal naar verwachting leiden tot een herstel van de nieuwbouw in 2025 en vooral in 2026.

De toename is mede te danken aan de geleidelijke daling van de inflatie sinds 2023, terwijl de inkomens van consumenten stegen en de koopkracht dus herstelde, vooral in 2024. De stijging van de inkomens leidt er volgens ABN AMRO toe dat meer consumenten de financiering van een nieuwbouwwoning rond krijgen.

De utiliteitsbouw had te maken met een grotere dip doordat de markten voor bedrijfsmatig vastgoed minder krap zijn dan de woningmarkt. Zo staat de kantorenmarkt nog steeds onder druk door thuiswerken, is er minder vraag naar nieuw winkelvastgoed door concurrentie van webwinkels en gaat de industrie gebukt onder de hoge energiekosten en lagere vraag.

Vraag neemt toe, bouw herstelt Het herstel van de bouw begint zich al met al voorzichtig af te tekenen. In het eerste kwartaal van 2025 groeide de bouw (kalendergecorrigeerd) met 0,6 procent ten opzichte van dezelfde periode vorig jaar. Volgens de conjunctuurenquête van het Centraal Bureau voor de Statistiek (CBS) daalde het percentage bouwbedrijven dat kampt met onvol-

doende vraag van het hoogtepunt van per saldo 21 procent in het vierde kwartaal van 2023 naar 10 procent in het tweede kwartaal van 2025.

Het tekort aan arbeidskrachten neemt juist weer toe; in het tweede kwartaal van 2025 had 18 procent van de bouwbedrijven daar last van. Ook in de bouwmaterialenindustrie worden de eerste tekenen van herstel zichtbaar. De bezettingsgraad steeg in april naar 79 procent, het hoogste percentage in twee jaar tijd, en ondernemers zijn per saldo voorzichtig optimistisch over de orderontvangst in de komende maanden.

Nu de vraag herstelt, keren personeelstekort en de vergunningverlening terug als de belangrijkste belemmeringen voor de bouwsector. Alle segmenten hebben hiermee te maken, van de woningbouw tot de utiliteitsbouw, en van het grondverzet tot de installatiebranche. De krapte op de arbeidsmarkt kan de komende jaren leiden tot een verdere stijging van de bouwkosten. ABN AMRO spreekt de hoop uit dat een volgend kabinet eindelijk de stikstofproblematiek oplost en investeert in passend onderwijs, zodat de bouw de productiviteit kan verbeteren.

https://www.abnamro.nl/nl/zakelijk/insights/ sectoren-en-trends/sectorprognoses/bouw/ bouwsector-klimt-uit-dal.html

Personeelstekort bouw loopt sinds dieptepunt vorig jaar weer op Het percentage ondernemers in de bouw dat het tekort aan arbeidskrachten als belemmering ervaart

The 18th International Conference on Inorganic Membranes (ICIM-18) will be held in Montpellier, France, from June 29 to July 3, 2026.

The conference will gather over 300 experts from academia and industry to explore cutting-edge developments in inorganic membranes. The program spans fundamental and applied research in materials, processes, and industrial applications, with a focus on design, synthesis, characterization, model-

ling, and technology transfer. Key application areas include energy, environment, chemistry, health, biotechnology, and food. The opening day will spotlight hydrogen-related membrane technologies, and a dedicated session will feature industry pitches highlighting innovations, challenges, and collaboration opportunities.

Please visit the conference website: https:// icim2026.org/

Important dates:

• Call for abstracts: September 15, 2025

• Abstract submission deadline: January 10, 2026

• Notification to authors: March 16, 2026

• Booth reservation deadline: March 31, 2026

• Early-bird registration deadline: April 20, 2026

• Detailed program: May 31, 2026

• ICIM-18 starts: June 29, 2026

University of Cologne, Germany - 27 & 28 October 2025

Ceramics across borders

‘Ceramics across borders’ is a two-day event organized by the national ceramic societies of Germany (DKG), The Netherlands (NKV) and Belgium (BCerS), and supported by the Young Ceramists Network (YCN). This crossborder event will bring together leading experts and young professionals to explore current trends, scientific breakthroughs and future opportunities in the field of ceramics.

As its name suggests, ‘Ceramics across borders’ aims to foster cross-border cooperation while encouraging synergies and knowledge exchange between academia and industry. This event constitutes a unique opportunity to strengthen the connections within the European community of ceramists, creating a meaningful platform to exchange between science, industry, and the future ceramists.

In addition to scientific talks on the ceramics-related topics mentioned below, ‘Ceramics across borders’ serves as a valuable networking event - particularly for earlycareer researchers and PhD students who will graduate soon - that can create new professional connections with peers and with experts from industry and academia across the borders of Germany, The Netherlands, Belgium and beyond.

‘Ceramics across borders’ is a follow-up to the successful symposium ‘Advanced Ceramic Manufacturing in the Benelux’, the event that took place in Fall 2024 at the Eindhoven University of Technology (TUe, Eindhoven, The Netherlands). Like its predecessor, this event emphasizes cross-border collaboration between countries, universities, and companies, and is organized by some of the same partners involved in the previous edition.

Topics

Technical sessions will feature scientific talks and discussions on the following topics:

1. Advanced ceramics for communication;

2. Functional ceramics for mobility (including batteries for automotive);

3. Bioceramics;

4. Machine learning and AI in ceramics.

In addition to the technical sessions, ‘Ceramics across borders’ will feature:

• Get-together, Poster Session & career fair - This evening event will foster informal discussions and fresh ideas exchange.

• Interactive Industry Workshop & Networking Event of the Young Ceramists Network (YCN) - This event will connect ECerS-YCN with representatives from industry and academia with the goal of exploring the latest developments and challenges in the field of ceramics, along with strategies to bridge the gap between fundamental scientific research and industrial applications.

Program in a nutshell:

Monday 27 October 2025

15.00 - 21.00: Welcome, Scientific Talks, Interactive Poster Session

Tuesday 28 October 2025

8.30 - 15.30: Scientific Talks, Guided tour, Workshops

Location: University of Cologne, Germany

The detailed program is in development and will be updated on the website.

How to attend?

Click on the ‘Sign up for this event’ button on the website https://www.ceramics-acrossborders.dkg.de (active later this summer).

Participants are invited to submit a poster presentation.

It is anticipated that travel and accommodation costs of max. 500 euros per student will be granted from JECS Trust funds to a total of 10 students from outside Germany.

More information

Please visit our website https://www. ceramics-across-borders.dkg.de for more detailed information. This website will be updated regularly (link also available via: www.ceramics.nl).

Steen van CO2

Onderzoekers van het Laboratorium voor Bodemmechanica van de EPFL, de Hogeschool voor Toegepaste Wetenschappen en Kunsten van Zuid-Zwitserland (SUPSI) en de EPFL-start-up Medusoil SA hebben aangetoond dat Bacillus megaterium - een veelzijdig micro-organisme dat veel voorkomt in de bodem, zoet water, zeewater en zelfs op plantenoppervlakken - CO₂ kan omzetten in calciumcarbonaat (CaCO₃), het mineraal waaruit onder andere kalksteen en marmer bestaan. De resultaten zijn gepubliceerd in Scientific Reports.

Volgens de EPFL is deze studie bijzonder vanwege de kwaliteit en oorsprong van het gevormde mineraal. Bij extreem hoge CO₂concentraties - meer dan 470 keer hoger dan de atmosferische waarde - paste B. megaterium zijn metabolisme aan. Met behulp van het enzym koolzuuranhydrase werd CO₂ omgezet in bicarbonaat, dat vervolgens met calciumionen reageerde tot vast calciet. Opmerkelijk is dat 94 procent van het gevormde mineraal direct afkomstig was van CO₂, en niet van stikstofverbindingen zoals ureum.

Het onderzoek werd op 1 juli gepubliceerd in Scientific Reports onder de titel ´Bacillus megaterium favours CO₂ mineralization into CaCO₃ over the ureolytic pathway´. Het is online: https://www.nature.com/articles/s41598-025-07323-9

Bij een CO₂-concentratie die ruim 470 keer hoger ligt dan de atmosferische concentratie, doet een eenvoudige bodembacterie iets bijzonders: gas omzetten in steen (Foto: EPFL)

Tone . Schamotte . Massen

SINCE 1924

Our clays for applications in the brick and clinker industry are characterized by their good drying properties and rapid firing suitability.

Goerg & Schneider GmbH u. Co. KG

Guterborn 1 • 56412 Boden • Germany Telephone: + 49 (0) 2602 / 9273-0 www.goerg-schneider.de

NKV Student Speech Contest 2025

Ultra-high temperature ceramics, ceramic matrix composites, ceramic membranes and bioceramics were popular subjects during the NKV Student Speech Contest 2025, organised by the Netherlands Ceramic Society NKV on 9 May 2025 at Delft University of Technology.

During this bi-annual event, seven PhD and MSc students from Dutch universities gave a presentation of about 15 minutes about their ceramics-related research. At the same time, they competed with each other for the honour to represent The Netherlands in the European Student Speech Contest later this summer. Hosts of the event were Omid Nejadseyfi and Vera Popovich of the Faculty of Mechanical Engineering of Delft University of Technology. Please find below a short overview of the presented subjects, at the forefront of ceramic research in the Netherlands.

Ultra-high temperature ceramics

Generally speaking, ceramics are materials that can

perform under conditions where polymers and metals have long since failed. And even within the broad ceramic family, there is a large variety in material properties. Let’s take a look at ultra-high temperature ceramics, or UHTC in brief: a superb class of ceramics that do their job under extreme thermal conditions. High melting points (around 3500 °C) and very good mechanical properties at high temperatures (over 2000 °C) make them suitable in aerospace applications as thermal protection systems, for hypersonic flights or in rocket propulsion systems. Carbides, nitrides or borides of transition metals as zirconium, hafnium, titanium or tantalum are typical examples of ultra-high temperature ceramics.

Joost Guiking (in the middle with certificate) surrounded by his fellow contestants Yun-Ching, Anne, Claudia, Marzio and Apurv
Eddy Brinkman, Netherlands Ceramic Society NKV

One way to get better ultra-high temperature ceramics is by improving their oxidation resistance. After all, high temperatures combined with oxygen, for example when a space vehicle re-enters into the earth’s atmosphere, gives to some extent rise to oxidation of the non-oxidic ceramics. A first step is to understand how this oxidation may occur. In this respect, YunChing Lin, PhD student at Delft University of Technology, investigates zirconium carbide (ZrC), and especially the susceptibility of the material towards oxidation at high temperatures, to gain a deeper insight into the ZrC oxidation mechanism. Yun-Ching presents the synthesis of monolithic ZrC with a relative density of nearly 99% by spark plasma sintering. In the temperature range 600 - 1000 °C, for this material three oxidation stages are identified: parabolic, intermediate and linear oxidation.

Ceramic matrix composites

Another way to get better ultra-high temperature ceramics is by improving their fracture toughness. A class of ceramics known as ‘ultra-high temperature ceramic matrix composites’ (or UHTCMC) combines best of both worlds: the high temperature resistance of ultra-high temperature ceramics, and the fracture toughness of continuous fibre-reinforced ceramic matrix composites. The latter, such as carbon fibre-reinforced silicon carbide (C/SiC) composites, are typically used for ‘down to earth’ applications such as high-performance break disks for cars. However, for aerospace applications, the oxidation resistance as well as the high-temperature stability can be improved by adding ultra-high temperature ceramics like zirconium diboride (ZrB2). In his graduation project, Apurv Rahul Kode of Delft University of Technology does a microstructural investigation of ultra-high temperature ceramic matrix composites made by reactive melt infiltration. By mixing carbon

fibres and micron-sized ZrB2 or ZrC particles and subsequently infiltrating this preform with liquid silicon at elevated temperatures, he aims at developing a better ceramic composite. Particle size, volume percentage of particles and composition (ZrB2 vs. ZrC) are parameters, all of which need to be optimized further.

Improving the high temperature oxidation resistance of carbon fibre-reinforced carbon (C/C) composites is relevant in the aerospace applications mentioned above. To find an alternative for the generally used CVD application of relatively thin SiC oxidation barriers, Tim Creusen of Delft University of Technology uses a different approach in his graduation project. His idea is to use a cold spray technique, with powder particles in a superionic gas stream, to apply a much thicker coating of a MAX phase material. With Ti2AlC as example, MAX phase laminates combine metallic properties like machinability and high electrical conductivity with a typical ceramic lattice structure and high temperature resistance. Tim shows preliminary results of cold spraying of (only) aluminium on several substrates, to investigate the mechanical bonding.

Fibre-reinforced ceramic matrix composites find their application also outside the aerospace field. Material properties such as low density, high stiffness, structural stability and low thermal expansion coefficient are useful in equipment to investigate the giant stellar constellations in our universe, as well as in equipment to manufacture the tiniest structures in computer chips. In both cases, high precision is key. In his graduation project, Joost Guiking of Eindhoven University of Technology investigates carbon fibre-reinforced silicon carbide composites manufactured by liquid silicon infiltration, to obtain a low thermal expansion coefficient material. He presents first results that relate the mechanical properties of the ceramic matrix composite to some production parameters.

Ceramic membranes

From a historical perspective, unique selling points of ceramic membranes are their robustness to withstand extreme thermal, mechanical and chemical conditions, while at the same time being able to achieve high separation performances. Due to these properties, they are highly suitable for liquid/liquid or solid/liquid separations in industrial wastewater treatment or food/bio/chemical applications, as well as in (energy related) gas separations.

Related to the latter field of application but also for shifting chemical reactions, Anne Timmermans of Eindhoven University of Technology conducts her PhD project on analysing the sintering behaviour of bilayer ceramic membranes for hydrogen separation. For such membranes to be used in energy applications like fuel cells, thin membranes will increase the hydrogen transport rates, but this requires the presence of a membrane support for sufficient mechanical stability. In her research project, she will deal with sintering

Contestant Tim Creusen during his presentation

issues resulting from this bilayer structure, such as asymmetric sintering and membrane distortion. (see the article written by Anne in this issue of KGK Magazine; page 20).

In his PhD project, Marzio Saccinto of University of Twente aims at developing a ceramic photocatalytically reactive nanofiltration membrane that has two functions: to remove as well as to degrade persistent pollutants from water. For this purpose, in a simple one-step method, he successfully is able to apply a thin graphene oxide layer with nanosize pores onto a coarse porous alumina substrate.

Bioceramics

Human bone is a composite material that consists of an inorganic phase in a collagen-based fibrous structure. This natural inorganic phase is best approached by the ceramic material hydroxyapatite, which is a calcium phosphate. Since more people will get older, the occurrence of bone diseases such as osteoporosis and (other) bone defects is expected to increase. Biocompatible calcium phosphate cements can be injected into bone defects, and after setting they are suitable to repair these defects or to support bone regeneration.

In her PhD project, Claudia Morilla Espino of Leiden University Medical Center investigates brushite calcium phosphate cements, with brushite - a hydrated calcium phosphate - as main component in the cement. In her presentation she concludes that brushite calcium phosphate cement formulations can be tailored to improve mechanical properties and drug release.

Winner

With his presentation ‘Manufacturing the next generation of fibre reinforced ceramic materials’, Joost Guiking has become the winner of the NKV Student Speech Contest 2025. Joost conducts his research as a MSc student within the Mechanics of Materials group of the Faculty of Mechanical Engineering at Eindhoven University of Technology. He will represent The Netherlands in the European Student Speech Contest during the ECerS XIX Conference in the German city of Dresden between 31 August and 4 September.

Materiaalkeuze wordt ook voor de GWW steeds belangrijker. In de eerste plaats stellen opdrachtgevers steeds scherpere eisen aan duurzaamheid en milieuprestaties (zoals carbon footprint en cradle to cradle). En daarnaast leggen grote, opdrachtgevende partijen meer en meer verantwoordelijkheid bij de markt. Precies daar liggen kansen. Door te kiezen voor slimme, duurzame innovatieve materialen is het voor marktpartijen steeds beter mogelijk zich te onderscheiden. Innovatieve Materialen kan daarbij helpen.

Innovatieve Materialen gaat over materiaalinnovatie in het algemeen, maar is speciaal gericht op de civieltechnische sector, bouw, architectuur en design.

Innovatieve Materialen besteedt veel aandacht aan ontwikkelingen op het gebied van duurzame, innovatieve materialen en/of de toepassing daarvan in bijzondere constructies. Maar ook circulariteit, milieufootprint en hergebruik zijn regelmatig terugkerende onderwerpen.

Innovatieve Materialen verschijnt zowel in het Nederlands als in de Engelse taal.

Interesse in een gratis en vrijblijvend kennismakingsexemplaar?

Stuur een mailtje naar: info@innovatievematerialen.nl

Lasertechniek voor ultrahogetemperatuur-keramiek

Onderzoekers Center for Additive Manufacture of Advanced Ceramics (North Carolina Suate University, NCSU) hebben een nieuwe techniek ontwikkeld waarbij lasers worden ingezet om keramiek te maken dat bestand is tegen extreem hoge temperaturen. Het materiaal is te gebruiken in uiteenlopende toepassingen, van kernenergie tot ruimtevaart en straaljageruitlaatsystemen. De techniek is volgens NCSU vooral interessant voor keramische coatings, tegels en complexe driedimensionale structuren.

Het onderzoek richtte zich op hafniumcarbide (HfC), een ultrahogetemperatuur-keramiek. Tot nu was voor het sinteren van HfC een temperatuur nodig van minstens 2200 °C. Dat vraagt om veel energie en bovendien is het proces traag. De nieuwe methode maakt gebruik van een laser van 120 watt, die wordt gericht op een vloeibare polymeerprecursor (uitgangspolymeer) in een inerte omgeving, zoals een vacuüm of argon. De laser sintert de vloeistof en verandert deze in een vaste keramiek.

Er zijn grofweg twee toepassingen. De eerste bestaat uit het aanbrengen van een coating van de vloeibare precursor op een onderliggende structuur, zoals koolstofcomposieten die vaak worden gebruikt in hypersonische toepassingen. Door de laser op de precursor te richten, wordt de coating in situ gesinterd. Dat voorkomt dat het gehele onderdeel wordt blootgesteld aan de hoge temperaturen van een oven, waardoor de kans

op schade aan het substraat afneemt. De tweede toepassing betreft 3D-printen. Daarbij wordt de laser boven een bad met een vloeibare precursor geplaatst. Aan de hand van een digitaal ontwerp wordt de structuur laag voor laag opgebouwd. De laser tekent het profiel van elke laag en hardt het materiaal uit door het vloeibare polymeer plaatselijk in keramiek om te zetten. Na het sinteren van een enkele laag zakt de tafel iets dieper in het bad, waarna een mes het oppervlak egaliseert. Dat proces herhaalt zich tot het volledige object is opgebouwd.

Tijdens experimenten bij NCSU bleek dat de techniek daadwerkelijk een kristallijn, zuiver HfC produceert uit de vloeibare precursor. De keramische coatings hechtten zich stevig aan koolstofvezelversterkte koolstofcomposieten zonder los te laten. De methode blijkt bovendien aanzienlijk efficiënter dan conventionele processen. Door het snelle en lokale karakter van lasersintering is de energiebehoefte bovendien veel lager. Daarnaast zet deze techniek minstens 50 procent van de precursormassa om in keramiek, terwijl traditionele methoden vaak slechts 20 tot 40 procent benutten. Het hele proces verloopt in enkele seconden tot minuten, in plaats van uren of dagen.

Het onderzoek werd op 14 maart gepubliceerd in Journal of the American Ceramic Society onder de titel ‘Synthesis of Hafnium Carbide (HfC) via One-Step Selective Laser Reaction Pyrolysis from Liquid Polymer Precursor’. Het is online> https://ceramics.onlinelibrary.wiley.com/doi/ full/10.1111/jace.20650

TCKI-excursie Barcelona

De tweejaarlijkse TCKI-excursie vond dit jaar plaats in Barcelona. Met 35 deelnemers zijn de keramische bedrijven en de keramische cultuur in Catalonië verkend.

De Catalaanse hoofdstad Barcelona heeft een cultuurhistorische connectie met keramiek. Veel gebouwen worden met geëxtrudeerde stenen gebouwd. Verder zijn er veel kunstwerken te vinden die zijn geconstrueerd met mozaïek. Het eerste bedrijfsbezoek was dan ook in de directe omgeving van Barcelona.

Daarnaast zijn enkele bedrijven bezocht in de omgeving van de berg Montserrat. Volgens de overlevering is dit de belangrijkste en meest mysterieuze berg van Catalonië, ongeveer 50 km ten noordwesten van Barcelona. Op de berg, in de gemeente Monistrol de Montserrat, zijn het heiligdom en het Benedictijnse klooster van Montserrat gevestigd.

De bezochte locaties zijn een mix van zelfstandige bedrijven voor de productie van diverse keramische bouwproducten, minder bekende toeleveranciers die hier in de buurt zijn gevestigd en de cultuur van Catalonië.

Excursie 1: Ceramica Cumella

De eerste excursie betrof een bezoek aan Ceramica Cumella. Dit bedrijf, dat is opgericht rond 1880, is bekend geraakt door Antoni Cumella. Het werk van Cumella bevat een grote verscheidenheid aan vormen: eicellen, bollen, bellen, cilinders en kegels, met verschillende diktes en breedtes, die vooral spelen met rotatie, en tegelijkertijd een grote rijkdom aan tonen en kleurschakeringen bevatten.

Ceramica La Coma
Peter Meijerman, TCKI

De huidige generatie Cumella heeft zich gericht op architecten-keramiek. Recent is een tentoonstelling gewijd aan het werk van Toni Cumella. Zijn werken in keramiek zijn gebruikt door architecten als Enric Miralles, Alejandro Zaera-Polo en Jean Nouvel. Deze samenwerkingsverbanden zorgden ervoor dat zijn materiaal onderdeel werd van het imago van

Barcelona, onder andere als onderdeel van de bouw van La Sagrada Familia en de restauratie van Casa Batlló en Parc Güell. Shaping Ideas richt zich op de vier belangrijkste fabricageprocessen die bij Ceramica Cumella worden gebruikt - extruderen, gieten, persen en draaien - en presenteert het werk van Toni Cumella en de toepassing van zijn keramiek in de hedendaagse architectuur.

Excursie 2: Parc Güell

Een aansprekend voorbeeld van de indrukwekkende bouwstijl van Gaudí is het Parc Guëll. Onder leiding van Hans Marks werd het idee achter het design van dit park uitgelegd.

Park Güell is een uitgestrekt stadspark in Barcelona. Het is gelegen in het stadsdeel Gràcia in het noordoosten met een oppervlakte van vijftien hectare met dichte dennenbossen, lanen met palmen en een door bomen omzoomd plein. Een bonte bank (een reuzenslang) kronkelt door het park (het aards paradijs) als rendez-vous plaats (de appel). Het park bestaat uit met gesteente bezette pergola’s, harmonieus in het landschap geïntegreerde trappen, paden en golvende, veelkleurige, mozaïekversieringen, waarmee Gaudí zijn sociale engagement laat zien. Anderen interpreteren dit project als een moment waarop Gaudí zijn goddelijke inspiratie liet zien.

Ceramica Cumella
Ceramica Cumella
Parc Güell

Excursie 3: Ceramica La Coma

De tweede dag van de excursie begon met een bezoek aan Ceramica La Coma in Balaquer.

De fabriek, in eigendom van de familie Mola Pujol, maakt geëxtrudeerde producten, waaronder, geperforeerde bakstenen, holle bakstenen, thermokleiblokken van 14 - 29 cm dik en massieve bakstenen.

De plaatselijke klei wordt vanaf een hoger gelegen terrein aangeleverd, waarna deze tijdens de gunstigste elektriciteitstarieven wordt gemalen met een crusher en een hamermolen. Vervolgens wordt de klei opgeslagen in silo’s met roterende zeven. Na extrusie

worden de producten direct op ovenwagens geplaatst, met kunststoffolie tussen de stapels voor de stabiliteit, en in twee droogtunnels gereden, waarna zij worden gebakken in een tunneloven.

Zeer opvallend hier is dat afhankelijk van de ruimte in de vergunning en de kosten van aardgas de oven op petcokes wordt gestookt. Hiermee worden de kosten van het stoken gedrukt.

Alhoewel het fabrieksterrein klein is en er slechts een kleine voorraad kan worden aangehouden, is de fabriek instaat 72 verschillende type stenen te realiseren, waardoor productiewissels vaak voorkomen.

Excursie 4: Verdés

Het bedrijf Verdés maakt verschillende kleivoorbereidingsmachines, die over de hele wereld worden verkocht. Hierbij kan Verdés de gehele kleivoorbereiding verzorgen van grondstof tot en met de strengpers. Opvallende is dat er ook op schaal verschillende mogelijkheden zijn voor machines, waaronder een strengpers. In de fabriek waren verschillende kleivoorbereidingsmachines zichtbaar in allerlei staten van opbouw.

De deelnemers hadden een hele goede indruk van de Spaanse leverancier. De schatting is dat Verdés prima kan concurreren met de huidige, veelal Duitse leveranciers voor Nederland en België.

Na afloop van de rondleiding is door Verdés een traditionele lunch aangeboden bij een nabijgelegen restaurant.

Excursie 5: FC Barcelona

Camp Nou oftewel ‘nieuw veld’ is het thuisstadion van FC Barcelona. Het stadion ondergaat momenteel een facelift waarbij ook de capaciteit wordt uitgebreid.

Ceramica La Coma
Verdés

De deelnemers van de excursie werden getrakteerd op een bezoek aan het FC Barcelona museum in de directe nabijheid van het stadion. Na de rondleiding was er de mogelijkheid om de werkzaamheden aan het stadion te zien vanuit een raam richting de tribune. De architecten van het oorspronkelijke stadion waren Francesc Mitjans en Josep Soteras, met medewerking van Lorenzo García-Barbón. Het stadion was gebaseerd op het stadion van Feyenoord, De Kuip, dat in 1937 werd gebouwd. Het stadion had ovale ringen rondom het veld, wat resulteerde in aaneengesloten tribunes zonder open hoeken. De bouw van het originele stadion is gestart in 1954 en werd in 1957 officieel ingehuldigd.

Het stadion heeft momenteel 72.000 zitplaatsen en 49.000 staanplaatsen. Met de huidige verbouwing wordt het aantal zitplaatsen vergroot tot 105.000.

Excursie 6: Forgestal en Refractarios Campo

Op de derde dag is eerst een bezoek gebracht aan Forgestal. Dit bedrijf werkt samen met het bedrijf Refractorios Campo. In 1993 begon de strategische alliantie tussen Forgestal en Refractarios Campo. De hoofdactiviteit van deze joint venture is het ontwerp, de productie en de levering van vuurvaste oplossingen voor ovenwagens en tunnelovens.

Refractarios Campo, is verantwoordelijk voor de grondstoffen (met eigen vuurvaste kleigroeven), de voorbereiding, menging, productie en de kwaliteitscontrole voor geëxtrudeerde vuurvaste vormstenen.

Forgestal is verantwoordelijk voor de commerciële afdeling, productontwerp, engineering, de levering van isolatiematerialen en de inbedrijfstelling en diensten na verkoop.

Daarnaast ontwerpt, produceert en levert Forgestal reinigingssystemen voor ovenwagens met eventueel plaatsing van ‘Sohlzugsteine’. Montage van vuurvaste ovenwagendekken met isolatie wordt eveneens door Forgestal uitgevoerd, naast het onderhoud aan de ovenwagens.

Excursie 7: Equipceramic

Het bedrijf Equipceramic is ongeveer 40 jaar geleden ontstaan uit een groep ondernemers om de empirische en academische kennis in te zetten voor de grofkeramische industrie, waarvan 25 jaar onder de naam Equipceramic. Equipceramic kan de complete turn-key equipment voor grofkeramische bedrijven leveren.

Equipceramic maakt veel gebruik van kleine lokale leveranciers, en bouwt en test verschillende productiemachines in de eigen fabriekshal.

Tijdens de rondleiding waren verschillende

Het nieuwe FC Barcelona stadion in aanbouw

Equipceramic

vormgevingsmachines, transportbanden, drogerij en oven onderdelen zichtbaar.

Na afloop van het bezoek kregen de deelnemers een lunch aangeboden in de fabriekshal. Tijdens de lunch is gediscussieerd over de toekomst van de keramische industrie en de uitdagingen die onze sector in de toekomst te wachten staan.

Excursie 8: Piera Ecocerámica

Tot slot werd een bezoek gebracht aan steenfabriek ‘Piera Ecoceramica’. Deze fabriek maakt producten die lijken op de Belgische en Nederlandse strengpers- en vormbakproducten, echter aangepast op de markt in Catalonië.

In deze fabriek, met zeven tunnelovens worden met verschillende strengpersen en zelfs een eigengemaakte De Boer-pers, allerlei soorten bakstenen gemaakt zoals, façadebakstenen, straatbakstenen, strippen, vormbakstenen en zelfs zonbescherming (strippen gespannen in staaldraad). Een zeer veelzijdig bedrijf met hoogwaardige producten

Gastvrij

Bij alle bedrijven zijn de deelnemers zeer warm ontvangen. Alle betrokkenen in Barcelona worden bedankt voor hun gastvrijheid en zijn van harte uitgenodigd om de productielocaties van de excursiedeelnemers in Nederland en België te bezoeken.

Piera Ecocerámica
Piera Ecocerámica

Bouke de Vries UNBROKEN

Tekst: Keramiekmuseum

Princessehof

Nu te zien: de grote overzichtstentoonstelling UNBROKEN, gewijd aan de internationaal gelauwerde kunstenaar Bouke de Vries. Deze tentoonstelling biedt een bijzondere blik op het werk van een kunstenaar die op innovatieve en veelzijdige wijze gebroken keramiek transformeert naar nieuwe, verrassende kunstwerken.

De Vries, geboren in Utrecht en nu woonachtig in Londen, is van oorsprong restaurator. Zijn vakmanschap vormt de basis voor een artistieke praktijk waarin kwetsbaarheid, vergankelijkheid, duurzaamheid en herstel centraal staan.

Bouke de Vries: UNBROKEN is te zien van 5 juli 2025 tot en met 16 augustus 2026, in het Princessehof in Leeuwarden..

UNBROKEN toont een selectie van hoogtepunten uit de carrière van Bouke de Vries, waarin hij speelt met het thema van verval en herstel. De werken in de tentoonstelling zijn voor een groot

deel gebaseerd op historische objecten, maar gaan ook in op talrijke hedendaagse culturele fenomenen en de persoonlijke leefwereld van de kunstenaar. Zo zijn er bijvoorbeeld speelse verwijzingen naar de Neder-

War & Pieces, 2012, tentoongesteld in het Nationale Keramiekmuseum Princessehof (Leeuwarden), Courtesy of Bouke de Vries, Galerie Ron Mandos, Amsterdam (Foto door Jacob van Essen/ Fotobureau Hoge Noorden)

Herinneringsvaas met waszegels, 2020, Bouke de Vries, 46 x 23,5 cm, Privécollectie

landse tv-serie ‘Bartje’ en andere jeugdherinneringen, hommages aan de vader en de echtgenoot van de kunstenaar, verwijzingen naar de drugscultuur en oorlog.

In totaal zijn er ongeveer 95 objecten en installaties te zien in de solotentoonstelling UNBROKEN, waaronder

Majesteit, Bouke de Vries, 2024. Levensgroot dubbelportret van koning Willem-Alexander en koningin Máxima, fragmenten van 17de- en 18de-eeuws Delfts blauw, 183 x 204 cm. Courtesy of Bouke de Vries, courtesy Galerie Ron Mandos, Amsterdam.

nieuwe werken die speciaal voor deze tentoonstelling zijn gemaakt.

De bezoeker wordt door vijf zalen langs het oeuvre van Bouke de Vries geleid. De werken worden getoond in thematische clusters; in Dutch Stories, staat De Vries’ Nederlandse herkomst centraal. Speciaal voor deze tentoonstelling stelde de kunstenaar een levensgroot staatsieportret van koning Willem-Alexander en koningin Máxima samen uit Delfts porselein uit de 17e en 18e eeuw. Een vorstelijk eerbetoon en tegelijkertijd een speelse reflectie op nationale symboliek en keramiek als erfgoed.

Early Chinese Bouke toont de Vries’ zoektocht naar de menselijke connectie met keramiek door de geschiedenis heen en de prominente plaats die keramiek inneemt binnen de archeologie. Goed voorbeeld is zijn reactie op Ai Weiwei’s conceptuele en politieke fotodrieluik ‘Dropping a Han Dynasty Urn’. De Vries reageert hierop met humor en tederheid: ‘Ik zag de foto’s en in mijn gedachten pakte ik de scherven op en zette de vaas weer in elkaar.’ Door een vergelijkbare gebroken Han-vaas (periode 206 v.C. tot 220 n.C.) zichtbaar te repareren met Kintsugi - een Japanse techniek die pas in de laat-vijftiende eeuw werd ontwikkeld - smelt hij keramieken culturen van verschillende tijd en plaats samen.

De Vries toont niet alleen zijn fascinatie voor de fragiliteit van objecten, maar ook voor de fragiliteit van context en betekenis. Gepresenteerd in hoge

Horsey, Bouke de Vries, Collectie Keramiekmuseum Princessehof, verworven met steun van Club Céramique en het Van Asperen - Van der Linden Fonds

vitrinekasten roepen ze de sfeer op van een historisch rariteitenkabinet, ofwel een wunderkammer.

De themazaal Memory Vessels toont scherven van gebroken keramiek in glazen vormen. In de corona-periode bleken de Memory Vessels bij veel mensen een gevoelige snaar te raken. De werken maakten zoveel indruk, dat wereldwijd mensen er zelfs tatoeages van lieten zetten. Speciaal voor deze tentoonstelling reageert De Vries op dit onverwachte eerbetoon met een nieuwe serie ‘platte’ keramische Memory Vessels, waarop een tattoo-artist de tatoeageontwerpen terugbrengt in inkt. Muses verzamelt sculpturen van De Vries’ muzen, van Maria tot figuren uit de populaire cultuur, met een focus op hedendaagse thema’s, zoals zijn (unbroken) hommage aan wijlen prinses Diana, een icoon voor de LGBTQ+ gemeenschap.

War and Pieces

De tentoonstelling eindigt groots met War and Pieces. Deze elf meter lange installatie biedt een hedendaagse interpretatie van de luxueuze tafelstukken van Europese aristocratie uit de 17de en 18de eeuw. Te midden van dit woeste slagveld van scherven staat als onvermijdelijk dramatisch centerpiece - en ultieme oorlogsdaad - een nucleaire paddenstoelwolk, van een enorme hoeveelheid fragmenten wit porselein. De wolk bestaat uit spookachtige cherubijnen, schedels en onthoofde en misvormde porseleinen poppen of ‘Hummels gone wrong’, zoals De Vries ze noemt. Christus aan het kruis en de Chinese godin van mededogen, Guan Yin, wiens naam ‘One who hears the world’s cries’ betekent, aanschouwen de dood en vernietiging; boven op de wolk huilt een engel. In sterk contrast met de witheid van het porselein zijn andere figuren gemuteerd tot cyborgs, met kleurrijke bionische ledematen en hoofden

gemaakt van resten plastic speelgoed. Deze plastic elementen noemt De Vries ‘moderne indringers’. ‘De steeds toenemende alomtegenwoordigheid van niet-biologisch afbreekbaar plastic, dat zogenaamd onverwoestbaar is, brengt de installatie naar onze eigen, giftigere tijden.’ legt de kunstenaar uit.

War and Pieces kreeg al veel internationale aandacht en verbeeldt de kwetsbaarheid en kracht van keramiek wijze. Sinds 2012 is War and Pieces op tournee door Europa, Azië en de VS, waarbij De Vries steeds de installatie subtiel aanpast aan de locatie.

Publicatie

Onder redactie van de conservator van Keramiekmuseum Princessehof, Wendy Gers, zijn de meest significante werken uit het oeuvre van de Brits-Nederlandse kunstenaar geselecteerd. Internationaal gerenommeerde kunstkenners als voormalige Design Museum directeur Alice Black, hoofd toegepaste kunst van het Rijksmuseum Femke Diercks, directeur Xa Sturgiss van het Ashmolean Museum in Oxford en vele andere prominenten schreven essays en entries over de kunst en de werken van Bouke de Vries. Dit eerste en enige overzichtswerk van De Vries werd grafisch vormgegeven door voormalige Dutch Design Award-winnaar Sybren Kuiper.

Doorbraak

in synthetisch botherstel:

Australische onderzoekers ontwikkelen baanbrekende nanostructuren

Jaarlijks worden wereldwijd miljoenen bottransplantaties uitgevoerd. Hoewel donorbot uit het eigen lichaam vaak de voorkeur heeft, zijn synthetische alternatieven in opmars - vooral bij complexe of grootschalige ingrepen. Recent gepubliceerd onderzoek van de Universiteit van Sydney zou kunnen leiden tot nieuwe mogelijkheden voor het ontwikkelen van sterke, biologisch actieve synthetische botvervangers die het natuurlijke bot op nanoschaal kunnen nabootsen.

Botverlies is een veelvoorkomend probleem als gevolg van ziekte, trauma of slijtage door veroudering. Wereldwijd worden jaarlijks naar schatting 2,2 miljoen orthopedische ingrepen uitgevoerd waarbij bottransplantatie noodzakelijk is. Traditioneel wordt bij

voorkeur gebruikgemaakt van autologe transplantaten - botweefsel afkomstig van de patiënt zelf - vanwege de goede genezingsresultaten en het lage risico op afstoting. Toch zijn synthetische botvervangers in sommige

Redactie KGK

Microscopische inscriptie van “Materialen’ naast een mensenhaar (pijl) ter illustratie van de schaal, wat duidelijk maakt hoe wetenschappers de nieuwe printmethode de inktdruppels nauwkeurig kunnen beheersen om uiteenlopende vormen te maken Bron: Roohani et al.

situaties aantrekkelijker, bijvoorbeeld wanneer onvoldoende donorbot beschikbaar is of wanneer een extra operatie vermeden moet worden. Vooralsnog zijn deze synthetische alternatieven echter vooral geschikt voor kleine en eenvoudige toepassingen.

Complexiteit van natuurlijk bot

Een van de grootste uitdagingen bij synthetisch botherstel is het nabootsen van de bijzondere eigenschappen van natuurlijk bot. Deze eigenschappen zijn te danken aan de complexe nanostructuur van botweefsel, waarin collageenvezels en nanokristallen van hydroxyapatiet nauw met elkaar verweven zijn. Collageen zorgt voor structuur en elasticiteit, terwijl hydroxyapatiet sterkte verleent.

Calciumfosfaat wordt vaak als basismateriaal gebruikt in synthetische botvervangers vanwege de chemische gelijkenis met natuurlijk bot en de goede biocompatibiliteit. Toch blijft het materiaal kwetsbaar en weinig effectief in het stimuleren van nieuwe botvorming, een proces dat bekendstaat als osteo-inductie.

Beperkingen in huidige productiemethoden

Onderzoek wijst uit dat de aanwezigheid van microen submicron-poriën in calciumfosfaat de osteoinductieve eigenschappen aanzienlijk kan verbeteren. De structuur van het materiaal blijkt hierbij van doorslaggevend belang. Helaas zijn huidige productieprocessen, zoals elektrospinnen en conventionele 3D-printtechnieken, niet in staat om deze verfijnde poriestructuren systematisch en reproduceerbaar aan te brengen. Daardoor blijft een doorbraak tot nu toe uit.

Nieuwe 3D-printtechniek doorbreekt barrières

Onderzoekers van de Universiteit van Sydney hebben een nieuwe productiemethode ontwikkeld die deze barrières weet te doorbreken. Het team onder leiding van professor Hala Zreiqat slaagde erin om calcium-

fosfaat-prenucleatieclusters van slechts vijf nanometer groot te integreren in een transparante, printbare hars. Met behulp van tweefotonpolymerisatie werd vervolgens geprint met een resolutie van 300 nanometer - wat tot nu toe niet haalbaar was.

Om krimp tijdens het sinteren tegen te gaan, werd de structuur vooraf behandeld in een vloeistof die lichaamssappen nabootst. Hierdoor vormde zich nanokristallijn apatiet in de poriën van het materiaal, wat niet alleen het volume vergrootte maar ook de mechanische sterkte verbeterde.

Op weg naar klinische toepassing

Deze innovatieve benadering maakt het mogelijk om systematisch te onderzoeken hoe osteo-inductie precies tot stand komt bij synthetische materialen. Daarnaast biedt het uitzicht op sterkere, reproduceerbare calciumfosfaatstructuren die ook geschikt zijn voor de behandeling van grotere botdefecten - iets wat met huidige materialen nog niet haalbaar is. De technologie luidt volgens de onderzoekers uit Sydney een veelbelovende nieuwe fase in voor synthetisch botherstel. Als verdere studies positief uitpakken, kan dit een revolutie betekenen in de behandeling van complexe botletsels en bijdragen aan snellere, veiligere en effectievere herstelprocessen voor patiënten wereldwijd.

Het onderzoek werd eerder dit jaar gepubliceerd in het wetenschappelijke tijdschrift Advanced Materials onder de titel ‘Bioinspired nanoscale 3D printing of calcium phosphates using bone prenucleation clusters’. Het is online: https://advanced.onlinelibrary.wiley.com/doi/10.1002/ adma.202413626

Bronnen: University of Sydney , Ceramic Tech Today

Anne Timmermans, Claudiu Savulescu, Joris Remmers, Maja Rücker, Diletta Giuntini, Department of Mechanical Engineering, Eindhoven University of Technology, Netherlands

Prediction and optimization of the sintering behavior of LaWO bilayer membranes for hydrogen separation

With the growing need for sustainable energy, efficient energy generation and conversion methods are becoming increasingly important. One of these conversion methods is the dehydrogenization of alkanes, where hydrogen is separated using a ceramic membrane. With this (renewable) electrically-driven method, alkenes are produced from the thermo-catalytic activation of alkanes (Figure 1). The hydrogen is debonded from the alkane with the use of a catalyst, after which the hydrogen transport through the membrane is primarily induced by simultaneous diffusion of protons and electrons through the crystal lattice of the ceramic membrane .

The ceramic membrane is manufactured from Lanthanum Tungstate (LaWO), which has mixed proton and electron conductivity and is stable in chemical atmospheres (CO2, H2O etc.) at increasing temperatures. These conditions are required as the catalytic membrane reactor operates at high temperatures and utilizes a sweeping gas to remove the hydrogen from the reactor. An additional advantage of LaWO is the

conventional manufacturing approach in which the material can be sintered. By substituting some of the Lanthanum sites with Molybdenum, the conductivity of the material is increased even further, allowing for increased hydrogen transport1

To improve the hydrogen transport through the dense membrane, the thickness of the membrane is minimized, according to Wagner’s transport theorem. By

Figure 1 Dehydrogenation of alkanes using a catalytic membrane reactor

Figure 2 Displacement fields for Al2O3/Ce-TZP bilayers with varying interface roughness geometries: (1) flat interface; (2) 1/4 thickness occupied; (3) 1/3 thickness occupied; (4) 1/2 thickness occupied; (5) 1/2 thickness occupied; (6) 1/2 thickness occupied; Figure from D. Giuntini et al. (2016) .

adding a porous support layer underneath the dense membrane, the membrane’s ability to withstand stress is upheld. However, this introduces a manufacturing challenge. As a result of the different porosities in the layers, anisotropic shrinkage occurs during sintering, resulting in the bending or fracture of the membrane, limiting the use of the membrane in catalytic membrane reactors. However, research on finding solutions to minimize this distortion during sintering is limited. The main objective of this numerical study is, therefore, to optimize the sintering route and the geometry of the interface between the dense membrane layer and the porous support layer to minimize the bending during sintering for Molybdenum-substituted Lanthanum Tungstate (LaWO-Mo) bilayer membranes.

A previous study of D. Giuntini et al. (2016) has found that by varying the interface roughness geometry, the anisotropic shrinkage causing bending can be reduced (Figure 2)2. These preliminary results will be tested and improved for the LaWO-Mo membrane utilizing a numerical sintering model. To build the model,

experimental sintering data from Forschungszentrum Jülich for the membrane layer, support layer, and bilayer membrane is combined with the Skorohod-Olevsky Viscous Sintering (SOVS) model. This model is applied in COMSOL, and the membrane and support layer sintering data are used to build the numerical model. The model is then verified using the sintering data for the bilayer membrane. After verification, the numerical model is applied to LaWO-Mo bilayer membranes with varying interfacial geometries. Non-flat interfaces, such as wavy interfaces, are designed, providing stress relaxation by orientating portions of the interface perpendicular to each other at regular intervals. The numerical model provides experimentally unattainable information on the densification of the membrane.

Anne Timmermans, TU Eindhoven, a.c.a.m.timmermans@tue.nl

1 W. Deibert, et al. Journal of Membrane Science 492 (2015) 439–451

2 D. Giuntini et al. Scripta Materialia 124 (2016) 38–41

Klei en keramiek als basis voor grondloze landbouw

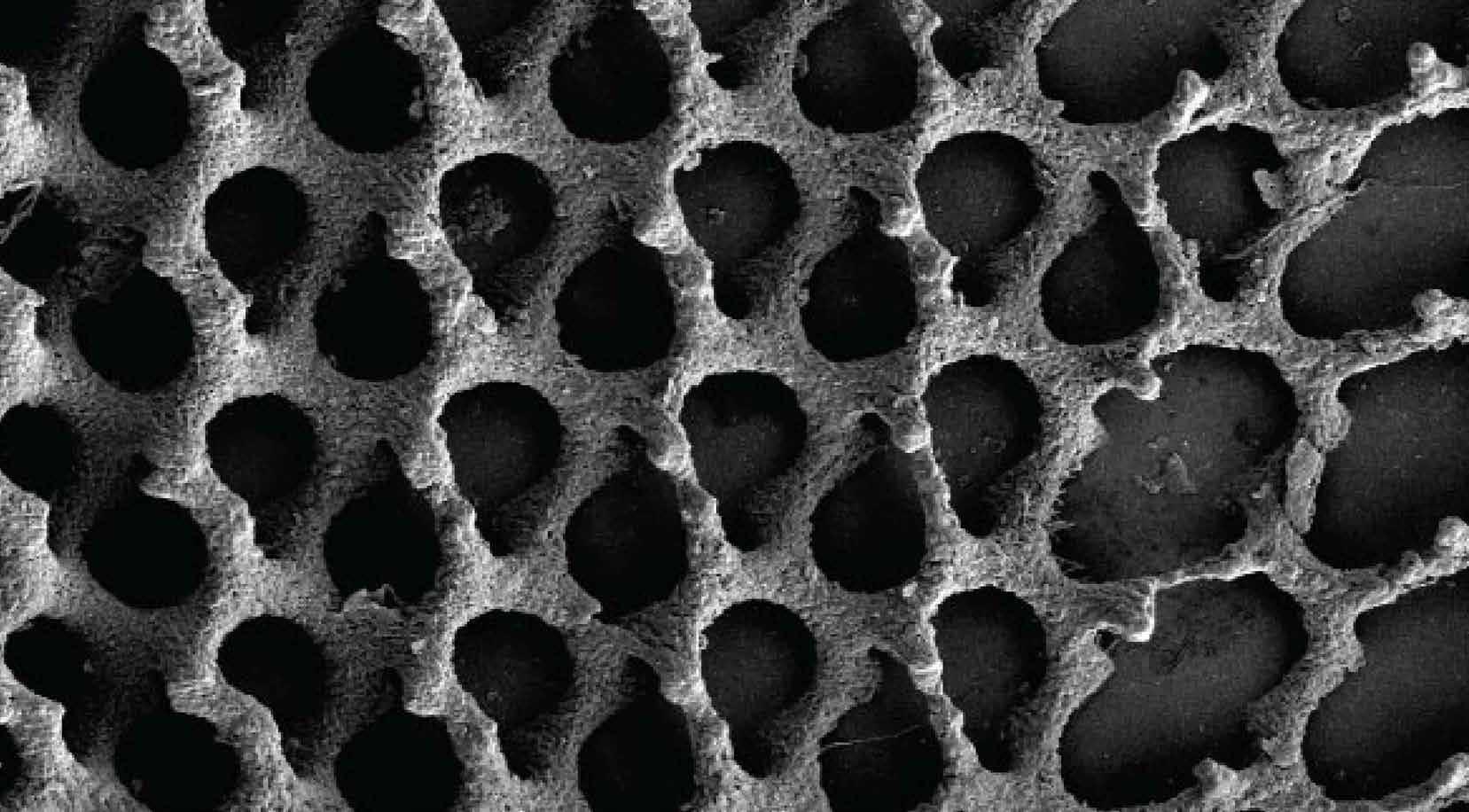
3D-geprinte hydrocultuur van klei voor aanpak van wereldwijde voedselonzekerheid

ClayPonic is een innovatief verticaal landbouwsysteem waarbij planten groeien in 3Dgeprinte torens van keramiek, gemaakt van lokaal geoogste klei. Dit systeem maakt gebruik van aëroponie: de wortels hangen vrij in de lucht en worden periodiek besproeid met voedingsrijk water via zonne-energiegestuurde verstuivers. Klei is hierbij een essentieel materiaal dankzij de poreuze structuur, die zorgt voor een stabiele waterhuishouding, goede luchtdoorlaatbaarheid en natuurlijke toevoer van mineralen. Hierdoor wordt de groei van planten bevorderd, het waterverbruik geminimaliseerd en de afhankelijkheid van chemische middelen verminderd. Het systeem is compact, inzetbaar in stedelijke gebieden en volledig bodemvrij, waardoor risico’s op ziektes en plagen afnemen. ClayPonic biedt daarmee een duurzame, circulaire oplossing voor voedselproductie in de stad, met klei als natuurlijk en herbruikbaar groeimedium.

Foto: EcoTech Lab
Redactie KGK

Met een verwachte wereldbevolking van bijna 10 miljard mensen in 2050, van wie 70 procent in steden woont, zijn nieuwe landbouwmethoden essentieel. Traditionele landbouw vereist veel ruimte, terwijl slechts ongeveer tien procent van het aardoppervlak geschikt is voor landbouw. Bovendien is conventionele teelt in de volle grond kwetsbaar voor droogte en plantenziekten, en is het transport van voedsel naar steden kostbaar en complex.

Verticale landbouw biedt hiervoor een mogelijke oplossing. Dit is een teeltmethode waarbij gewassen in gestapelde lagen worden gekweekt, vaak binnen gebouwen in plaats van op akkers. Dit kan bijvoorbeeld in fabrieken, kantoorpanden of hoogbouw in stedelijke gebieden.

De methode heeft meerdere voordelen:

• Efficiënt ruimtegebruik

Door gestapelde teeltlagen kan op een klein oppervlak veel meer voedsel worden geproduceerd dan bij traditionele landbouw.

• Duurzaamheid

Verticale landbouw maakt vaak gebruik van gesloten systemen, waardoor het waterverbruik sterk wordt verminderd en pesticiden meestal niet nodig zijn.

• Stadslandbouw

Voedsel kan lokaal worden geproduceerd in stedelijke gebieden, ook in zogeheten voedselwoestijnen. Dit verlaagt de transportkosten en de uitstoot.

• Jaarrond productie

Dankzij gecontroleerde omstandigheden kan het hele jaar door worden geoogst, ongeacht het seizoen.

• Optimale groeiomstandigheden

Licht, temperatuur en luchtvochtigheid kunnen precies worden afgestemd op de behoeften van de planten.

Daarnaast verkleint verticale landbouw het risico op ziektes, plagen en bodemverontreiniging, omdat de planten niet in contact komen met aarde. Er zijn grofweg twee technieken:

- aëroponie, waarbij de wortels vrij in de lucht hangen en worden besproeid met een fijne nevel van water en voedingsstoffen.

- hydroponie, een methode waarbij de wortels zich in een voedingsoplossing of in een inert substraat bevinden, zoals geëxpandeerde kleikorrels.

Klei als substraat

Klei is een ideaal medium voor plantengroei door zijn fysieke, chemische en hydraulische eigenschappen. Het kan water langzaam opnemen en afgeven, wat overbewatering en uitdroging voorkomt. De poreuze structuur verbetert de luchtcirculatie rond de wortels en bevordert de opname van zuurstof en voedingsstoffen. Bovendien is klei recyclebaar en dus milieuvriendelijker dan bijvoorbeeld plastic substraten.

3D-geprint keramiek

Een nieuwe ontwikkeling op dit gebied is ClayPonic, een systeem ontwikkeld door EcoTech Lab onder leiding van Logman Arja, universitair docent architectuur aan Texas Tech University. ClayPonic maakt gebruik van 3D-geprinte keramische torens, vervaardigd uit lokaal gewonnen ultisolklei. Deze klei wordt verwerkt tot een inerte, pH-neutrale en lichtgewicht massa. Laag voor laag wordt het materiaal geprint tot torens met vloeiende, organische vormen.

De torens zijn ontworpen met uitstulpingen die aansluiten op de rhizosfeer - het gebied rond de wortels dat actief betrokken is bij voedingsopname. Na het printen worden de torens in de zon gedroogd en gebakken. De buitenzijde wordt geglazuurd om verdamping tegen te gaan, terwijl de binnenzijde poreus blijft voor plantengroei. De torens worden vervolgens bevestigd aan een houten structuur.

De huidige versie, ClayPonic V1, bevat zonne-energiegestuurde verstuivers die periodiek microdruppels voedingswater verspreiden. De planten hangen met hun wortels in de lucht binnen de keramische torens, en worden voortdurend voorzien van vocht en voedingsstoffen in een gesloten, lagedruk-systeem. De bladeren bevinden zich deels binnen en deels buiten de structuur, wat zorgt voor optimale fotosynthese.

Foto: EcoTech Lab

Voordelen

ClayPonic V1 maakt het volgens EcoTech Lab mogelijk om het hele jaar door te telen met een minimaal water- en nutriëntenverbruik door de opname van plantenvoeding te maximaliseren en de groei te versnellen. De inzetbaarheid van het model vergemakkelijkt de plaatsing en integratie ervan in de bebouwde omgeving in stedelijke centra en rond menselijke nederzettingen, waardoor transportkosten worden verlaagd en de lokale economie wordt versterkt. De verticale configuratie van het model en het bodemvrije karakter ervan verminderen de risico’s op bodemgebonden ziekten, pathogenen en plagen aanzienlijk. Deze benadering van landbouwefficiëntie verbetert landbouwpraktijken en vermindert de afhankelijkheid van chemische pesticiden en herbiciden, wat milieuvriendelijke landbouwprincipes bevordert.

Locaal geoogste klei

De grondstof is goedkoop, makkelijk en milieuvriendelijk te winnen en met een geringe tot geen ecologische voetafdruk.

Een belangrijk voordeel van het materiaal in combinatie met 3D-printen het speciale ontwerp zit volgens EcoTech Lab in de fysische, chemische, hydraulische en geologische samenstelling van het keramische materiaal. De langzame opname en afgifte van water door keramiek helpt het vochtgehalte in de rhizosfeer (de vegetatielaag die door schimmels en korstmossen wordt gevormd) op peil te houden, waardoor zowel

wateroverlast als uitdroging worden voorkomen. Dat vermindert dan weer de frequentie van watercirculatie en de overmatige afhankelijkheid van verstuivers.

Snellere groei

De introductie van 3D-geprint keramiek als groeimedium zorgt volgens EcoTech Lab bovendien voor een hoge fotosynthesesnelheid door het zuurstofgehalte in de lucht en rond de planten te reguleren. Uiteindelijk wordt daardoor de plantengroei versnelt. De aanwezigheid van mineralen in de klei kan bovendien de voedingsstoffen in de bodem aanvullen, wat bijdraagt aan een betere gewaskwaliteit en veerkracht tegen omgevingsstressoren.

Het 3D-geprinte keramische systeem zou daarmee een veelbelovende techniek kunnen zijn voor grondloze landbouw, bijvoorbeeld in stedelijk gebied.

Het onderzoek dat ten grondslag ligt aan verscheen eind vorig jaar in het tijdschrift International Journal of Architectural Computing onder de titel ‘Clay 3D printed hydroponics: A paradigm to address global food insecurity’.

Bronnen:

EcoTech Lab: https://ecotechnologylab.myportfolio.com/ copy-of-clayponic-v1

Ceramic tech today: ‘3D-printed clay hydroponics may help address global food insecurity’, Juli 2025.

Foto: EcoTech Lab

AGENDA

ECerS 2025

31 augustus - 4 september 2025, Dresden https://www.ecers2025.org/

Ceramics & Composite Materials

8 - 9 september 2025, Praag https://materialscience.events/ceramics-and-composite-materials-conference/

Vitrium 2025

16 - 19 september 2025, Milaan https://vitrumlife.it/en/vitrum/

PARTEC 2025

23 - 25 september 2025, Neurenberg https://www.partec.info/en

Ceramics and Composite Materials

27 - 28 oktober 2025, Londen https://ceramics.insightconferences.com/

Sintering 2026

31 augustus - 3 september 2026, Aken https://www.sintering2026.org/en

Venice Glass Week

13 - 21 september 2025, Venitië www.theveniceglassweek.com

Vitrum 2025, 16–19 september, Milaan www.vitrumlife.it

Ceramitec 2026

24 – 26 maart 2026, München https://ceramitec.com/en/

Delfstoffen en industriële mineralen

Betanet Industrial Minerals B.V.

Heksenstraat 1

6211 KK Maastricht

T (043) 321 45 14

E administratie@betanet.nl www.betanet.nl

Drogerijwagens en droogplaten

Stafier Holland BV

Marconistraat 35-37

6902 PC Zevenaar

T (0316) 33 27 41

E info@stafier.com www.stafier.com

Goerg & Schneider GmbH u. Co. KG

Guterborn 1

D-56412 Boden

Duitsland

T +49 (0)2602 9273-0

E info(at)goerg-schneider.de www.goerg-schneider.de

Grondstoffen

Keramische/vuurvaste grondstoffen

Delgromij B.V.

Postbus 200

6660 AE Elst

T (024) 348 88 44

F (024) 348 88 40 info@delgromij.nl www. delgromij.nl

Adolf Gottfried Tonwerke GmbH

Saarfeldspatwerke

H. Huppert GmbH & Co KG

Kobenhüttenweg 43

D-66123 Saarbrücken

Duitsland

T +49 681 968790

F +49 681 62296

E info@saarfeldspat.de www.saarfeldspat.de

Stephan Schmidt Group Bahnhofstraße 92

D-65599 Dornburg

T 0049 6436 609 0

F 0049 6436 609 49

E info@stephan-schmidt.group www.stephan-schmidt.group

Grondstoffen

Algemene Grondstoffen

de Beijer Bouwgrondstoffen

Waalbandijk 69

6669 MC Dodewaard

T (088) 4006 300

E info@debeijerbv.com www.debeijerbv.com

Gottfried Feldspat GmbH

Tonwerkstrasse 3

D-96269 Grossheirath/Coburg

T +49 9565 797 0

F +49 9565 79735

E info@gottfried.de www.gottfried.de

Wetering Cultuurtechniek b.v.

Cereslaan West 11 5384 VT Heesch

T 0412-451368

E contact@wetering.nl www.wetering.nl

Interesse in vermelding in deze rubriek?

Neem contact op met de uitgever: 0183 66 08 08; info@kgkmagazine.nl

Keramische machines en installatiebouw

LINGL SOLEAD GmbH

Nordstraße 2, 86381 Krumbach

T+49 8282-825-0

F +49 8282-825-510

E lingl@lingl.com www.lingl.com

Milieu

Afzuiginstallaties

Mesys Industrial Air Systems BV

Molenstraat 27

6914 AC Herwen

T (0316) 24 87 44

F (0316) 24 85 44

E info@mesys.nl www.mesys.nl

Naaykens’ Luchttechnische Apparatenbouw BV

Ventilatoren-Filterinstallaties-Afzuiginstallaties

Lovense Kanaaldijk 61

5013 BJ Tilburg

T (013) 542 50 02

E info@naaykens.com www.naaykens.com

Technische keramiek

Gimex technische keramiek

Grasbeemd 21

5705 DE Helmond

T (0345) 574 255

E info@gimex.nl www.gimex.nl

Innalox bv

Trappistenweg 2

5932 NB Tegelen

T (077) 352 50 00

F (077) 354 08 00

E info@innalox.com www.innalox.com

Procesapparatuur voor de keramische industrie

Instalat bv

Bijsterhuizen 2502

6604 LN Wijchen

Postbus 80

6600 AB Wijchen

T (024) 322 55 22

E info@instalat.nl

Vuurvaste materialen

EmcoTherm

M. Moutin, P. Schmitz - GbR

Nerscheider Weg 74

D-52076 Aken, Duitsland

T +49 2408 955 8280

F +49 2408 955 8655

E info@emcotherm.com www.emcotherm.com

Insulcon B.V.

Zilverhoek 4 4651 SP Steenbergen

T (0167) 56 57 50

F (0167) 56 62 63

E info@insulcon.com www.insulcon.com

Refratechnik Ceramics GmbH

Barkhausener Strasse 55

D-49328, Melle

T 0049 5427 81 0

F 0049 5427 81 102

E ceramics@refra.com www.refra.com

Vaktijdschriften

Innovatieve Materialen

SJP Uitgevers

Kalkhaven 53 4201 BA Gorinchem

T: (0183) 660808

www.innovatievematerialen.nl

Steengoed in klei

Delgromij is specialist in klei. Of het nu gaat om het winnen van klei of het toepassen ervan. We leveren niet alleen de belangrijkste grondstof voor bakstenen, dakpannen en infrastructurele werken. Met kleiwinning beschermen we ons land ook tegen hoogwater en maken we nieuwe natuur.

Turn static files into dynamic content formats.

Create a flipbook
Issuu converts static files into: digital portfolios, online yearbooks, online catalogs, digital photo albums and more. Sign up and create your flipbook.
KGK 2025 nr 3 DIGI by sjpuitgevers - Issuu