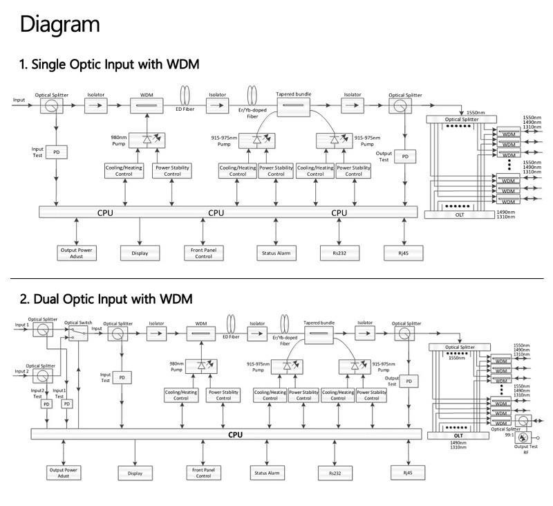
حسّن شبكة تلفزيون الكابل لديك مع جهاز EDFA 1550nm بشاشة لمس، المصمم لتبسيط العمليات وتحسين الأداء. يتميز بنظام تضخيم ثنائي المرحلتين - EDFA منخفض الضوضاء وEYDFA عالي الطاقة - يوفر طاقة بصرية إجمالية للخرج تبلغ 37 ديسيبل ميلي واط، مما يقلل الحاجة إلى مضخمات متعددة ويخفض تكاليف الشبكة. شاشة LCD سهلة الاستخدام وواجهة المستخدم الذكية تجعل التشغيل سهلاً، بينما يضمن التوافق مع EPON وGPON و10GPON تكاملاً سلسًا مع شبكات FTTx. • تضخيم ثنائي المرحلتين لإخراج 37 ديسيبل ميلي واط | • تشغيل كامل بشاشة لمس LCD | • CWDM مدمج لكل منفذ إخراج | • متوافق مع EPON وGPON و10GPON | • مصدر طاقة مزدوج لضمان الموثوقية