Manufactory Atacado Tela de toque TV a cabo EDFA 1550nm com saída de 37dBm para FTTx PON EPON GPON 1

Page 1


Contato: Tomleequan E-mail: sales@fmuser.com

Manufactory Atacado Tela de toque TV a cabo EDFA 1550nm

com saída de 37dBm para FTTx PON EPON GPON 10GPON

Atualize sua rede de TV a cabo com a TV a cabo Touch Screen EDFA 1550nm, projetada para simplificar as operações e melhorar o desempenho. Apresentando um sistema de amplificação de dois estágios EDFA de baixo ruído e EYDFA de alta potência ele fornece uma potência óptica de saída total de 37dBm, reduzindo a necessidade de vários amplificadores e cortando os custos de rede. O display LCD intuitivo sensível ao toque e a interface inteligente tornam a operação fácil, enquanto a compatibilidade com EPON, GPON e 10GPON garante integração perfeita em redes FTTx.

• Amplificação de dois estágios para saída de 37 dBm | • Operação de tela de toque completa com display LCD | • CWDM integrado para cada porta de saída | • Compatível com EPON, GPON, 10GPON | • Fonte de alimentação dupla para confiabilidade

Contato: Tomleequan E-mail: sales@fmuser.com whatsapp: +8613922702227

Em vez da operação do tipo botão, esta tela sensível ao toque WDM EDFA é equipada com um display LCD sensível ao toque super abrangente.

TV a cabo com tela sensível ao toque EDFA 1550nm

Tomleequan

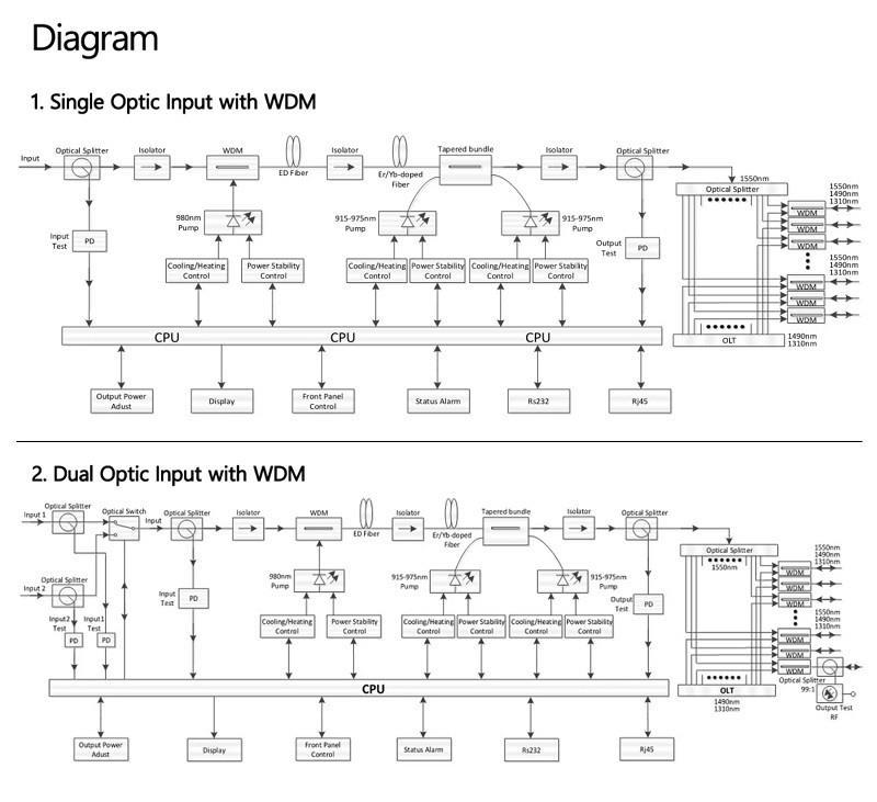
A TV a cabo comtela sensível ao toque EDFA 1550nmadota amplificação de dois estágios, o primeiro estágio adota EDFA de baixo ruído, o segundo estágio adota EYDFA de alta potência, a potência óptica de saída total pode atingir 37dBm. Podesubstituir vários ou dezenas deEDFA, oque podereduzir muito ocusto deconstrução e manutenção da rede e reduzir o espaço do head-end.

Emvez do modo de operação do tipo botão, ele é equipado com umdisplay LCD sensível ao toque super abrangente, equipado com uma interface de operação exclusiva inteligente, com imagens, ícones e layout fáceis de entender, os usuários podem operar o dispositivo de forma fácil e conveniente sem o manual.

Características

1 Adotando um sistema operacional de tela de toque completo, ele pode exibir conteúdo rico, incluindo cada índice em detalhes e intuitivamente, para que fique claro à primeira vista, operação simples, o que você vê é o que você obtém, os usuários podem operar o dispositivo de forma simples e conveniente sem o manual. Um botão de manutenção que cai rapidamente 6dB é adicionado ao menu principal. Esta função pode reduzir rapidamente 6dBm em cada porta (saída ≤18dBm) e pode evitar que o núcleo da fibra do patch seja queimado quando conectado e desconectado. Após a manutenção, ele pode restaurar rapidamente ao estado de funcionamento original.

2 Adota o laser de bomba de marca líder e fibra ativa de revestimento duplo.

3 Cada porta de saída desta TV a cabo com tela sensível ao toque EDFA 1550 nm é integrada com CWDM.

4 Compatível com qualquer FTTx PON: EPON, GPON, 10GPON.

Contato: Tomleequan E-mail: sales@fmuser.com whatsapp: +8613922702227

5 O design perfeito do circuitoóptico APC, ACC, ATC e AGCgarante baixoruído, alta saída ealta confiabilidade do dispositivoemtoda a banda operacional(1545 ~ 1565 nm). Os usuários podemalternar as funções APC, ACCe AGC de acordo com as necessidades reais.

6 Tem a função de proteção automática de entrada baixa ou nenhuma entrada. Quando a potência óptica de entrada for menor que o valor definido, o laser desligará automaticamente para proteger a segurança operacional do dispositivo.

7 Saída ajustável, faixa de ajuste: 0~-4dBm.

8 Teste de RF no painel frontal (opcional).

9 O tempo de comutação do interruptor óptico é curto e a perda é pequena. Ele tem as funções de comutação automática e comutação manual forçada.

10 Fonte de alimentação dupla integrada, comutação automática e suporte para conexão hot plug.

11 Os parâmetros operacionais de toda a TV a cabo com tela sensível ao toque EDFA 1550 nm são controlados por microprocessador, e o visor de status LCD no painel frontal tem muitas funções, como monitoramento de status do laser, exibição de parâmetros, alarme de falha, gerenciamento de rede, etc.; quando os parâmetros operacionais do laser se desviam da faixa permitida definida pelo software, o sistema emitirá umalarme imediatamente.

É fornecida 12 interfaces RJ45 padrão, suportando gerenciamento remoto de rede SNMP e WEB.

+8613922702227 Contato: Tomleequan E-mail: sales@fmuser.com whatsapp: +8613922702227

Contato: Tomleequan E-mail: sales@fmuser.com whatsapp: +8613922702227

Sobre nós

A FMUSER é uma empresa especializada em sistemas de transmissão de televisão e transmissão e integração de sistemas de IPTV de hotéis. A empresa foi fundada em 2009 e atendeu mais de 180 países em todo o mundo. Mais de 20.000

Contato: Tomleequan E-mail: sales@fmuser.com whatsapp: +8613922702227

Contato: Tomleequan E-mail: sales@fmuser.com whatsapp: +8613922702227

estações de televisão, estações de rádio e clientes de hotéis de diferentes.

Contato: Tomleequan E-mail: sales@fmuser.com whatsapp: +8613922702227

Contato: Tomleequan E-mail: sales@fmuser.com whatsapp: +8613922702227

Turn static files into dynamic content formats.

Create a flipbook
Issuu converts static files into: digital portfolios, online yearbooks, online catalogs, digital photo albums and more. Sign up and create your flipbook.