AiCARR Journal #80 - Residenziale | Climatizzazione

Page 1

LA RIVISTA PER I PROFESSIONISTI DEGLI IMPIANTI HVAC&R

CONTRATTI DI PRESTAZIONE ENERGETICA:

PUBBLICATA LA UNI CEI EN 17669

U-CERT, IL PROGETTO PER UNA CERTIFICAZIONE A MISURA D’UOMO

RELAZIONE TRA POVERTÀ ENERGETICA E APE

IL RUOLO DELLE PDC NELLE COMUNITÀ ENERGETICHE

SOCIAL HOUSING A SIRACUSA

CLIMATIZZARE CON IL PROPANO

MISURATORI DI PORTATA A ULTRASUONI PER LA CONTABILIZZAZIONE

RIQUALIFICAZIONE ENERGETICA CON I PCM

ANNO14 - MAGGIO-GIUGNO 2023

RESIDENZIALE

CLIMATIZZAZIONE

Organo Uf ciale AiCARR POSTE ITALIANE SPA – POSTA TARGET MAGAZINE - GIPA/LO/CONV/003/2013. ISSN:2038-2723
#80

EDITORS IN CHIEF

Francis Allard (France)

Claudio Zilio (Italy)

HONORARY EDITOR

Bjarne Olesen (Denmark)

ASSOCIATE EDITORS

Karel Kabele (Czech Republic)

Valentina Serra (Italy)

SCIENTIFIC COMMITTEE

Ciro Aprea (Italy)

William Bahnfleth (USA)

Marco Beccali (Italy)

Umberto Berardi (Italy)

Anna Bogdan (Poland)

Busato Filippo (Italy)

Alberto Cavallini (Italy)

Iolanda Colda (Romania)

Stefano Paolo Corgnati (Italy)

Francesca R. d'Ambrosio (Italy)

Annunziata D’Orazio (Italy)

Filippo de’ Rossi (Italy)

Livio de Santoli (Italy)

Marco Dell’Isola (Italy)

Giorgio Ficco (Italy)

Marco Filippi (Italy)

Manuel C. Gameiro da Silva (Portugal)

Cesare M. Joppolo (Italy)

Dimitri Kaliakatsos (Italy)

Essam Khalil (Egypt)

Risto Kosonen (Finland)

Jarek Kurnitski (Latvia)

Renato M. Lazzarin (Italy)

Catalin Lungu (Romania)

Anna Magrini (Italy)

Zoltán Magyar (Hungary)

Rita M.A. Mastrullo (Italy)

Livio Mazzarella (Italy)

Arsen Melikov (Denmark)

Gino Moncalda Lo Giudice (Italy)

Gian Luca Morini (Italy

Boris Palella (Italy)

Federico Pedranzini (Italy)

Fabio Polonara (Italy)

Piercarlo Romagnoni (Italy)

Francesco Ruggiero (Italy)

Giovanni Semprini (Italy)

Jorn Toftum (Denmark)

Timothy Wentz (USA)

Periodico

Organo ufficiale AiCARR n. 80 maggio-giugno 2023

www.aicarrjournal.org

REDAZIONE

Giorgio Albonetti | Direttore Responsabile

Erika Seghetti | Coordinamento Editoriale – redazione.aicarrjournal@quine.it

Hanno collaborato a questo numero | Ciro Aprea, Paolo Baggio, Giulia Barazzetti, Umberto Berardi, Oreste Bottaro,Matteo Leone Campidelli, Laura Canale, Marco Dell’Isola, Sandro Feligioni, Giorgio Ficco, Nicola Franzoi, Andrea Frattolillo, Angelo Maiorino, Antonio Mannino, Cosimo Marinosci, Martina Pasini, Luca Alberto Piterà, Alessandro Prada, Fabio Petruzziello, Giulia Righetti, Francesco Ruggiero, Roberto Stasi, Andrea Taddia, Roberto Taddia, Ilario Zanetti

MANAGEMENT BOARD

Giorgio Albonetti

Luca Alberto Piterà

Erika Seghetti

Claudio Zilio

EDITORIAL BOARD

Umberto Berardi

Filippo Busato

Marco Noro

Massimiliano Pierini

Luca Alberto Piterà

Giuseppe Romano

PUBBLICITÀ

Costantino Cialfi | Direttore Commerciale – c.cialfi@lswr.it – cell. 346 705086

Ilaria Tandoi | Ufficio traffico – i.tandoi@lswr.it

SERVIZIO ABBONAMENTI

abbonamenti.quine@lswr.it – tel. 02 864105

Abbonamento annuale (6 fascicoli): 55 €

PRODUZIONE

Antonio Iovene | Procurement Specialist – a.iovene@lswr.it – cell. 349 1811231

Grafica e Impaginazione: Marco Nigris

Stampa: Aziende Grafiche Printing srl – Peschiera Borromeo (MI)

EDITORE

Quine srl

Sede legale Via Spadolini, 7 – 20141 Milano www.quine.it – info@quine.it – tel. 02 864105

AiCARR journal è una testata di proprietà di AiCARR – Associazione Italiana Condizionamento dell’Aria, Riscaldamento e Refrigerazione

Via Melchiorre Gioia 168 – 20125 Milano

Tel. +39 02 67479270 – Fax. +39 02 67479262

www.aicarr.org

Gli articoli presenti all’interno di AiCARR Journal sono il risultato di una libera e personale interpretazione dei relativi autori. In nessun caso le idee espresse dall’autore possono essere considerate come parere di AiCARR. Nel caso in cui qualche diritto di autore sia stato involontariamente leso, si prega di contattare l’autore dell’articolo, al fine di risolvere ogni possibile conflitto.

Crediti Formativi Professionali per gli autori di AiCARR Journal

Grazie all’accreditamento di AiCARR Journal presso il Consiglio Nazionale degli Ingegneri, agli ingegneri iscritti all’Albo che forniranno contributi alla rivista verranno attribuiti 2,5 CFP ad articolo pubblicato.

Per la proposta di articoli, potete scriverci all’indirizzo di redazione: redazione.aicarrjournal@quine.it

SUBMIT YOUR PAPER

Tutti i membri dell'associazione possono sottoporre articoli per la pubblicazione. Ricordiamo che dal 1 aprile 2014, tutti i contributi autorali sono sottoposti a Blind Peer Rewiew.

www.aicarrjournal.org

Testata

Associata Aderente

Posta target magazine - LO/CONV/020/2010. Iscrizione al Registro degli Operatori della Comunicazione nº 12191 del 29/12/2005 Tutto il materiale pubblicato dalla rivista (articoli e loro traduzioni, nonché immagini e illustrazioni) non può essere riprodotto da terzi senza espressa autorizzazione dell’Editore. Manoscritti, testi, foto e altri materiali inviati alla redazione, anche se non pubblicati, non verranno restituiti. Tutti i marchi sono registrati.

Ai sensi dell'art. 13 Regolamento Europeo per la Protezione dei Dati Personali 679/2016 di seguito GDPR, i dati di tutti i lettori saranno trattati sia manualmente, sia con strumenti informatici e saranno utilizzati per l’invio di questa e di altre pubblicazioni e di materiale informativo e promozionale. Le modalità di trattamento saranno conformi a quanto previsto dagli art. 5-6-7 del GDPR. I dati potranno essere comunicati a soggetti con i quali Quine srl intrattiene rapporti contrattuali necessari per l’invio delle copie della rivista. Il titolare del trattamento dei dati è Quine srl chiedere l’aggiornamento, l’integrazione, la cancellazione e ogni altra operazione di cui agli articoli 15-21 del GDPR.

WindFree™

Gli unici con migliaia di microfori e nessun getto d’aria diretto

Cassetta360

Design circolare, massimo comfort. Il primo sistema di climatizzazione a 360°

Eco Heating System™

Pompe di calore EHS, l’alternativa al riscaldamento tradizionale

www.samsung.it/climatesolutions
CLIMATIZZAZIONE | VENTILAZIONE POMPE DI CALORE
Diffusione omogenea senza getti d’aria diretti Gestione smart tramite app Alta efficienza energetica e prestazioni elevate SmartThings
Le migliori soluzioni Samsung uniscono comfort, connettività e facilità d’installazione per rendere unico ogni ambiente domestico o lavorativo.
Comfort WindFree™ disponibile in: a Parete Cassetta 4 Vie Cassetta 1 Via

IL VIAGGIO CONTINUA!

Nell’editoriale del precedente numero di AiCARR Journal, Filippo Busato ha formulato un gradito e simpatico augurio di un viaggio stimolante e favorevole per il prossimo triennio. Ringraziandolo per l’augurio e soprattutto per la sempre fattiva collaborazione, raccolgo con piacere la metafora da lui usata del nuovo timoniere e del suo nuovo equipaggio alla guida dell’Associazione per proseguire questo straordinario viaggio, ormai più che sessantennale.

Il viaggio di AiCARR continua nelle sue diverse declinazioni anche attraverso la rivista e gli eventi in presenza e online.

Il prossimo, mentre scrivo, evento sarà ibrido, in presenza a Milano e online e riguarda “Le nuove forme dell’abitare – Requisiti tecnici e prestazionali”. È il secondo evento che, a distanza di un anno, AiCARR e la Fondazione Architetti di Milano organizzano in collaborazione.

Secondo un’indagine di Nomisma del giugno 2022 “in un contesto generale di forte sfiducia – nel quale 10,4 milioni di famiglie dubitano dei propri mezzi e dell’evoluzione del sistema economico – ci sono comunque 3,4 milioni di famiglie interessate a migliorare la propria condizione abitativa”. Peraltro, se da un lato per chi risiede nell’edificio stanno cambiando le esigenze di spazi e funzioni e, per molte fasce di popolazione della stessa forma dell’abitare, dall’altro lato le prescrizioni in termini di efficienza energetica del sistema edificio – impianto richiedono lo sviluppo di nuovi approcci ai progettisti.

E proprio su vari aspetti del residenziale si concentra questo numero della rivista.

È indubbio che le sempre maggiori richieste normative legate alla prestazione energetica hanno un profondo impatto sociale. Viene qui presentato uno studio sulla relazione tra Povertà Energetica e Attestati di Prestazione Energetica in EmiliaRomagna. L’articolo era stato scelto nel piano editoriale di questo numero della rivista ben prima dei recenti terribili eventi climatici che hanno sconvolto questa Regione meravigliosa. Assieme a tutta la Associazione esprimo la nostra vicinanza e l’augurio di una pronta ripresa. Purtroppo questi eventi ci ricordano in modo drammatico il tema dell’impatto dei cambiamenti climatici sugli edifici oltre che su ogni altro aspetto della società. AiCARR aveva dedicato a questa problematica il Convegno Nazionale del 2022 e questo argomento sarà uno dei temi più rilevanti in quello che sarà il congresso più importante organizzato da AiCARR dal 2001:

CLIMA 2025 – Decarbonized, healthy and energy conscious buildings in future climates.

Va ricordato che il parco edilizio residenziale italiano è in larga misura basato su edifici che per tipologia costruttiva e vetustà richiedono una riqualificazione energetica alla luce delle nuove normative.

La riqualificazione energetica richiede nuove strategie progettuali e nuovi sistemi impiantistici: in questo numero si presenta un caso di studio legato alla riqualificazione energetica di un edificio per la realizzazione di alloggi sociali. Vengono inoltre presentate alcune soluzioni che riguardano i nuovi materiali, come quelli in cambiamento di fase da utilizzare negli accumuli termici, nuove strategie di impiego delle pompe di calore nell’ambito di comunità energetiche di edifici residenziali, nuove approcci di monitoraggio energetico attraverso l’uso di misuratori di portata a ultrasuoni. L’evoluzione tecnologica e progettuale richiede sicuramente innovazione e ricerca: si presentano qui i risultati di due progetti finanziati dalla Commissione Europea. Il primo che ha coinvolto Università e aziende riguarda lo sviluppo di un climatizzatore compatto a propano, il secondo progetto ha invece visto il coinvolgimento diretto di AiCARR per introdurre una nuova generazione di sistemi di valutazione e certificazione delle prestazioni energetiche degli edifici maggiormente incentrata sull’utente finale. Al tema della riqualificazione energetica degli edifici è dedicato il convegno nazionale AiCARR che si terrà il prossimo 8 settembre a Napoli nella magnifica cornice dell’Aula Magna Centro Congressi Università Federico II. Sono stati ricevuti una trentina di abstract e stanno arrivando i primi articoli per la revisione. Il convegno nazionale è da sempre un momento importante nella vita dell’Associazione: l’invito è a segnare la data in agenda nella speranza di incontrarvi numerosi.

Le prossime tappe del viaggio sono quindi imminenti e la rotta è da tracciare assieme. Lascio a una breve intervista all’interno del fascicolo alcuni spunti personali che possono dare un’indicazione di come cercheremo, con la nuova e valida squadra, di percorrere la strada che ci attende nel prossimo triennio.

Se penso alle persone e ai Soci che ho incontrato nell’anno da Presidente eletto e soprattutto in queste prime settimane da Presidente, credo che sarà un viaggio stimolante e impegnativo, ma soprattutto molto emozionante.

Perciò, buon viaggio a Tutte e a Tutti!

#80 4 EDITORIALE

Pompe di calore aria-acqua monoblocco inverter monofase e trifase

Auriga. Scopri la versatilità di soluzioni: installata stand alone, abbinata al kit Hybrid Auriga per creare un sistema ibrido Factory made, abbinata ai sistemi ibridi o in pompa di calore a incasso Baxi.

Equipaggiamento idraulico completo Installazione fino a 6 unità in cascata Ampio range di potenze da 4 a 16 kW Ampio campo operativo, fino a 65 °C in riscaldamento Pannello di comando remoto Nuovo modello compatto da 6 a 10 kW per installazioni in spazi ristretti

18

NORMATIVA

Contratti di prestazione energetica: pubblicata la UNI CEI EN 17669

Approfondiamo una norma che rappresenta un importante punto di riferimento per la valutazione e la gestione dell’efficienza energetica negli edifici e nei processi industriali

L.A. Piterà

PRESTAZIONE ENERGETICA

24

Certificazione a misura d’uomo: il progetto U-CERT

L’obiettivo principale di U-CERT è quello di introdurre una nuova generazione di sistemi di valutazione e certificazione delle prestazioni energetiche degli edifici maggiormente incentrata sull’utente finale. Scopriamolo nel dettaglio

M. Pasini, L. A. Piterà

SCENARI

32

Relazione tra Povertà Energetica e Attestati di Prestazione Energetica in Emilia-Romagna

L’approccio proposto in questo articolo permette, potenzialmente, la comparazione dei dati disponibili nei diversi contesti nazionali ed europei per ottenere una stima delle condizioni economiche delle famiglie a rischio di povertà energetica. Un approccio che potrebbe fornire indicazioni importanti per le politiche locali

RICERCA

40

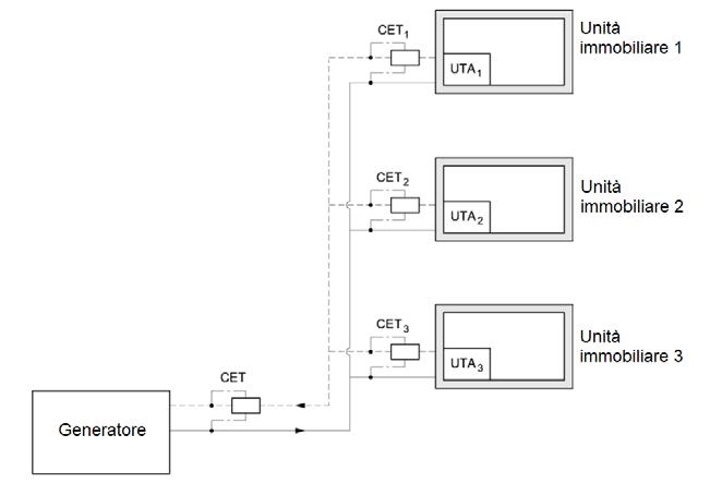
Il ruolo delle pompe di calore nelle comunità energetiche: potenzialità e limiti

Questo lavoro mira a stimare in modo qualitativo i benefici apportati da un sistema di riscaldamento basato su pompe di calore alle comunità energetiche, focalizzandosi su condomini in climi in cui il fabbisogno di riscaldamento è prevalente

N. Franzoi, A. Prada, P. Baggio

CONTABILIZZAZIONE

46

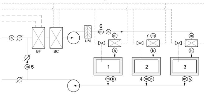
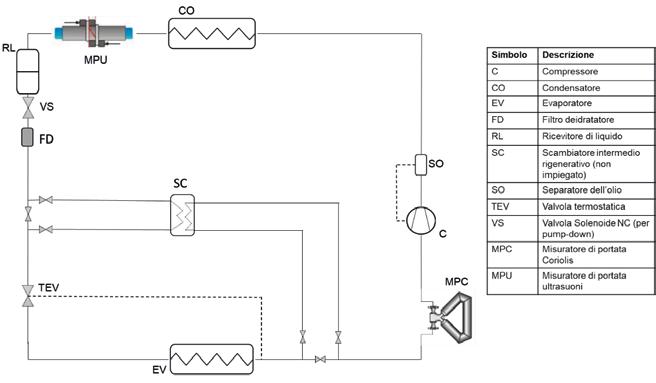
Uso dei misuratori di portata ad ultrasuoni per la contabilizzazione dell’energia termica negli impianti di raffrescamento

In questo lavoro vengono presentati risultati di un’analisi preliminare degli impianti di raffrescamento centralizzati e delle relative tecniche di contabilizzazione diretta applicabili, e sono state valutate sperimentalmente le prestazioni metrologiche di un misuratore di portata ad ultrasuoni applicato per la misura della portata di fluido refrigerante in un sistema a espansione diretta

C. Aprea, L. Canale, M. Dell’Isola, G. Ficco, A. Frattolillo, A. Maiorino, F. Petruzziello

SOCIAL HOUSING

52 Recupero e rifunzionalizzazione dell’“Ex albergo scuola”

Il progetto prevede la realizzazione di 38 alloggi sociali grazie a un intervento di riqualificazione energetica e adeguamento sismico di un immobile in stato di abbandono a Siracusa

A. Taddia, R. Taddia, G. Barazzetti, A. Mannino, S. Feligioni

MAT ERIALI

62

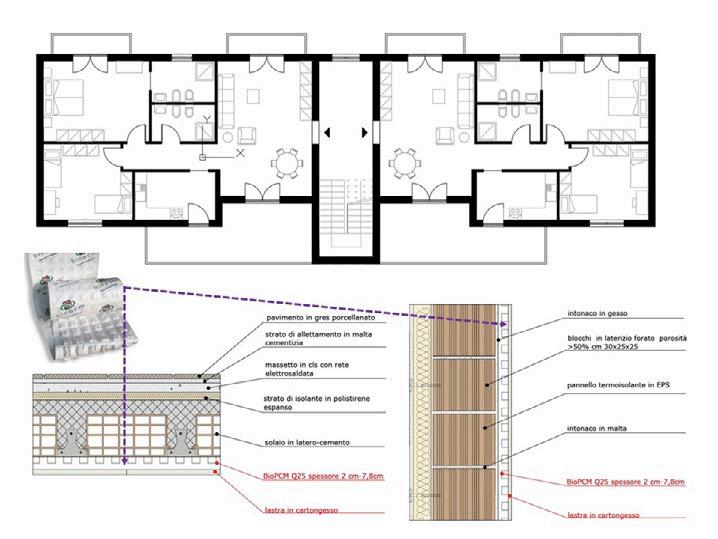
La riqualificazione energetica degli edifici attraverso l’utilizzo di materiali a cambiamento di fase

Attraverso un caso di studio viene dimostrata l’elevata capacità dei PCM di riuscire a migliorare le temperature interne bilanciando i picchi di temperatura e riducendo le fluttuazioni giornaliere anche in edifici esistenti con murature pesanti e bassi indici di WWR

U. Berardi, F. Ruggiero, R. Stasi

CLIMATIZZAZIONE

72

Sviluppo di un condizionatore d’aria fisso a doppio condotto a propano

In questo articolo viene presentata l’ottimizzazione del progetto di un condizionatore compatto double-duct funzionante a propano, come alternativa a R410A, in linea quindi con gli emendamenti alla normativa F-gas approvati di recente dal Parlamento Europeo

G. Righetti, O. Bottaro, M. L. Campidelli, I. Zanetti

#80 AiCARR Informa 78 Editoriale 4 Novità prodotti 8

Novità

SISTEMA DI TUBAZIONI PREISOLATO

Il sistema di tubazioni COOL-FIT ha cambiato completamente il modo in cui vengono progettati, installati e gestiti gli impianti di raffreddamento: il sistema di tubazioni in plastica completamente preisolato contribuisce a rendere la refrigerazione commerciale e industriale più efficiente dal punto di vista energetico ed è esente da corrosione e manutenzione, presentandosi come alternativa ai sistemi di tubazioni metalliche anche per impianti di condizionamento e raffreddamento in campo edile, marittimo, alimentare e raffreddamento di processo. COOL-FIT di GF Piping Systems aiuta a lavorare con la massima efficienza, riducendo contemporaneamente i costi di manutenzione e di esercizio. Con la popolazione mondiale che dovrebbe raggiungere quasi 10 miliardi di persone entro il 2050 e due terzi delle persone che vivono nelle città, si prevede che i soli condizionatori d’aria negli edifici raggiungeranno 5,6 miliardi in contemporanea, aumentando la loro quota di emissioni annuali globali dal 15% al 25%. Il concetto di città sostenibile sarà essenziale per affrontare le sfide ambientali future. La necessità di ridurre le emissioni di carbonio e di gas serra (GHG) a livelli più accettabili ha reso l’efficienza energetica nell’edilizia e nell’innovazione uno dei problemi più difficili da superare per le imprese. I risparmi energetici specifici per i processi rappresentano una parte consistente dei risparmi individuati da molti settori industriali. Per affrontare queste sfide GF Piping Systems ha sviluppato COOL-FIT, un sistema di tubazioni in plastica completamente preisolato, che include tubi preisolati, raccordi, valvole e tubi flessibili per applicazioni di raffreddamento secondario con salamoia, glicole ed etanolo, nonché acqua refrigerata in un range da – 50 °C a + 60 °C. Grazie ai componenti in plastica preisolati in fabbrica e alla tenuta stagna, il sistema aiuta a

CLIMATIZZARE CON ELEGANZA

Per chi è alla ricerca di un climatizzatore elegante e intelligente, il rinnovato modello split SHORAI Edge di Toshiba Air conditioning è ora disponibile nei colori bianco e nero. Estetico e intelligente, il nuovo SHORAI Edge in bianco e nero, impreziosisce gli arredi interni più di tendenza. Il design elegante e contemporaneo, le linee squadrate e le finiture opache delle unità interne, fanno del nuovo SHORAI Edge un climatizzatore con l’anima versatile, in grado di adattarsi perfettamente a qualsiasi tipo di abitazione. In classe energetica A+++, il nuovo climatizzatore consente un reale risparmio energetico anche a carichi parziali (SEER fino a 8,6 e SCOP fino a 5,2).

Le unità sono disponibili in 7 taglie da 2 a 8,5 Kw per sistemi mono e multisplit e i pretranciati invisibili per il passaggio delle tubazioni rendono anche la sua installazione veloce e poco impattante. Per ridurre il rumore e migliorare il comfort, la funzione SILENT dimezza il livello sonoro dell’unità esterna, mentre la funzione QUIET riduce il rumore dell’unità interna per una tranquilla notte.

L’innovativa tecnologia del compressore rotativo di Toshiba combina prestazioni esemplari con un’eccezionale affidabilità; riducendo al minimo le fluttuazioni garantisce una temperatura costante aumentando l’efficienza energetica ed eliminando la rumorosità.

SHORAI Edge è dotato di filtro ULTRA PURE l’ultima innovativa tecnologia prodotta dai laboratori Toshiba per migliorare la qualità dell’aria nell’ambiente.

La tecnologia ULTRA PURE è in grado di inibire l’attività di virus e batteri e prevenire la formazione di muffe e funghi. L’esperienza acquisita rende questo dispositivo altamente efficace e in grado di purificare l’aria usando ioni d’argento ed enzimi estratti dal kimchi.

risparmiare almeno il 30% di energia nel circuito di raffreddamento rispetto ai tradizionali sistemi di tubazioni in metallo e grazie ai materiali non corrosivi, il sistema ha una vita utile di almeno 25 anni, permettendo un risparmio in termini di risorse per la manutenzione, le riparazioni e le sostituzioni. La spinta verso lo zero netto e la mancanza di lavoratori qualificati mette sempre più sotto pressione il miglioramento dell’efficienza e la mitigazione dei rischi. COOL-FIT migliora l’efficienza energetica nelle applicazioni di raffreddamento più esigenti. Con la sua installazione semplice, le nostre soluzioni possono fornire numerosi vantaggi ai proprietari di edifici e ai leader industriali, aiutandoli a ottenere dichiarazioni edilizie rilevanti come DGNB, BREEAM e LEED, migliorando l’efficienza energetica per sempre.

www.gfps.com

Ciò ha un effetto deodorante, rinfresca l’aria e neutralizza fino al 99,9% di virus e batteri contribuendo a garantire un comfort ottimale. Il filtro ULTRA PURE è in grado di trattenere fino al 94% del particolato fine (PM2.5), creando in tal modo un ambiente più salubre all’interno degli spazi abitativi. Il suo FLUSSO D’ARIA 3D permette di ottenere la distribuzione dell’aria e un comfort termico uniforme e con la tecnologia FIREPLACE la temperatura nella stanza viene uniformata, anche in presenza di una seconda fonte di calore come un caminetto. La funzione ANTIGELO (8 °C) e lo SBRINAMENTO consentono di proteggere il sistema e di conseguenza i locali riscaldati. La funzione di sbrinamento si può selezionare dal telecomando e assicura che l’unità esterna venga utilizzata anche nelle condizioni più estreme, eliminando il ghiaccio presente.

#80 8
Prodotti

TERMO-ANEMOMETRO A FILO CALDO

Sauermann amplia la sua gamma di strumenti di misura per i professionisti HVAC-R e lancia un nuovo termo-anemometro a filo caldo progettato per essere semplice e pratico da utilizzare. Il termo-anemometro Si-VH3, con una tecnologia a filo caldo altamente sensibile, offre un modo alternativo per misurare le portate aria. Oltre a rilevare i valori di portata e velocità dell’aria nei condotti del sistema di ventilazione, lo strumento è adatto per prove di tenuta aria, rilevando valori anche molto piccoli e attraverso le letture di temperatura, identifica i difetti di isolamento termico. Si-VH3 si collega in modalità wireless all’applicazione Si-HVACR Measurement, un’applicazione per smartphone sviluppata internamente e ricca di funzionalità aggiuntive come la possibilità di inviare tramite e-mail i rapporti di misura in formato PDF, XML o CSV. Lo strumento ha anche un supporto magnetico, quindi i professionisti possono eseguire le letture in piena libertà di movimento. La sonda remota del Si-VH3 è telescopica. Questo gli permette di variare la sua lunghezza complessiva da 18 a 82 cm (compresa la lunghezza del manico). Ciò rende più accessibili i condotti più alti e le graduazioni sulla sonda consentono un controllo preciso della profondità di inserimento nelle condotte per misurazioni perfette. La

VMC a scomparsa

gamma HVAC-R di Sauermann è tra le più affidabili e soddisfa ogni esigenza di misura per i professionisti HVAC: temperatura (Si-TT3 termometro a doppio ingresso e Si-TI3 termometro a infrarossi), umidità (Si-HH3 termo-igrometro), pressione (Si-PM3 manometro digitale per pressione differenziale), velocità e portata aria (Si-VH3 termo-anemometro a filo caldo e Si-VV3 termo-anemometro a elica) e perdite di gas (rilevatori di perdite Si-RD3 e Si-CD3).

www.sauermanngroup.it

Ingombri e canali ridotti a zero, design essenziale, sensori di qualità dell’aria. Semplifica la realizzazione dell’impianto VMC. Esalta comfort e benessere in ogni stanza.

T +39 0445 16.70.174 marketing@heltyair.com www.heltyair.com
La ventilazione on demand invisibile e intelligente

Novità Prodotti

CONDIZIONATORI COMPATTI AD ALTA EFFICIENZA

Panasonic Heating & Ventilation Air Conditioning presenta il nuovo PACi NX Elite Serie 4, disponibile nelle capacità da 7,1 a 14 kW. La nuova serie si presenta come la soluzione ideale per il riscaldamento e il raffrescamento degli ambienti medio-piccolo commerciali – con particolare attenzione alla decarbonizzazione grazie all’utilizzo del refrigerante R32 – mantenendo prestazioni di climatizzazione altamente efficienti. Queste soluzioni sono ideali per applicazioni commerciali di medio-piccole dimensioni quali uffici, negozi, ristoranti. È stata inoltre sviluppata una modalità di

comunicazione che semplifica la sostituzione di vecchi impianti in cui il cablaggio a 3 fili è prevalente, uniformando in tal modo la nuova gamma agli standard installativi già presenti sul mercato. La nuova generazione PACi NX è stata ottimizzata grazie a uno chassis compatto e dallo stile contemporaneo: con un solo ventilatore, è in grado di raggiungere le stesse prestazioni stagionali di un modello a 2 ventilatori, tramite l’ausilio di scambiatori di calore a tre ranghi. Il nuovo design consente alle unità esterne di adattarsi perfettamente a qualsiasi ambiente, anche a quelli in cui lo spazio è limitato. Inoltre, la maggiore lunghezza delle tubazioni possibile, fino a 100 m, offre una grande flessibilità di progettazione, adattandosi così a edifici di diverse tipologie e dimensioni. Il range di funzionamento esteso consente un funzionamento continuo anche nelle condizioni ambientali più difficili, garantendo prestazioni ad alta efficienza fino a una temperatura esterna di 52 °C in modalità raffrescamento e di –20 °C in riscaldamento. Le unità, inoltre, grazie alla loro ridotta rumorosità (solo 48 dBa per l’unità da 7 kW), garantiscono un estremo comfort sonoro. Possono essere collegate fino a quattro unità interne alla medesima unità esterna PACi NX e possono essere configurate in modo da utilizzare due, tre oppure quattro unità interne, offrendo così la possibilità di soddisfare le esigenze di ogni soluzione aziendale o residenziale di alto profilo. La serie di ultima generazione ha un’elevata efficienza stagionale fino a SEER 7.8 (A++) e SCOP 4.9 (A++). Per garantire il massimo comfort e praticità, le unità possono essere facilmente controllate tramite il comando Conex cablato e attraverso Wi-Fi e Bluetooth, connettendosi alle app H&C Control, H&C Diagnostic e Comfort Cloud di Panasonic. Le unità sono inoltre compatibili con Panasonic AC Smart Cloud e AC Service Cloud. www.aircon.panasonic.eu/IT_it/

CALDAIA MURALE MODULARE A CONDENSAZIONE

Riello annuncia CONDEXA HPR, la nuova gamma di caldaie murali modulari a condensazione, sviluppata per consentire compattezza dimensionale e flessibilità installativa a fronte di elevati rendimenti. La configurabilità stand-alone o in cascata (lineare o back-to back), e l’elevato rapporto di modulazione della potenza (1:8 come stand-alone; 1:32 in cascata) consentono a CONDEXA HPR di adattarsi a grandi variazioni di richiesta di calore dall’impianto, rendendola idonea per un’ampia varietà di applicazioni, dalle unità residenziali fino a data center, scuole, edifici commerciali o impianti industriali. Grazie alle sue caratteristiche intrinseche e all’ampia gamma di accessori opzionali, CONDEXA HPR permette a progettisti e installatori di soddisfare le più svariate esigenze di ingegneria edilizia, sia nelle nuove costruzioni che nella sostituzione di vecchie centrali termiche. La gamma di CONDEXA HPR si compone di quattro modelli da 35 a 70 Kw, tutti dotati di circolatore modulante, in grado di variare la portata, in funzione delle temperature di mandata e ritorno, per permettere il funzionamento nella condizione di massima condensazione. I nuovi moduli di combustione, alloggiati all’interno di CONDEXA HPR, sono dotati di scambiatore di calore in acciaio inox e bruciatori premiscelati, equipaggiati di testa di combustione in maglia metallica e miscelatore aria-gas, e consentono un elevato range di modulazione, silenziosità e ridotte emissioni inquinanti. Il controllo elettronico, grazie alla velocità di calcolo e agli avanzati algoritmi di gestione, consente una sofisticata regolazione della temperatura ambiente e un funzionamento ottimale. L’impianto in cascata, fino a quattro moduli, che può raggiungere una potenza totale di 280 Kw, è gestito attraverso un dispositivo accessorio, il Controllore di Cascata, in grado di regolare l’accensione e la modulazione di potenza di tutti i moduli del sistema. Grazie alla ridondanza dei moduli termici della cascata, CONDEXA HPR può permettere la continuità di servizio del sistema anche durante le operazioni di manutenzione. www.riello.com

#80 10

NUOVA GAMMA DI DEUMIDIFICATORI

REHAU, azienda leader nello sviluppo di soluzioni per la climatizzazione evoluta e sostenibile degli edifici, aggiorna la sua offerta con una nuova gamma di deumidificatori. Studiati per integrarsi perfettamente con i sistemi di raffrescamento radiante e per essere gestiti attraverso il sistema di regolazione della temperatura intelligente NEA SMART 2.0, le nuove unità REHAU aumentano la capacità di raffreddamento e controllano in modo efficace l’umidità atmosferica in condizioni climatiche difficili, come le giornate particolarmente afose, evitando correnti d’aria e temperature troppo basse in ambiente, per un comfort abitativo elevato. La nuova gamma di deumidificatori a condensazione REHAU include unità installabili a soffitto e a parete, rispettivamente con capacità di deumidificazione di 24 litri e 22 litri al giorno, disponibili con funzione di raffreddamento supplementare che offre una capacità di raffreddamento sensibile aggiuntiva di 610 W, nella versione con montaggio a soffitto, e di 520 W, in quella a parete. Accomunati da un funzionamento silenzioso, oltre al circuito frigorifero, i nuovi deumidificatori REHAU si compongono di scambiatori di calore a flusso d’aria, un ventilatore, un circuito di raffreddamento e un circuito dell’acqua che può essere allacciato a quello idraulico del sistema di raffrescamento, eliminando così il calore in eccesso dell’unità. Tutti i modelli offrono la massima praticità di installazione: compatte e maneggevoli, le unità

DHU C 24 L e DHU C-C 24 L vengono alloggiate a soffitto in modo flessibile, mentre le unità DHU

W 22 L e DHU W-C 22 L sono fornite complete di controcassa di installazione a parete e di griglia di copertura in MDF laccato, capace di inserirsi in modo discreto in qualsiasi ambiente. La nuova gamma REHAU si completa, inoltre, con il deumidificatore

DHU W 14 L Plus di tipo isotermico dalle dimensioni compatte: dotato di un circuito con scambiatori aria/ acqua, attraversato dall’acqua del sistema di raffrescamento a pavimento, questa unità da incasso a muro con cassero esterno in lamiera zincata è equipaggiata con attacchi da 3⁄8" maschio, per il collegamento di un apposito circuito dell’acqua, con temperatura consigliata di 16 °C, che parte dal collettore di distribuzione. www.rehau.com

Soluzioni

per tutti gli edifici in Classe A e B

Le migliori valvole per il bilanciamento dinamico degli impianti

La recente norma UNI EN ISO 52120-1 sostituisce la precedente UNI EN 15232-1 e definisce nuovi requisiti per la classificazione energetica degli edifici. Tutti gli impianti con più di dieci terminali tra fancoil, radiatori, scambiatori, superfici radianti ecc. di edifici residenziali e non, in Classe A e B, dovranno adottare soluzioni di bilanciamento dinamico nel circuito idronico. Belimo offre la più vasta gamma di soluzioni conformi ai nuovi requisiti con valvole indipendenti dalla pressione a 2, 3 e 6 vie sia meccaniche - PI, che elettroniche -EPIV, che certificate MID -EV.

Scopri tutti i vantaggi su www. belimo.it

BELIMO Italia - info@belimo.it, www.belimo.it
Belimo
CONFORMI alla nuova UNI EN ISO 52120-1 Prestazione energetica degli edifici

Novità Prodotti

POMPE DI CALORE REVERSIBILI A R290

Dopo un catalogo completo di prodotti con refrigeranti A2L, Rhoss introduce la nuova gamma con refrigerante naturale R290: POKER290, pompe di calore reversibili ad alta temperatura e low GWP con compressore scroll. La nuova gamma è disponibile in una taglia che può essere affiancata fino a 4 unità tramite il nuovo sequenziatore integrato SDR, coprendo potenze da 48 fino a 190 kW circa.

Grazie all’introduzione di questo nuovo prodotto, è ora possible offrire unità con refrigerante privo di fluoro sia per nuove installazioni, che per rinnovamento di edifici con integrazione o sostituzione totale dei sistemi di riscaldamento esistenti, incluse caldaie.

Le principali caratteristiche dei nuovi modelli sono:

• Progettazione ottimizzata con gas refrigerante R290 a basso GWP (3).

• Struttura ottimizzata, rilevatore di perdite e sistema di ventilazione per totale sicurezza con Refrigerante.

• Configurazione monocircuito, bi-compressore (velocità fissa), con bassa rumorosità di 76 dB(A).

• Alte prestazioni stagionali con:

• SCOP bassa temperatura fino a 4,19.

• SCOP media temperatura fino a 3,57.

• Limiti di funzionamento estesi:

• Produzione di acqua calda fino a 75 °C, e 65 °C di acqua prodotta con temperature aria esterna fino a –12 °C (limite di funzionamento –20 °C).

• Produzione di acqua fredda da –10 °C fino a 20 °C con aria esterna fino a 50 °C.

• SDR – Sequenziatore Dinamico Rhoss, integrato nelle unità, che include anche la gestione sequenziata della produzione di acqua calda sanitaria.

• Opzione V3V – valvola 3-vie per la produzione ACS. www.rhoss.com

SISTEMA DI SCAMBIATORI PER POMPE DI CALORE

MEFA,

nei

di

e fissaggio per elementi impiantistici, presenta MultiQ, il nuovo sistema di scambiatori di calore in grado di sfruttare molteplici fonti di energia naturale per alimentare le operazioni di riscaldamento e climatizzazione di impianti in pompa di calore. Gli scambiatori di calore MultiQ possono trarre energia attraverso il recupero del potenziale geotermico superficiale latente nel terreno (MultiQ Geo), con cisterne di congelamento per ottenere energia dal passaggio di stato dell’acqua (MultiQ Ice), fornendo fluidotermovettore ad alta temperatura grazie all’esposizione al sole (MultiQ Sun) o sfruttando il calore residuo di acque correnti e specchi d’acqua (MultiQ Water).

Il sistema MultiQ si avvale di una pompa di calore acqua glicolata/ acqua, più efficiente di una pompa di calore aria/acqua e che consente di sfruttare le proprietà fisiche del fluido termovettore per il funzionamento degli scambiatori in condizioni altrimenti proibitive. Lo scambiatore, in cui circola il fluido, è stato progettato per sfruttare tutte le fonti di energia termica disponibili in prossimità dell’edificio in cui viene posizionato, spaziando dal solare al geotermico, dalle acque circondariali al calore residuo di processi industriali. Queste fonti vengono collegate alle pompe di calore e ai sistemi di riscaldamento a bassa temperatura, per ridurre i costi operativi e contribuire alla tutela dell’ambiente. I sistemi MultiQ sono quindi soluzioni sostenibili e innovative, di facile posizionamento presso ambienti residenziali e non, e generalmente installabili senza necessità di permessi appositi e lunghi iter di approvazione. www.mefa.it

#80 12
azienda tedesca specializzata sistemi sostegno

VMC CON DOPPIO FILTRO ANTIPOLLINE

Ideale per proteggere la propria abitazione da allergeni e sostanze nocive presenti nell’aria esterna, Helty Flow Plus è dotato di serie di triplo filtro antipolvere. I filtri in entrata F7+G4 sono in grado di arrestare fino al 90% delle particelle fino a 0,4 micron bloccando, oltre a numerosi batteri e agenti

inquinanti presenti nell’aria, anche i pollini che causano l’irritazione del sistema respiratorio. Il filtro in uscita G2, invece, purifica l’aria esausta preservando le prestazioni del sistema e allungandone la durata. Grazie allo scambiatore di calore entalpico a doppio flusso incrociato controcorrente, inoltre, questa tecnologia permette di recuperare fino all’91% del calore dell’aria in uscita, evitando gli sprechi e le dispersioni e determinando un risparmio sui costi in bolletta.

Proposto in un design minimal adattabile a qualsiasi contesto abitativo, Flow Plus è facilmente installabile senza lavori di muratura invasivi né canalizzazioni. Questo sistema, inoltre, è etichettato in classe energetica A, validato BioSafe e riconosciuto nella lista VMC Qualità Casa Clima e usufruisce delle detrazioni fiscali per le riqualificazioni energetiche degli edifici, qualificandosi come soluzione ideale per immobili già abitati o nel caso di ristrutturazioni leggere.

L’interfaccia comandi user friendly, con gestione tramite pannello o telecomando, rende intuitivo l’utilizzo di questa tecnologia e garantisce il massimo comfort nella regolazione della ventilazione e delle altre funzioni accessorie. Ma non solo: l’apparecchio può essere comodamente gestito anche da smartphone attraverso l’app wifi Air Guard, che permette di regolarne il funzionamento e tenere sotto controllo la qualità dell’aria in casa. La manutenzione, inoltre, può essere condotta in autonomia dall’utente, che può sostituire il filtro quando il pannello avvisa che è il momento di effettuare il cambio. www.heltyair.com

MACCHINE DEDICATE PER SINGOLI PROGETTI

Refrigeratori aria/acqua

Pompe di calore aria/acqua

Refrigeratori acqua/acqua

Pompe di calore acqua/acqua

Climatizzatori di precisione

Unità polivalenti aria/acqua

Unità motocondensanti

Unità motoevaporanti

Condensatori remoti

Free cooling e Roof-Top

COSTRUTTORI DI UNITÁ PER IL CONDIZIONAMENTO E PROCESSO INDUSTRIALE

ACM Kälte Klima® dispone di una vasta gamma di configurazioni per le sue macchine, al fine di fornire ai clienti la massima personalizzazione: tutte le unità si adattano ad una varietà di conformazioni impiantistiche che coprono un ampio raggio di obiettivi e necessità: con potenze che vanno dai 13 fino ai 1600 kW Dimensioni, caratteristiche tecniche e prestazioni di ciascuna soluzione, dai refrigeratori alle pompe di calore aria/acqua reversibili, possono essere definite preventivamente con il Cliente

GAMMA PRODOTTI
R32
ACM Kälte Klima S.r.l. via Dell’Industria, 17 - 35020 ARZERGRANDE (PD) - Italy - Tel. +39 049 5800981 - Fax +39 049 5800997 www.acmonline.it e-mail: info@acmonline.it

Novità Prodotti

TERMINALE IDRONICO IBRIDO DI NUOVA GENERAZIONE

Carrier ha presentato IdroFan® 36XH, un’unità terminale idronica ibrida ad alta efficienza di nuova generazione, specificamente progettata per hotel e strutture ricettive con occupazione intermittente. Il nuovo IdroFan® 36XH è un terminale idronico ibrido che può funzionare come unità autonoma per mantenere condizioni stabili e confortevoli per gli ospiti, offrendo al tempo stesso un funzionamento efficiente dal punto di vista energetico, costi di gestione ridotti e flessibilità per i gestori dell’edificio. Collegato a un’unità di trattamento dell’aria Carrier ad alte prestazioni, IdroFan® 36XH fornisce una migliore qualità dell’aria interna fornendo aria nuova trattata e condizionata all’ambiente. Per migliorare ulteriormente la qualità dell’aria interna e il benessere degli occupanti, è possibile installare sull’unità terminale come opzione una sonda di anidride carbonica integrata.

Il design dell’IdroFan® 36XH coniuga l’efficienza della ventilazione a induzione dell’aria con l’elevata potenza di raffreddamento e riscaldamento di un ventilconvettore. La gamma di terminali idronici ibridi è composta da tre modelli, tutti disponibili in configurazioni a due o quattro tubazioni, con potenze fino a 8,79 kW in riscaldamento e 4,7 kW in raffreddamento. IdroFan® 36XH si avvale di tre modalità di funzionamento adattativo Eco/Quiet, Comfort/Quiet, Active Fan/Boost, per soddisfare le diverse esigenze dei locali occupati in modo intermittente, garantendo condizioni confortevoli in ogni momento per gli ospiti e riducendo al minimo i costi operativi. www.carrier.it

NUOVA GAMMA DI VMC

La soluzione impiantistica per l’home comfort di Olimpia Splendid è sempre più completa. Accanto ai sistemi idronici (pompe di calore e ventilconvettori) per il riscaldamento, il raffrescamento e la

produzione di ACS full electric, anche le unità per il ricambio d’aria con recupero di calore hanno oggi una gamma diversificata di soluzioni. La gamma di unità VMC puntuali, già disponibile nel catalogo Olimpia Splendid, è stata così arricchita di 8 nuove referenze canalizzate, con portate d’aria variabili da 120 a 500 m 3/h e diverse possibilità installative (verticali a parete e orizzontali a soffitto/controsoffitto), capaci di adattarsi alle esigenze degli edifici di nuova generazione. Per garantire un efficace ricambio dell’aria, limitando l’attivazione dell’impianto di riscaldamento e raffrescamento, la nuova gamma Sitali CX si distingue per la presenza di scambiatore di calore a flussi incrociati e bypass fisico integrato. Il primo rende possibile, in inverno, il trasferimento di calore dall’aria estratta dagli ambienti interni all’aria fresca immessa dall’esterno. Il secondo garantisce, in estate, il naturale raffrescamento degli ambienti indoor durante le ore notturne. Coerentemente con la finalità di efficientamento energetico, anche gli stessi motori EC brushless si distinguono per i rendimenti elevati e i consumi ridotti (fino alla classe energetica A+). Grande attenzione, ovviamente, anche al comfort in ambiente, per quanto riguarda sia l’acustica sia la purezza dell’aria. La bassa emissione sonora delle nuove unità di VMC centralizzate (pressione sonora ridotta fino a 18 dB(A) a 3 m in campo libero) è assicurata dalla struttura realizzata in polipropilene espanso accoppiato a pannelli esterni in acciaio zincato e dall’utilizzo di ventilatori di tipo centrifugo a pale rovesciate altamente silenziosi, accoppiati direttamente e bilanciati dinamicamente al motore. L’efficace filtrazione delle particelle inquinanti nell’aria è invece possibile attraverso filtri di tipo G4 (ISO Coarse 60%) in ingresso, a cui è possibile aggiungere su richiesta filtri tipo F7 (ISO ePM1 60%), questi ultimi di serie per i modelli di maggior portata. Massima usabilità, infine, anche sul fronte dei comandi: le unità sono dotate di pannelli automatici o manuali e sono compatibili con il building management system SiOS Control di Olimpia Splendid.

www.olimpiasplendid.it

#80 14

Lo storico brand giapponese Hitachi Cooling & Heating presenta airHome, la nuova generazione di climatizzatori in pompa di calore. La gamma si contraddistingue per efficienza energetica, un sistema di purificazione a più stadi di filtrazione, una gestione completamente smart e presenta oggi due modelli monosplit: airHome 600 e airHome 400 – quest’ultimo premiato con il prestigioso premio di design Red Dot Award. Con EER maggiore di 3,23 e COP superiore a 3,71, airHome offre un’efficienza stagionale elevata: classe A+++ in raffrescamento (A++ per airHome 400) e classe A++ in riscaldamento. Questi sistemi, disponibili in ben cinque taglie per airHome 600 (1,8 - 2,5 - 3,54,2 - 5,0) e in tre per airHome 400 (2,5 - 3,5 - 5,0), sono la soluzione ideale per qualsiasi ambiente. La gamma airHome è dotata di funzioni esclusive di filtrazione dell’aria, come la tecnologia di autopulizia FrostWash che cattura, congela e lava via polvere, muffe e impurità. FrostWash consente di ottenere la pulizia profonda delle alette dello scambiatore, neutralizzando il 91% di batteri e l’87% di muffe che si depositano all’interno del climatizzatore. Oltre a immettere in ambiente aria più pulita, questa tecnologia migliora di 3 volte le performance del climatizzatore, mantenendo le prestazioni e l’efficienza nel tempo: lo sporco presente sui filtri

o su altri elementi dell’unità può infatti aumentare il consumo energetico oltre il 10%. Insieme a FrostWash, la gamma airHome combina altre tecnologie di filtrazione dell’aria. Come ViroSense Z1, il filtro di purificazione che garantisce un’efficacia di rimozione dei virus, compreso SARSCoV-21, del 99,9% e dei batteri del 99%. E l’innovativo AQtiv-Ion che, con un processo di ionizzazione tramite campo elettrico, elimina gli inquinanti presenti nell’aria. Inoltre, la Funzione Mold Guard, grazie al ventilatore che soffia aria sulla componentistica interna dello split, evita la formazione delle muffe responsabili dei cattivi odori.

www.hitachiaircon.it

il freddo a noleggio DA 18 ANNI IL FREDDO A NOLEGGIO CON BRENTA RENT NOLEGGIO GRUPPI FRIGORIFERI | ROOF-TOP servizio di teleassistenza operativo 24 ore Brenta Rent Srl Via Dell’Industria, 17 35020 Arzergrande (PD) - Italy Tel. +39 049 5800034 • Fax +39 049 9724623 Mobile +39 347 0554982 www.brentarent.it • brenta@brentarent.it Presente da oltre 18 anni sul mercato del noleggio
CLIMATIZZATORI INTELLIGENTI
ISH 2023 - Presentazione ufficiale di Ariosa HV

ARIOSAHV

Controllo totale. Praticità assoluta.

Una nuova generazione di unità per la VMC residenziale: compatta e leggera, Ariosa HV può essere installata sia in posizione verticale che orizzontale da una sola persona.

Grazie alle connessioni orientabili indipendenti, tutti i collegamenti possono essere eseguiti senza riposizionare o aprire l’unità e l’avvio della macchina è semplificato dalla procedura guidata.

Ventilatori elettronici a portata costante, scambiatore di calore ad alta efficienza, possibilità di integrazione termica e deumidificazione, consumi ridotti ed estrema silenziosità sono solo alcuni dei punti di forza di Ariosa HV.

Disponibile in due modelli, da 150 e 250 m3/h, in versione sensibile oppure entalpica.

Seguici su: www.valsir.it

Contratti di prestazione energetica: pubblicata la UNI CEI EN 17669

Come più volte ribadito in questa rubrica, il settore energetico riveste un’importanza fondamentale per l’economia e lo sviluppo sostenibile, per cui è sempre più urgente adottare politiche e misure volte a promuovere l’efficienza energetica e la riduzione delle emissioni di gas serra, al fine di contrastare i cambiamenti climatici e garantire una maggiore sostenibilità ambientale.

In questo contesto, i contratti di prestazione energetica (Energy Performance Contract-EPC) rappresentano uno strumento efficace per incentivare il miglioramento dell’efficienza energetica negli edifici e nelle attività industriali, nonché per favorire l’utilizzo di fonti rinnovabili e l’ottimizzazione dell’uso delle risorse energetiche disponibili.

I contratti di prestazione energetica

Il D.Lgs 102 (Governo italiano, 2014) definisce gli EPC come un accordo contrattuale tra il beneficiario, o chi per esso esercita il potere negoziale e il fornitore di una misura di miglioramento dell’efficienza energetica, verificata e monitorata durante l’intera durata del contratto. Questo accordo prevede che gli investimenti realizzati (lavori, forniture o servizi) siano pagati in funzione del livello di miglioramento stabilito contrattualmente o di altri criteri di prestazione energetica concordati, quali i risparmi finanziari. Nel Box 1 sono riportati i requisiti minimi che devono essere inclusi nei contratti di rendimento energetico stipulati con il settore pubblico o nel relativo capitolato d’appalto, secondo quanto previsto dall’allegato 8 al Decreto.

A livello nazionale i contratti EPC si affiancano a quelli Energy Plus (D.Lgs. 115, Governo italiano 2008), che ne

incorporano alcuni elementi caratteristici. Secondo l’allegato tecnico a questo Decreto, redatto da CONSIP, “Per l’affidamento del servizio integrato energia per le pubbliche amministrazioni ai sensi dell’art. 26 legge n. 488/1999 e s.m.i. e dell’art. 58 legge n. 388/2000”, la Convenzione Servizio Integrato Energia prevede l’affidamento del Servizio Energia a un unico Gestore, denominato Assuntore, che è responsabile di tutte le attività di gestione, conduzione e manutenzione degli impianti termici, della gestione degli impianti di climatizzazione estiva e di quelli elettrici e che assume anche il ruolo di Terzo Responsabile. Il Servizio Energia può comprendere anche la fornitura del vettore energetico termico e, eventualmente, la fornitura del vettore energetico elettrico, oltre all’implementazione di interventi di riqualificazione e di efficientamento energetico del sistema edificio/impianto.

Da tutto ciò emerge che il Decreto in questione considera la riqualificazione energetica degli edifici un obiettivo di secondo livello rispetto alla manutenzione degli impianti e alla fornitura del vettore energetico, che rappresentano l’obiettivo principale.

Al momento, un gruppo di lavoro

del MiASE, di cui AiCARR fa parte, sta elaborando i nuovi Criteri Ambientali Minimi per l’affidamento dei servizi energetici per gli edifici.

La norma UNI CEI EN 17669 sugli EPC

Lo scorso febbraio è stata pubblicata la norma UNI CEI EN 17669 (UNI, 2023) sui requisiti minimi dei contratti di prestazione energetica, che si applica a fornitori di servizi energetici e beneficiari indipendentemente dal loro tipo, dimensione, complessità o posizione geografica e che può essere utilizzato da istituzioni finanziarie e altre parti interessate del processo.

La norma definisce i requisiti minimi per i Contratti di Prestazione Energetica, per le azioni di miglioramento delle prestazioni energetiche-EPIA volte a ottenere un livello garantito di miglioramento dell’efficienza energetica, e per altri criteri concordati tra le parti, relativi alle prestazioni energetiche. Tali requisiti minimi non dipendono dalla quantità, dall’uso o dal tipo di energia consumata. In particolare, la norma si applica alle EPIA su asset esistenti.

L’obiettivo dei requisiti è fornire:

• trasparenza durante l’intero processo

#80 18
Approfondiamo una norma che rappresenta un importante punto di riferimento per la valutazione e la gestione dell’efficienza energetica negli edifici e nei processi industriali
L.A. Piterà*
Normativa

di istituzione di un EPC;

• efficacia dei costi in relazione ai benefici generati dall’EPIA;

• strumenti di garanzia di qualità e di mitigazione e allocazione del rischio;

• informazioni materiali necessarie per calcoli finanziari e tecnici sia per il beneficiario che per il fornitore di servizi energetici.

Secondo la norma, l’EPC deve specificare gli obiettivi energetici garantiti da raggiungere durante la durata del contratto, che devono essere misurabili e associati agli indicatori di prestazione energetica-EnPI pertinenti. Ogni EnPI dovrebbe a sua volta essere correlato a una baseline concordata contrattualmente, cioè a un valore dell’EnPI relativo a un periodo di riferimento, indicato come EnPIv, che rappresenta adeguatamente la gamma di condizioni operative prima dell’implementazione delle EPIA. Ciò consente di rappresentare con precisione i cambiamenti delle prestazioni energetiche confrontando gli EnPIv dei periodi di riferimento con la baseline. Il tipo di informazioni necessarie per stabilire una baseline energetica

dipende dallo specifico scopo delle EPIA e dall’effetto delle variabili pertinenti sulle prestazioni energetiche.

Di seguito si entra nel dettaglio della norma, descrivendo le varie fasi del processo, oltre agli obblighi e alle responsabilità che a tale processo sono connessi.

La valutazione ex-ante

L’EPC deve specificare una valutazione esaustiva, qualitativa e quantitativa delle prestazioni di efficienza energetica ex-ante nell’ambito dell’accordo. In particolare devono essere indicati:

• limiti del sistema energetico;

• periodo e durata della misurazione del consumo energetico. Il periodo, la frequenza e il numero di misurazioni effettuate devono essere rappresentativi e significativi per confrontare le prestazioni energetiche nel periodo di riferimento;

• consumo energetico misurato (misurazione diretta o indiretta);

• fattori di guida energetica e fattori di adeguamento / normalizzazione (variabili rilevanti e fattori statici);

• definizione di EnPI e EnPIv significativi.

ELEMENTI MINIMI DA INCLUDERE NEI CONTRATTI EPC

La norma prevede che un contratto contenga almeno i seguenti elementi:

• misure di efficienza o risultati da conseguire in termini di efficienza;

• risparmi garantiti tramite l’applicazione delle misure contrattuali;

• durata, aspetti fondamentali, modalità e termini del contratto;

• obblighi chiari per ciascuna parte contrattuale;

• date di riferimento per la determinazione dei risparmi ottenuti;

• fasi di attuazione delle misure e relativi costi;

• obbligo di attuazione delle misure e documentazione dei cambiamenti;

• inclusione di requisiti equivalenti in appalti a terze parti;

• chiara indicazione delle implicazioni finanziarie del progetto e quota di partecipazione ai risparmi pecuniari;

• quantificazione e verifica dei risparmi garantiti, controlli di qualità e garanzie;

• gestione delle modifiche alle condizioni quadro che influenzano il contenuto e i risultati del contratto, ad esempio prezzi dell’energia e utilizzo di impianti;

• dettagli sugli obblighi delle parti contraenti e sanzioni in caso di inadempienza.

I valori sono accurati e rilevanti all’interno degli intervalli di misurazione utilizzati per calcolarli.

Requisiti delle EPIA

Per ogni EPIA, devono essere specificati e resi trasparenti per il beneficiario i seguenti tre punti:

1) motivi della selezione dell’EPIA, a meno che non questa sia scelta direttamente dal beneficiario.

2) descrizione generale delle strategie di azione, che comprendono:

a. misure di riduzione del consumo energetico, quali l’isolamento termico dell’involucro edilizio e la riduzione delle perdite di aria compressa;

b. sostituzione, modifica o aggiunta di apparecchiature, ad esempio sistemi di cogenerazione, caldaie ad alta efficienza, motori a velocità variabile, illuminazione energeticamente efficiente e collegamento a una rete di riscaldamento o raffreddamento;

c. operazioni più efficienti, come l’automazione degli edifici, l’ottimizzazione logistica e del layout o l’impostazione dei parametri;

d. miglioramento della manutenzione con la pianificazione, l’utilizzo dell’IOT e la formazione del personale;

e. implementazione di programmi di cambiamento comportamentale, ad esempio campagne di sensibilizzazione o di formazione sull’efficienza energetica;

3) descrizione specifica dell’azione, che comprende:

a. specifiche tecniche e prestazioni energetiche degli asset coinvolti;

b. numero di unità coinvolte;

c. requisiti di manutenzione operativa o sostituzione programmata durante il contratto;

d. interazione prevista con le apparecchiature esistenti e utilizzo di risorse aggiuntive come acqua, terreno o emissioni;

e. miglioramento dell’efficienza energetica previsto negli EnPIv rilevanti;

f. altri benefici o miglioramenti attesi, quali benefici ambientali, riduzione dei rifiuti, comfort, contributo all’economia circolare, adattamento e/o mitigazione dei cambiamenti climatici, riduzione del consumo di acqua;

g. permessi richiesti;

h. durata tecnica prevista;

i. doveri del beneficiario, obblighi e azioni necessarie/ utili da eseguire alla fine o dopo la durata dell’EPC.

#80 19 BOX 1

La valutazione ex-post

La valutazione del miglioramento dell’efficienza energetica si basa su un piano di misurazione e verifica secondo la norma UNI ISO 50015 (UNI, 2015). La metodologia da seguire, che prevede i criteri di materialità, trasparenza e tracciabilità, è basata sui seguenti punti:

a) le valutazioni devono essere basate su misurazioni, rispettando i requisiti di qualità dei dati prevista dalla baseline. La norma definisce tutte le misure rilevanti nell’apposito piano di misurazione e verifica, inclusi tag, posizione nel diagramma Piping and Instrumentation, numero di serie, accuratezza e certificazioni di calibrazione periodica;

b) l’algoritmo utilizzato per calcolare il miglioramento dell’efficienza energetica considera il consumo energetico ex post e l’EnPIv rispetto al valore di riferimento, tenendo conto di fattori di aggiustamento/normalizzazione e del livello di servizio appropriato;

c) le misurazioni e i dati utilizzati nell’algoritmo devono essere accessibili, verificabili e possono essere utilizzati senza ambiguità da terze parti incaricate di verificare il miglioramento dell’efficienza energetica;

d) le informazioni sono disponibili nel tempo grazie all’uso della tecnologia e la loro origine può essere determinata;

e) le incertezze delle misurazioni (o l’assenza di misurazioni) vanno indicate.

Responsabilità dei fornitori dei servizi energetici (ESCo)

Per ogni EPIA, il fornitore dei servizi energetici è responsabile delle seguenti azioni:

• richiesta dei permessi necessari;

• attività di ingegneria in conformità alla legislazione e alla normativa di settore e alle migliori pratiche.

• gestione dello schema di finanziamento applicabile all’EPIA nell’EPC. Il finanziamento può essere effettuato dal beneficiario, dal fornitore di servizi energetici o da terze parti, o da una combinazione di essi. Lo schema di finanziamento, se applicabile, deve essere trasparente per il beneficiario in termini di rischi finanziari, responsabilità e documentazione contabile;

• installazione tempestiva di nuovi beni in conformità al piano di implementazione dell’EPIA, gestendo le interfacce con le attrezzature esistenti e lo smantellamento e lo smaltimento dei beni esistenti, salvo diversi accordi;

DEFINIZIONI

Ambito del contratto di prestazione energetica: insieme di strutture e/o attività che l’EPC affronta. Nota: L’ambito può includere diversi confini.

Azione di miglioramento delle prestazioni energetiche (EPIA): azione o misura o gruppo di azioni o misure, attuate o pianificate, volte a migliorare le prestazioni energetiche attraverso cambiamenti tecnologici, manageriali, operativi, comportamentali, economici o altri.

Ad esempio, un elenco non esaustivo di EPIA è il seguente:

• misure per ridurre il consumo di energia;

• sostituzione, modifica o aggiunta di attrezzature;

• funzionamento più efficiente;

• ottimizzazione continua del funzionamento di impianti tecnici;

• miglioramento della manutenzione;

• attuazione di programmi di cambiamento comportamentale;

• implementazione di un sistema di gestione dell’energia.

Nota: Ai fini della norma, il termine “azione/misura di miglioramento delle prestazioni energetiche” è equivalente a “azione/misura di miglioramento dell’efficienza energetica”, poiché in questo caso l’unico tipo di prestazione che può essere normalizzato è proprio l’efficienza energetica.

Confine del contratto di prestazione energetica: limite fisico, geografico o organizzativo concordato tra il beneficiario e il fornitore di servizi energetici.

Ad esempio, si può trattare di un impianto industriale, di uno o più edifici o di loro parti, quali una linea di produzione, un gruppo di processi, una caldaia, le attrezzature per la compressione dell’aria, il sistema di illuminazione, l’involucro dell’edificio, il sistema di climatizzazione dell’edificio oppure, in riferimento a una flotta di veicoli, di uno o più veicoli.

Contratto di prestazione energetica (EPC): accordo contrattuale tra il fornitore di EPIA e un beneficiario.

Nota 1: Gli investimenti necessari per l’attuazione delle azioni vengono pagati in relazione al livello di miglioramento delle prestazioni energetiche concordato contrattualmente e ad altri criteri concordati.

Nota 2: Il miglioramento delle prestazioni energetiche viene verificato e monitorato per l’intera durata del contratto.

Nota 3: La definizione è presa con modifica dalla definizione di Contratto di Prestazione Energetica della Direttiva 2012/27/UE.

Nota 4: A volte in inglese il termine “Energy Performance Contracting” viene utilizzato con lo stesso significato di “Energy Performance Contract”, anche se “contracting” può riferirsi al processo di istituzione e consegna di un contratto di prestazione energetica.

Fornitore di servizi energetici: una persona fisica o giuridica che fornisce servizi energetici o altre azioni per il miglioramento dell’efficienza energetica presso un impianto o un locale di un cliente finale. Indicatore di prestazione energetica EnPI: misura o unità di prestazione energetica, come definita dall’organizzazione.

Nota 1: Gli EnPI possono essere espressi utilizzando una metrica semplice, un rapporto o un modello, a seconda della natura delle attività misurate.

Nota 2: Consultare la norma ISO 50006 per ulteriori informazioni sugli EnPI.

Valore dell’indicatore di prestazione energetica EnPIv: quantificazione dell’EnPI in un punto o durante un periodo di tempo specificato.

BOX 2

• esecuzioni di eventuali altre opere/ attività aggiuntive incluse nel campo di applicazione dell’EPC;

• effettuazione della messa in servizio e dei test di conformità, se applicabili.

• formazione dei dipendenti del beneficiario e delle persone delegate dal beneficiario, se applicabile;

• effettuazione della manutenzione, delle riparazioni e delle operazioni. Queste attività devono essere

conformi alla legislazione, alle garanzie del produttore e alle migliori pratiche del settore;

• misurazione, monitoraggio e registrazione del miglioramento dell’efficienza energetica e di altri benefici secondo il programma di reportistica concordato;

• trasferimento della proprietà dei beni correlati all’EPIA alla scadenza dell’EPC;

#80 20

Un bel clima si crea in due

Il nuovo sistema ibrido Viessmann si fa in due per creare un clima perfetto a casa tua: pompa di calore e caldaia insieme, per la massima efficienza energetica.

Per creare un clima perfetto bisogna essere in due: noi di Viessmann - con le migliori soluzioni proposte dai nostri installatori partner - e tu che ci scegli. I sistemi ibridi Viessmann con pompa di calore e caldaia sono soluzioni intelligenti che rinfrescano e riscaldano la tua casa scegliendo ogni volta la fonte più conveniente tra gas ed energia elettrica.

Sostituisci il tuo vecchio impianto sfruttando i bonus fiscali: contatta i nostri installatori partner per accedere alle esclusive soluzioni di finanziamento.

Chiedi un preventivo ai nostri installatori qualificati su viessmann.it

Vitodens 100-E Hybrid

Classe A + Sistema ibrido ultra compatto e di rapida installazione

• trasferimento al beneficiario all’atto della scadenza dell’EPC dei dati di interesse, ad esempio quelli riguardanti le prestazioni, i record di manutenzione, i certificati di conformità e di prestazione energetica;

• fornitura dell’approvvigionamento energetico, se incluso nel campo di applicazione dell’EPC;

• fornitura del livello di prestazioni definito nell’accordo sul livello di servizio.

Obblighi del Beneficiario

Il beneficiario deve:

• fornire i diritti di accesso ai siti inclusi nel campo di applicazione dell’EPC ai dipendenti del fornitore di servizi e ai suoi subappaltatori;

• fornire tutte le informazioni utili relative ai requisiti di sicurezza per le persone che accedono all’impianto;

• fornire il diritto di utilizzo delle attività esistenti, se applicabile;

• valutare e trasferire al fornitore di servizi energetici l’uso corrente e il piano di manutenzione pianificata delle attività esistenti nell’ambito dell’EPC;

• rendere disponibili al fornitore di servizi energetici le informazioni necessarie per adempiere ai suoi obblighi nel caso sia necessario effettuare calcoli;

• verificare i requisiti di prestazione in termini di qualità del livello di servizio e dell’energia;

• fornire i costi operativi annualizzati ex ante;

• acquisire la proprietà dei nuovi beni installati dal fornitore di servizi energetici alla fine della durata dell’EPC nello stato in cui si trovano, salvo diversi accordi;

• informare il fornitore di servizi energetici delle modifiche che:

༸ possono influire sulle prestazioni dell’EPIA progettata dal fornitore;

༸ riguardano un cambiamento nei fattori utilizzati per normalizzare le prestazioni dell’EPIA;

༸ riguardano un cambiamento nell’uso delle attività nell’ambito e nel campo di applicazione del contratto.

Valutazione, mitigazione e assegnazione dei rischi

L’EPC deve identificare i principali rischi legati all’implementazione delle EPIA, il possibile piano di mitigazione e l’assegnazione dei rischi residui.

L’EPC deve considerare almeno i seguenti rischi:

• danneggiamenti durante la costruzione e l’esercizio delle EPIA;

• cambiamenti nelle esigenze energetiche del beneficiario durante il periodo di validità dell’EPC;

• ritardi nell’implementazione delle EPIA;

• cambiamenti nelle prestazioni delle EPIA;

• cambiamenti nel meccanismo di finanziamento (tassi di interesse, periodo di grazia, durata dei mutui);

• cambiamenti nella legislazione;

• cambiamenti nella normativa;

• cambiamenti nel piano/programma di incentivi.

Il contratto deve inoltre prevedere altri rischi, quali la trasferibilità dell’EPC, eventi di forza maggiore, inadempienza del beneficiario e del fornitore di servizi energetici, intervento dei creditori, giurisdizione applicabile, conformità alle leggi e regolamenti nazionali o locali, registrazione del contratto, conformità ai requisiti ambientali (ad esempio, rischi legati all’amianto e al piombo).

Infine, nell’EPC vanno specificati i requisiti assicurativi del fornitore di servizi energetici per ridurre eventuali rischi che possono verificarsi durante l’implementazione dell’accordo.

Allegati informativi

Negli allegati informativi è illustrata l’analisi statistica da adottare per determinare la baseline degli EnPI e degli

BIBLIOGRAFIA

EnPIv e sono riportati un modello di business plan per gli EPC che non prevedono la fornitura del vettore energetico e un esempio di matrice per l’analisi del rischio.

Conclusioni

La norma UNI CEI EN 17669 rappresenta un importante punto di riferimento per la valutazione e la gestione dell’efficienza energetica negli edifici e nei processi industriali, in quanto fornisce una guida dettagliata per l’implementazione dei Contratti di Prestazione Energetica, finalizzati a ottenere significativi miglioramenti nell’uso dell’energia e nella riduzione delle emissioni. La norma definisce chiaramente i ruoli e le responsabilità delle parti coinvolte, stabilisce i requisiti chiave per la selezione del fornitore di servizi energetici e offre linee guida dettagliate per la valutazione delle prestazioni energetiche e la misurazione dei risultati. Questa norma è dunque di primaria importanza per le organizzazioni, che possono migliorare le loro prestazioni energetiche garantendo nel contempo la trasparenza, la tracciabilità e la mitigazione dei rischi e contribuendo alla lotta contro il cambiamento climatico.n

∙ Governo italiano. 2008. Attuazione della direttiva 2006/32/CE relativa all’efficienza degli usi finali dell’energia e i servizi energetici e abrogazione della direttiva 93/76/CEE. Decreto Legislativo 30 maggio 2008, n. 115. Roma: Poligrafico dello Stato.

∙ Governo italiano. 2014. Attuazione della direttiva 2012/27/UE sull’efficienza energetica, che modifica le direttive 2009/125/CE e 2010/30/UE e abroga le direttive 2004/8/CE e 2006/32/CE. Decreto Legislativo 4 luglio 2014, n. 102. Roma. Poligrafico dello Stato.

∙ UNI. 2015. Sistemi di gestione dell’energia – Misura e verifica della prestazione energetica delle organizzazioni – Principi generali e linee guida. Norma UNI ISO 50015. Milano: Ente Nazionale Italiano di Unificazione.

∙ UNI. 2023. Contratti di prestazione energetica – Requisiti minimi. Norma UNI CEI EN 17669. Milano: Ente Nazionale Italiano di Unificazione.

#80 22
* Luca A. Piterà, Segretario Tecnico di AiCARR

I sistemi MRV 5-H e canalizzati assicurano comfort e purificazione anche in ambito commerciale e ricettivo Canalizzato alta pressione

La tecnologia UV-C Protection , tramite la lampada UV-C, produce raggi ultravioletti che inibiscono virus e batteri presenti nell’aria e la rendono purificata.

#80 23
MRV 5-H
haiercondizionatori.it
Sottoposto a test, il modulo UVC ha dimostrato di riuscire a inibire il virus Sars-Cov-2 (Covid 19) con un’efficienza che raggiunge il 99.998%.
Haier Condizionatori

Certi cazione a misura d’uomo: il progetto U-CERT

L’obiettivo principale di U-CERT è quello di introdurre una nuova generazione di sistemi di valutazione e certificazione delle prestazioni energetiche degli edifici maggiormente incentrata sull’utente finale.

Scopriamolo nel dettaglio

Il progetto si è articolato in più fasi, inizialmente promuovendo la convergenza verso una maggior qualità e affidabilità dello schema di certificazione delle prestazioni dell’edificio, basandosi sull’insieme delle norme CEN sotto mandato EPB caratterizzate da un buon compromesso fra complessità e accuratezza, al fine di consentire l’impiego di un approccio volto alla neutralità tecnologica.

È seguita una fase di analisi finalizzata alla compren-

sione e definizione delle esigenze degli utenti e a trovare il modo di comunicare in maniera più efficace i risultati ottenibili tramite indicatori più comprensibili e completi, in grado di illustrare le caratteristiche dell’edificio relative ai diversi ambiti decisionali, includendo salute, sicurezza, convenienza, benessere e comfort.

L’Attestato di Prestazione Energetica (APE) è stato riconosciuto come un fondamentale strumento per supportare gli utenti nel processo decisionale riguardante gli edifici, offrendo consigli sulle scelte migliori e ripristinando la fiducia attraverso una dimostrazione tangibile del valore aggiunto. Per raggiungere questo obiettivo, sono stati

#80 24
Prestazione energetica

cruciali diversi aspetti progettuali, tra cui la rappresentazione visiva (grafica), il contenuto (complessità e contestualizzazione dei dati), il linguaggio utilizzato, la qualità dei servizi di certificazione e l’integrazione in un contesto più ampio.

L’integrazione dell’APE in un contesto più ampio implica definire le differenze e i punti di contatto con altri strumenti politici e servizi correlati, come il Building Information Modeling (BIM), l’audit energetico, il Renovation Passport, lo Smart Readiness Indicator e il Building Digital Logbook. Inoltre, sono stati sviluppati modelli di business innovativi che promuovono e razionalizzano gli investimenti nell’efficienza energetica, la smartness, l’energia, l’ambiente e la qualità dell’ambiente interno.

Attraverso questi approcci integrati e innovativi, l’obiettivo dell’APE

è quello di fornire una guida affi dabile e completa agli utenti, consentendo loro di prendere decisioni informate riguardo all’efficienza energetica degli edifici. Questo strumento mira a promuovere un ambiente costruito sostenibile, rispettoso dell’ambiente e in linea con le politiche energetiche attuali. La sua efficacia deriva dalla combinazione di elementi visivi, dati accurati, comunicazione chiara e una vasta gamma di servizi di supporto certificati. Il progetto U-CERT si è concentrato principalmente sugli aspetti normativi e informativi, adottando gli standard CEN e ridefinendo l’Attestato di Prestazione Energetica (APE). Tuttavia, il progetto ha anche affrontato diverse sfide contemporaneamente, mirando a ottenere sinergie più ampie e a essere più incisivo. Ha affrontato l’ambito legislativo con l’obiettivo di sensibilizzare i decisori politici, integrando i suoi risultati con quelli di altri progetti europei per far sentire le diverse voci in modo coor-

dinato. L’obiettivo era fornire ai decisori una visione completa della transizione energetica, tenendo conto di vari aspetti e problematiche.

Metodologia di calcolo delle prestazioni

Il progetto U-CERT ha contribuito al campo normativo offrendo una soluzione per riconquistare la fiducia degli utenti e consentire scelte tecnologiche innovative nel processo progettuale.

Queste scelte erano state precedentemente escluse a causa di una metodologia di calcolo inadeguata che non rappresentava accuratamente il funzionamento degli edifici. Il progetto ha promosso il recepimento delle norme EPB (Energy Performance of Buildings) a livello europeo (Figura 1), coinvolgendo tutti i paesi membri. Queste norme, sviluppate dalla Commissione europea sotto il mandato M/480, hanno aperto la strada per una migliore rappresentazione delle prestazioni energetiche degli edifici, consentendo l’integrazione di soluzioni tecnologiche innovative.

Tali norme sono state sviluppate per consentire un

#80 25
ENTI E ASSOCIAZIONI CHE HANNO COLLABORATO AL PROGETTO
FIGURA 1 Set di norme EPB (Fonte: U-CERT Deliverable 3.1)

calcolo più accurato rispetto al precedente, ma con la libertà per gli Stati membri di fare scelte specifiche nel processo di calcolo. Queste scelte vengono specificate in un Allegato Nazionale, seguendo il modello fornito nell’Allegato A di ciascuna norma EPB. Poiché tali scelte hanno un impatto significativo sui risultati ottenuti, come nel caso del calcolo orario rispetto a quello mensile o giornaliero, uno dei primi compiti del progetto U-CERT è stato selezionare un gruppo rappresentativo di queste norme EPB per analizzare e catalogare le diverse opzioni di calcolo.

Il progetto ha elaborato un documento che cataloga per importanza e seleziona queste scelte per un’analisi dettagliata al fine di comprendere il loro impatto sul risultato finale [1],[2],[3]. Questa fase è stata supportata dallo sviluppo di uno strumento interno chiamato “Tool 1”, che consente di analizzare le differenze ottenute in base alle diverse scelte effettuate. Un’analisi approfondita sull’impatto di queste differenze è stata condotta in Spagna e in Italia, come evidenziato nella Figura 2 e nei documenti di progetto U-CERT [4].

Attraverso questo approccio, il progetto U-CERT ha sviluppato la “metodologia U-CERT” [5], basata su scelte condivise dai membri coinvolti nel progetto. Questo processo ha permesso di fornire una guida più chiara e uniforme nel calcolo delle prestazioni energetiche degli edifici, con un’attenzione particolare all’impatto delle diverse scelte effettuate.

Lo scopo di questa fase è stato di favorire una conver-

genza della metodologia di calcolo a livello europeo, sulla base di una condivisione interna ai membri del progetto.

APE per le persone

In ambito informativo, il progetto U-CERT si è posto l’obiettivo di contribuire alla rinascita delle valutazioni di prestazione energetica degli edifi ci, grazie a una maggior rispondenza delle stesse alle esigenze dell’utente finale. Dopo una fase di ricerca etnografica in ciascun paese membro del progetto [6],[7],[8], attraverso la caratterizzazione delle esigenze e delle aspettative degli utenti esperti (certificatori energetici, progettisti, architetti, ingegneri, ecc.) e non esperti (proprietari di edifi ci, inquilini e altri utenti finali senza background tecnico), in seguito al completamento di una mappatura degli indicatori effettuata a livello di mercato, che ha considerato anche schemi di certificazione volontaria, sono stati identificati più percorsi di transizione per la definizione di indicatori olistici [9]. È stata così individuata una selezione di

indicatori che fosse in grado di considerare situazioni edilizie diverse (nuova costruzione, ristrutturazione profonda o medio-leggera), offrendo diversi livelli di complessità delle informazioni restituite, sfruttando i mezzi resi disponibili dalla digitalizzazione, comprendendo aspetti legati a salute, sicurezza, convenienza economica, comfort e benessere. Tali indicatori sono stati selezionati allo scopo di rendere più intelligibili all’utente finale le conseguenze delle proprie scelte energetiche, risultando così più efficaci nel consigliarne il comportamento [10].

Classificazione operativa

Lo scostamento tra il consumo di energia standardizzato e quello reale, certificato nell’Attestato di Prestazione Energetica (APE), è emerso come una delle ragioni principali della sfiducia degli utenti. Al fine di affrontare questa discrepanza, causata in gran parte dalla diversità degli utenti, è stata definita una procedura che utilizza dati misurati quando disponibili. Tuttavia, questo

#80 26
FIGURA 2 Comparazione approfondita fra il metodo U-CERT e le scelte nazionali di Italia e Spagna (Fonte: Deliverable 4.1)

L’umidità, naturalmente

Gli umidificatori

della serie NEB sono
richiedono pochissima manutenzione,
costi di esercizio ridottissimi, possono essere installati a parete o appesi, funzionano con acqua normale o demineralizzata. NEB e mini NEB: la soluzione ideale per l’umidificazione di grandi e piccole celle di conservazione di frutta e verdura. CUOGHI s.r.l. via Garibaldi, 15 - 35020 Albignasego (PD) - Italia tel. +39 049 862.90.99 - fax +39 049 862.91.35 www.cuoghi-luigi.it - info@cuoghi-luigi.it
adiabatici
facili da installare,
hanno
DESIGNED AND MADE IN ITALY

argomento controverso è stato oggetto di discussione durante una tavola rotonda tenutasi il 24 febbraio 2023, che ha concluso l’evento finale del progetto promosso da AiCARR.

Secondo l’Ing. Nidasio, rappresentante del CTI, la personalizzazione dei consumi in relazione a un tipo specifico di utenza non è coerente con la natura dell’APE, che si basa sulla standardizzazione degli usi per consentire il confronto tra gli edifici e non per ottenere una previsione dei consumi, per la quale sarebbe più indicata una diagnosi energetica, per esempio.

L’incontro ha evidenziato l’importanza di trovare un equilibrio tra la personalizzazione dei consumi e la necessità di mantenere un approccio standardizzato nell’APE. La discussione ha offerto spunti interessanti per migliorare l’efficacia dell’APE e affrontare le aspettative degli utenti riguardo alla precisione delle previsioni di consumo.

APE U-CERT

Sulla base dell’analisi etnografica e di una selezione di indicatori, è stato creato un nuovo modello di APE interattivo e innovativo, caratterizzato da un design grafico accattivante e informazioni dettagliate. Durante la tavola rotonda, si è discusso di questo nuovo modello. Secondo l’Ing. Vaudano, rappresentante del CNI, l’attuale APE è considerato uno strumento rudimentale che non ispira fiducia e sicurezza nell’utente finale, soprattutto a causa delle etichette di qualità rappresentate da smile; quindi, è necessario migliorarlo affinché sia compreso e preso sul serio dagli utenti. Al fine di dimostrare il suo valore anche ai non esperti, sono stati sviluppati quattro modelli di valutazione, due per utenti esperti e due per utenti non esperti, ognuno differenziato in base al tipo di valutazione, calcolata o misurata [11]. Le informazioni restituite includono indicatori sulla qualità dell’ambiente costruito, la predisposizione all’integrazione di tecnologie intelligenti e altre informazioni di contesto, nonché definizioni di diversi scenari di intervento, che includono i risultati attesi in termini di prestazioni energetiche, predisposizione all’integrazione di tecnologie intelligenti, qualità dell’ambiente costruito e costi. Tuttavia, durante la tavola rotonda sono emerse alcune perplessità riguardo alla ridefinizione dell’APE. Secondo l’Ing. Iatauro, rappresentante di ENEA, sebbene la nuova direttiva in discussione contenga numerosi aspetti che dovrebbero portare a un’evoluzione dell’APE, è ancora presto per sapere come

GLI INDICATORI

Lo schema di certificazione di U-CERT considera quattro dimensioni di indicatori (prestazione energetica, smart readiness, qualità dell’ambiente costruito e costo), due possibilità di valutazione degli indicatori (calcolata o misurata) e due livelli idi dettaglio degli indicatori (globali o parziali).

La definizione dei requisiti per ciascun indicatore deve essere affrontata in maniera incrementale e in funzione della situazione applicativa, in modo da evitare che il soddisfacimento di requisiti su indicatori parziali durante interventi di efficientamento limitati, possa impedire il raggiungimento di una migliore classe energetica in seguito a successivi interventi di ristrutturazione profonda. Citiamo i seguenti indicatori:

• relativamente alla prestazione energetica;

༺ fra quelli “globali”, il fabbisogno di energia primaria non rinnovabile e l’energia primaria da fonti rinnovabili prodotta, entrambi normalizzati al m²;

༺ fra quelli “parziali”, la trasmittanza termica e le efficienze impiantistiche dei sottosistemi di generazione, distribuzione, stoccaggio, emissione e regolazione;

• relativamente all’intelligenza dell’edificio, l’indice SRI;

• relativamente alla qualità dell’ambiente costruito, l’ALDREN Thermal score;

• relativamente al costo, solo per la valutazione misurata, il costo complessivo per vettore energetico.

sarà il suo aspetto grafico tra qualche anno, poiché probabilmente si cercherà un compromesso tra il miglioramento dell’APE e un suo aumento dei costi. L’Ing. Musazzi, rappresentante di Assotermica e Assoclima, ha sottolineato l’importanza di integrare nelle valutazioni dell’APE l’intelligenza dei sistemi degli edifici e degli impianti quando sono collegati a una rete più ampia di domanda e risposta, come una smart grid o una comunità energetica. Questo consentirebbe di valutare in modo più efficace la capacità dell’edificio di generare energia elettrica e di interagire come consumatore o aggregatore. Secondo l’Ing. Ojan, rappresentante di AMAT, sarebbe utile migliorare la qualità dell’APE e aggiungere parametri relativi all’impronta di CO2 che tengano conto anche dell’emissione di carbonio incorporato. Durante la tavola rotonda è stato sollevato il dubbio che un APE più complesso potrebbe portare al fallimento dello strumento, come è

successo per il fascicolo del fabbricato. Tuttavia, l’Ing. Nidasio ha sottolineato che un APE più completo, rigoroso e con una vasta gamma di indicatori relativi al comfort e ad altri aspetti, è un aspetto positivo. È importante lavorare sulla presentazione di tali indicatori in modo chiaro ed esaustivo, ma una volta spiegati e illustrati, gli utenti si abitueranno a comprenderli, proprio come sono abituati a leggere le specifiche tecniche di uno smartphone o di un’automobile. Inoltre, l’aumento dei costi energetici negli ultimi tempi ha reso i cittadini più sensibili e interessati a questi temi. Durante la tavola rotonda, si è quindi convenuto che è necessario migliorare il livello di qualità dell’APE, insieme all’integrazione di parametri aggiuntivi che considerino l’impronta di carbonio, compresa l’emissione incorporata. Inoltre, è emersa la necessità di includere l’intelligenza dei sistemi degli edifici e degli impianti, al fine di valutare in modo accurato la capacità

#80 28

TOOLS SVILUPPATI

All’interno del progetto U-CERT sono stati sviluppati 5 strumenti a disposizione del professionista e/o dell’utente finale:

• il Tool 1 [15] – Strumento di confronto delle scelte contenute negli Annex nazionali. A partire dalla selezione delle scelte possibili per ciascuna opzione di calcolo analizzata durante il progetto, sulla base di risultati precalcolati e in base alla selezione di uno scenario di utilizzo con relativo sistema impiantistico, mostra i risultati ottenuti in termini di prestazione energetica dell’edificio;

• il Tool 2a [16] – serve a calcolare l’indice SRI a partire delle informazioni richieste dalla procedura di calcolo, sulla base del foglio di calcolo sviluppato appositamente durante il relativo progetto europeo;

• il Tool 2b [17] – per la valutazione dell’indicatore ADREN TAIL, a partire dai dati misurati, se disponibili, di temperatura, rumore, qualità dell’aria interna e ambiente luminoso, sulla base della metodologia di calcolo ALDREN, calcola un indicatore globale di qualità dell’ambiente costruito, pari al peggiore fra gli indicatori raggiunti nei quattro ambiti citati;

• il Tool 2c [18] – contenente parte dell’implementazione del metodo CEN-CE per la valutazione operativa, i.e. la firma energetica, per la quale, a partire dai dati necessari per il calcolo, sulla base della metodologia descritta nella norma EN 15387-3, calcola i dati della firma energetica e la restituisce graficamente;

• il Tool 3 [19] – per la generazione del report U-CERT comprensivo dei tre indicatori calcolati in precedenza.

tavola rotonda ha sottolineato l’importanza di “una seria politica d’incentivazione strutturale, ovvero non emergenziale” volta all’efficientamento energetico del parco edilizio nazionale per riuscire a smuovere investimenti pubblici e privati in questa direzione. A tal fine sono state raccolte in una lettera diretta ai responsabili politici [13] le raccomandazioni emerse, grazie a una visione congiunta di professionisti appartenenti al mondo accademico, aziendale e politico, dai risultati dei sei progetti citati e scaturite da una comprensione approfondita delle dimensioni sociali, tecniche, economiche e ambientali della transizione energetica. Tali raccomandazioni sono state raggruppate nei seguenti quattro ambiti volti a trasformare il mercato elettrico:

• Riforma del mercato elettrico;

• Azioni volte a promuovere investimenti privati e pubblici nel settore;

• Opportunità tecnologiche;

• Certificazione delle prestazioni energetiche.

Per quanto riguarda il mercato elettrico, è stato proposto di:

di un edificio di essere un produttore-consumatore di energia in una rete più ampia, come una smart grid o una comunità energetica. Tuttavia, si è sollevata la questione di trovare un equilibrio tra il miglioramento dell’APE e l’aumento dei costi correlati. Nonostante queste discussioni, è stato concordato che un APE più completo, rigoroso e informativo, che includa una varietà di indicatori rilevanti per il comfort e altri aspetti, rappresenta un passo positivo. È importante affrontare anche la presentazione di tali indicatori in modo comprensibile per gli utenti, al fine di favorire una maggiore consapevolezza e comprensione da parte di tutti.

Raccomandazioni per la transizione energetica

Come accennato all’inizio di questo articolo, per sostenere la necessaria transizione energetica annunciata nel

Green Deal europeo, il progetto U-CERT si è posto l’obiettivo di dialogare con le istituzioni e lo ha fatto sia individualmente, sui propri temi, sia coralmente, insieme ad altri sei progetti H2020 – SENSEI, QUEST, LAUNCH, Triple-A, AmBIENCe e NOVICE.

Individualmente il progetto ha preparato delle raccomandazioni per l’implementazione dei risultati del progetto specifiche per alcuni stati membri del progetto da consegnare ai decisori politici a livello nazionale, raccolte nel Deliverable 4.4 [12]. Coralmente invece, sono stati affrontati più ad ampio spettro tutti gli ambiti coinvolti nella realizzazione di una transizione verso un’economia climaticamente neutrale, laddove gli investimenti del settore pubblico e privato si dirigono naturalmente verso tecnologie e modelli di business rispettosi del clima. Anche l’Ing. Vaudano nella

• favorire gli interventi di efficienza energetica, che risultano economicamente più vantaggiosi rispetto agli interventi volti all’incremento sia della capacità di produzione sia infrastrutturali della rete di distribuzione;

• sviluppare programmi di risposta alla domanda che compensino equamente tutte le parti, semplificando le regole di partecipazione agli interventi di aggregazione, affinché questi ultimi si diffondano maggiormente, rispetto agli interventi di aumento della capacità di produzione;

• definire requisiti di pre-qualificazione per la partecipazione di nuovi operatori di mercato più semplici ed equi;

• incentivare gli operatori di rete a sperimentare programmi ambiziosi di pay-for-performance;

• accelerare la diffusione di contatori intelligenti;

• incentivare l’elettrificazione dei consumi, applicando tassazioni eque.

Sul piano finanziario, si è proposto di:

• sviluppare linee guida mirate agli investimenti in efficienza energetica, integrandole anche con la piattaforma EEFIG per il de-risking dell’efficienza energetica [14];

• promuovere misure per aumentare l’intelligenza degli edifici;

• incorporare i risultati dei progetti europei H2020 nelle misure di facilitazione delle iniziative dell’UE;

• valutare le strategie di finanziamento degli investimenti

#80 29

di efficienza energetica realizzati, incorporandole nei rapporti finanziari per ricavarne informazioni utili ad accelerare progetti di efficienza energetica simili;

• incoraggiare l’accesso ai finanziamenti di terzi sostenendo la creazione di quadri giuridici per i contratti di rendimento energetico e le ESCO, creando meccanismi finanziari che diano sicurezza e fiducia ai finanziatori e standardizzando documenti contrattuali, processi e protocolli di valutazione del rischio; incoraggiando gli Stati membri a creare strumenti che fungano da garanzia first-loss per mitigare il rischio di credito dei clienti finali (come mostrato dal caso italiano del SuperBonus 110%);

• creare un approccio di finanziamento integrato per facilitare l’adozione dei progetti di Horizon 2020 da parte del mercato, promuovendo il co-sviluppo dei progetti e l’adozione di metriche in cui i valori socio-ambientali si integrino con quelli finanziari. Nell’ambito delle opportunità tecnologiche, si è proposto di:

• promuovere la trasformazione digitale dell’ambiente costruito, anche con la creazione di un registro digitale degli edifici condiviso da tutti gli stati membri;

• definire strumenti e linee guida ufficiali dell’UE per metodi e procedure standardizzate di benchmarking dei progetti di efficienza energetica;

• introdurre requisiti ecologici per edifici di proprietà o finanziati dal governo.

Nella tavola rotonda abbiamo visto l’enorme utilità della creazione di un registro digitale degli edifici condiviso, già a livello regionale, grazie agli interventi dell’Ing. Ojan e dell’Ing Di Nora, rappresentante di ARIA Regione Lombardia, i quali hanno descritto rispettivamente come la grande mole di dati raccolti nel catasto energetico degli edifici regionale, venga usata e quali strumenti siano stati sviluppati per l’utente sulla loro base.

Nell’ambito dell’informazione dell’utente finale, si è proposto di:

• sostenere la convergenza in Europa verso una metodologia di calcolo delle prestazioni degli edifici, basata sulla serie di norme EPB;

• definire un’etichetta di prestazione dell’edificio che rifletta il suo livello di emissioni e la qualità dell’ambiente interno;

• integrare dati misurati per innescare il miglioramento degli edifici esistenti, contestualizzando i consumi al comportamento dell’utente finale.

Conclusioni

Durante questo progetto è stato più volte detto che per arrivare lontano, non si può andare da soli. A tal fine è stata promossa la condivisione delle necessità e la convergenza dei metodi fra diversi paesi e stakeholder coinvolti. L’augurio è che i risultati ottenuti, oltre a essere ben supportati dalla ricerca, così come abbiamo visto, siano recepiti e integrati democraticamente ed efficacemente da tutti gli attori coinvolti, per raggiungere insieme questo difficile, ma necessario obiettivo.

È possibile scaricare i materiali del progetto navigando sul sito: https://ucertproject.eu/.n

* Martina Pasini, Area Tecnica AiCARR Luca Alberto Piterà, Segretario Tecnico AiCARR

WEBGRAFIA

[1] U-CERT Deliverable 3.1 – https://www.aicarr.org/Documents/Normativa/UCERT/u-cert_d31_report_v20_excl_annex_2_2023-02-28.pdf

[2] U-CERT Deliverable 3.1 Annex 2 – https://www.aicarr.org/Documents/Normativa/UCERT/u-cert_d31_report_v20_annex_2_2023-02-28_compressed.pdf

[3] U-CERT Deliverable 3.1 Overview – https://www.aicarr.org/Documents/Normativa/UCERT/epb-centeru-cert_categorized_annexab_choices_epbstandards_2021-08-27a.xlsm

[4] U-CERT Deliverable 4.3 – https://www.aicarr.org/Documents/Normativa/UCERT/D4.3_v1.1.pdf

[5] U-CERT Deliverable 4.1 – https://www.aicarr.org/Documents/Normativa/UCERT/d41_v2_0.pdf

[6] U-CERT Deliverables 2.2 – https://www.aicarr.org/Documents/Normativa/UCERT/d22_guidelines_to_investigate_users_perception_about_epc_scheme.pdf

[7] U-CERT Deliverables 2.3 – https://www.aicarr.org/Documents/Normativa/UCERT/u-cert_d23.pdf

[8] U-CERT Deliverables 5.3 – https://www.aicarr.org/Documents/Normativa/UCERT/u-cert_d53.pdf

[9] U-CERT Deliverables 2.4 – https://www.aicarr.org/Documents/Normativa/UCERT/U-CERT_D2.4.pdf

[10] U-CERT Deliverable 3.2 – https://www.aicarr.org/Documents/Normativa/UCERT/ucert-d32_v11.pdf

[11] Deliverable U-CERT 3.2 EPC – https://www.aicarr.org/Documents/Normativa/UCERT/U-CERT_D3.2_EPC.zip

[12] Deliverable 4.4 – https://www.aicarr.org/Documents/Normativa/UCERT/d44_v01.pdf

[13] Policy Recommendations Letter – https://www.aicarr.org/Documents/Normativa/UCERT/seven_horizon2020_projects_buildings_policy_recommendations_letter.pdf

[14] Piattaforma EEFIG per il de-risking dell’efficienza energetica – https://deep.eefig.eu/

[15] U-CERT Tool 1 – https://epbcomparison.u-certproject.eu/project/bewerken/introduction/

[16] U-CERT Tool 2a – http://sri.u-certproject.eu/

[17] U-CERT Tool 2b – https://aldrentail.u-certproject.eu/

[18] U-CERT Tool 2c – https://cen.u-certproject.eu/

[19] U-CERT Tool 3 – https://certificate.u-certproject.eu/project/bewerken/building-information/

#80 30

GF Piping Systems

COOL
ra reddamento www -fit i l -FIT
sicurezza grazie ai sistemi di tubazioni in plastica preisolati. .gfps.com/cool
nel
Massima
Protegg i fredd o

Relazione tra Povertà Energetica e Attestati di Prestazione Energetica in Emilia-Romagna

L’approccio proposto in questo articolo permette, potenzialmente, la comparazione dei dati disponibili nei diversi contesti nazionali ed europei per ottenere una stima delle condizioni economiche delle famiglie a rischio di povertà energetica. Un approccio che potrebbe fornire indicazioni importanti per le politiche locali

Introduzione

Per Povertà Energetica (PE) si intende la condizione relativa all’impossibilità di una famiglia di poter sostenere le principali spese energetiche (riscaldamento, acqua calda sanitaria, gas per la cottura dei cibi, raffrescamento, illuminazione) dell’edificio in cui dimora. Sebbene non esista una definizione precisa della PE, si tratta di un fenomeno in crescita, molto dibattuto e che può produrre effetti negativi sulla salute e sulla qualità di vita degli individui anche in relazione all’aumento dei prezzi dell’energia degli ultimi anni.

Per la prima volta gli Stati Membri dell’Unione Europea hanno indicato una definizione della PE all’interno del pacchetto Clean energy for all Europeans, adottato nel 2019, secondo il quale saranno valutate il numero delle famiglie in condizioni di povertà energetica tenendo conto dei servizi energetici domestici necessari per garantire un tenore di vita di base nel rispettivo contesto nazionale, della

politica sociale esistente e delle altre politiche pertinenti, nonché degli orientamenti indicativi della Commissione sui relativi indicatori di povertà energetica [1]. L’ultima Direttiva per le Prestazioni energetiche degli edifici (rifusione) [2] contiene una nuova disposizione che definisce la povertà energetica come “la mancanza di accesso da parte di una famiglia ai servizi energetici essenziali che sono alla base di un livello di vita e di salute dignitoso, tra cui un adeguato riscaldamento, raffreddamento, illuminazione ed energia per alimentare gli apparecchi, nel contesto nazionale pertinente, la politica sociale esistente e altre politiche pertinenti”.

Secondo i dati della Commissione Europea, oltre 50 milioni di famiglie

nell’UE vivono in povertà energetica (dati 2020) [3]. In Italia, un settimo della popolazione vive in una situazione di povertà relativa e oltre un quarto rischierebbe di cadere in povertà se dovesse perdere tre mesi consecutivi lo stipendio [4 e 5]. Le cause a monte della povertà energetica possono essere diverse, ma si concorda sul fatto che principalmente siano le seguenti: 1) basso reddito, 2) alto (e inutile) consumo di energia nelle abitazioni; 3) impianti, elettrodomestici e abitazioni nel complesso troppo poco efficienti. Lo stato delle abitazioni, sia in termini qualitativi che percepiti dai suoi abitanti, gioca quindi un ruolo importante nell’identificazione della povertà energetica.

#80 32
Scenari

Sono molti gli indicatori che a oggi che sono stati proposti per determinare la PE; l’Energy Poverty Advisory Hub ne riporta 56 suddivisi in 6 macro aree [6]. Uno dei primi indicatori della soglia di povertà energetica utilizzata in molti paesi, anche perché quello di più semplice concezione, è il “10% indicator”, che identifica le famiglie in povertà energetica come quelle in cui la spesa energetica è superiore al 10% per cento del totale del loro reddito netto [7-12].

Non esiste un metodo universalmente accettato per misurare la PE. Tale condizione dipende da fattori di natura economica, demografica, tecnologica o geografica e richiede, per la sua misurazione, un approccio multidimensionale.

Studi recenti hanno proposto diverse strategie per identificare e misurare la PE, usando dati differenti e quindi sollevando un problema di comparabilità [13]. Di recente sono stati sviluppate analisi basate sulla misura della spesa energetica standard identificata dagli Attestati di Prestazione Energetica (APE) sul consumo teorico richiesto dalla legislazione energetica [14] provando a stimare l’entità del fenomeno correlando i dati degli APE con il censimento catastale delle abitazioni. Un’altra analisi invece ha stimato il numero degli edifici a rischio di povertà energetica correlando i consumi standard degli APE con il 10% indicator [15].

Sull’approccio e sul metodo utilizzato da altri studi [14 e 15], in questo articolo si intende illustrare una possibile correlazione tra le caratteristiche degli edifici residenziali (la classe energetica e l’anno di costruzione) e il reddito medio netto familiare minimo per la soglia di povertà energetica. Il reddito medio è ottenuto partendo dalla spesa energetica “standard” dei consumi di gas naturale e di elettricità riportati negli APE e correlati con il 10% indicator.

Il contesto legislativo

In Italia attualmente la certificazione energetica è normata dal D.lgs. n. 192/2005 che ha recepito la Direttiva 2002/92/CE sul rendimento energetico in edilizio, poi aggiornata con le Direttive successive [2].

Il D.lgs. n. 192/2005 e i relativi decreti attuativi D.M. del 26 giugno 2015 definiscono sia i requisiti minimi di prestazione energetica degli edifici sia gli obblighi nonché i contenuti degli Attestati di Prestazione Energetica (APE). Per quanto riguarda la certificazione energetica è previsto l’obbligo di redigere un APE nei casi di nuova costruzione, compravendita o locazione degli edifici.

La Regione Emilia-Romagna si è dotata di una propria disciplina (come previsto dalla clausola di cedevolezza art.117 della Costituzione) dal 2008 e, a partire dal 2009, è stato istituito un catasto (SACE) per il deposito degli APE da parte dei certificatori energetici [16]. Attualmente sono depositati nel SACE oltre 1.500.000 APE, dei quali circa l’85% sono relativi a unità immobiliari di tipo residenziale, ovvero con destinazione d’uso di tipo E.1(1) in accordo al D.P.R. n. 412/1993.

A partire da ottobre 2015 [18], in Emilia-Romagna il metodo di classificazione energetica si è allineato con quello riportato nel D.M. del 26 giugno 2015, ovvero riferendo alle 10 classi energetiche (A4, A3, A2, A1, B, C, D, E, F e G) e al metodo di confronto con l’edificio di riferimento. Prima del mese di ottobre 2015, la classificazione energetica veniva effettuata con un metodo diverso e utilizzando solo 8 classi energetiche (A+, A, B, C, D, E, F e G). Inoltre, la Regione Emilia-Romagna, a partire dal 2016 svolge attività di controllo della qualità degli APE mediante accertamenti documentali e ispezione in sito

sul 5% degli APE, al fine di garantire la correttezza dei contenuti rispetto alla disciplina e normativa vigente. Alcune rimostranze [18 e 19] dei risultati dei controlli effettuati documentano l’efficacia dei risultati dal punto di visto della correttezza dei dati e della applicazione delle procedure di calcolo, nonché dell’applicazione delle disposizioni legislative.

Per tali motivi, nonostante nel database SACE siano depositati APE (in corso di validità) prima del mese di ottobre 2015, saranno considerati solo gli APE depositati a partire dal 1º gennaio 2016 e fino a dicembre 2022 per coerenza di metodo (stessa tipo di classificazione energetica) e per correttezza dei risultati (controlli di qualità). Inoltre, per le finalità di questo articolo, saranno considerate solo le unità abitative aventi una destinazione d’uso di tipo residenziale, ovvero quelle di tipo E1.(1) –Abitazioni residenza a carattere continuativo in accordo al DPR 412/1993.

Per quanto concerne il patrimonio edilizio, si stima che in Italia ci siano circa 14,5 milioni di unità immobiliari di cui circa 12,2 milioni a uso residenziale, la maggior parte delle quali (oltre il 70%) costruite nel secondo dopoguerra [20]. Mentre in Emilia-Romagna il numero di edifici residenziali risulta essere pari a 817.809, con un numero di 2.353.804 singole unità immobiliari [21].

Il numero totale delle unità abitative analizzate in questo articolo è pari 506.746, corrispondenti al 34% delle unità abitative a uso residenziale dell’Emilia-Romagna.

L’analisi del catasto degli Attestati di Prestazione Energetica (APE) della Regione Emilia-Romagna consente di conoscere le caratteristiche del patrimonio edilizio, in particolare è possibile conoscere la classe energetica e il valore di prestazione energetica (indice EP) medio per classe energetica. L’indice EP riporta il fabbisogno annuale di energia primaria per metro quadrato di superficie utile, è espresso in kWh/m2anno e si riferisce a tutti i servizi energetici presenti (riscaldamento e acqua calda sanitaria sicuramente, e qualora presenti anche i servizi di raffrescamento e ventilazione meccanica controllata – l’illuminazione artificiale è esclusa per gli edifici residenziali).

La Figura 1 riporta la percentuale degli APE delle sole destinazioni residenziali E1.(1) suddivisi per classi energetiche dal 2016 al 2022. Il grafico mostra che il maggior numero di attestati si riferisce alle classi energetiche F e G, rispettivamente il 23% e il 39% del totale, mentre le classi A (ovvero l’aggregazione delle classi A4, A3, A2 e

#80 33

A1) sono circa il 9% con una leggera maggioranza delle classi A4 (4%).

Analizzando l’anno di costruzione dell’edificio dichiarato dai certificatori energetici negli APE depositati in relazione alla rispettiva classe energetica, si ottiene il grafico illustrato in figura 2. Nella figura è riportato il numero in percentuale degli edifici suddivisi sia per classe energetica che per decade dell’anno di costruzione. Si nota che il numero più alto degli edifici depositati nel database SACE è quello rappresentato dalle decadi che vanno dal 1960 al 1980, ovvero gli anni del boom economico a valle del dopoguerra. È interessante notare come in questi anni le classi energetiche più frequenti sono quelle peggiori, ovvero le classi E, F e G.

Un altro aspetto particolare del grafico della Figura 2 è rappresentato dal numero degli edifici costruiti dopo il 2000 aventi classi energetiche nettamente più performanti rispetto alle decadi precedenti.

Metodologia

La procedura di analisi si basa su due fonti di dati:

• la spesa media di energia elettrica e per la fornitura di gas naturale per una famiglia;

• gli Attestati di Prestazione Energetica per gli edifici residenziali registrati in Emilia-Romagna dal 2016 al 2022.

Spesa media per i consumi energetici degli edifici

La spesa media di energia per una famiglia è ottenuta per questa analisi dalle rilevazioni di ARERA [22]; in particolare, sono stati considerati i prezzi totali (spesa per la materia energia, spesa per il trasporto e la gestione del contatore, spesa per oneri di sistema e imposte) rispettivamente per l’energia elettrica e di gas naturale con le seguenti:

• condizioni economiche di fornitura per una famiglia con 3 kW di potenza impegnata e 2.700 kWh di consumo annuo;

• condizioni economiche di fornitura per una famiglia con riscaldamento autonomo e consumo annuale di 1400 m3

Per questo tipo di analisi non sono considerate tutte le altre spese che fanno riferimento all’edificio, come per esempio consumo di acqua potabile, tasse per i rifiuti etc.

In coerenza con gli APE, i prezzi di energia sono considerati per gli ultimi 7 anni, ovvero dal 2016 al 2022.

In tabella I sono riportati i prezzi medi annui suddi-

visi per consumi di gas e di elettricità, le bollette medie per una famiglia rispettivamente per i consumi di gas e di elettricità e infine l’incidenza in percentuale della bolletta del gas e dell’elettricità rispetto alla bolletta totale.

Dalla tabella si nota come i rispettivi prezzi del gas e dell’elettricità siano rimasti invariati fino al 2020 per poi subire un sensibile aumento negli ultimi due anni. In particolare, nel 2022 c’è stato un aumento rispettivamente del 57% per il gas e del 108% per l’energia elettrica rispetto all’anno precedente. Inoltre, se si osservano le ultime due colonne si nota che il rapporto tra il gas e l’energia elettrica è stato fino al 2021 rispettivamente 2/3 e 1/3 per il gas e l’energia elettrica rispetto al totale, mentre nel 2022 questo rapporto si è quasi egualmente distribuito.

Attestati di Prestazione Energetica (APE)

Partendo dagli APE registrati e dichiarati dai certificatori energetici sul database SACE per la regione Emilia-Romagna, si è considerata la prestazione energetica totale per il riscaldamento e produzione di acqua calda sanitaria espressa in kWh/anno per ogni unità immobiliare con destinazione residenziale (E1.(1) in accordo al D.P.R. n 412/1993). Per ottenere i consumi di gas totali, a questi sono stati poi aggiunti quelli relativi l’uso cottura cibi con fornelli a gas naturale [23].

I consumi elettrici non sono disponibili sugli APE e per questo motivo sono stati ottenuti per via indiretta utilizzando le percentuali medie riportate nella tabella I rispetto al totale dei consumi.

#80 34 4% 1% 2% 2% 2% 4% 9% 14% 23% 39% 0% 5% 10% 15% 20% 25% 30% 35% 40% 45% A4A3A2A1BCDEFG NUMERO APE IN PERCENTUALE CLASSI ENERGETICHE
EDIFICI RESIDENZIALI FIGURA 1 Distribuzione in percentuale degli Attestati di Prestazione Energetica (APE) per le sole destinazioni residenziali E1.(1) suddivise per classi energetiche dal 2016 al 2022 per l’Emilia-Romagna FIGURA 2 Numero in percentuale degli edifici residenziali per decadi dell’anno di costruzione suddiviso per classi energetiche dal 2016 al 2022 per l’Emilia-Romagna
0,6% 1,1% 0,1% 0,3% 0,6% 0,7% 2,5% 4,9% 4,7% 3,2% 2,2% 2,5% 0,2% 0,0% 1,3% 2,7% 0,2% 0,8% 1,7% 2,0% 6,3% 9,6% 8,0% 3,7% 1,5% 0,9% 0,2% 0,1% 0,0% 2,0% 4,0% 6,0% 8,0% 10,0% 12,0% 14,0% 16,0% 18,0% 20,0% numero di edifici in percentuale Anno
A4 A3 A2 A1 B C D E F G
di costruzione edificio residenziale

I metri cubi di gas (relativi al riscaldamento, acqua calda sanitaria e cottura cibi) sono stati ottenuti dividendo il valore del fabbisogno energetico per il potere calorifico inferiore del gas pari a 9,6 kWh/m3 [24].

Tali consumi di gas espressi in metri cubi sono stati aggregati come valori medi per classe energetica e successivamente sono stati ottenuti i costi medi della bolletta del gas moltiplicando i metri cubi di gas per i rispettivi prezzi medi forniti da ARERA [22] riportati in tabella 1.

Si precisa che i consumi totali del gas per il riscaldamento degli ambienti, produzione acqua calda sanitaria e uso cottura dei cibi si basano sulla metodologia di calcolo standard in accordo alla normativa per il calcolo della prestazione energetica degli edifici [25]. I valori riportati non sono quelli reali, e non si riferiscono ai dati di consumi

delle bollette ricevute degli utenti. I dati si riferiscono a un uso “standard” dell’edificio in condizioni climatiche tipo, considerando un riscaldamento continuo dell’edificio a una temperatura di 20 °C per tutto il periodo di riscaldamento per 24 ore al giorno. I consumi reali degli edifici potrebbero essere maggiori o minori di quelli riportati nel seguente articolo a secondo dell’uso e del funzio-

namento realistico dell’edificio, nonché delle condizioni climatiche esterne.

Le valutazioni effettuate nel presente lavoro non tengono conto dell’effettivo utilizzo e conduzione degli impianti di riscaldamento e produzione di acqua calda sanitaria.

Il costo totale della bolletta suddivisa per classe energetica si ottiene sommando il costo medio peri i consumi di gas e il costo medio per i consumi elettrici; tale costo dovrebbe rappresentare il costo energetico di una famiglia media (2,2 componenti per un edificio di 70 m2 di superficie) che dovrebbe sostenere per la sua unità abitativa per un uso standard dell’edificio [25].

Risultati

Considerando il 10% indicator come limite inferiore per definire la soglia di reddito al fine di non ricadere in povertà energetica, è stato successivamente calcolato il reddito netto minimo di una famiglia suddiviso per classe energetica e per anno di costruzione dell’edificio. Tale valore è stato ottenuto considerando che il parametro 10% indicator indica che, per non essere in povertà energetica, una famiglia dovrebbe spendere al massimo il 10% del suo reddito familiare. Di conseguenza, il reddito minimo per non ricadere in tale condizione dovrebbe essere almeno dieci volte superiore alla spesa energetica “standard” ottenuta dalle analisi effettuate in questo articolo.

In Figura 4 si riporta il reddito netto minimo per una famiglia suddiviso per classe energetica di un edificio avente destinazione residenziale. I valori riportati in figura sono arrotondati e rappresentano una stima della soglia minima (linea rossa) di reddito di separazione dalla zona a rischio di povertà energetica rispetto alla zona soprastante (al di sopra del rischio).

#80 35
FIGURA 3 Reddito netto medio familiare limite calcolato con il 10% indicator della povertà energetica per gli edifici residenziali suddiviso per classi energetiche dal 2016 al 2022 per l’Emilia-Romagna
€ 6.000 € 8.500 € 11.000 € 12.500 € 14.500 € 16.000 € 19.000 € 23.000 € 29.000 € 40.000 € 0 € 5.000 € 10.000 € 15.000 € 20.000 € 25.000 € 30.000 € 35.000 € 40.000 € 45.000 A4A3A2A1BCDEFG REDDITO NETTO MEDIO FAMILIARE (€) CLASSE ENERGETICA EDIFICIO RESIDENZIALE ZONA A RISCHIO POVERTÀENERGETICA ZONAAL DI SOPRA DEL RISCHIO POVERTÀENERGETICA €31.000 €34.000 €37.000 €37.000 €34.000 €34.500 €34.000 €33.000 €33.000 €31.000 €27.000 €20.000 €11.000 €10.000 € 0 € 5.000 € 10.000 € 15.000 € 20.000 € 25.000 € 30.000 € 35.000 € 40.000 € 45.000 REDDITO NETTO MEDIO FAMILIARE (€) ANNO DI CONSTRUZIONE EDIFICIO RESIDENZIALE ZONA A RISCHIO POVERTÀENERGETICA ZONAAL DI SOPRA DEL RISCHIO POVERTÀENERGETICA
FIGURA 4 Reddito netto medio familiare limite calcolato con il 10% indicator della povertà energetica per gli edifici residenziali suddiviso per decadi dell’anno di costruzione dal 2016 al 2022 per l’Emilia-Romagna
Prezzo gas
Bolletta totale (gas+elettricità) Percentuale gas Percentuale elettricità c€/m3 c€/kWhel € € € % % 2016 72,2 18,5 1011 499 110 67% 33% 2017 73,2 19,3 1024 521 1545 66% 34% 2018 77,6 20,4 1086 551 1637 66% 34% 2019 76,7 20,7 1073 558 1631 66% 34% 2020 66,6 17,9 932 483 1415 66% 34% 2021 81,4 23,4 1140 631 1771 64% 36% 2022 128,2 48,7 1795 1316 3110 58% 42%
TABELLA 1 Prezzi totale medi annui suddivisi per gas e elettricità per una famiglia tipo (ARERA)
anno
Prezzo elettricità Bolletta gas per 1400 m3 Bolletta elettrica per 2700 kWhel

Per esempio, nel caso una famiglia abitasse in una unità immobiliare di classe D, il reddito minimo medio del 10% indicator è 19.000 euro: con un reddito familiare più basso il rischio di non avere la disponibilità economica per sostenere la bolletta energetica (gas + elettricità) è più alto. Dal grafico si può notare che alle classi energetiche più performanti (A4, A3, A2 e A1) corrispondono consumi più bassi e quindi di conseguenza livelli di reddito minimi medi più bassi per superare la zona di povertà energetica al di sopra della linea rossa. Mentre per le classi energetiche peggiori (E, F e G) i redditi minimi sono più alti per poter sostenere bollette energetiche nettamente più alte. Si nota come per la sola classe G, il reddito familiare medio minimo è di circa 40.000 euro, molto più alto rispetto alle altre classi energetiche.

Analoghe considerazioni possono essere fatte osservando la Figura 5 che riporta i livelli di reddito minimi medi per una famiglia correlati con l’anno di costruzione dell’edificio rappresentato in decadi. È interessante notare come per gli edifici costruiti prima del 1989, la soglia di reddito minimo di separazione dalla zona della povertà energetica rimane grosso modo costante, oscillando tra un minimo di 31.000 euro a un massimo di 37.000 euro, mentre per edifici costruiti in anni più recenti, come per esempio dal 2000 a oggi, i redditi minimi per non appartenere alla zona di povertà energetica siano nettamente più bassi.

Conclusioni

L’approccio proposto in questo articolo permette, potenzialmente, la comparazione dei dati disponibili nei diversi contesti nazionali ed europei per ottenere una stima delle condizioni economiche delle famiglie a rischio di povertà energetica. Tale approccio potrebbe fornire indicazioni importanti per le politiche locali come, per esempio, l’identificazione delle aree dove l’azione di contrasto alla povertà energetica possa esser di maggior efficacia preventiva, oppure per permette di innescare azioni ad-hoc per il sostegno della riqualificazione energetica degli edifici per renderli più efficienti e ridurre i consumi, elementi necessari per la transizione verso gli edifici a emissioni zero.

Si ribadisce come la povertà energetica rappresenta oggi una importante sfida per la società, con ripercussioni economiche e ambientali che devono essere affrontate con particolare urgenza e che richiedono un approccio trasversale sia per gli obiettivi sociali che per quelli ambien-

tali ed energetici, con particolare attenzione alle disuguaglianze.

Una delle prime azioni da perseguire è senz’altro quella di efficientare gli edifici residenziali, soprattutto quelli con classi energetiche peggiori (E, F e G). Questo, oltre a permettere di ridurre i costi della bolletta energetica, produrrà un impatto positivo su altri benefici non energetici e macroeconomici attraverso risparmi indiretti come

BIBLIOGRAFIA

il miglioramento della sicurezza energetica e della resilienza, la creazione di occupazione, il miglioramento della salute, della produttività e comfort degli occupanti degli edifici.n

* Cosimo Marinosci, Responsabile dell’Organismo regionale di Accreditamento per la certificazione energetica degli edifici in EmiliaRomagna – ART-ER S. cons. p. a.

[1] Regolamento UE 2018/1999 sulla governance dell’Unione dell’energia e dell’azione per il clima, art. 3, comma 3 – https:// eurlex.europa.eu/legal-content/IT/TXT/PDF/?uri = CELEX:32018R1999&from = EN

[2] Proposta di direttiva del Parlamento europeo e del Consiglio sulla prestazione energetica nell’edilizia (rifusione) – https:// eur-lex.europa.eu/legal-content/IT/TXT/HTML/?uri = CELEX:52021PC0802&from = EN

[3] https://ec.europa.eu/energy/topics/markets-and-consumers/energy-consumer-rights/energy-poverty_en?redir = 1

[4] OCSE (2020), How’s Life? 2020: Measuring Well-Being – https://www.oecd.org/italy/Better-Life-Initiative-country-note-Italy.pdf

[5] La povertà energetica in Italia – Secondo rapporto dell’Osservatorio Italiano sulla Povertà Energetica (OIPE) – https://oipeosservatorio.it/wp-content/uploads/2020/12/rapporto2020_v2.pdf

[6] National indicators on energy poverty – https://energy-poverty.ec.europa.eu/observing-energy-poverty/local-indicators_en

[7] Ivan Faiella e Luciano Lavecchia, 2014. “Energy poverty in Italy”, Questioni di Economia e Finanza, n. 240, Banca d’Italia

[8] Faiella I, Lavecchia L., 2015. “Energy Poverty in Italy”, Politica economica, 1: 27-76.

[9] Faiella I, Lavecchia L., 2021, “Energy poverty. How can you fight it, if you can’t measure it?”, Energy and Buildings, Volume 233, 15 February 2021, 110692

[10] Boardman B., Fuel Poverty: From Cold Homes to Affordable Warmth, Pinter Pub Ltd, 1991

[11] Boardman B., Fixing Fuel Poverty: Challenges and Solutions, Routledge, 2013

[12] Bouzarovski S. and Thomson H., Tranforming energy poverty policies in the European Union Energy Poverty Observatory, The Energy Poverty Observatory, European Commission, 2019

[13] Fanno M., Analysis of Italian Performance Certificate, Census and Survey data, WP 252/2020, University of Padova

[14] Camboni R., Corsini A., Miniaci R., Valbonesi P., Mappare il rischio di PE a livello comunale – Rapporto OIPE 2020 pagg. 31-35 – https://oipeosservatorio.it/wp-content/uploads/2020/12/rapporto2020_v2.pdf

[15] Fabbri K., Marinosci C., Povertà energetica ed edifici residenziali – il caso SACE Emilia-Romagna, pagg. 73-81 – https://oipeosservatorio.it/wp-content/uploads/2020/12/rapporto2020_v2.pdf

[16] https://energia.regione.emilia-romagna.it/certificazione-energetica/certificazione-energetica-degli-edifici – https://sace. regione.emilia-romagna.it/

[17] Deliberazione della Giunta Regionale 9 novembre 2020, n. 1548 – “Modifiche all’atto di coordinamento tecnico regionale per la definizione dei requisiti minimi di prestazione energetica degli edifici di cui alle Deliberazioni di Giunta Regionale n. 967 del 20 luglio 2015 e 1715 del 24 ottobre 2016”

[18] Marinosci C, Morini G.L. Check-in and control activities on the energy performance certificates in Emilia-Romagna (Italy). Energy Procedia, Volume 45, 2014, pag. 434–442, doi:10.1016/j.egypro.2014.01.047

[19] Fabbri K., Marinosci C., EPBD independent control system for energy performance certification: The Emilia-Romagna Region (Italy) pioneering experience, Energy, Volume 165, 2018, p.563-576, doi.org/10.1016/j.energy.2018.10.009

[20] ISTAT, 15º censimento della popolazione e delle abitazioni del 2011, C.18 Costruzioni, Annuario Statistico Italiano, 2014

[21] ISTAT, 15º censimento della popolazione e delle abitazioni del 2011, Edifici e Abitazioni, 11 agosto 2014, censimentopopolazione.istat.it

[22] ARERA “Composizione percentuale del prezzo del gas naturale per un consumatore domestico tipo” e “Composizione percentuale del prezzo dell’energia elettrica per un consumatore domestico tipo”: https://www.arera.it/it/dati/gs3.htm e https://www. arera.it/it/dati/ees5.htm (ultima visita maggio 2023)

[23] UNI/TS 11300-1, Prestazioni energetiche degli edifici – parte 1: Determinazione del fabbisogno di energia termica dell’edificio per la climatizzazione estiva ed invernale, 2008 (prospetto 14, paragrafo 5.3)

[24] Nota metodologica e fattori di conversione – https://energia.regione.emilia-romagna.it/come-fare-per/allegati-banche-dati/ nota-metodologca-e-i-fattori-di-conversione

[25] UNI/TS 11300, Prestazioni energetiche degli edifici (1, 2, 3, 4, 5 e 6)

#80 36

LA MAGIA TRA ARIA E LUCE CREA IL COMFORT PERFETTO

La prima cassetta idronica per la climatizzazione comfort dal livello estetico mai raggiunto, nella quale aria e luce diventano le nuove protagoniste della scena.

EFFETTO AirClissi è la soluzione innovativa che integra, all’interno del modulo di aspirazione aria ad effetto Coandă, un sottile layer di luce led, studiato per esaltare lo stile dell’ambiente in totale sinergia con i dispositivi di illuminazione principali. Pannello in esclusivo materiale Dibond® in 3 versioni cromatiche. Layer di luce led in due colorazioni, calda e neutra, con intensità luminosa modulabile attraverso controllore Galletti o app dedicata.

galletti.com

EFFETTO AirClissi: LA MAGIA TRA ARIA E LUCE CREA IL COMFORT PERFETTO

Galletti lancia il suo ultimo importante prodotto, progettato internamente dalla sua Advanced Design Unit, con l’obiettivo di elevare il concept di cassetta idronica ad un livello estetico mai raggiunto. EFFETTO AirClissi è l’innovativa interpretazione del terminale idronico di Galletti per creare una maggiore interazione emozionale tra un elemento “tecnico” e l’ambiente da climatizzare

Iterminali idronici sono spesso valutati secondo un unico aspetto: la performance tecnica. Senza dubbio, le prestazioni termodinamiche e acustiche dei terminali idronici sono importantissime ma, ed è questa la vera innovazione nell’approccio al progetto della Advanced Design Unit di Galletti, solo se inseribili all’interno di un concetto olistico più ampio che metta al centro l’utilizzatore con le sue reali necessità e i suoi desideri, sia in relazione al comfort climatico, sia in relazione all’aspetto estetico del prodotto e del contesto in cui si dovranno inserire.

Integrazione tra terminale idronico e ambiente

Proprio dall’esigenza di una maggiore necessità di integrazione tra il terminale idronico e l’ambiente da climatizzare, prende vita oggi l’ultimo importante prodotto di Galletti: EFFETTO AirClissi la soluzione innovativa che integra all’interno del modulo di aspirazione aria ad effetto Coandă, un sottile layer di luce led, studiato appositamente per esaltare al massimo lo stile dell’ambiente in totale sinergia con i dispositivi di illuminazione principali.

EFFETTO AirClissi, infatti, permette di regolare l’intensità luminosa del ter-

minale idronico a proprio piacimento per adattarsi al meglio alle esigenze estetiche, indipendentemente dalle regolazioni di comfort climatico in uso. I moduli luminosi, disponibili nella colorazione neutra 4000 K, possono essere modulati attraverso il controllore a microprocessore EVO di Galletti.

Le linee di EFFETTO AirClissi sono eleganti, pulite, essenziali e sono state disegnate dalla Advanced Design Unit di Galletti per valorizzare al meglio l’estetica degli ambienti in cui il terminale viene inserito, senza più, quindi, avere la necessità di doverlo“nascondere”.

L’innovazione nei materiali

Anche attraverso l’uso dei materiali Galletti ha voluto differenziare la sua nuova proposta in modo inedito per il settore. Tra i protagonisti del nuovo terminale EFFETTO AirClissi di Galletti troviamo, infatti, il Dibond®: un materiale composto da una lastra con struttura a “sandwich” costituita da due lamine di alluminio

Informazioni dalle aziende

che, oltre ad avere un’ottima tenuta alla formazione della condensa, ha consentito all’ Advanced Design Unit di Galletti di sviluppare il design lineare e pulito dell’oggetto e di offrire agli utilizzatori tre differenti soluzioni cromatiche: Grey (con rivestimento in alluminio naturale spazzolato), White (bianco RAL 9010) e Black (nero RAL 9005).

Massimo comfort

Il modulo EFFETTO AirClissi si abbina alla solida e affidabile tecnologia Acqvaria di Galletti ed è stato concepito per garantire il massimo comfort. Grazie alla tecnologia dell’effetto Coandă, il lancio dell’aria è stato ottimizzato attraverso simulazioni fluidodinamiche computazionali (CFD), validate anche dalle prove sperimentali effettuate nei laboratori Galletti e la speciale geometria dei convogliatori consente al getto d’aria di lambire il soffitto e le pareti senza mai investire direttamente le persone diventando la soluzione ideale nelle installazioni in ambito light commercial, uffici e hotel.

Plus di prodotto (sintesi)

• Stile essenziale e lineare

• Materiali inediti nel segmento delle cassette idroniche

• Dibond® - tenuta alla formazione condensa

• Lancio dell’aria ottimizzato grazie all’effetto Coandă

• Affidabilità della cassetta ACQVARIA

• Magneti posti sul pannello frontale - installazione e manutenzione facilitata

• 3 versioni cromatiche del pannello in Dibond®

• Integrazione stilistica attraverso la luce (approccio sinestetico)

Scopri ulteriori informazioni su EFFETTO AirClissi su: www.galletti.com/terminali-idronici/cassette/effetto

Effetto Airclissi - Silver (luce calda e luce fredda)

Il ruolo delle pompe di calore nelle comunità energetiche:potenzialità e limiti

Questo lavoro mira a stimare in modo qualitativo i benefici apportati da un sistema di riscaldamento basato su pompe di calore alle comunità energetiche, focalizzandosi su condomini in climi in cui il fabbisogno di riscaldamento è prevalente

Recentemente l’Unione Europea ha emanato le direttive europee UE 2018/2001 e 2019/944

con cui le comunità energetiche vengono formalmente riconosciute. Una comunità energetica è una comunità di cittadini che partecipa ai sistemi energetici per ottenere benefici ambientali, economici o

sociali (Caramizaru et al. 2020). Le prime apparizioni delle comunità energetiche possono essere fatte risalire all’inizio del XIX secolo, quando queste comunità sono state fondate in risposta alla povertà energetica delle aree non indu-

strializzate (Barroco et al. 2020), e ci sono già diversi esempi di comunità energetiche disseminate nei paesi europei (Roberts et al. 2020).

Le comunità energetiche consentirebbero una diffusione della gene-

#80 40
Ricerca

razione decentralizzata di energia da fonti rinnovabili – come l’energia solare – e un utilizzo più razionale di questa, contribuendo al processo di decarbonizzazione del settore edilizio. I lavori di ricerca di Fina et al. (2019) e Viti et al. (2020) hanno dimostrato una maggiore redditività finanziaria delle fonti di energia rinnovabile nella comunità energetica rispetto ai singoli edifici. Inoltre, secondo Lopes et al. (2016), i vicini di casa che condividono l’energia generata in loco – formando così una comunità energetica – migliorano il loro autoconsumo energetico (SC). Secondo Luthander et al. (2016) e Minuto et al.

(2021), le comunità energetiche sono confrontabili, in termini di miglioramenti, con altre strategie di massimizzazione del SC convenzionale, come la gestione e il controllo della domanda (Widén et al. 2014).

In questo contesto, la presenza di un sistema di riscaldamento basato su pompe di calore (HP) nella comunità può essere vantaggiosa per il livello di autoconsumo raggiungibile. Questo lavoro mira a stimare in modo qualitativo i benefici apportati da un sistema di riscaldamento basato su HP alle comunità energetiche. Il focus del lavoro è sui condomini in climi in cui il fabbisogno

di riscaldamento è prevalente.

La sezione seguente introduce i materiali e i metodi adottati in questo lavoro. Quindi i risultati sono presentati e discussi.

Metodologia

L’analisi sul ruolo delle pompe di calore nelle comunità energetiche viene effettuata concentrandosi su edifici multifamiliari situati in climi in cui il fabbisogno di riscaldamento è prevalente. Le caratteristiche geometriche e termiche degli edifici sono ottenute da Capozza et al. (2014), che categorizza gli edifici in base alla posizione, alla dimensione e all’anno di costruzione. L’anno di costruzione viene utilizzato per assegnare le proprietà termiche, basate su una classe di involucro identificata dalle politiche di efficienza energetica in vigore in quel momento in Italia. La classe più performante – ovvero VR – è conforme all’EPBD 2010. La Tabella 1 e la Tabella 2 riportano rispettivamente le caratteristiche geometriche e termiche degli edifici considerati, che sono condomini di medie dimensioni (MC) e condomini di grandi dimensioni (LC).

Il layout del sistema di riscaldamento è presentato nella Figura 1 e consiste in una pompa di calore aria-acqua modulante collegata all’accumulo termico (TES) per la produzione di acqua calda sanitaria e all’accumulo tampone (BS) per l’acqua di riscaldamento degli ambienti. Le unità terminali sono radiatori o pannelli radianti, a seconda della classe dell’involucro dell’edificio. Sulle coperture degli edifici sono installati pannelli fotovoltaici con una potenza picco di 140 W/m2

I dati della pompa di calore sono forniti dalla scheda tecnica del produttore per la potenza elettrica totale (cioè comprensiva del consumo di energia del ventilatore e dei controlli) a A7W35 tra 7 kW e 24 kW e un COP medio in queste condizioni pari a 4,4. Per potenze maggiori, la potenza viene aumentata mentre il COP viene mantenuto costante e uguale alla pompa di calore di potenza nominale di 24 kW.

Il volume dell’accumulo tampone è impostato pari a 1,0 m3 e 1,8 m3 rispettivamente per MC e LC. Il TES ha un volume di 2,2 m3 e 6,6 m3 per MC e LC.

La temperatura di mandata all’unità terminale è controllata da una valvola di miscelazione che regola la temperatura in base a un controllo di reset della temperatura esterna. La pompa di calore viene accesa ogni volta che la sonda in cima all’accumulo misura una temperatura

#80 41
Classi Ufloor [W/(m2 K)] Uwall [W/(m2 K)] Uroof [W/(m2 K)] Serramenti V5 1,08 0,78 1,05 Singolo pannello V6 0,77 0,62 0,71 Doppio pannello V7 0,34 0,34 0,32 Vetro Doppio VR 0,24 0,24 0,21 Vetro Triplo
TABELLA 2 Proprietà termiche delle classi di involucro
Edificio # Piani # appartamenti Afloor [m2] V [m3] Aw,S [m2] Aw,E–W [m2] MC 3 12 405,5 3649,5 50,1 37,6 LC 6 36 522,6 9406,5 138,5 103,8
TABELLA 1 Caratteristiche geometriche dei condomini di medie (MC) e grandi dimensioni (LC) FIGURA 1 Layout dell’impianto di riscaldamento

inferiore al set-point, che dipende anche dalla temperatura esterna. La velocità di rotazione (cioè la frequenza di alimentazione) del compressore viene modulata in funzione della differenza di temperatura tra l’accumulo e il set-point ambientale in modo che la potenza fornita aumenti all’aumentare della differenza di temperatura e viceversa. La sonda di temperatura nel TES invia il segnale di controllo per attivare la modalità di priorità per la produzione di acqua calda sanitaria. In questa modalità, la pompa di calore funziona alla massima velocità.

Milano e Strasburgo sono considerate come località per lo studio, la prima rappresenta il clima medio-nord italiano, mentre la seconda è il riferimento per il clima europeo.

Il modello di simulazione dell’edificio e del sistema è stato realizzato in TRNSYS 18 e l’elaborazione dei risultati è stata eseguita in MATLAB.

Modello della Pompa di Calore

Il modello di pompa di calore (HP) è stato sviluppato da Bee et al. (2016) ed è basato su mappe di prestazioni fornite dal produttore. L’operazione a carico parziale è modellata attraverso un fattore di correzione del COP che dipende dal rapporto tra la frequenza di alimentazione del compressore e la frequenza nominale (cioè 50 Hz) – che è una buona approssimazione del rapporto di capacità (CR).

La frequenza varia per modulare l’output di potenza termica della HP, Pinamonti et al. (2020a), e la relazione tra la frequenza e l’assorbimento di potenza elettrica ottenuta dai dati del produttore è utilizzata per determinare l’input di potenza elettrica.

Questa curva è anche impiegata per determinare a quale frequenza la HP dovrebbe funzionare per utilizzare la generazione di energia solare fotovoltaica in eccesso, che è il punto chiave della strategia di controllo sviluppata da Pinamonti et al. (2020a) e sfruttata in questo lavoro.

Strategie di controllo

Il controllore del sistema di riscaldamento implementa una strategia di controllo basata su algoritmi (RBC) per massimizzare l’autoconsumo della generazione PV sviluppata da Pinamonti et al. (2020a) e brevemente presentata di seguito. Questo algoritmo di controllo controlla la velocità di rotazione (cioè la frequenza di alimentazione) del compressore HP in modo che l’HP sfrutti l’intera potenza PV disponibile. L’energia termica in eccesso viene immagazzi-

nata nel TES aumentando il suo punto di settaggio di temperatura fino a 60 °C e nella massa termica dell’edificio aumentando il punto di settaggio della temperatura interna di 2 K. Se il TES è completamente carico, il valore massimo della curva di reset della temperatura esterna viene aumentato di 10 K, consentendo lo stoccaggio dell’energia anche nel BS.

Indicatori chiave della prestazione

L’analisi dei risultati viene effettuata adottando gli indici proposti da Luthander et al. (2015) basati sull’autoconsumo (SC) e sull’autosufficienza (SS), calcolati come: SC

è conforme alla legislazione italiana che recepisce la legge europea sulle comunità energetiche. Aumentando la copertura al 100%, la stessa comunità raggiunge una potenza di picco degli impianti PV installati pari a 260 kWp. Vengono considerate tutte le possibili combinazioni di classi di involucro per gli edifici della comunità energetica, che si traducono in 100 comunità energetiche.

Il consumo totale di energia elettrica della comunità energetica viene valutato assumendo un consumo di energia elettrica per gli elettrodomestici e l’illuminazione di 4 MWh/anno per appartamento. Il profilo di carico è ottenuto da Tjaden et al. (2015), un database di consumi energetici residenziali monitorati.

dove WP è l’energia generata in situ, WL è il consumo totale di energia elettrica (comprendente gli elettrodomestici, l’acqua calda sanitaria e la domanda di energia per il riscaldamento), e W SC è l’energia autoconsumata, cioè:

T = () () {} ∫ min,

WW tW tdt SC LP O

Inoltre, viene presentato il consumo netto di energia, che è WW W netL SC =−

Da notare che gli edifici con SC = SS sono edifici a energia netta zero, ovvero producono ciò che consumano su base annua (Luthander et al. (2015).

Le comunità energetiche

L’esempio di comunità energetica analizzato in questo lavoro è composto da 2 condomini di classe LC e 2 di classe MC, in modo tale che la potenza di picco complessiva degli impianti fotovoltaici (PV) della comunità raggiunga i 200 kWp quando il 75% della superficie del tetto è coperta. Questo valore

Per valutare l’impatto di un sistema di riscaldamento basato su una pompa di calore sull’autoconsumo di una comunità energetica, vengono considerati i seguenti casi:

• Baseline: non viene implementato alcun sistema di riscaldamento basato su pompa di calore e non è presente alcuna condivisione di energia tra gli edifici;

• Baseline con pompa di calore: gli edifici sono dotati di un sistema di riscaldamento basato su una pompa di calore, ma non è presente alcuna condivisione di energia tra gli edifici;

• Comunità: gli edifici – senza pompe di calore – sono aggregati in una comunità energetica, cioè condividono la produzione di energia;

• Comunità con pompe di calore: gli edifici della comunità sono dotati di sistemi di riscaldamento basati su pompe di calore;

• Comunità con pompe di calore e controllo: viene implementata la strategia di controllo RBC di Pinamonti et

#80 42
W W
P
W W SC L
SC
= SS
=

al. (2020a) presentata nella sezione 2.2.

Per questi casi, viene presentato solo il valore mediano della SC delle possibili combinazioni.

L’analisi si concentra quindi sui casi

con sistema di riscaldamento basato su pompa di calore e viene presentato il consumo netto di energia insieme alle metriche SC e SS, considerando anche la dispersione dei risultati.

Risultati e discussione

Questa sezione presenta e discute i risultati dello studio. Le figure si riferiscono ai risultati relativi agli edifici con il 75% della superficie del tetto coperto da pannelli solari. Il confronto tra copertura del 75% e del 100% è poi mostrato nella Figura 6.

Nella Figura 2 viene mostrato il valore mediano di autoconsumo di tutti i casi considerati. Strasburgo presenta valori più elevati a causa della produzione inferiore e del consumo maggiore. In entrambe le località, il caso baseline ha il valore più basso di autoconsumo. La formazione di una comunità energetica in assenza di un sistema di riscaldamento basato su pompe di calore non migliora significativamente l’autoconsumo a causa del tipico profilo di consumo energetico dei dispositivi domestici. L’adozione di pompe di calore sia in singoli edifici che nella comunità energetica porta a un aumento dell’autoconsumo rispettivamente del 3% e del 5% per Milano e del 2% e del 6% a Strasburgo rispetto al caso baseline. Il miglioramento più significativo – del 10% – viene ottenuto attraverso la formazione di una comunità energetica e l’implementazione della strategia di controllo RBC. A Milano, il 55% dell’energia prodotta sul posto può essere autoconsumata e a Strasburgo quasi il 62%.

Nei condomini, solo gli elettrodomestici potrebbero consumare circa il 45-50% dell’energia generata in loco. La formazione di una comunità energetica non porta a miglioramenti significativi né in assenza di un sistema di riscaldamento basato su pompa di calore né in presenza di esso. Tuttavia, i sistemi di riscaldamento basati su pompa di calore offrono la possibilità di controllare l’ottimizzazione dell’autosufficienza. In metà dei casi considerati, il 50% dell’energia generata potrebbe essere autoconsumata.

Considerando solo i casi con sistemi di riscaldamento basati su pompa di calore, la Figura 3 mostra il consumo netto di energia. I risultati variano ampiamente a causa delle diverse combinazioni di classi di involucro. Una comunità energetica riduce trascurabilmente il consumo netto e l’implementazione della strategia RBC porta a miglioramenti leggermente superiori. Il consumo energetico degli edifici è influenzato dalle classi di involucro. Al contrario, rispetto al consumo netto di energia, l’autosufficienza energetica mostrata in Figura 4 è poco influenzata dalla qualità dell’involucro. Come osservato in precedenza, la comunità energetica migliora l’autosufficienza energetica del 2%. Con il controllo per l’ottimiz-

#80 43
FIGURA 2 Confronto dei valori mediani di autoconsumo (SC) per i casi di base e le comunità energetiche FIGURA 3 Box plot del consumo netto di energia per gli scenari della comunità energetica FIGURA 4 Box plot dell’autoconsumo (SC) per gli scenari della comunità energetica

zazione dell’autosufficienza energetica, il miglioramento raggiungibile è del 6% sia per Milano che per Strasburgo, rispetto al caso base con pompe di calore.

La Figura 5 mostra i risultati della SS. Essendo dipendente dall’energia consumata, la SS è influenzata dalle classi di involucro con la maggior parte dei valori della SS che rientrano in un intervallo di circa il 10% centrato sul valore mediano.

L’effetto dell’aumento della copertura del tetto con pannelli fotovoltaici può essere visualizzato sulla cosiddetta “energy-matching chart” (Luthander et al. 2015). Questo è mostrato in Figura 6 per le comunità energetiche a Milano. Le comunità che si trovano al di sotto della bisettrice (ovvero SC > SS) sono consumatori di energia, ovvero consumano di più di quanto producono su base annua. Aumentare la copertura PV aumenta la SS di circa il 3%, mentre la SC diminuisce di quasi il 5%. Nonostante la maggiore SS, le comunità non raggiungono l’equilibrio energetico netto zero. Si noti che se né il consumo di energia né la produzione di energia vengono modificati, un edificio – o una comunità – che non è a bilancio energetico netto zero al punto di partenza non può diventare a bilancio energetico netto zero mediante l’attuazione di qualsiasi strategia di massimizzazione. (Luthander et al. 2015).

Questo lavoro ha trascurato la presenza di sistemi di accumulo di energia elettrica, che tuttavia dovrebbero essere considerati in un’analisi tecnico-economica più ampia. D’altra parte, la scelta di trascurare i carichi dei veicoli elettrici (EV) è coerente con il carattere residenziale della comunità. Infatti, l’utilizzo effettivo dei veicoli

NOMENCLATURA

Afloor Superficie calpestabile netta (m2)

Net floor area (m2)

Aw,S Superficie vetrata rivolta a sud. (m2)

South facing glazing area (m2)

Aw,E−W Superficie vetrata rivolta a Est e Ovest (m2)

Est and West facing glazing area (m2)

SC Rapporto di autoconsumo (-)

Self-consumption ratio (-)

SS Il rapporto di autosufficienza (-)

Self-sufficiency ratio (-)

WL Consumo di energia elettrica (kWh)

electric energy consumption (kWh)

Ufloor Trasmittanza termica del piano terra (W m-2 K-1)

Thermal transmittance of the ground floor (W m-2 K-1)

Uwall Trasmittanza termica delle pareti (W m-2 K-1)

Wall thermal transmittance (W m-2 K-1)

Uroof Trasmittanza termica della copertura (W m-2 K-1)

Roof thermal transmittance (W m-2 K-1)

Wnet Consumo di energia netta (kWh)

net-energy consumption (kWh)

W SC Energia elettrica autoconsumata (kWh)

Self -consumed electricity (kWh)

WP Energia elettrica generate in sito (kWh)

Onsite generate electricity (kWh)

#80 44
FIGURA 5 Box plot della autosufficienza energetica (SS) per gli scenari di comunità energetica FIGURA 6 Grafico di “energy matching” per una copertura del 75% (a sinistra) e del 100% (a destra) di pannelli fotovoltaici per le comunità energetiche a Milano. Sono mostrati i valori massimi, mediani e minimi per ogni caso

BIBLIOGRAFIA

∙ Barroco, F., Alberto Borghetti, A., Cappellaro, F., Carani, C., Chiarini, R., D’Agosta, G., De Sabbata, P., Napolitano, F., Nigliaccio, G., Nucci, C. A., Orozco Corredor, C., Palumbo, C., Pizzuti, S., Pulazza, G., Romano, S., Tossani, F., Valpreda, E. 2020-10“. Le comunità energetiche in Italia – una guida per orientare i cittadini nel nuovo mercato dell’energia”. 2020. GECO & ENEA.

∙ Bee, E.; Prada, A.; Baggio, P. Variable-speed air-to-water heat pumps for residential buildings: Evaluation of the performance in northern Italian climate. In Proceedings of the 12 th RehvaWorld Congress (CLIMA2016), Aalborg, Denmark, 22–25 May 2016.

∙ Capozza, A., Carrara, F., Gobbi, M. E., Madonna, F., Ravasio, F., Panzeri, A.. 2014-02. “Analisi tecnico-economica di interventi di riqualificazione energetica del parco edilizio residenziale italiano”. 2014. Ricerca Sistema Energetico (RSE).

∙ Caramizaru, A. and Uihlein, A., Energy communities: an overview of energy and social innovation, EUR 30083 EN, Publications Office of the European Union, Luxembourg, 2020 doi:10.2760/180576, JRC119433.

∙ Directive 2010/31/EU of the European Parliament and of the Council of 19 May 2010 on the energy performance of buildings

∙ Directive (EU) 2018/2001 of the European Parliament and of the Council of 11 December 2018 on the promotion of the use of energy from renewable sources.

∙ Directive (EU) 2019/944 of the European Parliament and of the Council of 5 June 2019 on common rules for the internal market for electricity and amending Directive 2012/27/EU.

∙ Fina, Bernadette, Hans Auer, and Werner Friedl. 2019-12. “Profitability of PV Sharing in Energy Communities: Use Cases for Different Settlement Patterns.” Energy, Energy, 189 (2019-12): 116148. doi:10.1016/j.energy.2019.116148.

∙ Krasatsenka, A., Connolly, D., Cornelis, E., Bush, R., Voss, P. 2016-11. “Low Carbon Heating and Cooling Strategy for Europe”. 2016. STRATEGO Enhanced Heating & Cooling Plans.

∙ Legge n. 8/2020. 29 febbraio 2020. Parlamento italiano.

∙ Lopes, Rui Amaral, João Martins, Daniel Aelenei, and Celson Pantoja Lima. 2016-08. “A Cooperative Net Zero Energy Community to Improve Load Matching.” Renewable Energy, 93 (201608): 1–13. doi:10.1016/j.renene.2016.02.044.

∙ Luthander, Rasmus, Joakim Widén, Daniel Nilsson, and Jenny Palm. 2015-03. “Photovoltaic Self-Consumption in

∙ Buildings: A Review.” Applied Energy, 142 (2015-03): 80–94. doi:10.1016/j. apenergy.2014.12.028.

∙ Luthander, Rasmus, Joakim Widén, Joakim Munkhammar, and David Lingfors. 2016-10. “Self-Consumption Enhancement and Peak Shaving of Residential Photovoltaics Using Storage and Curtailment.” Energy, 112 (2016- 10): 221–231. doi:10.1016/j.energy.2016.06.039.

∙ Minuto, Francesco Demetrio, Paolo Lazzeroni, Romano Borchiellini, Sergio Olivero, Lorenzo Bottaccioli, and Andrea Lanzini. 2021-02. “Modeling Technology Retrofit Scenarios for the Conversion of Condominium into an Energy Community: An Italian Case Study.” Journal of Cleaner Production, 282 (2021-02): 124536. doi:10.1016/j.jclepro.2020.124536.

∙ Pinamonti, Maria, Alessandro Prada, and Paolo Baggio. 2020-01. “Rule-Based Control Strategy to Increase Photovoltaic Self-Consumption of a Modulating Heat Pump Using Water Storages and Building Mass Activation.” Energies, 13 (23). Multidisciplinary Digital Publishing Institute: 6282. doi:10.3390/en13236282.

∙ Roberts, Joshua. 2020-06. “Power to the People? Implications of the Clean Energy Package for the Role of Community Ownership in Europe’s Energy Transition.” Review of European, Comparative & International Environmental Law, Review of European, Comparative & International Environmental Law, 2020-06. Wiley. doi:10.1111/reel.12346.

∙ Tjaden, T.; Bergner, J.; Weniger, J.; Quaschning, V. 2015-11. “Representative electrical load profiles of residential buildings in Germany with a temporal resolution of one second“, Dataset, HTW Berlin – University of Applied Sciences, License: CC-BY-NC-4.0, downloaded on August 19th, 2020.

∙ Viti, Stefano, Andrea Lanzini, Francesco Demetrio Minuto, Matteo Caldera, and Romano Borchiellini. 2020-10. “Techno-Economic Comparison of Buildings Acting as Single-Self Consumers or as Energy Community Through Multiple Economic Scenarios.” Sustainable Cities and Society, 61 (2020-10): 102342. doi:10.1016/j.scs.2020.102342.

∙ Widén, Joakim. 2014-08. “Improved Photovoltaic Self-Consumption with Appliance Scheduling in 200 Single-Family

∙ Buildings.” Applied Energy, 126 (2014-08): 199–212. doi:10.1016/j.apenergy.2014.04.008.

non suggerisce un carico significativo durante il giorno. I risultati presentati qui raffigurano il limite inferiore dei miglioramenti ottenibili per l’autoconsumo a causa dell’omogeneità dei profili di carico e della discrepanza temporale tra la generazione fotovoltaica e i profili di carico residenziali. Inoltre, l’analisi riguarda solo i climi in cui il fabbisogno di riscaldamento è prevalente, che rappresentano il peggior scenario per l’autoconsumo dell’energia fotovoltaica. Tuttavia, come affermato da Krasatsenka et al. (2016), meno del 20% degli edifici residenziali in Europa soddisfa le proprie esigenze di raffreddamento. Un aumento sostanziale potrebbe essere ottenuto modificando il profilo di utilizzo degli elettrodomestici.

Conclusioni

Questo lavoro presenta un’analisi preliminare sull’impatto delle pompe di calore (HP) nelle comunità energetiche in climi a dominanza di riscaldamento. La formazione di una comunità energetica con edifici dotati di sistemi di riscaldamento basati su HP aumenta moderatamente la SC (circa il 5%) e non ha un impatto significativo sul consumo netto di energia. Tuttavia, le HP consentono lo sfruttamento dei sistemi di RBC per la massimizzazione dell’autoconsumo energetico, come quello implementato qui e sviluppato da Pinamonti et al. (2020a), che portano a un aumento fino al 10% della SC. Come evidenziato anche da Fina et al. (2019), questo lavoro identifica che l’eterogeneità del profilo di carico gioca un ruolo importante nell’efficacia delle comunità energetiche.

Per questo motivo, i futuri lavori dovrebbero considerare i carichi stocastici degli elettrodomestici e diversi tipi di edifici. L’integrazione dell’accumulo elettrico dovrebbe essere valutato anche in uno studio tecnico-economico.

Ringraziamenti

Questa ricerca è stata condotta nell’ambito del progetto FLEXHEAT finanziato dal MIUR-Ministero dell’Istruzione, dell’Università e della Ricerca Italiano (PRIN 2017) con il numero di sovvenzione 2017KAAECT.

#80 45
n
* Nicola Franzoi, Alessandro Prada, Paolo Baggio, Università di Trento

In questo lavoro vengono presentati i risultati di un’analisi preliminare degli impianti di raffrescamento centralizzati e delle relative tecniche di contabilizzazione diretta applicabili, e sono state valutate sperimentalmente le prestazioni metrologiche di un misuratore di portata ad ultrasuoni applicato per la misura della portata di fluido refrigerante in un sistema a espansione diretta

Gli edifici sono responsabili di circa il 40% del consumo energetico mondiale e una quota variabile tra il 40 e il 70% di tale consumo è dovuto al riscaldamento degli ambienti. Negli ultimi anni la domanda finale di energia necessaria per il raffrescamento sta crescendo in modo significativo a causa di numerosi fattori, tra i quali per esempio la crescita del reddito medio delle famiglie così come l’aumento della popola-

zione globale e, non ultimi, gli effetti del cambiamento climatico [1]. Di conseguenza, l’uso di condizionatori d’aria e ventilatori elettrici rappresenta già circa il 10% del consumo globale di elettricità. L’Agenzia Internazionale per l’Energia stima che, in assenza di misure specifiche mirate a incrementare l’efficienza

energetica degli impianti di climatizzazione, la domanda di energia per raffrescamento sarà più che triplicata entro il 2050. In questo contesto, è di primaria importanza individuare misure di efficienza energetica in questo settore.

Nel 2012, la Direttiva sull’Efficienza Energetica, ha reso obbligatoria l’in-

#80 46
C. Aprea, L. Canale, M. Dell’Isola, G. Ficco, A. Frattolillo, A. Maiorino, F. Petruzziello*
Contabilizzazione
Uso dei misuratori di portata a ultrasuoni per la contabilizzazione dell’energia termica negli impianti di raffrescamento

stallazione di sistemi di metering e sub-metering per gli edifici alimentati da impianti di riscaldamento, produzione di acqua calda sanitaria e raffrescamento centralizzati, previa verifica di fattibilità tecnica ed economica. Tali disposizioni sono state recepite in maniera essenzialmente immodificata a livello nazionale con il D. Lgs. 102/2014 e sue successive m.i. (D. Lgs. 141/2016 e D. Lgs. 73/2020).

Un sistema di contabilizzazione è costituito da uno o più contatori principali (livello “metering”) e da un insieme di sotto-contatori (livello “sub-metering” o ripartizione), la cui funzione è quella di ripartire i costi energetici tra le utenze finali in proporzione ai consumi effettivi [2-3].

Nella maggior parte dei casi, l’energia complessivamente consumata dal generatore (livello “metering”) per uno o più servizi (riscaldamento, raffrescamento, ACS) può essere misurata semplicemente attraverso contatori di energia termica diretta (CET), contatori elettrici, contatori del gas ecc. Al contrario, la ripartizione dei consumi alle singole utenze (livello sub-metering) è più complessa, a causa delle numerose tipologie impiantistiche in uso per la produzione e la distribuzione di fluidi termovettori. Il sistema di ripartizione, infatti, deve essere progettato tenendo conto delle peculiarità della specifica tipologia di unità interna e delle proprietà termodinamiche del fluido termovettore.

La ripartizione dei consumi può essere effettuata in due modalità: i) diretta, ovvero misurando l’effettiva energia termica scambiata dal fluido termovettore con le zone termiche; ii) indiretta, ovvero misurando uno o più parametri proporzionali al consumo energetico di una zona termica (es. tempi di apertura delle valvole). L’applicabilità di una tecnica rispetto all’al-

tra è legata alla tipologia del sistema di emissione/distribuzione e alla fattibilità economica dell’intervento.

La letteratura scientifica riguardante i sistemi di contabilizzazione dell’energia termica negli impianti di raffrescamento è ancora limitata, data la scarsa diffusione delle reti di teleraffrescamento [4] ma anche degli impianti di climatizzazione centralizzati (ICC), rispetto a quelli nel settore del riscaldamento. La maggior parte degli studi disponibili affrontano il problema per uno specifico ICC.

Nel quadro sopra delineato, nel 2022 è entrata in vigore la norma UNI 11879:2022 “metodologie per la misura dell’energia termica assorbita e rilasciata negli impianti di climatizzazione centralizzati”, sviluppata dalla commissione tecnica CTI 271 per fornire indicazioni metodologiche per la progettazione di sistemi di misura e contabilizzazione dell’energia termica assorbita e rilasciata negli impianti di climatizzazione centralizzati.

Tra le tecniche di misura individuate per la ripartizione dei consumi negli impianti di raffrescamento centralizzati i misuratori di portata a ultrasuoni presentano grandi potenzialità, essendo non invasivi e con costi mediamente contenuti. Essi, tuttavia, presentano diverse criticità, soprattutto nella configurazione clamp-on, a causa dei ridotti diametri tipici degli impianti di raffrescamento e delle diverse proprietà del fluido termovettore.

In questo contesto, questo articolo ha un duplice obiettivo: i) fornire una breve panoramica degli impianti di raffrescamento centralizzati disponibili e delle relative tecniche di misura diretta applicabili; ii) valutare sperimentalmente l’affidabilità di un misuratore di portata a ultrasuoni (MPU) clamp-on per la misura dell’energia termica di un impianto di raffrescamento a espansione diretta.

Contabilizzazione diretta negli impianti di climatizzazione centralizzati

Un impianto di climatizzazione centralizzato comprende tre elementi principali: i) un’unità di generazione centrale, ii) un sistema di distribuzione e iii) un sistema di emissione nell’unità abitativa.

La contabilizzazione diretta dell’energia termica Q [kJ] scambiata dal fluido si basa su un semplice bilancio energetico, applicato alle sezioni di mandata e ritorno del circuito di scambio termico (equazione 1).

QV hh dt outin t =−() ∫ `  ρ ∫  (1) dove hout/in sono le entalpie nelle sezioni di ritorno/mandata del circuito [kJ kg-1], ρ è la densità del fluido [kg m-3], V è la portata volumetrica del fluido [m3 s-1] nell’intervallo di tempo dt

Pertanto, per misurare l’energia termica scambiata in un impianto di raffrescamento centralizzato è necessario identificare: i) il tipo di fluido termovettore e le sue proprietà termodinamiche, ii) il tipo di sistema di distribuzione, iii) il tipo e il numero di unità terminali e le relative modalità di regolazione (per es. flusso costante o variabile ecc.). Questo è il motivo per cui, sebbene esistano numerose tipologie di impianti di raffrescamento centralizzati, le caratteristiche del sistema di contabilizzazione sono essenzialmente determinate dal tipo di fluido termovettore e dal sistema di distribuzione.

In Tabella 1 sono riassunte le principali tipologie di impianti di climatizzazione centralizzati, ovvero: i) a tutt’aria (aeraulici), a tutt’acqua (idronici), aria-acqua (misti), a espansione diretta e le diverse tecniche di misurazione applicabili.

Impianti a tutt’aria

Negli impianti a tutt’aria la regolazione può avvenire sia agendo sulla temperatura in ingresso (portata costante) sia attraverso una variazione della portata d’aria (portata variabile). Entrambi i sistemi possono essere associati a un sistema di distribuzione a canale singolo o doppio. Di base, i sistemi a tutt’aria sono costituiti da: i) un sistema di generazione; ii) una o più unità di trattamento aria (UTA); iii) canali di distribuzione dell’aria; iv) terminali di immissione e di estrazione. Negli impianti a tutta aria, la misura dell’energia termica per scopi di ripartizione deve essere effettuata secondo l’equazione (1), utilizzando sonde entalpiche (ovvero sonde di temperatura e umidità relativa) e flussimetri massici o volumetrici.

#80 47

In Figura 1 è rappresentato un esempio di impianto aeraulico a portata variabile multizona a singolo condotto con UTA centrale a servizio di più utenze, con la relativa configurazione del sistema di contabilizzazione diretta.

Per impianti semplici funzionanti con un unico condotto, come quello riportato in Figura 1, considerate costanti le portate massiche d’aria in ciascuna zona, il consumo energetico di ogni i-esima unità abitativa Qi può essere calcolato sulla base del bilancio energetico in equazione (2).

Tipo di impianto

Livello di metering (generatore)

Livello di sub-metering (unità terminali)

dove min i (mouti ) sono le portate massiche in ingresso (uscita) dalla i-esima unità immobiliare, [kg s-1]; min tot, è la portata massica totale circolante nel sistema, [kg s-1]; mrictot , è la portata di ricircolo del sistema, [kg s-1]; hin i, (houti ) sono le entalpie associate alle portate massiche  min (  mouti ) [kJ kg-1]; hext è l’entalpia dell’aria esterna, [kJ kg-1]; t è il tempo [h]. L’equazione (2) è valida sia in condizioni di riscaldamento che di raffrescamento.

Impianti a tutt’acqua

Negli impianti idronici il fluido termovettore è rappresentato da una soluzione di acqua additivata. L’impianto è costituito da: i) un sistema di generazione; ii) tubazioni di distribuzione dell’acqua (2 tubi, 4 tubi); iii) sistemi di emissione (ventilconvettori, convettori o sistemi di irraggiamento). Negli impianti idronici, la misura dell’energia termica può essere effettuata mediante l’equazione (3).

QVcT Tdtoutin t =−()

(3)

dove Tout/in sono rispettivamente le temperature di ritorno e di mandata [K], c è il calore specifico medio del fluido termovettore [kJ kg-1  K-1]. A tale scopo può essere utilizzato un contatore di energia termica (CET), strumento metrico-legale costituito da un misuratore di portata, una coppia di sensori di temperatura e un calcolatore. Negli impianti a tutt’acqua possono essere utilizzate diverse unità terminali (radiatori, termoconvettori, ventilconvettori, pannelli radianti ecc.). Per ogni unità terminale sono misurate le seguenti grandezze:

• energia termica sottratta per il raffrescamento e la deumidificazione (se prevista) sulla batteria fredda;

• energia termica fornita per il riscaldamento, il post-riscaldamento e l’umidificazione (se applicabile).

In Figura 2 è rappresentata la configurazione di un sistema di

A tutt’aria

CET (o altro misuratore di energia assorbita dal generatore termico) Contatori energia elettrica (circolatori d’aria di rinnovo, umidificatore, batteria elettrica)

Misuratori di portata a inserzione (e.g. Griglie di Wilson) Sonde entalpiche (i.e. di temperatura e umidità relativa)

A tutt’acqua

CET (o altro misuratore di energia assorbita dal generatore termico) Contatori energia elettrica (pompe di circolazione etc.)

A espansione diretta Contatori di energia elettrica (ventilatori, compressori, elettronica ecc.)

CET

Misuratori di volume/portata, Sonde entalpiche Contatori energia elettrica (ventilatori, schede elettroniche)

Misto A seconda delle necessità è opportuno combinare gli strumenti negli impianti idronici e a tutt’aria

contabilizzazione diretto applicato a un impianto a tutt’acqua con tre utenti finali.

Impianti aria-acqua

I sistemi aria-acqua rappresentano un’ibridazione di sistemi a tutt’aria e tutt’acqua, in cui viene prodotta acqua refrigerata e/o acqua calda e distribuita alle unità terminali (similmente agli impianti a tutt’acqua) e, separatamente, viene distribuita aria primaria da un sistema centrale alle singole zone. In questo modo le unità terminali assicu-

rano il raffrescamento o il riscaldamento di ogni zona, mentre una UTA immette aria di ventilazione direttamente nelle zone. Per progettare il sistema di misura, è necessario combinare le diverse tecniche già descritte per i sistemi tutt’aria e tutt’acqua, considerando la specificità della configurazione del sistema.

Sistemi a espansione diretta

I sistemi a espansione diretta si dividono in due tipologie: i) VRV (volume di refrigerante variabile) e ii) VRF (flusso

#80 48
FIGURA 1 Configurazione di un sistema di contabilizzazione diretto in un impianto a tutt’aria, esempio (UNI 11879:2022)
Qm h m m h m iini in i rictot in tot ext ric =−                
m
              ∫
1 t tot in tot outi
hdt ,
(2)
∫ ρ =−()
TABELLA 1 Strumenti di misura applicati nella contabilizzazione del freddo (UNI 11879:2022)

di refrigerante variabile). Sono costituiti da un’unità esterna, dotata di compressore e di uno scambiatore di calore (che può funzionare indifferentemente da condensatore ed evaporatore), e da una serie di unità interne (split) ciascuna dotata di ventilatore, scambiatore di calore, valvola termostatica elettronica e valvola deviatrice. Il collegamento tra le unità interne ed esterne può essere realizzato mediante un sistema di distribuzione a due o tre tubi. La Figura 3 mostra un esempio di un sistema VRV/VRF a tre tubi e il rispettivo sistema di contabilizzazione diretta applicabile.

Il misuratore di portata e i sensori di temperatura possono essere installati esternamente alle singole unità (split), mentre sull’unità centrale esterna i sensori di pressione possono essere installati direttamente all’ingresso/uscita del compressore (o indifferentemente sulle tubazioni di mandata e ritorno). In questo modo è possibile misurare l’energia consumata in ogni unità abitativa Q i secondo l’equazione (4).

In particolare:

• misurando la pressione di uscita (ingresso) del compressore e le temperature del fluido refrigerante di ingresso (uscita) alle unità interne, è possibile calcolare l’entalpia di ingresso (uscita) alla singola unità interna (split);

• misurando la portata  V del fluido refrigerante all’ingresso della singola unità interna (split) e, conoscendo la densità del fluido refrigerante (ρR), è possibile determinare il consumo di ciascuna unità interna.

Con riferimento al sistema di contabilizzazione semplificato di Figura 3, si segnala che la pressione all’ingresso del compressore potrebbe essere leggermente diversa da quella all’uscita dell’unità interna, con conseguente variazione della stima dell’entalpia in uscita.

Prove sperimentali in campo

Come si evince dalla Tabella 1, la contabilizzazione diretta dell’energia termica negli impianti di climatizzazione centralizzati può essere effettuata principalmente tramite CET, sonde entalpiche, sonde di temperatura, contatori di

energia elettrica e misuratori di portata. In particolare, i misuratori di portata possono essere utilizzati sia come sottoinsiemi separati di un CET o anche solo come strumento di ripartizione dei costi energetici.

In questo contesto, gli autori hanno progettato e sviluppato una campagna sperimentale finalizzata a valutare l’affidabilità di un misuratore di portata a ultrasuoni del tipo clamp-on nel circuito di raffreddamento di un sistema a espansione diretta, per confronto un misuratore di portata a effetto Coriolis.

L’impianto è dotato di un compressore ermetico di tipo volumetrico rotativo scroll, con una cilindrata di 10,8 cm3 e in grado di fornire una potenza frigorifera nominale di 2,55 kW con funzionamento in corrente alternata a 220 V e 50 Hz monofase. L’organo di laminazione è una valvola di espansione termostatica a equalizzazione esterna con range di temperatura operativa [–40 °C; 10 °C] e pressione massima di esercizio pari a 45,5 bar.

Il misuratore a ultrasuoni (di seguito indicato come MPU), prodotto da ISOIL Industria (Figura 4) e la cui precisione dichiarata è compresa nel range 1-3%, è stato installato a valle del condensatore, dove il fluido refrigerante R410A si trova allo stato liquido. Il misuratore è stato installato sufficientemente lontano da gomiti e curve del tubo (ovvero tubo di rame di 10 mm di diametro e 1 mm di spessore, senza rivestimento isolante). Le proprietà del fluido, e in particolare la densità, sono state calcolate tramite il software Refprop 10 [5], in funzione delle specifiche condizioni operative.

A monte del compressore, dove il fluido refrigerante è in fase di vapore surriscaldato, è stato installato un misuratore di portata massica Coriolis (MPC). L’accuratezza dichiarata del MPC è entro lo 0,35%. La Figura 5 illustra la confi-

#80 49
FIGURA 2 Configurazione del sistema di contabilizzazione diretto in un sistema a tutt’acqua, esempio (UNI 11879:2022) FIGURA 3 Configurazione del sistema di contabilizzazione diretto in un impianto a espansione diretta, esempio (UNI 11879:2022)
QV hdt iR i=∆() ∫ ` ρ QV (4)

gurazione sperimentale e il posizionamento dei contatori.

I test sono stati eseguiti in due diverse condizioni ambientali e tre diverse velocità di rotazione del compressore, per un totale di sei condizioni di funzionamento. Le diverse condizioni ambientali fanno riferimento alle temperature dell’aria in ingresso all’evaporatore e in ingresso al condensatore, rispettivamente 23 °C e 29 °C per la prima condizione ambientale, 20 °C e 35 °C per la seconda. La velocità di rotazione del compressore è stata controllata tramite inverter, impostando la frequenza di alimentazione a 30, 40 e 50 Hz.

Le diverse condizioni operative hanno consentito all’impianto di lavorare a diversi valori di portata massica e di valutare il funzionamento del misuratore a ultrasuoni in un range più ampio.

Risultati e discussioni

In Tabella 2 sono riportati i risultati delle prove. Per ogni condizione operativa sono state effettuate tre prove di verifica della ripetibilità ed è stato calcolato l’errore relativo percentuale (RE), prendendo come riferimento il valore di portata massica restituito dal misuratore di portata Coriolis. I valori di portata massica riportati sono ottenuti mediando i valori registrati in un arco temporale di circa 15 min.

In alcuni test, infatti, è stato registrato un andamento anomalo nel segnale di accoppiamento del MPU, probabilmente a causa delle dimensioni ridotte del tubo sul quale dove sono stati installati i sensori.

Come mostrato in Tabella 2, il misuratore MPU non ha mostrato una buona ripetibilità, se non a 29-23 °C e a 50 Hz e 40 Hz. Il RE ha superato il 10% in 5 test su 18. In altri 6 test

il RE assoluto è compreso tra il 5 e il 10%.

Va evidenziato che, nella maggior parte delle prove, è stato osservato un andamento oscillante del flusso di massa misurato dal misuratore MPU (vedi Figura 6). Ciò può essere imputabile al posizionamento del misuratore MPU, installato all’uscita del condensatore e prima del ricevitore di liquido. Il misuratore di portata a ultrasuoni potrebbe aver risentito, infatti, della possibile presenza di vapore causato dalla parziale condensazione del fluido refrigerante e dall’azione di modulazione ciclica della valvola di espansione termostatica.

In Tabella 3, sono riportati i risultati di un’analisi metrologica finalizzata a valutare la compatibilità delle misure effettuate con MPU e CFM, attraverso il calcolo dell’errore normalizzato En (Equazione 5).

E XX UU n UF CMF UF CMF

= + 22 (5) dove XMPU e XMPC sono le misure medie ottenute rispettivamente con MPU e CFM, le corrispondenti incertezze composte estese sono UMPU e UMPC. Secondo [6] la compatibilità è dimostrata quando l’errore normalizzato è minore di 1.

A tal fine, l’incertezza estesa (k = 2) del misuratore di portata Coriolis e

di quello a ultrasuoni è stata stimata secondo le indicazioni riportate in [7], portando a un valore medio di incertezza (inclusa l’accuratezza dichiarata e i contributi di tipo A) compreso tra 0,20 e 0,27% e 1,79-1,98% rispettivamente per il CFM e MPU. Dall’analisi della Tabella 3 si può evidenziare che la compatibilità è verificata solo in tre delle sei condizioni operative. Nei restanti tre casi è evidente l’incompatibilità delle misure.

Infine, come si evince dalla Tabella 3, il RE calcolato sui valori medi ha superato il 4,0% in tre condizioni operative su sei, raggiungendo un valore massimo del 7,0%, mostrando una sistematica sovrastima.

Conclusioni

In questo lavoro sono stati presentati i risultati di un’analisi preliminare degli ICC e delle relative tecniche di misurazione diretta applicabili per la contabilizzazione del freddo, e sono state valutate sperimentalmente le prestazioni metrologiche di un MPU clamp-on applicato per la misura dell’energia di raffreddamento di un sistema a espansione diretta. Secondo l’analisi, il metering e il sub-metering negli impianti di raffrescamento centralizzati richiedono

#80 50
FIGURA 4 Misuratore di portata a ultrasuoni clamp-on ISOIL Industria FIGURA 5 Layout del banco di prova utilizzato

un’attenta analisi dei layout impiantistici, al fine di identificare il corretto sistema di contabilizzazione applicabile che soddisfi anche il criterio di ottimizzazione dei costi. Sebbene i misuratori MPU clamp-on rappresentino una valida e versatile alternativa dal punto di vista della fattibilità sia tecnica che economica, l’analisi sperimentale presentata in questo lavoro ha dimostrato che l’errore di tali misuratori può raggiungere valori supe-

riori al 10%, soprattutto se il misuratore è installato su piccoli diametri (es. i diametri tipici di un impianto di distribuzione) e la portata media del fluido è bassa. Tali errori non sono ammissibili nel campo della Metrologia Legale, tuttavia, i misuratori MPU possono comunque essere una valida alternativa per applicazioni di sub-misurazione, dati gli effetti della compensazione dell’errore che si verificano nei sistemi di misura distribuiti.n

BIBLIOGRAFIA

[1] IEA, Is cooling the future of heating? (2020).

[2] L. Canale, M. Dell’Isola, G. Ficco, T. Cholewa, S. Siggelsten, I. Balen, A comprehensive review on heat accounting and cost allocation in residential buildings in EU, Energy Build. 202 (2019) 109398. https://doi.org/10.1016/j.enbuild.2019.109398.

[3] M. Dell’Isola, G. Ficco, F. Arpino, G. Cortellessa, L. Canale, A novel model for the evaluation of heat accounting systems reliability in residential buildings, Energy Build. 150 (2017) 281–293. https://doi.org/https://doi.org/10.1016/j.enbuild.2017.06.007.

[4] A. Mugnini, G. Coccia, F. Polonara, A. Arteconi, Potential of District Cooling Systems: A Case Study on Recovering Cold Energy from Liquefied Natural Gas Vaporization (2019).

[5] E.W. Lemmon, I.H. Bell, M.L. Huber, M.O. McLinden, NIST Standard Reference Database 23: Reference Fluid Thermodynamic and Transport Properties-REFPROP, Version 10.0, National Institute of Standards and Technology, Standard Reference Data Program, Gaithersburg, 2018.

[6] International Organisation for Standardization, ISO/IEC 17043:2010 Conformity assessment – General requirements for proficiency testing (2010).

[7] JCGM – Joint Committee For Guides In Metrology, JCGM 100:2008 – Evaluation of measurement data – Guide to the expression of uncertainty in measurement.(2008).

#80 51
* Ciro Aprea, Angelo Maiorino, Fabio Petruzziello, Università degli Studi di Salerno Laura Canale, Marco Dell’Isola, Giorgio Ficco, Università degli Studi di Cassino e del Lazio Meridionale Andrea Frattolillo, Università degli Studi di Cagliari FIGURA 6 Trend della portata massica misurata con MPU e MPC (test #4)
TABELLA 3 Risultati dell’analisi di compatibilità metrologica Temp. [°C] Freq. [Hz] MPC [kg/min] UMPC [kg/min] MPU UMPU [kg/min] RE [%] EN 23-29 30 0,551 0,001 0,556 0,010 0,9% 0,489 40 0,689 0,002 0,738 0,015 7,0% 3,301 50 0,815 0,002 0,826 0,015 1,3% 0,689 20-35 30 0,515 0,001 0,540 0,010 4,8% 2,494 40 0,657 0,001 0,699 0,013 6,4% 3,158 50 0,763 0,002 0,776 0,014 1,6% 0,880 Temp. In [°C] Temp. Out [°C] Freq. [Hz] Test n MPC [kg/min] MPU [kg/min] RE [%] Avg. St.dv. Avg. St.dv. 23 °C 29 °C 30 Hz #1 155 0,542 0,012 0,503 0,040 -7% #2 181 0,553 0,005 0,509 0,038 -8% #3 197 0,557 0,005 0,655 0,063 18% 40 Hz #4 189 0,681 0,029 0,762 0,085 12% #5 218 0,693 0,008 0,729 0,123 5% #6 238 0,694 0,007 0,722 0,098 4% 50 Hz #7 234 0,817 0,000 0,844 0,096 4% #8 214 0,814 0,004 0,822 0,088 1% #9 254 0,814 0,005 0,810 0,050 -1% 20 °C 35 °C 30 Hz #10 169 0,515 0,003 0,482 0,036 -6% #11 160 0,516 0,003 0,494 0,036 -4% #12 158 0,514 0,004 0,644 0,054 26% 40 Hz #13 200 0,656 0,004 0,664 0,110 1% #14 216 0,655 0,005 0,639 0,053 -2% #15 209 0,659 0,005 0,793 0,061 20% 50 Hz #16 374 0,761 0,004 0,763 0,077 0% #17 236 0,768 0,004 0,699 0,050 -9% #18 352 0,762 0,005 0,865 0,053 14%
TABELLA 2 Risultati dei test condotti con l’apparato di prova sperimentale Gli autori ringraziano Luigi Solofrizzo e ISOIL Industria per il supporto tecnico e operativo fornito nello sviluppo delle prove sperimentali.

Recupero e rifunzionalizzazione dell’“Ex albergo scuola”

Il progetto riguarda il recupero e la rifunzionalizzazione a fini residenziali, speciali e commerciali dell’immobile denominato “Ex albergo scuola” sito in Siracusa in C.so Umberto Iº costruito negli anni 60 e la cui originaria destinazione d’uso era quella di scuola alberghiera con annesso albergo per attività didattiche. L’immobile sebbene oggetto di diversi interventi non è mai entrato in esercizio in quanto non funzionale per gli obiettivi cui era destinato e rimane oggi in stato di abbandono e ammaloramento. L’attuale intervento, che si colloca all’interno di un più ampio piano di potenziamento del

patrimonio pubblico, si pone l’obiettivo del recupero e valorizzazione di quanto già a disposizione nell’ottica anche di riduzione del consumo di suolo.

Le nuove funzioni previste sono state allocate come in Tabella 1.

Descrizione

L’intervento concerne la riqualificazione funzionale e sismica del contenitore con la realizzazione di un centro di

social housing formato da 38 alloggi, una unità adibita a Casa Famiglia e al piano terra esercizi commerciali, locali comuni e servizi ambulatoriali.

È stato obiettivo di progetto garantire un’ampia capacità di adattarsi a nuove esigenze, attraverso una logica “open” lasciando un’ampia flessibilità nella possibile riconfigurazione e suddivisione degli ambienti interni, anche frazionando i vincoli fissi impiantistici

#80 52
Il progetto prevede la realizzazione di 38 alloggi sociali grazie a un intervento di riqualificazione energetica e adeguamento sismico di un immobile in stato di abbandono a Siracusa
A. Taddia, R. Taddia, G. Barazzetti, A. Mannino, S. Feligioni, L. Blundo*
Social Housing

TABELLA 1 Nuove funzioni dell’immobile

Piano Destinazione d'uso

Rialzato attività commerciali, servizi sanitari, servizi comuni

Primo-secondo-terzo-quarto alloggi (bilocali e trilocali)

Quinto casa famiglia e terrazza comune

Sesto-settimo locali tecnici e impianto fotovoltaico

SUPERFICIE UTILE 3982,76 m2 di cui:

38 alloggi 3000 m2

servizi comuni 650 m2

IMPORTO LAVORI 8.644.774,38 €

con la moltiplicazione e ridondanza dei centri di produzione delle energie per climatizzazione e comfort al fine di poter seguire le esigenze nel lungo periodo di esercizio dell’edificio.

Questo è distribuito su due corpi scala dotati di ascensori che servono i piani dal seminterrato al quinto. La riconfigurazione progettuale degli alloggi, di diversi tagli e superfici, con l’arretramento della muratura perimetrale, ha garantito, alla maggior parte degli alloggi, uno spazio esterno loggiato che consente altresì di offrire riscontri d’aria contrapposti o doppio affaccio al più alto numero possibile di appartamenti. Si veda Figura 1.

Sono inoltre previsti due importanti terrazzi per attività comuni e di socializzazione al piano quarto e al piano quinto e un lastrico solare al piano sesto ospitante gli impianti (in particolare i collettori solari e fotovoltaici).

Grazie al rifacimento di tutte le partizioni esterne, opache e trasparenti, si è ottenuto un involucro termicamente performante, che garantisce un miglior comfort riducendo il fabbisogno di energia per la climatizzazione estiva e invernale; si è così ottenuto un edificio a basso consumo energetico NZEB Near Zero Energy Building. Si veda Figura 2.

Oltre ai loggiati, che caratterizzano i prospetti sud e ovest, per ombreggiare la facciata e garantire uno spazio esterno riservato agli alloggi, sono stati posati dei brise-soleil in wpc che garantiscono un adeguato ombreggiamento smaterializzando la luce garantendo particolari effetti di chiaro/scuro (Figura 3).

I materiali utilizzati sono tutti di prima qualità, certificati, e selezionati in funzione degli obiettivi di progetto, delle prestazioni richieste alle singole componenti e della disponibilità locale.

In particolare si è tenuto conto del ciclo di vita dell’edificio nella definizione dei parametri di costo e nella scelta dei materiali, con attenzione alle energie rinnovabili, alla durabilità e smaltimento dei componenti utilizzati e alla manutenibilità con cavedi impiantistici facilmente accessibili e ispezionabili dalle parti comuni.

Il problema sismico

Per valutare la vulnerabilità sismica delle strutture fortemente ammalorate si è proceduto con una ricerca storico documentale, con accurati rilievi, indagini strumentali, saggi e prove di laboratorio.

La valutazione delle prestazioni sismiche è stata

#80 53
FIGURA 1 Fotoinserimento dell’edificio visto da via Francesco Crispi FIGURA 2 Vista tridimensionale dell’edificio sviluppato in ambiente BIM

condotta mediante impiego di un metodo basato sull’analisi statica non lineare (pushover) la cui applicazione è preceduta dallo svolgimento di un’analisi modale al fine di caratterizzare il comportamento dinamico delle strutture e individuarne i principali modi di vibrare a partire dai quali poter definire la distribuzione di spinta del gruppo 1.

Impianti Meccanici

Il progetto ha visto l’uso di differenti tipologie impiantistiche, in relazione alle diverse destinazioni d’uso del fabbricato in oggetto che non presentano particolare complessità essendo unità abitative e contenuti spazi commerciali per i quali si è data una indicazione di indirizzo lasciando la realizzazione ai futuri utenti (Figura 4).

La scelta progettuale dei sistemi, prendendo in considerazione le varie utenze finali, mira a: • Ottimizzare i consumi energetici tramite la scelta di macchinari ad alte efficienze energetiche, che dialogano con un sistema di gestione che tiene conto dell’effettiva richiesta in termini di carichi termici dei vari ambienti. Tutti i sistemi di climatizzazione e quello di ricambio aria nei locali al piano terra utilizzano esclusivamente energia elettrica, escludendo quindi l’uso di combusti-

bili fossili, e sono collegati all’impianto fotovoltaico presente in copertura, al fine di ridurre i consumi e minimizzare l’impatto ambientale.

• Massimizzare il comfort interno, garantendo le condizioni termoigrome -

triche richieste dai vari ambienti e comfort acustico grazie a un’attenta progettazione delle linee di distribuzione dell’aria e la scelta di macchine silenziose.

#80 54
FIGURA 4 Vista tridimensionale degli impianti meccanici dell’edificio sviluppato in ambiente BIM FIGURA 3 Fotoinserimento dell’edificio visto da Corso Umberto I

• Ridurre i costi di installazione, gestione e manutenzione grazie all’utilizzo di un sistema centralizzato, abbinato a una contabilizzazione dell’energia per singola utenza. Inoltre è stato messo in campo un approccio interdisciplinare che, grazie all’utilizzo di tecnologie BIM, è riuscito, in fase di progettazione a risolvere problemi di interferenze tra i vari impianti e tra questi ultimi e le strutture.

Per la climatizzazione invernale ed estiva dei 38 alloggi, il progetto prevede un sistema idronico che sfrutta pompe di calore elettriche del tipo aria-acqua a elevata efficienza e ventilconvettori idronici. Al fine di ottimizzare l’impianto sono state installate due pompe di calore in copertura, in corrispondenza

del blocco A, complete del gruppo pompe e della componentistica di regolazione e contabilizzazione.

Questi macchinari, posizionati all’interno di una zona appositamente schermata al fine di ridurre l’impatto visivo e acustico, sono ridondanti ovvero uno solo di essi può sopperire al fabbisogno totale invernale dell’intero fabbricato e, solo in parte, a quello estivo. Alimentano dei ventilconvettori del tipo canalizzato, da controsoffitto, posti in corrispondenza degli spazi distributivi o dei servizi igienici. Per i servizi igienici si è preferito dotarli di radiatori elettrici alimentati dalla stessa linea idronica che serve i ventilconvettori; i bagni ciechi hanno un sistema autonomo di ricambio dell’aria. Si veda Figura 5.

Il progetto per la climatizzazione invernale ed estiva della Casa Famiglia – Residenza “Dopo di Noi” prevede l’uso di un sistema multi split con pompa di calore a espansione diretta (Figura 6). Nella fattispecie è prevista una unità esterna, installata in copertura, nelle vicinanze delle pompe di calore a servizio del residenziale, anch’essa all’interno dell’apposita area schermata.

I terminali di emissione delle camere sono costituiti da cassette a due vie a controsoffitto e da ventilconvettori canalizzati per gli spazi comuni. Si veda Tabella 2.

Impianti idrico-sanitari

L’obiettivo dichiarato di garantire all’edificio un’ampia capacità di risposta flessibile al variare delle esigenze d’uso trova nella concezione degli impianti meccanici, e di quelli idrico sanitari in particolare, una adeguato riscontro nella alimentazione idrica per uso sanitario separata per ogni funzione.

Il progetto è stato definito nel pieno rispetto degli

#80 55
TABELLA
BLOCCO RESIDENZIALE Potenza frigorifera installata PdC 2x 123,5 / EER 3,01 kw Potenza termica installata PdC 2x 130 / COP 3,6 kw CASA FAMIGLIA Potenza frigorifera installata PdC 33,5 kw Potenza termica installata PdC 37,5 kw Acqua calda prodotta dai generatori di calore e recuperatori gruppi frigo 45 °C Acqua refrigerata prodotta dai gruppi frigoriferi 7 °C
2 L’edificio in numeri FIGURA 5 Schema funzionale degli impianti meccanici previsti per la Casa Famiglia - Residenza “Dopo di Noi” FIGURA 6 Schema di funzionamento della centrale termofrigorifera

obbiettivi di salvaguardia delle risorse idriche nonché del DM 11 ottobre 2017 CAM (p.to 2.3.4 risparmio idrico).

Si veda Figura 7.

Sono stati pertanto previsti interventi volti all’uso più razionale della risorsa idrica e all’incremento del riciclo e riutilizzo. A tale scopo, è stata prevista la raccolta dell’acqua piovana per uso irriguo e, previo trattamento, per gli scarichi sanitari con la realizzazione di una vasca di recupero delle acque meteoriche da 10 m3 da cui vengono alimentate la cassette dei wc, dotate di doppio scarico, con una rete di distribuzione parallela alla rete di acqua fredda sanitaria.

Dalla vasca si alimentano anche i punti acqua per l’irrigazione e il lavaggio dei locali tecnici e di servizio.

Un sistema di monitoraggio dei consumi idrici consente la contabilizzazione, e successiva ripartizione delle spese, per i consumi di acqua calda sanitaria (centralizzata), acqua fredda sanitaria e acqua di riuso per wc e irrigazione.

L’acqua potabile proveniente dall’acquedotto viene utilizzata per:

• Distribuzione acqua fredda uso sanitario;

• Eventuale riempimento cassette wc (solo in caso di svuotamento serbatoio di accumulo);

• Alimentazione, previo addolcimento, di:

༸ Produzione e distribuzione acqua calda uso sanitario;

༸ Riempimento dei circuiti tecnologici;

Al fine di consentire la massima flessibilità d’uso diversi sono i sistemi di produzione dell’acqua calda:

• Per gli ambienti commerciali al piano rialzato è prodotta con bollitori autonomi in pompa di calore per ogni blocco bagno.

• Per i piani destinati alla residenza (P1-P4)

l’acqua calda sanitaria è prodotta mediante impianto autonomo in pompa di calore del tipo aria-acqua, con integrazione da impianto solare termico composto da collettori piani

vetrati posti in copertura; la percentuale di copertura dei fabbisogni da fonti rinnovabili è superiore al 50%. Il principio di funzionamento dell’impianto in cascata è il seguente:

1. Un bollitore mono serpentino BP-1 capacità 2000 l, è alimentato da impianto solare termico;

2. Un bollitore doppio serpentino BP-2 capacità 2000 l, è alimentato da impianto pompa di calore del tipo aria-acqua (il doppio serpentino aumenta la superficie di scambio termico per un miglior funzionamento della pompa di calore);

3. L’acqua potabile di rete, previo addolcimento e trattamento anti legionella, entra nel bollitore BP-01 nel quale viene pre-riscaldata o, se le condizioni lo permettono, portata alla temperatura di accumulo di progetto;

4. L’acqua pre-riscaldata è fatta confluire nel bollitore denominato BP-02 dove viene portata alla temperatura di accumulo di progetto;

#80 56
FIGURA 7 Vista tridimensionale degli impianti idrici dell’edificio sviluppato in ambiente BIM

5. L’acqua in uscita dal bollitore

BP-02 viene distribuita alle utenze tramite apposita rete.

• Per le residenze del quinto piano, l’acqua calda sanitaria sarà prodotta mediante impianto autonomo in pompa di calore del tipo aria-acqua, con integrazione da impianto solare termico composto da collettori piani vetrati posti in copertura.

Impianti elettrici

Il sistema elettrico dell’edificio è suddiviso nei due corpi A e B con proprio contatore, accessibile dalla via pubblica, quadro generale di piede, che alimenta tutti i servizi elettrici comuni di ogni piano ed edificio, con l’eccezione delle singole unità residenziali che hanno allacciamenti e contatori autonomi. Si veda Figura 8.

Ciò che caratterizza l’intervento è la presenza di un impianto fotovoltaico

e di una infrastruttura fisica multiservizio interna all’edificio contenente la rete di accesso cablata in fibra ottica con terminazione fissa che permette di fornire l’accesso ai servizi a banda ultra larga e di connettere il punto di accesso dell’edificio con il punto terminale di rete, seguendo i requisiti fondamentali della guida CEI 306-22.

Per punto di accesso si intende il punto fisico, situato all’interno o all’esterno dell’edificio, accessibile alle imprese autorizzate a fornire reti pubbliche di comunicazione, che consente la connessione con l’infrastruttura interna all’edificio predisposta per i servizi di accesso in fibra ottica a banda ultra larga.

Un edificio con le seguenti caratteristiche potrà beneficiare dell’etichetta

“edificio predisposto alla banda larga”. Il progetto rispetta i requisiti fondamentali di cui alla guida CEI 306-22 dell’infrastruttura fisica multiservizio passiva di edifici che sono:

• la semplicità di accesso per gli interventi di installazione / manutenzione / integrazione / modifica del sistema di cablaggio e degli eventuali apparati attivi;

• l’assenza assoluta di condizioni di servitù che ne limitino gli accessi e/o l’utilizzo per le esigenze delle utenze;

• la distinzione ben definita tra il punto di accesso per gli operatori che offrono i servizi di comunicazione elettronica e quello per gli operatori che installano, gestiscono ed eseguono manutenzione dell’impianto di edificio;

• l’adeguata protezione da potenziali manomissioni e/o atti vandalici;

• la duplicità di accesso (“bidirezionalità” dell’infrastruttura) per consentire la fruizione dei servizi provenienti

#80 57
FIGURA 8 Vista tridimensionale degli impianti elettrici dell’edificio sviluppato in ambiente BIM

sia dal sottosuolo, sia via radio (diffusione televisiva terrestre e/o satellite).

Tutti gli interventi sugli edifici sono stati progettati in modo da:

• non pregiudicare le prestazioni energetiche (isolamento termico e/o acustico) dell’edificio, sia nella zona del tetto predisposta per le antenne, sia nella zona alla base dell’edificio per gli accessi dal suolo pubblico;

• collocare in modo semplice e funzionale gli elementi contenitori e gli apparati d’interfacciamento in modo da minimizzare i tempi di intervento e di manutenzione;

• collocare i componenti che costituiscono le varie parti dell’impianto in modo da garantire e assicurare un efficace collegamento e minimizzare i rischi di danneggiamento o manomissione sia intenzionale sia accidentale;

• fornire la documentazione a corredo della infrastruttura, che deve essere di facile reperibilità, in modo da permettere al manutentore condominiale o all’operatore di servizi di comunicazione elettronica di poter operare nella più ampia autonomia;

• assicurare il godimento del diritto di antenna, salvaguardando contemporaneamente la tutela paesaggistica e il decoro degli edifici (evitando il ricorso a soluzioni impiantistiche determinanti tetti affollati da antenne singole e/o parabole sui balconi o facciate degli edifici, ecc.).

Impianti fotovoltaici

Sono stati previsti n. 2 impianti fotovoltaici in copertura che opereranno in regime di scambio sul posto con i 2 distinti contatori di energia elettrica condominiali (scala

A e scala B). Gli impianti sono stati progettati per rispondere ai dettami del D.lgs. 28/2011 e del DM 11/10/2017 (CAM) e garantire una buona copertura dei fabbisogni di energia da fonti rinnovabili. Si veda Figura 9.

Il primo impianto, posizionato sulla copertura del quinto piano e del locale tecnico a sesto piano a servizio della Scala A, è costituito da n. 60 moduli fotovoltaici della potenza nominale ciascuno di 300 Wp per una ha una potenza complessiva pari a 18 kWp.

I relativi moduli fotovoltaici saranno posizionati con un tilt di 5° e ancorati attraverso opportune zavorre al terrazzo in modo da evitare bucature del pacchetto impermeabilizzante;

Il secondo impianto, posizionato sulla tettoia a quinto

piano e a servizio della Scala B, è costituito da n. 30 moduli fotovoltaici della potenza nominale ciascuno di 300 Wp per una potenza complessiva pari a 9 kWp.

Gli impianti installati avranno una potenza nominale complessiva di 27 kWp, superiore a quella calcolata secondo la formula, che tiene conto di un incremento del 10% in quanto edificio a uso pubblico e di un ulteriore 10% in rispetto ai CAM.

I generatori fotovoltaici sono costituiti da moduli fotovoltaici in silicio monocristallino, dotati di cornice in alluminio, suddivisi in due sottocampi, a loro volta suddivisi in due stringhe da 15 moduli, collegati a un inverter tipo STP 20000TL-30. Le uscite c.a. dell’inverter confluiscono verso un quadro di parallelo con l’inverter, nel quale sono contenuti gli apparecchi di protezione e contabilizzazione dell’energia.

I relativi moduli fotovoltaici sono staffati con apposite strutture al manto di copertura della tettoia. Nel corpo

A, i pannelli sono posati su zavorre in cemento e fissati con graffe in alluminio. Il sistema è modulabile e non richiede forature sulla copertura. Nel corpo B, i pannelli sono fissati su una tettoia in lamiera utilizzando una struttura di supporto composta da binari in alluminio, terminali e accessori vari. Il sistema consente il montaggio e lo smontaggio indipendentemente dalla presenza dei pannelli contigui. La somma delle potenze dei predetti impianti fotovoltaici garantisce la rispondenza a quanto richiesto dal D.lgs. 28/11.n

* Andrea Taddia, Roberto Taddia, Giulia Barazzetti, Antonio Mannino, Progettisti Associati Tecnarc s.r.l. Sandro Feligioni, Lino Blundo, MUSA Progetti, Soc.Coop. di Ingegneria

Gruppo di progettazione

Redatto dal raggruppamento temporaneo con capogruppo Progettisti associati Tecnarc s.r.l. (consorziata Mythos scarl) e mandanti MUSA Progetti, Soc.Coop. di Ingegneria, Aires Ingegneria s.r.l., ing. Fabio Formato e il geologo Stefano Bonifacio.

#80 58
FIGURA 9 Vista tridimensionale dell’impianto fotovoltaico dell’edificio sviluppato in ambiente BIM

PROGETTIAMO PER GARANTIRE GRANDE COMFORT E RESE ELEVATE

TRAVI FREDDE ATTIVE: L’IGIENE, L’EFFICIENZA E IL BENESSERE IN PRIMO PIANO

Le travi fredde attive EHT integrano in un solo apparecchio le funzioni di controllo della temperatura, ventilazione, raffrescamento, riscaldamento e distribuzione dell’aria in locali con altezza variabile fino a 4 mt come uffici open space, aeroporti, stazioni ferroviarie, corsie ospedaliere e, in generale, in ambienti ampi.

I vantaggi di un impianto così costituito sono molti: corretto ricambio dell’aria e omogeneità di temperatura nell’intero spazio occupato, massimo rispetto dell’ambiente e risparmio energetico grazie all’ottimizzazione delle batterie alettate che ha permesso il massimo coefficiente di scambio termico con ridotte perdite di carico lato aria e lato acqua, massimo comfort acustico garantito dall’innovativo design degli ugelli che raggiungono rapporti di induzione altissimi, facilità di manutenzione ed elevati standard di igiene.

Sono compatibili con una vasta gamma di soffitti e controsoffitti modulari e installabili in impianti 4 tubi. L’utilizzo di questi terminali di raffrescamento è possibile all’interno di impianti con due differenti livelli di produzione dell’acqua refrigerata.

Ingresso primaria

Aermec S.p.A. via Roma, 996 - 37040 Bevilacqua (VR) T. +39 0442 633111 www.aermec.com EHT
Collaborazione d’eccellenza per un prodotto di qualità senza compromessi

IN CHE MODO IL SETTORE HVACR SI STA ORIENTANDO VERSO ALCUNI TIPI DI REFRIGERANTI

l cambiamento è nell’aria, nel mondo dei refrigeranti. Alla base di questo cambiamento c’è soprattutto la ricerca di un minor consumo energetico e di migliori prestazioni dei sistemi, unita a una regolamentazione più severa circa l’utilizzo e la disponibilità di alcune famiglie di refrigeranti.

In tutto il mondo, le aziende che utilizzano i refrigeranti operano in un ambiente sempre più regolamentato. Uno di questi è stato concepito per porre fine all’utilizzo di refrigeranti che impoveriscono l’ozono e per eliminare gradualmente quelli che hanno un elevato potenziale di riscaldamento globale (GWP). Di conseguenza, gli OEM, i progettisti di sistemi di refrigerazione, gli ingegneri, gli operatori e il personale addetto alla manutenzione stanno valutando le opzioni per passare a refrigeranti con un basso GWP.

Molte organizzazioni stanno già adottando un approccio più integrato ed ecologico alla progettazione, alla manutenzione e alla gestione dei loro

sistemi HVACR, e altre stanno rapidamente seguendo il loro esempio.

L’aumento dei costi energetici, unito alla necessità di rispettare le più recenti normative in materia di gas fluorurati, rende di vitale importanza il contenimento dei costi operativi. Se ciò derivasse, in parte, dal miglioramento dei sistemi HVACR, la domanda ovvia è: come si potrebbe fare? Per fornire una risposta è necessaria una buona conoscenza dei refrigeranti disponibili. Ad esempio, capire quali refrigeranti sono conformi. Possono migliorare le prestazioni del sistema? Quali sono le loro classificazioni di sicurezza e sono in grado di soddisfare le esigenze future?

Questo articolo riassume alcuni degli aspetti che possono essere esaminati prima di scegliere un refrigerante che si adatti e funzioni bene con il vostro sistema HVACR.

I
Informazioni dalle aziende

Distinguere gli HFO dagli HFC e dagli HC

Con diversi refrigeranti tra cui scegliere, è essenziale riconoscere le proprietà chiave di ciascuno e i vantaggi che apportano. Fin dall’inizio è fondamentale sapere se un determinato refrigerante è legalmente consentito per l’uso con una specifica configurazione di apparecchiatura. Ad esempio, secondo la normativa sui gas fluorurati, alcuni refrigeranti HFC (idrofluorocarburi) come l’R-404A e l’R-507 sono stati completamente eliminati, mentre altri refrigeranti ad alto GWP sono stati notevolmente ridotti. Poiché la disponibilità di questi prodotti sarà sempre più limitata nel prossimo futuro, la conoscenza delle alternative HFO (idrofluoroolefine) di nuova generazione a basso GWP, come Opteon™ XL20, che ha un GWP inferiore a 150, può aiutarvi a determinare le vostre scelte. Per maggiori informazioni sulle principali differenze tra i refrigeranti, leggete la guida essenziale Tempo di guardare all’efficienza energetica.

Un percorso di sostenibilità

Quando le apparecchiature sono ancora funzionanti e l’investimento in un nuovo sistema non è conveniente, la sostituzione del refrigerante attuale con un’alternativa a basso GWP che corrisponda alle prestazioni e all’efficienza del sistema esistente sarà fondamentale. Pertanto, è importante considerare la compatibilità dei sistemi e le possibilità di adeguamento.

Le aziende che stanno pensando di installare nuovi sistemi HVACR possono anche considerare l’impatto positivo che la scelta del refrigerante avrà sul costo totale del ciclo di vita dell’investimento.

Sicuro e sostenibile

La sicurezza è fondamentale quando si progetta un aggiornamento o un’innovazione per i sistemi e le applicazioni HVACR. La scelta di un refrigerante che può essere maneggiato, immagazzinato, installato e sottoposto a manutenzione in modo sicuro e semplice contribuirà a rendere più sicuro l’ambiente commerciale e a ridurre i costi di manutenzione. Ad esempio, i refrigeranti classificati come A2L non sono tossici e hanno una minore infiammabilità. È più difficile che si infiammino, non hanno la tendenza a formare concentrazioni infiammabili rispetto ai refrigeranti A3 e sono meno combustibili.

Efficienza energetica

È essenziale considerare come i sistemi di refrigerazione e riscaldamento possano essere configurati per ridurre l’impronta di carbonio utilizzando meno energia durante il funzionamento e il loro potenziale per facilitare il recupero e il riutilizzo del calore residuo. A tal proposito, i recenti studi comparativi che si occupano di esaminare una serie di architetture di refrigerazione commer-

ciale costituiscono una lettura interessante, in quanto mostrano le variazioni riscontrate nelle emissioni dei sistemi e nei costi del ciclo di vita quando vengono utilizzati diversi tipi di refrigeranti in una gamma di temperature e in diversi scenari. Questi studi indicano importanti differenze tra i refrigeranti a basso GWP disponibili e come questi debbano essere analizzati prima di scegliere una sostituzione che ottimizzi le prestazioni, l’efficienza energetica e la manutenzione a lungo termine delle apparecchiature.

Problemi di fornitura

Con la progressiva riduzione dei refrigeranti ad alto GWP, la futura disponibilità commerciale dei refrigeranti tradizionali diventerà più limitata e più costosa. Alcune alternative a bassissimo GWP, come la CO2, subiscono pressioni nella loro catena di approvvigionamento, data la diversità di utilizzo e la dipendenza della produzione da altri processi industriali. Per questo motivo, molte organizzazioni sono già passate o stanno pianificando il passaggio ad alternative che offrono prestazioni comparabili o migliori in un’ampia gamma di applicazioni.

Per approfondire gli argomenti trattati in questo articolo, vi invitiamo a scaricare la guida essenziale Tempo di guardare all’efficienza energetica di Opteon™ XL. In essa troverete maggiori informazioni sui refrigeranti ad alte prestazioni a basso GWP e su come possono offrire risparmi energetici e di costo fin dall’installazione e per il futuro. Di fianco il QR Code:

La riqualificazioneenergetica degli edifici attraverso l’utilizzo di materiali a cambiamento di fase

Attraverso un caso di studio viene dimostrata l’elevata capacità dei PCM di riuscire a migliorare le temperature interne bilanciando i picchi di temperatura e riducendo le fluttuazioni giornaliere anche in edifici esistenti con murature pesanti e bassi indici di WWR

Introduzione

La resilienza dell’ambiente costruito agli effetti dei cambiamenti climatici è un argomento di crescente apprensione tra i progettisti. Secondo la risoluzione 71/276 dell’Assemblea Generale delle Nazioni Unite, il termine resi-

lienza descrive “la capacità di un sistema, comunità o società esposta ai pericoli di resistere, assorbire, accomodare, adattarsi, trasformarsi e riprendersi dagli effetti di un pericolo in modo tempestivo ed efficiente”.

Tale capacità è diventata parte fondante degli Obiettivi per Sviluppo Sostenibile (SDG) delle Nazioni Unite. Allo stesso modo, la Commissione Europea nel programma Green Deal ha identificato

#80 62
Materiali

gli edifici resilienti alle variazioni climatiche e capaci di operare con basse emissioni di carbonio quali fattori chiave per raggiungere la neutralità energetica prevista entro il 2050.

È, infatti, ormai noto come, secondo le previsioni del Gruppo Intergovernativo sul Cambiamento Climatico (IPCC), la temperatura media globale nei prossimi 20 anni dovrebbe aumentare di oltre 1,5 °C rispetto al periodo preindustriale. Ciò comporterà un aumento significativo pari al 100% della domanda di energia per i sistemi HVAC per il raffrescamento nella maggior parte dei paesi europei (Larsen et al., 2020). La crescente domanda di elettricità, soprattutto durante le sempre più frequenti ondate di calore, potrà portare a blackout generalizzati e guasti alla rete elettrica, rendendo la maggior parte edifici ben lontani dalla possibilità di raggiungere parametri di comfort interno accettabili (Attia et al., 2021; Berardi & Jafarpur, 2020).

Il ricorso a tecnologie adattive negli edifici, grazie allo loro capacità di regolare le loro caratteristiche in maniera reversibile in risposta agli stimoli esterni,

offre opportunità interessanti per lo sviluppo di soluzioni in grado di adattarsi dinamicamente alle fluttuazioni termiche. I sistemi passivi di accumulo di energia termica (noti come “Thermal Energy Storage” o TES) sono in grado di ridurre il consumo di energia riuscendo a garantire migliori condizioni di comfort, aumentando la flessibilità del sistema edificio-impianto e riducendo la dipendenza di approvvigionamento di energia (Rathore et al., 2022).

Del resto, l’attenzione verso l’importanza dell’accumulo termico negli edifici, rappresenta oggi un tema meno trascurato rispetto al passato, quando il progetto dell’involucro era spesso rivolto soltanto a valutarne l’isolamento termico. Una delle strategie proposte a livello internazionale per la riduzione dei consumi energetici negli edifici è quindi quella di aumentare la capacità termica per superare la variabile disponibilità delle fonti energetiche rinnovabili e le oscillazioni delle temperature.

Tra le diverse tecnologie TES disponibili, l’accumulo di calore latente utilizzando materiali a cambiamento di fase (noti come PCM) ha dimostrato interes-

santi vantaggi rispetto ai sistemi di accumulo di calore sensibile. I PCM, infatti, hanno una maggiore capacità di accumulo e un comportamento termico più stabile durante i processi di carico e scarico (Berardi & Soudian, 2018).

Tali materiali sono caratterizzati dall’avere la capacità di accumulare e rilasciare energia sotto forma di calore latente grazie a un cambiamento di fase che tipicamente avviene da solido a liquido a una temperatura specifica, spesso selezionata per ricadere nell’intervallo di temperature accettabili all’interno dell’edificio. I PCM possono, quindi, essere utilizzati come sistemi di accumulo termico per immagazzinare il calore in eccesso dall’interno degli edifici aumentandone l’inerzia termica e migliorando la loro prestazione energetica. Quando i PCM sono a una temperatura inferiore al loro punto di fusione, sono nella loro forma solida e il loro comportamento è simile a qualsiasi altro materiale; con l’aumentare della temperatura, i PCM assorbono calore secondo la loro conducibilità, densità e capacità termica. Quando la temperatura circostante raggiunge la loro temperatura di fusione, iniziano il cambiamento di fase a una temperatura quasi costante accumulando calore fino a quando risultano completamente liquidi (Figura 1). Grazie al loro elevato calore latente in un range di temperature ridotto, i PCM possono immagazzinare una quantità significativa di energia termica riducendo così le oscillazioni di temperatura dell’aria interna prodotte dai guadagni solari e interni.

La realizzazione di efficaci soluzioni di accumulo termico tramite PCM in elementi edilizi richiede al progettista il saper selezionare il PCM più adatto in relazione all’intervento necessario. Tale scelta è spesso il risultato di valutazioni economiche e termofisiche che devono tenere in considerazione la capacità di accumulo termico specifico e la temperatura a cui si vuole che il materiale realizzi un cambiamento di fase. Esistono molte famiglie di materiali a cambiamento di fase e al progettista spetta il compito di selezionare il materiale più adatto caso per caso (Figura 2).

I PCM sono solitamente classificati in tre categorie: organici, inorganici ed eutettici. I PCM organici come la paraffina, gli acidi grassi e il polietilenglicole (PEG) sono di solito disponibili in diversi intervalli di temperatura di fusione, sono chimicamente stabili e non mostrano effetti di super-raffreddamento, ma hanno una conduttività inferiore (circa λ = 0,2 W/(m∙K)), il che rallenta e, quindi, limita la loro capacità di scambiare calore. Al contrario,

#80 63
FIGURA 1 Calore specifico di un PCM

i PCM inorganici hanno una maggiore conducibilità e una minore variazione di volume, ma mostrano spesso episodi di super-raffreddamento e sono corrosivi quindi il loro utilizzo nella pratica edilizia risulta più complesso.

I materiali a cambiamento di fase possono essere incorporati in materiali da costruzione con metodi diversi, come ad esempio l’incorporazione diretta, l’immersione, l’incapsulamento o la microincapsulazione. Questo ultimo metodo consiste nell’incapsulare il PCM in microsfere di pochi micron di diametro in modo tale che il passaggio dallo stato solido a quello liquido del materiale sia non percepibile e non vi siano rischi di perdite del materiale liquido “sciolto”. Diversi prodotti sono disponibili per la realizzazione di accumuli termici latenti negli edifici. La tabella 1 ne mostra i principali presenti sul mercato.

Diversi studi in letteratura approfondiscono gli aspetti principali dell’uso di PCM come materiale TES in diverse applicazioni come nell’involucro dell’edificio (Faraj et al., 2021; Wang et al., 2022) o nei sistemi di ventilazione (Chen et al., 2019).

Per quanto concerne la loro applicazione all’involucro dell’edificio come sistema passivo di accumulo termico, uno degli autori di questo articolo ha effettuato diverse sperimentazioni in edifici reali in cui l’applicazione di strati di PCM sulle pareti o sotto il pavimento ha dimostrato di poter diminuire le fluttuazioni di temperatura interna di circa 5 ºC durante il periodo estivo producendo un risparmio energetico variabile, in base alle condizioni climatiche, dal 29% al 59% (Soudian & Berardi, 2019).

Ascione et al. (2014) hanno proposto, invece, un’indagine approfondita sull’applicazione dei PCM nel retrofit di edifici esistenti europei degli anni ’50 per ridurre la domanda di raffreddamento. I risultati hanno mostrato che il comportamento dei PCM dipende strettamente dal clima; in particolare, un’oscillazione di temperatura giorno-notte più alta, tipica dei climi aridi, è più favorevole poiché facilita il ciclo di “rigenerazione” dei PCM.

Caso studio

Il caso studio prende in esame l’archetipo tipologico dell’edificio in linea caratteristico dell’edificato italiano esistente, le cui caratteristiche morfologiche e termiche sono state desunte dal progetto TABULA. Questo edificio-tipo costituisce uno dei modelli che TABULA propone per valutare i potenziali di risparmio energetico raggiungibili attraverso azioni di riqualificazione dell’involucro edilizio e degli impianti termici. Per

#80 64
Prodotto Azienda Applicazione Temperatura di fusione (°C) Calore latente di fusione (kJ/kg) Calore specifico (kJ/(kg K)) Conducibilità (W/(m K)) Spessore (mm) Rigips ALBA Saint Gobain (Switzerland) Muri / Soffitti 23 25 12,7 13,3 1,16 0,27 25 Energain DuPont (UK) Muri 21,7 70 2,5 0,18 5 Bio PCM Phase Change Energy Solutions (USA/Canada) Muri / Soffitti 23 25 27 200 2,1 0,2 21 Comfort Board Knauf (UK) Muri 23 10,5 1,2 0,23 12,5 Thermal Cool Datum Phase Change (UK) Muri / Soffitti 19-23 25,9 - 0,88 20 Eco Core Tate Flooring (USA) Pavimenti 23,8 155 - - 32,5
TABELLA 1 Classificazione dei principali PCMs presenti sul mercato con relative proprietà termiche FIGURA 2 Classificazione delle principali tipologie di PCM

questa tipologia edilizia sono disponibili diverse “classi”, ciascuna della quali rappresenta un determinato periodo storico avente specifiche caratteristiche dimensionali e costruttive, significative dal punto di vista energetico. Tra le classi tipologiche individuate è stata scelta come oggetto di studio la classe 6 per edifici plurifamiliari pluripiano, rappresentativo delle costruzioni dal 1976 al 1990.

Le caratteristiche termofisiche e impiantistiche dell’edificio oggetto di studio sono state desunte da quelle peculiari dell’edificio-tipo descritto nel progetto TABULA e attribuite a un edificio in linea di tre piani con due appartamenti speculari per piano (Ballarini et al., 2014).

Gli appartamenti hanno una superficie netta in pianta pari a 75 m2, un volume riscaldato pari a 210 m 3 . La distribuzione interna degli alloggi prevede un soggiorno di 24 m2, una cucina di 7,4 m2, due camere da letto e due bagni (Figura 3). Il rapporto S/V è pari a 0,45 e il WWR risulta essere pari a 16,53%. Le caratteristiche dell’involucro sono:

• Parete esterne: blocchi in laterizio forato debolmente isolato, U = 0,8 W/(m2 K);

• Pareti verso ambiente non riscaldato: blocchi non isolati, U = 0,75 W/(m2 K);

• Partizioni: blocchi in laterizio forati, U = 2,10 W/(m2 K);

• Pavimento e soffitto: solaio in latero cemento (30 cm), U = 1,51 W/(m2 K);

• Serramenti: vetro camera (3:6:3) con telaio in metallo senza taglio termico e intercapedine d’aria, U = 3,7 W/(m2 K) e ggl,n = 0,75.

L’impianto di riscaldamento consta di sistema autonomo per ogni appartamento costituito da una caldaia standard installata in ambiente non clima -

tizzato con un’efficienza media stagionale ( η H ) pari a 0,88 che alimenta radiatori ad acqua ( = 80 °C) presenti in ogni vano. La climatizzazione estiva avviene tramite l’utilizzo di condizionatori tipo split con SEER pari a 3. L’edificio è stato oggetto di analisi attraverso diverse simulazioni energetiche annuali in regime dinamico eseguite con il software EnergyPlus Le analisi sono state condotte nella città di Bari.

Ogni serie di simulazioni è stata condotta seguendo le seguenti tre fasi: in primo luogo, è stato modellato il caso base, cioè l’edificio standard senza intervento di riqualificazione energetica; in secondo luogo, è stato valutato l’edificio con l’uso di PCM applicati alle sole pareti esterne; successivamente è stato modellato l’uso del PCM al soffitto; infine è stato valutato il comportamento dell’edificio con l’applicazione combinata di PCM alle pareti esterne e al soffitto.

Le analisi sono state condotte su un appartamento centrale dell’edificio con esposizione N-W-S e nelle simulazioni pavimento e soffitto sono stati considerati adiabatici. L’occupazione è stata impostata pari a 0,054 persone/m2, per un totale di 4 persone. Gli apporti interni utilizzati sono stati valutati conformemente a quanto previsto dalla UNI/TS 11300-1 (2014) pari a 9 W/m2 per la zona giorno e 3 W/m2 per la zona notte. L’illuminazione è stata ipotizzata avente una densità di potenza normalizzata pari a 2 W/m2 –100 lux, mentre il tasso di infiltrazione del modello è stato fissato a 0,5 h-1

La ventilazione naturale è stata impostata tra i 5 ai 12 vol/h attivabile a seconda della temperatura interna variabile nel range 21 ºC < T < 25 ºC. Gli apporti interni, l’occupazione, la ventilazione e le caratteristiche impiantisti-

che sono stati mantenuti costanti in tutte le simulazioni, cambiando le sole caratteristiche dell’involucro in base all’applicazione dei PCM.

Caratteristiche PCM per la riqualificazione

Il PCM selezionato in questo studio è il BioPCM ©. Questo materiale è realizzato partendo da un estratto vegetale che viene racchiuso in piccole celle sotto forma di rotolo. Il BioPCM© è disponibile in diversi spessori (M27, M51, M91 e M182) e con diverse temperature di fusione (Q19, Q21, Q23, Q25…).

Il PCM preso in esame per questo progetto è caratterizzato dall’avere una temperatura di fusione pari a 25 °C. Si sono, inoltre, valutati tre differenti spessori di materiale, rispettivamente M51, M91 e M182. Le principali caratteristiche del PCM utilizzato sono riportate in Tabella 2. L’applicazione del materiale è stata prevista nello strato più interno della muratura perimetrale esterna e del soffitto ricoperto da uno panello di gesso (Figura 3).

Il primo set di simulazioni è stato condotto con lo scopo di valutare l’efficacia dell’utilizzo del BioPCM con temperatura di fusione (Q) di 25 °C al variare dello spessore e dell’applicazione. Gli spessori analizzati sono rispettivamente pari a 2,08 cm (M51), 3,71 cm (M91) e 7,42 (M182) cm. Le analisi sviluppate hanno considerato l’applicazione del materiale prima nello strato più interno delle pareti esterne e successivamente nel soffitto. Si è quindi valutata la riduzione dei consumi energetici per il riscaldamento e per il raffrescamento rispetto ai consumi del caso base. La Tabella 3 mostra i principali risultati relativi all’utilizzo del PCM nelle pareti e nel soffitto in relazione allo spessore di applicazione.

Come è possibile notare, l’applicazione del BioPCM alle pareti esterne produce una riduzione del consumo di energia per il riscaldamento proporzionale all’aumento dello spessore dello stesso. Nello specifico, rispetto al caso base, il BioPCM M51 genera una riduzione dei consumi dell’8,7%, il BioPCM M91 del 14,2%, mentre il BioPCM M182 del 25,5%.

Avendo il PCM utilizzato una temperatura di fusione pari a 25 °C, tale riduzione è però direttamente riconducibile al decremento della trasmittanza delle pareti generato dall’aggiunta del materiale anziché alla capacità di accumulo termico dello stesso che a temperature inferiori a 25 °C risulta essere di modeste entità. La trasmittanza delle pareti esterne, infatti, rispetto a

#80 65

quella del caso base pari a 0,80 W/(m2 K) migliora con l’aumentare dello spessore del materiale e diventa rispettivamente pari a 0,74 W/(m2 K) con 2 cm di spessore di PCM, 0,70 W/(m2 K) con 3,71 cm di spessore e 0,62 W/(m2 K) con 7,42 cm, registrando un miglioramento di trasmittanza massimo pari a 35% di quello originario.

Per quanto concerne il risparmio per il raffrescamento, minore è lo spessore del BioPCM utilizzato nelle pareti maggiore risulta il risparmio prodotto. Il BioPCM M51 produce la riduzione maggiore pari al 16,4% rispetto al consumo del caso base, il BioPCM M91 una riduzione del 10,6% e infine il BioPCM M182 un risparmio di energia elettrica pari al 9,2%. Anche in questo caso l’iper-isolamento offerto dall’aumento di spessore di materiale sulla parteti esterne, producendo una minore dispersione di calore nelle ore notturne durante il periodo estivo, riduce il risparmio energetico conseguibile.

Ponendo l’attenzione ai risultati ottenibili con l’applicazione del BioPCM nel soffitto, è possibile notare come il risparmio energetico conseguito per il riscaldamento risulta essere del tutto trascurabile, indipendentemente dallo spessore utilizzato. La riduzione massima pari allo 0,5% è registrata dal BioPCM con spessore maggiore, ma tale risultato è principalmente dovuto alla riduzione di volume riscaldabile generato dall’aumento dello spessore della chiusura orizzontale. Significativi risultano essere, invece, i risparmi ottenuti sul consumo per il raffrescamento. In questo caso, la riduzione è proporzionale all’aumento dello spessore del materiale utilizzato e raggiunge il valore di 17,5% con il BioPCM M182.

L’impiego del BioPCM M182 applicato al soffitto è risultato essere quello in grado di produrre una maggiore riduzione dei consumi con l’azione combinata dei diversi spessori BioPCM Q25 applicati nello strato più interno delle pareti perimetrali esterne.

Per quanto concerne il consumo di energia per il riscaldamento, la soluzione che genera un maggiore risparmio energetico, pari al 26,6%, è quella che prevede l’utilizzo del BioPCM con maggior spessore sia alle pareti che al soffitto; per il raffrescamento, invece, la soluzione che massimizza la riduzione dei consumi è quella che prevede l’utilizzo di BioPCM M182 nel soffitto e del BioPCM M51 applicato alle pareti.

Il risparmio di energia totale conseguito dalle tre soluzioni aumenta all’aumentare dello spessore del PCM applicato alle pareti e nello specifico risulta essere uguale al 26,4%

TABELLA 3 Variazione dei consumi per il riscaldamento e per il raffrescamento al variare dello spessore di BioPCM Q25 e alla sua applicazione

#80 66
M51 M91 M182 Spessore (s) 2,08 cm 3,71 cm 7,42
Conducibilità ( λ) 0,2 W/(m K) Densità ( ρ) 235 kg/m3 Calore specifico (c) 1,97 kJ/(kg K) Temperatura di fusione (Q) 25 °C Entalpia (h) 200 kJ/kg
TABELLA 2 Caratteristiche termofisiche del PCM selezionato
cm
FIGURA 3 Caratteristiche del caso di studio
ID Riscaldamento Raffrescamento kWh/m2 Δ% kWh/m2 Δ% BL Caso base 41,11 – 12,86 –Pareti PCM 1 BioPCM M51 Q25 37,54 -8,7 10,76 -16,4 PCM 2 BioPCM M91 Q25 35,29 -14,2 11,50 -10,6 PCM 3 BioPCM M182 Q25 30,64 -25,5 11,68 -9,2 Soffitto PCM 4 BioPCM M51 Q25 41,18 0,2 10,93 -15,1 PCM 5 BioPCM M91 Q25 41,08 -0,1 10,80 -16,0 PCM 6 BioPCM M182 Q25 40,90 -0,5 10,61 -17,5 Soff.+Pareti PCM 6 + PCM 1 BioPCM M182+M51 37,34 -9,2 10,65 -17,2 PCM 6 + PCM 2 BioPCM M182+M91 34,85 -15,2 10,69 -16,9 PCM 6 + PCM 3 BioPCM M182+M182 30,17 -26,6 10,80 -16,0 NOTA: Δ% variazione percentuale rispetto al caso base.

con il BioPCM M51, 32,2% con il BioPCM M91 e 42,6% con il BioPCM M182.

La Figura 4 mostra il confronto dei consumi per il riscaldamento (rosso) e raffrescamento (blu) tra le diverse soluzioni analizzate in ordine decrescente di consumo energetico. Si può notare come la soluzione che prevede l’uso combinato di BioPCM M182 sia sulle pareti esterne che sul soffitto sia quella che produce il maggior risparmio energetico sia per il riscaldamento che in totale, mentre la soluzione con l’uso del BioPCM M182 applicato sul solo soffitto sia quella che presenta la più significativa riduzione di consumo per il raffrescamento.

Valutazione del comfort termico

Valutati i consumi energetici prodotti da ciascuna soluzione analizzata, si è proceduto all’analisi del comfort termico interno secondo la norma EN 16798-1. È stata eseguita un’analisi a lungo termine degli indici di comfort termico secondo la ISO 7730. Con riferimento a tale analisi, sono stati valutati il PMV e il PPD orario durante il periodo di riscaldamento (15 Novembre – 31 Marzo) e durante il periodo di raffrescamento (1 Maggio – 30 Settembre) assumendo un tasso metabolico per l’attività sedentaria pari a 1,2 met, un livello di abbigliamento pari a 0,5 clo in estate e 1 clo in inverno e una velocità dell’aria pari 0,10 m/s. È stata, quindi, valutata la rispondenza dei valori raggiunti dalle differenti configurazioni ai limiti previsti per la categoria II di IEQ dalla UNI EN 16798-1. Per eseguire l’analisi e confrontare i risultati delle varie simulazioni, si è ricorso all’analisi di due indici per la valutazione del disagio termico generale: la percentuale di ore fuori dal range (POR) e il PPD medio. Il POR, intro -

dotto dalla ISO 7730 e riproposto dalla UNI EN 16798-1, richiede di calcolare la percentuale di ore occupate (hi) in cui il PMV simulato è al di fuori di un intervallo di comfort specificato relativo alla categoria di comfort (Eq. 1).

L’indice PPD medio consiste nel calcolare la percentuale prevista di insoddisfatti PPD media sulle ore occupate (hi) in un dato periodo di calcolo come nell’equazione 2.

applicazioni; la riduzione massima di ore di discomfort è registrata con il BioPCM M182 applicato al soffitto combinato con il BioPCM M51 applicato alle pareti pari al 38,8%. L’aumento di spessore di BioPCM, e la conseguente riduzione di trasmittanza delle pareti, fa sì che il PCM perda parte della sua capacità di accumulo di calore e aumentino le ore di discomfort rispetto alle soluzioni con spessori inferiori. Questo accade specialmente nelle giornate più calde, quando la temperatura interna non scende al di sotto del valore di solidificazione del materiale.

La Tabella 4 riporta gli indici suddetti valutati per la stagione di riscaldamento e per la stagione di raffrescamento per ogni scenario. Nel periodo estivo è possibile notare come in tutte le configurazioni con la presenza di BioPCM si ottengano significative riduzioni delle percentuali di ore di discomfort che risultano in media inferiori al 30% rispetto al caso base. I migliori risultati sono offerti da spessori di BioPCM minori in tutte le sue

Se si pone l’attenzione, invece, al PPD medio che valuta la percentuale di insoddisfatti in base alle condizioni climatiche interne e di quanto questa si scosti dalla condizione neutrale di comfort, si osserva come il PPD medio diminuisca all’aumentare dello spessore del BioPCM per ogni applicazione prevista. Ciò è direttamente collegabile alla capacità di accumulo termico del PCM in grado di stabilizzare e migliorare le condizioni climatiche interne diminuendo le oscillazioni di temperatura e avvicinando la percezione di benessere alla condizione di neutralità termica. Il BioPCM M182 applicato sia al soffitto che alle pareti genera la riduzione di PPD medio maggiore pari al 10,1% rispetto al caso base.

Lo stesso fenomeno si osserva nel periodo di riscaldamento dove, anche se con variazioni inferiori rispetto al comportamento estivo, il PPD medio diminuisce all’aumentare dello spessore in tutte le applicazioni.

È stato, inoltre, valutato il numero di ore in cui la tempe -

#80 67
POR, = ⋅ () () ∈ [] = ∑ ∑ wf h h ii i Oh i i Oh 1 1 01 (Eq. 1)
<>≡ () () ∈ [] = = ∑ ∑ PPD PPD , ii i Oh i i Oh h h 1 1 01 (Eq. 2)
FIGURA 4 Confronto dei consumi per il riscaldamento (rosso), raffrescamento (blu)

TABELLA 4 Valutazione del comfort termico a lungo termine secondo la UNI 7730

ratura interna fosse al di sopra del valore limite previsto per il periodo estivo pari a 26 °C. I risultati, mostrati in Figura 5, evidenziano come tutte le soluzioni che prevedono l’utilizzo dei PCM producono una significativa riduzione delle ore in cui la temperatura interna risulta essere superiore al valore limite previsto dalla categoria II dell’UNI EN 16798-1. Si riscontrano valori di riduzione che vanno dal 34,2% ottenute con il BioPCM M182 applicato sia alle pareti che al soffitto al 43,1% raggiunto sia dal BioPCM M51, applicato sia alle pareti che al soffitto, sia dal BioPCM M91 applicato al solo soffitto.

Comportamento estivo in free floating

Per confermare l’efficacia dei PCM e comprendere meglio il loro funzionamento nel periodo di raffresca -

mento, sono state eseguite valutazioni in modalità free floating nel periodo centrale della stagione estiva. La Tabella 5 riporta le ore di discomfort a seconda delle tre categorie previste dalla EN 16798-1 per edifici senza sistemi di raffrescamento meccanico.

Secondo l’approccio adattivo previsto dalla UNI EN 16798-1 il valore di limite di temperatura interna non è costante nel tempo, ma è in funzione della temperatura media esterna pesata giornaliera valutata nei sette giorni precedenti al giorno di analisi. La categoria I per la città di Bari prevede un limite superiore

che varia dai 25,5 °C ai 27,3 °C, la categoria II da 26,5 °C a 28,3 °C e la categoria III da 27,5 °C a 29,3 °C.

I risultati mostrano un miglioramento significativo del comfort termico per ogni categoria in tutte le configurazioni. Valori crescenti di riduzione si registrano rispettivamente con l’applicazione a parete, con quella a soffitto e con quella combinata parete/soffitto. Nello specifico all’aumentare dello spessore del PCM diminuiscono proporzionalmente le ore di discomfort a eccezione dell’applicazione a parete che presenta, relativamente alla sola categoria I, un decremento del miglioramento all’aumentare dello spessore applicato. I valori massimi di riduzione si registrano con l’applicazione sia a soffitto che a parete e tra queste il BioPCM con spessore maggiore genera la riduzione massima pari a 17,8% nella categoria I, 36,2% nella categoria II e 45,6% nella categoria III. Questo è verificato anche confrontando le temperature operative durante una settimana centrale della stagione estiva dal 20 al 26 Luglio (Figura 6). Dai risultati si evince come i PCM riescano a ridurre significativamente le temperature interne durante il periodo estivo. Maggiore è lo spessore di PCM utilizzato maggiore è la riduzione ottenuta. La riduzione massima è raggiunta dal BioPCM M182 applicato sia al soffitto che alle pareti, il quale riesce a produrre una riduzione massima della temperatura interna di 4,4 °C rispetto al caso base. In aggiunta, risulta evidente come i PCM grazie alla loro capacità di accumulo termico riescano a ridurre l’ampiezza delle oscillazioni giornaliere della temperatura interna, stabilizzando i picchi di massima temperatura.

Si nota, inoltre, che quando si raggiungono temperature diurne molto alte per periodi di lunga durata

#80 68
ID Stagione estiva Stagione invernale POR <PPD> POR <PPD> BL Caso base 4,9% 6,65 24,6% 8,38 Pareti PCM 1 BioPCM M51 Q25 3,2% -34,7% 6,12 -8,0% 22,6% -8,1% 8,35 -0,4% PCM 2 BioPCM M91 Q25 3,3% -32,7% 6,11 -8,1% 23,1% -5,9% 8,31 -0,9% PCM 3 BioPCM M182 Q25 4,7% -4,1% 6,09 -8,4% 22,7% -7,5% 8,20 -2,2% Soffitto PCM 4 BioPCM M51 Q25 3,1% -36,7% 6,44 -3,2% 23,7% -3,5% 8,22 -2,0% PCM 5 BioPCM M91 Q25 3,2% -34,7% 6,31 -5,2% 23,6% -3,9% 8,10 -3,3% PCM 6 BioPCM M182 Q25 3,3% -32,7% 6,24 -6,1% 23,8% -3,3% 8,05 -4,0% Soff.+Pareti PCM 6 + PCM 1 BioPCM M182+M51 3,0% -38,8% 6,12 -8,0% 23,1% -6,1% 8,10 -3,4% PCM 6 + PCM 2 BioPCM M182+M91 3,2% -34,7% 6,06 -8,8% 22,8% -7,3% 8,11 -3,3% PCM 6 + PCM 3 BioPCM M182+M182 4,0% -18,4% 5,98 -10,1% 23,2% -5,5% 8,07 -3,7%
FIGURA 5 Confronto del numero di ore con T > 26 °C tra le diverse configurazioni e riduzione percentuale del numero di ore rispetto al caso base

(24-26 Luglio) e contestualmente si verifica una diminuzione dell’escursione termica giornaliera venendo meno in parte il ciclo di scarico dei PCM, i risultati sulla riduzione della temperatura nelle ore più calde risultano essere ridotti poiché il rilascio termico durante l’abbassamento notturno di temperatura non avviene totalmente. Questo comporta prestazioni di accumulo termico del materiale più basse. Tale fenomeno è maggiormente evidente con piccoli spessori di PCM.

Valutazione economica

Per valutare il rapporto costo-beneficio delle diverse strategie di riqualificazione con PCM con edifici in linea privi di impianti di raffrescamento, è stato valutato il tempo di ritorno (TR) confrontando il costo dell’investimento iniziale (Ic) con il risparmio totale di energia perseguito da ciascuna soluzione rispetto a quello del caso base.

Il risparmio totale di energia è stato valutato come la somma del risparmio di consumo di gas naturale nel periodo di

e del consumo di

tricità per il periodo di raffrescamento. Per valutare il risparmio economico conseguibile si è moltiplicato l’energia risparmiata per il rispettivo costo medio unitario pari a 0,24 €/kWh per l’elettricità e 0,11 €/kWh per il gas naturale (Eurostat, 2021). Per la valutazione del prezzo

di investimento si sono considerati i seguenti prezzi unitari compresivi del costo del materiale e della posa in opera pari rispettivamente a 28,9 €/m2 per il BioPCM M51, a 46,8 €/m2 per BioPCM M91 e 87,8 €/m2 per il BioPCM M182.

Come si evince dalla Tabella 6, i materiali a cambiamento di fase risultano essere ancora soluzioni tecnologiche costose, il cui impiego risulta poco conveniente dal punto di vista economico. Per l’applicazione a parete e a soffitto, minore è lo spessore istallato minore risulta essere il tempo di ritorno dell’investimento.

Il TR senza incentivi statali va da un minimo di 28,8 anni della soluzione con BioPCM M51 applicato alle pareti a un massimo di 146 anni ottenuto dalla soluzione con BioPCM M182 applicato al soffitto. Grazie agli incentivi statali il rapporto costi-benefici risulta essere maggiormente conveniente. Il T*R varia da 8,64 anni a 43,8 anni rendendo l’applicazione dei PCM maggiormente accessibile.

Conclusioni

Questo articolo evidenzia l’elevata capacità dei PCM di riuscire a migliorare le temperature interne bilanciando i picchi di temperatura e riducendo le fluttuazioni giornaliere anche in edifici esistenti con murature pesanti e bassi indici di WWR. Il BioPCM M182 applicato sia sul soffitto che sulle pareti esterne riesce a generare una ridu-

#80 69
riscaldamento
elet- FIGURA
della
6 Confronto dell’andamento
temperatura operativa nella settimana dal 20 al 26 Luglio
ID Categoria I EN 16798-1 Categoria II EN 16798-1 Categoria III EN 16798-1 Δ% Δ% Δ% BL Caso base 458,0 338,5 162,0 Pareti PCM 1 BioPCM M51 Q25 428,0 -6,6% 302,0 -10,8% 146,7 -9,5% PCM 2 BioPCM M91 Q25 429,0 -6,3% 301,0 -11,1% 145,5 -10,2% PCM 3 BioPCM M182 Q25 430,0 -6,1% 290,0 -14,3% 145,0 -10,5% Soffitto PCM 4 BioPCM M51 Q25 410,0 -10,5% 274,1 -19,0% 133,8 -17,4% PCM 5 BioPCM M91 Q25 408,0 -10,9% 265,8 -21,5% 122,6 -24,3% PCM 6 BioPCM M182 Q25 391,0 -14,6% 221,4 -34,6% 112,6 -30,5% Soff.+Pareti PCM 6+PCM 1 BioPCM M182+M51 387,3 -15,4% 230,1 -32,0% 112,6 -30,5% PCM 6+PCM 2 BioPCM M182+M91 385,0 -15,9% 229,7 -32,2% 111,5 -31,2% PCM 6+PCM 3 BioPCM M182+M182 376,7 -17,8% 215,8 -36,2% 88,1 -45,6%
TABELLA 5 Valutazione del numero di ore di discomfort termico in free floating secondo la norma UNI EN 16798

zione di temperatura massima di 4,4 °C rispetto al caso base. Significativo risulta essere anche la riduzione delle ore di discomfort nella configurazione free floating con valori massimi di riduzione pari al 17,6% per la categoria I, 36,2% per la categoria II e 46,5% per la categoria III portando a una diminuzione della vulnerabilità dell’edificio alle azioni dei cambiamenti climatici. Tra le diverse applicazioni, l’applicazione alle sole pareti massimizza il risparmio per il riscaldamento all’aumentare dello spessore utilizzato (26,6%), l’applicazione a soffitto quella per il raffrescamento (17,5%), le soluzioni combinate bilanciano i vantaggi stagionali generando le riduzioni di energia totali maggiori (24,1%). Dalle analisi è emerso, inoltre, come sia fondamentale per l’ottimizzazione del ciclo carico-scarico dei PCM durante il periodo estivo, realizzato per esempio tramite l’azione combinata del PCM con sistemi di raffrescamento ibridi in grado di ridurre le temperature interne durante le ore notturne e massimizzare lo “scarico” del PCM. Infatti, temperature diurne molto alte e ridotte escursioni termiche giornaliere per periodi di lunga durata comportano prestazioni di accumulo termico più basse e conseguenti riduzioni dei vantaggi ottenibili.n

BIBLIOGRAFIA

NOTA: IC: Costo investimento; TR: tempo di ritorno; I* C : costo di investimento decurtato delle detrazioni statali (70%);

∙ Ascione, F., Bianco, N., De Masi, R. F., de’ Rossi, F., & Vanoli, G. P. (2014). Energy refurbishment of existing buildings through the use of phase change materials: Energy savings and indoor comfort in the cooling season. Applied Energy, 113, 990–1007. https://doi.org/10.1016/J.APENERGY.2013.08.045

∙ Attia, S., Levinson, R., Ndongo, E., Holzer, P., Berk Kazanci, O., Homaei, S., Zhang, C., Olesen, B. W., Qi, D., Hamdy, M., & Heiselberg, P. (2021). Resilient cooling of buildings to protect against heat waves and power outages: Key concepts and definition. Energy and Buildings, 239, 110869.

∙ Ballarini, I., Corgnati, S. P., & Corrado, V. (2014). Use of reference buildings to assess the energy saving potentials of the residential building stock: The experience of TABULA project. Energy Policy, 68, 273–284. https://doi. org/10.1016/J.ENPOL.2014.01.027

∙ Berardi, U., & Jafarpur, P. (2020). Assessing the impact of climate change on building heating and cooling energy demand in Canada. Renewable and Sustainable Energy Reviews, 121, 109681. https://doi.org/10.1016/j. rser.2019.109681

∙ Berardi, U., & Soudian, S. (2018). Benefits of latent thermal energy storage in the retrofit of Canadian high-rise residential buildings. Building Simulation 2018 11:4, 11(4), 709–723. https://doi.org/10.1007/S12273-018-0436-X

∙ Chen, X., Zhang, Q., Zhai, Z. J., & Ma, X. (2019). Potential of ventilation systems with thermal energy storage using PCMs applied to air conditioned buildings. Renewable Energy, 138, 39–53. https://doi.org/10.1016/J. RENENE.2019.01.026

∙ EN Standard 16798-1. (2019). Indoor Environmental Input Parameters for Design and Assessment of Energy Performance of Buildings Addressing Indoor Air Quality, Thermal Environment, Lighting and Acoustics—Module M1-6 CTI – Comitato Termotecnico Italiano, Milano Italy.

∙ Eurostat, the S. O. of the E. U. (2021). Eurostat regional yearbook: 2021 edition. https://doi.org/10.2785/894358

∙ Faraj, K., Khaled, M., Faraj, J., Hachem, F., & Castelain, C. (2021). A review on phase change materials for thermal energy storage in buildings: Heating and hybrid applications. Journal of Energy Storage, 33, 101913. https:// doi.org/10.1016/J.EST.2020.101913

∙ Gholamibozanjani, G., & Farid, M. (2020). A comparison between passive and active PCM systems applied to buildings. Renewable Energy, 162, 112–123. https://doi.org/10.1016/J.RENENE.2020.08.007

∙ ISO Standard 7730. (2005). Ergonomics of the Thermal Environment—Analytical Determination and Interpretation of Thermal Comfort Using Calculation of the PMV and PPD Indices and Local Thermal Comfort.

∙ Larsen, M. A. D., Petrović, S., Radoszynski, A. M., McKenna, R., & Balyk, O. (2020). Climate change impacts on trends and extremes in future heating and cooling demands over Europe. Energy and Buildings, 226, 110397. https://doi.org/10.1016/j.enbuild.2020.110397

∙ Rathore, P. K. S., Gupta, N. K., Yadav, D., Shukla, S. K., & Kaul, S. (2022). Thermal performance of the building envelope integrated with phase change material for thermal energy storage: an updated review. Sustainable Cities and Society, 79, 103690. https://doi.org/10.1016/J.SCS.2022.103690

∙ Soudian, S., & Berardi, U. (2019). Assessing the effect of night ventilation on PCM performance in high-rise residential buildings. Journal of Building Physics. https://doi.org/10.1177/1744259119848128

∙ UNI/TS 11300-1. (2008). UNI/TS 11300-1 – Prestazioni energetiche degli edifici – Parte 1: Determinazione del fabbisogno di energia termica dell’edificio per la climatizzazione estiva ed invernale. Italian Unification Authority.

∙ Wang, X., Li, W., Luo, Z., Wang, K., & Shah, S. P. (2022). A critical review on phase change materials (PCM) for sustainable and energy efficient building: Design, characteristic, performance and application. Energy and Buildings, 260, 111923. https://doi.org/10.1016/J.ENBUILD.2022.111923

#80 70
* Umberto Berardi, Politecnico di Bari, Toronto Metropolitan University Francesco Ruggiero, Roberto Stasi, Politecnico di Bari
ID Risparmio economico Ritorno investimento Riscaldamento Raffrescamento Tot. IC TR I * C T * R kWh/a € kWh/a € € € € Pareti PCM 1 269,4 29,6 158,7 39,7 69,3 1,997 28,80 599 8,64 PCM 2 439,1 48,3 102,6 25,7 74,0 3,238 43,78 971 13,13 PCM 3 789,8 86,9 89,5 22,4 109,3 6,070 55,55 1,821 16,67 Soffitto PCM 4 -5,2 -0,6 146,2 36,5 36,0 2,121 58,96 636 17,69 PCM 5 2,0 0,2 155,4 38,9 39,1 3,439 88,02 1,032 26,41 PCM 6 16,0 1,8 169,8 42,4 44,2 6,447 145,86 1,934 43,76 Soff.+Pareti PCM 6+PCM 1 284,6 31,3 167,1 41,8 73,1 8,446 115,56 2,534 34,67 PCM 6+PCM 2 471,9 51,9 163,7 40,9 92,8 9,687 104,34 2,906 31,30 PCM 6+PCM 3 825,1 90,8 155,4 38,8 129,6 12,519 96,59 3,756 28,98
TABELLA 6 Valutazione del tempo di ritorno raggiunto da ogni soluzione
T* R :
tempo di ritorno con detrazioni statali.

WATTS: COMPONENTI E SOLUZIONI TECNICHE PER IMPIANTI A POMPA DI CALORE

Know-how tecnico ed esperienza pluriennale al servizio dell’efficienza, del comfort e del risparmio energetico

Negli ultimi anni stiamo andando incontro alla trasformazione delle politiche energetiche e ambientali che hanno spostato l’attenzione di produttori e consumatori su sistemi HVAC più efficaci e sostenibili. Molti Paesi hanno concesso specifici bonus e/o incentivi fiscali per l’acquisto di sistemi HVAC sempre più efficienti e a basso impatto ambientale. Con questa politica hanno dato una forte accelerata all’intero mercato, spingendo le aziende ad investire sempre più nella ricerca per offrire prodotti tecnologicamente avanzati, adattativi ed efficienti, integrati in sistemi di gestione e supervisione intelligenti.

È evidente che con tecnologie così sofisticate, anche il più piccolo componente può fare la differenza.

Watts vanta un’esperienza pluriennale nello sviluppo di prodotti e tecnologie innovative per supportare gli sforzi dei propri clienti in materia di sostenibilità, sicurezza e rispetto delle regolamentazioni vigenti, con un occhio vigile alla riduzione degli sprechi e l’altro all’efficienza energetica. Il know-how tecnico, acquisito sul campo grazie alla diretta collaborazione con i costruttori, gli installatori e i progettisti di tutto il mondo, ha consentito a Watts di sviluppare componenti e sistemi indispensabili anche per il collegamento e l’installazione delle pompe di calore.

L’eccellenza degli ingegneri Watts ed il continuo contatto con i produttori di pompe di calore, i progettisti termotecnici, gli installatori e gli utilizzatori hanno permesso al brand di offrire prodotti tecnologicamente avanzati e modulari. Il contributo di Watts si concentra, in particolare, su alcuni componenti del sistema pompa di calore: dai collettori idraulici, alle valvole per le tubazioni, da quelle di sicurezza e di zona fino ai gruppi di pompaggio per la distribuzione del calore. Specifica attenzione va prestata ai sistemi di filtraggio e defangazione, di particolare importanza ai fini dell’affidabilità e durabilità delle pompe di calore monoblocco nel tempo.

Un discorso a parte meritano i disconnettori BA e CA che, bloccando il riflusso dell’acqua, garantiscono la sicurezza e il rispetto della normativa EN1717.

All’offerta Watts si aggiunge il sistema di tubazioni flessibili preisolate Microflex®, con il nuovo modello HP, soluzione ideale per l’installazione di pompe di calore monoblocco. Il design funzionale riunisce i tubi di mandata e ritorno per il riscaldamento e/o raffrescamento con due tubi per i cavi di alimentazione e di segnale all’interno della stessa guaina esterna garantendo così un sistema di collegamento compatto e funzionale, unitamente a un livello di isolamento di alta qualità.

Inoltre, Watts offre soluzioni per aumentare il comfort termico e l’efficienza energetica dell’intero sistema. Tra questi spiccano le innovative valvole di bilanciamento statico iDROSET® serie CF, che garantiscono una corretta distribuzione del calore per assicurare il livello desiderato di comfort in ogni porzione dell’edificio, e il sistema Vision ® Wireless che contribuisce all’efficienza dell’intero sistema controllando la termoregolazione di ogni ambiente con la massima flessibilità, garantendo un alto livello di comfort e un reale risparmio energetico.

L’ampia gamma di prodotti modulari, perfettamente abbinabili ad ogni tipologia di impianto, permette di estendere i diversi progetti in ogni momento e di sviluppare prodotti e soluzioni innovative che si adattano alle esigenze specifiche dei clienti. I prodotti Watts si contraddistinguono per facilità di montaggio e installazione grazie ai moduli preinstallati in fabbrica che consentono non solo di abbattere tempi e costi di installazione ma riducono anche le necessità di manutenzione.

Queste caratteristiche, insieme all’alta qualità dell’assistenza tecnica, rappresentano i punti di forza di un’azienda che è tra i maggiori protagonisti del mercato mondiale della componentistica termoidraulica

Per informazioni visitare il sito www.wattswater.it

Informazioni
dalle aziende
Valvola di bilanciamento statico iDROSET® serie CF Sistema di tubazioni flessibili preisolate Microflex®

Sviluppo di un condizionatore d’aria sso a doppio condotto a propano

In questo articolo viene presentata l’ottimizzazione del progetto di un condizionatore compatto double-duct funzionante a propano, come alternativa a R410A, in linea quindi con gli emendamenti alla normativa F-gas approvati di recente dal Parlamento Europeo

Il propano (R290) è stato studiato come valido sostituto dell’R410A in diverse applicazioni, compresi i condizionatori d’aria (Harby, 2017, Ribeiro e Barbosa, 2016, Wu et al, 2012) grazie al suo basso potenziale di effetto serra (GWP~3 o inferiore). Il limite principale nell’utilizzo dell’R290 è sicuramente la sua elevata infiammabilità che richiede una progettazione particolare dei componenti del sistema e, soprattutto, la minimizzazione della

carica di refrigerante. I sistemi di condizionamento compatti senza scambiatori di calore esterni (come, ad esempio, i condizionatori double-duct) offrono promettenti opportunità per la minimizzazione della carica di refrigerante, data la limitata lunghezza delle linee frigorifere.

Vale la pena sottolineare che nei sistemi di condizionamento compatti, data la carica relativamente piccola ottenibile anche con i refrigeranti HFC, l’impatto ambientale indiretto, dovuto alle emissioni di CO2 generate dal consumo di energia durante l’uso, è molto più grande dell’effetto diretto

#80 72
Giulia Righetti, Oreste Bottaro, Matteo Leone Campidelli, Ilario Zanetti*
Climatizzazione

conseguente al rilascio di refrigerante nell’ambiente. Pertanto, è obbligatorio massimizzare l’efficienza energetica del condizionatore d’aria, tenendo presente che il fattore chiave per un dimensionamento di successo dei condizionatori d’aria a idrocarburi è legato, in termini di sicurezza, alla minimizzazione della carica di refrigerante. Vale la pena notare che nei condizionatori d’aria compatti il condensatore di solito mantiene la maggior parte della carica di refrigerante, a seconda del design dello stessoe del layout del sistema (Wu et al, 2012). Di conseguenza, è obbligatorio ridurre il volume dei due scambiatori di calore principali (che possono funzionare come condensatore o come evaporatore, a seconda del tipo di funzionamento: raffreddamento o riscaldamento).

È inoltre noto che il design degli scambiatori di calore ha un forte impatto sull’efficienza degli stessi e, di conseguenza, sull’efficienza energetica delle macchine. È quindi necessario ottimizzare il design del condensatore e dell’evaporatore non solo dal punto di vista della riduzione della carica, ma anche per ottimizzare le prestazioni termiche e di perdita di carico durante i processi di cambiamento di fase, considerando le peculiari proprietà termofisiche del refrigerante.

In questo articolo viene presentata l’ottimizzazione del progetto di un condizionatore compatto doubleduct funzionante a propano. Il lavoro è

stato svolto nell’ambito di un progetto di ricerca LIFE finanziato dall’Unione Europea.

Un dettagliato strumento di simulazione, validato sulla base della caratterizzazione sperimentale di una macchina pre-esistente operante con R410A, viene utilizzato per studiare il numero ottimale di circuiti del condensatore e dell’evaporatore e per valutare l’effetto del sottoraffreddamento sulle prestazioni di un condizionatore d’aria double-duct a propano.

Ciclo ideale a compressione di vapore

Per valutare la potenziale prestazione dell’R290 rispetto all’R410A, i due refrigeranti vengono confrontati in un ciclo di refrigerazione a compressione di vapore ideale di riferimento. Il ciclo scelto è stato pensato per essere rappresentativo delle condizioni operative tipiche del comfort cooling, ed è caratterizzato da una temperatura di condensazione costante di 55 °C, una temperatura di evaporazione di 10 °C, con un surriscaldamento del vapore di 5 K e nessun sottoraffreddamento del condensato, e con un’efficienza di compressione isoentropica pari a 0,7.

Le proprietà termodinamiche di R290 e R410A sono state valutate con REFPROP 10.0 (Lemmon et al. 2018). La Tabella 1 confronta le principali prestazioni dell’R410A e dell’R290 insieme alla densità del liquido saturo. L’effetto frigorifero volumetrico (EFV) è il prodotto

della densità del vapore in aspirazione e della variazione di entalpia specifica dell’evaporatore. Il coefficiente di effetto utile (COP) è il rapporto tra l’effetto frigorifero specifico (per unità di massa di fluido) e il lavoro di compressione. In un ciclo ideale, è possibile fare le seguenti osservazioni:

• In primo luogo, l’effetto frigorifero volumetrico dell’R290 è inferiore di circa il 40%. Il vapore all’aspirazione dell’R410A è circa 3 volte più denso, mentre l’effetto frigorifero specifico per unità massa dell’R290 è circa 1,8 volte quella dell’R410A, il che comporta un effetto frigorifero volumetrico inferiore del 42%;

• In secondo luogo, non riportato nella Tabella 1, il lavoro di compressione è inferiore di circa il 40% con l’R410A. Considerando che l’effetto frigorifero specifico dell’R290 è circa 1,8 volte superiore, il COP con l’idrocarburo è di +11%;

• Infine, la minore densità del liquido del propano consente di ridurre notevolmente la massa di refrigerante nel circuito. Tuttavia, per minimizzare la carica, è necessario ridurre il diametro dei tubi della batteria alettata.

Prestazioni del ciclo a compressione di vapore “reale”

Come detto, nel presente lavoro, è stato preso come riferimento un condizionatore d’aria per ambienti “doubleduct” (DD-AC) di serie funzionante con R410A. I DD-AC sono sistemi compatti senza scambiatore di calore esterno. Il flusso d’aria esterna viene convogliato attraverso due condotti che attraversano le pareti dell’edificio. Nel seguito, i due principali scambiatori di calore a batteria alettata (condensatore/evaporatore a seconda del tipo di funzionamento, cioè riscaldamento o raffrescamento) saranno indicati come “batteria aria interna” (BAI) e “batteria aria esterna” (BAE). Le caratteristiche principali delle due batterie alettate sono riportate nella Tabella 2.

Come criterio di progettazione per lo sviluppo dell’unità R290, si è deciso di mantenerla il più possibile simile all’unità a R410A di serie. Pertanto, le dimensioni esterne, i ventilatori e i condotti dell’aria sono stati mantenuti invariati, così come le dimensioni complessive degli scambiatori di calore. Per ridurre la massa di refrigerante, per l’R290 sono stati adottati tubi di rame microfin con diametro nominale di 5 mm, disponibili in commercio, anziché quelli con diametro nominale di 7 mm, utilizzati per l’R410A.

#80 73
EFV (kJ/m3) COP (-) Densità del liquido saturo (kg/m3) R410A 5340 2,92 865,5 R290 3217 3,26 438,8 Variazione -40% +11% -50%
TABELLA 1 Prestazioni del ciclo ideale con R410A e propano

Analisi termodinamica

Cavallini et al. (2010) e Brown et al. (2014) hanno dimostrato chiaramente che la modifica del refrigerante e/o del diametro del tubo, a parità di tutte le altre caratteristiche geometriche e di tutti i parametri del lato aria, richiede l’ottimizzazione della lunghezza del singolo circuito. Gli autori hanno utilizzato il criterio della minimizzazione della generazione di entropia per la definizione di adeguati indici di valutazione delle prestazioni per la condensazione e la vaporizzazione in tubo, come, ad esempio, la “Total Temperature Penalization” (TTP). Per una definizione corretta del TTP si rimanda ai riferimenti citati. Ci si limita qui a sottolineare che la lunghezza ottimale del circuito è quella che porta al TTP minimo.

Lo stesso approccio è stato utilizzato per confrontare R410A e R290 in condizioni di riferimento in un DD-AC. I modelli utilizzati per la stima dei parametri del lato refrigerante, quali il coefficiente di scambio termico, la caduta di pressione e il grado di vuoto, sono elencati nella Tabella 3. Il profilo del TTP in funzione della lunghezza del circuito viene rappresentato in Figura 1a per la condensazione (Cavallini et al., 2010), e in Figura 1b per la vaporizzazione (Brown et al., 2014). Tutte le ipotesi sono riportate all’interno delle figure. È evidente che, sia con riferimento al processo di condensazione che a quello di vaporizzazione, per ottenere i valori minimi di TTP è necessario scegliere una lunghezza del circuito adeguata. La lunghezza ottimale è simile per R410A e R290, ma le prestazioni del propano sono più sensibili alla lunghezza. Il circuito per l’evaporatore dovrebbe teoricamente essere più corto di quello per il condensatore. Tuttavia, le curve di TTP per il condensatore sono piuttosto piatte nella regione vicina al minimo, quindi, una volta che l’evaporatore è stato progettato correttamente, è possibile farlo funzionare come condensatore senza notevoli penalizzazioni termodinamiche.

TABELLA 2 Geometria delle batterie alettate (R410A)

Batteria Aria Esterna (BAE) Batteria Aria Interna (BAI)

Coefficiente di scambio termico lato refrigerante dell'evaporatore

Coefficiente di scambio termico del refrigerante del condensatore

Perdita di carico lato refrigerante

Cavallini et al (2006)

Cavallini et al. (2009)

Cavallini et al. (2000)

Grado di vuoto del refrigerante Rouhani and Axelsson (1970)

Perdita di carico della curva a U Lunghezza equivalente = 30D

Coefficiente di scambio termico lato aria Dati proprietari del produttore

Analisi

dettagliata

Partendo dalle considerazioni termodinamiche preliminari sopra riportate, per l’analisi dettagliata dell’unità esistente a R410A usata come riferimento e per la progettazione della nuova unità a R290, è stato utilizzato

l’approccio numerico descritto in Casson et al. (2002), con particolare attenzione alla progettazione degli scambiatori di calore a batteria alettata. Lo scambiatore di calore è discretizzato in una serie di volumi finiti, ogni elemento è calcolato come un piccolo scambiatore di calore a flusso incrociato e le condizioni del fluido primario e secondario sono trasferite al volume adiacente.

Le correlazioni utilizzate per i parametri del lato refrigerante, quali il coefficiente di scambio termico, la caduta di pressione e il grado di vuoto, sono elencate nella Tabella 3. I coefficienti di scambio termico lato aria sono calcolati in base a correlazioni semi-empi-

#80 74
TABELLA 3 Correlazioni usate per condensatore ed evaporatore
Disposizione dei tubi Sfalsata Sfalsata Materiale del tubo rame rame Lunghezza della batteria alettata (m) 0,3 0,7 Diametro esterno del tubo (mm) 7 7 Diametro interno del tubo (mm) 6,3 6,3 Passo longitudinale (mm) 12,7 12,7 Passo trasversale (mm) 21 21 Geometria dell'aletta (materiale) louvered (Al) Louvered (Al) Spaziatura dell'aletta (mm) 1,4 1,3 Spessore dell'aletta (mm) 0,1 0,1 Numero di ranghi 4 2
FIGURA 1a Total Temperature Penalization (TTP) in funzione della lunghezza dei circuiti a 55 °C di saturazione FIGURA 1b Total Temperature Penalization (TTP) in funzione della lunghezza dei circuiti a 10 °C di saturazione

Descrizione Valore unità

Condizioni nominali standard, temperatura di bulbo secco (bulbo umido) dell'aria interna in modalità di raffreddamento

Condizioni nominali standard, temperatura di bulbo secco (bulbo umido) dell'aria esterna, in modalità di raffreddamento

Potenza nominale per il raffreddamento Prated,c

Potenza nominale assorbita per il raffreddamento PEER

Energy Efficiency Ratio EER = Prated,c / PEER

°C

°C

kW

e dai polinomi della portata volumetrica. Il diagramma di flusso del codice numerico usato è riportato nella Figura 2.

Le temperature di bulbo secco e umido in ingresso e le portate d’aria interna ed esterna sono i parametri di ingresso del programma di simulazione, così come il surriscaldamento del vapore all’uscita dell’evaporatore. Partendo dalla stima iniziale della pressione di aspirazione e di mandata, ogni subroutine del componente fornisce una portata massica di refrigerante per il condensatore, l’evaporatore e il compressore. Quando queste differenze di portata massica sono superiori alla tolleranza impostata (fissata dall’utente), le pressioni di aspirazione e di mandata vengono variate finché le portate massiche dei componenti non convergono entro la tolleranza impostata.

Il presente strumento di simulazione è stato convalidato sui dati di prestazione sperimentali registrati per l’unità R410A di riferimento. I test sono stati eseguiti in una doppia camera climatica in conformità alle specifiche EN 14511-2 e EN14511-3. Le incertezze di misura soddisfano la norma EN 14511-3 e sono riportate nella Tabella 4. I risultati dei test sperimentali sono riportati nella Tabella 5. Il sottoraffreddamento del liquido di condensazione misurato è di circa 4 K.

Lo strumento di simulazione è stato in grado di prevedere le potenze nominali di riscaldamento e raffreddamento, l’EER e il COP entro il 4%, quindi è stato considerato calibrato ed è stato utilizzato per la progettazione e l’analisi dell’unità a R290.

Analisi dell’unità a doppio condotto a propano

riche sviluppate su una base di dati sperimentali raccolti presso l’Università di Padova. Si assume che i coefficienti di scambio termico lato aria siano costanti e uniformi nell’intero scambiatore di calore. Le principali caratteristiche geometriche sono riportate nella Tabella 2.

È stato implementato un codice di simulazione dell’intero sistema basato sugli strumenti di simulazione precedentemente descritti per il condensatore e l’evaporatore. Il compressore è caratterizzato dal suo rendimento di compressione sperimentale (basata sul consumo effettivo di energia elettrica)

Cavallini et al. (2014) hanno dimostrato che, da un punto di vista termodinamico, l’efficienza di compressione complessiva di un compressore sviluppato per l’R290 dovrebbe essere abbastanza vicina (se non migliore) all’efficienza di un compressore per R410A. Di conseguenza, per la presente analisi i polinomi utilizzati per la caratterizzazione del compressore a R410A sono stati adottati anche per la simulazione del compressore R290. Evidentemente, la portata volumetrica del compressore è stata aumentata per ottenere con l’R290 la stessa potenza di raffreddamento/riscaldamento dell’unità a R410A.

Le condizioni nominali e le portate riportate nella Tabella 5 sono state studiate con un surriscaldamento fisso all’uscita dell’evaporatore pari a 5 K. Il consumo elettrico degli ausiliari è stato considerato il medesimo dell’u -

#80 75
misurata Accuratezza Temperatura del refrigerante ±0,15 °C Temperatura dell'aria a bulbo secco ±0,3 °C Temperatura dell'aria a bulbo umido ±0,4 °C Portata volumetrica (aria) ±5% Potenza elettrica ±1%
TABELLA 4 Accuratezza degli strumenti utilizzati
Grandezza
TABELLA 5 Risultati dei test secondo normativa EN 14511-3
27(19)
35(24)
2,35
kW
3,22
Portata d'aria interna 420
3/h Portata d'aria esterna 500 m3/h
0,730
Rated
-
m
FIGURA 2 Diagramma di flusso del codice implementato per la simulazione

nità a R410A. Per semplicità, le linee di collegamento del vapore e del liquido sono state considerate adiabatiche e con perdite di carico trascurabili.

Per valutare i risultati preliminari dell’analisi termodinamica basata sui criteri di valutazione delle prestazioni del TTP, è stato utilizzato uno strumento di simulazione 3D per analizzare la BAI e la BAE come componenti indipendenti. In particolare, sono state considerate temperature di condensazione ed evaporazione fisse (55 °C e 10 °C, rispettivamente), sottoraffreddamento del condensato nullo e surriscaldamento del vapore pari a 5 K. La lunghezza di ciascun circuito frigorifero è stata aumentata da circa 2 m al massimo possibile (14 m per la BAI e 22 m per la BAE). Come già detto, per l’R410A sono stati utilizzati tubi microfin da 7 mm di diametro esterno (OD), mentre per l’R290 sono stati considerati tubi microfin da 5 mm di OD. Le Figure 3a e 3b riportano la portata termica scambiata e la corrispondente caduta di temperatura di saturazione rispettivamente per BAI e BAE. Il simbolo a stella indica la configurazione adottata per l’unità a R410A, a dimostrazione del fatto che il sistema di riferimento ha la circuitazione ottimizzata per entrambe le batterie del condensatore e dell’evaporatore. La simulazione dell’evaporatore a 10 °C di temperatura di saturazione, riportata nella Figura 3b, indica che l’R290 richiederebbe una lunghezza di circuito inferiore (cioè un numero maggiore di circuiti in parallelo) rispetto all’R410A. Tuttavia, bisogna anche considerare che la distribuzione del fluido bifase negli scambiatori a batteria alettata può essere un vincolo pesante per il progettista. Per questo motivo, poiché analizzando la Figura 3b emerge che la differenza di potenza termica tra 2 m e 4 m per la BAI è limitata, è stata adottata una configurazione con 4 circuiti (cioè, lunghezza del singolo circuito di circa 4 m) sia per l’R410A che per l’R290.

Inoltre, sulla base dei risultati della simulazione, la lunghezza dei circuiti della BAE (Figura 3a) è stata leggermente ridotta da circa 7 m (utilizzati per l’R410A, evidenziati dal simbolo a stella nel grafico) a circa 5 m per l’R290.

Una volta fissate le configurazioni dei circuiti, è stato analizzato l’effetto del sottoraffreddamento sulle prestazioni del sistema. È noto che il sottoraffreddamento si verifica allagando la regione terminale di un condensatore, con la conseguenza di un aumento della pressione di condensazione. Durante il funzionamento, questo effetto è controllato dalla carica di refrigerante nei sistemi con valvola di espansione termostatica e senza ricevitori di liquido, come

quello in esame. È opinione comune che questa pratica comporti un miglioramento del COP. In altre parole, il beneficio di un maggiore effetto frigorifero per unità di massa supera la penalizzazione derivante dall’aumento della pressione di condensazione. Da un punto di vista teorico, questo vantaggio può essere attribuito principalmente alla riduzione della perdita di exergia nel processo di laminazione, insieme alla riduzione delle irreversibilità dello scambio termico, dovuta ai profili di temperatura più favorevoli dei due fluidi lungo lo scambiatore di calore. Pertanto, ci si può aspettare un beneficio maggiore per il propano che ha perdite di laminazione maggiori rispetto all’R410A e

per condizioni operative con un elevato salto di temperatura tra evaporazione e condensazione.

Nella Figura 5 viene analizzato l’effetto del sottoraffreddamento per l’R410A e l’R290 in termini di EER e di massa di refrigerante contenuta nel condensatore durante le operazioni di raffreddamento, nell’ipotesi di una potenza frigorifera uguale per i due fluidi. Come previsto, per entrambi i fluidi esiste un sottoraffreddamento ottimale che massimizza l’EER (circa 4-5 K per l’R410A e circa 15 K per l’R290). Il propano beneficia maggiormente di un maggiore sottoraffreddamento, ottenendo un EER più elevato a parità di potenza frigorifera della macchina

#80 76
FIGURA 3a Potenza frigorifera scambiata e caduta di temperatura di saturazione della BAE (modalità di raffreddamento) FIGURA 3b Potenza frigorifera scambiata e caduta di temperatura di saturazione della BAI (modalità di raffreddamento)

a R410A, come illustrato nella Figura 6. Tuttavia, la massa di propano contenuta nel condensatore aumenta da circa 26 g con un sottoraffreddamento di 0 K fino a 45 g con un sottoraffreddamento di 15 K. Data la densità del liquido molto più elevata, la carica di R410A è di circa 162 g a 0 K di sottoraffreddamento e aumenta a 181 g a 4 K di sottoraffreddamento. Secondo la Tabella 3, per la stima della carica del condensatore è stato utilizzato il modello di Rouhani e Axelsson (1970) per la stima del grado di vuoto. Calcoli simili sono stati eseguiti per l’evaporatore. Le linee del liquido e del vapore per il collegamento dei diversi dispositivi possono essere considerate identiche a quelle in uso per l’unità a R410A e la carica di refrigerante corrispondente può essere facilmente valutata una volta nota la densità del fluido monofase. La quantità di refrigerante contenuta nel compressore durante il funzionamento può essere stimata sperimentalmente con un metodo gravimetrico dopo aver isolato rapidamente il compressore durante il funzionamento per mezzo di valvole a chiusura rapida. Pertanto, per il sistema a propano in fase di sviluppo, è stato

BIBLIOGRAFIA

possibile stimare una carica totale di refrigerante di 138 g.

Conclusioni

In questo lavoro è stato implementato un modello di simulazione validato sull’analisi sperimentale di un condizionatore d’aria a doppio condotto a R410A. Il modello è stato poi utilizzato per la progettazione di una macchina identica (cioè con uguali ingombri, stessi ventilatori, stessa potenza frigorifera) funzionante con propano come refrigerante. L’analisi ha dimostrato che è possibile progettare l’unità funzionante con una carica di propano inferiore a 150 g, in grado di raggiungere la stessa potenza frigorifera dell’R410A e prestazioni uguali o leggermente superiori (EER). Le prestazioni del sistema a R290 trarrebbero vantaggio da un sottoraffreddamento del liquido di condensazione maggiore rispetto al sistema a R410A, ma questo ha un impatto sulla carica di propano nel sistema.n

* Giulia Righetti, Università di Padova Oreste Bottaro, Innova S.r.l. Matteo Leone Campidelli, Innova S.r.l. Ilario Zanetti, Innova S.r.l.

RICONOSCIMENTI

Lo studio è stato realizzato nell’ambito del Progetto LIFE ZEROGWP (LIFE17 CCM/IT/000026) finanziato dalla Commissione Europea.

∙ Brown J.S., Zilio C., Brignoli R., Cavallini A., 2013. Heat transfer and pressure drop penalization terms (exergy losses) during flow boiling of refrigerants. Int. J. Energy Res. 37, 1669–1679.

∙ Casson V., Dal Belin Peruffo G., Fornasieri E., Zilio C., 2003. Energy efficiency of a household air conditioner using new HFC refrigerants, 21st Int. Cong. Refrigeration IIF-IIR, Washington.

∙ Cavallini, A., Del Col, D., Doretti, L., Longo, G.A., Rossetto, L., 2000. Heat Transfer and Pressure Drop during Condensation of Refrigerants Inside Horizontal Enhanced Tubes. Int. J. Refrigeration, 23, 4-25.

∙ Cavallini, A., Del Col, D., Rossetto, L., 2006. Flow boiling inside microfin tubes: prediction of the heat transfer coefficient, Proc. of ECI Int. Conf. on Boiling Heat Transfer, Spoleto, Italy.

∙ Cavallini, A., Del Col, D., Mancin, S., Rossetto, L., 2009. Condensation of pure and near-azeotropic refrigerants in microfin tubes: A new computational procedure. International Journal of Refrigeration, 32 (1), 162-174.

∙ Cavallini, A., Brown J.S., Del Col D, Zilio C., 2010. In-tube condensation performance of refrigerants considering penalization terms (exergy losses) for heat transfer and pressure drop, Int. J Heat Mass Transfer, vol. 53: p. 2885-2896.

∙ Cavallini, A., Zilio, C., Brown, J. S., 2014. Sustainability with prospective refrigerants, International Journal of Energy Research, 38, 285 – 298

∙ EN 14511-2, 2018. European Committee for Standardization, Air conditioners, liquid chilling packages and heat pumps for space heating and cooling and process chillers, with electrically driven compressors. Part 2: Test conditions

∙ EN 14511-3, 2018. European Committee for Standardization, Air conditioners, liquid chilling packages and heat pumps for space heating and cooling and process chillers, with electrically driven compressors. Part 3: Test methods

∙ Harby, K., 2017. Hydrocarbons and their mixtures as alternatives to environmental unfriendly halogenated refrigerants: An updated overview, Renew. Sustain. En. Rev., 73, 1247 – 1264

∙ Lemmon, E. W., Bell, I.H., Huber, M. L., McLinden, M. O., 2018. NIST Standard Reference Database 23, Reference Fluid Thermodynamic and Transport Properties (REFPROP), version 10.0, National Institute of Standards and Technology: Gaithersburg, MD

∙ Ribeiro, G.B., Barbosa, J.R., 2016. Analysis of a variable speed air conditioner considering the R-290/POE ISO 22 mixture effect, Appl. Th. Eng., 108, 650–659.

∙ Rouhani, S. Z., Axelsson, E., 1970. Calculation of volume void fraction in the subcooled and quality region, Int. J. Heat Mass Transfer, 13, 383–393.

∙ Wu, J. H., Yang, L.D., Hou, J., 2012. Experimental performance study of a small wall room air conditioner retrofitted with R290 and R1270, Int. J. Refrigeration, 35, 1860–1868.

#80 77
FIGURA 4 Effetto del sottoraffreddamento sull’EER e sulla quantità di refrigerante nel condensatore (modalità di raffreddamento) (la stella indica il valore misurato per l’unità R410A) FIGURA 5 Effetto del sottoraffreddamento sulla potenza frigorifera del condizionatore d’aria (la stella indica il valore misurato per l’unità R410A)

Evoluzione sostenibile per rispondere alle nuove sfide del settore.

L’intervista al Presidente AiCARR

Nel corso dell’Assemblea annuale dei Soci tenutasi lo scorso 27 aprile è entrato in carica ufficialmente come Presidente di AiCARR per il triennio 2023-2026 Claudio Zilio, docente di Fisica Tecnica presso l’Università di Padova, già componente della Giunta e Presidente della Commissione Convegni dell’Associazione durante lo scorso triennio. “Fragilità (che genera Solidità e Autorevolezza), Confronto, Scienza e Tecnica, Innovazione Continua, Immaginazione, Resilienza, Non so” sono le particolari parole-chiave che delineano il suo mandato: scopriamo il loro significato nel corso dell’intervista che ci permette di conoscere più da vicino il Presidente e i suoi progetti per il triennio.

Iniziamo con una domanda a cui ogni nuovo Presidente si trova a rispondere: che cosa significa presiedere un’Associazione come AiCARR?

In questo momento, all’inizio della mia esperienza da Presidente, la prima risposta, quella che di solito nasce nella maniera più spontanea senza particolari filtri della ragione, è che presiedere AiCARR è un onore ed un privilegio per la storia, il prestigio e l’autorevolezza che l’Associazione ha a livello nazionale e per le sue relazioni internazionali.

AiCARR è una grande comunità di oltre duemila Soci che con le loro attività professionali danno prestigio a tutto il settore. Presiedere questa grande comunità è quindi anche una grande responsabilità. AiCARR ha saputo in più di sessant’anni assumere un ruolo primario e riconosciuto nel fare cultura nell’ambito del condizionamento dell’aria, riscaldamento e refrigerazione: nell’Associazione convivono le diverse espressioni di questi settori, dalla progettazione all’Accademia, dalla produzione industriale all’installazione, con un mix virtuoso di contributi di giovani e di Soci che frequentano AiCARR da decine di anni. AiCARR è quindi una comunità, un organismo complesso. Come ho argomentato durante l’Assemblea generale dello scorso 27 aprile, gli organismi più complessi sono intrinsecamente fragili, ma la loro “fragilità” è al tempo stesso il segreto della loro evoluzione e della loro forza e resilienza. Infatti, è in virtù di tale fragilità che questi organismi riescono ad innovarsi continuamente e a “generare idee”. Essere Presidente significa quindi, assieme agli organi statutari e alla Segreteria, saper ascoltare, percepire, raccogliere le costanti richieste, le idee e i continui cambiamenti che avvengono all’interno della grande comunità di AiCARR, per favorirne l’evoluzione verso una crescita sostenibile.

Quali sono le principali sfide che si prospettano nel settore e come le affronterà AiCARR?

Oggi abbiamo nuove sfide legate alla crisi ambientale, ai nuovi paradigmi progettuali dell’ambiente

confinato post-Covid, alle nuove normative, alle nuove aspettative sociali. Sfide che sono sicuramente “critiche”, ma che costituiscono un’opportunità per tutti. AiCARR coglierà queste sfide continuando ad essere presente per fare cultura con solidità, autorevolezza, massima trasparenza e con impegno concreto a favore della sostenibilità. Vista la complessità di queste sfide, non esiste una “ricetta” unica per affrontarle, servirà il contributo di tutte le diverse competenze all’interno dell’Associazione. Di una cosa sono assolutamente convinto: all’interno di AiCARR vi sono eccellenze nei vari campi del condizionamento dell’aria, del riscaldamento e della refrigerazione e questa è la vera forza dell’Associazione. Nel mio discorso introduttivo durante l’Assemblea Generale, ho elencato alcune parole chiave che possono dare qualche indicazione sulla direzione da percorrere in questo triennio: Fragilità (che genera, come accennavo prima, Solidità e Autorevolezza), Confronto, Scienza e Tecnica, Innovazione Continua, Immaginazione, Resilienza, NON SO. Ho lasciato per ultime, in modo quasi provocatorio, le due parole “non so”. Citando il Premio Nobel Wisława Szymborska, queste sono due “paroline piccole ma alate”. Nella mia esperienza personale di Socio e di membro degli organi direttivi dell’Associazione queste due parole forse più di tutte sono state lo spunto fecondo di iniziative, nate dal confronto tra i Soci. Credo sarà quindi importante stimolare la condivisione da parte di tutti dei propri “non so”, all’interno degli organi associativi, durante i convegni e gli incontri tecnici, tramite AgorAiCARR, solo per fare qualche esempio.

Quali saranno le novità e quali gli elementi di continuità con il passato in questo triennio? Ricevo un’eredità importante: ciò che è stato svolto da AiCARR e dalla Giunta che ha lavorato, e nella quale ho lavorato all’interno della Commissione Cultura, con Filippo Busato. AiCARR cura molto questo passaggio di consegne, poiché questo anno di transizione permette di generare la migliore continuità operativa e di indirizzo possibile.

La mia esperienza nel triennio 2020-23 è stata pienamente positiva e intendo proseguire in continuità con le attività svolte, tenendo anche conto che una frazione rilevante del precedente mandato è stata penalizzata dall’emergenza Covid che ha fortemente limitato la mobilità e quindi anche le occasioni di incontro tra Soci, momenti fondamentali per la vita associativa.

L’emergenza pandemica ci ha però spinto a innovare le strategie di comunicazione facendo largo uso degli strumenti telematici. Questa eredità va sicuramente sostenuta perché apprezzata nelle

attività quotidiane di tutti noi, trovando però nuove vie per declinare gli eventi in presenza in modo da stimolare i contatti personali che, lo ripeto, sono il “sale” di ogni Associazione. Si tratta quindi di proporre iniziative diversificate nei contenuti, nella durata e nella tipologia in modo da soddisfare le aspettative, spesso differenti, di progettisti, industriali, installatori, studenti.

La sfida è consolidare la qualità degli eventi diversificando l’offerta, mantenendo indipendenza e alto livello nella disseminazione di cultura anche sul territorio, in collaborazione con i Delegati Territoriali e con le aziende della Consulta. Un altro aspetto che da sempre contraddistingue AiCARR è la produzione di editoria tecnica di livello elevato: in quest’ambito, credo che sarà utile rimodulare gli obiettivi e le risorse allo scopo di implementare un meccanismo virtuoso e compatibile con le risorse messe a disposizione dai Soci. In generale, ritengo che la sfida sarà favorire l’evoluzione sostenibile dell’Associazione per rispondere alle nuove esigenze culturali del settore. Credo poi sia importante lavorare sui giovani e con i giovani: la mia esperienza di docente universitario mi insegna ogni giorno che l’evoluzione della cultura e delle attività ad essa connesse è resa più dinamica dal confronto di idee tra docenti e giovani. Questo approccio può risultare altrettanto fecondo nel contatto tra Soci studenti e Soci giovani con i docenti, i progettisti e le aziende.

Parlando di docenza, sposto l’attenzione su AiCARR Formazione che ha ottenuto nell’ultimo triennio un incremento sensibilissimo di partecipazione ai corsi attraverso un’offerta formativa di qualità che la contraddistingue e che contraddistingue AiCARR nel panorama nazionale. Si tratterà di consolidare gli ottimi risultati ottenuti. Rivolgendo il pensiero all’attività normativa, in questo periodo di pieno fermento dovuto alle sfide legate all’emergenza climatica e geopolitica e alla nuova sensibilità progettuale post-Covid, sarà importantissimo proseguire nella presenza e con il contributo di AiCARR nei tavoli di lavoro degli enti normatori. AiCARR, nel suo ruolo di Associazione culturale è,

AiCARR informa www.aicarr.org a cura di Lucia Kern
Claudio Zilio, Presidente AiCARR

per sua stessa natura, al di sopra delle parti. Questa libertà le permette di essere riconosciuta come un riferimento culturale per aziende, professionisti, istituzioni e pubblica amministrazione anche attraverso gli incontri e la discussione con le associazioni industriali di categoria, con ENEA, FIRE, GSE, solo per fare qualche esempio, e gli Ordini Professionali come CNI e CIIP.

Il futuro di AiCARR passa anche attraverso le relazioni con le altre Associazioni culturali del settore per un percorso virtuoso di crescita attraverso il dibattito tra Soci di organizzazioni diverse. La diffusione della cultura per la decarbonizzazione e la sostenibilità trova poi importanti impulsi grazie al confronto con ASHRAE, IIR, REHVA, con le quali va rafforzata la tradizionale collaborazione.

Un grande impegno per il triennio: Clima 2025 Lo scorso novembre 2022 ho avuto il piacere di essere presente a Bruxelles alla firma dell’accordo tra REHVA e AiCARR per l’organizzazione di Clima 2025. L’evento torna in Italia dopo l’ormai “lontano” 2001. A quella riunione era presente, oltre a Filippo Busato, durante la cui presidenza la candidatura è stata preparata e sottoposta, anche Francesca Romana d’Ambrosio che nel triennio

2017-2020 aveva per prima lanciato la proposta. Un evento quindi che AiCARR aspetta da tempo e che rappresenta sicuramente una sfida importante. Il Convegno si terrà dal 4 al 6 giugno 2025 a Milano. Il tema che abbiamo proposto è: Decarbonized, healthy and energy conscious buildings in future climates. È un titolo molto esplicativo che sintetizza le principali sfide a cui i settori del condizionamento dell’aria, del riscaldamento e della refrigerazione sono chiamati nei prossimi anni: decarbonizzazione e consapevolezza energetica in una progettazione e una realizzazione degli impianti concepite avendo la salute e la salubrità dell’ambiente abitato come obiettivo, in uno scenario climatico che sta cambiando e che cambierà nel futuro.

Alla luce dei numeri e della risonanza fatti registrare dalle ultime edizioni, questo Convegno si preannuncia come una vetrina unica per tutto il sistema industriale italiano del condizionamento dell’aria, del riscaldamento e della refrigerazione, per i progettisti, per le Università e gli Enti di ricerca italiani. Sarà quindi un’occasione fondamentale per fare cultura a livello internazionale, incontrando a Milano i maggiori esperti e le aziende del settore.

39° Convegno nazionale AiCARR: si delinea un programma molto vivace

Sono ben 29 gli abstract ricevuti in risposta al Call for Papers per il 39° Convegno nazionale AiCARR

“Riqualificazione energetica del patrimonio edilizio: soluzioni tecniche e finanziarie”, in programma a Napoli l’8 settembre prossimo. I lavori, che sono visibili sul sito nella sezione dedicata al Convegno, sono focalizzati su studi, analisi e applicazioni relativi alle soluzioni innovative che possono rendere più rapida, tecnologicamente efficiente ed economicamente sostenibile la riqualificazione del patrimonio edilizio esistente. L’argomento è di grande attualità e di interesse per tutti coloro che operano a vario titolo nel settore impiantistico ed edilizio: la riqualificazione energetica è oggi imprescindibile alla luce delle normative vigenti, soprattutto considerato che la grande maggioranza degli edifici è già costruita e, di questa, oltre l’80% è stato edificato prima delle leggi sul contenimento dei consumi energetici e non è mai stato oggetto di interventi di riqualificazione. Le competenze e le esperienze non mancano: il nostro Paese ha visto un grande incremento degli interventi di riqualificazione energetica grazie ad una politica di incentivazioni che, nonostante modifiche, ripensamenti e difficoltà nelle riscossioni dei crediti, ha movimentato solo nel 2022 investimenti pari a 46,2 miliardi di euro, contribuendo alla formazione dell’1,3% del Pil e alla piena occupazione nel settore delle costruzioni

e nel suo indotto.

Questo know-how va condiviso, discusso e valorizzato per proseguire nel percorso di efficientamento del patrimonio pubblico e privato esistente, partendo dalla considerazione che lo spazio di miglioramento dell’efficienza energetica negli edifici è molto ampio e che oggi esiste un ventaglio di tecnologie economicamente convenienti e disponibili per creare le condizioni di un nuovo mercato e di un nuovo sviluppo.

Il 39° Convegno nazionale offrirà dunque il contesto ideale per tale condivisione, affiancando all’intenso programma di relazioni libere le memorie di relatori a invito fra i migliori esperti del settore.

Con il Patrocinio di: Regione Campania, Comune di Napoli, Università degli Studi di Napoli Federico II. Si ringraziano Mostra Convegno Expocomfort, Main Partner del Convegno, e gli Sponsor: Carrier Distribution Italy Srl, Daikin Air Conditioning Italy Spa, Innova Srl, LG Electronics Italia Spa, Mitsubishi Electric Europe BV, Swegon Operations Srl.

Riprende a settembre il Percorso Industria

Riprenderà il 19 settembre il Percorso dedicato alla gestione dell’energia nell’industria, con ulteriori 11 moduli pensati per offrire a progettisti termotecnici, Energy Manager, E.G.E., responsabili di stabilimento e a quanti ricoprono ruoli di responsabilità nella gestione dell’energia all’interno di stabilimenti una panoramica articolata sul tema, fondamentale nell’ottica del risparmio energetico, della gestione dell’energia in tutti i processi e le applicazioni industriali.

I primi due moduli in programma dopo la pausa estiva sono dedicati rispettivamente al vapore tecnologico e all’aria compressa. La lezione sul vapore tecnologico affronterà i seguenti temi: il vapore tecnologico come vettore energetico; l’impianto di distribuzione del vapore tecnologico; trappole per il vapore, scarico delle condense, recupero del vapore nascente, pompe per il condensato; la manutenzione e la diagnosi di funzionamento negli impianti di distribuzione del vapore tecnologico; valutazione dei costi economici nel trafilamento del vapore e del funzionamento difettoso degli scaricatori di condensa. Gli argomenti sviluppati dal modulo dedicato all’aria compressa saranno invece i seguenti: Compressori, tipologie e caratteristiche. Costo energetico ed economico dell’aria compressa. L’impianto di distribuzione dell’aria compressa. L’essiccazione dell’aria: aspetti tecnici ed energetici. Perdite di distribuzione e trasformazione. Il costo economico del trafilamento di aria compressa. CFP: per ingegneri.

Il calendario

19 e 22 settembre – Il vapore tecnologico 28 e 29 settembre - Aria compressa

Non solo teoria: reti aerauliche, reti idroniche e impianti ad aria Calcolo, progettazione e costruzione di reti aerauliche e idroniche e regolazione degli impianti ad aria: questi temi, importanti per il buon funzionamento dell’impianto dal punto di vista prestazionale ed energetico, sono sviluppati dai tre moduli del Percorso Approfondimenti, in programma in diretta web da settembre. I moduli, che affrontano gli argomenti in un’ottica non solo teorica ma anche applicativa, sono pensati per l’aggiornamento di progettisti termotecnici, installatori e di tutti i professionisti che operano nell’ambito della costruzione, installazione, taratura, bilanciamento e verifica dei circuiti ad aria o ad acqua. In particolare, il primo corso in programma, dedicato alle reti aerauliche, descrive i principali fenomeni coinvolti e i relativi componenti attivi e passivi, applicando i concetti teorici su uno schema didattico con l’illustrazione di una procedura di dimensionamento delle reti di tipo quantitativo. Inoltre, il modulo presentata i ventilatori e le modalità di selezione tramite valutazione del punto di lavoro e dei rendimenti, oltre ad approfondire le tecniche di regolazione applicate a circuiti monozona e multizona a portata variabile.

CFP: per ingegneri.

Il calendario

20 e 21 settembre - Calcolo, progettazione e costruzione di reti aerauliche

26 e 27 settembre - Calcolo, progettazione e costruzione di reti idroniche

3 e 4 ottobre - La regolazione degli impianti ad aria

AiCARR informa www.aicarr.org a cura di
Lucia Kern

Nuove opportunità professionali con il Percorso sul Commissioning

Prenderà il via il 25 ottobre una nuova edizione del Percorso Specialistico sul Commissioning. Il Percorso, oltre a permettere ai professionisti in possesso dei requisiti necessari di affrontare l’esame di certificazione per Commissioning Authority, consente di acquisire le competenze per rispondere a uno dei requisiti premianti indicati dal Decreto Ministeriale 23 giugno 2022 sui CAM per l’affidamento del servizio di progettazione e dei lavori per interventi edilizi: il DM, nella sezione relativa ai criteri per la selezione dei candidati, indica infatti che le stazioni appaltanti possano richiedere all’operatore definite capacità tecniche e professionali, fra cui avere eseguito progetti sottoposti a Commissioning per consentire di ottimizzare l’intero percorso progettuale. Il professionista in possesso di una buona conoscenza del processo del Commissioning potrà quindi usufruire di nuove opportunità sul mercato del lavoro. Il Percorso offre una formazione ampia ed esauriente sul tema, affiancando le ore di lezione teorica all’analisi di casi studio e al confronto fra le esperienze maturate dai partecipanti e dai docenti. Proprio nell’ottica di favorire un vivace dibattito fra professionisti, le ultime 7 ore di corso si svolgeranno in presenza presso la sede di AiCARR a Milano.

CFP: per ingegneri.

Il calendario

25 e 26 ottobre, 8-10-22-24 novembre: lezioni online 29 novembre: lezione in presenza

Corso su conduzione e gestione della manutenzione di impianti: la formazione in ambito specialistico

Redigere un contratto, gestire le figure preposte alla manutenzione, ottimizzare in base all’applicazione la scelta delle varie tipologie di manutenzione, redigere le istruzioni operative per identificare e verificare il livello di manutenzione realizzato: queste, in breve, le competenze offerte dal corso “Conduzione, esercizio e gestione della manutenzione degli impianti tecnologici”, organizzato in diretta web ad ottobre nell’ambito del Percorso Specializzazione.

Il corso fornisce una panoramica ampia ed esaustiva sui temi dell’efficienza energetica nell’ambito della conduzione, esercizio e manutenzione degli impianti tecnologici al servizio delle diverse utenze, fornendo le conoscenze necessarie a svolgere con competenza tali attività ai professionisti a cui spetta la redazione di piani di manutenzione e gestione degli impianti, ai tecnici delle imprese di manutenzione e ai funzionari delle committenze il cui compito è di verificare che la gestione della manutenzione sia in linea con i requisiti di efficienza e sicurezza degli impianti. Questo corso rappresenta dunque un’interessante occasione di aggiornamento in un ambito specialistico che richiede figure professionali dalle solide competenze tecniche, gestionali e normative.

CFP: per ingegneri.

Il calendario

11-13-16-17 ottobre

Entro il 28 luglio le domande di partecipazione per il Premio Tesi 2023

Anche quest’anno, con l’edizione 2023 del Premio Tesi di Laurea, AiCARR mette in palio quattro borse di studio del valore di 2500 euro ciascuna per quattro tesi focalizzate su tematiche inerenti all’efficienza energetica e al benessere sostenibile. L’iniziativa, sempre molto apprezzata dai neolaureati, è rivolta ai Soci Studenti AiCARR che abbiano conseguito la laurea magistrale in un’Università italiana, discutendo la propria tesi nel periodo fra settembre 2022 e luglio 2023.

I vincitori, oltre al premio in palio, avranno visibilità su tutti i canali di comunicazione AiCARR: la newsletter, i social network e, naturalmente, AiCARR Journal.

Il 5x1000 ad AiCARR

È possibile sostenere le attività di AiCARR, destinando il 5x1000 dell’imposta sul reddito al momento della compilazione del Modello 730 o dell’Unico. È facile e non comporta alcun onere aggiuntivo per chi dona. Indicando AiCARR come beneficiario nella dichiarazione dei redditi offrirete un prezioso sostegno all’Associazione, consentendole di continuare ad erogare servizi offerti gratuitamente: dall’iscrizione a seminari e convegni a livello nazionale, all’offerta di crediti formativi professionali per i Soci ingegneri e periti industriali che partecipano agli eventi dell’Associazione. Inoltre, il vostro sostegno aiuterà il Premio Tesi di Laurea, che ogni anno mette in palio 2500 euro per

La domanda di partecipazione dovrà essere inviata alla Segreteria AiCARR entro il 28 luglio (solo per le sessioni di laurea di fine luglio il termine è il 28 agosto), secondo le modalità indicate nel regolamento pubblicato sul sito.

quattro tesi provenienti dagli atenei di tutta Italia. Per donare il 5x1000 all’Associazione, è sufficiente firmare nel riquadro “Sostegno del volontariato e delle altre organizzazioni non lucrative di utilità sociale” e inserire il codice fiscale di AiCARR (80043950155) nella vostra dichiarazione dei redditi.

Nuovo layout degli spazi espositivi per Mostra Convegno Expocomfort 2024

Mostra Convegno Expocomfort si prepara per la sua 43esima edizione, che si terrà a Fiera Milano dal 12 al 15 marzo 2024.

Questa edizione vedrà in particolare l’introduzione del nuovo layout dedicato all’Indoor Climate, che rappresenterà la convergenza tecnologica, con l’offerta di una panoramica esclusiva sulle soluzioni richieste dall’evoluzione del mercato.

“L’impostazione della 43esima edizione di MCE nasce dall’ascolto dei nostri interlocutori primari, Espositori e Visitatori, con i quali collaboriamo e dialoghiamo coinvolgendo le loro associazioni di rappresentanza nel Comitato Scientifico e Promotore. – afferma Massimiliano Pierini, Managing Director di RX Italy – La prima grande innovazione è l’abbandono della consueta ripartizione caldo/freddo per perseguire il concetto di oltre il comfort - Beyond Comfort - che vede nella

climatizzazione e quindi nell’integrazione delle diverse tecnologie il suo focus.”

La nuova suddivisione degli spazi offrirà un percorso logico che metterà in evidenza le soluzioni più innovative per il miglior comfort indoor possibile e che permetterà al visitatore l’ottimizzazione dei tempi e la visita guidata per soluzioni tecnologiche; al contempo il nuovo layout offrirà una migliore visibilità alle aziende espositrici. Per agevolare la logica del percorso saranno introdotti nuovi collegamenti che permetteranno il passaggio diretto tra i diversi padiglioni. Anche per l’edizione 2024 AiCARR sarà presente a MCE, con il suo stand e con una nuova formula, in fase di definizione, che potrebbe vedere l’organizzazione del Convegno Internazionale come proposta di aggiornamento culturale nel corso della manifestazione fieristica.

AiCARR informa www.aicarr.org Tutte le informazioni relative ai corsi sono pubblicate sul sito www.aicarrformazione.org a cura di Lucia Kern

CLIVIA

Climatizzatore con INTELLIGENZA ARTIFICIALE G-AI

Più lo utilizzi, più impara, più risparmi.

✓ Doppio sistema di purificazione lampada UVC e cold plasma plus

✓ Abbattimento del 15% di consumi di energia all’anno

✓ Controllo intelligente dell’umidità

✓ Accede ai benefici fiscali

✓ Disponibile anche in colore nero

per info/acquisto chiedi al tuo installatore di fiducia

Distribuito in esclusiva per l’Italia da Argoclima S.p.A. gree.argoclima.com

Turn static files into dynamic content formats.

Create a flipbook
Issuu converts static files into: digital portfolios, online yearbooks, online catalogs, digital photo albums and more. Sign up and create your flipbook.