All Electronics Industry - July

Page 1


JULY/AUGUST 2025

Edge-Connect™ virtually eliminates board space!

Eliminate JTAG connectors!

Tag-Connector footprints as small as an 0805 resistor.

Spring-Pins tested to over 150,000 cycles!

CONTACT US

CO-FOUNDER & COMPANY DIRECTOR

Louise Tiller

louise@purplefoxmedia.co.uk

CO-FOUNDER & COMPANY DIRECTOR

Harriet Campbell

harriet@purplefoxmedia.co.uk

EDITOR

Michelle Winny

electronicseditor@purplefoxmedia.co.uk

INFORMATION info@purplefoxmedia.co.uk

Welcome to

Company Number: 15685624

Registered Offce: 167-169 Great Portland Street, London, England, W1W 5PF

Reliable and safe: Frequency control products and battery solutions

Vision Engineering releases new ‘HALO’ 4K digital inspection microscope

Parker Chomerics launches so er CHOSEAL 1299 EMI shielding gasket

Engineering mil-spec connectors for mission critical reliability

M12 panel mount connectors: Scalable reliable interfaces for the connected factory

GENESIS project set to reshape UK semiconductor sector

Percepio makes trace diagnostics free to use

Powering the AI frontier

Breaking barriers in high-speed design

How smart tools are revolutionising industrial maintenance

PPDS appoints LED specialist to accelerate dvLED adoption

Smarter laptops enhanced with AIpowered presence detection

New AVP method enhances power module performance

OPV and RFID integration enables battery-free IoT

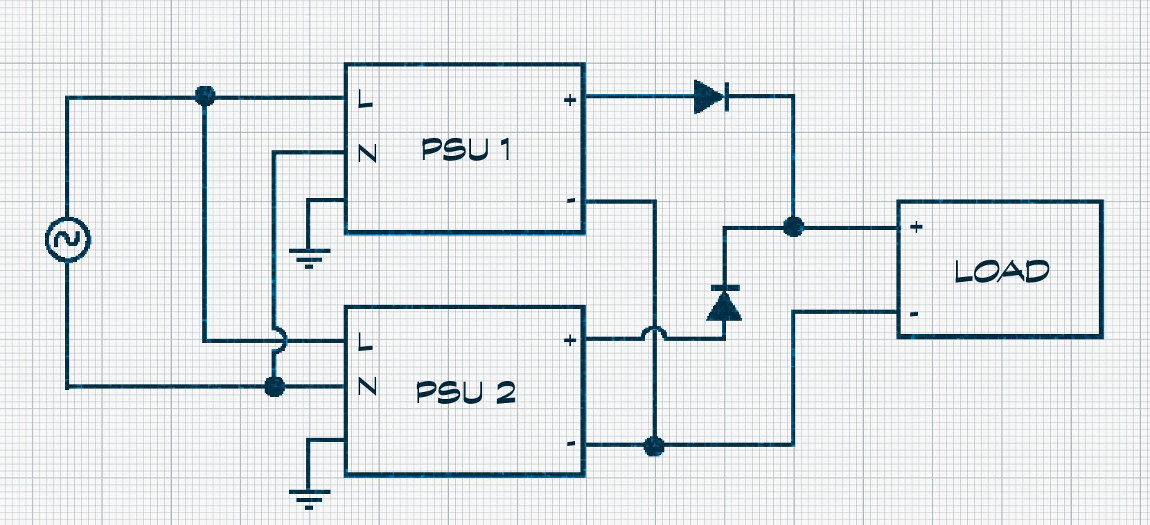
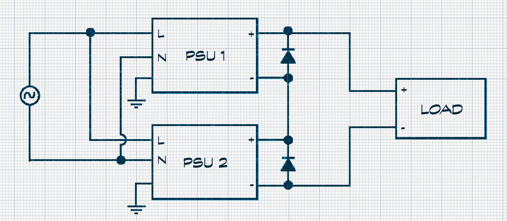
Boost power output with series and parallel PSUs

Louise & Harriet

ATC SEMITEC

Vision Engineering_HALO_Advert_191x124mm available now copy.pdf

1 02/07/2025 15:29

Customisable solutions, manufactured precisely to your needs

Electronic Components Sensors

• Attenuators

• Capacitors

• Digital Isolators

• JFETS

• Relays & Switches

• Resistors

• Semiconductors

• Terminators & Power Splitters

• Thermistors

Connectors

• Load Cells

• Magnetic

• Pressure

• Temperature

Modular Systems

• Data Connector

• Power Connectors

• Signal Connectors

• Data Acquisition Modules

• Precision Alloys

• Resistance Meters

• Current and Voltage Measurement Modules

INSULATED WIRE INCORPORATED

There

is only one

RE-FLEX™

Proven reliability in both military & commercial applications, Re-Flex is the original double shielded hand-formable alternative to conformable and semi-rigid cables

Combining the IW proprietary dielectric lamination technology with our double shield design and eliminating solder dip, Re-Flex solves the micro-fracture and associated FOD issues associated with traditional conformable cables, and the solder joint cracking experienced at the connector attachment on semi-rigid.

Available in RG401/402 and 405 line sizes, Re-Flex offers versatility in the range of connectors that can be used, including SMA, 2.92mm, 2.4mm, GPO, GPPO, TNC and N. Custom confgurations to your specifcation can be supplied, and standard length assemblies using direct solder SMA connectors are in stock at our distributors in California, Florida and the UK!

Confguring a system using various modules on the bench and need a selection of cable lengths? Our Re-Flex Starter Kits provide 7 different length assemblies in a convenient case – also in stock at our distributors!

We’re how the microwave industry gets connected!

For over 45 years we’ve been distributing bespoke quantities of products and services into the industrial and education segments of UK and Ireland.

We specialise in off-board electronics, automation & control, tools & consumables, electrical, test & measurement, robotics, single-board computing and education product segments.

95% of our offer is delivered in 24 hours from UK stock, and maximum one week from our European stock.

We offer a range of value services to help you save time and reduce costs.

Wide range of products

We’re continuously expanding and adapting our product range to meet your ever-changing needs.

Delivery promise

A wide range of items with you next day, all other available items delivered within a week

Excellent-accredited customer service

Our goal is to not only meet, but exceed your expectations, creating a positive customer experience.

Ultra-low noise floor, purer signal, never miss the small

Up to 12 bits resolution for all the models of this series

Max. analogue bandwidth of 250 MHz, 4 analogue

16 digital channels (std.), logic probe required to be purchased if needed

Max. real-time sample rate of 1.25 GSa/s

Max. memory depth of 50 Mpts

Vertical sensitivity range: 200 μV/div to 10 V/div

Max. capture rate of 1,000,000 wfms/s (in UltraAcquire

7" (1024x600) capacitive multi-touch screen

Brand new Flex Knob brings user-friendly experience

USB Device & Host, LAN, and HDMI interfaces (std.) for all the models of this series

Novel and delicate industrial design, easy to operate

Yeebo Display Europe

Discover Yeebo's Premium AMOLED Solution

Elevate your visual experience with our advanced Active Matrix Organic Light Emitting Diode (AMOLED) technology, offering unparalleled performance across various aspects:

Wide operating temperature range

High contrast ratio for enhanced clarity

Expansive viewing angles for diverse applications

Low power consumption for energy efficiency

Rapid response times for seamless interaction

Our versatile range of AMOLED sizes caters to various industries and projects, including wearable devices, healthcare equipment, home appliances, and industrial instruments With options ranging from 1.43" to 7.84", finding the perfect fit for your needs has never been easier!

Ready to unlock the potential of our innovative AMOLED solutions? Contact us tod ay for more information or to discuss your specific requirements. Contact us to explore further www.yeeboeurope.com

Yeebo Di l Ne

YQ

Micro OLED Display Technology: Key Features & Applications

* Ultra-high resolution micro display technology

* Combines semiconductors and OLED display technology

* Self-illumination, high resolution, and high contrast

* Large viewing angles, fast response, and high colour gamut

* High luminous efficiency, low power consumption, thin, lightweight

* Ideal for smart devices with near-eye display

Suitable Applications:

* AR/VR devices

* Head-mounted video players

* Head-mounted home theatres

* Head-mounted virtual reality simulators

* Head-mounted game consoles

* Pilot helmet systems

* Infrared night vision devices

* Head-mounted medical diagnostic systems

* Medical ambulance devices

SILICON-BASED OLEDS:

* OFFER EASY PORTABILITY AND SMALL SIZE

* PERFECT FOR VARIOUS SMART DEVICES WITH NEAR-EYE DISPLAY

* EXAMPLES: AR/VR, HEAD-MOUNTED DISPLAYS, PILOT HELMET SYSTEMS SEE MORE HERE OR CONTACT US FOR FURTHER INFORMATION WWW.YEEBOEUROPE.COM

Product Range

Manufacture and modification of electronic enclosures

E-Case Range

ENCLOSURES

Available in the online shop in 5 sizes

Fits 55mm, 100mm or 160mm wide PC B s

Supplied in pre-anodised Silver or Black and in a range of lengths

Combi-Case Range

The Combi-Case 100 Range of 2-part

U section extrusion

2 height options - make 3 variants30mm / 44mm & 58mm

To fit 100mm wide PCBs

Supplied in pre-anodised Silver or Black

The E-Case range of closed box section extrusion

UnioBox & U-Case Range

UnioBox & U-Case range of 6 piece enclosure kits Consists of 2 side extrusions in 1U, 66mm, 2U and 3U heights

Enclosures can be manufactured to different widths and lengths

Available in a range of fixed sizes in silver

19” Rack Enclosures

A full range of 19” rack enclosures extruded and blanking panels 1U, 2U & 3U enclosures100mm / 150mm & 250mm deep

 Real and repeatable measurement

 Calibrated co-ordinate system

 3D dimensional

 Structured light pattern

 Inline and offline inspection capabilties

Silicon Carbide Inverter Control Module

D I N - Rail Power Supplies

Semitec STS3: Ultra-thin fexible NTC for space constrained temperature sensing

Ideal for tight spaces and hotspot monitoring the Semitec STS3 fexible thin-flm NTC assembly delivers high performance in a compact form. Featuring a 25mm sensing tip, 600mm fexible lead, and a plug-and-play connector, the STS3 ensures simple integration or direct connection to a control PCB.

At only 0.5mm thin at the sensing point, the STS3 -available from ATC Semitec -is the world’s thinnest fexible temperature sensor. The sensor’s JT-series NTC is layered between polymer flms, combining fexibility with durable long-term performance.

Its ultra-fexible design allows it to be positioned closer to heat sources, providing fast (<1s) and accurate surface or air temperature sensing— perfect for applications with strict space or responsiveness requirements.

With an operating range of -40°C to +125°C, the STS3 is wellsuited for use in battery packs, medical devices, heat/fre detection systems, and boilers. UK stock available.

www.atcsemitec.co.uk

Compact 1-channel system interface unit for ultra-stable, high precision fux gate technology current transducers

Danisense, the leader in high-accuracy current sense transducers for demanding applications, is introducing the DSSIU-1-V, a new low-noise power supply and interface unit designed to support a wide range of its fux gate current transducers (DCCTs).

Featuring an industry-standard D-sub-9 connector, the DSSIU-1-V unit ensures reliable and straightforward interfacing.

The very compact device (only 130mm x 116mm x 56mm) is equipped with an integrated Voltage Output Module (VOM), which precisely converts the measured current into an easily accessible voltage output via a BNC connector. The DSSIU-1-V supports both 1V and 10V output options, enabling accurate and user-friendly current measurements. Powered by universal mains, it is the ideal solution if customers need to power only one transducer.

www.danisense.com

Power Integrations’ 1700 V Switcher

IC delivers reliability and space-saving benefts in 800 V BEVs

Power Integrations has announced fve new reference designs targeting 800 V automotive applications based on the company’s 1700 V InnoSwitch 3-AQ fyback switcher ICs. Spanning power levels from 16 W to 120 W, the designs leverage both wound and low-profle planar transformers and target automotive applications such as DC-DC bus conversion, inverter emergency power, battery management and power supplies for auxiliary systems.

The designs feature Power Integrations’ new wide-creepage InSOP-28G package, which supports 1000 VDC on the primary side while providing appropriate creepage and clearance between pins in pollution degree 2 environments.

www.power.com

Amphenol Tri-Start MIL-DTL-38999 Series III connectors available at Powell Electronics

Available though Powell Electronics are Amphenol’s Tri-Start MIL-DTL-38999

Series III / EN3645 thread coupling connectors for both general duty and severe environment applications. The devices offer very high performance capabilities and support high vibration applications. They are ideally suited for blind mating areas with elevated temperatures. The connectors fully comply with the MIL-DTL-38999 standard and the contacts adhere to AS39029 requirements.

The Tri-Start MIL-DTL-38999 Series III connectors are perfect for PCB applications as the contacts come pre-assembled into the connectors, signifcantly easing cable-to-board wiring. Optional alignment disks ensure a smooth assemble process. Different versions of Amphenol’s Tri-Start MIL-DTL-38999 Series III connectors are available: “TV” metal versions as well as “CTV” composite versions. Diverse shell varieties are also available, including clinch nut, double fange and reduced fange options.

Nwww.powell.com

eoCortec’s ultra low power and ultimately scalable Wireless Mesh Networking Protocol NeoMesh is available for both 2.4GHz as well as sub 1GHz frequency bands in a series of pre-approved modules manufactured by NeoCortec. The modules are ideally suited for a broad range of applications, cost effcient and easy to integrate into the target product. The modules share the same footprint, which means there is no need to change the target product to support that full range of frequency bands.

At Embedded World 2025, NeoCortec, together with its Italian wireless module partner Embit, launched a dual band (subGHz/2.4GHz), embedded LoRa-enabled NeoMesh wireless network module and LoRaWAN stack.

www.neocortec.com

Semiconductor testing application guide demonstrates the power of reed relays in modern test systems

Leading manufacturer of high performance reed relays, Pi ckering Electronics has announced availability of another in its series of educational application guides for engineers building ATE (automatic test equipment) and test & measurement (T&M) systems, titled: ‘5 Reasons Why Reed Relays are Ideal for Semiconductor Testing’. This expert-authored comprehensive application guide explains more about the critical role of reed relays in semiconductor test, particularly during wafer probe testing. The guide provides insights on using reed relays in semiconductor ATE applications, including Pickering’s top fve reasons why reed relays are the ideal switching technology for semiconductor test.

www.pickeringrelay.com

Transmille products cover a wide range of accuracy from industrial up to top national laboratories to ensure accuracy and precision at every level

Tel: +44 (0) 1580 890700 Email: sales@transmille.com www.transmille.com

Sockets Adapters Board to Board Connectors

Let Advanced solve difficult design challenges from rugged, high-reliability board stacking to micro flex cable-to-board applications Specializing in customized interconnect solutions for development, test, validation, and volume production applications

Custom is Our Standard for over 35 years

Tel: +1 401-823-5200 Email: info@advanced.com www.advanced.com

PULS Group is a global leader in DC power supply solutions for industrial applications Their DIN-rail power supplies, decentralised Field Power Supplies and innovations in inductive charging systems set technological standards Its in-house production facilities in Europe and A sia, over 1,400 employees, and a strong focus on efficiency, durability, and sustainability make PULS a trusted partner for customers worldwide

1525

REACH THE HEART OF YOUR TARGET AUDIENCE BY ADVERTISING IN OUR MAGAZINE — A VISUALLY STUNNING PUBLICATION WITH HIGH READER ENGAGEMENT, PREMIUM CONTENT, AND A SUBSCRIBER BASE OF OVER 13,000. YOUR COMPANY GETS THE SPOTLIGHT IT DESERVES IN A SPACE THAT INSPIRES ACTION. DON’T JUST PLACE AN AD — MAKE AN IMPACT.

Turn static files into dynamic content formats.

Create a flipbook
Issuu converts static files into: digital portfolios, online yearbooks, online catalogs, digital photo albums and more. Sign up and create your flipbook.