



CG1-CG8-CG10








CG1-CG8-CG10
CG1-CG8-CG10
En la primera semana del curso, se revisó los principios y leyes fundamentales para el estudio de las fuerzas, temas pre vistos en el curso de Física.
Valoración personal Dificultad del tema:
Tiempo invertido:
Estos primeros temas revisados tanto teoría como ejercicios prácticos no se me dificultaron ya que con la práctica uno va recordando las fórmulas.
Si se sabe que = 33º determine la magnitud de la resultante del sistema mostra do y su dirección, (X es el último número de su código, si el último número es cero entonces X=1. Código es 20202585 entonces F1=500N
CG1-CG8-CG10
Para la segunda semana de clase, aprendimos sobre los momentos de una fuerza e los ejes x,y y z. Además comprendimos el teorema de Varignon.
Valoración personal Dificultad del tema:
Tiempo invertido:
Fue uno de los temas que más se nos compli có ya que entramos en tres dimensiones, sin embargo con la práctica logré comprenderlo.
En el sistema mostrado en la figura, calcule: La resultante del sistema de fuerzas, el módulo de la resultante, el momento del sistema de fuerzas respecto al punto O y el módulo del momento
Se sabe que: F1=60 N, F2=35 N, F3=(45,50,23) y F4=50 N Además: OC=4m, OE=5m, OA=5m y es un paralelepípedo
Pregunta 1
Calcule la resultante de manera vectorial del siguiente sistema de fuerzas aplicadas a un punto. Indicar magnitud (módulo) y dirección.
Pregunta 2
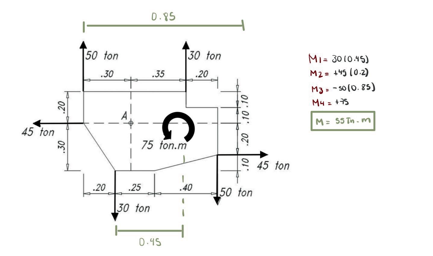
En la siguiente placa rígida hallar el momento resultante de los pares de fuerza y momentos aplicados. (cotas en metros)
Pregunta 3
En el sistema mostrado, calcule el momento de las fuerzas respecto al punto O, expresarlo de manera vectorial y el módulo del momento. La figura punteada es un paralelepípedo de 4x4 de base y 3m de altura.
Pregunta 4
En el sistema mostrado, la fuerza F = 80N y está contenida en la línea de acción que pasan por los puntos A y B. Calcule: a. Momento de la fuerza F respecto al origen O b. Momento de la fuerza F respecto al punto C Indicar en ambos casos la expresión vectorial y magnitud del momento.
CG1-CG8-CG10
Este fue uno de los temas con menos nivel de dificultad, pero si laboriosos. Aprendimos sobre el centro de gra vedad, cargas distribuidas uniformes y condiciones de apoyo.
Valoración personal Dificultad del tema:
Tiempo invertido:
El examen fue bastante fácil, sin embargo se tomó su tiempo ya que vino ejercicios del tema previo
En la viga AB en voladizo mostrada calcule las reacciones externas en el apoyo empotrado.
Pregunta 1
Halle el centro de gravedad de la sección mostrada tomando como referencia los ejes X y Y. Nota: cotas en metros.
Pregunta 2
Si el siguiente sistema se encuentra en equilibrio, calcule los valores de las tensiones en las cuerdas cuando =45º y cuando =53º.
Pregunta 3
Determine la fuerza F5 (vector y magnitud) requerida para mantener la partícula ubicada en el origen en equilibrio
En la viga mostrada, realice el DCL y calcule las reacciones externas en los apoyos. Pregunta 4
CG1-CG8-CG10
Sistemas de marcos: revisamos las uniones y las fuerzas que ejercen en este. Resolución de sistema de marcos.
Valoración personal Dificultad del tema:
Tiempo invertido: Reflexión
Este tema fue base para el resto del curso, era indispensable tenerlo muy claro. Conta ba con un mayor grado de dificultad en comparación a los anteriores.
En la estructura mostrada, determine las fuerzas internas en el punto C
CG1-CG8-CG10
Revisamos las fuerzas internas en las vigas. fuerza normal, fuerza cortante y momento flector en vigas y marcos.
Valoración personal Dificultad del tema: Tiempo invertido:
Reflexión
Para la comprensión de este tema es necesario que se haya entendido marcos ya que varía en que tomamos un tramo del cual analizamos las uniones y fuerzas ejercidas.
Pregunta 1
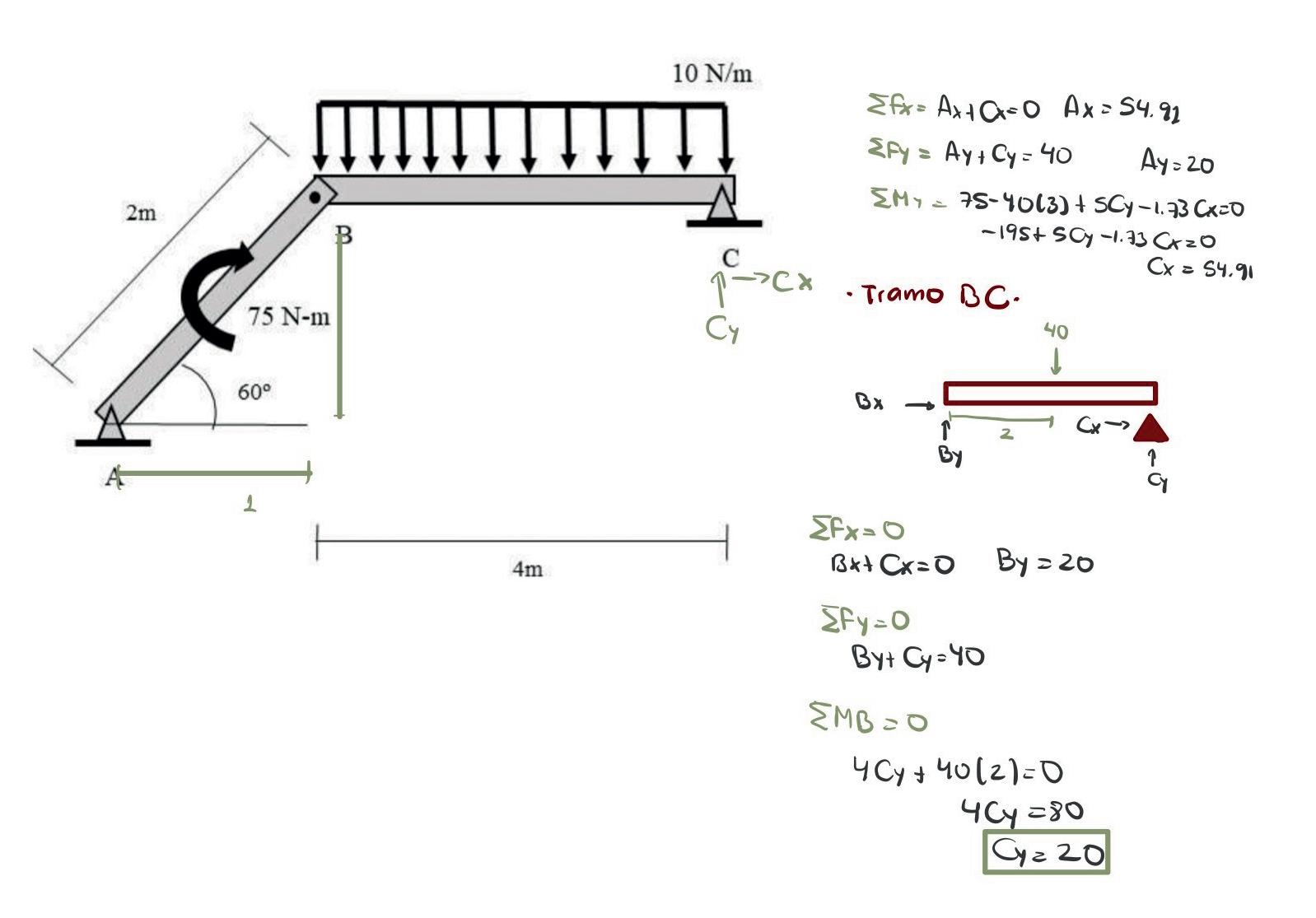
La estructura mostrada está formada por dos barras conectadas por un pin en C y sujeta a las cargas que se indican. Desarrolle el DCL y calcule las reacciones en los apoyos A y D.
Pregunta 2
La estructura mostrada está formada por dos barras conectadas por un pin en B y sujeta a las cargas que se indican. Desarrolle el DCL y calcule las reacciones en los apoyos A y C
CG1-CG8-CG10
Diagrama de fuerza cortante y diagra ma de momento flector. Se estudia los efectos de las fuerzas aplicadas son variables de una sección de la viga.
Valoración personal Dificultad del tema: Tiempo invertido:
Reflexión
De los temas más complejos en el ciclo, sin embargo se me hace más facil que armaduras ya que se puede corroborar el resultado apli cando el método por áreas.
Realizar los DFC y DMF de la viga mostrada
En la viga mostrada determine:
• Las ecuaciones de fuerza cortante y momento flector en cada tramo
• Dibujar los diagramas de fuerza cortante y momento flector (DFC y DMF)
• Calcular el valor de la fuerza cortante a 1.5 a la derecha del apoyo A (x=1.5)
• Calcular el valor del momento flector a 5.5 a la derecha del apoyo A (x=5.5)
CG1-CG8-CG10
Supuestos para el diseño: Todas las cargas se aplican en los nodos Los elementos están unidos entre sí por pasadores lisos.
Valoración personal Dificultad del tema:
Tiempo invertido:
Reflexión
Es el tema que más se nos dificultó debido a que suele ser un ejercicio de procesos largos, además que el margen de errror en un nodo lleva a los demás por lo que es más fàcil equivocarse.
Pregunta 1
En la viga mostrada, realizar el diagrama de fuerza cortante y diagrama de mo mento flector, desarrollando las ecuaciones para cada tramo.
Pregunta 2
Calcule el momento de inercia de la figura mostrada respecto al centro de gravedad.
Pregunta 3
Calcule las fuerzas en las barras AB, AC, BC, BD, BE, CE, DE y DF de la figura mos trada por nodos, indicar si los elementos están a tensión o compresión.
Calcule las fuerzas en las barras BD, BE, CE, FH, GH y GI de la figura mostrada por secciones, indicar si los elementos están a tensión o compresión.
El curso de Estructuras I fue uno de mis cursos favoritos en este ciclo ya que al ser cálculos mantiene la mente activa, mas me ha aportado nuevos conocimientos y herramientas que me será de gran aporte a lo alrgo de mi carrera.
Considero que comprendí todos los temas tratados a lo largo del curso, ya que me servirá de base para el siguiente curso de estructuras II. Además las tareas, participación de clase y asesorías me facorecieron mucho en el entendimeinto de los temas.
Por otro lado, el desarrollo de las clases a nivel presencial influyó bastante ya que es más facil participar y preguntar cualquier duda tanto con el profesor como con mis com pañeros.
ASIGNATURA: ESTRUCTURAS I
ÁREA: CONSTRUCCIÓN Y ESTRUCTURAS
PROFESOR: CHIPOCO FRAGUELA, ADOLFO
SECCIÓN: 521
Estructuras I es una asignatura teórica obligatoria donde se desarrolla la teoría de la resistencia de materiales de los sólidos a partir de modelos matemáticos de su deformación (esfuerzo) y su capacidad a resistir esfuerzos y fuerzas aplicadas (cargas) sin romperse.
Comprender equilibrio de fuerzas y momentos e idealizar sistemas isostát cos simples, desarrollando las competencias matemáticas y el pensamiento creativo.
Terminada la asignatura el alumno debe estar preparado en: 1. Resolver sistemas isostáticos usando las ecuaciones de equilibrio, así como obtener y trabajar con diagramas de fuerzas internas en vigas, desarrollando la habilidad de planificar, gestionar y reflexionar sobre los proce sos en paralelo a las competencias matemáticas.
2. Analizar sistemas isostáticos estructurales complejos, utilizando progra mas programas de cómputo desarrollando las competencias en matemáticas y uso de las TICs.
3. Comprender el funcionamiento y calcular las fuerzas en armaduras, desarrollando el conocimiento del mundo físico y las competencias matemá ticas.
4. Objetivos de Desarrollo Sostenible – ODS:
- Objetivo 5: Lograr la igualdad entre los géneros y empoderar a todas las mujeres y niñas.
- Objetivo 10: Reducir la desigualdad en y entre los países
- Objetivo 11: Lograr que las ciudades sean más inclusivas, seguras, resi lientes y sostenibles.
Tengo 19 años y me encuentro cursando mi quin to ciclo de la carrera de Arquitectura. Siempre me ha atraído el arte en todas sus formas y en el corto transcurso de lo que voy de mi ca rrera , he aprendido que la arquitectura es una forma de expresión, contiene el arte de crear experiencias para otros y eso es lo que más me atrae de la carrera porque se enfoca en la perso na y lo que este espacio le transmite. FORMACIÓN ACADÉMICA