
3 minute read
Machine learning takes microstructure-based material design to the next level
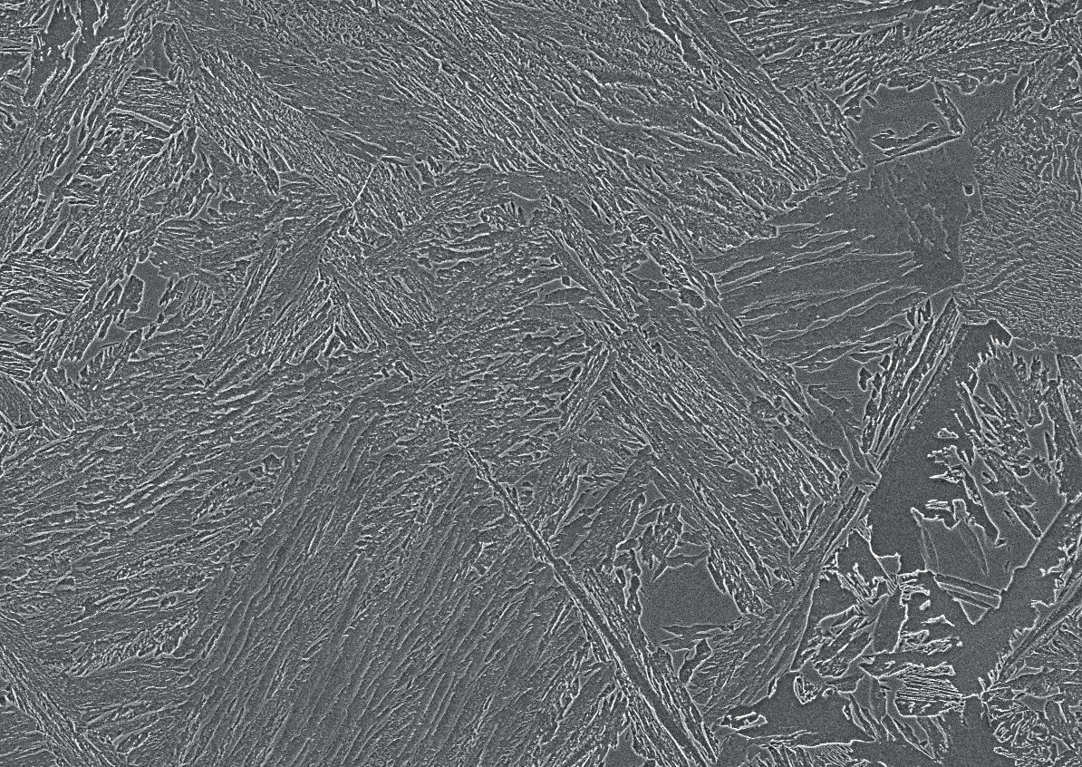
Artificial neural networks are used to translate microstructural images into compact numerical representations. These can then be used to recognise similar images, corresponding to the same steel grade, or to predict material properties such as hardness.
Machine learning takes microstructurebased material design to the next level
The essence of steel research consists in understanding the links between its processing and properties. Good understanding allows us to design materials suitable for every application – and microstructural images are essential in this process. They reflect how the specific processing conditions influence the formation of different phases and thus generate the material’s properties. Therefore, microstructure analysis is a fundamental tool for efficient material design, and the intimate relationship between processing, (micro)structure and properties is referred to as the PSP triangle.
Today, material scientists examine microstructural images visually, trying to extract the relevant features contained in those images as much as possible. This task becomes highly challenging in the case of next-generation martensitic steels, which contain very complex and/or fine features. Key material properties, such as strength, ductility or wear resistance, can be directly affected by these features. So, understanding and mastering the PSP relationships is crucial in order to manufacture materials with the desired properties.
EXPLOITING ARTIFICIAL INTELLIGENCE
To deal with complex microstructural images, OCAS researchers have amongst others turned to computer vision, where the performance and wide applicability of deep learning models are attracting special interest. Thanks to several dedicated projects, including a PhD collaboration, they have succeeded in developing methodologies for automatic image interpretation. The artificial intelligence of deep learning neural networks is being exploited to translate each image into a compact numerical representation. That numerical representation is then used to identify the considered material and to predict its properties. The developed methods were put to the test. A panel comprising both laymen and experts was assembled and asked to classify steel microstructures during two quizzes. Then, the same questions were presented to a machine learning model. OCAS’s experts proved their mettle, but the machine beated most of them. The model clearly outperformed the human eye in the second quiz, which focused on complex martensitic
Thanks to state-of-the-art techniques from computer vision, it is now possible to extract more information from microstructural images than ever before.
Koenraad Theuwissen & Kurt Lejaeghere
steels and proved to be very difficult for the human panel. Despite training on a very limited dataset (58 images), the model was able to achieve a perfect mark. After proving their suitability for material recognition, the machine learning models were adapted for property predictions. The compact mathematical representation of the first models was fed to a second set of algorithms, which were trained to reproduce the chemical content and hardness of martensitic materials. These compound models yielded an excellent prediction quality. Just by looking at the image of a microstructure, the machine learning models got the carbon level right up to 0.03% and hardness could be predicted up to 30HV.
BRIGHT FUTURE FOR MICROSCOPIC IMAGING
Several routes are now being explored to take this project to the next level. We aim to gain unprecedented insight from a single microstructure. The outcome of these efforts is of key importance to linking microstructure, processing, and properties in future material development. Moreover, the methodology will be extended to other types of steels, where other features and properties may be relevant. Microscopic imaging is bound to become an even more important part of the materials’ toolbox than ever before.
Give it a try yourself: Can you predict the hardness of the microstructure having no further information but the image?
(actual hardness: 379 HV0.2; model-predicted hardness: 367 ± 21 HV0.2)










