Mundo de la Electricidad - Edición 246

Page 1

MUNDO DE LA ELECTRICIDAD 28 años Edición Nº 246 - Año 2023 - www.mundoelectricidad.com.py Seguridad en Subestaciones Eléctricas UIA denuncia atropello de Yacyretá a la ANDE Foro Internacional del Electricista En esta edición aparece el último capítulo del Curso de Capacitación “Automatización Industrial” ¡Un mejor Paraguay es posible!

6 Lanzan representación oficial de la marca STECK en importante seminario.

10 Foro internacional del electricista en el INTN.

12 Energía eléctrica solar en el Chaco.

14 Piden investigar supuesta subfacturación de la energía de Acaray.

16 UIA denuncia atropello de Yacyretá a la ANDE.

18 ANDE interviene inmueble con 19 contenedores que minaban bitcoins.

18 Asociación deElectricistas del Nordeste de Itapúa (ADEMA).

20 El

Director: Ing. Ramón Montanía Fernández. Asesoría: Abg. José Montanía Caballero.

Redactor: Julio Quintana. Diagramación, composición y administración web: Fernando Montanía Caballero. Asistente de diagramación y administración web: Iago Zabala. Corrección: Mirta Caballero Barrios.

Ejecutivo de venta: Miguel Dorigoni. Contadora: Lic. Denise Cantero.

Mundo de la Electricidad revista paraguaya de análisis, investigación y difusión de los acontecimientos del sector eléctrico nacional. Es una publicación de: Medios Especializados de Información del Sector Eléctrico Paraguayo (MEISEP). Redacción, Publicidad, Administración y

Correspondencia: Adela Speratti 1678 c/ Rca. Francesa, Asunción. Teléfonos: (021) 201-250 y (0972) 214-920.

E-mails: Dirección: direccion@mundoelectricidad.com.py. Secretaría: secretaria@mundoelectricidad.com.py.

Redacción: redaccion@mundoelectricidad.com.py. Ventas: ventas@mundoelectricidad.com.py. Los artículos firmados son de responsabilidad

sus autores. La opinión de la dirección se expresa en la Carta al Lector. Registro de Propiedad

exclusiva de
Intelectual Nº
Contenido Año 28 - Edición Nº 246- 2022 Artículos Técnicos 24 Seguridad en Subestaciones Eléctricas. 28 Generación de Energía Hidroeléctrica. Tecnologías y Productos 22 Ahorro de energía con los contactores CWB.
de Capacitación 31 Automatización Industrial - Capítulo IX. MUNDO DE LA ELECTRICIDAD
al Lector 21 Robo de energía de la ANDE. 21 ANDE y Yacyretá. Peligroso descontrol. 21 ¡Un mejor Paraguay es posible! Anunciantes www.inpaco.com.py www.trafopar.com.py www.dimatel.com.py www.electrosystem.com.py www.bhmingenieria.com.py Ingeniería S.R.L. B.H.M. www.tecnoelectric.com.py www.everest.com.py www.gotze.com.py www.recordelectric.com www.electropar.com.py www.itc.edu.py Opinión
58.508.
Curso
Informes Carta
pensamiento crítico o voto por Pato Donald.

Lanzan representación oficial de la marca STECK en importante seminario

Nuevamente el Centro Paraguayo de Ingenieros fue sede de otra exitosa jornada de capacitación organizada por nuestra revista especializada Mundo de la Electricidad, en esta ocasión, el “Seminario de Actualización en Distribución Eléctrica”, que contó con el acompañamiento y respaldo de Tecno Electric SA y la marca STECK en Paraguay.

Entrevista: Julio Quintana.

El Ing. Rodrigo Fuyana, gerente comercial de la firma Tecno Electric SA, explicó que con este seminario se realiza a la par el lanzamiento de la representación como importadores oficiales de la marca STECK para todo el país.

Dió inicio al seminario técnico, el Ing. Ramón Montanía, director de la revista especializada Mundo de la Electricidad, quien a más de dar la bienvenida a todos los presentes, agradeció a los representantes de la marca STECK en Paraguay que hayan aceptado realizar este encuentro de capacitación. Pidió a los profesionales y estudiantes aprovechar al máximo el seminario, que mostró nuevos productos y tecnologías, y sus diversas aplicaciones en instalaciones eléctricas que servirán para mejorar el desempeño profesional.

Arq. Rosana Amato , responsable de STECK Argentina, Uruguay y Paraguay, nos comentó que esta actividad conjunta con Mundo de la Electricidad , presenta oficialmente al sector de los técnicos electricistas, la alianza en nuestro país con la prestigiosa empresa nacional Tecno Electric , como distribuidor exclusivo. Amato comentó que desde el 2011, STECK lanzo sus productos para toda Latinoamérica, abarcando 18 países. Especializándose en la línea residencial y comercial.

Club del Electricista

STECK es una marca que vino para quedarse a nivel regional Minutos antes de iniciarse el seminario, la

Paraguay es un mercado emergente, señaló Amato, y considera que STECK puede crecer mucho en el segmento residencial y de distribución, “por eso queremos conversar con los electricistas” para replicar y contar además con el modelo “Club del Electricista”, que tiene mucha aceptación en Argentina, por lo que se busca implementarlo en la región. Gracias a esta alianza de la firma con los técnicos se podrán impartir actualizaciones, capacitaciones, premios y varias aristas más, aseguró.

6 MUNDO DE LA ELECTRICIDAD Informes
Ings. Ramón Montanía y Rodrigo Fuyana Arq. Rosana Amato

Trayectoria y calidad se unen para brindar confiabilidad

Por su parte, el Ing. Rodrigo Fuyana recordó que la empresa Tecno Electric SA tiene una trayectoria de más de medio siglo operando en Paraguay y que además suma 45 años de alianza con la multinacional Schneider, también ahora dentro de sus posibilidades se adhiere, el líder del mercado en Brasil, STECK. Dentro de todo el universo de productos eléctricos, sin dudas “STECK lidera la línea de gama media de productos eléctricos”. Aclaró que sus productos tienen todas las certificaciones, “garantizan la seguridad y la protección”.

Si bien STECK ya está hace tiempo en el mercado paraguayo, a través de algunos importadores informales, no contaba con un respaldo que permita tener el catálogo completo y todo el soporte. “Ahora con Tecno Electric se accede a todo el soporte técnico y garantías para que no haya ruptura de stock y trabajar con todos los distribuidores para llegar a todos los puntos del país con productos de alta calidad, con precios competitivos”.

eléctricas y contra las descargas atmosféricas”. Teniendo en cuenta estos aspectos se cubre el 100% de la protección necesaria según las normas y no tener inconvenientes en la instalación, remarcó Fuyana.

Norma INTN

El gerente agregó que por suerte en Paraguay se está trabajando por ir cumpliendo con las normativas del INTN, una regulación que es bastante importante, sobre todo para hacer instalaciones seguras tanto para los bienes y las personas. El trío de la protección es la lógica que se explicó dentro del seminario y se enmarcaron en los elementos de protección para que estén protegidos “los bienes, contra cortocircuito y sobrecargas; las personas, contra descargas

El "Seminario de Actualización en Distribución Eléctrica" también tuvo lugar en las ciudades de Encarnación y Ciudad del Este. En ambos seminarios hubo mucha participación.

8 MUNDO DE LA ELECTRICIDAD Informes
9 MUNDO DE LA ELECTRICIDAD - Proyectos - Fabricación - Montajes e Instalaciones Ytororó N° 371 c/ Juan S. Bogarín, Barrio Tres Bocas, Villa Elisa, Paraguay. Teléfonos: (595-21) 946-086 / 942-963 / 942-993 Fax: 942-963 www.bhmingenieria.com.py - Servicios Especializados Ingeniería S.R.L. B.H.M.

Foro internacional del electricista en el INTN

El Instituto Nacional de Tecnología, Normalización y Metrología - INTN realizó el “I Foro Internacional de Electricistas” bajo el lema “el camino, la seguridad eléctrica en el Paraguay”, en del que expusieron investigadores nacionales e internacionales. Además participaron profesionales renombrados del sector eléctrico, tanto del ámbito público como privado.

Entre los asistentes estuvieron representantes de la Federación de Asociaciones de Electricistas del Paraguay (FAEP) y Electron, también el sector de importadores, las universidades, el SNPP, la UIP, la ANDE, la Cámara de Empresas Constructoras de Obras Electromecánicas – CECOEL y los técnicos independientes.

El Ing. Raúl González, de la Dirección de Seguridad Eléctrica del INTN, conversó con nuestra Revista especializada Mundo de la Electricidad y recordó que el instituto se encarga de garantizar el cumplimiento de los estándares de seguridad, es por esto que los objetivos de este Foro estuvieron en torno a cuatro ejes principales: debatir los avances y desafíos en la implementación de la Ley de Seguridad Eléctrica, así como la certificación para los electricistas y la certificación de los productos eléctricos, además de la inspección de las instalaciones eléctricas.

“Como es sabido pudo darse por migración a través del carnet de la ANDE y que allá por el 2019 podía realizar un curso del INTN, se esperaba que certifiquen unos 800 técnicos, pero la pandemia llegó y pararon todos los cursos. Finalmente en julio del 2020 fenecía el plazo del decreto, y apenas pudieron certificarse 120 matrículas INTN por migración de la ANDE”. Continúan en procura de modificar el decreto para ampliar el plazo de migración.

La otra modalidad es encontrar un organismo, con laboratorio, que pueda ser acreditado por el INTN y seguir entregando certificados. Al parecer podría contarse con este instituto o centro de certificación para este año, mencionó González.

Certificación de productos

Sobre las certificaciones de productos, explicó que se iniciaron con fichas y tomacorrientes, tras un análisis de riesgo. “Según el decreto 9265 son los productos que más riesgo suponen porque son las que más se manipulan a diario en el hogar, incluso están al alcance de los niños”. Agregó que la variedad de modelos que conviven es enorme y muchas veces no son compatibles.

Inspección de instalaciones eléctricas

Los principales temas tratados en el Foro

El director del INTN señaló que con la Ley 5668 se pudo certificar a través de la modalidad de migración, a poco más de cien electricistas.

Para el Ing. González, la inspección de las instalaciones eléctricas en teoría no debería representar ningún problema. “Se está trabajando a fin de que las inspecciones en las instalaciones eléctricas puedan iniciarse a finales de este año. Ya está conformado un comité técnico para

10 MUNDO DE LA ELECTRICIDAD Informes
Ing. Raúl González

ajustar la reglamentación de las inspecciones y “empezaría a trabajar si fuese posible desde este abril”, explicó.

Desafíos a corto y mediano plazo para el sector

El Ing. González señaló que entre las prioridades estarían, iniciar la migración de electricistas, certificar a electricistas (solicitar a la ANDE que acepte la matrícula INTN electricista, en paralelo con la matrícula ANDE, para todas las gestiones que se necesitan) y poner en marcha un programa de inspecciones voluntarias. Para esto último serían colegios, universidades, edificios o centros comerciales que puedan solicitar al INTN. “El servicio de inspección eléctrica con el que se podrá entregar un informe detallado de la situación en que se encuentra la instalación eléctrica”, acotó.

Excelente impresión

Para el INTN, las empresas, instituciones y profesionales que participaron del evento dejan una excelente impresión, por el interés demostrado para conocer la situación y el trabajo que el INTN está haciendo. “En el sector de los profesionales técnicos se percibe el deseo de capacitarse y la intención. Mientras que por parte de las empresas se ve la intención de mejorar los productos que utilizan tanto por la calidad y la seguridad de los equipos”, concluyó el Ing. Raúl González.

Energía eléctrica solar en el Chaco

El Ministerio de Obras Públicas y Comunicaciones (MOPC) otorgó por primera vez a una empresa privada, la licencia definitiva para la autogeneración de energía eléctrica a través de una planta fotovoltaica en el Chaco paraguayo, convirtiendo a La Betty S.A en la primera firma que obtiene una autorización del Estado para producir energía solar.

El proyecto de La Betty S.A. consiste en la instalación y puesta en operación de un sistema de regadíos mediante pivotes móviles que será alimentado por energía renovable mediante la instalación de dicha planta a ser situada en la localidad de Misión Santa Rosa, del distrito de Mariscal Estigarribia, departamento de Boquerón. Además, el exceso de energía estará disponible para la red eléctrica nacional y, por lo tanto, proporcionará electricidad limpia para la región periférica, lo que permitirá a su vez la diversificación de la matriz energética y mejoras en la eficiencia de este sector.

En cuanto al sistema de regadíos, será utilizado principalmente para el cultivo de productos agrícolas como por ejemplo soja, maíz, trigo y otras siembras en suelo chaqueño.

CONAPTIE

La licencia fue emitida y aprobada por el Consejo Nacional de la Producción y Transporte Independiente de Energía (CONAPTIE), integrado por los titulares del Ministerio de Obras Públicas y Comunicaciones (MOPC), de Industria y Comercio (MIC), de Hacienda (MH), de Relaciones Exteriores (MRE), de la Secretaría Técnica de Planificación (STP), el Ministerio del Ambiente y Desarrollo Sostenible (MADES).

12 MUNDO DE LA ELECTRICIDAD Entrevista

Piden investigar supuesta subfacturación de la energía de Acaray

Un grupo encabezado por el diputado Sebastián Villarejo se reunió con el Contralor General de la República, Camilo Benítez, para dar seguimiento al pedido de investigación de una supuesta subfacturación en la exportación de energía eléctrica de la central hidroeléctrica Acaray, que benefició principalmente a distribuidoras brasileñas y argentinas. Acerca de las ventas de electricidad presuntamente subfacturadas que realizaron las autoridades de la ANDE en el período comprendido entre 1995 y el 2008 hablaron con el contralor general de la República, Camilo Benítez, el diputado Sebastián Villarejo, el Ing. Ramón Montanía (candidato a senador del PPQ), el Ing. Luis Fleitas, asesor del equipo energético de la Concertación y el asesor técnico, Ing. Javier Villate Como antecedente, la delegación expuso el pedido de informes de la Cámara de Diputados a la ANDE sobre las ventas de electricidad desde la central hidroeléctrica Acaray desde 1995 hasta el 2014.

Indicaron que con este informe de base, la Contraloría General de la República (CGR) podría demostrar que estas subfacturaciones representarían pérdidas de oportunidades para la ANDE, valoradas en aproximadamente US$ 230 millones.

El pedido de investigación, que ingresó a la CGR con el expediente 6931/22, fue impulsado por el diputado Sebastián Villarejo (PPQ) hace casi cinco meses, recordaron.

Precios de regalo

Entre los años 2000 a 2007, la ANDE compró de Itaipú a un precio promedio de 21 US$/MWh y vendía a los paraguayos por 48 US$/MWh.

Al mismo tiempo, las autoridades de la ANDE vendieron la producción de Acaray por 15 US$/ MWh a Edefor; por 13 US$/MWh a EMSA (ambas de Argentina), y por 12 US$/MWh a Copel,

del Brasil, denunciaron.

“Estos precios no estarían cumpliendo siquiera los términos de los contratos firmados entre la ANDE y dichas distribuidoras vecinas y las numerosas adendas que componen el arreglo comercial”, dijeron al contralor.

Comentaron además que el informe de la ANDE también confirmó que, en los años 2002 y 2003, el precio unitario promedio por la venta a las argentinas Edefor de Formosa y a la misionera Emsa habrían llegado a mínimos históricos de unos 5 US$/MWh.

Finalmente, el Ing. Ramón Montanía manifestó que “la corrupción es el mal que destruye a nuestro querido Paraguay, y la ANDE no está exenta, desde el Congreso debemos luchar de manera frontal contra este flagelo, basta de joda”, concluyó.

La denuncia de este hecho fue realizada el año pasado por los diputados de la bancada del Partido Patria Querida, Sebastián Villarejo, Rocío Vallejo y Sebastián García

14 MUNDO DE LA ELECTRICIDAD Entrevista
15 MUNDO DE LA ELECTRICIDAD NUEVO

UIA denuncia atropello de Yacyretá a la ANDE

Con relación al proyecto de construcción de una estación de maniobra en 500kV para interconexión de la futura central Aña Cuá, llevada al frente por la Entidad Binacional Yacyretá, la Unión de Ingenieros de la ANDE (UIA) emitió un comunicado donde manifiesta que “todo el proyecto ha sido impulsado por la EBY desoyendo las recomendaciones y objeciones técnicas manifestadas por la ANDE a través de sucesivas notas oficiales, ya que el citado proyecto interviene y secciona las líneas paraguayas LP1 y LP2, que vinculan a la Central Yacyretá con el Sistema Interconectado Nacional.

Hasta la fecha, la ANDE, propietaria genuina de dichas líneas, y como ente rector del sector eléctrico nacional, no ha dado su visto bueno al citado proyecto, por tanto, consideramos que esto representa un atropello a la institucionalidad, debido a que dicho ente binacional ha avanzado unilateralmente en el proyecto, desconsiderando la posición oficial de la ANDE.

Falta de respeto a la ANDE

La UIA señala que “una vez ya realizada la licitación para la construcción de la citada obra, la EBY, busca la suscripción de un Convenio y la aprobación de la ANDE a dichas acciones para una situación ya de hecho. Por ello, consideramos que lo actuado por la EBY es abusivo y contrario a una política de respeto a la institucionalidad y soberanía nacional.

Aspectos técnicos

“Desde el punto de vista técnico, compartimos el parecer manifestado por la ANDE el cual considera que lo propuesto por la EBY, al seccionar la LP1 y la LP2, puede comprometer el suministro de la CH Yacyretá al sistema eléctrico nacional, al incluir innecesariamente un punto de falla adicional en el circuito de ambas líneas.

En este sentido, basados en el historial de largas postergaciones a los reclamos paraguayos en el ámbito de la EBY, y cuando por fin recientemente se ha conseguido que el sistema de transmisión tenga capacidad suficiente para retirar el 100% de la potencia que le corresponde al Paraguay en Yacyretá, resulta por lo menos llamativo que, aún existiendo proyectos alternativos, se pretenda intervenir en la infraestructura que conecta la CH Yacyretá al sistema paraguayo, interponiendo una instalación cuya operativa pasaría a depender de la voluntad técnica y administrativa de la EBY”, señala la UIA, dejando constancia que “el proyecto denominado estación de maniobra en 500 kV impactará en la confiabilidad y operatividad del Sistema Interconectado Nacional”.

Finalmente, la UIA advierte que se reserva el derecho de iniciar y articular acciones en las instancias que corresponda para defender la postura institucional de la ANDE y mantener la independencia, seguridad y confiabilidad del Sistema Interconectado Paraguayo.

16 MUNDO DE LA ELECTRICIDAD Informes

ANDE interviene inmueble con 19 contenedores que minaban bitcoins

Asociación de Electricistas del Nordeste de Itapúa (ADEMA)

La Administración Nacional de Electricidad constató en un inmueble rural de la ciudad de Itakyry, la existencia de una conexión directa sin medidor en Media Tensión, y a través de una orden de allanamiento, se pudo verificar que se trataba de una granja mineradora de criptomonedas de gran envergadura, compuesta por 19 contenedores con un consumo equivalente al de una pequeña ciudad y de hasta 1.250 millones de guaraníes mensuales aproximadamente.

Por orden fiscal se procedió a desmontar los cables de media tensión que abastecían al local, y a la incautación de los trasformadores que sumaban una potencia de 5.000 KVA y todos los equipos eléctricos encontrados en el lugar quedando bajo el resguardo del Ministerio Público en la sede del depósito ubicado en el Barrio Fátima de Ciudad del Este.

No se pudo vincular a ningún NIS por no ser clientes de la ANDE, por consiguiente la labor de identificar a los responsables de este hecho punible queda a cargo del Ministerio Público. Con este tipo de ilícitos, la ANDE sufre un perjuicio patrimonial de aproximadamente Gs. 1.250 millones de forma mensual, equivalente a US$ 2 millones anuales.

La ADEMA eligió su nueva Comisión Directiva, que regirá los destinos de la Asociación hasta el 2024, y está constituida de la siguiente manera:

Presidente: T.S. Cecilio Alfredo Florentín.

Vicepresidente: Feliz Arsenio Alonso.

Secretario: Prof. Epifanio Bordón.

Prosecretario: T. S. Pedro Samuel Paniagua.

Tesorero: Prof. Hugo Alonso.

Protesorero: Osvaldo Martínez.

Miembros titulares: Andrea Hans Whepitner, César Prieto, Néstor Ruiz Díaz, T. S. Jorge Daniel López, Antonio Riveros, Nicolás López, Víctor Dikel, Víctor Hugo Lugo, Dani Acosta, Rocío Vargas.

Miembros Suplentes: Eusebio Escobar, Mirtha Yurt.

Síndicos Titulares: Alejandro Valdéz, Rubén Bravo, Alfredo Paredes.

Síndicos Suplentes: T. S. Dionicio Robin.

La revista especializada Mundo de la Electricidad le desea mucho éxito en sus funciones a la Comisión Directiva de la ADEMA.

18 MUNDO DE LA ELECTRICIDAD Informes
19 MUNDO DE LA ELECTRICIDAD Transformadores y Generadores Motores y Bombas de Agua Aires Acondicionados y Enfriadores Tte. Ettiene y Gustavo Storn. Fernando de la Mora Zona Norte Tel.: (021) 675-493. Cel.: (0991)462-990 Email: comercial@gotze.com.py www.gotze.com.py

El pensamiento crítico o voto por Pato Donald

El pensamiento crítico es el proceso de dudar de las afirmaciones que en la vida cotidiana suelen aceptarse como verdaderas. Por ello, el pensamiento crítico no aspira a alcanzar una verdad absoluta, sino a profundizar en prácticas y estrategias que nos permiten someter nuestras convicciones, y las de otras personas, a discusiones. También es el proceso mediante el cual se usa el conocimiento y la inteligencia para llegar de forma efectiva a la postura más razonable y justificada sobre un tema. Ser capaz de utilizar un pensamiento crítico significa que no se acepte la opinión de la sociedad, teniendo así ideas individuales, se conocen los argumentos a favor y en contra y se toma una decisión propia respecto a lo que se considere verdadero o falso, aceptable o inaceptable, deseable o indeseable. Los pasos a seguir en la actitud de un pensador crítico son el evitar los prejuicios cognitivos; identificar y caracterizar argumentos; evaluar las fuentes de información; y, finalmente, evaluar los argumentos.

Sólo el elector con pensamiento crítico puede darse cuenta que el Paraguay necesita un amplio plan de reformas de fondo, no meramente cosméticos, para superar el rezago en sectores claves, como la educación, la salud, transporte público, infraestructura vial, justicia (seguridad jurídica), función pública, informalidad laboral, ausencia de políticas de seguridad social, etc.

Esto, por una parte requiere políticas de gobierno y por otra, política de Estado. Que hay un escenario de desigualdad, exclusión, pobreza de un sector importante de la población que sobrevive en la desesperanza y que no ve cambios posibles en su vida ni en la de sus hijos. Ese ciudadano pensante comprende que a pesar de la fortaleza macroeconómica de la economía del pais, sin las reformas necesarias hasta puede haber crecimiento económico, pero no disminuirá la inequidad ni se llegará a un genuino y sostenido desarrollo.

En estos momentos de campaña electoral, lo estándar y generalizado es escuchar a los candidatos presidenciales repetir casi un “kit” electoral, hablar genéricamente de los problemas y plantear soluciones mágicas. El kit lo encabeza principal y preponderantemente el combate y fin de la corrupción, y luego unas letanías como “Queremos un país sin pobreza”, “defenderemos la soberanía energética”, “vamos a estar mejor”, “el cambio llega”, “la educación será mi prioridad”, “la salud pública será para todos”, etc.

Si bien es el papel del Gobierno, el Poder Judicial y otras agencias hacer cumplir las leyes y regulaciones, es liderazgo lo que se requiere para tener éxito en la lucha contra la corrupción. El liderazgo con el ejemplo y establecer el tono adecuado en la parte superior son requisitos previos para conquistar a los corruptos y la corrupción.

20 MUNDO DE LA ELECTRICIDAD Opinión
Ing. Guillermo López Flores

Robo de energía de la ANDE

El reciente descubrimiento del descomunal robo de energía de la ANDE por parte de una mineradora de criptomonedas, “compuesta por 19 contenedores con un consumo equivalente al de una pequeña ciudad” evidencia la ineficiencia de la empresa eléctrica.

Este descontrol representa para la ANDE la pérdida anual de unos 100 millones de dólares, que finalmente debemos asumir los usuarios en general.

El robo de energía es una de las causas de la “quiebra técnica” de la ANDE. Urge el combate frontal a este flagelo y la actuación de la justicia para castigar a los ladrones, sus cómplices y encubridores.

ANDE y Yacyretá. Peligroso descontrol

El comunicado de la Unión de Ingenieros de la ANDE (UIA) denunciando la construcción de la estación de maniobra en 500kV por Yacyretá, sin aprobación de la ANDE, evidencia falta de coordinación en el sector eléctrico nacional.

Concordamos con la UIA de que lo “actuado por la EBY es abusivo y contrario a una política de respeto a la institucionalidad y soberanía nacional”.

Las objeciones técnicas manifestadas por la ANDE deben ser atendidas por Yacyretá. En caso contrario “impactará en la confiabilidad y operatividad del Sistema Interconectado Nacional”.

Se acercan las elecciones generales. Con el desbloqueo de listas, el 30 de abril tendremos la magnífica oportunidad de elegir como parlamentarios a los mejores hombres y mujeres del país. Sin duda, los decentes, los que no roban, los que no venden sus sueños, sus votos, ni nunca fueron cómplices de ilegalidades, deben estar convencidos que es posible un mejor Paraguay. Quienes creen que el país se merece mejor educación, mejor salud, más seguridad, más oportunidades para los jóvenes, el 30 de abril pueden transformar la nación.

21 MUNDO DE LA ELECTRICIDAD Carta al Lector
Ing. Ramón Montanía F.
¡Un mejor Paraguay es posible!

SOLUCIONES ELECTROMECÁNICAS INTEGRALES

22 MUNDO DE LA ELECTRICIDAD Tecnología y Productos
23 MUNDO DE LA ELECTRICIDAD Cursos Talleres certificados por el MEC ¡Inscripciones abiertas, plazas limitadas! Sistemas de Distribución de Energía Eléctrica Inicio: Viernes 14 de abril del 2023. www.itc.edu.py Inicio: Viernes 21 de abril del 2023. Sistemas de Automatización y Control de Procesos Industriales Adela Speratti 1673 c/ Cnel. Irrazábal y Rca. Francesa - Asunción (021) 201-249 (0971) 213-424 secretaria@itc.edu.py

Seguridad en Subestaciones Eléctricas

Descarga eléctrica

Es la perturbación de características y efectos diversos que se manifiestan en el organismo humano cuando este es recorrido en ciertas condiciones, por una corriente eléctrica.

Efectos de la corriente eléctrica en el cuerpo humano

A partir de determinado valor, la corriente eléctrica puede provocar reacciones adversas que altera la normalidad orgánica del cuerpo humano, siendo sus efectos:

- Electrocución: De consecuencias fatales para la persona.

- Electrotraumatismo: Con consecuencias de lesiones no fatales para la persona.

Estos efectos pueden ser por:

- Acción directa: La corriente eléctrica recorre el cuerpo de la víctima.

- Acción indirecta: La corriente no recorre el cuerpo de la víctima. Ejemplo: quemadura debido a arco eléctrico.

Los efectos varían y dependen principalmente de las siguientes circunstancias:

- Intensidad de la corriente contacto.

- Duración de la descarga.

- Curso de la corriente en el cuerpo.

- Condiciones orgánicas del individuo Naturaleza de la corriente (CA o CC).

- Resistencia del cuerpo y aislamiento.

Perturbaciones o lesiones que la corriente eléctrica puede provocar en el cuerpo humano

El cuerpo humano es más sensible a la corriente alterna (CA) que a la corriente continua (CC).

Las perturbaciones que pueden provocar son:

- Parálisis temporal del sistema nervioso.

- Problemas cardíacos.

- Asfixia, anoxia, anoxemia.

- Quemaduras.

- Contracciones de los músculos.

- Pérdida de los miembros.

Clasificación de las lesiones

a- La víctima no pierde los sentidos: Puede sufrir sacudidas más o menos bruscas.

La víctima consigue desprenderse del conductor energizado, siendo proyectado con menor o mayor fuerza, dependiendo de la disposición de los músculos, pudiendo tener quemaduras o caídas.

La víctima no consigue desprenderse del conductor energizado, pudiendo sufrir fuertes quemaduras en el área de contacto.

b- La víctima pierde los sentidos:

- Fibrilación ventricular: Trepidación y contracción arrítmica del corazón, con alto porcentaje de consecuencias fatales.

- Inhibición nerviosa: Puede llevar a la paralización de las funciones vitales del cuerpo.

Resistencia óhmica del cuerpo humano Para una tensión fija (V), la corriente (I) es inversamente proporcional a la Resistencia humana (Rh), siendo este valor variable entre persona a persona.

I= V / Rh

La resistencia humana (Rh) varía de acuerdo a: El individuo, punto de contacto, tipo de suelo donde está la persona, humedad en la superficie de contacto, grosor de la piel, otros.

La resistencia óhmica interna promedio del cuerpo humano es de 500 ohm, que se distribuye en la siguiente forma:

Los extremos de las bobinas del motor son: 1-4; 2-5; 3-6. También los extremos de dichas bobinas pueden indicarse como X-V; Y-V; Z-W. Otra forma sería V 1-V 2; V 1V 2; W 1-W 2

24 MUNDO DE LA ELECTRICIDAD
Artículos Técnicos
25 MUNDO DE LA ELECTRICIDAD ELECTROPAR MUNDO DE LA ELECTRICIDAD 28 años ¡Cada vez más accesible! Suscripción anual a la Edición Digital a tan sólo Gs. 50.000 Beneficios de suscribirse - Curso de Capacitación Gratuito “Automatización Industrial”. - Artículos técnicos, nuevas tecnologías y productos e informaciones más relevantes sobre el sector eléctrico paraguayo. - Descuento en los cursos talleres y de capacitación ofrecidos en el ITC. - Descuento en la compra de manuales didácticos. www.mundoelectricidad.com.py Forma de pago: Transferencia o depósito bancario al Banco Itaú, Cuenta Corriente Nº700603486, a nombre de SERPROF SRL, RUC: 80014217-9 (0972) 214-920 ventas@mundoelectricidad.com.py

Resistencia del brazo 200 ohm

Resistencia del tronco 100 ohm

Resistencia de la pierna 200 ohm

Resistencia total 500 ohm

Como se puede notar, la resistencia en el tronco, donde justamente se encuentran los órganos vitales, es la de menor valor que la de los miembros.

Circulación de la corriente eléctrica por el cuerpo humano

- Entrada por la mano y salida por los pies: Recorre el tórax, centros nerviosos, diafragma y órganos abdominales, que dependiendo de la intensidad puede producir asfixia y fibrilación ventricular, en consecuencia, acarreará también falla circulatoria.

- Entrada por una mano y salida por la otra: Recorre el tórax y alcanza la región de los centros nerviosos que controlan la respiración, los músculos del tórax y el corazón, siendo uno de los cursos más peligrosos, que dependiendo de la intensidad puede producir asfixia y fibrilación ventricular y en consecuencia acarreará inevitablemente una falla circulatoria.

- Entrada por un pie y salida por el otro: En el caso de la corriente circulando por un pie para otro a través de las piernas, muslos y abdomen, el peligro es menor que en los casos anteriores, sin embargo, se podrán sentir perturbaciones de los órganos abdominales y los músculos podrían sufrir alteraciones.

Equipos de protección individual (EPI)

Es todo dispositivo de uso personal destinado a preservar la integridad física del personal, durante el ejercicio del trabajo, contra consecuencias de accidentes.

Equipos de protección colectivos (EPC)

Es todo medio de uso colectivo (grupal) destinado a proteger la integridad del grupo durante el ejercicio del trabajo contra infortunios, como son los accidentes de trabajo.

Principios de seguridad en la operación

Las razones que respaldan los principios y la aplicación de las consignas y procedimientos descritos aquí son:

1. La protección del personal que participa en la operación.

2. La unificación en los criterios utilizados para las maniobras operativas del sistema.

3. La seguridad en las maniobras ejecutadas. Orden de prioridades en la operación

1. Durante la operación se pueden presentar situaciones de riesgo que comprometan la seguridad de las personas, los equipos e instalaciones o el servicio.

2. Mientras no exista condición anormal o de riesgo para las personas, los equipos y las instalaciones, la prioridad del personal será operar la instalación de manera que se pueda prestar el servicio en óptimas condiciones.

3. Al enfrentar una situación que comprometa la seguridad de las personas, se deberán tomar acciones aún cuando se arriesguen los equipos, las instalaciones o se altere el servicio.

4. Al enfrentar una situación de riesgo para los equipos o instalaciones se deberán tomar acciones sin importar la continuidad del servicio.

Por lo tanto, el personal de operación deberá tener siempre el siguiente orden de prioridades:

Primero: Seguridad de las personas y la vida. Segundo: Seguridad de los equipos. Tercero: Continuidad del servicio.

26 MUNDO DE LA ELECTRICIDAD Artículos Técnicos

Inicio: Lunes 14 de agosto.

Inicio: Jueves 17 de agosto.

Carreras Técnicas habilitadas por el MEC Adela Speratti 1673 c/ Cnel. Irrazábal y Rca. Francesa - Asunción (021) 201-249 (0971) 213-424 secretaria@itc.edu.py ¡Inscripciones abiertas, plazas limitadas!
Superior en Electricidad
agosto.
Superior en Electromecánica
Técnico
Inicio: Martes 08 de
Técnico
www.itc.edu.py Segunda Convocatoria
en
Técnico Superior
Mecatrónica

Generación de Energía Hidroeléctrica

¿Qué es una central hidroeléctrica?

Una central hidroeléctrica es aquella en la que la energía potencial del agua almacenada en un embalse se transforma en la energía cinética necesaria para mover el rotor de un generador, y posteriormente transformarse en energía eléctrica.

Las centrales hidroeléctricas se construyen en los cauces de los ríos, creando un embalse para retener el agua. Para ello se construye un muro grueso de piedra, hormigón u otros materiales.

La masa de agua embalsada se conduce a través de una tubería hacia los álabes de una turbina que suele estar a pie de presa, la cual está conectada al generador. Así, el agua transforma su energía potencial en energía cinética, que hace mover los álabes de la turbina.

Funcionamiento de una central hidroeléctrica

La presa se sitúa en el curso de un río donde, artificialmente, acumula un volumen de agua para formar un embalse. Eso permite que el agua adquiera una energía potencial que después se transformará en electricidad. Para ello, la presa se sitúa aguas arriba, con una válvula que permite controlar la entrada de agua a la

galería de presión; previa a una tubería forzada que conduce el agua hasta la turbina de la sala de máquinas de la central.

El agua a presión de la tubería forzada va transformando su energía potencial en cinética (es decir, va perdiendo fuerza y adquiere velocidad). Al llegar a la sala de máquinas, el agua actúa sobre los álabes de la turbina hidráulica, transformando su energía cinética en energía mecánica de rotación. El eje de la turbina está unido al del generador eléctrico, que al girar convierte la energía rotatoria en corriente alterna de media tensión. El agua, una vez ha cedido su energía, vuelve al río aguas abajo de la central a través de un canal de desagüe.

Partes principales de una central hidroeléctrica

• Toma de agua (embalse).

• Tubería forzada.

• La casa de máquinas.

• Turbina hidráulica.

• Generador eléctrico.

• Transformadores en centrales hidroeléctricas.

• Líneas eléctricas.

• Presa o represa hidroeléctrica.

28 MUNDO DE LA ELECTRICIDAD Artículos Técnicos
29 MUNDO DE LA ELECTRICIDAD 29 electro system Electricidad e Iluminación Yvy´á Nº 3708 esq. Ypora Barrio San Pablo - Asunción 021 529-354 Central Avda. De La Victoria Nº1852 e/ Guaraníes y Carios 021 338-9549 Distribución Avda. Tte. Rojas Silva e/ Horacio Gini y P. Colmnan 0981 901-421 Ciudad del Este Avda. Cnel. Luis Irrazabal e/ Cerro Cora y Mons Wiessen 021 338-6760 Encarnación www.electrosystem.com.py f electrosystempy ILUMINACIÓN LED PROFESIONAL
Curso de Capacitación 30 Capítulo IX MUNDO DE LA ELECTRICIDAD 28 años 30 MUNDO DE LA ELECTRICIDAD Artículos Técnicos

Automatización Industrial

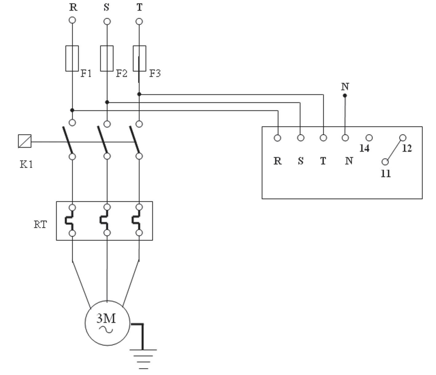
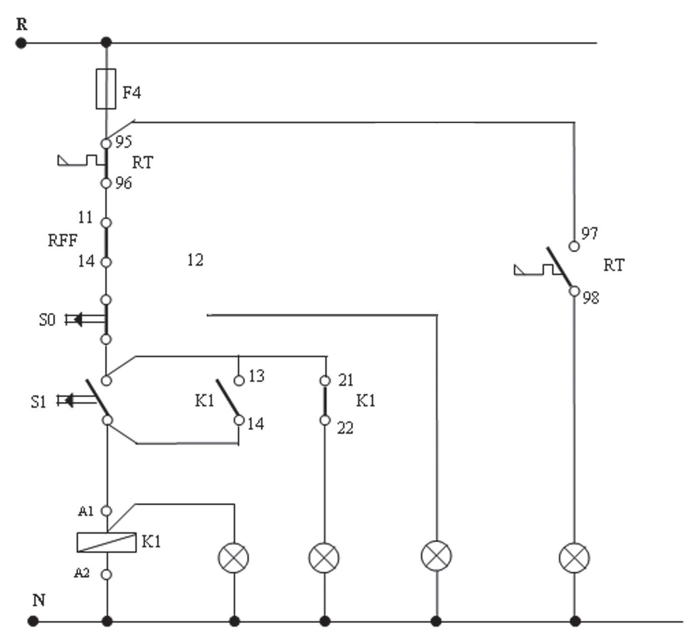
Conexión del relé falta de fase

El relé falta de fase es un relé de protección que detecta la falta de una de las fases y el neutro. Está compuesto por un circuito electrónico con dos salidas auxiliares, uno Normal Cerrado y otro Normal Abierto (también puede traer cuatro contactos auxiliares).

Sirve para proteger al motor o a cualquier otro receptor trifásico por la falta de una fase o del neutro.

La conexión de las tres fases se hace después de los fusibles de fuerza, de manera que si uno de estos fusibles se suelta también capte el relé.

Al energizarse este relé, sus contactos au-

xiliares Normal Cerrado (11-12) se abre y el Normal Abierto (11-14) se cierra instantáneamente, quedando en esa condición hasta que falte una de las fases o el neutro, en ese instante vuelven a cambiar de posición. El contacto 11-14 se conecta siempre en serie con el fusible del circuito de mando, de manera a cortar la corriente de dicho circuito al cortarse una de las fases o el neutro. El conexionado del relé se hizo para un arranque directo, pero el concepto es el mismo para cualquier tipo de arranque. Generalmente se usa para proteger motores de gran potencia. Antes de conectar el relé falta de fase siempre se debe leer detenidamente su ficha técnica.

31 Capítulo IX Curso de Capacitación MUNDO DE LA ELECTRICIDAD 28 años
Circuito de fuerza F1 F2 F3 R S T N N 14 12 11 Relé falta de
K1 RT M 3
fase
Esquema de fuerza del relé falta de fase.

Esquema de mando del relé falta de fase.

Ejercicio

Desarrollar los circuitos de fuerza y mando para encender 6 lámparas de vapor de sodio de 400

W cada uno. Se desea encender todos al mismo tiempo con una fotocélula y que tenga la opción de un sistema manual y automático.

Curso de Capacitación 32 Capítulo IX MUNDO DE LA ELECTRICIDAD 28 años R F4 95 RT 96 11 14 RFF 13 14 21 22 97 98 RT K1 K1 S0 S1 12 A1 A2 K1 N
Circuito de mando
ARRANQUE
PARADA FALLA POR FALTA DE FASE FALLA POR SOBRECARGA

Instalación de Fuerza Motriz

Esquema de conexionado de varios motores CDF PA

CDF = Centro de distribución de fuerza.

PA = Protección del alimentador contra cortocircuito.

CM = Control del motor.

PM = Protección del motor (relé térmico, relé falta de fase, termostato, etc.).

F = Seccionador fusible, con fusible tipo retardado, protección del ramal contra cortocircuito.

Dimensionamiento de las protecciones y la sección de los conductores del alimentador y ramal

Circuito alimentador

Dimensionamiento de la sección del conductor del alimentador

El límite de conducción de corriente de los conductores de los alimentadores para motores eléctricos no deberá ser menor que 125% de la corriente nominal del motor de mayor potencia, más la suma de las corrientes nominales de los demás motores conectados en dicho alimentador.

I (ramal) = 1,25 x In (corriente nominal del motor mayor) + ΣIn (suma de la corriente nominal de los demás motores).

= : Significa mayor o igual.

Cálculo de la protección contra cortocircuitos del alimentador

La capacidad nominal de los dispositivos de protección de los circuitos alimentadores de motores no deberá ser mayor que la adecuada al ramal que exige protección de mayor capacidad, más la suma de las corrientes nominales de los demás motores.

I (protección del alimentador) = I (protección del ramal de mayor capacidad) + ΣI (sumatoria de la corriente nominal de los demás motores).

= : Significa menor o igual.

Circuitos del ramal

Dimensionamiento de la sección del conductor del ramal

El límite de conducción de corriente de los conductores de los ramales para motores

33 Capítulo IX Curso de Capacitación MUNDO DE LA ELECTRICIDAD 28 años
Alimentador Ramal CM PM CM PM F F M 3 M 3

eléctricos deberá ser por lo menos igual a 125% de la corriente nominal del motor para servicio contínuo.

I (ramal) = 1,25 x In (corriente nominal del motor).

Dimensionamiento de la protección de los ramales contra cortocircuitos

La capacidad de protección de los dispositivos de protección de los ramales de los motores deberá estar comprendida entre 150 % y 300 % de la corriente nominal del motor, de acuerdo al motor y el tipo de arranque utilizado.

Observación

Pm x 746 W / HP

Recordamos que : In = ------------------------

√3 x V x I x fp x η

Pm = Potencia mecánica del motor en HP.

V = Voltaje de Línea.

In = Corriente Nominal del Motor (Corriente de Línea).

fp = Factor de Potencia.

η = Rendimiento del Motor.

Dimensionamiento de la sección de los alimentadores

In = Corriente nominal del motor o sea la corriente que se indica en la placa del motor, ya sea para conexión en estrella o en triángulo (Delta).

Is = Corriente para calcular la sección del conductor.

1º Caso: Alimentador para un solo motor

El alimentador es el propio ramal que parte del centro de distribución de fuerza. Para el dimensionamiento del conductor usar la fórmula Is = 1,25 x In-Motor

2º Caso: Alimentador para varios motores

a) Si los motores no parten simultánea-

mente, o sea que cada motor parte aisladamente.

Is = 1,25 x In-Motor-Mayor + ΣIn-Motores restantes.

Si tenemos como dato el factor de demanda, o sea el porcentaje de los motores que funcionan simultáneamente se tiene la siguiente relación:

Is = 1,25 x In-Motor-Mayor + (Factor de Demanda) x ΣIn-Motores restantes.

b) Dos o más motores arrancan simultáneamente

Is = 1,25 x In-Motores que arrancan simultáneamente + ΣIn-Motores restantes. Si tenemos como dato el factor de demanda, o sea el porcentaje de los motores que funcionan simultáneamente se tiene la siguiente relación:

Is = 1,25 x In-Motores que arrancan simultáneamente + (Factor de Demanda) x ΣIn-Motores restantes.

3º Caso: Alimentador general de varios alimentadores secundarios

Is = 1,25 x I Alimentador más cargado + ΣI Demás alimentadores

El curso de capacitación “Automatización Industrial” llegó gratuitamente a los privilegiados lectores de la revista especializada Mundo de la Electricidad gracias al apoyo de:

Curso de Capacitación 34 Capítulo IX MUNDO DE LA ELECTRICIDAD 28 años

Instituto Técnico Superior de Electricidad ITC, Centro de Formación y Capacitación Profesional de Nivel Terciario reconocido por el MEC

El ITC cuenta con: Sedes propias. Aulas climatizadas. Biblioteca. Plantel de profesores de primer nivel. Patio de Maniobras de 23 kV/380/220 V. Generador de Emergencia. Laboratorios con materiales y equipos de última generación. Paneles solares.

Dicta extraordinarias carreras técnicas habilitadas por el MEC:

- Técnico Superior en Electricidad.

- Técnico Superior en Electromecánica.

- Técnico Superior en Mecatrónica.

Dicta extraordinarios cursos talleres certificados por el MEC:

- Energía Solar.

- Sistemas de Distribución de Energía Eléctrica.

- Sistemas de Automatización y Control Industrial.

Cursos de capacitación abiertos y cerrados

Subestaciones Eléctricas. Líneas Compactas Protegidas.

Generadores de Emergencia. Líneas Subterráneas.

Informaciones e inscripciones: Adela Speratti 1673 c/ Rca. Francesa, Barrio Ciudad Nueva, Asunción. Tels.: (021) 201-249 y (0971) 213-424 . E-mail: secretaria@itc.edu.py

Síguenos en: facebook.com/ITCPY @ITCpy

Casa Central (Asunción): (021) 517 5000

Avda. Boggiani Nº 7367 c/ Músicos del Chaco

Zona Este (0983) 620 347

Zona Sur (0985) 859 594

Zona Norte (0981) 966 694

Zona Chaco (0984) 594 137

CONTACTORES CWB

televentas@recordelectric.com

ventas@recordelectric.com

www.recordelectric.com

recordelectricsaeca

@recordelectric recordelectricsaeca

SOLUCIONES
ELECTROMECÁNICAS INTEGRALES

Turn static files into dynamic content formats.

Create a flipbook
Issuu converts static files into: digital portfolios, online yearbooks, online catalogs, digital photo albums and more. Sign up and create your flipbook.