3.1. Ciepłowłaściweprzemianukładówprostychściśliwych
3.2. Analizarównańpierwszejzasadytermodynamiki
4.1. WprowadzenieentropiidotermodynamikizapomocąobieguCarnota
4.2. FormalnewprowadzenieentropiidotermodynamikiprzezCarathéodory’ego
4.3. Połączeniepierwszejidrugiejzasadytermodynamiki–egzergia
PrzekształceniaLegendre’azmiennychzależnych,związkiMaxwella
Entropiagazudoskonałego,równaniefundamentalne
Przemianygazudoskonałego
6.1.4. Równaniestanugazu–entropiajakoopisstanumikroskopowego
6.1.5. Równowagaukładuwypełnionegogazemdoskonałym
Przemianygazurzeczywistego
6.3.3. Mieszaniegazówwilgotnych
Pomiarzawartościwilgoci
Promieniowanie
7. Układywykonująceinnerodzajepracyniżzmianaobjętości
7.1. Polegrawitacyjne
7.2. Prostasubstancjamagnetyczna
7.3. Prostasubstancjaelektrostatyczna
7.4. Ciałastałeelastyczne
7.5. Błonapowierzchniowa
7.6. Ogniwoodwracalne
7.7. Substancjezłożone
7.7.1. Substancjawpoluelektrycznymlubmagnetycznympoddanaobciążeniom mechanicznym
7.7.2. Układyzreakcjamichemicznymi
8. Zastosowaniezasadtermodynamikiwtechnice
8.1. Wprowadzenie
8.2. Równaniabilansumasy,pęduienergiitechnicznegoukładuotwartego
8.2.1. Przykładyzastosowańrównańbilansumasy,pęduienergii
8.2.2. Dyszaizotermiczna
8.3. Problematykaspalania
8.3.2. Zapotrzebowaniepowietrzadospalania
8.3.3. Współczynniknadmiarupowietrza
8.3.4. Temperaturazapłonuisamozapłonu
8.3.5. Ciepłospalaniaiwartośćopałowapaliwa
8.3.6. Temperaturaspalania
8.3.7. Masaiobjętośćspalin
8.3.8. Stratypowstająceprzyspalaniu
8.3.9. Ciepłotworzenia
8.3.10. Analizaenergetycznaukładówzreakcjami
8.3.11. Ciepłoreakcji–entalpiaienergiawewnętrznaspalania 181
8.3.12. Adiabatycznatemperaturapłomienia 184
8.3.13. Analizadrugiejzasadytermodynamikidlaukładówzreakcjamichemicznymi 189
8.3.14. Ogniwapaliwowe 190
8.4. Analizaenergetycznaiegzergetyczna
8.5. Obiegitermodynamiczneprawobieżne–układyprodukującepracę 197
8.5.1. ObiegClausiusa–Rankine’a–obiegturbinyparowej 198
8.5.2. ObiegBraytona–obiegturbinygazowej 202
8.5.3. Siłowniejądrowe 203
8.6. Obiegitermodynamicznelewobieżne–podstawychłodnictwa 210
8.6.1. Podstawowyobiegchłodniczychłodzonypowietrzem 215
8.6.2. LewobieżnyobiegBraytona
8.6.3. Sprężarkoweobiegichłodnicze
8.6.4. Wariantysprężarkowychurządzeńchłodniczych
8.6.5. Absorpcyjneukładychłodnicze
8.7. Pompyciepła
8.8. Urządzeniastrumienicowe
8.9. Innemetodychłodzenia–efekttermoelektryczny
8.10. Klimatyzacja
8.10.1. Komfortczłowieka
Temperaturaiwilgotność
8.10.3. Podstawowaklimatyzacjacentralna
8.10.4. Systemyall-air
8.10.5. Systemypowietrze-woda
8.10.6. Klimatyzatoryjednostkowe
8.10.7. Klimatyzatorypokojowe
9. Wprowadzeniedoliniowejtermodynamikiprocesównieodwracalnych
9.1. Postulatrównowagilokalnej
9.2. Lokalnesformułowaniedrugiejzasadytermodynamiki
9.3. Efektykrzyżowe
9.4. RelacjeOnsagera–czwartazasadatermodynamiki
9.5. Procesystacjonarne
9.6. Przykładyprocesównierównowagowych
9.6.1. Przepływciepłaiprąduelektrycznegoprzezprzewodnik
9.6.2. Sprzężenietermomechaniczne
10. Wpływtermodynamikinainnedziedzinynauki
10.1. Statystycznaentropia
10.2. Teoriainformacji
10.3. Równoważnośćinformatycznej,statystycznejitermicznejentropii
11. Zakończenie

RYS. 6.13. Wykresy politropowe w układzie p-v

RYS. 6.14. Wykresy politropowe w układzie T-s

RYS. 6.15.
Powierzchnia stanu gazu doskonałego w przestrzeni p, v, T
8.5.3.1. Konstrukcje reaktorów jądrowych
pressurised water reactor
Canadian deuterium-uranium reactor
high-temperature

RYS. 8.23.
Schemat elektrowni z reaktorem PWR: 1 – zbiornik reaktora, 2 – stabilizator ciśnienia, 3 – pompa cyrkulacyjna obiegu pierwotnego, 4 – wytwornica pary, 5 – skraplacz obiegu wtórnego, 6 – turbina parowa, 7 – generator, 8 – rurociąg parowy obiegu wtórnego, 9 – rurociąg cieczowy obiegu wtórnego

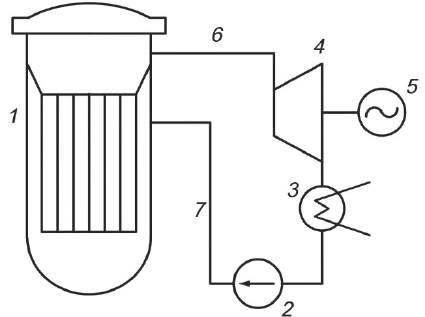
RYS. 8.24.
Schemat elektrowni z reaktorem BWR: 1 – zbiornik reaktora, 2 – pompa cyrkulacyjna, 3 – skraplacz obiegu wtórnego, 4 – turbina parowa, 5 – generator, 6 – rurociąg parowy obiegu wtórnego, 7 – rurociąg cieczowy obiegu wtórnego