
1 minute read
7.8 Removal and installation of decorative radiator grille
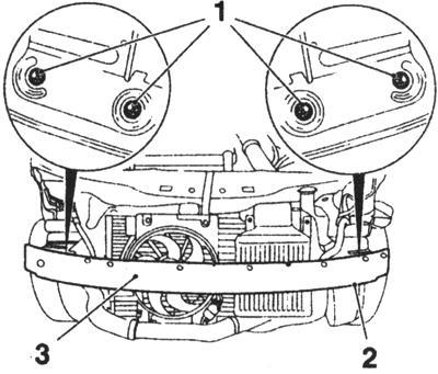
Fig. 8.8. Secret rivets (indicated by arrows) attachment front direction rectifying to beam anterior Bumper: 1 - mount the front rail; 2 - front bumper

Fig. 8.9. Bolts fixing beam before-it Bumper: 1 - bolts, 2 - place the fluid retention reservoir for washing of glasses; 3 - the front bumper beam
Open the hood and remove the 4 spacers from the rivet plate holder lock the hood. B. Squeeze the retainers and remove the grille from the bumper pads (Figure 8.10). Installation is performed in reverse order of removal.