
1 minute read
Montage des Steuerhebels
from CNH Multi-purpose circuit proportional control kit - CX210D Crawler excavator Manual 47844483 - PDF
Entfernen des Steuerhebels (rechts)
Rollen Sie die
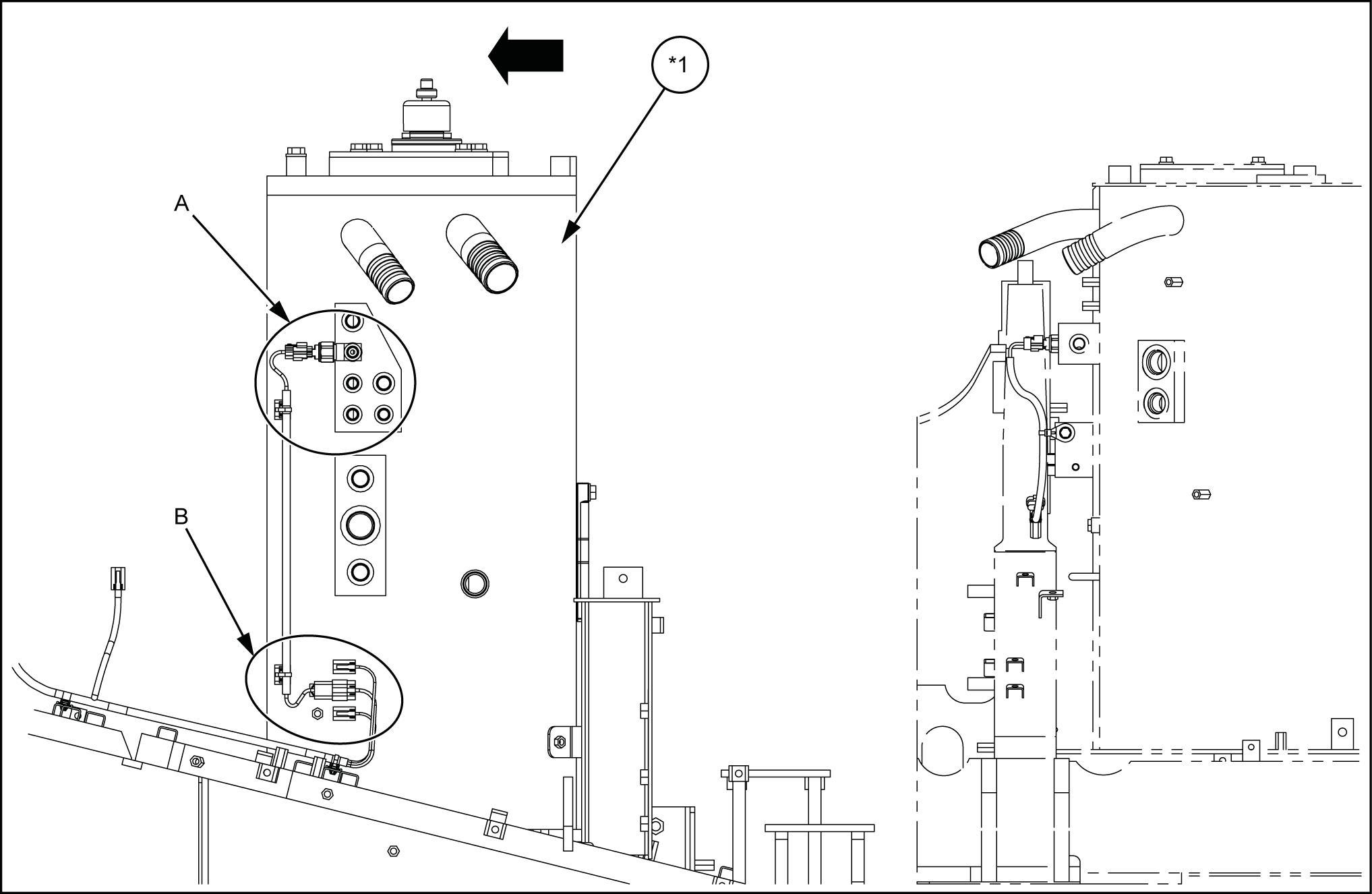
Schutzmanschette (*1) des erhebels hoch und entfernen Sie mit einem schlitzschraubendreher oder Ringschlüssel die 2 Schrauben (*2) von der oberen Abdeckung der

SMIL14II00167AB 1
Entfernen Sie mit einem Kreuzschlitzschraubendreher die 2 Schrauben (*3) , und entfernen Sie dann den Handgrif f des Kipphebels (*4)
SMIL14II00168AB 2

Kreuzschlitzschraubendreher die 2 Schrauben (*5) der oberen Abdeckung der
Entfernen Sie mit einem
SMIL14II00169AB 3
Entfernen Sie die Steckverbinder (*6) und dann die obere Abdeckung der Konsole (*7)

Entfernen Sie mit einem Kreuzschlitzschraubendreher oder Ringschlüssel die 5 Schrauben (*8) und nehmen Sie die Abdeckung (*9)
Rollen Sie die Schutzmanschette (*10) des hebels entfernen Sie den Steckverbinder (*1 des und schneiden Sie den der (*12)

SMIL14II00175AB 5

SMIL14II00171AB 6
Während Sie die Mutter (*13) mit einem schlüssel verwenden Sie einen Schraubenschlüssel , die ter (*14) und den Steuerhebel (*15) entfernen.
SMIL14II00172AB 7
Montage des Steuerhebels (rechts)


Während Sie nach der Montage des Knopfs (rechts) (1) die Mutter (*13) mit einem schlüssel befestigen, verwenden Sie einen Schraubenschlüssel , die ter (*14)
Anzugsmoment der Sicherungsmutter: - N·m ( 28.2532.53 )
Montieren Sie den Hupenschalter - Steckverbinder (*1 , befestigen Sie ihn mit dem Kabelbinder (*12) , und dann decken Sie ihn mit der Schutzmanschette des Steuerhebels (*10)
V erwenden Sie einen Kreuzschlitzher oder einen Ringschlüssel , die deckung (*9) mit 5 Schrauben (*8)
SMIL14II00175AB




Montieren Sie die Steckverbinder (*6) und die obere Abdeckung der Konsole (*7)
Montieren Sie mit einem Kreuzschlitzschraubendreher die 2 Schrauben (*5) der oberen Abdeckung der SMIL14II00177AB
Montieren Sie mit dem
Kreuzschlitzschraubendreher den Handgrif f des Kipphebels (*4) mit 2 ben (*3)

V erwenden Sie einen
Kreuzschlitzschraubendreher oder Ringschlüssel , die 2 Schrauben (*2) für die obere Abdeckung der Konsole montieren und bringen Sie die Schutzmanschette (*1) des erhebels

Einbau des Behälteranzeigesensors (Filterverstopfungswarnung)
SMIL15CEX3045FB 1
Entfernen Sie das Winkelstück und die V gen P und T vom Hydraulikölbehälter (*1) und montieren Sie dann das T - Stück (64)



Montieren Sie den Drucksensor (65) T - Stück (64) . Schließen Sie den Sensorkabelbaum (66) den Druckschalter (65)
Schließen Sie den Sensorkabelbaum (66) men - Hauptkabelbaum (*4)
Befestigen Sie den Sensorkabelbaum (66) mit der Spezialschraube (70) und der Klammer (69)