
1 minute read
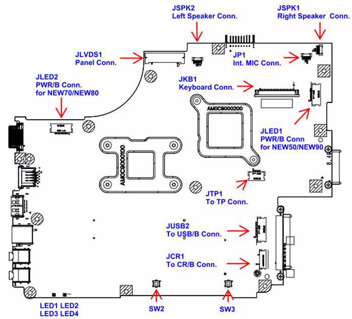
Top View
Jumper and Connector Locations
Top View
Advertisement
Item Description Item
Description
JLVDS1 Connect to LED / CCFL Connector JLED1 Connect to Powerboard (FFC) JSPK2 Connect to Left Speaker JLED2 Connect to Powerboard (FFC) JSPK1 Connect to Right Speaker JP1 Connect to internal MIC
JKB1 Connect to Keyboard SW2/SW3 Left button / Right button
JTP1 Connect to Touch pad (FFC) LED1/LED3 Power State Indicator JUSB2 Connect to Power USB Board (FFC) LED2/LED4 Battery Charging Indicator
JCR1 Connect Card Reader Board (FFC)





