












![]()


















Tipplast, maksimal Lasten som fører til at maskinens grense for tipping nås når lasten løftes vertikalt opp fra bakken. Maskinen står rett, med påmonterte motvekter, på et fast og plant underlag, og lastearmen er ikke forlenget. Vekten på redskap er inkludert, så vekten av redskapet må trekkes fra på tipplasten for å beregne tilgjengelig kapasitet. Lasten fordeles jevnt på pallegafler, med tyngdepunktet 500 mm fra den vertikale delen av gaffelbeina.
Løftekapasitet, rett maskin, maksimal
Den maksimale lasten som kan løftes rett opp fra bakken når maskinen står rett på et fast, jevnt underlag, med motvekter og uten at lastearmen er forlenget. Vekten på redskap er inkludert, så vekten av redskapet må trekkes fra på løftekapasiteten for å beregne tilgjengelig kapasitet. Lasten fordeles jevnt på pallegaflene, med tyngdepunktet 500 mm fra gaffelryggen.
Maksimal løftehøyde Høyden på koblingsplatens rotasjonspunkt med forlenget lastearm.
Brytekraft / 50 cm Kraft under tilting bakover målt 500 mm fra rotasjonspunktet, maksimal verdi.
Skyvekraft Beregnet (c) skyvekraft for maskinen ved 100 % effektivitet og med de minste tilgjengelige hjuldimensjonene.
Kjørehastighet (maksimal) Maksimal kjørehastighet som kan oppnås, med største tilgjengelige dekkdiameter, på en rett overflate og med maskin uten redskap.
Ikke tilgjengelig Leveres ikke
Merk:
• Overskrid aldri maskinens oppgitte løftekapasitet eller hydrauliske kapasitet.
• Når du bruker redskap, gjør deg kjent med redskapets kapasitet og maskinens begrensninger. Maskinens spesifikasjoner kan finnes i bruksanvisningen.
• Dersom ikke annet er spesifisert, gjelder alle dimensjoner med standard dekk.
• Alle produktene presentert i denne håndboken er kanskje ikke tilgjengelige i alle markeder og i alle land. Ta kontakt med din lokale MultiOne-forhandler for tilgjengelighet.
• Tabell over kompatibilitet mellom redskap og lastermodellene er rådgivende. Rådfør deg med din lokale MultiOne-forhandler for å sikre deg om at redskapet er kompatibelt med din MultiOne minilaster.
6

































COMPLIANT WITH STAGE V AND TIER 4 FINAL EMISSION STANDARDS
Motor Yanmar L100 - 1 sylinder - 435cc
Utslippsstandarder Stage V og Nivå 4 Final
Effekt (ISO Gross) / Dreiemoment 8,9 kW - 12 HK / 21 Nm ved 3000 o/min
Drivstoff Diesel
Transmisjon Hydrostatisk
Kjørehastighet (maks.) 8 km/t
Oljemengde på eksterne uttak 19 l/min
Maks. løftehøyde 1,8 m
Tipplast, maksimal (1) 320 kg
Løftekapasitet rett, maksimal (2) 250 kg
Brytekraft / 50 cm 250 kg
Skyvekraft (c)
Gjennomsnittlig marktrykk (m/standard dekk)
Svingradius:
Vekt
kgf
Produktkode C926006
(1) Grense for tipping med motvekter og lastearmen løftet så vidt over bakken. Vekt av redskap er inkludert.
(2) Maksimal last som kan løftes rett opp fra bakken. Vekt av redskap er inkludert. Merk: Se i bruksanvisningen for det mer omfattende lastdiagrammet.















• YANMAR L100 motor, 1 sylinder, dieselmotor, 435 cc, luftkjølt med elektrisk start
• Motor tilfredsstiller Stage V og Nivå 4 Final
• Hydrostatisk drift på alle hjul med differensialsperre
• Variabel stempelpumpe
• 3 hydrauliske uttak
• Parallellført lasteaggregat
• Krysspak
• Ergonomisk sete med justeringsmuligheter
• Mekanisk parkeringsbrems
TILLEGGSUTSTYR
GPS sporing C883075
Plenhjul 18x9.50-8, sett med 3
C885023
















15 km/t 42 l/min


COMPLIANT WITH STAGE V AND EPA PHASE III EMISSION STANDARDS
Motor Kohler EFI ECV749 - 2 syl. - 747 cc
Utslippsstandarder Stage V og EPA/CARB fase III
Effekt (ISO Gross) / Dreiemoment
19,8 kW - 26,5 HK / 55,5 Nm ved 2600 o/min
Drivstoff Bensin
Transmisjon
Hydrostatisk
Kjørehastighet (maksimal) (1) 15 km/t
Oljemengde på eksterne uttak 42 l/min
Maks. løftehøyde 1,6 m
Tipplast, maksimal (2) 700 kg
Løftekapasitet rett maskin, maksimal (3) 560 kg
Brytekraft / 50 cm 840 kg
Skyvekraft (c) 770 kgf
Gjennomsnittlig marktrykk (m/standard dekk) 583 kg/m2
Svingradius: innside/utside 700/1698 mm
Standard dekk (med traktormønster) 20x8.00-10
Vekt 710 kg
Produktkode C951028
2.3 EFI Pack 1 (m/helt lukket førerhus med varmesystem)
C951029
(1) Maksimal kjørehastighet som kan oppnås, med største tilgjengelige dekkdiameter, på en rett overflate og med maskin uten redskap. (2) Grense for tipping når maskinen er rett, med motvekter og lastearmene løftet så vidt over bakken. Vekt av redskap er inkludert. (3) Maksimal last som kan løftes rett fra bakken når maskinen står rett og med motvekter. Vekt av redskap er inkludert.
Merk: Se i bruksanvisningen for det mer omfattende lastdiagrammet.















• Kohler Command Pro EFI ECV749, 2 sylindre, 747 cc. bensinmotor, luftkjølt, elektrisk start, med elektronisk drivstoffinnsprøytning (EFI)
• Motor tilfredsstiller Stage V og EPA/ CARB fase III
• Elektrohydraulisk DBS-system (Dynamic Block System)
• Hydraulikkoljekjøler
• Parallellført lastearm (H-ramme)
• Hydraulisk multitilkobling
• Krysspak
• Timeteller, drivstoffmåler, motor MIL
• 4WD hydrostatiske Direct Drivemotorer, proporsjonal servobetjening
• Hydraulisk pilotstyrt variabel fortrengning
• ROPS-FOPS Nivå I
• 2 arbeidslys foran
• Ergonomisk fullt justerbart, avfjæret og oppvarmet førersete, med armlener og sikkerhetsbelte
• Mekanisk parkeringsbrems
• Høyeffektive hjulmotorer















TILLEGGSUTSTYR
3 ekstra halogen arbeidslys C883064
3 ekstra LED arbeidslys C883018
Ryggealarm C883021
Roterende Varsellampe C883039
Førervern C880049
Sett med Flat face hydraulikkoblinger C880221
Helt lukket førerhus med varmesystem C885224
GPS-sporing
Interfacesett for Kohler Bluetooth-diagnose (kompatibel med Android- eller iOS -diagnoseprogrammer)
C883075
C883201
Bjelke på venstre side som beskytter føreren. C885027
Speil C880081
Bakvindu i polykarbonat (smart førerhus) C885239
Høyre vindu i polykarbonat (smart førerhus) C885238
Frontvindu i polykarbonat (smart førerhus) C885237
Motvekter 180 kg (90 kg + 90 kg)
Snøkjettinger for hjul 20x8.00-10, sett med 2
C880054
C880040
Surrebraketter på hjulnav, sett med 4 C883068
Kraftfordeler C883600
Traktordekk 23x8.50-12, sett med 4 C884005
Tilhengerkobling C885014
Plenhjul 20x8.00-10, sett med 4 C885211
Plenhjul 23x8.50-12, sett med 4
C884006
Varsel- og sikkerhetslys for kjøring på vei (med speil) C885240
Mellomringer 10 mm, sett med 4 (maks 2 per hjul) C880090
Mellomringer 55 mm, sett med 4 C885010
ACI-oppgradering C090027
































5.2

MAKS. LØFTEKAPASITET kg 890 kg
25 hk 18,5 kW KJØREHASTIGHET 14 km/t 42 l/min OLJEMENGDE LØFTEHØYDE 2,75 m



Modell 5.2 K iD
Motor Kubota D902, 3 syl. - 898 cc.
Utslippsstandarder Stage V
Effekt (ISO Gross) / Dreiemoment
18,5 kW - 25 HK / 55 Nm ved 2400 o/min
Drivstoff Diesel
Transmisjon
Hydrostatisk
Kjørehastighet (maksimal) (1) 14 km/t
Oljemengde på eksterne uttak 42 l/min
Maks. løftehøyde 2,75 m
Tipplast, maksimal (2) 1110 kg
Løftekapasitet rett maskin, maksimal (3) 890 kg
Brytekraft / 50 cm 800 kg
Skyvekraft (c) 900 kgf
Gjennomsnittlig marktrykk (m/standard dekk) 905 kg/m2
Svingradius: innside/utside 890/1890 mm
Standard dekk (med traktormønster) 23x8.50-12
Vekt 1020 kg
Produktkode C977020
(1) Maksimal kjørehastighet som kan oppnås, med største tilgjengelige dekkdiameter, på en rett overflate og med maskin uten redskap. (2) Grense for tipping når maskinen er rett, med motvekter og lastearmene løftet så vidt over bakken. Vekt av redskap er inkludert.
(3) Maksimal last som kan løftes rett fra bakken når maskinen står rett og med motvekter. Vekt av redskap er inkludert.
Merk: Se i bruksanvisningen for det mer omfattende lastdiagrammet.















• Kubota D902, 3 syl. - 898 cc dieselmotor, vannkjølt, elektrisk start, glødeplugg
• Motor tilfredsstiller Stage V
• Uknuselige karosserideksler
• Hydraulikkoljekjøler
• Hydraulisk pilotstyrt variabel fortrengning
• Hydraulisk multitilkobling
• Doble teleskopiske lastearmer (H-profil med parallellførte)
• Krysspak
• ROPS-FOPS Nivå I
• LCD grafisk display med programmert betjening
• 4WD hydrostatiske Direct Drivemotorer, proporsjonal servobetjening
• 2 arbeidslys foran
• Ergonomisk fullt justerbart, avfjæret og oppvarmet førersete, med armlener og sikkerhetsbelte
• Mekanisk parkeringsbrems
• Høyeffektive hjulmotorer
• Dynamisk Blokkering System (DBS)
















LØFTEHØYDE 2,75 m



5.3 K iD
Motor Kubota D1305, 3 syl. - 1261 cc.
Utslippsstandarder Stage V
Effekt (ISO Gross) / Dreiemoment 18.4 kW - 25 HK / 85 Nm ved 1700 o/min
Drivstoff Diesel
Transmisjon
Hydrostatisk
Kjørehastighet (maksimal) (1) 12,5 km/t
Oljemengde på eksterne uttak 60 l/min
Maks. løftehøyde 2,75 m
Tipplast, maksimal (2) 1290 kg
Løftekapasitet rett maskin, maksimal (3) 1030 kg
Brytekraft / 50 cm 800 kg
Skyvekraft (c) 900 kgf
Gjennomsnittlig marktrykk (m/standard dekk) 854 kg/m2
Svingradius: innside/utside 800/2000 mm
Standard dekk (med traktormønster) 23x10.50-12 ET-25
Vekt 1070 kg
Produktkode C977075
(1) Maksimal kjørehastighet som kan oppnås, med største tilgjengelige dekkdiameter, på en rett overflate og med maskin uten redskap. (2) Grense for tipping når maskinen er rett, med motvekter og lastearmene løftet så vidt over bakken. Vekt av redskap er inkludert. (3) Maksimal last som kan løftes rett fra bakken når maskinen står rett og med motvekter. Vekt av redskap er inkludert. Merk: Se i bruksanvisningen for det mer omfattende lastdiagrammet.















• Kubota D1305, 3 syl. - -1261 cc. dieselmotor, vannkjølt, elektrisk start, glødeplugg
• Motorer tilfredsstiller Stage V
• Hi-Flow system
• ACI med multifunksjonsspak (22 funksjoner)
• Uknuselige karosserideksler
• Teleskopiske, parallellførte lastarmer (dobbelt H-profil)
• Hydraulisk pilotstyrt variabel fortrengningspumpe
• Hydraulikkoljekjøler
• Hydraulisk multitilkobling
• ROPS-FOPS Nivå I
• LCD grafisk display med programmert betjening
• 4WD hydrostatiske Direct Drivemotorer, proporsjonal servobetjening
• 2 arbeidslys foran
• Ergonomisk fullt justerbart, avfjæret og oppvarmet førersete, med armlener og sikkerhetsbelte
• Mekanisk parkeringsbrems
• Dynamisk Blokkering System (DBS)
• Høyeffektive hjulmotorer















110 V motorvarmer (blokkvarmer)
220 V motorvarmer (blokkvarmer)
2” tilhengerfeste (ikke kompatibel med C883047)
C885255
C885250
C883062
3 ekstra halogen arbeidslys C883064
3 ekstra LED arbeidslys
Ekstra hydrauliske uttak foran (kun 5.3 K iD)
Bakmontert redskapsplate (ikke kompatibel med C883047)
Redskapsplate med automatisk hurtigkobling
Ryggealarm
Roterende Varsellampe
Førervern
Sett med Flat face hydraulikkoblinger
Flyteventil for lastearmer
Helt lukket førerhus med lydisolering
GPS-sporing
Varmeapparat
Bjelke på venstre side som beskytter føreren.
Speil
Multifunksjonsspak med ACI (kun 5.2 K iD)
Bakvindu i polykarbonat (smart førerhus)
Høyre vindu i polykarbonat (smart førerhus)
Frontvindu i polykarbonat (smart førerhus)
C883018
C883503
C880031
C880016
C883021
C883039
C880049
C880221
C885223
C883520
C883075
C883073
C885026
C880081
C883080
C883523
C883522
C883506
12v Uttak Bak C883022
Beskyttelsesbøyle Bak (ikke kompatibel med C883062 - C885014 - C880031)
Hydraulikkuttak bak - dobbelt
Hydraulikkuttak bak - enkelt
Vekter for sidemontering 80 kg (40 kg + 40 kg)
Motvekter 180 kg (90 kg + 90 kg)
Skid dekk 27x8.50-15, sett med 4
C883047
C883502
C883501
C883076
C880054
C884011















TILLEGGSUTSTYR
Snøkjettinger for hjul 23x10.50-12, sett med 2 C880046
Snøkjettinger for hjul 23x8.50-12, sett med 2
Snøkjettinger for hjul 26x12.00-12, sett med 2
Surrebraketter på hjulnav, sett med 4
Kraftfordeler
Traktordekk 23x10.50-12 ET-25, sett med 4
Traktordekk 23x8.50-12, sett med 4
C880041
C880042
C883068
C883600
Traktordekk 26x12.00-12 ET-50, sett med 4 C884009
Tilhengerkobling (ikke kompatibel med C883047)
Plenhjul 23x10.50-12 ET-25, sett med 4
Plenhjul 23x8.50-12, sett med 4
Plenhjul 26x12.00-12 ET-50, sett med 4
Varsel- og sikkerhetslys for kjøring på vei (med speil)
Mellomringer 10 mm, sett med 4 (maks 2 per hjul)
C885014
C884008
C884006
C884010
C883521
C880090
Mellomringer 55 mm, sett med 4 C885010
ACI oppgradering (kun 5.2 K iD) C090027
















25 hk 18,4 kW KJØREHASTIGHET 23 km/t 60 l/min OLJEMENGDE LØFTEHØYDE 2,92 m


COMPLIANT WITH STAGE V AND TIER 4 FINAL EMISSION STANDARDS
6.3 iDS
Motor Kohler KSD 1403 NA - 3 sylindre - 1391 cc.
Utslippsstandarder Stage V og Nivå 4 Final
Effekt (ISO Gross) / Dreiemoment 18,4 kW - 25 HK / 90 Nm ved 1800 o/min
Drivstoff Diesel
Transmisjon
Hydrostatisk
Kjørehastighet (maksimal) (1) 11,5 - 23 km/t
Oljemengde på eksterne uttak 60 l/min
Maks. løftehøyde 2,92 m
Tipplast, maksimal (2) 1400 kg
Løftekapasitet rett maskin, maksimal (3) 1120 kg
Brytekraft / 50 cm 1400 kg
Skyvekraft (c) 2050 kgf
Gjennomsnittlig marktrykk (m/standard dekk) 1073 kg/m2
Svingradius: innside/utside 905/2020 mm
Standard dekk (med traktormønster) 23X8.50-12
Vekt 1470 kg
Produktkode C961035
(1) Maksimal kjørehastighet som kan oppnås, med største tilgjengelige dekkdiameter, på en rett overflate og med maskin uten redskap.
(2) Grense for tipping når maskinen er rett, med motvekter og lastearmene løftet så vidt over bakken. Vekt av redskap er inkludert.
(3) Maksimal last som kan løftes rett fra bakken når maskinen står rett og med motvekter. Vekt av redskap er inkludert.
Merk: Se i bruksanvisningen for det mer omfattende lastdiagrammet.















• Kohler KSD 1403 NA, stor blokk, 3 sylindret, dieselmotor, elektronisk injeksjon, vannkjølt, elektrisk start, glødeplugg
• Motor tilfredsstiller Stage V og Nivå 4 Final
• Uknuselige karosserideksler
• Hi-Flow System
• Elektrohydraulisk DBS-system (Dynamic Block System)
• ACI med multifunksjonsspak (22 funksjoner)
• Hydraulisk pilotstyrt variabel fortrengningspumpe
• Teleskopiske, parallellførte lastarmer (dobbelt H-profil)
• 2 gir
• ETC - Electronic Throttle Control
• Selvlåsende flerplate parkeringsbrems
• Hydraulikkoljekjøler
• Hydraulisk multitilkobling
• Radialstempel høyeffektive og kraftige hjulmotorer
• 4WD hydrostatiske Direct Drivemotorer, proporsjonal servobetjening
• ROPS-FOPS Nivå I
• LCD grafisk display med programmert betjening
• 2 arbeidslys foran
• Ergonomisk fullt justerbart, avfjæret og oppvarmet førersete, med armlener og sikkerhetsbelte















TILLEGGSUTSTYR
110 V motorvarmer (blokkvarmer)
220 V motorvarmer (blokkvarmer)
2” tilhengerfeste (ikke kompatibel med C883047)
C885255
C885250
C883062
3 ekstra halogen arbeidslys C883064
3 ekstra LED arbeidslys
Ekstra hydrauliske uttak foran
Bakmontert redskapsplate (ikke kompatibel med C883047)
Redskapsplate med automatisk hurtigkobling
Ryggealarm
Roterende Varsellampe
Førervern
C883018
C883024
C880031
C880015
C883021
C883039
C880049
Sett med Flat face hydraulikkoblinger C880221
Flyteventil for lastearmer
Helt lukket førerhus med lydisolering
GPS-sporing
Varmeapparat
Bjelke på venstre side som beskytter føreren.
C883011
C883001
C883075
C883072
C883030
Speil C880081
Bakvindu i polykarbonat (smart førerhus)
Høyre vindu i polykarbonat (smart førerhus)
C883035
C883034
Frontvindu i polykarbonat (smart førerhus) C883000
12v Uttak Bak C883022
Beskyttelsesbøyle Bak (ikke kompatibel med C883062 - C885014 - C880031)
Hydraulikkuttak bak - dobbelt
Hydraulikkuttak bak - enkelt
Vekter for sidemontering 80 kg (40 kg + 40 kg)
Vekter for sidemontering 160 kg (2x40 kg + 2x40 kg)
Motvekter 180 kg (90 kg + 90 kg)
Skid dekk 27x10.50-15, sett med 4
C883047
C883014
C883013
C883078
C883079
C880054
C884012















TILLEGGSUTSTYR
Skid dekk 27x8.50-15, sett med 4 C884011
Snøkjettinger for hjul 23x10.50-12, sett med 2
Snøkjettinger for hjul 23x8.50-12, sett med 2
Snøkjettinger for hjul 26x12.00-12, sett med 2
Snøkjettinger for hjul 27x8.50-15, sett med 2
Surrebraketter på hjulnav, sett med 4
Kraftfordeler
C880046
C880041
C880042
C880045
Traktordekk 23x10.50-12 ET-25, sett med 4 C884007
Traktordekk 26x12.00-12 ET-50, sett med 4
Tilhengerkobling (ikke kompatibel med C883047)
Plenhjul 23x10.50-12 ET-25, sett med 4
Plenhjul 23x8.50-12, sett med 4
C884009
C885014
Plenhjul 26x12.00-12 ET-50, sett med 4 C884010
Varsel- og sikkerhetslys for kjøring på vei (med speil)
Mellomringer 10 mm, sett med 4 (maks 1 per hjul)
Mellomringer 55 mm, sett med 4
Samsvarssertifikat (EU Certificate of Conformity)
C883009
C880090
C885010
















Modell
LØFTEHØYDE 2,9 m


COMPLIANT WITH STAGE V AND TIER 4 FINAL EMISSION STANDARDS
7.2 K
Motor Kubota D1305 - 3 sylindre - 1261 cc.
Utslippsstandarder Stage V og Nivå 4 Final
Effekt (ISO Gross) / Dreiemoment 18,4 kW - 25 HK / 85 Nm ved 1700 o/min
Drivstoff Diesel
Transmisjon
Hydrostatisk
Kjørehastighet (maksimal) (1) 9 km/t
Oljemengde på eksterne uttak 40 l/min
Maks. løftehøyde 2,90 m
Tipplast, maksimal (2) 1725 kg
Løftekapasitet rett maskin, maksimal (3) 1380 kg
Brytekraft / 50 cm 1700 kg
Skyvekraft (c) 1690 kgf
Gjennomsnittlig marktrykk (m/standard dekk) 1099 kg/m2
Svingradius: innside/utside 825/2090 mm
Standard dekk (med traktormønster) 23X10.50-12 ET-25
Vekt 1590 kg
Produktkode C962025
(1) Maksimal kjørehastighet som kan oppnås, med største tilgjengelige dekkdiameter, på en rett overflate og med maskin uten redskap.
(2) Grense for tipping når maskinen er rett, med motvekter og lastearmene løftet så vidt over bakken. Vekt av redskap er inkludert. (3) Maksimal last som kan løftes rett fra bakken når maskinen står rett og med motvekter. Vekt av redskap er inkludert.
Merk: Se i bruksanvisningen for det mer omfattende lastdiagrammet.















• Kubota D1305 (25 hk), stor blokk,
3 sylindret, dieselmotor, vannkjølt, elektrisk start, glødeplugg
• Motor tilfredsstiller Stage V og Nivå
4 Final
• Uknuselige karosserideksler
• Elektrohydraulisk DBS-system (Dynamic Block System)
• Selvlåsende flerplate parkeringsbrems
• Integrerte motvekter bak
• Hydraulikkoljekjøler
• Hydraulisk pilotstyrt variabel fortrengningspumpe
• 2 arbeidslys foran
• Hydraulisk multitilkobling
• Teleskopiske, parallellførte lastarmer (dobbelt H-profil)
• 4WD hydrostatiske Direct Drivemotorer, proporsjonal servobetjening
• Krysspak
• ROPS-FOPS Nivå I
• LCD grafisk display med programmert betjening
• Ergonomisk fullt justerbart, avfjæret og oppvarmet førersete, med armlener og sikkerhetsbelte
• Radialstempel høyeffektive og kraftige hjulmotorer















TILLEGGSUTSTYR
110 V motorvarmer (blokkvarmer)
220 V motorvarmer (blokkvarmer)
2” tilhengerfeste (ikke kompatibel med C883036)
C885255
C885250
C883062
3 ekstra halogen arbeidslys C883064
3 ekstra LED arbeidslys
Bakmontert redskapsplate
Redskapsplate med automatisk hurtigkobling
Ryggealarm
Roterende Varsellampe
Førervern
C883018
C880031
C880015
C883021
C883039
C880049
Sett med Flat face hydraulikkoblinger C880221
Flyteventil for lastearmer C883011
Helt lukket førerhus med lydisolering C883001
GPS-sporing C883075
Varmeapparat
Bjelke på venstre side som beskytter føreren.
Speil
Multifunksjonsspak med ACI
Bakvindu i polykarbonat (smart førerhus)
C883072
C883030
C880081
C883080
C883035
Høyre vindu i polykarbonat (smart førerhus) C883034
Frontvindu i polykarbonat (smart førerhus) C883000
12v Uttak Bak C883022
Beskyttelsesbøyle bak med sideforlengelser (ikke kompatibel med C883062 - C885014) C883036
Hydraulikkuttak bak - dobbelt
Hydraulikkuttak bak - enkelt
C883014
C883013
Vekter for sidemontering 80 kg (40 kg + 40 kg) C883069
Vekter for sidemontering 160 kg (2x40 kg + 2x40 kg)
Motvekter 180 kg (90 kg + 90 kg)
Skid dekk 27x10.50-15, sett med 4
C883077
C880054
C884012















TILLEGGSUTSTYR
Skid dekk 27x8.50-15, sett med 4
Snøkjettinger for hjul 23x10.50-12, sett med 2 C880046
Snøkjettinger for hjul 23x8.50-12, sett med 2
Snøkjettinger for hjul 26x12.00-12, sett med 2
Snøkjettinger for hjul 27x8.50-15, sett med 2
Surrebraketter på hjulnav, sett med 4
Kraftfordeler
C880041
C880042
C880045
Traktordekk 23x8.50-12, sett med 4 C884005
Traktordekk 26x12.00-12 ET-50, sett med 4 C884009
Tilhengerkobling (ikke kompatibel med C883036) C885014
Plenhjul 23x10.50-12 ET-25, sett med 4 C884008
Plenhjul 23x8.50-12, sett med 4
Plenhjul 26x12.00-12 ET-50, sett med 4 C884010
Varsel- og sikkerhetslys for kjøring på vei (med speil) C883009
Mellomringer 10 mm, sett med 4 (maks 1 per hjul) C880090
Mellomringer 55 mm, sett med 4
ACI-oppgradering
Samsvarssertifikat (EU Certificate of Conformity)
C885010
C090027
















Modell


8.4 TurboS
Motor Rehlko / Kohler KSD 1403 TCA - 3 sylinder - 1391 cc
Utslippsstandarder Stage V - Nivå 4 Final
Effekt (ISO Gross) / Dreiemoment
18.4 kW - 25 HK / 120 Nm ved 1400 o/min
Drivstoff Diesel
Transmisjon Hydrostatisk OneDrive
Kjørehastighet (maksimal) (1) 12,5 - 25 km/t
Oljemengde på eksterne uttak 74 l/min
Maks. løftehøyde 2,98 m
Tipplast, maksimal (2) 1840 kg
Løftekapasitet rett maskin, maksimal (3) 1470 kg
Brytekraft / 50 cm 1700 kg
Skyvekraft (c) 2050 kgf
Gjennomsnittlig marktrykk (m/standard dekk) 1025 kg/m2
Svingradius: innside/utside 825/2090 mm
Standard dekk (med traktormønster) 26X12.00-12 ET-50
Vekt 1680 kg
Produktkode C963045
(1) Maksimal kjørehastighet som kan oppnås, med største tilgjengelige dekkdiameter, på en rett overflate og med maskin uten redskap. (2) Grense for tipping når maskinen er rett, med motvekter og lastearmene løftet så vidt over bakken. Vekt av redskap er inkludert.
(3) Maksimal last som kan løftes rett fra bakken når maskinen står rett og med motvekter. Vekt av redskap er inkludert.
Merk: Se i bruksanvisningen for det mer omfattende lastdiagrammet.















• Rehlko / Kohler KSD1403 TCA, 3 sylindre,1391 cc., turbo dieselmotor, vannkjølt, elektrisk start
• Motor tilfredsstiller Stage V og Nivå 4 Final
• OneDrive system: DBS (Dynamic Block System), cruisekontroll og Kraftfordeler aktivert med multifunksjonsspak
• ETC - Elektronisk gass kontroll
• ACI med multifunksjonsspak (22 funksjoner)
• Uknuselige karosserideksler
• 2 gir
• Hydraulisk pilotstyrt variabel fortrengningspumpe
• Selvlåsende flerplate parkeringsbrems
• Hi-Flow System
• Integrerte motvekter bak
• Teleskopiske, parallellførte lastarmer (dobbelt H-profil)
• Radialstempel høyeffektive og kraftige hjulmotorer
• 4WD hydrostatiske Direct Drivemotorer, proporsjonal servobetjening
• Hydraulikkoljekjøler
• Hydraulisk multitilkobling
• ROPS-FOPS Nivå I
• LCD grafisk display med programmert betjening
• 2 arbeidslys foran
• Ergonomisk fullt justerbart, avfjæret og oppvarmet førersete, med armlener og sikkerhetsbelte
















Modell


Motor Kohler KDI 1903 - 3 sylindre 1861 cc - Turbo common rail
Utslippsstandarder Stage V
Effekt (ISO Gross) / Dreiemoment 42 kW - 57 HK / 225 Nm ved 1500 o/min
Drivstoff Diesel
Transmisjon
Hydrostatisk OneDrive
Kjørehastighet (maksimal) (1) 13 - 26 km/t
Oljemengde på eksterne uttak 83 l/min
Maks. løftehøyde 3,2 m
Tipplast, maksimal (2) 2050 kg
Løftekapasitet rett maskin, maksimal (3) 1640 kg
Brytekraft / 50 cm 1700 kg
Skyvekraft (c) 2190 kgf
Gjennomsnittlig marktrykk (m/standard dekk) 890 kg/m2
Svingradius: innside/utside 820/2295 mm
Standard dekk (med traktormønster) 400/50-15 (31x15.50-15) ET-100
Vekt 1790 kg
Produktkode C964008
(1) Maksimal kjørehastighet som kan oppnås, med største tilgjengelige dekkdiameter, på en rett overflate og med maskin uten redskap. (2) Grense for tipping når maskinen er rett, med motvekter og lastearmene løftet så vidt over bakken. Vekt av redskap er inkludert. (3) Maksimal last som kan løftes rett fra bakken når maskinen står rett og med motvekter. Vekt av redskap er inkludert.
Merk: Se i bruksanvisningen for det mer omfattende lastdiagrammet.















• Kohler KDI1903TCR, 3 syl., Turbo common rail dieselmotor, 1861 cc, vannkjølt med elektrisk start
• Stage V
• DPF
• OneDrive system: DBS (Dynamic Block System), cruisekontroll og Kraftfordeler aktivert med multifunksjonsspak
• ETC - Elektronisk gass kontroll
• ACI med multifunksjonsspak (22 funksjoner)
• Uknuselige karosserideksler
• 2 gir
• Hydraulisk pilotstyrt variabel fortrengningspumpe
• Hi-Flow System
• Selvlåsende flerplate parkeringsbrems
• Teleskopiske, parallellførte lastarmer (dobbelt H-profil)
• Radialstempel høyeffektive og kraftige hjulmotorer
• 4WD hydrostatiske Direct Drivemotorer, proporsjonal servobetjening
• Hydraulikkoljekjøler
• Hydraulisk multitilkobling
• ROPS-FOPS Nivå I
• LCD grafisk display med programmert betjening
• 2 arbeidslys foran
• Ergonomisk fullt justerbart, avfjæret og oppvarmet førersete, med armlener og sikkerhetsbelte















110 V motorvarmer (blokkvarmer)
220 V motorvarmer (blokkvarmer)
2” tilhengerfeste (ikke kompatibel med C883036 - C883066) C883062
3 ekstra halogen arbeidslys
3 ekstra LED arbeidslys
A/C-system med varmeapparat for helt lukket førerhus - for 8.5SK-modeller (C883001 påkrevd - ikke ettermarked)
C883064
C883018
A/C-system med varmeapparat for helt lukket førerhus - for 8.4 TurboS-modeller (C883001 påkrevd - ikke ettermarked) C883815
Ekstra hydrauliske uttak foran
C883024
Bakmontert redskapsplate (ikke kompatibel med C883036 - C883066) C880031
Redskapsplate med automatisk hurtigkobling
Ryggealarm
Roterende Varsellampe
Førervern C880049
Sett med Flat face hydraulikkoblinger C880221
Flyteventil for lastearmer
Helt lukket førerhus med lydisolering
Varmeapparat for 8.4 TurboS C883072
Varmeapparat for 8.5S K C883074
Bjelke på venstre side som beskytter føreren. C883030
Speil C880081
Bakvindu i polykarbonat (smart førerhus) C883035
Høyre vindu i polykarbonat (smart førerhus) C883034
Frontvindu i polykarbonat (smart førerhus) C883000
12v Uttak Bak for 8.4 TurboS C883022
12v Uttak Bak for 8.5S K C883023
Beskyttelsesbøyle bak med sideforlengelser for 8.4 TurboS (ikke kompatibel med C883062C885014 - C880031) C883036
Beskyttelsesbøyle bak med sideforlengelser for 8.5S K (ikke kompatibel med C883062C885014 - C880031)
Hydraulikkuttak bak - dobbelt for 8.4 TurboS
C883066
C883014















Hydraulikkuttak bak - dobbelt for 8.5S K
Hydraulikkuttak bak - enkelt for 8.4 TurboS
Hydraulikkuttak bak - enkelt for 8.5S K
Vekter for sidemontering 80 kg (40 kg + 40 kg)
Vekter for sidemontering 160 kg (2x40 kg + 2x40 kg)
Motvekter 180 kg (90 kg + 90 kg)
Skid dekk 27x10.50-15, sett med 4 for 8.4 TurboS
Skid dekk 27x8.50-15, sett med 4 for 8.4 TurboS
Snøkjettinger for hjul 23x10.50-12, sett med 2
Snøkjettinger for hjul 23x8.50-12, sett med 2
Snøkjettinger
Snøkjettinger for hjul 27x8.50-15, sett med 2
Surrebraketter på hjulnav, sett med 4
Traktordekk 23x10.50-12 ET-25, sett med 4 for 8.4 TurboS
23x8.50-12, sett med 4 for 8.4 TurboS
Traktordekk 26x12.00-12 ET-50, sett med 4 for 8.4 TurboS
Tilhengerkobling (ikke kompatibel med C883036 - C883066)
Plenhjul 23x10.50-12 ET-25, sett med 4 for 8.4 TurboS
Plenhjul 23x8.50-12, sett med 4 for 8.4 TurboS
Plenhjul 26x12.00-12 ET-50, sett med 4 for 8.4 TurboS C884010
Plenhjul 400/50-15 (31x15.50-15 ET-100), sett med 4 for 8.5S K C884014
Varsel- og sikkerhetslys for kjøring på vei (med speil) C883009
Mellomringer 10 mm, sett med 4 (maks 1 per hjul) (ikke for 400/50-15 ET-100) C880090
Mellomringer 55 mm, sett med 4 (ikke for 400/50-15 ET-100) C885010
Samsvarssertifikat (EU Certificate of Conformity)
















Motor Rehlko / Kohler KDI 1903 - 3 sylindre 1861 cc - Turbo common rail
Utslippsstandarder Stage V
Effekt (ISO Gross) / Dreiemoment 42 kW - 57 HK / 225 Nm ved 1500 o/min
Drivstoff Diesel
Transmisjon Hydrostatisk OneDrive
Kjørehastighet (maksimal) - 2 gir (1) 15-30 km/t
Oljemengde på eksterne uttak 83 l/min
Maks. løftehøyde 3,7 m
Tipplast, maksimal (2) 3180 kg
Løftekapasitet rett maskin, maksimal (3) 2540 kg
Brytekraft / 50 cm 3000 kg
Skyvekraft (c) 3250 kgf
Gjennomsnittlig marktrykk (m/standard dekk) 932 kg/m2
Svingradius: innside/utside 1135/2635 mm
Standard dekk (med traktormønster) 380/55-17
Vekt 2320 kg
Produktkode C968120
(1) Maksimal kjørehastighet som kan oppnås, med største tilgjengelige dekkdiameter, på en rett overflate og med maskin uten redskap.
(2) Grense for tipping når maskinen er rett, med motvekter og lastearmene løftet så vidt over bakken. Vekt av redskap er inkludert.
(3) Maksimal last som kan løftes rett fra bakken når maskinen står rett og med motvekter. Vekt av redskap er inkludert.
Merk: Se i bruksanvisningen for det mer omfattende lastdiagrammet.















• Kohler KDI1903TCR, 3 syl., Turbo common rail, 1861 cc, dieselmotor, vannkjølt med elektrisk start
• Stage V
• OneDrive system: DBS (Dynamic Block System), cruisekontroll og Kraftfordeler aktivert med multifunksjonsspak
• ETC - Elektronisk gass kontroll
• ACI med multifunksjonsspak (22 funksjoner)
• Uknuselige karosserideksler
• 2 gir
• Hydraulisk pilotstyrt variabel fortrengningspumpe
• Hi-Flow System
• Selvlåsende flerplate parkeringsbrems
• Teleskopiske, parallellførte lastarmer (dobbelt H-profil)
• Radialstempel høyeffektive og kraftige hjulmotorer
• 4WD hydrostatiske Direct Drivemotorer, proporsjonal servobetjening
• Hydraulikkoljekjøler
• Hydraulisk multitilkobling
• ROPS-FOPS Nivå I
• LCD grafisk display med programmert betjening
• 2 arbeidslys foran
• Ergonomisk fullt justerbart, avfjæret og oppvarmet førersete, med armlener og sikkerhetsbelte



















Motor
Rehlko / Kohler KDI 2504 - 4 sylindre 2482 cc - Turbo common rail
Utslippsstandarder Stage V
Effekt (ISO Gross) / Dreiemoment 55,4 kW - 75 HK / 300 Nm ved 1500 o/min
Drivstoff Diesel
Transmisjon
Hydrostatisk OneDrive
Kjørehastighet (maksimal) - 2 gir (1) 15 - 30 km/h
Oljemengde på eksterne uttak 95 l/min
Maks. løftehøyde 3,7 m
Tipplast, maksimal (2) 3280 kg
Løftekapasitet rett maskin, maksimal (3) 2620 kg
Brytekraft / 50 cm 3150 kg
Skyvekraft (c) 3250 kgf
Gjennomsnittlig marktrykk (m/standard dekk) 964 kg/m2
Svingradius: innside/utside 1135/2635 mm
Standard dekk (med traktormønster) 380/55-17
Vekt 2400 kg
Produktkode C968220
(1) Maksimal kjørehastighet som kan oppnås, med største tilgjengelige dekkdiameter, på en rett overflate og med maskin uten redskap.
(2) Grense for tipping når maskinen er rett, med motvekter og lastearmene løftet så vidt over bakken. Vekt av redskap er inkludert.
(3) Maksimal last som kan løftes rett fra bakken når maskinen står rett og med motvekter. Vekt av redskap er inkludert.
Merk: Se i bruksanvisningen for det mer omfattende lastdiagrammet.















• Kohler KDI2504, 4 syl., Turbo common rail, 2482 cc, dieselmotor, vannkjølt med elektrisk start
• Stage V
• OneDrive system: DBS (Dynamic Block System), cruisekontroll og Kraftfordeler aktivert med multifunksjonsspak
• ETC - Elektronisk gass kontroll
• ACI med multifunksjonsspak (22 funksjoner)
• Uknuselige karosserideksler
• 2 gir
• Hydraulisk pilotstyrt variabel fortrengningspumpe
• Hi-Flow System
• Selvlåsende flerplate parkeringsbrems
• Teleskopiske, parallellførte lastarmer (dobbelt H-profil)
• Radialstempel høyeffektive og kraftige hjulmotorer
• 4WD hydrostatiske Direct Drivemotorer, proporsjonal servobetjening
• Hydraulikkoljekjøler
• Hydraulisk multitilkobling
• ROPS-FOPS Nivå I
• LCD grafisk display med programmert betjening
• 2 arbeidslys foran
• Ergonomisk fullt justerbart, avfjæret og oppvarmet førersete, med armlener og sikkerhetsbelte















V motorvarmer (blokkvarmer)
V motorvarmer (blokkvarmer)
2” tilhengerfeste (ikke kompatibel med C883037)
3 ekstra halogen arbeidslys
3 ekstra LED arbeidslys
A/C-system med varmeapparat for helt lukket førerhus (C883001 påkrevd - ikke ettermarked)
(ikke kompatibel med C883037)















TILLEGGSUTSTYR
Motvekter 180 kg (90 kg + 90 kg)
Gummibelter for 11-serien (settet veier 750 kg og øker høyden på maskinen med 1,5 cm)
Schneeketten für 400/50-15 (31x15.50-15) Bereifung, 2 Stück im Set
Schneeketten für 380/55-17 Bereifung, 2 Stück im Set
Surrebraketter på hjulnav, sett med 4
Traktordekk 400/50-15 (31x15.50-15), sett med 4
Tilhengerkobling (ikke kompatibel med C883037)
Plenhjul 400/50-15 (31x15.50-15), sett med 4
Plenhjul 380/55-17, sett med 4
Varsel- og sikkerhetslys for kjøring på vei (med speil)
Mellomringer 10 mm, sett med 4 (maks 1 per hjul)
Mellomringer 55 mm, sett med 4
Samsvarssertifikat (EU Certificate of Conformity)
















Modell
EZ 5
Transmisjon Hydrostatisk
Kjørehastighet (maksimal) (1) 12 km/t
Oljemengde på eksterne uttak 35 l/min
Maks. løftehøyde 2,75 m
Tipplast, maks. (2) 1110 kg
Løftekapasitet rett maskin, maks. (3) 890 kg
Brytekraft / 50 cm 800 kg
Skyvekraft (c) 900 kgf
Gjennomsnittlig marktrykk (m/standard dekk) 814 kg/m2
Svingradius: innside/utside 800/2000 mm
Standard dekk (med traktormønster) 23X10.50-12 ET-25
Vekt 1020 kg
Produktkode (Standard)
EZ5 Pack 1 (ACI med multifunksjonsspak)
C977060
C977061





HURTIG LADING Avgasser NULL
Batteritype LiFeP04
Driftstid (4)
(4)
2 h Elektriske motorer 2
Ladesystem Integrert lader
Type lader Forseglet enfase
Inngangs-spenning for lader 110 - 230 ± 10% VAC
Inngangs-frekvens for lader 50 ÷ 60 Hz
Lader opptatt strøm Maks 14 A
Ladestrøm (230 VAC) Maks 60 A
Ladestrøm (120 VAC) Maks 30 A
Type ladeplugg CEE
Laderbeskyttelse Kortslutning på utgang Omvendt polaritet
(1) Maksimal kjørehastighet som kan oppnås, med største tilgjengelige dekkdiameter, på en rett overflate og med maskin uten redskap.
(2) Grense for tipping når maskinen er rett, med motvekter og lastearmene løftet så vidt over bakken. Vekt av redskap er inkludert.
(3) Maksimal last som kan løftes rett fra bakken når maskinen står rett og med motvekter. Vekt av redskap er inkludert.
(4) Driftstiden for maskin varierer sterkt avhengig av hvilken type arbeid den utfører. Ingen hydrauliske redskaper brukt.
Merk: Se i bruksanvisningen for det mer omfattende lastdiagrammet.















• To motors enkle endekretser
• Li-Ion batteri
• Integrert smart batterilader
• Fjernovervåkingssystem
• Ekstern hurtigladestasjon tilgjengelig
• Null utslipp
• Stillegående
• Gjenvinningssystem for bremseenergi
• 4WD hydrostatiske Direct Drivemotorer
• Elektrohydraulisk DBS-system (Dynamic Block System)
• Teleskopiske, parallellførte lastarmer (dobbelt H-profil)
• Uknuselige karosserideksler
• ACI med multifunksjonsspak (22 funksjoner) (med Pack 1)
• Krysspak
• Selvlåsende parkeringsbrems
• LCD grafisk display med programmert betjening
• 2 LED arbeidslys foran
• Ergonomisk, fullt justerbart fjæret førersete, med armlener og sikkerhetsbelte
• Radialstempel høyeffektive og kraftige hjulmotorer
• Hydraulisk multitilkobling
• ROPS-FOPS Nivå I
















Modell EZ 5 Long Range
Transmisjon Hydrostatisk
Kjørehastighet (maksimal) (1) 12 km/t
Oljemengde på eksterne uttak 35 l/min
Maks. løftehøyde 2,75 m
Tipplast, maks. (2) 1110 kg
Løftekapasitet rett maskin, maks. (3) 890 kg
Brytekraft / 50 cm 800 kg
Skyvekraft (c) 900 kgf
Gjennomsnittlig marktrykk (m/standard dekk) 814 kg/m2
Svingradius: innside/utside 800/2000 mm
Standard dekk (med traktormønster) 23X10.50-12 ET-25
Vekt 1020 kg
Produktkode (Standard) C977062
EZ5 Long Range Pack 1 (ACI med multifunksjonsspak)





Elektrisk system og batteri
Batteritype
(4)
(4)
Ladesystem Integrert lader
Type lader Forseglet enfase
Inngangs-spenning for lader 110 - 230 ± 10% VAC
Inngangs-frekvens for lader 50 ÷ 60 Hz
Lader opptatt strøm Maks 14 A
Ladestrøm (230 VAC) Maks 60 A
Ladestrøm (120 VAC) Maks 30 A
Type ladeplugg CEE 2P+T
Laderbeskyttelse Kortslutning på utgang Omvendt polaritet
(1) Maksimal kjørehastighet som kan oppnås, med største tilgjengelige dekkdiameter, på en rett overflate og med maskin uten redskap.
(2) Grense for tipping når maskinen er rett, med motvekter og lastearmene løftet så vidt over bakken. Vekt av redskap er inkludert.
(3) Maksimal last som kan løftes rett fra bakken når maskinen står rett og med motvekter. Vekt av redskap er inkludert.
(4) Driftstiden for maskin varierer sterkt avhengig av hvilken type arbeid den utfører. Ingen hydrauliske redskaper brukt.
Merk: Se i bruksanvisningen for det mer omfattende lastdiagrammet.















• To motors enkle endekretser
• Li-Ion batteri
• Integrert smart batterilader
• Fjernovervåkingssystem
• Ekstern hurtigladestasjon tilgjengelig
• Null utslipp
• Stillegående
• Gjenvinningssystem for bremseenergi
• 4WD hydrostatiske Direct Drivemotorer
• Elektrohydraulisk DBS-system (Dynamic Block System)
• Teleskopiske, parallellførte lastarmer (dobbelt H-profil)
• Uknuselige karosserideksler
• ACI med multifunksjonsspak (22 funksjoner) (med Pack 1)
• Krysspak
• Selvlåsende parkeringsbrems
• LCD grafisk display med programmert betjening
• 2 LED arbeidslys foran
• Ergonomisk, fullt justerbart fjæret førersete, med armlener og sikkerhetsbelte
• Radialstempel høyeffektive og kraftige hjulmotorer
• Hydraulisk multitilkobling
• ROPS-FOPS Nivå I















TILLEGGSUTSTYR Kode
2” tilhengerfeste (ikke kompatibel med C883047)
Redskapsplate med automatisk kobling C880016
Bakmontert redskapsplate (ikke kompatibel med C883047
Roterende Varsellampe C883039
Førervern C880049
Hurtigladestasjon 95A
Hurtigladestasjon 160A
Sett med Flat face hydraulikkoblinger
Flyteventil for lastearmer
GPS-sporing
Bjelke på venstre side som beskytter føreren.
Speil C880081
Bakvindu i polykarbonat (smart førerhus) C883508
Høyre vindu i polykarbonat (smart førerhus) C883507
Frontvindu i polykarbonat (smart førerhus) C883506
Beskyttelsesbøyle bak (ikke kompatibel med C883062 - C885014 - C880031) C883047
Vekter for sidemontering 80 kg (40 kg + 40 kg) C883076
Motvekter 180 kg (90 kg + 90 kg) C880054
Skid dekk 27x8.50-15, sett med 4 C884011
Snøkjettinger for hjul 23x10.50-12, sett med 2 C880046
Snøkjettinger for hjul 23x8.50-12, sett med 2
C880041
Snøkjettinger for hjul 26x12.00-12, sett med 2 C880042
Surrebraketter på hjulnav, sett med 4 C883068
Kraftfordeler C883600
Traktordekk 23x10.50-12 ET-25, sett med 4 C884007















TILLEGGSUTSTYR
Traktordekk 23x8.50-12, sett med 4
Traktordekk 26x12.00-12 ET-50, sett med 4
Tilhengerkobling (ikke kompatibel med C883047)
Plenhjul 23x10.50-12 ET-25, sett med 4
Plenhjul 23x8.50-12, sett med 4
Plenhjul 26x12.00-12 ET-50, sett med 4
C884005
C884009
C885014
C884008
Mellomringer 10 mm, sett med 4 (maks 2 per hjul) C880090
Mellomringer 55 mm, sett med 4 (maks 1 per hjul)
ACI-oppgradering C090027
Varsel- og sikkerhetslys for kjøring på vei (med speil)
C883513
















Modell EZ 7
Transmisjon Hydrostatisk
Kjørehastighet (maksimal) (1) 12 km/t
Oljemengde på eksterne uttak 35 l/min
Maks. løftehøyde 2,98 m
Tipplast, maks. (2) 2070 kg
Løftekapasitet rett maskin, maks. (3) 1650 kg
Brytekraft / 50 cm 1700 kg
Skyvekraft (c) 2050 kgf
Gjennomsnittlig marktrykk (m/standard dekk) 1135 kg/m2
Svingradius: innside/utside 825/2090 mm
Standard dekk (med traktormønster) 26X12.00-12 ET-50
Vekt 1860 kg
Produktkode C962021
EZ7 Pack 1 (ACI med multifunksjonsspak) C962022





Batteritype
Driftstid (4) ECO-modus 3 h Driftstid (4) POWER-modus
Ladesystem Integrert lader
Type lader Forseglet enfase
Inngangs-spenning for lader 110 - 230 ± 10% VAC
Inngangs-frekvens for lader 50 ÷ 60 Hz
Lader opptatt strøm Maks 14 A
Ladestrøm (230 VAC) Maks 60 A
Ladestrøm (120 VAC) Maks 30 A
Type ladeplugg CEE 2P+T
Laderbeskyttelse Kortslutning på utgang Omvendt polaritet
(1) Maksimal kjørehastighet som kan oppnås, med største tilgjengelige dekkdiameter, på en rett overflate og med maskin uten redskap.
(2) Grense for tipping når maskinen er rett, med motvekter og lastearmene løftet så vidt over bakken. Vekt av redskap er inkludert.
(3) Maksimal last som kan løftes rett fra bakken når maskinen står rett og med motvekter. Vekt av redskap er inkludert.
(4) Driftstiden for maskin varierer sterkt avhengig av hvilken type arbeid den utfører. Ingen hydrauliske redskaper brukt. Merk: Se i bruksanvisningen for det mer omfattende lastdiagrammet.















• To motors enkle endekretser
• Blybatteri
• Integrert smart batterilader
• Null utslipp
• Stillegående
• Gjenvinningssystem for bremseenergi
• 4WD hydrostatiske Direct Drivemotorer
• Elektrohydraulisk DBS-system (Dynamic Block System)
• Teleskopiske, parallellførte lastarmer (dobbelt H-profil)
• Krysspak
• ACI med multifunksjonsspak (22 funksjoner) (med Pack 1)
• Selvlåsende flerplate parkeringsbrems
• LCD grafisk display med programmert betjening
• 2 LED arbeidslys foran
• Ergonomisk, fullt justerbart fjæret førersete, med armlener og sikkerhetsbelte
• Radialstempel høyeffektive og kraftige hjulmotorer
• Hydraulisk multitilkobling
• ROPS-FOPS Nivå I
• Uknuselige karosserideksler
















Modell EZ 8
Transmisjon Hydrostatisk
Kjørehastighet (maksimal) (1) 12 km/t
Oljemengde på eksterne uttak 35 l/min
Maks. løftehøyde 2,98 m
Tipplast, maks. (2) 1780 kg
Løftekapasitet rett maskin, maks. (3) 1420 kg
Brytekraft / 50 cm 1700 kg
Skyvekraft (c) 2050 kgf
Gjennomsnittlig marktrykk (m/standard dekk) 958 kg/m2
Svingradius: innside/utside 825/2090 mm
Standard dekk (med traktormønster) 26X12.00-12 ET-50
Vekt 1570 kg
Produktkode C963021
EZ8 Pack 1 (ACI med multifunksjonsspak) C963022





HURTIG LADING Avgasser NULL
Batteritype
Batterikapasitet
Driftstid (4)
ECO-modus 4,5 h
Driftstid (4) POWER-modus 3 h
Elektriske motorer 2
Ladesystem Integrert lader
Type lader Forseglet enfase
Inngangs-spenning for lader 110 - 230 ± 10% VAC
Inngangs-frekvens for lader 50 ÷ 60 Hz
Lader opptatt strøm Maks 14 A
Ladestrøm (230 VAC) Maks 60 A
Ladestrøm (120 VAC) Maks 30 A
Type ladeplugg CEE 2P+T
Laderbeskyttelse Kortslutning på utgang Omvendt polaritet
(1) Maksimal kjørehastighet som kan oppnås, med største tilgjengelige dekkdiameter, på en rett overflate og med maskin uten redskap.
(2) Grense for tipping når maskinen er rett, med motvekter og lastearmene løftet så vidt over bakken. Vekt av redskap er inkludert.
(3) Maksimal last som kan løftes rett fra bakken når maskinen står rett og med motvekter. Vekt av redskap er inkludert.
(4) Driftstiden for maskin varierer sterkt avhengig av hvilken type arbeid den utfører. Ingen hydrauliske redskaper brukt. Merk: Se i bruksanvisningen for det mer omfattende lastdiagrammet.















• To motors enkle endekretser
• Li-Ion batteri
• Integrert smart batterilader
• Fjernovervåkingssystem
• Ekstern hurtigladestasjon tilgjengelig
• Null utslipp
• Stillegående
• Gjenvinningssystem for bremseenergi
• 4WD hydrostatiske Direct Drivemotorer
• Elektrohydraulisk DBS-system (Dynamic Block System)
• Teleskopiske, parallellførte lastarmer (dobbelt H-profil)
• ACI med multifunksjonsspak (22 funksjoner) (med Pack 1)
• Krysspak
• Selvlåsende flerplate parkeringsbrems
• LCD grafisk display med programmert betjening
• 2 LED arbeidslys foran
• Ergonomisk, fullt justerbart fjæret førersete, med armlener og sikkerhetsbelte
• Radialstempel høyeffektive og kraftige hjulmotorer
• Hydraulisk multitilkobling
• ROPS-FOPS Nivå I
• Uknuselige karosserideksler
















Modell EZ 8 Long Range
Transmisjon Hydrostatisk
Kjørehastighet (maksimal) (1) 12 km/t
Oljemengde på eksterne uttak 35 l/min
Maks. løftehøyde 2,98 m
Tipplast, maks. (2) 1780 kg
Løftekapasitet rett maskin, maks. (3) 1420 kg
Brytekraft / 50 cm 1700 kg
Skyvekraft (c) 2050 kgf
Gjennomsnittlig marktrykk (m/standard dekk) 958 kg/m2
Svingradius: innside/utside 825/2090 mm
Standard dekk (med traktormønster) 26X12.00-12 ET-50
Vekt 1570 kg
Produktkode C963023
EZ8 Long Range Pack 1
(ACI med multifunksjonsspak) C963024





HURTIG LADING Avgasser NULL
Batteritype
Driftstid (4) ECO-modus 6
(4)
Elektriske motorer 2
Ladesystem Integrert lader
Type lader Forseglet enfase
Inngangs-spenning for lader 110 - 230 ± 10% VAC
Inngangs-frekvens for lader 50 ÷ 60 Hz
Lader opptatt strøm Maks 14 A
Ladestrøm (230 VAC) Maks 60 A
Ladestrøm (120 VAC) Maks 30 A
Type ladeplugg CEE 2P+T
Laderbeskyttelse Kortslutning på utgang Omvendt polaritet
(1) Maksimal kjørehastighet som kan oppnås, med største tilgjengelige dekkdiameter, på en rett overflate og med maskin uten redskap.
(2) Grense for tipping når maskinen er rett, med motvekter og lastearmene løftet så vidt over bakken. Vekt av redskap er inkludert.
(3) Maksimal last som kan løftes rett fra bakken når maskinen står rett og med motvekter. Vekt av redskap er inkludert.
(4) Driftstiden for maskin varierer sterkt avhengig av hvilken type arbeid den utfører. Ingen hydrauliske redskaper brukt.
Merk: Se i bruksanvisningen for det mer omfattende lastdiagrammet.















• To motors enkle endekretser
• Li-Ion batteri
• Integrert smart batterilader
• Fjernovervåkingssystem
• Ekstern hurtigladestasjon tilgjengelig
• Null utslipp
• Stillegående
• Gjenvinningssystem for bremseenergi
• 4WD hydrostatiske Direct Drivemotorer
• Elektrohydraulisk DBS-system (Dynamic Block System)
• Teleskopiske, parallellførte lastarmer (dobbelt H-profil)
• ACI med multifunksjonsspak (22 funksjoner) (med Pack 1)
• Krysspak
• Selvlåsende flerplate parkeringsbrems
• LCD grafisk display med programmert betjening
• 2 LED arbeidslys foran
• Ergonomisk, fullt justerbart fjæret førersete, med armlener og sikkerhetsbelte
• Radialstempel høyeffektive og kraftige hjulmotorer
• Hydraulisk multitilkobling
• ROPS-FOPS Nivå I
• Uknuselige karosserideksler















HURTIGLADING
BATTERI PLEIE
HØY EFFEKTIVITET SPAR ENERGI
FLEKSIBILITET

• Passer for EZ 5 og EZ 8
• Hurtiglading. 1 times lading
- EZ 5 - 60% lading (med 95A hurtigladestasjon)
(mm2)
- EZ 8 - 50% 50% lading (med 160A hurtigladestasjon)
• CAN-bus kommunikasjon for litium vil sikre effektiv og rask lading
• Maks effektivitet: 93%
• LCD-skjerm
• Tvunget luftkjøling
• MultiOne redskapsfeste















2” tilhengerfeste (ikke kompatibel med C883036)
med automatisk kobling
Bakmontert redskapsplate (ikke kompatibel med C883036)
(kun EZ8)
på venstre side som beskytter føreren.
bak med sideforlengelser (ikke kompatibel med C883062 - C885014C880031)















TILLEGGSUTSTYR Kode
Traktordekk 23x8.50-12, sett med 4
Tilhengerkobling (ikke kompatibel med C883036)
Plenhjul 23x10.50-12 ET-25, sett med 4
Plenhjul 23x8.50-12, sett med 4
Plenhjul 26x12.00-12 ET-50, sett med 4
Mellomringer 10 mm, sett med 4 (maks 1 per hjul)
Mellomringer 55 mm, sett med 4
ACI-oppgradering
Varsel- og sikkerhetslys for kjøring på vei (med speil)
C884005
C885014
C884008
C884006
C884010
C880090
C885010
C090027
C883814






































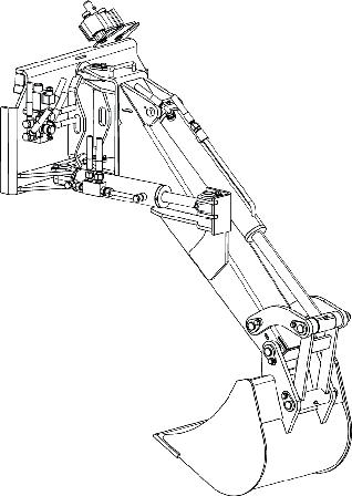
Teleskopisk lastearm med dobbel H-ramme for ekstra styrke. Den tillater betydelig lastehøyde, og sikrer god sikt over lasten til enhver tid.
Dette er ideelt utstyr for å løfte tunge laster trygt. Systemet er montert på maskinens lastearmer og holder lasten plant, uten at det er nødvendig med kontinuerlig korrigering av posisjonen med multifunksjonsspaken.
Den lar påmontert redskap følge bakkens konturer perfekt. Ideell for bruk innen landbruk og vedlikehold av grøntområder. Merk: Parallellføringen deaktiveres når flytefunksjonen er aktivert.
Med værbestandig blåtonet glass, er den optimale løsningen for å beskytte føreren mot kulde, regn, vind og vinter. Den store døren gir enkel tilkomst, mens sideglasset er hengslet og kan åpnes for ventilasjon. Vindusvisker er standardutstyr. Varmeapparat anbefales (leveres som standard på førerhus i 2 serier).
Den mest konkurransedyktige løsningen for førere som ønsker å forbedre arbeidsforholdene takket være et lyst førerhus som begrenser behag som følge av været.


















Varmeapparat med justerbar luftstrøm og temperatur.
Ergonomisk oppvarmet førersete med armlener, sikkerhetsbelte Ideelt i kaldt klima, det øker maskinens komfort betydelig.
Materialets motstanden og fleksibiliteten gjør at panelet kan absorbere støt, deformeres og gå tilbake til sin opprinnelige form.



Takmontert air condtion-anlegg med justerbar viftehastighet og elektrisk temperaturkontroll. Store luftdyser gir lav lufthastighet og et behagelig førermiljø
FØREREN
Den er plassert på maskinens venstre side for å hindre at føreren faller ut av maskinen. Den kan låses og frigjøres svært raskt på grunn av en spesiell mekanisme.




















Front- og baklys, bremselys, blinklys, varsellys, speil. I visse land muliggjør dette at maskinen kan registrering for bruk på vei - kravene varierer fra land til land. Ta kontakt med din lokale MultiOne-forhandler.
To typer tilhengerkobling: A) bakre slepekrok med dobbel tilkobling: med tilhengerkule (standard for bil) og slepebolt (landbrukstype). B) 2” universalkobling Kan også brukes med motvekter (Ikke kompatibel med 2.3 EFI).
Motvekter brukes til å øke maskinens løftekapasiteten. De skal monteres bak på maskinen.
Motvekter brukes til å øke maskinens løftekapasiteten. De skal monteres bak på maskinen.
Sidevekter brukes til å øke maskinens løftekapasiteten. Det er mulig å montere dem samtidig som at motvekter er montert. To sett (80 kg per side, 160 kg totalt) kan monteres.




















DBS leder oljestrømmen mellom de hydrauliske hjulmotorene på venstre og høyre side: hydraulikkoljen strømmer parallelt mellom de hydrauliske hjulmotorene på hver side, og dette fungerer tilsvarende en differensialsperre.
Den fordeler hydraulisk olje likt mellom de fremre hydrauliske motorene på høyre og venstre side, noe som forbedrer trekkraften på glatte og ujevne overflater.
Det er et innovativt koblingssystem for frontredskap som tillater tilkobling av hydraulikkslanger på få sekunder uten stress.
Adapter som skal settes på multikoblingen, for å koble til standard flat face-koblinger.
Brukes for å koble til bakmontert redskap som trenger hydraulisk tilførsel. Hydraulikkuttakene bak styres av betjeningspanelet.




















Redskapsplate med hydraulisk til- og frakobling som styres fra førersetet. Føreren kan koble redskap som ikke trenger hydraulikk til og fra uten å forlate førersetet.
Brukes for å montere redskap bak på maskinen.
12 volt elektrisk kontakt bak for tilkobling av redskap.
Det er et ideelt utstyr for kalde temperaturer. Systemet holder motoren på en optimal temperatur for enkel start i veldig kaldt klima. 220V eller 110V tilgjengelig.
Mellomringer for hjul brukes til å øke maskinens akselBredde og dermed øke stabiliteten.




















Dekker og beskytter maskinens interiør mot regn, snø osv.
Plate for sveising på redskap slik at det passer på MultiOne minilaster Må kontrolleres (på kundens bekostning): - gjeldende lover og sikkerhetskrav - maskin og tilkoblingsgrensesnitt.
KODE: C880233 (6 mm)
KODE: C880236 (12 mm)
Koblingsadapter egnet for montering av redskap for kompaktlastere på MultiOnemaskiner.
1 - KODE: C890023 - Adapterplate for MT kompaktlasterredskap
2 - KODE: C880230 - Adapterplate for mini kompaktlasterredskap
Arbeidsmiljøet gjøres tryggere ved at alle rundt MultiOne maskinen varsles når den rygger.
Oransje varsellys montert på taket av førerhuset.



















Den elektroniske multifunksjonsspaken muliggjør enkel og presis kontroll av lastearmer og redskaper.
ACI-systemet lar føreren kontrollere redskapenes bevegelser uten behov for separate betjeningsbokser, kabler eller ekstra ledninger. Tilkoblingen til redskapene gjøres med en 7-polet kontakt.
Beltedrift gir maksimal stabilitet og trekkraft, med minimal skade av underlaget og lavt marktrykk. Det store kontaktområdet under beltene reduserer marktrykket, minimerer skader på underlag og hundrer at maskinen synker ned i myk jord og danner spor. (Vekt for sett 750 kg)
En ekstra oljepumpe øker oljestrømmen til de hydrauliske uttakene.
OneDrive er et helt nytt kraftoverføringssystem som har en ytelse som er over 30% høyere enn ved standard kretser.



















OneDrive hydrostatisk transmisjon gjør det mulig å stille inn, og enkelt endre hastighet for enestående kontroll. Maskinens hastighet holdes konstant.
Den beskytter baksiden av maskinen ved sammenstøt. Leveres med sideforlengelser fra 7-serier. Ikke kompatibel med bakvekter, tilhengerkobling og bakre koblingsplate.
MultiOne snøkjettinger forbedrer trekkraften på snø eller is (sett med 2).
Surrebraketter montert på hjulnavene gjør det lettere å feste maskinen ved transport på tilhenger.
Ekstra arbeidslys for mer synlighet. To foran og en bak. Tilgjengelig i LED eller halogen versjon.
















EGENSKAPER OG FORDELER
• Nytt effektiv design øker volum og oversikt
• Skjærekant og tenner for montasje tilgjengelig


• Forsterkede modeller (Heavy duty) tilgjengelig for tunge arbeider
Det nye designet for MultiOne-skuffene øker volumet og gir god oversikt. Innsiden av skuffe er helt slett og sidene vides utover i en liten vinkel, noe som garanterer enkel og fullstendig fylling og tømming av alle slags materialer. Det er smale hull i den øvre enden av skuffen som forbedrer sikten og forhindrer at stein faller mot føreren. Det spesielle designet gjør det mulig å stable skuffene inni hverandre og på den måten spare lagringsplass (inntil 6 på en pall). Tilgjengelig med kniv og tenner.
(*) kontroller maskinens løftekapasitet
Utstyr















EGENSKAPER OG FORDELER
• Utmerket sikt til kanten av skuffen

• Skarp bakkant muliggjør nøyaktig planering ved rygging
• Solid konstruksjon
• Kraftig kniv laget av høyfast, slitasjebestandig stål
MultiOne planeringsskuffe har en skarp bakkant som gjør planeringen enkel når du kjører bakover. Lavt design og lang bunn gir utmerket sikt til fremkanten av skuffen.
Dette gjør også planering enklere. Planeringsskuffen er solid og helt slett innvendig, noe som gjør det enkelt å fylle og tømme.
Den er et ideelt verktøy for å planere grus og jord ved landskapspleie og hagearbeid.


(*) kontroller maskinens løftekapasitet
















• Solid konstruksjon
• To sylindere med hydraulisk låseventil for holding av last
• Økt tømmehøyde
• Flere bruksområder: graving, måking, planering, bryting og transport
• Skuffekniv egnet for montering av tenner
Denne anvendelige skuffen kan brukes til riving, landskapspleie og generelle byggearbeider. Når den brukes til å gripe, gir de doble sylindrene, utstyrt med lastholdeventiler, en sikker klemkraft for å plukke steiner, trestubber osv... Skuffen kan åpnes for finplanering. En annen fordel med at bunnen kan åpnes, er at skuffen kan tømmes på en større høyde ved å åpne bunnen enn ved å vippe skuffen fremover. Kraftig stålkonstruksjon inkluderer en skjærekant som er beregnet for montering av tenner.

kontroller maskinens løftekapasitet
















• Allsidig skuffe for håndtering av løse materialer
• Solid konstruksjon
• Lett-kontrollerte hydrauliske gripeklør
Skuffen med gripeklør kombinerer en vanlig skuffe med hydrauliske gripeklør og den passer for en rekke jobber. Denne skuffen er velegnet for å grave og ta tak i vanskelig materiale. Kraftig konstruert stålskuffe, kombinert med den midtmonterte hydrauliske sylinderen og effektivt utformede gripeklør, gjør denne skuffen i stand til å utføre flere jobber, fra lasting og sortering av løs jord og materialer, til griping og lasting av vanskelige materialer. Den kan brukes til transport og lasting av grener, flis, kompost, halm, gjødsel, byggeavfall osv. Den kan også brukes som vanlig skuffe med gripeklørne i vertikal posisjon.

















OG FORDELER
• Flytte uhåndterlige materialer på enkel måte
• To hydrauliske gripeklør som er enkle å betjene
• Håndtere stor, uformelig last på en sikkert måte
Denne skuffen er konstruert for å håndtere store gjenstander med uregelmessig form, som kan finnes ved riving, industri, konstruksjon og resirkulering. Ideell for trestammer, store steiner, busker, industriog rivningsavfall og avfall til resirkulering. De to gripeklørne drives av to kraftige hydrauliske sylindere, dette gjør at de kan tilpasse seg optimalt til lasten som skal løftes, samtidig som de sørger for et solid og sikkert grep.
















• Nytt effektiv design øker volum og oversikt
• Konstruert for å forbedre transportoptimalisering
• Stor motstand
Det nye designet for MultiOne-skuffene øker volumet og gir god oversikt. Innsiden av skuffe er helt slett og sidene vides utover i en liten vinkel, noe som garanterer enkel og fullstendig fylling og tømming av alle slags materialer. Det spesielle designet gjør det mulig å stable skuffene inni hverandre og på den måten spare lagringsplass (inntil 6 på en pall). Bunnen i en skuffe for lette materialer er betydelig lengre og sidene er høyere enn på en standard skuffe, noe som gjør arbeidet raskere. Høy bakside på skuffen forhindrer at materiale faller over bakkanten og garanterer høyt volum.

(*) kontroller maskinens løftekapasitet
















• Hydraulisk betjent
• Økt tømmehøyde (+ 60 cm)
• Utmerket volum
En høyttippende skuffe er det riktige valget når du trenger å nå høyere og lengre. Skuffen er utstyrt med to hydrauliske sylindere som skyver og tipper skuffen over fremkanten, noe som gir betydelig større tømmehøyde enn en standard skuffe. Øk maskinens tømmehøyde med nesten 60 cm ved hjelp av den høyttippende skuffen. Denne økte rekkevidden gjør det mulig å laste biler med høye karmer uten behov for rampe. Skuffen er et ideelt redskap for fjerning av snø, lasting av flis og for lasting av materialer på gjenvinningsanlegg osv. Skuffen er tilgjengelig med en flat kniv.

kontroller maskinens løftekapasitet
















• Et uunnværlig redskap
• Solid konstruksjon
• Lett justerbar gaffelBredde
• Et nyttig redskap på byggeplasser, gårder, så vel som på firmaets eiendom til materialhåndteringsjobber
Gaffelløftet muliggjør sikker og rask håndtering av forskjellige pallestørrelser.
Gaflene er smidd av høyfast stål, og er tilgjengelig i flere lengder basert på modellstørrelse. Gaffelrammen er utformet slik at Bredden på gaflene enkelt kan justeres opptil 1 m / 39 in (70 cm på C895120). Valgfri ramme kan boltes bak på gaffelen for ekstra sikkerhet. MultiOne er en utmerket maskin for lasthåndtering takket være presis styring og kontroll over kjøring. Sammenlignet med en vanlig gaffeltruck er MultiOne overlegen når du arbeider utendørs og i terrenget, uansett årstid.
















• Et unikt tilbehør til gaffelløftet
• Sikrer vanskelige laster på gaflene
• Grunnleggende redskap for gjerde- og skogsarbeid
• Også mulig å gripe og transportere stein og lignende gjenstander
Den hydrauliske kloen festes til gaffelrammen, og utvider gaffelløftet med et allsidig gripesystem. Den hydraulisk drevne kloen sikrer vanskelig last, som stokker, stenger, store rør med mer.
Kloen er utstyrt med en kraftig hydraulikksylinder. Den hydrauliske kloen krever et gaffelløft (C890335 ramme + gafler - følger ikke med den hydrauliske kloen).
Rammen bak på pallegaflene (C890312) kan ikke monteres sammen med den hydrauliske kloen.

















EGENSKAPER OG FORDELER
• Enkel og effektiv
• Avrundede sidebøyler hindrer sideveis svinging
Dette redskapet muliggjør sikker og effektiv håndtering av de overdimensjonerte storsekkene som brukes til gjødsel, mais, pellets, briketter og andre granulære produkter.
Sidebøylene hindrer svinging og øker sikkerheten uten å skade sekkene.
Den kraftige konstruksjonen er gjennomtestet, og den viser seg å være sterk, pålitelig og holdbar.

kontroller maskinens løftekapasitet
Tilpasset
















• Nyttig for stor rekkevidde og høye løft
• Sikkerhetskrok er inkludert
• Kompakt for god oversikt
• Allsidig løfteutstyr for forskjellige lasthåndteringsjobber
MultiOne kranarm gir ekstra rekkevidde for løfteoperasjoner. Kranarmen leveres enten med fast lengde eller i hydraulisk justerbart teleskoputgave. Hver av disse utgavene inkluderer en kraftig sikkerhetskrok.
Kranarmen med fast lengde er utstyrt med to løftepunkter, ett på enden av bommen og ett 500 mm innenfor.
Den teleskopiske kranarmen gjør at lasten kan holdes
nær maskinen og deretter forlenges utover for plassering. Den trinnløst, teleskopiske kranarmen tillater løfting til steder som ellers ville være svært vanskelig å nå. Et kompakt design med teleskopsylinderen inne i lastearmen og slitesterke glideplater på den ytre lastearmen, gjør arbeidet trygt og enkelt.

Maksimal løftekapasitet varierer avhengig av hvilke maskin lastearmen er påmontert. Modell
(*) kontroller maskinens løftekapasitet
Tilpasset
Modell
Fast
Teleskopisk
















• Konstruert for sikker løfting og håndtering av tyngre laster
• Laget av kraftig stål for pålitelighet
• Utmerket oversikt over gafler
• Justerbar gaffelBredde
MultiOne trucktårn øker løftekapasiteten hos de mindre MultiOne-modellene.
Vognen med trucktårn er ideell for løfting og håndtering av tunge paller, storsekker og andre tunge materialer. Denne enheten kan også brukes til å laste og losse lastebiler og tilhengere.
Vognen er utstyrt med skumfylte terrengdekk for å muliggjøre transport av materialer i terrenget. GaffelBredden kan justeres manuelt for å tilpasses forskjellige pallestørrelser. Merk: flyteventil for lastearmen(e) anbefales på maskinen.

(*) kontroller maskinens løftekapasitet
















• Sideforskyvning kan kontrolleres sikkert fra førerposisjonen
• Konstruert for arbeid i trange områder eller smale passasjer
• Forskjellige gaffelstørrelser tilgjengelig
• Standard med ramme bak på pallegaffel
Hydraulisk sideforskyvning av gaflene muliggjør enklere og sikrere håndtering, samt lasting av et stort utvalg pallestørrelser. Gaflene kan flyttes til venstre eller høyre, noe som gjør det mulig å flytte lasten mot siden av maskinen - for eksempel nærmere en vegg. Denne funksjonen kan betjenes fra førersetet. GaffelBredden kan justeres manuelt for å tilpasses forskjellige pallestørrelser.
Standard gaffelløft er utstyrt med ramme bak som muliggjør håndtering av større laster og beskytter føreren mot fallende gjenstander. Forskjellige gaffelstørrelser er tilgjengelige

















• Romslig, låsbar kasse for håndholdt verktøy
• Enkel å løfte og transportere med MultiOne-laster

Denne robuste og allsidige verktøykassen kan fester på redskapsfestet og transporteres med MultiOne-lasteren til arbeidsstedet. Det flate lokket kan brukes som arbeidsbenk.
Lokket er utstyrt med gassfjærer og kan låses med hengelås. Kassen er også utstyrt med gaffellommer for gaffeltruck.
Kassen holder håndholdte verktøy i god stand, og er lett å løfte bak i en varebil eller til et trygt sted for natten.
















• Kraftig ramme (unntatt mod. 80)
• Allsidig og effektiv
• Utskiftbare tinder
• Kompakt modell, som er godt egnet for distribusjon av surfôr i små og trange områder
Den anvendelige silogaffelen, i kombinasjon med de toppmonterte, hydrauliske gripetennene, gjør flytting av løst eller ballet surfôr trygt og enkelt. Den ekstra kraftige rammen gjør at tung last, som rundballer, kan flyttes trygt og effektivt. De nedre gaffeltindene fjernes enkelt, og skiftes ut når de er slitt (unntatt mod. 80).

(*) kontroller maskinens løftekapasitet (**) Utstyrt med flat face enkel kobling
















• Enkelt design
• Kraftige, utskiftbare tinder
• Konstruert for utmerket sikt fra førersetet
Gjødselgreipet er designet for enkelt å håndtere løse materialer som høy, halm, gjødsel eller talle. Det enkle designet hjelper til enkel håndtering av gjødsel. De kraftige tennene, smidd av høyfast stål, trenger også gjennom komprimert gjødsel og kan tåle tung last.
Når de er slitt, kan tennene skiftes ut raskt og enkelt.

















• Griper forsiktig, men fast rundt rundballer uten å skade innpakningen
• Sentrerer lasten automatisk
• Anvendelig
Balleklemmen er konstruert for å løfte og transportere rundballer opptil 160 cm i diameter på en trygg og sikker måte. De to hydraulisk klemmene gir et godt grep over en bred overflate uten å skade innpakningen, og sentrerer lasten automatisk for sikker og stabil kjøring og håndtering. MultiOne-maskiner med teleskopisk(e) lastearm(er) kan stable baller selv i store høyder.

(*) kontroller maskinens løftekapasitet
















EGENSKAPER OG FORDELER
• Rask og enkel måte å laste og transportere baller på
• Fungerer perfekt med surfôrballer, høyballer og halmballer, innpakkede eller uinnpakkede rundballer.
• Justerbar gaffelBredde
• Utstyrt med bakmontert ramme for laststøtte
Multione rundballeløfter er en økonomisk måte å håndtere innpakkede baller på, uten å skade plastemballasjen. Avstanden mellom gaflene kan justeres manuelt. Balleløfteren er et godt valg dersom ballene alltid kan håndteres fra siden og ikke trenger å gripes.
(*) kontroller maskinens løftekapasitet
Tilpasset
Rundballeløfter
















• Passer for baller fra 75 cm opp til 230 cm
• 2 sylindre
• Transport innpakkede firkantballer uten å skade plasten
Denne klemmen ble designet for å transportere og stable runde og firkantede baller uten å skade plastinnpakning eller plastnett. Denne klemmen er laget av kraftig stål og håndterer raskt og enkelt alle typer baller, inkludert silo, høy og halm. De store armene gjør henting og lagring av baller i alle størrelser raskt og enkelt. MultiOne-maskiner med teleskopisk(e) lastearm(er) kan stable baller selv i store høyder.

Klemme for firkantballer
(*) kontroller maskinens løftekapasitet
Tilpasset
















• Enkel og økonomisk måte for løfting og transport av baller
• To modeller: 2 eller 3 tinder
• Kraftige, utskiftbare tinder
Designet for å bære alle slags baller, runde eller firkantede. Tindene er boltet til rammen, noe som gjør dem lett utskiftbare. Dette er det ideelle redskapet for å samle inn høyballer fra jordet og laste dem på tilhenger. Dessuten forenkler de små dimensjonene all håndtering inne i låve, stall og fjøs.
Kraftig og enkel konstruksjon sikrer lang levetid.


(*) kontroller maskinens løftekapasitet
Tilpasset
Modell
Ballespyd (2 tinder)
Ballespyd (3 tinder)

















EGENSKAPER OG FORDELER
• Rask og enkel måte å laste og transportere bikuber på, men også pappesker og lignende gjenstander
• Hydraulisk låsing av last
• Sammenleggbare gafler med justerbar bredde
Multione kubeløfter er i utgangspunktet beregnet for lasting og transport av bikuber, men den kan også håndtere andre gjenstander som pappesker. Kubeløfteren kan transportere mange bikuber samtidig. Den består av en vertikal ramme, en pallegaffel som er montert nederst på rammen og en hydraulisk holdeinnretning i den øvre enden av rammen som presser kubene mot pallegaffelen.
Kubeløfteren kan monteres på MultiOne-lastere. Dersom bikubene må transporteres over lengre avstander med lastebil, er det enkelt å ta med lasteren på lastebilen også. Den kan så brukes til å losse og flytte bikubene på destinasjonen.
Takket være de kompakte dimensjonene og manøvrerbarheten til MultiOne-maskinene, vil det være mulig å håndtere bikubene selv på de mest utilgjengelige og bratte stedene der andre maskiner ikke kommer til. Det vil også være mulig å kjøre i de smale radene i frukthager for å samle inn fruktkasser. De nedre gaflene er justerbare i bredden og kan vippes opp i transportstilling.
Merk: Man må ha C890335. Ikke kompatibel med backstop.
Gaffellengde
(*) kontroller maskinens løftekapasitet
Tilpasset

















EGENSKAPER OG FORDELER
• Multifunksjons overflatebehandling
• En profesjonell harv som gjør det enkelt å holde hestearenaer i topp stand
• Kan justeres for flere typer rideoverflater
• Når justeringene er utført, er harven veldig enkel å bruke

Ridebaneharven er designet for å slette og planere rideoverflater av sand eller andre blandede materialer. Harven inkluderer flere prosesser, som begynner med de to settene med fjærtinder som bryter opp overflaten, fortsetter med et skjær som sørger for å planere og slette overflaten, og tilslutt en komprimeringsog spredevalse som finpusser overflaten. Harven har også sidehjul som gjør det mulig å arbeide langs vegger uten skader. Enkle justeringer muliggjør justering av vekt og balanse mellom fjærtinder og rulle/ spredersystem. Høydejusteringer for å forbedre behandlingen av vanskelige underlag gjøres raskt og enkelt. Merk: Lasteren må være utstyrt med tilhengerkobling.
Tilpasset
















• Justerbar arbeidsbredde
• Forskyvning til venstre og høyre
Stallbokspakkeren er et sett med store gripetenger som brukes til å renske ut av stallboksene raskt i en enkelt operasjon. Den justerbare Bredden på gripetengene og den store sideforskyvningen tillater bruk på trange steder. Den er utstyrt med plastkanter som når de er utslitt kan snus eller byttes ut.




















EGENSKAPER OG FORDELER
• Enkel fordeling av mel, knust korn osv.
• Selvlastende: lasting fra bakkenivå som med en normal skuffe
MultiOnes fôringsskuffe med utmatingsskrue gjør det raskt og enkelt å fôre dyrene. Eggen på fôringsskuffen kan enkelt brukes til å fylle opp fôringsskuffen. Fôret fordeles ut via utkastet på høyre side, ved hjelp av den hydraulisk drevne skruen som er plassert nederst i skuffen. Fôringsskuffen er designet for å håndtere alle størrelser og blandinger av korn, noe som gjør fôring til en rask og enkel prosess.

















• Rask og enkel måte for å forflytte fôr til dyrene
• Forskyvning mot høyre side
• Høy effektivitet, også på større gårder
• Gummiskrape bak på redskap
Effektiv måte å flytte uspist fôr tilbake foran storfe.
Når du flytter, blander skruen fôret og det ferske fôret forblir på toppen.
Med skruemating kan skyvehastigheten være høyere. Gummiskrapen bak på redskapet rengjør gulvet veldig effektivt. Når den er utslitt, kan gummiplaten demonteres og monteres opp ned eller byttes ut.
Tilpasset

















• Kraftig gummiplate
• Enkel og effektiv
• Hver ende av skrapeplaten kan justeres fremover
MultiOne gummiskraperen er ideell for rengjøring av glatte overflater i bygninger og på gårdsbruk, noe som forbedrer hygiene og fotfeste. Det er også en enkel og økonomisk måte å skyve uspist fôr tilbake til storfe på fôringsbordet. Sidene kan vippes 30° fremover for å lette håndteringen av materialet. Når den er utslitt, kan gummiplaten demonteres og monteres opp ned eller byttes ut.

















• Enkel design skaper minimalt med støv
• Få bevegelige deler betyr lite vedlikehold
• Fungerer perfekt for hestestaller, gårder og andre områder som trenger feiing
Den faste feiekosten fra MultiOne byr på en økonomisk løsning for å fjerne smuss på staller og gårder, men den kan også brukes til å fjerne løvfall og andre materialer utendørs over mindre områder, for eksempel fra fortau eller parkeringsplasser. Den faste feiekosten har et enkelt design som skaper minimalt med støv samtidig som den forhindrer flygende steiner eller annet rusk. Børsten er konstruert av kraftig, tykk polypropylen som gir langvarig ytelse. To justerbare hjul holder børstens høyde konstant i forhold til bakken. Den faste feiekosten er utstyrt med støtter som kan forlenges når kosten ikke er i bruk, slik at feiekosten hviler på støttene og børsten ikke blir skadet under lagring. Det er to gaffellommer der pallegaflene settes inn. Merk: flyteventil for lastearmen(e) anbefales på maskinen.

















EGENSKAPER OG FORDELER
• MultiOne lydisolerte pigghammere av topp kvalitet er stille og kraftige
• Høy effekt i forhold til vekt
• Kompakt størrelse Den smale profilen på pigghammeren gjør at den kan nå steder der andre pigghammere ikke kommer til. Med et minimum av tetninger og bevegelige deler gir MultiOne hydrauliske pigghammere uovertruffen holdbarhet og forenklet vedlikehold. De er utstyrt med et vibrasjonsdempende system som også demper støyutslipp. MultiOne-maskin med pigghammer er et effektivt verktøy for riving og oppussing: gjør rivearbeidet med Multione og pigghammer, fjern deretter avfallet med Multione og skuffe - veldig raskt og effektivt. En annen fordel med denne kombinasjonen er dens kompakte dimensjoner: du kan komme til nesten hvor som helst med denne maskinen. Merk: flyteventil for lastearmen(e) anbefales på maskinen.



















EGENSKAPER OG FORDELER
• Robust design gir maksimal brukstid
• Skjæret kan vinkles 30 grader til venstre og høyre
MultiOne skjæret kan vinkles fra førersetet, enten til høyre eller venstre, takket være en robust hydraulisk sylinder. Det er utstyrt med to justerbare glidesko for å stille inn arbeidsdybde. Skjæret kan brukes til en lang rekke jobber, fra skraping av hard jord, til planering og flytting av løsmasser, raskt og enkelt. Et ideelt verktøy for prosjekter, alt fra grovt anleggsarbeid til finere landskapsarbeid. Takket være MultiOne-maskinenes utmerkede trekkevne og høye skyvekraft, kan skjæret også brukes til tynge jordarbeid. Det må ikke brukes til snørydding langs veier og på parkeringsplasser (i slike tilfeller må snøplog eller snøskjær brukes).



















EGENSKAPER OG FORDELER
• Minimal skade på underlaget i grøfteområdet
• Graver en fra 14 til 20 cm bred grøft og flytter all masse til høyre side av grøften
• Veldig rask og renslig måte å grave grøfter på for kabler, avløp, rør osv.
Med MultiOne grøftefres er det enkelt å grave smale grøfter uten å skade underlaget i graveområdet. Grøftefresen lager en ren grøft som enkelt kan fylles igjen med skuffe eller skjær. Planetgir med hydraulisk motor garanterer kraftig og problemfri drift. Maks. gravedybder er henholdsvis 60, 90 og 120 cm, avhengig av modell. GraveBredden er enten 14, 16, 18 eller 20 cm. Hver kjedeverktøysett kan justeres til forskjellige Bredder. Kjeder for hardt underlag har wolframforsterkninger for å sikre langvarig ytelse i hard og steinete jord, ellers er standardversjonen det beste valget for vegetativt underlag.
• Grøftefresen er ideell for mindre kabel- eller rørlegging.
• Gravehastigheten med grøftefres er 2-3 ganger raskere sammenlignet med gravemaskin.
• Kombinasjonen av en midjestyrt MultiOne-maskin og grøftefres etterlater nesten ingen spor etter gravingen etter at arbeidet er utført. Dette gjør den til en perfekt løsning for hager og andre plenområder. Den har en justerbar glidesko som til enhver tid sikrer graving på ønsket dybde og som sørger for effektiv fjerning av jord som senere effektivt kan fylles tilbake i grøften.
Verktøysett
Verktøysett
(1) Verktøysett kreves. (2) Grøftefres nødvendig.
Tilpasset
Modell
60 - mykt underlag
90 - mykt underlag
120 - mykt underlag
60 - hardt underlag
90 - hardt underlag
120 - hardt underlag
















EGENSKAPER OG FORDELER

• Effektiv og økonomisk løsning for mindre gravejobber
• 90° rotasjonsmodell tilgjengelig
• Veldig rask å montere på Multione
• Enkel og lett å transportere fra arbeidsplass til en annen
• Høy lossehøyde
• Materialet kan enkelt transporteres lenger unna MultiOne minigraver er en effektiv løsning for små graveoperasjoner der maksimal gravedybde på 1200 mm eller 1500 mm er nok og graving ikke er en hverdagsjobb. Den monteres direkte på hurtigfesteplaten til lasteren og betjenes med kontrollspaken for ekstra hydraulikk, eller med knappene på joysticken.



Dumping til siden gjøres ved å vri på rattet på MultiOne. Den er også tilgjengelig i en modell med 90° (45° til venstre og 45° til høyre) hydraulisk rotasjon for enkelt arbeid. Tre skuffemodeller er tilgjengelige (kun for C890121- og C890122-modeller) og gravetenner kan installeres for de vanskeligste terrengene. 2 tenner for bøtte 25 cm, 3 tenner for bøtte 40 cm og 5 tenner for bøtte 70 cm.
Modell Gravedybde Volum Vekt Kode
Minigraverarm 130 med skuffe 25 cm
Minigraverarm 150 uten skuffe (skuffe nødvendig))
Minigraverarm 165 med roterende verktøyskuffe (skuffe noødvendig)
Verktøy
Skuffe 25 cm kun for C890121 og C890122
Skuffe 40 cm for C890121 og C890122
Skuffe 70 cm for C890121 og C890122
Sett med skrudde tenner (stk.) / 1,7
Tilpasset
Modell 130
150 / 165 med roterende
















• Solid konstruksjon
• Enkel og rask bearbeiding
• Skiller stein/jord/vegetasjon
• Sålder uten å knuse eller skjære
• Egnet for forskjellige typer jord
• Sortér masser på stedet, spar tid og penger
MultiOne såldeskuffe skiller materialer i forskjellige størrelser takket være den unike konstruksjonen. Hensikten med såldingen er å skille større og mindre partikler fra jorda, og ikke knuse det større materialet til mindre partikler. Skuffens design gjør det mulig å laste og tømme masser raskt og enkelt.
Sålding av matjord for landskapspleie, frukthager og salg er den viktigste bruken, mens noen entreprenører bruker såldeskuffen til sortering.

Såldeskuffe
(*) kontroller maskinens løftekapasitet
















• Full oversikt
• Proporsjonal styring
• Rask og enkel å bruke
MultiOne graveaggregat er et bestselger-redskap: solid, pålitelig med en enorm skyvekraft og nesten 180° sving. MultiOne tror på kontinuerlig forbedring: fra nå av er det tilgjengelig en radiostyrt versjon av MultiOne graveaggregater! Proporsjonalstyring sikrer jevne og nøyaktige bevegelser. Takket være fjernkontrollen er førersetet og hydraulisk betjening ikke lenger nødvendig: du kan styre graveaggregatet direkte fra maskinens førersete eller bevege deg til den beste posisjonen for å se graveområdet. Det er det beste valget ved arbeid i trange områder, og når det er nødvendig med stor presisjon. Tre skuffemodeller er tilgjengelige, og gravetenner kan monteres: 2 tenner for 25 cm skuffe, 3 tenner for 40 cm skuffe og 5 tenner for 70 cm skuffe.
















EGENSKAPER OG FORDELER
• Stort utvalg av boreaggregater med forskjellige dreiemomenter muliggjør effektiv bruk av jordbor fra 10 cm til 100 cm
• Jordbor med wolframtenner er tilgjengelig
Det kraftige hydrauliske boreaggregatet, kombinert med jordbor med forskjellige diametere, gir utmerket fleksibilitet i alle typer underlag.
Jordbor er det ideelle redskapet for å bore hull for gjerdestolper, påler i vingårder, for planting av trær, for montering av søyler eller gatelys i alle typer terreng. Boreaggregatet er tilgjengelig i tre versjoner:
• T1 for normale jordforhold
• T2 for hardt, steinete underlag, brukt med jordbor opp til 50 cm
• T3 for hardt, steinete underlag, brukt med jordbor opp til 100 cm
Et stort utvalg av jordborene er også tilgjengelig med utskiftbare wolframtenner for de hardeste underlagene, og det er også mulig å installere forlengere, hver 1 m lange, for å nå større boredybder. Boreaggregatet er utstyrt med et spesielt ledd som gjør det mulig å lage et perfekt vertikalt hull uansett hvordan maskinen er plassert. Boreaggregatet kombinert med MultiOne-maskinenes høye oljestrøm, lar deg raskt bore hull i alle underlag.
































EGENSKAPER
• Valgfri laserkontrollpakke for presis høvling av underlaget
Høvelredskapet konverterer MultiOne til et høvelsystem med høy ytelse, godt egnet for bruk i trange områder der større maskiner ikke kommer til. Det er mulig å planere veier, torg, lekeplasser og å legge ut grus og sand svært nøye.
Det hydraulisk styrte høvelskjæret betjenes ved hjelp av ekstra spaker montert i førerhuset. For å øke effektiviteten og presisjonen ved høvling, kan MultiOnes høvel utstyres med et laserstyringssystem som tilleggsutstyr. Høvelen er utstyrt med to forhjul montert på en flytende ramme som sikrer stabilitet selv på ujevnt underlag.

Tilpasset
















EGENSKAPER OG FORDELER
• Raskere enn en frittstående blander
• Designet for arbeid i vanskelig tilgjengelige områder
• Enkel måte for å lage betong på steder der det ikke er strøm
• Roterer begge veier
Den hydraulisk drevne sementblanderen er et billig redskap som lar deg blande, transportere og helle betong raskere enn med en frittstående blander. Den kompakte størrelsen gjør den til et ideelt verktøy når du arbeider på fortau, innkjørsler, fundamenter, gulv i små bygninger og andre områder som er vanskelig tilgjengelige eller der det ikke er strøm. Betongen kan blandes der materialene lagres og deretter raskt transporteres til støpeområdet. Takket være MultiOnemaskinenes løft på lastearmen, er selve hellingen av betongen mye enklere. Den solide konstruksjonen og den direkte overføringen sikrer lang levetid og lite vedlikehold.

(*) kontroller maskinens løftekapasitet
Tilpasset
















• Hydraulisk drevet blande- og tømmesystem
• Enkel og effektiv måte for å lage betong på steder der det ikke er strøm
• Selvlastende, sand kan tas i skuffen direkte fra sandhaugen
• Betong kan helles i over 2 m høyde
• Avtakbart sikkerhetsgitter sørger for enkel rengjøring og vedlikehold

Blandeskuffen lar føreren fylle, blande, transportere og helle betong mye raskere enn med en tradisjonell blandemaskin og trillebår. I kombinasjon med MultiOne gjør blandeskuffens kompakte størrelse den ideell for støping av fortau, innkjørsler, fundamenter, små bygningsgulv og på mange andre steder med begrenset tilkomst. Blandeskuffen tømmes med luke i bunnen. Åpning av luken gjøres med en hydraulisk sylinder som styres fra førersetet. Blandeskuffen er også utstyrt med en fleksibelt slange som kan monteres på luken i bunnen for tømming. Dette gjør det mulig å helle betongen også lenger unna skuffen. Denne enheten er designet for produksjon av store volumer, og minimerer stopptiden. Kombinert med MultiOne blir det et effektivt, pålitelig og kostnadseffektivt system.
(*) kontroller maskinens løftekapasitet Tilpasset
















• Fremragende freseevne
• Fresetrommel forbedrer fresens effektivitet
• Tilgjengelig med trommel eller kutteskive
• Sideforskyvning som standard
Ideelt design for fresing av skadede asfalt- og betongoverflater som forberedelse til reparasjon.
Asfaltfresen kan konverteres fra overflatefresing til spalteskjæring. Bruk kutteskiven for å kutte ekspansjonsfuger, eller lage spor for å legge ned ledninger eller rør.
Standard fresetrommel, utstyrt med hardmetalltenner og selvnivellerende oppheng, freser effektivt ned fortausoverflater.
Den kompakte størrelsen kombinert med stor effektivitet gjør den ideell for arbeid i trange områder som er vanskelig å nå. Trommelen er utstyrt med tenner som kan skiftes ut når de er slitt.


















EGENSKAPER OG FORDELER
• Kraftig feiemaskin for store områder
• Nytt flytesystem (tilt: 8°, opp/ned: 13 cm)
• Justerbar høyde på kraftig polyuretanbørste (50 cm diameter)
• Sidebørste tilgjengelig
• Fuktingssett tilgjengelig
Den splitter nye feiemaskinen med oppsamlerboks er designet for effektiv og grundig rengjøring, med fokus på holdbarhet, ytelse og allsidighet. Dette tilbehøret er perfekt for rengjøring av: gater, veier, parkeringsplasser, innkjørsler, fortau og byggeplasser. Feiemaskinen er utstyrt med det nye flytesystemet og 3 støttehjul som garanterer jevn og enkel feieoperasjon. Oppsamlerboksen åpnes eksternt ved hjelp av to elektriske lineære aktuatorer. Høyden på hovedbørsten kan justeres for å kompensere for slitasje og alltid sikre maksimal effektivitet.
Valgfritt: 1) Støvreduksjonsvannspraysystemet består av en 12V elektrisk pumpe, 4 sprøytedyser og to vanntanker (50 l + 50 l)) som sikrer 25 minutters arbeid. 2) En enkelt 50 cm hydraulisk drevet sidebørste kan monteres på begge sider av oppsamlerboksen og øker arbeidsbredden med 35 cm. Merk: flyteventil for lastearmen(e) anbefales på maskinen.
Tilleggsutstyr
(*) kontroller maskinens løftekapasitet
















EGENSKAPER
• Kraftig feiemaskin for store områder
• Sidebørste leveres
• Befuktningsutstyr tilgjengelig
Enten du kjører forover eller bakover, feier og samler denne maskinen raskt og stille opp skitt og rusk, og avfallet kan lett tømmes ut. Perfekt system for rengjøring av parkeringsplasser, fortau, lasteramper, lagerlokaler med mer. MultiOne feiemaskin er utstyrt med flytende koblingsplate og 4 støttehjul som garanterer jevn og enkel feiing. Feievinkelen justeres manuelt (30° til venstre og 30° til høyre). Tilleggsutstyr: 1) Oppsamler med elektrisk åpning (12V stikkontakt kreves). 2) Vannbefuktningssystem for støvreduksjon består av en 12V elektrisk pumpe, 4 dyser og en eller to vanntanker (ACI eller 12V stikkontakt kreves). 3) En enkel 500 mm hydraulisk drevet sidebørste kan monteres på høyre side av oppsamleren.
Merk: flyteventil for lastearmen(e) anbefales på maskinen.
(*) kontroller maskinens løftekapasitet
















EGENSKAPER OG FORDELER
• Nytt flytesystem
• Roterende sidekost
• 5 m håndslange tilgjengelig
• Enkel tømming takket være hydraulisk åpning av luke fra førersetet

Dette redskapet skaper et enormt vakuum for å suge opp blader, gressklipp og annet løst rusk i parker, plener, gårdsplasser osv. Den roterende børsten på høyre side utvider rengjøringsområdet. Løvsugeren er utstyrt med flytsystem og fire justerbare hjul som gjør at den også kan fungere godt på ujevne underlag. Løvsugerens munnstykke er laget av plastmateriale som kan absorbere små slag.
Håndholdt slange er tilleggsutstyr og lar deg rengjøre trange arbeidsområder, blomsterbed, langs gjerder og mange andre steder som det er vanskelig å nå.
Løvsugerens oppsamler er utstyrt med en hydraulisk luke i bunnen som kan åpnes for enkel tømming av oppsamlet rusk i en container, tilhenger e.lign. Den krever lite vedlikehold og rengjøring er raskt og enkelt.
Merk: flyteventil for lastearmen(e) anbefales på maskinen. Tilpasset
Løvsuger / / 100 cm 300 l 50 m3/min 210
Slange 18 cm 5 m / / / / C890245
Høyre sidebørste 48 cm nylon inkludert
















• Børste med stålbust
• Kraftig hydraulisk motor
• Manuell justering av vinkel
En hydrostatisk drivmotor, justerbar helningsvinkel og en spesialdesignet børste kombineres til et effektivt system for å fjerne ugress og plantevekst fra skjøter i fortau.
Justering av børstevinkelen gjør det enkelt å rengjøre langs kanter eller vegger.
Ugressbørsten er et effektivt redskap for rengjøring av gangveier, sykkelstier, parkeringsplasser, skolegårder, generell feiing og til fjerning av is og snø, noe som gjør dette til et veldig fleksibelt tillegg til vedlikeholdsredskapene dine.
Den er utstyrt med en sikkerhetsbeskyttelse for å forhindre at gjenstander blir slynget ut. Børsten stikker ut på høyre side av maskinen. Merk: flyteventil for lastearmen(e) anbefales på maskinen.

















EGENSKAPER OG FORDELER
• 360 graders 12V rotering av dyse fra førersete
• Alternative dyser for spesifikke bruksområder
• Kraftig rammekonstruksjon
Løvblåseren avgir stor luftmengde og har mulighet for 360 grader rotasjon av dysen fra førersetet.
Denne løvblåseren gir overlegen produktivitet og større effektivitet ved arbeid som spenner fra rengjøring av fortau, gater, parkeringsplasser og andre områder med fast dekke, til blåsing av gressklipp, løv, snø, sand eller annet rusk fra golfbaner. En kort, rektangulær dyse er standard, men flere dyser er tilgjengelige som tilleggsutstyr.



















• Stor effektivitet
• Ny bust/børster som ikke riper
• To spylebommer (12+12 dyser)
• Nytt flytesystem
• Nytt børstedeksel av polykarbonat for å redusere vannspredning
MultiOne solcellepanelvasker er designet for å rengjøre, og for å opprettholde optimal ytelse av panelene. Bruk av vaskebørsten til regelmessig rengjøring og vedlikehold er avgjørende for å unngå effekttap på opp mot 17%-25% av energiproduksjonen, som kan oppstå av skitt, støv eller annen forurensing på panelets overflate.







Den store roterende børsten med myk bust vasker 4.3 meter i lengden, raskt, effetivt og skånsomt uten å skade panelene. Vaskebørsten kan vaske fra 0,7MW/t til 2 MW/t avhengig av type overflate. Børsten er utstyrt med to dysebommer, hver av dem med 12 utskiftbare dyser. De er to forskjelleige dysene som følger med er 0,58 l/m og 0,65 l/m. Det følger også med 12 lokk for å stenge dyser for å begrense vannmengden. Arbeidstid på full tank varierer fra 30 til 70 minutter.
Den roterende børsten kan vinkles etter ønske og tillater vasking av flere typer panelrader. Det nye og forbedrede flytesystemet sørger for mer skånsom vask av panelene, og et mer effektivt sluttresultat. Merk: Maskinen må være utstyrt med ACI.
Tilpasset
















EGENSKAPER OG FORDELER
• Fjernstyrt hydraulisk justering av vinkel
• Børstemateriale med lang levetid
• Utstyrt med uttrekkbare støtter for lagring: nylonbørste blir ikke skadet under lagring
• Direkte overføring, lite vedlikehold
Skitt, tørket gjørme, lett snø og annet rusk blir raskt og effektivt feid bort med dette hydraulisk drevne redskapet. Enten du feier innkjørsler, gårdsplasser eller lager, kan du stole på at den roterende børsten utfører jobben riktig.

Kosten kan komfortabelt svinges hydraulisk 30° til både høyre og venstre side fra førersetet. Det er to justerbare hjul som holder børstens høyde konstant fra bakken og et elastisk ledd som kan absorbere små støt og unngå mulig skade. Den roterende kosten er utstyrt med støtter som kan forlenges når redskapet ikke er i bruk, slik at redskapet hviler på støttene og børsten ikke blir skadet under lagring. Dersom en kombinerer MultiOne maskinen med et lukket førerhus, får en det ideelle redskapet for høst- og vintervedlikehold. Merk: flyteventil for lastearmen(e) anbefales på maskinen.
















• Effektiv på større områder, men kompakt nok til å måke mindre plasser
• Støtdempende system
• 30° skråstillingsvinkel
Et utmerket redskap for raskt å fjerne lett eller moderat tung snø fra fortau og innkjørsler. Utstyrt med støtdempende system som gjør at skjæret kan vippe fremover når det treffer et hinder, noe som gir mindre slitasje på skjæret og MultiOne-maskinen. Det er utstyrt med plastegg som når den er utslitt kan snus eller byttes ut. Skjæret kan komfortabelt skråstilles hydraulisk 30° til både høyre og venstre side fra førersetet. Den er utstyrt med støtter som kan forlenges når redskapet ikke er i bruk. Det kan også brukes til å flytte lette materialer som korn eller sagflis. Montert på en MultiOne-maskin med helt lukket førerhus, er det et vinnende valg for vintervedlikehold.
Merk: flyteventil for lastearmen(e) anbefales på maskinen.

















• Robust snøplog av profesjonell kvalitet
• 5 konfigurasjoner
• To uavhengige kontrollerbare blader: kan justeres i rett, V eller Y posisjon
• Avansert flytesystem (tilleggsutstyr) muliggjør arbeid på ujevne underlag også MultiOne snøplog er et allsidig redskap for snørydding. Den består av to uavhengig justerbare hydrauliske skjær. Vinkelen på ploghalvdelene kan justeres fra førersetet. 5 forskjellige posisjoner på plogbladene: 1) 30° høyre - 2) 30° venstre - 3) Rett - 4) Trakt “Y” - 5) V-plog Den er utstyrt med støtdempende fjærer som gjør at skjæret kan vippe fremover når det treffer et hinder. Flytesystemet (tilleggsutstyr) på festebraketten garanterer at snøplogen følger bakken så godt som mulig. Støtteben kommer som standard, mens forlengelsesvinger er tilleggsutstyr som øker Bredden på skjærene.
Merk: flyteventil for lastearmen(e) anbefales på maskinen.



Flytadapter for snøplog C891320 Forlengelsesvinger 25 + 25 cm kun for C891301 og C891302 C891326
















EGENSKAPER OG FORDELER
• Effektive to-trinns snøfresere
• Kraftig ramme og overføring med utskiftbare sliteskjær
Snøfreseren er et effektivt redskap for å fjerne store mengder snø fra fortau, veier eller andre store områder når snøen må spres ut jevnt. To-trinns fresen gir et kraftig og effektivt verktøy for snørydding, selv om snøen er våt og tung. Denne effektiviteten oppnås ved at skruen bryter opp snøen som viften kaster ut gjennom utkastet.
Utkastet kan roteres 200° (±100°) fra førersetet, og høyden på utkastet kan justeres manuelt.
Den er utstyrt med justerbare sko for å stille arbeidshøyden, og et verktøy for å fjerne blokkert snø.
Merk: flyteventil for lastearmen(e) anbefales på maskinen.


















EGENSKAPER OG FORDELER
• Kraftig ramme
• Effektive to-trinns snøfresere
• Overføring med utskiftbare sliteskjær Snøfreseren er et effektivt redskap for å fjerne store mengder snø fra fortau, veier eller andre store områder når snøen må spres ut jevnt. To-trinns fresen gir et kraftig og effektivt verktøy for snørydding, selv om snøen er våt og tung. Denne effektiviteten oppnås ved at skruen bryter opp snøen som viften kaster ut gjennom utkastet. Utkastet kan roteres 200° (± 100°), og også høyden på utkastet kan justeres fra førersetet.. Den er utstyrt med justerbare sko for å stille arbeidshøyden, og et verktøy for å fjerne blokkert snø.
Merk: flyteventil for lastearmen(e) anbefales på maskinen.


















EGENSKAPER OG FORDELER
• Rask og pålitelig redskap
• Gummilokk følger med
• 180° spredevinkel
• Fås enten for festing på redskapsplate eller for sleping.
• Multisektorbegrensning tilgjengelig for mer presis spredning
• Spreder montert på redskapsplate har en hydraulisk drevet spreder
• Spreder for sleping drives av et planetgir montert på aksel Dette redskapet er ideelt for vintervedlikehold for å spre salt eller strøsand på parkeringsplasser og i gågater. Utgaven for sleping, kombinert med en snøplog eller snøfreser, gjør det mulig å rydde snø og spre salt eller strøsand samtidig. Kan også brukes i de varmere månedene til å spre frø og gjødsel. Spredemønsteret stilles enkelt inn med en spakjustert profesjonell spredningsbegrenser.

Slepemontert spreder (2)
(1) kontroller maskinens løftekapasitet. (2) Tilhengerkobling kreves.
Tilpasset
Modell
Slepemontert sentrifugalsspreder
Spredetallerken i rustfritt stål
















OG FORDELER
• Selvlastende design.
• Justerbare stoppfjærer for saltfordeling, i hele systemets lengde.
• Fordelervalsen: tappene er plassert i spiralformet posisjon for å sikre kontinuerlig og riktig dimensjonert fordeling.
• Beskyttelsesnett: et beskyttende metallnett er festet på toppen av skuffen.
• Innvendig blandeaksel som knuser eventuelt frosset salt og som forhindrer at saltet klumper seg.
Strøskuffen er konstruert for rask og effektiv strøing. Frontmontering tillater lasting fra bakkenivå på samme måte som med en vanlig skuffe. Drives av en hydraulisk motor og er utstyrt med en blandeaksel som knuser eventuelt frosset salt og som forhindrer at saltet klumper seg.. Den er ideell til å spre salt eller sand på parkeringsplasser, fortau, sykkelfelt og i gågater.


(*) kontroller maskinens løftekapasitet
















EGENSKAPER OG FORDELER
• Robuste og allsidige tilhengere med tipp, ideelle for flytting av jord og lettere anleggsarbeid
• Manuell eller hydraulisk tipp
• Avtakbare lemmer
MultiOne tilhengere er effektive for å transportere hageavfall, jord, halm osv. Utstyrt med feste for slepepinne og parkeringsbrems. Tilgjengelig med enten manuell eller hydraulisk tipp.
• 600 modell: manuell tipp bak, baklem kan åpnes, parkeringsbrems, støtteben for parkering.
• 1200 og 1500 modell: hydraulisk tipp bak, nedfellbare sidelemmer og baklem, parkeringsbrems, støttehjul for parkering, to manuelle vinsjer.

OBS: Maskinen må være utstyrt med hydraulikkuttak bak for å drive den hydrauliske tippen samt med tilhengerkobling.
















• Effektiv, uavhengig høytrykksspyler
• Utstyrt med en håndholdt vaskelanse med 10 m slange
Høytrykksspyleren er perfekt for rengjøring på byggeplasser og ved generelt vedlikehold. Den kraftige strålen på 170 bar fjerner smuss, avleiringer og tørket gjørme, voks, oljer, fett, fjerner gammel maling med mer fra enhver overflate.
Høytrykksspyleren i kombinasjon med den innebygde vanntanken på 200 l, gjør oppgaven med rengjøring av bygninger og fjerning av graffiti til en effektiv prosess. Det er mulig å regulere vanntrykket, tanken er utstyrt med eget filter og en nivåindikator. Den håndholdte spylerlansen har en justerbar dyse for å stille inn vannstrålens Bredde.
Ved å bruke MultiOne maskinens hydraulikk og mobilitet, fungerer dette uavhengige høytrykksspylesystemet effektivt på avsidesliggende steder der strøm eller vann ikke er tilgjengelig.

Høytrykksspyler 170 bar
200 l 35 l/min / 75 kg C891200
Håndholdt lanse (inkludert) / / 10 m / / (*) kontroller maskinens løftekapasitet
















• Effektivt og tidsbesparende
• Kraftig redskap
Med stolpeslageren kan du bruke din MultiOne-maskin til raskt å slå stolper ned i bakken med minimale forberedelser. Det spesialdesignede redskapet holder fast gjerdestolpen mens en hydraulisk, vibrerende hammer driver den ned i bakken. MultiOne-bommen muliggjør effektiv håndtering av lange stolper.


















• Sikker og lovlig måte for å utføre bygningsreparasjoner, maling, lyspæreskift osv.
• MultiOne forflytter plattformen hvor som helst
• Uavhengig av ekstern strømkilde
• Maksimal tillatt last i kurven er 120 kg, og du kan betjene løfteplattformen alene.

MultiOne løfteplattformen er festet til MultiOne på redskapsfestet. Dette gjør det raskt og enkelt å montere og demontere den. Takket være den kompakte størrelsen og manøvreringsevnen til MultiOne-maskinene, er det mulig å nå selv de mest utilgjengelige områdene for arbeid. Denne flyttbare løfteplattformen er egnet for vedlikehold av bygninger, maling, utskifting av lyspærer, generelt vedlikehold med mer. Tillatt arbeidsbelastning for løfteplattformen er 120 kg (265 lbs), noe som gjør den ideell for en person og nødvendig verktøy. Denne plattformen er et prisgunstig system som gjør det mulig å nå arbeidshøyder opptil 9,8 m (32 fot). Plattformen er utstyrt med fire justerbare støtteben for stabilisering selv på veldig grove og ikke helt jevne overflater. Den kan enten betjenes direkte fra kurven eller fra bakken (i nødstilfeller). En sikkerhetsventil kan opereres for å bringe kurven ned på bakken i tilfelle brudd i hydraulisk tilførsel.
















EGENSKAPER
• Høyt vanntrykk
• Spylebommene kan vippes opp i 90 °
• Inkluderer en håndholdt spylelanse med 10 m slange på slangetrommel
• Tank med høy kapasitet

MultiOne gatespyler er den beste løsningen for rask rengjøring av offentlige veier, bysentre, parkeringsplasser, torg, store industriområder, gangveier og ellers hvor hygiene er nødvendig. Gatespyleren kombinerer lavt vannforbruk med høy vannføring og trykk. Vann under høyt trykk spyler støv, sand og rusk bort fra asfalt, betong og lignende overflater og etterlater en overflate uten støv etter tørking. Lavt vannforbruk og tank med stor kapasitet gjør det mulig å rengjøre større områder i en operasjon. Gatespyleren er utstyrt med to sammenleggbare spylebommer for rengjøring av gater og en håndholdt spylelanse med 10 m slange. Tanken er utstyrt med nivåindikator, et filter og en liten separat vanntank med en kran som er nyttig til å vaske hendene.
Håndspylelanse
/ inkludert (*) kontroller maskinens løftekapasitet
Tilpasset



















• Beitepusser med hydraulisk sideforskyvning og vinkeljustering
• Kraftig redskap
• ACI: kontroller alle bevegelser med fingertuppene
Bruk den hydraulisk drevne beitepusseren med sideskift mot busker og ugress, og se hva den kan gjøre! Den kraftige konstruksjonen, kombinert med kraften og stabiliteten til MultiOne, gjør at den ikke bare er perfekt for bruk i bakker, den er også perfekt for slåing av områder i parker og andre vanskelig tilgjengelige steder. Egenskaper:
1) Standard lineær frontmontert beitepusser.
2) Sideforskyvningslengde (174 cm).
3) Opptil -45° vinkel klipping i grøfter.
4) Opptil +90° vinkel for klipping av voller og hekker.
Y kniver (1) leveres som standard, men den kan utstyres med flate slagjern (2) .
Merk: maskinen må være utstyrt med ACI.
Flytsystemventil for bom anbefales på maskinen.
Dimensjoner (cm)
for Kantklipper 115 16 / C890656
Hammerbladsett for Kantklipper 125 20 / C890657 (*) C890788 eller C890789 kreves
















• Ekstra solid redskap
• Perfekt for tykt gress, pinner, undervekst og beskjæringsrester, vedlikehold i veikanten
• Nytt Multifloat® flytsystem
Heavy duty beitepusser er nå sterkere og kraftigere for å vedlikeholde mer grove, ulendte landskapsområder, inkludert kraftig gress, stormbrekk, pinner, beskjæringsrester og mer rundt gårder, eiendommer, parkområder og i veikanter.
Akseloppsettet med hammere (1) er spesielt designet for å tåle tunge arbeider, for eksempel kutting av busker opp til en diameter på 5 cm.
Den bakre støtterullen som er justerbar i høyden og de justerbare svingbare hjulene, gjør dette redskapet ekstremt effektivt og lar føreren velge ønsket klippehøyde.
Det nye flytesystemet gjør det mulig å følge konturene av bakken på en effektiv måte, også på ujevne plener. Indikatorpilene på hurtigkoblingsplaten gjør det veldig enkelt å justere flytefunksjonen: når beitepusseren er på et flatt underlag og pilene møtes, er Multifloat®-systemet korrekt justert.
Merk: flyteventil for lastearmen(e) anbefales på maskinen.
Tilpasset





















• Stor klippeeffekt
• Pålitelig og effektiv
• Multifloat® flytesystem
Beitepusser-modeller - forbedrer klipperesultatet og krever mindre effekt fra motoren og hydraulikken:
• Multifloat® -system - tillater fritt vertikale og horisontale bevegelser.
• Større rulle bak - bedre stabilitet og mindre motstand når du klipper.
• Lengre og bredere glidesko på sidene.



Beitepusseren er av trommeltype, beregnet for kutting av langt gress, kratt, busker og lignende vegetasjon. Den vil enkelt kutte opptil 20 mm tykke greiner. Beitepusseren er det optimale klipperedskapet for steder der du trenger høy kutteeffekt og der grove kutt kan tillates.
De vanligste bruksområdene for beitepussere er steder med høyere vegetasjon som enger, veikanter, tunområder osv.
Denne beitepusseren utnytter MultiOnes ypperlige hydrauliske effekt til å levere topp ytelse. Y kniver (1) leveres som standard, men den kan utstyres med flate slagjern (2) eller Verticut (3)
Merk: flyteventil for lastearmen(e) anbefales på maskinen.
















• Stor klippeeffekt
• Pålitelig og effektiv
• Dobbeltbelteoverføring
• Flytende system
Beitepusser-modeller - forbedrer klipperesultatet og krever mindre effekt fra motoren og hydraulikken:
• Multifloat® -system - tillater fritt vertikale og horisontale bevegelser.
• Større rulle bak - bedre stabilitet og mindre motstand når du klipper.
• Lengre og bredere glidesko på sidene.





Beitepusseren er av trommeltype, beregnet for kutting av langt gress, kratt, busker og lignende vegetasjon. Den vil enkelt kutte opptil 20 mm tykke greiner. Beitepusseren er det optimale klipperedskapet for steder der du trenger høy kutteeffekt og der grove kutt kan tillates.
De vanligste bruksområdene for beitepussere er steder med høyere vegetasjon som enger, veikanter, tunområder osv. Denne beitepusseren utnytter MultiOnes ypperlige hydrauliske effekt til å levere topp ytelse. Y kniver (1) leveres som standard, men den kan utstyres med flate slagjern (2)
Merk: flyteventil for lastearmen(e) anbefales på maskinen.
















• Utmerket oversikt over hele arbeidsområdet
• Kompakt med lang rekkevidde
• ACI: kontroller alle bevegelser med fingertuppene
MultiOnes kantklipper montert på arm lar deg trygt strekke kantklipperen ned til vannkanten, i grøfter, bratte bakker og andre vanskelig tilgjengelige områder. Denne kantklipperen lar deg velge mellom to klipperhoder for kraftige vekster.
DZ2-modellen er egnet for montering på MultiOne-maskiner, fra serie 7 til 10.
Y kniver (1) leveres som standard, men den kan utstyres med flate slagjern (2) (C035307 - til Kantklipper 80 - C890655 - til Kantklipper 96) eller Verticut (3) (C035312 + Y kniver - kun til Kantklipper 80).
Merk: maskinen må være utstyrt med ACI. Flyteventil for lastearmen(e) anbefales på maskinen.
Dimensjoner (cm) Modell
Kantklipper med arm
Kantklipper 80 for
Kantklipper 96 for
(*) C890611 eller C890784 kreves
Tilpasset
Modell
Arm + 80 kantklipper
Arm + 96 kantklipper




















• Kraftig plenklipper med oppsamler
• Kan også brukes til å samle opp løv fra plener
• Nytt flytesystem garanterer enkel betjening og godt klipperesultat også på ujevne plener
• Lavt støynivå og ikke støv
• Avrundede kanter - mindre skader på trær, bygninger osv. ved kontakt
• Automatisk stoppventil - stopper knivene når Tornado løftes fra bakken

MultiOne Tornado plenklipper, som er designet for vedlikehold av grøntområder på profesjonelt nivå, klipper effektivt både tørt og vått gress. Ved å bruke den patenterte MultiOne Tornado, kan du i en enkelt overkjøring klippe, plukke opp og samle avklippet i den interne oppsamleren uten støy eller støv. Knivene på plenklipperen kutter gresset, bladene osv. til et veldig fint materiale som deretter flyttes til oppsamleren. Det organiske avfallet er ideelt materiale for kompostering. Oppsamlerens kapasitet er så stor som 250 liter, noe som muliggjør klipping av små til mellomstore områder. Tømming av oppsamleren er veldig enkelt: løft plenklipperen opp fra bakken med MultiOnes bom og vipp den fremover så mye at gressavfallet skyver lokket opp og avfallet faller ut. Oppsamleren kan enkelt lastes direkte på en tilhenger. Takket være den utmerkede sugeeffekten er det også mulig å samle opp løv og blader fra plenen. Merk: flyteventil for lastearmen(e) anbefales på maskinen.
kontroller maskinens løftekapasitet
















• Utstyrt med automatisk stoppventil
• Flytesystemet garanterer enkel betjening og godt klipperesultat også på ujevne plener

• Bak- eller sideutkast som standard, bioklippsett tilgjengelig som tilleggsutstyr
• Fire punkteringsfrie hjul
Ideell for finklipping, for eksempel golfbaner og klipping av store plener. Plenklipperen er designet med tre kniver (to kniver på mod. 100) som klipper med overlapp som forhindrer uklippede striper.
MultiOnes omfattende designerfaring gjør plenklipperen svært pålitelig og garanterer klipping av høy kvalitet. Plenklipperens fire uavhengige hjul på rammen gjør at plenklipperen følger konturene i underlaget. Den er utstyrt med MultiOne flytsystem, som garanterer optimal kontakt med bakken også på ujevne plener. Plenklipperen er også utstyrt med en automatisk stoppventil som stopper knivene når plenklipperen løftes fra bakken. Takket være MultiOne teleskoparmen(e) er det dessuten mulig å klippe gresset under trær og busker der en vanlig gressklipper ikke kommer til. Plenklipper mod. 100 har bioklipp som standard. Bioklippsett er tilgjengelig som tilleggsutstyr på modell 120, 150 og 180. Merk: flyteventil for lastearmen(e) anbefales på maskinen.
















• Rask og effektiv drift
• Passer til sand- eller leirjord
• Utstyrt med blader av knivtype
Jordlufteren er helt mekanisk, og den kutter og gjennomborer bakken ved å bruke kileformede pigger. Kuttesporene gjør at luft, gjødsel og vann effektivt når plenrøttene i sand- eller leirjord. De åpne hullene lukkes raskt etter at vann får den komprimerte jorda til å ekspandere.
Kuttedybden for piggene kontrolleres enkelt ved hjelp av de to ledehjulene, noe som gir konsekvente resultater.
Jordlufteren er også utstyrt med mekaniske støtteben som løfter piggene opp fra bakken for lagring.
Det er det ideelle redskapet for vedlikehold av hager og idrettsplasser der MultiOne-maskiner, takket være fremdriftssystemet, ikke skader gresset.
Merk: flyteventil for lastearmen(e) anbefales på maskinen. Modell

















• Hullene holder seg åpne lenge
• Passer for tung leirjord
Plenlufteren trenger ned i bakken og trekker plugger av gress og jord opp fra bakken og etterlater pluggene på overflaten. Hullene som skapes gjør at luft, gjødsel og vann effektivt når plenrøttene i tung leirjord.
Kuttedybden for plenlufteren kontrolleres enkelt ved hjelp av de to ledehjulene, noe som gir konsekvente resultater. Jordlufteren er også utstyrt med mekaniske støtteben som løfter piggene opp fra bakken for lagring.
Det er det ideelle redskapet for vedlikehold av hager og idrettsplasser der MultiOne-maskiner, takket være fremdriftssystemet, ikke skader gresset.
Merk: flyteventil for lastearmen(e) anbefales på maskinen.

















• Kuttevinkelen kan justeres elektrisk.
• Tidsbesparende redskap
• Veldig høy klippekvalitet
• Klippebjelke er egnet for kutting av fine blader, samt kraftige vekster
Hekkeklipperen er det perfekte redskap for klipping av hekker. Kombinasjonen av klippearmens vinkeljustering og MultiOne-armens lengde gir utmerket rekkevidde. Ved å bruke hastigheten og fleksibiliteten til MultiOne, er det raskt og enkelt å kutte rette hekkprofiler. Klippebjelker er tilgjengelig med maks. kuttediameter for greiner på 1 cm eller 3 cm. Maks. sideforskyvning 45 cm.
Tilpasset
Modell
Hekkeklipper 10 - 160
Hekkeklipper 30 - 160
Hekkeklipper 10 - 210
















• Robust og økonomisk lang slåmaskin
• Kompakt størrelse
• Kostnadseffektiv
• Rask
MultiOne hydraulisk drevne slåttebjelke er designet for å raskt og effektivt å kutte langt gress og høy på åker, enger og i veikanter.
Takket være den kompakte størrelsen er den lett å transportere og kan brukes i vanskelig tilgjengelige områder.
Den er utstyrt med to kniver, en fast og enn som beveger seg.
Slåttebjelken er ideell for kutting av gress som skal høstes i en sekundær prosess.
Den er utstyrt med to justerbare glidesko for å stille inn kuttehøyden.
Merk: flyteventil for lastearmen(e) anbefales på maskinen.

















• Den enkleste måten å løfte og transportere potter, planter, trær med rotklumper og tønner med mer uten å forårsake skade.
• Utmerket verktøy for planteskoler og i landskapspleie
MultiOne potteklo er designet for å løfte og transportere runde gjenstander, for eksempel potter, planter eller trær med røtter, tønner og mer uten å forårsake skade. Klemkraften kan justeres med en ventil, noe som betyr at alle slags gjenstander kan håndteres uten å skade dem.
Det er et ideelt redskap for planteskoler som, takket være MultiOne-maskinens kompakte størrelse, kan transportere både plantepotter og maskinen på lastebil eller tilhenger for å gjøre lossingen på leveringsstedet enkelt og raskt.

















EGENSKAPER OG FORDELER
• Rekkevidde til siden opp til 3,72 m
• Enkel klipping eller trimming på høyre side
• ACI: kontroller alle bevegelser med fingertuppene
Den teleskopiske sidearmen er utstyrt med en rett teleskoparm og en arm som kan vippes. Teleskoparmen strekker seg 1,05 m hydraulisk til siden, og bevegelsen på vippearmen er 45° ned og 90° opp fra horisontal posisjon.
Redskap som er montert på sidearmen, gir etter når det treffer et hinder. Sidearmen vil returnere til normal posisjon så snart hindringen er ute av veien. Y kniver (1) leveres som standard, men den kan utstyres med flate slagjern (2) (C035307 - til Kantklipper 80 - C890655 - til Kantklipper 96) eller Verticut (3) (C035312 + Y kniver - kun til Kantklipper 80).
MultiOne motvekt C883077 kreves.
Merk: maskinen må være utstyrt med ACI.





1
2
3
Motvekt bak
(*) C890950 eller C890611 eller C890784 kreves (**) C890551 og C883077 kreves
Tilpasset
M1-15 med:
Grenkutterbjelke 150
Kantklipper 80/96



















EGENSKAPER OG FORDELER
• Klipp på begge sider
• Fire kuttealternativer
• ACI: kontroller alle bevegelser med fingertuppene Kompakt, lett og manøvrerbar, den leddete sidearmen M1-30 er designet for entreprenører, kommuner og eiendomssjefer som jobber med landskapspleie og parker og hager. Den leddete sidearmen M1-30 kan gjøre alt fra gressklipping til treskjæring takket være forskjellig påmonterte redskaper som hekkeklipper og beitepusser. Det er det ideelle redskapet med stor rekkevidde som kan brukes til plenklipping og trimming av hekker i svært trange områder. Føreren har frihet til å arbeide på begge sides av maskinen. Merk: maskinen må være utstyrt med ACI.
Leddet sidearm M1-30 (1) 3 m / / /
1 Hekkeklipper 10 - 160 (2) /
2 Hekkeklipper 30 - 160 (2) /
3 4 hoders 140 trimmer (3) 140
4 Knivsett (4) (alternativ for 4 hoders 140 trimmer) / 8 / C890673 (1) C890666 eller C890667 eller C890671 eller C890610 kreves - (3) C890940 kreves - (4) C890671 kreves
Tilpasset
M1-30 med:
Hekkeklipper 10 - 160
Hekkeklipper 30 - 160
4 hoders 140 trimmer
















EGENSKAPER OG FORDELER
• Rask sprøyting av store områder
• Justerbart trykk og tilførsel
• Sammenleggbar sprøytebom
• Utstyrt med håndsprøyte med 50 m slange
Den hydraulisk drevne MultiOne-sprøyten er det riktige redskapet for rask og effektiv sprøyting av kjemikalier og sprøytemidler. MERK: MultiOne anbefaler at føreren bruker egnet personlig beskyttelseutstyr under håndtering og sprøyting av kjemikalier.
Den sammenleggbare 4,5 m brede sprøytebommen, kombinert med en 120 l tank, gir rask dekning av store områder. Dysene er utskiftbare og justerbare for å sikre riktig påføring av kjemikaliene, noe som gjør dette systemet ideelt for vedlikehold av landskap og gressområder.
Denne enheten leveres som standard med en 50 m slangetrommel med håndsprøyte og dyse. Det er også mulig å nå de mest utilgjengelige steder, som tretoppene. Systemtrykk og tilførsel kan justeres for å møte kravene for sprøyting. Sprøyten er utstyrt med et filter og en liten separat vanntank med kran som er nyttig for å vaske hendene.



kontroller
















• Trimmertråd med lav slitasje
• Variabel forskyvning (+/-25 cm)
• Effektiv og pålitelig
MultiOne gresstrimmer er et ideelt verktøy for fjerning av ugress og planteskudd rundt trær. Den er hydraulisk drevet og fjerner ugress forsiktig uten å skade trestammen.
Gresstrimmeren kan forskyves til høyre, noe som gir rom for varierte arbeidsbetingelser. Utskifting av de slitesterke gummitrådene gjøres raskt og enkelt.
















EGENSKAPER
• Dobbel skjæring sparer tid
• Fullstendig justerbar
• Enkel å kontrollere
Den hydraulisk drevne hekksaksen med doble knivbjelker lar deg kutte toppen og sidene samtidig på vinranker eller store vekster. Hver ramme og sverd kan justeres uavhengig, og MultiOnes bom gir ekstra fleksibilitet og kontroll. Vinkelen på den horisontale knivbjelken kan justeres manuelt. I tillegg kan vinkelen til begge knivbjelkene justeres samtidig direkte fra førersetet ved hjelp av en elektrisk aktuator. Den er utstyrt med støtteben for lagring i perioder uten bruk.
Rammen kan forskyves til høyre (maks. 40 cm) for å gi rom for varierende arbeidsforhold.
















EGENSKAPER OG FORDELER
• Støtdempet fjærsystem
• Slitesterk beskyttelse
• Flytfunksjon
Slåmaskinen for radkulturer er designet for å klippe gress og busker rundt trær, rekkverk, trafikkskilt og andre hindringer. Flytesystemet lar slåmaskinen følge bakkekonturene automatisk. Systemet gir utmerket produktivitet og et jevnt kutt. Slåmaskinen kan forskyves til høyre, noe som gir rom for varierende arbeidsvilkår. Den er utstyrt med en hydraulisk ventil som forhindrer reversering av knivene. Merk: flyteventil for lastearmen(e) anbefales på maskinen.
















• Full kontroll på vibrasjonsfrekvens (opptil 40 Hz)
• Kan brukes på trær med bred stamme
• Oppsamler for avlingen, 5 m
• Innhøsterens hode er vippbart (± 40 °)
Innhøsteren inneholder den mest avanserte innhøstingsteknologien for oliven, mandler, nøtter, pistasj, osv. Innhøsteren krever en minimumsavstand på 70 cm fra bakken til bladverket. Den justerbare vibrasjonsfrekvensen maksimerer effekten på frukten, og unngår lavfrekvente vibrasjoner på stammen. Avhengig av grunnforholdene kan så mange som 40 til 60 trær behandles per time. Den hydraulisk opererte oppsamleren har en diameter på 5 m, som samler frukt fra selv store trær. Den er utstyrt med en hydraulisk åpningsluke som gjør det mulig å tømme avlingen som er samlet opp direkte på lastebiler eller tilhengere. Innhøsterens hode drives av en kompakt hydraulisk motor og kan vippes til høyre og venstre (± 40 °).
Merk: maskinen må være utstyrt med ACI. Modell


Hode på vibrerende innhøster 0-35 cm / / 330 kg C891000
Oppsamler / 300 kg 5 m 180 kg inkludert (*) kontroller maskinens løftekapasitet
















• Høyt trykk, hydraulisk drevet pumpe
• Tank av polyetylen
• Tank med rent vann for håndvask
• Utstyrt med håndsprøyte med 50 m slange
Vingårdssprøyten er en allsidig sprøyte som er egnet for sprøyting av vinmarker, sprøyting av ugress på åpne åkrer og i radkulturer.
Sprøytebommene kan roteres og justeres i høyden. Dysene er spesielt designet for effektiv sprøyting uten svinn. Tanken har høy kapasitet og er utstyrt med en nivåindikator. Den tillater lange arbeidsøkter uten å måtte stoppe for å fylle sprøytemiddel. Trykket er justerbart og det er et filter for å hindre tilstopping. Sprøyten har en liten separat vanntank utstyrt med kran som er nyttig til håndvask.
Merk: MultiOne anbefaler at føreren bruker egnet personlig beskyttelseutstyr under håndtering og sprøyting av kjemikalier.
Vingårdssprøyte
(*) kontroller maskinens løftekapasitet
Tilpasset
















• Multifunksjonsredskap
• 6 profesjonelle redskaper for vingårder
• Passer for rader fra 200 cm Bredde
MultiOnes redskapsbærer for vingårder er en multifunksjonell redskapsbærer for et bredt spekter av redskaper i bruk på vingårder. Denne redskapsbæreren er utstyrt med en elektrohydraulisk fordeler med 4 funksjoner (vippe bakover / vippe sideveis / sideforskyvning / høyde) betjent gjennom en multifunksjonsspak plassert i førerhuset. Et hydraulisk system ruller redskapet tilbake for å unngå skader på planter. Merk: flyteventil for lastearmen(e) anbefales på maskinen.
Modell
Redskapsbærer for vingårder (basismaskin)
1
2
3
4
5
6 Roterende kantklipper
(*) C890760 kreves
Tilpasset






















EGENSKAPER OG FORDELER
• Økonomisk redskap til å jevn grus, sand og jord
• Eliminerer nesten behovet for manuell skuffing og planering på arbeidsplassen
Et enkelt og billig, men utrolig nyttig og effektivt redskap for utjevning og planering av større områder. Med MultiOne slodd kan du enkelt og raskt jevne ut sand, jordmaterialer osv. Slodden oftest til:
- Midlertidig planering av plener
- Planering av gårdsplasser
- Planering av innkjørsler
Slodden kan også brukes til å løfte lette materialer som torvruller, verktøy osv.


















EGENSKAPER OG FORDELER
• Perfekt redskap til komprimering av jord
• Vekter kan legges på for å øke komprimeringen


• To modeller: strekkmetall og fyllbar slett overflate
Et enkelt og billig, men utrolig nyttig og effektivt redskap for utjevning og komprimering av større områder. Med MultiOne trommel kan du enkelt og raskt jevne ut sand, jordmaterialer osv.
Trommelen brukes oftest til:
- Midlertidig planering og komprimering av plener
- Komprimering av gårdsplasser
- Planering og komprimering av innkjørsler
Tilpasset
Modell
Slett, fyllbar trommel
Strekkmetallvalse
















OG FORDELER
• Et rimelig verktøy for fjerning av stein, trestubber, røtter osv. fra bakken
• Eliminerer enorme mengder manuelt arbeid
Grubben er et billig og praktisk talt uerstattelig verktøy ved grunnarbeid. Med grubben er det lett å fjerne røtter og steiner fra hardpakket underlag uten anstrengelse. Tennene på grubben er 30 cm lange for å kunne trenge dypt ned i underlaget og garanterer lang levetid for redskapet.
De 3 tennene på grubben presses ned i jorda ved siden av det en ønsker å fjerne. Når tenner er presset ned i underlaget, vipp grubben bakover og løft lastearmen for å rive objektet løs og opp av bakken.

















EGENSKAPER OG FORDELER
• Pålitelig og kraftig
• Justerbar jordfreser
• Justerbar arbeidsdybde
Den kraftige MultiOne jordfreseren er det ideelle redskapet for å forberede jorda for såing eller planting, selv under tøffe forhold og for harde jordtyper. I en overkjøring løsner den hydraulisk drevne jordfreseren opp jorda, ugress og krattvekst rives opp med rot, og jorda jevnes. Den solide rammen og kjedeoverføringen sikrer holdbarhet og pålitelighet. De kompakte dimensjonene kombinert med smidigheten til MultiOne-maskinene gjør den til et ideelt redskap for trange områder. Merk: flyteventil for lastearmen(e) anbefales på maskinen.

















EGENSKAPER OG FORDELER
• Profesjonell, effektiv rotorharv for planering av topplaget
• Førsteklasses planering med kun en overkjøring
• Kan utstyres med såmaskin - ferdig sådd plen i en enkel operasjon
MultiOne rotorharv er utmerket til planering av plener, tun, hager osv. - for arealer der bakken må være perfekt planert. Den harver bare opp topplaget og gir en veldig fin overflate for såing. Arbeidsdybden justeres med den bakre rullen som også jevner underlaget klart for såing ved bruk.
Med såmaskinen som er tilleggsutstyr kan du lage en ferdig plenoverflate i en operasjon. Rotorharv brukes oftest til lettere planering av topplag.
Merk: flyteventil for lastearmen(e) anbefales på maskinen.
TILLEGGSUTSTYR
Såmaskin for rotorharv 110
Såmaskin for rotorharv 130
C890526
C890527
Såmaskin for rotorharv 150 90 kg C890528
Tilpasset
Modell
110 m/rull
130 m/rull
150 m/rull
















EGENSKAPER OG FORDELER
• Kraftig og rask
• Justerbar arbeidsdybde
• Kan tiltes
MultiOne rotorrive er det ideelle verktøyet for å forberede jorda for planting.
Ved å bruke rotorriven med støttehjulene nede, settes redskapet i stand til landskapspleie, behandling og klargjøring av jorda, og skaper et ideelt underlag for såing. Når du bruker rotorriven med støttehjulene oppe, settes redskapet i fresemodus for mer aggressiv jordforberedelse. Den kan manuelt vippes til høyre (17°) og til venstre (21°)
Siden rotorriven ikke krever mye effekt, fungerer den godt sammen med selv de mindre maskinene. Merk: flyteventil for lastearmen(e) anbefales på maskinen.

















EGENSKAPER OG FORDELER
• Profesjonell, effektiv steinbegraver
• Førsteklasses, planert overflate med kun en overkjøring
• Kan utstyres med såmaskin - ferdig sådd plen i en enkel operasjon

Profesjonell hydraulisk steinbegraverfres for klargjøring av såbed for plen. Steinbegraverfresen freser jorda, molder ned stein og andre gjenstander ned til 150 mm dybde i en vending, og lager et oppsmuldret og pakket toppsjikt. Arbeidsdybden kan reguleres med valsen bak. Med såmaskinen som er tilleggsutstyr kan du lage en ferdig plenoverflate i en operasjon. Steinbegraverfres brukes oftest dersom topplaget må freses grundig.
Merk: flyteventil for lastearmen(e) anbefales på maskinen.
Modell Arbeidsbredde Arbeidsdybde Kniver
Tilpasset
Modell
114 m/rulle
132 m/rulle
















• Spiralbevegelsen til skovlene trekker plogen gjennom jordlaget
• Jorda strømmer ut på høyre side
• Den horisontale gravingen forårsaker liten eller ingen hard overflate
MultiOne roterende plog kan enkelt grave seg ned i alle typer jord, til og med komprimerte, steinfylte jordlag som aldri har blitt bearbeidet. Den roterende plogen fungerer godt i områder med eksisterende torv. Den hakker og begraver gresset og røttene uten at det lett vikler seg fast.
Den roterende plogen er en kraftig og effektiv metode for å forberede jorden din til planting, og den kan også fungere effektivt i trange arbeidsområder, f.eks. ved siden av fortau, fortauskanter og andre bygninger. Den roterende plogen stikker ut på høyre side av bæremaskinen. Skovlene kan skiftes ut når de er utslitt.

Tilpasset
















• Spesielt designet for å plante om trær
• To skjærehoder tilgjengelig
Den kraftige hydrauliske drivenheten er tilgjengelig med to skjærehodediametre, spesielt designet for treplanting. Det spesielle skjærehodene former hullet uten å komprimere den indre hulloverflaten, slik at treet enkelt kan slå rot.
Det er det ideelle redskapet for arbeid i planteskoler, for landskapspleie og for skogplanting. Skjærehodene er utstyrt med utskiftbare tenner.

Jordbor for treplanting, drivenhet, spiralbor T3 (krever C890811 eller C890812)
Skjærehode 80
Skjærehode 100
C890832
/ C890811
/ C890812
















• Utmerket oversikt over freseområdet
• Freser store stubber uten forflytning
• Utskiftbare tenner
• Utstyrt med gummibeskyttelse - forhindrer at treavfall flyr rundt.
Den hydraulisk drevne stubbfresen er et nødvendig redskap for landskapspleie og skogpleie. Denne enheten svinger hydraulisk fra side til side, og freser effektivt ned stubben så dypt under bakken som nødvendig. Den er utstyrt med et hydraulisk svingesystem som flytter fresehjulet til høyre og venstre ved fjerning av store stubber. Stubbfresen styres trygt fra MultiOnes førersete. Det solide fresehjulet i stål og de kraftige utskiftbare tennene sikrer langvarig freseytelse. Stubbfresen er også utstyrt med mekaniske støtteben som hever den fra bakken ved lagring. Merk: maskinen må være utstyrt med ACI.

ACI
ATTACHMENT CONTROL INTERFACE
















EGENSKAPER OG FORDELER
• Freser store stubber raskt
• Tenner med karbidspisser
• Utmerket oversikt over freseområdet
• Utskiftbare tinder
• Utstyrt med gummibeskyttelse - forhindrer at treavfall flyr rundt.
Stubbfresen er designet for maksimal brukstid og monteres direkte foran på en MultiOne maskin. Dette gir enkel manøvrering i trange områder og nøyaktig posisjonering der fresearbeidet skal utføres. Montering av stubbfresen vinkelrett mot føreren, gir økt sikt til freseområdet, noe som gir føreren samme oversikt som for alle freser som trekkes bakover med maskinen.
Stubbfresen er det ideelle redskapet for landskapspleiere, huseiere med hager, parkfasiliteter, kommuner og utleieentreprenører.
Stubber fjernes enda raskere når den brukes på maskiner utstyrt med hydraulikk med stor kapasitet.
Det solide fresehjulet i stål med utskiftbare tennene med karbidspiss freser effektivt gjennom hardt tre, og gir lang levetid og høy brukstid for redskapet.
Tilpasset
















• Kraftig jordbearbeider – knuser små røtter og grener samt is og hard, kompakt jord
• Karbidskjærende tenner
MultiOne jordbearbeider viser sin allsidighet ved å knuse hard jord, rydde land for utbygging, vedlikeholde grusveier, knuse is og fjerne små røtter og grener.
Hydraulikkmotoren er direkte koblet til for å eliminere vedlikehold av transmisjonen.
Rotoren er utstyrt med utskiftbare og kostnadseffektive karbidskjærende tenner.


















• For rydding av felt med grener og busker med stammediameter fra 50 mm til 100 mm diameter
• Kompakt design
• Kraftig ramme
• Avviser på toppen av rammen
Den nye krattslåmaskinen er det ideelle valget for å vedlikeholde både innmark og utmark med mye kratt. Det er et robust utstyr, egnet for nedskjæring av grener og busker med stammediameter fra 50 mm til 100 mm. Maskinen lager et rent og nøyaktig snitt uten å flise opp stammene. Dens kompakte design garanterer for brukervennlighet og mulighet for bruk selv i områder med tett vegetasjon. Den egner seg meget godt på udyrket, ulendt mark med kraftig gjengroing av ugress og kratt. Krattslåmaskinen har en dobbeltknivkonstruksjon der den nedre kniven står fast mens den øvre er hydraulisk drevet. MultiOne krattslåmaskin er helt i toppsjiktet når det gjelder design, pålitelighet, arbeidshastighet og kuttkvalitet. Slåttebjelken har Hardox-kniver, som er veldig sterke og motstandsdyktige mot påkjenninger. Leddet ramme beskytter maskinen mot skader fra overdimensjonert kratt og grove busker. Rammen har også en avviser på toppen som beskytter maskinen mot fallende busker og småtrær.


















EGENSKAPER OG FORDELER
• Tilgjengelig med hydraulisk rotator eller som fritt roterende versjon
• Allsidig redskap for transport og lasting av tømmer, greiner m.m.
• Lastholdeventil
• Roterende tømmerklo tillater også transport på langs - gjør det mulig å passere gjennom trange områder med lange stokker og forenkler arbeidet i tett skog
Tømmerklo er et redskap som lar deg ta tak i trestammer, grener, treavfall, kantstein osv. og transportere dem både på langs og på tvers. Dette gjør det mulig å passere gjennom trange områder også med lange tømmerstokker, og muliggjør lasting på tilhenger eller på stabel i alle retninger. Den er utstyrt med en tagget stang oppe for å flytte greiner og en nede som hindrer at stammen svinger under transport. Tømmerkloa er tilgjengelig enten med hydraulisk rotator eller som fritt roterende versjon.
(*) kontroller maskinens løftekapasitet
Tilpasset Modell
Tømmerklo
















EGENSKAPER OG FORDELER
• Kraftig og kompakt hydraulisk vinsj
• Utstyrt 25 m wire
• Føreren kan sikkert og enkelt kontrollere den fra førersetet
MultiOne hydraulisk vinsj gjør det mulig å trekke alle slags gjenstander (f.eks. tømmerstokker, stolper, båter) fra steder der du ikke kan komme til med maskinen.
Vinsjen er utstyrt med et sikkerhetsgitter, 25 m stålwire og en krok. Den drives av en kraftig hydraulisk motor og monteres på MultiOnes hurtigkoblingsplate. Vinsjen er enkel å bruke, en person kan enkelt håndtere den. Kontrollspak (eller bryter) for tilleggshydraulikk settes til kontinuerlig strøm (låsestilling) fra førersetet, som frigjør wiretrommelen slik at wiren kan trekkes ut for hånd. Når wiren er festet til ønsket gjenstand, går operatøren tilbake til førersetet og setter spaken for tilleggshydraulikk (eller bryteren) i motsatt retning og vinsjen begynner å trekke inn wiren.
Vinsjen stopper så snart spaken for tilleggshydraulikk (eller bryter) slippes.

Tilpasset Modell Wirelengde
















EGENSKAPER OG FORDELER
• Kraftig og sikker trekutter
• Rene og presise kutt
• Utmerket verktøy for tynning av skog, rydding av trær osv.
• Takket være den sterke kloa er treet lett å frakte bort
• Tilgjengelig med hydraulisk eller fast kniv
MultiOne trekutter er effektiv og nyttig, beregnet på tynning av skog, trerydding og lignende jobber der mindre trær må felles. Den kraftige kloa tar et fast grep om trestammen og kniven kutter stammen.
Treet kan så enkelt og raskt flyttes vekk med MultiOne.


To modeller er tilgjengelige: en med fast kniv for stammer opp til 10 cm i diameter og en med hydraulisk kniv for stammer opp til 15 cm i diameter. Gjennom rekkevidden til MultiOnes bom kan dette redskapet også brukes til å beskjære grener og fjerne krattvekst på vanskelig tilgjengelige steder.
Tilpasset
Modell
Hydraulisk kniv
Fast kniv
















• Anvendelig redskap for gjerde- og skogsarbeid
• Uavhengige armer som drives av to sylindre
• Kraftig tømmerklo, også for mer profesjonell og hyppig tømmerhåndtering
• Kraftig design gjør det mulig å gripe større trestammer også
Den kraftige MultiOne-tømmerkloen er et veldig kraftig og fleksibelt redskap som brukes til å gripe, løfte og transportere felte tømmerstokker på en sikker måte. De hydraulisk drevne gripearmene holder tømmerstokkene fast og sikrer dem mot de nedre gaflene. Utformingen av tømmerkloen er tilpasset både små tømmerstokker og store trestammer. Takket være den høye løftekapasiteten til MultiOne-maskinene er det mulig å utføre skogsarbeid og å laste lastebiler eller tilhengere, selv i vanskelig tilgjengelige områder.

















• Sterk hydraulisk buet klo
• Bred åpning
• Solid design gjør det mulig å gripe større stokker
• Ideell for å gripe og transportere tømmerstokker, men også store steiner
Multione industriell tømmerklo er beregnet for løfting og transport av tømmerstokker, greiner eller også store steiner...alt som passer! Kloen er utformet for å sikre jevn griping av stokker med forskjellige diametre. Den har en kraftig hydraulisk overklo, som også sikrer skikkelig grep av lange tømmerstokker. I tillegg kan dette redskapet holde enkeltvis eller flere stokker med letthet.
Dette skyldes den unike optimalt buede utformingen av kloen som gjør at stokkene kan rulle rett opp den indre overflaten av kloen. Den er ideell for rydding på tømmerlunner og lasting av tømmer der tid og penger er avgjørende, og plassen er begrenset.
Sterk og holdbar design garanterer lang levetid på redskapet.


Modell Maks belastning* Tømmerdiameter (min÷maks) Vekt Kode
Industriell Tømmerklo
(*) kontroller maskinens løftekapasitet
Tilpasset
















• Kraftig (7 tonn) og sikker vedkløyver
• Maksimal stokkdiameter 400 mm
Den hydraulisk drevne MultiOne vedkløyveren lar deg sikkert og raskt kløyve vedkubber til fyringsved. Kilen, drevet av en kraftig hydraulisk sylinder, gjør det mulig å dele tømmerstokken i to eller fire stykker med det valgfrie verktøyet. Kilevandringen er justerbar for å unngå dødtid.
Den er utstyrt med et stort justerbart kløyvebord (tre posisjoner: høy 83 cm, medium 59 cm og lav 35 cm). Med en kraft på 7 tonn er den i stand til å kløyve ved opp til 40 cm diameter.
Det er to spaker som må aktiveres med begge hender for økt sikkerhet.
Den er utstyrt med hjul for transport og kan også flyttes manuelt ved hjelp av håndtaket.

Modell Effekt Kilevandring Maks. kubbediameter Maks. kubbehøyde Vekt Kode
Tilpasset
















EGENSKAPER OG FORDELER
• Kostnadseffektiv
• Stor kapasitet
MultiOne lastekasse er et veldig nyttig redskap som brukes til å samle, transportere, lagre og tømme avfall. Den kommer i to størrelser, en 200 l kasse, og den større 400 l kassen. Hver av disse lastekassene kan stå alene når de er frakoblet fra MultiOne, og lett håndteres av maskinen når de er fulle. Den mindre modellen kan enkelt tømmes ved å løfte maskinens lastearm(er), mens den større modellen er utstyrt med en front som kan åpnes med en spak.

(*) kontroller maskinens løftekapasitet
















EGENSKAPER OG FORDELER
• Kompakt størrelse
• Utmerket redskap for kutting av grener og små trestammer
• Manuell mating og rotasjon av utkast
• Utstyrt med sikkerhetsstoppsystem
• Sammenleggbar for enkel transport
Den hydraulisk drevne flishuggeren er et kraftig redskap for raskt å redusere en stabel av kvister, hageavfall og greiner til gjenbrukbare trefliser. Kombinert med MultiOne kan denne flishuggeren anvendes i områder som ikke kan nås med en tradisjonell flishugger på tilhenger.
Redskapet er designet med en matevals som trekker grener med en diameter på opptil 90 mm inn i flishuggeren med en kontrollert, sikker hastighet. Avkappet blir deretter behandlet av kvernen, som reduserer trebitene til flis. Føreren forblir trygt i sikkerhet ute av veien under hugge-/kverneprosessen.





Tilpasset
















EGENSKAPER OG FORDELER
• Lette og slitesterke
De solide aluminiumsrampene er slitesterke og lette for enkel håndtering. Disse rampene er designet med dype riller for bedre trekkraft som muliggjør sikker og effektiv lasting og lossing av MultiOne fra lastebiler og tilhengere.
MERK: Ved bestilling, vennligst spesifiser maskinens modell, vekt og akselavstand.

















• Gjør det mulig å montere redskapet 60 cm forskjøvet til høyre fra senterlinjen
• Monteres mellom redskapet og hurtigkoblingsplaten til lasteren
MultiOne adapter for sideforskyvning er et enkelt og kraftig tilleggsutstyr som monteres mellom redskapet og maskinens hurtigkoblingsplate. På denne måten er det mulig å montere redskapet forskjøvet 60 cm til høyre. Det er veldig nyttig dersom du for eksempel skal klippe gress med en beitepusser langs en veikant.

(*) kontroller maskinens løftekapasitet

















• Gjør det mulig å vippe redskapet sidelengs og f.eks. planere underlaget med en skuffe eller skjær, eller håndtere paller på ujevnt underlag med pallegaffel
• Monteres mellom redskapet og hurtigkoblingsplaten til lasteren
MultiOne tiltadapter monteres mellom festet og lasterens hurtigkoblingsplate. Med adapteret kan redskapet vippes sideveis, og det gjør det mulig å:
• Lage forskjellige vinkler på underlaget med en skuffe eller et skjær
• Holde pallegaffelen vannrett når du kjører på skrått underlag
• Håndtere paller som står på ujevnt underlag
• Planere ujevnt underlag
Tiltadapter med maks. 14,5 graders vipping i begge retninger. Den er ideell for skuffer, skjær og pallegaffel – for jobber der vipping er nødvendig, men vippevinkelen ikke trenger å være stor
Tiltadapteret er hovedsakelig beregnet på ikke-hydrauliske redskaper, men med et ekstra uttak for tilleggshydraulikk i front er det mulig å montere også hydraulisk drevne redskaper som en 4-i-1 skuffe, pallegaffel med hydraulisk gaffeljustering, griperedskap, kunstgressredskap og fjellbor samtidig.
Modell
Tiltadapter +/-
(*) kontroller maskinens løftekapasitet
Tilpasset
















• 360° rotasjon
• Monteres mellom redskapet og hurtigkoblingsplaten til lasteren
Redskapsrotatoren er designet for en 360°, jevn, kontinuerlig bevegelse i begge retninger. Redskapsrotatoren brukes ofte i mange jobber for å snu og tømme last.
Som tiltadapteret monteres redskapsrotatoren mellom redskapet og lasterens hurtigkoblingsplate. Den er utstyrt med en hydraulisk motor og svingkrans som tillater 360° rotasjon. Maksimal lastkapasitet er 1200 kg. Rotatorens hurtigkoblingsplate er 255 mm unna maskinens hurtigkoblingsplate.
Redskapsrotatoren er hovedsakelig beregnet på ikke-hydrauliske redskaper, men med et ekstra uttak for tilleggshydraulikk på lasteren er det mulig å bruke hydraulisk drevne redskaper som en 4-i-1 skuffe, gaffelløft med hydraulisk gaffeljustering, griperedskap, osv. samtidig.
Redskapsrotator
(*) kontroller maskinens løftekapasitet
















Adapter for maskiner, for å koble til standard en-krets flat face koblinger. Foreslås for redskaper utstyrt med hydraulikksylindre, men ikke for hydraulikkmotorer. Adapteren har 3 kretser for å muliggjøre tilkoblinger for alle slags redskap.
Modell Kode
Multikobling til en-krets hurtigkobling, 3 kretser for maskiner C880221

Modell
Dette festet kan sveises på redskap som ikke har redskapsfeste tilpasset MultiOne-systemet, noe som gjør at alle redskaper kan brukes på MultiOne-maskiner. MERK: Følgende må kontrolleres før du bruker denne koblingsplaten (på kundens bekostning):
• Gjeldende lover og sikkerhetskrav.
• Maskin- og hydraulikktilkoblinger.
Redskapsfeste (for sveising) for MultiOne - 6 mm tykkelse
Redskapsfeste (for sveising) for MultiOne - 12 mm tykkelse


Koblingsadapter egnet for montering av redskap for kompaktlastere på MultiOne-maskiner.
Modell Vekt Kode
1 - MT adapterplate for kompaktlasterredskap / C890023
2 - Adapterplate for mini kompaktlasterredskap 36 kg C880230




























































