
10 minute read
L’elettrolisi del sale può essere utiliz zata nelle piscine? - Rossana Prola
L’ELETTROLISI DEL SALE PUÒ ESSERE UTILIZZATA NELLE PISCINE?
Un’analisi normativa di uno dei sistemi di trattamento acqua più utilizzati nelle piscine
Advertisement
PREMESSA
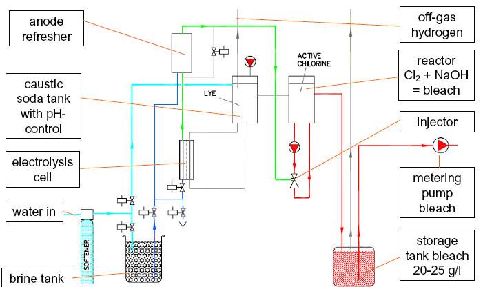
La cosiddetta elettrolisi del sale è una tecnologia utilizzata per produrre cloro a partire da cloruro di sodio, il comune sale da cucina, attraverso due elettrodi che scompongono la molecola di NaCl e producono cloro gas e/o ipoclorito di sodio. I sistemi sono diversi, quello più diffuso è l’elettrolisi “in linea”, dove la cella elettrolitica viene installata sulla tubazione di mandata dell’impianto di trattamento acqua della piscina, nella cui acqua viene introdotto il sale. Un’al ternativa è rappresentata dall’elettrolisi “in situ”, dove il cloro viene prodotto senza salare l’acqua della piscina. Questi impianti possono produrre sia cloro gas, che si trasforma immedia tamente in acido ipocloroso senza nessun pericolo, oppure ipoclorito di sodio puro, da stoccare e dosare. La produzione di cloro per elettrolisi consente di evitare lo stoccaggio e la manipolazione di prodotti chimici pericolosi.
QUANTO SALE È NECESSARIO
La concentrazione di sale necessaria al sistema di elettrolisi in linea è solitamente di 5.000-6.000 ppm (pari a 5-6 gr/lt). Da alcuni anni sono in commercio celle elettrolitiche cosiddette “a bassa salinità”, che sono in grado di produrre la stessa quantità di cloro con una concentrazione di sale molto più bassa, inferiore a 1.500 ppm. Per quanto riguarda la elettrolisi in situ, invece, il consumo di sale varia in funzione alla quantità di cloro prodotto, e l’ordine di grandezza è di qualche chilo al giorno. Nel caso dell’elettrolisi in linea il sale viene introdotto nell’acqua di piscina, nell’elettrolisi in situ il sale è a bordo macchina. È POSSIBILE SALARE L’ACQUA DI UNA PISCINA?
Tralasciamo, in questo articolo, gli aspetti tecnici relativi ai problemi che potrebbe causare l’acqua salata alla struttura ed ai componenti delle piscine, problemi risolvibili utilizzan do i materiali adatti allo scopo ed i corretti accorgimenti. Per quanto riguarda le piscine ad uso privato non esistono impedimenti, sia in forma di legge che di norme tecniche. Per quanto riguarda invece le piscine ad uso pubblico, la questione della pos sibilità di introdurre cloruro di sodio nell’acqua di piscina è dibattuta. Il punto 1.4 dell’Allegato 1 dell’Accordo tra il Ministro della salute, le Regioni e le Province Autonome di Trento e di Bolzano, relativo agli aspetti igienico-sanitari per la costruzione, la manutenzione e la vigilanza delle piscine a uso natatorio del marzo 2003,



EvoLS




elenca le “sostanze da utilizzare per il trattamento dell’acqua”, specificando che “Per il trattamento dell’acqua in immissione in vasca è consentito l’uso delle seguenti sostanze elencate come disinfettanti, flocculanti e correttori di pH”. Segue un elenco di sostanze impiegabili, diviso per categoria (disinfettanti, flocculanti, correttori di pH, antialghe). In que sto elenco non è riportato il cloruro di sodio. Ciò ha convinto alcuni tecnici della prevenzione che la produzione di cloro per elettrolisi non sia ammessa in piscina, ma questa convinzione appare infondata. Di fatto, nel 2003 la produzione di cloro per elettrolisi in piscina era del tutto sconosciuta e l’Accordo non avreb be potuto prevederla. L’elenco delle sostanze ammesse disciplina le ti pologie di prodotti e, nella categoria dei disinfettanti, è compreso il cloro, che viene prodotto dal sale tramite elettrolisi. È inoltre infondata la definizione di cloruro di sodio come “sostanza utilizzabile per il trattamento dell’acqua”, in quanto il sale di per sè non ha nessuna azione sul tratta mento dell’acqua.
IL PROBLEMA DELLO SCARICO
Un sicuro limite legislativo all’utilizzo della elettrolisi in linea è rappresentato dal limite di cloruri nelle acque di scarico, introdotto dalla Tabella 3 dell’Allegato 5 alla Parte Terza del D.Lgsl.152/06, fissato in 1.200 ppm per le acque scaricate in fognatura e/o in acque superficiali. Per rispettare questo limite, l’unico modo è utilizza re elettrolisi in linea del tipo a bassa salinità. CONCLUSIONE
Non vi è dubbio che il punto 1.4 dell’Allegato 1 dell’Accordo, così come tutto il testo dell’Allegato e tutto il testo dell’Accordo, siano stati scritti in un tempo ormai molto diverso da quello presente, e male si adattino alle soluzioni tecnologiche che vengono oggi adottate. L’Accordo in toto andreb be profondamente rivisto. Negare la possibilità di utilizzo dell’elettrolisi del sale, sulla base di una lettura restrittiva dell’Accordo, sarebbe senz’altro un errore e, soprattutto, una negazione dei molti vantaggi che l’elettrolisi of fre, sia quella in linea che, soprattutto, quella in situ.
La qualità del cloro usato è determinante per avere un buon risultato del trattamento dell’acqua. La qualità e la costanza di qualità, la conoscenza del prodotto che si acquista, la conoscenza del produttore di cloro è basilare affinché chi vende i prodotti e chi gestisce gli impianti possano avere e dare le opportune garanzie.
ACL 56® DICLORO GRANULARE by OxyChem®
L’originale solo da:




1/2 ADV CHEMARTIS
SAVE THE DATE
immagina:

L’iscrizione deve essere effettuata attraverso il sito www.professioneacqua.it
IL NUOVO CCNL DI ACQUANET E CONFLAVORO, ELASTICITÀ E RISPARMIO
Un contratto, nel rispetto dei diritti dei lavoratori, che incontra le esigenze degli operatori di flessibilità, di costi del lavoro allineati e di lavoro straordinario durante i picchi stagionali
La prima delle presentazioni previste per il nuovo contratto di lavoro per costruttori e manutentori di piscina si è tenuta a Roma il 13 febbraio scor so Il Ccnl Installatori e Manutentori Piscine è stato redatto con il fine di fornire una soluzione agli elemen ti di criticità del settore emersi da una indagine conoscitiva condotta da Conflavoro e seguendo le indicazioni di Acquanet. Dall’indagine suddetta è emerso che le esigenze più pressanti per gli operatori sono collegate all’alto numero di ore di straordinario alle quali viene fatto ri corso, vista la stagionalità del lavoro, e alla necessità di potere assumere lavoratori a tempo determinato con maggiore elasticità. È stato rilevato, inoltre, che la mancanza di un contratto collettivo di lavoro di settore aveva creato una situazione di di sallineamento dei costi del lavoro, dovuta all’applicazione di una pluralità di contratti. Tale disallineamento spesso crea una concorrenza basata anche sul costo del lavoro. Cercando di utilizzare tutte le possibilità offerte dalla vigente normativa, Conflavoro e Confsal sono addivenute alla stipula di un contratto che risponde in pieno alle richieste degli operatori.
LE ASSUNZIONI A TEMPO DETER MINATO
Per risolvere il problema delle assunzioni a tempo determinato si è
innalzanto il limite legislativo, che prevede un numero di assunzioni a tempo determinato in misura pari al 20% dei lavoratori a tempo indeter minato in forza presso l’azienda, portandolo al 50%. In secondo luogo, è stata inserita la classificazione di stagionalità per alcune lavorazioni e mansioni individuate nella sfera di applicazione del contratto e più pre cisamente attività di: Apertura della piscina Pulizia della vasca Operazioni di manutenzione ordinaria dell’impianto di trattamento acqua Approvvigionamento di prodotti chimici Messa a riposo della piscina

Il Ccnl Installatori e Manutentori Piscine è stato redatto con il fine di fornire una soluzione alle criticità del settore emerse da un’indagine conoscitiva condotta da Conflavoro e seguendo le indicazioni di Acquanet
Rossana Prola, AcquaNET, e Roberto Capobianco, Conflavoro

Queste operazioni, inquadrabili nel periodo che va da maggio ad ot tobre, sono considerate stagionali e, pertanto, per la loro esecuzione possono essere assunti lavoratori con contratto a tempo determinato senza alcuna limitazione. Per le mansioni suddette, inoltre, possono essere assunti con contratto a tem po determinato anche gli apprendisti. In questo caso la durata massima del periodo di apprendistato è pari a 24 mesi spalmabili nell’arco di 48 mesi (in pratica 4 stagioni di lavoro).
IL LAVORO STRAORDINARIO
Passando al problema relativo agli straordinari, le soluzioni individuate consentono sia di ridurre l’impatto del limite annuo di ore di straordi nario contrattualmente previste (250 ore), introducendo, accanto allo strumento della flessibilità, anche la possibilità di adottare un orario di lavoro multiperiodale. Lo strumento della flessibilità, da utilizzare per affronta re picchi di lavoro non prevedibili (ad esempio una commessa di lavoro importante e imprevista), consente di adattare l’orario di lavoro alle mutate esigenze produttive ricorrendo, in un determinato periodo, ad un orario di lavoro superiore alla 40 ore settimanali (entro il limite delle 48 ore) e di recuperare le ore oltre le 40 nelle settimane successive adottando un orario ridotto. Ad esempio: per 4 settimane orario di 44 ore e per 4 settimane orario di 36 ore. La media risulta essere rispettosa delle 40 ore settimanali e tutte le ore sono considerate ordinarie, cioè non si liquida la maggiorazione per straordinario quando si supera il limite delle 40 ore. Lo strumento dell’orario multiperiodale, da definire a livello di contratto aziendale, consente di definire a priori quello che sarà l’orario di lavoro, rispettando solamente la media annua di ore di lavoro corrispondente a quella di 40 ore settimanali. Nell’arco dei 12 mesi, pertanto, viene individuato il periodo durante il quale l’orario di lavoro, per es., è di 50 ore settimanali (10 ore al giorno per 5 giorni) e il corrisponden te periodo di 30 ore settimanali. Tutte le ore sono considerate ordinarie e non è vincolante il rispetto del limite delle 48 ore settimanali. Questo consente non solo di affrontare con la massima produttività i periodi di attività più intensa, ma anche di non erogare le maggiorazioni per la voro straordinario.
Elasticità e risparmio, dunque.
GLI ALTRI ELEMENTI DISTINTIVI
Il Ccnl Piscine contiene inoltre tutti gli elementi distintivi della contrattazione Conflavoro: Eliminazione dei permessi per ridu zione orario di lavoro (cosidetti ROL);
L’orario multiperiodale consente non solo di affrontare con la massima produttività i momenti di attività più intensa, ma anche di non erogare le maggiorazioni per lavoro straordinario
Ferie in misura pari a 4 settimane Periodo di prova pari a 6 mesi per quadri e primi livelli, 3 mesi per tutti gli altri livelli Nessuna limitazione di orario settimanale minimo per la stipula di contratti part-time Contratti a tempo indeterminato in misura pari al 50% dei lavoratori a tempo indeterminato in forza Scatti di merito e professionalizzazione al posto degli scatti di anzianità Integrazione di malattia per massimo 45 giorni/anno; primi tre giorni al 60% per massimo 4 eventi/anno e giorni restanti al 75% Elementi distintivi che rispettano il parere della Suprema Corte, per altro ribadito recentemente con sentenza n. 4951 del 2019, ed in linea con le previsioni Costituzionali in materia di libertà e pluralismo sindacale, purtroppo ignorate da buona parte del mondo politico e sindacale. Le mansioni sono state redatte sulla base delle effetti ve lavorazioni praticate e la tabella delle retribuzioni è stata costruita partendo dalla base del contratto me talmeccanico.
Il testo completo del CCNL Piscine è scaricabile dal sito: www.professioneacquanet.it Per informazioni: info@professioneacquanet.it t. 0376854931 - cell. 3335259383

Elettropompe e Sistemi per la Piscina
PISCINE GLOBAL




VIENI A TROVARCI STAND R69 S70 – Hall 2 17 - 20 NOVEMBER 2020 EUREXPO LYON, FRANCE


Con il cuore, anche se a distanza, cerchiamo di essere vicini: UNITI, come stiamo chiedendo di essere a tutto il nostro settore, sapremo superare benissimo questa difficile fase, per avere la determinazione e la forza necessarie per ripartire tutti insieme, aiutando a far rinascere il nostro Paese.








