
1 minute read
ENSC-42 | Inclinometer & Speed Sensor Suite
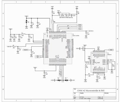
The ENSC-42 team was asked by Orebaugh Industries LLC to create a device using a speedometer and inclinometer to trigger an LED. The team created a circuit board to implement a sensor suite controlled by a microcontroller with an ultra-low cost and portable design in mind. When the device reaches a certain angle threshold, it marks the current speed, and once the speed changes to a predetermined value, an indicator is turned on. It does this by using a 9 degree-of-freedom inertial measurement unit for orientation in conjunction with a GPS module communicating with a microcontroller for control of an LED.
» Elwyn Frailey, Computer Engineering
» Luke Johnson, Electrical Engineering


» Ryan Leahy, Computer Engineering
» Kevin Wolff, Computer Engineering
ADVISOR: Vladimir Labay
DABS: Kaitlyn Helsing, Duane Radmer
SPONSOR: Orebaugh Ent. Ltd.
LIAISON: Chad Orebaugh