Skip to main content

Florida Water Resources Journal - November 2017

Page 1


Phone: 352-241-6006

Email: Editorial, editor@fwrj.com

Display and Classified Advertising, ads@fwrj.com

Business Office:

P.O. Box 653, Venice, FL 34284-0653

Web: http://www.fwrj.com

General Manager: Michael Delaney

Editor: Rick Harmon

Graphic Design Manager:Patrick Delaney

Mailing Coordinator:Buena Vista Publishing

Published by BUENA VISTA PUBLISHINGfor Florida Water Resources Journal, Inc.

President: Richard Anderson (FSAWWA) Peace River/Manasota Regional Water Supply Authority

Vice President: Greg Chomic (FWEA) Heyward Incorporated

Treasurer: Rim Bishop (FWPCOA) Seacoast Utility Authority

Secretary: Holly Hanson (At Large) ILEX Services Inc., Orlando

Moving?

The Post Office will not forward your magazine. Do not count on getting the Journal unless you notify us directly of address changes by the 15th of the month preceding the month of issue. Please do not telephone address changes. Email changes to changes@fwrj.com, fax to 352-241-6007, or mail to Florida Water Resources Journal, 1402 Emerald Lakes Drive, Clermont, FL 34711

Membership Questions

FSAWWA: Casey Cumiskey – 407-957-8447 or fsawwa.casey@gmail.com

FWEA: Karen Wallace, Executive Manager –407-574-3318

FWPCOA: Darin Bishop – 561-840-0340

Training Questions

FSAWWA: Donna Metherall – 407-957-8443 or fsawwa.donna@gmail.com

FWPCOA: Shirley Reaves – 321-383-9690

For Other Information

DEP Operator Certification: Ron McCulley – 850-245-7500

FSAWWA: Peggy Guingona – 407-957-8448

Florida Water Resources Conference: 407-363-7751

FWPCOA Operators Helping Operators: John Lang – 772-559-0722, e-mail – oho@fwpcoa.org

FWEA: Karen Wallace, Executive Manager – 407-574-3318

Websites

Florida Water Resources Journal: www.fwrj.com

FWPCOA: www.fwpcoa.org

FSAWWA: www.fsawwa.org

FWEA: www.fwea.org and www.fweauc.org

Florida Water Resources Conference: www.fwrc.org

News and Features

4 Denver Breweries on Tap to Produce Colorado’s First Beer From Recycled Water 20 Solving for X in the Y Domain Workshop: Helping Women in Water Succeed

42 WEF HQ Newsletter—Amy Kathman 45 Scholarships Available for Utilities to Share Innovations of Interest

FWPCOA Awards

Technical Articles

7 Progressive Color Control: Boynton Beach's High-Rate Fluidized IX System—Michael Low, Elizabeth Fujikawa, and Thomas Gillogly 22 Chlorine Dioxide Treatment for Disinfectant Byproduct Reduction—Lance Littrell, Steve Romano, Rhea Dorris, Gina Parra, Maurice Gallarda, and Joe Kuhn

38 Biologically Active Filtration for Taste and Odor Control at Lake Manatee Water Treatment Plant—Mike Nixon, Phillip Locke, and Katie Gilmore

48 Review of Packed Bed Ion Exchange for Total Activated Carbon and Color Removal in Florida Groundwater Over the Last 15 Years—Mark Machacek

Education and Training

FSAWWA Fall Conference

CEU Challenge

Columns

FWEA Committee Corner—Nicole Smith

FSAWWA Speaking Out—Grace John

C Factor—Scott Anaheim

Test Yourself—Donna Kaluzniak

FWEA Focus—Tim Harley

Let’s Talk Safety

Contractors Roundup—John Gaichino

Process Page—Ralph Aliseo, Persad Bissessar, Metason Phillips, and Timothy Ware

FWRJ Committee Profile—Operations Challenge Committee

FWRJ Reader Profile—Steve Saffels

Departments

Denver Breweries on Tap to Produce Colorado’s First Beer From Recycled Water Promotion of direct potable reuse

In early September, purified water was delivered to three breweries earmarked to become Colorado’s first to produce craft beer sourced from recycled community wastewater. The engineering firm CH2M, based in the state, is spearheading the effort to drive sustainable water reuse technology and to build public acceptance of direct potable reuse by transforming recycled water into purified water suitable for beer making and drinking.

Denver-area brewing companies Lone Tree Brewing Co., Lost Highway Brewing Co., and 105 West Brewing Co. received 330 gal of purified water produced in the AZ (Arizona) Pure Water Brew mobile advanced water purification facility, designed in part by CH2M in conjunction with the Southwest Water Campus, Pima County Wastewater, University of Arizona, and several other participating partners as part of a

statewide competition focused on increasing community dialogue on water purification and direct potable reuse.

Water Purification Process

The recycled community wastewater from Pima County’s Agua Nueva Water Reclamation Facility is pumped into the AZ Pure Water Brew purification facility. Once in the trailer, it is purified using a multibarrier purification process, including ultrafiltration, reverse osmosis, ultraviolet disinfection with advanced oxidation, activated carbon filtration, and chlorine disinfection to transform the recycled community wastewater into pure drinking water.

Pima County, Tucson Water, and the University of Arizona have performed extensive testing for all regulated drinking water contaminants,

as well as unregulated contaminants commonly found in treated wastewater. Not only is the water produced through the advanced water purification process safe, it is cleaner than bottled water and testers say it tastes delicious.

“Direct potable reuse is a real solution for stressed water supplies and for future-proofing water resources for resilient cities,” said Larry Schimmoller, CH2M reuse technology director. “By applying this technology to something our state loves—local craft beer—we’re highlighting the positive impacts recycled water can have in communities and helping to build public support for similar water reuse initiatives.”

ReuseFest

At ReuseFest, hosted by CH2M in October, invited guests had the opportunity to tour the purification facility, hear from industry experts, and taste the beer at an Oktoberfest-themed educational event.

“On average, it takes 60 ounces of water to brew just 12 ounces of beer, something our customers probably don’t realize when they reach for their favorite brew,” said Tina Pachorek, chief executive officer of Lost Highway Brewing Co. “With water under increasing demand, we want to do our part to build a sustainable future, and that’s why we excitedly accepted this opportunity with CH2M.”

Changing Perceptions

In 2015 CH2M was named the Stockholm Industry Award Winner for transforming the practice and perception of wastewater. By pioneering the third step of wastewater treatment, the company challenged the concept of water reuse by showing that all water has value, including wastewater.

Said Schimmoller, “It’s our hope, and the hope of our partner breweries, that when our guests get a taste of these special batches, their perceptions of water reuse will change for the better as they simply enjoy a great-tasting beer. We appreciate the breweries that donated their time and beer to help raise awareness and acceptance of direct potable reuse water.”

FWEA COMMITTEE CORNER

Welcome to the FWEA Committee Corner! The Member Relations Committee of the Florida Water Environment Association hosts this article to celebrate the success of recent association chapter activities and inform members of upcoming events. To have information included for your chapter, send the details via email to Lindsay Marten at Lindsay.Marten@stantec.com.

Introducing the New Reference Portfolio for Young Professionals Coordinators

Where would the water and environmental industries be without our young professionals (YPs)? They do much of the leg work it takes to complete our projects, and are our future managers and technical experts. As the rate of retirement for senior professionals escalates, maximizing the development of our young professionals is vital to the continued success of our profession.

This is why FWEA has been serving YPs through the Students & Young Professionals (S&YP) Committee and volunteer YP coordinators who serve their local chapters. We are in the unique position to provide YPs with opportunities to grow professionally, serve the community, and build connections.

When volunteers takes on the role of YP coordinator, the responsibility of planning events for their chapters rests on them and the steering com-

mittee they serve with. This can be as challenging as starting with a blank page; as such, it is much easier to plan an event that has been done before. This is great, as long as the needs of YPs are being met.

Several major specific needs of our YPs have been identified:

S Expand technical and professional skills.

S Host activities that keep their passion for our environment alive.

S Build connections with other YPs and seasoned professionals.

S Have opportunities to give back to others what has been given to them.

The goal for each chapter is to answer how these needs can come to fruition. Even though this answer will be unique to every chapter, there is now a resource available that can help set the framework for everyone.

We are excited to announce that, in order to help YP coordinators efficiently serve our YPs, there is now a “Reference Portfolio for Steering Young Professionals” that is available

A packed house for the young professionals luncheon that the West Coast Chapter hosted last spring. Kim Rogers from Hillsborough County gave a presentation on designing its pump stations.

online. Please visit fwea.org and go to the “Volunteer Resources Page” in the “Members Only” section for access to the full portfolio.

This portfolio reviews the mission that the chapters have in serving YPs, introduces basic strategies for planning a successful year of events that fulfill that mission, and includes examples for the kinds of events that can be planned and how to plan them.

This mission and these events were implemented in the West Coast Chapter last fiscal year (2016-2017), leading to great successes that have contributed to a vibrant environment for their YPs. A report of the events, the budget developed, and the flyers used are provided in the portfolio to give other YP coordinators examples of what they can do for their chapter, if they so choose.

Every chapter has its own unique needs and capacities, and YP coordinators are tasked with assessing those needs and planning activities accordingly. We hope this portfolio can help make that task easier.

For more information please contact Tyler Smith, S&YP Committee chair, at tsmith@carollo.com or myself at NSmith@MckimCreed.com.

Nicole Smith, EI, is a civil engineer intern with McKim & Creed in Tampa and is the former young professional co-chair for the FWEA West Coast Chapter. S S

Progressive Color Control: Boynton Beach's High-Rate Fluidized IX System

Michael Low, Elizabeth Fujikawa, and Thomas Gillogly

Saltwater intrusion continues to exert its influence in Florida’s coastal communities.

To help protect the surficial aquifer system (SAS), Boynton Beach Utilities (BBU) has taken multiple aggressive steps.

In addition to the installation and operation of two aquifer storage and recovery (ASR) wells, BBU is continuing to shift its utilization of SAS from the eastern to the western wellfield. While this improves the hydrogeological barrier between BBU and the ocean, it comes at a cost. The western wellfield produces lowerquality water than the eastern wellfield, and a significant portion of both the treatment assets, and future growth in demand, are at the East Water Treatment Plant (WTP), which is east of I-95.

The western wellfield, challenged with high organics (up to 13 mg/L total organic carbon [TOC]), high color (up to 59 platinum-cobalt color units [PtCU]), and hardness (up to 292 mg/L), has historically been treated by nanofiltration. While the membrane facility could have been expanded to treat the additional wellfield production, it would have stranded much of the valuable existing East WTP assets. As a result,

BBU decided to convey the western wellfield water to the East WTP for treatment; however, the existing plant, a conventional lime softening treatment facility, was not expected to be able to consistently meet a color goal of ≤5 PtCU and would be challenged by disinfection byproducts (due to the high TOC). In order to meet its goals, BBU selected to pretreat with a high-rate fluidized-bed magnetic ion exchange resin process to remove the organics and color, as an augmentation to the existing processes.

The ion exchange system was designed and constructed using a progressive design-build process. The project successfully passed demonstration performance testing in March 2017. Project photographs are included in Appendix A.

New and Improved High-Rate Process

Advancing the state of the science, the design began with what was used for the nearby Palm Beach County WTP No 2. A number of modifications were incorporated to enhance the system, including:

Michael Low, C.Eng., is manager of technical services with Boynton Beach Utilities. Elizabeth Fujikawa, P.E., and Thomas Gillogly, P.E., are vice presidents with Carollo Engineers in Lake Worth.

S Optimized contactor design

S Reduced maintenance and enhanced accessibility

S Advanced system monitoring

Optimized Contactor Design

The performance of the fluidized bed ion exchange system is dependent upon several parameters, including:

S Uniformity of flow distribution through each basin

S Uniformity of resin fluidization and contact time

S Uniformity of resin concentration

S Minimizing resin loss because high rates of resin loss will significantly increase cost of operation

Continued on page 8

Figure 1. Computation Fluid Dynamics Model Results: Conventional Clockwise Mixers
Figure 2. Computation Fluid Dynamics Model Results: Counter-Rotating Mixers

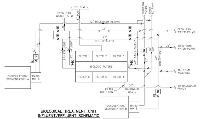
The contactor was designed to evenly split incoming flow from the west wellfield into the contactor's east and west basins, and each basin was hydraulically designed to treat flows ranging from 2 to 18 mil gal per day (mgd). Flow to each basin is controlled by an inlet-modulating valve and mag meters prior to entering an inlet-stilling chamber that eliminates the potential for air carryover into the resin bed portion of the contactor. Flow from each stilling chamber is distributed into a series of distribution headers and nozzles within the contactor. Each basin has nine vertical shaft mixers configured in a three-by-three grid. Computation fluid dynamics (CFD) modeling was used to optimize the contactor configuration. All the models had approximately 10 million computational cells, and were used to determine the following:

S Inlet distribution header configuration. Minimized head loss through the contactor and distribution headers (sizing) and nozzles (number, configuration, and type).

S Mixer speed and rotation. Optimized mixer speed paced by flow, impeller rotation orientation (upflow versus downflow), and integration of stator baffles to allow uniform resin fluidization across the basin.

S Maximize resin bed usage. Optimized ion exchange treatment and contact time through maximized resin bed depth and minimized carryover resin loss to the effluent troughs.

The general observation through the CFD studies was that if all mixers were rotating in the same direction, they would create uneven upflow distribution, reduce mixing, and create uneven resin fluidization (leading to poorer performance). Instead, using alternating clockwise/counterclockwise (counter-rotating) mixers better distributed upflow, increased mixing, and provided more even resin fluidization. Representative CFD model results are shown in Figures 1 and 2. Note the significant decrease in the areas of high velocity in the center of the basins by the use of the counter-rotating mixers.

Ultimately, the use of counter-rotating mixers without baffle stators was applied to minimize rotation and promote better localized mixing and uniformity of resin fluidization.

Reduced Maintenance and Enhanced Accessibility

While multiple design improvements were integrated into this system for improved resin dosing, resin regeneration, and resin handling, one of the visually prominent differences is the use of inclined plates (instead of tubes) to separate the resin from the treated water. Tube penetrations or larger box-outs for mixer shafts, conveyance of resin, sampling, ladder access, etc., results in hydraulic short-circuiting or dead zones in each reactor’s resin separation zone. The hydraulic short-circuiting increases resin loss and the dead zones either decrease the resin efficiency or require higher mixer energy, which in turn increases resin shear/loss.

A modular stainless steel plate pack system was selected to provide sufficient space between the rows of plates to provide the desired access through the resin separation zone, eliminating the inefficiencies caused by tube penetrations and box-outs. Furthermore, the plates are much easier to clean and more resilient than tubes, leading to a significantly longer life and ease of maintenance.

Advanced System Monitoring

A fiber optic data link ties the western wellfield water supply to the East WTP, augmenting the on-site fiber optic network (12-pair/24strand fiber optic ring). This fiber is the backbone upon which the system's Profibus DP control network runs and feeds the VTScada HMI Control System via a Siemens S7-400 PLC with dual processors to provide for redundancy.

While reducing installation costs through a dramatic reduction in the cost to install control wiring, this fieldbus network provides a richness of data for advanced monitoring of the ion exchange (and other) systems; the ion exchange system alone has 325 input/output points. This depth of data enhances operation in numerous ways. For example, monitoring the uniformity of the fluidized resin blanket and volume of resin (indicative of resin loss rate) has been traditionally challenging. An electronic depth finder will be installed to measure both the depth and profile of the settled resin surface during maintenance shutdowns, avoiding the need to drain and enter the basin to observe the settled resin (Figure 3).

Results

The ion exchange system has just completed start-up and successful performance demon-

Table 1. Summary of Ion Exchange Performance Testing Results
Figure 3. Screenshot of MIEX Basin Control.

stration testing, and the BBU staff has recently taken charge of operations. The performance testing showed that all of the water quality parameters are surpassing the specification requirements that were established for the project.

A summary of the raw water quality and performance demonstration testing parameters that were monitored are shown in Table 1.

As a function of the treatment process, there is a small amount of resin carryover from

the contactor. The contract specified that the parameter for resin loss is up to 2 gal of resin carryover per mil gal of water treated (g/MG). Measurements throughout the operational testing period demonstrated an average resin carryover of 1.7 g/MG, which was better than the specified requirement.

The benefits of the addition of the ion exchange system have yet to be established on a quantitative or qualitative basis; however, BBU

Appendix A: Project Photographs

1.Ion exchange contactor showing inlet header, flow-splitting valves, and magnetic flow meters.

2.Top of ion exchange contactor showing mixer motors and resin transfer tank.

3.Resin regeneration area showing recycled brine tank and resin regeneration skids.

4.Resin regeneration skids.

5.Interior of ion exchange contactor showing mixers and inlet distribution header.

6.Interior of ion exchange contactor showing fresh resin return line.

7.Plate modules inside of ion exchange contactor.

anticipates the following:

S Significant reduction in color allowing optimization of the lime softening process for hardness alone

S WTP capacity increase through use of a softening bypass line

S Significant reduction in disinfection byproducts

S Reduction in lime solids production and reduction in chemical usage S S

Overcoming Adversity When Nature Attacks FSAWWA SPEAKING OUT

What Hell Has Been Brought?

August and September 2017 provided a horrendous tale of destruction, death, and misery for tens of millions of people in Texas, Mexico, Florida, and the Caribbean that has not been seen in my lifetime. One after the other they came. . .

S Hurricane Harvey hit Texas on August 25 as a Category 4 and Louisiana on August 30 as a tropical storm.

S Hurricane Irma completely covered the state of Florida as it hit the Florida Keys as a Category 4 and entered mainland Florida at Marco Island as a Category 3 on September 10, then traveled up the state on September 11.

S On September 19, a 7.1-magnitude earthquake leveled Mexico City and the surrounding area, killing over 360 people and creating devastation throughout this region of over 20 million people.

S Hurricane Maria, not content to spare Dominica and Puerto Rico after they “dodged” Hurricane Irma, made a direct hit on these islands as a Category 5 in Dominica on Sep-

tember 18 (the first Category 5 landfall on the island ever recorded by the National Oceanic and Atmospheric Administration) and as a Category 4 in Puerto Rico on September 20.

S Not to be outdone, the Virgin Islands got hit twice within two weeks: Hurricane Irma on September 6 as a Category 5 and Hurricane Maria on September 20 as a Category 4.

These insults to humanity provided the most long-term and extensive destruction and suffering to this part of the planet in decades: no power, no water, no fuel, no medical supplies, limited food, and no relief in the foreseeable future for millions of people, particularly those on the many Caribbean islands devastated by Hurricanes Irma and/or Maria.

My office neighbor is Monique Durand, who is also our new FSAWWA Diversity Committee chair. Her family, including her mother and siblings, lives in Dominica, which was devastated by Hurricane Maria, and I have included here two of the many pictures her sister took of her neighborhood the day after. Dominica was hit head-on by a Category 5 hurricane and I believe we should look at these sobering pictures; if not for the grace of God, we too here in Florida could have suffered such a hit.

Time Will Tell if Humanity Overcomes Natural Disasters

This tale includes hard work, sacrifice, and love, as first responders did all that they could

to relieve the pain and suffering of people in the impacted areas, while those like me sought the best ways to help by donating money and supplies toward the relief and rebuilding effort. This story of redemption has yet to be written, but from what I have seen in the media, humanity is winning out over environmental catastrophe.

From the Florida Emergency Operations Center in Tallahassee, Ron Trygar and Carol Hinton of the University of Florida Training, Research, and Education for Environmental Occupations (UF-TREEO) Center implemented FlaWARN by facilitating over 130 requests for water utility assistance over a 12-day period after Hurricane Irma struck Florida. Since about 90 percent of the water utilities in Florida were impacted by the hurricane, the available utility resources needed to help other utilities were limited; however, the Florida Rural Water Association (FRWA) and many northwest Florida utilities were very responsive.

FlaWARN extends a special thanks to FRWA and the following northwest Florida utilities that came to the rescue after Hurricane Irma:

S Auburn Water System

S Pace Water System

S Destin Water Users

S South Walton Utility Co.

S Regional Utilities (South Walton County)

S Emerald Coast Utilities Authority

Many other utilities also provided assistance after their power was restored. The FSAWWA is proud of these utilities and the hard work and sacrifice of their water professionals.

In addition, under the Emergency Management Assistance Compact (EMAC), which is the nation's state-to-state mutual aid system, six crews from Tennessee, three from South Carolina, and one from North Carolina came to the aid of our Florida water utilities. This is the first time that outside help to provide assistance to Florida water and wastewater utilities has been provided through EMAC. Our section extends a warm and heartfelt “thank you” to the following utilities:

S Onslow Water and Sewer Authority in North Carolina

S Renewable Water Resources, Greenville Water, and Mt. Pleasant Waterworks in South Carolina

S Metro Services Nashville in Tennessee

This house in Dominica lost its roof, fencing, power, and trees after Hurricane Maria.

As of this writing, FlaWARN is waiting for Puerto Rican assistance requests through EMAC. Several Florida water and wastewater utilities are interested in assisting this ravaged United States territory.

What Can We, as Floridians, Do to Protect Ourselves?

Hurricanes are a fact of life here in the tropics. These recent disasters are an excellent opportunity to learn from our successes and mistakes and to learn from others, while recognizing that hurricanes as strong as a Category 4 and 5 may be too much for any community to handle. Also, the procedures needed for protection from a Cat 4 or a Cat 5 direct hit can be different from those needed for protection during a weaker hurricane, which makes it harder to plan effectively.

To Floridians, Hurricane Irma was a grand experiment to see which regions and utilities were best prepared for a hurricane of up to Category 3 (or Cat 4 in the case of the Florida Keys). Some utilities fared well because they had implemented sound best management practices that quickly restored power to pump stations and quickly isolated and repaired broken water mains. The utilities that planned ahead were those that fared the best and had the happiest customers. Even when some plans went awry, there were many utilities that had a “Plan B” already in place to enable them to tackle the adversity.

I want to take this opportunity to send my sincere thanks and gratitude to all of the water, wastewater, and electric utility professionals who moved heaven and earth to protect our lifesustaining access to drinking water, sanitation, and power during and immediately after Hur-

FSAWWA Saddened by the Passing of Past Chair Jack Smith

Our section lost a family member on September 15 when Jack Smith, 1985-1986 FSAWWA chair, passed away in Gainesville. Jack attended the University of Florida, majoring first in pharmacy and then in chemistry, and ultimately became a water and wastewater environmental consultant. He is survived by his

Jack Smith, FSAWWA chair from 1985 to 1986, will be fondly remembered and missed by his many friends, family, and colleagues.

Before Hurricane Maria hit Dominica, there were houses on the left-hand side of this picture, and the creek running through the street was not there (it was a road). One small child living in this neighborhood lost his life.

ricane Irma. While I have never had to work under those conditions, my father worked for Florida Power & Light for 40 years and was one of the first responders after every Florida hurricane. He got up early, worked all day and through the night, came home exhausted, got four hours of sleep, and went back to work for another day and night. I have seen the sacrifice first hand. This is what our first responders did through Hurricane Irma—and afterward.

Shortly after Hurricane Irma, FSAWWA and FWEA decided to go ahead with their Joint Utility Council meeting in Orlando on September 20, and the Associated Industries of Florida decided not to postpone the 2017 Water Forum on September 21-22. At both venues, water and wastewater utilities shared their experiences with Hurricane Irma, including what worked

wife and the love of his life, Sondra; their son, James H. Smith of Gainesville; and grandson Sean T. Smith, now an engineering student at the University of Florida. He is also survived by two brothers, an aunt, and a cousin. We extend our heartfelt sympathies to his family during this very difficult time.

Jack never did anything halfway, and threw himself into his hobbies as seriously as his working life. In his career, he went from project manager to department manager to senior vice president of CH2M, and regional manager of the Florida offices. In his spare time, he enjoyed scuba diving, kayaking, long-distance biking, golf, and Gator football, and was a private pilot. Jack is remembered fondly by his fellow past chairs and is described as a fine role model: thoughtful, cheerful, and a good friend. He often attended our past chairs summit and will be sorely missed.

and what didn’t work. These discussions were very enlightening and informative and should be the focus at future FSAWWA events.

One positive measure of the success of Florida utilities in coping with Hurricane Irma is that only about 20 percent of the water utilities in the state serving more than 10,000 people issued boil-water notices (BWNs), either as a precaution or in response to a system failure. Many of these BWNs only applied to a small area of the utility. Considering that about 90 percent of the water utilities in Florida were impacted by the hurricane, this is a very good sign of the strength and resilience of our utilities, at least during a hurricane of Category 3 or lower. Since most of Florida did not experience a hurricane of Category 3 or higher, we all need to be diligent in storm disaster planning.

West Central Florida (Region

IV) Raises More Than $10,000 at

Water For People Event

The place to be on July 25 was Hidden Springs Ale Works in Tampa listening to live music from Sisemore, eating barbeque, and enjoying craft beers during Region IV’s Water For People fundraiser. Over 139 people attended this event, which became the region’s largest Water For People fundraiser. The evening included a silent auction and raffle. We thank the following organizations for their sponsorship:

S Garney Construction

S Jones Edmund

S George F. Young

S Applied Drilling

S Carter VerPlanck

Continued on page 18

Continued from page 17

S King Engineering

S McKim & Creed

S Wade Trim

S Hazen and Sawyer

S Meskel Engineering

S Moss Kelly

Central Florida (Region III) Raises $49,000 at “Wine for Water” for Water For People

The Orlando Science Center was hopping on July 27 as over 290 people celebrated easy access to water and sanitation at the Region III annual “Wine for Water” event for Water For People. Attendees enjoyed wine and beer tasting, a silent auction, several raffles, good food, live music, dancing, and fun company.

Ticket sales were over 30 percent higher than last year, and 26 sponsors contributed financially so that thousands of people in devel-

oping countries will gain access to safe water and improved sanitation—giving them hope for a better future.

We thank Debbie Bradshaw, Yvonne Picard, Andrea Netcher, Amy Hunter, and Barika Poole for this successful event that continues to raise impactful funds each year to support Water For People and its life-changing projects around the globe.

FSAWWA Announces Member Engagement and Development Council

This year FSAWWA changed its Administrative Council to the Member Engagement and De-

velopment Council (MEDC) to welcome, guide, and encourage new and current members to actively participate in AWWA. In doing so, we reorganized some of our committees under MEDC:

S Diversity and Inclusion, chaired by Monique Durand

S Likins Scholarship, chaired by Marjorie Craig

S Membership, chaired by Jay Madigan

S Young Professionals, chaired by Jordan Walker

The FSAWWA Region IV Water For People Committee (left to right): Kris Samples, Sean Menard, Nestor Murray, Sharmeela Khemlani, Ryan Curll, Lizeth Mora, Hillary Weber, Johna Jahn, Tommy Kiger, and Amber Kiger. Not pictured: Lisa Rhea and Jason Parrillo.

Also, the Water For People Committee, chaired by Juan Aceituno, is now a board committee reporting to the Executive Committee, and the Certification and Training Committee, chaired by Ray Diaz, is now under the Technical and Education Council.

S S

This year’s “Wine for Water” event was a huge success. Congratulations to Region III for another successful event that helps underprivileged communities improve their health and sanitation by developing sustainable water supplies and eliminating waterborne illnesses.

Solving for X in the Y Domain Workshop: Helping Women in Water Succeed

Utilities and water-related industries have long shown less than representative numbers of women in key leadership positions, or even the organization as a whole. The reasons for this include the traditionally male-dominated types of positions employed by the industry.

On August 29 in Orlando, a group of 65 women and two men attended a workshop, “Solving for X in the Y Domain,” to learn how to overcome the hurdles in succeeding in maledominated fields. Participants included engineers, utility directors, attorneys, financial directors, environmental scientists, emergency preparedness experts, laboratory managers, compliance experts, and mathematicians. Many of the participants are leaders in their fields, while some are on their way up, either as students or at the beginning of their careers.

The steering committee that put together the workshop included 17 women and one man from a variety of industries and professions. The sponsors of the workshop included:

S Florida Watereuse

S American Society of Civil Engineers

S CDM Smith

S Carollo

S Black & Veatch

S England Thims & Miller

S Manson Bolves Donaldson Varn

S GHD

S City of Pompano Beach

The workshop was moderated by Dr. Gae Walters and is based on her doctoral dissertation. Dr. Walters is an organization psychologist and

executive coach with expertise in leadership development, team effectiveness, and behavioral science. She is a member of the board of directors for CDM Smith and the University of Florida Proton Theory Institute Leadership Council.

Her passion is the advancement of women in male-dominated fields. This not only shone through every aspect of the workshop, but struck a harmonic chord with the participants. Her book, Solving for X in the Y Domain, will be published in the coming months by Archway Publishing from Simon & Schuster.

Her instructions for advancing in maledominated fields without excessive bruising are based on years of study, as well as her own scientific research. She taught the group here that a woman’s ability to succeed in science, technology, engineering, and mathematics (STEM) professions comes from her self-efficacy, having parents or early mentors that help build her self-

esteem, participating in sports (especially team sports), and being able to talk to herself with a positive and can-do attitude.

Dr. Walters noted that professional women must self-monitor their behaviors. This is because woman who are leading and managing effectively are often using traditionally male techniques, which are seen as normal and successful for men, but are often seen as aggressive or inappropriate for women, creating conscious (or even subconscious) backlash. A woman who exhibits these behaviors can be branded as mean, heartless, and having inter-relational or communication problems.

Dr. Walters provided several techniques that women can use to counteract or mitigate these perceptions, including how to dress, stand, sit, participate in meetings and discussions, and develop mentoring relationships. The workshop participants shared both successful and difficult experiences and received advice on how to handle similar issues in the future.

The group learned that even with the selfmonitoring behaviors, success comes down to:

S Understanding your strengths and using them to achieve predetermined goals and dreams

S Accepting that the world is not fair

S Overpreparing

S Working hard

In the end, there will be bruises and scars, as in anything worthwhile, but with continuing education and training (such as this workshop), both women and men will benefit from having more women as strong participants in the water industry.

S S

Dr. Gae Walters opens the workshop.
Laura Donaldson, an attorney with Manson Bolves Donaldson Varn, introduces the attendees at her table and has them discuss what they hope to learn from the workshop.
Suzanne Mechler, an engineer with CDM Smith, describes a past experience to the workshop attendees.

Operators: Take the CEU Challenge!

Members of the Florida Water and Pollution Control Association (FWPCOA) may earn continuing education units through the CEU Challenge! Answer the questions published on this page, based on the technical articles in this month’s issue. Circle the letter of each correct answer. There is only one correct answer to each question! Answer 80 percent of the questions on any article correctly to earn 0.1 CEU for your license. Retests are available.

This month’s editorial theme is Water Treatment. Look above each set of questions to see if it is for water operators (DW), distribution system operators (DS), or wastewater operators (WW). Mail the completed page (or a photocopy) to: Florida Environmental Professionals Training, P.O. Box 33119, Palm Beach Gardens, Fla. 33420-3119. Enclose $15 for each set of questions you choose to answer (make checks payable to FWPCOA). You MUST be an FWPCOA member before you can submit your answers!

Earn CEUs by answering questions from previous Journal issues!

Contact FWPCOA at membership@fwpcoa.org or at 561-840-0340. Articles from past issues can be viewed on the Journal website, www.fwrj.com.

Biologically Active Filtration for Taste and Odor Control at the Lake Manatee Water Treatment Plant

Mike Nixon, Philip Locke, and Katie Gilmore (Article 1: CEU = 0.1 DS/DW)

1. The Lake Manatee facility will be the first municipal water treatment plant to use

a. powdered activated carbon at the head of the plant.

b. biologically active filtration at the head of the plant.

c. powdered activated carbon to treat plant effluent.

d. biologically active filtration downstream of ozone disinfection.

2. Incidental _____________ will occur in the biologically active filters, though this is not their primary purpose.

a. taste and odor controlb. disinfection

c. filtrationd. ion exchange

3. The granular activated carbon used in the plant’s filters will be a. anthracite.

b. polymeric.

c. bituminous coal.

d. of an effective size less than 1 mm.

4. Taste and odor detection thresholds for the two algae-related compounds tested at this facility are

a. 1–5 mg/l.b. 2 ng/L.

c. 5 ng/L.d. 5–10 ng/L.

5.Backwash water for the biologically active filters will be

a. biological treatment unit effluent.

b. raw water.

c. finished water from the distribution system.

d. powdered activated carbon pretreated water.

Progressive Color Control: Boynton Beach’s High-Rate Fluidized IX System

Michael Low, Elizabeth Fujikawa, and Thomas Gillogly (Article 2: CEU = 0.1 DS/DW)

1. In this application, inefficiencies caused by tube penetrations and box-outs were reduced by the use of

a. inclined plates.

b. higher mixing speed.

c. variable mixing speed.

d. positive displacement waste pumps.

2. The contract for this project specified ______ gal(s) of resin carryover per mil gal of water treated.

a. 1b. 1.7

c. 2d. 2.5

3. Which of the following is not listed as an anticipated quantitative or qualitative benefit of this project?

a. Reduced overall operating cost

b. Reduced chemical usage

c. Reduced disinfection byproducts

d. Reduced lime solids production

4. The principal driver behind Boynton Beach’s shift of surficial aquifer system usage to its western wellfield is

a. better raw water quality.

b. higher yield per well.

c. improved hydrological salt water barrier.

d. greater availability of well sites.

5. Computational fluid dynamics modeling indicated that which of the following mixer configurations provided the best resin fluidization?

a. Vertical turbine

b. Conventional clockwise

c. Conventional counter-clockwise

d. Alternating clockwise/counter-clockwise

Chlorine Dioxide Treatment for Disinfection Byproduct Reduction

Lance Littrell, Steve Romano, Rhea Dorris, Gina Parra, Maurice Gallarda, and Joe Kuhns

One of the largest issues facing Florida utilities today is the reduction of disinfection byproducts (DBPs) to comply with the Stage 2 Disinfection Byproducts Rule. Current treatment methods of DBP precursor reduction, such as membrane treatment, ion exchange, and granular activated carbon treatment, can incur significant capital and operational expenses. Many utilities have turned to chloramine disinfection to minimize DBP formation, which offers minimal capital expense, but chloramine disinfection brings its own routine challenges to maintaining distribution systems.

Background

Initial Considerations

Today, the most commonly used disinfectants for potable water are chlorine and chloramine. The use of chlorine is increasingly subject to criticism due to its numerous disadvantages and hazards. Chlorine represents both safety- and health-related risks and effects and reacts quickly with organic matter to form DBPs, but such effects can be mitigated by applying a disinfectant with different characteristics. As a potential alternative, chlorine dioxide (ClO2) is a strong and selective oxidizer and of-

Lance Littrell, P.E., and Steve Romano, P.E., are project managers, Rhea Dorris, E.I., is a civil analyst, and Gina Parra, is an intern at Kimley-Horn and Associates in Orlando.

Maurice Gallarda, P.E., is a managing member with Pluris Holdings LLC in Dallas, and Joe Kuhns is regional manager with Pluris Holdings LLC in Lakeland, Fla.

fers several advantages in treatment and distribution of drinking water. The ClO2 forms fewer halogenated DBPs and can be used at lower concentrations and shorter contact times to achieve disinfection than is required for chlorine and chloramine disinfection. It is also less reactive to changes in pH than chlorine and has been proven more effective over a broader range of pH than free chlorine [1]

The use of ClO2 has been implemented in distribution systems since the 1970s after the discovery of total trihalomethanes (TTHMs) and other DBPs, which are still being discovered to date. It has been utilized in Europe and the United States as both a primary disinfectant and preoxidant, with around 1,200 plants currently implementing its disinfection [1]. The selective reactivity enables ClO2 to control waterborne pathogens without reacting with organic DBP precursors. Unlike chlorine, ClO2 reactions in water do not result in the formation of TTHMs and haloacetic acids (HAA5) because “when ClO2 oxidizes organic material, it is reduced to chlorite, but does not chlorinate the resulting organics” [2]

The ClO2 can be applied for a variety of water quality issues, including DBP formation control, taste and odor issues, or nitrification in the distribution system, especially in distribution systems where water age within long dead-end mains is a concern [2]. The use of ClO2 can be tailored to a specific facility’s need; it can be used for the primary disinfectant or as a preliminary oxidant, followed by chlorine or chloramines, and has been shown to have five times stronger oxidation potential and disinfection efficacy than chlorine [3]

Regulatory guidelines, such as Florida Administrative Code (FAC) 62-555, identify ClO2 as an acceptable method of inactivating viruses and bacteria to achieve 4-log virus inactivation. The U.S. Environmental Protection Agency (EPA) reg-

Figure 1. Carbon Dioxide Pilot Test Schematic

ulates ClO2 as a primary disinfectant, with a maximum residual disinfectant level (MRDL) of 0.8 mg/L. When injected, ClO2 dissociates in water to form chlorite, which has a maximum contaminant level (MCL) of 1 mg/L. Controlling chlorite levels to comply with the MCL is one of the keys to successfully implementing chlorine dioxide.

Chlorine Dioxide Generation Overview

There are multiple ways to produce ClO2. Traditionally, chlorine dioxide was generated from the reaction of chlorine gas with sodium hypochlorite. Chlorine gas-based ClO2 generation is not recommended, due to operational difficulty and safety concerns of handling chlorine gas. Recently, it has become increasingly common to produce chlorine dioxide through reaction of sodium chlorite with an acid, such as hydrochloric or sulfuric acid.

The primary methods of ClO2 production are through an injection/eduction generator, or through combining powder components that contain stabilizers to minimize off-gassing of ClO2 while stored. Regardless of the production method, ClO2 should be produced within a 0.2-0.5 percent solution, to reduce risk of an exothermic reaction. The ClO2 used in the pilot study (to be discussed) was produced from mixing two powder components, as supplied by Twin Oxide-USA LLC, with water forming a 0.3 percent ClO2 solution.

Pilot Study

Preliminary Analysis of Need

Pluris Utility currently owns and operates the Wedgefield Potable Water and Wastewater Utility (utility). With the onset of the Stage 2 Disinfectants/Disinfection Byproducts Rule (D/DBPR), the utility attempted to maintain compliance with the DBPs through the MIEX® ion exchange treatment system to remove organics before disinfection. In recent quarters, the TTHM samples exceeded 80 parts per bil (ppb), increasing the rolling annual average of the sample sites to encroach upon the regulatory limit of 80 ppb. Prior to the study, the utility utilized sodium hypochlorite (chlorine) as the sole disinfectant for its storage and distribution system. Despite the utility’s efforts to streamline the chlorine dosage and reduce the residual concentration, it was unable to achieve TTHMs below 80 ppb in the distribution system. Even at the lower concentrations, this disinfectant’s reaction with the naturally occurring organics was producing a high level of TTHMs. As such, the utility sought alternative methods of treatment, as well as disinfectants to achieve compliance with the Stage 2 D/DBPR. Having experienced the maintenance-intensive operation efforts of chloramines and water quality concerns, the utility opted not to consider chloramine disinfection for this application.

Through field testing and laboratory evaluation of ClO2 products, the utility decided to implement a full-scale pilot test within the distribution system. Field testing efforts included demand analysis testing at the water treatment plant, with onsite residual analyzers and demand curve identification. Further investigation included laboratory testing of chlorine dioxide injection, incubation, and sodium hypochlorite injection to simulate using chlorine dioxide as a preoxidant to chlorine disinfection. This testing was completed by the University of Central Florida (UCF) Environmental Systems Engineering Institute (ESEI) team and it revealed that this application was not suitable for the utility. After reviewing the results from this testing, additional laboratory testing was conducted to simulate chlorine dioxide being injected as the primary disinfectant, followed by incubation over a five-day water-age analysis. The results from this laboratory testing proved positive for the utility in support of a full transition to chlorine dioxide and the significant potential to reduce TTHMs within its distribution system.

The ClO2 solution laboratory testing results revealed the apparent advantages of full disinfection without the negative DBP formation effects associated with chlorine. Full-scale pilot testing was predicted to have similar results, provided that the residual maintenance was achievable for the distribution system. A close watch on regulatory parameters was necessary to ensure compliance with the regulatory limits of chlorite MCL and chlorine dioxide MRDL.

The next step in the process was to demonstrate the laboratory effects on the full-scale utility system, and a pilot testing approval package was completed and submitted to the Florida Department of Environmental Protection (FDEP). While the chemical has been used in the utility industry, only a select few utilities have used chlorine dioxide as a primary disinfectant. Accordingly, several questions and comments were discussed with FDEP prior to garnering the approval to proceed with the pilot. Following approval from FDEP, the full-scale pilot test was implemented at Wedgefield’s water treatment plant (WTP).

The overarching goals of the full-scale pilot study included a gradual transition from chlorine disinfection to chlorine dioxide, vigorous field and laboratory testing of the treatment process during the transition (and after) to ensure public safety, and compliance with the regulations. The utility and onsite staff completed extensive efforts to obtain all the required samples, and their thorough analysis and consideration of the results proved very helpful in concluding the effect of each process adjustment.

At the beginning of the pilot study, ClO2 was injected into the ground storage tank in parallel with the current chlorine disinfectant dose. The

ClO2 residual in the distribution system was monitored to identify the attainment of the desired residual. Once the 0.2 parts per mil (ppm) ClO2 residual was attained, chlorine dosage was trimmed slowly to perform the gradual disinfection transition. As chlorine was reduced, continuous monitoring of the ClO2 residuals ensured the required 0.2 ppm minimum per FDEP’s approval.

To assess the regulatory water quality compliance parameters, including the Stage 2 D/DBPR, multiple sample locations were identified within the distribution system; the utility’s two compliance locations identified for HAA5 and TTHMs were also included. Each sample location was monitored routinely for chlorine residual, ClO2 residual, and chlorite concentration. The first formal location was chosen to be as close to the first customer as possible (20429 Mansfield St., Orlando, Fla.). The second formal location represents the average distribution system water age (20305 Majestic St., Orlando, Fla.). A third formal location was chosen to represent the maximum distribution system water age (19520 Glen Elm Way, Orlando, Fla.).

The pilot study sampling recorded the ClO2

Continued on page 24

residual at the point of entry (POE), averaging 0.43 mg/L, which is below the MRDL of 0.8 mg/L. The ClO2 residual was at or above the minimum of 0.2 mg/L, in compliance with Florida Administrative Code (FAC) 62-555. The chlorite concentration in the distribution system ranged from 0.02 mg/L to 0.98 mg/L, resulting in an average concentration of 0.69 mg/L throughout the pilot study; the chlorite data is below EPA’s MCL goal for chlorite of 1 mg/L. The MIEX system remained functional throughout the pilot study and will continue to be used to maintain low levels of organics and effective removal of hydrogen sulfide.

Overview of Pilot Setup and Equipment

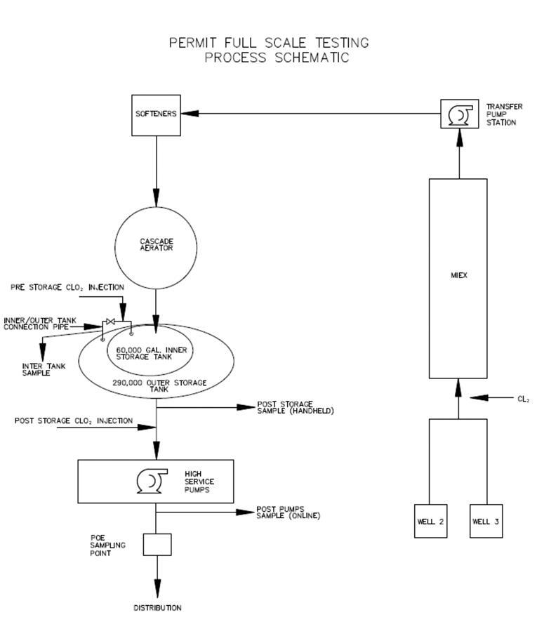
The Wedgefield WTP includes two raw water wells feeding directly into the MIEX system, with a minor dose of sodium hypochlorite to mitigate biological growth within the contactor basins. The MIEX system removes approximately 60 percent of the total organic compounds and offers the additional benefit of approximately 95 percent removal of hydrogen sulfide. The MIEX-treated water flows to a clearwell and is then partially pumped through a softening system prior to combining for tray aeration and storage in the onsite ground storage tank. The ground storage tank consists of concentric tanks and is divided into an inner tank (approximately 60,000 gal) and an outer tank (approximately 290,000 gal). Produced water flows from the aerator to the inner tank and then through a single 12-in. pipe connection using a static differential between the inner and outer tanks. High-service pumps pull finished water from the outer storage tank to meet the potable demand. The treated water was disinfected using sodium hypochlorite immediately following the tray aerators, as the water collects in the inner storage tank.

The pilot study was designed to inject a premixed 0.3 percent ClO2 solution down-

stream of the tray aerators and between the inner and outer ground storage tank to allow for backwashing of the onsite softeners from the inner tank, and prior to ClO2 injection. The location was selected to utilize the hydrogen sulfide removal currently being achieved through the MIEX system and downstream of the softeners to prevent any oxidation of the softening media. As the water is transferred from the inner to the outer tank, chlorine dioxide is injected to achieve the primary disinfection for the finished water. See Figure 1 for a plant process schematic.

The dosage of ClO2 was initiated at 1 ppm. Following injection, the ClO2 residual was monitored using the handheld ClO2 analyzer from the sample port installed on the pipeline connecting the inner and outer tank. After storage, ClO2 was monitored via a handheld, as well as an online, analyzer for continuous readings as the water enters the distribution system. Additional monitoring in the distribution system was completed using the handheld analyzer.

The pilot program included the physical components to mix, store, inject, and monitor the ClO2 disinfectant in the process stream. Given the powder supply chosen for chlorine dioxide generation, the pilot system was implemented to complete this pilot test. The specific components included the following equipment:

S Product Mixing Tank. A single 300-gal tank for mixing the two-component ClO2 product and solution water.

S Product Transfer Pump. A single pump to transfer the fully mixed, 0.3 percent ClO2 solution from the mixing tank to the storage tank.

S Product Storage Tank. Dual 600-gal tanks for storing the mixed ClO2 product to supply the chemical metering pumps.

S Inter-Storage Chemical Metering Pump. A chemical metering pump dosing system, with flow-paced control (and residual alarm), to draw from the ClO2 product storage tanks and dose the ClO2 through one injector lo-

cated at the pipe connecting the storage tank’s inner and outer tank.

S Post-Storage Chemical Metering Pump. A chemical metering pump dosing system, with flowpaced control (and residual alarm), to draw from the ClO2 product storage tanks and dose the ClO2 through one injector located in the suction piping to the high-service pumps.

S Sampling Stations. Sampling taps located within the process to pull grab samples of the treated water immediately after injection and after storage in the outer tank.

S Grab Sample Analyzer. One Palintest handheld analyzer for routine monitoring of ClO2 residual and chlorite at each of the sampling locations identified.

S Online Chlorite Sample Analyzer. One analyzer for continuous monitoring of chlorite levels at the POE to the distribution system.

S Online ClO2 Residual Sample Analyzer. One analyzer for continuous monitoring of ClO2 residual at the POE to the distribution system.

S Online ClO2 Monitoring and Control System One control panel capable of receiving the analog signals from the online analyzers, tank level monitoring, pump controls, and operator interface with the control system.

These physical components were inspected a minimum of two to four times per day as the operations staff completed its sampling efforts, as well as during the routine operation and maintenance of the existing treatment plant. Continuous operator monitoring and control was available through the internet-based supervisory control and data acquisition (SCADA) application for this system.

Optimization Plan

While starting up the chemical system, the utility staff closely monitored the residuals as the transition to ClO2 extended through the distribution system. The ClO2 chemical dosage was

Continued on page26

Figure 2. Chloroform Formation PotentialFigure 3. Total Trihalomethane Formation Potential

initiated at 1.3 ppm based on the demand testing and laboratory analysis; the dose was increased if the desired 0.2 mg/L distribution system residual was not achieved. Due to the time delay between the dose and the POE sampling point, the ClO2 dose was increased in 20-hour intervals or greater to ensure that the effective residual was monitored prior to any increased dosage. The ClO2 residual was monitored throughout the distribution system to ensure that it had reached the extent of the distribution system prior to discontinuing the sodium hypochlorite injection.

Once the sodium hypochlorite injection was discontinued, the distribution system residuals were closely monitored to ensure that a stable ClO2 disinfectant residual was maintained throughout the system. The dosage rate fluctuated at the beginning of the pilot in order to remain in regulatory compliance; it then leveled out towards the latter half of the pilot as the water quality stabilized.

Since the lag time between the injection in the inter-storage tank and post-storage tank sample was approximately 20 hours, a second ClO2 dosing system was installed with the pilot equipment to boost the residual prior to entering the distribution system. The chemical injection pump was based on an online residual analyzer located downstream of the high-service pumps and feedback to the post-storage injection pumps. It was anticipated that this post-storage injection will decrease as the demand in the storage tank is reduced with the reaction of the initial ClO2 dose. Both the inter-storage tank dosing pump and the

post-storage dosing pump were alarmed with the respective residual analyzer to ensure that the 0.7 ppm high-residual alarm is not exceeded, keeping well below the MRDL of 0.8 ppm.

Once the dosage rate was identified and set to maintain the steady residual for each well supply, the pump settings were memorialized in the operational logs and records for the facility. The pump settings were adjusted based on the established start-up settings and trimmed based on the residual ClO2 readings. While under operation, the operations staff continued to sample the residual through the sampling stations identified to maintain a steady residual throughout the distribution system.

The operations staff continuously monitored and recorded the ClO2 levels at a minimum of two times per day within the eight hours of manned operation of the treatment plant. The handheld probes identified the ClO2 levels that were used to confirm/regulate the feed rate of the ClO2, thereby maintaining the desired 0.3 ppm residual level at the discharge of the outer storage tank. In the event that the ppm level exceeded 0.7 ppm of ClO2 residual, the control system was set up to alarm and reduce the dosage pump until the residual returned to within the specified operating range.

Results and Observations

Preoxidant Evaluation

The bench-scale and laboratory testing revealed that the chlorine dioxide inhibits, reduces, and/or delays the formation of chlorinated TTHM

Figure 4. Total Trihalomethane Results

species when dosed prior to chlorine, while the brominated species were unaffected with the chlorine dioxide preoxidation dose prior to chlorine. This was observed as the testing identified a reduced chloroform species of TTHMs and delayed the initiation of the formation curve by approximately 20 hours. Figure 2 displays the formation curve for the chloroform species. The “control” sample did not contain chlorine dioxide, whereas the “test” sample contained 1 ppm of chlorine dioxide, followed by chlorine. With Wedgefield’s TTHM speciation driven mainly by brominated species, preoxidation was ruled out for this facility following the UCF ESEI analysis. Figure 3 details the delayed TTHM formation curve.

Chlorine Versus Chlorine Dioxide Transition

As with any pilot study, the planned operation rarely follows the scripted procedure. The utility and its hands-on operations team were instrumental in identifying changes and reporting the results that were observed. The initial dose of 1.3 ppm was quickly increased to address the demand on chlorine dioxide. It was noted that once the chlorine dioxide was introduced, the chlorine residual quickly began to rise and sustain chlorine residual within the distribution system. As the ClO2 dose increased and reached through the distribution system, the operation staff was quick to adjust chlorine to account for the decreased system demand. The pilot study data showed that the stronger oxidant reacted with the system demand, leaving the slight chlorine dose to achieve the 0.2 ppm residual during the initial phases of the transition. As the ClO2 residual achieved the minimum residual required for the distribution system, the chlorine dosage was gradually reduced and eliminated.

Chlorine Relationship to Chlorite

Chlorite was closely monitored throughout the entire pilot testing effort. A violation of the MCL was considered not acceptable for the pilot team and operations staff. The initial thoughts included a quicker transition from chlorine to chlorine dioxide, resulting in a clean and crisp transition. As the chlorine dosage was eliminated, the chlorite readings began to rise and it appeared that even the slightest dose of chlorine reacted with the chlorite to form chlorine dioxide, reducing the chlorite formation quickly back to a lower level. After several attempts, the utility operations staff was able to reduce the chlorine dosage using a smaller dosage pump, which made the transition less impactful for the chlorite readings.

Batch Solution Quality and the Effects on Chlorite Monitoring

The utility staff identified a potential chlorite influence to be the makeup water for chlorine diox-

ide. The hypothesis included that the purer the makeup water, the less chlorite will be formed and analyzed through the POE sample. To test the hypothesis, the operations staff installed a reverse osmosis unit to purify the feed water for the makeup solution. While the quantity of chlorite analyzed didn’t dramatically reduce, it was noted to be much more consistently measured with the online analyzer. At the low demand needed for makeup water, the utility continues to utilize the reverse osmosis unit to pretreat the makeup water prior to mixing the chlorine dioxide batches.

Total Trihalomethane Reduction

The pilot study results confirmed that the combination of ClO2 and chlorine as dual disinfectants was effective in reducing TTHM and HAA5 concentrations. Additionally, ClO2 as a primary disinfectant proved to be very successful in reducing TTHM concentrations and moderately successful in reducing HAA5 concentrations in the distribution system since the transition off chlorine was completed. The distribution system was measured for TTHM and HAA5 concentrations at both compliance locations (19520 Glen Elm Way and 20719 Macon Pkwy) for process monitoring samples and compliance samples. Figures 4 and 5 demonstrate the compliance results from the two prior compliance samples through the first 90 days of the pilot study.

Figure 4 displays the results for TTHM sampling events during the pilot study, as well as the two compliance samples, prior to initiating the pilot study. The TTHMs declined from over 110 ppb at Macon Pkwy (November 2016) to 20 ppb (about two months after commencement) and were nondetectable by June 2017 near the end of the 180-day pilot. The TTHMs were also undetectable in the September 2017 compliance samples, demonstrating the predicted results of nondetectible TTHMs. A similar curve was observed for the Glen Elm Way sampling site.

Haloacetic Acids Reduction

Unlike the reduction in TTHMs, the HAA5 concentrations also showed a reduction over the course of the study, but took a less linear approach. As shown in Figure 5, the two previous HAA5 compliance samples were well within the 60-ppb compliance limit. Over the course of the study, an increase in HAA5 was observed early in the study, followed by a steady decrease to slightly below 40 percent reduction of the prestudy results on Macon Pkwy and approximately 65 percent reduction on Glen Elm Way.

Regulatory Compliance

It was imperative to the utility that all regulations were met through the entire piloting

period. As such, special emphasis and attention was given to the chlorine dioxide MRDL and the chlorite MCL. Early control and dosing were challenged through the programming features of the control system; therefore, the chlorine dioxide residual fluctuated significantly over the first few weeks of operation. Following discussions with the operations staff regarding the control system features, a new control system was implemented to facilitate more-accurate control measures, which enabled the operations staff to hone in on the chlorine dioxide residual.

Similarly, the chlorite monitoring suffered inconsistencies early in the study and became more consistent through the latter half of the pilot study.

Meeting Chlorite Residual Standards

Laboratory results and field analysis samples taken with the Palintest handheld analyzer confirmed that chlorite levels were maintained below the MCL of 1 ppm throughout the pilot study. The peaks shown in Figure 4 are correlated to the

Continued on page 28

Figure 5. Haloacetic Acids Results
Figure 6. Chlorite Residual Results

attempts to discontinue the chlorine injection; as noted, the chlorine injection had a noticeable effect on the chlorite analysis. Figure 6 displays the daily recorded chlorite concentrations and reveals the fluctuations during the commencement of the study, and ultimately leveled off between 0.60.8 ppm, well below the MCL of 1 ppm.

Meeting Chlorine Dioxide Residual Standards

Chlorine dioxide was closely monitored to maintain compliance. Daily data from the ClO2 residual results from the pilot study are shown in Figure 7. The residual levels shown dropped below the 0.2 ppm residual towards the beginning of the pilot sampling and peaked shortly after. There were only two instances where the chlorine dioxide residual at the POE exceeded 0.8 mg/L, which were due to calibration events and subsequent erratic readings by the online analyzer. Once the control and injection system was modified by the utility’s SCADA contractor, the ClO2 results were stabilized to a level consistent with regulations by the end of the data recorded.

Residual Considerations

A chemically stronger oxidant than chlorine, ClO2 possesses a higher efficacy in virus inactivation [4]. Theoretically, a lower ClO2 disinfection residual could be maintained and still provide the same level of protection as the regulated free chlorine residual of 0.2 mg/L. Prior to, and during the 90-day study, FDEP’s regulations required an “equivalent” ClO2 residual, which was originally interpreted by regulators to mean 0.2 mg/L; therefore, the chlorine dioxide residual in the distribution system was maintained above 0.2 mg/L throughout the

pilot study, which required a chlorine dioxide residual of approximately 0.4 mg/L at the POE. The high residual required at the POE increased the amount of chlorite produced, making it a challenge to maintain the minimum residual while remaining below the chlorite MCL of 1.0 mg/L. After conducting desktop research, interviewing chlorine dioxide manufacturer representatives, investigating the chlorine dioxide history for both the City of Hamilton and Mount Vernon in Ohio, and gaining an increased understanding of ClO2 effects within the distribution system, the utility and Kimley-Horn requested that the ClO2 residual be lowered to 0.05 mg/L, which was later approved by FDEP. The extended pilot study will operate at the 0.05 mg/L minimum residual within the distribution system. The lowered required residual opens the door for other Florida utility providers to investigate ClO2 as a primary disinfectant, lowers the concentration of chlorite in the drinking water, and decreases the amount of ClO2 the utility needs to produce.

Conclusion

The overall goal of this study was to reduce DBP formation within the Wedgefield community and maintain compliance for the utility. Data collected during the study revealed 99 percent reduction in TTHMs and approximately 50 percent reduction in HAA5 for the initial 120-day period of the pilot testing. These results proved the effectiveness of chlorine dioxide in reducing the TTHMs for the utility. As a disinfectant, the utility has not experienced any adverse issues within the distribution system due to the transition from chlorine to chlorine dioxide.

Recommendations

The ClO2 proved to be highly effective at minimizing DBP formation, while saving capital costs compared to treatment upgrades; however, ClO2 is relatively uncommon for potable water applications, so it’s imperative to fully understand the process before investigating its use. The following recommendations are based on lessons learned from the Wedgefield pilot study and ongoing pilot studies:

S ClO2 is proven to be an effective tool to maintain compliance with Stage 2 D/DBPR, but it is still recommended to perform field and laboratory testing to verify the compatibility with the desired water. A full- or pilot-scale study is recommended prior to installation of a permanent chlorine dioxide system to evaluate the effects within the distribution system. The goals of a pilot study would be to reveal the effects of chlorine ClO2 on a system’s specific water quality and identify optimal ClO2 dosing for maximum cost savings. Based on pilot study results for the utility, the chlorine demand of the system will fluctuate as the ClO2 infiltrates and reacts with existing biofilm in the pipeline; it’s anticipated that the chlorine dioxide demand will then reduce and remain constant as the biofilm is cleaned out of the system. Consideration to ClO2 nonorganic byproduct of chlorite ion should be maintained under EPA’s MCL limit of 1 mg/L entering the system. Granulated activated carbon, or a chemical addition such as ferrous chloride or ferrous sulfate, can also be used to combat the chlorite.

S It is important to gain understanding and consensus from state and local regulators and to remain in compliance with all water quality regulations while performing a chlorine dioxide pilot study. Chlorite levels in the distribution system must be monitored regularly and maintained below the MCL. It’s recommended that the chlorine dioxide and chlorite samples are being accurately assessed from either a laboratory or a handheld sample analyzer. Inaccurate test results and wrongly reported concentrations can affect regulatory compliance and cause unnecessary public concern.

S It is recommended to understand and review available options for chlorine dioxide generation. Several factors are important when understanding generation options, including operator training and availability, goal usage of chlorine dioxide, redundancy needs, and chemical safety. Moreover, the aspects of each generation system need to be compatible with the process application and utility production conditions. Generators often produce chlorine dioxide on demand; however, chlorine dioxide storage is not often available for these units.

Figure 7. Chlorine Dioxide Residual

S Proactive and direct public communication is recommended before chlorine dioxide is used as a disinfectant. Although chlorine dioxide technology is not new, the public may be concerned when learning of the use of an unfamiliar chemical. It’s important to emphasize the benefits of chlorine dioxide and compare the safety of chlorine dioxide to typical disinfectants.

Final Considerations

All in all, careful consideration should be given to the implementation of chlorine dioxide within a water production or distribution facility. While the chemical is effective in maintaining disinfectant residuals, as well as improving aesthetics in distribution system water quality, the appropriate process addition may be as a preoxidant, rather than as the primary disinfectant.

Chlorine dioxide has shown promise as a strong disinfectant chemical for other utilities aspiring to reduce DBPs without incurring the significant capital costs associated with high-end treatment or the routine maintenance challenges with chloramines. As a viable alternative disinfectant, it should be considered when these DBP or distribution system challenges are present.

Acknowledgments

Special thanks to those who made this project possible:

S Pluris Wedgefield Utility, the utility management team, and its operation staff members who supported the application, provided extensive hands-on testing analysis for the data collection, and offered continuous analysis of the field data.

S Twin Oxide-USA LLC in presenting the concept and product benefits, sale of the ClO2 product supply, and initial setup.

S Florida Department of Environmental Protection staff, which reviewed and approved the permits to conduct the pilot study, considered and reviewed the research, and enacted the 0.05 mg/L minimum chlorine dioxide residual for Wedgefield’s distribution system.

References

[1] Gates, Don, et al., 2011. “State of the Science of Chlorine Dioxide in Drinking Water.” Water Research Foundation.

[2] Holden, Glenn W., 2017. “Chlorine Dioxide Preoxidation for DBP Reduction.” JournalAmerican Water Works Association, vol. 109, pp 36–43., doi:10.5942/jawwa.2017.109.0089.

[3] Masschelein, W. J., 1979. Chlorine Dioxide. Ann Arbor Science, Mich.

[4] James, Cheryl, et al., 2004. “Relationships Among Oxidation-Reduction Potential, Oxidant, and PH in Drinking Water." S S

Another Storm, Another Lesson Learned

s we all know, living in a beautiful state like Florida does come with a cost in regards to the weather. Every year we watch with baited breath as we get further into the hurricane season, because as we all know, the tropics begin to get more active by late August and all the way through October—sometimes even later.

We weren’t spared this year, with about every area of the state feeling the effects of Hurricane Irma or, here lately, Hurricane Nate. Storms coming up the spur of the state aren’t uncommon, but we haven’t seen one in recent years.

A storm taking a track like this makes it extremely difficult for residents to evacuate, and for utilities needing to stage crews and equipment. Another problem is the logistics of getting mutual aid to the right area. Irma never made it easy for anyone with its unpredictable tracking, but hopefully, utilities can walk away with plenty of lessons learned from this storm.

I was fortunate to not have suffered any

damage, other than a few downed tree limbs and the inconvenience of having to run a generator for a day when the storm passed through our area. Many of my neighbors suffered major damage to their homes, and the electrical infrastructure—overhead here— held up better this time thanks in part to Hurricane Matthew coming through last year clearing some of the older tree canopy.

My neighbors had the opportunity to watch as our local water distribution crews worked jointly with the electric crew to repair an 8-in. polyvinyl chloride water main that broke right in front of an electric pole. I was talking with some of the crew members and they were telling me about how the rotation for the storm was going and hoping they could get home to take care of the personal issues that they needed to deal with.

Everyone forgets that water industry workers live in the same surrounding communities affected by a storm, and their homes and families aren’t exempt from the damage it can cause. I know many folks out there will say the same thing they do regarding other first responders: It’s their job, and aren’t they getting paid to do it? Well, yes, that may be true, but go do a job as dangerous as these folks are doing (and under these circumstances!) and see how well you would perform, knowing that your family is at home dealing with the storm and the after-effects.

Another crew that worked in the same area handling repairs for the sewer lift stations and treatment plant stopped by and talked about the issues they encountered when Irma passed Jacksonville. They lost power and said both generators backing up the treatment plant failed to start and they had to act quickly to get the plant back up and running. There are stories like this right now all over the state, about employees going above and beyond their duty.

The one thing I hope that comes out of this is that utilities and agencies don’t make rash decisions without getting feedback from the employees that dealt firsthand with the issues during and after the storm.

One item I’ve heard mentioned recently is that all sewer lift stations should require generators, but is it necessary in the first place? I haven’t come across a generator that someone can guarantee will withstand storm damage, and where is the money going to come from to retrofit and maintain them? Besides, all the generators in the world don't do any good if you can’t pump due to flooding or other damage to the system.

We really need to take the time to sit down with our employees and look at what can be done in the future—but don’t stop there. We have a ton of talent all over this great state and we all don’t think the same when it comes to fixing things. A problem that you may have faced in the northern section of the state may have been dealt with before in the Panhandle during another storm. Our Region 3 sent out an email asking for folks to take a survey to help gather information so everyone can learn from each other’s experiences. Please take the time to go to the FWPCOA website (www.fwpcoa.org) under the surveys section and look for “Hurricane Irma, Lessons Learned.” The only way to learn is to share each other’s experiences, which hopefully can save someone from having to deal with the one wrong decision that could cost a utility both valuable capital and operation and maintenance dollars.

Again, here’s a shout out to all of the water and wastewater employees throughout the state for another job well done during the storm and the continuing recovery. S S

Test Yourself

Questions About Cross-Connection Control for Water and Wastewater Operators

1. An actual or potential connection between any part of a potable water system and any other environment that contains other substances that, under any circumstances, would allow such substances to enter the potable water system is a

a. backflow connection.

b. contamination device.

c. cross-connection.

d. nonpotable axis.

2. Backflow is the undesirable reversal of flow of nonpotable water or other substances through a cross-connection and into the piping of a public water system or consumer’s potable water system. What are the two types of backflow?

a. Back pressure and backsiphonage

b. Positive and negative

c. Potable and nonpotable

d. Upstream and downstream

3. The maximum protection available against backpressure backflow or backsiphonage is

a. a double check valve assembly.

b. a pressure vacuum breaker.

c. a reduced pressure backflow preventer.

d. an air gap separation.

4. Per FAC 62-555.360 Cross-Connection Control for Public Water Systems, community water systems and all public water systems that have service areas also served by reclaimed water systems regulated under Part III of Chapter 62-610, F.A.C. shall establish and implement a routine cross-connection control program to detect and control cross-connections and prevent backflow of contaminants into the water system. This program shall include

a. a written plan using recommended practices in AWWA’s Manual M-14, Recommended Practice for Backflow Prevention and Cross-Connection Control

b. installation of atmospheric vacuum breakers or pressure vacuum breakers at all service connections.

c. requirements for the water purveyor to provide and install every backflow prevention device in the utility’s service area.

d. video training materials for water distribution operators.

5. Per FAC 62-555.360 (4) Cross-Connection Control for Public Water Systems, only the following are considered to be backflow prevention devices: air gap separation, atmospheric vacuum breaker, pressure vacuum breaker, double check valve assembly, and

a. a backwater valve.

b. a check valve.

c. a reduced pressure backflow preventer. d. a reverse flow prevention device.

6. Per FAC 62-555.360 (4) Cross-Connection Control for Public Water Systems, which type of backflow prevention device is acceptable only as added backflow prevention in areas served by reuse systems defined in Chapter 62-610, Part III, F.A.C. if enhanced public education and inspection programs are provided?

a. Backwater valve

b. Check valve

c. Residential dual check device

d. Reverse flow prevention device

7. Per FAC 62-610 Reuse of Reclaimed Water and Land Application, with regard to reclaimed water systems, hose bibbs shall be located a. above ground at all times, and marked specifically as reclaimed water.

b. in locked boxes or vaults, and clearly labeled as being nonpotable.

c. next to the reuse storage ponds on a golf course.

d. only at pre-approved locations, connected to special hoses.

8. Per FAC 62-610 Reuse of Reclaimed Water and Land Application, all piping, pipelines, valves, and outlets shall be color-coded, or otherwise marked, to differentiate reclaimed water from domestic or other water. Underground piping that is not made of metal or concrete shall be color coded for reclaimed water distribution systems using which color?

a. Basic Blue 225B

b. Pantone Purple 522C

c. Safety Orange 115S

d. Teal Green 223G

9. Per FAC 62-610 Reuse of Reclaimed Water and Land Application, no cross-connections to potable water systems shall be allowed.

For all public water supply systems in the area to be served by reclaimed water, the permittee shall submit documentation of

a. a Florida Department of Environmental Protection (FDEP)-approved laboratory analysis program.

b. an FDEP-approved cross-connection control and inspection program.

c. a U.S. Environmental Protection Agency (EPA)-approved risk management program.

d. an EPA-approved backflow prevention program.

10. Per FAC 62-610 Reuse of Reclaimed Water and Land Application, maximum obtainable separation of reclaimed water lines and domestic water lines shall be practiced and a minimum separation from either reclaimed water lines and potable water mains or sewage collection lines shall be maintained. What is the required separation distance?

a. 2 ftb. 3 ft

c. 5 ftd. 10 ft

Answers on page 70

Reference used for this quiz:

- Manual M-14, Recommended Practice for Backflow Prevention and Cross-Connection Control, American Water Works Association.

- Florida Administrative Code (FAC) 62-555 Permitting, Construction, Operation and Maintenance of Public Water Systems.

- FAC 62-610 Reuse of Reclaimed Water and Land Application.

- FDEP’s webpage “Cross-Connection Control and Backflow Prevention Program” at www.dep.state.fl.us/water/drinkingwater/bfp. htm.

Send Us Your Questions

Readers are welcome to submit questions or exercises on water or wastewater treatment plant operations for publication in Test Yourself. Send your question (with the answer) or your exercise (with the solution) by email to donna@h2owriting.com

Data Flow

Biologically Active Filtration for Taste and Odor Control at Lake Manatee Water Treatment Plant

Mike Nixon, Phillip Locke, and Katie Gilmore

The Lake Manatee Water Treatment Plant (plant) is located on the southwestern bank of Lake Manatee in eastern Manatee County (county). It is the only municipal drinking water plant owned and operated by the county and has a rated capacity of 84 mil gal per day (mgd). The plant provides drinking water for customers throughout the county and includes wholesale supplies to the City of Bradenton, City of Longboat Key, City of Palmetto, Braden River Utilities, and Sarasota County.

The plant treats both surface water from Lake Manatee and groundwater from two wellfields and is designed to treat up to 54 mgd using conventional surface water treatment, including coagulation, flocculation, powdered activated carbon (PAC) adsorption, sedimentation, multimedia filtration, and blending with treated groundwater prior to disinfection, storage, and distribution. Up to 30 mgd of groundwater is treated in a separate groundwater treatment basin that includes degasification, lime softening, and sedimentation prior to blending with treated surface water.

Manmade Reservoir

Lake Manatee is a manmade reservoir that was created by building a dam on the Manatee River, which discharges into the Gulf of Mexico approximately 20 mi west of the plant. The ~1,450-acre reservoir has a history of algal blooms, typically when lake levels are low and

water temperatures are high, and the blooms are mainly from cyanobacteria (blue-green algae). Algal blooms in drinking water sources have received attention across the United States due to the potential for toxic byproducts in the raw source water at treatment plants.

The algal blooms in Lake Manatee cause nuisance taste and odor compounds that are detectable at very low concentrations. The two compounds that are measured and treated at the plant are 2-Methylisoborneol (MIB) and (4S,4aS,8aR)-4,8a-Dimethyl-1,2,3,4,5,6,7,-octahydronaphthalen-4a-ol (geosmin), which are metabolites of cyanobacteria and actinobacteria. These two compounds are not removed below detection thresholds—they can be as low as 5-10 ng/L—by conventional treatment processes, and create an earthy, musty taste and odor in the drinking water.

The plant has been effectively used PAC for treatment of these two compounds, which is consumed in the treatment process, where it’s injected at the beginning of the surface water treatment process and removed in the sedimentation basins and filters. Unfortunately, annual PAC costs have been as high as $1 million and have significantly impacted the facility’s operational expenses.

The staff at the plant performed extensive research and pilot testing to determine a more cost-effective treatment of MIB and geosmin. A past superintendent for the facility, Bruce MacLeod, spearheaded the county’s research

Mike Nixon, E.I., is an engineer intern with McKim & Creed Inc. in Sarasota, and Phillip Locke, P.E., is senior project manager with McKim & Creed Inc. in Clearwater. Katie Gilmore is superintendent at Lake Manatee Water Treatment Plant in Bradenton.

and testing for viable alternatives. The testing revealed that biologically active filtration (BAF) is an efficient and cost-effective treatment method for removal of the target compounds. The BAF has been used for years in municipal drinking water treatment for disinfection byproduct attenuation downstream of ozone disinfection; however, the plant will be the first municipal water treatment plant (WTP) to use BAF at the head of the plant. Biological treatment prior to conventional treatment will utilize the background nutrients of the water source and avoid the potential risks associated with a biological process at the end of the treatment process, while still allowing for the addition of PAC prior to BAF if ever needed.

Pilot testing also evaluated different types of filter media and various empty bed contact times over a range of MIB and geosmin influent concentrations. As a separate project, the plant is planning to convert the existing multimedia filters in basins A and B to membrane filtration. The combination of BAF and the ultrafiltration membranes accomplishes two

Figure 1. 3-D Rendering of the Biological Treatment Unit Section
Figure 2. 3-D Rendering of the Biological Treatment Unit Exterior

treatment goals: better taste and odor removal, and reliably lower effluent turbidities.

Biological Treatment Unit Project

The county’s biological treatment unit (BTU) project involved building a three-story structure, installing 42-in.-diameter yard piping and tie-ins at the existing congested facility, incorporating a separate backwash equalization and return system, replacing the septic systems, and connecting the plant with the county’s wastewater collection system. The 3-D renderings of the BTU in Figures 1 and 2 show the complexity of the facility design.

As often occurs in older facilities that have experienced a number of expansions and improvements over the years, many challenges were encountered during the site location and pipeline alignments (Figure 3). For example, geotechnical investigations determined that piles were needed for the foundation of the BTU structure, so 175 auger cast piles were designed as part of the building foundation. Extensive subsurface utility engineering designates and locates were performed to minimize conflicts and design changes during construction (Figure 4). In addition, the plant staff wanted flexibility for the selection of source water routing to and bypassing the BTU, so tie-ins to the existing 30and 42-in. raw water lines were designed (Figure 5). This will allow the operators to send raw lake water to the BTU prior to conventional treatment at either or both basins A and B, or bypass the BTU altogether.

The air scour system for the BTU was designed to provide low air flow to the BAFs when bypassed. This will maintain dissolved oxygen in the filters for the bacteria growing in the media if the filters are out of service for up to a few months. The two existing raw water pump stations at the plant did not require modifications or upgrades for the new BTU system. Effluent from the BTU will gradually flow to the head of the two existing surface water treatment basins.

Biological Treatment Unit Structure

The new BTU structure will contain six BAFs, each with 4 ft of granular activated carbon (GAC) for the filter media. Rather than providing treatment by adsorption, the GAC will furnish a surface area upon which the naturally occurring bacteria can attach and grow. During the assimilation phase of start-up, bacteria will accumulate and grow on the filter media, thereby passing water containing MIB

Figure 3. Challenges and Solutions
Figure 5. Flow Diagram
Figure 4. Subsurface Utility Engineering Locates

Continued from page 39

and geosmin. The bacteria will naturally be selected over time to biologically oxidize and grow on these compounds.

Each BAF will operate like a traditional down-flow gravity media filter. Modulating effluent valves and a level control system will maintain a constant water level in each BAF. Backwashes, including air scour, will dislodge the trapped solids in the filter media; some of the biogrowth will slough off the filters to maintain the design filtration rate and control biofilm thickness. Some incidental filtration will occur in the BAFs, but their main purpose is for taste and odor control. Another ancillary benefit determined during laboratory and pilot testing was dissolved manganese removal.

The underdrains will utilize a low-profile stainless steel design that saves on concrete tank costs because it does not require gravel. This de-

Figure 6. Piping and Encasement Installation Below the Biological Treatment Unit
Figure 7. Concrete Pour for the Backwash Pump StationFigure 8. Pipe Gallery and Second-Floor Elevated Slab Construction
Figure 9. First-Floor ConstructionFigure 10. First- and Second-Floor Construction

sign also allows for a lower height than most other underdrains which, when combined with the omission of gravel, saves as much as 2 ft of tank height. The slots on the underdrains were designed for BAFs to avoid fouling and plugging. Based on the county’s pilot testing, empty bed contact times were determined to be 7.2 minutes at average flows of 37 mgd, and 3 minutes at peak flows of 54 mgd, with one filter out of service. Each filter cell will be 40 ft long by 19 ft wide, for a design filtration rate of 10 gal per minute per sq ft (gpm/ft2) at the maximum flow of 54 mgd.

The backwash rate will be 20 gpm/ft2, and the air scour rate will be 4 standard cu ft per minute per sq ft (scfm/ft2) at 6 pounds per sq in. (psi). The GAC will be manufactured from bituminous coal, having an effective size of 1 to 1.2 millimeters (mm), with a maximum uniformity coefficient of 1.5. The backwash water will be stored in a clearwell on the south side of the BTU structure and pumped by one of two vertical turbine pumps, each with a capacity of 15,200 gpm. The backwash pump motors will utilize variable frequency drives to ensure proper backwash flow and the backwash water supply will be from the BTU effluent. There will be two redundant 200-horsepower rotary-positive displacement blowers for the air scour system.

Other Improvements

The plant has two backwash ponds for the existing dual media filters, and a new filter backwash equalization (EQ) basin was designed for main process filter backwash. The EQ basin will accommodate the future membrane filtration facility that replaces the existing media filters and will return a steady flow of filter backwash to the existing rapid mix basins. The existing backwash ponds will be used for the BTU backwash, keeping it separate from the surface water treatment main filtration system backwash.

The plant is located in a rural area of the county that is not currently connected to its wastewater collection system. The facility currently has four separate septic systems that will be replaced with an in-plant collection system consisting of a gravity sewer and multiple lift stations.

A new plant drain lift station will pump all the facility’s domestic wastewater and future process wastewater through a 2-mi-long, 8-in.diameter force main that will be installed along Waterline Road. This new force main will manifold into the county’s existing force main along Rye Road.

There was a significant permitting effort for the design of the new force main due to wetland crossings, county pipeline separation and

maintenance requirements, and other factors. Multiple horizontal directional drills were included in the design of the new force main.

Construction and Project Completion

Construction began in summer 2016. The contractor developed detailed bypassing and sequencing plans to meet maintenance of operation requirements, since multiple tie-ins to the raw water lines and new connections to both of the surface water treatment basins will be included. At the time this article was written, the foundation and the first floor for the BTU structure were nearly complete, 40 percent of the yard piping and duct banks had been installed, and the tank construction for the EQ tank was finished (Figures 6-10). Completion of construction and commissioning of the BTU are scheduled for the end of 2017.

Acknowledgments

Special thanks to the staff at Lake Manatee Water Treatment Plant and Manatee County Utilities for its collaboration on this project and assistance with this article, particularly Bruce MacLeod, Mark Simpson, and David Rodriguez. S S

Creating the Space to Innovate A policy perspective

IAmy Kathman

n August 2017, a two-day experts workshop, “Creating the Space to Innovate,” culminated a year’s worth of progress in advancing innovation. Leadership, culture, procurement practices, regulatory programs and policies, and permit conditions all contribute to putting innovation into practice, as does the development of new technologies.

The Water Environment Federation (WEF; Alexandria, Va.) hosted the workshop in its role as a supporter of the Leader’s Innovation Forum for Technology (LIFT) program, which is a joint effort of WEF and the Water Environment & Reuse Foundation (WE&RF; Alexandria, Va.). The program seeks opportunities to promote the adoption of innovative technologies and practices and includes a focus on the people and policies of innovation to identify and implement measures to manage or share risk. One example of this is LIFT’s goal to provide a “space” for innovation through permit flexibility in compliance schedules or different kinds of permits.

Building on Previous Work

Previous efforts have laid the groundwork for the workshop. For example, prior workshop participants developed specific implementation scenarios around technologies most likely to be affected by barriers, flexibility needs, and regulatory incentives. Developing the scenarios relied, in part, on interviewing key innovators and early adopters who have pursued groundbreaking approaches and technologies to solve water issues. These interviews sought to gain an initial understanding of the requirements, motivators, accelerators, and challenges to these initiatives. A strengths, weaknesses, opportuni-

ties, and threats (SWOT) analysis was done to help further refine the articulation of constraints and opportunities for each scenario.

At the workshop in August, experts identified options—at a very specific and detailed level—to eliminate constraints and take advantage of opportunities. The participants of the workshop considered ways in which their regulatory activities can reduce barriers to, or encourage incentives for, technology and innovation. The experts focused on high-interest technology implementation scenarios, their regulatory barriers, and where there is space to streamline between technology implementation and the regulatory/policy framework.

The workshop focused on five technology areas. These themes are high-priority areas for implementation and have encountered policy and people challenges to the uptake of the innovation. The first theme’s focus (Improved Risk Sharing and Institutional Barriers) was in relation to general business practices, while the other four were related to specific technologies or management practices. They include:

S Digestion Enhancements

S Water Capture and Reuse for Potable Uses (indirect and direct potable reuse and unplanned use all were included in discussion, but direct potable reuse was the focus)

S Reclaimed Nutrients

S Nutrient Optimization Strategy

The experts concluded that while progress is being made to promote innovation in this sector, an overall challenging context for innovation remains. This situation signals a need to step back and discuss the ingredients of both a near- and longer-term strategy to create an “innovation safe space” for the sector, as well as an “innovation culture” in the longer term.

Addressing Policy and Regulation

Policy and regulation can also substantially control how and when innovative technologies and practices are adopted. The primary federal regulations have not changed materially in more

than 20 years. To enable innovation, the water sector must explore the landscape at the implementing mechanism level and devise specific approach(s) that will accomplish the following:

S Fully meet legal and regulatory requirements.

S Provide certainty and defensibility for the operator.

S Offer reasonable assurance for regulatory bodies that compliance can be discerned, verified, and enforced if not met.

Examining the broader regulatory context to explore such areas as state-to-state reciprocity, technology acceptance, and technology procurement can help ensure that the sector is prepared to embrace new technologies efficiently, and without undue uncertainty or delay. Finally, the experts also provided input into the policy components that form the basis of the WEF Government Affairs Committee’s action plan. For more information on the workshop, the action plans, and WEF public policy efforts, or to learn how you can get involved, visit www.wef.org/advocacy/legislative-andregulatory-affairs.

The information provided in this article is designed to be educational. It is not intended to provide any type of professional advice, including, without limitation, legal, accounting, or engineering. Your use of the information provided here is voluntary and should be based on your own evaluation and analysis of its accuracy, appropriateness for use, and any potential risks of using the information. The Water Environment Federation (WEF), author and publisher of this article, assumes no liability of any kind with respect to the accuracy or completeness of the contents and specifically disclaims any implied warranties of merchantability or fitness of use for a particular purpose. Any references included are provided for informational purposes only and do not constitute endorsement of any sources.

Amy Kathman is a government affairs specialist at the Water Environment Federation (Alexandria, Va.). S S

And Then There Was a Hurricane FWEA FOCUS

ife is tough; just when we think that things are under control, the unexpected occurs. Some would say, and they would be correct, “Well, you knew that a storm was coming; you should have prepared for it.”

We all prepare for the expected, but it’s how we respond to the unexpected that separates us. After listening to the many stories told about the recovery efforts during and after the recent storms, I can say that you responded in a superb way.

This storm called Hurricane Irma was massive in size and scope; there was no area of the state that was not impacted to some degree. Due to the widespread impact of the storm, the normal lifelines of neighbor helping neighbor would not be immediately available. Reminiscent of the demonstration that flight attendants do before takeoff, we had to put the mask on ourselves before we could help others.

While there are those who may see shortcomings in this, it’s because I see—every day—

the dedication of our people that I try to be a staunch supporter of those in our industry. Like our infrastructure, we often go unseen until there is a problem, and to be quite honest, if something does go wrong, we do not do a good job of explaining it and using it as a teaching moment. While the things that we do within our profession are generally not the topic of discussion around the dinner table for the average person, the fact that we are responsible for maintaining proper sanitation, clean water, and protecting the environment, are of tremendous importance. Yet, our efforts are often taken for granted because all of you do such a great job. While internally we know of the great deeds done by our people, we have not done a very good job of patting our coworkers on the back while the public is watching. We need to gracefully let the public and our customers know that they play a part in the majority of spill or overflow that takes place. Just imagine how much we could have prevented from hitting the ground had our customers practiced water minimization. Customers should use all of the water that they need, but they should remember that we only need approximately one gallon of water per day for personal consumption; thus, minimization will result in a reduction from the average per capita daily usage of approximately 125 gallons per day.

To share with each of you, after the storm but still during recovery I was contacted by a reporter for comments, or more precisely, to agree with his preconceived notions of the “most catastrophic event ever” that had occurred. I responded to him, but I’m guessing he did not like my response because I was not quoted in the article.

Below is an excerpt from my response:

“While no amount of spill or overflow is acceptable, and there are lessons to be learned, the overwhelming thing that I saw from reviewing the report [Florida Department of Environmental Protection spill report] was a tremendous response by water and wastewater utility workers across the state. Despite working in a harsh environment for very long hours, with many working 18- to 20-hour days (and more) away from their families, they responded to the emergencies attributed to an act of God named Hurricane Irma. While others were able to evacuate, these dedicated professionals stayed and responded, even though some had personal losses and damages as a result of the storm. The large amount of rainfall and destructive winds caused trees to be uprooted; power poles to break; pipelines to be broken; ponds, rivers, and estuaries to rise; and manholes to be inundated with water, as were pump stations that required power. Oh, and by the way, there were widespread power outages across the state, while the majority of people on public water and sewer-maintained service were never without the most vital service we all need.

This was a very large storm, extending approximately 400 miles across. To put things in perspective, depending on the area of the state, the annual average rainfall is between approximately 50 to 60 inches per year. The state received a lot of rain during the hurricane, with areas that received 12 to 18 inches of rainfall, or 20 to 30 percent of the year’s total from this one event, plus the other mentioned impacts from Irma.

So just as we owe a debt of gratitude to the police officers, fire and rescue personnel, electrical utility workers, and others who assisted in response to this storm, we owe a debt of gratitude to the men and women who are water and wastewater utility workers; not just during the storm response and recovery, but daily as they do their best to provide safe drinking water and wastewater service to our citizens and to protect the environment.”

It was my hope that in some small way I’d be able to redirect the anticipated ire from what many believe sells papers, advertisements, and media recognition—doom and gloom. As a re-

sult, in the reporter’s article titled, “Hurricane Irma gives most of Florida bath of raw sewage,” we can look to a single line:

If linemen hoisted in buckets to repair mangled power lines are the image of Irma’s aftermath, then wastewater crews were the unnoticed, unsung heroes laboring to keep plants running and revive lift stations.

As mentioned, we had a lot of folks who worked tirelessly before, during, and after the storm. Thank you for your many personal sacrifices, and please convey my thanks to each of your coworkers. Our business can be a dangerous one, and while the goal is and should always be perfection within our industry, please continue to think safety, because our most valuable resource is our people.

I’ve told employers, when speaking about myself, “Load the wagon and don’t worry about the mule. I’ve got this.” Individually we can say things like this, but for the collective, if the mule is physically drained, then the wagon won’t move.

As leaders and managers, we need to remember to take care of our people. I have found that the people in our industry are some of the most dedicated individuals that I know, and they go above and beyond each and every day to provide clean water and a clean environment. In conclusion, we will have many opportunities to discuss lessons learned and to review our responses to both the expected and the unexpected. I have included on my list below items that will likely be repeated on many others. S S

Lessons Learned

S Harden infrastructure in advance of the storm, if feasible.

S Anticipate the types of resources potentially needed in advance of the storm.

S Obtain or secure these resources prior to any impacts from the storm.

S Stage these resources in areas where they will be available during and after the storm.

S During the recovery, don’t forget about our most precious resources, the men and women doing the work.

S Never underestimate the power of prayer.

Scholarships Available for Utilities to Share Innovations of Interest

Scholarships are available for utility personnel to visit other utilities with innovations of interest. The exchange, supported by the Water Environment & Reuse Foundation (WE&RF), Water Environment Federation (WEF), and National Association of Clean Water Agencies (NACWA), provides an effective way for utilities to learn about and quickly adopt new technologies.

As water resource recovery facilities (WRRFs) are transforming themselves into utilities of the future and becoming drivers of resource recovery, economic growth, and improved environmental performance, it’s essential to implement innovative technologies, processes, and approaches. These scholarships enable staff to visit and see innovations in action at peer facilities.

Utilities interested in investigating a new technology or learning about an innovative approach at another facility are encouraged to submit an application. Candidates may apply to visit facilities that use new technologies and processes, but also novel approaches to service, operations, and finance. If selected, the sponsoring organizations will provide travel support.

The scholarships are administered through the Leaders Innovation Forum for Technology (LIFT), and are known as the Scholarship Exchange Experience for Innovation & Technology (SEE IT). Last year, the

LIFT SEE IT scholarship helped fund the travel for 32 members from 11 utilities to see technologies in person. The program is part of a broader water sector effort to provide the tools and resources necessary to help utilities transform facilities into leaders in water resource recovery.

“The LIFT SEE IT program provided an excellent opportunity for our city to continue to proactively plan for successful integration of its bioenergy recovery project,” said Erika Bailey, with the City of Raleigh, one of the 2017 scholarship recipients. “There is no substitute for being able to see the technologies we are considering in operation, and to have the opportunity to interact with the staff that is using them. The technical staff members were integral in the development, design, and implementation at the facilities we visited.”

The program has identified 12 technology focus areas as priorities, although applicants are not necessarily limited to these topics. Scholarship recipients will be required to record and share their experiences with peer utilities and others. The scholarship application is available at www.werf.org/ lift/seeit. Applications are due by 5 p.m., ET, on Dec. 15, 2017.

Please contact Fidan Karimova, WE&RF water technology collaboration manager, with any questions at 571.384.2100, ext. 430. S S

FWPCOA AWARDS

Awardees Honored at Fall State Short School

The Florida Water & Pollution Control Operators Association recognized several outstanding water/wastewater professionals, utilities, and facilities during its Fall State Short School for operational excellence, service to the association, and outstanding safety records. The school was held in August at the Indian River State College in Fort Pierce.

Dr. A.P. Black Awards

Water Plant Operator Award of Excellence

Mel Parrish, Hillsborough County

Water Plant Operator Award of Excellence

Steve Whidden, Polk County

Emory Dawkins Awards

Wastewater Plant Operator Award of Excellence

Charles Nichols Jr., Winter Haven

Reclaimed Water Operator Award of Excellence

Robert Burkhart, Water Conservation II

Water Distribution Operator Award of Excellence

Nathan Hale, Temple Terrace

Regional Newsletter Award of Excellence
Region 10
Accepted by Charles E. Nichols Jr., editor.
Regional Newsletter Award of Excellence
Region 12
Accepted by Mark Harris, editor.
Senior Systems Operators Award— Water
Richard Garner, Hillsborough County
Joseph V. Towry Award
Phil Cross, Woodard & Curran
Outstanding Website Award St. Johns Improvement District
Accepted by John Frederick Lang and Marjorie Hale.

Safety Awards

Chairman’s Award

City of Cape Coral

North Reverse

Osmosis Plant

Accepted by Don Nespoli and Matt Loebs.

Water Plant A

City of Stuart Water Treatment Facility

Accepted by Michael Woodside, Mike Ledoux, and Paul Hitchcock.

Water Plant B

Lithia Water

Treatment Facility

Accepted by Mel Parrish and Joe Rymer.

Water Plant C

Seminole Tribe of Florida Immokalee

Water Treatment Plant

Accepted by Ronald (Ron) Payne, Michael Espinoza, and Juan Mata.

Wastewater Plant A

Falkenburg Advanced Wastewater Treatment Plant

Accepted by Mark Thomas Cripe.

Reuse Plant A

River Oaks Advanced

Water Treatment Plant

Accepted by Victor Anderson.

Stormwater System

City of Oakland Park

Stormwater System

Accepted by Arthur P. Saey.

Wastewater Plant B

Town of Davie Wastewater Plants II and IV

Accepted by Isabella Sagle.

Reuse Plant B

Northeast Regional

Wastewater Treatment Facility

Accepted by Jeremiah Vanhorn.

Distribution System

City of Tavares

Distribution System

Accepted by Shannon Parrish.

Wastewater Plant C

City of Crystal River

Wastewater Treatment Facility

Accepted by Chris Saliba.

Reuse Plant C

Inverness Reclamation Facility

Accepted by Glenn Burden.

Collection System

City of Stuart Collection System

Accepted by Corky Kossen and Janine Wilde.

Multiple Water Plant

Lark Park Water Treatment Plants

Accepted by Kevin Kraujalis and Joe Rymer.

Multiple Wastewater Plant

Woodlea Wastewater Treatment Plants

Accepted by Robert Kenner.

Review of Packed Bed Ion Exchange for Total Activated Carbon and Color Removal in Florida Groundwater Over the Last 15 Years

Packed, or fixed bed ion exchange has been used extensively for the removal of total organic carbon (TOC) and color from Florida groundwater for more than 15 years. Through the application of an organic selective anion exchange process, many communities around the state have greatly enhanced and brought into compliance their finished water quality. Because it also handles a wide range of organic compounds, this technology can simultaneously eliminate the formation potential of trihalomethanes (THMs) and haloacetic acids (HAA5), commonly referred to as disinfection byproducts (DBPs), as well as the pervasive issue of color removal. With a compact footprint, minimal waste stream, and no moving parts or complicated hydraulic balancing, packed bed ion exchange has been demonstrated to be the lowest-cost and most successful solution for Florida groundwater treatment.

Tonka Water is involved with the application of fixed bed ion exchange for water treatment in Florida, with over 10 facilities in operation or under construction (Figure 1), ranging from 175 gal per minute (gpm) to 30 mil gal per day (mgd).

Technology Background

A broad term used to describe organic molecules of varying sizes, weights, and polarity in a

water supply, TOC in water sources is the result of decaying vegetation, animal, and human waste. It is often responsible for color, taste, and odor, and when chlorinated, certain TOC molecules react to form THMs and HAA5. Through research, these classes of disinfection byproducts have been linked to cancer, and maximum contaminant levels (MCLs) are now being enforced by the U.S Environmental Protection Agency.

Ion exchange is a recommended technology to remove TOC from a water source prior to chlorination, thereby reducing the disinfection byproduct formation potential of the water. This is especially applicable in Florida, where chloramination is extensively used. Removing organics prior to chloramination can avoid THM excursions in distribution, as biological growth occurs in older waters. Ion exchange can eliminate potential food sources for organic-producing nonpathogenic biological activity in distribution systems.

By definition, ion exchange is a process in which ions are exchanged between a solution and an insoluble (usually resinous) solid. A negative charge on the organic molecules allows the TOC to exchange on a properly conditioned anion resin with another anion of less selectivity or charge. In the case of TOC removal, the TOC molecule is exchanged on the resin surface for a chloride ion. In addition to the exchange re-

Mark Machacek, P.E., is territory manager with Tonka Water in Minneapolis.

moval mechanism, selecting the right macroporous resin allows for surface adsorption to take place concomitant with ion exchange. The abundant surface area and makeup of the correct macroporous resin allows for maximum exchange sites and locations, where surface adsorption can occur.

As treatment progresses and additional raw water-containing TOC is treated by the resin, more of the exchange sites are occupied with TOC, ultimately reaching a point of resin saturation. Prior to the breakthrough point, which is based on raw water quality, type of organics, gallons treated, and ultimate treatment goals, the resin is regenerated with sodium chloride (namely, the Cl ion) to displace the TOC from the resin sites and flush the removed TOC to waste. Depending on the water quality, periodic alkalinebrine cleanings may also be required to maintain peak efficiency and ensure long system life.

Full-Scale Implementation

Following early pilot work done using a fixed bed ion exchange process in Florida by Baker, Lavinder, and Fu in Broward County (Baker, 1995), the first full-scale installation in Florida was built and commissioned in 1999 by Tonka Water (Tonka Equipment Co. at the time). Designed for Pratt & Whitney by CH2M, Thermax resin was selected for two 10-ft-diameter pressure vessels at a rated system flow of 1.5 mgd. In that application, CH2M selected an experienced ion exchange system manufacturer to ensure proper automation of the treatment and regeneration process critical for this industrial user using a nonproprietary ion exchange resin. Following shortly after the start-up of the Pratt &Whitney installation in late 1999 was the commissioning of the first installation in the United States of a purely municipal fixed bed ion exchange system. Ultimately, two phases of organics removal at Pembroke Pines, Fla., would

Figure 1. Tonka Water Systems in Florida.

be located downstream of lime softening (clarifiers/filters). The first phase of the project included four vessels, with a total rated flow of 4,200 gpm at a loading rate of 9.2 gal per minute per sq ft (gpm/ft2). Brian Shields, Karl Kennedy, and other engineers at Calvin, Giordano, and Assoc. had evaluated the Thermax strong base Type-I anion exchange resin for TOC and color removal on a parallel track to CH2M’s early work and were looking for a responsible system manufacturer to work with to bring the technology to full scale. They found a successful partner in Tonka Water to address nagging color problems for the city, and the treatment system has operated successfully for many years. Recent operational difficulties with the upstream lime softening clarifiers and filters necessitated a short-term shutdown of the ion exchange treatment trains to avoid damage to the ion exchange resin, but plans are to bring the system back online in the near future.

Combined Cation and Anion Exchange

The next installation in Florida was for the Town of Lantana, which was commissioned in 2003. Designed by Mathews Consulting and GlobalTech Inc., the Lantana installation was the first system in the state to incorporate both anion exchange to remove color from filtered groundwater and cation exchange to reduce hardness. This highly flexible system enabled the town to treat hardness in two parallel softening vessels, followed by blending with filtered water and full-flow treatment through three parallel Organix™ vessels. With a total design flow of 4 mgd, partially softened, low-color, high-quality water is produced for the town.

From Small to Large Scale

The two years from 2008-2010 would bring the start-up of two additional Tonka Water facilities that demonstrate the now-proven ability of packed bed anion exchange to scale from small to large systems: Palm Beach County Water Treatment Plant (WTP) No. 8, rated at 10 mgd, and Hamilton County, rated at 200,000 gal per day (gpd). The system at Palm Beach County was commissioned in 2008 and would, at the time, be the largest installation of packed bed anion exchange in the state and the U.S. at 10 mgd, in a nearly 24-hour-per-day operational mode. An expansion was recently awarded in 2016 to bring the ion exchange-rated capacity to 30 mgd, a strong sign of the industry’s acceptance and commitment to this unique technology. Palm Beach County’s plant was designed by Camp Dresser & McKee, with seven 12-ft-diameter ves-

sels. Downstream from lime softening, similar to the Pembroke Pines system, the anion exchange system was added to remove objectionable color from the softened, filtered water.

Hamilton County’s Organix system was brought online in 2010, downstream from a combined aeration/detention/filtration packaged plant for iron and manganese removal. Through piloting and evaluation, anion exchange resin manufacturers (Thermax, Purolite, and Dow) recommended that the incoming iron concentration be reduced to at least the secondary maximum contaminant level (SMCL) of 0.3 mg/L, if not 0.1 mg/L, prior to ion exchange for organics removal.

Hybrid Anion Exchange/Biological Hydrogen Sulfide Removal

Building on the successes seen in the Town of Lantana’s combined cation/anion treatment method, Hazen and Sawyer designed a system for the city of Arcadia that used a similar approach— softening and organics removal—adding another

innovation with the use of a biological system for the removal of hydrogen sulfide (H2S). Started up in 2013, the ion exchange system replaced traditional lime softening and enhanced coagulation for color removal, as sludge disposal grew to be a concern. Following extensive piloting by Dr. Audrey Levine at the University of South Florida (USF) in Tampa, the cultivation of biology within the ion exchange resin bed was developed at scale for removal of H2S. Through this process, the organisms appropriate for oxidation of H2S are encouraged to develop, thereby lessening the need for additional treatment steps, such as aeration or filtration for H2S removal.

Commissioned the following year in 2014 was a fourth large Organix system for the state, namely the Markham WTP in Seminole County. Designed by AECOM, the installation treats nearly 7 mgd, with six 12-ft-diameter vessels. Continuing to push equipment improvements, both Arcadia and Markham included a lower-profile system, as compared to previous installations. Early system designs allowed for conservative headspace for

Continued on page 50

Figure 2. Pratt & Whitney Example Drawing
Figure 3. Palm Beach County's Water Treatment Plant No. 8 Expansion

resin expansion, and as experience was gained with the selected resin (Thermax) and resin loss was found to be minimal, a lower-cost profile solution was able to be provided.

Continued Use

Anion exchange continues to be the most cost-effective and flexible means to reduce color

and TOC in Florida groundwaters (Adib Amini, 2015). Throughout 2015 and 2016, Tonka Water would continue to install fixed bed ion exchange systems throughout the state, as three additional large projects were awarded: the expansion at Palm Beach County’s WTP No. 8, Haines City WTP No.1, and Winter Springs WTP No.1. Palm Beach County’s WTP No. 8 will include the largest ion exchange system in the state (as well as the U.S.) upon its commissioning later in

2017. Designed by GlobalTech Inc. of Boca Raton, the expansion will increase the installed organics removal capacity by 200 percent, with an additional 14 vessels, and will give the county a reliable means to consistently reduce its TOC to less than 3 mg/L and color to less than 5 color units. Designed by CPH Inc., the systems at Haines City WTP 1, with a rated capacity of 5.1 mgd, and Winter Springs WTP 1, with a rated capacity of 3.9 mgd, will build upon the experience of past hybrid biological/anion exchange systems for organics and H2S removal.

Future Developments

As demonstrated with many successful municipal and industrial installations throughout Florida, packed bed anion exchange for organics removal is a proven and reliable process for the removal of TOC and color from its groundwaters. It’s also a technology that exhibits opportunities for further advancement and new applications. As water resources become more and more limited, direct potable reuse (DPR) is being advanced as a means to stretch these limited resources. Organix can be easily applied to DPR treatment trains and was included as part of a 2013 pilot by Hazen and Sawyer at Hollywood, Fla., one of many DPR pilots completed in recent years (Charles W. Drake, 2016). In addition to the ongoing evolution of packed bed ion exchange, a new technology that facilitates continuously regenerated ion exchange uses a multiport valve to enable constant regeneration. This reduces ion exchange resin volumes and brine consumption and provides a constant waste stream flow, all while reducing organics at efficiencies equal to conventional fixed bed ion exchange systems. This technology becomes all the more applicable, with reduced operational costs, as organics concentrations push higher and stricter effluent limits are desired.

References

• Adib Amini, Y. K. (2015). "Environmental and Economic Sustainability of Ion Exchange Drinking Water Treatment for Organics Removal." Journal of Cleaner Production, October 2015, pp 1-9.

• Baker, B. S.-K. (1995). "Removal of Natural Organic Matter with Anion Exchange Resins." Proceedings, 1996 AWWA Annual Conference American Water Works Association; Denver, Colo.

• Charles W. Drake, G. J. (2016). "Where Wastewater Treatment Ends and Drinking Water Begins: Evaluating the Viability of Potable Reuse in Florida." Florida Water Resources Journal, April 2016, pp 20-26. S S

LET’S TALK SAFETY

This column addresses safety issues of interest to water and wastewater personnel. The Journal is also interested in receiving any articles on the subject of safety that it can share with readers in the “Spotlight on Safety” column.

Climb on to Ladder Safety

Fall protection and prevention are ongoing major concerns of the Occupational Safety and Health Administration. Year after year, falls from ladders rank as one of the leading single causes of occupational fatalities and injuries.

Regardless of the type of ladder you use, you risk a fall if the ladder is not safely positioned. It needs to be set on stable, level ground to keep it from slipping or moving. You can lose your balance by simply getting on or off an unsteady ladder.

Here are other key safety tips to keep in mind:

S Position the ladder so its side rails extend at least 3 ft above the landing. When a 3-ft extension is not possible, secure the side rails at the top to a rigid support and use a grab device.

S Make sure the weight on the ladder can’t cause it to slip off its support. Also, never put more weight on the ladder than it’s designed for. Be sure to include the weight of the tools and materials you are using. The safe-weight load should be labeled on the ladder.

S Before you use the ladder, inspect it for cracked or broken parts, such as rungs, steps, side rails, feet, and locking components. By law, if it has any damage, it must be removed from service and tagged until repaired or discarded.

S Avoid electrical hazards. Never use a metal ladder near power lines or exposed energized electrical equipment. Look for overhead power lines before raising the ladder, and never allow the ladder to get closer than 10 ft to power lines. Also make sure that once you’ve climbed the ladder, your body and tools cannot come in contact with the power lines.

S Never use a self-supporting ladder (such as a stepladder) as a single ladder or in a partially closed position.

S Never use the top step/rung of a ladder as a step/rung unless it was designed for that purpose.

S Always maintain a three-point (two hands and a foot, or two feet and a hand) contact on the ladder when climbing.

S Keep your body near the middle of the step and face the ladder while climbing.

S Only use ladders and appropriate accessories for their designed purposes.

S Keep the rungs free of wet or slippery materials. Make sure that your shoes and hands are dry and clean before stepping onto the ladder.

S Never place a ladder on boxes, barrels, or other unstable bases to obtain additional height.

S Only one person at a time is permitted on a ladder unless the ladder is specifically designed for more than one climber (such as a trestle ladder).

S Ladders must not be placed in front of closed doors that can open toward the ladder. The door must be blocked open, locked, or guarded.

S Do not try to move or shift a ladder while a person or equipment is on the ladder.

S The proper angle for setting up a ladder is to place its base a quarter of the working length of the ladder from the wall or other vertical surface.

S A ladder placed in any location where it can be hit or displaced by other work activities must be secured or a barricade must be erected to keep traffic away from the ladder.

S Be sure all locks on an extension ladder are properly engaged.

S Only descend a ladder while facing it.

For additional safety information go to the American Ladder Institute website at www.laddersafety.org. S S

Why Consider Construction Management at Risk?

The ideal project delivery method results in a high-quality project at the earliest possible time for the lowest overall project life cycle cost. In practice, trade-offs among scope, quality, schedule, risk allocation, and cost are inevitable. Deciding which of these factors are most important will help guide the procurement process.

The construction management at risk (CMAR) collaborative delivery method has proven to be particularly effective. Although this delivery method still requires two separate contracts—one with the designer and one with the construction manager—it does provide a dotted-line responsibility between the designer and contractor. The CMAR provides a potentially viable delivery option when owners wish to:

S Maintain direct contractual control over project definition and design.

S Obtain lower costs, early contractor involvement, and transparent development of construction costs.

S Assure faster project completion.

S Reduce owner risk.

Through constructability reviews and a collaborative relationship with the engineer on this water supply reservoir and conveyance tunnel, options were generated that produced 70 value-engineering ideas.

Importantly, CMAR project delivery fully engages the owner prior to the establishment of the guaranteed maximum price (GMP). The CMAR delivery approach allows owners to maintain more control over a project’s scope by holding separate contracts with the engineering and construction entities, respectively.

The engineering and construction firms work together during the preconstruction phase to address owner requirements and to make sure the design deliverables do not have any constructability issues. Constructability reviews and value engineering input during preconstruction can confirm that the overall project cost is within the owner’s budget.

The CMAR firm provides construction-related advice during design development and acts as the general contractor after the owner and CMAR firm agree on a GMP. The CMAR firm works collaboratively with the owner’s engineer and performs preconstruction services as the design progresses. Preconstruction services may vary, but traditionally include constructability reviews, value engineering, estimating, and scheduling. Value engineering, and alternatives identification and development, have proven in-

valuable in meeting project budgets and making projects a reality. It is not the CMAR firm’s job to redesign the facility, but rather to enhance the existing design.

The CMAR firm works cooperatively with the owner and engineer to identify scope modifications that reduce cost without sacrificing quality or design intent. These tasks are usually performed at certain design milestones; as the design reaches 60 to 90 percent, preconstruction services conclude with the preparation of an open-book GMP or fixed price.

To better appreciate the open-book GMP process, it is important to understand how the owner is provided complete documentation. During the preconstruction phase of the project, the CMAR team collaboratively develops the GMP from bids submitted by prequalified subcontractors. Owners protect their rate payers through competition at every possible level, and the team secures high-quality subcontractors through an extensive prequalification process. This process will guarantee accurate GMP development that contributes to cost control. If the CMAR firm and owner cannot reach agreement on an acceptable price, owners can take an offramp and negotiate with another qualified CMAR firm or have their engineers complete the design and proceed with a conventional designbid-build procurement.

In Florida, the CMAR firm can be selected on qualifications, or on qualifications and price. The best-practice procurement approach is a process that allows owners to select the highestperforming CMAR that best supports the project and their community, and not just the “low bidder.”

Although owners may consider price in the selection of the CMAR firm, a typical request for proposal would not require the cost to construct

Working collaboratively with the engineer and local power authority, an alternative installation plan was developed for the underground finished water line, providing a savings of more than half a million dollars.

the project because the CMAR firm is traditionally selected early in the design phase, well in advance of pricing documents being available. If a pricing element is required, the CMAR firm can provide pricing information in a variety of ways:

S Preconstruction services expressed as a lumpsum value.

S Project personnel rate schedule.

S General conditions expressed as a lump-sum or maximum value, or as a percentage of construction cost.

S Overhead and profit expressed as a lump-sum value or percentage of cost.

One consideration an owner must take into

account when using CMAR is self-performance or work performed by the CMAR firm’s own labor force. Self-performance typically reduces schedule and costs, while increasing quality. The owner should determine how much self-performance is allowed by the CMAR firm to reflect the owner’s best interest.

The CMAR delivery offers owners the opportunity to avert certain risks. The party that is best able to control a certain risk should own, manage, and mitigate that risk. Risks that the CMAR firm is typically in the best position to control include:

S Costs to construct

S Building and administrative permits

This water reclamation facility improvement project had multiple guaranteed maximum prices established to speed construction, resulting in $18 million in cost savings to the owner.

S Schedule

S Change management and cost overruns

S Project performance and acceptance testing

In summary, CMAR delivery is a viable, often-used delivery method in water and wastewater utilities in Florida and throughout the United States. Some owners use CMAR delivery as a step away from conventional hard-bid procurement; if so, they should first establish project objectives, then see if CMAR delivery would be a good fit.

John A. Giachino, DBIA, is client services manager for PC Construction Co. in Florida. S S

FWPCOA TRAINING CALENDAR

UPCOMING 2018 CLASSES

Course registration forms are available at http://www.fwpcoa.org/forms.asp. For additional information on these courses or other training programs offered by the FWPCOA, please contact the FW&PCOA Training Office at (321) 383-9690 or training@fwpcoa.org.

Greetings from the Wastewater Process Committee! Each year, the Florida Water Environment Association (FWEA) gives the Earle B. Phelps Award to wastewater treatment facilities in recognition for outstanding operations.

Broward County North Regional Wastewater Treatment Plant

Ralph Aliseo, Persad Bissessar, Metason Phillips, and Timothy Ware

Sitting in beautiful Pompano Beach is Broward County’s 95-mil-gal-per-day (mgd) North Regional Wastewater Treatment Plant (plant). The plant is the 2016 recipient of the FWEA Earl B. Phelps Award for Secondary Treatment. The plant is no stranger to winning awards, having captured the Phelps Award in 2015 and Gold Awards from the metropolitan sewer agencies as far back as the 1990s. The success of the plant is attributed to the success of its employees. Broward County established an operator trainee program to bolster the pool of recruits for full-time permanent operator positions. The county has an extensive training program, which begins when a team member is hired and continues throughout his or her career. The county encourages team

members to continue their education through tuition reimbursement opportunities.

Paths have been established for operators to become supervisors, which helps the county in its succession planning. The county is very proud of its veteran staff for its past and current accomplishments and for creating the leaders of the future.

The plant has an extensive library containing all of the record drawings dating back to when the facility was originally built in 1975. All operators are encouraged, as part of their evaluation, to utilize the drawings to obtain knowledge regarding the facility and recent upgrades. Also in the library, operation and maintenance manuals are available to all personnel, as well as volumes of each section’s standard operating procedures for the entire facility to help enhance plant operations. All operational and laboratory records are kept electronically for future

reference. Easy access to plant information ensures that staff remains well-informed.

The plant is permitted to 95 mgd annual average daily flow. It operates as a conventional activated sludge secondary domestic wastewater treatment plant, with current average daily flow of 67.2 mgd. The major treatment plant components consist of the following:

S Influent headworks, with five continuous cleaning bar screens and an odor control system.

S Four vortex-type (PISTA Grit) grit removal systems.

S Five aeration modules, each consisting of four aeration basins, with a basin volume of 2 mil gal (MG).

Aeration in the basin is split, with some utilizing fine bubble diffusers, and others, mechanical aeration. The aeration basins feed to 19

Continued on page 60

Injection well pump strainers.

Continued from page 58

secondary clarifiers, 16 with a surface area of 8,660 sq ft and three larger ones at approximately 12,000 sq ft each.

Disinfection is completed using sodium hypochlorite through a chlorine contact chamber. The plant discharges through an ocean outfall, deep well injection, and reclaimed system.

The reclaimed system includes additional treatment, with tertiary filters and a chlorine contact chamber.

The solids processing consists of six dissolved air flotation units of 1,520 sq ft each, which thickens the sludge from 1 to 4 percent solids before digestion. The facility utilizes six anaerobic primary digesters, with an approximate volume of

1.5 MG each, to convert the sludge into a Class B biosolid. The biosolids are then transferred to one of nine belt presses for dewatering. The plant averages a final cake solid of roughly 16 percent. The solids are then transferred to preapproved sod farms or disposed of in landfills.

A culture of safety can be seen throughout the facility. Daily tailgate talks are conducted at

FWRJ COMMITTEE PROFILE

This column highlights a committee, division, council, or other volunteer group of FSAWWA, FWEA, and FWPCOA.

Affiliation: FWEA

Current chairs:

Operations Challenge Committee

S Brad Hayes, chair; utility director, City of Tavares

S Chris Fasnacht, deputy chair; section manager, Orange County Utilities

S Ada Levy, superwoman/organizer; City of St. Cloud

Year group was formed:

The first Florida Operations Challenge was held in 1988. This was the same year as the first Ops Challenge at the Water Environment Federation Technical Exhibition and Conference (WEFTEC) in Dallas, where the City of Tampa came in first place and Gainesville Regional Utilities (GRU) came in second. Pat Karney was the Challenge coordinator.

The other teams that competed that first year were City of St. Petersburg and City of Fort Lauderdale. These four were the main teams for the first three to four years. The coordinators over the years were Pat Karney, Bert Hale, Joseph Cheatham, Art Saey, George Lomax, and Jon Pratt; and now, Chis Fasnacht.

The highest finish in the national Ops Challenge at WEFTEC in those first years was by GRU, which finished in second place; I believe that was 1996.The City of Tampa finished third at the 1989 Challenge at WEFTEC in San Francisco, which was cut short by the earthquake that occurred during the conference.

Scope of work:

S Organize and execute a statewide, utility skill-based competition composed of utility employees.

S Increase operator exposure to conference vendors and associated technology.

Recent accomplishments:

The 2017 statewide completion was composed of nine teams. According to WEF, this is the largest number of teams in the United States. The nine teams were:

S GRU (True Grit)

S Destin Water Users (Positive Influents)

S Jacksonville/JEA (Water Hogs)

S Jacksonville/JEA (Fecal Matters)

S St. Petersburg (Dirty Birds)

S Orange County (Treatment Outlaws)

S Boynton Beach (Steam Team)

S City of St. Cloud (Methane Madness)

S City of Ft. Lauderdale (Hurricanes)

The City of St. Cloud team and one of the Jacksonville teams just returned from the 2017 WEFTEC in Chicago, where they competed against 44 other teams, including one from Europe (Denmark) and one from Argentina. The Florida teams completed at 17th and 23rd place, respectfully. They did a fantastic job of representing Florida.

Current projects:

We are scheduling a training class in February 2018 for next year’s competition, which is being organized with the help of the University of Florida TREEO Center, Jamie Hope. and some vendors.

Future work:

We will be working with the other associations to put on a great competition at the 2018 Florida Water Resources Conference in Daytona Beach and hope to secure more sponsorship to help enhance the overall Operations Challenge program. S S

Diffused aeration basin. Fats, oils, and grease (FOG) station.

the start of every shift to inform operators of abnormal plant conditions and safety hazards. Also, a weekly topic-related safety meeting is conducted as part of the risk management program. Additionally, risk management staff conducts a monthly safety meeting for all plant personnel on various safety-related topics.

Steven Ray Saffels

City of Plant City

Work title and years of service.

I am utilities operations superintendent for the City of Plant City, and have been in the industry for 45 years.

What does your job entail?

I administer and manage the city’s wastewater treatment facility, water treatment plants, and public access reuse system. I provide leadership and guidance by providing long-range planning, organization, scheduling, staffing, information and budget management, succession planning, and compliance reporting.

What education and training have you had?

I came in with the first load of dirt (literally, during one of the plant expansions in 1973 for the wastewater facility), so one might say my education was from the school of hard knocks, lumpy and clean water courses, and extensive on-the-job training, with an honorary BS degree—that’s biosolids, of course! I was hired originally as a truck driver, but was put immediately to work as a laboratory technician and operator.

Over the course of my career, I have attended training classes through FWPCOA, FWEA, FSAWWA, Florida Rural Water Association, University of Florida TREEO Center, Florida Department of Environmental Protection, U.S.EPA, Federal Emergency Management Association, and many other organizations.

The team at Broward County’s North Regional Wastewater Treatment Plant continues to demonstrate its operational excellence day in and day out. The Wastewater Process Committee congratulates the team members on their continued success.

FWRJ READER PROFILE

I have been the driving force behind permit compliance during my tenure, specifically for the wastewater side. For a while, I was the pretreatment compliance coordinator, taking on the city’s potable water treatment plants and distribution system in 1999 in conjunction with the water reclamation facility, which is celebrating its 20-year anniversary since the first reclaimed water project in 1997.

What do you like best about your job?

I like protecting the water resources of Florida using my unswerving perseverance to details, conscientious service to the city, and just genuine love for the business. One might believe that what I love best about the job is stress, generated by ever-changing regulations, new technologies, decades of different administrators and superiors, etc. Even though some of the hundreds of operators that I’ve hired and trained over the course of my career might not realize how compassionate and helpful I’ve been to their lives, I love working with the people I’ve interacted with all these years, and assisting them in any way that I can.

What professional organizations do you belong to?

I’ve been a member of FSAWWA for 18 years, FWEA for 29 years, and FWPCOA for 42 years. I also signed up Plant City as a member with FRWA in 2004, and with the WateReuse Association in 2017. I’ve encouraged all the operators to get involved with these associations because of the value of the interface with other professionals in the business.

How have the organizations helped your career?

All of these organizations have been instrumental in providing valued training courses; networking with engineers, regulators, and other operators; gaining insight into new technologies that allow for informed and logical decisions in maintaining compliance; and excellence in performance.

I’ve been very fortunate to have received

Ralph Aliseo is plant superintendent, and Persad Bissessar and Metason Phillips are construction and maintenance superintendents, at the North Regional Wastewater Treatment Plant in Pompano Beach. Timothy Ware is client manager with Arcadis in Tampa. S S

several awards from the associations over the years.

What do you like best about the industry?

This has been a great career for me and I’m proud to know we make a difference in public health, safety, and protection of our sensitive environment.

What do you do when you’re not working?

I like playing acoustic guitar solos. My band, “Cheap Labor,” has been banded and disbanded over the years, but I’m looking forward to doing many events when I retire in January 2018. I love spending time with my wife, Sharon, and our children and grandchildren. We like to take our pontoon boat out fishing, mostly in the salt water around Anna Maria, but sometimes in fresh water. I claim to catch a good time, but not necessarily any fish!

I love to go golfing, although my score is based more on balls found or recovered. I have been the secretary/treasurer for FWPCOA Region XII for the last three years, seldom missing a meeting (even on my birthday!). S S

Editorial Calendar

January......Wastewater Treatment

February....Water Supply; Alternative Sources

March........Energy Efficiency; Environmental Stewardship

April............Conservation and Reuse; Florida Water Resources Conference

May............Operations and Utilities Management

June............Biosolids Management and Bioenergy Production

July..............Stormwater Management; Emerging Technologies; FWRC Review

August........Disinfection; Water Quality

September..Emerging Issues; Water Resources Management

October......New Facilities, Expansions, and Upgrades

November..Water Treatment

December..Distribution and Collection

Technical articles are usually scheduled several months in advance and are due 60 days before the issue month (for example, January 1 for the March issue).

The closing date for display ad and directory card reservations, notices, announcements, upcoming events, and everything else including classified ads, is 30 days before the issue month (for example, September 1 for the October issue).

For further information on submittal requirements, guidelines for writers, advertising rates and conditions, and ad dimensions, as well as the most recent notices, announcements, and classified advertisements, go to www.fwrj.com or call 352-241-6006.

Display Advertiser Index

ENGINEERING DIRECTORY

ENGINEERING DIRECTORY

EQUIPMENT & SERVICES DIRECTORY

EQUIPMENT & SERVICES DIRECTORY

- 941-845-1030 Fax – 941-845-1049 prademaker@cecmotoru.com

• Motor & Pump Services Test Loaded up to 4000HP, 4160-Volts

• Premier Distributor for Worldwide Hyundai Motors up to 35,000HP

• Specialists in rebuilding motors, pumps, blowers, & drives

• UL 508A Panel Shop, engineer/design/build/install/commission

• Lift Station Rehabilitation Services, GC License # CGC1520078

• Predictive Maintenance Services, vibration, IR, oil sampling

• Authorized Sales & Service for Aurora Vertical Hollow Shaft Motors

Motor & Utility Services, LLC

CLASSIFIEDS

CLASSIFIED ADVERTISING RATES - Classified ads are $20 per line for a 60 character line (including spaces and punctuation), $60 minimum. The price includes publication in both the magazine and our Web site. Short positions wanted ads are run one time for no charge and are subject to editing ads@fwrj.com

Positions Available

CITY OF WINTER GARDEN –POSITIONS AVAILABLE

The City of Winter Garden is currently accepting applications for the following positions:

- Wastewater Plant Operator – Trainee

- Solid Waste Worker I, II & III

- Collection Field Tech – I, II, & III

- Distribution Field Tech – I, II, & III

- Public Service Worker II - Stormwater

Please visit our website at www.cwgdn.com for complete job descriptions and to apply. Applications may be submitted online, in person or faxed to 407-877-2795.

Water Conservation/Recycling Coordinator

This position is responsible for the administration of the water conservation and solid waste recycling customer education programs for the City. Salary is DOQ. The City of Winter Garden is an EOE/DFWP that encourages and promotes a diverse workforce. Please apply at http://www.cwgdn.com.

Minimum Qualifications:

S Bachelor’s of Science in Environmental Science

S Three (3) years of experience in water conservation, recycling and/or related environmental management field.

S Considerable knowledge of water, irrigation, conservation and recycling methodologies and processes.

S Valid Florida driver’s license.

City of Groveland Class C Wastewater Operator

The City of Groveland is hiring a Class "C" Wastewater Operator. Salary Range $30,400-$46,717 DOQ. Please visit groveland-fl.gov for application and job description. Send completed application to 156 S Lake Ave. Groveland, Fl 34736 attn: Human Resources. Background check and drug screen required. Open until filled EOE, V/P, DFWP

Mader Electric Motors Inside Pump Sales

Inside pump sales position with Mader Electric Motors, N. Ft. Myers branch. Must have knowledge in pump selection, system design, or installation. Great compensation & benefits package. Contact Jeremy at 239731-5455 or email resume to Jeremy@maderelectricmotors.com

Field Service Technician

Hydra-Service (S) Inc. is a leader in the Water and Wastewater Industry and is looking to add a field service technician to our team. The ideal candidate will have a minimum of 3 years’ experience in trouble shooting controls, hydraulics and mechanical issues at lift stations or water/waste water treatment facilities. The candidate must also live in or be willing to re-locate to the greater Tampa Bay area. A clean driving record is required. We offer an excellent compensation and benefits package. Compensation will vary based on experience. Hydra Service (S) Inc. is a drug-free work place and an equal opportunity employer. If you are interested please send a Resume to Tim@HydraService.net

Engineering Inspector II & Senior Engineering Inspector

Involves highly technical work in the field of civil engineering construction inspection including responsibility for inspecting a variety of construction projects for conformance with engineering plans and specifications. Projects involve roadways, stormwater facilities, portable water distribution systems, sanitary pump stations, gravity sewer collection systems, reclaimed water distribution systems, portable water treatment and wastewater treatment facilities. Salary is DOQ. The City of Winter Garden is an EOE/DFWP that encourages and promotes a diverse workforce. Please apply at http://www.cwgdn.com.

Position Requirements:

Possession of the following or the ability to obtain within 6 months of hire:

(1) Florida Department of Environmental Protection (FDEP) Stormwater Certification and an (2) Orange County Underground Utility Competency Card. A valid Florida Driver’s License is required.

S Inspector II: High School Diploma or equivalent and 7 years of progressively responsible experience in construction inspection or testing of capital improvement and private development projects.

S Senior Inspector: Associate’s Degree in Civil Engineering Technology or Construction Management and 10 years of progressively responsible experience, of which 5 years are in at a supervisory level.

Positions Available City of Tarpon Springs

The City of Tarpon Springs is searching for enthusiastic professional to join the team.

Current openings

-Maintenance Mechanic III

-Water Service Worker

-Wastewater Service Worker

-Water Distribution Technician I&II

Please visit www.ctsfl.us for more information and how to apply. Applications can be submitted online, in person or by fax to 727-942-5621.

UTILITIES DIRECTOR

Polk County BoCC

See Website for more details.

Rate of Pay: $73,652.80 - $118,435.20 (Exempt)

Candidates can apply directly at www.polk-county.net or submit resumes to sherryqualls@polk-county.net

ENVIRONMENTAL SPECIALIST III (Utilities)

Polk County BoCC

See Website for more details.

Rate of Pay: $19.34 per hour

Candidates can apply directly at www.polk-county.net or submit resumes to sherryqualls@polk-county.net

City of Arcadia – WASTEWATER/WATER TREATMENT PLANT OPERATOR

Applicants must have high school diploma or equivalent and must hold a minimum class "C" operators certificate. Must have skills to operate MS Word and Excel. Drug screen and physical exam required. Applications are available at www.arcadia-fl.gov. For further information call 863-4944114. EEO/Veteran's Preference/AA

City of Arcadia - WASTE WATER TREATMENT PLANT SUPERVISOR

Applicants must have high school diploma or equivalent and must hold a minimum class "B" operators certificate. Must have 3 to 5 years of responsible experience in utilities operations; including 3 years of supervisory responsibility. Must have skills to operate MS Word and Excel. Drug screen and physical exam required. Applications are available at www.arcadia-fl.gov. For further information call 863-494-4114. EEO/Veteran's Preference/AA

Water Production Operations Supervisor

The City of Melbourne, Florida is accepting applications for an Operations Supervisor at our water treatment facility. Applicants must meet the following requirements: High School diploma or G.E.D., preferably supplemented by college level course work in mathematics and chemistry. Five years supervisory experience in the operation and maintenance of a Class A water treatment facility. Possession of a Class A Water Treatment Plant Operator license issued by the State of Florida. Must possess a State of Florida driver’s license. Applicants who possess an out of state driver’s license must obtain a Florida license within 10 days of employment. Must have working knowledge of nomenclature of water treatment devices. A knowledge test will be given to all applicants whose applications meet all minimum requirements.

Salary commensurate with experience. Salary Range: $39,893.88$67,004.60/yr., plus full benefits package.

To apply please visit www.melbourneflorida.org/jobs and fill out an online application. The position is open until filled. The City of Melbourne is a Veteran's Preference /EOE/DFWP.

Electronic Technician

The City of Melbourne, Florida is accepting applications for an Electronic Technician at our water treatment facility. Applicants must meet the following requirements: Associate’s degree from an accredited college or university in water technology, electronics technology, computer science, information technology, or related field. A minimum of four (4) years’ experience in the direct operation, maintenance, calibration, installation and repair of electrical, electronic equipment, and SCADA systems associated with a large water treatment facility. Experience must include field service support and repair of PLC’s, HMI, SCADA, programming VFD’s, switchgear and working in an industrial environment. Desk/design work does not count toward experience. Must possess and maintain a State of Florida Journeyman Electrician License. Must possess and maintain a valid State of Florida Driver's license. Applicants who possess an out of state driver’s license must obtain the Florida license within 10 days of employment.

Salary commensurate with experience. Salary Range: $40,890.98$68,680.30/yr., plus full benefits package.

To apply please visit www.melbourneflorida.org/jobs and fill out an online application. The position is open until filled. The City of Melbourne is a Veteran's Preference /EOE/DFWP.

Industrial Electrician

The Island Water Association on Sanibel Island100 Extensive Benefits, Great Career Opportunity

For a full job description and to apply visit our website: www.islandwater.com

WATER PLANT OPERATOR I/II/III (Utilities Operations)

Polk County Government BoCC

Work Schedule:

Days: Monday – Friday Hours: 6:00 a.m. – 2:30 p.m.

Rate of Pay:

Water Plant Operator I: $33,987.20 - $50,752.00 (Non-Exempt Position)

Water Plant Operator II: $38,272.00 - $57,200.00 (Non-Exempt Position)

Water Plant Operator III: $41,121.60 - $61,443.20 (Non-Exempt Position)

Candidates can apply directly at www.polk-county.net or submit resumes to sherryqualls@polk-county.net

Wastewater Operator C or Higher needed.

CH2M, the leader in Operations and Maintenance of Wastewater facilities, is seeking Fl “C” licensed wastewater operator or higher for its Crestview, Fl. Project. Position to be filled December 1st,2017. CH2M has operated the City of Crestview WWTP for 25 years. Operator’s must have a valid Florida “C” or higher Wastewater License, and valid driver license, and pass a back ground check as well as a drug screen. Salary based off experience and skillset. Send resumes to jayne.swift@ch2m.com.

Utilities Superintendent

The City of North Lauderdale, Broward County is accepting applications for a Utilities Superintendent. This is technical work pertaining to the operation and inspection of utilities. Assists director in overseeing field operations of the department. Work is reviewed for accuracy and consistency with the City policy. The employee is expected to work independently in accomplishing assigned tasks. Inspects the installation, operation, and maintenance of water distribution systems, sewer distribution systems, and water plant production. Oversee water plant operations, utility field personnel, and lift station operations. Complies information and prepares reports for Health Department in cooperation with lead water plant operator. (Salary Range: $52,513 - $89,924)

Minimum Qualifications:

S High school or trade school graduate, plus engineering and/or technical training in public utilities, or equivalent combination of training and experience.

S (NIMS) Certification

S Florida ‘A’ Water Treatment Operator Certification

S Valid Florida Driver’s License

S SACDA system knowledge

S Minimum 10 years water treatment plant experience

S Minimum 5 years of supervisory experience

Applications may be submitted to: City of North Lauderdale, HR Dept. 701 S.W. 71st Ave., N. Lauderdale, FL 33068; by fax at (954) 724-6975; or email at llarrieux@nlauderdale.org

For more details visit our website: www.nlauderdale.org. DFWP/EOE

Wastewater Plant Manager – Pinellas County, FL

How to Apply:

Currently hiring two Wastewater plant managers in Pinellas County, FL! Please visit http://www.pinellascounty.org/hr/employment.htm and click on "job openings" to apply. Position ID 1908.

Position Locations:

Palm Harbor, FL & St. Petersburg, FL.

Position Description:

The Wastewater Treatment Plant Manager position will oversee the Operations, Maintenance, instrumentation & controls, onsite laboratories, warehouses and project coordination for the entire facility and the pumping stations in the associated collection system. Other responsibilities of the Plant Manager include workforce planning, education program direction and oversight, personnel management, contract management, capital improvement program planning, and disaster/storm recovery operations.

Instrumentation Control and Electrical Manager - $60,566.13$96,905.80/annually

Senior Utility Field Technician - $41,107.00 - $62,483.00/annually

For More Info and to Apply go to: http://agency.governmentjobs.com/hollywoodfl/default.cfm

EOE M/F/D/V

City of Tamarac Utility Engineer

The City of Tamarac is seeking a Utility Engineer. Under limited supervision, the Utility Engineer reviews, supervises, plans and/or directs the activities of City developers, and contractor field personnel engaged in construction, installation, excavation, maintenance and repair of City water and wastewater systems and the activities of City engineering personnel and outside consultants engaged in studies, drafting, design, document preparation, inspection and permitting of Utility projects. Evaluates equipment and procedures and makes recommendations to improve efficiency and effectiveness of operations. Makes independent judgments and recommendations as a registered engineer for Utility projects. Responsible for water plant and water distribution system quality assurance and regulatory compliance program to ensure the proper and safe provision of potable water to City residents. Visit the job posting and apply online at http://www.tamarac.org/Jobs.aspx or at City Hall, 7525 NW 88th Avenue, Tamarac, FL 33321, HR Department.

EOE/M/F/D/V.

Pensacola, Escambia County, FL

Project Engineer, P.E. or E.I.

FT w/ generous benefits including FRS retirement

Manages multi-scale and multi-discipline projects; Performs responsible administrative engineering work in planning, permitting, reviewing and coordinating engineering activities with high degree of independent professional judgment. Plans, coordinates, directs, and implements the work of consulting engineers and contractors. Analyzes, reviews, modifies, and performs computer modeling of water and sewer piping and pumping systems. Bachelor's degree in civil, environmental, or sanitary engineering (P.E. or E.I.). Five years of progressively responsible engineering experience in the planning, design, construction or operation of water or wastewater facilities (P.E. only). Registration as a professional engineer in the state of Florida, or if registered in another state, must obtain registration within one year of appointment (P.E. only). Possession or ability to obtain a valid FL driver license upon offer of employment. EOE AAE/M/F/D/V/DFW. Apply online at our website: www.ecua.fl.gov.

Utility Compliance/Efficiency Manager

$76,540 - $107,699/yr.

Utilities Electrician

$51,283 - $72,160/yr.

Utilities Storm Water Foreman

$46,515 - $65,451/yr.

Utilities System Operator II & III

$38,267 - 53,847/yr.; $40,182 - $56,539/yr.

Apply Online At: http://pompanobeachfl.gov Open until filled.

Utilities Director

$75,000 to 113,850 Annually (DOQ)

Position Function:

Directs and oversees the Utilities Department consisting of the Water, Wastewater and Utilities Maintenance Operations of the City. Directs Department activities through the development and oversight of program design and implementation, contract management, polices and directives, budgets, and goals and objectives to ensure the integrity of the water treatment and distribution, wastewater collection and treatment, and water reclamation processes of the City. Serves as the Principal Utilities Administrator.

*For more information please visit www.hainescity.com/jobs. All interested candidates must complete an application to be considered for employment.

From page 32

1. C) cross-connection.

Per Recommended Practice for Backflow Prevention and Cross-Connection Control:

“A cross-connection is an actual or potential connection between any part of a potable water system and any other environment that contains other substances that, under any circumstances, would allow such substances to enter the potable water system.”

2. A) Back pressure and backsiphonage

Per FDEP’s webpage - Cross-Connection Control and Backflow Prevention Program:

“Backflow is the undesirable reversal of flow of nonpotable water or other substances through a cross-connection and into the piping of a public water system or consumer’s potable water system. There are two types of backflow: backpressure backflow and backsiphonage.”

3. D) an air gap separation.

Per FDEP’s webpage – Cross-Connection Control and Backflow Prevention Program:

“An air gap is a vertical, physical separation between the end of a water supply outlet and the flood-level rim of a receiving vessel. This separation must be at least twice the diameter of the water supply outlet and never less than one in. An air gap is considered the maximum protection available against backpressure backflow or backsiphonage, but is not always practical and can easily be bypassed.”

4. A) a written plan using recommended practices in AWWA’s Manual M-14, Recommended Practice for Backflow Prevention and Cross-Connection Control.

Per FAC 62-555.360 Cross-Connection Control for Public Water Systems:

“Community water systems, and all public water systems that have service areas also served by reclaimed water systems regulated under Part III of Chapter 62-610, F.A.C. shall establish and implement a routine crossconnection control program to detect and control crossconnections and prevent backflow of contaminants into the water system. This program shall include a written plan that is developed using recommended practices of the American Water Works Association set forth in Recommended Practice for Backflow Prevention and Cross-Connection Control, AWWA Manual M14, as incorporated into Rule 62-555.330, F.A.C.”

Positions Wanted

KENNETH MARTIN – Holds a Florida Class B Wastewater license with 15 years experience. Has applied for a Class B Water license. Prefers the mid-west coast area but is willing to relocate. Contact at 519 S. Crest Ave., Clearwater, Fl. 33756. 727-337-8231

Test Yourself Answer Key

5. C) a reduced pressure backflow preventer.

Per FAC 62-555.360 (4) Cross-Connection Control for Public Water Systems:

“Only the following are considered to be backflow prevention devices:

(a) Air gap separation - A physical separation between the free-flowing discharge end of a potable water supply pipeline and an open or nonpressure receiving vessel.

(b) Reduced pressure backflow preventer - A device containing within its structure a minimum of two independently acting approved check valves, together with an automatically operating pressure differential relief valve located between the two check valves.

(c) Atmospheric vacuum breaker - A backflow prevention device that is operated by atmospheric pressure in combination with the force of gravity.

(d) Pressure vacuum breaker - A pressure vacuum breaker is similar to an atmospheric vacuum breaker except that the checking unit "poppet valve" is activated by a spring. This type of vacuum breaker does not require a negative pressure to react and can be used on the pressure side of a valve.

(e) Double check valve assembly - An assembly composed of two single, independently acting, check valves, including tightly closing shutoff valves located at each end of the assembly and suitable connections for testing the water tightness of each check valve.”

6. C) Residential dual check device.

Per FAC 62-555.360 (4) Cross-Connection Control for Public Water Systems:

“Residential Dual Check - A compact unit manufactured with two independent spring-actuated check valves. The residential dual check is acceptable only as added backflow prevention in areas served by reuse systems defined in Chapter 62-610, Part III, F.A.C., when the cross-connection control program identifies activities specific to (5)(a) and (5)(b) of this section.”

7. B) in locked boxes or vaults, and clearly labeled as being nonpotable.

Per FAC 62-610.469 (3) Application/Distribution Systems and Cross-Connection Control: “Except as specifically allowed in this paragraph, above ground hose bibbs (spigots or other handoperated connections) shall not be present. Hose bibbs shall be located in locked vaults, service boxes, or compartments that shall be clearly labeled as being of nonpotable quality (bearing the words in English and Spanish: “Do not drink,” together with the equivalent standard international symbol).”

8.

B) Pantone Purple 522C

Per FAC 62-610.469 (7)(f) Application/Distribution Systems and Cross-Connection Control:

“All piping, pipelines, valves, and outlets shall be color-coded, or otherwise marked, to differentiate reclaimed water from domestic or other water. Effective Jan. 1, 1996, underground piping that is not manufactured of metal or concrete, shall be colorcoded for reclaimed water distribution systems using Pantone Purple 522C using light stable colorants. Underground metal and concrete pipe shall be colorcoded or marked using purple as a predominant color. If tape is used to mark the pipe, the tape shall be permanently affixed to the top and each side of the pipe (three locations parallel to the axis of the pipe). For pipes less than 24 in. in diameter, a single tape may be used along the top of the pipe. Visible, above ground portions of the reclaimed water distribution system shall be clearly color-coded or marked.”

9. B) an FDEP approved cross-connection control and inspection program.

Per FAC 62-610.469 (7)(a) Application/Distribution Systems and Cross-Connection Control:

“No cross-connections to potable water systems shall be allowed. The permittee shall submit documentation of department acceptance for a cross-connection control and inspection program, pursuant to Rule 62555.360, F.A.C., for all public water supply systems located within the area to be served by reclaimed water.”

10. B) 3 ft

Per FAC 62-610.469 (7)(c) Application/Distribution Systems and Cross-Connection Control:

“Maximum obtainable separation of reclaimed water lines and domestic water lines shall be practiced. A minimum horizontal separation of 3 ft (outside to outside) shall be maintained between reclaimed water lines and either potable water mains or sewage collection lines. The department shall approve smaller horizontal separation distances if one of the following conditions is met:

1. The top of the reclaimed water line is installed at least 18 in. below the bottom of the potable water line.

2. The reclaimed water line is encased in concrete. 3. The applicant provides an affirmative demonstration in the engineering report that another alternative will result in an equivalent level of protection.”

Turn static files into dynamic content formats.

Create a flipbook