Rocas y Minerales 624 | Octubre 2024

Page 1


EDITOR-DIRECTOR

Luis Fueyo

Doctor en C.C. Geológicas

Gemólogo tasador

Teléfono: 650 947 258

DIRECTOR DE MARKETING Y PUBLICIDAD

Jesús García

Teléfono: 607 515 215

COMITÉ EDITORIAL

Miguel Cabal

Salvador Maturana

ADMINISTRACIÓN

Carmen Eiroa

Gestión Financiera

Técnico Superior en Prevención de R. Laborales

Teléfono: 696 184 353

MAQUETACIÓN

Bárbara López

IMPRESIÓN

Digital Booklet Ediciones

SUSCRIPCIONES

España: 90 euros

Europa: 210 euros

Otros países: 300 euros

REDACCIÓN, PUBLICIDAD, SUSCRIPCIONES Y LIBROS

Arturo Baldasano 15, portal 1, bajo A Madrid 28043

DEPÓSITO LEGAL

M-1644-1972

EDITA

REPRESENTANTES EXTRANJERO

ALEMANIA-HOLANDASUIZA-AUSTRIA

Intermedia Partners GmbH

Beyeroehde 14, D-42389 Wuppertal (Alemania)

Tel.: 00-49-202 271 690

ITALIA

Media Point & Exhibitions

Corte Lambruschini

Corso Buenos Aires, 8- Vº Piano - Int. 9, 16129

Génova (Italia)

Tel.: 00-39-010 570 4948

© Queda totalmente prohibida la reproducción, ni en todo ni en parte, de los contenidos de esta Revista, sin el permiso previo y por escrito de la editorial Fueyo Editores, S.L.

SUMARIO 624

La mina de wollastonita del Grupo Crimidesa

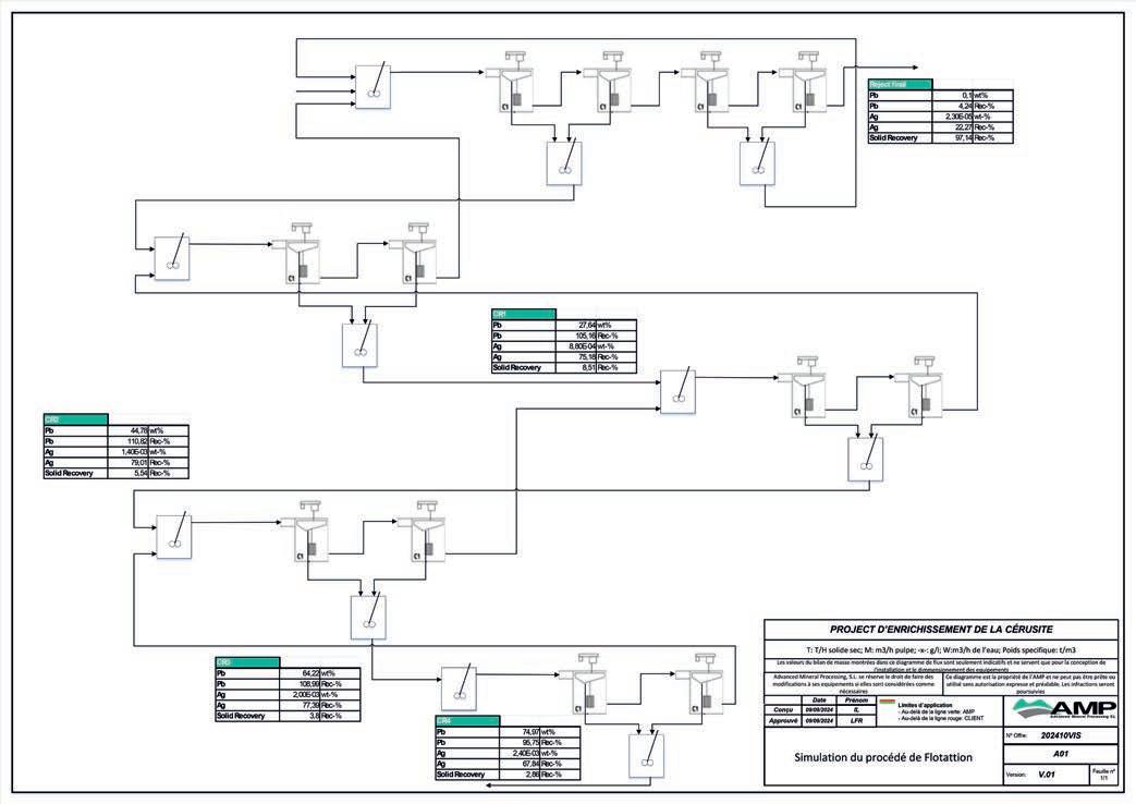
Ingeniería básica para planta de beneficio de cerusita

SONDEOS

Exploración minera, llave y solución a un serio problema ambiental

TRANSPORTE POR BANDA

Schulte Strathaus desembarca en España con su gama de productos Starclean para bandas transportadoras

MODELADO MINERO

Descubriendo la continuidad oculta: Leapfrog Geo garantiza la viabilidad de una mina de caolín en el largo plazo

MANTENIMIENTO INDUSTRIAL

Borrero Sánchez Hermanos, verdadero proveedor de soluciones para el sector minero

MINERÍA

CRN Consultores, the big picture for your mine

FUNDACIÓN MINERÍA Y VIDA

La Fundación Minería y Vida ofrece un espacio de debate sobre la situación de la industria extractiva en el I Foro Minería y Vida

MINERÍA METÁLICA

Pan Global, a la vanguardia de la investigación y exploración minera

NUEVAS INSTALACIONES

Drago Electrónica incrementa su presencia internacional y amplia sus instalaciones en Barcelona

SÓLIDOS Y GRANELES

Puerto de Huelva, Hub de la minería metálica en el sur de Europa

EQUIPAMIENTO MINERO

TH presenta sus últimas innovaciones tecnológicas en MMH Sevilla 2024

Sefar is Transforming Customer Needs into Solutions since 1830

RESTAURACIÓN DE CANTERAS

Red de restauración de minas y canteras (Red RMC)

SOLUCIONES MINERAS

Avances en maquinaria minera y de perforación: las mejores soluciones del distribuidor

Anzeve en MMH 2024

COMUNICACIÓN Y SEGURIDAD

Expocom, incondicional para la industria, minas y plataformas energéticas

CLÚSTER MINERO

La innovación minera en España: el rol estratégico del clúster ISMC 158 MEDIO AMBIENTE

Salma, S.L.U.: innovación y sostenibilidad en la fabricación de equipos medioambientales 164 MINERÍA DE INTERIOR

Secmotic presenta su solución “Smart Tunneling” enfocada en el sector de la construcción y la minería 170 CLASIFICACIÓN ÓPTICA

La clasificación basada en sensores Tomra ayuda a las explotaciones mineras a extraer todo el valor de su cuarzo 172 PERFORACIÓN

Sandvik mostrará sus últimas novedades en el MMH 2024 178 ENTREVISTA

Entrevista a Paula Velasco, directora general del Grupo Maqop

NUESTRA PORTADA

Vuelve a la portada de Rocas y Minerales de octubre, coincidiendo con la feria MMH, la empresa Hispano Japonesa de Maquinaria, importador y distribuidor de grandes fabricantes de maquinaria de obras públicas, construcción y minería. Hitachi, Bell, Esco, Metso, etc., son solo una reducida parte de las marcas de primer orden que esta empresa comercializa en exclusiva es España.

En la portada aparece una gran excavadora minera Hitachi trabajando a cielo abierto. Hitachi cuenta 6 excavadoras de gran tamaño con pesos entre las 119 t (EX 1200-7) y las 839 t (EX 8000-7). En la portada de Rocas y Minerales aparece trabajando la EX 8000-7, una excavadora con brazo retro accionada por dos motores de 1.450 kW de potencia cada uno.

Para más información:

Hispano Japonesa de Maquinaria

Polígono industrial del Bierzo Alto, Par E3-E4

San Román de Bembibre 24318

León (España)

Teléfono: (+34) 987 52 67 00

Mail: info@hjm.eu EDITORIAL

La sostenibilidad en minería

Actualmente, todo es sostenibilidad. Cualquier empresa, marca u organización que no tenga entre sus valores esta palabra no es una compañía moderna. Está de moda y como tal debe aparecer en cualquier congreso, evento o encuentro profesional, haciendo creer a la gente que se realizan usos responsables de los recursos actuales del planeta sin comprometer el futuro de las siguientes generaciones. Sin embargo, son pocas las industrias que realmente hacen uso de los recursos del planeta como para justificar que la sostenibilidad es uno de los pilares más importantes de su estructura. La minería es una de ellas; es una industria que extrae los recursos minerales del planeta para permitir que la civilización siga evolucionando tecnológicamente. Sin minería no hay ni cosmética, ni productos de higiene, ni automoción, ni construcción, ni tecnología, ni ningún otro sector donde la minería, en cualquiera de sus múltiples minerales, forme parte del proceso de fabricación. Los teléfonos móviles, tan habituales y necesarios hoy en día, utilizan más de 200 minerales y las energías renovables no podrían existir sin minerales como el cobre o el zinc. Por lo tanto, el desarrollo de la humanidad se basa en la extracción mineral y eso es algo que realmente se desconoce por la población.

El desconocimiento social de la minería y el rechazo generado hacia ella por determinados colectivos está etiquetando y condenando una industria absolutamente necesaria. De ahí que sea tan importante realizar acciones para dar a conocer la necesidad y la dependencia tan absoluta que tiene la sociedad de la minería. Por su parte, el propio sector minero debe hacer gala de la sostenibilidad como el gran valedor de su actividad, pues si al desconocimiento de la sociedad se le suma una imagen de oscurantismo, maltrato de la naturaleza y enriquecimiento de unos pocos, el cóctel está servido.

La sociedad tiene en la retina antiguas explotaciones mineras que no han dejado más que cicatrices imborrables en el terreno, hoy en día algunas Patrimonio de la Humanidad, o desastres medioambientales incorregibles que todavía perduran en el tiempo o enfermedades desconocidas hasta hace unas décadas, que dejaron a generaciones de mineros con limitaciones. Aznalcóllar es posiblemente el desastre minero más recordado de todos. La rotura de la balsa y la liberación de los lodos que llegaron a Doñana fue un hecho acaecido hace más de 25 años que sigue coleando, entre otras cosas porque nunca se buscaron responsabilidades. Hoy en día, esta explotación está a punto de reabrirse con un concepto de sostenibilidad que era impensable hace dos décadas y media, y que va a permitir continuar con la extracción de unos ricos recursos, generando riqueza en la zona y la obtención de minerales fundamentales. No hay que olvidar que la propia Unión Europea ha declarado el sector minero como crítico y esencial, algo que ya de por sí habla de la importancia y necesidad que se tiene de los recursos minerales.

La minería actual no tiene nada que ver con la de hace unos años, siendo totalmente diferente a las prácticas habituales que tuvieron lugar en los siglos pasados. Medioambiente, seguridad, tecnología, fiabilidad y optimización son sólo una pequeña parte de los sustantivos que se aplican en la gestión de una mina y en los procesos de laboreo, metalurgia, mine-

ralurgia o restauración actuales. La minería moderna está desarrollada para proteger al medioambiente, minimizando al máximo las afecciones al entorno, buscando la optimización de los procesos y garantizando el bienestar de los trabajadores y de las comunidades vecinas. La minería es futuro y es una de las pocas industrias que puede garantizar el desarrollo tecnológico y, por ende, el crecimiento de la civilización.

Sostenibilidad es una de las palabras más utilizadas actualmente en el sector minero. Las grandes multinacionales mineras y las empresas extractoras no tan grandes se cuidan de estar al día con las últimas novedades y avances medioambientales, técnicos y de producción, siendo la minería ilegal la que mancha la imagen de un sector cada día más limpio y cuidadoso con el entorno y la sociedad.

“La minería actual no tiene nada que ver con la de hace unos años, siendo totalmente diferente a las prácticas habituales que tuvieron lugar en los siglos pasados. Medioambiente, seguridad, tecnología, fiabilidad y optimización son sólo una pequeña parte de los sustantivos que se aplican en la gestión de una mina y en los procesos de laboreo, metalurgia, mineralurgia o restauración actuales. La minería moderna está desarrollada para proteger al medioambiente, minimizando al máximo las afecciones al entorno, buscando la optimización de los procesos y garantizando el bienestar de los trabajadores y de las comunidades vecinas. La minería es futuro y es una de las pocas industrias que puede garantizar el desarrollo tecnológico y, por ende, el crecimiento de la civilización

Sostenibilidad es futuro para las nuevas generaciones y minería es la base del desarrollo, siendo ambas la conjunción perfecta para una sociedad que busca calidad de vida, progreso y bienestar sin perjudicar al entorno. Actualmente habitan la tierra 8.200 millones de personas, montante que ascenderá previsiblemente hasta los 9.700 millones en el año 2050 y a los 10.200 millones en 2100. Si las cosas no se hacen con seriedad, rigurosidad y pensando en el futuro, el deterioro afectará directamente a los ciudadanos. La minería está concienciada desde hace muchos años y en las modélicas explotaciones de todo tipo de minerales se puede apreciar. Creamos en la minería.

PLANO DE LA CIUDAD DE SEVILLA

PLANO DE FIBES

PABELLÓN

PABELLÓN

ABB (ASEA BROWN BOVERI S.A.)

Calle San Romualdo 13 - 28037

Madrid - España

Tel: 901760762

Mail: comunicacion.corporativa@es.abb.com

Web: https://new.abb.com/es

Actividad de la empresa:

ABB es líder tecnológico en electrificación y automatización, haciendo posible un futuro más sostenible y eficiente en el uso de los recursos.

Marcas representadas y distribuidas: ABB

Sectores de actividad:

Fabricantes y proveedores de maquinaria / Machinery manufacturers and suppliers, Fabricantes y proveedores de componentes / Component manufacturers and suppliers

Pabellón 3 - Stand 3135-3138

ABEL EQUIPOS

Calle Virgilio 2B - 28223

Pozuelo de Alarcon - Madrid - España

Tel: 678713043

Mail: cpinar@idexcorp.com

Web: www.abelpumps.com

Actividad de la empresa:

Fabricación de bombas de desplazamiento positivo para la alimentación de filtros prensa, transporte de relaves, relleno de mina, y desagüe de minas subterráneas

Marcas representadas y distribuidas: BOMBAS ABEL

Sectores de actividad:

Compañías mineras / Mining companies, Ingenierías y consultorías mineras / Mining engineering and consultancy

Pabellón 2 - Stand 2161

ABYO TUNNELING MINING S.L.

Calle Impresores, 20 - 28660

Boadilla del Monte - Madrid - España Tel: 619207026

Mail: joseramon.diez@abyotm.com

Web: www.abyotm.com

Actividad de la empresa: maquinaria para minería, túneles y prefabricación de dovelas. Productos para estabilización del terreno. Productos para fabricación de dovelas para túneles

Marcas representadas y distribuidas: NORMET, G&G, CREG WIRTH,

CBE, METALLIANCE, SCHOMA, COGEMACOUSTIC, OPTIMAS, CORDES, STM

Sectores de actividad:

Compañías mineras / Mining companies, Fabricantes y proveedores de maquinaria / Machinery manufacturers and suppliers, Fabricantes y proveedores de componentes / Component manufacturers and suppliers, Proveedores de servicios / Service Providers

Pabellón 3 - Stand 3085 y 3088

ACEROS Y SUMINISTROS S.L.

Polígono Industrial Padura S/N - 48830

Sodupe - Bizkaia - España

Tel: 946693840

Mail: etena@acerosysuministros.com

Web: www.acerosysuministros.com

Actividad de la empresa: Fabricante de repuestos para maquinaria de trituración, molienda y bombas de lodos

Marcas representadas y distribuidas: ACEMIN

Sectores de actividad: Fabricantes y proveedores de componentes / Component manufacturers and suppliers

Pabellón 2 - Stand 2010

ACONDICIONAMIENTO

TERRASSENSE - LEITAT

C/ Innovació 2 - 08225

Terrassa - Barcelona - España Tel: 93 788 23 00

Mail: dmorillo@leitat.org

Web: www.leitat.org

Actividad de la empresa: Acondicionamiento Tarrasense (LEITAT) es una asociación sin ánimo de lucro constituida en 1906. Su misión es gestionar tecnologías para crear y transferir valor social, medioambiental, económico e industrial a las empresas y entidades, a través de la investigación y procesos tecnológicos.

Sectores de actividad: Laboratorios y centros tecnológicos / Laboratories and technology centers

Pabellón 3 - Stand 3218

ADVANCED MINERAL

PROCESSING S.L.

P.I. Las Nieves. Puerto Navacerrada 1228935

Móstoles - Madrid - España

Tel: 914677685

Mail: comercial@ampmineral.com

Web: www.ampmineral.com

Actividad de la empresa:

Ingeniería de procesos mineros con laboratorio propio. Especialistas en optimización de proyectos mineros en todas sus fases: ensayos, dimensionamiento de equipos, fabricación, suministro, montaje, puesta en marcha, y asistencia técnica.¡Confíe en nosotros para llevar su proyecto al siguiente nivel!

Marcas representadas y distribuidas: Red Valve/Tideflex; Sahut Conreur; Mineral Technologies; Tenova Delkor; Triple S Dynamics; Pozzato; Safertech; Holman Wifley

Sectores de actividad:

Compañías mineras / Mining companies, Ingenierías y consultorías mineras / Mining engineering and consultancy, Fabricantes y proveedores de maquinaria / Machinery manufacturers and suppliers, Fabricantes y proveedores de componentes / Component manufacturers and suppliers, Proveedores de servicios / Service Providers, Laboratorios y centros tecnológicos / Laboratories and technology centers

Pabellón 2 - Stand 2004+2005

AEOLUS TYRE CO., LTD.

48 Jiaodong South Road JiaozuoJiaozuo - Henan - China

Tel: +34 645 740 367

Mail: enriqueortizcordoba@aeolustyre.com

Web: https://www.aeolus-tyres.com/ Actividad de la empresa: Fabricación y comercialización de Neumáticos Industriales de Minería, Puerto e Ingeniería Civil.

Marcas representadas y distribuidas: AEOLUS

Sectores de actividad:

Compañías mineras / Mining companies, Ingenierías y consultorías mineras / Mining engineering and consultancy, Fabricantes y proveedores de componentes / Component manufacturers and suppliers, Proveedores de servicios / Service Providers

Pabellón 3 - Stand 3170 - 3169

EXPOSITORES

AGENCIA ESTATAL CONSEJO

SUPERIOR DE INVESTIGACIONES CIENTÍFICAS

Serrano 117 - 28003

Madrid - España

Tel: 91 3947875

Mail: f.tornos@csic.es

Web: www.csic.es

Actividad de la empresa: Investigación científica y desarrollo tecnológico

Marcas representadas y distribuidas: CSIC, IGEO, BCN3GEO

Sectores de actividad: Instituciones, organismos y empresas afines / Institutions, organisms and related companies

Pabellón 3 - Stand 3213

AGQ MINING & BIOENERGY S.L.

Carretera A-8013 Km 20.8 - 41220

Burguillos - Sevilla - España

Tel: 671636105

Mail: isarasa@agqlabs.com

Web: https://agqlabs.es/

Actividad de la empresa:

Centro tecnológico para el estudio, la investigación y la búsqueda de soluciones para los procesos minero-metalúrgicos y de minimización de impactos ambientales. Ensayos y análisis de suelos, rocas, minerales, concentrados, muestras de procesos, aguas continentales, efluentes y vertidos.

Marcas representadas y distribuidas: AGQ Mining

Sectores de actividad: Laboratorios y centros tecnológicos / Laboratories and technology centers

Pabellón 2 - Stand 2155

ALS LABORATORY S.L.

Camino Mozárabe 13 y 15, Polígono

Parque Plata - 41900

Camas - Sevilla - Spain

Tel: +34 955513035

Mail: alsgeo.seville@alsglobal.com

Web: https://www.alsglobal.com

Actividad de la empresa:

Durante más de 40 años, ALS ha proporcionado soluciones a clientes de todo el mundo en una amplia gama de industrias. Nuesta adopción de tecnología de vanguardia y metodología innovadoras, junto con la fortaleza de nuestros equipos, garantizan que ofrezcamos servicios de la más alta calidad.

Marcas representadas y distribuidas:

ALS Global

Sectores de actividad:

Compañías mineras / Mining companies, Ingenierías y consultorías mineras / Mining engineering and consultancy, Proveedores de servicios / Service Providers, Laboratorios y centros tecnológicos / Laboratories and technology centers, Instituciones, organismos y empresas afines / Institutions, organisms and related companies

Pabellón 1 - Stand 1164

ALTO

MINERALS S.L.U.

Avenida Eduardo Dato, 69 Planta 6 Mod 3 - 41005 - Sevilla - España

Tel: 644922950

Mail: administracion@altominerals.es Web: www.denariusmetals.com

Actividad de la empresa: Alto Minerals es una compañía minera española que impulsa la exploración y el desarrollo de proyectos polimetálicos de alta ley en Extremadura y Andalucía. Es una filial de Denarius Metals, compañía canadiense que cotiza en la CBOE de Canadá y en el mercado OTCQX Venture en Estados Unidos.

Marcas representadas y distribuidas:

ALTO MINERALS

Sectores de actividad: Compañías mineras / Mining companies Pabellón 2 - Stand 2141-2144

ALVENIUS INDUSTRIER AB

Kungsgatan 75 - SE-631 07

Eskilstuna - Södermanland - Sweden

Tel: +46 70-247 20 90

Mail: daniel.steinbrecher@alvenius.se

Web: https://alvenius.com/

Actividad de la empresa: Since 1951 Alvenius have been supplying,

light yet strong, piping solutions for large mining operations. We are experts in piping solutions and produce spirally welded, pressure vessel-class, Swedish steel pipes. All of our piping systems are suitable for use in aggressive environments.

Marcas representadas y distribuidas: Alvenius

Sectores de actividad: Fabricantes y proveedores de componentes / Component manufacturers and suppliers

Pabellón 2 - Stand 2026

AMBAR

Avda Guadaira, 8, P.I. Ctra. De La Isla. 41703 Dos Hermanas - 41703

Sevilla - España

Tel: 954 050 440

Mail: agutierrez@ambarplus.com

Web: https://ambarplus.com/

Actividad de la empresa:

En Ambar ofrecemos servicios de gestión integral de residuos peligrosos y no peligrosos a empresas comprometidas con el medio ambiente y el desarrollo sostenible.

Sectores de actividad: Proveedores de servicios / Service Providers

Pabellón 1 - Stand 1175

AMINER

Parque Empresarial Los Llanos Avda de Salteras 265- Edificio Vía Plata, Planta 2ª, Modulo 1 - 41909

Salteras - Sevilla - España

Tel: 954155701

Mail: aminer@aminer.es

Web: www.aminer.es

Actividad de la empresa:

La Asociación de Empresas

Investigadoras, Extractoras, Transformadoras Minero-Metalúrgicas, Auxiliares y de Servicios –AMINER es la entidad sin ánimo de lucro que representa a las principales compañías del sector de la minería metálica y a su tejido auxiliar asociado en España.

Marcas representadas y distribuidas: Empresas investigadoras, extractoras, transformadora y de servicios

Sectores de actividad:

Instituciones, organismos y empresas afines / Institutions, organisms and related companies

Pabellón 3 - Stand 3143

ANIVI INGENIERÍA, S.L.

Avda. Chorierri 8 - 48180

Loiu - Vizcaya - España

Tel: 94 4531900

Mail: commercial@anivi.com

Web: www.anivi.com

Actividad de la empresa:

Anivi diseña, fabrica y comercializa bienes de equipo para minería, química e industria en general. Uno de sus objetivos es crear un valor añadido a sus clientes además de ofrecer soluciones técnicas con servicio integrado de diseño.

Marcas representadas y distribuidas: Anivi

Sectores de actividad:

Ingenierías y consultorías mineras / Mining engineering and consultancy, Fabricantes y proveedores de maquinaria / Machinery manufacturers and suppliers, Fabricantes y proveedores de componentes / Component manufacturers and suppliers, Proveedores de servicios / Service Providers

Pabellón 3 - Stand 3256

ANMOPYC

Pº Independencia, 24-26, 3º - of. 4ª50004 - Zaragoza - España

Tel: 976 227 387

Mail: info@anmopyc.es

Web: www.anmopyc.es

Actividad de la empresa:

ANMOPYC, cluster de maquinaria para construcción y minería, tiene por objetivo potenciar la competitividad de sus empresas mediante acciones de cooperación en el ámbito de la internacionalización y la innovación y defender los intereses de las empresas del sector español.

Marcas representadas y distribuidas: ANMOPYC

Sectores de actividad: Instituciones, organismos y empresas afines / Institutions, organisms and related companies

Pabellón 1 - Stand 1254

ANZEVE S.L

C/ Diego Marín Aguilera 4, - 28919

Leganés - Madrid - España

Tel: 916334553

Mail: info@anzeve.com

Web: www.anzeve.com

Actividad de la empresa:

Distribuidores de maquinaria industrial para los sectores de la minería, demolición, industria, suelos y superfcicies.

Marcas representadas y distribuidas:

- Robots de demolición BROKK

- Quebrantadores DARDA

- Cañones nebulizadores SPRAYSTREAM

- Cargadoras, minicargadoras y minidumpers FIRSTGREEN INDUSTRIES, SHERPA y ALITRAK

- Maquinaria de fresado y zanjeo KEMROC - Iluminación ténica AIRSTAR, HALO y TSR

- Martillos, consumibles y maquinaria de perforación HALCO, WASSARA, DATC, RIPAMONTI, REFLEX y EZ-DRILL

- Maquinaria para geotecnia, anclajes y cimentaciones CINTEC, TEC y ANCHOR SYSTEMS.

Sectores de actividad:

Fabricantes y proveedores de maquinaria / Machinery manufacturers and suppliers, Fabricantes y proveedores de componentes / Component manufacturers and suppliers

Pabellón 2 - Stand 2231 y 2232

ASCONSA SOLUCIONES DE SEGURIDAD S.L.

Pol. Ind. Granda II C/ Los Castaños 333199 - Granda - Asturias - España

Tel: 985985001

Mail: CGonzalez@asconsa.com

Web: www.asconsa.com

Actividad de la empresa: Comercialización, reparación, verificación y ajuste de sistemas de comunicaciones, lamparas mineras, baterías, detección de gases y equipos de protección individual. Inspección periódica y recarga de equipos respiratorios autónomos y botellas de los mismos.

Marcas representadas y distribuidas: MSA, WISDOM, GAI-TRONICS, ENERSYS

Sectores de actividad: Compañías mineras / Mining companies,

Proveedores de servicios / Service Providers, Laboratorios y centros tecnológicos / Laboratories and technology centers

Pabellón 3 - Stand 3004

ASTURMINE S.L.

Calle Palacio Valdés, 1, 1º Derecha33002 - Oviedo - Asturias - España

Tel: 613305352

Mail: info@asturmine.com

Web: www.asturmine.com

Actividad de la empresa:

En Asturmine estamos a la vanguardia de la minería. Nuestra amplia experiencia nos convierte en especialistas en estudios de viabilidad de proyectos, planificación minera y estimación de recursos y reservas. Además, realizamos formaciones personalizadas en aspectos técnicos y software minero.

Marcas representadas y distribuidas:

ASTURMINE

Sectores de actividad:

Ingenierías y consultorías mineras / Mining engineering and consultancy Pabellón 3 - Stand 3040

ATALAYA RIOTINTO MINERA

C/ La Dehesa S/N - 21660

Minas de Riotinto - Huelva - España

Tel: 959 59 28 50

Mail: comunicacion@atalayamining.com

Web: riotinto.atalayamining.com

Actividad de la empresa:

Productor de concentrado de cobre en la mina de Riotinto

Marcas representadas y distribuidas:

Atalaya Mining / Atalaya Riotinto Minera / Mina de Riotinto

Sectores de actividad:

Compañías mineras / Mining companies Pabellón 1 - Stand 1198-1200

ATLANTIC COPPER

Avda. Francisco Montenegro S/N - 21001

Huelva - España - Tel: 959 210 600

Mail: info@atlantic-copper.es

Web: www.atlantic-copper.es

Actividad de la empresa:

ATLANTIC COPPER se dedica al aprovechamiento de materias primas metálicas con contenido de cobre, azufre, hierro y metales preciosos. Su actividad principal: producir de cobre refinado de alta pureza, un material esencial para el desarrollo sostenible, la transición energética y la descarbonización.

Marcas representadas y distribuidas: Atlantic Copper

Sectores de actividad:

Instituciones, organismos y empresas afines / Institutions, organisms and related companies

Pabellón 3 - Stand 3100 - 3101

ATLAS COPCO SAE

Avda. José Gárate, 3 - 28230

Coslada - Madrid - España Tel: +34 916 279 100

Mail: raul.roldan@atlascopco.com

Web: https://www.atlascopco.com/es-es

Actividad de la empresa:

Fabricate de compresores, grupos electrógenos, almacenamiento de energía y bombas de achique.

Marcas representadas y distribuidas: Atlas Copco

Sectores de actividad: Fabricantes y proveedores de maquinaria / Machinery manufacturers and suppliers

Pabellón 1 - Stand 1055-1056-10571058

AUTORIDAD PORTUARIA DE HUELVA

Avda. Real Sociedad Colombina Onubense S/N - 21001 - Huelva - España Tel: 959493100

Mail: aph@puertohuelva.com Web: https://www.puertohuelva.com/ Actividad de la empresa: El Puerto de Huelva ocupa una posición central al sur de la Faja Pirítica Ibérica y en el cruce de las principales rutas marítimas, siendo enclave estratégico como puerto import/export y Hub para el tráfico de mercancías de sector minero e industrial.

Marcas representadas y distribuidas: Puerto de Huelva

Sectores de actividad:

Instituciones, organismos y empresas afines / Institutions, organisms and related companies

Pabellón 3 - Stand 3105

AXFLOW, S.A.

Av. De La Industria, 53 - 28108 Alcobendas - Madrid - España Tel: +34 97 729 18 18

Mail: axflow@axflow.es Web: www.axflow.es

Actividad de la empresa:

AxFlow es un sólido grupo Europeo líder en distribución de equipos de bombeo/ dosificación, agitación, intercambio de calor y válvulas. Cuenta con los mejores fabricantes de todo el mundo. Expertos en aplicaciones industriales y una garantía de calidad y servicio desde hace más de 30 años en España.

Marcas representadas y distribuidas: Bran+Luebbe, BOMBAS BOYSER, LEISTRITZ, LIGHTNIN MIXERS, RFVALVES, ROTO-PUMPS, SANDPIPER, , SANDPIPER, SPX-APV, VIKING PUMPS, WERNERT PUMPEN

Sectores de actividad:

Fabricantes y proveedores de maquinaria / Machinery manufacturers and suppliers, Fabricantes y proveedores de componentes / Component manufacturers and suppliers, Proveedores de servicios / Service Providers

Pabellón 2 - Stand 2007

AZIWELL

Sunnlandsvegen 2B - 7032

Trondheim - Trøndelag - Norway Tel: +4741418818

Mail: post@aziwell.no Web: aziwell.com

Actividad de la empresa: Borehole steering services

Marcas representadas y distribuidas: Aziwell

Sectores de actividad:

Proveedores de servicios / Service Providers

Pabellón 3 - Stand 3205

BANDAS CORTES, S.L.

C/ Herreros, 22 - 06400

Don Benito - Badajoz - España

Tel: 924 804 650

Mail: comunicacion@bandascortes.com

Web: www.bandascortes.com

Actividad de la empresa: Compañía especializada en fabricación de transportadores, montaje y mantenimiento industrial. Nace en 1988, para dar soporte a cooperativas agrícolas y a industrias agroalimentarias. Posteriormente, amplía sus servicios a otros sectores, como minería, plantas de áridos o de reciclaje.

Marcas representadas y distribuidas: Bandas Cortés

Sectores de actividad:

Fabricantes y proveedores de maquinaria / Machinery manufacturers and suppliers, Fabricantes y proveedores de componentes / Component manufacturers and suppliers

Pabellón 1 - Stand 1163

BATMASS PROJECT

C/ Albert Einstein S/N Edif. Insur, 4ª Planta - 41092 - Sevilla - España Tel: 954461352

Mail: marta.macias@ corporaciontecnologica.com

Web: https://batmass. corporaciontecnologica.com/

Actividad de la empresa:

BATMASS aims to implement the first EU Circular Battery Valley, offering a portfolio of cross-regional TRL6+ innovations in circular processes for battery materials. It mobilizes an integrated ecosystem around 4 Demos meant to scale up, commercialize and deploy breakthrough GreenTech. Marcas representadas y distribuidas: Interregional Innovation Investments (I3) Instrument - EISMEA - European Commission

Sectores de actividad:

Instituciones, organismos y empresas afines / Institutions, organisms and related companies

Pabellón 3 - Stand 3207

BETO TOOLSTAR & WONTECH

Parque Empresarial Mos Rua Anel Da Lagoa Nº 19 Nave 4 - 36416

Vigo - Pontevetea - España Tel: +34 647 90 92 62

Mail: sales31@toolstargroup.com

Actividad de la empresa: Equipos De Perforacion Manufacturer

EXPOSITORES

Marcas representadas y distribuidas: Wontech

Sectores de actividad:

Fabricantes y proveedores de maquinaria / Machinery manufacturers and suppliers

Pabellón 3 - Stand 3250

BETONBLOCK

Harlingerstraat 26 - 1704DP

Heerhugowaard - North Holland - The Netherlands

Tel: +31 645938051

Mail: Tristan@betonblock.com

Web: www.betonblock.com

Actividad de la empresa: Concrete moulds

Marcas representadas y distribuidas: Betonblock

Sectores de actividad:

Fabricantes y proveedores de componentes / Component manufacturers and suppliers

Pabellón 1 - Stand 1095

BKT - S. JOSÉ PNEUS

Rua José Abrantes Aniceto nr 2 - Zona

Industrial de Cantanhede - 3060-197

Cantanhede - Coimbra - Portugal

Tel: +351231419290

Mail: marketing@sjosepneus.com

Web: www.sjosepneus.com

Actividad de la empresa:

BKT es uno de los principales protagonistas del mercado de los neumáticos fuera de carretera, una marca conocida por el excelente rendimiento de sus neumáticos, caracterizándose por una muy buena relación calidad/precio, por tener una gama muy completa de neumáticos y un fuerte stock.

Marcas representadas y distribuidas: BKT

Sectores de actividad:

Fabricantes y proveedores de componentes / Component manufacturers and suppliers

Pabellón 2 - Stand 2015-2016-2017

BOLLFILTER ESPAÑA

Paseo del Ferrocarril 339, 3º 2ª - 08860

Castelldefels - Barcelona - España

Tel: 93 634 26 80

Mail: xavier.mauro@bollfilter.com

Web: https://www.bollfilter.com/

Actividad de la empresa:

Soluciones de Filtración con Membranas UF y Fabricación de Filtros Automáticos

Marcas representadas y distribuidas: BOLLFILTER

Sectores de actividad:

Fabricantes y proveedores de maquinaria / Machinery manufacturers and suppliers Pabellón 1 - Stand 1107

BORRERO SANCHEZ

HERMANOS

S.L

Calle Alcayata, Parcela 1, Nave,6 (Pol. Store) - 41008 - Sevilla - España

Tel: 954433535

Mail: borrerohnos@borrerohnos.com

Web: www.borrerohnos.com

Actividad de la empresa: Fabricación piezas de caucho - estanquidad avanzada hidráulica y neumática

Marcas representadas y distribuidas: SKF-WEICON-PREVOST-MOTIVE-CMO

Sectores de actividad: Compañías mineras / Mining companies, Fabricantes y proveedores de maquinaria / Machinery manufacturers and suppliers, Fabricantes y proveedores de componentes / Component manufacturers and suppliers, Proveedores de servicios / Service Providers Pabellón 3 - Stand 3023, 3024, 3025 y 3026

BVALVE FLOW SYSTEMS & CONTROLS

Travessa De Peralta 5A - 46540

El Puig - Valencia - España - Tel: 961473161

Mail: bramirez@bvalve.es

Web: www.bvalve.es

Actividad de la empresa: Nos enorgullece destacar en la fabricación y distribución de válvulas de control, válvulas industriales, válvulas de seguridad e instrumentación industrial. Marcas representadas y distribuidas: BVALVE, BVALVE Ceramics, Ramen, Gefa, Schubert

Sectores de actividad:

Ingenierías y consultorías mineras / Mining engineering and consultancy, Fabricantes y proveedores de maquinaria / Machinery manufacturers and suppliers, Fabricantes y proveedores de componentes / Component manufacturers and suppliers, Proveedores de servicios / Service Providers, Instituciones, organismos y empresas afines / Institutions, organisms and related companies

Pabellón 3 - Stand 3197

BYG

El Pla 45. Poligono El Pla - 08750

Molins de Rei - Barcelona - España

Tel: +34 93 6804900

Mail: contacto@byg.com

Web: www.byg.com

Actividad de la empresa:

Líder mundial en fabricación de material de desgaste para minería a través de su marca FUTURA WEAR TECHNOLOGY. Producida con la más alta tecnología, diseño y garantía de calidad. Resultado de un afán de la compañía por la constante mejora del producto, el servicio, la calidad y la integridad.

Marcas representadas y distribuidas: BYG, FUTURA, ITR

Sectores de actividad:

Fabricantes y proveedores de componentes / Component manufacturers and suppliers

Pabellón 2 - Stand 2086-2087

CAES MAQUINARI AY

EQUIPAMIENTOS, S.A.

C/ Leon Felipe, 30 - 45450

Orgaz - Toledo - España

Tel: 630291376

Mail: hugo@caes.eu - Web: www.caes.eu

Actividad de la empresa: Diseño, fabricación, montaje y reparación de plantas de hormigón y áridos, incluyendo clasificación, cribado, lavado y trituración.

Marcas representadas y distribuidas: CAES-CONSTMACH y FLSmidth

Sectores de actividad:

Fabricantes y proveedores de maquinaria / Machinery manufacturers and suppliers

Pabellón 1 - Stand 1143-1144

CALGOV - LHOIST

Ctra. Fuente de Santiago, Km. 2,5 - 41560

Estepa - Sevilla - España

Tel: 95 591 26 00

Mail: manuel.fernandez@lhoist.com

Web: www.lhoist.com

Actividad de la empresa: Fabricamos productos Cálcicos (Oxido, Hidróxido y Carbonato Cálcico).

Marcas representadas y distribuidas: NEUTRALAC Q2 y NEUTRALAC RH , Cales para su uso en procesos mineros.

Sectores de actividad:

Compañías mineras / Mining companies, Proveedores de servicios / Service Providers Pabellón 2 - Stand 2156-2157

CARL ZEISS IBERIA, S.L.

Ronda de Poniente, 5 - 28760

Tres Cantos - Madrid - España

Tel: 912033714

Mail: ana.colome@zeiss.com https://www.zeiss.es/microscopia/home.html

Actividad de la empresa: Fabricante líder de microscopios. ZEISS ofrece soluciones y servicios innovadores para la investigación de materiales y ciencias de la vida. Para fabricación y ensamblaje en sectores altamente tecnológicos. Disponemos de microscopios ópticos, confocales, electrónicos y de rayos X.

Marcas representadas y distribuidas: ZEISS

Sectores de actividad:

Laboratorios y centros tecnológicos / Laboratories and technology centers, Instituciones, organismos y empresas afines / Institutions, organisms and related companies

Pabellón 1 - Stand 1015

CAUCHOS SAN DIEGO, S.L.

Avda. de la Juventud N.7 - 21730

Almonte - Huelva - España

Tel: 959450788

Mail: cauchos@cauchossandiego.es

Web: www.cauchossandiego.com

Actividad de la empresa: Diseño, moldeado de piezas, recubrimiento de equipos metalicos con elastomeros, suministro y reparacion bandas transportadorasy componentes asociados

Marcas representadas y distribuidas: CHESTERTON

Sectores de actividad:

Compañías mineras / Mining companies, Fabricantes y proveedores de componentes / Component manufacturers and suppliers, Proveedores de servicios / Service Providers

Pabellón 2 - Stand 2198-2199

CENTRO NACIONAL INSTITUTO GEOLÓGICO Y MINERO DE ESPAÑA (CSIC-IGME)

Rios Rosas, 23 - 28003 - Madrid - España

Tel: 913495700

Mail: f.ruiz@igme.es

Web: www.igme.es

Actividad de la empresa: Producción de cartografía geocientífica del territorio nacional. Investigación de recursos hídricos subterráneos, recursos minerales, riesgos geológicos, estructuras geológicas, geodiversidad y patrimonio geológico, investigación mineralógica y paleontológica y sistemas de información geográfica.

Marcas representadas y distribuidas: CSIC-IGME

Sectores de actividad:

Instituciones, organismos y empresas afines / Institutions, organisms and related companies

Pabellón 3 - Stand 3214

CENTRO TECNOLÓGICO DEL MÁRMOL, PIEDRA Y MATERIALES

Ctra. de Murcia, S/N - 30430

Cehegín - Murcia - España

Tel: 968741500

Mail: otri@ctmarmol.es

Web: https://ctmarmol.es/ Actividad de la empresa: Somos una asociación empresarial privada de investigación sin ánimo de lucro creada en el año 1996 para proveer a las empresas mineras de los servicios tecnológicos necesarios y el desarrollo de proyectos de investigación que contribuyan a mejorar su competitividad y posicionamiento a nivel global.

Sectores de actividad: Laboratorios y centros tecnológicos / Laboratories and technology centers

Pabellón 3 - Stand 3152

CHESTERTON INTERNATIONAL

Via Lussemburgo, 6 - 21013

Gallarate (Va) - Varese - Italia

Tel: +39 0331 291059

Mail: victor,rubiano@chesterton.com Web: www.aw-chesterton.es

Actividad de la empresa: Chesterton® es un líder mundial que ayuda a las compañías industriales de proceso y fabricantes a mejorar la confiabilidad y la eficiencia de sus plataformas de proceso.

Marcas representadas y distribuidas: Chesterton

Sectores de actividad:

Fabricantes y proveedores de componentes / Component manufacturers and suppliers, Proveedores de servicios / Service Providers

Pabellón 1 - Stand 1106

CINCLUS SOLUCIONES, S.L.

C/ Industria 5. Edf. Metropol III 2º Mod.8 - 41927 - Mairena del Aljarafe - SevillaEspaña - Tel: 613087847

Mail: admon@cinclus.net

Web: cinclus.net

Actividad de la empresa:

Consultoría ambiental y restauración de espacios degradados, tanto por actividades mineras como alteradas por actividades antrópicas. Búsqueda de la integración de las explotaciones en el entorno natural, buscando el equilibrio entre la seguridad y estabilidad del medio ambiente.

Marcas representadas y distribuidas: CINCLUS SOLUCIONES

Sectores de actividad:

Ingenierías y consultorías mineras / Mining engineering and consultancy

Pabellón 3 - Stand 3167

CINTASA, S.A.U.

Ctra. N-232, Km. 252a - 50180

Utebo - Zaragoza - España Tel: 976770656

Mail: cintasa@cintasa.com

Web: www.cintasa.com

Actividad de la empresa:

Fundada en 1973, la principal actividad de Cintasa se centra en el diseño, la fabricación y el montaje de sistemas de manutención, transporte y elementos de almacenaje. Marcas representadas y distribuidas: CINTASA

Sectores de actividad:

Compañías mineras / Mining companies, Ingenierías y consultorías mineras / Mining engineering and consultancy, Fabricantes y proveedores de maquinaria / Machinery manufacturers and suppliers

Pabellón 2 - Stand 2101

CMS CEPCOR LTD

1 Vulcan Way - LE67 3AP

Coalville - Leicestershire - Reino Unido

Tel: +44 1530 817000

Mail: sales@cmscepcor.com

Web: www.cmscepcor.com

Actividad de la empresa: Fabricacion de repuestos y materiales de desgaste para trituradoras.

Marcas representadas y distribuidas: CMS CEPCOR

Sectores de actividad:

Compañías mineras / Mining companies, Fabricantes y proveedores de maquinaria / Machinery manufacturers and suppliers, Fabricantes y proveedores de componentes / Component manufacturers and suppliers

Pabellón 1 - Stand 1045

COBRE LAS CRUCES S.A.U.

Carretera Se-3410, Km 4,100 - 41860

Gerena - Sevilla - España

Tel: 955 657 950

Mail: comunicacionclc@fqml.com Web: www.cobrelascruces.com

Actividad de la empresa:

Cobre Las Cruces es un complejo minero-metalúrgico para la extracción de mineral y su transformación en metal puro, siguiendo el innovador modelo ‘de la mina al metal’. Hasta 2023 ha producido cátodos de cobre. Con la nueva refinería PMR en proyecto serán 4 metales: cobre, zinc, plomo y plata. Marcas representadas y distribuidas:

Cobre las Cruces

Sectores de actividad:

Compañías mineras / Mining companies

Pabellón 3 - Stand 3037-3038

CODIMAR S.L.

Avda. José Villafranca Melgar, 5, 7 - 14500

Puente Genil - Cordoba - España

Tel: +34 957617563

Mail: marketing@rodilloscodimar.com

Web: www.rodilloscodimar.com

Actividad de la empresa:

Fabricantes de rodillos de mineria y componentes para la industria minera Marcas representadas y distribuidas:

CODIMAR

Sectores de actividad:

Fabricantes y proveedores de maquinaria / Machinery manufacturers and suppliers, Fabricantes y proveedores de componentes / Component manufacturers and suppliers

Pabellón 2 - Stand 2003

COLEGIO OFICIAL DE INGENIEROS DE MINAS DEL SUR

Avda. República Argentina, 26A - 5ºE41011 - Sevilla - España

Tel: 954279826

Mail: surminas@surminas.org

Web: www.surminas.org

Actividad de la empresa:

Participación en grupos de conocimientos profesionalgeo

Asesoramiento jurídico y técnico

Relaciones institucionales

Formación especializada

Bolsa de empleo

Comparte Actividades socioculturales

Previsión social (seguros, convenios de colaboración, etc..)

Servicio de visado de trabajos profesionales

Sectores de actividad:

Compañías mineras / Mining companies, Ingenierías y consultorías mineras / Mining engineering and consultancy, Fabricantes y proveedores de maquinaria / Machinery manufacturers and suppliers, Fabricantes y proveedores de componentes / Component manufacturers and suppliers, Proveedores de servicios / Service Providers, Laboratorios y centros tecnológicos / Laboratories and technology centers, Instituciones, organismos y empresas afines / Institutions, organisms and related companies

Pabellón 2 - Stand 2100

COLEGIO OFICIAL DE INGENIEROS TÉCNICOS Y GRADOS EN MINAS Y ENERGÍA DE HUELVA, SEVILLA, CÁDIZ, BADAJOZ, CÁCERES Y CANARIAS

Avda. Martín Alonso Pinzón 11 bajo. Local - 21003

Huelva - España

Tel: 959248213

Mail: huelva@cminas.com Web: cminas.com

Actividad de la empresa:

Servicios Profesionales

Sectores de actividad: Instituciones, organismos y empresas afines / Institutions, organisms and related companies

Pabellón 3 - Stand 3108

COMERCIAL CEMA S.L.

Parque Empresarial Laguna Larga, Calle Uno, Nº12 - 41500

Alcalá de Guadaíra - Sevilla - España

Tel: 954520633

Mail: cema@cemamaquinaria.com

Web: www.cemamaquinaria.com

Actividad de la empresa:

Compra y venta de maquinaria de agrícola, construcción e industrial.

Marcas representadas y distribuidas: AUSA, AVANT, BOMAG, HIDROMEK, MANITOU Y TAKEUCHI.

Sectores de actividad:

Fabricantes y proveedores de maquinaria / Machinery manufacturers and suppliers, Fabricantes y proveedores de componentes / Component manufacturers and suppliers, Proveedores de servicios / Service Providers Pabellón 2 - Stand 2119-21202175-2176

CONTINENTAL TIRES ESPAÑA

Avenida de Castilla, Nº 2 | Parque Empresarial San Fernando, Edificio

Múnich Planta 1 B-C - 28830

San Fernando de Henares - MadridEspaña

Tel: 916603600

Mail: info.contitires.es@conti.de

Web: https://www.continental-neumaticos. es/b2b/earthmoving/

Actividad de la empresa:

Continental es el perfecto socio de desarrollo y fabricante de equipos originales para la industria minera, suministrando tecnologías de alta gama para múltiples aplicaciones como la extracción y el transporte eficientes de materias primas. Ven a visitarnos para más información al pabellón 2.

Marcas representadas y distribuidas: CONTINENTAL

Sectores de actividad:

Compañías mineras / Mining companies, Ingenierías y consultorías mineras / Mining engineering and consultancy, Fabricantes y proveedores de maquinaria / Machinery manufacturers and suppliers, Proveedores de servicios / Service Providers

Pabellón 2 - Stand 2162-2163

EXPOSITORES

CORVEFLEX

S.A.

Avenida de La Economía Social, 495- Área

Empresarial Lloreda - 33211

Gijón - Asturias - España

Tel: 985261960

Mail: m.garcia@corveflex.com

Web: www.corveflex.com

Actividad de la empresa:

Fabricantes de tubería de ventilación flexible para minería y obras públicas

Marcas representadas y distribuidas: CORVEFLEX

Sectores de actividad:

Compañías mineras / Mining companies, Ingenierías y consultorías mineras / Mining engineering and consultancy

Pabellón 1 - Stand 1214

CRN CONSULTORES

INDEPENDIENTES

EN GESTIÓN

DE RECURSOS NATURALES S.A.

Avda. Alberto Alcocer, 46B - 11E - 28016

Madrid - España

Tel: +34 915533726

Mail: crn@crnconsultores.com

Web: https://crnconsultores.com

Actividad de la empresa:

Ingeniería y consultora para el sector minero. 27 años en invest. de yacimientos, proyectos de explotación, planes de restauración y E.I.A. Expertos en hidrología e hidrogeología, geotecnia y remediación de áreas contaminadas. Pionera en proy. mineros en materias críticas ambientalmente sostenibles.

Marcas representadas y distribuidas: CRN Consultores - FERRER Dewatering

Sectores de actividad:

Compañías mineras / Mining companies, Ingenierías y consultorías mineras / Mining engineering and consultancy, Proveedores de servicios / Service Providers, Instituciones, organismos y empresas afines / Institutions, organisms and related companies

Pabellón 3 - Stand 3111

CTP AMBIENTE

Rua do Comite, 61 - 4445-349

Ermesinde - Porto - Portugal

Tel: +351 229421156

Mail: cmachado@ctp-ambiente.com

Web: https://www.ctp-environnement.com/fr Actividad de la empresa: Alquiler de equipo para el tratamiento de aguas

Sectores de actividad: Proveedores de servicios / Service Providers

Pabellón 3 - Stand 3003

CUBICOFF INGENIERIA ABIERTA

Parque Argentum C/ Platino 1 Pta 1 - 41909

Salteras - Sevilla - España

Tel: 954673631

Mail: cubicoff@cubicoff.com

Web: www.cubicoff.com

Actividad de la empresa: Empresa de Ingeniería centrada en la resolución personalizada de problemas en la Industria bajo la Dirección Integral de Proyectos. Enfocados en Minería en Servicios Mineros y Procesos de Transformación. Nos gusta definirnos como una Innovación Práctica para la Industria, Ingeniería Resolutiva. Marcas representadas y distribuidas: CUBICOFF

Sectores de actividad: Ingenierías y consultorías mineras / Mining engineering and consultancy

Pabellón 2 - Stand 2031

DALPER MAQUINARIA Y ACCESORIOS S.L.

Calle Valportillo Segunda Nº 8 bis oficina 6 - 28108

Alcobendas - Madrid - España

Tel: 916534801

Mail: slastra@dalpersl.com

Web: www.dalpersl.com

Actividad de la empresa: venta de maquinaria para obra publica Marcas representadas y distribuidas: ROCKMORE SUPANCHOR

Sectores de actividad: Compañías mineras / Mining companies, Ingenierías y consultorías mineras / Mining engineering and consultancy, Fabricantes y proveedores de maquinaria / Machinery

manufacturers and suppliers, Fabricantes y proveedores de componentes / Component manufacturers and suppliers

Pabellón 2 - Stand 3099/3012

DERRAME CONTROL, S.L.

C/ Lirio Local 2 - 41900

Camas - Sevilla - España

Tel: 691766914

Mail: info@derramecontrol.com

Web: www.derramecontrol.com

Actividad de la empresa:

Soluciones innovadoras y efectivas para la gestión y control de derrames de hidrocarburos

Marcas representadas y distribuidas: OILKONTROL

Sectores de actividad:

Proveedores de servicios / Service

Providers, Instituciones, organismos y empresas afines / Institutions, organisms and related companies

Pabellón 3 - Stand 3164

DESARROLLO CIRCULAR CONSULTORÍA

AMBIENTAL

Puerto Pt, Muelle de Levante 1 - 21001

Huelva - España

Tel: 679673562

Mail: josemanuel@desarrollocircular.es

Web: www.desarrollocircular.es

Actividad de la empresa: Cuantificación de las emisiones de CO2 a través de una herramienta con base en IA, dando una visión globalizada. Busca dar respuesta a la necesidad de afrontar los nuevos requisitos legales en materia medioambiental que exigen el cálculo, verificación y reducción.

Sectores de actividad: Compañías mineras / Mining companies, Ingenierías y consultorías mineras / Mining engineering and consultancy

Pabellón 3 - Stand 3162-3163

DESWIK EUROPE LIMITED

Level 6, Craven House 40-44 Uxbridge Road - W5 2BS

Ealing - London - United Kingdom

Tel: +44 20 8049 4530

Mail: info.london@deswik.com

Web: https://www.deswik.com/

Actividad de la empresa:

Deswik is a global mining technology leader that delivers efficiency focused solutions and industrial mathematics to all sectors of the mining industry.

Marcas representadas y distribuidas: Rio Tinto, NHP, Glencore, GoldCorp,

AngloAmerican, Freeport McMoRan, Vale, Newmont, Barrick

Sectores de actividad:

Ingenierías y consultorías mineras / Mining engineering and consultancy, Proveedores de servicios / Service Providers

Pabellón 2 - Stand 2248

DIG_IT PROJECT

Via dei Mamili 11 - 175 Roma - Italia

Tel: +39 06 2112 8876

Mail: info@rotechnology.it Web: rotechnology.it

Actividad de la empresa:

Dig_IT, a Horizon Europe Project, unites 16 organizations from 9 countries to create a sustainable, digital mine of the future.

It focuses on building an IIoT platform that links cyber and physical systems, providing real-time insights and predictive analytics for smarter mining decisions. Marcas representadas y distribuidas:

Dig_IT Project compuesto por Instituto Tecnológico de Aragón, Core Innovation and Technology, Brunel University London, Tampere University, RO Technology, Institute of Communication and Computer Systems, Systra Subterra, Stratagem Energy, Eurocore Consulting, Libra MLI Ltd, Marini Marmi, Tapojärvi, Nemko Norlab, Titania, Schneider Electric, y Zentrix Lab.

Sectores de actividad:

Compañías mineras / Mining companies, Ingenierías y consultorías mineras / Mining engineering and consultancy, Laboratorios y centros tecnológicos / Laboratories and technology centers, Instituciones, organismos y empresas afines / Institutions, organisms and related companies

Pabellón 3 - Stand 3255

DIMA-EQUIPAMENTOS INDUSTRIAIS, LDA.

Zona Industrial do Neiva 2º Fase - 4935232 - Viana do Castelo - Portugal Tel: 258350660

Mail: gerencia@dima-equipamentos.pt Web: www.dima-equipamentos.pt

Actividad de la empresa: Comércio e representação de equipamentos e acessórios para minas, tratamento de resíduos, etc.

Marcas representadas y distribuidas: Dima, Dima Wash, Codimar, RKB. Sectores de actividad: Fabricantes y proveedores de maquinaria

/ Machinery manufacturers and suppliers, Fabricantes y proveedores de componentes / Component manufacturers and suppliers

Pabellón 1 - Stand 1120

DISEÑOS Y MONTAJES

MECANICOS S.L.

Polígono Malpica, Calle E, Parcela 32-39, Grupo Inbisa II, Naves 59-60 - 50016 Zaragoza - España

Tel: 976 47 88 83

Mail: dimm@montajesmecanicos.com https://www.montajesmecanicos.com/ Actividad de la empresa: Distribuidores y servicio técnico de los sistemas de extinción de incendios Fogmaker y fabricantes de acopladores hidráulicos Arahidra.

Marcas representadas y distribuidas: FOGMAKER y ARAHIDRA

Sectores de actividad: Compañías mineras / Mining companies, Ingenierías y consultorías mineras / Mining engineering and consultancy, Fabricantes y proveedores de maquinaria / Machinery manufacturers and suppliers, Instituciones, organismos y empresas afines / Institutions, organisms and related companies

Pabellón 3 - Stand 3086, 3087

DISTRIBUCIONES PAKO DE M. N., S.L.U.

Ctra. Porriño-Salceda Km. 2 - Budiño36475 - Porriño - Pontevedra - España

Tel: 986338887

Mail: pako@distribucionespako.com Web: www.distribucionespako.com

Actividad de la empresa: Distribución de maquinaria y útiles para Sondeos, Minería, Túneles, Instrumentación, Extracción y Elaboración de la piedra, de marcas de reconocido prestigio internacional.

Marcas representadas y distribuidas: Boart Longyear, Baroid, Monark, Marini Quarries Group, Durham Geo Slope Indicator, ...

Sectores de actividad: Fabricantes y proveedores de maquinaria / Machinery manufacturers and suppliers, Fabricantes y proveedores de

componentes / Component manufacturers and suppliers

Pabellón 1 - Stand 1006

DRILLCON PERFORACIONES ESPAÑA S.L.U.

C/ Ferraz 78 2º Izda - 28008

Madrid - Spain

Tel: +34692481750

Mail: pedromartinezherrera@drillcon.es

Web: https://www.drillcon.se/es

Actividad de la empresa:

Empresa de servicios de Raise Boring, gunitado de pozos y perforación con testigo continuo (Core Drilling) en los segmentos de la minería y de la construcción. Ejecución de pozos de ventilación, piqueras, taladros auxiliares, scaners, cueles, gunitado de pozos, perforación de testigo contunuo. Marcas representadas y distribuidas: Drillcon Group, Drillcon Iberia

Sectores de actividad:

Compañías mineras / Mining companies Pabellón 3 - Stand 3223 al 3226

DSP ANALYTIC - DATA SCIENCE & PREDICTIVE ANALYTIC S.L.

Avenida de la Aeronáutica 10 edificio

Helios Pl. 2 Módulo 3B - 41020

Sevilla - España

Tel: +34 854 70 44 77

Mail: dspa@dspanalytic.com

Web: www.dspanalytic.com

Actividad de la empresa: Mantenimiento Predictivo y Fiabilidad Marcas representadas y distribuidas: Acoem, Hikmicro, Autel, PdMA, UE Systems, US Digital, CTC

Sectores de actividad: Proveedores de servicios / Service

Providers

Pabellón 3 - Stand 3007

DURATRAY INTERNATIONAL 17 Export Drive - 3810

Melbourne - Pakenham - Australia

Tel: +61 3 876 12 800

Mail: info@duratray.com

Web: https://www.duratray.com/ Actividad de la empresa: Duratray is a global designer and manufacturer of high-efficiency customised dump bodies. Currently, there are over 2,000 Duratray dump bodies operating globally, ranging in size from 40 to 400 tones for all major truck manufacturers. Duratray exports to 35 countries.

Marcas representadas y distribuidas:

Duratray International & Tolvas suspendidas

Sectores de actividad:

Fabricantes y proveedores de maquinaria / Machinery manufacturers and suppliers

Pabellón 1 - Stand 1093 & 1094

DURO FELGUERA, S.A.

Ada Byron, 90 - Parque Tecnológico33203 - Gijón - Asturias - España

Tel: (+34) 985 199000

Mail: angel.pelegry@durofelguera.com

Web: https://www.durofelguera.com/

Actividad de la empresa: DF es una compañía especializada en la ejecución de proyectos “llave en mano” y la prestación de servicios, cuenta con talleres propios de fabricación de bienes de equipo y delegación en Huelva.

Sectores de actividad:

Ingenierías y consultorías mineras / Mining engineering and consultancy, Fabricantes y proveedores de maquinaria / Machinery manufacturers and suppliers, Proveedores de servicios / Service Providers Pabellón 2 - Stand 2167

EAGLEBURGMANN IBERICA S.A.

C/ Carpinteros, 8 1º Izq - 28670 Villaviciosa de Odón - Madrid - Spain

Tel: 916166601

Mail: info.es@eagleburgmann.com

Web: www.eagleburgmann.com

Actividad de la empresa: EagleBurgmann Ibérica S.A. es una subsidiaria de EagleBurgmann Germany GMBH & CO KG, Alemania, su oficina está en Madrid y cuenta con dos “Service Centre” en Madrid y Barcelona. EagleBurgmann esta presente en sectores Energético, Pasta y Papel, Alimentación, Minería y Tratamiento de Agua.

Marcas representadas y distribuidas: EAGLEBURGMANN

Sectores de actividad: Compañías mineras / Mining companies, Ingenierías y consultorías mineras / Mining engineering and consultancy, Fabricantes y proveedores de maquinaria / Machinery manufacturers and suppliers, Laboratorios y centros tecnológicos / Laboratories and technology centers

Pabellón 1 - Stand 1044

EASTAV GLOBAL, S.L.U.

Av. de la Comunicación Nº47, P.I. El Cáñamo III - 41300

San José de la Rinconada (La Rinconada) -

Sevilla - España

Tel: +34 955 083 058

Mail: eastav@eastav.com

Web: www.eastav.com

Actividad de la empresa: Formación/Capacitación (Seguridad y Rescate minero, Liderazgo y Gestión de equipos, Manejo de Explosivos, Ambientes Peligrosos, Geotecnia y Saneo...) Consultoría técnica y servicios de auditoría Suministro, alquiler e instalación de equipos técnicos

Proveedor multimarca de suministros para minería

Marcas representadas y distribuidas: Sybet, Staht.... (Multi-marcas)

Sectores de actividad:

Ingenierías y consultorías mineras / Mining engineering and consultancy, Fabricantes y proveedores de maquinaria / Machinery manufacturers and suppliers, Fabricantes y proveedores de componentes / Component manufacturers and suppliers, Proveedores de servicios / Service Providers

Pabellón 3 - Stand 3144

ECOAR - ECOLOGIA DE AIREAGUA S.L.

C/ Peñiscola 30 - 12540

Vila-Real - Castellón - España

Tel: +34964506043

Mail: comercial@ecoar.net

Web: www.ecoar.net

Actividad de la empresa: Diseño, fabricación y montaje de maquinaria industrial, con más de 30 años de experiencia en el mercado, realizando diseños a medida adaptados a cada cliente.

Filtros de mangas, silos, cintas, elevadores, sinfines, transporte neumático de sólidos, insonorización acústica industrial y duchas de aire.

Marcas representadas y distribuidas: ECOAR

Sectores de actividad:

Fabricantes y proveedores de maquinaria / Machinery manufacturers and suppliers

Pabellón 1 - Stand 1025

EGE - EQUIPMENT AND GLOBAL

ENGINEERING, LDA.

Rua Nova da Feira, Lote 3, Pav. B E C7780-201

Castro Verde - Beja - Portugal

Tel: +351286328539

Mail: geral@egeglobal.pt

Web: www.egeglobal.pt

Actividad de la empresa:

Engineering and software solutions; Development of equipment and solutions for the industry; Manufacture of equipment for the mining and construction industry; Industrial equipment maintenance.

Marcas representadas y distribuidas: EGE

Sectores de actividad:

Fabricantes y proveedores de maquinaria / Machinery manufacturers and suppliers, Proveedores de servicios / Service

Providers

Pabellón 3 - Stand 3055

EIT RAW MATERIALS

Europaplatz 2 - 10557

Berlin - Brandenburg - Germany

Tel: +49 30 263664660

Mail: info@eitrawmaterials.eu

Web: eitrawmaterials.eu

Actividad de la empresa:

EIT RawMaterials, the world’s largest consortium of industry experts and partners, unites over 300 members from top industries, research institutions, and universities across 20+ EU countries. It fosters innovation, supports sustainable resource management, and enhances Europe’s raw materials sector

Marcas representadas y distribuidas:

EIT RawMaterials and brands of partners

Sectores de actividad:

Proveedores de servicios / Service

Providers, Instituciones, organismos y empresas afines / Institutions, organisms and related companies

Pabellón 3 - Stand 3211 y 3212

ELECAM GROUP

Calle Fridex Tres, 1 - 41500

Alcalá de Guadaíra - Sevilla - Spain

Tel: +34 954 520 415

Mail: mario.mateos@elecam.com

Web: www.elecam.com

Actividad de la empresa:

Suministros eléctricos, ingeniería y servicios industriales

Marcas representadas y distribuidas: ABB, Schneider, Prysmian, Marechal, Sick, Adentech

Sectores de actividad:

Fabricantes y proveedores de componentes / Component manufacturers and suppliers

Pabellón 1 - Stand 1050 y 1051

EXPOSITORES

ELEMENT MINING AND CONSTRUCTION OY

Peltokatu 26 - 33100

Tampere - Finland - Finland

Tel: +358 10340 3980

Mail: info@elmc.com

Web: https://elmc.com/

Actividad de la empresa:

A Finnish manufacturer of spare and wear parts for mining and construction equipment, such as crushers and slurry pumps, offering products with the industry’s best price-quality ratio

Marcas representadas y distribuidas: Element

Sectores de actividad:

Fabricantes y proveedores de componentes / Component manufacturers and suppliers

Pabellón 2 - Stand 2009

EMILIO VEINTIMILLA S.L.

La Closa,12 Pol. Ind. Moncada 2 - 46113

Moncada - Valencia - España

Tel: 618755423/4/5/6

Mail: emilio@veintimilla.com

Web: veintimilla.com

Actividad de la empresa:

Venta y alquilar de material ATEX para minas y petroquimicas

Marcas representadas y distribuidas: MIRETTI, RIKEN KEIKI, ENTEL, SACNGRIP

Sectores de actividad:

Compañías mineras / Mining companies, Ingenierías y consultorías mineras / Mining engineering and consultancy, Proveedores de servicios / Service Providers

Pabellón 1 - Stand 1251

EOI ESCUELA DE ORGANIZACION INDUSTRIAL

C/ Leonardo da Vinci, 12 - PCT Cartuja41092

Sevilla - España

Tel: 954463377

Mail: infoandalucia@eoi.es

Web: www.eoi.es

Actividad de la empresa:

EOI desarrolla Masters y Programas Ejecutivos sobre gestión empresarial (MBA, Dirección Proyectos); medio ambiente, energías renovables y sostenibilidad; digitalización; etc. destacando para el sector el Mining & Raw Materials MBA. También desarrolla acciones In Company para empresas e instituciones

Marcas representadas y distribuidas: EOI ESCUELA DE ORGANIZACION INDUSTRIAL

Sectores de actividad:

Proveedores de servicios / Service Providers, Instituciones, organismos y empresas afines / Institutions, organisms and related companies

Pabellón 3 - Stand 3008

EPC ESPAÑA

Avda Constitución 40 - 45310

Villatobas - Toledo - España

Tel: +34 925 152 282

Mail: epcespana@epc-groupe.es Web: www.epc-espana.com

Actividad de la empresa: En EPC España fabricamos, almacenamos y distribuimos una completa gama de explosivos comerciales y ofrecemos servicios técnicos adaptados a las necesidades de nuestros clientes, tales como diseño de voladuras, mediciones de vibraciones y servicios completos de voladura.

Marcas representadas y distribuidas: EPC Groupe

Sectores de actividad:

Ingenierías y consultorías mineras / Mining engineering and consultancy, Proveedores de servicios / Service Providers

Pabellón 2 - Stand 2197

EPIROC

Avda. José Gárate 3, Pol. Ind. Coslada28823 - Madrid - España

Tel: 919 90 85 38

Mail: soporte.ventas.cmt@epiroc.com Web: www.epiroc.com

Actividad de la empresa: Epiroc desarrolla y fabrica equipos y herramientas para perforación, excavación de roca y construcción, tanto

para aplicaciones de superficie como subterráneas. La compañía también ofrece servicios y soluciones de automatización, digitalización y electrificación

Marcas representadas y distribuidas: Epiroc

Sectores de actividad:

Fabricantes y proveedores de maquinaria / Machinery manufacturers and suppliers, Proveedores de servicios / Service Providers

Pabellón 2 - Stand 2093, 2094, 2095 y 2096

EPOS EMPRESA

PORTUGUESA

DE OBRAS SUBTERRANEAS, S.A.

Calle Caleruega, 71, Piso 1, Oficina 128033

Madrid - España

Tel: +34650821232

Mail: jcr@epos.pt

Web: www.epos.pt

Actividad de la empresa: Su actividad abarca desde la excavación y la preparación de túneles y galerías, excavación de todo tipo de pozos, hasta la construcción de cámaras y cavernas para la instalación de equipamientos mineros, con la posibilidad de intervenir en el desmonte y extracción de minerales.

Marcas representadas y distribuidas:

EPOS S.A.

Sectores de actividad: Compañías mineras / Mining companies, Proveedores de servicios / Service Providers

Pabellón 3 - Stand 3009

EQUIGOMA S.L.

Pol. Ind. Pozo de Las Nieves, Parcela 2513400 - Almadén - Ciudad Real - España

Tel: 926264188

Mail: almaden@equigoma.com

Web: http://www.equigoma.com

Actividad de la empresa: Equigoma S.L. es una empresa que se dedica, principalmente, a la fabricación, distribución y montaje de banda transportadoras, mallas de criba (en goma, acero y poliuretano) y recubrimientos industriales (en goma y poliuretano).

Marcas representadas y distribuidas: EQUIGOMA S.L.

Sectores de actividad: Fabricantes y proveedores de componentes / Component manufacturers and suppliers

Pabellón 2 - Stand 2106+2107

EXPOCOM S.A.

C/ Diputación 118, Bajos - 08015

Barcelona - España

Tel: (+34) 93 451 23 77

Mail: expocom@expocomsa.es

Web: https://www.expocomsa.com/

Actividad de la empresa:

Gestión integral en sistemas e instalaciones de telecomunicación y seguridad

Marcas representadas y distribuidas: Motorola Solutions, Avigilon, Kenwood, Intracom Telecom, SAF, Amphenol Procom, IHM, Hikvision, Dräger, Icom, Peltor, Peli, 3M, Cesva

Sectores de actividad: Compañías mineras / Mining companies, Ingenierías y consultorías mineras / Mining engineering and consultancy, Proveedores de servicios / Service Providers, Laboratorios y centros tecnológicos / Laboratories and technology centers, Instituciones, organismos y empresas afines / Institutions, organisms and related companies

Pabellón 1 - Stand 1170

FARO CONSULTING GROUP

Alameda 3 - 28014

Madrid - España

Tel: 34677847187

Mail: mauro.moretti@farocg.com

Web: https://www.farocg.com/

Actividad de la empresa:

Firma de consultoría de estrategia y operaciones con presencia en Europa y Latinoamérica. Nos especializamos en proyectos de alto impacto. Contamos con una vasta experiencia en minería, lo que nos permite ofrecer soluciones efectivas y adaptadas a las necesidades del sector

Marcas representadas y distribuidas: FaroCG

Sectores de actividad:

Ingenierías y consultorías mineras / Mining engineering and consultancy

Pabellón 3 - Stand 3257

FEPEJA S.L.

C/ Alonos De Ojeda 17 - 21002

Huelva - España

Tel: 34959241850

Mail: compras@fepeja.es

https://fepeja-de-papelerias-sl.odoo.com/

Actividad de la empresa:

Empresa especialista en soluciones personalizadas en materia de señalización, identificación y seguridad en el lugar de trabajo.

Marcas representadas y distribuidas: FEPEJA Y BRADY

Sectores de actividad: Proveedores de servicios / Service Providers

Pabellón 3 - Stand 3162-3163

FINANZAUTO

C/ Latón 2 - 28500 - Arganda del ReyMadrid - España - Tel: 901 130 013

Mail: clientes@finanzauto.es

Web: www.finanzauto.es

Actividad de la empresa: Empresa multiespecialista con un rol como integradores de sistemas en múltiples sectores: minería, obra pública, construcción, reciclaje, forestal, sector energético y sector marino. Ofrece soluciones integradas, personalizadas e innovadoras basadas en los productos de fabricantes líderes mundiales

Marcas representadas y distribuidas: Caterpillar. MaK, Sandvik, Pronar, Konrad, Prinoth y 2G.

Sectores de actividad: Fabricantes y proveedores de maquinaria / Machinery manufacturers and suppliers, Fabricantes y proveedores de componentes / Component manufacturers and suppliers, Proveedores de servicios / Service Providers Pabellón 2 - Stand 2050 al 2058

FLOTTWEG SE / LÖDIGE ESPAÑA, S.A.

C/ Flassaders, 14-16 - 08130

Santa Perpetua de Mogoda - BarcelonaEspaña

Tel: 937181700

Mail: mail@flottweg.com / lesa@lodige.es Web: www.flottweg.com / www.lodige.es

Actividad de la empresa: Fabricación de centrífugas horizontales tipo Decanter/Tricanter para el procesamiento óptimo de minerales y menas y el tratamiento eficiente de relaves para minimizar el impacto ambiental de la actividad minera Marcas representadas y distribuidas: FLOTTWEG

Sectores de actividad:

Fabricantes y proveedores de maquinaria / Machinery manufacturers and suppliers Pabellón 1 - Stand 1105

FLS

Edificio F.L. Smidth - Carretera de La Coruña, Km. 17,8 - 28231

Las Rozas - Madrid - Spain

Tel: +34 91 634 9 000

Mail: fls-es@flsmidth.com

Web: www.flsmidth.com

Actividad de la empresa: FLS es un proveedor de servicios y tecnología del flowsheet completo para la industria de minería en el mundo.

Ayudamos a nuestros clientes a mejorar el rendimiento, disminuir los costos operacionales y minimizar el impacto ambiental, para avanzar hacia una minería para un mundo sustentable.

Sectores de actividad:

Fabricantes y proveedores de maquinaria / Machinery manufacturers and suppliers, Proveedores de servicios / Service

Providers

Pabellón 1 - Stand 1037-1040

FML DRILLING, S.L.

C/ Mendez Alvaro 8 - 28045

Madrid - España

Tel: +34 91 005 49 70

Mail: fmldrilling@fmldrilling.com

Web: www.fmldrilling.com

Actividad de la empresa:

FML Drilling S.L. es proveedor de maquinaria para minería y construcción, ofreciendo equipos, herramientas y consumibles. Además, brinda servicio técnico oficial especializado. FML Drilling S.L. es un aliado estratégico que garantiza soluciones Productivas, sostenibles y robustas.

Marcas representadas y distribuidas: XCMG EUROPE

Sectores de actividad:

Fabricantes y proveedores de maquinaria / Machinery manufacturers and suppliers Pabellón 3 - Stand 3057

FORJAS DEL GUADALQUIVIRMOLYCOP

Ctra. Sevilla-Brenes 5, San Jose de la Rinconada - 41300

Sevilla - España

Tel: +34954791051

Mail: irene.quijada@molycop.com

Web: www.molycop.com

Actividad de la empresa:

Fabricación de Bolas forjadas para molinos de molienda.

Marcas representadas y distribuidas: Molycop, King´s Ceramics

Sectores de actividad:

Compañías mineras / Mining companies, Fabricantes y proveedores de maquinaria / Machinery manufacturers and suppliers, Instituciones, organismos y empresas afines / Institutions, organisms and related companies

Pabellón 1 - Stand 1135, 1136, 1137, 1138

FUNDACIÓN LABORAL

ANDALUZA DEL CEMENTO Y EL MEDIO AMBIENTE (FLACEMA)

C/ Muñoz Olivé, 1-1. 2ª Planta. Módulos 6-7 - 41011 - Sevilla - España Tel: 954467003

Mail: flacema@flacema.org Web: www.flacema.org

Actividad de la empresa: FLACEMA es una fundación privada y paritaria, constituida por los sindicatos mayoritarios del sector cementero (CCOO Andalucía y UGT Andalucía) y por la Agrupación de Fabricantes de Cemento de Andalucía (AFCA).

Marcas representadas y distribuidas: FLACEMA

Sectores de actividad: Instituciones, organismos y empresas afines / Institutions, organisms and related companies

Pabellón 3 - Stand 3142

FUNDACIÓN MINERÍA Y VIDA

P.I. de las Cortes, 5, Centro - 28014 Madrid - España - Tel: 607 620 059 coordinador@fundacionmineriayvida.org Web: https://fundacionmineriayvida.org/ Actividad de la empresa:

La Fundación Minería y Vida es una organización sin ánimo de lucro conformada por las principales asociaciones vinculadas a las materias primas minerales, concretamente a la industria extractiva y transformadora española y europea.

Marcas representadas y distribuidas: https://fundacionmineriayvida.org/ patronos-donantes-y-patrocinadores/ Sectores de actividad: Instituciones, organismos y empresas afines / Institutions, organisms and related companies

Pabellón 3 - Stand 3141

FUNDACIÓN RÍO TINTO PARA LA HISTORIA

DE LA MINERÍA Y LA METALURGIA

Plaza del Museo S/N - 21660

Minas de Riotinto - Huelva - España Tel: 959591015

Mail: director@fundacionriotinto.es

Web: www.fundacionriotinto.es

Actividad de la empresa: Recuperación, conservación y puesta en valor de patrimonio minero material e inmaterial generado por la actividad minera en la Cuenca Minera de Riotinto. Gestión del Archivo Histórico Minero y del Parque Minero de Riotinto, primer destino de turismo minero de España

Marcas representadas y distribuidas:

FUNDACIÓN

RÍO TINTO

Sectores de actividad: Instituciones, organismos y empresas afines / Institutions, organisms and related companies

Pabellón 1 - Stand 1253

FUNDICIONES

DEL ESTANDA

Auzoa 17 - 20200 - Beasain - GipuzkoaEspaña - Tel: 943880500

Mail: mining@estanda.com

Web: www.estanda.com

Actividad de la empresa: ESTANDA, established in 1953, is a leading Steel and Iron Foundry based in Spain. Specializing in high-performance steel casting, machining, and value-added solutions, we leverage our extensive expertise and automated facilities to deliver exceptional results.

Sectores de actividad:

Fabricantes y proveedores de componentes / Component manufacturers and suppliers

Pabellón 1 - Stand 1043

G&G PARTNERS SRL

Via Gabriele D’Annunzio, 9 - 25018

Montichiari - Brescia - Italia

Tel: +39 030 9673335

Mail: info@easyjointsystem.com

Web: www.gegpartners.net

Actividad de la empresa: Ventilation flexible duct manufacturing. With more than 40 years experience, G&G Partners is one of the leader Company worldwide. Supplier for several of the biggest Company that working all over the world, with a complete range of pvc fabric to satisfy any request for all the applications. Marcas representadas y distribuidas: Easy Joint System

Sectores de actividad:

Fabricantes y proveedores de componentes / Component manufacturers and suppliers

Pabellón 3 - Stand 3088

GABITEL

C/ Puerto 8-10, Planta 2ª - 21003

Huelva - España / Spain

Tel: +34 959252342

Mail: gabitel@gabitel.net

Web: www.gabitelingenieros.com

Actividad de la empresa: GABITEL centra su actividad en servicios de ingeniería y consultoría, principalmente en los sectores de la Industria (metalúrgica, química, oil-gas, agroalimentaria), la Energía (redes de distribución, renovables), las Telecomunicaciones (fibra óptica, redes inalámbricas) y desarrollo de software. Marcas representadas y distribuidas: GABITEL no está vinculado a ninguna marca comercial, ya que no realiza actividades de instalación, operación o mantenimiento. Los servicios de GABITEL se dirigen al cliente final, ofreciendo siempre la mejor solución técnica posible y contando en cada Proyecto con las mejores marcas del mercado para las diferentes alternativas.

Sectores de actividad:

Ingenierías y consultorías mineras / Mining engineering and consultancy Pabellón 3 - Stand 3162-3163

GAIA EXPLORACION S.L.

Parque Industrial y Tecnológico Nave E8 - 21600 - Valverde del Camino - HuelvaEspaña - Tel: 620972826

Mail: info@gaiaexploracion.com

Web: https://gaiaexploracion.com/ Actividad de la empresa: Procesado, modelado, interpretación e integración de datos geológicos y geofísicos.

Marcas representadas y distribuidas: GAIA EXPLORACIÓN S.L.

Sectores de actividad:

Compañías mineras / Mining companies, Ingenierías y consultorías mineras / Mining engineering and consultancy, Proveedores de servicios / Service Providers

Pabellón 2 - Stand 2258

GEA

Av. de Sant Julià, 147 - 08403

Granollers - Barcelona - España Tel: 935863440

EXPOSITORES

Mail: miguel.molina@gea.com

Web: www.gea.com

Actividad de la empresa:

GEA es uno de los mayores proveedores industriales del mundo para una amplia gama de sectores, entre ellos el de la minería. Su cartera incluye maquinaria y plantas, así como tecnología avanzada de procesos, componentes y servicios integrales, como por ejemplo decanters y centrífugas.

Marcas representadas y distribuidas: GEA Westfalia Separator Ibérica S.A.

Sectores de actividad:

Fabricantes y proveedores de maquinaria / Machinery manufacturers and suppliers, Fabricantes y proveedores de componentes / Component manufacturers and suppliers, Proveedores de servicios / Service Providers Pabellón 1 - Stand 1011

GEALIA (GEA QUALITY SLU)

C/ Varsovia, 24 - 14014 - Cordoba - España Tel: 957496571

Mail: snunez@geaquality.com

Web: www.gealia.es

Actividad de la empresa:

Tecnología para protección de personas, infraestructuras y del medio ambiente. Monitorización, soluciones IoT y optimización de procesos.

Marcas representadas y distribuidas: INDUSTRIAL SCIENTIFIC, MSA, DEZEGA, MINEARC

Sectores de actividad:

Ingenierías y consultorías mineras / Mining engineering and consultancy, Proveedores de servicios / Service Providers Pabellón 3 - Stand 3191

GEOFACTORY SPAIN S.L.

Calle Newton,34 - 29004 - MálagaAndalucia - España - Tel: 635768900

Mail: david@geofactory.eu

Web: www.geofactory.eu

Actividad de la empresa:

Geofactory specializes in the manufacturing of rock saws and sampling tools for rock analysis / GeoFactory se especializa en la fabricación de sierras para rocas y herramientas de muestreo para el análisis de muestras geológicas.

Marcas representadas y distribuidas: Geofactory

Sectores de actividad:

Fabricantes y proveedores de maquinaria / Machinery manufacturers and suppliers, Laboratorios y centros tecnológicos / Laboratories and technology centers Pabellón 2 - Stand 2045

GEO-KONZEPT GMBH

Wittenfelder Straße 28 - 85111

Adelschlag - Bavaria - Germany

Tel: +49842489890

Mail: geo@geo-konzept.de Web: www.geo-konzept.de

Actividad de la empresa: geo-konzept GmbH designs and distributes innovative solutions for quarries and mines. Core products include our planning, optimization and documentation solutions for blasts, from 2D profile measurement and 3D quarry face and hole surveying to GPS/GNSS data integration. Marcas representadas y distribuidas: geo-konzept GmbH, Trimble, STONEX, DJI

Sectores de actividad:

Fabricantes y proveedores de maquinaria / Machinery manufacturers and suppliers Pabellón 1 - Stand 1023

GEOMAR, SLP

C. Tarragona 110, Local 22 (Plaza interior) - 08015 - Barcelona - España

Tel: 932263325

Mail: martinezbofill@geomar.cat

Web: www.geomar.es

Actividad de la empresa: GEOMAR es un laboratorio y consultoría geológica de Barcelona, altamente especializado en la caracterización mineralógica y petrográfica. Disponemos de equipos científicos de alta precisión para el análisis de minerales, rocas y suelos, y un dpto. técnico con una amplia experiencia.

Sectores de actividad:

Laboratorios y centros tecnológicos / Laboratories and technology centers

Pabellón 1 - Stand 1114

GEONOR

Bell 7 - 15650 - Cambre - A CoruñaEspaña - Tel: 981649233

Mail: info@geonor.es

Web: www.geonor.es

Actividad de la empresa: Investigación minera, sondeos de exploración y estudios geotécnicos

Marcas representadas y distribuidas: GEONOR

Sectores de actividad:

Ingenierías y consultorías mineras / Mining engineering and consultancy, Proveedores

de servicios / Service Providers, Laboratorios y centros tecnológicos / Laboratories and technology centers

Pabellón 2 - Stand 2256-2257

GEOPLANNING

Avenida Can Noguera 11, Nave 1 - 08630

Abrera - Barcelona - España

Tel: 937 73 87 40

Mail: geoplanning@geoplanning.es

Web: https://www.geoplanning.es/ Actividad de la empresa:

Perforación de sondeos con testigo continuo mediante sistema Wireline o Sonic Drilling. Ingeniería geotécnica relacionada a obra civil, edificación o minería. Laboratorios de ensayos geotécnicos.

Marcas representadas y distribuidas: Geoplanning

Sectores de actividad:

Ingenierías y consultorías mineras / Mining engineering and consultancy, Proveedores de servicios / Service Providers, Laboratorios y centros tecnológicos / Laboratories and technology centers Pabellón 1 - Stand 1257

GRANITOS Y HORMIGONES, S.L.U

Avenida Del Molinillo S/N - 41210

Guillena-Sevilla - Sevilla - España

Tel: 681389193

Mail: administracion@grahor.es

Actividad de la empresa: Cantera de áridos y fabricación de hormigón

Marcas representadas y distribuidas: GRAHOR

Sectores de actividad:

Compañías mineras / Mining companies Pabellón 2 - Stand 2261-2262

GRUPO CUÑADO

Camino Del Olivar, 2 - 28806

Alcalá de Henares - Madrid - Erspaña

Tel: +34955630612

Mail: raquel.munoz@grupocunado.com

Web: www.grupocunado.com

Actividad de la empresa:

Suministramos tuberías, válvulas, accesorios y misceláneos de todo tipo de acero para industrias como: industria química y petroquímica, proyectos de explotación de petróleo y gas, centrales térmicas, metalúrgicas, siderometalúrgicas, plantas de generación de ciclo combinado, minería,..

Marcas representadas y distribuidas: Trabajamos con multitud de fábricas, que nos permite ofrecer el mejor servicio.

Sectores de actividad:

Fabricantes y proveedores de componentes / Component manufacturers and suppliers, Proveedores de servicios / Service Providers

Pabellón 1 - Stand 1085, 1086, 1097 y 1088

GRUPO MARCO

Calle del Hierro 33 - 28045 Madrid - España

Tel: +34974428759

Mail: info@grupomarco.org

Web: www.grupomarco.org

Actividad de la empresa: GRUPO MARCO, a través de sus empresas y gracias a su equipo humano y a sus medios técnicos de última tecnología, ofrece una amplia gama de servicios en construcción, obra civil, edificación e instalaciones en la minería a cielo abierto y de interior.

Sectores de actividad:

Compañías mineras / Mining companies, Proveedores de servicios / Service Providers

Pabellón 2 - Stand 2105

GRUPO MEXICO DIVISIÓN MINERA

Ctra. Gerena-Aznalcóllar, P.K. 14, 41870 - Aznalcóllar - Sevilla

España

Tel: +34 954 135 212

Mail: virginia.lopez@mineralosfrailes.es

Web: www.gmexico.com

Actividad de la empresa: Empresa líder en producción de cobre a nivel mundial.

Marcas representadas y distribuidas:

Minera Los Frailes

Sectores de actividad:

Compañías mineras / Mining companies

Pabellón 2 - Stand 2037-2040

GRUPO UMACO

Parque Huelva Empresarial Avda. La Gamba Sn Parc. 1.3 - 21007

Huelva - España

Tel: 959366014

Mail: umaco@umaco.es

Web: www.umaco.es

Actividad de la empresa:

Reparación y recuperación de todo tipo de elementos hidráulicos: cierres mecánicos, bombas centrífugas o sumergibles, grupos de presión,…

Además servicios y soluciones en el campo industrial y minero: transporte de fluidos, bombeos, piezas especiales de calderería y estructuras.

Marcas representadas y distribuidas: UMACO

Sectores de actividad:

Compañías mineras / Mining companies, Ingenierías y consultorías mineras / Mining engineering and consultancy, Fabricantes y proveedores de componentes / Component manufacturers and suppliers, Proveedores de servicios / Service

Providers, Instituciones, organismos y empresas afines / Institutions, organisms and related companies

Pabellón 1 - Stand 1261

HALOTECH DIGITAL SERVICES

Poligono Industrial Romica, C/ 5 Bis 15, 60C - 02007

Albacete - España

Tel: +34678066924

Mail: patricia.navarro@livall.eu Web: www.halotechs.com

Actividad de la empresa: Fusión única de innovación, seguridad y tecnología implantada en los entornos laborales de alto riesgo. Luchamos por el desarrollo, seguridad laboral e la implementación de soluciones tecnológicas avanzadas. La serie Halotech Ai redefine la protección personal y la monitorización del entorno laboral Marcas representadas y distribuidas: Halotech Ai

Sectores de actividad: Fabricantes y proveedores de componentes / Component manufacturers and suppliers, Proveedores de servicios / Service Providers, Laboratorios y centros tecnológicos / Laboratories and technology centers

Pabellón 1 - Stand 1118

HAVER & BOECKER NIAGARA

Robert - Bosch - Straße 6 - 48153

Münster - Nrw - Germany

Tel: +49 (0) 251 9793 0

Mail: infor@havernaigara.com

Web: www.haverniagara.com

Actividad de la empresa: Haver & Boecker Niagara is a leader in screening and pelletizing. Our mission is to deliver the best of these technologies

to customers in the mining, minerals, aggregates, cement, construction materials, fertilizers & salt and recycling industries. Marcas representadas y distribuidas: HAVER NIAGARA

Sectores de actividad: Compañías mineras / Mining companies, Fabricantes y proveedores de maquinaria / Machinery manufacturers and suppliers, Fabricantes y proveedores de componentes / Component manufacturers and suppliers, Laboratorios y centros tecnológicos / Laboratories and technology centers

Pabellón 1 - Stand 1256

HEICO FASTENERS

S.A.U.

C/ Industria Nº 7 - 08349

Cabrera de Mar - Barcelona - España

Tel: 93 750 61 40

Mail: rosaanaruiz@heicofasteners.es

Web: http://www.heico-lock.de/es

Actividad de la empresa:

Distribución de arandelas de seguridad

Marcas representadas y distribuidas: HEICO LOCK/ HEICO TECH

Sectores de actividad:

Fabricantes y proveedores de maquinaria / Machinery manufacturers and suppliers

Pabellón 3 - Stand 3253

HIDROTEC TECNOLOGÍA DEL

AGUA, S.L.

Avda. Camino de Santiago 40 - 28050

Madrid - España

Tel: 617 325 460

Mail: comunicacion@aqualia.es

Web: www.aqualia.com/es

Actividad de la empresa:

Aqualia es la empresa de gestión del agua participada por el grupo de servicios ciudadanos FCC (51%) y por el fondo ético australiano IFM Investors (49%). La compañía es la cuarta empresa de agua de Europa por población servida y la novena del mundo, Marcas representadas y distribuidas: Aqualia Industrial

Sectores de actividad:

Proveedores de servicios / Service

Providers

Pabellón 2 - Stand 2251

IBERIAN SUSTAINABLE MINING CLUSTER

(ISMC)

C/ Julia Morros S/N Parque Tecnológico de León, Ed Usos Comunes Of. 10624009 - León - España

Tel: 631442440

Mail: secretaria@ismc-iberiamine.com

Web: https://www.ismc-iberiamine.com

Actividad de la empresa:

ISMC unites over 60 companies, universities, and research centers dedicated to the mining industry value chain. It aims to consolidate efforts and attract key players in mining and raw materials to promote sustainability and circularity, driving growth, competitiveness, and innovation.

Marcas representadas y distribuidas: https://www.ismc-iberiamine.com/es/ miembros/

Sectores de actividad:

Compañías mineras / Mining companies, Ingenierías y consultorías mineras / Mining engineering and consultancy, Fabricantes y proveedores de maquinaria / Machinery manufacturers and suppliers, Fabricantes y proveedores de componentes / Component manufacturers and suppliers, Proveedores de servicios / Service Providers, Laboratorios y centros tecnológicos / Laboratories and technology centers, Instituciones, organismos y empresas afines / Institutions, organisms and related companies

Pabellón 3 - Stand 3206

IBERTRONIX

INFRARED

& VISION S.L.

Font 16. Bajos - 08960

Sant Just Desvern - Barcelona - España Tel: +34931754389

Mail: oscar@ibertronix.com Web: ibertronix.com

Actividad de la empresa:

Ingeniería especializada en equipos de medición de humedad y temperatura sin contacto. Especialistas en cámaras termográficas y de visión para hornos.

Marcas representadas y distribuidas: Moisttech, Dias Infrared, Sobotta, Hikmicro, Premosys

Sectores de actividad:

Compañías mineras / Mining companies, Ingenierías y consultorías mineras / Mining engineering and consultancy, Fabricantes y proveedores de maquinaria / Machinery manufacturers and suppliers, Proveedores de servicios / Service Providers, Laboratorios y centros tecnológicos / Laboratories and technology centers, Instituciones, organismos y empresas afines / Institutions, organisms and related companies

Pabellón 2 - Stand 2002

IBESGRAL, S.L.

C/ Ginzo de Limia, 53 - 28034

Madrid - España - Tel: 607200513

Mail: oscar.bravo@ibesgral.es Web: ibesgral.es

Actividad de la empresa: Fabricación y venta de centrífugas, intercambiadores de calor, filtros banda de lavado, agitadores, dosificadores Marcas representadas y distribuidas: Alfa Laval, Hasler, Pall, SGL, Titan

Sectores de actividad:

Ingenierías y consultorías mineras / Mining engineering and consultancy, Fabricantes y proveedores de maquinaria / Machinery manufacturers and suppliers

Pabellón 1 - Stand 1208

IC IBERCONVEYOR, S.L.

Vitoria 13 (Urb. La Chopera) - 28232

Las Rozas de Madrid - Madrid - España

Tel: 912 309 066

Mail: esanchez@iciberconveyor.com

Web: www.iciberconveyor.com

Actividad de la empresa: Componentes de altas prestaciones para transportadores (limpieza, centrado, estanqueidad e impacto). Guías de carga estancas y soluciones para la optimización de transferencias de cintas transportadoras. Rodillos de HDPE para la minería. Filtros compactos para transportadores. Marcas representadas y distribuidas: BELLE BANNE, SEALTEK, PROLOAD, ROLLAX, CENTRAX, SPILL-EX, GULF, IC ROLLER, DCP Y FLEXAL.

Sectores de actividad:

Fabricantes y proveedores de maquinaria / Machinery manufacturers and suppliers, Fabricantes y proveedores de componentes / Component manufacturers and suppliers Pabellón 2 - Stand 2029 y 2030

IDOM

Avenida Zarandoa, 23 - 48015

Bilbao - Vizcaya - España Tel: +34 94 479 76 00

Mail: metals-minerals@idom.com

Web: https://www.idom.com/sector/ metalurgia-y-mineria/ Actividad de la empresa: IDOM participa en proyectos Mineros y manufactura metálica, desde la

definición conceptual, siguiendo por las fases de estudios de factibilidad, hasta el diseño final de construcción; dando soporte al cliente durante la adquisición, construcción, comisionado y puesta en marcha de las instalaciones.

Marcas representadas y distribuidas: IDOM

Sectores de actividad:

Ingenierías y consultorías mineras / Mining engineering and consultancy, Proveedores de servicios / Service Providers Pabellón 1 - Stand 1168

IDP INGENIA

Pol. Ind. El Pino, Calle Pino Tea, 11 - 41016

Sevilla - España - Tel: 954672035

Mail: alejandroruiz@idpingenia.es

Web: www.idpingenia.es

Actividad de la empresa: Empresa especializada en Oleo-hidráulica, Aire Comprimido, Neumática y Vacío. Mantenimientos preventivos, fabricación, reparación, puesta en marcha y suministro

Marcas representadas y distribuidas: HYDAC - KAESER - CAMOZZI - SAMOABEKO

Sectores de actividad:

Compañías mineras / Mining companies, Ingenierías y consultorías mineras / Mining engineering and consultancy, Fabricantes y proveedores de maquinaria / Machinery manufacturers and suppliers, Fabricantes y proveedores de componentes / Component manufacturers and suppliers, Proveedores de servicios / Service Providers, Laboratorios y centros tecnológicos / Laboratories and technology centers, Instituciones, organismos y empresas afines / Institutions, organisms and related companies

Pabellón 3 - Stand 3049-3052

IGAN

INGENIERIA S.L.

Avenida del Mar 47 2ºd - 33011

Oviedo - Asturias - España

Tel: 0034 693423753

Mail: ivan.gonzalez@igan-consultores.com

Web: www.igan-consultores.com

Actividad de la empresa: Consultoría minera que cubre todos los aspectos de los servicios técnicos de una operación minera: geotecnia, diseño y planificación estratégica y de detalle. Igan también realiza formación de personal técnico de las mineras incluyendo “know how” y procedimientos de trabajo. Sectores de actividad: Compañías mineras / Mining companies,

EXPOSITORES

Ingenierías y consultorías mineras / Mining engineering and consultancy

Pabellón 2 - Stand 2263

INDUSAL

Camino Carretera Nº 48 - 12540

Vila Real - Castellon - España Tel: 964626015

Mail: indusal@indusalsl.es

Web: www.indusalsl.es

Actividad de la empresa:

Fabricantes de maquinaria industrial. Ingenieria propia. Instalaciones industriales llave en mano. Expertos en equipos rotativos

Marcas representadas y distribuidas: INDUSAL

Sectores de actividad:

Fabricantes y proveedores de maquinaria / Machinery manufacturers and suppliers

Pabellón 1 - Stand 1046

INERCO

Parque Científico Tecnológico Isla de la Cartuja - C/ Tomás Alba Edison, 2 - Edificio Inerco - 41092 - Sevilla - España

Tel: +34954468100

Mail: info@inerco.com

Web: www.inerco.com

Actividad de la empresa: INERCO ofrece soluciones integrales en sostenibilidad ambiental y energética, seguridad industrial y laboral, desarrollando consultoría, ingeniería y tecnología, líder en descarbonización, transición energética, reducción de emisiones, control de ruidos, tratamiento de aguas y suelos contaminados

Marcas representadas y distribuidas: INERCO

Sectores de actividad:

Ingenierías y consultorías mineras / Mining engineering and consultancy, Proveedores de servicios / Service Providers Pabellón 3 - Stand 3200

INGENIERIA DE SUELOS Y EXPLOTACIÓN DE RECURSOS,

S.A. (INSERSA)

Paseo del Coso S/N - 21660

Minas de Riotinto - Huelva - España Tel: +34954571914

Mail: insersa_sevilla@insersa.es

Web: www.insersa.es

Actividad de la empresa: Operación minera, sondeos de investigación, infraestructuras y construcción industrial

Marcas representadas y distribuidas: INSERSA, KEROGEN ENERGY, SODIRA

Sectores de actividad:

Compañías mineras / Mining companies

Pabellón 2 - Stand 2205-2208

INGENIERÍA Y CONSULTORÍA

EN RECURSOS DEL SUBSUELO, S.L.

C/ Raimundo Fernández Villaverde 53, 1º Izq. - 28003 - Madrid - España

Tel: 915349183

Mail: crs@crsingenieria.es

Web: www.crsingenieria.es

Actividad de la empresa: CRS Ingeniería, especializada en recursos del subsuelo, ofrece servicio personalizado de ingeniería/consultoría en: exploración minera, minería, geotecnia, geoestadística, hidrología e hidrogeología, medio ambiente y ordenación del territorio, almacenamiento subterráneo y cierre y clausura de minas.

Marcas representadas y distribuidas: CRS INGENIERÍA

Sectores de actividad:

Ingenierías y consultorías mineras / Mining engineering and consultancy

Pabellón 1 - Stand 1176

INNOMOTICS

Ronda de Europa 5 - 28760

Tres Cantos - Madrid - España

Tel: 915148000

Mail: in-qc.es@innomotics.com

Web: www.innomotics.com

Actividad de la empresa: Especialista y líder en accionamientos eléctricos (motores BT y MT), variadores MT y motorreductores. Expertos en reemplazo de turbinas, aplicaciones de red, bombas, compresores y ventiladores, bancos de pruebas. Heredera de Siemens

en electrificación y digitalización para minas y cemento.

Marcas representadas y distribuidas: Innomotics

Sectores de actividad: Ingenierías y consultorías mineras / Mining engineering and consultancy, Fabricantes y proveedores de componentes / Component manufacturers and suppliers, Proveedores de servicios / Service

Providers

Pabellón 3 - Stand 3248-3249

INSTITUTO GEOLÓGICO Y MINERO DE ESPAÑA (IGME)

Ríos Rosas 23 - 28002 - Madrid - España

Tel: 91 349 57 00

Mail: sec.dg@igme.es

Web: www.igme.es

Actividad de la empresa: El Instituto Geológico y Minero de España (IGME) de España es un organismo de investigación, integrado en el CSIC como un centro nacional. Realiza labores científico-técnicas en el campo de las Ciencias de la Tierra y del Mar .

Marcas representadas y distribuidas: IGME

Sectores de actividad:

Instituciones, organismos y empresas afines / Institutions, organisms and related companies

Pabellón 3 - Stand 3214

INSTRUMENTACION CONTROL

Y MEDIDA, S.L.

Brujula 62 (P.I.S.A.) - 41927

Mairena del Aljarafe - Sevilla - España

Tel: 955602073

Mail: antonio.talaveron@icym.es / maria. marin@icym.es

Web: www.icym.es

Actividad de la empresa:

Empresa dedicada al estudio, definicion y suministro de instrumentación industrial y valvuleria. Servicios de verificación y calibración industrial. diferentes variables de procesos,presión, caudal, nivel, temperatura, gases....etc. Control de obras mediante servicios de audiovisuales. Marcas representadas y distribuidas: BRAY, YOKOGAWA, QUINTEX, JJ / CHAIR, YTC, OMC, PARAVALVES, BLACKLINE, AEInnova

Sectores de actividad:

Compañías mineras / Mining companies, Ingenierías y consultorías mineras / Mining engineering and consultancy, Fabricantes y proveedores de maquinaria / Machinery manufacturers and

suppliers, Fabricantes y proveedores de componentes / Component manufacturers and suppliers, Proveedores de servicios / Service Providers, Laboratorios y centros tecnológicos / Laboratories and technology centers, Instituciones, organismos y empresas afines / Institutions, organisms and related companies

Pabellón 1 - Stand 1064

INTEREMPRESAS MEDIA

Amadeu Vives 20-22 - 8750

Molins de Rei - Barcelona - España

Tel: 936 802 027

Mail: jac.rev411@gmail.com

Web: www.interempresas.net

Actividad de la empresa: prensa profesional

Marcas representadas y distribuidas: Ingeopres, Canteras y Explotaciones, Potencia, Interempresas Obras Púbicas

Sectores de actividad:

Instituciones, organismos y empresas afines / Institutions, organisms and related companies

Pabellón 1 - Stand 1223

IPH

Calle Plus Ultra, 13-15, 5º - 21001

Huelva - España

Tel: 959 540 111

Mail: iph@iph.es

Web: https://iph.es/ Actividad de la empresa:

IPH es una empresa tecnológica de alto rendimiento que presta servicios en minería, industria y obra civil. IPH acerca el futuro para resolver los retos del presente mediante la innovación y su fuerte compromiso con la excelencia. Con IPH todo puede mejorarse, todo se puede hacer. #WeMake

Marcas representadas y distribuidas: IPH

Sectores de actividad:

Ingenierías y consultorías mineras / Mining engineering and consultancy, Proveedores de servicios / Service Providers Pabellón 3 - Stand 3043-3046

IRLUC MANTENIMIENTOS Y MONTAJES INDUSTRIALES S.L.U

Calle Caucho Nº1, Parque Científico y Tecnológico de Huelva - 21110

Aljaraque - Huelva - España Tel: 623450286

Mail: david.rodriguez@irluc.es Web: www.irluc.es

Actividad de la empresa: Empresa dedicada al servicio de montaje y soldadura industrial tanto a nivel nacional como internacional con equipos de trabajo altamente cualificados en el sector.

Marcas representadas y distribuidas: IRLUC MANTENIMIENTOS Y MONTAJES INDUSTRIALES S.L.U

Sectores de actividad:

Proveedores de servicios / Service Providers

Pabellón 1 - Stand 1112

JENNMAR

Principe de Vergara, 112 - 28002

Madrid - España - Tel: 662135130

Mail: ruceda@jennmar.com Web: https://www.jennmar.com/

Actividad de la empresa: JENNMAR diseña y fabrica una amplia gama de productos para el control del terreno. Nuestros productos son referencia en minería, túneles y construcción haciendo que sean más seguras y eficientes.

Nuestro compromiso con el cliente está guiado por tres palabras: SEGURIDAD, SERVICIO e INNOVACIÓN.

Marcas representadas y distribuidas: JENNMAR, JENNCHEM, XCAL, JM STEEL Sectores de actividad: Compañías mineras / Mining companies, Ingenierías y consultorías mineras / Mining engineering and consultancy, Fabricantes y proveedores de maquinaria / Machinery manufacturers and suppliers

Pabellón 1 - Stand 1219

JOSÉ PÁRRAGA S.L.

Crta. Morón Marchena, Km 2 - 41530

Morón de la Frontera - Sevilla - España

Tel: 639084450

Mail: inavarro@joseparragasl.es

Actividad de la empresa: Empresa fabricante de explosivos y de almacenamiento de explosivos para dar servicios a minería, canteras y obras públicas.

Marcas representadas y distribuidas: Párraga

Sectores de actividad:

Fabricantes y proveedores de maquinaria / Machinery manufacturers and suppliers, Fabricantes y proveedores de componentes / Component manufacturers and suppliers, Proveedores de servicios / Service Providers, Laboratorios y centros tecnológicos / Laboratories and technology centers

Pabellón 3 - Stand 3106

JRC INGENIERÍA, MINERÍA Y CONSTRUCCIÓN

ESPAÑA, S.L.

Avda. Eduardo Dato, Nº 69, 7a PlantaEdificio Galia Nervión - 41005

Sevilla - Sevilla - España

Tel: + 51 983154453

Mail: rperea@jrcing.com.pe

Web: www.jrc.com.pe

Actividad de la empresa: JRC es una empresa líder en servicios integrales de minería que comprenden exploración, preparación, construcción, desarrollo y explotación de minas subterráneas y superficiales, así como excavaciones y revestimiento de túneles mineros, construcción de pozos, mov. de tierras e infraestructura civil.

Marcas representadas y distribuidas: JRC

Sectores de actividad:

Ingenierías y consultorías mineras / Mining engineering and consultancy, Proveedores de servicios / Service Providers Pabellón 3 - Stand 3093-30943095-3096

JSP SAFETY

Ronda del General Mitre 121, 6a - 08021

Barcelona - España - Tel: +34 911 98 22 97

Mail: espana@jspsafety.com

Web: www.jspsafety.com

Actividad de la empresa:

JSP es un fabricante de EPI especializado en protección craneal, respiratoria, auditiva y ocular/facial. Visita el stand de JSP Safety Iberia para descubrir nuestros productos. También contamos con el Portacount y personal acreditado Fit2Fit para realizar pruebas de ajuste respiratorias.

Marcas representadas y distribuidas: JSP Safety

Sectores de actividad:

Fabricantes y proveedores de componentes / Component manufacturers and suppliers, Proveedores de servicios / Service Providers

Pabellón 1 - Stand 1010

JUNTA DE ANDALUCÍA

Johannes Kepler 1. Isla de la Cartuja41092 - Sevilla - España

Tel: 955407443

Mail: dgm.ciem@juntadeandalucia.es Web: https://juntadeandalucia.es/ organismos/industriaenergiayminas.html

Actividad de la empresa: Entidad Pública

Marcas representadas y distribuidas: Junta de Andalucía

Sectores de actividad: Instituciones, organismos y empresas afines / Institutions, organisms and related companies

Pabellón 2 - Stand 2079-2082

JUNTA DE EXTREMADURA. DIRECCIÓN GENERAL DE INDUSTRIA, ENERGÍA Y MINAS. Paseo de Roma, S/N - 06800

Mérida - Badajoz - España

Tel: +34924005448

Mail: dgieym.agds@juntaex.es Web: http://sigeo.juntaex.es Actividad de la empresa: Administración minera regional de Extremadura (España)

Marcas representadas y distribuidas: JUNTA DE EXTREMADURA

Sectores de actividad: Instituciones, organismos y empresas afines / Institutions, organisms and related companies

Pabellón 3 - Stand 3112

KB INTERNATIONAL LLC

735 Broad Street - 37402

Chattanooga - Tn - Usa Tel: 696792826

Mail: scarlier@kbtech.com Web: kbtech.com

Actividad de la empresa:

KB es líder mundial en el desarrollo de lodos poliméricos de perforación. Especializado en sectores tanto como la exploración minerales como en obra civil.

Marcas representadas y distribuidas: KB International LLC. Productos: CoreSMART, SlurryPRO CDP y SlurryPRO EXL

Sectores de actividad:

Fabricantes y proveedores de componentes / Component manufacturers and suppliers, Proveedores de servicios / Service Providers Pabellón 3 - Stand 3005

KEMIA, S.L.

Calle Valencia, 106-108, 1º 1º - 08015

Barcelona - España Tel: 934263221

Mail: eustaquio.garcia@kemiasl.net Web: www.kemiasl.net

Actividad de la empresa: Kemia sl, distribuidores en España de equipos portátiles para análisis EDXRF y LIBS, molinos SAG y bolas y forros de protección para molinos AG, SAG, bolas y barras, en las principales industrias incluyendo minería y metalurgia. Marcas representadas y distribuidas: SciAps Inc (USA), Christian Pfeiffer (Austria), Tega Industries (India-Suecia)

Sectores de actividad:

Compañías mineras / Mining companies, Ingenierías y consultorías mineras / Mining engineering and consultancy, Fabricantes y proveedores de maquinaria / Machinery manufacturers and suppliers, Laboratorios y centros tecnológicos / Laboratories and technology centers, Instituciones, organismos y empresas afines / Institutions, organisms and related companies

Pabellón 1 - Stand 1167

KLÜBER LUBRICATION IBÉRICA

Carretera C-17, Km 15,5 - 08150

Parets del Vallés - Barcelona - España Tel: +34 93 5738400

Mail: customer.service@kluber.com

Web: https://www.klueber.com/es/es/ Actividad de la empresa: Lubricantes industriales Innovadores y sostenibles

Marcas representadas y distribuidas: Klüber Lubrication

Sectores de actividad: Fabricantes y proveedores de componentes / Component manufacturers and suppliers, Proveedores de servicios / Service Providers

Pabellón 1 - Stand 1249 y 1250

KREISEL GMBH & CO. KG

Mühlenstr. 38 - 02957

Krauschwitz - Saxonia - Germany Tel: +49 35771 980

Mail: info@kreisel.eu

Web: www.kreisel.eu

Actividad de la empresa:

We are experts in the field of bulk material handling. Tailor-made conveying systems from storage silos to pneumatic conveying and dedusting systems are available from a single source. We plan, design,

manufacture and deliver your plant components including assembly and final commissioning.

Marcas representadas y distribuidas: KREISEL / SCHÄFFER

Sectores de actividad:

Compañías mineras / Mining companies, Ingenierías y consultorías mineras / Mining engineering and consultancy, Fabricantes y proveedores de componentes / Component manufacturers and suppliers, Proveedores de servicios / Service Providers, Laboratorios y centros tecnológicos / Laboratories and technology centers, Instituciones, organismos y empresas afines / Institutions, organisms and related companies

Pabellón 3 - Stand 3137

LA JOYA MINERAL S.L.

Avda. Americo Vespucio 5-4 planta 1º oficina 11 - 41013

Sevilla - España

Tel: 600611441

Mail: eduardo.olarte@leonolarte.com

Actividad de la empresa:

MInera

Marcas representadas y distribuidas:

La joya Mineral

Sectores de actividad:

Compañías mineras / Mining companies

Pabellón 1 - Stand 1016

LAIN TECHNOLOGIES S.L.

Avda. de Europa 28, Portal 1 Piso 3 A28224

Pozuelo de Alarcon - Madrid - España

Tel: 669163459

remediospardo@laintechnologies.com

Web: www.laintechn.com

Actividad de la empresa:

Innovación e implementación industrial de tecnologías novedosas aplicadas a la lixiviación de minerales refractarios.

Marcas representadas y distribuidas: LAIN TECH

Sectores de actividad:

Ingenierías y consultorías mineras / Mining engineering and consultancy, Laboratorios y centros tecnológicos / Laboratories and technology centers

Pabellón 3 - Stand 3198 y 3199

LIEBHERR IBÉRICA

Polígono Industrial Albolleque. Calle

Los Muchos, 53 - 19160 ChiloechesGuadalajara - España

EXPOSITORES

Tel: 949348730

Mail: info.lib@liebherr.com

Web: www.liebherr.com

Actividad de la empresa:

Liebherr Ibérica, fundada en 1988, es la empresa española de ventas y servicios del grupo Liebherr. Está a cargo de las ventas y servicio posventa de la división de grúas móviles y sobre orugas, grúas torre, movimiento de tierras, minería, maquinaria de construcción y grúas marítimas.

Marcas representadas y distribuidas: Liebherr

Sectores de actividad: Fabricantes y proveedores de maquinaria / Machinery manufacturers and suppliers, Fabricantes y proveedores de componentes / Component manufacturers and suppliers

Pabellón 2 - Stand 2118

LOESCHE LATINOAMERICANA

S.A.U.

Calle Condesa de Venadito, 1 - 4ª Planta28027 - Madrid - España

Tel: 914589980

Mail: loesche@loesche.es

Web: www.loesche.com

Actividad de la empresa: Loesche diseña y desarrolla de forma individualizada plantas de molienda y secado para la industria cementera, energética y de menas y minerales. Nuestra cartera abarca desde el diseño hasta la puesta en marcha, mantenimiento, reparación y modernización, formación y suministro de piezas de repuesto.

Marcas representadas y distribuidas: LOESCHE

Sectores de actividad:

Compañías mineras / Mining companies, Ingenierías y consultorías mineras / Mining engineering and consultancy, Fabricantes y proveedores de maquinaria / Machinery manufacturers and suppliers, Proveedores de servicios / Service Providers

Pabellón 2 - Stand 2194

MAGOTTEAUX

Bentalde 4 - 31810

Urdiain - Navarra - España

Tel: 948564390

jose_antonio.leyun@magotteaux.com

Web: www.magotteaux.com

Actividad de la empresa: Suministro de equipos y servicios para la industria extractivas vomo mineria Aridos y cemento

Marcas representadas y distribuidas: MAGOSENSE, ECOMAX , DUOMAX , DUROMAX

Sectores de actividad:

Compañías mineras / Mining companies, Ingenierías y consultorías mineras / Mining engineering and consultancy, Fabricantes y proveedores de maquinaria / Machinery manufacturers and suppliers, Fabricantes y proveedores de componentes / Component manufacturers and suppliers, Proveedores de servicios / Service Providers Pabellón 1 - Stand 1225 y 1226

MANGAS FILTRO SACO S.L.

C/ Alguer, 2, Parcela 3, Nave 2B, Pol. Ind. La Creueta - 08130 - Santa Perpètua De Mogoda - Barcelona - España Tel: 935605744

Mail: ventas@mafilco.com

Web: www.mafilco.com

Actividad de la empresa:

En MAFILCO llevamos más de 25 años fabricando y suministrando recambios para filtros prensa mineros y estamos especializados en la fabricación de lonas de alta resistencia y durabilidad en tejidos técnicos. También somos distribuidores de otros elementos filtrantes: placas, bolsas, mangas...

Marcas representadas y distribuidas: MAFILCO

Sectores de actividad: Compañías mineras / Mining companies, Ingenierías y consultorías mineras / Mining engineering and consultancy, Fabricantes y proveedores de maquinaria / Machinery manufacturers and suppliers, Fabricantes y proveedores de componentes / Component manufacturers and suppliers, Proveedores de servicios / Service Providers Pabellón 1 - Stand 1157

MANTENIMIENTO

REPARACIONES Y OPERACIONES

DEL SUR S.L. - MROSUR

Pol.Ind. Parsi - Calle Nº6 - Nave Nº 7441016 - Sevilla - España

Tel: 955610109

Mail: mrosur@mrosur.com

Web: www.mrosur.es

Actividad de la empresa: Suministros de recambios para el mantenimiento industrial , fabricantes e ingenierias, especialistas en motorreductores, neumatica, lubricacion , ruedas libres , cadenas con tratamientos y mantenimiento predictivo.

Marcas representadas y distribuidas: Rossi Motorreductores, Cadenas Iris, SMC, Cogelsa, Ringspann, Egaña, Blickle,Beta. ISB

Sectores de actividad:

Compañías mineras / Mining companies, Ingenierías y consultorías mineras / Mining engineering and consultancy, Fabricantes y proveedores de maquinaria / Machinery manufacturers and suppliers, Fabricantes y proveedores de componentes / Component manufacturers and suppliers, Proveedores de servicios / Service Providers, Laboratorios y centros tecnológicos / Laboratories and technology centers, Instituciones, organismos y empresas afines / Institutions, organisms and related companies

Pabellón 1 - Stand 1031-1032

MANTENIMIENTO Y MONTAJES INDUSTRIALES, S.A. (MASA)

C/ Alonso de Ojeda Nº 1 Y 3 - 21002

Huelva - España - Tel: 959253308

Mail: jbarrancor@masagrupo.com

Web: www.masagrupo.com

Actividad de la empresa:

Mantenimiento y montajes industriales

Sectores de actividad: Proveedores de servicios / Service Providers

Pabellón 1 - Stand 1113

MAPEI SPAIN, S.A.U.

C/ Valencia, 11 Pol Ind Can Oller - 08130

Santa Perpetua De Mogoda - BarcelonaEspaña

Tel: 933435050

Mail: mapei@mapei.es

Web: www.mapei.es

Actividad de la empresa:

Fabricante de productos químicos para construcción: aditivos hormigón, reparación, impermeabilización estructuras

Marcas representadas y distribuidas: MAPEI

Sectores de actividad: Fabricantes y proveedores de componentes / Component manufacturers and suppliers

Pabellón 1 - Stand 1030

MARECHAL ELECTRIC

5 Avenue du Chemin de Presles - 94410

Saint-Maurice - Ile De France - France

Tel: 01 45 11 60 00

Mail: k.demathieu@marechal.com

Web: https://marechal.com/marechal/fr/

Actividad de la empresa:

El Grupo MARECHAL ELECTRIC es uno de los principales actores en el campo de las conexiones eléctricas de baja tensión para aplicaciones industriales y ATEX en todos los sectores de actividad.

Marcas representadas y distribuidas:

MARECHAL ELECTRIC

Sectores de actividad:

Compañías mineras / Mining companies, Ingenierías y consultorías mineras / Mining engineering and consultancy, Fabricantes y proveedores de maquinaria / Machinery manufacturers and suppliers, Fabricantes y proveedores de componentes / Component manufacturers and suppliers, Proveedores de servicios / Service Providers, Laboratorios y centros tecnológicos / Laboratories and technology centers, Instituciones, organismos y empresas afines / Institutions, organisms and related companies Pabellón 2 - Stand 2046

MASANÉS SERVINDUSTRIA S.A.

Polígono Industrial El Segre - C/ Josep Baró i Travé, 106-107 - 25191

Lleida - España

Tel: 902 40 25 00

Mail: info@masanes.com Web: www.masanes.com

Actividad de la empresa:

En Masanés Servindustria comercializamos productos para el

transporte de materiales sólidos y a granel. Prestamos servicios de montaje y mantenimiento preventivo y correctivo, asesoramiento técnico y resolución de emergencias los 365 días del año por toda la península e islas Baleares y Canarias. Marcas representadas y distribuidas: Airscrape (Alemania); Airsweep (EEUU); BFM (Nueva Zelanda); GO4B (Reino Unido); Flexco (Alemania); Goudsmit (Países Bajos); Moduflex (Dinamarca); Optim Auge (Bélgica); Refortblet (España); CinchSeal (EEUU); DSH (Nueva Zelanda); MES INTERNATIONAL (Reino Unido). Sectores de actividad: Fabricantes y proveedores de componentes / Component manufacturers and suppliers, Proveedores de servicios / Service Providers

Pabellón 1 - Stand 1099-1100

MASTER BUILDERS SOLUTIONS

Carretera del Hospitalet 147 - 08940

Cornellá Del Llobregat - BarcelonaEspaña

Tel: 936194600

Mail: mbs-cc@masterbuilders.com www.master-builders-solutions.com/es-es Actividad de la empresa: Master Builders Solutions, expertos en aditivos para hormigón y mortero, ofrece soluciones químicas innovadoras para la construcción. Su portafolio completo incluye aditivos para hormigón, y soluciones de impermeabilización y construcción subterránea.

Marcas representadas y distribuidas: MasterRoc, MasterFiber Sectores de actividad: Compañías mineras / Mining companies, Fabricantes y proveedores de componentes / Component manufacturers and suppliers

Pabellón 2 - Stand 2229-2230

MASTER DRILLING EUROPE AB SUCURSAL ESPAÑA

Calle Angel Costales Torres, 14, Tomares - 41940 - Sevilla - Sucursal España De Matriz Suecia

Tel: +34690712335

Mail: fserrano@masterdrilling.com

Web: https://masterdrilling.se/

Actividad de la empresa:

Empresa global fundada en 1986, especializada en soluciones tecnológicas de perforación para minería, infraestructura y energía. Ofrecen servicios de perforación de pozos y túneles, destacándose por su innovación, seguridad y sostenibilidad, adaptándose a cada cliente en más de 50 países.

Marcas representadas y distribuidas: MASTER DRILLING

Sectores de actividad:

Compañías mineras / Mining companies, Ingenierías y consultorías mineras / Mining engineering and consultancy, Fabricantes y proveedores de maquinaria / Machinery manufacturers and suppliers, Fabricantes y proveedores de componentes / Component manufacturers and suppliers, Proveedores de servicios / Service Providers, Instituciones, organismos y empresas afines / Institutions, organisms and related companies

Pabellón 3 - Stand 3251

MAXAM

Avenida del Partenón 16 - 28042

Madrid - España

Tel: +34 91 722 01 00

Mail: Fm_madrid@maxamcorp.com

Web: www.maxamcorp.com

Actividad de la empresa: Expertos en minería y obras civiles Marcas representadas y distribuidas: MAXAM X-ENERGY

Sectores de actividad:

Compañías mineras / Mining companies, Ingenierías y consultorías mineras / Mining engineering and consultancy, Proveedores de servicios / Service Providers, Laboratorios y centros tecnológicos / Laboratories and technology centers

Pabellón 2 - Stand 2085 y 2088

MB CRUSHER

Via Astico N° 30/A - 36030

Fara Vicentino - Vicenza - Italia

Tel: linea verde España 900 868 544

Mail: info@mbcrusher.com

Web: www.mbcrusher.com

Actividad de la empresa:

MB Crusher produce equipos para excavadoras para la recuperación y

reciclaje de residuos inertes a bajo costo y con un impacto mínimo para el medioambiente. Semplifica el ciclo de reciclaje directamente en el sitio y facilita las operaciones de trituración, cribado y manipulación.

Marcas representadas y distribuidas: MB Crusher

Sectores de actividad:

Fabricantes y proveedores de maquinaria / Machinery manufacturers and suppliers

Pabellón 2 - Stand 2253

MECANIZADOS SEGEDA, S.L.

C/ Guadiana, 49 P.I. Los Caños - 06300

Zafra - Badajoz - España Tel: +34 924563031

Mail: segeda@segeda.com

Web: www.segeda.com

Actividad de la empresa:

Fabricación de maquinaria para mineria y mantenimiento industrial

Marcas representadas y distribuidas: SEGEDA, NEUMAC

Sectores de actividad:

Fabricantes y proveedores de maquinaria / Machinery manufacturers and suppliers, Fabricantes y proveedores de componentes / Component manufacturers and suppliers

Pabellón 2 - Stand 2023-2024

MECWIDE

Edificio Aljarafe Center Plaza de las Naciones. S/N, Torre Norte - 41927

Mairena del Aljarafe Sevilla - Modulos 4 y 5 Planta 6ª. - 41927

Sevilla - Espanha Tel: +34 954 825 304

Mail: gearl@mecwide.com

Web: www.mecwide.com

Actividad de la empresa:

Mecwide is a leading metal engineering company active in Oil&Gas, Mining&Cement, Modular Systems, Industry&Energy, and Data Centers. Headquartered in Portugal, it has expanded to Europe and Africa, excelling in EPC solutions. Its turnover exceeded 100 million euros, employing over 1,300 people.

Marcas representadas y distribuidas: Mecwide

Sectores de actividad:

Compañías mineras / Mining companies, Ingenierías y consultorías mineras / Mining engineering and consultancy, Proveedores de servicios / Service Providers Pabellón 1 - Stand 1007

MEDIO AMBIENTE, RESIDUOS Y AGUA MAREA,

S.L.

Calle Tajo, Nº4 - 41012

Sevilla - España

Tel: 955 46 35 97

Mail: info@marearusvel.com

Web: https://marearusvel.com/ Actividad de la empresa: MAREA es una empresa tecnóloga con una dilatada experiencia en el ciclo integral del agua. Está especializada en la realización de proyectos, construcción, puesta en marcha y explotación de estaciones de tratamiento de aguas

Sectores de actividad: Fabricantes y proveedores de maquinaria / Machinery manufacturers and suppliers, Fabricantes y proveedores de componentes / Component manufacturers and suppliers

Pabellón 1 - Stand 1263

MEIVCORE

Real Business Center, Avenida Dr. António Almeida Henriques, 112, 1ºAndar - 3500631 - Viseu - Portugal - Portugal

Tel: +351 232 096 905

Mail: CLIENTS@MEIVCORE.COM

Web: https://meivcore.pt/ Actividad de la empresa: Brindamos servicios para proyectos industriales, mantenimiento preventivo / correctivo y brindamos servicios integrados en las más diversas áreas de la industria. Ofrecemos las soluciones más avanzadas de la industria, gracias a los métodos de gestión actuales y eficientes. Marcas representadas y distribuidas: MEIVCORE GROUP

Sectores de actividad: Proveedores de servicios / Service Providers

Pabellón 1 - Stand 1169

METALOGENIA, S.A.

Pol.Ind. La Armentera S/N Par. 79-8422400

Monzón - Aragón - España

Tel: (+34) 93 741 70 00

Mail: info@mtgcorp.com

Web: https://mtgcorp.com/ Actividad de la empresa:

Fabricantes de piezas de desgaste para minería y construcción

Marcas representadas y distribuidas:

Metalogenia

Sectores de actividad:

Fabricantes y proveedores de componentes / Component manufacturers and suppliers

Pabellón 1 - Stand 1062

METEOSIM

Carrer de Baldiri Reixac, 10, 12, Les Corts08019 - Barcelona - Cataluña - España

Tel: 699710572

Mail: mderiquer@meteosim.com

Web: meteosim.com

Actividad de la empresa: Somos una consultora tecnológica especializada en el ámbito medioambiental minero. Implementamos servicios avanzados de consultoría y soluciones integrales para gestionar riesgos atmosféricos, incluyendo meteorología, calidad del aire y cambio climático, en operaciones mineras de alta sensibilidad.

Marcas representadas y distribuidas: Meteosim Solutions

Sectores de actividad:

Ingenierías y consultorías mineras / Mining engineering and consultancy, Proveedores de servicios / Service Providers

Pabellón 1 - Stand 1014

METSO

Avda. Arroyomolinos 11 - 28925

Madrid - Spain

Tel: 918 255 700

Mail: info.spain@metso.com

Web: www.metso.com

Actividad de la empresa: Metso es líder en tecnologías sostenibles, soluciones y servicios integrales para las industrias de procesamiento de minerales, agregados y refinación de metales a

EXPOSITORES

nivel mundial: trituración, molienda, flotación, espesadores, bombas, filtración, hidrometalurgia, automatización.

Marcas representadas y distribuidas: Outotec, Larox, Allis-Chalmers, Nordberg, Lokotrack, Nordwheeler, Trellex, Sala, Denver, Barmac, Skega, Svedala, Sectores de actividad:

Ingenierías y consultorías mineras / Mining engineering and consultancy, Fabricantes y proveedores de maquinaria / Machinery manufacturers and suppliers, Proveedores de servicios / Service Providers, Laboratorios y centros tecnológicos / Laboratories and technology centers Pabellón 2 - Stand 2135-21362137-2138

MINAS DE ESTAÑO DE ESPAÑA

Poligono Fuente de las Dos, 1 - 14290 Fuente Obejuna - Córdoba - España

Tel: 621220858

Mail: aortega@minaestano.es

Web: www.elementos.com.au

Actividad de la empresa: Minas de estaño de España es una empresa andaluza subsidiaria de la compañia australiana Elementos, que cotiza en la ASX. Su principal activo es el proyecto minero Oropesa , que en los proximos años se convertirá en la primera gran mina suministradora de estaño sostenible y responsable en Europa.

Sectores de actividad:

Compañías mineras / Mining companies Pabellón 1 - Stand 1117

MINESUR INGENIERIA S.L.U.

Parque Industrial y Tecnologico, Nave E08 - 21600 -Valverde del Camino - HuelvaEspaña - Tel: 646375603

Mail: administracion@minesur.es

Web: www.minesur.es

Actividad de la empresa: Empresa de referencia tanto en el sector de la obra civil subterránea como en la Minería. Hemos ampliado nuestra actividad principal con otros mercados relacionados con las obras hidráulicas, renovables, y recientemente con la estabilización de taludes, cimentaciones e inyecciones.

Marcas representadas y distribuidas: MINESUR, PERFORACIONES NOROESTE, CONTRATISTAS MINEROS, VOLADURAS CARMONA

Sectores de actividad:

Ingenierías y consultorías mineras / Mining engineering and consultancy

Pabellón 3 - Stand 3162-3163

MINOVA IBBÉRICA

C/ Arquimides 129 - 33390

Gijon - Asturias - España Tel: 985669911

Mail: info.es@minovaglobal.com

Web: www.minovaglobal.com

Actividad de la empresa: Faricación y Aplicación de Resinas de Inyección para consolidación e impermeabilización de terrenos.y elementos de sostenimiento para Túneles y Mineria

Fabricación y Comercialización de Bulones y Cerchas para sostenimiento de Minería y Túneles.

Marcas representadas y distribuidas: MINOVA, BULTEK,

Sectores de actividad:

Fabricantes y proveedores de componentes / Component manufacturers and suppliers, Proveedores de servicios / Service Providers

Pabellón 3 - Stand 3050-3051

MOLDEX/METRIC AG & CO. KG

Pol. Ind. Molí dels Frares - Carrer C, 30 - 08620 - Sant Vicenç dels HortsBarcelona - España Tel: +34 93 5889950

Mail: VAlcina@es.moldex-europe.com

Web: www.moldex-europe.com

Actividad de la empresa: Fabricación Protecció Respiratoria, Auditiva y Ocular

Marcas representadas y distribuidas: Moldex

Sectores de actividad: Proveedores de servicios / Service Providers

Pabellón 2 - Stand 2043

MONTREL

Carretera Sevilla - Cádiz, Km.6, 41703, Dos Hermanas - 41703

Sevilla - España Tel: 954 680 514

Mail: ingenieria@montrel.es

Web: https://montrel.es/ Actividad de la empresa: Soluciones integrales innovadoras en el sector energético e industrial: Instalaciones eléctricas, instrumentación, automatización y control, digitalización. Fabricación de cuadros de baja tensión: soluciones ATEX, armarios de comunicaciones y control y soluciones especiales a medida.

Marcas representadas y distribuidas: Montrel

Sectores de actividad:

Ingenierías y consultorías mineras / Mining engineering and consultancy, Proveedores de servicios / Service Providers

Pabellón 3 - Stand 3161

MOTRINDE, S.A.

Rua da Paz - Quintã do Loureiro - 3800587 - Aveiro - Cacia - Portugal

Tel: +351 234 914 411

Mail: motrinde@motrinde.pt

Web: www.motrinde.pt

Actividad de la empresa:

Motrinde S.A. cuenta con 29 años de experiencia en el ramo de la metalmecánica, lo que le ha conducido a un trabajo de excelencia en las construcciones metálicas, mantenimiento industrial, modificación de layouts y movimiento de equipos.

Sectores de actividad:

Fabricantes y proveedores de componentes / Component manufacturers and suppliers

Pabellón 2 - Stand 2170

NORDIC GUARANTEE INSURANCE

C/ Marqués de Larios 4, of. 405 - 29005

Málaga - España

Tel: 952 856 410

Mail: info@nordg.es

Web: www.nordicguarantee.es

Actividad de la empresa:

Servicios financieros - garantías de caución para restauración medioambiental y social de minería

Marcas representadas y distribuidas: Nordic Guarantee

Sectores de actividad: Proveedores de servicios / Service Providers

Pabellón 2 - Stand 2144

NORDL-LOCK IBERIA, S.L.

P.E. INBISA I Avda. Somosierra 22 E6 y 7 - 28704 + San Sebastian de los ReyesMadrid - España

Tel: 911859190

Mail: luis.olabarri@nord-lock.com

Web: www.nord-lock.es

Actividad de la empresa:

Soluciones seguras de atornillado e ingeneria

Marcas representadas y distribuidas: Expander,Superbolt, Boltight, Nord-Lock

Sectores de actividad:

Fabricantes y proveedores de componentes / Component manufacturers and suppliers

Pabellón 2 - Stand 2008

NUBA SCREENING MEDIA, S.L.

C/ Plasencia 35, Pol. Ind. Las Nieves28935 - Madrid - España Tel: 916169500

Mail: nuba@nubasm.com Web: www.nubasm.com

Actividad de la empresa:

Superficies Cribantes y Accesorios para la Clasificación de Áridos y Minerales

Marcas representadas y distribuidas: NUBA

Sectores de actividad: Fabricantes y proveedores de maquinaria / Machinery manufacturers and suppliers, Fabricantes y proveedores de componentes / Component manufacturers and suppliers

Pabellón 1 - Stand 1141

NUBE SOLUCIONES

INTEGRALES S.L.

Pol. Ind. Polysol C/ Cuatro Naves 3, 5, 741500

Alcala de Guadaira - Sevilla - España

Tel: 610744343

Mail: INFO@NUBEMAQUINARIA.COM

Web: https://nubemaquinaria.com/

Actividad de la empresa: Fabricación de maquinaria industrial, mantenimiento manufacturación e

intermediación de todo tipo de materiales. Mecanizados y Corte Laser

Marcas representadas y distribuidas: NUBE SOLUCIONES

Sectores de actividad: Fabricantes y proveedores de maquinaria / Machinery manufacturers and suppliers, Fabricantes y proveedores de componentes / Component manufacturers and suppliers, Proveedores de servicios / Service Providers

Pabellón 1 - Stand 1005

NUTRISET S.L.

Pol. Ind. Cortés, 3 - 08262

Callús - Barcelona - España

Tel: 938360062

Mail: grammer@nutriset.com

Web: www.nutriset.com

Actividad de la empresa: Distribuidor oficial de asientos Grammer para España y Portugal

Marcas representadas y distribuidas: GRAMMER

Sectores de actividad: Fabricantes y proveedores de componentes / Component manufacturers and suppliers

Pabellón 1 - Stand 1192

ONIX MINING SOLUTIONS S.L.

Menorca 40 - 28009 - Madrid - Madrid

Tel: 696818256

Mail: contact@onixunderground.com

Web: www.onixunderground.com

Actividad de la empresa: Onix Underground es una empresa líder en la fabricación, comercialización y distribución de soluciones para la minería y el sostenimiento subterráneo a nivel mundial.

Marcas representadas y distribuidas: ONIX UNDERGROUND

Sectores de actividad:

Compañías mineras / Mining companies, Ingenierías y consultorías mineras / Mining engineering and consultancy, Proveedores de servicios / Service Providers Pabellón 1 - Stand 1258 y 1259

ORBINOX COMERCIAL S.L.

Pol Ind Beotibar SN - 20491

Belauntza - Guipuzkoa - España Tel: 943 698033

Mail: comercial@orbinox.com Web: www.orbinox.com

Actividad de la empresa: Fabricacion y venta de guillotinas, dampers y compuertas

Marcas representadas y distribuidas: ORBINOX

Sectores de actividad:

Compañías mineras / Mining companies, Ingenierías y consultorías mineras / Mining engineering and consultancy, Fabricantes y proveedores de maquinaria / Machinery manufacturers and suppliers, Fabricantes y proveedores de componentes / Component manufacturers and suppliers

Pabellón 2 - Stand 2194

ORICA

Carretera a Villafer, Km 7 - 24220

Valderas - Leon - España

Tel: +34 987 763206

Mail: jesus.domingo@orica.com

Web: www.orica.com

Actividad de la empresa: Fabricación de explosivos

Marcas representadas y distribuidas: Matsa, PEAL, Canteras de Santullan, etc

Sectores de actividad:

Compañías mineras / Mining companies, Fabricantes y proveedores de componentes / Component manufacturers and suppliers, Proveedores de servicios / Service Providers

Pabellón 2 - Stand 2223, 2224, 2225 y 2226

PALAZZOLI IBÉRICA

Calle Metalurgia 79 - 41007

Sevilla - España - Tel: 661584043

Mail: rocio.hidalgo@palazzoli.com

Web: https://www.palazzoli.com/es

Actividad de la empresa: Empresa española comercializadora de los productos Palazzoli (material eléctrico e iluminación industrial).

Marcas representadas y distribuidas: Palazzoli

Sectores de actividad: Fabricantes y proveedores de componentes / Component manufacturers and suppliers

Pabellón 3 - Stand 3079-30803081-3082

PAN GLOBAL RESOURCES

C/ Dehesa, 8 - 41870

Aznalcóllar - Sevilla - España

Tel: 613034768

Mail: info@panglobalresources.com

Web: www.panglobalresources.com

Actividad de la empresa: Exploración de recursos minerales

Marcas representadas y distribuidas:

Pan Global Resources

Sectores de actividad:

Compañías mineras / Mining companies

Pabellón 2 - Stand 2142-2143

PANATEC S.L.

Avda. Monteclaro S/N - 28223

Pozuelo de Alarcon - Madrid - España

Tel: 914594111

Mail: delegacion.bilbao@panatec.net

Web: www.panatec.net

Actividad de la empresa: PANATEC es una compañía internacional especializada en el suministro de soluciones tecnológicas de inspección y medida, orientada a entornos profesionales en los sectores de la Industria, de la Gestión del Agua y de la Defensa.

Marcas representadas y distribuidas: THERMO FISCHER - MALA

Sectores de actividad:

Compañías mineras / Mining companies, Ingenierías y consultorías mineras / Mining engineering and consultancy, Fabricantes y proveedores de maquinaria / Machinery manufacturers and suppliers, Fabricantes y proveedores de componentes / Component manufacturers and suppliers, Laboratorios y centros tecnológicos / Laboratories and technology centers, Instituciones, organismos y empresas afines / Institutions, organisms and related companies

Pabellón 1 - Stand 1111

PARALAB S.L.

C/ Ramon Turro, 101 - 08005

Barcelona - España

Tel: 931701780

Mail: carolina.soto@paralab.es Web: www.paralab.es

Actividad de la empresa: Distribuidor de equipos de laboratorio e industria

Marcas representadas y distribuidas: Rigaku, Hitachi

Sectores de actividad:

Fabricantes y proveedores de componentes / Component manufacturers and suppliers, Laboratorios y centros tecnológicos / Laboratories and technology centers

Pabellón 1 - Stand 1052

PATERSON & COOKE IBERIA

S.L.U.

Calle Principe de Vergara 109 - 28002

Madrid - España

Tel: 669857147

Mail: Madrid@patersoncooke.com

Actividad de la empresa: Paterson & Cooke es una empresa líder reconocida a nivel mundial en el diseño e implantación de sistemas de transporte de lodos y sus procesos asociados, que propociona soluciones altamente tecnológicas en múltiples proyectos alrededor del mundo

Marcas representadas y distribuidas: Paterson & Cooke

Sectores de actividad:

Ingenierías y consultorías mineras / Mining engineering and consultancy

Pabellón 2 - Stand 2158

PHOENIX SAFE COMPANY

Bahnstr. 23 - 42327

Wuppertal - Germany - Germany

Tel: +492026951928

Mail: richard.westell@phoenixsafe.co.uk

Web: https://www.phoenixsafe.co.uk/ Actividad de la empresa:

Phoenix Safe Company, one of the oldest UK safe manufacturers, traces its roots back to Liverpool in 1799. We are a European leader in Fire & Security safes, with offices in the UK, Germany, France, and Spain, ensuring fast delivery and reliable service across Europe.

Marcas representadas y distribuidas: Phoenix Safes

Sectores de actividad:

Fabricantes y proveedores de componentes / Component manufacturers and suppliers, Proveedores de servicios / Service Providers

Pabellón 1 - Stand 1004

PINSSAR (AUST) PTY LTD

2C 50 Logan Road - 4102

Woolloongabba - Queensland - Australia

Tel: +61414458588

Mail: fvelge@pinssar.com.au

Web: https://pinssar.com.au/ Actividad de la empresa:

Pinssar is the first and only company that measures Diesel Particulate Matter (DPM) Continuous in Real Time in harsh environments (mines and tunnel construction). You cannot ‘Manage’ what you don’t monitor. If you want to understand if your controls to mitigate DPM work you need to measure it 24/7.

Marcas representadas y distribuidas: Pinssar

Sectores de actividad:

Compañías mineras / Mining companies, Fabricantes y proveedores de maquinaria / Machinery manufacturers and suppliers, Proveedores de servicios / Service

Providers

Pabellón 3 - Stand 3192

PLEUGER INDUSTRIES ORLEANS

21, Rue de la Mouchetière - 45140

Orleans - France

Tel: +33 (0) 2 3870 8400

Mail: orleans@pleugerindustries.com

Web: www.pleugerindustries.com

Actividad de la empresa:

PLEUGER es un fabricante y proveedor internacional de motores y motobombas sumergibles, bombas de émbolo buzo y servicios relacionados, con fabricación e ingeniería en Hamburgo, Alemania y Orleans, Francia. En PLEUGER somos expertos en bombas sumergibles fiables para achique en aplicaciones mineras. Marcas representadas y distribuidas: PLEUGER, ALDRICH

Sectores de actividad:

Fabricantes y proveedores de maquinaria / Machinery manufacturers and suppliers

Pabellón 1 - Stand 1049

POLITEJO

Polígono Industrial La Armentera SN22400 - Monzón - Huesca - España

Tel: 34 974 41 6971

Mail: francisco.menacho@politejo.com

Web: https://www.politejo.com/es/home

EXPOSITORES

Actividad de la empresa:

Fabricación de tuberías y accesorios plásticos para abasteciendo de aguas, gas, saneamiento, etc.

Marcas representadas y distribuidas: Politejo

Sectores de actividad: Fabricantes y proveedores de componentes / Component manufacturers and suppliers

Pabellón 1 - Stand 1026

PREVENI2 S.L.

Avda. Martín Alonso Pinzón Nº 14 1º21003 - Huelva - España

Tel: 696958925

Mail: a.bautista@preveni2.es

Web: www.preveni2.es

Actividad de la empresa: Consultoría y Formación minera. Desarrollo de negocios

Marcas representadas y distribuidas: Preveni2

Sectores de actividad:

Compañías mineras / Mining companies, Ingenierías y consultorías mineras / Mining engineering and consultancy, Proveedores de servicios / Service Providers, Instituciones, organismos y empresas afines / Institutions, organisms and related companies

Pabellón 3 - Stand 3162-3163

PROCISA

Brujula 62. Parque Industrial P.I.S.A.41927 - Sevilla - España

Tel: 954186680

Mail: ADMINISTRACION@PROCISA.ES

Web: www.procisa.es

Actividad de la empresa: PROCISA, empresa creada en 1980. Ingeniería Especializada en el Desarrollo, Ejecución e Implantación de Soluciones a Medida de Automatización, Control y Gestión en diferentes sectores industriales, tanto en el Mercado Nacional como Internacional.

Nuestras soluciones son “Soluciones Llave en Mano”.

Marcas representadas y distribuidas: ROCKWELL AUTOMATION

Sectores de actividad: Compañías mineras / Mining companies, Ingenierías y consultorías mineras / Mining engineering and consultancy, Proveedores de servicios / Service Providers

Pabellón 1 - Stand 1061

PRODUCTOS CLIMAX, S.A.

C/ Llobregat 1 - Pol. Ind. Sector Mollet - 8150 - Parets Del Valles - BarcelonaEspaña - Tel: 935621311

Mail: rrozas@productosclimax.com Web: www.productosclimax.com

Actividad de la empresa: Productos Climax es uno de los principales fabricantes de equipos de protección individual, con un amplio catálogo que abarca todos los ámbitos de trabajo. Creada en 1984, Productos Climax ha ido creciendo gracias a la experiencia y el know-how adquirido durante todos estos años.

Marcas representadas y distribuidas: CLIMAX

Sectores de actividad:

Fabricantes y proveedores de componentes / Component manufacturers and suppliers, Proveedores de servicios / Service Providers

Pabellón 3 - Stand 3168

PRODUTIVA- FABRICA DE REDES, S.A.

Avenida Vasco da Gama, 8057 - 4430-755

Avintes

Vila Nova De Gaia - Porto - Portugal Tel: +351223771770

Mail: produtiva@produtiva,net

Web: www produtiva

Actividad de la empresa: FABRICA DE MALLAS METÁLICAS PARA CRIBAS

Marcas representadas y distribuidas: PRODUTIVA

Sectores de actividad:

Fabricantes y proveedores de componentes / Component manufacturers and suppliers

Pabellón 2 - Stand 2025

PROMATI

Chaussée De Wavre 362/2 - 1390

Grez-Doiceau - Walloon Brabant - Belgium

Tel: +32 10 84 83 90

Mail: info@promati.com

Web: www.promati.com

Actividad de la empresa:

PROMATI NV pioneers in the Benelux with Belle Banne® belt scrapers and offers a wide range for bulk handling and packaging. Our Blu-Tec® brand, with Proload, ensures industry-leading solutions. We provide custom engineering, support, and maintenance. We distribute everywhere in Europe.

Marcas representadas y distribuidas: Belle Banne® Blu-Tec®

Sectores de actividad:

Compañías mineras / Mining companies, Ingenierías y consultorías mineras / Mining engineering and consultancy, Fabricantes y proveedores de maquinaria / Machinery manufacturers and suppliers, Fabricantes y proveedores de componentes / Component manufacturers and suppliers, Proveedores de servicios / Service

Providers

Pabellón 2 - Stand 2030

QUIRON PREVENCION

C/ Leonardo da Vinci Nº 13, Planta 441092 - Sevilla - España

Tel: 667269764

alfonso_becerra@quironprevencion.com

Web: www.quironprevencion.com

Actividad de la empresa:

Servicio de Prevención de Riesgos

Laborales y Consultoría y Seguridad y Salud

Marcas representadas y distribuidas: QUIRON PREVENCION

Sectores de actividad: Proveedores de servicios / Service

Providers

Pabellón 2 - Stand 2250

RADIADORES CASTRO S.L.U.

C/ Santa Maria la Mayor 62 - 41840

Pilas - Sevilla - España

Tel: 687025850

administracion@radiadorescastro.com

Web: https://radiadorescastro.es/ Actividad de la empresa: REPARACIÓN Y FABRICACIÓN DE EQUIPOS DE REFRIGERACIÓN

Marcas representadas y distribuidas: MARCA PROPIA

Sectores de actividad: Fabricantes y proveedores de componentes / Component manufacturers and suppliers, Proveedores de servicios / Service Providers

Pabellón 1 - Stand 1003

RED DE RESTAURACIÓN DE MINAS Y CANTERAS

Avenida del Oeste, 43, Puerta B12 - 46001

Valencia - España

Tel: 626 47 30 89

Mail: info@restauracionminas.org

Web: https://restauracionminas.org/ Actividad de la empresa: Es una organización TÉCNICA sin ánimo de lucro que reúne a profesionales y científicos del ámbito de la minería y la restauración.

Marcas representadas y distribuidas: RMC

Sectores de actividad:

Instituciones, organismos y empresas afines / Institutions, organisms and related companies

Pabellón 3 - Stand 3107

REMA TIP TOP IBÉRICA, S.A.

Collita, 48-50 - 08191

Rubí - Barcelona - España

Tel: 935862730

Mail: ind@rema-tiptop.es

Web: rema-tiptop.es

Actividad de la empresa: Suministro y montaje de bandas transportadoras. Soluciones para la protección al desgaste y corrosión.

Marcas representadas y distribuidas: REMA TIP TOP

Sectores de actividad:

Compañías mineras / Mining companies, Ingenierías y consultorías mineras / Mining engineering and consultancy, Fabricantes y proveedores de maquinaria / Machinery manufacturers and suppliers, Proveedores de servicios / Service Providers Pabellón 1 - Stand 1012-1013

ROCAS Y MINERALES

Arturo Baldasano 15, Portal 1, Bajo A28043 - Madrid - España

Tel: 650947258

Mail: info@fueyoeditores.com Web: www.rocasyminerales.es

Actividad de la empresa: Revista de técnicas y procesos de minas y canteras

Marcas representadas y distribuidas: Rocas y Minerales, Demolición & Reciclaje, Fueyo Editores, ConcretOnline Sectores de actividad:

Instituciones, organismos y empresas afines / Institutions, organisms and related companies

Pabellón 2 - Stand 2108

ROCHA BLAST ENGINEERS

C/ San Andres 6, Bajo Centro E - 28220

Majadahonda - Madrid - España

Tel: +34608568819

Mail: mrocha@rochablastengineers.com

Web: www.rochablastengineers.com

Actividad de la empresa: Rocha Blast Engineers es una empresa consultora que opera a nivel internacional, en minería a cielo abierto y subterránea, aportando soluciones innovadoras, técnicas y tecnológicas al área de perforación y voladuras, fomentando la optimización y eficiencia de los procesos. Marcas representadas y distribuidas: Rocha Blast Engineers, Blastics Surface, BlasticsGEO Surface y BlasticsGEO Underground Sectores de actividad: Ingenierías y consultorías mineras / Mining engineering and consultancy Pabellón 1 - Stand 1207

RODAMIENTOS BLANCO

Calle Celulosa, Nave 14 - 41017

Sevilla - España

Tel: 954536174

Mail: rrhh@rodamientosblanco.com Web: www.rodamientosblanco.com

Actividad de la empresa:

Rodamientos Blanco es distribuidor global de suministros industriales de diferentes sectores. Nos avalan más de 25 años, con una máxima de excelencia en el servicio con un asesoramiento profesional al cliente, y máxima calidad en todos nuestros artículos, que aportan durabilidad y rentabilidad. Marcas representadas y distribuidas: TIMKEN, DIAMOND, PUJOL, ALREN, KASTAS, AIRTAC, CHALLENGE

Sectores de actividad:

Proveedores de servicios / Service Providers

Pabellón 3 - Stand 3012-3013

RODAMIENTOS BULNES S.L.

C/ Chaparrilla, 29 P.I. La Chaparrilla - 41016 - Sevilla - España - Tel: 955 76 29 33

Mail: esoria@bulnesmba.com

Web: https://www.bulnesmba.com/ Actividad de la empresa:

Grupo Bulnes es una empresa dedicada al suministros de rodamientos y elementos de transmisión de potencia. Contamos con más de 50 años de experiencia en la industria pesada, química, energética y alimentaria; así como a los suministros de fabricantes de maquinaria y primeros equipos. Marcas representadas y distribuidas: Timken

Sectores de actividad:

Compañías mineras / Mining companies, Ingenierías y consultorías mineras / Mining engineering and consultancy, Fabricantes y proveedores de maquinaria / Machinery manufacturers and suppliers, Fabricantes y proveedores de componentes / Component manufacturers and suppliers, Proveedores de servicios / Service Providers, Laboratorios y centros tecnológicos / Laboratories and technology centers, Instituciones, organismos y empresas afines / Institutions, organisms and related companies

Pabellón 3 - Stand 3155-31563157-3158

RODAMIENTOS, COMPONENTES Y KITS, S.L.

La Venta 2, Edificio 1, N-21. P.I. Neinor28880 - Meco - Madrid - España Tel: 636482974

Mail: josemanuel@rckiberica.com

Web: www.rckiberica.com

Actividad de la empresa:

RCK Ibérica ofrece la distribución de suministros industriales de Koyo en España y Portugal, tanto de todo tipo de rodamientos, rotulas y cabezales, suministros para mecanizados, mangueras y bombas. Todo los necesario para el sector de la minería.

Marcas representadas y distribuidas: Koyo

Sectores de actividad:

Fabricantes y proveedores de componentes / Component manufacturers and suppliers, Proveedores de servicios / Service Providers

Pabellón 3 - Stand 3056

ROYEX IBÉRICA

Grabador Esteve 13, Pta.2 - 46004Valencia - España - Tel: (+34) 854 61 08 48

Mail: info@royexiberica.com

EXPOSITORES

Web: https://royexiberica.com/

Actividad de la empresa:

Cartuchos generadores de gas no detonantes para voladuras primarias y secundarias, fragmentación y corte de roca o hormigón en Minería y Obra Civil. Marcas representadas y distribuidas: ROYEX ROCK BREAKING SYSTEM, ROYEX IBÉRICA

Sectores de actividad:

Ingenierías y consultorías mineras / Mining engineering and consultancy, Fabricantes y proveedores de maquinaria / Machinery manufacturers and suppliers, Proveedores de servicios / Service Providers Pabellón 1 - Stand 1017

SALMA ENVIRONMENTAL SOLUTIONS, S.L.U.

Polígono Industrial Sia Cooper, Parcela 35, Nave 3 - 33420

Lugones - Siero - Asturias - España Tel: 984107007

marcosantonio@salma-solutions.com

Web: www.salma-solutions.com

Actividad de la empresa:

Fabricación, venta y alquiler de equipos de lavado de ruedas de camión, cañones de niebla y sistemas de supresión de polvo. Marcas representadas y distribuidas: Salma

Sectores de actividad:

Compañías mineras / Mining companies, Ingenierías y consultorías mineras / Mining engineering and consultancy, Fabricantes y proveedores de maquinaria / Machinery manufacturers and suppliers, Proveedores de servicios / Service Providers, Instituciones, organismos y empresas afines / Institutions, organisms and related companies

Pabellón 1 - Stand 1217-1220

SANDFIRE MATSA

Carretera Hu-7104, Km. 12 - 21330

Almonaster La Real - Huelva - España

Tel: 959 05 40 12

Mail: dpto.comunicacion@matsamining.com

Web: www.sandfirematsa.es

Actividad de la empresa:

La actividad de Sandfire MATSA, ubicada en la provincia de Huelva y con tres minas subterráneas en los términos de Almonaster la Real y Calañas, consiste en la exploración y extracción de minerales y su tratamiento en una planta de procesamiento de clase mundial, que opera 24/07. Marcas representadas y distribuidas: Sandfire MATSA

Sectores de actividad:

Compañías mineras / Mining companies Pabellón 2 - Stand 2149-2152

SANDVIK

Calle Tapiceros, 9 - 28830

San Fernando de Henares - MadridEspaña

Tel: 916605269

Mail: esther.ruiz@sandvik.com

Web: https://www.rocktechnology.sandvik/ Actividad de la empresa:

Sandvik es un grupo mundial de ingeniería de alta tecnología que ofrece soluciones que mejoran la productividad, la rentabilidad y la sostenibilidad para las industrias manufacturera, minera y de infraestructuras.

Marcas representadas y distribuidas: Sandvik

Sectores de actividad:

Fabricantes y proveedores de maquinaria / Machinery manufacturers and suppliers, Fabricantes y proveedores de componentes / Component manufacturers and suppliers, Proveedores de servicios / Service Providers Pabellón 2 - Stand 2211-2220

SANTA ANA DE BOLUETA

GRINDING MEDIA S.A (MOLYCOP ESPAÑA)

Alameda Recalde 27,Piso 5º - 48009

Bilbao - Vizcaya - España Tel: 617421655

Mail: ivan.goicoechea@molycop.com Web: www.molycop.com

Actividad de la empresa: Fabricación de Bolas de Acero Forjadas para Molienda de Minerales

Marcas representadas y distribuidas: Molycop

Sectores de actividad:

Compañías mineras / Mining companies Pabellón 1 - Stand 1135

SATIRTEC S.L.

Av. Corts Catalanes 5 - 08173

Sant Cugat del Valles - Barcelona - Spain Tel: 931205745

Mail: dbenzadon@thunderbook.es Web: https://thunderbook.es

Actividad de la empresa: Soluciones de Hardware de informatica Industrial

Marcas representadas y distribuidas: Thunderbook

Sectores de actividad:

Compañías mineras / Mining companies, Ingenierías y consultorías mineras / Mining engineering and consultancy, Fabricantes y proveedores de maquinaria / Machinery manufacturers and suppliers

Pabellón 1 - Stand 1063

SAVILCON GROUP

Camino De La Zarzuela, Ático - 11 - 28023

Madrid - España - Tel: 912794499

Mail: jose.contreras@savilcon.com

Web: www.savilcon.com

Actividad de la empresa: Grupo industrial dedicado a la construcción de plantas industriales, plantas y parques de generación de energía en régimen fotovoltaico y plantas de tratamiento de aguas y de residuos Marcas representadas y distribuidas: SAVILCON MONTAJE INDUSTRIAL, SAVILCON ENERGÍA, MINUSWAT, INESPRO, GEKO INDUSTRIAL, LADA CONSTRUCCION, SAVILCON ARIDOS, +NR, ANSOTEC

Sectores de actividad:

Fabricantes y proveedores de maquinaria / Machinery manufacturers and suppliers, Fabricantes y proveedores de componentes / Component manufacturers and suppliers

Pabellón 2 - Stand 2099 y 2102

SBY TECHNOLOGIES

Cristobal Colón 458 - 2820000

Rancagua - Chile

Tel: 56933945386

Mail: aramirez@sby.cl Web: sbytechnologies.com

Actividad de la empresa: SBY optimiza la producción minera con soluciones de monitoreo autónomas, proporcionando información precisa y análisis en tiempo real. Utilizamos sensores IIoT y tecnologías de Inteligencia Artificial para mejorar la toma de decisiones estratégicas, aumentando la eficiencia y rentabilidad operativa. Marcas representadas y distribuidas: SBY TECHNOLOGIES, GEOSUPPORT

Sectores de actividad:

Compañías mineras / Mining companies, Ingenierías y consultorías mineras /

Mining engineering and consultancy, Fabricantes y proveedores de componentes / Component manufacturers and suppliers, Proveedores de servicios / Service Providers, Laboratorios y centros tecnológicos / Laboratories and technology centers

Pabellón 3 - Stand 3254

SEEQUENT

6Th Floor, 1 Cumberland Place Fenian Street - D02 AX07 - Dublin - Irlanda Tel: +34 636 343670

Mail: carlos.alonso@seequent.com

Web: www.seequent.com

Actividad de la empresa:

Seequent, The Bentley Subsurface Company.Tecnología. Explore el subsuelo, con confianza y precisión para tomar mejores decisiones con mayor rapidez. Ayudamos a encontrar y extraer recursos minerales de forma sustentable,construir mejores infraestructuras, y reducir su impacto en el medioambiente.

Marcas representadas y distribuidas: SEEQUENT

Sectores de actividad:

Compañías mineras / Mining companies, Ingenierías y consultorías mineras / Mining engineering and consultancy, Laboratorios y centros tecnológicos / Laboratories and technology centers

Pabellón 3 - Stand 3010 - 3011

SEFAR MAISSA S.A.U.

Avenida del Vallés, 55-61 - 08440

Cardedeu - Barcelona - España

Tel: +34 938 444 710

Mail: info.maissa@sefar.com

Web: www.sefar.com

Actividad de la empresa:

Líder en tejidos técnicos por alrededor de 190 años, Sefar ha establecido estándares a nivel mundial como un solucionador de problemas con un enfoque absoluto en el cliente. Tejidos de precisión, componentes de filtros y productos listos para la filtración & separación.

Marcas representadas y distribuidas: SEFAR

Sectores de actividad:

Fabricantes y proveedores de componentes / Component manufacturers and suppliers

Pabellón 1 - Stand 1193

SEGURIDAD HISPANICA DE VIGILANCIA Y PROTECCION S.L.

C/ D Nave 10 P.I. Pineda - 41013

Sevilla - España - Tel: 955433045

Mail: asalvador@es.sehivipro.com

Web: www.sehivipro.com

Actividad de la empresa:

Sehivipro está homologada en ámbito

Nacional por el Ministerio del Interior para diseño, instalación, mantenimiento y post venta de sistemas de seguridad (intrusión, cctv, etc); para servicio de vigilancia (con y sin arma, escolta, rondas, custodia de llaves y acudas, guardas rurales, etc y servicios de Central Receptora de Alarma.

Marcas representadas y distribuidas: DAVANTIS, AXIS, TRAKA, ACCESOR

Sectores de actividad:

Proveedores de servicios / Service Providers

Pabellón 3 - Stand 3219

SEIND JPJ, S.L.

Polg. Ind. Hacienda Dolores C/ Hacienda Dolores Seis Nº 20 - 41500

Alcala de Guadaira - Sevilla - España Tel: 955 54 57 95

Mail: javier@jpj.es - Web: www.jpj.es

Actividad de la empresa: Automatizacion y control industrial

Sectores de actividad: Compañías mineras / Mining companies, Ingenierías y consultorías mineras / Mining engineering and consultancy, Fabricantes y proveedores de maquinaria / Machinery manufacturers and suppliers, Proveedores de servicios / Service Providers

Pabellón 2 - Stand 2259 y 2260

SGS

Trespaderne 29 - 28042 - Madrid - España

Tel: 913 13 80 00

Mail: es.minerales@sgs.com Web: www.sgs.com

Actividad de la empresa: SGS es líder en inspección, verificación, ensayos y certificación.

Destaca en inspección y supervisión de comercio internacional, certificación y servicios a la industria.

En el sector minero se enfoca en análisis (geoquímica, proceso, labs onsite), metalurgia, mineralurgia y consultoría. Marcas representadas y distribuidas: SGS

Sectores de actividad:

Ingenierías y consultorías mineras / Mining engineering and consultancy, Proveedores de servicios / Service Providers, Laboratorios y centros tecnológicos / Laboratories and technology centers

Pabellón 1 - Stand 1255

SHELL ESPAÑA S.A.

Paseo de la Castellana 257 6ª Planta28046

Madrid - España

Tel: 915370100

Mail: ferran.cuevasruiz@shell.com

Web: www.shell.com

Actividad de la empresa: Producción y venta de grasas y lubricantes Marcas representadas y distribuidas: Shell

Sectores de actividad:

Compañías mineras / Mining companies, Fabricantes y proveedores de maquinaria / Machinery manufacturers and suppliers, Fabricantes y proveedores de componentes / Component manufacturers and suppliers, Proveedores de servicios / Service Providers, Laboratorios y centros tecnológicos / Laboratories and technology centers

Pabellón 1 - Stand 1156

SIKA

Carretera de Fuencarral 72 - 28108

Alcobendas - Madrid - España Tel: 916572375

Mail: info@es.sika.com

Web: https://esp.sika.com/

Actividad de la empresa: Sika cuenta con soluciones y tecnologías para las distintas fases de la industria minera, para obras primarias o para nuevas operaciones o en explotación. Cuenta con soluciones para la construcción con hormigón, como hormigón proyectado en la excavación de túneles

Marcas representadas y distribuidas:

SikaInject, Sigunita

Sectores de actividad:

Proveedores de servicios / Service Providers Pabellón 2 - Stand 2011 y 2012

SINDUCOR

C/ Estaciones, 1. Pol. Ind. Las Monjas - 28850 - Torrejon de Ardoz - MadridEspaña - Tel: 916756062

Mail: sinducor@sinducor.es

Web: www.sinducor.es

Actividad de la empresa: Con una dilatada experiencia en los sectores de Minería y Túnel, SINDUCOR distribuye maquinaria y equipos de las más prestigiosas marcas de renombre internacional. También desarrolla marcas propias en esos mismos sectores. Presta servicios en toda España y Portugal, y también Internacional.

Marcas representadas y distribuidas: DYNASET

Sectores de actividad: Fabricantes y proveedores de maquinaria / Machinery manufacturers and suppliers, Fabricantes y proveedores de componentes / Component manufacturers and suppliers, Proveedores de servicios / Service Providers

Pabellón 1 - Stand 1213

SINTEMAR-ITW PERFORMANCE POLYMERS

Ribera de Axpe 50 - 48950

Erandio - Vizcaya - España

Tel: 94 480 07 53

Mail: sintemar@sintemar.com

Web: www.sintemar.com

Actividad de la empresa: SINTEMAR, distribuidor oficial de la firma ITW PERFORMANCE POLYMERS, ofrece soluciones con polímeros de alto rendimiento para la industria minera. Resinas epoxi y uretanos de las marcas

Korrobond, Devcon y Chockfast.

Marcas representadas y distribuidas: Korrobond, Devcon, Chockfast

Sectores de actividad:

Compañías mineras / Mining companies, Ingenierías y consultorías mineras / Mining engineering and consultancy, Fabricantes y proveedores de maquinaria / Machinery manufacturers and suppliers, Fabricantes y proveedores de componentes / Component manufacturers and suppliers, Proveedores de servicios / Service Providers

Pabellón 1 - Stand 1211

EXPOSITORES

SISTELEC

C/ Pedro I, 6 Bajo - 31007

Pamplona - Navarra - España

Tel: 621238825

Mail: atorres@sistelec.es

Web: www.sistelec.es

Actividad de la empresa: Empresa líder en la provisión de soluciones avanzadas de telecomunicación. Con un profundo conocimiento de los desafíos que enfrentan las compañías mineras, ofrecemos servicios de conectividad robustos y fiables que garantizan una comunicación eficiente y segura en entornos remotos y hostiles.

Marcas representadas y distribuidas: Tait Communications, Aviat Networks, Tassta, RAD, TITAN, DTC, MultiTech... Sectores de actividad: Compañías mineras / Mining companies, Ingenierías y consultorías mineras / Mining engineering and consultancy, Instituciones, organismos y empresas afines / Institutions, organisms and related companies

Pabellón 1 - Stand 1158

SOLENIS

Solenis Switzerland Gmbh, Mühlentalstrasse 38 - 8200

Schaffhausen - Switzerland

Tel: +41 52 508 2700

Mail: soleniscommunications@solenis.com

Web: solenis.com

Actividad de la empresa:

Solenis is a leading global producer of specialty chemicals focused on delivering sustainable solutions for water-intensive industries, including consumer, industrial, institutional, food and beverage, pool and spa water markets.

Marcas representadas y distribuidas: Solenis

Sectores de actividad:

Fabricantes y proveedores de componentes / Component manufacturers and suppliers, Proveedores de servicios / Service Providers

Pabellón 1 - Stand 1218

SOLMAX IBERIA S.L.

Av Puente Cultural 10 Bloque A 3º 7

- 28702 - San Sebastián de los ReyesMadrid - España

Tel: +34 91 650 63 18

Mail: jlcuenca@solmax.com

Web: www.solmax.com

Actividad de la empresa: Fabricante de todo tipo de geosintéticos (geomembranas, geotextiles, geomallas, geocompuestos, etc) con sede central en canadá y 19 centros de producción repartidos por todo el mundo.

Marcas representadas y distribuidas: GSE, BENTOLINER, MIRAFI, FABRINET, PROPEX, GEOTUBE,MIRAGRID

Sectores de actividad:

Fabricantes y proveedores de componentes / Component manufacturers and suppliers

Pabellón 2 - Stand 2200

SOLUCIONES QUIMNETSUR S.L.

Polig La Barca Calle F Nave 6 - 21450 Cartaya - Huelva - España

Tel: 670738384

Mail: info@quimiled.com

Web: www.quimiled.com

Actividad de la empresa: Quimiled es una empresa dedicada al desarrollo de proyectos de iluminación Led industrial y de minería. Especializada en señalización de emergencia, iluminación para maquinarias, señalización en túneles... Ofreciendo la mejor solución para cada necesidad. Marcas representadas y distribuidas: QUIMILED

Sectores de actividad: Compañías mineras / Mining companies, Fabricantes y proveedores de maquinaria / Machinery manufacturers and suppliers

Pabellón 2 - Stand 2164

SOLULIFT S.L.U.

P.I. La Chaparrilla, Parc. 7 Nave 1 - 41016

Sevilla - España

Tel: 629542465

Mail: vicente@solulift.es

Web: www.solulift.es

Actividad de la empresa: Solulift es una empresa especializada en la elevación y manipulación de cargas,

asesoramiento, diseño, fabricación y formación, somos especialistas en dar una solución global a medida, a los problemas de elevación que tienen nuestros clientes. Marcas representadas y distribuidas: GLOBAL LIFT INGENIERIA, WILLIAM HACKETT, PROBST HADLING, LIFTKET, INGERSOLL RAND, EGAMASTER, ROMAK MACHINE

Sectores de actividad: Compañías mineras / Mining companies, Ingenierías y consultorías mineras / Mining engineering and consultancy, Fabricantes y proveedores de maquinaria / Machinery manufacturers and suppliers

Pabellón 1 - Stand 1260

SOMINCOR S.A.

Mina de Neves-Corvo, Santa Bárbara de Padrões - 7780-409

Castro Verde - Beja - Portugal Tel: 286841500

Mail: geral.somincor@lundinmining.com

Web: somincor.com.pt Actividad de la empresa:

A mina de Neves-Corvo, gerida pela SOMINCOR S.A., subsidiária da Lundin Mining desde 2006, opera desde a descoberta de jazigos de cobre, estanho e zinco em 1977. A produção começou com cobre em 1989 e estanho em 1990.Hoje produz concentrados de cobre, zinco e chumbo, exportados pelo Porto de Setúbal Sectores de actividad: Compañías mineras / Mining companies

Pabellón 1 - Stand 1161 y 1162

STOCKHOLM PRECISION TOOLS

Pol. Ind. Trevenez, C/ Río Sil, 33 - 29196

Málaga - España

Tel: +34952179918

Mail: marketing@sptab.com

Web: https://sptab.com/es/ Actividad de la empresa: Stockholm Precision Tools (SPT) es líder en el desarrollo y fabricación de herramientas de prospección direccional

en la industria minera y lleva casi 30 años siendo un gran aliado para las principales empresas del sector.

Marcas representadas y distribuidas: Stockholm Precision Tools Sectores de actividad:

Fabricantes y proveedores de componentes / Component manufacturers and suppliers

Pabellón 2 - Stand 2192 y 21932

SUMINISTROS DE HIDRAULICA Y NEUMATICA DEL SUR S.L. (HYNESUR)

Poligono Industrial Los Palillos Calle 18, Nave 7 - 41500 - Alcala de GuadairaSevilla - España - Tel: 954047523

Mail: hynesur@hynesur.com

Web: www.hynesur.com

Actividad de la empresa: Hynesur es una comercial de productos hidraulicos y neumaticos, con un equipo de profesionales a su servicio, disponmeos de un departamento especifivo para diseño de equipos hidraulicos y reparaciones de elementos.

Marcas representadas y distribuidas: DANFOSS, POCLAIN, REXROTH, KAWASAKI, SALAMI, D-HYDRO, SAUER, TRALE, DELRAH, Sectores de actividad:

Fabricantes y proveedores de componentes / Component manufacturers and suppliers, Proveedores de servicios / Service Providers

Pabellón 1 - Stand 1173

SUMINISTROS GUILLEMET

Pol. Pocomaco Qta. Avda. Nº 141 - 15190 La Coruña - España Tel: 981915747

comercial@suministrosguillemet.com

Web: www.suministrosguillemet.net

Actividad de la empresa: Venta de fungibles de perforación Marcas representadas y distribuidas: ROBIT, BBG , HARDOX, Sectores de actividad:

Compañías mineras / Mining companies, Fabricantes y proveedores de maquinaria / Machinery manufacturers and suppliers, Fabricantes y proveedores de componentes / Component manufacturers and suppliers, Proveedores de servicios / Service Providers, Instituciones, organismos y empresas afines / Institutions, organisms and related companies

Pabellón 1 - Stand 2168 y 2169

SWICK DRILLING

Rua do Convento 25 C - 7700-056

Almodovar - Beja - Portugal

Tel: +351910017554

Mail: nuno.rodrigues@swickdrilling.eu Web: www.swickmining.com

Actividad de la empresa: Sondeos de interior de mina Marcas representadas y distribuidas: Swick

Sectores de actividad: Compañías mineras / Mining companies, Proveedores de servicios / Service Providers

Pabellón 1 - Stand 1262

SYSTRA SUBTERRA

Vallehermoso 18 Local - 28015

Madrid - España

Tel: 915350530

Mail: lventura@systra.com

Actividad de la empresa:

Ingeniería especializadas en el ámbito de las obras subterráneas.

Marcas representadas y distribuidas: SYSTRA SUBTERRA

Sectores de actividad:

Ingenierías y consultorías mineras / Mining engineering and consultancy

Pabellón 2 - Stand 2044

TABE HAMMERS

Bekolarra 8 - 01010

Vitoria-Gasteiz - Álava - España

Tel: 945247250

Mail: romero@tabe-hammers.com

Web: www.tabe-hammers.com

Actividad de la empresa: Fabricante nacional de martillos hidráulicos. TABE fundada en 1968, diseña, fabrica y comercializa productos tecnológicamente superiores compatibles con la totalidad de excavadoras del mercado.

Marcas representadas y distribuidas: TABE

Sectores de actividad:

Fabricantes y proveedores de maquinaria / Machinery manufacturers and suppliers

Pabellón 1 - Stand 1191

TÉCNICA DE FLUIDOS

Avenida de las Palmeras 18, Nave A728350 - Ciempozuelos - Madrid

Tel: 918 757 656

Mail: tdf@tecnicafluidos.es https://www.tecnicafluidos.es/index.html

Actividad de la empresa: Nuestra dedicación y gran experiencia nos ha situado en una posición de liderazgo en

la fabricación, distribución e instalación de equipos de bombeo y productos relacionados.

Marcas representadas y distribuidas: Wilden, Grindex, Jesco, Blue White, Boulton, GPI/ Flomec, Barksdale, DK-LOK, Tescom

Sectores de actividad:

Fabricantes y proveedores de maquinaria / Machinery manufacturers and suppliers, Fabricantes y proveedores de componentes / Component manufacturers and suppliers, Proveedores de servicios / Service Providers

Pabellón 2 - Stand 2173-2174

TECNICAS DE FILTRACIÓN

S.A.-TEFSA

C/ Josep Argemi 59-61 - 08950

Esplugues de Llobregat - BarcelonaEspaña

Tel: 934702400

Mail: tefsa@gruptefsa.com

Web: www.gruptefsa.com

Actividad de la empresa: Fabricantes de equipos de separación sólido-líquido como filtros prensa, filtros de vacío, filtros de bolsas, filtros autolimpiantes. Bombas neumáticas y telas.

Marcas representadas y distribuidas: TEFSA, Versamatic

Sectores de actividad:

Compañías mineras / Mining companies, Ingenierías y consultorías mineras / Mining engineering and consultancy, Fabricantes y proveedores de maquinaria / Machinery manufacturers and suppliers

Pabellón 1 - Stand 1102

TECNICAS REUNIDAS

Avenida de Burgos 89, Parque Empresarial

Adequa Edificio 6 - 28050

Madrid - España

Tel: 911589954 / 628458389

Mail: fjlimpo@trsa.es

https://www.tecnicasreunidas.es https://ddtp.tecnicasreunidas.es/ Actividad de la empresa: Técnicas Reunidas está especializada en el diseño y construcción de grandes plantas industriales dedicadas principalmente a la producción de combustibles limpios,

gas natural y productos químicos, estando también a la vanguardia en tecnologías y soluciones relacionadas con la transición energética.

Marcas representadas y distribuidas: TECNICAS REUNIDAS, ZINCEX, ECOLEAD, LIP4CAT, DATMOS, PHOS4LIFE, MN25GAIN, RARETECH, RECYCLION, HALOMET

Sectores de actividad: Ingenierías y consultorías mineras / Mining engineering and consultancy, Proveedores de servicios / Service Providers, Laboratorios y centros tecnológicos / Laboratories and technology centers

Pabellón 1 - Stand 1079-10801081-1082

TECNITOP

Avda. Navarra, Nº 103, Local - 50017 Zaragoza - España Tel: 976332926

Mail: administracion@tecnitop.com Web: www.tecnitop.com / www. topografiasegundamano.com

Actividad de la empresa:

Somos una empresa con dos décadas de experiencia, especializados en soluciones de ingeniería geomática y topografía, distribución de equipos topográficos, drones de uso profesional, y sistemas de registro con escáneres 3D.

Marcas representadas y distribuidas: Leica Geosystems / Flyability / senseFly (AgEagle) / Pix4D

Sectores de actividad:

Fabricantes y proveedores de maquinaria / Machinery manufacturers and suppliers

Pabellón 3 - Stand 3217

TECOP

C/ Granito, 17-18 - 28412

Cerceda - Madrid - España

Tel: +34 918420055

Mail: sales@tecopsa.com

Web: www.tecopsa.com

Actividad de la empresa:

Fabricacion,representacionyservicio tecnicodeperforadorasymaterialfungible

Marcas representadas y distribuidas: AMK, DAIPRA, CLIVIO, FRASTE, JUN JIN, PROROCK

Sectores de actividad:

Fabricantes y proveedores de maquinaria / Machinery manufacturers and suppliers, Fabricantes y proveedores de componentes / Component manufacturers and suppliers, Proveedores de servicios / Service

Providers

Pabellón 1 - Stand 1229-12301231-1232

TELICE COMET S.L.

Avenida de América, 86 - 24438

Ponferrada - Leon - España

Tel: 987100600

Mail: david.valenciano@tcomet.com

Web: http://tcomet.com

Actividad de la empresa: Sistemas de telecomunicaciones y seguridad en entornos subterráneos

Marcas representadas y distribuidas: tComet

Sectores de actividad:

Proveedores de servicios / Service

Providers

Pabellón 3 - Stand 3002

TERRANIGMA SOLUTIONS GMBH

Laurentiusstrasse 59 - 52072

Aachen - Nrw - Alemania

Tel: +4915904383483

Mail: ana@terranigma-solutions.com

Web: www.terranigma-solutions.com

Actividad de la empresa: Terranigma ofrece LiquidEarth, una solución de software que permite a geocientíficos, ingenieros y otros expertos trabajar con datos geológicos en 3D de manera remota y en cualquier momento. LiquidEarth facilita la colaboración en tiempo real mediante múltiples dispositivos.

Marcas representadas y distribuidas: LiquidEarth

Sectores de actividad:

Proveedores de servicios / Service

Providers

Pabellón 3 - Stand 3039

TH COMPANY

Aritz Bidea 65 - 48100

Mungia - Bizkaia - España

Tel: +34 946 740 500

Mail: info@thsa.com

Web: www.thprocess.com

Actividad de la empresa: Con más de 50 años de experiencia, TH ofrece al sector de la minería y minerales industriales, soluciones y equipos de proceso de lavado y secado, así como

soluciones de filtración de concentrados y tratamiento de tailings. Como representante de Gaustec, suministra equipos de separación magnética.

Marcas representadas y distribuidas: Gaustec

Sectores de actividad:

Fabricantes y proveedores de maquinaria / Machinery manufacturers and suppliers

Pabellón 1 - Stand 1029

THARSIS MINING S.L.

C/ Pueblo Nuevo S/N Tharsis (Huelva)21530 - Alosno - Huelva - España

Tel: 955 337 633

Mail: info@tharsismining.com

Web: https://tharsismining.com/

Actividad de la empresa:

Somos una compañía andaluza dedicada a la minería metálica en la Faja Pirítica Ibérica. Dueña de los proyectos de Tharsis y La Zarza. Investigamos estos proyectos para demostrar su viabilidad técnica y económica con el objetivo de que puedan ser explotados de manera sostenible.

Marcas representadas y distribuidas: Tharsis Mining

Sectores de actividad:

Compañías mineras / Mining companies Pabellón 1 - Stand 1149-1152

THYSSEN SCHACHTBAU IBERIA

Av. Eng.º Duarte Pacheco Emp. Amoreiras, Torre 2 - 13º A - 1099-042

Lisboa - Potugal

Tel: +351 963037393

Mail: barros.adriano@ts-gruppe.pt https://www.thyssen-schachtbau.com Actividad de la empresa:

THYSSEN SCHACHTBAU GMBH is undisputedly one of the world’s leading specialist mining contractors, offering a comprehensive portfolio of services in the field of horizontal and vertical mining and excavation and also all services regarding mine water drainage.

Marcas representadas y distribuidas: Thyssen Schachtbau Iberia

Sectores de actividad:

Compañías mineras / Mining companies Pabellón 3 - Stand 3058

EXPOSITORES

TINGEO

Pol. Industrial Los Palillos Nave 8, C/14 - 41500 - Alcalá de Guadaira - SevillaEspaña - Tel: 954129512

Mail: tingeo@tingeo.com

Web: www.tingeo.com

Actividad de la empresa:

TINGEO es especialista en Sistemas de Contención Segura mediante materiales GEOSINTETICOS. Ofrecemos asesoramiento y soluciones específicas a cada obra, que garanticen la seguridad y durabilidad del proyecto.

Marcas representadas y distribuidas: TINGEO

Sectores de actividad:

Compañías mineras / Mining companies, Ingenierías y consultorías mineras / Mining engineering and consultancy, Laboratorios y centros tecnológicos / Laboratories and technology centers, Instituciones, organismos y empresas afines / Institutions, organisms and related companies

Pabellón 2 - Stand 2117

TOCARAMA, S.L.

Pol. Ind. El Monete Naves 65 -66 - 21600

Valverde del Camino - Huelva - España Tel: 959 55 36 99

Mail: ventas@tocarama.org

Web: www.tocarama.com

Actividad de la empresa: Fabrica de equipos de protección y suministros industriales

Marcas representadas y distribuidas: TOCARAMA

Sectores de actividad: Proveedores de servicios / Service Providers

Pabellón 3 - Stand 3162-3163

TOMRA SORTING GMBH

Otto-Hahn-Str.2-6 - 56218

Mülheim-Kärlich - Rheinland-PfalzGermany

Tel: 1722688645

Mail: carolina.vargas@tomra.com

Web: https://www.tomra.com/en/ Actividad de la empresa:

TOMRA Mining diseña y fabrica tecnologías de clasificación de minerales basada en sensores como Rayos X, Color

y Laser para optimizar la recuperación de minerales, tanto en metales como en minerales industriales, minimizando el impacto ecológico. TOMRA Mining hace parte del grupo Noruego TOMRA. Marcas representadas y distribuidas: Tomra

Sectores de actividad: Fabricantes y proveedores de maquinaria / Machinery manufacturers and suppliers

Pabellón 2 - Stand 2014

TORSESA

Avda. Montes Sierra, 5 - 41007

Sevilla - España

Tel: 954 67 03 00

Mail: j.torres@torsesa.es

Web: https://torsesa.com/ Actividad de la empresa: Suministro industrial líder en equipamiento y seguridad industrial. Partner destacado de las marcas de mayor prestigio y calidad del mercado mundial para sectores industriales avanzados.

Marcas representadas y distribuidas: PLARAD, ENERPAC, ATLAS COPCO, 3M, BOSCH, METABO, MAKITA, ALYCO, EGAMASTER, BAHCO, KARCHER, FARAONE...

Sectores de actividad:

Fabricantes y proveedores de maquinaria / Machinery manufacturers and suppliers, Fabricantes y proveedores de componentes / Component manufacturers and suppliers, Proveedores de servicios / Service Providers

Pabellón 1 - Stand 1008-1009

TOTAL POWER, INC.

11199 Sorrento Valley Road, Suite 20592121 - San Diego - California

United States

Tel: +18586779211

Mail: boris@tpxtech.com

Web: www.tpxtech.com

Actividad de la empresa: Proveedores de aditivos para combustible, sistemas de gestión de combustible, y grifos reubicables.

Clientes y distribuidores en España, Estados Unidos, México Peru, Chile, Sud Africa.

Ahorro de combustible, disminución de mermas, eficiencias en procesos de despacho y manejo de combustible.

Marcas representadas y distribuidas: TPx, FM, y PitStop

Sectores de actividad:

Fabricantes y proveedores de componentes / Component manufacturers and suppliers

Pabellón 1 - Stand 1119

TOTALENERGIES MARKETING ESPAÑA

Calle Ribera del Loira, 46 - 28042

Madrid - España

Tel: +34 911 410 180

Mail: atencion.cliente@totalenergies.com

Web: services.totalenergies.es

Actividad de la empresa:

Fabricación y comercialización de lubricantes y especialidades para automoción e industria.

Marcas representadas y distribuidas:

TotalEnergies y Lubricantes RUBIA

Sectores de actividad:

Fabricantes y proveedores de componentes / Component manufacturers and suppliers,

Proveedores de servicios / Service

Providers

Pabellón 1 - Stand 1101

TRE ALTAMIRA

Carrer Corsega 381/387 - 08037

Barcelona - España

Tel: +34 93 183 57 50

Mail: jeanne.romero@tre-altamira.com

Web: https://site.tre-altamira.com/

Actividad de la empresa:

RE ALTAMIRA es una empresa especializada en la Observación de la Tierra que ofrece mapas de desplazamiento del terreno con precisión milimétrica y soluciones cartográficas basadas en el procesado de imágenes satelitales

Marcas representadas y distribuidas: SqueeSAR®

Sectores de actividad: Compañías mineras / Mining companies, Ingenierías y consultorías mineras / Mining engineering and consultancy, Proveedores de servicios / Service Providers, Instituciones, organismos y empresas afines / Institutions, organisms and related companies

Pabellón 3 - Stand 3149

TST SERVICIOS

C/ Serra Vallmorena, 6 - 08339

Vilassar de Dalt - Barcelona - España

Tel: +34900227222

Mail: consultas@tstservicios.com

Web: www.tstservicios.com

Actividad de la empresa:

Alquiler de maquinaria para instalaciones temporales

Marcas representadas y distribuidas: TST Servicios

Sectores de actividad:

Compañías mineras / Mining companies, Ingenierías y consultorías mineras / Mining engineering and consultancy, Fabricantes y proveedores de maquinaria / Machinery manufacturers and suppliers, Fabricantes y proveedores de componentes / Component manufacturers and suppliers, Laboratorios y centros tecnológicos / Laboratories and technology centers, Instituciones, organismos y empresas afines / Institutions, organisms and related companies

Pabellón 1 - Stand 1224

TSURUMI

Avenida de San Pablo 31 - 28823

Madrid - España - Tel: 916735515

Mail: hydreutes@hydreutes.es Web: www.tsurumi.eu

Actividad de la empresa:

Fabricante japones de bombas sumergibles, mas de 100 años de histira, fabricando bombas sumergibles robusto, duradera, facil a reparar, y con muy pocos costes, ideal para aplicaciones en mineria, construccion y industrias de agua

Marcas representadas y distribuidas: TSURUMI

Sectores de actividad:

Fabricantes y proveedores de maquinaria / Machinery manufacturers and suppliers

Pabellón 1 - Stand 1155

UPMS - UPGRADE MINING

SOLUTIONS

Rua Teófilo Seyrig, Nº 38 - 4300 - 536

Porto - Portugal

Tel: +351225491778

Mail: info@upgrademining.com

Web: www.upgrademining.com

Actividad de la empresa:

Ingeniería, Consultoría y Proyecto. Proveedor de equipos, productos y servícios

Marcas representadas y distribuidas:

Strata Worldwide, Rhosonics, PRSGeotechnologies, UpMPIPE

Sectores de actividad:

Ingenierías y consultorías mineras / Mining engineering and consultancy, Fabricantes y proveedores de maquinaria

/ Machinery manufacturers and suppliers, Fabricantes y proveedores de componentes / Component manufacturers and suppliers, Proveedores de servicios / Service Providers

Pabellón 3 - Stand 3014

URVA FLUIDOS INDUSTRIALES

C/ Papiro Nº28 - 41016

Sevilla - España Tel: 954404359

Mail: urva@urvafluidos.com

Web: www.urvafluidos.com

Actividad de la empresa: URVA Fluidos es una empresa especializada en el suministro de válvulas industriales con el valor añadido de su equipo de ingeniería, que ofrece asesoramiento técnico a sus clientes aportando soluciones personalizadas.

Marcas representadas y distribuidas: Válvulas Zubi, Auma Iberia, Ammtech, Chemvalve, Geor Fisher, TLV

Sectores de actividad: Compañías mineras / Mining companies, Ingenierías y consultorías mineras / Mining engineering and consultancy, Instituciones, organismos y empresas afines / Institutions, organisms and related companies

Pabellón 1 - Stand 1205 y 1206

VEGA INSTRUMENTOS S.A.

Ramon Llull 43 - 08173

Sant Cugat del Vallés - BarcelonaEspaña - Tel: 935947988

Mail: info.es@vega.com

Web: www.vega.com

Actividad de la empresa: Durante más de 60 años, la empresa ha desarrollado soluciones para tareas de medición de nivel en las aplicaciones más exigentes

Marcas representadas y distribuidas: VEGA

Sectores de actividad: Fabricantes y proveedores de componentes / Component manufacturers and suppliers

Pabellón 1 - Stand 1024

VEOVISION Y TECHNOLOGY,

S.L.

Avda. de ja Industria, 13. Of.1. Plta.128108 - Alcobendas - Madrid - España

Tel: 91 466 95 43

Mail: manuelrodriguez@veovision.es

Web: www.veovision.es

Actividad de la empresa:

VEOVISION está especializada en soluciones de videovigilancia y control de accesos en entornos críticos y de alta exigencia, con cámaras y sistemas específicos a prueba de fuego, explosiones, humedad, etc... En base a sus necesidades podemos diseñar la solución que necesite para su entorno.

Marcas representadas y distribuidas: AVIGILON, AVIGILON ALTA, ALLIED TELLESIS, LECTOR VISION, MOBOTIX, MOTOROLA_SOLUTIONS, OPENPATH, PELCO, RADWIN, SHARP-NEC, SMARTTRAFFIC, STID, TELTONIKA, ETC...

Sectores de actividad: Compañías mineras / Mining companies, Ingenierías y consultorías mineras / Mining engineering and consultancy, Fabricantes y proveedores de maquinaria / Machinery manufacturers and suppliers, Laboratorios y centros tecnológicos / Laboratories and technology centers, Instituciones, organismos y empresas afines / Institutions, organisms and related companies

Pabellón 3 - Stand 3136

VULKAN

ESPAÑOLA, S.A.

Avda. Montes de Oca 19 – Nave 7E-28703 - San Sebastián de los Reyes - Madrid - España

Tel: +34 913590971

Mail: jose.vizcaino@vulkan.com

Web: https://www.vulkan.com/en/ Actividad de la empresa:

Filial del Grupo VULKAN desde 1969, lideramos el mercado industrial en España, Portugal y Marruecos. Con soluciones de transmisión de potencia, frenos industriales, anti retornos y silent blocks. Servicios de ingeniería de ruido, vibraciones y mantenimiento, para minería, siderurgia, renovables etc.

Marcas representadas y distribuidas: VULKAN, ROTACHOCK

Sectores de actividad:

Ingenierías y consultorías mineras / Mining engineering and consultancy, Fabricantes y proveedores de maquinaria / Machinery manufacturers and suppliers, Fabricantes y proveedores de componentes / Component manufacturers and suppliers, Proveedores de servicios / Service

Providers

Pabellón 1 - Stand 1194

WARDELL ARMSTRONG INTERNATIONAL

Baldhu House - TR3 6EH

Truro - Cornwall - United Kingdom

Tel: +44 1872 560738

Mail: info@wardell-armstrong.com

Web: www.wardell-armstrong.com

Actividad de la empresa:

Wardell Armstrong is a full-service technical mining consultancy with global expertise across the entire mine life cycle. Our services include mineral resource estimation, ore reserve evaluation, mine design, metallurgical testing, environmental & social analysis and economic assessment.

Marcas representadas y distribuidas:

Wardell Armstrong International Sectores de actividad:

Ingenierías y consultorías mineras / Mining engineering and consultancy, Laboratorios y centros tecnológicos / Laboratories and technology centers

Pabellón 1 - Stand 1174

WATSON MARLOW

C/ Sant Josep, 130 Pol. Ind. El Pla08980

Sant Feliu de Llobregat - BarcelonaEspaña

Tel: +34 93 112 35 44

Mail: info.spain@wmfts.com

Actividad de la empresa: Producción y comercialización de bombas peristálticas tanto para transferir producto como para dosificarlo

Marcas representadas y distribuidas: Watson Marlow, Bredel Sectores de actividad:

Fabricantes y proveedores de maquinaria / Machinery manufacturers and suppliers

Pabellón 1 - Stand 1212

WEIR MINERALS

C/ Eduardo Barreiros Nº 104 Nave 828041 - Madrid - España

Tel: +34 91 684 56 52

Mail: Sales.ES@mail.weir

Web: www.global.weir

Actividad de la empresa: Weir Minerals es especialista en el diseño, fabricación, entrega y asistencia de soluciones de equipos de procesos críticos, como bombas, hidrociclones, válvulas, equipos de trituración y caucho para los sectores de la minería, procesamiento de minerales, la arena, los áridos y la industria mundial.

Marcas representadas y distribuidas: Warman, Cavex, Isogate, Enduron, Lewis, Isodry, Linatex, Trio, Geho, Gemex, Multiflo, Vulco, Accumin

Sectores de actividad: Compañías mineras / Mining companies, Ingenierías y consultorías mineras / Mining engineering and consultancy, Fabricantes y proveedores de maquinaria / Machinery manufacturers and suppliers, Fabricantes y proveedores de componentes / Component manufacturers and suppliers, Proveedores de servicios / Service Providers, Laboratorios y centros tecnológicos / Laboratories and technology centers Pabellón 2 - Stand 2061, 2062, 2063, 2064

WELDING

ALLOYS ESPAÑA, S.L.

C/ Energía 2 - 08186

Lliçà D’Amunt - Barcelona - España Tel: 937 192 785

Mail: info.spain@welding-alloys.com Web: www.welding-alloys.com

Actividad de la empresa: Soluciones técnicas a problemas de desgaste industriales. Líder mundial en la producción de consumibles avanzados de soldadura desde hace más de 50 años.

Marcas representadas y distribuidas: ALTCROM - CARBURUNG - ALRESISTCREUSABRO - BASALTYC - DESLISINT

Sectores de actividad: Compañías mineras / Mining companies, Ingenierías y consultorías mineras / Mining engineering and consultancy

Pabellón 2 - Stand 2013

WIDMO SPECTRA

TECHNOLOGIES, SP.

Czarnowisjska 36 - 30-437

Kraków - Lesserpoland - Polonia

Tel: 0048 696 85 72 58

Mail: d.rajczykowska@widmo.tech

Web: www.widmo.tech

Actividad de la empresa: We build a unique solution for subsurface

tomography based on spectral ground penetrating radar and advanced analytical software, to deliver geological information of unprecedented quality.

Marcas representadas y distribuidas: Widmo

Sectores de actividad:

Ingenierías y consultorías mineras / Mining engineering and consultancy, Fabricantes y proveedores de maquinaria / Machinery manufacturers and suppliers

Pabellón 3 - Stand 3039

WTW

Plaza Pablo Ruiz Picasso, Nº 11 – 6ª planta - 28020 - Madrid - España - Tel: 696261938

Mail: sara.vazquez@wtwco.com

Web: https://www.wtwco.com/es-es Actividad de la empresa: Consultoría de riesgos. En WTW estamos especializados en la consultoría de riesgos y gestión de programas de seguros, también para el sector de la minería.

Marcas representadas y distribuidas: WTW

Sectores de actividad:

Proveedores de servicios / Service

Providers

Pabellón 1 - Stand 1108

XCALIBUR SMART MAPPING

Av. del Partenón, 10, Barajas - 28042 Madrid - España

Tel: 912791402

Mail: Meugenia.quiroz@xcaliburmp.com

Web: https://xcaliburmp.com/es/ Actividad de la empresa: Xcalibur Smart Mapping is the global leader in airborne and mapping geophysics industry, providing comprehensive and sustainable solutions for mapping and assessing natural capital, renewable and nonrenewable resources with +100 years of accumulated experience.

Marcas representadas y distribuidas: Xcalibur Smart Mapping

Sectores de actividad:

Proveedores de servicios / Service

Providers

Pabellón 3 - Stand 3030-3032

EXPOSITORES

XPLORATION PRODUCTS AB

Zettergrensväg 8 - 79177

Falun - Dalarna - Sweden

Tel: +46705836010

Mail: rick@xplorationproducts.com

Web: www.xplorationproducts.com

Actividad de la empresa: Xploration Products is a supplier of tools for exploration drilling. We parenter with the market leaders in order to provide our customers with the highest quality products available.

Marcas representadas y distribuidas: Inertial Sensing, Hayden Diamond Bits, Corewise Coresaw, Sunny Corner Exploration, Drillman, Baroid/CEBO, Solga Diamant, Alfa Laval, Accu-Drill, Sectores de actividad:

Fabricantes y proveedores de maquinaria / Machinery manufacturers and suppliers, Fabricantes y proveedores de componentes / Component manufacturers and suppliers

Pabellón 3 - Stand 3193 y 3194

ZITRON

Polig. Roces, AS-II, 2386, PeriurbanoRural - 33211 - Gijón - Asturias - España

Tel: +34 985 16 81 32

Mail: zitron@zitron.com

Web: www.zitron.com

Actividad de la empresa: Since 1963, ZITRÓN has led in designing and manufacturing customized ventilation solutions for mining worldwide. Renowned for excellence, we operate in extreme and remote environments, ensuring optimal conditions for underground projects globally.

Marcas representadas y distribuidas:

ZITRON

Sectores de actividad:

Compañías mineras / Mining companies, Ingenierías y consultorías mineras / Mining

engineering and consultancy, Fabricantes y proveedores de maquinaria / Machinery manufacturers and suppliers, Proveedores de servicios / Service Providers

Pabellón 2 - Stand 2254-2255

La mina de wollastonita del Grupo Crimidesa

Vista aérea de la zona de explotación y la planta de tratamiento de la mina de wollastonita de Crimidesa en Aldea del Obispo, Salamanca.
Vista aérea de la mina de wollastonita de Crimidesa.

En el término municipal de Aldea del Obispo, al SO de la provincia de Salamanca y al NO de Ciudad Rodrigo, concretamente en el paraje del Teso Pizarra-Las Liebres, a 2,5 km del pueblo y a escasas decenas de metros de la frontera con Portugal, se encuentra uno de los yacimientos de minería industrial más interesantes de toda la península Ibérica, concretamente del mineral conocido como wollastonita, siendo además el de mayor tamaño de toda Europa, con unos recursos evaluados que sobrepasan los 100 millones de toneladas.

Este yacimiento comenzó a ser explotado a finales del siglo XX tras la unión de las empresas Prospección y Desarrollo de Hidrocarburos Españoles, S.A. (PYDHESA) y Criaderos Minerales y Derivados, S.A. (CRIMIDESA) con Desarrollo de Recursos Geológicos, S.A. (DRG), para constituir Compañía Minera Ilustración, S.L. (CMI). En el año 2001 se constituye Compañía Minera Ilustración, S.A. y ese mismo año CRIMIDESA se hace con el 100% de las acciones de CMI, momento en que la empresa comienza la explotación ininterrumpida de wollastonita hasta la presente fecha.

Actualmente, CRIMIDESA extrae anualmente alrededor de 70.000 toneladas de wollastonita, contando con unas reservas probadas de 3,5 millones de toneladas y con unas reservas probables de varias decenas de millones de toneladas. De hecho, las campañas de sondeos se realizan cada cierto tiempo con idea de incrementar las reservas probadas.

WOLLASTONITA, UN MINERAL ESPECIAL

El mineral wollastonita es un silicato de calcio (CaSiO3-Ca3) que fue descrito correctamente por primera vez en 1818, aunque ya había referencias incompletas a este inosilicato en el año 1793. Se debe su nombre al químico y mineralogista inglés sir William Hyde Wollaston, y entre sus propiedades más importantes se encuentran las fundentes, especialmente apreciadas en los sectores del vidrio, la cerámica y la siderurgia, así como en la industria cementera y como aditivo para pinturas. Es decir, está considera-

MINERÍA INDUSTRIAL

do un mineral multiuso y en muchos casos puede incluso sustituir al amianto por sus propiedades ignífugas. Otras aplicaciones habituales son en el tratamiento del agua y en las explotaciones ganaderas como insecticida natural.

Se trata de un mineral de tonos claros y brillo vítreo que presenta habitualmente una exfoliación excelente, aunque no visibles como consecuencia de tu textura fibrosa. Su fractura es igualmente fibrosa y su tenacidad frágil. Su dureza es de 4,5-5 y su densidad de 2,8-2,9.

El producto que extrae y comercializa Crimidesa es el conocido como “Wollastonita W-0/2”, que cuenta con las características técnicas que aparecen en el siguiente cuadro.

Se trata de un mineral de tonos claros y brillo vítreo que presenta habitualmente una exfoliación excelente, aunque no visibles como consecuencia de tu textura fibrosa. Su fractura es igualmente fibrosa y su tenacidad frágil. Su dureza es de 4,55 y su densidad de 2,8-2,9

Las principales aplicaciones de la wollastonita se encuentran en las industrias del vidrio, la cerámica y la siderurgia, así como en la industria cementera y como aditivo para pinturas. Actualmente, la wollastonita es considerada un mineral ecológico, ya que su utilización permite reducir, de manera importante, las emisiones de CO2 a la atmósfera.

GEOLOGÍA

Según el Inventario Nacional de Wollastonita del Instituto Geológico y Minero de España, las formaciones comprendidas en el área donde está la explotación de wollastonita están compuestas fundamentalmente por metasedimentos y granitos, con una ligera cobertera cuaternaria. La mayoría de los materiales corresponden al Complejo Esquisto Gruváquico, con edad preordovícica, que está compuesto de esquistos biotíticos con alternancias claras y oscuras formadas por niveles cuarcíticos, feldespáticos y metagrauwáquicos, variando el espesor de los mismos de unos milímetros a varios centímetros.

La mineralización de wollastonita explotada aparece en una roca calcosilicatadamuy dura, que presenta puntualmente intercalaciones de esquistos biotíticos. Su composición mineralógica principal es wollastonita, diópsido, cuarzo, plagioclasa y calcita como minerales principales. La wollastonita se presenta como cristales aciculares que forman el 80-90% de la roca o como el principal componente de la matriz, junto con cristales de cuarzo o diópsido.

90502-XRF79V/ PE-S-905LABE-300

Paquete mineralizado con wollastonita en uno de los taludes de la mina.
La mina cuenta actualmente con dos bancos de 10 m de altura cada uno.

MINERÍA INDUSTRIAL

Plano geológico de la zona donde se encuentra la mina.

“La mineralización de wollastonita explotada aparece en una roca calcosilicatada muy dura, que presenta puntualmente intercalaciones de esquistos biotíticos. Su composición mineralógica principal es wollastonita, diópsido, cuarzo, plagioclasa y calcita como minerales principales

En este último caso, la wollastonita presenta una típica textura fibroso-radiada con una considerable reducción en el tamaño.

MINERÍA DE LA WOLLASTONITA

La explotación de wollastonita de Crimidesa se realiza a cielo abierto sobre una zona de 3 hectáreas. El mineral se encuentra bajo una ligera cobertera cuaternaria, estando el paquete mineralizado hasta una profundidad aproximada de 30 metros con un buzamiento de 22-24º E. La explotación se realiza por bancos, contando actualmente con dos de 10 m de altura cada uno.

La mina se desarrolla por el sistema de minería a cielo abierto con transferencia. Esto quiere decir que la extracción del mineral se lleva a cabo mediante la creación de un hueco inicial hasta el muro del paquete productivo, para desde él acometer la excavación del mineral por banqueo con avance de este a oeste. Actualmente hay dos bancos de explotación, aunque en un futuro se creará un tercer banco a menor cota, quedando, finalmente, tres bancos de

Planta de trituración y clasificación para la obtención de la Wollastonita W-0/2.

explotación, de unos 10 m de altura cada uno, generándose un hueco de 30 m de profundidad máxima, con base el muro del paquete mineral.

La perforación es subcontratada y se utiliza para ello un carro con martillo en cabeza que realiza barrenos de 82 mm de diámetro y alturas de 10 metros. La malla utilizada es cuadrada de 3 metros de lado y se utiliza explosivo gelatinoso como carga de fondo y nitrato amónico a granel (ANFO) como carga de columna. Los barrenos se retacan con el propio detritus de la perforación. Se suelen volar simultáneamente los dos bancos con que cuenta actualmente la explotación.

“La planta de trituración y clasificación está formada por un primario de mandíbulas, dos impactores como secundario y terciario, y cuatro cribas de diferente tipología y tamaño para la obtención de todas las granulometrías necesarias

En cada voladura se utiliza de media 0,16 kg de explosivo por tonelada volada, un valor muy alto, pero necesario para conseguir la fragmentación del producto en los tamaños aptos para la machacadora primaria (aproximadamente bloques de 0,5 m3). Se debe tener en cuenta que esta roca se caracteriza por presentar una elevada resistencia a compresión simple, siendo, además, muy tenaz, debido al refuerzo que le confiere las fibras de wollastonita. Esto supone que el macizo rocoso requiere una gran cantidad de energía específica para su fragmentación. Se hace imprescindible, además, un control preciso de la secuencia de iniciación, con el fin de obtener resultados óptimos. Esto se consigue con la utilización de detonadores electrónicos, donde se fija el retardo correspondiente a cada detonador individual. Además, este sistema de iniciación asegura la inexistencia de detonadores fallidos, una mejor secuenciación y seguridad en la voladura.

Normalmente se hacen tres voladuras al año, aunque puede variar en función de las necesidades de mineral.

El todo-uno generado tras la voladura, con un tamaño 0-500 mm, es enviado a la planta de tratamiento para su reducción y clasificación. La carga del mineral volado se realiza con una excavadora O&K RH-9, un equipo de casi 34 t de peso con un cazo de 1,4 m3, cuya misión es la carga de la unidad de acarreo: un dúmper Volvo A25 de 24 t de

capacidad de carga, que es el responsable de transportar el todo-uno desde la explotación a la planta de tratamiento a menos de 1 kilómetro de distancia.

El movimiento de tierras, al igual que la perforación, se encuentra subcontratado, mientras que las labores de voladura se realizan por el personal de la mina (certificados todos como artilleros), al igual que la gestión de los acopios. En la planta trabajan 8 personas entre técnicos, operarios y administrativos.

TRITURACIÓN Y CLASIFICACIÓN

La forma de trabajar de la mina se programa en función de las necesidades del todo-uno 0-500 mm necesario para la obtención de la fracción 5-15 y 15-65 mm, granulometrías que mezcladas son las que van a generar el producto final, la wollastonita W-0/2, de gran calidad.

La planta de trituración y clasificación está formada por un primario de mandíbulas, dos impactores como secundario y terciario, y cuatro cribas de diferente tipología y tamaño para la obtención de todas las granulometrías necesarias.

La planta de trituración y clasificación se utiliza de dos formas diferentes en función de si se trata de lo que sus

“Se debe tener en cuenta que esta roca se caracteriza por presentar una elevada resistencia a compresión simple, siendo, además, muy tenaz, debido al refuerzo que le confiere las fibras de wollastonita. Esto supone que el macizo rocoso requiere una gran cantidad de energía específica para su fragmentación. Se hace imprescindible, además, un control preciso de la secuencia de iniciación, con el fin de obtener resultados óptimos

Grupo primario de trituración con machacadora de mandíbulas.
Zona de almacenaje de las fracciones 5-15 y 15-65 mm esperando su tratamiento.

MINERÍA INDUSTRIAL

GRUPO INDUSTRIAL CRIMIDESA

El Grupo Industrial Crimidesa es una empresa familiar creada en el año 1954 que actualmente cuenta con varias explotaciones, siendo los productos que ofrece el sulfato sódico, el feldespato sódico y la wollastonita. Entre las empresas que conforman GIC se encuentra Compañía Minera Río Tirón, S.A.U., fundada en 1954, siendo el origen del Grupo. Produce sulfato sódico anhidro de gran calidad a partir de la glauberita, estando la explotación ubicada en Cerezo de Río Tirón, en Burgos. Sus reservas superan los 350 millones de toneladas y su capacidad de producción es superior a las 800.000 toneladas anuales, lo que le convierte en el mayor fabricante europeo de este mineral. El 95% del material extraído se exporta a más de 50 países, lo que le convierte en el primer exportador mundial de esta materia prima.

La empresa Compañía Minera Ilustración es la propietaria del yacimiento de wollastonita descrito en este artículo. Fue creada a finales de 1998 con idea de explotar el mayor yacimiento del mundo de este mineral. La explotación se encuentra en Aldea del Obispo, en la provincia de Salamanca y sus recursos evaluados alcanzan los 100 millones de toneladas.

Otra de las empresas del Grupo GIC es Crimidesa Maroc, una explotación de feldespato sódico de alta calidad ubicada cerca de la ciudad marroquí de Taroudant, en las estribaciones del Atlas. Está considerado uno de los yacimientos de albitita más grandes del mundo y su estratégica ubicación cerca de Agadir, permite su exportación

técnicos denominan “Operación Minera” o simplemente realizan su trabajo más habitual, que es generar mineral de wollastonita 0-2 mm de alta calidad a partir de las fracciones 5-15 y 15-65 mm.

La “Operación Minera” es la que se lleva siempre a cabo durante varias semanas tras las voladuras, utilizando siempre el puesto primario, además de parte de la planta de trituración y clasificación, y dura el tiempo necesario para generar grandes cantidades de fracción 5-15 y 15-65 mm, que se almacenan en diferentes acopios de 1.000 t de capacidad y se analiza cada uno de ellos para conocer su composición y propiedades.

Tres veces al año, cuando se realizan las voladuras de los frentes, la machacadora de mandíbulas tiene la misión de reducir el 0-500 mm a un tamaño 0-200 mm que se envía al stock de regulación. Para ello, el puesto primario cuenta con un alimentador-precribador, que elimina las zahorras (0-20 mm), que son evacuadas por un transportador lateral para acopiarse directamente en el suelo. Así, la fracción 20500 mm es la que entra en la cámara de trituración de la

a todo el mundo. Crimidesa Maroc cuenta en el puerto de Agadir con zonas de almacenamiento e infraestructura para la carga de barcos de 3.000 a 30.000 toneladas, lo que permite una ágil reacción ante las necesidades de sus clientes. Los principales consumidores de feldespato sódico son empresas dedicadas a la cerámica y, en menor medida, al vidrio.

Grupo Industrial Crimidesa cuenta con otras empresas destinadas a dar servicio a sus explotaciones. Así, la empresa Excavaciones Castilla arrancó en 1974 con idea de dar servicio de arranque y carga en la explotación del grupo de sulfato sódico, contando actualmente con un parque de maquinaria moderno y de última generación, lo que se traduce en una mejora continua de la actividad minera del Grupo.

Otra de las empresas del Grupo es Greenmowers, una compañía dedicada a la comercialización de maquinaria para el cuidado y mantenimiento de campos de golf, futbol y zonas verdes en general. Entre los equipos que distribuyen se encuentra la maquinaria de mantenimiento, los buggies y los vehículos de trabajo. https://greenmowers.net/

Molino impactor secundario Triman IST-4.

“Cuando se trabaja a partir del material procedente del frente de cantera, lo que se denomina “Operación Minera”, la fracción 0-200 mm, procedente de la machacadora tras las voladuras, pasa del stock de regulación hasta un molino impactor secundario Triman IST-4 que reduce la piedra 0-200 mm a un 0-80 mm. El material saliente del impactor secundario pasa a un primer puesto de cribado, que separa la fracción 0-200 mm de la “Operación Minera” en 0-15, 15-65 y >65 mm

machacadora de mandíbulas Triman TMM1100, un equipo fundamental en esta primera fase de conminución ya que, como ya se ha comentado anteriormente, la roca que llega del frente se caracteriza por presentar una elevada resistencia a compresión simple, además de ser muy tenaz.

La machacadora se utiliza únicamente durante unas semanas tras las voladuras y de forma puntual cuando, quedando material en el frente, la demanda de wollastonita 0-2 mm obliga a reducir más cantidad de todo-uno. Si no es el caso, el puesto primario se mantiene apagado y sometido a un constante mantenimiento.

A partir del stock de regulación posterior a la machacadora primaria es donde se trabaja de dos formas diferentes: La primera de ella es generando las fracciones 5-15 y 1565 mm a partir del todo-uno 0-500 mm reducido por la machacadora a 0-200 mm, que se almacena para su utilización durante largas temporadas, mientras que la segunda es la que busca trabajar con dichos acopios, que tras ser analizados y mezclados convenientemente, continúan el proceso de conminución y clasificación para obtener la wollastonita 0-2 mm de máxima calidad.

OPERACIÓN MINERA

Cuando se trabaja a partir del material procedente del frente de cantera, lo que se denomina “Operación Minera”, la fracción 0-200 mm, procedente de la machacadora tras las voladuras, pasa del stock de regulación hasta un molino impactor secundario Triman IST-4 que reduce la piedra 0-200 mm a un 0-80 mm. El material saliente del impactor secundario pasa a un primer puesto de cribado, que separa la fracción 0-200 mm de la “Operación Minera” en 0-15, 15-65 y >65 mm.

La fracción 0-15 mm se envía a una pequeña criba para que corte el material en 0-5 mm, que se vende para obras en

la zona, y en 5-15 mm, que pasa a almacenarse para mezclarse posteriormente con la fracción 15-65 mm y seguir su proceso de reducción.

La fracción 15-65 mm es la otra granulometría que se almacena en los stocks de 1.000 t y se ensayan para conocer sus cualidades con idea de proveer un material final homogéneo. Por último, la fracción >65 mm, rechazo del paño superior de la criba, se envía de nuevo al molino impactor secundario para su retrituración.

OPERACIÓN CON MATERIAL ALMACENADO

La operativa más habitual en la planta de Aldea del Obispo es cuando se trabaja con el material acopiado tras las voladuras. Las fracciones 5-15 y 15-65 mm se encuentran en sus respectivos acopios, que han sido caracterizados para conocer en todo momento sus cualidades químicas. De esta manera, se mezclan piedras de

Molino impactor terciario Triman TMI-2G y estación de clasificación posterior.
Parte de las cribas vibrantes Triman montadas en el proceso de fabricación de la Wollastonita W-0/2.

Criba probabilística para el corte final de la arena.

distintos acopios con idea de obtener un producto final con una calidad homogénea.

El material resultante ya mezclado 5-65 mm alimenta al impactor secundario Triman IST-4 para dar un tamaño de salida de 0-25 mm, que se envía a la primera criba para su separación en las granulometrías 0-25 mm y >25 mm. El rechazo, el >25 mm, se envía a retrituración, mientras que el 0-25 mm se envía a un puesto de clasificación secundario de dos paños, que corta el material en las fracciones <5, 5-10 y >10 mm.

La fracción 5-10 mm y >10 mm se envían a un molino impactor terciario Triman TMI-2G para su reducción a tamaño arena. La fracción obtenida se vuelve a enviar en circuito cerrado a la segunda criba para su clasificación y la fracción >5 mm de nuevo al molino.

La fracción <5 mm que se obtiene pasante de la segunda criba se envía a una criba probabilística, que corta el material en 0-2 y 3-5 mm. La fracción 0-2 mm es el producto ya final y se envía a su zona de almacenamiento, mientras

El producto final, Wollastonita W0-2, se almacena en una nave con estructura metálica y paredes de hormigón. Desde aquí, se carga en camiones cisterna a través de una tolva, la cual es alimentada por una cargadora Caterpillar 966 m y una Hitachi LX 210. La tolva cuenta con un alimentador que suministra el mineral a un transportador, que es el responsable de cargar las cisternas

La wollastonita final de granulometría 0-2 mm se almacena y se despacha a granel en camiones cisterna.

que la fracción 3-5 mm se envía al circuito cerrado formado por el impactor terciario y la criba para su reducción al tamaño 0-2 mm.

El producto final, Wollastonita W0-2, se almacena en una nave con estructura metálica y paredes de hormigón. Desde aquí, se carga en camiones cisterna a través de una tolva, la cual es alimentada por una cargadora Caterpillar 966 m y una Hitachi LX 210. La tolva cuenta con un alimentador que suministra el mineral a un transportador, que es el responsable de cargar las cisternas.

RESTAURACIÓN

Tal y como se ha trasladado al principio, el hueco minero contará finalmente con tres bancos de explotación, de unos 10 m de altura cada uno, generándose un hueco de 30 m de profundidad máxima, con base en el muro del paquete mineral.

La transferencia de estériles para rellenar el hueco de la explotación no se puede iniciar hasta alcanzar el box-cut (muro de explotación), que sería un hueco de profundidad 30 m con, al menos, un desarrollo de 80 m.

A partir de aquí, a medida que la explotación avanza hacia el oeste, se irá rellenando el hueco explotado de este a oeste. El acopio de tierra vegetal será utilizado extendiendo una última capa sobre los rellenos de estériles volcados sobre el hueco para la corrección del suelo. Finalmente, sobre esta capa de tierra vegetal se sembrarán especies autóctonas para reponer la vegetación.

AGRADECIMIENTOS

Quiero agradecer a Luis Gómez, director general del Grupo Crimidesa, la oportunidad de haber conocido la mayor mina de wollastonita de Europa, y a Antonio José, director de facultativo de CMI, su tiempo y dedicación durante la visita a la mina.

Ingeniería básica para planta de beneficio de cerusita

Felipe Ruiz Núñez, CEO de Advanced Mineral Processing, S.L.

En Advanced Mineral Processing, S.L. (AMP), tuvimos el orgullo de ser elegidos de entre varias empresas internacionales para llevar a cabo los estudios y trabajos correspondientes a la elaboración de una Ingeniería Básica y Estudio de Viabilidad, para el desarrollo del proyecto de una planta de beneficio de mineral de cerusita (PbCO3), para un importante grupo minero junior del norte de áfrica.

El proyecto se basa en un antiguo depósito explotado en los años 60 que, en el momento de la adquisición del mismo, por parte de este grupo minero, su actividad se encontraba paralizada y las instalaciones industriales y de proceso desmanteladas. Significa, por tanto, que se trata en

toda su amplitud, del arranque de un proyecto desde cero; lo que podríamos denominar un “Green Field”.

ANTECEDENTES DEL PROYECTO

Para el completo desarrollo, en primer lugar, de la ingeniería de proceso, se realizaron intensas campañas de muestreo en todo el yacimiento con el fin de obtener muestras suficientes para poder realizar la ingeniería preliminar de proceso. Para este fin, se contó con la colaboración de una compañía local, que llevó a cabo ciertos ensayos mineralúrgicos, y en particular los que se centraban en las etapas de flotación. En global, con las muestras obtenidas del yacimiento se llevaron a cabo los siguientes ensayos de proceso:

Planta de flotación.

1. Análisis mineralógicos.

2. Análisis químicos.

3. Estudio de liberación del mineral.

4. Ensayos de Flotación.

5. Determinación del Work-Index de Bond.

6. Determinación de la velocidad de sedimentación.

7. Determinación de la superficie específica de filtración.

BREVE RESUMEN DE LOS PRINCIPALES RESULTADOS

1. Análisis mineralógicos

Desde el punto de vista mineralógico, la caracterización principal del mineral es la que se recoge a continuación:

1. Los portadores principales de plomo identificados son la cerusita (mayoritaria) y la galena en menor medida.

2. La galena se encuentra principalmente en inclusiones o mezclada con cerusita.

3. La ganga está compuesta principalmente de cuarzo.

4. La cerusita se presenta principalmente en forma de granos en estado mixto o con minerales de la ganga, especialmente silicatos, barita, cuarzo y fluorita.

5. El tamaño de los granos de cerusita mezclados con minerales de ganga varía de 10 a 80 µm.

2. Análisis químicos

Los resultados del análisis químico realizado por medio de la técnica de ICP/AES, muestran una predominancia de silicio (equivalente al 69% de SiO2), aluminio (equivalente a 10% Al2O3) y hierro (equivalente a 1,2% Fe2O3). El contenido en plomo es del 2,3%, siendo el contenido de Ag de 4,5 ppm y, finalmente, el contenido de azufre es del 0,8%.

La siguiente tabla presenta el resultado de los análisis de los elementos químicos fundamentales:

El cálculo semicuantitativo de las diferentes especies minerales presentes en esta muestra se evalúa mediante una conciliación del contenido de elementos químicos e identificaciones mineralógicas de minerales.

La siguiente tabla presenta estos resultados, siempre aproximados y semicuantitativos:

ESPECIE MINERAL PORCENTAJE (%)

Cuarzo 47,00

Clorhidratados 3,00

Moscovita 15,00

Feldespatos 15,00

Silicatos K y Na 6,00

Óxidos de hierro 0,50

Albita 5,00

Calcita 2,00

Arcillas 1,00

Barita 5,70

Cerusita 1,90

Galena 1,00

Anglesita 0,20

3. Estudio de liberación del mineral

A través de la utilización de microscopía electrónica de barrido de las muestras de origen, se obtiene una muy buena caracterización del mineral y de su estado de liberación.

Los minerales que componen esta muestra son principalmente:

- Cerusita: que se identifica en granos masivos y cuyo tamaño de grano puede alcanzar las 500 µm.

- Mediante una molienda de la muestra de origen a 2 mm, se constata que la cerusita se encuentra casi totalmente liberada a tamaños de 200-250 µm.

- La cerusita también está asociada con minerales de silicato intersticial como la ortoclasa y cuarzo. En algunos

BENEFICIO CERUSITA

casos, la cerusita puede aparecer en granos fibrosos en el relleno de juntas de cuarzo y otros silicatos.

- La barita identificada está presente en granos dispersos en la cerusita.

- La Galena se identifica principalmente en cerusita con tamaños de grano inferiores a 50 µm.

- La Galena también se encuentra como una inclusión en la barita.

4. Ensayos de Flotación

Se realizaron diferentes tandas de ensayos de flotación, cambiando en cada una de ellas el esquema de recirculación, el número de pasos en cada etapa, los reactivos utilizados y los tiempos de residencia en cada etapa. Tras llevar a cabo todos estos diferentes ensayos, evaluando la cinética de la operación y los resultados finales obtenidos, se obtuvo que el mejor esquema de flotación sería el que se recoge en esta página.

Con la implantación de este circuito de flotación se obtendría una recuperación total de mineral del 95% con una ley efectiva de mineral de casi el 75%.

En comparación con los datos existentes de La antigua operación minera, la recuperación de mineral se incrementaría en cerca de un 8% y la ley del mineral en más de un

3%. Este salto cuantitativo significa una importante mejora en la operación con el consecuente incremento de la rentabilidad de la explotación.

5. Determinación del Work-Index de Bond Una muestra mezcla procedente del yacimiento; para conseguir la mayor representatividad del depósito, se tamizó a 3,35 mm, como marca la norma para la realización de este ensayo. Una vez seca y adecuadamente homogeneizada, se realizó una caracterización granulométrica, presentado la siguiente curva:

“Una peculiaridad concreta de este proceso es que, el concentrado no admite la incorporación de floculantes, por lo que, como es bien sabido, en estas condiciones, las velocidades de sedimentación se reducen de manera drástica. La gran ventaja es que, el tonelaje de sólidos; procedentes de la corriente de concentrado final a sedimentar es muy bajo, por lo que no será necesario incorporar un Tanque-Espesador de muy elevadas dimensiones

Dado que el valor de referencia para la liberación del mineral se sitúa en los 250 µm, el ensayo de Bond se ajustó a ese valor final objetivo.

Los datos iniciales para el desarrollo de este ensayo son los que se recogen a continuación:

1. Alimentación inicial (peso 700 cm3): 1212,7 g.

2. Peso de finos en el equilibrio: Peq = 346,5 g.

3. D80 de la alimentación inicial: F80 = 1.872 µm.

4. Tamiz de corte: P100 = 250 µm.

Con todo ello, y tras completar el ensayo de Bond, el P80 obtenido fue de 199 µm.

Aplicando las ecuaciones de Bond, para el cálculo del Work Index de molienda, se obtiene un valor para este índice de 13,72 kWh/t.

6. Determinación de la velocidad de sedimentación Para esta operación en particular, el cliente decidió que los estériles no se tratarían en un circuito al uso de floculación-sedimentación y posterior filtración. Estos estériles de flotación se enviarían directamente a una balsa de decantación de la cual recuperarían el agua sobrenadante; como agua de recirculación al proceso, y únicamente el concentrado sería el producto que se sedimentaria y filtraría para su posterior expedición.

Una peculiaridad concreta de este proceso es que el concentrado no admite la incorporación de floculantes, por lo que, como es bien sabido, en estas condiciones las velocidades de sedimentación se reducen de manera drástica. La gran ventaja es que el tonelaje de sólidos procedentes de la corriente de concentrado final a sedimentar es muy bajo, por lo que no será necesario incorporar un tanque-espesador de muy elevadas dimensiones.

Las velocidades de sedimentación que se han determinado para este mineral han arrojado datos entre 0,08 y 1,1 m/h. Para el diseño de los equipos involucrados en la etapa de sedimentación del concentrado se toma el valor más desfavorable.

7. Determinación de la superficie específica de filtración

A partir de la batería de resultados reales del proceso de filtración que se tenían de la operación anterior en la mina, se realizó un escalado de los mismos para determinar la superficie específica de filtración requerida para este producto final, y de acuerdo a la concentración de alimentación de la pulpa del concentrado y del comportamiento de este. En este sentido, se recogieron valores de superficie específica de 0,12-0,14 t/m2. Para el caso que nos ocupa, representaría una superficie de filtración requerida de 20 m2. La humedad final promedio de la torta filtrada se situaría entre el 7 y el 10%.

Estos datos finales significan una situación muy favorable desde el punto de vista del acondicionamiento final, transporte del concentrado y los ulteriores procesos de transformación del mineral. Aun así, se estudió la posible incorporación de una etapa de secado final para reducir el contenido de humedad del concentrado producido, incrementado de esta manera el rendimiento del transporte y para mejorar las posteriores etapas de tratamiento del concentrado en su destino final. Tras los cálculos realizados y el estudio de las requisiciones de los clientes finales, se decidió que esta etapa de secado no aportaría una rentabilidad adicional.

DESARROLLO DEL DIAGRAMA DE FLUJO DE LA PLANTA COMPLETA DE PROCESO

Una vez conocidos todos los datos y parámetros de operación de todas las fases y etapas del proceso, se estuvo en condiciones de poder desarrollar el diagrama de flujo completo de la planta. Éste, básicamente estaría formado por

“Estos datos finales significan una situación muy favorable desde el punto de vista del acondicionamiento final, transporte del concentrado y los ulteriores procesos de transformación del mineral. Aun así, se estudió la posible incorporación de una etapa de secado final para reducir el contenido de humedad del concentrado producido, incrementado de esta manera el rendimiento del transporte y para mejorar las posteriores etapas de tratamiento del concentrado en su destino final

una etapa primaria de trituración y cribado, y una posterior etapa de beneficio compuesta por una etapa de molienda fina y la subsiguiente etapa de flotación. Esta segunda área de beneficio se completaría con las necesarias instalaciones de preparación de reactivos, clasificación con hidrociclones, sedimentación y ulterior filtración.

La configuración de la operación de la planta, determinada por el cliente, se refiere a un trabajo en el área de trituración de 16 h/d durante 6 días a la semana, según demanda, mientras que en el área de beneficio en sí: molienda y flotación, se operaría a razón de 24 h/d, los 7 días de la semana. Se prevé siempre contar con un estocaje de seguridad en el área de trituración para asegurar, al menos, 2 días de trabajo completos en el área de molienda y flotación, por lo que, en el sexto día de trituración, las horas de trabajo podrían verse reducidas desde 16 a 8 horas, o incluso, y por motivos de disponibilidad de la planta de trituración, aumentar a un séptimo día operación en esta área primaria.

Se debe entender que la previsión de explotación del yacimiento es por medio de voladura, en la que se obtendrán tamaños máximos de hasta 350-380 mm, mientras que, el F80 previsto para la flotación es de 250 µm. El área de trituración tendrá un tamaño limitante de 350-360 mm de entrada al triturador primario, por lo que el sobre tamaño (>350 mm) se retiraría del proceso, parar su posterior conminución por otros medios y antes de su incorporarlo de nuevo al proceso.

“Una vez conocidos todos los datos y parámetros de operación de todas las fases y etapas del proceso, se estuvo en condiciones de poder desarrollar el diagrama de flujo completo de la planta. Éste, básicamente estaría formado por una etapa primaria de trituración y cribado, y una posterior etapa de beneficio compuesta por una etapa de molienda fina y la subsiguiente etapa de flotación. Esta segunda área de beneficio se completaría con las necesarias instalaciones de preparación de reactivos, clasificación con hidrociclones, sedimentación y ulterior filtración

La capacidad nominal de alimentación prevista para el área de trituración es de 105 t/h del todo uno, que supone una alimentación real neta al área de trituración de 100 t/h. La instalación se ha dimensionado para una capacidad total máxima de diseño de 115 t/h.

A continuación, se recoge el diagrama de flujo diseñado para el área de trituración y cribado.

BENEFICIO CERUSITA

Esta área primaria de proceso se compondría de una machacadora de mandíbulas para la primera trituración para conseguir un material de entre 190-200 mm; material que alimentaría a un triturador secundario de cono y finamente a un triturador del tipo VSI para obtener el tamaño final requerido de 8 mm. Para la retirada de los mayores de 350 mm en la alimentación, se ha previsto una rejilla fija en la boca de la tolva con vibradores para evitar su colmatación. Por otro lado, la tolva se equipa en su salida, con precribador para retirar los tamaños <70 mm naturales y con ello, reducir la carga sobre la machacadora.

El circuito se ha concebido con una sola criba que recibe tanto el material obtenido en el triturador secundario como del terciario y, a su vez, la recirculación se ha diseñado del tal modo que, la carga circulante de la criba se podría dirigir indistintamente tanto a la tolva del triturador secundario como a la del terciario, o a ambas. De esta manera, se gana mucha flexibilidad en el circuito, además de conseguir un mejor balance de cargas en las etapas secundaria y terciaria.

El tamaño final para el material triturado se ha establecido en 8 mm. Se determinó este tamaño después de realizar diferentes cálculos y estudios de diferentes escenarios, con el fin de obtener el mejor balance Capex-Opex del conjunto circuito de trituración y molienda.

El área posterior al de trituración: etapas de molienda y flotación, se alimentará desde el circuito primario a partir del

Para la retirada de los mayores de 350 mm en la alimentación, se ha previsto una rejilla fija en la boca de la tolva con vibradores para evitar su colmatación

estocaje intermedio previsto al final de esta área. Después de estudiar varias alternativas para este almacenamiento intermedio del material triturado, el operador se decidió por la incorporación de 2 silos con doble seno cada uno de ellos, y con una capacidad total cada uno de 400 m3 totales. La extracción del material triturado se realizaría a través de alimentadores de banda individuales que descargarían sobre cinta de recolección principal y posteriormente sobre cinta transportadora para la alimentación al molino de bolas, incluido ya en el área de beneficio en sí del mineral.

La tarea de molienda prevista para este molino se establece desde un F80 = 8 mm; procedente de la trituración y hasta un P80 final de 250 µm. El molino de bolas, uno de los equipos fundamentales de la planta, se calculó para una capacidad máxima de diseño de 52 t/h. El molino de bolas que se calculó y dimensionó es una unidad de Ø2,6 x 4,75 m y con una potencia total instalada de 450 kW.

El diagrama de flujo estudiado, calculado y elaborado para esta segunda área de proceso es el que se recoge a continuación.

BENEFICIO CERUSITA

El circuito cerrado de molienda se establece instalando un hidrociclón de fondo plano para conseguir el corte buscado, correspondiente a un P80 de 250 µm, con el que se alimentaría la etapa posterior de flotación. Dada la dilución de la pulpa obtenida por el rebose del hidrociclón del circuito de molienda, que contendría el producto clasificado, es superior a la necesaria para alimentar el circuito de flotación. Para ello se prevé la instalación de un distribuidor de hidrociclones configurado para realizar un corte muy extremo y, con ello, no perder finos con los que alimentar la flotación. Aun así, el rebose de este distribuidor, que contendía un tonelaje muy reducido, se utilizaría para la necesaria dilución de la pulpa a la salida del molino y su posterior bombeo al hidrociclón del circuito cerrado de molienda. De este modo, además, se conseguirá asegurar que no existan pérdida de finos con alto contenido de mineral recuperable y, a su vez, se controla de manera precisa la concentración de alimentación a la flotación, dado que parte de ese flujo del rebose del distribuidor de hidrociclones se conduce al primer acondicionador para este fin.

El proceso de flotación previsto reproduce exactamente el circuito ya ensayado, con el que se obtiene el mayor rendimiento de recuperación y la mayor riqueza de concentrado final. Se trata de continuas fases de repaso del preconcentrado obtenido en las etapas previas de desbaste y barrido, y una etapa final para la limpieza y refino del concentrado final. A su vez, los materiales deprimidos en cada fase de flotación se recircularían a la etapa previa para su mejor y más completo aprovechamiento.

Se completa esta área de molienda y flotación con una etapa de sedimentación y filtración del concentrado final, para su posterior almacenamiento y expedición. Para la etapa de sedimentación del concentrado final, ya se indicó que no se podría añadir floculante, por su posible interferencia con los posteriores procesos de transformación final del concentrado; sin embargo, en esta área se ha previsto la inclusión de un equipo de preparación de reactivo, para el caso en el que fuera necesario añadir algún tipo de coagulante, clarificante, espesante o incluso un tipo de floculante a estudio que fuera compatible con los posteriores procesos del cliente final. Por su lado, los estériles retirados en el proceso de flotación se enviarían a balsas de decantación, en las cuales, a través de la adición de floculante, se conseguiría la sedimentación de los sólidos estériles y, por otra parte, la recuperación del agua que se recircularía al proceso.

IMPLANTACIÓN GENERAL

Una vez completado el diagrama de flujo de la planta completa de proceso y desarrollada la ingeniería mecánica completa y el cálculo y dimensionamiento de todos los equipos involucrados, se elaboraron los planos de implantación de cada una de las áreas y con ello, y en función de la disponibilidad real de espacios en la superficie en el que se instalaría la planta, se pudo establecer un lay-out de latotalidad de la instalación.

A continuación, se recoge el plano de implantación correspondiente al área de trituración:

“Por otro lado, la implantación del área de molienda y flotación presentaba una problemática mayor que la previa de trituración, dado que, además de que la operación del área de molienda y flotación es en vía húmeda, el elenco de equipos es mucho mayor y alguno de ellos, como el molino de bolas, de un elevado volumen. Por otro lado, el concepto de la planta de molienda y flotación se basa en todo momento en minimizar los bombeos, para reducir consumos eléctricos y costes de mantenimiento excesivos

Dada la disposición del terreno en el que se ubicaría la planta, se decide optar por una configuración en línea, en vez de a 90º o incluso a 180º; con la posibilidad de retorno de materiales y agrupación de subáreas de proceso. Los silos de almacenamiento del material triturado se dispondrían al final del área de trituración, con la orientación de los senos de descarga colocados a 90º del flujo del material. La cinta que transporta el material tri-

turado hasta la cumbre de los silos descarga sobre un repartidor horizontal para distribuir el material a uno u otro silo, según fuera su grado de llenado. Por otro lado, los extractores de banda se instalarían en las bocas de descarga de los silos de manera contrapeada; de tal manera que puedan descargar en la cinta recolectora sin interferencias entre ellos y en un área total muy reducida. Se previeron un total de 4 extractores de banda, con el fin de asegurar en todo momento una descarga y posterior alimentación a la siguiente etapa de proceso, continua y controlada.

Por otro lado, la implantación del área de molienda y flotación presentaba una problemática mayor que la previa de trituración, dado que, además de que la operación del área de molienda y flotación es en vía húmeda, el elenco de equipos es mucho mayor y alguno de ellos, como el molino de bolas, de un elevado volumen. Por otro lado, el concepto de la planta de molienda y flotación se basa en todo momento en minimizar los bombeos, para reducir consumos eléctricos y costes de mantenimiento excesivos. Es por ello que se optó por una disposición en vertical, sobre todo para la sección de flotación, en la que se aprovecha la gravedad para el trasvase de pulpas entre algunas etapas.

La implantación estudiada y prevista para esta área de molienda y flotación es la que se recoge a continuación:

BENEFICIO CERUSITA

“En el interior de la nave se prevé la ubicación, en áreas separadas, tanto de la sala de preparación, almacenamiento y dosificación de reactivos, y un espacio para un pequeño taller, en el que, además, se almacenaría el utillaje y las piezas de ajuste y recambio necesarias para la operación

Tanto la molienda como la flotación se ubican en el interior de la nave y en la parte central de esta. Junto al molino se previó un espacio suficiente para la posible incorporación de un segundo molino. En el interior de la nave se prevé la ubicación, en áreas separadas, tanto de la sala de preparación, almacenamiento y dosificación de reactivos, y un espacio para un pequeño taller, en el que, además, se almacenaría el utillaje y las piezas de ajuste y recambio necesarias para la operación. Por otro lado, la etapa de sedimentación y filtración de concentrado se ubicarían en el exterior de la nave, junto con la sala que contendría el equipo de preparación de un posible reactivo para la sedimentación.

La implantación completa y general de toda la planta objeto de este proyecto es la que se recoge a continuación y en la que, como se indicó líneas atrás, el área de molienda y flotación se emplazaría formando 90º con la instalación de trituración, tal y como se recoge en el plano de implantación general siguiente:

La ejecución de los planos de implantación para cada área de proceso, así como la la implantación general completa, se completó con la realización de los pertinentes cálculos de las cargas de todas las estructuras de soporte de equipos e instalaciones, así como de aquellos equipos autoportantes, y siempre teniendo en cuenta las condiciones del emplazamiento final. Toda esta información se recogió en un documento completo incluyendo igualmente el plano de huellas detallado de la planta completa de proceso.

DATOS GENERALES DE LA PLANTA COMPLETA DE PROCESO

En lo que se refiere a los datos principales de la instalación completa de proceso, a continuación, se recogen los parámetros generales de la operación.

- Potencia rotal instalada: 1.386 kW.

o Potencia instalada en el área de trituración y cribado: 452 kW.

o Potencia instalada en el área de molienda y flotación: 934 kW.

- Consumo nominal total de la instalación: 968 kWh.

o Consumo eléctrico nominal del área de trituración cribado: 340 kWh.

o Consumo eléctrico nominal del área de molienda y flotación: 628 kWh.

- Consumo de agua fresca para toda la instalación: 74 m3/h.

-

Consumo de reactivos:

o Na2SiO3: 1 104 kg/d.

o NaHS: 359 kg/d.

o AXK: 39 kg/d.

o MIBC: 39 kg/d.

o Floculante: 35 kg/d.

- Área total ocupada por la instalación: 6.200 m2

o Área ocupada por la planta de trituración y cribado: 3.950 m2

o Área ocupada por la planta de molienda y flotación: 2.250 m2

RESUMEN FINAL Y PRÓXIMAS ETAPAS

El proyecto presentado supone, desde el punto de vista local, un gran impulso en la industria de la minería y sobre todo para un mineral como la cerusita. Obviamente, el interés del proyecto se basa en la actual demanda de este metal para diversas industrias, dentro de los nuevos requerimientos mundiales en lo que a consumo de este tipo de materia prima se refiere.

Elaborado y desarrollado el Plan de Viabilidad del proyecto, en función de los cálculos realizados y teniendo en cuenta las condiciones actuales del mercado, el proyecto tendría una elevada rentabilidad con un periodo aproxima-

“Elaborado y desarrollado el Plan de Viabilidad del proyecto, en función de los cálculos realizados y teniendo en cuenta las condiciones actuales del mercado, el proyecto tendría una elevada rentabilidad con un periodo aproximado de recuperación de la inversión (conservador) de entre 5 y 6 años

do de recuperación de la inversión (conservador) de entre 5 y 6 años.

En estos momentos, el proyecto se encuentra en la etapa de evaluación de compras, donde se espera que las fases de negociación para la adquisición de las unidades con mayores plazos de entrega se inicien de inmediato. En paralelo, y tal y como se previó en el cronograma del proyecto, elaborado como parte de este trabajo de ingeniería básica y estudio de viabilidad, se pondrá en marcha la fase de ingeniería de detalle. Con todo ello, esperamos que en unos meses podamos lanzar un artículo exponiendo los avances de este singular y atractivo proyecto.

Exploración minera, llave y solución a un serio problema ambiental

Javier Velasco, delegado de minería de Geoplanning

Durante los últimos años, no han sido pocos los avisos que hemos recibido desde diversos organismos nacionales e internacionales acerca de la producción de ciertos minerales. La evolución en determinados sectores industriales ha sembrado una premisa principal: consumimos más minerales de lo que producimos, lo cual está generando un déficit prácticamente imposible de corregir a corto plazo.

• La nueva revolución industrial conocida como Industria 4.0, que, someramente explicado, consiste en la mejora en producción industrial partiendo de la optimización como objetivo, consiste principalmente en la utilización de nuevas tecnologías como robótica, inteligencia artificial, bigdata o nanotecnología que permitan una automatización en procesos con análisis en tiempo real, que a su vez permite la optimización en los procesos,

Trabajos de exploración en yacimiento de Fe en Extremadura.

evaluando los sistemas de producción y corrigiendo parámetros si fuera necesario.

• Las políticas dictadas cuyo objetivo es reducir las emisiones de CO2 y otros gases contaminantes han puesto su punto de mira sobre la movilidad eléctrica. El número de vehículos eléctricos ha crecido exponencialmente en los últimos años, y se prevé que siga en auge. Las nulas emisiones, el menor desgaste y la gran diferencia de precio entre combustible fósil y electricidad son algunas de las ventajas que ofrecen estos vehículos. Las casas automovilísticas continúan desarrollando nuevas tecnologías que mejoren estos vehículos, por lo que se prevé un gran futuro al sector.

• Pero quizás lo más destacado es el enorme auge de producción y expansión de energías renovables que se está llevando a cabo en todo el mundo y especialmente en la Unión Europea a raíz del conocido Pacto Verde, que, con la misma premisa medioambiental del anterior punto, pretende generar energía de una forma sostenible y menos agresiva con el medio ambiente, dejando atrás los combustibles fósiles.

En nuestro país, según REData, la energía solar fotovoltaica producía poco más de un 3% de la producción nacional en 2017, mientras que en 2023 la producción ha sido de un 14%; un 11% más en apenas 6 años; mientras que la energía eólica ha crecido un 5% en el mismo plazo, siendo un 23,5% de la producción nacional.

El objetivo que se ha propuesto la Unión Europea en 2050 es alcanzar la neutralidad climática, donde las emisiones de gases de efecto invernadero sean iguales o menores a la capacidad de absorción natural del planeta.

Por lo que se prevén grandes cambios en el sector energético para los próximos años.

No obstante, las energías renovables pueden suponer un problema a las redes de energía nacionales, si no existen sistemas de almacenamiento energético que permitan almacenar la energía en momentos de pico. Para ello, se están construyendo instalaciones como centrales de bombeo reversible o de almacenamiento térmico. Pero el futuro seguramente se encuentre en las baterías, donde elementos como el litio, cobalto o níquel son fundamentales.

Todas estas innovaciones en los distintos sectores hacen que la demanda en muchos elementos haya crecido de forma significativa, no con ello la producción, creándose así un déficit que ahora mismo es crítico para algunos elementos.

MATERIAS PRIMAS EN RIESGO DE EXTINCIÓN

Hoy en día existen 34 materias primas consideradas críticas por la UE con riesgo de interrupciones en el suministro; por ello, el pasado marzo se declaró un Reglamento de Materias Primas Fundamentales con la idea de reforzar la

autosuficiencia de la UE, siendo los objetivos para el 2030 los siguientes:

- Al menos un 10% del consumo anual se debe extraer en la UE.

- Al menos el 40% del consumo anual se procese en la UE.

- Al menos el 25% del consumo anual proceda de reciclado interno en la UE.

- No más del 65% del consumo anual en cada materia proceda de un único tercer país.

Proyecto de investigación de yacimiento de metales críticos para la UE.

En nuestro país, según REData, la energía solar fotovoltaica producía poco más de un 3% de la producción nacional en 2017, mientras que en 2023 la producción ha sido de un 14%; un 11% más en apenas 6 años; mientras que la energía eólica ha crecido un 5% en el mismo plazo, siendo un 23,5% de la producción nacional

Esto genera una situación peligrosa, y es que la creciente demanda y el aumento de los precios es un terreno perfecto para la proliferación de proyectos especulativos o proyectos que no respetan el medio ambiente o los derechos de los trabajadores, especialmente en países tercermundistas donde el control o la legislación sean laxos.

Hoy en día, la percepción social de la minería en España es, generalmente, negativa. Y es que la falta de información y los siglos de tropelías medioambientales pasan huella en una sociedad que cada día es más amigable con el medio ambiente y entiende que el futuro sólo puede pasar por la sostenibilidad.

“Desde hace 5 años, Geoplanning tiene un departamento exclusivo dedicado a trabajos de minería siendo la exploración minera su eje principal de trabajo; con personal ampliamente experimentado y con capacidad para perforar más de 1.000 metros de profundidad con testigo continuo

Por lo que estamos en un bucle constante: la sociedad es consciente de los problemas medioambientales que tiene el planeta y conoce la vía para solucionarlos, pero no entiende que el punto de partida para el cambio es una mina. Para agravar este bucle, hay multitud de situaciones similares en distintas zonas de España donde hay indicios minerales, donde algunas asociaciones ecologistas se muestran más ágiles dando los primeros bloques de información, incorrecta y sin ningún criterio técnico en la mayoría de los casos, pero con ello siembran dudas en la población local, carente de conocimiento minero, bien por falta de tradición o bien por falta de cultura en este campo. Esta población cree en esta información sin contrastarla y se posicionan en su lado. Con frecuencia ocurre también que la población arrastra a los mandos políticos locales y/o regionales encargados de otorgar algunos permisos, sesgando ligeramente la toma de decisiones sin basarse al 100% en criterios técnicos.

Todo ello supone demasiados baches para las empresas mineras, que, en algunos casos, sufren una excesiva oposición solamente para realizar una campaña de investigación.

LA DIVULGACIÓN, ASIGNATURA PENDIENTE PARA LA ADMINISTRACIÓN

Por lo tanto, es muy necesaria una correcta divulgación que normalmente se lleva a cabo por las empresas interesadas en realizar investigación. Pero debería existir un programa divulgativo acorde a las aspiraciones que tiene la UE; organismos neutrales como los colegios de minas, las universidades o desde la propia administración, son

quienes deberían acudir a las zonas con ciertos indicios mineros para explicar todo lo que conlleva una mina con sus pros y sus contras y el porqué de su necesidad.

En este sentido, Geoplanning es una importante empresa que colabora con el desarrollo y promoción del sector minero, apoyando la minería responsable y sostenible, y participa en la divulgación a través de redes sociales, congresos, foros divulgativos o colaboraciones con universidades.

La empresa comenzó su actividad hace 20 años siendo una pequeña empresa de geotecnia afincada en Cataluña. Hoy forma un grupo con más de 90 empleados directos repartidos en sus delegaciones en Barcelona, Salamanca y Lérida. Asimismo, es la única empresa que puede realizar todo el abanico de trabajos geotécnicos con medios propios; desde la perforación, ensayos de laboratorio y redacción de informes.

Desde hace 5 años, Geoplanning tiene un departamento exclusivo dedicado a trabajos de minería siendo la exploración minera su eje principal de trabajo; con personal ampliamente experimentado y con capacidad para perforar más de 1.000 metros de profundidad con testigo continuo.

CASOS DE ÉXITO

Durante este periodo, Geoplanning ha colaborado con importantes empresas del sector y en proyectos de minería industrial y polimetálica (Li, Cu, Pb, Zn, Au, Sn, Fe, Ta...), confirmándose como una de las empresas más capacitadas en España en el área de la exploración minera.

En algunos de estos proyectos, Geoplanning ha sacado adelante trabajos muy complicados, bien por la orografía que ha requerido labores logísticas extraordinarias, o bien por la complejidad de la perforación de ciertos materiales. A modo de ejemplo, Geoplanning ha sido capaz de recuperar sondeos de más de 700 m perforados hace más de 50 años, readaptándolos a piezómetros y haciéndolos de nuevo útiles. O, por otro lado, Geoplanning ha conseguido realizar sondeos en superficie a -20º, rompiendo así la barrera de -45º, algo muy complicado con sondas de perforación de exterior, pero que puede ayudar en algunos yacimientos

Visita de la Universidad de Salamanca a un proyecto de exploración de Li-Sn-Ta en Salamanca.
Proyecto medioambiental de instalación de piezómetros en la Manga del Mar Menor (Murcia).

donde los accesos o la disposición de materiales requieren estos ángulos.

A todo lo anterior, hay que añadir que Geoplanning es la única empresa en España con capacidad para perforar con sistema Sonic Drilling, un innovador método de perforación que combina la vibración con la rotación, y que resulta ideal para perforar materiales complicados con otros métodos, como pueden ser gravas o arenas con baja o nula cohesión.

NUEVO HORIZONTE EN LA EXPLORACIÓN

Esto abre un nuevo horizonte en la investigación minera, ya que son muchas empresas las que requieren perforación en escombreras, balsas o tailings, hasta ahora por control geotécnico o hidrogeológico de los mismos; pero en los últimos años, estos depósitos han cobrado importancia capital ya que pueden contener grandes concentraciones polimetálicas que, con el auge de los precios, hacen rentable su explotación.

En resumen, Geoplanning es una empresa en constante expansión que cuenta con una plantilla de profesionales ampliamente capacitados. Su gran versatilidad le permite atacar proyectos complejos y multidisciplinares siempre con la premisa de dar el mejor servicio al cliente forjando con ello relaciones comerciales que perduren en el tiempo.

Sonda Sonic Drilling Duo con doble cabezal de perforación para perforación sónica y convencional.

Schulte Strathaus desembarca en España con su gama de productos

Starclean para bandas transportadoras

El fabricante alemán de componentes para transportadores de banda Schulte Strathau ha llegado a España. Su amplio portfolio de equipos para el transporte por banda va a contar con Miguel Ángel Sánchez, un experimentado técnico con muchos años de experiencia en el sector de los áridos, como responsable de la marca en España, creando una red comercial de delegados y empresas para las diferentes zonas del país, que se encargarán de la gestión comercial, la instalación de los equipos y la postventa de los equipos Starclean.

Los productos Starclean de Schulte Strathaus ayudan a transportar el material a granel de forma segura, limpia y

Rascador primario Serie 700 con dispositivo tensor por torsión de Starclean.

Los productos Starclean de Schulte Strathaus ayudan a transportar el material a granel de forma segura, limpia y fiable. Sus innovadoras soluciones “Spillage Control” garantizan que la cinta transportadora tenga una vida larga y sin preocupaciones

fiable. Sus innovadoras soluciones “Spillage Control” garantizan que la cinta transportadora tenga una vida larga y sin preocupaciones. El camino hacia un transporte eficiente de material a granel y la optimización de la rentabilidad de la cinta transportadora incluye una limpieza adecuada de la cinta transportadora, un centrado fiable de la cinta transportadora y el sellado del sistema.

El sistema Starclean proporciona una solución integral que ofrece numerosas ventajas. La optimización de todo el sistema de la planta y el control inteligente y eficiente del flujo de material permiten un transporte económico de materiales a granel. Al mismo tiempo, se reduce la gene-

“Un elemento clave del sistema de control de vertidos Starclean son los rascadores de la cinta transportadora, que garantizan una limpieza adecuada y cuidadosa de la cinta transportadora. Gracias al innovador mecanismo TwistSwing, los rascadores se adaptan de forma óptima a la cinta durante el funcionamiento y la protegen de posibles daños. Gracias al escaso desgaste de los rascadores y a la eficaz limpieza de la cinta transportadora, la vida útil de ambos componentes se prolonga considerablemente. Esto se traduce en una reducción de los costes de sustitución y mantenimiento

ración de polvo, perjudicial para el medio ambiente y la salud, y se incrementa significativamente la vida útil del sistema transportador.

Un elemento clave del sistema de control de vertidos Starclean son los rascadores de la cinta transportadora, que garantizan una limpieza adecuada y cuidadosa de la cinta transportadora. Gracias al innovador mecanismo Twist-Swing, los rascadores se adaptan de forma óptima a la cinta durante el funcionamiento y la protegen de posibles daños. Gracias al escaso desgaste de los rascadores y a la eficaz limpieza de la cinta transportadora, la vida útil de ambos componentes se prolonga considerablemente. Esto se traduce en una reducción de los costes de sustitución y mantenimiento. Además, las cuchillas de los rascadores pueden sustituirse sin herramientas cuando es necesario cambiar las piezas de desgaste.

Para apoyar el proceso de control de derrames, Starclean ofrece además sistemas de impacto que absorben la energía de caída del material a granel, protegiendo la cinta de daños cuando el material cae sobre el transportador. Además, los sistemas de seguimiento de Starclean proporcionan un centrado fiable de la cinta transportadora en caso de seguimiento erróneo para evitar la pérdida de material. Un aspecto especialmente importante de la sostenibilidad es la reducción del polvo. Starclean ofrece sellos flexibles para puntos de transferencia que minimizan las fugas de polvo y evitan la contaminación en los puntos de transferencia. Estos sellos no sólo permiten un entorno de trabajo más limpio, sino que también contribuyen al guiado eficaz del material a granel.

EL NUEVO STARCLEAN SMART SCRAPER

Un producto innovador en la cartera de Starclean Spillage Control es el nuevo Starclean Smart Scraper. Este exclusivo rascador automárascadora mediante la detección automática del desgaste. Gracias a esta innovación digital, el rascador puede autorregular automáticamente la carga de pretensado. De este modo se mejora el rendimiento y se

Rascador secundario Serie 500 con rodillos de contrapresión segmentados.
Rascador secundario Serie 500 con rodillos de contrapresión segmentados.

“Además de los componentes individuales de la cinta transportadora, Starclean también ofrece un sistema completo de cinta transportadora: el Safebelt. Una cinta transportadora cerrada que protege el material a granel de las condiciones meteorológicas y las influencias externas. El Safebelt realiza radios de curva estrechos e inclinaciones pronunciadas con requisitos de espacio mínimos. Al mismo tiempo, se impide casi por completo la salida de polvo y líquidos, y los olores permanecen encerrados en la cinta transportadora

“Gracias a esta innovación digital, el rascador puede autorregular automáticamente la carga de pretensado. De este modo se mejora el rendimiento y se prolonga la vida útil de la cinta transportadora. La detección de daños en la cinta evita paradas imprevistas del transportador y, por tanto, costosas interrupciones de la producción. En cualquier caso, toda la información se recibe a tiempo por correo o SMS, pudiéndose llevar a cabo otras acciones, como detener la cinta transportadora

prolonga la vida útil de la cinta transportadora. La detección de daños en la cinta evita paradas imprevistas del transportador y, por tanto, costosas interrupciones de la producción. En cualquier caso, toda la información se recibe a tiempo por correo o SMS, pudiéndose llevar a cabo otras acciones, como detener la cinta transportadora.

SAFEBELT, SISTEMA CERRADO DE CINTA TRANSPORTADORA

Además de los componentes individuales de la cinta transportadora, Starclean también ofrece un sistema completo de cinta transportadora: el Safebelt. Una cinta transportadora cerrada que protege el material a granel de las condiciones meteorológicas y las influencias externas. El Safebelt realiza radios de curva estrechos e inclinaciones pronunciadas con requisitos de espacio mínimos. Al mismo tiempo, se impide casi por completo la salida de polvo y líquidos, y los olores permanecen encerrados en la cinta transportadora. El resultado es un transporte ecológico y eficiente del material a granel, protegiendo así el medio ambiente y a las personas.

Segmento de un transportador de cinta cerrado Safebelt.
Instalación de giro de un transportador de cinta cerrado Safebelt.

“Estaciones de choque

Starclean ofrece a las empresas la oportunidad de llevar su transporte de material a granel a un nuevo nivel. Las innovadoras soluciones de control de vertidos no sólo garantizan un transporte seguro y fiable, sino que también optimizan la eficiencia económica de la cinta transportadora

Starclean ofrece a las empresas la oportunidad de llevar su transporte de material a granel a un nuevo nivel. Las innovadoras soluciones de control de vertidos no sólo garantizan un transporte seguro y fiable, sino que también optimizan la eficiencia económica de la cinta transportadora. El control eficaz del flujo de material, la limpieza perfecta de la cinta transportadora y el centrado fiable de la cinta transportadora aumentan la productividad y minimizan el tiempo de inactividad. Al mismo tiempo, Starclean contribuye a la protección del medio ambiente evitando la generación de polvo perjudicial para el entorno y la salud.

Para más información: www.schulte-strathaus.de.

Descubriendo la continuidad oculta: Leapfrog Geo garantiza la viabilidad de una mina de caolín en el largo plazo

Ignacio Álvarez es especialista en modelización y estimación de recursos minerales en Asturmine, imparte formación y proporciona soporte técnico a los clientes de Seequent en Europa, África y Oriente Medio.

Noa Pardo es geóloga de recursos en Asturmine, donde colabora en proyectos internacionales enfocada en la modelización de recursos. Aplica técnicas avanzadas, como Leapfrog, para evaluar y optimizar el potencial de yacimientos minerales.

Elisenda Rodríguez es una geóloga especializada en exploración minera y modelamiento 3D, con experiencia internacional en gestión de datos geológicos. Trabaja en Seequent, centrada en soluciones de datos y enseñanza de geociencias.

Gracias al modelado 3D de Leapfrog Geo, se descubrió la estructura oculta de un yacimiento continuo en una mina de caolín que se enfrentaba a complejidades geológicas, lo que prolongó la vida útil de la mina.

La búsqueda de recursos requiere una exploración continua, y las minas establecidas a menudo presentan retos inesperados. Este fue el caso de una explotación de caolín a cielo abierto en la que se enfrentaban a dos problemas importantes:

• Continuidad incierta del yacimiento: la nueva evidencia arrojada por los estudios geofísicos pone en duda el patrón de mineralización anteriormente conocido.

• Material heterogéneo y necesidades diversas de los clientes: la mina produce caolín de distintas calidades, lo que permite satisfacer las necesidades específicas de diversos clientes.

Estos factores representaban una amenaza significativa para la viabilidad de la mina en el largo plazo. Los métodos tradicionales empleados en el sector de los minerales industriales, a menudo basados en representaciones 2D, resultaron insuficientes para comprender plenamente las complejidades de la estructura del yacimiento

Estos factores representaban una amenaza significativa para la viabilidad de la mina en el largo plazo. Los métodos tradicionales empleados en el sector de los minerales industriales, a menudo basados en representaciones 2D, resultaron insuficientes para comprender plenamente las complejidades de la estructura del yacimiento.

Sin embargo, Leapfrog Geo, el avanzado software de modelado geológico 3D de Seequent, ofrecía una solución innovadora para mejorar la comprensión del subsuelo.

DE 20 AÑOS A 5 DÍAS: LEAPFROG GEO AGILIZA LA COMPRENSIÓN DE LOS YACIMIENTOS

Asturmine, una consultora de ingeniería geológica y minera, debía crear un nuevo plan de explotación y un modelo de yacimiento para la compleja mina de caolín. Al reconocer las limitaciones de los métodos 2D, recurrieron a Leapfrog Geo.

“El cliente tenía un conocimiento previo del yacimiento”, explica Ignacio Álvarez, especialista en recursos y reservas; “sin embargo, las zonas de extensión recién descubiertas no se alineaban con su interpretación existente, lo que generó preocupaciones con respecto a los permisos de explotación y la vida útil de la mina”.

Leapfrog Geo proporcionó la plataforma para construir un modelo 3D completo. Al incorporar los datos de las secciones de tomografía y las nuevas mediciones estructurales (Figura 1) adquiridas durante un solo día de campo, Asturmine descubrió información del subsuelo que había permanecido oculta durante más de dos décadas.

REVELANDO EL FUTURO: LEAPFROG

GEO ARROJA LUZ SOBRE UNA NUEVA ARQUITECTURA DE YACIMIENTOS

“El aspecto más desafiante fue integrar los nuevos datos con la información histórica,” explica Noa Pardo, geóloga

““El aspecto más desafiante fue integrar los nuevos datos con la información histórica,” explica Noa Pardo, geóloga que trabaja en modelado. La herramienta Stereonet de Leapfrog Geo (Figura 1) demostró ser muy valiosa, puesto que permite proporcionar un análisis en profundidad de los datos estructurales; de este modo. En Asturmine pudieron determinar el eje del pliegue y modelar con precisión la nueva área

que trabaja en modelado. La herramienta Stereonet de Leapfrog Geo (Figura 1) demostró ser muy valiosa, puesto que permite proporcionar un análisis en profundidad de los datos estructurales; de este modo. En Asturmine pudieron determinar el eje del pliegue y modelar con precisión la nueva área.

La interpretación inicial del yacimiento describía un sistema de vetas paralelas subverticales con una serie de ramificaciones (Figura 2). Sin embargo, el modelo 3D reveló una realidad diferente. Las herramientas de Leapfrog Geo identificaron una estructura compuesta por dos capas de arcilla plegadas (Figura 3). El área minera histórica representaba una sección firmemente plegada, mientras que la nueva área de exploración exhibía un pliegue más abierto, lo que explicaba los contactos horizontales observados y coincidía con la interpretación geofísica.

UNA VISIÓN CLARA: CÓMO CONSTRUIR CONFIANZA PARA EL FUTURO

El modelo 3D generado por Leapfrog Geo proporcionó una imagen mucho más clara y concisa del yacimiento para el

Figura 1. En la imagen se muestra la plantilla estereográfica utilizando la herramienta Stereonet de Leapfrog Geo, que se obtiene como resultado de las mediciones estructurales tomadas en el campo (Crédito: Noa Pardo).

cliente (Figura 3). “El cliente no estaba familiarizado con modelos de esta naturaleza. Fue una revelación, una diferencia significativa respecto a sus métodos tradicionales”, comenta Álvarez.

La representación visual aportó claridad y un sólido razonamiento geológico, lo que alivió las inquietudes sobre la longevidad de la mina.

El cliente recuperó la confianza y estaba ansioso por verificar la nueva interpretación, ya que el modelo también

“El modelo 3D generado por Leapfrog Geo proporcionó una imagen mucho más clara y concisa del yacimiento para el cliente (Figura 3). “El cliente no estaba familiarizado con modelos de esta naturaleza. Fue una revelación, una diferencia significativa respecto a sus métodos tradicionales” comenta Álvarez

Figura 3. De arriba abajo, de izquierda a derecha: vista de plano del nuevo modelo de interpretación, vista lateral del nuevo modelo, sección transversal (Crédito: Noa Pardo).

“La interpretación inicial del yacimiento describía un sistema de vetas paralelas subverticales con una serie de ramificaciones (Figura 2). Sin embargo, el modelo 3D reveló una realidad diferente

Figura 2. De arriba abajo, de izquierda a derecha: vista de plano de la interpretación anterior, vista lateral de la interpretación anterior, sección transversal de la interpretación del modelo original (Crédito: Noa Pardo).

proporcionaba una base sólida para futuras exploraciones con el fin de obtener permisos en nuevas áreas.

MÁS ALLÁ DE LA CONTINUIDAD: UN CAMBIO DE

PARADIGMA PARA OPERACIONES SOSTENIBLES

El impacto de Leapfrog Geo fue más allá de simplemente asegurar futuras reservas. El nuevo modelo 3D permitió a Asturmine optimizar significativamente las operaciones mineras, ofreciendo una serie de beneficios financieros y ambientales al cliente.

EXPLORACIÓN SELECTIVA Y PLANIFICACIÓN

PRESUPUESTARIA SIMPLIFICADA

Con la imagen precisa proporcionada por el modelo Leapfrog Geo, en Asturmine ahora podrían identificar áreas de alto potencial. Este enfoque selectivo permitió una asignación más eficiente de los recursos, lo que potencialmente podría conducir a un importante ahorro de costes en el presupuesto de exploración.

Además, comprender de manera más precisa la estructura del yacimiento ayudará a crear un plan de minería más acertado, lo que, en última instancia, conducirá a un presupuesto más consistente durante la vida útil de la mina.

REDUCCIÓN

DE RESIDUOS Y MINIMIZACIÓN DE LA HUELLA AMBIENTAL

Anteriormente, las limitaciones de los modelos 2D solían conducir a la extracción de material de desecho innecesario durante las operaciones mineras. Sin embargo, la visualización detallada del yacimiento que ofrece Leapfrog Geo permitió que en Asturmine pudieran diseñar estrategias de minería muy específicas. Esto llevó a una reducción significativa en la extracción de residuos, lo que repercutió directamente en los costes de explotación de la mina.

Además, minimizar la extracción de residuos supone una menor huella ambiental. Es necesario procesar, transportar y desechar menos material para que se reduzca el impacto ambiental de la mina y su huella de carbono.

MINERÍA ESPECÍFICA PARA CADA CLIENTE Y MAXIMIZACIÓN DE LOS INGRESOS

En el futuro, la integración del software Leapfrog Edge con el modelo 3D puede desbloquear un nuevo nivel de creación de valor para el cliente. Leapfrog Edge permite estimar los grados de contaminantes dentro de los sólidos modelados. Esto permite a Asturmine dividir la mina en distintos bloques en función del contenido de contaminantes. Con este conocimiento, pueden adaptar estrategias de extracción para responder a las necesidades específicas de cada cliente.

“Anteriormente, las limitaciones de los modelos 2D solían conducir a la extracción de material de desecho innecesario durante las operaciones mineras. Sin embargo, la visualización detallada del yacimiento que ofrece Leapfrog Geo permitió que en Asturmine pudieran diseñar estrategias de minería muy específicas. Esto llevó a una reducción significativa en la extracción de residuos, lo que repercutió directamente en los costes de explotación de la mina

“Leapfrog Geo le brindó a Asturmine las herramientas para transformar sus operaciones mineras. Al permitir la exploración selectiva, minimizar el desperdicio y facilitar la minería específica para cada cliente, el modelo 3D desbloqueó importantes beneficios financieros y ambientales para el cliente, lo que garantiza que pueda maximizar el valor extraído de su recurso de caolín

La mina abastece a una amplia gama de industrias, desde la fabricación de cemento hasta la producción de cerámica, y satisface las distintas necesidades de los clientes en función de la composición química específica del caolín utilizado en cada aplicación. Al comprender las variaciones de contaminantes dentro del yacimiento, los clientes de Asturmine pueden asegurarse de que entregan la calidad exacta de caolín requerida por cada cliente. Este enfoque específico maximiza el valor extraído del yacimiento.

CONCLUSIÓN: UN MODELO EFICIENTE Y SOSTENIBLE

Leapfrog Geo demostró ser una herramienta muy valiosa que permite transformar décadas de incertidumbre en un camino claro a seguir. El modelo 3D no sólo aseguró el futuro de la mina, sino que también permitió optimizar las operaciones, minimizar el impacto ambiental y maximizar la satisfacción del cliente.

La historia de Asturmine demuestra el poder de Leapfrog Geo para superar los desafíos complejos relacionados con la geología y aprovechar todo el potencial de un recurso, todo ello en un tiempo notablemente corto.

Leapfrog Geo le brindó a Asturmine las herramientas para transformar sus operaciones mineras. Al permitir la exploración selectiva, minimizar el desperdicio y facilitar la minería específica para cada cliente, el modelo 3D desbloqueó importantes beneficios financieros y ambientales para el cliente, lo que garantiza que pueda maximizar el valor extraído de su recurso de caolín.

Datos principales:

• El modelado 3D de Leapfrog Geo reveló una continuidad oculta en un yacimiento de caolín.

• El nuevo modelo aseguró el futuro de la mina y facilitó la exploración selectiva.

• Leapfrog Edge optimizó la minería, puesto que se redujeron al mínimo los residuos y permitió que la extracción sea específica para cada cliente.

Borrero Sánchez Hermanos, verdadero proveedor de soluciones para el sector minero

La empresa familiar Borrero Sánchez Hermanos, más conocida como BSH, es una compañía tecnológica fundada en 1991 en Sevilla. Tras varias décadas de especialidad en estanqueidad avanzada, en hidráulica y en neumática, su gran éxito se centra en el continuo crecimiento y en la adaptación a las necesidades de sus clientes. Se caracteriza por la capacidad de desarrollar soluciones usando las últimas tecnologías, siendo conocida en la industria por la amplia gama de productos estándar y la incorporación de nuevos sistemas de fabricación de juntas especiales.

Esta compañía familiar dispone actualmente de sus instalaciones principales en Sevilla, concretamente en el polígono industrial Store, donde en 4.600 m2 de terreno se erigen unas naves que cuentan en su interior con la última tecnología de producción, además de tres almacenes con

Esta compañía familiar dispone actualmente de sus instalaciones principales en Sevilla, concretamente en el polígono industrial Store, donde en 4.600 m2 de terreno se erigen unas naves que cuentan en su interior con la última tecnología de producción

más de 120.000 referencias con las que dar un servicio de gran calidad a todos sus clientes. Está previsto que en los próximos meses se consuma una gran ampliación de sus instalaciones principales, donde acogerán de forma más amplia y ordenada la zona de producción, acabado, laboratorio y departamento de I+D, así como el almacén, la tienda y las oficinas.

También dispone de unas instalaciones de 1.000 m2 en el polígono industrial de Juncaril, en Granada, y otras en el polígono industrial de Palmones, en el Campo de Gibraltar, en Cádiz y Huelva, lo que garantiza un servicio extraordinario a sus clientes andaluces, tanto por la calidad de los productos que fabrican y comercializan, así como por los tiempos de entrega, aspecto este último muy demandado actualmente. Además, en Castillo de Guardas dispone de un almacén logístico para dar servicio sólo a la cuenca minera y en las instalaciones de Matsa cuenta con un taller de racorería y latiguillos y un almacén para dar servicio a la mina y a las subcontratas.

“BHS se caracteriza en toda Andalucía por un servicio impecable, ofreciendo materiales fabricados por ellos mismos, productos y elementos de marcas punteras, así como servicio de reparación y mantenimiento 24 horas, lubricación y monitoreo de equipos, etc. Para ello cuenta en sus instalaciones de Sevilla con tres almacenes automáticos de última generación, que permiten unos plazos de entrega reducidos, un control estadístico, una reducción de los errores en las labores de picking mediante automatización y una trazabilidad del producto desde el origen hasta su entrega al cliente final

Sin embargo, BHS se caracteriza en toda Andalucía por un servicio impecable, ofreciendo materiales fabricados por ellos mismos, productos y elementos de marcas punteras, así como servicio de reparación y mantenimiento 24 horas, lubricación y monitoreo de equipos, etc. Para ello cuenta en sus instalaciones de Sevilla con tres almacenes automáticos de última generación, que permiten unos plazos de entrega reducidos, un control estadístico, una reducción

“Dentro del apartado de fabricación, esta empresa sevillana ofrece fabricación y reparación de cilindros, corte por chorro de agua y abrasivo con cabezal dinámico de última generación para corte de piezas en 3D, sistemas de producción por moldeo mediante extrusión e inducción de cauchos y poliuretanos, y un sistema de producción SKF que da soluciones de estanqueidad mecanizada para aplicaciones de transmisión de potencia por fluidos, hidráulica y neumática, incluyendo juntas de gran diámetro especiales con un rango dimensional prácticamente ilimitado

El servicio al cliente es uno de los aspectos más reconocidos de BSH.

“La

adquisición de BSH ha sido una prensa hidráulica.

Borrero Sánchez Hermanos es muy conocido en el sector minero andaluz y en toda España y Europa; sin embargo, su presencia en otras áreas es también muy interesante. Así, destaca el sector aeronáutico, agrícola, energético, agroalimentario e industrial, donde en todos ellos es considerada una empresa proveedora y de servicios de primer nivel. De hecho, BSH cuenta actualmente con contratos de mantenimiento en empresas como Indra, donde lleva el mantenimiento de los simuladores de vuelo de la base de Rota, o el servicio de mantenimiento de los pulpos en el puerto de Acerinox, y el mantenimiento de la centrifugadora de la planta de Cobre Las Cruces, entre otras compañías mineras

Sistema de producción SKF para estanqueidad mecanizada en aplicaciones de transmisión de potencia por fluidos, hidráulica y neumática.

de los errores en las labores de picking mediante automatización y una trazabilidad del producto desde el origen hasta su entrega al cliente final.

Dentro del apartado de fabricación, esta empresa sevillana ofrece fabricación y reparación de cilindros, corte por chorro de agua y abrasivo con cabezal dinámico de última generación para corte de piezas en 3D, sistemas de producción por moldeo mediante extrusión e inducción de cauchos y poliuretanos, y un sistema de producción SKF que da soluciones de estanqueidad mecanizada para aplicaciones de transmisión de potencia por fluidos, hidráulica y neumática, incluyendo juntas de gran diámetro especiales con un rango dimensional prácticamente ilimitado. Entre los activos con los que cuenta BSH en sus instalaciones centrales de Sevilla se encuentra un centro de mecanizado con mesa de 1.200 mm, tornos CMZ de control numérico, fresas puente y un taller convencional.

De marcas punteras mundialmente conocidas, BSH comercializa los sellados Klinger y los sistemas de producción y de transmisión de potencia SKF, dos gigantes mundiales que se caracterizan por la calidad de los productos que fabrican.

Para los trabajos en campo, BSH cuenta con varios talleres móviles, al que se ha incorporado recientemente una furgoneta exposición para llevar soluciones a sus clientes allá donde lo necesiten.

Borrero Sánchez Hermanos es muy conocido en el sector minero andaluz y en toda España y Europa; sin embargo, su presencia en otras áreas es también muy interesante. Así, destaca el sector aeronáutico, agrícola, energético, agroalimentario e industrial, donde en todos ellos es considerada una empresa proveedora y de servicios de primer nivel. De hecho, BSH cuenta actualmente con contratos de mantenimiento en empresas como Indra, donde lleva el mantenimiento de los simuladores de vuelo de la base de Rota, o el servicio de mantenimiento de los pulpos en el puerto de Acerinox, y el mantenimiento de la centrifugadora de la planta de Cobre Las Cruces, entre otras compañías mineras.

El apartado de fabricación destaca por la producción de las superficies cribantes de caucho para los grandes equipos mineros, las juntas de gran diámetro y los sellados Klinger, las piezas moldeadas con todo tipo de elastómeros, como fluorosilicona, NBR, EPDM o silicona Viton, y las válvulas CMO para la industria minera, las compuertas y equipos hidrológicos, los dampers para el tratamiento de aire y gas, las válvulas para agua y las soluciones para desaladoras.

En definitiva, BSH es una empresa altamente especializada que produce piezas y ofrece mantenimiento para todos los procesos industriales, siendo muy conocida y reconocida por su excelente servicio, sus piezas de gran calidad y fiabilidad, y una calidad humana fuera de serie.

última

CRN Consultores, the big picture for your mine

Permítanme que les hable de CRN Consultores, desde una visión amplia e integral de la minería. La experiencia de CRN en minería, aguas y medio ambiente es fruto de una amplia trayectoria en el sector minero, donde su liderazgo le proporciona una visión que permite abordar complejos proyectos mineros, apoyados en un experto equipo humano que desarrolla todos los servicios necesarios hasta completar el ciclo de vida del proyecto con éxito. De este modo, “La foto grande de la minería” nos permite expresar una visión integradora de todo el complejo ciclo minero.

Con más de 27 años de experiencia y un equipo técnico de alto nivel, CRN ofrece servicios a medida basados en la innovación y las mejores técnicas disponibles para la minería, junto a estándares de calidad y responsabilidad medio ambiental, facilitando soluciones integrales a lo largo de todas las fases del proyecto.

La industria del cemento, los minerales industriales, la minería metálica y de los materiales de la construcción son algunos de los principales sectores mineros de nuestra cartera de clientes.

DESDE EL YACIMIENTO A LA MINA

CRN ha realizado más de 250 proyectos de explotación minera en distintos entornos geológicos. Nuestra experiencia

“Con más de 27 años de experiencia y un equipo técnico de alto nivel, CRN ofrece servicios a medida basados en la innovación y las mejores técnicas disponibles para la minería, junto a estándares de calidad y responsabilidad medio ambiental, facilitando soluciones integrales a lo largo de todas las fases del proyecto

nos permite adaptar métodos a las particularidades de cada situación.

Nuestros trabajos cubren desde la geología estructural y el control geológico de sondeos, en la etapa de investigación geológica, a la integración tridimensional de datos geológicos y geofísicos, con herramientas que permiten la visualización y análisis de complejas estructuras geológicas.

Realizamos la evaluación de recursos y reservas mineras (MRE, PFS, FS) bajo estándares internacionales JORC, NI43 101 y PERC, habiendo listado proyectos mineros en los mercados de materias primas; Sídney, Toronto y Lon-

Corta minera de Azkarate en Zubiri (Navarra, España).

dres. Varios miembros de nuestro equipo pertenecen a Asociaciones Profesionales Reconocidas, y están cualificados para la evaluación económica de recursos y de activos mineros de acuerdo con estándares internacionales (Qualifies Person).

Hemos desarrollado trabajos en diferentes contextos geológicos; desde depósitos sedimentarios de carbonatos, yesos, fosfatos, a macizos rocosos ígneos y metamórficos deformados y de geología compleja.

HIDROGEOLOGÍA PARA

MINERÍA

CRN se ha distinguido por el desarrollo de la hidrogeología aplicada a la minería junto a sus capacidades de modelización hidrogeológica basadas en un sólido modelo geológico y conceptual. La fuerza del modelo conceptual y el buen conocimiento de los condicionantes en la explotación y en la gestión de los recursos hídricos son los puntos clave de los modelos hidrogeológicos de CRN.

“Unos resultados fiables obtenidos con la modelización hidrogeológica en minería, permiten la determinación de los recursos hídricos implicados en un proyecto en distintos escenarios bajo las condiciones de simulación, hasta obtener los caudales de bombeo necesarios para dimensionar las instalaciones de rebajamiento piezométrico, la extensión de áreas afectadas por contaminación y los balances de flujos de mina

La modelización nos permite reproducir múltiples escenarios una vez lograda la adecuada calibración apoyada en series de control y ensayos de bombeo, para obtener resultados convergentes y robustos que reproducen fielmente la realidad de los macizos rocosos, sus zonificaciones y los acuíferos presentes en la explotación minera y su entorno.

“CRN ha desarrollado importantes proyectos de drenaje minero en explotaciones en las que es necesario el rebajamiento piezométrico para el inicio y desarrollo de las labores mineras

Unos resultados fiables obtenidos con la modelización hidrogeológica en minería, permiten la determinación de los recursos hídricos implicados en un proyecto en distintos escenarios bajo las condiciones de simulación, hasta obtener los caudales de bombeo necesarios para dimensionar las instalaciones de rebajamiento piezométrico, la extensión de áreas afectadas por contaminación y los balances de flujos de mina.

CRN ha modelizado, entre otros, el yacimiento de la mina de Lomero, donde se ha realizado un estudio preoperacional de la mina; y el yacimiento de la mina del Toral, donde se ha realizado el modelo de flujo calibrado con ensayos de bombeo. También desarrolla y opera modelos de flujo aplicados a obra civil, como los de las obras del Canal de Acceso para la integración de la alta velocidad en la Ciudad de Valencia, donde se ha finalizado con un gran ajuste el modelo de flujo subterráneo simulando las pantallas del túnel del canal de acceso, deduciendo el comportamiento del flujo para la ejecución de la obra.

DRENAJE Y REBAJAMIENTO MINERO (DEWATERING)

CRN ha desarrollado importantes proyectos de drenaje minero en explotaciones en las que es necesario el rebajamiento piezométrico para el inicio y desarrollo de las labores mineras.

Con la entrada y participación de Ferrer Dewatering en este año 2024, en CRN consultores hemos conseguido una gran sinergia, integrando el diseño y cálculo de sistemas, con la capacidad de ejecución de los proyectos de drenaje. Los métodos de rebajamiento que ha aplicado CRN son de

Vista oblicua de modelo de bloques del yacimiento de hierro (formación BIF) en Zouerate (Mauritania).
Vista tridimensional de un modelo de flujo.

amplio espectro; mediante pozos de bombeo, aplicación de Well Points, etc., tanto en materiales detríticos como en macizos rocosos.

El drenaje minero con rebajamiento del nivel piezométrico, supone que las aguas que se extraen no tienen contacto con la mina y, por tanto, se pueden entregar al medio receptor sin que impliquen un tratamiento previo.

LOS SISTEMAS INTEGRALES DE GESTIÓN DE AGUAS EN MINERÍA

Uno de los productos en los que CRN ha sido pionera es en los Sistemas Integrales de Gestión de Aguas (SIGA). Se trata de estudios que determinan los flujos implicados en un proyecto minero e integran las soluciones constructivas adecuadas que se requieren para cada tipo de aguas de una mina; aguas de proceso, pluviales, aguas de drenaje minero, sanitarias, etc.

Son aspectos importantes la separación de aguas externas al proyecto y las aguas de contacto, así como la reducción de aguas de vertido, e incluso proyectos de vertido cero.

En esta línea CRN ha sido innovadora en el desarrollo de sistemas de depuración de aguas pluviales y de mina, aportando soluciones adaptadas a cada tipo de proyecto.

PLANES DE RESTAURACIÓN; LA MINA ES

PARTE DE LA HISTORIA DEL LUGAR

El círculo virtuoso que ha realizado la minería en los últimos años en cuanto a su protección del medio ambiente es extraordinario, y se enfrenta a desafíos más exigentes. Es

Una de las perspectivas que fue necesario establecer en la década de los años 90, ante los departamentos de medioambiente a la hora de la restauración, fue que el proyecto minero forma parte de la historia del sitio donde se desarrolla

“El círculo virtuoso que ha realizado la minería en los últimos años en cuanto a su protección del medio ambiente es extraordinario, y se enfrenta a desafíos más exigentes. Es necesario que la minería no sólo suministre al mundo los minerales necesarios para una nueva industria de materias críticas, sino que armonice el crecimiento económico con el bienestar social y ambiental. Es aquí donde cumple un papel fundamental la restauración de los espacios degradados por la actividad minera

necesario que la minería no sólo suministre al mundo los minerales necesarios para una nueva industria de materias críticas, sino que armonice el crecimiento económico con el bienestar social y ambiental. Es aquí donde cumple un papel fundamental la restauración de los espacios degradados por la actividad minera.

Una de las perspectivas que fue necesario establecer en la década de los años 90, ante los departamentos de medioambiente a la hora de la restauración, fue que el proyecto minero forma parte de la historia del sitio donde se desarrolla.

La entrada del RD 975/2009 para la restauración de espacios mineros marcó un antes y un después en la responsabilidad social y medioambiental de la minería. En CRN venimos trabajando en proyectos complejos, en los que la integración de las fases de explotación con las fases de restauración se realiza con un alto nivel técnico y con la aplicación de herramientas de software tridimensional y minero, como el Vulcan 3D.

En CRN desarrollamos soluciones modernas de restauración para la recuperación paisajística del entorno y de los hábitats, teniendo en cuenta el tipo de explotación y su entorno medioambiental y socioeconómico. En la medida

Ejemplo de rebajamiento en huecos mineros.

“Desde la elaboración de los primeros EsIA, CRN ha ido evolucionando en paralelo a la normativa ambiental y a las nuevas demandas de la sociedad y la administración, cada vez más preocupada por el medio ambiente. CRN ofrece una visión global de las implicaciones ambientales del proyecto desde la fase de planificación, partiendo de un minucioso análisis de alternativas que facilita el establecimiento preliminar de aquellas medidas necesarias para minimizar los impactos identificados

Balsa de decantación y cuenco de disipación con canales (Borobia).

de lo posible aplicamos una minería de transferencia y la potenciación de la biodiversidad durante la explotación y en la situación final restaurada. De modo que incluso la mina en su desarrollo y en su restauración constituye un espacio de oportunidades para el medioambiente, la flora y la fauna. Así, se está empezando a entender en muchos departamentos de medioambiente de la administración española, y por ello se trabaja en la línea de impulsar situaciones ambientalmente ventajosas, que den lugar a sitios singulares con una mayor biodiversidad.

ESTUDIOS DE IMPACTO AMBIENTAL PARA LA NUEVA MINERÍA

Desde la elaboración de los primeros EsIA, CRN ha ido evolucionando en paralelo a la normativa ambiental y a las nuevas demandas de la sociedad y la administración, cada vez más preocupada por el medio ambiente. CRN ofrece una visión global de las implicaciones ambientales del proyecto desde la fase de planificación, partiendo de un minucioso análisis de alternativas que facilita el establecimiento preliminar de aquellas medidas necesarias para minimizar los impactos identificados.

El trabajo de un equipo multidisciplinar, que cuenta con el apoyo de colaboradores que cubren áreas ambientales críticas, permiten que el proyecto pueda ir adaptándose a los requerimientos ambientales y propuestas realizadas por los especialistas para la protección del medio.

Así, la aplicación de medidas preventivas y correctoras innovadoras y el establecimiento de un marco de trabajo común con las administraciones y organismos ambientales implicados ha permitido llevar a cabo proyectos mineros en áreas ambientalmente sensibles.

INNOVACIÓN

CRN siempre ha mantenido un alto nivel tecnológico e innovador para dar servicio al sector minero. Desde la aplicación y adaptación de herramientas informáticas específicas para la minería, hasta el desarrollo de soluciones en la integración de datos geológicos y geofísicos, en la modelización hidrogeológica y en la gestión de las aguas subterráneas. Las líneas innovadoras en las que trabaja CRN son las siguientes:

• Monitorización y equipos de redes de control ambiental y de producción para la minería. Proyecto The Connected Mine. Desde la mina a la expedición.

• Adaptaciones en Modflow y Feeflow en minería y en obra civil, y técnicas de rebajamiento minero.

• Arcillas activables para la fabricación de cemento y reducción de emisiones de CO2.

• Estructuras de filtración y decantación de pluviales en minas.

• Tratamiento de aguas y de áreas de alto potencial de generación de aguas ácidas

• Recirculación de agua mediante emisario, seguimiento y medición de la pluma y control periódico.

En conclusión, nuestras capacidades abarcan desde la exploración inicial hasta la producción sostenible, con un enfoque en la innovación y la responsabilidad medioambiental y social. Con un equipo altamente cualificado y una sólida base de conocimientos, continuamos contribuyendo al desarrollo de una minería moderna y sostenible.

La Fundación Minería y Vida ofrece un espacio de debate sobre la situación de la industria extractiva en el I Foro Minería y Vida

La Fundación Minería y Vida, que agrupa a las principales organizaciones del sector de las materias primas minerales, organizó la celebración del I Foro Minería y Vida, un evento pionero que tuvo lugar en el Instituto de la Ingeniería de España en Madrid el pasado 26 de septiembre. Este foro tiene como objetivo principal abrir un canal de comunicación y debate continuo entre la industria extractiva española y sus grupos de interés, con el fin de construir un futuro más sostenible y ético para la minería en España.

El encuentro reunió a más de 90 personas representantes de diversos sectores sociales, incluyendo empresas del sector minero, asociaciones conservacionistas, sindicatos, administraciones públicas, comunidades locales, universidades, centros de investigación, consultoras externas y medios de comunicación. Juntos, estos actores tratan sobre los retos actuales de la minería, buscan soluciones consensuadas y definen los temas prioritarios a trabajar en el futuro.

César Luaces, secretario general de la Fundación Minería y Vida, destacó la importancia de esta iniciativa en el contexto actual: "En un momento en que ya no dudamos del papel crucial de las materias primas para la transición energética y digital, este foro representa una oportunidad única para consolidar el papel estratégico de la minería en España y Europa. La colaboración entre todos los actores implicados es esencial para garantizar un suministro sostenible y responsable de los recursos que son fundamentales para nuestro futuro", aseguró Luaces.

El evento contó con la participación de expertos y líderes de opinión que compartieron sus conocimientos y experiencias, promoviendo un diálogo constructivo y enriquecedor

Beltrán de Ceballos Vázquez. César Luaces.
Joaquín Araujo Ponciano. Rafael González Gil.

“Entre los objetivos de este I Foro, se encuentraban el fomento de la colaboración público-privada y la mejora de la calidad de vida de las comunidades donde opera la minería, además de contribuir a cambiar la percepción social que aún existe de la industria extractiva, y trabajar en definir una hoja de ruta consensuada para el sector en España

El evento contó con la participación de expertos y líderes de opinión que compartieron sus conocimientos y experiencias, promoviendo un diálogo constructivo y enriquecedor. Entre los participantes detacaron Sara Aagesen, secretaria de Estado de Energía (Ministerio para la Transición Ecológica y el Reto Demográfico); Daniel Torrejón, subdirector general de Minas (Ministerio para la Transición Ecológica y el Reto Demográfico); Rafael González, vicepresidente de Primigea; Javier Targhetta, presidente de la Fundación Minería y Vida; Beltrán de Ceballos, naturalista o Manuel Merino, presidente de los Red de grupos de Desarrollo Rural de Castilla y León. El evento contó también con la asistencia de los Directores Generales con competencias en minería de comunidades autónomas como Extremadura, Murcia, Madrid, Andalucía, Asturias, Baleares y Canarias.

Entre los objetivos de este I Foro, se encontraban el fomento de la colaboración público-privada y la mejora de la calidad de vida de las comunidades donde opera la minería, además de contribuir a cambiar la percepción social que aún existe de la industria extractiva, y trabajar en definir una hoja de ruta consensuada para el sector en España.

El programa recogió dos conferencias, tituladas “Minería y Patrimonio Natural”, a cargo del naturalista Joaquín Araujo, y “El contexto de la minería en España”, por parte de Sara Aagesen. Igualmente, también se celebraron dos mesas redondas moderadas por expertos donde se debatió, en primer lugar, sobre los mejores métodos de restauración de canteras con vistas a aumentar la biodiversidad en los entornos mineros; y, en segundo lugar, sobre el futuro de la minería en España y los retos que enfrenta, con la presencia de entidades provenientes del mundo rural, empresas mineras, grupos conservacionistas o de la administración pública.

Para finalizar, se organizaron dos workshops para debatir conjuntamente acerca de las oportunidades y debilidades de la minería en España y de la priorización de las temáticas a trabajar en el futuro de la minería en España.

Además, tras este primer Foro, se constituyó el Consejo Minería y Vida, que dará seguimiento a los temas prioritarios identificados durante el evento y preparará la organización de futuros encuentros.

Pan Global, a la vanguardia de la investigación y exploración minera

Pan Global Resources Inc. es una empresa de investigación minera cuyo objetivo principal es la exploración, descubrimiento y puesta en valor de yacimientos minerales, en particular de metales básicos y metales preciosos en España. Opera en nuestro país mediante las empresas Minera Sabina, S.L.U. y Minera Águila, S.L.U., constituidas en España y con sede en Andalucía. Pan Global cotiza en las bolsas de Toronto, Nueva York y Frankfurt y tiene accionistas internacionales, incluidos españoles y europeos.

La estrategia de Pan Global consiste en identificar y poner en valor los posibles yacimientos minerales localizados mediante las labores de investigación y exploración antes mencionadas. La investigación realizada por la empresa está aún en una fase temprana y se centra de manera principal en el cobre, que es un metal fundamental para ayudar a cumplir los objetivos globales de emisiones y de eliminación del uso de combustibles fósiles. El cobre ha sido declarado por la Unión Europea materia prima mineral crítica y estratégica para la transición verde, por su gran importancia económica y alto riesgo de falta de suministro exterior.

Pan Global ha invertido en España desde 2016 más de 21 millones de euros, totalmente financiados por inversión

privada, para realizar trabajos de investigación y exploración (cartografía, geología, geofísica, geoquímica, perforación, testificación y análisis de muestras), así como otros trabajos complementarios (modelización de recursos, estudios ambientales y patrimoniales, metalurgia y proceso). Emplea directamente en la actualidad a 16 personas a las que se añaden otras 15 a 20 subcontratadas o de empresas auxiliares, la mayor parte de ellas en el entorno local cercano a sus proyectos. Las áreas donde Pan Global realiza sus trabajos de exploración en España se agrupan en tres proyectos, denominados Escacena (Huelva y Sevilla), Águilas (Córdoba) y Cármenes (León).

Pan Global considera primordial operar de manera responsable y sostenible desde el punto de vista social, medioambiental y de gobierno corporativo. Las actividades de la empresa incluyen la obtención de derechos mineros adicionales en España con el fin de proseguir sus labores de exploración minera.

PROYECTO ESCACENA

El Proyecto Escacena comprende más de 9.000 hectáreas de permisos de investigación otorgados o en trámite de otorgamiento en los municipios de Escacena del Campo (Huelva) y Aznalcóllar (Sevilla), donde la empresa lleva

Mineral de cobre (calcopirita) del yacimiento de La Romana en un testigo de sondeo.

“Pan Global considera primordial operar de manera responsable y sostenible desde el punto de vista social, medioambiental y de gobierno corporativo. Las actividades de la empresa incluyen la obtención de derechos mineros adicionales en España con el fin de proseguir sus labores de exploración minera

realizando labores de exploración desde 2019. Este proyecto está situado en la Faja Pirítica Ibérica, cerca de Sevilla, en Andalucía, que es el principal distrito de sulfuros masivos de origen volcánico del mundo.

En esta zona Pan Global ha localizado un yacimiento de sulfuros masivos en el paraje denominado La Romana, en el municipio de Aznalcóllar. El yacimiento presenta un importante contenido en cobre con leyes significativas de estaño y plata, y aún se sigue sondeando para ampliar sus límites. Se han realizado estudios metalúrgicos que demuestran que es posible recuperar tanto el cobre como el estaño con altas tasas de recuperación y muy bajo contenido en elementos penalizantes. La empresa también lleva realizando desde hace tiempo estudios medioambientales y arqueológicos en la zona con el objeto de identificar posibles interacciones.

Adicionalmente, Pan Global ha localizado un nuevo yacimiento en la zona denominada Cañada Honda, también en el municipio de Aznalcóllar. Este yacimiento presenta interesantes contenidos en cobre, oro y algún otro metal de interés como el cobalto, y en la actualidad se está trabajando para definir su extensión y recursos minerales.

Pan Global sigue investigando dentro del Proyecto Escacena múltiples indicios aportados por los estudios geológicos y que podrían dar lugar al descubrimiento de nuevos yacimientos. Una de las zonas de mayor interés es la

“ Pan Global sigue investigando dentro del Proyecto Escacena múltiples indicios aportados por los estudios geológicos y que podrían dar lugar al descubrimiento de nuevos yacimientos

Máquina de sondeos en operación.
Labores de testificación de sondeos. (Cortesía de Evident Industrial).
Área de permisos de investigación del proyecto Escacena mostrando los yacimientos de La Romana y Cañada Honda y el objetivo Bravo.

denominada Bravo, al este de La Romana, donde una importante anomalía gravimétrica coincidente con anomalías geoquímicas está siendo estudiada en la actualidad.

En el caso de que alguno de esos yacimientos demuestre ser rentable para su explotación, el Consejo de Administración de Pan Global tomará en su momento la decisión más adecuada para los intereses de la compañía asumiendo su gestión directa o transmitiéndolo a otra empresa que pueda encargarse de una posible operación minera. En ese sentido, la localización del Proyecto Escacena es estratégica por su cercanía a los proyectos mineros de Los Frailes, Cobre Las Cruces o Riotinto.

PROYECTO ÁGUILAS

El Proyecto Águilas ocupa más de 16.000 hectáreas en permisos de investigación otorgados o pendientes de otorgamiento en los municipios cordobeses de Villanueva de Córdoba, Cardeña, Conquista y Montoro, así como el de Fuencaliente en Ciudad Real. La exploración en estos permisos se inició en 2017 con labores de recopilación de información histórica y trabajos de geoquímica y geofísica, continuados con sondeos a partir de 2018 con el objetivo de encontrar mineralizaciones de cobre, plomo, zinc, plata y oro.

Adicionalmente, en los municipios cordobeses de Belmez y Villanueva del Rey se han obtenido también permisos de investigación con una superficie de casi 4.000 hectáreas; la estrategia de investigación y exploración en estos permisos se centrará en minerales de la sección C, incluidos cobre, plomo, zinc, plata, oro, cobalto y níquel o cualquier otro que pueda ser de interés para su explotación.

PROYECTO CÁRMENES

El Proyecto Cármenes se extiende sobre más de 5.600 hectáreas en permisos de investigación otorgados o pendientes de otorgamiento en los municipios de Cármenes, Villamanín y Sena de Luna en León. Pan Global comenzó, tras adquirir parte de los permisos en 2022, a trabajar en la zona en la que se encuentran las antiguas minas de cobre, cobalto y níquel Divina Providencia y Profunda, sobre yacimientos de tipo “breccia pipe” con excelente potencial para extender significativamente la mineralización lateralmente y en profundidad.

La empresa está realizando en la zona trabajos de campo que incluyen muestreos y cartografía detallada y estudios geoquímicos de superficie, y planifica la realización de sondeos y el seguimiento de objetivos identificados en exploraciones anteriores.

El Proyecto Cármenes se extiende sobre más de 5.600 hectáreas en permisos de investigación otorgados o pendientes de otorgamiento en los municipios de Cármenes, Villamanín y Sena de Luna en León

Anomalía gravimétrica y resultados destacados de los últimos sondeos realizados en La Romana.
Anomalía gravimétrica y últimos sondeos realizados en Cañada Honda.
Geología detallada del área del proyecto Cármenes mostrando la ubicación de las minas Divina Providencia y Profunda.

Drago Electrónica incrementa su presencia internacional y amplia sus instalaciones en Barcelona

Nuevas instalaciones de Drago Electrónica en Martorelles, Barcelona.

Ya desde la década de los años 70, cuando su fundador Adolfo Tristany arrancó la empresa familiar Drago Electrónica, la atención al cliente fue uno de los pilares más estables de esta compañía que perdura hasta hoy en día. Calidad, fiabilidad y conocimiento son otros de los soportes que han permitido que esta empresa española, con vocación internacional, se mantuviera activa más de 50 años.

“Drago Electrónica participa activamente en programas de desarrollo internacional como el ICEXNEXT, apoyado por el ICEX y cofinanciado por el Fondo Europeo de Desarrollo Regional (FEDER), lo que le permite expandirse y mejorar continuamente en los mercados globales

“Sus orígenes se deben al sector de los áridos y los minerales, donde Adolfo Tristany contaba con un gran conocimiento y autoridad. Desde la incorporación de su hija Ana, la empresa comenzó a desarrollar equipos para otros sectores, siendo la alimentación con un 10% el que más está evolucionando en los últimos años. Aún así, las ventas de Drago Electrónica están repartidas actualmente en un 45% para el sector de los áridos, minería y cemento, un 25% en el reciclaje, el 10% en el sector de la alimentación, un 10% en la industria química, un 5% en la farmacéutica y otro 5% en segmentos muy variados

En 1996 entró en la compañía Ana Tristany, hija del fundador y avezada empresaria que supo dar la vuelta a la empresa e iniciar un proceso de internacionalización. Hoy en día, Drago Electrónica cuenta con equipos de detección de metales y separación magnética en más de 80 países en los cinco continentes. La facturación se reparte al 50% entre España y los mercados internacionales, siendo Europa, con un 50%, donde más presencia tiene Drago Electrónica, seguido de Latinoamérica con un 30%, el norte de África con un 15% y el restante 5% en países muy dispares. De hecho, Drago Electrónica participa activamente en programas de desarrollo internacional como el ICEXNEXT, apoyado por el ICEX y cofinanciado por el Fondo Europeo de Desarrollo Regional (FEDER), lo que le

Ana Tristany, gerente de Drago Electrónica, en su despacho de Martorelles.
Instalaciones fabriles donde se fabrican, ensamblan y despachan al mundo todos los equipos Drago.
Las instalaciones de Drago en Martorelles cuentan con 1.000 m2 de planta y 600 m2 de oficinas.

“Otro de los aspectos que Drago Electrónica ha desarrollado y mantenido a un máximo nivel desde sus orígenes es la calidad. Ya en el año 2001 obtuvo la certificación ISO 9001 y unos años más tarde la ATEX, la relacionada con la Seguridad en Atmósferas Explosivas. Su oficina de I+D, la cual se caracteriza por una mejora constante de los quipos que fabrica, se ha visto hace unos meses reforzada con la adquisición de la empresa Sigma, una compañía puntera que actualmente es la responsable de la oficina técnica y de desarrollo de Drago Electrónica, así como toda la investigación y el desarrollo, centrándose Drago exclusivamente en la fabricación de sus productos y la comercialización en todos los mercados

permite expandirse y mejorar continuamente en los mercados globales.

Sus orígenes se deben al sector de los áridos y los minerales, donde Adolfo Tristany contaba con un gran conocimiento y autoridad. Desde la incorporación de su hija Ana, la empresa comenzó a desarrollar equipos para otros sectores, siendo la alimentación con un 10% el que más está evolucionando en los últimos años. Aún así, las ventas de Drago Electrónica están repartidas actualmente en un 45% para el sector de los áridos, minería y cemento, un

25% en el reciclaje, el 10% en el sector de la alimentación, un 10% en la industria química, un 5% en la farmacéutica y otro 5% en segmentos muy variados.

Otro de los aspectos que Drago Electrónica ha desarrollado y mantenido a un máximo nivel desde sus orígenes es la calidad. Ya en el año 2001 obtuvo la certificación ISO 9001 y unos años más tarde la ATEX, la relacionada con la Seguridad en Atmósferas Explosivas. Su oficina de I+D, la cual se caracteriza por una mejora constante de los equipos que fabrica, se ha visto hace unos meses reforzada con la adquisición de la empresa Sigma, una compañía puntera que actualmente se encuentra totalmente integrada en Drago y es la responsable de la oficina técnica y de desarrollo, así como de todo el I+D, centrándose Drago exclusivamente en la fabricación de sus productos y la comercialización en todos los mercados.

Al frente del departamento técnico se encuentra Francisco Morueta, un técnico muy perfeccionista con muchos años

Drago Electrónica está compuesta actualmente por 8 personas, 4 de ellas repartidas en dirección, administración, marketing y oficina técnica, y otras cuatro en los procesos de fabricación, aunque el personal de taller se incrementará en los próximos meses. Las oficinas tienen una superficie de 600 m2

Imán permanente modelo OPL montado en el sector del reciclaje.
Overband modelo ODEP de la firma Drago.

de experiencia en la separación electromagnética, que tiene entre sus cometidos la adaptación de todos los equipos a los diferentes sectores, el desarrollo de nuevas unidades y la mejora constante en I+D.

LAS NUEVAS INSTALACIONES DE DRAGO ELECTRÓNICA

Más de 50 años de evolución y una presencia internacional en más de 80 países obligan a desarrollar y ampliar los procesos de fabricación. De ahí que recientemente Drago Electrónica acabe de inaugurar sus nuevas instalaciones en Martorelles, provincia de Barcelona, concretamente en la calle Virgen de los Dolores 11. Se trata de una nave de 1.000 m2 donde tienen lugar los procesos de fabricación y donde se concentran las oficinas técnicas, administrativas y de dirección, así como la sala blanca para la fabricación de los circuitos electrónicos, y una zona específica para mostrar todos los equipos que fabrica. En dicho showroom se expone una gama completa de los equipos de Drago Electrónica, así como una pequeña planta a escala donde se puede apreciar cómo trabajan estos equipos de forma continua.

Drago Electrónica está compuesta actualmente por 8 personas, 4 de ellas repartidas en dirección, administración, marketing y oficina técnica, y otras cuatro en los procesos de fabricación, aunque el personal de taller se incrementará en los próximos meses. Las oficinas tienen una superficie de 600 m2

Estas nuevas instalaciones entran dentro del plan de adaptación que la empresa está llevando en los últimos meses, a lo que hay que sumar una novedosa estrategia de marketing, una actualizada imagen de empresa con la integración de la compañía Sigma y una nueva web más actual, dinámica y funcional.

“Más de 50 años de evolución y una presencia internacional en más de 80 países obligan a desarrollar y ampliar los procesos de fabricación. De ahí que recientemente Drago Electrónica acabe de inaugurar sus nuevas instalaciones en Martorelles, provincia de Barcelona, concretamente en la calle Virgen de los Dolores 11. Se trata de una nave de 1.000 m2 donde tienen lugar los procesos de fabricación y donde se concentran las oficinas técnicas, administrativas y de dirección, así como la sala blanca para la fabricación de los circuitos electrónicos, y una zona específica para mostrar todos los equipos que fabrica

LA GAMA DE PRODUCTO DE DRAGO ELECTRÓNICA

Drago Electrónica fabrica y comercializa detectores de metales industriales, separadores magnéticos, separadores por corrientes de Foucault y tambores magnéticos para inoxidable. Para la industria pesada, Drago ofrece una gama enfocada a los sectores de los áridos, minería, reciclaje y madera. Se trata de unos equipos robustos para la protección de la maquinaria y para la clasificación de los metales, entre los que se encuentran los detectores de metales, los separadores magnéticos, los separadores de corriente de Foucault (para la separación de metales no férricos, principalmente aluminio) y los tambores separadores de acero inoxidable, cuya misión es la separación de las aleaciones de acero inoxidable que contienen partículas férreas.

Para la industria ligera, Drago Electrónica ofrece a los mercados de alimentación, farmacéutica y química equipos para eliminar la contaminación metálica en procesos productivos donde se trabaja con granulometrías muy finas y los contaminantes metálicos a eliminar suelen tener un reducido tamaño. Para ello, cuenta con una gama muy amplia de detectores de metales y separadores magnéticos diseñados y dimensionados para estas industrias.

En definitiva, Drago Electrónica, una empresa en segunda generación que en breve incorporará ya a miembros de la tercera, se expande a nivel industrial con sus nuevas instalaciones, así como en los mercados internacionales, asistiendo y exponiendo en las ferias más importantes del mundo. Calidad y servicio al cliente son los puntos que definen a esta compañía y que desde hace más de 50 años son la base de su crecimiento y de su buen saber hacer.

Detector de metales Drago montado en la industria aridera.

Puerto de Huelva, Hub de la minería metálica en el sur de Europa

El Puerto de Huelva, situado en el arco suratlántico de Europa, en el cruce de las rutas de navegación Norte-Sur y Este-Oeste y ocupando una posición central al sur de la Faja Pirítica Ibérica, ha constituido tradicionalmente una plaza estratégica para el sector de la minería en el sur de España y ocupa hoy en día una posición de liderazgo como puerto de referencia para el sector siderometalúrgico en sur de Europa.

El Puerto de Huelva, en el top 30 de la UE y situándose como primer enclave industrial de Andalucía, cuenta con una alta especialización en toda la logística de aprovisionamiento y expedición de mercancía para el sector minero y su industria, desde el manejo de graneles sólidos hasta la manipulación de cargas sobredimensionadas y pesadas.

Así, con 2,5 km de muelle dedicados a graneles sólidos, breakbulk y project cargo, el Puerto de Huelva cuenta en

su zona de servicio con numerosas empresas líderes en la manipulación de este tipo de mercancías, además de una de las más importantes fundiciones de cobre de Europa y una instalación de blending de minerales única en el mun-

El Puerto de Huelva, en el top 30 de la UE y situándose como primer enclave industrial de Andalucía, cuenta con una alta especialización en toda la logística de aprovisionamiento y expedición de mercancía para el sector minero y su industria, desde el manejo de graneles sólidos hasta la manipulación de cargas sobredimensionadas y pesadas

do, ofreciendo a las cadenas logísticas que convergen en él una operativa ágil a un coste muy competitivo.

En este contexto, el Puerto de Huelva ocupa la 5ª posición en tráfico de graneles sólidos dentro del Sistema Portuario Español con 5,7 millones de t movidas en 2023, lo que corresponde al 6,3% de la cuota de graneles sólidos a nivel nacional. En él, el tráfico de minerales supone más del 40% del total con 2,4 millones de toneladas de mineral de cobre, cinc y titanio movidas por la dársena onubense.

Especial importancia cobra el mineral de cobre con 9,1 millones de t movidas en los últimos cinco años, lo que supone una media de 1,8 millones de toneladas anuales.

A estas operativas de granel hay que sumar importantes operativas de breakbulk y cargas de proyecto para el sector siderometalúrgico, entre las que destacan la exportación de cobre refinado, la importación de bobinas de acero y maquinaria pesada para minas del entorno u operaciones spot tan significativas como la descarga de palas eólicas y material fotovoltaico para parques del Andévalo onubense y de Portugal.

Además, el Puerto de Huelva, siendo nodo clave de la Red Transeuropea de Transporte e integrado en el Corredor At-

El Puerto de Huelva ocupa la 5ª posición en tráfico de graneles sólidos dentro del Sistema Portuario Español con 5,7 millones de t movidas en 2023, lo que corresponde al 6,3% de la cuota de graneles sólidos a nivel nacional. En él, el tráfico de minerales supone más del 40% del total con 2,4 millones de toneladas de mineral de cobre, cinc y titanio movidas por la dársena onubense

lántico, cuenta una conectividad regular marítimo-terrestre en constante crecimiento. De este modo, cuenta con conexiones marítimas semanales con el Norte de Europa, Canarias y Marruecos/Mediterráneo, operadas por las navieras de contenedores Containerships, Alisios Shipping Lines y Magreb Container International (MCI). A ellas hay que sumar las líneas marítimas de tráfico rodado que, operadas Baleària&Fred Olsen, unen Huelva con Canarias cuatro días a la semana. Todo ello bajo el paraguas estratégico de la intermodalidad, y es que el Puerto de Huelva mueve más de 40 trenes a la semana con destino Sevilla, Madrid, Burgos, Extremadura y Portugal, entre otros.

Asimismo, el Puerto de Huelva incardina su estrategia apoyando y dando soporte a las políticas de la Unión Europea, tanto en lo relativo a la Ley de Materias Primas Criticas como en lo referente al Green Deal, apoyando la explotación de recursos propios ubicados en el territorio europeo y promoviendo su trasporte dentro de la Unión a través del transporte marítimo de corta distancia.

Con todo ello, el Puerto de Huelva, a 80 km de una de las mayores reservas de metales no férricos del mundo y con más de 7.000 millones de euros de inversión privada en su zona de servicio, se configura como un recurso logístico estratégico para sector minero de la Faja Pirítica Ibérica y punta de lanza en suministro de materias primas para la revolución energética e industrial de Europa en los próximos años.

TH presenta sus últimas innovaciones tecnológicas en MMH Sevilla 2024 “

Su amplia gama de equipos incluye soluciones de lavado, deslamado, concentración, filtración y secado, permitiendo que las empresas mineras optimicen sus operaciones con eficiencia y sostenibilidad

Con más de 55 años de experiencia, TH se ha consolidado como un referente mundial en la tecnología para el procesamiento de minerales y minerales industriales. Su amplia gama de equipos incluye soluciones de lavado, deslamado, concentración, filtración y secado, permitiendo que las empresas mineras optimicen sus operaciones con eficiencia y sostenibilidad. Estos equipos están diseñados para enfrentar las necesidades actuales del sector, donde la eficiencia, el ahorro energético y la reducción de costes son claves.

La compañía, con presencia en Latinoamérica, Europa y Asia-Pacífico, cuenta además con una extensa red de representantes a nivel global, lo que le permite ofrecer un servicio personalizado y cercano a sus clientes. Además, TH complementa su oferta con un abanico de servicios, que incluye ase-

soramiento tecnológico, auditorías de planta, ingeniería de procesos y soporte técnico postventa. Entre sus soluciones más recientes, destacan las cribas vibrantes WSF para cortes finos inferiores al milímetro, y las cribas de alta capacidad WSH que incluye cribas lineales, tipo flip-flow y tipo banana, junto con la innovadora tecnología de separación magnética WHIMS de Gaustec, empresa de la que TH es representante oficial.

CRIBAS VIBRANTES WSF: PRECISIÓN Y EFICIENCIA EN CLASIFICACIÓN

VÍA HÚMEDA

Las cribas WSF están especialmente diseñadas para la clasificación de materiales finos y abrasivos mediante procesos de vía húmeda. Con la capacidad de manejar partículas de hasta 45 micras, estas cribas son ideales para aplicaciones que requieren una separación precisa y eficiente. Están equipadas con mallas de poliuretano, reconocidas por su alta resistencia a la abrasión, lo que asegura una mayor durabilidad y eficiencia operativa a largo plazo.

Las cribas WSF están disponibles en diferentes modelos, como los WSFM, WSFR y WSFH, que ofrecen configuraciones multiplataforma para adaptarse a las diversas necesidades operativas en plantas de procesamiento. Su diseño no sólo facilita el mantenimiento, sino que también minimiza el consumo energético, lo que resulta en una solución ideal para empresas mineras que manejan grandes volúmenes de materiales finos. Así, las WSF no solo optimizan los procesos de clasificación, sino que también contribuyen significativamente a la mejora de la productividad y a la reducción de los costes operativos.

CRIBAS WSH: DESEMPEÑO ÓPTIMO PARA GRANDES OPERACIONES

La serie WSH de TH está diseñada para cumplir con las exigencias de las grandes operaciones mineras, donde es esencial gestionar volúmenes masivos de materiales bajo condiciones severas. Los modelos WSH incluyen las cribas Banana WSHB, que permiten una distribución uniforme del material, maximizando la eficiencia en procesos de cribado en seco o húmedo. Asimismo, las cribas lineales WSHL son ideales para el cribado de materiales gruesos y pesados, lo que las convierte en la elección preferida para operaciones primarias de gran escala.

Las cribas WSF están especialmente diseñadas para la clasificación de materiales finos y abrasivos mediante procesos de vía húmeda. Con la capacidad de manejar partículas de hasta 45 micras, estas cribas son ideales para aplicaciones que requieren una separación precisa y eficiente

Los modelos WSH incluyen las cribas Banana WSHB, que permiten una distribución uniforme del material, maximizando la eficiencia en procesos de cribado en seco o húmedo. Asimismo, las cribas lineales WSHL son ideales para el cribado de materiales gruesos y pesados, lo que las convierte en la elección preferida para operaciones primarias de gran escala

“Dentro de su compromiso con la innovación, TH ha incorporado a su portafolio la tecnología de separación magnética WHIMS de Gaustec, un referente en el sector. Los separadores magnéticos de alta intensidad de Gaustec están diseñados para optimizar la concentración y separación de minerales vía húmeda tanto de magnéticos como paramagnéticos en grandes explotaciones

El modelo WSHF, por su parte, destaca por su tecnología Flip-Flow, diseñada específicamente para materiales húmedos, pegajosos o difíciles de procesar con equipos convencionales. Esta tecnología permite un rendimiento constante y eficiente, reduciendo la necesidad de equipos adicionales y mejorando la eficiencia por tonelada procesada. El diseño y el bajo consumo energético de la gama WSH hacen de estas cribas una solución fiable para proyectos que demandan alta productividad y costos operativos reducidos.

SEPARADORES MAGNÉTICOS DE ALTA INTENSIDAD POR VÍA HÚMEDA WHIMS DE

GAUSTEC: ALTA CAPACIDAD Y EFICIENCIA ENERGÉTICA

Dentro de su compromiso con la innovación, TH ha incorporado a su portfolio la tecnología de separación magnética WHIMS de Gaustec, un referente en el sector. Los separadores magnéticos de alta intensidad de Gaustec están diseñados para optimizar la concentración y separación de minerales vía húmeda tanto de magnéticos como paramagnéticos en grandes explotaciones. El mo-

delo GHX-1400, por ejemplo, destaca por su capacidad de procesamiento de hasta 1.400 toneladas por hora, lo que lo convierte en una opción ideal para proyectos mineros de gran envergadura. Con capacidades entre 30 t/h y 1400 t/h y campos magnéticos de hasta 18,000 Gauss (1.8 Tesla), la amplia gama de WHIMS, aseguran poder ofrecer al mercado el equipo adecuado para cualquier aplicación.

Una de las principales innovaciones de los WHIMS de Gaustec es la tec nología NoBLOCK, que minimi za el riesgo de obstrucciones en el proceso de se paración, asegurando una operación continua y reduciendo el tiempo de mantenimiento. Además, la gama incluye el compacto Minimag, ideal para pruebas piloto o proyec tos de investigación. Estas características, junto con su bajo consumo energético, no sólo contribuyen a mejorar la eficiencia operativa, sino también a disminuir el impacto ambiental de las operaciones mineras.

INVITACIÓN A MMH SEVILLA 2024

TH presentará sus últimas innovaciones tecnológicas en la próxima edición de la feria MMH en Sevilla (Stand 1029), donde los asistentes podrán conocer de cerca los nuevos modelos de cribas WSF, WSH y los separadores magnéticos de alta intensidad WHIMS, así como el resto de los equipos de proceso de TH, entre los que destacan los filtros prensa APN y APNH que han sido específicamente diseñados para la filtración de concentrados y tailings.

Sefar is Transforming Customer Needs into Solutions since 1830

In today’s demanding solid-liquid and solid-gas separation processes, it is crucial to ensure maximum production efficiency and trouble-free operation to reduce the total cost of ownership. Sefar offers the broadest selection of filtration and separation products, supported by an experienced team of application experts to enable mining companies to run their filtration processes at peak performance.

SEFAR’S EXPERIENCE IN MINING

With a global presence and dedicated filtration specialists, we have developed solutions across nearly all mining sec-

tors and separation equipment over the past 50 years. This includes metals such as iron ore, copper, lead, zinc, gold, silver, titanium, alumina, and various alloys; industrial minerals such as calcite, kaolin, quartz, feldspar, dolomite, bentonite, talc, phosphate, and potash; as well as aggregates, sand, and gravel.

SEFAR’S MINING VALUE PROPOSITION

Over the past decade, Sefar has engineered specialized filter media for mining and environmental protection. Our objective has always been to manufacture durable fabrics that maximize lifespan in harsh process environments.

“Over the past decade, Sefar has engineered specialized filter media for mining and environmental protection. Our objective has always been to manufacture durable fabrics that maximize lifespan in harsh process environments. This approach lowers costs for our customers, reduces the consumption of valuable raw materials globally, and enhance CO2 footprint

“We understand our customers' need to optimize production and reduce costs not only in process engineering but also in downstream processes, logistics, and administration. Effective filtration and low residual moisture levels contribute to reduced transportation costs and lower energy consumption in downstream smelting operations

This approach lowers costs for our customers, reduces the consumption of valuable raw materials globally, and enhance CO2 footprint.

We understand our customers' need to optimize production and reduce costs not only in process engineering but also in downstream processes, logistics, and administration. Effective filtration and low residual moisture levels contribute to reduced transportation costs and lower energy consumption in downstream smelting operations.

Today, we offer our mining customers fabrics with outstanding durability in 8 different polymers, thicknesses from

“We provide comprehensive global support to our customers. With extensive expertise, a worldwide network of subsidiaries, and manufacturing centers, we assist our customers swiftly and effectively in optimizing their industrial processes and applications. Our continually enhanced manufacturing facilities enable us to produce specialized and customized products for a wide range of filtration systems, tailored to meet the specific assembly requirements of over 50 OEMs

400-1800µm and basis weights from 400 to 1000g/m2 to meet the mechanical requirements. Supported by extensive laboratory analysis capabilities, our expert sales team assists application engineers in selecting the optimal mesh to achieve the desired filtration purity, residual moisture, and porosity of the filter cake for washing and drying processes. We also ensure the recyclability and reuse of process water.

GLOBAL EXPERTISE, LOCAL SUPPORT FOR OUR MINING PARTNERS

We provide comprehensive global support to our customers. With extensive expertise, a worldwide network of

subsidiaries, and manufacturing centers, we assist our customers swiftly and effectively in optimizing their industrial processes and applications. Our continually enhanced manufacturing facilities enable us to produce specialized and customized products for a wide range of filtration systems, tailored to meet the specific assembly requirements of over 50 OEMs.

TRUSTED PARTNER. SOLUTION PROVIDER. PIONEER.

Sefar is the world’s leading manufacturer of precision fabrics from monofilaments since 1830. Our products are used across a wide variety of industries, including electronics, graphics, architecture, medical, automotive, food, pharmaceutical, mining, refining, aerospace, and smart fabrics. We operate weaving mills in Switzerland, Romania, and Thailand and produce our own yarn with Monosuisse. This full control of the value chain from yarn production to the finished product ensures the consistently high quality and customization possibilities that differentiate us in the marketplace.

Red de Restauración de Minas y Canteras (Red RMC)

La minería es un sector estratégico para Europa y España como principal fuente de materias primas. Así, en los últimos años, la estrategia de la Unión Europea (UE) en el ámbito de la minería, pasa por llevar a cabo y apoyar iniciativas que permitan aumentar la competencia del sector a nivel global.

Para ello, además del avance tecnológico que facilite reducir los costes de aprovechamiento, es necesario integrar en la planificación de las operaciones extractivas, los requisitos sociales y ambientales, cada vez más exigentes dado el contexto de emergencia climática en el que nos encontramos.

La minería del siglo XXI será posible sólo si es técnica, económica, social y ambientalmente viable.

Durante los últimos 30 años, se han desarrollado políticas medioambientales y normativas mineras a nivel nacional y de la UE que ofrecen a las administraciones y empresas instrumentos para la aplicación de principios que han contribuido al desarrollo de operaciones mineras más sostenibles. Sin embargo, las medidas exigidas y/o aplicadas han sido insuficientes para garantizar el desarrollo de una industria compatible con los requisitos de sostenibilidad exigidos hoy en día, tanto por organismos internacionales como por la sociedad. Si bien es cierto que las técnicas de restauración/rehabilitación han experimentado un avance en las últimas décadas y que parte de las empresas del sector están realizando un esfuerzo importante por mejorar los resultados, es necesario seguir avanzando en la incorporación de las mejores técnicas disponibles.

Junta directiva: Javier de la Villa; Alejandro Guerrero; Juan A. Oliet; Cristina Martín; José Manuel; Nicolau; Cristina Gil; Elena Fuertes Directora Técnica: Beatriz Olmo

“Durante los últimos 30 años, se han desarrollado políticas medioambientales y normativas mineras a nivel nacional y de la UE que ofrecen a las administraciones y empresas instrumentos para la aplicación de principios que han contribuido al desarrollo de operaciones mineras más sostenibles

Con esta misión, es esencial disponer de espacios de transferencia y diálogo entre expertos en materia de explotación y restauración, profesionales del sector privado (empresas mineras y consultoras), Administraciones públicas y entidades del tercer sector (asociaciones, ONG). Espacios para el intercambio de conocimientos y donde poner en común los principales desafíos a los que se enfrenta la minería para mejorar su huella ambiental.

Existen numerosos ejemplos de buenas prácticas en curso, algunas a nivel demostrativo y otras ya integradas en los planes de sostenibilidad de las empresas. Es fundamental transferir este conocimiento y mejorar la colaboración entre el sector privado, público y la comunidad científica para aprovechar el conocimiento científico-técnico y abordar problemas ambientales en proyectos futuros.

“Con esta misión, es esencial disponer de espacios de transferencia y diálogo entre expertos en materia de explotación y restauración, profesionales del sector privado (empresas mineras y consultoras), Administraciones públicas y entidades del tercer sector (asociaciones, ONG). Espacios para el intercambio de conocimientos y donde poner en común los principales desafíos a los que se enfrenta la minería para mejorar su huella ambiental

RESTAURACIÓN DE CANTERAS

HACIA UNA MINERÍA SOSTENIBLE: PROBLEMÁTICA Y PROPUESTAS DESDE LAS MEJORES TÉCNICAS DISPONIBLES

Hasta la fecha, los métodos más convencionales de restauración/rehabilitación de espacios afectados por la actividad minera se han caracterizado, en general, por criterios ‘estándar’, protagonizados por modelos con laderas de pendiente constante, en muchos casos muy largas y/o excesivamente inclinadas; topografías escalonadas (modelo berma-talud) y estructuras rígidas para el manejo hidrológico (diques, gaviones, drenajes ‘rip-rap’…). En consecuencia, los principales problemas a enfrentar, inicialmente son:

Problemas hidrológicos. Bajo esta metodología tradicional de berma-talud, el principal problema es el impacto hidrológico, la gestión del agua en las minas restauradas suele ser deficiente. La red de drenaje habitualmente diseñada consiste en canales artificiales que tratan de evacuar el agua con el objetivo de evitar problemas de estabilidad como movimientos en masa o acarcavamiento. Sin embargo, no siempre manejan adecuadamente la escorrentía de eventos de lluvia intensa propios del clima mediterráneo, causando erosión, desprendimientos y deslizamientos, lo que provoca exportación de sedimentos a los cauces naturales, con graves problemas para el mantenimiento de la biodiversidad aguas abajo. Nuevas técnicas de reconstrucción del relieve mediante restauración geomorfológica aportan estabilidad a las nuevas superficies, incrementan la capacidad de captación de agua en

las subcuencas creadas dentro del área restauradas, reduciendo por tanto la escorrentía y las tasas de erosión y aumentando la disponibilidad de agua para la vegetación.

Falta de integración paisajística. Los actuales modelos no logran una integración adecuada con el paisaje natural, incluso tras el desarrollo de la vegetación. Una alternativa es remodelar los bancos de la mina para que se adapten a las litologías naturales y a la geomorfología del entorno. En este sentido, las técnicas de restauración geomorfológica implementadas en España recientemente han sido reconocidas como técnicas basadas en referentes naturales que permiten diseñar relieves estables y una mejor integración en el paisaje. Asimismo, se comprueba que la aplicación de minería de transferencia desde el inicio de las operaciones, persiguiendo estos nuevos modelos, permite un ahorro de costes en movimiento de tierras significativo.

Tras el remodelado, es clave incorporar un sustrato adecuado tanto para albergar la vegetación deseada como para garantizar la estabilidad del terreno y su propia conservación. Se requiere un sustrato con capacidad de retención de agua y nutrientes, con suficiente cohesión y resistencia frente a procesos erosivos, funcional, que proporcionen múltiples servicios ambientales como biodiversidad o sumidero de carbono. Sin embargo, es habi-

tual encontrar restauraciones cuyo principal problema es la escasez de sustrato adecuado. Frecuentemente, se utilizan sustratos procedentes de desechos mineros que presentan graves deficiencias texturales y químicas, lo que dificulta el sustento de la vegetación y la activación de la microbiota edáfica. Estas carencias obstaculizan el establecimiento de muchas especies vegetales y la creación de un ecosistema naturalizado.

Además, la interacción entre geomorfología, sustrato y agua constituye la estructura clave para la estabilidad de los terrenos afectados por las operaciones mineras. Es crucial diseñar e implementar esta estructura con un enfoque integrado, considerando todas las variables que influyen en la estabilidad y la funcionalidad del ecosistema restaurado. Afortunadamente, los avances científicos recientes en el tratamiento, manejo y suministro de sustratos han progresado significativamente. Estos avances permiten diseñar soluciones específicas para cada caso, optimizando las condiciones para la revegetación y la recuperación ecológica (por ejemplo, la aplicación de enmiendas orgánicas o los tecnosuelos).

La aplicación de tecnosuelos o la mezcla de materiales de distinta naturaleza (inertes y orgánicos) y procedencias (RSU, EDAR), diseñada para conseguir las características deseadas son prácticas cada vez más extendidas. No obstante, son prioritarias prácticas como la retirada y traslado directo del suelo original a las zonas a restaurar según avance la explotación o el acopio y conservación temporal, que además evitaría la necesidad de reconstruir un sustrato posterior. Éstas últimas requieren una planificación y coordinación continuas en tiempo y espacio de las labores de explotación y restauración, pero existe un potencial ahorro de costes a considerar.

Otro de los principales desafíos de la restauración minera, hasta el momento, es la recuperación de la biodiversidad.

Los proyectos de restauración tradicionales adolecen de escasa biodiversidad y elevados gastos de mantenimiento derivados de la necesaria reposición de marras, el riego, etc. Es habitual la plantación de especies forestales sobre los propios estériles de minas y una preparación del terreno basada en simples hoyos de plantación, por lo que la selección de especies se limita a especies de alta resistencia, no muy exigentes en nutrientes y agua. Como consecuencia, el potencial ecológico de las áreas no se alcanza y la biodiversidad se limita a sólo unas pocas especies diferentes.

Recientemente, se han implementado técnicas avanzadas que permiten alcanzar altos niveles de biodiversidad en flora y fauna, mejorando la dinámica de los ecosistemas y su sostenibilidad a largo plazo. Estos nuevos enfoques no sólo promueven una mayor biodiversidad, sino que también reducen los costes comparados con los métodos tradicionales. Aspectos clave como la procedencia y calidad de las semillas, la adaptación a las condiciones microclimáticas y el uso de ecotecnologías son fundamentales en estos modelos.

Es esencial definir claramente el objetivo principal de la restauración y el uso previsto de los terrenos, ya sea para fomentar la biodiversidad, recuperar hábitats específicos, promover la polinización, establecer pastos o gestionar áreas forestales.

Emplear las mejores técnicas disponibles y un enfoque holístico y adaptativo, que considere las especificidades de cada sitio e incorpore tecnologías y conocimientos avanzados, es crucial para avanzar hacia una minería más responsable, más sostenible.

Comparación de cobertura vegetal con y sin enmienda orgánica y siembra (izquierda). Perfil de un suelo tras 5 años de la aplicación del tecnosuelos en una explotación minera.

Modelo de restauración convencional (izquierda) y modelo basado en restauración geomorfológica (derecha).

RESTAURACIÓN DE CANTERAS

“Como resultado de estos proyectos y de la interacción entre los principales agentes, en 2019 surge la Red de Restauración de Minas y Canteras como una iniciativa impulsada por profesionales del sector extractivo y de la administración, integrada por científicos de relevancia en las diferentes disciplinas que abarcan los proyectos de restauración minera. El principal objetivo de esta Red es ayudar al sector extractivo en su avance hacia una minería más sostenible a través de la transferencia y la colaboración entre todos los agentes

CONOCER, COMPARTIR Y CRECER

Ante esta situación, empresas y Administraciones públicas, junto con científicos de relevancia, lideran proyectos de ámbito europeo relacionados con la restauración de minas y canteras desde la perspectiva de testar la implementación de nuevas técnicas de restauración ecológica eficientes, que además desarrollen modelos fáciles de integrar en la planificación minera desde las primeras fases, de forma que sea posible tener un impacto positivo en el balance de costes de la actividad. Algunos ejemplos son los proyectos: LIFE ECOQUARRY, LIFE ECORESTCLAY, LIFE TECMINE, LIFE RIBERMINE, o LIFE CARBON2MINE.

Como resultado de estos proyectos y de la interacción entre los principales agentes, en 2019 surge la Red de Restauración de Minas y Canteras como una iniciativa impulsada por profesionales del sector extractivo y de la administración, integrada por científicos de relevancia en las diferentes disciplinas que abarcan los proyectos de restauración minera. El principal objetivo de esta Red es ayudar al sector extractivo en su avance hacia una minería más sostenible a través de la transferencia y la colaboración entre todos los agentes.

Profesionales y expertos en materia de restauración minera, unidos con un objetivo común: contribuir a una restauración minera de calidad que promuevan un nuevo referente minero.

Como punto de partida de la Red se identificaron las principales necesidades del sector en materia de restauración minera, siendo la formación, el acceso a referentes y la necesidad de protocolos de evaluación, las de mayor prioridad. Dando respuesta a estas necesidades, durante más de 4 años se han implementado acciones de transferencia, formación y divulgación que han permitido:

Identificar los principales agentes en materia de restauración minera en España.

Crear una base de datos de buenas prácticas y divulgar dichas prácticas en foros de ámbito nacional (Congreso de Áridos 2022) e internacional (Conferencia SERE 2022).

Disponer de un foro de diálogo donde abordar temas como la nueva ley de minería sostenible en España o el nuevo reglamento europeo sobre restauración de la naturaleza, desde la perspectiva del sector extractivo, la administración y la academia.

Disponer de una herramienta eficaz para obtener respuesta a problemas técnicos y/o administrativos.

Promover proyectos innovadores en materia de restauración minera.

Con el propósito de seguir trabajando en esta línea y en nuevas iniciativas, a finales de 2023 se constituye la nueva asociación “Red de Restauración de Minas y Canteras” (en adelante, RedRMC), un paso adelante hacia la regeneración ambiental donde universidades/centros de investigación, gobiernos, empresas y entidades del tercer sector estamos comprometidos por una visión común: transformar la huella de la minería en paisajes resilientes y prósperos.

OBJETIVO DE LA RED RMC

Ante el carácter estratégico de la actividad minera en España, el objetivo de la Red es contribuir a avanzar en la mejora de las restauraciones mineras, integrando la experiencia de la comunidad científica, la Administración pública, las empresas mineras y las firmas de ingeniería y consultoría en todo el territorio nacional.

Visualizamos un futuro donde la restauración de minas y canteras sea un proceso eficiente y sostenible que beneficie a las comunidades y al medio ambiente.

Para ello, queremos facilitar a los actores clave herramientas esenciales que den respuesta a las crecientes demandas administrativas y sociales.

PRINCIPIOS DE FUNCIONAMIENTO

La Red de Restauración de Minas y Canteras:

Es una organización independiente, sin ánimo de lucro, que reúne a profesionales y científicos del ámbito de la minería y la restauración.

Es la primera y única asociación de restauración minera que integra los 4 grupos de actores y que engloba la multidisciplinariedad necesaria en los proyectos mineros y la multifuncionalidad demandada por estos actores.

RESTAURACIÓN DE CANTERAS

“Ante el carácter estratégico de la actividad minera en España, el objetivo de la Red es contribuir a avanzar en la mejora de las restauraciones mineras, integrando la experiencia de la comunidad científica, la Administración pública, las empresas mineras y las firmas de ingeniería y consultoría en todo el territorio nacional

PRINCIPALES LÍNEAS DE ACTUACIÓN

1. Fomentar la comunicación y transferencia entre sus socios mediante la organización de reuniones técnicas y la colaboración en proyectos y publicaciones.

2. Mejorar la formación de profesionales de la restauración minera, organizando cursos, seminarios y visitas técnicas a proyectos de buenas prácticas.

3. Promover el uso apropiado del conocimiento y la tecnología en la toma de decisiones en los proyectos de restauración minera y su evaluación, para asegurar las mejores prácticas de restauración minera.

4. Fomentar la comunicación entre Administraciones públicas, centros de investigación, empresas y entidades representantes de la sociedad.

5. La creación y actualización de una base de datos de buenas prácticas de restauración minera.

6. Fomentar la organización de actividades conjuntas con asociaciones de ámbito temático y profesional relacionado, y propiciar la confluencia con las asociaciones del sector ya existentes en España.

7. Participar en proyectos de investigación y desarrollo tecnológico de ámbito nacional e internacional, abordando materias como geomorfología, suelos, hidrología, biodiversidad, paisaje, economía circular, así como aspectos sociales y económicos de la restauración minera.

Es una herramienta de intercambio de conocimiento y trasferencia que permite conocer el abanico de soluciones que la ciencia pone a disposición de las empresas, y que facilita un avance conjunto de todos los agentes implicados en el procedimiento de un proyecto minero.

NO actúa como lobby, ni defiende los intereses de empresas o grupos ecologistas; nuestro principio es la adopción de decisiones basadas en el conocimiento científico-técnico.

NO es una empresa ni una asesoría. Tampoco es un centro de investigación.

NO responde a tendencias políticas, ni juzga acciones de sus miembros, únicamente trata de transferir, aplicar y adaptar los avances científicos en materia de restauración a la realizada de las explotaciones mineras en España.

Nuestra principal fortaleza radica en conectar los pilares fundamentales del sector: Administración pública, comunidad científica, empresas mineras, firmas de ingeniería y consultoría y entidades del tercer sector. Actuamos como una plataforma de intercambio entre estos pilares, facilitando la colaboración y la comunicación multidireccional.

8. Fomentar la publicación de libros, artículos, manuales y otros documentos de carácter técnico, científico y divulgativo.

Principales funciones de la Red RMC: apoyar, transferir y conectar a los principales pilares.
Principales líneas de actuación de la Red RMC.

Ser socio de la Red de Restauración de Minas y Canteras ofrece una amplia gama de beneficios que fomentan el crecimiento, la colaboración y la visibilidad de las entidades en materia de restauración minera

9. Apoyar acciones de educación en el ámbito de la minería y la restauración.

10. Ayudar a las empresas mineras a alcanzar sus objetivos de sostenibilidad.

11. Contribuir a la incorporación de las mejores técnicas disponibles (MTD) en la normativa.

GRUPOS DE TRABAJO DE LA RED RMC

La Red se articula en Grupos de trabajo (GT) creados a petición de los socios y tras aprobación de la Junta. Los principales grupos de trabajo son: 1) Científico-técnico; 2)

Económico-social; 3) Administrativo; y 4) Divulgación, los cuales están coordinados por la junta directiva y la dirección técnica.

BENEFICIOS DE SER MIEMBRO DE LA RED RMC

Ser socio de la Red de Restauración de Minas y Canteras ofrece una amplia gama de beneficios que fomentan el crecimiento, la colaboración y la visibilidad de las entidades en materia de restauración minera.

Networking: A través de nuestra plataforma web, los socios tienen acceso a una red de expertos, talento, entidades y proyectos de buenas prácticas, promoviendo la colaboración público-privada, facilitando la resolución de problemas técnicos y fomentando el dialogo entre los diferentes agentes.

Prioridad de Inscripción y Acceso Gratuito: Nuestros socios disponen de inscripción prioritaria en nuestros cursos de formación y, en muchos casos, acceso gratuito a seminarios y jornadas organizados por la Red RMC.

Visibilidad y Promoción: Los socios corporativos tienen la oportunidad de publicar y dar a conocer la entidad y sus servicios en nuestra web, en la documentación generada y

RESTAURACIÓN DE CANTERAS

redes sociales, aumentando la visibilidad de la entidad y sus proyectos.

Asesoramiento: Los socios tiene acceso al asesoramiento colaborativo entre empresas, administraciones y centros de investigación. Además, la posibilidad de solicitar asesoramiento personalizado a valorar por la junta.

Acceso a Herramientas, Documentación y Grupos de Trabajo: Los socios pueden acceder a una amplia gama de documentos, recursos y conocimientos sobre las Mejores Técnicas Disponibles (MTD), informes y resultados de los grupos de trabajo y proyectos de I+D. Solo los socios tienen acceso a los Grupos de Trabajo.

Oportunidades de Colaboración y Financiamiento: La Red promoverá entre sus socios la participación en proyectos de I+D+I y consorcios, con oportunidades de financiación.

Participación en Procesos de Certificación: Los socios tendrán la ventaja de participar en el proceso de definición de estándares de restauración, parte del proceso de certificación, con acceso a resultados, recomendaciones y documentación relacionada.

Difusión de Proyectos y Buenas Prácticas: La Red estará presente en congresos y conferencias de relevancia en materia de minería y medio ambiente. A través de su presencia, los socios podrán difundir proyectos y buenas prácticas.

Para más información: www.restauracionminas.org

Los Grupos de trabajo canalizan e impulsan la actividad de la Red mediante diferentes actividades:

GRUPO DE TRABAJO

Técnicocientífico

Económico y social

OBJETIVOS

-Tratar aspectos técnicos (gestión de tierras, ecotecnologías, economía circular, hábitats, etc.).

-Definir los estándares de restauración minera.

-Crear y actualizar el repositorio de documentación científico-técnica.

-Apoyar proyectos I+D.

-Desarrollar estudios de análisis de costes de las acciones de restauración.

-Apoyar y fomentar la implicación de las comunidades locales y los procesos de participación pública.

-Crear y actualizar el repositorio de normativa relevante.

Normativa

Divulgación

-Apoyar en la identificación e interpretación de la normativa.

-Fomentar la incorporación de las mejores técnicas en la normativa.

-Elaborar y gestionar el Plan de Comunicación (web, RRSS, boletín).

-Dar visibilidad a los proyectos de buenas prácticas y las entidades que los desarrollan a través de los medios, RRSS, web, boletín, publicaciones.

-Apoyar a los socios en la participación en congresos y conferencias de ámbito nacional e internacional (posters, ponencias, patrocinio…).

-Organizar conferencias a nivel nacional/ internacional (Congreso de Restauración minera).

Avances en maquinaria minera y de perforación: las mejores soluciones del distribuidor Anzeve en MMH 2024

Ainhoa Yuste, responsable de comunicación en Anzeve, S.L Juan Antonio Montes, director Comercial en Anzeve, S.L

Fieles a su lema “Queremos Ayudarte”, la empresa continúa ofreciendo asesoramiento gratuito y sin compromiso a sus clientes, ayudándoles a mejorar procesos y ampliar sus capacidades operativas

Este año, proveedores de maquinaria se darán cita para mostrar las mejoras y avances disponibles en el sector minero. Entre ellos, Anzeve, un distribuidor español que se ha ganado su lugar gracias al compromiso con la innovación y la eficiencia, aunque no sólo en minería, sino también en sectores como la demolición y la industria.

La feria Mining and Minerals Hall (MMH) 2024 se presenta como una gran oportunidad para las empresas mineras, el escenario ideal para descubrir las soluciones más innovadoras de la minería.

Parte del equipo de profesionales y especialistas con amplia experiencia multisectorial estará guiando sobre procesos, maquinaria, implementos,

Demolición de los bolos en el interior de las galerías.

etc., más adecuados para cada proyecto en el stand de Anzeve (Pabellón 2). Fieles a su lema “Queremos Ayudarte”, la empresa continúa ofreciendo asesoramiento gratuito y sin compromiso a sus clientes, ayudándoles a mejorar procesos y ampliar sus capacidades operativas.

Este año, se va a presentar una de las marcas que ha incorporado hace poco (Robit), pero que cuenta con la trayectoria y fiabilidad de otra de ellas ya consolidadas en el mercado (Halco). Echando un vistazo a la gama de productos que mostrarán en esta feria, se encuentran:

ROBOTS DE DEMOLICIÓN ELÉCTRICOS

BROKK: EL MEJOR RATIO POTENCIA/PESO DEL MERCADO

Diseñados para resistir en las condiciones más adversas, los robots de demolición Brokk son ideales para trabajar en el entorno minero. Con un diseño compacto y brazos articulados, pueden moverse con precisión en espacios reducidos. Versátiles gracias a la posibilidad de instalar modelos modificados en camiones y otros transportes, ofreciendo soluciones personalizadas para tareas específicas.

“Diseñados para resistir en las condiciones más adversas, los robots de demolición Brokk son ideales para trabajar en el entorno minero.

CAÑONES

NEBULIZADORES SPRAYSTREAM: CONTROL EFICAZ DEL POLVO

El control del polvo en operaciones mineras es esencial para la seguridad de los trabajadores y el buen progreso de las operaciones. Estos cañones nebulizadores son soluciones para la captación y reducción de las partículas de polvo. El sistema de Spraystream utiliza una neblina de micro gotas para atrapar el polvo en el aire y conseguir hacerlo descender hasta el suelo.

MINI CARGADORAS ELÉCTRICAS

FIRST GREEN INDUSTRIES: IMPACTO AMBIENTAL CERO

Las minicargadoras eléctricas de Firstgreen Industries son una revolución en la maquinaria ligera de carga. Destacan por su impacto ambiental nulo, su bajo coste de mantenimiento y su tamaño compacto, pero sin perder potencia. Son una opción sostenible y económica en comparación con los modelos de combustión tradicionales.

GLOBOS DE ILUMINACIÓN

AIRSTAR: ILUMINACIÓN 360º SIN DESLUMBRAMIENTOS

La innovación en iluminación técnica, tanto en espacios abiertos como cerrados. Con una iluminación de 360º sin producir sombras, un consumo energético mínimo y una gran facilidad de instalación y transporte, estos globos ayudan al aumento de la seguridad y la productividad en lugares con visibilidad reducida.

MARTILLOS PROPULSADOS POR AGUA WASSARA

Estos martillos representan una innovación en la perforación minera. La tecnologíade Wassara utiliza agua en lugar

Brokk 200 con su perforadora hidráulica perforando roca en mina.
Cañones nebulizadores controlando el polvo generado.
Cargadora Elise 900 y robots Brokk trabajando juntos en galería.

“Estos martillos representan una innovación en la perforación minera. La tecnologíade Wassara utiliza agua en lugar de aire para propulsar los martillos, permitiendo perforaciones más profundas y rectas con un menor impacto ambiental

de aire para propulsar los martillos, permitiendo perforaciones más profundas y rectas con un menor impacto ambiental.

EQUIPOS DE ORIENTACIÓN Y MEDICIÓN REFLEX

Tecnologías para la medición y análisis de datos de la industria minera junto con un software de gestión que permite saber la posición de una perforación en todo el trayecto. Algunos de sus productos son: Omni Gyro (instrumento giroscópico que mide respecto al norte geográfico, proporciona datos precisos con una velocidad hasta tres veces más rápida que otros gyros utilizados actualmente), EZ Trac (el equipo magnético más sencillo de Reflex que puede realizar mediciones en todas direcciones incluso en vertical) y Devy Aligner (alinea y posiciona las perforadoras rápidamente tanto en trabajos en superficie como subterráneos)

ÚTILES DE PERFORACIÓN ROBIT (HALCO)

Los línea Down the Hole ofrece martillos DTH, bocas DTH y tubos DTH para todas las aplicaciones de perforación y voladura.

La línea Top Hammer son útiles de martillo en cabeza, barras y bocas que cubren todas las aplicaciones en construcción, canteras, minería, voladuras y forepoling, independientemente de la dureza de la roca.

En la parte de geotecnia (anclajes, pilotes, micropilotes, bulones y perforación de pozos), contiene una amplia variedad de martillos en fondo especializados, bocas, bocas anulares y sistemas de perforación con revestimientos (bocas piloto, casing shoe, etc).

Amplitud de iluminación con globos 360º.
Perforación con Wassara.
Medición de la perforación con Reflex.

Expocom, incondicional para la industria, minas y plataformas energéticas

Expocom, S.A. empresa con más de 40 años de experiencia, se consolida como servicio “incondicional” para cualquier industria, excavaciones, minas y plataformas energéticas.

Una empresa de ingeniería con servicio integral en las telecomunicaciones y seguridad, desde consultoría, ingeniería y asistencia técnica, hasta la instalación y mantenimiento de infraestructuras de telecomunicaciones, en todo el territorio nacional.

CAPACIDAD Y EXPERIENCIA PARA RESPONDER A LOS NUEVOS DESAFÍOS

Expocom, servicio técnico oficial de las principales marcas del sector, amplío su reconocido servicio con la adquisición de Artsys el pasado año. Artsys es una empresa especialista en radioenlaces con la tecnología SAF, sistemas radiantes y filtros combinadores de Amphenol-Procom, además de centros de integración de comunicaciones con IHM, y la instalación de antenas y redes WIFI de Altai y sistemas Paging de Swissphone.

Igualmente, Expocom ha ampliado la tecnología de Intracom-telecom, para responder a cualquier proyecto, sea lo remoto que sea. Con ello, Expocom amplía su capacidad para proyectos que requieren una transmisión Inalámbrica 5G de punto a punto y punto a multipunto, ya que permite soluciones en bandas licenciadas, evitando las problemáticas de la utilización de bandas libres donde las interferencias son el problema del día a día.

Soluciones que están en explotación con total éxito en distintas redes de los cinco continentes, con sistemas homologados según cada regulador local.

EXPOCOM COMPARTIRÁ

ASESORAMIENTO

Y CONOCIMIENTO EN MMH 2024

Expocom, presente en la 5ª edición MMH Sevilla 2024, en el Stand nº 1170, donde presentará todas las novedades en telecomunicación y seguridad de Motorola Solutions, Avigilon, Kenwood, Hytera, Intracom, Altai, Procom, Dräger, Icom, etc.

Además, el día 17/10 a las 10:30h, realizará una ponencia bajo el título «Soluciones en telecomunicaciones y Seguridad». Una interesante ponencia donde tratará diferentes casos de éxito, como la instalación de Radioenlaces de PTP de super alta velocidad by Intracom Telecom, o la implantación del sistema WAVE-PTX by Motorola Solutions, un servicio de comunicación instantánea PTT (Push-To-Talk) que integra la comunicación total desde cualquier dispositivo, unificando la comunicación de voz, datos e imágenes entre móviles, walkies, centros de control, oficinas, transporte y personal, con la máxima eficiencia y seguridad.

Una extensa gama de soluciones y equipos profesionales que garantizan la comunicación y seguridad, en cualquier

localización, sea lo remota que sea, y desde cualquier dispositivo, a través de sistemas integrales para todas las verticales y sectores, con un especializado personal técnico propio y un servicio ágil y directo desde las oficinas de Barcelona y Valencia.

Más información: www.expocomsa.com

La innovación minera en España: el rol estratégico del clúster ISMC

La promoción de la Industria 4.0 y la adopción de tecnologías avanzadas en la fabricación son áreas de innovación prioritarias en España. Sin embargo, para las PYMEs, el gasto en innovación es todavía un coste demasiado elevado que, en muchos casos, supone un riesgo para su estabilidad económica. En este escenario, los clústeres tienen un papel fundamental y muy significativo al facilitar la colaboración entre el sector público y el privado y, así, promover la innovación a través de los instrumentos de financiación disponibles. Santiago Cuesta López, director general del Clúster Ibérico de Materias Primas y Minería Sostenible ISMC, con sedes en el Parque Tecnológico de León y en el Edificio Eurosevilla de la capital hispalense, apunta que “nuestra labor permite a las PYMEs ser más innovadoras, crear más puestos de trabajo y registrar más marcas y patentes que si lo hicieran de manera individual. Esto se refleja en el aprovechamiento de instrumentos de financiación europeo, nacionales y regionales, y en nuestra misión de procurar innovación al sector”.

Santiago Cuesta López, director general del clúster ISMC en la visita Europea del proyecto Tarantula a la mina de Wolframio de Saloro.

El clúster ISMC facilita la canalización de soluciones innovadoras a las PYMEs y su implementación mediante la integración de tecnologías avanzadas a través de los Centros Tecnológicos y empresas cualificadas del sector. Además, el clúster es un elemento clave en facilitar a las empresas el acceso a financiación altamente especializada como los Fondos Europeos competitivos, usando mecanismos de servicios concretos como los “Bonos de Innovación”, o el servicio de “Ventanilla Europea” y “plataforma de lanzamiento de proyectos”. Este enfoque permite a las pequeñas y medianas empresas no sólo ser más competitivas en el mercado global, sino también adaptarse rápidamente a las cambiantes demandas de la industria.

ISMC, fundado en el año 2018, reúne hoy a más de 100 socios entre PyMES y grandes empresas. El clúster aúna empresas referentes del sector como Atalaya Mining o los Grupos CUPA o ICL, trabaja con asociaciones sectoriales en alianza como AMINER, integra a pequeñas y medianas empresas altamente innovadoras como Am-

phos21, especializada en consultoría y tecnologías de agua y medio ambiente; Comet Global Innovation, cuyo equipo está formado por profesionales en el sector tecnológico, ingenieril, social, económico-financiero, comercial y administrativo-legal; y Xcalibur, enfocada en la geofísica y las tecnologías de exploración minera. Estas empresas, junto con otras como Minepro Solutions, Terradat Geophysics, Geosense, Cubicoff, Cinclus Soluciones, Congeo, Qualifica2, EcoCastulum o CJ Solutions, están a la vanguardia de la innovación en sus respectivos campos, contribuyendo significativamente al avance del sector minero y de materias primas en España. La colaboración con el clúster ISMC no solo les proporciona acceso a recursos, financiación y redes de contacto clave, sino que también permite al clúster beneficiarse de sus innovaciones y conocimientos especializados, creado un ecosistema de crecimiento y desarrollo mutuo. Además, integra a universidades de prestigio, colegios profesionales, y cámaras mineras en sinergia con Gobiernos regionales y autonómicos como la Junta de Castilla y León o la Junta de Andalucía en la figura de entidades colaboradoras, y está aliado con Instituciones como ESADE, o Think Tanks como Industry Talks de referencia internacional.

La misión del clúster es potenciar la innovación del sector, aunar esfuerzos y atraer actores relevantes en las cadenas de valor de la minería y las materias primas con el fin de promover la sostenibilidad y la circularidad, además de impulsar el crecimiento y la competitividad.

Para lograr sus objetivos, el ISMC organiza su operativa a través de grupos especializados que abordan diversas áreas críticas para la industria minera y de materias primas. Entre estos grupos de trabajo destacan, entre otros: el de Sostenibilidad y Economía Circular, que se enfoca en promover prácticas sostenibles dentro del sector, buscando implementar procesos que minimicen el impacto ambiental y maximicen la reutilización de recursos; el de Innovación y Nuevas Tecnologías, dedicado a la investigación y desarrollo de nuevas tecnologías aplicables a la minería y a la gestión de materias primas, impulsando la digitalización y la Industria 4.0; el de Financiación y Competitividad, encargado de identificar y gestionar fuentes de financia-

de la última

La misión del clúster es potenciar la innovación del sector, aunar esfuerzos y atraer actores relevantes en las cadenas de valor de la minería y las materias primas con el fin de promover la sostenibilidad y la circularidad, además de impulsar el crecimiento y la competitividad.

ción, tanto a nivel europeo como nacional, para apoyar a las Pymes en su proceso de innovación; el de Formación y Capacitación, centrado en mejorar las competencias y habilidades del personal de las empresas asociadas, promoviendo la formación continua y la transferencia de conocimientos; y el de Legislación y Normativa, que se dedica a asegurar que las empresas miembros se mantengan al día con las regulaciones vigentes y a influir en el desarrollo de políticas que impacten en el sector, garantizando un entorno legal y normativo favorable para la industria.

Imagen
Asamblea Ordinaria del clúster ISMC celebrada en Sevilla en junio 2024.

El clúster ISMC alinea perfectamente sus actividades y servicios con las políticas, iniciativas y estrategias europeas relacionadas con la eficiencia de los recursos, el desarrollo sostenible y la economía circular. Así se garantiza su capacidad para integrar a la industria minera española en las cadenas de valor globales a través del desarrollo y uso de nuevos productos, procesos y servicios innovadores, particularmente en la consecución de una minería sostenible y de bajo impacto ambiental, en la que los recursos naturales se utilicen de manera inteligente y eficaz.

De hecho, el clúster ISMC participa en los foros más relevantes sobre materias primas, minería y sus cadenas de valor asociadas a nivel europeo y global. Santiago Cuesta López ha logrado posicionarse en la red europea de regiones mineras, coordinar la operativa piloto de suministro de materiales críticos y estratégicos para baterías en las regiones europeas, y está generando ecosistemas de innovación en toda la Unión Europea para impulsar a las pymes a lo largo de toda la cadena de valor de las materias primas estratégicas. “La procuración de innovación generando ecosistemas de innovación industrial resilientes a través del clúster y aunando fuerzas con actores clave como los Centros Tecnológicos, es la base de nuestra estrategia para impulsar a las empresas de nuestra región y la competitividad en Europa. Posicionamos a las Pymes dentro de los foros claves de la Unión Europea, que trabajan en los planes estratégicos de desarrollo y transformación, además de ayudarles a competir en los principales programas de financiación europea como Horizonte Europa, los

“El clúster ISMC alinea perfectamente sus actividades y servicios con las políticas, iniciativas y estrategias europeas relacionadas con la eficiencia de los recursos, el desarrollo sostenible y la economía circular. Así se garantiza su capacidad para integrar a la industria minera española en las cadenas de valor globales a través del desarrollo y uso de nuevos productos, procesos y servicios innovadores, particularmente en la consecución de una minería sostenible y de bajo impacto ambiental, en la que los recursos naturales se utilicen de manera inteligente y eficaz

Fondos de Innovación Interregional o el programa LIFE+. Además, tomamos a las empresas de la mano para ayudarlas a acceder a nuevos mercados y oportunidades de negocio, generando un impacto positivo en la economía regional y contribuyendo a la resolución de desafíos sociales y medioambientales” explica Cuesta López. En otras palabras, sus miembros acceden a múltiples oportunidades de negocio, sinergias con empresas y gobiernos extranjeros, y tecnologías clave para adaptar sus procesos, productos y servicios a nuevos mercados exteriores.

En el último año y medio, mediante los mecanismos europeos de financiación en cascada y bonos de innovación, el

Santiago Cuesta López como invitado/ponente en la última edición del EU Industry Days, evento organizado por la Comisión Europea.
Santiago Cuesta López y parte del equipo comercial y de gestión europea del clúster en Bruselas, durante la última edición de la EIT RAW MATERIALS SUMMIT.

“En su caso, el clúster ISMC facilita un espacio de diálogo y colaboración indispensable para conseguir un “modelo conjunto que frene la crisis energética y de materias primas internacional. Se necesitan soluciones urgentes y sostenibles poniendo el foco en la industria y en el sistema tecnológico estratégico desde España hacia Europa”, concluye Cuesta López

clúster ISMC ha facilitado cerca de 7 millones de euros a 26 empresas españolas, recursos económicos necesarios para implantar medidas de sostenibilidad, protección del medio ambiente o economía circular, “seguimos creciendo exponencialmente para consolidar territorios y regiones mineras gracias a todas las empresas que confían en nosotros uniéndose al clúster. Generamos valor para las empresas y aseguramos el bienestar de las regiones españolas y en Europa. Hemos demostrado la relevancia de nuestro papel a la hora de impulsar la economía verde y la sostenibilidad en el ámbito de las materias primas”. Regiones estratégicas para el sector como Andalucía, Castilla y León, Extremadura, Asturias o Cataluña; destacando en minería metálica, exploración minera, ingeniería, consultoría medioambiental, explotación, o tecnologías tipo software o ICT. “Los datos de innovación en clústeres son muy valiosos para las políticas de innovación, prueba de ello es la publicación del Raw Materials Act- Ley de Materias Primas Críticas de la UE, que garantizará el acceso de la UE a un suministro seguro y sostenible de materias primas críticas y permitirá a Europa cumplir sus objetivos climáticos y digitales para 2030. Y nosotros ya estamos dentro”, destaca Cuesta López, y añade que “tenemos una responsabilidad social y medioambiental en asegurar el suministro de materias primas de manera sostenible a Europa y su industria, donde las alianzas estratégicas innovadoras van a ser claves para cumplir los objetivos del pacto EU de las materias primas críticas, así como del Green Deal europeo, otro pilar fundamental en este esfuerzo, cuyo objetivo es alcanzar la neutralidad climática para 2050”.

Y es que, las materias primas no sólo son esenciales para la producción de una amplia gama de bienes y servicios utilizados en la vida diaria, sino también para el desarrollo de tecnologías emergentes y competitivas a nivel mundial. Asegurar el acceso a un suministro estable de materias primas se ha convertido en un desafío importante para las

economías nacionales y regionales con una producción limitada, como es el caso de la Unión Europea, que depende de las importaciones de terceros países, principalmente de China.

La importancia estratégica de ciertas materias primas se determina sobre la base de lo relevante que sea esa materia prima para las transiciones ecológica y digital, así como para las aplicaciones en los ámbitos de la defensa y el sector aeroespacial. Si bien nuestro país destaca por ser el mayor proveedor de estroncio a nivel global; en España poseemos, entre otros, yacimientos de cobre, tierras raras, bauxita, wolframio, níquel o litio, el ya considerado oro blanco. La Ley de Materias Primas Críticas de la UE ha abierto, sin duda, nuevas oportunidades para nuestro país.

Sin embargo, a nadie se le escapa que existe una falta de concienciación sobre la importancia de las materias primas en la sociedad actual y, por tanto, sobre la minería. Esto es particularmente relevante para las PyMEs, que carecen del efecto tractor de las grandes industrias y, por lo tanto, sufren de déficit de innovación, conexión intersectorial y potencial disruptivo. En la transición hacia la minería responsable, los clústeres son fundamentales para abordar la ambición mencionada, proporcionando un entorno propicio (incluido el desarrollo de capacidades, la creación de redes y otras acciones de apoyo), lo que permitirá al sector identificar oportunidades de mercado, vincularse con otros actores complementarios e impulsar e integrarse en nuevas cadenas de valor industriales. En su caso, el clúster ISMC facilita un espacio de diálogo y colaboración indispensable para conseguir un “modelo conjunto que frene la crisis energética y de materias primas internacional. Se necesitan soluciones urgentes y sostenibles poniendo el foco en la industria y en el sistema tecnológico estratégico desde España hacia Europa”, concluye Cuesta López.

Mapa mundial de los principales productores de las materias primas catalogadas como críticas para la UE en 2023. Fuente: Study on the Critical Raw Materials for the EU 2023 Final Report.

Salma, S.L.U.: innovación y sostenibilidad en la fabricación de equipos medioambientales

En la actualidad, las industrias de construcción, minería, reciclaje y tratamiento de residuos se enfrentan a retos cada vez mayores en términos de sostenibilidad y protección del medio ambiente. Las normativas internacionales y las crecientes expectativas de los consumidores obligan a las empresas a adoptar medidas más estrictas para minimizar su impacto ambiental. En este contexto, Salma Solutions, una empresa española especializada en la fabricación de equipos para el lavado de ruedas de camión, supresión de polvo, cañones nebulizadores y cañones evaporadores, ha emergido como un referente a nivel global aplicando tecnología de vanguardia con el objetivo de minimizar el impacto ambiental. Con sede en el norte de España y utilizando componentes europeos de primeras marcas, la compañía ha basado su éxito en la innovación y la alta calidad de sus productos.

Salma Solutions, una empresa española especializada en la fabricación de equipos para el lavado de ruedas de camión, supresión de polvo, cañones nebulizadores y cañones evaporadores, ha emergido como un referente a nivel global aplicando tecnología de vanguardia con el objetivo de minimizar el impacto ambiental

Equipo lavarruedas de Salma.

LAVADO DE RUEDAS DE CAMIÓN: UNA SOLUCIÓN ESENCIAL PARA LA LIMPIEZA INDUSTRIAL

Uno de los productos estrella de Salma Solutions son sus sistemas de lavado de ruedas de camión, diseñados para mantener limpias las áreas de trabajo y evitar la dispersión de barro, polvo y otros residuos fuera de las zonas industriales. Estos sistemas son esenciales en proyectos de construcción, minería y otras industrias donde los vehículos pesados atraviesan terrenos embarrados o contaminados.

Los sistemas de lavado de Salma Solutions destacan por su automatización y capacidad de alto rendimiento, permitiendo un proceso de limpieza eficiente sin necesidad de intervención manual. Al incorporar componentes de alta calidad, estos equipos ofrecen una gran durabilidad, además de cumplir con normativas ambientales tanto locales como internacionales. Con una instalación sencilla y un bajo mantenimiento, los sistemas de lavado de ruedas de Salma Solutions han ganado terreno en múltiples mercados, ayudando a las empresas a reducir el impacto ambiental y mejorar sus procesos logísticos.

El equipo más demandado, el Cubia 4M-SS, cuenta con un circuito cerrado de agua, rampas de acceso y salida, bom-

“Los sistemas de lavado de Salma

Solutions destacan por su automatización y capacidad de alto rendimiento, permitiendo un proceso de limpieza eficiente sin necesidad de intervención manual. Al incorporar componentes de alta calidad, estos equipos ofrecen una gran durabilidad, además de cumplir con normativas ambientales tanto locales como internacionales

bas de agua y un tanque de 14.000 litros que permite la sedimentación de los sólidos. Este robusto sistema garantiza el lavado completo del perímetro de las ruedas y del chasis del vehículo, ofreciendo una solución eficiente para la eliminación de contaminantes adheridos a los camiones. El Cubia 4M-SS ha sido diseñado para facilitar su instalación en cualquier obra sin necesidad de modificaciones estructurales. Además, su flexibilidad y capacidad para limpiar hasta 100 camiones diarios lo han convertido en una opción ideal para grandes proyectos de construcción y demolición. Esta solución se fabrica tanto para el mercado español como para el internacional, y está disponible en modalidades de compra o alquiler.

SISTEMAS

DE SUPRESIÓN DE POLVO: SALUD Y SEGURIDAD EN EL ENTORNO LABORAL

Otro de los grandes avances de Salma Solutions se encuentra en sus sistemas de supresión de polvo. En sectores como la construcción, la minería o las plantas de reciclaje, el polvo en suspensión puede representar un riesgo significativo para la salud de los trabajadores, así como para la maquinaria y el entorno. Los sistemas de supresión de polvo de Salma Solutions han sido diseñados para abordar este problema de manera eficaz, utilizando tecnologías avanzadas de nebulización que capturan las partículas de polvo y las hacen caer al suelo antes de que se dispersen en el aire.

Cañones para la supresión de polvo de Salma.

“Los cañones nebulizadores de Salma

Solutions son especialmente reconocidos por su eficacia en la supresión del polvo en grandes áreas de trabajo. Estos dispositivos proyectan agua atomizada para capturar y eliminar el polvo suspendido en el aire. Salma dispone de una amplia gama de modelos para adaptarse a las necesidades específicas de cada proyecto

Los cañones nebulizadores de Salma Solutions son especialmente reconocidos por su eficacia en la supresión del polvo en grandes áreas de trabajo. Estos dispositivos proyectan agua atomizada para capturar y eliminar el polvo suspendido en el aire. Salma dispone de una amplia gama de modelos para adaptarse a las necesidades específicas de cada proyecto. La flexibilidad en su diseño permite su uso tanto en exteriores como en interiores, ofreciendo capacidades de alcance de hasta 80 metros. Estos cañones pueden operar de manera automática o manual, dependiendo de la complejidad del proyecto y las necesidades del cliente. Gracias a su diseño robusto y componentes europeos de primera calidad, los sistemas de supresión de polvo de Salma Solutions garantizan una operación continua y eficiente en condiciones extremas.

INNOVACIÓN

EN LA SUPRESIÓN DE OLORES INDUSTRIALES

Además de la supresión de polvo, Salma Solutions ha desarrollado aplicaciones especializadas para el control de olores en entornos industriales. Esta necesidad se ha vuelto cada vez más relevante en sectores como el tratamiento de residuos y la industria alimentaria, donde la emisión de olores puede impactar tanto en el bienestar de los trabajadores como en la relación con las comunidades cercanas.

Los cañones nebulizadores de Salma Solutions están equipados con tecnologías avanzadas que permiten la atomización de partículas de agua combinadas con agentes neutralizantes, capaces de capturar y eliminar las moléculas de olor en el aire. Este sistema, además de mejorar las condiciones ambientales, ayuda a las empresas a cumplir con normativas estrictas sobre emisiones de olores, protegiendo su reputación y mejorando la calidad de vida de los trabajadores.

Este enfoque en la gestión integral de polvo y olores convierte a Salma Solutions en un proveedor clave de soluciones medioambientales para industrias a nivel global. Su capacidad para integrar tecnologías de control de polvo y olores en una misma solución ofrece una ventaja competitiva significativa en mercados exigentes.

CAÑONES NEBULIZADORES PARA LA EVAPORACIÓN DE AGUAS CONTAMINADAS

En línea con su compromiso con la sostenibilidad, Salma Solutions también ha desarrollado sus cañones evaporadores, una tecnología fundamental para la gestión de grandes volúmenes de aguas residuales procedentes de lixiviados y líquidos percolados en áreas industriales. Este tipo de aguas contaminadas, comunes en vertederos, plantas de tratamiento de residuos y proyectos industriales, requieren costosas soluciones de almacenamiento y tratamiento.

Los cañones evaporadores Evap de Salma están diseñados para acelerar el proceso de evaporación de estos líquidos, reduciendo significativamente los volúmenes de agua acumulada y los costes asociados al mantenimiento de balsas de contención. Estos cañones proyectan una fina nube de agua que facilita la evaporación de los líquidos, mientras que los sólidos disueltos precipitan en el fondo de la balsa.

La capacidad de los cañones Evap varía según las necesidades del proyecto, con modelos capaces de bombear desde 50 hasta 700 litros por minuto. Gracias a su flexibilidad, estos dispositivos pueden equiparse con sistemas au-

“Los cañones evaporadores Evap de Salma están diseñados para acelerar el proceso de evaporación de estos líquidos, reduciendo significativamente los volúmenes de agua acumulada y los costes asociados al mantenimiento de balsas de contención. Estos cañones proyectan una fina nube de agua que facilita la evaporación de los líquidos, mientras que los sólidos disueltos precipitan en el fondo de la balsa

“Uno de los aspectos diferenciadores de Salma Solutions es su compromiso con la fabricación local en España, utilizando exclusivamente componentes estándar de primeras marcas europeas

tomáticos de giro y elevación, o bien dotarse con depósitos y generadores autónomos que los hacen completamente independientes de las redes de agua y electricidad.

Una vez más, Salma Solutions emplea componentes de alta calidad en la fabricación de estos equipos, garantizando su durabilidad y eficiencia en aplicaciones industriales de gran escala.

FABRICACIÓN LOCAL Y CALIDAD EUROPEA

Uno de los aspectos diferenciadores de Salma Solutions es su compromiso con la fabricación local en España, utilizando exclusivamente componentes estándar de primeras marcas europeas. Esta filosofía no sólo garantiza la calidad y durabilidad de los productos, sino que también permite a la empresa adaptarse rápidamente a las nece-

sidades del mercado y asegurar una cadena de suministro fiable.

La fabricación local también permite a Salma Solutions mantener un control riguroso sobre todos los aspectos del proceso de producción, lo que se traduce en tiempos de entrega más rápidos y una mayor capacidad de respuesta ante las necesidades específicas de sus clientes. Además,

“Uno de los aspectos clave en la estrategia de Salma es su fuerte enfoque en la internacionalización. Inicialmente centrada en el mercado español, la empresa ha logrado expandirse a nivel global a través de la creación de una sólida red de distribuidores internacionales que le ha permitido abrirse a nuevos mercados, llevando sus soluciones tecnológicas a distintos rincones del mundo. Este esfuerzo por fortalecer su presencia global está respaldado por la capacidad de la empresa de adaptarse a las exigencias específicas de cada región y proyecto, lo que ha contribuido a su crecimiento sostenido en mercados fuera de España

el uso de componentes europeos asegura que los productos cumplan con las normativas más exigentes en términos de seguridad y rendimiento.

IMPULSO A LA INTERNACIONALIZACIÓN:

UN ENFOQUE GLOBAL

Uno de los aspectos clave en la estrategia de Salma es su fuerte enfoque en la internacionalización. Inicialmente centrada en el mercado español, la empresa ha logrado expandirse a nivel global a través de la creación de una sólida red de distribuidores internacionales que le ha permitido abrirse a nuevos mercados, llevando sus soluciones tecnológicas a distintos rincones del mundo. Este esfuerzo por fortalecer su presencia global está respaldado por la capacidad de la empresa de adaptarse a las exigencias es-

pecíficas de cada región y proyecto, lo que ha contribuido a su crecimiento sostenido en mercados fuera de España.

La estrategia de internacionalización de Salma Solutions se basa no sólo en la calidad de sus productos, sino también en la capacitación y el soporte técnico brindado a sus distribuidores locales. Cada distribuidor recibe formación especializada sobre la instalación, mantenimiento y operación de los equipos, lo que garantiza un rendimiento óptimo y un servicio al cliente de primer nivel en cualquier parte del mundo.

Salma no sólo exporta equipos a otros países, sino que también ofrece un servicio personalizado que garantiza que sus soluciones cumplan con las normativas locales y las expectativas de los clientes en cada proyecto. Este enfoque le ha permitido a la empresa posicionarse como un proveedor de confianza a nivel internacional, tanto en sectores tradicionales como los de la minería, construcción o demolición, como en otros campos industriales donde la gestión ambiental es también crucial.

La compañía continúa ampliando su red de distribuidores, con un enfoque en mercados emergentes y regiones con una creciente demanda de soluciones de control ambiental.

CONCLUSIÓN

A medida que las industrias de todo el mundo enfrentan mayores presiones para mejorar sus prácticas ambientales y cumplir con regulaciones estrictas, empresas como Salma Solutions se están posicionando a la vanguardia de la innovación en el control de polvo, gestión de olores y evaporación de líquidos. Desde sus sistemas de lavado de ruedas de camión hasta sus innovadores cañones evaporadores, Salma Environmental Solutions ha logrado destacarse como un líder en la fabricación de equipos de alta tecnología para la gestión ambiental y sigue comprometida con el desarrollo de soluciones que minimicen el impacto ambiental y mejoren la eficiencia operativa.

Con una gama de productos que combina eficacia, durabilidad y facilidad de uso, Salma Solutions se ha convertido en un referente en la provisión de soluciones medioambientales para los sectores más exigentes.

Su enfoque en la internacionalización, apoyado por una red de distribuidores bien estructurada, ha permitido a la empresa llevar sus tecnologías a mercados globales, mientras que su compromiso con la excelencia y el uso de componentes de alta calidad asegura que sus productos continúen destacándose en la industria.

En un futuro donde la sostenibilidad y la protección del medio ambiente seguirán siendo prioridades clave, Salma Solutions está preparada para continuar liderando con soluciones innovadoras que beneficien tanto a las empresas como al entorno en el que operan.

Secmotic presenta su solución “Smart Tunneling” enfocada en el sector de la construcción y la minería

La minería y la construcción subterránea están experimentando una revolución gracias a las innovaciones tecnológicas. Una de las soluciones que Secmatic ha desarrollado en este campo es Smart Tunneling.

Este sistema inteligente conecta con las tuneladoras, extrayendo y analizando datos en tiempo real para optimizar los parámetros de penetración en función de las condiciones geológicas.

TRANSFORMACIÓN

INTELIGENTE EN LA CONSTRUCCIÓN DE TÚNELES

Smart Tunneling se distingue por su capacidad de transformar y seguir parámetros críticos en tiempo real. Al integrarse directamente con los sistemas de control de las tuneladoras (PLC) o mediante OPC, recopila datos vitales que permiten ajustar dinámicamente la operación de la máquina según las características del terreno.

Esta adaptabilidad es esencial para enfrentar las variaciones geológicas que se presentan en la construcción subterránea.

CÓMO FUNCIONA SMART TUNNELING

El sistema se conecta a la tuneladora, recopilando datos de diversas fuentes, incluyendo sensores de suelo que miden la dureza, temperatura y tipo de terreno.

Con una capacidad de manejar información de hasta 2.000 sensores y una frecuencia de datos de 5 segundos, Smart Tunneling garantiza una representación detallada y precisa del entorno subterráneo.

Utilizando algoritmos avanzados de gestión y mantenimiento predictivo, el sistema detecta modos de funcionamiento en tiempo real y proporciona avisos y representaciones visuales, lo que permite realizar mantenimientos preventivos antes de que ocurran fallos.

PROBADO Y COMPROBADO

Secmotic ha probado Smart Tunneling en diversos entornos, incluyendo proyectos de metro, ferroviarios y canalizaciones en países como España, Noruega y Brasil.

Ha demostrado su efectividad en tuneladoras, principalmente del tipo Herrecknecht (HK), y ha utilizado redes de fibra óptica (FO) y LTE inalámbricas, mostrando robustez incluso frente a inestabilidades de red.

RESULTADOS

Los beneficios de implementar Smart Tunneling son claros y significativos:

Mejora Operativa: La eficiencia de la obra mejora notablemente, así como las comunicaciones y las necesidades de Prevención de Riesgos Laborales (PRL).

Al combinar inteligencia en tiempo real con capacidades predictivas y adaptativas, este sistema no sólo mejora la eficiencia y seguridad de los proyectos, sino que también asegura un retorno de inversión rápido y tangible

“Smart Tunneling se distingue por su capacidad de transformar y seguir parámetros críticos en tiempo real.

Al integrarse directamente con los sistemas de control de las tuneladoras (PLC) o mediante OPC, recopila datos vitales que permiten ajustar dinámicamente la operación de la máquina según las características del terreno

Reducción de paradas técnicas: Las paradas no planificadas disminuyen considerablemente, optimizando el tiempo y los recursos.

Soluciones de red robustas: El sistema ofrece soluciones de red MPN robustas, superando las limitaciones de la fibra óptica en entornos de inestabilidad.

Eficiencia y seguridad: Se controla mejor el personal y el uso de maquinaria dentro del túnel, aumentando la seguridad y eficiencia del proyecto.

CONCLUSIÓN

Smart Tunneling de Secmotic representa un avance tecnológico crucial para la minería y la construcción subterránea.

Al combinar inteligencia en tiempo real con capacidades predictivas y adaptativas, este sistema no sólo mejora la eficiencia y seguridad de los proyectos, sino que también asegura un retorno de inversión rápido y tangible.

La implementación de Smart Tunneling promete transformar la manera en que se aborda la construcción de túneles, haciendo que cada proyecto sea más seguro, eficiente y rentable.

La clasificación basada en sensores Tomra ayuda a las explotaciones mineras a

extraer todo el

Evalor de su cuarzo “

l mercado mundial del cuarzo no ha dejado de crecer y esta tendencia continuará, exigiendo niveles de pureza cada vez más elevados. Esta demanda procede de diferentes sectores con requisitos variables, por lo que se necesita la clasificación de minerales más precisa posible. Esto puede lograrse con tecnologías de clasificación por color y láser basadas en sensores, aplicadas de manera individual o combinada, como explican Jens Michael Bergmann, director internacional del segmento de minerales industriales, y Carolina Vargas, directora de ventas de la región de Europa, India y resto del mundo de Tomra Mining.

UNA DEMANDA CRECIENTE PARA MERCADOS CON REQUISITOS DIFERENTES

Se prevé que el mercado del cuarzo siga creciendo a un ritmo anual de alrededor del 4% en los próximos 5 años, impulsado por diversos factores. El cuarzo se emplea en diferentes industrias que le dan distintos usos y que tienen, por tanto, distintas necesidades. Uno de los principales sectores es el de la piedra reconstituida, para su uso en la fabricación de encimeras de cocina, por ejemplo. El cuarzo blanco de alta calidad goza

Esta demanda procede de diferentes sectores con requisitos variables, por lo que se necesita la clasificación de minerales más precisa posible. Esto puede lograrse con tecnologías de clasificación por color y láser basadas en sensores, aplicadas de manera individual o combinada

“El cuarzo blanco de alta calidad goza de una gran demanda para esta aplicación por su extrema resistencia a los ácidos, las manchas y los daños, así como por su atractivo estético. También se considera una opción sostenible desde el punto de vista medioambiental, debido a su abundancia en la naturaleza y al hecho de que puede reconstituirse con un mínimo de residuos

de una gran demanda para esta aplicación por su extrema resistencia a los ácidos, las manchas y los daños, así como por su atractivo estético. También se considera una opción sostenible desde el punto de vista medioambiental, debido a su abundancia en la naturaleza y al hecho de que puede reconstituirse con un mínimo de residuos.

El otro mercado clave del cuarzo es la industria metalúrgica, ya que es la mejor fuente de silicio metálico y polisilicio, un semiconductor esencial para aplicaciones electrónicas y que también se utiliza para otros productos, como las células fotovoltaicas. Las aplicaciones en el sector energético, a medida que el mundo avanza hacia fuentes más sostenibles como la solar y la eólica, están impulsando un aumento de la demanda del cuarzo de gran pureza, que es un componente esencial de los paneles solares. También se prevé que el sector tecnológico sea un mercado creciente para el cuarzo de gran pureza utilizado en dispositivos electrónicos, cuya demanda seguirá aumentando a medida que el mundo esté cada vez más conectado y dependa más de ellos. El cuarzo también es una fuente de ferrosilicio, que se utiliza en las fundiciones como desoxidante en el proceso de producción de acero y otras aleaciones, otro sector en crecimiento. Esta aplicación no requiere la gran pureza que exigen los sectores anteriores. Por último, el residuo se utiliza en la industria de los áridos.

EL RETO DE LA CLASIFICACIÓN DEL CUARZO: CUMPLIR LOS REQUISITOS ALTAMENTE ESPECÍFICOS

DE LAS

DISTINTAS INDUSTRIAS

El cuarzo es uno de los minerales más comunes, se encuentra en todas las formas de roca, pero no existe en gran pureza en la naturaleza. Se presenta en colores que van del blanco al amarillo, pasando por el negro, que son indicativos de los distintos elementos presentes en el mineral.

El reto de las explotaciones mineras es cumplir los requisitos altamente específicos de los distintos sectores. Las industrias metalúrgicas y de piedra reconstituida necesitan cuarzo de una pureza química elevada y constante, y para la producción de silicio y los fabricantes de piedra reconstituida, también es esencial un producto blanco sin

impurezas del mismo color, como el feldespato. Otros sectores metalúrgicos admitirán distintos niveles de impurezas, destinándose el cuarzo más oscuro y de menor pureza a la producción de ferrosilicio.

Además de cumplir estos requisitos precisos, las explotaciones mineras de cuarzo deben disponer de la capacidad necesaria para satisfacer la creciente demanda, al tiempo que garantizan su rentabilidad y reducen su impacto ambiental.

LA SOLUCIÓN: EXPLOTAR TODO EL VALOR DEL CUARZO CON LA CLASIFICACIÓN POR COLOR Y LÁSER

Las soluciones a medida de Tomra Mining combinan sus clasificadoras por color y láser para diferenciar los minerales por color, composición y tamaño con vistas a satisfacer los requisitos específicos de los clientes de las explotacio-

“El reto de las explotaciones mineras es cumplir los requisitos altamente específicos de los distintos sectores. Las industrias metalúrgicas y de piedra reconstituida necesitan cuarzo de una pureza química elevada y constante, y para la producción de silicio y los fabricantes de piedra reconstituida, también es esencial un producto blanco sin impurezas del mismo color, como el feldespato. Otros sectores metalúrgicos admitirán distintos niveles de impurezas, destinándose el cuarzo más oscuro y de menor pureza a la producción de ferrosilicio

CLASIFICACIÓN ÓPTICA

nes mineras. Esta clasificación precisa proporciona la alta calidad que necesitan, al tiempo que reduce los residuos y aumenta la productividad.

Las clasificadoras láser de Tomra Mining, son la solución perfecta para las explotaciones mineras que necesitan cuarzo de alta calidad independientemente de su color. Esta tecnología fue desarrollada para la división Tomra Food y lleva funcionando desde 1997 en la industria alimentaria. La adaptación de esta tecnología propia probada para aplicaciones mineras era un paso lógico para Tomra Mining; y la primera clasificadora láser fue adquirida por la empresa española Erimsa en 2016 y lleva funcionando a la perfección desde entonces, entregando cuarzo de alta pureza constante para la industria metalúrgica.

Las clasificadoras láser de Tomra utilizan el efecto de dispersión de múltiples haces de láser para separar una roca que contiene cuarzo de otra de aspecto similar. El cuarzo

“Las clasificadoras láser de Tomra utilizan el efecto de dispersión de múltiples haces de láser para separar una roca que contiene cuarzo de otra de aspecto similar. El cuarzo devuelve la luz láser en un área mayor que otros minerales, por lo que aparecerá como un cristal brillante mientras que los demás no muestran ningún efecto de dispersión. Los cristales grandes y puros pueden distinguirse claramente de otras rocas o minerales con una estructura cristalina más pequeña, independientemente del color o la composición química. De este modo, se consiguen unos índices de recuperación y una calidad sistemáticamente superiores

devuelve la luz láser en un área mayor que otros minerales, por lo que aparecerá como un cristal brillante mientras que los demás no muestran ningún efecto de dispersión. Los cristales grandes y puros pueden distinguirse claramente de otras rocas o minerales con una estructura cristalina más pequeña, independientemente del color o la composición química. De este modo, se consiguen unos índices de recuperación y una calidad sistemáticamente superiores.

Esta tecnología resultó ser la solución para el productor español de cuarzo Ferroglobe, que se enfrentaba al reto de separar el mineral de cuarzo de otros contaminantes con las mismas propiedades de color.

"La clasificación óptica no resolvía el problema y necesitábamos plantearnos la separación basada en otras propiedades", explica Fernando Alonso, director de la mina. Las pruebas realizadas en el Centro de Pruebas de Tomra en Wedel (Alemania) con muestras demostraron que su tecnología láser era capaz de diferenciar entre el cuarzo blanco de alta calidad y otros contaminantes, mientras que la clasificación por colores sería incapaz de separarlo. Las pruebas revelaron que con la clasificadora láser, Ferroglobe sería capaz de suministrar cuarzo de alta calidad constante. Thierry Alary, vicepresidente de compras y cadena de suministro de Ferroglobe, destacó: "Las operaciones mejorarán, sin duda. Al resolver ese problema concreto, la clasificación se hace más precisa, lo que repercute en la tasa de recuperación, evita la contaminación y reduce el procesamiento posterior. Además, detectamos potencial de desarrollo en otros productos y emplazamientos".

Para alcanzar los niveles de pureza más altos, las clasificadoras láser de Tomra pueden combinarse con la tecnología de clasificación por color. Una vez que la roca de cuarzo no contaminada es detectada por la clasificadora láser, el producto se expone a la clasificadora por color, que emplea una cámara de alta resolución para reconocer los materiales en función de su color y forma.

CLASIFICACIÓN ÓPTICA

La empresa minera turca Mikroman está utilizando con éxito esta combinación de clasificadoras láser y por color de Tomra para diferenciar los productos y satisfacer las distintas necesidades de las cuatro industrias a las que sirve: cuarzo blanco y gris claro con bajo contenido en óxido de hierro para piedras reconstituidas; gris y amarillo para la industria del vidrio; coloreado para los sectores metalúrgico y de ferrosilicio; y grava coloreada para áridos.

Como afirmó un representante de Mikroman: "Antes de contar con las clasificadoras Tomra, nos preocupaba la calidad y la baja capacidad, pero ahora hemos alcanzado el nivel de calidad deseado y hemos observado una disminución de los residuos, lo que significa que la productividad ha aumentado".

Las clasificadoras láser de Tomra también pueden equiparse con láseres rojos, verdes y azules para realizar tareas sencillas de clasificación por color, lo que ofrece a las explotaciones mineras la flexibilidad de ajustarse según los cambios en la demanda, pasando de un programa de clasificación a otro según sea necesario.

EFICIENCIA, RENTABILIDAD Y SOSTENIBILIDAD

Las soluciones de clasificación de Tomra eliminan con eficacia más residuos en las primeras fases. Esto reduce de forma significativa el material introducido en la planta de procesamiento y, en consecuencia, aumenta la capacidad de la mina. La reducción del material sometido al proceso de trituración también supone un importante ahorro de costes y energía. Teniendo en cuenta que el 3% de la energía mundial se utiliza para triturar rocas, la expulsión temprana de los residuos puede suponer una importante contribución a la sostenibilidad de la industria. Además, si el material se clasifica en la mina, se transportará mucho menos material a la planta de procesamiento, lo que reducirá aún más los costes y el impacto medioambiental de la explotación.

“Las soluciones de clasificación de Tomra eliminan con eficacia más residuos en las primeras fases. Esto reduce de forma significativa el material introducido en la planta de procesamiento y, en consecuencia, aumenta la capacidad de la mina. La reducción del material sometido al proceso de trituración también supone un importante ahorro de costes y energía. Teniendo en cuenta que el 3% de la energía mundial se utiliza para triturar rocas, la expulsión temprana de los residuos puede suponer una importante contribución a la sostenibilidad de la industria

Otra ventaja de la clasificación precisa de la tecnología láser exclusiva de Tomra es la ventaja competitiva que concede a la explotación minera, que puede garantizar a sus clientes un cuarzo homogéneo de alta calidad.

UNA SOLUCIÓN A MEDIDA Y UN APOYO PERMANENTE EFICAZ

Tomra aprovecha sus conocimientos técnicos internos y su experiencia sobre el terreno para ayudar a las explotaciones mineras de cuarzo a maximizar el valor de sus recursos, a fin de ofrecer soluciones a medida que se ajusten con precisión a la situación y los requisitos específicos de cada cliente. Su Centro de Pruebas desempeña un papel importante a la hora de determinar la tecnología más adecuada y validar la solución propuesta.

La asistencia de Tomra va más allá de la puesta en servicio, ya que su equipo permanece al lado del cliente para garantizar que los equipos funcionen siempre de forma óptima y ofrecer una asistencia rápida y eficaz cuando sea necesario.

Sandvik mostrará sus últimas novedades en el MMH

2024

Como ya es habitual, Sandvik estará presente en MMH Sevilla 2024, esta vez en el Pabellón 2, stand 2211-2220, que vestirá su nuevo diseño corporativo, y donde presentará las novedades relacionadas con su área de negocio SMR (Sandvik Mining and Rock Solutions). Entre otras cuestiones, y por primera vez desde su adhesión, DSI Underground se encontrará en el mismo espacio ferial como parte de SMR.

En relación con esto último, el pasado 24 de septiembre se anunció el cambio de marca de DSI Underground a Sandvik Ground Support. Esta integración ofrece una solución integral para minería de interior, abarcando todas las fases de las operaciones y permitiendo dar forma a las minas sostenibles del futuro de una manera más completa y conjunta.

En el MMH se darán a conocer los productos más novedosos de esta línea, que ofrece la mayor gama de sistemas de bulones y soluciones digitales, incluido xCell Cyclops. Entre otros, se podrán encontrar:

- Cápsulas de resina sin estireno Fasloc SF: que eliminan el estireno, mejorando la seguridad y el rendimiento a la vez que aumentan la productividad.

- Sistema Sandvik ARI (Inyección Automática de Resina): sistema que permite a los operarios cargar e inyectar

automáticamente cartuchos de resina en las perforaciones antes de la instalación de los bulones, con una interfaz fácil de usar integrada en los bulones Sandvik de la serie i.

- Sistema de resina bombeable: diseñado para el Sandvik DD422i Dual Controls, este sistema mejora la eficiencia durante las operaciones de bulonaje y cuenta con un bombeo controlado de resina supervisado a través de la pantalla del operador.

Precisamente el jumbo DD422i será el equipo protagonista en el stand de Sandvik de este año, visible desde buena parte del Pabellón, y pudiendo ser contemplado de cerca por los visitantes de la feria. Sin embargo, no estará solo.

Para esta edición, la mayoría de las divisiones de Sandvik estarán representadas y, en la zona exterior, se podrán encontrar dos equipos de carga y transporte modelos Toro LH621i y Toro TH663i, y un equipo de perforación de superficie Pantera DP1100i

Equipo de preforación de superficie Pantera DP1100i.

Para esta edición, la mayoría de las divisiones de Sandvik estarán representadas y, en la zona exterior, se podrán encontrar dos equipos de carga y transporte modelos Toro LH621i y Toro TH663i, y un equipo de perforación de superficie Pantera DP1100i.

Como en la edición anterior, los más aventureros podrán probar sus habilidades en el simulador de alta tecnología para gamas Toro LH517i y LH621i, y experimentar de primera mano las sensaciones de manejar una cargadora como la que estará expuesta en la zona exterior.

En el stand de Sandvik también estarán presentes las últimas novedades de la gama de herramientas de perforación, como el revestimiento contra la corrosión de Golden Shanks que aumenta notablemente la vida útil o el sistema de rosca curva CT67. Así como productos y servicios del área de postventa, como el ya mencionado simulador o los labios de última generación Mako G.E.T. para cazo, con su diseño específico para las condiciones de minería más exigentes.

Cabe destacar que una vez más, Sandvik refuerza su compromiso con el futuro de la minería a través del desarrollo de tecnologías y soluciones que ayuden a los clientes a explotar las minas de forma más sostenible, sin comprometer la productividad ni la eficiencia de las operaciones.

EQUIPOS EN EXPOSICIÓN

TORO LH621I

El Toro LH621i es un equipo de carga y transporte diseñado para llevar a cabo labor en desarrollo de mina y producción manera en interior a gran escala.

Posee alta potencia hidráulica para un llenado rápido del cazo y tren de potencia para mayor velocidad en rampa. La seguridad y el mantenimiento son claves en el diseño de este equipo, que ofrece gran durabilidad en sus componentes y bajos costes por tonelada.

Ventajas:

– Rápido llenado del cazo.

– Eficiencia de combustible y motores de bajas emisiones.

“El Toro LH621i es un equipo de carga y transporte diseñado para llevar a cabo labor en desarrollo de mina y producción manera en interior a gran escala

– Mantenimiento sencillo.

– Monitorización de la producción.

– Máxima ergonomía y confort.

– Preparada para digitalización.

TORO TH663I

El Toro TH663i es un dúmper inteligente de alta productividad de 63 t para uso en galerías de 6 x 6. Este camión inteligente de nueva generación es seguro, eficiente, de alta capacidad, diseñado para ofrecer máximo rendimiento.

El Toro TH663i incrementa la productividad manteniendo bajos costes por tonelada. Ofrece máximo confort y seguridad para el operador con una cabina insonorizada y certificación FOPS y ROPS.

El Toro TH663i es la pareja perfecta de la cargadora Toro LH621i.

Ventajas:

– Máxima eficiencia y bajos costes.

– Ciclos más cortos.

– Monitorización de la producción.

Cargadora de interior Toro LH621i.
Dúmper de interior Toro TH663i.

PERFORACIÓN

– Preparada para digitalización con AutoMine.

– Excelente entorno de operador y seguridad.

– Mantenimiento rápido y sencillo.

SANDVIK DD422I

Sandvik DD422i es un jumbo de desarrollo basado en un sistema de control inteligente y diseñado para ofrecer máximo rendimiento, precisión y fiabilidad para perforación en túneles a media escala.

Esta generación de jumbos de última tecnología tiene la más amplia gama de funciones automáticas para ofrecer mayor productividad al menor coste. El diseño de su estructura y componentes aseguran un entorno de trabajo fiable y seguro tanto para el personal de mantenimiento como para el operador.

Ventajas:

– Mejor control de la perforación y del brazo para ofrecer la máxima productividad y duración de las herramientas.

– Cabina ergonómica para un confort optimizado del operador con visibilidad mejorada y reducción de ruidos.

– La mayor gama disponible de funciones automáticas de perforación que ayudan a reducir la sobre excavación obteniendo el máximo rendimiento por voladura.

“Sandvik DD422i es un jumbo de desarrollo basado en un sistema de control inteligente y diseñado para ofrecer máximo rendimiento, precisión y fiabilidad para perforación en túneles a media escala

PANTERA DP1100I

Pantera DP1100i es un equipo hidráulico de perforación de superficie, autopropulsado de martillo en cabeza, siendo la opción ideal para aplicaciones de producción y precorte en canteras de gran tamaño o minas a cielo abierto y obras de construcción.

El Pantera DP1100 proporciona una amplia gama de información incluyendo la condición del equipo y trabajo realizado. La cabina posee certificación FOPS/ROPS, una excelente visibilidad y parámetros inteligentes lo que hacen de este equipo uno de los más seguros y productivos del mercado. Puede perforar barrenos con diámetros entre 89 y 140 mm. Su diseño permite una gran estabilidad incluso en las condiciones más difíciles manteniendo gran eficacia y productividad.

Ventajas:

– El control activo del motor proporciona la potencia adecuada reduciendo el consumo de combustible.

– Martillos de alta frecuencia suministrando gran poder de impacto, potencia y ratios de penetración.

– Disposición de componentes para facilitar el mantenimiento.

– Nivel bajo de combustible y bajas emisiones lo que reduce los costes de operación.

SIMULADOR DE CARGA Y TRANSPORTE

Este simulador de alta tecnología ha sido desarrollado para la formación de operadores de la gama Toro: LH517i y LH621i. Es la opción perfecta para obtener el máximo rendimiento de los equipos sin comprometer la seguridad de los operadores y la del propio equipo.

Ventajas:

– Los operadores podrán desarrollar su capacidad en tareas de carga y transporte a través de distintas opciones y entornos.

– El sistema incluye controles reales como joystick y pedales para mayor realismo y puede adaptarse a diferentes niveles de formación: básico y avanzado.

– Software actualizable.

– Mismos controles y elementos a los incluidos en los equipos reales.

Sandvik DD422i.
Carro de superficie Sandvik DD422i.

Entrevista a Paula Velasco, directora general del Grupo Maqop

“Vivimos en un mundo que está en constante cambio, la adaptación es parte de nuestro ADN”

El Grupo Maqop, con más de 30 años en el sector, está formado por las empresas Maqop, dedicada al alquiler, venta y reparación de maquinaria para los sectores de construcción, obra civil, obra pública e industria; Perfo Corte, enfocada a buscar soluciones para trabajos de perforación y corte con equipos de diamante y demolición controlada por robot; y Kaex, consagrada al alquiler con operario de minicargadoras de ruedas y miniexcavadoras de cadenas.

“"En Grupo Maqop nos hemos mantenido fieles a nuestros principios, primando siempre la calidad del servicio, y eso es algo que nuestros clientes han entendido y valorado"

En sus instalaciones de más de 3.000 m2 en el polígono industrial El Malvar, en Arganda del Rey, Madrid, dispone de un parque de más de 1.000 unidades, así como de una zona destinada a los almacenes, las oficinas y el taller de mantenimiento y reparaciones. También cuenta con un área de exposición para la venta de equipos nuevos y de segunda mano.

Paula Velasco es la directora General del Grupo Maqop, quien muy amablemente ha accedido a ser entrevistada.

RyM- Sra. Velasco, enhorabuena por estos más de 30 años lidiando con un mercado como el español, con una idiosincrasia que no lo hace fácil. ¿Qué principio ha primado en esta empresa desde sus orígenes?

Paula Velasco- Gracias por la enhorabuena, pero este éxito debe reconocerse al antiguo equipo directivo y a sus fundadores, la Sra. Beatriz Manzano y el Sr. Marcelino Manzano, quienes desde 1993, día tras día, han trabajado por el creci-

miento y evolución de este Grupo. Por supuesto, también a su gran equipo humano que nos ha acompañado a lo largo de esta trayectoria y han hecho posible este éxito.

Desde luego, tres décadas es un largo periodo de tiempo que ha estado marcado por muchos factores con grandes picos de demanda, pero también bajadas, incluso afrontando, con mucho esfuerzo y capacidad de adaptación, una pandemia mundial que afectó brutalmente a todos los sectores.

En Grupo Maqop nos hemos mantenido fieles a nuestros principios, primando siempre la calidad del servicio, y eso es algo que nuestros clientes han entendido y valorado.

RyM- El alquiler ha ido entrando poco a poco en España para quedarse. ¿Cómo ha reaccionado Maqop en estos años para seguir estando entre las empresas de maquinaria más punteras de Madrid?

Paula Velasco-La adaptación, la escucha y un servicio de atención puntero siempre han sido nuestras claves.

Desde Grupo Maqop llevamos más de 30 años enfocados a prestar soluciones a nuestros clientes, siendo de las primeras empresas en introducirse en el servicio del alquiler. El alquiler es una tendencia que ha crecido en otros sectores; bien se puede ver ahora, por ejemplo, en el sector automovilístico. Llevar ya tiempo enfocados en ese modelo de negocio reporta una ventaja competitiva por los años de conocimiento adquirido y por operar principalmente a nivel local, lo que nos ha permitido focalizar los esfuerzos para convertirnos en una empresa de referencia en la Comunidad de Madrid.

RyM- Teniendo en cuenta que cada día es más complejo encontrar personal, ¿cómo se gestiona una empresa que alquila maquinaria con operador?

Paula Velasco- Conseguir personal cualificado se ha convertido en un problema generalizado. No sólo afecta a la

El Grupo Maqop, con más de 30 años en el sector, está formado por las empresas Maqop, dedicada al alquiler, venta y reparación de maquinaria para los sectores de construcción, obra civil, obra pública e industria; Perfo Corte, enfocada a buscar soluciones para trabajos de perforación y corte con equipos de diamante y demolición controlada por robot; y Kaex, consagrada al alquiler con operario de minicargadoras de ruedas y miniexcavadoras de cadenas.

Más de 3.000 m2 de instalaciones tiene Maqop en el Arganda del Rey, Madrid.

hora de conseguir operarios, también para el personal de taller que trabaja en las reparaciones y puesta a punto de la maquinaria.

Para poder ofrecer un servicio de calidad debemos tener trabajadores de calidad, mantener siempre un buen nivel de formación y capacitación es una premisa importante a cumplir para desempeñar nuestra actividad.

“"El tiempo de alquiler medio depende en gran medida del tipo de maquinaria y de su desgaste por uso. Nuestra prioridad es mantener un campo de maquinaria actualizado, variado y en excelentes condiciones. Por esto, contamos con un experto equipo de taller que realiza mantenimiento y revisiones continuas, alargando así, la vida útil de la flota"

RyM- Entre los objetos sociales de la empresa se encuentra la venta de maquinaria nueva. ¿De qué marcas de maquinaria es Maqop distribuidor y para qué zonas de España?

Paula Velasco- Para poder prestar el mejor servicio, tanto de alquiler como de venta, nos centramos en ofrecer material de calidad. Para ello tenemos a los mejores partners del panorama, con gran reconocimiento a nivel nacional e internacional, tales como Benza, Husqvarna, Internaco, KPC, Kubota, o por ejemplo Makita, asegurando así maximizar la calidad y durabilidad de los productos para nuestros clientes.

“"Para poder ofrecer un servicio de calidad debemos tener trabajadores de calidad, mantener siempre un buen nivel de formación y capacitación es una premisa importante a cumplir para desempeñar nuestra actividad"

Operamos principalmente en la Comunidad de Madrid y alrededores, pero siempre valoramos y atendemos propuestas y proyectos para otras zonas respondiendo a las necesidades de nuestros clientes.

RyM- Perfo Corte es una empresa de servicios con una tipología de clientes muy diferentes a los del sector del alquiler de maquinaria de obra pública. ¿Cómo surgió esta empresa en el Grupo Maqop?

Paula Velasco-Es cierto que Perfo Corte presta unos servicios diferentes a los del alquiler en los que se centra tanto Maqop como Kaex, pero no dista tanto si consideramos el sector en el que nos encontramos.

Al valorar las peticiones y consultas de nuestros clientes, vimos que existía una necesidad que estaba sin cubrir y a la que con nuestro equipo de profesionales altamente cualificados podíamos ofrecer una solución.

Las tres empresas del Grupo Maqop se complementan y generan sinergias para hacerlas más fuertes y estables.

RyM- Los equipos usados en venta entiendo que son los que previamente han pertenecido a la flota de alquiler de Maqop y Kaex. ¿Qué tiempo de alquiler medio tiene una máquina en estas dos empresas?

Paula Velasco- El tiempo de alquiler medio depende en gran medida del tipo de maquinaria y de su desgaste por uso. Nuestra prioridad es mantener un campo de maquinaria actualizado, variado y en excelentes condiciones. Por esto, contamos con un experto equipo de taller que realiza mantenimiento y revisiones continuas, alargando así la vida útil de la flota.

Al momento de rotar la maquinaria del alquiler a la venta, nos aseguramos de que esté en un estado óptimo.

Equipo directivo de Maqop.

RyM- Además de los equipos de obra pública, Grupo Maqop cuenta con una división de maquinaria para el corte de césped, la trituración de ramas y poda o un removedor avícola. ¿Cómo se gestiona esta división con una tipología de clientes totalmente diferente a los de obra pública?

Paula Velasco- Es cierto que este tipo de clientes tiene unas necesidades más específicas o sectorizadas y es diferente al cliente de la obra pública, pero para este tipo de maquinaria también contamos con muchos de los partners anteriormente mencionados como Benza, Husqvarna o Makita, por lo que, conociendo la calidad del proveedor y las necesidades de la maquinaria, podemos incluir esta rama de productos con total confianza para prestar estos servicios más específicos y cubrir así las necesidades de esta división de clientes.

RyM- Perfo Corte es una empresa específica para el corte y taladro de hormigón. ¿Se ha pensado en algún momento pasar a ejecutar demoliciones de más envergadura?

Paula Velasco- Como se puede comprobar por la trayectoria del Grupo, siempre estamos dispuestos a explorar nuevas ramas de negocio y nuevos mercados.

Por el momento no entra en nuestros planes de expansión, pero es una opción que podría valorarse.

RyM- Los cañones de polvo cada día son más demandados en aquellas industrias donde la generación de polvo es un problema para los trabajadores y para las comunidades vecinas. ¿Cómo se está gestionando la venta/alquiler de estos equipos?

Paula Velasco- A nuestro parecer, cuidar las condiciones del trabajador es fundamental y es lo principal a tener en cuenta. Por esto, para trabajos propios que generen residuo, siempre contamos con este tipo de instrumental. También es una consideración importante para minimizar el impacto en el entorno y comunidades vecinas.

Para la venta y el alquiler, más allá del motivo anteriormente mencionado, hay que tener en cuenta la regulación, ya que para muchas obras se ha vuelto obligatorio. Pensando en las necesidades de nuestros clientes, hemos puesto a su disposición esta gama de productos, lo que les permite unificar sus necesidades en nuestro Grupo como proveedor.

RyM- El sector de la elevación cada día es más fuerte, existiendo en Europa y España empresas especializadas únicamente en el alquiler de plataformas elevadoras. ¿Con qué equipos de elevación cuenta actualmente Maqop en alquiler?

Paula Velasco- Actualmente, dentro del parque de maquinaria de alquiler contamos con plataformas de tijera y cestas elevadoras telescópicas, además del camión cesta. Dentro de nuestro compromiso de calidad, siempre estudiamos las necesidades del cliente y nos asegu-

ramos de conseguir la maquinaria necesaria para su caso específico.

RyM- Para el sector de excavación, ¿cuál es el equipo sobre cadenas más grande que ofrece Maqop en alquiler?

Paula Velasco- Para los trabajos de excavación las máquinas más grandes sobre cadenas de goma son de 6 toneladas entre las que podemos destacar los modelos Case CX60 Y Kubota KX060.

“"Para la venta y el alquiler, más allá del motivo anteriormente mencionado, hay que tener en cuenta la regulación, ya que para muchas obras se ha vuelto obligatorio. Pensando en las necesidades de nuestros clientes, hemos puesto a su disposición esta gama de productos, lo que les permite unificar sus necesidades en nuestro Grupo como proveedor"

RyM- Teniendo en cuenta las tendencias de mercado venideras, ¿cómo ve el futuro Maqop en los próximos años?

Paula Velasco- Vivimos en un mundo que está en constante cambio, la adaptación es parte de nuestro ADN.

Vemos un futuro prometedor y lleno de oportunidades en el que estaremos enfocados en el crecimiento del Grupo, manteniendo nuestra calidad de servicio y procurando mejorar la experiencia del cliente.

Además, centraremos nuestros esfuerzos en la Digitalización, lo que nos permite afrontar las nuevas necesidades del mercado, y en la Sostenibilidad, promoviendo la economía circular y la ampliación de oferta de maquinaria eléctrica.

Además del alquiler de equipos, Maqop comercializa determinada maquinaria y consumibles.

Paneles antivandalismo Digger Guard para excavadoras

La firma inglesa Digger Guard comenzó su andadura hace unos años en su país y ahora es mundialmente conocida por las protecciones antivandalismo que coloca en las cabinas de las excavadoras de sus clientes.

El sistema de enganche y desenganche no destructivo permite una instalación y extracción rápidas, siendo la instalación de los paneles muy fácil e intuitiva. Están fabricados en paneles duraderos de polímero y los cierres a presión ofrecen la máxima protección contra el vandalismo. Cuando se quitan, al arrancar la jornada de trabajo, se guardan en una caja de almacenamiento totalmente cerrada que los mantiene secos, seguros y reduce el ruido cuando están guardados.

LA PROTECCIÓN DEFINITIVA PARA

Y VENTANAS DE MAQUINARIA DE CONSTRUCCIÓN

CABINAS

Utilizando materiales robustos pero ligeros, los ingenieros de Digger Guard han optimizado la durabilidad, garantizando al mismo tiempo que los paneles sean fáciles de manejar.

En la medida de lo posible, se evita perforar la cabina, utilizando métodos de instalación no destructivos que no dañan la máquina ni anulan las garantías. Su montaje diario pasa por colgar los paneles y bloquear con cierres a presión.

El sistema patentado de Digger Guard utiliza el panel de la ventana delantera como tapa para la caja de almacenamiento, proporcionando una opción de depósito cerrada cuando no se utiliza, lo que evita la acumulación de agua

El sistema patentado de Digger Guard utiliza el panel de la ventana delantera como tapa para la caja de almacenamiento, proporcionando una opción de depósito cerrada cuando no se utiliza, lo que evita la acumulación de agua en los paneles, mantiene los paneles limpios y seguros y reduce la contaminación acústica para los operarios de la máquina

en los paneles, mantiene los paneles limpios y seguros y reduce la contaminación acústica para los operarios de la máquina.

Este sistema es un 27% más ligero que las alternativas de la competencia, es muy robusto y ligero, contando con accesorios de acero inoxidable, y el montaje y desmontaje diario de las protecciones se realiza en menos de 5 minutos. La instalación inicial se lleva a cabo en menos de 45 minutos.

El diseño intuitivo permite una rápida instalación y retirada de los paneles, aunque el procedimiento exacto puede cambiar para diferentes máquinas. De hecho, trabaja con fabricantes y distribuidores de línea amarilla y en la actualidad suministra protecciones antivandálicas para maquinaria de construcción Hitachi, Develon y Volvo, aunque está ampliando la gama para cubrir equipos de otros proveedores.

Berdiel, nuevo distribuidor de HJM para Aragón y Soria

Berdiel e Hispano Japonesa de Maquinaria (HJM) se complacen en anunciar su acuerdo de colaboración. Una alianza estratégica que permitirá a ambas empresas ofrecer una amplia gama de servicios y maquinaria a los clientes, así como un servicio técnico impecable por parte de Berdiel próximo a los clientes.

Berdiel cubrirá el territorio de Aragón y Soria.

Berdiel, con más de 50 años en este sector, aportarán experiencia, servicio y pasión para mantener a las dos empresas a la vanguardia de la actividad del sector.

La unión de fuerzas entre ambas compañías va, sin duda, a revolucionar el mercado local en lo que respecta a la maquinaria de obra pública y construcción.

MEJORAS GARANTIZADAS

• Variedad de Marcas: Berdiel, representará varias de las marcas que distribuye HJM, Hitachi, Bell y Dynapac.

• Experiencia y Servicio: Berdiel aportará su vasta experiencia y compromiso con el servicio al cliente. Los clientes podrán beneficiarse de asesoramiento técnico especializado y soporte postventa.

Ambas compañías agradecen la confianza depositada y esperan satisfacer las necesidades de los clientes con productos y servicios excepcionales.

Cohidrex lanza su nueva página web con mejoras significativas y nuevas funcionalidades

Cohidrex, empresa líder en repuestos, equipos e implementos para maquinaria de obra pública, construcción y minería, anuncia el lanzamiento de su renovada página web. Esta plataforma ha sido diseñada para ofrecer una experiencia de usuario más intuitiva, accesible y segura, reflejando su compromiso con la innovación y la mejora continua.

NUEVO DISEÑO Y CONTENIDO ACTUALIZADO

La web presenta un diseño moderno y navegación intuitiva, facilitando el acceso a información clave a través de un menú mejorado. Su diseño responsivo garantiza una navegación fluida en cualquier dispositivo. Además, el contenido se ha reorganizado para ser más accesible y optimizado para SEO, con actualizaciones frecuentes en su blog y nuevos catálogos de productos.

NUEVAS FUNCIONALIDADES

Esta web incluye un formulario de contacto mejorado y su gran novedad, formularios de solicitud de presupuestos optimizados para guiar a los usuarios en la búsqueda de repuestos, implementos o equipos específicos en función de sus necesidades.

Añaden también nuevas secciones de productos e integración con redes sociales para una comunicación más directa con los usuarios.

SEGURIDAD Y ACCESIBILIDAD MEJORADAS

Cohidrex ha implementado mejoras significativas en seguridad, con un enfoque en la privacidad de los datos y protección contra spam. También ha trabajado en hacer su web más accesible, con textos alternativos y descripciones que mejoran la experiencia de navegación inclusiva.

Esta nueva página web ofrece una experiencia en línea mejorada para todos sus visitantes, invitando a todos a explorar el nuevo sitio y a descubrir las mejoras y novedades implementadas. https://cohidrex.com/

Volvo continúa actualizando su gama de cargadoras con las nuevas

L110H y L120H

Las nuevas Volvo L110H y L120H son máquinas versátiles que complementan la actualización tecnológica de la marca y su cartera de cargadoras. Ahora hay 11 modelos, empezando por la L60H, con un peso operativo de 13.600 kg y llegando hasta la L350H (56.300 kg). La L110H tiene un peso operativo de 20.700 kg; la L120H de 21.600 kg. “Tenemos una gama completa para todos los rangos de peso. Son modelos de última generación, los mismos disponibles en Europa y EE.UU.”, afirma Luiz Marcelo Daniel, presidente de Volvo CE en América Latina.

NOVEDADES Y AVANCES

Las cargadoras tienen el nuevo motor Volvo D8L. Dispone de 228 CV en la L110H y 241 CV en la L120H. Se trata de un propulsor un 5% más potente con niveles de fiabilidad y eficiencia superiores a la versión anterior. Tiene un par elevado a bajas revoluciones como sucede con las demás cargadoras Volvo de la serie H.

La función Eco Pedal ayuda a ahorrar combustible guiando al operador para que reduzca las revoluciones del equipo a niveles altamente eficientes.

El Control de Tracción (Rimpull Control) regula la tracción de los neumáticos en terrenos resbaladizos para evitar el deslizamiento y el consumo excesivo de combustible.

Una nueva función de Control de la Fuerza de Tracción aporta eficiencia al cargar y mejora el rendimiento en pendientes. Esto reduce el consumo de combustible y el desgaste de los neumáticos

El Apagado Retardado del Motor (Delayed Engine Shutdown) ayuda a enfriar el motor del propulsor, lo que garantiza una mayor vida útil de los componentes.

Otro aspecto destacado es la nueva transmisión, que puede equiparse con la tecnología OptiShift. “Este sistema de Volvo utiliza algoritmos inteligentes para optimizar el cambio de marchas, el par y la presión del aceite, adaptándose a las condiciones de trabajo en tiempo real”, explica Guilherme Ferreira, especialista de producto de Volvo CE.

Una nueva función de Control de la Fuerza de Tracción aporta eficiencia al cargar y mejora el rendimiento en pendientes. Esto reduce el consumo de combustible y el desgaste de los neumáticos.

Para facilitar el mantenimiento, las cargadoras Volvo L110H y L120H ofrecen un acceso sin restricciones a los componentes vitales. El capó del motor se abre eléctricamente.

Volvo presenta las nuevas cargadoras L110H y L120H.

límite de carga de vuelco se ha incrementado un 4% en la L110H y un 6% en

SEGURIDAD

En consonancia con la visión Cero Accidentes, el ideal Volvo en sus productos, el acceso seguro a la máquina es una prioridad. El asidero está resaltado en naranja para llamar la atención del operador en los tres puntos de apoyo para subir y bajar de la excavadora. Los escalones con placas onduladas evitan los resbalones.

El operador dispone de un cinturón de seguridad de 3 puntos. Inventado por Volvo, este dispositivo es uno de los grandes legados de la marca en beneficio de toda la sociedad.

Las excavadoras ofrecen cuatro paquetes de iluminación para adecuarse a cualquier operación, con la posibilidad de elegir entre lámparas LED o halógenas.

El límite de carga de vuelco se ha incrementado un 4% en la L110H y un 6% en la L120H.

ERGONOMÍA Y PRODUCTIVIDAD

Dentro de la cabina, el asiento del operador dispone de respaldo lumbar, reposacabezas y apoyabrazos, con ajustes de altura, profundidad e inclinación. El tablero digital se ha rediseñado. La interfaz es más fácil de usar y tiene más funciones, lo que ha reducido el número de botones de la columna.

En toda la serie H, los mandos son ahora electrohidráulicos, lo que aumenta la comodidad y la precisión de los movimientos. Las palancas disponen de un joystick opcional. Y una novedad: los equipos con la 4ª función hidráulica ofrecen el joystick opcional con las 4 funciones integradas. Las nuevas cargadoras vienen de serie con Volvo Co-Pilot, un conjunto de tecnologías que aumentan la productividad, la eficiencia y la seguridad. Están disponibles funciones como el Asistente de Carga (Load Assist), el Sistema de Medición de Carga (Task Mode) y el Sistema de Control de Presión de los Neumáticos (TPMS), entre otras.

El
la L120H.

Metso presenta un filtro de presión

Larox serie PF 60 mejorado y una nueva unidad de mecanizado

Metso presentó el filtro de presión mejora do de la serie Larox PF 60 en la ceremo nia de inauguración de la nueva unidad de mecanizado en el Centro de Tecnología de Filtración de la empresa en Lappeenran ta, Finlandia.

“La nueva versión del filtro de la serie La rox PF 60 supone un cambio radical en el desarrollo tecnológico de los filtros torre. Mejora significativamente la seguridad, la eficiencia del proceso y la capacidad de deshidratación en aplicaciones de minería y otras industrias de procesos, gracias a sus novedosas soluciones tecnológicas. Este modelo actualizado está totalmente automatizado para permitir un funciona miento flexible en función de las varia ciones del proceso y está preparado para diferentes configuraciones del paquete de placas con el fin de proporcionar una torta de filtración consistente y homo génea con un lavado de sólidos eficiente”, afirma Jussi Venäläinen, vicepresidente de la línea de negocio de filtración de Metso.

El filtro de la serie Larox PF 60 forma parte de la oferta Planet Positive de Metso, gracias a sus avanzadas características que reducen el uso de agua y aceite hasta en un 90% y un 75%, respectivamente. Además, puede reducir la necesidad de energía eléctrica instalada en un 25%. El filtro tiene un diseño compacto y abierto, lo que se traduce en una menor necesidad de espacio y una mejora significativa de la facilidad de mantenimiento. La estructura también se ha mejorado para cumplir las normas sísmicas más recientes. Para garantizar un rendimiento optimizado durante toda su vida útil, Metso ofrece una completa cartera de servicios que incluye asistencia remota.

LA NUEVA UNIDAD DE MECANIZADO APORTA MÁS CAPACIDAD Y MAYOR

CALIDAD

“La inversión en una nueva unidad de mecanizado en nuestro Centro de Tecnología de Filtración de Lappeenranta va de la mano del desarrollo del filtro de presión Larox PF 60 y de nuestra ambición de ofrecer a nuestros clientes la mejor y más responsable tecnología de filtración disponible. La unidad de mecanizado altamente automatizada

El filtro de la serie Larox PF 60 forma parte de la oferta Planet Positive de Metso, gracias a sus avanzadas características que reducen el uso de agua y aceite hasta en un 90% y un 75%, respectivamente. Además, puede reducir la necesidad de energía eléctrica instalada en un 25%

aumenta significativamente nuestra capacidad de fabricación y permite la producción de componentes de filtros de alta calidad de una manera más segura y respetuosa con el medio ambiente”, explica Tero Tiainen, director de fabricación de filtros de Metso.

Además de la fabricación de filtros avanzados utilizados en diversas industrias de procesos, el Centro de Tecnología de Filtración de Metso gestiona un Centro de Tecnología de Deshidratación (DTC) único en el mundo, centrado en la separación sólido-líquido. Metso ha realizado más de 14.000 pruebas de filtración y ha suministrado más de 5.000 filtros para diversas aplicaciones en todo el mundo.

Nueva versión del filtro Larox PF60 para aplicaciones mineras.

Finanzauto inaugura una Escuela de Operadores con tecnología de simulación avanzada

El sector de la minería, canteras y movimiento de tierras ha experimentado en los últimos años una creciente demanda de mano de obra cualificada, especialmente en la operación de maquinaria pesada. Finanzauto, una de las empresas líderes en distribución de equipos para construcción, obra pública, minería y canteras en España, ha decidido abordar esta situación con una iniciativa innovadora: la creación de una Escuela de Operadores que combina formación teórica y práctica con el uso de simuladores de última generación.

UN ENFOQUE INNOVADOR Y SOSTENIBLE CON SIMULADORES DE ALTA TECNOLOGÍA

Con el objetivo de atraer nuevas generaciones de operadores y responder a la escasez de personal especializado, Finanzauto ha apostado por las nuevas tecnologías como un factor clave. La Escuela de Operadores incorpora simuladores que recrean ambientes de trabajo realistas en un entorno seguro y controlado.

La tecnología de simulación no sólo mejora el aprendizaje, sino que también garantiza la sostenibilidad. Al realizar prácticas mediante realidad virtual, los operadores pueden realizar incontables ejercicios sin generar emisiones de gases contaminantes ni repercutir daños a las máquinas que puedan reducir su vida útil. Este enfoque contribuye al compromiso ambiental del sector, respondiendo a la necesidad de reducir el impacto ecológico sin comprometer la calidad de la formación.

FORMACIÓN SEGURA Y CONTROLADA

La seguridad es uno de los principales beneficios de la formación a través de simuladores. Estas herramientas permiten que los futuros operadores enfrenten situaciones cotidianas de operación, así como incidentes imprevistos, sin exponerse a riesgos reales, evitando daños a las máquinas y un aumento de los costes operativos. Este sistema

La tecnología de simulación no sólo mejora el aprendizaje, sino que también garantiza la sostenibilidad. Al realizar prácticas mediante realidad virtual, los operadores pueden realizar incontables ejercicios sin generar emisiones de gases contaminantes ni repercutir daños a las máquinas que puedan reducir su vida útil

no sólo garantiza su integridad, sino que también permite un aprendizaje más dinámico y adaptado a las necesidades individuales de cada alumno con una supervisión más detallada y avanzada por parte del formador.

PREPARANDO A UNA NUEVA GENERACIÓN DE OPERADORES

Uno de los puntos más destacados de esta iniciativa es su capacidad de mejorar la empleabilidad de los alumnos. La formación en la Escuela de Operadores de Finanzauto además de cubrir los aspectos técnicos del manejo de maquinaria pesada, también garantiza una conexión directa con las demandas reales de las empresas del sector. Esto se traduce en una mejor preparación para los alumnos y mayores oportunidades para acceder al mercado laboral con el respaldo de una empresa con casi 100 años de experiencia como lo es Finanzauto.

TECNOLOGÍA

DE VANGUARDIA PARA EL FUTURO DEL SECTOR

El uso de simuladores en la formación va de la mano con otras tecnologías avanzadas que están transformando el sector de la maquinaria pesada. Un ejemplo es el guiado

remoto de maquinaria, una tecnología que inicialmente se empleaba sólo en la minería de interior y que ahora está disponible para una amplia gama de aplicaciones. Este sistema permite operar maquinaria a distancia en entornos donde la seguridad del operador podría verse comprometida.

La Escuela de Operadores de Finanzauto se alinea con esta tendencia, preparando a una nueva generación de operadores familiarizados con estas tecnologías. Así, no sólo se aborda la actual falta de mano de obra cualificada, sino que se garantiza que los futuros profesionales del sector estén capacita-

dos para utilizar las soluciones tecnológicas más avanzadas, creando un nuevo perfil de comandante de maquinaria.

DESARROLLANDO EL SECTOR DE LA MINERÍA

Con la creación de esta innovadora Escuela de Operadores, Finanzauto reafirma su compromiso con el desarrollo del sector de la minería, de canteras y de obra pública, ofreciendo soluciones formativas de vanguardia. Los simuladores de alta tecnología, sostenibles y seguros abren nuevas oportunidades para la capacitación de operadores, quienes estarán mejor preparados para afrontar los desafíos del futuro. Esta iniciativa es un paso importante hacia la modernización del sector, impulsando tanto el crecimiento económico como la sostenibilidad ambiental.

Nuevo equipo perforador sobre orugas

EPO-24-3MP de Segeda

El Segeda EPO-24-3MP ha sido especialmente diseñado para la elaboración de perpiaños o mampostería, una medida de sillares de piedra empleada en el revestimiento y construcción de muros, muy habitual en el noroeste de la península.

Esta máquina, de unos 1.550 kg, con una longitud de 3 metros y una altura de 1.8 metros en posición plegada, monta orugas de goma, un motor eléctrico de 18 Kw, un grupo hidráulico con bomba 60 l/180 b, un chasis inferior con módulo de giro base, un brazo principal y plumín articulados con cilindro, una torre motorizada de 1.300 mm., una vía de 2.500 mm. y un sistemas de posicionamiento y estabilización del equipo, siendo manejada con radiocontrol o, alternativamente, con botonera.

Sus tres martillos neumáticos de pequeña dimensión y barrido por agua permiten perforaciones de 35 mm de diámetro y 610 mm de longitud, con una distancia entre ellos de 300 mm. El consumo total de aire del equipo ronda los 4.200 litros/minuto.

El equipo de diseño de Segeda ha trasladado la necesidad de su cliente Grupo Marcelino Martinez a un carro elaborado con componentes universales de fabricación europea, con el cumplimiento de la normativa aplicable en CE y seguridad en máquinas.

El Segeda EPO24-3MP ha sido especialmente diseñado para la elaboración de perpiaños o mampostería, una medida de sillares de piedra empleada en el revestimiento y construcción de muros, muy habitual en el noroeste de la península

“El equipo de diseño de Segeda ha trasladado la necesidad de su cliente Grupo Marcelino Martinez a un carro elaborado con componentes universales de fabricación europea, con el cumplimiento de la normativa aplicable en CE y seguridad en máquinas

Funcionamiento totalmente eléctrico de los grupos móviles de trituración y clasificación Kleemann

Los grupos móviles de trituración y clasificación que funcionan con electricidad en lugar de diésel se consideran más respetuosos con el medio ambiente, ya que no emiten CO2. También están por delante en términos de rentabilidad a largo plazo. Se buscan soluciones sostenibles y de bajas emisiones. Con las instalaciones móviles eléctricas, las empresas pueden posicionarse en el mercado como proveedores orientados al futuro. Aunque los costes de inversión iniciales son más elevados, se amortizan rápidamente gracias al ahorro de combustible. Un cálculo para el mercado alemán demuestra que esto ya es posible al cabo de unos seis años y, si el grupo móvil puede abastecerse de energía a través de la propia instalación fotovoltaica del cliente, incluso al cabo de aproximadamente cuatro años.

REQUISITOS PARA EL FUNCIONAMIENTO ELÉCTRICO

“El tándem de grupos móviles utilizado en el ejemplo consta de un grupo móvil con machacadora de mandíbulas Mobicat MC 120 PRO, un grupo móvil con triturador de cono Mobicone MCO 110 PRO con criba en cabeza del transportador principal y un grupo móvil de cribado Mobiscreen MSC 953 EVO. El tándem de grupos móviles consume una media de unos 77 litros de diésel por hora de funcionamiento. En la versión eléctrica, tiene un consumo medio de 302 kW por hora de funcionamiento. La potencia máxima necesaria es de 542 kilovatios”, explica Tobias Böckle, jefe de departamento de gestión de producto en Kleemann. “Las necesidades energéticas deben cubrirse

primero con las infraestructuras e, idealmente, con electricidad procedente de energías renovables. Una solución sostenible y rápidamente rentable es utilizar una fuente de alimentación fotovoltaica propia”, afirma el experto.

Para un uso eficiente es crucial que la infraestructura esté adecuadamente diseñada de antemano. Tobias Möß de Wolff & Müller GmbH explica: “En primer lugar, hay que determinar las necesidades energéticas reales de la instalación, pero también las de todos los consumidores existentes. ¿Cuánta energía se necesita en todo el recinto de la empresa? También hay que tener en cuenta el perfil de carga. ¿Cuándo se producen los picos de potencia y cuándo los momentos de menor consumo? El perfil de carga individual puede obtenerse del proveedor de energía o del operador de la red”.

Muchas empresas ya disponen de un transformador en sus instalaciones que adapta la tensión a las necesidades y proporciona baja tensión a las instalaciones, por ejemplo. Una vez cuantificada la potencia necesaria, es necesario comprobar si el transformador disponible está suficientemente dimensionado. ¿Ofrece la potencia necesaria? La potencia que se puede extraer del transformador se indica en la placa de identificación.

También hay que tener en cuenta dónde se encuentra el cuadro de distribución principal en el recinto y dónde se utilizará la instalación. Una buena planificación es indispensable para un funcionamiento eficiente. Un ejemplo: La

Cadena de instalaciones de Kleemann con posibilidad de alimentación externa.

energía eléctrica necesaria para alimentar la instalación no se transforma en baja tensión directamente en la estación de transferencia, sino que se dirige a la instalación a través del nivel de media tensión que atraviesa el recinto. De esta forma, la sección del cable puede ser mucho más fina, lo que lo hace más manejable y significativamente más barato.

En un grupo móvil, un segundo transformador convierte la corriente en baja tensión para hacer funcionar el grupo móvil de trituración o de cribado móvil El objetivo es desarrollar un concepto a medida.

RÁPIDA AMORTIZACIÓN DE LOS COSTES DE INVERSIÓN

Los costes de inversión se amortizan al cabo de unos seis años, o incluso antes, según el concepto energético. A partir de ese momento, el funcionamiento totalmente eléctrico ahorrará considerables costes operativos año tras año. A continuación, se muestra un ejemplo del cambio al funcionamiento eléctrico. Aparte de los costes de combustible, la instalación que funciona con diésel no requiere ninguna inversión adicional en infraestructura. El coste del gasóleo varía mucho según el país y la región, por lo que el ahorro depende del precio diferencial del diésel con respecto a la electricidad.

Los grupos móviles de trituración y de cribado eléctricos son inicialmente más caros debido a su equipamiento especial, más el coste de los cables (dependiendo de la longitud de cable necesaria) y de un transformador.

El funcionamiento totalmente eléctrico conlleva unos costes de inversión iniciales, pero a medio plazo resultan rentables para el explotador. Si se examinan más de cerca, los costes únicos se convierten rápidamente en una inversión rentable. En muchos casos, los requisitos de protección del clima provocan un aumento de las exigencias. La propulsión eléctrica es una ventaja competitiva decisiva, por ejemplo cuando las autoridades locales exigen un funcionamiento sin emisiones en el centro de las ciudades. “Especialmente en combinación con un sistema fotovoltaico propio, el funcionamiento eléctrico se convierte en pocos años en un concepto respetuoso con el clima y rentable, que no sólo proporciona al explotador beneficios monetarios, sino que también refleja sus esfuerzos por lograr una mayor sostenibilidad”, traslada Tobias Böckle.

El funcionamiento respetuoso con el medio ambiente también es posible en lugares donde no se puede suministrar electricidad por falta de infraestructuras. Las instalaciones eléctricas de Kleemann también pueden funcionar de forma autónoma con diésel HVO sostenible.

Major actualiza la aplicación Major App para agilizar y mejorar su funcionalidad

Major, fabricante líder mundial de superficies cribantes metálicas de alto rendimiento, actualiza The Major App. La nueva actualización de la aplicación combina la aplicación Major con la aplicación Flex-Mat Sensor para crear un único recurso para los productores de minería y áridos y los distribuidores de Major. Según el tipo de usuario, la app incluye materiales de marketing, documentos de expertos y una sala de prensa con artículos y anuncios, así como la tecnología del lector RFID y el Flex-Mat Sensor.

“La productividad es una prioridad cuando se trata de nuestros clientes y estamos dedicados a proporcionar soluciones tecnológicas para ayudar a agilizar los procesos de mantenimiento de las mallas”, comenta Kevin Laporte, gerente de I + D de Major. “La simplificación de The Major App permite a los clientes acceder a todos sus datos de mallas en un solo lugar, ahorrando tiempo y eliminando virtualmente el espacio para errores de medición”.

La Major App agiliza los procesos de clientes y distribuidores mediante la digitalización de la información relevante del producto. Gracias a Flex-Mat ID Enabled, los clientes y distribuidores pueden rastrear y almacenar los datos de los soportes de la malla, como las dimensiones y los detalles definidos por el cliente, para simplificar el proceso de pedido. La tecnología RFID permite a los clientes y distribuidores acceder fácilmente a la información del producto a través de la aplicación Major sin necesidad de un dispositivo de lectura adicional. Las operaciones simplemente escanean la malla del Flex-Mat con The Major App para acceder a la información del producto. Esto facilita el proceso de pedido al minimizar la necesidad de subir a la plataforma de mallas para medirlas. Un menor número de mediciones físicas también reduce la posibilidad de pedir por error el tamaño incorrecto, lo que puede dar lugar a la fabricación de mallas fuera de especificación. Para los soportes de mallas sin funciones ID Enabled, la aplicación incluye una herramienta de medición aumentada en la que los clientes y distribuidores pueden utilizar la cámara de su teléfono para realizar mediciones aproximadas.

La aplicación también incluye el sensor Flex-Mat, una herramienta de medición de datos de vibración que los operarios pueden utilizar para ajustar su máquina de serigrafía sin necesidad de apagar el equipo. Los operarios

se conectan a un único sensor, que se coloca en una esquina de la máquina cada vez. El sensor se desplaza a cada esquina para obtener una visión completa de los datos de vibración. Una vez finalizado el proceso de medición, los datos se envían a The Major App, donde se almacenan localmente para facilitar su uso y visualización en zonas con limitaciones de telefonía móvil. Una vez que la señal está disponible, la información se carga en el almacenamiento en la nube de Major, donde se puede ver desde un navegador web. Al proporcionar datos accesibles en tiempo real inmediatamente después de un análisis de vibraciones, la aplicación Major permite un mantenimiento rápido y sencillo para maximizar la producción.

“La Major App agiliza los procesos de clientes y distribuidores mediante la digitalización de la información relevante del producto. Gracias a Flex-Mat ID Enabled, los clientes y distribuidores pueden rastrear y almacenar los datos de los soportes de la malla, como las dimensiones y los detalles definidos por el cliente, para simplificar el proceso de pedido

La fusión de la aplicación Major con la aplicación Flex-Mat Sensor facilita la actualización de la aplicación, especialmente en lo que respecta a las mediciones y los pedidos. La combinación de estas aplicaciones crea una ubicación sencilla para todas las funcionalidades, creando un sistema de inicio de sesión más seguro y facilitando las actualizaciones en el futuro.

La aplicación también incluye una calculadora de eficiencia, una calculadora de área abierta y una función de almacén que recopila una lista de los soportes de pantalla almacenados junto con sus especificaciones. Estas funciones ayudan a las operaciones a controlar de cerca la producción y el inventario para mejorar la eficiencia.

La aplicación gratuita está disponible para teléfonos Apple y Android.

Pruebas del martillo eléctrico Lekatech

Toras 35 en un Scamec LC Thor 095 A en la mina Pyhäsalmi, Finlandia

En el campo de la minería subterránea, que evoluciona rápidamente, la demanda de herramientas sostenibles y eficientes es cada vez mayor. Desde 2018, Normet ha colaborado con la finlandesa Lekatech, una startup comprometida con revolucionar las tecnologías de rotura de rocas, en el desarrollo de un martillo totalmente eléctrico. Los resultados de esta colaboración son ahora evidentes. La mina Pyhäsalmi en Finlandia, con sus condiciones desafiantes y casi 1,5 km de profundidad, proporcionó el campo de pruebas ideal para el innovador martillo totalmente eléctrico de Lekatech, integrado en el escalador Scamec LC Thor 095 A de Normet.

La Scamec LC Thor 095 A es una máquina de saneamiento subterráneo de galerías especialmente diseñada para garantizar la seguridad y la eficacia en las operaciones mineras. Reconocida por su robustez y precisión, es una herramienta esencial para el desescombro seguro de rocas sueltas de la superficie de los túneles, una tarea fundamental para evitar accidentes en las minas subterráneas.

El martillo totalmente eléctrico de Lekatech representa un avance significativo en la rotura y el desescombro de rocas. A diferencia de los martillos neumáticos o hidráulicos tradicionales, este martillo eléctrico está diseñado para proporcionar energía de alto impacto con un impacto medioambiental mínimo. Al eliminar la necesidad de fluidos hidráulicos y reducir el consumo total de energía, el martillo eléctrico Lekatech ofrece una alternativa más eficiente para las operaciones mineras.

OBJETIVOS DE LAS PRUEBAS

Los principales objetivos de las pruebas eran evaluar la energía de impacto y la eficacia del martillo totalmente eléctrico en operaciones de escalado reales, examinar la capacidad del martillo para soportar un uso continuo en el duro entorno de la minería subterránea profunda, garantizar la perfecta integración del martillo eléctrico con el Scamec LC Thor 095 A y su facilidad de uso para los operarios, y evaluar el consumo de energía, el coste operativo y la eficacia general del martillo eléctrico en comparación con los martillos tradicionales.

Antti Anttila, director general de Lekatech, expresó su entusiasmo por las pruebas: “Estábamos increíblemente emocionados de ver nuestro martillo totalmente eléctrico puesto a prueba en una mina subterránea por primera vez. Las difíciles condiciones de la mina de Pyhäsalmi proporcionaron el entorno perfecto para demostrar lo que nuestra tecnología es realmente capaz de hacer. Esta exitosa prueba confirma que nuestro martillo eléctrico no es sólo un concepto, sino una solución del mundo real lista para revolucionar la rotura de rocas”.

“Nuestro martillo totalmente eléctrico se diseñó para dar respuesta a la creciente necesidad de soluciones sostenibles y eficientes para la rotura de rocas. Verlo funcionar tan bien en el exigente entorno de la mina de Pyhäsalmi confirma que los martillos eléctricos no son sólo una alternativa viable, sino una alternativa superior. La reducción del consumo de energía y del impacto medioambiental, combinada

Martillo Leka Toras 35 montado en un Normet Scamec LC Thor 095 A.

““La prueba del martillo totalmente eléctrico de Lekatech con el Scamec LC Thor 095 A marca un avance significativo en la electrificación de la minería. La colaboración con Lekatech, destacada por los exitosos resultados de la mina de Pyhäsalmi, refuerza nuestro compromiso de cumplir nuestras promesas de seguridad, fiabilidad y sostenibilidad”, concluye Herkko Juntunen

con un rendimiento excepcional, hacen que este martillo cambie las reglas del juego en elsector”.

RESULTADOS

Los resultados de las pruebas realizadas en la mina de Pyhäsalmi proporcionaron varias conclusiones clave. El martillo Lekatech totalmente eléctrico proporcionó una energía de alto impacto que igualó o superó el rendimiento de los martillos hidráulicos tradicionales. El martillo se integró sin problemas con el Scamec LC Thor 095 A, lo que permitió a los operadores realizar fácilmente la transición al nuevo sistema.

“La prueba del martillo totalmente eléctrico de Lekatech con el Scamec LC Thor 095 A marca un avance significativo en la electrificación de la minería. La colaboración con Lekatech, destacada por los exitosos resultados de la mina de Pyhäsalmi, refuerza nuestro compromiso de cumplir nuestras promesas de seguridad, fiabilidad y sostenibilidad”, concluye Herkko Juntunen, director de la línea de producto de escalado, logística y transporte de Normet.

El martillo Leka Toras 35 realizando labores de saneamiento en el interior de una mina finlandesa.

Blast Movement Intelligence de Hexagon, potenciada por IA, transformará

los resultados de las voladuras

en minería

Hexagon, líder mundial en soluciones de realidad digital, ha anunciado recientemente el lanzamiento mundial de su solución de movimiento de voladuras 3D basada en IA, Hexagon Blast Movement Intelligence (BMI).

En colaboración con Augment Technologies y mediante la integración de un motor de movimiento de voladuras impulsado por IA, Hexagon BMI ha sido probado en condiciones mineras reales. Al aumentar la eficiencia de las voladuras y proporcionar una gran visibilidad de la dilución del mineral para una delineación informada del mineral y los residuos tras la voladura, produce de forma segura un modelo de bloques preciso de la escombrera y, en última instancia, maximiza el rendimiento.

La capacidad de generar un Muckpile Block Model (una representación posterior a la voladura del modelo de bloques de control de ley) es una característica distintiva de BMI. En combinación con Hexagon Blast Movement Monitors, la IA puede validarse y mejorarse a medida que el motor ayuda a producir de forma segura y rápida el Muckpile Block Model. Y lo que es más importante, el modelo se produce sin que el personal tenga que caminar sobre la escombrera para colocar o recuperar los monitores.

Lo que también hace que BMI sea único es su integración con MinePlan Block Model Manager de Hexagon, una solución de integridad de datos creada para la colaboración y el intercambio de datos entre diferentes roles y fases de minería, eliminando errores y complejidades indebidas en el proceso de modelado de bloques. Al centralizar los datos y utilizar funciones basadas en servidor como la gestión de modelos de bloques, el control de versiones y las notificaciones de cambios, Block Model Manager garantiza la integridad y auditabilidad de los datos. Su interfaz de programación de aplicaciones mejora el acceso, la reutilización y la integración de esos datos con otros sistemas para mejorar las operaciones mineras.

“Nuestra solución Blast Movement Intelligence ha demostrado ser profundamente útil para optimizar los procesos posteriores”, afirma James Dampney, vicepresidente de Optimización de Recursos y Movimiento de Materiales de Hexagon. “Puede interpretar rápidamente datos complejos, aprender de esos datos y estimar los movimientos basándose en esos datos, haciéndose más inteligente con

“La capacidad de generar un Muckpile Block Model (una representación posterior a la voladura del modelo de bloques de control de ley) es una característica distintiva de BMI. En combinación con Hexagon Blast Movement Monitors, la IA puede validarse y mejorarse a medida que el motor ayuda a producir de forma segura y rápida el Muckpile Block Model

cada voladura para que el modelo sea preciso como una máquina, mejorando las miles de decisiones que surgen en cascada del modelado de recursos y la delineación del mineral”.

El IMC no sólo permite a las minas definir con rapidez, seguridad y confianza y con un alto nivel de precisión la ruta del material que produce ingresos, sino que también les permite ahorrar energía durante el resto de la trituración, mejorando en última instancia la recuperación del mineral y obteniendo mejores resultados.

Equipado con la información adicional de MinePlan Block Model Manager, el BMI de Hexagon constituye una solución de movimiento de voladuras de alta fidelidad y rica en datos que puede influir positivamente en todas las fases del proceso minero posterior. Su disponibilidad en el mercado mundial supone un avance fundamental en la combinación de seguridad y eficiencia en la industria.

Volvo CE inaugura las nuevas instalaciones de producción de cargadoras eléctricas en Suecia

La ampliación de la planta de Arvika refuerza el compromiso de Volvo de construir un futuro más sostenible sin combustibles fósiles. La producción de cargadoras eléctricas tiene lugar en una planta reconocida por minimizar el impacto ambiental de sus operaciones.

La inauguración simboliza otra fase de la inversión estratégica global de Volvo CE en soluciones sostenibles, reforzando su compromiso de reducir las emisiones de carbono de sus clientes. Se trata de otro hito en la trayectoria de transformación de la marca, que tiene el objetivo de ser completamente libre de combustibles fósiles en 2040, con un 35% de ventas de máquinas eléctricas en 2030.

Las nuevas y modernas instalaciones se inauguraron oficialmente con la distinguida presencia del príncipe Carl Philip, miembro de la familia real sueca y duque de Värmland, región donde se encuentra la fábrica de Arvika. El edificio, que ocupa unos 1.500 m2, se construyó en menos de un año, fruto de una inversión de unos 6,3 millones de dólares. Las instalaciones incluyen un centro de pruebas, producción y acabado de máquinas, en continua innovación. Los visitantes tendrán la oportunidad de probar los nuevos modelos recién salidos de la cadena de montaje.

Durante su visita, el Príncipe Carlos Felipe no sólo conoció las instalaciones, sino que también probó la Volvo L110, uno de los modelos que allí se producen. El evento fue organizado por la agencia gubernamental sueca Länsstyrelsen y contó con la asistencia de todos los empleados de la fábrica.

Durante la visita, el Príncipe Carl Philip probó la Volvo

Melker Jernberg, presidente de Volvo CE, destacó la importancia de las nuevas instalaciones: “Esta planta es una inspiración para un futuro basado en soluciones sostenibles. Estamos orgullosos de estar a la vanguardia de esta transformación, invirtiendo no sólo en Arvika, sino en un cambio global hacia la electrificación. Juntos avanzamos hacia un mundo de máquinas libres de combustibles fósiles”.

TRANSFORMACIÓN Y SOSTENIBILIDAD

La inauguración de las instalaciones representa el primer paso en la producción de modelos eléctricos en Arvika. Pero la planta ya viene aplicando diversas iniciativas para reducir su huella de carbono. En los últimos años, estos esfuerzos han llevado a la reducción de 350 toneladas de emisiones de CO2. Mikael Liljestrand, director general de la planta, subrayó: “La acción por el clima no es nada nuevo para nosotros aquí en Arvika. Pero es emocionante ver cómo nuestra visión se hace realidad con estas nuevas instalaciones. Ahora contamos con la estructura necesaria para impulsar la electrificación y ampliar nuestra creciente cartera global de cargadoras eléctricas. Este impacto será positivo tanto para nuestro sector como para la sociedad. También representa un viaje personal para cada uno de nosotros en Arvika, donde todo el mundo juega un papel importante en la construcción de un futuro más sostenible”.

La inversión forma parte de la estrategia amplia de Volvo CE para promover soluciones eléctricas en sus operaciones globales, aportando beneficios directos a los clientes en diversas regiones del mundo.

L110, uno de los modelos producidos en Arvika.

ÍNDICE DE ANUNCIANTES 624

II CONGRESO RCD 2024 Interior contraportada ...................................................................................

ABB ASEA BROWN BOVERI 27 ............................................................................................................................

ACEROS Y SUMINISTROS

-

AUTORIDAD PORTUARIA DEL PUERTO DE HUELVA

CAES MAQUINARIA Y EQUIPAMIENTOS Desplegable portada ......................................................................................

LEBLAN 203 LHOYS CALGOV 65

LIEBHERR 45

MECANIZACION Y MINERIA 207

METSO / HJM 71.............................................................................................................................

MININGLAND MACHINERY Interior portada MMH 2024 10

MONTABERT 209.......................................................................................................................... MOVITEX 41

NUBA SCREENING MEDIA  37

NUBA TECHNICAL ADVICE 115

NUTRISET - GRAMMER 20-21

ORICA EXPLOSIVOS INDUSTRIALES 103

PRODELCA - PROTECCIONES DEL CAUCHO 119

PRODUTIVA 75 ............................................................................................................................

PROGRESS EQUIPOS 197

CRN - CONSULTORES INDEPENDIENTES EN GESTION DE RECURSOS NATURALES

GROUPE

CONDAL

IBÉRICA

SANDFIRE MATSA 195 SANDVIK 174 .......................................................................................................................... SEEQUENT 7

SEGEDA 191

SLP - SWEDISH LORRY PARTS 91

SMARTCRUSH 187

SOALSA TECHNOLOGY 161

SOLINTAL LRD 141

SOLMAX IBERIA 123 ..........................................................................................................................

STARCLEAN - SCHULE STRATHAUS 175

SUTEVAR 169

TABE HAMMERS 95 ............................................................................................................................

TECHSOLIDS 2024 201

TECOP 127

TH COMPANY 155

TOMRA MINING 167

WEIR MINERALS 163

Turn static files into dynamic content formats.

Create a flipbook
Issuu converts static files into: digital portfolios, online yearbooks, online catalogs, digital photo albums and more. Sign up and create your flipbook.