
2 minute read
Imperial Cylinder Components
from Cylinder Parts
by FPE Seals
IMPERIAL STANDARD GLANDS
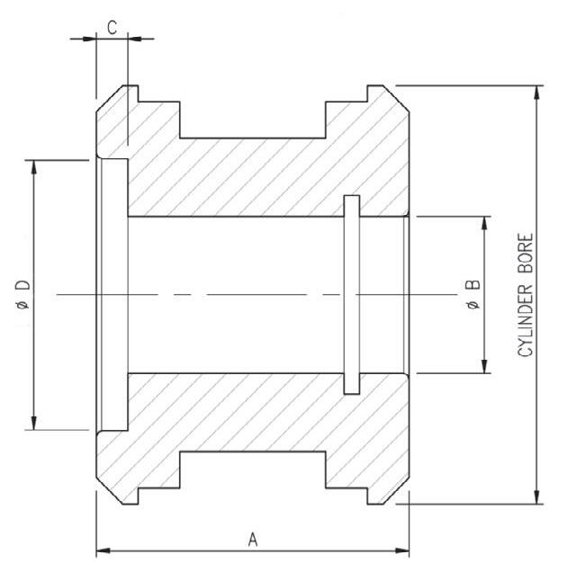
Ø D
Advertisement
A C
B ROD Ø Ø E THREAD

STANDARD GLAND CYLINDER BORE (INCHES) ROD DIAMETER (INCHES) LENGTH OF B (INCHES) IMPERIAL \ \ | / / SG 1.50 0.75 1.50 I
CYLINDER ROD Ø A B C Ø D Ø E PART BORE +0.03 +0.00 THREAD SEAL KIT NUMBER (INCHES) (INCHES) (INCHES) (INCHES) (INCHES) (INCHES) (INCHES) (INCHES) (INCHES)
SG150075150-I 1.50 0.75 0.311 1.50 0.874 1.874 1.563 1.75-12UNF GK0.75-1.50-I SG200112150-I 2.00 1.12 0.374 1.50 0.826 2.510 2.079 2.25-16UNF GK1.12-2.00-I SG250112187-I 2.50 1.12 0.365 1.87 0.905 2.993 2.524 2.75-16UNF GK1.12-2.50-I SG250125187-I 2.50 1.25 0.365 1.87 0.905 2.993 2.524 2.75-16UNF GK1.25-2.50-I SG250150187-I 2.50 1.50 0.365 1.87 0.905 2.993 2.524 2.75-16UNF GK1.50-2.50-I
SG300150192-I 3.00 1.50 0.374 1.92 1.181 3.503 3.027 3.25-16UNF GK1.50-3.00-I SG300175192-I 3.00 1.75 0.374 1.92 1.181 3.503 3.027 3.25-16UNF GK1.75-3.00-I SG350175200-I 3.50 1.75 0.374 2.00 1.250 4.015 3.543 3.75-12UNF GK1.75-3.50-I SG350200200-I 3.50 2.00 0.374 2.00 1.250 4.015 3.543 3.75-12UNF GK.200-3.50-I SG400200275-I 4.00 2.00 0.498 2.75 1.771 4.487 4.024 4.25-12UNF GK2.00-4.00-I
SG400250275-I 4.00 2.50 0.498 2.75 1.771 4.487 4.024 4.25-12UNF GK2.50-4.00-I SG500250287-I 5.00 2.50 0.500 2.87 1.968 5.668 5.039 5.25-12UNF GK2.50-5.00-I SG500275287-I 5.00 2.75 0.500 2.87 1.968 5.668 5.039 5.25-12UNF GK2.75-5.00-I SG500300287-I 5.00 3.00 0.500 2.87 1.968 5.668 5.039 5.25-12UNF GK3.00-5.00-I SG600300312-I 6.00 3.00 0.563 3.12 2.164 6.692 6.024 6.25-12UNF GK3.00-6.00-I
SG600350312-I 6.00 3.50 0.563 3.12 2.164 6.692 6.024 6.25-12UNF GK3.50-6.00-I
MATERIAL: HYDRAULIC CAST IRON GRADE G25 OR EQUIVALENT MAXIMUM WORKING PRESSURE 250 BAR

IMPERIAL STANDARD PISTONS
C
Ø D
A Ø B CYLINDER BORE

METAL PISTON CYLINDER BORE (INCHES) INTERNAL DIAMETER Ø B (INCHES) LENGTH OF A (INCHES) IMPERIAL \ \ | / / MP 1.50 .63 1.00 I
PART CYLINDER A Ø B C Ø D SEAL KIT NUMBER BORE (INCHES) (INCHES) (INCHES) (INCHES) (INCHES) (INCHES)
MP150063100-I 1.50 MP200078150-I 2.00 MP250078150-I 2.50 MP250090150-I 2.50 MP300118175-I 3.00 1.000 0.630 0.132 1.110 PK1.50-I 1.500 0.787 0.197 1.310 PK2.00-I 1.500 0.787 0.197 1.620 PK2.50-I 1.500 0.906 0.197 1.620 PK2.50-I 1.750 1.181 0.250 1.870 PK3.00-I
MP350129175-I 3.50 MP400129175-I 4.00 MP500157218-I 5.00 1.750 1.299 0.320 2.290 PK3.50-I 1.750 1.299 0.320 2.500 PK4.00-I 2.188 1.575 0.500 3.000 PK5.00-I
MATERIAL: STEEL 11SMn30-080M46 OR EQUIVALENT MAXIMUM WORKING PRESSURE 250 BAR
IMPERIAL THREADED PISTONS
THREAD
C A Ø B CYLINDER BORE

METAL PISTON CYLINDER BORE (INCHES) INTERNAL DIAMETER Ø B (INCHES) LENGTH OF A (INCHES) IMPERIAL \ \ | / / MP 1.50 .63 1.00 I
PART CYLINDER A Ø B C SEAL KIT NUMBER BORE (INCHES) (INCHES) (INCHES) (INCHES) THREAD (INCHES)
MP600204237-I 6.00 2.375 2.047 1.783 2"-12UN PK6.00-I
IMPERIAL STANDARD END CAPS
Ø C
A B

CYLINDER BORE
END CAP \ EC CYLINDER BORE (INCHES) | 1.50 TOTAL LENGTH A (INCHES) | 0.50 IMPERIAL /
l
PART CYLINDER BOREA B Ø C NUMBER (INCHES) (INCHES) (INCHES) (INCHES)
EC150050-I 1.50 0.50 0.093 1.875 EC200050-I 2.00 0.50 0.125 2.500 EC250050-I 2.50 0.50 0.125 2.963 EC300059-I 3.00 0.59 0.125 3.543 EC350069-I 3.50 0.69 0.125 3.937
EC400075-I 4.00 0.75 0.125 4.500 EC500088-I 5.00 0.88 0.125 5.709 EC600100-I 6.00 1.00 0.125 6.750
MATERIAL: STEEL S355JR - ASTM A105 OR EQUIVALENT





