Supplier of SIM Card Connector, Smart Card Reader

Page 1

Card Connectors TECHNOLO GY CardConnectorApplications website-www.eteily.com email-sales@eteily.com call-8889017888

COMPANYPROFILE ETEILYTECHNOLOGIESINDIA

YourBestElectronicComponentsSourcing!

EteilyTechnologyisleadingRFSolutionproviderforwireless infrastructuresystemsofferingmorethan1000productsholding IndianGovernmentApproval,ISO9001certificationandcomplied withRoHSindexwithbest-inclassperformancesince2017.Our productlinecoversBasestation,External&EmbeddedAntenna Solutions.

WeprovideCellular,GNSS,Wi-Fi,LoRa/ISM/IoT/Heliumband Antennas.OurAntennasareofgoodcoverageandhigher throughputinthefieldensuringgoodtransmissionandreception.

Apartfromantennas,wearereputedsuppliersofPCBComponents, PCBConnectors,SIM&SDCardConnectors,SolarProducts & Parts,Batterypacks,EVBatterychargersanditsaccessories.We alsoprovideRFCableandConnectorsfullycustomizedtosuityour applications.

Withword-classdesign,consultancyandengineeringexpertise, alongwithsalessupportandadvancetesting,Eteilydelivers all kindsofantennasolutionstomarketquicklyandcost-effectively.

WehavefullcapabilitytodesignandtestallourRFproductsfrom AntennatoCableassemblies.Weofferverycompetitivepricingfor ourcustomersinordertodeliverhighqualityproductsinatimely fashion.Wearelongtermreliablesuppliersservingmorethan 1 lakhhappy,satisfiedcustomersgloballywithbestsolutions.

Wepromisetoofferuniquesolution,exceedingyourexpectation withthesupportofourwellrecognisedteam.

www.eteily.com sales@eteily.com 8889017888 B-28,VidyaNagar,HoshangabadRoad,Bhopal-462026
ETEILYTECHNOLOGIESINDIAPVT;LTD. ScanQR

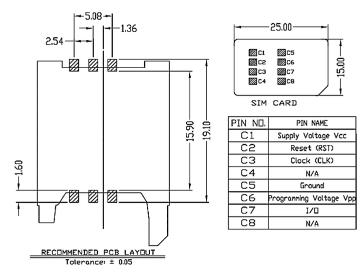
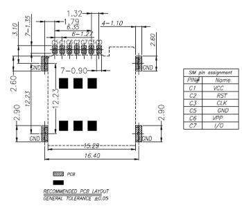
SIMCardConnector

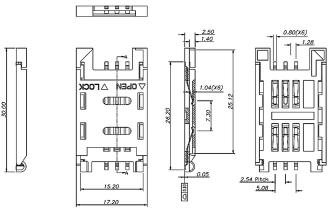
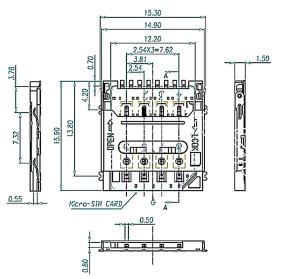
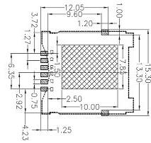
MicroSIMCardConnector6PinFlipTypeMetalBody

Code:ET-MI6PFT-MB

MicroSIMCard6PinConnectorPushTypeMetalBodyAT

Code:ET-MI6PPT-MB

MicroSIMCardConnector6PinFlipTypeMetalBodyCT

Code:ET-MI6PPT-MBC

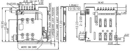
MicroSIMCardConnector7PinPushTypeMetalBody

Code:ET-MI7PPT-MBC

001 ETEILYTECHNOLOGIESINDIA

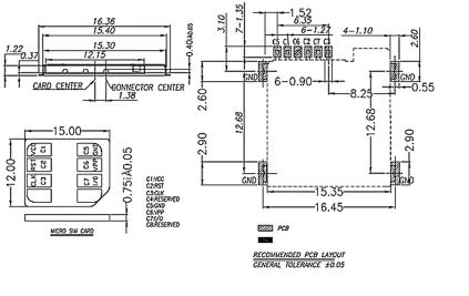
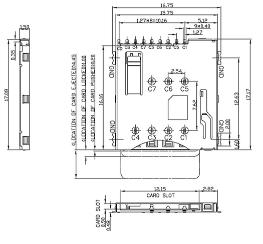
SIMCardConnector

MicroSIMCardConnector8PinFlipTypeMetalBody

Code:ET-NO6PFT-MB

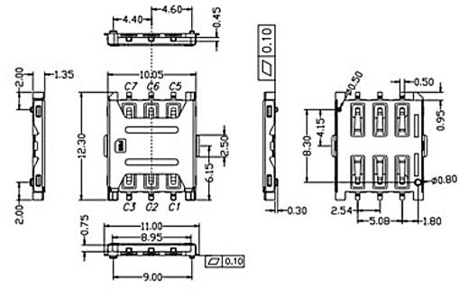
MicroSIMCardConnector9PinPushTypeMetalBody

Code:ET-MI9PPT-MB

NANOSIMCardConnector6PinFlipTypeMetalBodyCT

Code:ET-ON6PFT-MB

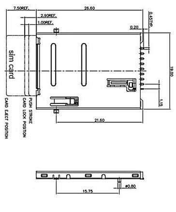
NanoSIMCardConnector6PinPush-PullTypeMetalBody

Code:ET-NO6PPTPL-MBJR

002 ETEILYTECHNOLOGIESINDIA

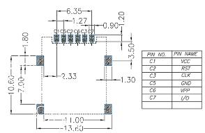
SIMCardConnector

NANOSIMCardConnector6PinMetalBridgeSlideType

Code:ET-NO6ST-MB

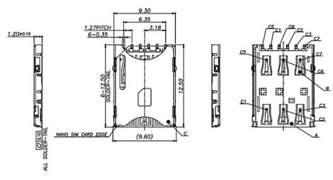
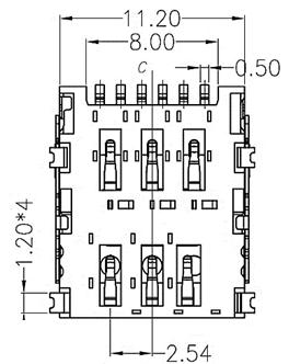
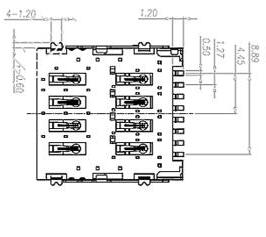
NANOSIMCardConnector6+1PinPushTypeMetalBody

Code:ET-NO7PPT-MB

SIMCardConnectorFlipType6PinPlasticBodyCT

Code:ET-SIM6PFT-PB

SIMCardConnectorPushType6PinMetalBodyAT

Code:ET-SIM6PPT-MB

003 ETEILYTECHNOLOGIESINDIA

SIMCardConnector

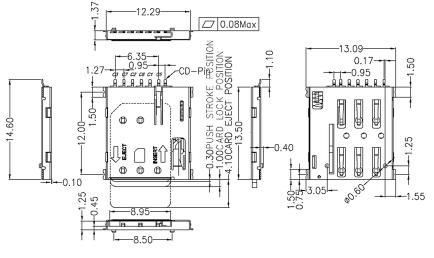
SIMCardConnectorPushType8PinMetalBodyAT

Code:ET-SIM8PPT-MB

SIMCardConnector8PinPushTypeYellowButtonPlasticBodyCT

Code:ET-SIM8PPT-PB

004 ETEILYTECHNOLOGIESINDIA

0755-4270354

RubberDuckAntennaWithSMAMaleMovableConnector

Technology:5G3dBi

Mounting:TerminalMount

Frequency:600-6000MHZ

CODE:ET-5G3R-SMMO

CeilingAntennaWithCable(L-3Mtr)+N(F)St.Connector

Technology:4GLTEAntenna

Mounting:IndoorAntenna

Frequency:698-2700MHz

CODE:ET-LT4C-2L3-NFS

ScrewablePuckAntennaWithSMA(M)St.Connector

Technology:4GLTEAntenna

Mounting:Panel/Screw/Permanent

Frequency:698-2700MHZ ▾

CODE:ET-LTSR-1L3-SMS46M

8889017888

SpreadTechnologiesWorldWide
HEREA REMORE www.eteily.com
sales@eteily.com

Turn static files into dynamic content formats.

Create a flipbook
Issuu converts static files into: digital portfolios, online yearbooks, online catalogs, digital photo albums and more. Sign up and create your flipbook.
Supplier of SIM Card Connector, Smart Card Reader by Eteily Technologies - Issuu