Heat + FR 09- 2022

Page 1

Inscrivez-vous maintenant !

INSTALL DAY

QUALITÉ DE L'EAU DU SYSTÈME

COMBILUS AVEC POMPES À CHALEUR

BOOSTER

09. 2022
Publication professionnelle de Techlink pour les entreprises d’installation de techniques spéciales • Revue des membres trimestrielle MEMBER 0F

Le rendement le plus élevé possible Vincent

Le tour de force technique sans unité extérieure

HP-S Air/eau

Le split aux multiples talents

Notre gamme de pompes à chaleur s’intègre dans tout projet de construction neuve ou de rénovation

www.ithodaalderop.be
WPU Géothermie
Air/eau

Ensemble, pour faire face à des défis sans précédent !

Comme tout le monde, nos membres sont confrontés aux conséquences de la guerre en Ukraine, combinées aux récentes perturbations des chaînes d'approvisionnement mondiales, à la hausse de l'inflation et à l'augmentation des coûts salariaux. Presque tous les installateurs sont confrontés à des augmentations de prix des matériaux et produits avec lesquels ils travaillent, ainsi qu'à des problèmes d'approvisionnement considérables. Mettre fin à la pénurie croissante des matériaux de base, à la lenteur des livraisons et à la hausse des prix n'ira pas sans difficultés !

Mais notre secteur est confronté à un défi encore plus formidable, celui de la « guerre des talents ». C'est un des quatre sujets que LINK2030 (www.link2030.be) évoque comme point à travailler pour réaliser la transition énergétique sur le terrain. Jamais auparavant nous n'avons eu autant de postes vacants et si peu de demandeurs d'emploi, alors même que le nombre de diplômés de l'enseignement secondaire et supérieur est également en baisse. Embuild et Techlink font un excellent travail pour susciter l'intérêt des jeunes pour le secteur de la construction et de l'installation grâce à des campagnes sur mesure. L'Install Day (voir page 49) sera l'occasion de mettre le focus sur tous les registres afin d'enthousiasmer les jeunes professionnels et leur donner une image plus positive de notre métier.

Pour terminer, j'ai le plaisir de vous annoncer la fusion de Techlink et de la F.E.E. (Fédération de l'Électricité et de l'Électronique) – avec l'approbation unanime des membres présents, ce dont je les remercie ! Notre nouvelle fédération s'appellera Techlink, mais avec une nouvelle baseline : « Linking Techniques » (voir page 6). De l'union de nos forces naît une fédération forte réunissant toutes les entreprises du secteur de l'installation multifonctionnelle. Je suis convaincu qu'avec cette nouvelle structure, nous sommes désormais mieux armés pour relever les défis qui nous attendent !

HEAT+ • 09 2022 3
ÉD ITO

ROBINET EQUERRE A·80 TWIN

VANNES A SPHÈRE GAZ MIÑO

Système ¼ de tour. Avec dispositif de blocage de la manette. Résistent à 650ºC.

CQ4102 4 POSITIONS · 1 MANETTE · UNIQUE AU MONDE VITAQ SYSTEM Plus de vie, moins de calcaire Multiples applications ¼ de tour Système breveté
Ref.
Plus durable Laiton CW617N PAT
MAINTENANT AVEC NOUVELLE MANETTE !
Ref. M1127CR
Ref. M1128CR
Ref. PO102
PM102
Ref.

8 ● Combilus avec PCB

Les pompes à chaleur booster (PCB) et d'autres générateurs décentralisés de chaleur/froid sont indispensables à la durabilité de notre demande de chaleur dans les bâtiments. Ils offrent une réponse à la flexibilité nécessaire et aux basses températures de distribution dans les réseaux de chaleur.

3 ● Édito : Ensemble, pour faire face à des défis sans précédent !

6 ● Fusion : Techlink et la F.E.E. unissent leurs forces

8 ● Dossier: Combilus avec PCB

14 ● Actualités : Découvrez

Embuild

16 ● Techlink Awards Night : Les lauréats en images

22 ● Gestion d'entreprise : L'atout durabilité

26 ● Législation : Travailler avec des indépendants : à faire et à éviter

Embuild

Avenue des Arts 20, 1000 Bruxelles embuild.be

Editeur responsable

Dirk De Wolf dirk.dewolf@techlink.be

Techlink asbl

Joseph Chantraineplantsoen 1, 3070 Kortenberg

T. +32 2 896 96 10

info@techlink.be • www.techlink.be

49 ● Install Day

C'est le 14 octobre 2022 que se déroulera la cinquième édition de l'Install Day. L'année dernière, ce salon professionnel destiné aux électro-installateurs et installateurs de systèmes HVAC a attiré plus de 3 500 visiteurs à Bruxelles. Découvrez ici les tendances générales et techniques cette année.

32 ● On thE-MOVE Summit : électromobilité et énergies renouvelables

40 ● Gestion d'entreprise : Numérisation du processus de facturation

44 ● Interview : Collaboration plus intense avec les écoles

49 ● Salon : Install Day

54 ● Concours du meilleur élève chauffagiste

58 ● Pleins feux sur un membre : Dewulf Techniek

63 ● NIT 278 addendum 3

Directeur général

Kris Van Dingenen kris.vandingenen@techlink.be

Publicité

Inge De Ridder

T. +32 53 80 87 47 inge.deridder@techlink.be

Périodicité • Tirage

Trimestriel • 3.000 ex. NL / 2.000 ex. FR

58 ● Dewulf Techniek Installateur HVAC/S et Cerga, le gérant Harry Dewulf s'est toujours intéressé aux nouvelles techniques et croit fermement que les énergies renouvelables sont l'avenir. Mais la complexité accrue de ces techniques ne rend pas Harry indulgent vis-à-vis de la numérisation, bien au contraire.

66 ● Actualités : Trias Energetica

70 ● Q&R : CCombilus avec solaire thermique

74 ● Pleins feux sur un membre : VMA

82 ● Save the date : Roadshow Techlink

84 ● Save the date  : Session d'information Cybersécurité

86 ● Le collaborateur : Vincent Vancaeyzeele, Technology & Innovation Manager

88 ● Productnews

Traduction

André Verkaeren, Metaphrasis bvba

Mise en pages

Nikka Cuypers nikka.cuypers@embuild.be

Impression Graphius

Rendez-vous sur www.techlink.be/nl/magazine pour télécharger la version néerlandaise.

SOMMAIRE HEAT+ • 09 2022 5

Techlink et la F.E.E. unissent leurs forces

La F.E.E. (Fédération de l'Électricité et de l'Électronique) et Techlink fusionnent pour former la seule fédération réunissant les différents acteurs du secteur et représentative de l'ensemble de l'Écosystème des installations multifonctionnelles. Sous le nom de Techlink, mais avec une nouvelle baseline, « Linking Techniques », la fédération englobe désormais quelque 3 150 entreprises, parmi lesquelles des fabricants, des importateurs, des grossistes, des installateurs et des sociétés actives dans la maintenance technique et la gestion de l'énergie et des déchets.

nergies possibles au sein du monde de l'installation.

La F.E.E., de son côté, a été fondée en 1946 sous le nom de « Fédération du Commerce de l'Appareillage Électrique », et a reçu sa dénomination actuelle en 1987. Elle est l'organisation faîtière des entreprises belges actives comme fabricants/importateurs, distributeurs ou prestataires de services dans l'entretien technique et la gestion de l'énergie, dans un des domaines suivants : le matériel d'installation électrique, les appareils électroménagers, le matériel de protection contre les intrusions et de surveillance par caméra, les applications d'éclairage, les instruments de test et de mesure, le matériel pour le sanitaire et le chauffage.

Bref historique

Techlink est née de la fusion des fédérations de l'installation Fedelec et ICS au début de l'année 2018. A l'époque, elle était déjà la seule fédération regroupant 3 000 entreprises d'installation de techniques spéciales. Le nouveau nom choisi à l'époque, « Techlink – Linking Technicians », avait pour but d'ouvrir la porte à toutes les sy­

La F.E.E. regroupe quelque 150 entreprises, employant plus de 15 000 personnes.

Le rapprochement entre les deux fé­

dérations a débuté dès la fin de l'année 2019 par des discussions entre Karl Neyrinck, alors président de Techlink et Alexander Dewulf, alors président de la F.E.E. La première étape de ce rapprochement a été l'élaboration d'un document de vision commune pour le secteur, appelé « LINK2030 », et présenté en 2021. Il s'agit d'une vision de l'avenir de l'écosystème des installations multifonctionnelles. Ce document décrit les tendances technologiques et sociétales résultant du Green Deal et définit les lignes directrices qui permettront au secteur de s'adapter au mieux aux opportunités de marché à venir. L'objectif est d'informer les acteurs du secteur des différents défis technologiques, réglementaires et de gestion auxquels ils sont confrontés au quotidien et de les aider ainsi à adapter leurs propres politiques en conséquence. Chemin faisant, les visions souvent similaires de la F.E.E. et de Techlink se sont affinées, et décision a été prise de créer une seule fédération dotée d'un véritable leadership sectoriel et d'une puissance distinctive claire, mais également génératrice de valeur.

6 HEAT+ • 09 | 2022 FUSION
Seul, on va plus vite. Ensemble, on va plus loin.

Management

« Dans les mois et les années à venir, l'accent sera mis sur la transition énergétique : un défi majeur pour notre écosystème d'installations multifonctionnelles. Le secteur de l'énergie subit une transformation radicale pour répondre aux grands défis sociétaux des années à venir. De nombreuses études montrent qu'il est urgent de réduire drastiquement nos émissions de CO2 dans l'atmos­

phère et de s'engager dans des modes de vie plus durables pour assurer un avenir serein aux générations futures. Les fabricants d'installations multifonctionnelles doivent donc produire des appareils toujours plus efficaces sur le plan énergétique et ceux qui les installent doivent pouvoir offrir à leurs clients des conseils appropriés... Ils sont en première ligne pour répondre à toutes leurs questions et les guider vers des choix écologiquement responsables. Nous prêterons également attention aux nouvelles techniques durables et encourageront l'acquisition de connaissances par nos membres en organisant de nombreuses formations », déclare Alexander Dewulf

« La transition énergétique ne peut réussir sans la contribution de notre écosystème. Ensemble, nous veillons à ce que de nouvelles formes d'énergie soient efficacement converties en confort abordable grâce à nos installations multifonctionnelles. Fé­

dération unique, notre force réside dans notre capacité à assumer un rôle global et faîtier : concepteur, fabricant, distributeur, installateur, technicien de service et contrôleur de la gestion de l'énergie et des déchets. Comme nous le disons souvent, la meilleure façon de prédire l'avenir est de le construire et de l'installer soimême », conclut Eric Piers.

HEAT+ • 09 | 2022 7
Alexander Dewulf (à gauche) prendra la présidence de l'Organe de gestion de Techlink, soutenu par Dirk Peytier à la vice-présidence. Eric Piers (à droite) deviendra Administrateur délégué/CEO tandis que Kris Van Dingenen continuera d'assumer les fonctions de Directeur général. A suivre le numéro de novembre de nos magazines proposera un entretien avec Kris Van Dingenen et Eric Piers.

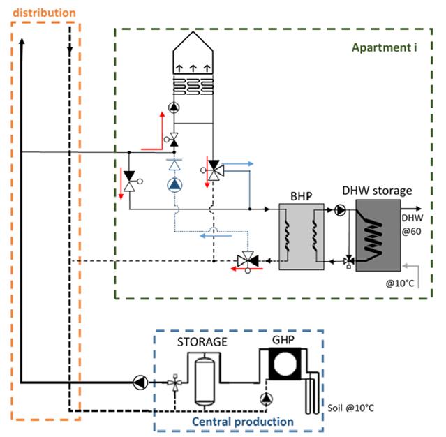
Utilisation de pompes à chaleur booster dans les immeubles à appartements

Techlink mise sur l'accroissement et la diffusion des connaissances technologiques. En tant que membre du groupe d'utilisateurs, nous souhaitons porter à votre attention les résultats du projet TETRA « Réseaux de chaleur de qualité ». La transition énergétique, outre la production durable d'électricité, exige également des systèmes de chauffage plus efficaces dans notre parc immobilier et notre industrie. Le système combilus avec chaufferie centrale est un système prometteur dans les immeubles à appartements. Il peut être considéré comme un mini-réseau de chaleur à l'intérieur de l'enveloppe du bâtiment d'un bloc d'appartements. Dans un combilus, le rendement est accru grâce à une température de distribution plus basse. Si cela ne pose aucun problème pour le chauffage d'ambiance, il faut bien sûr des températures élevées pour l'eau chaude sanitaire (ECS). C’est notamment pour trouver une solution à ce problème que le projet Tetra a été mis sur pied.

Le projet TETRA, des « réseaux de chaleur de qualité »

Stef Jacobs, chercheur doctorant à l'Université d'Anvers : « Pour atteindre les objectifs climatiques, il faudra être plus économe avec l'énergie afin de réduire les émissions de CO2. Toutes sortes de systèmes et de concepts de chauffage durables sont en cours d'élaboration dans ce contexte. Destiné aux réseaux de chaleur dans les immeubles à appartements, le combilus basse température avec pompes à chaleur booster pour l'ECS est un de ceux­là. Ce concept n'en est toutefois qu'à ses début et de nombreuses questions restent sans réponse à ce stade. C'est là que résidait donc l'axe principal de mes recherches dans le cadre de ce projet, lancé en 2019 et achevé en 2021, et qui

est issu d'un projet antérieur : VIS Instal 2020. » (voir également Heat+ février 2019 pour les résultats)

Partenaires du projet : le groupe de recherche EMIB­BiRD de l'Université d'Anvers, le centre de connaissances Energie de Thomas More Kempen et le CSTC.

Qu'est-ce qu'un combilus?

Un combilus est un système de chauffage collectif dans un immeuble à appartements, mais équipé d'une seule conduite d'entrée et d’une seule conduite de retour. La chaleur, tant pour le chauffage d'ambiance que pour l'ECS, est distribuée via la même conduite. Traditionnellement, la production de chaleur centralisée est as­

surée par une chaudière qui fournit aux appartements une température de 60°C à 80°C. Il est ainsi possible d’utiliser de l'ECS dans les appartements à tout moment. Le chauffage d'ambiance peut être réalisé à la fois à basse et à haute température.

Toutefois, cette température de distribution élevée se traduit par une efficacité de production moindre et des pertes de distribution plus importantes. En outre, si le chauffage se fait à basse température, comme avec un chauffage par le sol ou avec des convecteurs, cette température élevée n'est pas nécessaire pendant la majeure partie de la journée. C'est pourquoi de nouveaux concepts de chauffage sont élaborés pour rendre le chauffage et le refroidissement des bâtiments plus durables.

PROJET DE RECHERCHE 8 HEAT+ • 09 | 2022

Les pompes à chaleur booster intègrent un système combilus

Lorsque des pompes à chaleur booster décentralisées (PCB) sont utilisées dans un combilus, la température de distribution centrale peut être abaissée au régime du chauffage par le sol (par exemple 35/30°C). Cela rend possible l'intégration d'une pompe à chaleur dans la chaufferie centrale, ce qui est bénéfique pour l'efficacité du système. Les PCB décentralisées portent cette température centrale à la température requise pour l'ECS

(60°C) et stockent cette chaleur dans un réservoir tampon dans chaque appartement. Autre avantage, le combilus permet à la fois le chauffage et le refroidissement, ce qui n'était pas possible auparavant. Cela est également dû au fait que les PCB peuvent chauffer localement la température du système central à la température requise pour l'ECS. Un concept concret vous en est présenté à la figure 1. L'installation se compose de trois parties principales .

La production centrale est constituée

d'une pompe à chaleur géothermique et d'un réservoir de stockage pour niveler les pertes de chaleur dans le temps. La pompe à chaleur peut ainsi fonctionner durant des périodes plus longues, ce qui entraîne moins de mises en marche et d'arrêts. Cette pompe à chaleur doit principalement chauffer pendant la période hivernale mais, en été, elle doit pouvoir à la fois chauffer et refroidir, afin de maintenir la température du système central dans les limites. Notez que concept ne recourt à aucune chaudière centrale.

HEAT+ • 09 | 2022 9
Figure 1: exemple de combilus avec PCB. Flèches rouges : fonctionnement normal pendant l'hiver. Flèches bleues : récupération d'énergie entre le refroidissement par le sol et la production d'ECS (PCB) pendant les mois d'été.

Figure 2: la PCB utilise l'eau de retour chauffée du sol (refroidissement) et le refroidissement du sol utilise l'eau de retour refroidie de la PCB. A gauche : récupération d'énergie dans un même logement. A droite : récupération d'énergie avec d'autres logements.

Légende des flux d'énergie : énergie utile

de chaleur

de froid

La distribution se fait par un système combilus où l'eau technique peut fournir chaleur et froid aux appartements. La régulation de la température pendant la saison de chauffe est basée sur une courbe de chauffe pour le chauffage par le sol, tandis qu'en été elle est réglée sur une température d'entrée constante de 19°C. Cette température constante a été choisie parce que la température d'entrée minimale de la pompe à chaleur booster de Nathan Systems est de 18°C. Si d'autres types de PCB sont utilisés, cette température minimale peut être différente, ce qui a naturellement un effet sur le potentiel de refroidissement.

Les 20 appartements sont équipés d'un chauffage par le sol et d'une PCB équipée d'un réservoir de stockage pour l'ECS. Le réservoir de stockage destiné à l'ECS contient un échangeur de chaleur spiralé afin que l'eau technique dans la spirale (provenant du combilus) ne soit pas mélangée à l'eau potable chauffée. Pour le chauffage d’ambiance, on a opté pour un système direct (pas d'échangeur de chaleur entre le combilus et le chauffage

par le sol), afin de pouvoir utiliser des températures de chauffage encore plus basses et des températures de refroidissement plus élevées.

Le réglage de la PCB est contrôlée par la demande (au moyen d'un détecteur de température dans le réservoir tampon). En outre, il faut également mentionner un ajout par rapport aux sous­stations résidentielles, en ce sens qu'il est possible de coupler l'ECS et le chauffage d'ambiance. Grâce à ce couplage, en été, la chaleur excédentaire des appartements peut être utilisée comme source de chaleur pour la production d'eau chaude sanitaire. D'autre part, le froid produit par la PCB peut être une source de froid pour le refroidissement par le sol. Cette interaction peut se produire dans un même appartement, mais aussi entre différents appartements via le combilus. Ce dernier cas se produit lorsqu'il n'y a pas de demande de refroidissement dans un appartement où le réservoir d'ECS doit être rechargé. Le froid ainsi produit peut être récupéré par un autre appartement où il y a une demande de froid à ce moment­là, mais pas de

demande d'ECS. La figure 2 illustre ces deux formes de récupération par une représentation schématique des flux d'énergie.

Directives de conception et prestations d'un combilus avec PCB

« La recherche sur les PCB dans un système combilus a été réalisée au moyen de simulations avec le Matlab. Les analyses montrent que le rendement énergétique annuel total peut atteindre 334 % en utilisant uniquement des pompes à chaleur. De plus, grâce à ce concept innovant, il n'y a pas d'émissions locales de CO2. Seule la production d'électricité entraîne des émissions de CO2. Compte tenu du mix énergétique actuel de la Belgique, les émissions annuelles de CO2 sont jusqu'à 55 % inférieures, soit 8,15 tonnes/an, en comparaison avec un combilus traditionnel chauffé par une chaudière centrale pour un immeuble de 20 ménages. Le couplage entre le refroidissement d'ambiance et la production d'ECS pendant les mois d'été rend possible la

PROJET DE RECHERCHE 10 HEAT+ • 09 | 2022
récupération
énergie
récupération
de secours

uni.8 le radiateur « visionnaire »

vanne thermostatique réversible droite ou gauche

Grâce au raccord central ingénieux, toujours situé à 69 mm du mur, les points de raccordement peuvent être dessinés et installés à un stade précoce : au milieu d’un mur ou entre 2 fenêtres. Vous déterminez la hauteur, la longueur et le type de radiateur par la suite.

choix parmi 1002 combinaisons de stock

3 versions profilé, lisse ou line

4 types

11, 21, 22 et 33

avec 1, 2 ou 3 plaques

avec 1, 2 ou 3 lamelles

6 hauteurs de 300, 400, 500, 600, 700 à 900 mm

16 longueurs de 400 à 3000 mm

salles de bains chauffage techniques

Aalst Aartselaar Antwerpen Braine l’Alleud Brugge Châtelineau Diest Dison Forest | Vorst Gembloux Gent Habay Ieper Kuurne Liège Lier Lummen Malmedy Marche-en-Famenne Mechelen Mons Namur | Jambes Temse Tournai Turnhout Wemmel Wijnegem Zaventem Zele www.desco.be photo : radiateur Uni.8

récupération de 30 % de la demande en énergie en utilisant la chaleur excédentaire des appartements comme source de chaleur pour la production d'eau chaude sanitaire », explique Stef. En durabilisant notre demande en énergie, de tels systèmes énergétiques contribueront à rendre la demande totale en énergie plus durable. Quels sont alors les éléments importants à prendre en compte lors de la conception de tels systèmes ?

« Jusqu'à récemment, certaines questions de conception n'avaient pas encore trouvé de réponse, comme la température de distribution dans le combilus. Dans une pompe à chaleur, la température de la source doit être aussi proche que possible de la température de sortie afin d'obtenir un rendement aussi élevé que possible (le coefficient de performance ou COP). Une température de distribution élevée est donc avantageuse pour la PCB décentralisée (température de la source), mais désavantageuse pour la pompe à chaleur géothermique centralisée (température de sortie élevée, alors que la températuredelasourceestd'environ10°C) et vice versa. Il existe donc peut­être un régime de température optimal où avantages et inconvénients s'annulent mutuellement », explique Stef. « Dans cette recherche, nous avons fait varier la température de distribution de 29/22°C à 40/33°C, soit des températures possibles pour un chauffage par le sol et qui répondent aux exigences de température de la PCB. Les résultats nous ont montré que l'option la plus efficace était une température de distribution la plus basse possible (dans le combilus). En effet, la pompe à chaleur centrale représente une part gigantesque de l'énergie nécessaire étant donné qu'elle fournit la totalité de la chaleur pour le chauffage d'ambiance et sert également de source de chaleur pour la PCB. Tant que la PCB peut extraire suffisamment de chaleur

du combilus, l'influence du COP plus faible de la PCB est mineure, ce qui signifie qu'il est intéressant de régler les températures de distribution à un niveau aussi bas que possible, mais à un niveau assez chaud pour le chauffage d'ambiance », conclut Stef.

Combinaison pour la transition énergétique

Il ressort de cette recherche que la combinaison d'un combilus avec une PCB est particulièrement adaptée à la transition énergétique à laquelle nous sommes confrontés aujourd'hui. Elle permet d'électrifier la demande de chauffage dans les appartements avec une plus grande flexibilité, offre des possibilités de refroidissement collectif et permet d'économiser

Avantages et inconvénients

AVANTAGES

• Combinaison d'un chauffage d'ambiance à basse température et d'une production efficace d'ECS.

• Plus besoin d'énergie fossile.

• Stockage décentralisé de l'ECS, donc des puissances de pointe plus basses en termes de production, tout en garantissant le confort. Cela offre aussi de la flexibilité en combinaison avec des réglages intelligents.

• Refroidissement possible, tout en continuant à produire de l'ECS.

• La chaleur excédentaire est utilisée directement pour la production d'ECS. Également possible entre différents appartements. DO

• L'unité centrale est déterminante pour le rendement du système. Dans le cas d'une pompe à chaleur centrale, il est donc préférable de choisir la température de distribution la plus basse possible. En l'occurrence, les températures de conception étaient de 29/22.

• Utilisez des mélangeurs passifs pour le chauffage d'ambiance.

• Une puissance plus faible de la PCB entraîne un même confort avec une consommation d'énergie plus faible.

• Dimensionner le stockage décentralisé sur la base de la courbe PV (voir VIS Instal 2020).

beaucoup d'énergie et d'émissions de CO2 par rapport aux systèmes traditionnels. En outre, les émissions de CO2 ne dépendent que du mix énergétique en Belgique ou des sources d'électricité locales durables.

PLUS D'INFOS ?

www.warmtenet.info

Article sur le dimensionnement : Jacobs S, Van Riet F, Verhaert I. A collective heat and cold distribution system with decentralised booster heat pumps: a sizing study. BS2021. Proceedings of Building Simulations 2021Conference; 2021 Sept 1-3, Bruges (Belgium); 2022(17)

INCONVÉNIENTS

• S'il y a un déséquilibre entre la demande de refroidissement et la demande de chaleur, la production centrale doit pouvoir à la fois refroidir et chauffer pendant l'été. Afin de maintenir la température centrale à l'intérieur des limites (18°C et 21°C).

• Dans un système BTES, il faut veiller à suivre correctement la régénération du sol.

DON'T

• Il n'est pas nécessaire de prévoir un soupape trop plein dans le combilus parce qu'il ne faut pas de fonction de maintien de la chaleur.

• L'échangeur de chaleur entre le combilus et le chauffage d'ambiance n'est pas nécessaire si l'immeuble à appartements est petit. Pour pouvoir optimiser les températures de distribution en fonction des besoins dans les appartements.

• Pas de mélangeur actif pour le chauffage d'ambiance. Possibilité de pompes en série.

PROJET DE RECHERCHE 12 HEAT+ • 09 | 2022

Combinez la chaudière la plus économique d’ATAG avec notre pompe à chaleur hybride la plus efficace et optez pour une zone de confort durable. Les systèmes hybrides sont le moyen de réduire la consommation de gaz de votre maison.

Ensemble, nous allons réaliser la révolution la plus économique! Pour en savoir plus, consultez le site chaudierelapluseconomique.be

TOUT ÉLECTRIQUE DANS DES MAISONS BIEN ISOLÉ

+ Solution adordable

+ Sans entretien

+ Longue durée de vie

+ Grand confort, basse température

+ Facile à installer

+ Idéal pour les préfabriqués et les rénovations

+ Chauffage principal et auxiliaire

Demandez à nos spécialistes quelles sont les possibilités de chauffage électrique et infrarouge.

Il existe plusieurs façons de devenir neutre en CO².
www.etherma.com Radiateur design électrique Eau chaude AQUA Plancher chauffant électrique Chauffage infrarouge LAVA® BATH PURE

La Confédération Construction s'appelle désormais Embuild

En lisant ce numéro de Heat+, vous aurez remarqué que votre magazine familier a été largement relooké. En cause, le changement de nom de la Confédération Construction, qui devient Embuild. Le « Em » signifie à la fois « Empower » et « Embrace », soit renforcer et soutenir. Embuild, c'est aussi construire/établir des partenariats solides et notamment avec des fédérations professionnelles telles que Techlink !

Embuild est résolument tournée vers l'avenir pour poursuivre son évolution avec toutes les entreprises actives dans le secteur de la construction et de l'installation. C'est pour cette raison qu'il a été décidé de choisir un nouveau nom et une nouvelle marque : Embuild. Son objectif est inchangé mais elle veut améliorer sa valeur ajoutée pour se projeter vers l’avenir.

Nouveau logo

Le logo a été adapté et prend la forme d’une brique pleine de points. En effet, la brique est le symbole universellement reconnu de la construction et rappelle la célèbre « brique dans le ventre » des Belges. Les points reflètent les nombreuses nouvelles technologies et techniques utilisées dans la construction, mais aussi la numérisation en forte augmentation dans tout le secteur et, enfin, la grande diversité des entreprises et des personnes dans notre branche. Sans eux, pas de

construction. Sans eux, pas d'Embuild.

Désormais, nous utiliserons « The Belgian Construction Association » comme baseline, dans la mesure où Embuild reste la seule fédération de la construction active dans toute la Belgique. Elle compte de loin le plus grand nombre de membres et représente à la fois les indépendants, les PME et les grandes entreprises. Cette baseline est aussi un moyen de créer un lien clair avec son ancien nom.

Un nouveau slogan : « Progress. Together. »

« Le secteur de la construction évolue à un rythme rapide : la numérisation, l'utilisation des techniques les plus modernes, la fourniture de logements, de bâtiments et d'infrastructures durables via de nouvelles constructions et des rénovations, le travail plus sûr, etc. Nos entrepreneurs et installateurs vont donc de l'avant et le font ensemble : la construction est le secteur par excellence où il faut travailler ensemble pour réaliser un projet. Nous contribuons également au progrès social : nous construisons, au sens propre comme au figuré, un avenir durable », déclare Niko Demeester, Directeur général d'Embuild.

« Embuild renforce toutes les entreprises actives dans le secteur de la construction, telle est la nouvelle description courte de la confédération. Le secteur de la construction est un secteur très diversifié qui compte de nombreux métiers. Embuild est là pour toutes ces entreprises de construction, et veut les rendre plus fortes et les aider. Quelles que soient les activités que vous exercez dans le vaste secteur de la construction, vous êtes à la bonne adresse ».

14 HEAT+ • 09 | 2022 ACTUALITÉS

We

Pioneering

Wilo-Isar

ƒ Installation aisée grâce à la version prête à être branchée

ƒ Intégration parfaite dans l‘environnement du client grâce à une construction compacte et moderne

ƒ Commande simple grâce à l’écran LC et aux boutons poussoirs

ƒ Fonctionnement silencieux grâce aux couvercles antibruit

ƒ Convertisseur de fréquence intégré pour un réglage aisé de la pression constante et un démarrage en douceur

ƒ Faible consommation électrique grâce à l‘alimentation à la demande

ƒ Utilisation sécurisée grâce aux nombreuses fonctions de protection intégrées

THE FUTURE IS GREEN
inspire at
Visit us at Install Day on the 14th of October! www.installday.be
www.duco.eu
for You
BOOST5 NOUVEAU
& EAU DE PLUIE
Système de surpression pour les applications résidentielles et commerciales.
www.wilo.be

Les premiers Techlink Awards en images

La toute première cérémonie de remise de nos Techlink Awards s'est déroulée le vendredi 20 mai dans le prestigieux hôtel Dolce, à La Hulpe. La cérémonie a été rehaussée par une conférence de Thierry Geerts (CEO de Google Belgium) et quatre de nos membres – Sanitechniek, Evocells, IFTech NV et Klinkenberg S.A. – qui sont donc devenus lauréats ! Retenez déjà que la prochaine édition se déroulera le 24 mars 2023 !

Tant la formule que le concept de la « Nuit des techniques » ont été retravaillés afin de donner du sens à ce rendez­vous important des professionnels de l'installation, mais aussi pour mettre en avant le thème central de la « transition énergétique ». Car l'installateur que vous êtes joue un rôle crucial dans cette transition, un rôle à la fois de pionnier et de sensibilisation de vos clients.

Notre mix énergétique va sans doute se diversifier progressivement.

« C'est à ce niveau que nous, installateurs, pouvons jouer un rôle », souligne le Directeur général Kris Van Dingenen. « Non seulement pour installer nos solutions, mais surtout pour conseiller nos clients de la meilleure façon possible. Car effective­

ment, aujourd'hui, nous ne sommes plus seulement des installateurs, nous sommes surtout des conseillers de première ligne qui aident les citoyens à franchir le pas de la transition énergétique ».

« Avec ces récompenses annuelles, Techlink veut mettre en avant des projets qui favorisent la transition énergétique tout en mettant en lumière le rôle crucial de l'expert installateur. Les projets durables et

innovants de nos membres en sont également la preuve. Cette première édition des Techlink Awards a été un véritable succès. N'hésitez pas à participer l'année prochaine », nous glisse Carole Metzmacker, responsable du marketing et de la communication chez Techlink.

Keynote

Thierry Geerts, CEO de Google Belgique et Luxembourg, a prononcé un

EVENEMENT 16 HEAT+ • 09 | 2022

Tom Claes – Sanitechniek (Rénovation durable), Raf Schildermans – IFTech NV (Nouvelle construction), Christophe Klinkenberg – Klinkenberg S.A. (Prix d'honneur) et Jonathan Fransolet –Evocells (Gestion durable)

Soumettez votre réalisation

un Techlink Award !

Techlink vous donne l'opportunité de mettre en avant votre contribution à des solutions innovantes et durables dans le contexte de la transition énergétique.

Sélectionnez la catégorie dans laquelle votre entreprise excelle. Complétez le questionnaire et renvoyez-le avec les pièces justificatives éventuelles (photographies, plans, …).

Intéressé ? N'hésitez pas à participer à nos Techlink Awards 2023 !

condition, la numérisation nous rendra plus heureux, parce qu'elle nous laissera plus de temps pour la créativité, la profondeur, l'attention et les choses qui comptent vraiment. Homo sapiens se révèle sous la forme d'homo digitalis.

Le public était suspendu à ses lèvres, de par les connaissances, la passion et l'humour qu'il a apportés à sa présentation. Tous les participants ont également reçu le livre de Thierry en cadeau.

Cérémonie de remise des prix

Les entreprises membres participantes ont eu l'occasion de prouver qu'elles sont engagées dans leur profession, qu'elles osent traduire leur passion en projets révolutionnaires et qu'elles sont prêtes à anticiper l'avenir des énergies renouvelables.

Au total, 11 candidatures ont été reçues pour trois prix et, après évaluation par un jury d'experts, les trois lauréats suivants ont été choisis :

1 Installation technique novatrice (Nouvelle construction)

Comment ai­je conseillé et installé la solution la plus efficace sur le plan énergétique ou neutre sur le plan climatique pour un nouveau projet de construction ?

→ Lauréat : IFTech NV

discours sur la transformation numérique qui joue un rôle clé dans la transition énergétique. Comme dans son livre Homo Digitalis, Thierry s'est penché sur les dangers et les opportunités de la révolution numérique. Il a cité à cette fin de très nombreux exemples stimulants de la manière dont la numérisation nous affecte en tant que personnes et en tant que société. Sa conclusion : la technologie est neutre, c'est à l'humain d'en user avec conscience et confiance. A cette

→ Projet: Placement d'une installation géothermique avec SFC (stockage frigorifique et calorifique). Cette installation assure le chauffage et le refroidissement durables des nouveaux bureaux municipaux de Beringen

Le directeur, Raf Schildermans: « A mes yeux, ce n'est pas un prix ordinaire car il faut déployer beaucoup d'énergie pour ficeler le dossier. Grâce à notre centrale géothermique, nous

HEAT+ • 09 | 2022 17
la plus innovante et remportez
Thierry Geerts

offrons un moyen de chauffage et de refroidissement durable. Une contribution importante à la transition énergétique qui n'a pas échappé à Techlink. Je ne suis lauréat de ce prix que grâce à l'enthousiasme de tous nos collègues et à notre recherche d'excellence. Je suis extrêmement fier des projets que nous réalisons tous au quotidien. »

2 Optimisation de l'efficacité énergétique (Rénovation)

Comment et avec quelles techniques ai­je réduit de manière

drastique la consommation d'énergie d'un bâtiment existant lors d'une rénovation ?

→ Lauréat : Sanitechniek

→ Projet: Projet de rénovation « espaces sociaux » sur le site de la brasserie Duvel Moortgat à Breendonk : pompe à chaleur eau­eau CO2 (60kW) avec utilisation maximale de la récupération de la chaleur résiduelle du processus de production de la brasserie.

Tom Claes, chef d'entreprise : « Je suis très heureux que nous ayons

participé à la Techlink Awards Night. La collégialité entre les installateurs le soir de la présentation était particulièrement intense. C'est une bonne chose que les entreprises d'installation soient mises pour une fois sous les projecteurs. Ce prix me rend fier comme un plombier ! Une belle récompense pour le travail acharné de notre équipe, surtout en cette période particulière. Tous ensemble énergiques chez Sanitechniek ! »

3 Gestion durable

Comment ai­je appliqué la du­

EVENEMENT 18 HEAT+ • 09 | 2022

L’embarras du choix

Plus de 15.000 articles disponibles immédiatement. Chez Facq, vous êtes toujours certain de mettre la main sur les produits appropriés pour votre projet sanitaire, de chauffage ou d’énergie renouvelable. Et sur notre plateforme d’e-commerce spécialement dédiée aux professionnels, vous trouvez une foule d’informations techniques détaillées sur la plupart de nos produits référencés ainsi que des liens deeplinks vers les sites de nos fournisseurs. Bien informé, il ne vous reste donc plus qu’à… choisir. Plus d’infos sur facq.be

- 10 %* SUR VOTRE PACKAGE D’ASSURANCES

CADEAU exclusif pour les membres de la Confédération Construction : une radio de chantier**

Avec Build-Safe, profitez d’un package d’assurances flexible et sur mesure qui vous permet d’économiser 10 % sur vos primes. En tant que membre de la Confédération Construction, vous bénéficiez en plus d’un cadeau exclusif  : une radio de chantier robuste !

POUR UNE PROTECTION SUR MESURE

* Conditions de l’action sur go.federale.be/build-safe-confed.

Découvrez Build-Safe et votre cadeau sur go.federale.be/build-safe-confed

L’assureur qui partage ses bénéfices avec vous

** Offre valable jusqu’au 31/12/2022 ou jusqu’à épuisement du stock Fédérale Assurance – E.R. : Tom De Troch - Rue de l’Étuve 12 – 1000 Bruxelles www.federale.be. Société Coopérative d’Assurance contre les Accidents, l’Incendie, la Responsabilité Civile et les Risques Divers SC. Compte financier : BIC : BBRUBEBB IBAN : BE31 3100 0723 3155 - RPM Bruxelles TVA BE 0403.257.506 - Caisse Commune d’Assurance contre les Accidents du Travail. Compte financier : BIC : BBRUBEBB IBAN : BE19 3100 7685 5412 - RPM Bruxelles. TVA BE 0407.963.786

UN PRO À VOS CÔTÉS
Pour moi, le choix est un facqteur déterminant.
Luc
Buildsafe 210 x 148,5 - Construction - Werfradio.indd 1 12/04/2022 09:40:07

rabilité aussi au fonctionnement de ma propre entreprise ?

→ Lauréat : Evocells

→ Projet: reforestation de Madagascar par l'intermédiaire d'une ONG : 5 arbres sont plantés pour chaque panneau produit, ce qui compense l'empreinte écologique et permet à l'installation d'être considérée comme climatiquement neutre.

Jonathan Fransolet, directeur technique: « En tant que fabricant belge de panneaux photovoltaïques, Evocells a décidé d'être le premier au monde à produire de manière neutre en CO2 et à mettre pleinement en œuvre ce concept dans nos activités quotidiennes. Ce prix est une reconnaissance importante de nos efforts ».

Un prix d'honneur a également été décerné à Christophe Klinkenberg de Klinkenberg S.A. pour ses efforts visant à pallier la pénurie de maind'œuvre dans le secteur de l'installation via la création d'un centre de formation interne (Energy Training Centre).

« In fine, le but est redorer nos mé­

tiers et donner envie aux jeunes de venir dans les métiers techniques qui sont de très beaux métiers et qui permettent beaucoup d’évolutions. Recevoir ce prix nous prouve que le travail que nous menons chez Klinkenberg depuis quelques années par rapport à la formation de nos jeunes talents est reconnu par Techlink et le jury. Nous espérons que cela motivera d’autres sociétés à mettre en avant ce qu’elle font en interne et qui n’est pas visible

Soirée dansante

Après la remise des prix, Dirk Peytier, Président de Techlink, a clôturé la partie académique avant de laisser la place à un dîner de gala puis à une soirée dansante et festive, animée par DJ F.R.A.N.K qui, une fois encore, nous a fait vivre une soirée avec un « s » majuscule.

EVENEMENT 20 HEAT+ • 09 | 2022
de l’extérieur », déclare Christophe.

L’expertise chaudement recommandée.

sanitaires - chauffage - matériel d’installation

• 75 magasins professionnels

• Plus de 30 000 produits en stock

• Possibilité de commander en ligne

• Exclusivement pour les professionnels

• Livraison où et quand vous le souhaitez

vanmarckepro.com

Durabilité : une carte maîtresse vers les énergies renouvelables

Entreprise orientée B2B pour les installations professionnelles HVAC et sanitaires, l'entreprise membre Sanitechniek se concentre explicitement sur les énergies renouvelables. Pour ce faire, elle investit massivement dans la formation de ses travailleurs, d'une part, et sélectionne des projets qui font place aux énergies renouvelables, de l'autre. Ces derniers années, le gérant, Tom Claes, est devenu encore plus conscient de l'importance de la durabilité.

Planification lean sur le chantier

Sanitechniek a été créée en 1984 en tant que société privée à responsabilité limitée et transformée en société anonyme en 1987. L'entreprise d'installation de Wavre­Sainte­ Catherine fait partie du Willemen Groep depuis 1999 et poursuit sa croissance chaque année. L'équipe est composée de 60

collaborateurs motivés. L'entreprise se profile non seulement comme réalisatrice, mais aussi comme conceptrice. Sanitechniek prend en charge l'ensemble de l'ingénierie et de l'installation de chauffage central, de refroidissement, de ventilation mécanique, de climatisation, de sanitaire et de lutte contre l'incendie. Depuis quelques années, Sanitechniek se concentre explicitement sur les technologies renouvelables et s'oriente consciemment sur le développement, le placement et la gestion d'installations économes en énergie. Son slogan est donc : « Samen Energiek bij Sanitechniek » (ndlr : Tous ensemble énergiques chez Sanitechniek).

Lauréate de la Techlink Awards Night

Le 20 mai 2022, les premiers Techlink Awards ont été décernés à quatre entreprises d'installation membres, des entreprises d'installation qui jouent un rôle de pionnier dans la transition énergétique et sans qui elle ne se réaliserait pas sur le terrain.

Avec cet événement, Techlink a voulu mettre en avant la créativité et le savoir­faire technique de l'artisan instal lateur et tenter de redorer l'image du secteur. Les prix ont été décernés à des installateurs qui prouvent chaque jour qu'ils se consacrent à leur métier, osent traduire leur passion en pro­

PLEINS FEUX SUR UN MEMBRE 22 HEAT+ • 09 2022

Sans contact, économe en eau, robuste et… beau !

Outre ses robinets d'équerre bien connus, SCHELL propose également une superbe gamme de robinets sans contact pour lavabos, cuisines, douches, WC et urinoirs qui rendent les espaces sanitaires plus attrayants. Tous sont fiables, robustes et durables. Avec les robinets primés de SCHELL, vous fournissez une eau potable hygiénique et vous économisez de l'eau. Plus d'informations sur www.schell.eu.

Responsable de votre santé.

jets novateurs et sont prêts à répondre aux questions les plus importantes de l'avenir.

Sanitechniek a reçu le prix pour son projet d'optimisation de l'efficacité énergétique dans la rénovation.

Opportunités > défis

« Circularité, lean, guerre des talents, efficacité énergétique, numérisation... Les défis ne manquent pas dans notre secteur, mais les opportunités qui s'offrent à ceux qui pensent et planifient en regardant loin dans le futur sont encore plus grandes ! Prendre du recul par rapport au travail quotidien et observer son organisation, son personnel, l'environnement dans lequel on évolue, etc. en gardant l'esprit ouvert, est très instructif. C'est un exercice que tout dirigeant d'entreprise doit faire de temps à autres car il génère de la valeur ajoutée. C’est enrichissant à tous les coups », affirme Tom.

Planification lean et outil de planification

Sanitechniek travaillait déjà sur la durabilité, mais ces dernières an­

nées sa prise de conscience est allée encore un cran plus loin. Les projets sont de plus en plus souvent élaborés entièrement en 3D, avec l'attention nécessaire pour le travail « lean ». A court terme, il y avait un certain nombre d'opportunités à saisir pour la gestion d'entreprise interne de Sanitechniek. « Concrètement, je pense à la gestion lean – synonyme de durabilité – dans la gestion de projet, l'exécution et la logistique de la construction. Nous nous engageons à optimiser l'utilisation et la gestion des matières premières, des matériaux, des ressources financières et des talents. Des méthodes de construction innovantes, l'industrialisation de la construction, les matériaux circulaires et une logistique efficace sont des moyens importants pour y parvenir. En outre, nous utilisons des outils de planification numérique pour l'occupation du chantier, le calcul et l'ingénierie. Cela présente un grand avantage : une simplification administrative avec un gain de temps, de la transparence pour les différents départements et un tableau de bord pour la direction de l'entreprise. Cela nous permet également de déployer notre personnel de manière plus consciente. C'est

nécessaire car la "guerre des talents" est très présente dans notre secteur. Dans les années à venir, les technologies renouvelables (telles que les pompesàchaleur(àgaz),l'énergiesolaire, la cogénération et la technologie de l'énergie géothermique) seront utilisées encore davantage, ce qui signifie que les entreprises d'installation devront plus investir dans les nouvelles connaissances techniques et les compétences numériques », conclut Tom.

Outil de planification numérique

PLEINS FEUX SUR UN MEMBRE 24 HEAT+ • 09 | 2022
« Une entreprise d'installation moderne doit investir suffisamment d'énergie (temps et ressources) dans le capital humain. »
TOM CLAES

Rejoignez-nous le 22.09.2022 à Bruxelles et participez au premier congrès

Les contours de la Transition Énergétique se dessinent progressivement. Le Green Deal européen et REPowerEu constituent les lignes directrices de cette révolution énergétique pour les états membres. Il est maintenant temps de mettre

localement en pratique l’aspect visionnaire de la Transition Énergétique afin de la pérenniser et d’en accélérer le processus. Au cours de ce congrès, nous passerons donc de la vision à l’action !

En route vers demain...

Débats et conférences animés par Inne Mertens (Sibelga), David Zenner (Elia) et beaucoup d’autres!

Event Lounge

Bd. Général Wahis, 16F 1030 Bruxelles

Jeudi 22 septembre 2022 de 8h30 à 18h30

Parking GRATUIT

Plus d’infos et inscription: www.energy-transition.be

Une initiative conjointe de :

Travailler avec des indépendants : attention à la fausse indépendance !

Depuis des années, la fausse indépendance est une épine dans le pied du SIRS (Service d'Information et de Recherche Sociale) et donc un élément important de la lutte contre le dumping social. Le problème est courant, notamment dans les secteurs dits sensibles à la fraude, dont l'ensemble du secteur de la construction (y compris le secteur de l'installation) où les indépendants fournissent souvent des services en tant que sous-traitants. Pour vous protéger contre les risques d'une requalification de la relation de travail, nous vous proposons dans cet article un aperçu des principes juridiques, des critères d'évaluation et des conséquences possibles d'une requalification. Nous conclurons par quelques conseils pratiques pour votre entreprise.

26 HEAT+ • 09 2022 LÉGISLATION

Qu’est-ce que la fausse indépendance ?

On parle de fausse indépendance lorsqu'une personne a le statut d'indépendant, mais exerce en réalité ses activités sous l'autorité d'un employeur. En d’autres termes, les parties auraient dû conclure un contrat de travail au lieu d'un contrat de collaboration d’indépendant.

Principes

La loi sur les relations de travail du 27 décembre 2006 fixe les principes sur la base desquels la nature (réelle) d'une relation de travail doit être déterminée, dans le but de lutter contre le problème des faux indépendants. Ci­après, nous exposons les grands principes.

Le point de départ est que la détermination de la nature de la relation de travail se fait en premier lieu par la volonté des parties au moment de la conclusion du contrat, dans la mesure où les règles d'ordre public, les bonnes mœurs et les règles impératives applicables sont respectées. Les parties sont donc libres de décider si elles souhaitent conclure un contrat de travail ou un contrat de collaboration d’indépendant.

Néanmoins, la qualification juridique choisie par les parties doit correspondre à la situation en pratique. À cet égard, la loi sur les relations de travail dispose que la qualification basée sur la situation en pratique prévaut toujours quand il apparaît que la qualification légale choisie ne correspond pas à la qualification réelle.

En outre, une requalification de la relation de travail sera également nécessaire lorsque la nature de la relation de travail contient suffisamment d'éléments incompatibles avec la qualification choisie par les parties. À cet égard, la loi sur les relations de travail a établi quatre critères généraux :

1 La volonté des parties telle qu'exprimée dans leur accord (dans la mesure où sa mise en œuvre par les parties dans la pratique n'exclut pas cette qualification, voir supra) ;

2 La liberté d'organisation du temps de travail ;

3 La liberté d'organisation du travail ;

4 La possibilité d'exercer un contrôle hiérarchique.

Ces critères généraux seront évalués in concreto pour vérifier la nature réelle et effective de la relation de travail.

Les obligations inhérentes à l'exercice d'une profession, ainsi que les éléments imposés par ou en vertu d'une loi, ne peuvent être pris en compte pour apprécier la nature d'une rela­

tion de travail. La loi sur les relations de travail prévoit également certains critères « neutres » qui, pris isolément, ne sont pas suffisants pour déterminer la nature d'une relation de travail. Il s'agit notamment de l'intitulé du contrat, du fait que la personne concernée dispose ou non d'un numéro de TVA ou qu'elle soit inscrite auprès d'une institution de sécurité sociale.

Dérogations dans certains secteurs

En 2012, certaines modifications ont été apportées à la loi sur les relations de travail. Afin de donner à l'ONSS davantage d'outils pour détecter les faux indépendants, une liste de critères spécifiques dont le dépassement entraîne une présomption réfragable de contrat de travail, pouvait être introduite par arrêté royal dans les secteurs dits « sensibles à la fraude ». C'est ce qu'a fait l'arrêté royal du 7 juin 2013 en ce qui concerne la nature des relations de travail dans le cadre de travaux immobiliers tels que définis dans la législation sur la TVA 1 . Ces activités doivent également relever du champ d’application :

● soit la Commission paritaire de l’ameublement et de l’industrie transformatrice du bois (CP n° 126),

● soit la Commission paritaire de la construction (CP n° 124),

● soit la Commission paritaire des constructions métallique, mécanique et électrique (CP n° 111)

● soit la commission paritaire des électriciens : installation et distribution (CP n° 149.01).

ATTENTION :

cette présomption ne s'applique qu'aux personnes qui effectuent réellement des travaux immobiliers. Par conséquent, la présomption

HEAT+ • 09 | 2022 27

ne s'applique pas aux employés qui n'effectuent que des travaux intellectuels (et non des travaux manuels) dans une entreprise de construction ou d'installation (par exemple, un employé du service informatique dans une entreprise d'installation).

Dans les secteurs susmentionnés, la relation de travail ­ dans la mesure où les travaux immobiliers sont ainsi effectués ­ est présumée de manière réfragable être un contrat de travail dès qu'au moins 5 des 9 critères ci­dessous (c'est­à­dire plus de la moitié) sont remplis. Ces critères sont les suivants

1 l'absence de tout risque financier ou économique de la part de la personne qui effectue le travail, comme c'est le cas, entre autres :

a en l'absence d'un investissement personnel et substantiel dans l'entreprise avec du capital propre, ou,

b en l'absence d'une participation personnelle et substantielle aux bénéfices et aux pertes de l'entreprise ;

c en l'absence de responsabilité personnelle, laquelle ne comprend pas le dol, la faute lourde ou la faute légère habituelle, qui s'apprécie, selon le cas, par référence au cahier des charges ou à tout autre engagement concernant les travaux effectués ;

2 le défaut de responsabilité et de pouvoir de décision concernant les moyens financiers de l'entreprise de la part de la personne qui effectue le travail (y compris les dépenses, les recettes, les investissements ou l’affectation de moyens propres de l'entreprise ou de toute autre nature) ;

3 l'absence de pouvoir de décision sur la politique d'achat et des prix de l'entreprise de la part de la personne qui effectue le travail, ou

de liberté dans l'identification de clients potentiels, la négociation ou la conclusion de contrats ;

4 la garantie du paiement d'une indemnité fixe, quels que soient les résultats de l’entreprise ou le volume des prestations fournies par la personne qui effectue le travail. Pour l'application de ce critère, les avances fixes pour l'achat de matériaux et de matières premières ne doivent pas être prises en compte ;

5 l'absence de la possibilité de recruter du personnel pour l'exécution du travail convenu ou de se faire remplacer ;

6 l'absence de toute notion d'entreprise vis­à­vis d'autres personnes ou de ses cocontractants, comme c'est notamment le cas lorsque certains éléments visibles caractérisant l'entreprise ne sont pas utilisés, tels que les logos, le lettrage des véhicules, les enseignes ou les slogans publicitaires ;

7 le travail à titre principal ou habituel pour un seul cocontractant ;

8 le travail dans des locaux extérieurs au chantier ou avec des équipements dont on n'est pas propriétaire ou locataire, par en cas de travail dans des entrepôts ou des ateliers, ou avec des véhicules, des équipements ou des outils dont la personne qui exécute le travail n'est pas propriétaire, qu'elle n'a pas loués ou qui ont été mis à sa disposition par le cocontractant ;

9 l’absence d’autonomie avec les équipes de travail du cocontractant ou de l'entreprise au sein de laquelle la personne qui effectue le travail, a la qualité d’associé actif.

S'il apparaît qu'au moins la moitié de ces neuf critères sont remplis, la présomption s'applique et la charge de

Réécoutez notre webinaire : « Travailler avec des (faux) indépendants »

Le 17 mars 2022, Evi Dieltiens et Sara Mannaerts nous ont brossé un tableau succinct et efficace du cadre législatif. Elles ont également prodigué des conseils et des astuces indispensables pour travailler avec des indépendants dans votre entreprise. Après avoir écouté ce webinaire, vous n'aurez plus jamais à redouter le spectre de la fausse indépendence !

la preuve est renversée. Il appartient alors aux parties contractantes de prouver qu'il s'agit bien d'une collaboration indépendante. La présomption peut être réfutée par tous les moyens de droit. Dans la pratique, les quatre critères généraux sont souvent utilisés comme base.

Sanctions

En cas de requalification d'une coopération indépendante en contrat de travail, différentes sanctions peuvent s'appliquer en parallèle.

En matière de sécurité sociale, les indemnités versées au pseudo­indépendant seront considérées comme un salaire. En conséquence, l'employeur devra payer les arriérés de cotisations patronales et salariales. À cela s'ajoutent une majoration de cotisation de 10 % et des intérêts de retard de 7 % par an. L'ONSS peut remonter jusqu'à trois ans en ar­

28 HEAT+ • 09 2022 LÉGISLATION

ACTION AUTOMNE 2022

ASSORTIMENT DE BORNES RAPIDES (221 ET 2273) + BALLON DE FOOT WORLD CUP OFFICIEL FIFA

RÉF. 887-1016

€ 146,-*

100 bornes “COMPACT UNIVERSELLE”

3 x 0,14 ... 4 mm² (s)

3 x 0,2 ... 4 mm² (r, sr)

Réf. 221-413

300 bornes ”COMPACT“

3 x 0,5 ... 2,5 mm² (r)

Réf. 2273-203

50 bornes “COMPACT UNIVERSELLE”

5 x 0,14 ... 4 mm² (s)

5 x 0,2 ... 4 mm² (r, sr)

Réf. 221-415

60 bornes Inline

0,2 ... 4 mm² (s ,sr )

0.2 ... 2.5 mm² (r)

Réf. 221-2411

200 bornes "COMPACT"

5 x 0,5 ... 2,5 mm² (r)

Réf. 2273-205

www.wago.com

Disponible chez votre distributeur WAGO à partir du 3 octobre 2022 jusqu’à épuisement du stock.

CONTENU
WAGO is a registered trademark of WAGO Verwaltungsgesellschaft GmbH. *Prix de vente conseillé, hors TVA Sous réserve d‘erreurs d‘impression, d‘erreurs et de modifications techniques.
/profiset
Profiset

rière pour réclamer ces montants. Si une fraude peut être prouvée, cette période peut même être étendue à sept ans.

En outre, il est possible que la requalification soit le résultat d'une contestation du statut par le pseudo­indépendant lui­même. Dans la pratique, cela se produit principalement après une fin de coopération qui s’est mal terminée. Le cas échéant, le pseudo­indépendant réclamera des arriérés de salaire, notamment les arriérés de congés payés, les primes de fin d'année, l'indexation des salaires, les heures supplémentaires, etc. Le non­paiement des salaires étant une infraction continue, le délai de prescription ne commencera à courir qu'à partir du moment de la dernière infraction. Concrètement, les pseudo­indépendants pourront donc prétendre à ces prestations salariales pour toute la période d'emploi.

La requalification peut également avoir des conséquences sur le plan fiscal et pénal (par exemple, des sanctions pour l'absence de déclaration Dimona et le non­paiement des cotisations de sécurité sociale).

La Commission administrative de règlement de la relation de travail

La Commission administrative de règlement de la relation de travail a été créée en 2013. Les parties peuvent introduire un dossier de fond afin d'obtenir un ruling social dans le cadre de leur relation de travail auprès de cet organisme, qui fait partie du SPF Sécurité sociale.

En pratique, les parties peuvent soumettre conjointement ou individuellement une demande au greffe de la Commission, qui prendra une décision sur la nature de la relation de travail dans un délai de trois mois. En principe, cette décision est contrai­

gnante pour l'ONSS, l’INASTI et les caisses de sécurité sociale des travailleurs indépendants pour une période de trois ans. Attention : la Commission ne peut plus être saisie lorsque la relation de travail a déjà été rompue ou lorsqu'une procédure devant le Tribunal du travail est déjà en cours.

Le Tribunal du travail conserve toujours son pouvoir souverain d'appréciation de la nature de la relation de travail, indépendamment de la décision prise par la Commission administrative.

Conseils pratiques

Enfin, voici quelques conseils pratiques pour limiter autant que possible le risque de fausse indépendance.

● Un bon contrat de service constitue la base de toute collaboration entre indépendants. Il est important de rappeler au travailleur indépendant les obligations qui découlent de son statut (telles que la prise en charge de ses propres frais, la souscription des assurances nécessaires, etc.) et de ne pas inclure de clauses que l'on retrouve généralement dans un contrat de travail (pensez notamment à une « rupture » du contrat au lieu de sa résiliation ; l'octroi de certains avantages extra­légaux, etc.)

● Ensuite, il est important que le travailleur indépendant exerce ses activités de manière indépendante. Un travailleur indépendant doit pouvoir organiser son temps de travail. L'imposition d'heures fixes n'est donc pas une option.

● En outre, un indépendant doit pouvoir décider lui­même du moment où il prend ses vacances. Un indépendant ne doit en aucun cas demander une autorisation pour prendre ses vacances. Toutefois, il est possible de convenir que le travailleur indépendant tienne compte des besoins de l'entreprise.

● L'imposition unilatérale de lignes directrices et la transmission

d'instructions précises au travailleur indépendant doivent être évitées. Un travailleur indépendant peut recevoir des directives générales et des exigences de qualité pour les services à fournir, mais il doit conserver la liberté d'organiser et d'exécuter son travail au mieux de ses possibilités.

● Les indépendants au sein de votre entreprise constituent une catégorie « à part » et doivent également être traités comme tels. Il est proscrit d’inviter des indépendants à votre fête annuelle du personnel ou de leur faire porter des vêtements portant le logo de votre entreprise.

● En principe, les indépendants doivent fournir leurs propres outils. Une exception peut être faite pour les gros équipements (par exemple, échafaudages, machines, gros outils), mais les indépendants doivent apporter leurs propres petits outils.

● Enfin, en cas de doute sur la nature envisagée de la relation de travail, vous pouvez toujours soumettre votre cas à la commission administrative. Ne perdez toutefois pas de vue que la décision finale de la Commission est contraignante.

Etant donné que les conséquences d'une éventuelle requalification en contrat de travail peuvent être lourdes en pratique, il est recommandé, en cas de doute, de faire l'exercice vous­même et de tester les 9 critères pour votre prestataire de services indépendant.

1 Au sens du présent code, on entend par travaux immobiliers la construction, la transformation, l’achèvement, l'aménagement, la réparation, l'entretien, le nettoyage et la démolition, en tout ou en partie, d'un bien immeuble par nature, ainsi que toute opération consistant à fournir un bien meuble et à l'attacher immédiatement à un bien immeuble de telle sorte qu'il devienne immeuble par nature (article 19 §2 du code de la TVA).

Auteurs:

Sofie Bontinck, Christine Molitor, Sara Mannaerts et Evi Dieltiens (cabinet d’avocats Schoups)

30 HEAT+ • 09 | 2022 LÉGISLATION

VOUS AUSSI, VOUS COMBINEZ SERVICE ET EXPERTISE ?

Le label ExpertMazout, c’est…

Un gage de qualité

• Votre expertise du métier est votre fierté

• Vous vous engagez à fournir le meilleur service

Un label gratuit

• Mise en avant de votre expérience et professionnalisme

• Valorisation de votre service client

Une meilleure visibilité

• Une image renforcée

• Les clients vous trouvent plus facilement grâce au guide des adresses sur www.informazout.be

Bonjour M. De Smet, je suis client de votre entreprise de chauffage et j’aurais une question pour vous.

?

Nous songeons à remplacer notre chaudière et nous cherchons une solution économe en énergie.

?

DEMANDEZ LE LABEL EXPERTMAZOUT

https://pro.informazout.be/fr/expertmazout

Julien Petit Julien Petit Pierre De Smet Comment puis-je vous aider Pierre De Smet J’en discute volontiers avec vous. Quand avez-vous un moment
LUNDI 14:53

Le Sommet on thE-MOVE : électromobilité et énergies renouvelables main dans la main

Le tout premier Sommet national sur l'électromobilité et les énergies renouvelables s'est tenu à Autoworld (Bruxelles) le 22 juin dernier. Cet événement est une initiative conjointe de Techlink, Organisatie Duurzame Energie, Edora et EV Belgium. La présence de plus de 300 participants signe la réussite de cette première. Une journée incroyablement instructive qui a montré une fois de plus que le déploiement des véhicules électriques ne se conçoit pas sans celui des énergies renouvelables. Une approche intégrée s'impose.

Tous les sujets sont passés sur le grill : 1,5 million de véhicules électriques d'ici 2030, l'électrification de la mobilité, les réformes fiscales, l'impact de l'électromobilité sur le réseau électrique, la recharge en courant continu de l'avenir, le Vehicle­to­ Grid (V2G) et le Vehicle­to­Home (V2H), la formule de recharge idéale pour les copropriétés/appartements, l'intégration intelligente et la répartition de la consommation.

Le Ministre d'État et Président­fonda­

teur d'Autoworld, Herman De Croo, a inauguré ce tout premier Sommet on thE­MOVE, qui plus est dans ce lieu symbolique où s'exposent toutes sortes de véhicules emblématiques.

32 HEAT+ • 09 | 2022 EVENEMENT

Divers experts des secteurs des VE (véhicules électriques), de l'installation, des énergies renouvelables et du monde politique sont venus prendre la parole. Le Ministre fédéral des Finances, Vincent Van Peteghem, a ouvert le bal avec une présentation des

grandes lignes de l’écologisation des voitures de société pour l'ensemble du secteur de l'électromobilité. En 2026, les voitures de société resteront plus avantageuses d'un point de vue fiscal mais, de 2027 à 2030, leurs avantages fiscaux seront de plus en plus réduits. Mais on s’en doute, pas de véhicules électriques sans points de chargement. C'est pourquoi les autorités misent sur des incitants pour accélérer la croissance du nombre de stations de recharge, tant à domicile qu'au travail. Le Ministre n'a donc pas manqué de nous rappeler que la déductibilité à 200 % de votre borne de recharge est prolongée jusqu'au 31 mars 2023. Le citoyen pourra profiter de cet avantage fiscal pendant encore plus longtemps. L'état de la situation

concernant les véhicules hybrides a fait l'objet de questions récurrentes de la part du public. Sa réponse a été limpide : les véhicules hybrides seront traités de la même manière que les véhicules à moteur à combustion interne (= diesel, essence, etc.) Rien ne sera interdit, mais les véhicules polluants ne feront plus l'objet d'incitants. L'écologisation des voitures de société donne le coup d'envoi d'un parc automobile sans combustibles fossiles et montre comment nous pouvons opérer la transition climatique de manière réaliste et abordable. Comme l'ont montré les présentations des autres orateurs, l'écologisation est un processus de changement qui va bien au­delà de la fiscalité.

HEAT+ • 09 | 2022 33

L'impact de l'électromobilité sur le réseau électrique

Le gouvernement fédéral a fixé le cap fin 2021 et les balises ont été posées entre­temps. Ces décisions ont produit un impact sur tous les acteurs de l'électromobilité. La capacité du réseau électrique ne risque­t­elle pas de poser des problèmes ? Dans son allocution, Chris Peeters, CEO du gestionnaire de réseau haute tension Elia et du holding Elia Group, et Trends Manager de l'année 2021, a abordé l'im­

pact de l'électromobilité sur le réseau électrique.

Le groupe Elia définit trois leviers pour une expérience de conduite optimale et des avantages supplémentaires pour les consommateurs : (1) une infrastructure physique et numérique pour améliorer le confort de recharge, (2) un accès ouvert aux données pour des possibilités illimitées en termes de services aux consommateurs, et (3) des règles du marché permettant de nouveaux services aux consommateurs autour de la flexibilité des VE.

Pour les gestionnaires du réseau, les VE sont davantage qu'un simple moyen de se rendre d'un point A à un point B. Dans un monde renouvelable, les VE peuvent contribuer à la transition du système énergétique actuel, où la production est adaptée à la consommation, vers un système où la consommation est adaptée à la

production variable d'énergie renouvelable. Les VE sont des instruments flexibles qui peuvent participer activement aux marchés de l'électricité parce que leurs temps de charge peuvent être adaptés aux besoins du système énergétique. Dans un système électrique basé sur les énergies renouvelables, fortement dépendant de l'énergie éolienne et solaire, l'accès à la flexibilité est essentiel car il permet de maintenir à tout moment l'équilibre entre l'offre et la demande.

La connexion du VE au réseau électrique peut également améliorer l'expérience du client. Outre le chargement, des services supplémentaires peuvent être fournis grâce à un échange ouvert de données entre les gestionnaires de réseau, les intervenants du marché et les consommateurs. Nous pensons par exemple à l'intégration de la batterie du VE dans une maison ou une communauté intelligente, ce qui peut optimiser

34 HEAT+ • 09 2022 EVENEMENT

KSB Select

La sélection de produits n’a jamais été aussi simple !

Découvrez le configurateur :

OPSIVENT®

Système de ventilation concentrique pour système D

Le système OpsiVent est une solution de qualité, idéale pour le raccordement d’applications de ventilation du système D. Grâce à son joint en caoutchouc, OpsiVent peut être utilisé pour les applications offrant une classe d’étanchéité à l’air D (selon EN 12237).

Les éléments galvanisés concentriques (système tube dans tube) sont faciles à monter et permettent de gagner du temps. Tant l’arrivée de l’air frais que l’extraction de l’air vicié se font par 1 tube intérieur et 1 tube extérieur. Il faut moins de travail de montage sur place, et la solution permet de gagner de la place dans la gaine technique du bâtiment. Cela permet de gagner pas moins de 20% sur la main-d’oeuvre par rapport à un système de montage classique.

> PERMET DE GAGNER DU TEMPS

> PEU ENCOMBRANT

> MONTAGE FACILE

> APPLICATION ÉTANCHE À L’AIR

> RACCORDS À DOUBLE PAROI

CONTACTEZ-NOUS POUR PLUS D’INFORMATIONS

PRONOX NV - Zone industrielle “De Prijkels” Venecoweg 22, B-9810 Nazareth (Belgique)) +32 (0)9 381 09 40 - info@opsinox.com

WWW.OPSINOX.COM

la consommation des panneaux solaires ou des appareils électriques.

Un déploiement accéléré de l'infrastructure de recharge publique

Il existe actuellement 18 358 stations de recharge (semi)publiques dans notre pays, réparties sur 6 821 sites. 80 % d'entre elles se trouvent en Flandre. Force est donc de multiplier les appels d'offres publics dans les trois régions si l'on veut atteindre les objectifs. La Wallonie et Bruxelles, en particulier, sont à la traîne et doivent rattraper leur retard. Pour que le marché puisse continuer à se développer, ces adjudications doivent viser un déploiement qualitatif avec un business model réalisable. Actuellement, on se concentre beaucoup trop sur le prix de la recharge. De même, on travaille encore trop souvent avec des projets de taille relativement modeste alors que tous les chiffres montrent qu'une révolution rapide est en cours.

Il faut que la concurrence puisse jouer en suffisance dans la politique de concession aux infrastructures de charge, en particulier les infrastructures de recharge en courant continu sur les grands axes. Un parking autoroutier à l'étranger compte généralement plusieurs acteurs de recharge rapide. Ne serait­ce que parce qu'il faut prévoir de l'espace pour le chargement séparé des camions électriques dans un avenir proche.

Georges Gilkinet, Vice­premier ministre et Ministre de la mobilité, reconnaît qu'il est nécessaire de développer les infrastructures publiques de recharge. Dans le même temps, il a souligné que les points de charge publics ne font pas obstacle aux ambitieux objectifs européens en matière d’électrification des véhicules.

Le ministre a souligné l'importance de réduire nos besoins de mobilité en organisant, par exemple, la vie à proximité du domicile (les écoles, les commerces de proximité, etc.), en favorisant un meilleur équilibre entre les différents moyens de transport (multimodalité), en passant de la voiture individuelle à la voiture partagée ou en investissant dans le rail. Afin de changer les mentalités et les habitudes de mobilité, il préconise l'introduction d'un système de « mobilité en tant que service » (MaaS, c'est­à­dire un service de mobilité intégré englobant différents moyens de transport), qui ferait office de levier pour une mobilité durable. Il estime que les VE y ont leur place.

36 HEAT+ • 09 | 2022 EVENEMENT

ClimateSwitch, tout au long de l‘année

Les saisons changent, tout comme notre ventilation

Que ce soit en plein été ou au milieu de l‘hiver, l‘intérieur est toujours confortable et sain grâce aux solutions ClimateSwitch de Zehnder. Le switch du chaud au froid se régule tout seul.

Voyez comment cela fonctionne ici : www.zehnder.be/fr/climateswitch

OUTILS DE

always the best climate

RIDGID 32 KN STANDARD

RP 350

Radiateurs design Ventilation de confort Systèmes de plafonds chauffants et rafraîchissants Clean air solutions
CYCLES 100.000 CYCLES DE SERTISSAGE GAIN DE TEMPS SANS INTERVALLE DE SERVICE MOTEUR BRUSHLESS POUR EN SAVOIR PLUS • RIDGID.EU
NOUVEAUX
SERTISSAGE

L’écologisation des politiques de mobilité

Parmi les sessions de l'après­midi, nous abordons les présentations de Luminus et de l'entreprise membre Technord sur leurs projets d'intégration des VE dans la gestion de leur flotte.

nuer à communiquer sur les raisons du passage aux VE pour provoquer le déclic chez les conducteurs.

Approche intégrée

Au sein de Luminus, An Van Waes est responsable de la mobilité des employés. « Nous avons l'ambition d'avoir une flotte d'entreprise neutre en émissions d'ici 2025. Raison pour laquelle nous avons entamé l'électrification de notre flotte dès 2018­2019. C'est un élément important de notre stratégie d'écologisation ». Avancer pas à pas vers une flotte entièrement électrique est essentiel : 1) Convaincre la direction de passer à l'action en expliquant la situation financière et les perspectives de réduction des émissions de CO2. Il est important que la décision prise soit effectivement portée dans la réalité, walk the talk. 2) Créer du soutien parmi les collaborateurs. Écouter leurs questions et leurs besoins, et essayer d'adapter son offre au mieux. 3) Susciter l'enthousiasme des collaborateurs par rapport au passage à la voiture électrique et utiliser les expériences des premiers conducteurs de VE convaincus pour affiner l'approche et en convaincre d'autres. 3) Réaliser dans le même temps une étude de marché sur les partenaires de leasing et les constructeurs automobiles. 4) Communiquer clairement l'ambition autour du passage aux VE avec une deadline spécifique communiquée à l'avance. Conti­

Les besoins de mobilité des entreprises d'installation évoluent, tout comme les habitudes de déplacement de leurs employés. « Pour passer d'une politique automobile relativement dépassée à une politique plus dynamique et tournée vers l'avenir, nous sommes partis de quatre piliers fondamentaux et d'une préparation minutieuse préalable », déclare Yannik Broquet, Directeur des Ressources Humaines chez Technord. « L'évaluation des conséquences du cadre législatif (fiscal), l'étude de l'impact sur le coût total de possession (meilleur contrôle des coûts globaux), une flotte plus écologiquement responsable ainsi que l'étude des limites techniques de nos immeubles de bureaux, et enfin la création d'une plus grande satisfaction des employés. Il est important ­ avec le soutien de la direction ­ de communiquer vos ambitions. L'organisation d'une session d'information ou d'un événement test peut servir de coup d'envoi et montrer dans quelle direction vous voulez aller. »

Après le Sommet, Techlink, Organisatie Duurzame Energie, Edora et EV Belgium ont souligné leur demande d'un plan d'investissement de la part de tous les gestionnaires de réseaux de distribution et du gestionnaire du réseau de transport pour permettre le déploiement massif des VE. Les organisations demandent dans le même temps un plan concret pour soutenir au maximum la flexibilité commerciale. Une combinaison des deux éléments – investissements et flexibilité commerciale – sera nécessaire, d'autant qu'il y aura simultanément un passage massif aux pompes à chaleur et que beaucoup d'installations photovoltaïques supplémentaires seront mises en service. Dans ce contexte, la formation continue et le recyclage des installateurs qui réaliseront ces travaux sur le terrain seront des éléments essentiels.

Nous pouvons en conclure qu'un parc automobile électrique nécessite une stratégie de mobilité plus large ! Le mix de mobilité (VE, train, vélo électrique, ...) a un impact important sur la composition du parc automobile de l'entreprise et sur la politique de stationnement et de recharge, et donc aussi sur l'infrastructure de recharge.

L'utilisation et le contrôle intelligents des VE et des pompes à chaleur sont la solution pour intégrer davantage d'énergie renouvelable dans le système électrique. Les VE et les pompes à chaleur donnent aux gestionnaires de réseau la possibilité de planifier efficacement les investissements indispensables au réseau et permettent aux consommateurs de participer activement au marché de l'énergie. Cette possibilité se présente en chargeant les VE quand il y a un excédent de production solaire ou éolienne, mais aussi en réinjectant de l'électricité dans le réseau via le V2G en cas de pénurie. Ces scénarios nécessitent toutefois une contrôle actif, qui n'est possible que si l'infrastructure de recharge est intelligente et que les opérateurs de réseau adaptent leurs modèles de marché en conséquence. Plus d'infos ? https://otm-summit.be

38 HEAT+ • 09 | 2022 EVENEMENT

1 ER KARTING INTERSECTIONS

12h00 : Accueil

Sandwichs - briefing

14h00 : Départ de la course

Rotation pilote de 25min

19h00 : fin de course

Accueil des invités du soir

Remise des trophées

Apéritif et repas

Tarif : 750€ par équipe (de 5 ou 6) comprenant la course, un sandwich, boissons l’après-midi, l’apéritif et un "buffet pizzas" le soir.

Tarif "accompagnant" : 50€ - Apéritif, "buffet pizzas", boissons

Attention : nombre d'équipes limité ! Exclusivement réservé aux membres de la province de Luxembourg

Adresse du jour : NTKart 1 rue des Petites Quémènes F-54720 Lexy Informations et inscriptions : info@cclux.be VENEZ DÉFIER LES AUTRES SECTIONS SUR LA PISTE PAR ÉQUIPE DE 5 OU 6 !
15 OCTOBRE 2022 T E C H L I N K L U X E M B O U R G
SAMEDI
Confédération Construction Province de Luxembourg Rue Fleurie, 2 - 6800 Libramont 061/230770 - info@cclux.be

Les installateurs en route vers un processus de facturation numérisé

De nos jours, de plus en plus de clients souhaitent recevoir leurs documents de paiement (les factures essentiellement) sous une forme numérique. La numérisation par e-voicing (la facturation électronique) n'a donc plus rien d'un concept ou d'une idée vague. Elle est un impératif concret. Les entreprises d'installation ont été de plus en plus nombreuses ces dernières années à numériser leur processus de facturation. A juste titre, car les factures numériques se perdent moins et sont moins chères que les factures papier. Un projet de loi visant à rendre la facturation numérique en B2B obligatoire à compter du 1er janvier 2025 se trouve actuellement sur la table des d’autorités.

Notre enquête 2020 avait mis au jour certains goulets d'étranglement administratifs : l'absence d'une base de données centrale de documents (contenant devis, factures, agréments, etc.) et liée aux clients ou aux missions, et le temps qu'exige le processus de facturation après un travail. A l'époque, on nous disait aussi régulièrement : je rédige encore mes factures dans Word ou je tiens une liste Excel de mes factures sortantes, ou une fois par semaine je mets les relevés bancaires en vis­à­vis de ma liste et, quand une facture a été payée, je la raye de ma liste. Budget­temps : facilement 2 heures/semaine.

La facturation électronique influe positivement sur la durabilité, la vitesse, l'efficacité des commandes et la numérisation à grande échelle, et elle est devenue la norme dans de nombreuses entreprises. Un flux de travail numérique strict et correct (comme la facturation, par exemple) pour sou­

tenir la croissance d'une entreprise d'installation est synonyme de moins de pertes de temps et de plus de bénéfices. Les logiciels sont une condition préalable importante pour garantir la gestion ordonnée de l'entreprise. Il faut une solution intégrée unique pour les processus administratifs, de la gestion de projet aux finances et à la CRM. Réussir la transformation numérique nécessite généralement le recours à plusieurs logiciels, de préférence bien reliés/connectés entre eux.

Grâce à la mise en place du logiciel, le temps consacré au suivi sera d'environ 15 à 30 minutes/semaine. La marge d'erreur diminue (les erreurs dans Word), les doublons disparaissent (plus de ressaisie dans Excel) et le suivi des factures en souffrance s'améliore.

Un installateur sur la route toute la journée peut facilement établir une facture via une application pour smartphone.

Quelle est la sanction si ma facture n'est pas en règle ?

Une facture ne satisfait pas aux exigences formelles ? Vous risquez une sanction.

• En cas de première infraction accidentelle, vous recevrez une amende administrative de 25 € par facture, avec un minimum de 50 € et un maximum de 500 €.

• Vous commettez une deuxième infraction ? Vous risquez un minimum de 125 € et maximum de 1 250 €.

• Pour les infractions ultérieures : 250 €, avec un maximum de 5 000 €.

Les informations figurant sur la facture sont incorrectes ? Vous risquez une amende dont le montant maximal peut atteindre le double du montant facturé. En cas d'erreur dans le numéro de TVA, l'adresse et/ou le nom du fournisseur ou du client, d'erreur concernant la nature, la quantité ou le prix des biens/ services fournis, les autorités peuvent imposer une amende de 60 % à 100 % de la TVA due. Ces montants ne sont applicables qu’en cas d’erreur fortuite. Si des erreurs sont commises délibérément, par exemple dans le but d'échapper à l'impôt, les amendes sont considérablement plus élevées car cela est considéré comme de la fraude.

Quoi qu'il en soit, une facture erronée doit être corrigée par ce qu'on appelle une note de crédit, établie en faveur de votre client.

Contrôle n° 1 : tout figure bien sur la facture ?

Pour être valable, une facture doit répondre à certaines exigences formelles. C'est principalement la

40 HEAT+ • 09 | 2022 GESTION D'ENTREPRISE

La solution logicielle pour chaque entreprise technique.

Votre avantage : aucun serveur coûteux requis. Nous prenons soin de votre environnement sécurisé.

En raison de sa simplicité et de ses applications Web et App, vous pouvez travailler où que vous soyez.

InstaMobile continue de se développer en fonction des besoins et des questions des utilisateurs

Oui, aujourd'hui tout est possible avec 1 logiciel ! InstaMobile est modulaire. Cela fait de notre logiciel une solution pour chaque entreprise, petite et grande

Un gain de temps important au bureau Facile à employer Frais d’entrée très bas Plus

App to Web pour chaque entreprise : Work smart - Think Digital - Go mobile!
jusqu
Un gain de temps
’à 4h par technicien par semaine
de perte de
travail
pourrez facturer immédiatement après chaque ordre We make IT Mobile! Powered byTradecom NV, verkoop@tradecom.be - www.instamobile.be - Tel: 09 398 69 90
certificat ou d’ordre de
Vous

réglementation sur la TVA qui précise quelles informations doivent y figurer. En parallèle, divers textes juridiques de droit civil et commercial fixent les exigences formelles des factures.

Les mentions suivantes doivent être incluses :

● le mot « facture » ;

● la date de la facture, ainsi que la date de livraison (pour les biens) ou la date de prestation (pour les services) ;

● un numéro de facture unique ;

● votre nom, ou le nom de votre société, et votre adresse ;

● le nom (ou le nom de la société) du destinataire et son adresse ;

● votre numéro de compte bancaire ;

● votre numéro de TVA ou d’entreprise ;

● la description et la quantité de biens et/ou de services fournis ;

● le prix (unitaire) et la réduction accordée, la quantité ;

● montants : le montant sans TVA, le pourcentage de TVA et le montant de la TVA par taux, le montant total à acquitter ;

● le lieu d'établissement de la facture ;

● les conditions de paiement ;

● la référence à des factures antérieures s'il s'agit d'une facture partielle ;

● la mention de vos conditions générales sur la facture n'est pas obligatoire, mais il est conseillé de les faire figurer au dos de la facture.

ATTENTION ! A défaut d'une date d'expiration ou d'un numéro de compte bancaire, le client a une raison de ne pas vous payer ou de vous payer en retard. Évitez les discussions et veillez à ce que vos factures soient complètes.

Comment recouvrer des factures impayées ?

Vous avez fait votre travail et envoyé une facture impeccable. Il arrive qu'un client ne vous paie pas – il oublie ou perd votre facture ou c'est tout simplement un mauvais payeur. C'est à vous de lui envoyer un rappel dès que la date d'échéance de la facture est atteinte. D'abord de façon amicale, ensuite de façon plus sèche.

Le 12 mai 2022, Jean-Paul Van Damme (partnenaire chez Triple A Solutions) a proposé un webinaire où il a donné un aperçu du processus de gestion optimale des débiteurs et quelques conseils concrets pour mieux organiser le suivi de vos clients.

tout simplifier. Le meilleur moyen d'éviter les sanctions (voir encadré)  ? Établir vos factures de la manière la plus détaillée possible. Un logiciel vous y aidera.

des stocks et beaucoup d'autres fonctionnalités.

CONSEIL : choisissez avant tout un logiciel de facturation qui évolue en phase avec votre organisation.

Facilitez la vie de votre administration (et de votre comptable) et optez pour un outil de facturation compatible avec votre logiciel de comptabilité. Chaque facture que vous recevez ou envoyez est automatiquement synchronisée avec votre comptabilité.

Contrôle n° 3 : le paiement est-il facile pour votre client ?

Une autre possibilité consiste désormais à placer un code de paiement QR sur la facture. Un simple scan et l'argent est transféré. Vérifiez si votre programme de comptabilité offre cette possibilité et mettez­la en place immédiatement. Une autre option consiste à inclure un lien ou un bouton de paiement.

Contrôle n° 4 : veillez à ce que le délai entre la livraison de votre service/produit et l'envoi de votre facture ne soit pas trop

long

Un programme de facturation peut

Une jeune entreprise a des besoins administratifs différents de ceux d'une grande entreprise qui existe depuis des années. Dans le premier cas, un simple outil de facturation (avec des fonctions CRM limitées) est suffisant, tandis que dans le second, un progiciel CRM à part entière est probablement préférable. Outre la facturation, un système ERP prend également en charge la gestion de projets, la planification, la gestion

Le meilleur jour pour envoyer votre facture ? Le jour où vous terminez le travail en question ! Les factures doivent être établies et envoyées au plus tard le 15 du mois suivant celui au cours duquel est due la taxe sur tout ou partie du prix. En envoyant votre facture à temps, vous augmentez vos chances d'être payé rapidement.

Facilitez la vie de vos clients autant que possible. Mentionnez tous les éléments nécessaires pour effectuer un paiement rapide. N'oubliez pas : la date d'échéance est le jour où le paiement doit avoir été effectué, pas le jour du paiement. Veillez donc à mentionner : paiement avant la date X.

42 HEAT+ • 09 | 2022 GESTION D'ENTREPRISE
Contrôle n° 2 : quels sont les points d'attention quand j'achète un logiciel de facturation ?

Chers installateurs, le CSTC est là pour vous !

Afin de diminuer la complexité de vos calculs au quotidien, nous avons publié un guide spécialement dédié aux installateurs comme vous. Vous y trouverez trente questions avec à chaque fois une réponse chiffrée claire, des conseils pratiques et des points d’attention.

EXEMPLES DE QUESTIONS :

· A partir de quelle dureté conseille-t-on d’adoucir l’eau de ville?

· A partir de quand l’installation de nouvelles chaudières au mazout sera-t-elle interdite?

· Combien de temps faut-il maintenir sous pression une installation de chauffage durant l’essai d’étanchéité?

· Une installation de ventilation peut générer un peu de bruit. Quel niveau de bruit est admissible dans une chambre à coucher?

Découvrez notre guide en scannant le QR-code ou en surfant sur notre site web cstc.be

Recherche • Développe • Informe

Écoles et entreprises d'installation peuvent se renforcer mutuellement

Entreprise familiale, le Groupe EEG agit dans une perspective à long terme et mise sans compter sur une intensification de sa coopération avec les écoles. Un investissement qui porte ses fruits, mais qui s’avère également nécessaire pour accompagner le développement des futurs talents. Plusieurs stages sont possibles au sein du groupe, à destination des étudiants qui, notamment, passent leurs examens de bachelier. Ceuxlà se voient attribuer un parrain au sein de l'entreprise.

Dans l'une des plus anciennes filiales du Groupe EEG (EEG NV – division Van Braeckel à Laethem­Saint­Martin), nous rencontrons Jasper D’Helft , ingénieur conceptuel junior : « Nous sommes une entreprise d'installation HVAC et sanitaire, active surtout dans le secteur des soins de santé. Nous prenons en charge toute la

chaîne, de la conception à la mise en œuvre en passant par l'installation et l'entretien des techniques de climatisation. Grâce à nos nombreuses années d'expérience, nous sommes un acteur important en Flandre orientale comme occidentale. Ce n'est un secret pour personne, nous recherchons constamment du personnel technique talentueux. Dans notre

secteur, il existe un grand besoin de bons travailleurs, c'est pourquoi une coopération intelligente avec les écoles à travers des stages et des projets de fin d’études se révèle payante et utile pour notre groupe. »

Jasper a eu l'occasion d'endosser le rôle de parrain. Au cours de l'année académique passée, il a accompagné

INTERVIEW 44 HEAT+ • 09 | 2022

un étudiant pendant plusieurs mois, en vue de son examen de bachelier. Ensemble, ils ont étudié les simulations hydrauliques en mettant l'accent sur les sources d'énergie renouvelables.

C'est vous qui avez demandé à être parrain ou comment avezvous eu cette opportunité ?

La responsable RH de notre site avait informé les différents départements qu'elle avait été contactée par plusieurs écoles demandant si nous avions un stage intéressant à proposer à leurs étudiants. Après avoir consulté mon collègue de notre département, nous avons décidé de rédiger une mission de stage qui pourrait représenter une valeur ajoutée tant pour l'étudiant que pour le Groupe EEG. Après un certain temps, nous avons été contactés par un étudiant intéressé par cette mission et nous avons décidé de l'accompagner pendant quelques mois. Au sein du groupe EEG, les étudiants sont autorisés à travailler sur des projets réels et bénéficient des conseils d'un parrain.

En parallèle, je me suis dit qu'il serait intéressant de développer mes compétences personnelles de cette manière. Après trois ans et demi chez EEG, j'ai déjà acquis des connaissances sur le secteur HVAC qu'il est intéressant de transmettre.

Quelle est la politique du Groupe EEG concernant le rôle des parrains ?

L'accent est mis sur le « parrainage/ marrainage ». Les collègues qui assument ce rôle de mentors au sein du Groupe sont encouragés à se réunir régulièrement avec les nouveaux collègues afin de les soutenir dans leurs nouvelles tâches. Ils encouragent aussi les nouveaux collègues à poser des questions, à en apprendre davantage, à se perfectionner. En d'autres termes, cette démarche peut accélé­

rer l'intégration et le processus d'apprentissage des nouveaux collègues. En interne, nous avons également développé une formation par le biais de notre EEG Academy afin de former nos professionnels expérimentés pour qu'ils deviennent des mentors engagés. Dans le cadre de ce programme, nous proposons un échange entre collègues ayant des fonctions différentes et provenant de différents sites. Sur les chantiers aussi, nous y attachons beaucoup d'importance, car c'est en étant guidé par un professionnel expérimenté que l'on apprend le plus.

Comment décririez-vous un parrain motivé ?

Pour moi, un parrain motivé est quelqu'un qui :

● ose donner suffisamment confiance au jeune pour qu’il sache que sa contribution est appréciée.

● se rend compte qu'au début il faut faire des efforts (p.ex. donner des explications, parfois répéter, etc.), mais que ces efforts sont payants à long terme.

● peut faire prendre conscience au jeune que même les collègues expérimentés ne savent pas tout et qu'ils doivent souvent se concerter pour trouver une bonne solution. Poser des questions n'est donc pas une mauvaise chose !

En tant que parrain, ma tâche consistait à le faire apprendre, à l'accompagner, le laisser évoluer et l'aider à développer ses compétences. Un stage est un processus d'apprentissage et les étudiants ont besoin de confirmations et de feedbacks réguliers.

Comme ça nous avons le sentiment qu’ils progressent et que leur travail compte.

Le stagiaire avait-il des connaissances préalables en HVAC ?

Comme le stagiaire m'a signalé qu'il n'avait pas beaucoup de connaissances préalables en matière de HVAC, nous avons commencé par les lois de base sur l'hydraulique (lois physiques). Nous avons comparé un circuit simple sur une chaudière à gaz avec un circuit simple sur une pompe à chaleur. Les deux avaient la même puissance. Nous avons mis ces circuits dans un logiciel et avons ensuite comparé/analysé les différents régimes de température, débits, diamètres des tuyaux, etc. et les avons également calculés manuellement. Il s'agissait surtout de montrer qu'il ne suffira pas de remplacer une chaudière par une pompe à chaleur basse température dans une installation initialement construite autour d'une chaudière : les diamètres des tuyaux seront trop petits, les consommateurs ne fourniront pas assez de puissance, etc.

L'attention s'est ensuite portée sur les sources d'énergie renouvelables ?

En effet, nous avons commencé à nous concentrer sur la pompe à chaleur. Les projets de nouvelles constructions auxquels participe le Groupe EEG doivent répondre aux exigences PEB (une part minimale d'énergies renouvelables requise). Pour la partie HVAC, nous en venons rapidement à l'intégration d'une pompe à chaleur.

Il existe cependant de nombreuses configurations différentes possibles avec une pompe à chaleur :

● 1 grande pompe à chaleur ;

● 2 des pompes à chaleur en cascade ;

● Une installation hybride chaudière à gaz/pompe à chaleur

HEAT+ • 09 | 2022 45
« Effectuer un stage au sein du Groupe EEG, c’est travailler dans un environnement dynamique où le développement de nouvelles techniques ne s'arrête jamais. »
JASPER D’HELFT

avec un choix entre circuit parallèle, circuit en série ou circuit avec injection.

Nous avons comparé ces différentes configurations et analysé en quoi elles diffèrent hydrauliquement les unes des autres et laquelle était la plus intéressante à appliquer. Les coûts d'investissement, les économies d'énergie, etc. ont été pris en compte. C'est ainsi que nous avons vu que, pour les installations hybrides, il est surtout intéressant de travailler avec un circuit d'injection dans la conduite d'alimentation de la pompe à chaleur.

Les calculs/simulations précédents ont été effectués sur des circuits simples. Une fois que le stagiaire a maîtrisé ces bases, nous nous sommes rendus sur le chantier d'une installation relativement importante constituée de chaudières à gaz et de pompes à chaleur. De la sorte, il a pu voir les composants abordés, mais en situation réelle. Ensuite, nous avons calculé et simulé cette installation à l'aide d'un logiciel et l'avons convertie en une installation utilisant uniquement des pompes à chaleur et tournant aussi entièrement avec des chaudières et des refroidisseurs pour pouvoir l'analyser.

A cette étape, le stagiaire a vu qu'il est important que les collègues de la division électricité soient informés à

temps du fait que des pompes à chaleur sont utilisées, car la part de l'énergie électrique nécessaire au HVAC a fortement augmenté ces dernières années de par l'utilisation de pompes à chaleur. La collaboration multitechnique sur un chantier devient donc de plus en plus importante avec l'utilisation des pompes à chaleur.

En outre, l'utilisation d'une pompe à chaleur eau­eau en combinaison avec un système BTES est un moyen intéressant de refroidir et de chauffer de manière économe en énergie. De nombreux paramètres peuvent toutefois rendre le résultat médiocre (une température du sol trop élevée, un système BTES trop petit en combinaison avec une pompe à chaleur trop grande).

Nous avons étudié à cet égard le rôle que peut jouer un refroidisseur d'air type sec pour éviter la destruction d'énergie. Le problème qui se pose dans ce cas est que s'il faut un refroidissement actif et qu'il n'y a pas de réduction de la demande de chaleur/d'ECS, l'eau chauffée dans le circuit primaire retourne dans le sol. Si le sol n'est pas encore complètement déchargé, cela signifie que nous allons re­réchauffer le sol, ce qui serait un gaspillage d'énergie.

En quoi un tel stage crée-t-il une situation win-win pour vous, le Groupe EEG, et pour l'étudiant/ l'école ?

Pour moi, cette possibilité semble être une première étape idéale pour occuper un poste à plus grande responsabilité au sein du Groupe EEG dans la suite de ma carrière. C'est aussi une manière de poursuivre le développement de mes compétences sociales. Je serai ravi de pouvoir de nouveau accompagner un autre étudiant !

Grâce à ces stages, le Groupe EEG rencontre de jeunes étudiants prometteurs avec lesquels il peut éta­

1Accords sur le processus : déterminez la fréquence de vos concertations, par exemple une fois par semaine. Est-ce possible empiriquement ou préférez-vous convenir d'un moment fixe ?

2Proposez un défi ! Donnez à un stagiaire la responsabilité de travailler sur son propre projet avec un feedback étape par étape afin qu'il apprenne par la pratique.

3Donnez un feedback constructif : qu'est-ce qui va bien et qu'est-ce qui peut être amélioré ? Essayez de faire cet exercice en conservant une attitude positive. Les compliments sont au moins aussi importants que les critiques !

blir une relation durable. En période de pénurie de main­d'œuvre, de tels stages sont extrêmement pertinents. En outre, les étudiants ont souvent l'occasion, au cours de leur formation, d'étudier de nouvelles technologies, même si les débouchés ne sont pas encore tout à fait prêts pour elles. Le Groupe EEG peut ainsi se tenir informé des techniques les plus récentes et nous pouvons préparer nos activités en conséquence.

Du côté des étudiants, je vois comme avantage la possibilité d'établir pendant leur stage un contact approfondi avec le monde du travail. Pendant leur formation, les étudiants sont souvent absorbés par des techniques énergétiques particulières. Au sein du Groupe EEG, ils peuvent découvrir des installations de plus grande envergure.

Grâce à une interaction ouverte et durable entre les écoles (et les enseignants) et le monde du travail, l'enseignement peut également fait l'objet d'une meilleure adaptation aux besoins spécifiques de notre secteur de l'installation.

« Chez nous, le développement durable est fondamental. Pas seulement par rapport à nos installations, mais aussi par rapport à nos clients et plus encore vis-à-vis de nos collaborateurs. »
INTERVIEW 46 HEAT+ • 09 2022
JASPER D’HELFT
Trois conseils pour l'encadrement des stagiaires

L’APPLICATION VILLEROY&BOCH

Planifier, s’informer et vendre, tout devient plus facile.

Informations sur la disponibilité et les prix

Fiches techniques et instructions de montage

Création automatique de fiches projets

Pour smartphone, tablette et ordinateur Pour en savoir plus : pro.villeroy-boch.com/villeroybochapp

Le

Chiffre d’affaires en progression grâce aux suggestions de produits

Mode déconnecté possible

configurateur donne vie aux souhaits des clients

• Install Tomorrow - War for Talent

• Techlink aide l'installateur de demain. En collaboration avec Constructiv et Volta, il existe un programme distinct pour les élèves du secondaire.

• Témoignages d'installateurs

organisation :

• Accès gratuit pour les professionnels du bâtiment.

• Restauration gratuite.

• Plus de 200 stands seront présents.

14 OCT 2022 www.installday.be by Techlink
une initiative de : partenaire médiatique :
Le
seul salon sectoriel belge pour toutes les techniques d’installation
Embuild THE BELGIAN CONSTRUCTION ASSOCIATION

L’Install Day souffle ses cinq bougies !

Eh oui, l’Install Day est déjà pour bientôt ! Techlink et Embuild organisent déjà la cinquième édition de l'événement de networking du secteur de l'installation. Rendez-vous le vendredi 14 octobre (de 9h à 19h) au Brussels Kart Expo. Nouveauté de cette édition, il n'y a plus de tentes, mais un Hall D supplémentaire, tandis que le programme spécial pour les écoles fait son retour.

Cette édition de l'Install Day est particulière : non seulement c'est le cinquième salon du genre, mais il se déroule cette fois en octobre et non plus en novembre – pour anticiper un pic éventuel du coronavirus cet automne.

L’Install Day est un événement « tout en un ». En une seule journée et dans un lieu facilement accessible, l'installateur peut voir, sentir et tester toutes les nouveautés en matière de produits, techniques, logiciels, outils numériques, etc. Le tout gratuitement. « Avec plus de 3 500 installateurs en 2021, Install Day est devenu le lieu de rencontre par excellence du secteur », déclare Carole Metzmacker, Responsable du marketing et de la communication chez Techlink.

Envie de savoir ce qui va changer dans le secteur de l’installation au cours des prochaines années ? Visitez l’Install Day. Techlink et ses exposants seront heureux de vous faire visiter l’avenir !

Salon gratuit de 230 exposants

Et laissez­vous inspirer par 230 exposants de marques de qualité (installateurs, fabricants et fournisseurs), découvrez des produits innovants, assistez à des séminaires et profitez des possibilités de networking. Boissons et en­cas sont fournis gratuitement par les organisateurs !

L'accès au salon est intégralement gratuit, mais une inscription préalable via le site web www.installday.be est requise. Après votre inscription, vous recevrez par courriel un ticket électronique personnel avec un code QR. Prenez ce ticket imprimé avec vous et faites scanner le code barre à partir de votre smartphone.

Accès pour les écoles

En collaboration avec Constructiv et Volta, nous avons élaboré un programme distinct pour les élèves du secondaire. Sans inscription préalable, il n'est pas possible pour les groupes de classe de visiter le salon.

En pratique

● OÙ ? Brussels Kart Expo à Grand-Bigard

● QUAND ? Vendredi 14 octobre 2022 de 9 à 19 heures

● ACCÈS ? Gratuit avec inscription. Évitez les files d’attente et inscrivez-vous en ligne sur www.installday.be

● PLUS D'INFOS ? events@techlink.be

INSTALL DAY HEAT+ • 09 | 2022 49

AALBERTS INTEGRATED

PIPING SYSTEMS ● 115

AIRSMART ● 186

ALECO ● 56

ALIA ● 230

ALIAXIS ● 99

ALLIMEX GREEN POWER ● 219

ALVERSYS ● 178

ANTARGAZ ● 24

AQUALISA ● 122

ARDEA HARGSSNER ● 142

ATAG ● 196

ATKORE VERGOKAN ● 89

AVERO HANDLING ● 53

B.E.G. LUXOMAT ● 3

BAILEY ● 225

BALS / HENSEL ● 160

BAY WA R.E. ● 217 - 218

BEBAT ● 51

BEGETUBE ● 167, 176

BELIMO ● 224

BENDER ● 143

BONFIX ● 172

BORGH 12

BOSCH 83

BOUWSOFT ● 41

BSC (NUPI-HUOT-

GASTITE) ● 91

BUDERUS ● 107

BULEX ● 63

BWT ● 105

CAFCA ● 201

CALEFFI ● 85

CARAT ● 42

CARBOMAT GROUP ● 211, 216

CARNOY / OMNITERM

WALLONIE ● 18 - 19

CEBEO ● 198 - 199

CINTROPUR - AIRWATEC ● 62

CLIMACON ● 48

CLIMATRIX ● 191

CLIMAVENT ● 221

CLIMAWAYS ● 69

COMAP - FLAMCO ● 114

COMELIT ● 204

CONSTRUCTIV ● 226

CTC BENELUX ● 2

DAB PUMPS ● 129

DAIKIN ● 74

DALEMANS GAS ● 138

DANFOSS ● 163

DE DIETRICH ● 86

DELABIE ● 161

DELTA WATER SOFTENERS

BELUX ● 39

DESCO ● 118 - 119

DUCO VENTILATION ● 202, 210

EATON ELECTRICAL ● 21

ECO PROJECT ● 49

ECOTHERMIA ● 162

EDORA ● 229

EGEDA ● 180

ELCO ● 175

ELECTRICEA ● 151

ENGELS - THERMO COMFORT ● 110 - 111

EPLUCON ● 155

ESCOLIT ● 214

ETHERMA BENELUX ● 208

EURO-INDEX ● 29

EUROTIS ● 22

EVOTUBE ● 144

FACQ ● 90, 97

FERNOX ● 181

FISCHER COBEMABEL ● 34

FIXCENTER ● 165

GAS.BE ● 87

GEBERIT ● 28

GEBO ● 57

GEP WATERMANAGEMENT ● 43

GEWISS ● 8

GIACOMINI ● 212

GRIFFON ● 70

GROHE ● 121

GROUPE ATLANTIC ● 152 - 153

GRUNDFOS ● 79

HAGER ● 116

HANSA ● 130

HANSGROHE ● 134, A

HEAT-BOX ● 197

HELIA ● 54

HELVAR ● 193

HENCO ● 203

HERSCHEL ● 15

HIKOKI POWER TOOLS ● 10

HONEYWELL HOME-RESIDEO ● 5

HUAWEI ● 137

H-VEN ● 17

INSTALL DAY 50 HEAT+ • 09 | 2022
SEM. > 24 pers. Hall
1 WEISHAUPT 2 CTC BENELUX 3 B.E.G. LUXOMAT 4 TESTO 5 HONEYWELL HOMERESIDEO 6 WALRAVEN 7 JUDO WATERBEHANDELING 11 TEC7 15 HERSCHEL 21 EATON ELECTRICAL 30 THEMA 38 NIBE 44 NIBE 52 SAMSUNG BY AMBRAVA 53 AVERO HANDLING 54 HELIA 55 M&G GROUP -BURGERHOUT 56 ALECO 57 GEBO 58 48 CLIMACON 35 OPDAMO 26 LINUM GROUP 20 VASCO 43 GEP WATERMANAGEMENT 82 WILO 73 SOUDAL 66 PANASONIC 120 VERCALO 113 VIEGA 104 UBBINK 121 GROHE 74 DAIKIN MATAGNE HODY 83 BOSCH MATAGNE HODY 90 FACQ 91 BSC (NUPIHUOT-GASTITE) 92 RIELLO 97 FACQ 98 OPSINOX 99 ALIAXIS 114 COMAPFLAMCO 115 AALBERTS INTEGRATED PIPING 122 AQUALISA 123 IDEAL STANDARD 124 IDEAL STANDARD VILLEROY 105 BWT 106 VANDER ELST 67 SPIT PASLODE-ITW CONSTRUCTION 68 TEMPOLEC 69 CLIMAWAYS 70 GRIFFON 71 WATERGENIUS MYENERGI 129 DAB PUMPS 128 VAN MARCKE 127 VAN MARCKE 8 GEWISS 9 REXEL 10 HIKOKI POWER TOOLS 16 NXT-PRO 17 H-VEN 22 EUROTIS 23 VECOLUX 31 ZEHNDER 32 VALECO WATER QUALITY 33 OVENTROP 34 FISCHER COBEMABEL 39 DELTA WATER SOFTENERS BELUX 40 WIHA 41 BOUWSOFT 42 CARAT 13 REXEL 12 BORGH 14 METABO 45 PROFIXINGS 46 RFTECHNOLOGIES 47 VENTILINE 27 TRILEC 28 GEBERIT 29 EURO-INDEX 36 REHAU 37 STAGOBEL ELECTRO 50 PLASTIBAC 49 ECO PROJECT 51 BEBAT 212 GIACOMINI 152 GROUPE ATLANTIC 153 GROUPE ATLANTIC VENTILAIR 218 BAY WA R.E. 219 ALLIMEX GREEN POWER ELECTRONICS 217 BAY WA R.E. 151 ELECTRICEA 159 SCHELL BELGIUM 160 BALS/ HENSEL 161 DELABIE 164 POUJOULAT 165 FIXCENTER 173 VAILLANT 174 VAILLANT 182 VAN OIRSCHOT 183 SPIROTECH 189 VAN OIRSCHOT 190 SPIROTECH 196 ATAG 197 HEAT-BOX 204 COMELIT 205 SAFETY SCIENCE 213 LINERGY 214 ESCOLIT 172 BONFIX 181 FERNOX 188 KABELWERK EUPEN 195 QBUS 18 19 CARNOY/OMNITERM WALLONIE 24 ANTARGAZ 25 NATHAN EXHIBITION LOUNGE
Install Day ● 14 octobre 2022
A

Hall D

Hall B

INTER PIPE TOOL ● 133

ITHO DAALDEROP ● 136

JAGA CLIMATE DESIGNERS ● 135

JUDO WATERBEHANDELING ● 7

KABELWERK EUPEN ● 188 KESSEL ● 140

● 131

LEDVANCE ● 207

LG ELECTRONICS ● 220

LINERGY ● 213

LINUM GROUP ● 26

M&G GROUP - BURGERHOUT

● 55

MATAGNE HODY ● 75, 84

METABO ● 14

MYENERGI ● 59

NATHAN ● 25

NIBE ● 38, 44

NIKO ● 187, 194

NXTPRO ● 16

OBO BETTERMANN ● 192

ODE ● 228

OKOFEN ● 141

OPDAMO ● 35

OPSINOX ● 98

OVENTROP ● 33

PANASONIC ● 66

PCM INTERNATIONAL ● 223

PHOENIX CONTACT ● 78

PLASTIBAC ● 50

POUJOULAT ● 164

PREFLEX ● 117

PRIMAGAZ ● 132

PROFIXINGS ● 45

PROMAT ● 96

PV CYCLE ● 95

QBUS ● 195

RADSON ● 94

RBM ● 76

REHAU ● 36

REMEHA ● 168, 177

RENSON ● 77

REXEL ● 9, 13

RF-TECHNOLOGIES ● 46

RIDGID ● 103

RIELLO ● 92

ROCKWOOL ● 108

ROFIX ● 209

ROTH BENELUX ● 61

ROTHENBERGER ● 60

SAFETY SCIENCE ● 205

SAMSUNG BY AMBRAVA ● 52

SANUTAL ● 157

SCHAKO ● 206

SCHELL BELGIUM ● 159

SCHNEIDER ELECTRIC ● 215

SERELEC ● 109

SFA BENELUX ● 145

SIEDLE ● 126

SINCLAIR AIRCONDITIONING /

AFM ● 171

SOLUCALC ● 112

SOUDAL ● 73

SPELSBERG ● 200

SPIROTECH ● 183, 190

SPIT PASLODE - ITW

CONSTRUCTION ● 67

STAGOBEL ELECTRO ● 37

STG ● 169 - 170, 179

STIEBEL ELTRON ● 156

TEC7 ● 11

TECE ● 139

TECHLINK ● 93

TEMPOLEC ● 68

TERRENDIS ● 184

TESTO ● 4

THE FITTING COMPANY ● 102

THEMA ● 30

THERMODUCT ● 185

TOPTECHNICS ● 81

TRADECOM ● 149

TRAYCO ● 64

TRILEC ● 27

UBBINK ● 104

VAILLANT ● 173 - 174

VALECO WATER QUALITY ● 32

VALVULAS ARCO ● 166

VAN MARCKE ● 127 - 128

VAN OIRSCHOT ● 182, 189

VANDER ELST ● 106

VASCO ● 20

VECOLUX ● 23

VENTILAIR GROUP ● 154

VENTILINE ● 47

VERCALO ● 120

VIEGA ● 113

VIESSMANN ● 100 - 101

VILLEROY&BOCH ● 125

VOLTA ● 227

VTX DISTRIBUTION ● 65

WAGO ● 80

WALRAVEN ● 6

WATERGENIUS ● 71

WATTS BENELUX ● 158

WAVIN ● 88

WEISHAUPT ● 1

WIHA ● 40

WILO ● 82

WTCB ● 231 - 232

YSEBAERT ● 146

ZEHNDER ● 31

Hall C

HEAT+ • 09 | 2022 51 SEM. 1 24 pers. i
ENTRANCE
75 MATAGNE HODY 76 RBM 78 PHOENIX CONTACT 79 GRUNDFOS 80 WAGO 84 MATAGNE HODY 85 CALEFFI 93 TECHLINK 94 RADSON 96 PROMAT 100 VIESSMANN 95 PV CYCLE 101 VIESSMANN 102 THE FITTING COMPANY 86 DE DIETRICH 87 GAS.BE 88 WAVIN 115 AALBERTS INTEGRATED SYSTEMS 116 HAGER 117 PREFLEX 77 RENSON 125 VILLEROY &BOCH 106 VANDER ELST 107 BUDERUS 109 SERELEC 110 111 ENGELSTHERMO COMFORT 108 ROCKWOOL WATERGENIUS 59 MYENERGI 60 ROTHENBERGER 61 ROTH BENELUX 62 CINTROPURAIRWATEC 63 BULEX 64 TRAYCO 65 VTX DISTRIBUTION 72 INDUSCABEL 81 TOPTECHNICS 89 AKTORE VERGOKAN 103 RIDGID 112 SOLUCALC 126 SIEDLE 136 ITHO DAALDEROP 135 JAGA CLIMATE DESIGNERS 134 HANSGROHE 133 INTER PIPE TOOL 132 PRIMAGAZ 131 KSB 130 HANSA 138 DALEMANS GAS 141 OKOFEN 137 HUAWEI 139 TECE 140 KESSEL 142 ARDEA HARGSSNER 144 EVOTUBE 146 YSEBAERT 150 145 SFA BENELUX 148 147 143 BENDER 149 TRADECOM 154 VENTILAIR GROUP 155 EPLUCON 156 STIEBEL ELTRON 157 SANUTAL 158 WATTS BENLUX 220 LG ELECTRONICS 221 CLIMAVENT 222 I-DRAIN/ DZIGNSTONE/ ASSENTI 223 PCM INTERNATIONAL 224 BELIMO 225 BAILEY ELECTRIC & ELECTRONICS 162 ECOTHERMIA 166 VALVULAS ARCO 183 SPIROTECH 190 SPIROTECH 175 ELCO 167 BEGETUBE 176 BEGETUBE 168 REMEHA 177 REMEHA 169 STG 178 ALVERSYS 170 STG 179 STG 198 CEBEO 206 SCHAKO 215 SCHNEIDER ELECTRIC 199 CEBEO 207 LEDVANCE 180 EGEDA 163 DANFOSS 211 CARBOMAT GROUP 216 CARBOMAT GROUP 203 HENCO 118 119 DESCO 171 SINCLAIR AIRCONDITIONING /AFM 233 232 WTCB 231 WTCB 230 ALIA 229 EDORA 228 ODE 227 VOLTA 226 CONSTRUCTIV 184 TERRENDIS 185 THERMODUCT 191 CLIMATRIX 192 OBO BETTERMANN 186 AIRSMART 187 NIKO 193 HELVAR 194 NIKO 200 SPELSBERG 208 ETHERMA BENELUX 201 CAFCA 209 ROFIX 202 DUCO VENTILATION 210 DUCO VENTILATION
● 123 - 124
ASSENTI ● 222 INDUSCABEL ● 72
IDEAL STANDARD
I-DRAIN/DZIGNSTONE/
KSB

Ensemble à travers la transition énergétique

Les installateurs ont un rôle de premier plan à jouer dans presque toutes les étapes à franchir pour rendre les bâtiments plus durables. Plus d'énergies renouvelables, moins de déchets et de gaspillage de ressources, des applications de haute technologie, une gestion des flux de données et des applications intelligentes, etc.

Grâce à tous ces éléments, les installations du futur seront climatiquement neutres et circulaires, décentralisées et organisées de manière intelligente, et technologiquement sophistiquées. La collaboration est essentielle dans cette transition énergétique, tant à petite qu'à grande échelle.

Numérisation et suivi

L'avancée de la numérisation présente le grand avantage de nous permettre de mesurer et de surveiller de plus en plus la production et la consommation d'énergie. Les nouvelles techniques sont intelligentes : le suivi et la gestion peuvent se faire à distance, l'utilisateur, comme l'installateur, est aux commandes et l'installateur dispose de son smartphone/ tablette comme outil dernier cri. Le défi consiste à regrouper et à interpréter tous ces flux d'informations. À terme, les données issues de ce suivi constitueront la base idéale pour fonctionner avec un système de gestion de l'énergie.

Quelles sont les

Install Day est un salon inspirant où vous pouvez découvrir les dernières tendances et évolutions à l’œuvre dans le monde de l'installation. Quelles seront les principales tendances et techniques que l'on y retrouvera ?

L'UE veut une fin plus rapide des gaz fluorés

Le basculement vers des fluides frigorigènes à faible PRP bat son plein pour lutter contre le réchauffement de la planète. Les réfrigérants naturels, tels que le propane et l'ammoniac, sont les principales alternatives.

La Commission européenne a présenté le 6 avril 2022 sa proposition tant attendue visant à renforcer la réglementation européenne sur les gaz fluorés. Cette proposition comprend notamment les éléments suivants :

● Une élimination progressive plus rapide des quantités de HFC pouvant encore être mises sur le marché ;

● De nouvelles interdictions de mise sur le marché de produits et d'équipements contenant des gaz fluorés ;

● Un élargissement de l'obligation d'agrément et des programmes de formation pour les techniciens frigoristes qui travaillent avec des systèmes de réfrigération respectueux du climat ;

INSTALL DAY
52 HEAT+ • 09 2022

Innovations pour les panneaux photovoltaïques

Les panneaux solaires deviennent plus intelligents, plus performants et plus beaux. La diversité a énormément augmenté. Ils existent désormais sous toutes les formes (flexibles, transparents, flottants, etc.) et ont de nombreuses nouvelles fonctionnalités, ce qui permet de les utiliser dans davantage d'endroits.

Pompes à chaleur : une croissance accélérée

Dans le cadre de son initiative REPowerEU, l'Union européenne souhaite l'installation de quelque 30 millions de nouvelles pompes à chaleur d'ici 2030. En parallèle, avec la montée en flèche des prix du gaz, de nombreux consommateurs envisagent d'autres moyens de chauffer leur maison. L'une des options les plus populaires est la pompe à chaleur. Plus précisément, c'est la variante hybride qui gagne en popularité. La pompe à chaleur hybride complète la chaudière de chauffage central et est généralement moins chère que les pompes à chaleur qui remplacent complètement la chaudière de chauffage central. Les pompes à chaleur hybrides prennent également moins de place que les autres pompes à chaleur, même si la chaudière de chauffage central reste présente.

tendances du salon ?

Un climat intérieur sain

Avec la pandémie du coronavirus, certaines thématiques telles que le climat intérieur et la qualité de l'air sont devenues des sujets d'une actualité brûlante. La ventilation des bâtiments scolaires reçoit aujourd'hui l'attention qu'elle mérite depuis longtemps. Pour les habitations, la tendance principale est la ventilation contrôlée par la demande. Point important, la ventilation n'est plus une partie séparée d'un bâtiment : elle fait partie intégrante de la technologie du bâtiment, qui chauffe, refroidit et remplace l'air. A côté de cela, température, CO2 et humidité peuvent être mesurés très simplement. Ces données peuvent être collectées et interprétées pour chaque pièce.

Choyer l'expert installateur

Ces dernières années, trouver et garder du personnel demande de plus en plus d'efforts aux employeurs. Qu'il s'agisse de plombiers, d'électriciens, de techniciens en réfrigération, etc., le secteur de l'installation est confronté à une pénurie de main-d'œuvre inquiétante. Cette pénurie d'installateurs ralentira le rythme auquel les maisons et autres bâtiments sont rendus plus durables. Les installateurs possèdent également des connaissances et des compétences spécifiques nécessaires à l'installation de pompes à chaleur, de panneaux solaires et d'autres installations à haut rendement énergétique.

HEAT+ • 09 | 2022 53

Techlink soutient le concours du meilleur élève chauffagiste

Le Concours du Meilleur Elève Chauffagiste de Wallonie s’est tenu à l’ITN (Institut Technique de Namur) le 11 mai 2022. Pour la 4ème année consécutive, les binômes composés d’un élève de 5ème et d’un de 6ème se sont affrontés dans une compétition de haut niveau consistant à effectuer une épreuve technique sur base d’un schéma. Techlink était sponsor de cet événement.

qualifiée, il est primordial de maintenir l’accent sur la formation des apprenants et sur les actions de valorisation de ce métier régulièrement cité comme étant en pénurie. Les Instances Bassins Enseignement Formation Emploi du Luxembourg et de Namur ont donc répondu à l’appel des associations de chauffagistes et mis en place en 2018 une première édition du concours du meilleur chauffagiste. Après trois éditions à Ciney, Couvin et Bastogne, le 4ème concours a donc eu lieu à l’ITN avec le soutien de Techlink, Constructiv, la CCW, le Forem et Ridgid.

Les huit écoles participantes étaient les athénées de BastogneHouffalize, Jean Rey à Couvin, Jourdan de Fleurus et de Waimes, ainsi que l’ICET de Mouscron, Saint­Joseph de Ciney, l’ITN et l’Institut Technique Saint­Luc à Mons.

l'afflux dans notre secteur attractif », affirme notre Directeur général, Kris Van Dingenen.

Benoît Tasiaux, Président de de la section namuroise de Techlink, a exprimé un certain nombre de réserves justifiées dans L'Avenir : « Comme nous faisons face à une pénurie de main d’œuvre criante dans notre secteur de l’installation, nous avons pensé que créer une émulation

Devant la difficulté croissante de recruter du personnel compétent, les associations de chauffagistes des provinces du Luxembourg et de Namur ont souhaité organiser un concours du meilleur élève chauffagiste, de manière à valoriser ce métier et la filière scolaire, montrer le niveau de compétences, motiver élèves et professeurs mais aussi créer une émulation.

En effet, afin de répondre aux évolutions environnementales ainsi qu’au besoin croissant de main d’œuvre

« Le métier de chauffagiste est en pénurie et c'est même l'un des métiers les plus recherchés dans le secteur de la construction, au même titre qu'électricien », explique Rudo Bonni, Account Manager Wallonie­Bruxelles de Techlink. « Il est dès lors de notre responsabilité en tant que fédération de soutenir toutes les initiatives qui permettent de stimuler l'envie des jeunes de se lancer dans une carrière au sein du secteur de l'installation. »

« Ce concours inter­écoles reflète ce que Techlink peut et veut réaliser pour le secteur. Nous espérons que des initiatives comme ce concours inter­écoles contribueront à accroître

EVÉNEMENT 54 HEAT+ • 09 2022

▶ Le concours s'adressait aux jeunes de 5ème et 6ème secondaires professionnelles en monteur sanitaire et chauffage de 8 écoles de Wallonie.

▶ Les élèves devaient effectuer une miniinstallation composée d'un chauffage par le sol et d'un radiateur porteserviettes en une pièce.

▶ Bravo à Robin Leukemans et Yaël Mathy qui ont remporté le concours.

Volonté, persévérance et polyvalence : les qualités d’un bon chauffagiste.

Le métier de chauffagiste est exigeant et, de ce fait, n’attire pas suffisamment de candidats.

HEAT+ • 09 | 2022 55

entre différentes écoles wallonnes pourrait amener les élèves à se surpasser. Le but est de donner envie aux jeunes de s’orienter vers des carrières techniques, de leur montrer toute la diversité de ce beau métier… Dans les métiers de la construction, c’est celui de chauffagiste qui est le plus technique et le plus complexe. Alors qu’il y a une trentaine d’années, ce métier ne nécessitait que de la dextérité au niveau soudure et façonnage des tuyaux… A cela ce sont ajoutés aujourd’hui des compétences techniques en régulation, électricité, électronique, mécanique, domotique, hydraulique… ainsi que des aptitudes liées à la précision, la gestion du temps ou encore le respect du plan. Bref un métier où il est nécessaire de se former et se recycler en continu. »

Un candidat a un jour demandé à Benoît Tasiaux ce qu’il devait faire pour se faire engager. Celui­ci lui a répondu : « Si tu es avide d’apprendre, si tu n’as pas peur de te surpasser intellectuellement et physiquement, si tu veux apprendre toute ta vie, tu trouveras ton bonheur dans ce beau métier de chauffagiste ! ». Le jeune l’a fait, il a trouvé son bonheur et a effectué toute sa carrière au sein de l’entreprise.

Un challenge pour donner une image positive de ce métier en pénurie.

Une belle occasion de valoriser le métier de chauffagiste, un métier "FABULEUX ET BIEN PAYÉ" aux dires d'un des participants !

EVÉNEMENT 56 HEAT+ • 09 | 2022
« Ces concours sont un bon moyen de mettre en avant le savoir-faire de nos jeunes. »
The right solution for your water L'adoucisseur d'eau compact et performant www.valeco.be HomeGUARD  Filtre automatique intégré  Minimum de consommation  Maximum de capacité  Résines à haut rendement  Bypass compris  Extension de garantie possible  Mise en service gratuite Découvrez aussi les adoucisseurs ProSeries 1, 2 et Care avec Smart Touch Controller NOUVEAU info@valeco.be | Tél.: +32(0)68.57.20.71 CHEMINÉES • SCHOORSTENEN 39, rue Trixhay - 4020 WANDRE • Tel. 04 362 65 34 www.colli-net.com • info@colli-net.com La Solution qui s’impose … • Réduit la pollution • Supprime la condensation • Économise le combustible

Dewulf Techniek mise sur les techniques durables et les innovations numériques

Dewulf Techniek est membre de Techlink depuis 2014. En tant qu'installateur HVAC/S et Cerga, le gérant Harry Dewulf de Bredene (Flandre occidentale) a toujours été très intéressé par les nouvelles techniques. Il est aussi fermement convaincu que les énergies renouvelables sont l'avenir. Mais la complexité accrue de ces techniques ne rend pas Harry indulgent visà-vis de la numérisation, bien au contraire.

Le secteur de l'installation évolue à un rythme accéléré. En votre qualité d'installateur, vous occupez la pole position dans l'ambitieuse transition énergétique. Votre rôle change rapidement : simple maillon dans la chaîne de sous­traitance, vous gagnez le centre du jeu. Vous prodiguez des conseils, installez les systèmes dernier cri, gérez la maintenance, etc. Bref, c'est vous qui changez la donne dans la transition vers des bâtiments et des maisons neutres en CO2

Mais comment s'assurer que vous êtes toujours à la pointe dans ce secteur de l'installation où la tech­

nologie d'aujourd'hui sera obsolète dès demain ? En vous engageant activement dans votre branche et en veillant à vous perfectionner. Harry est un installateur qui a sa propre manière de voir les choses, ce qui ne laisse évidemment pas le rédacteur indifférent !

Numérisation

Harry a été l'un des premiers à appliquer le contrôle à distance des chaufferies. « C'était en 2004, à une époque il n'était pas encore question d'applications ou de smartphones » (rires). La numérisation de notre secteur opère à divers niveaux :

1les installations en tant que telles : de plus en plus, les installations peuvent être contrôlées à distances et les fabricants misent là­dessus à fond, notamment avec des applis destinées à l'utilisateur. L'installateur d'aujourd'hui est de plus en plus un expert de l'informatique.

2la gestion d'entreprise : un paquet logiciel de qualité est indispensable ! Devis et factures en Excel ou en Word sont exclus. Ce n'est pas une façon de gérer son administration car il n'y a pas de flux de travail.

Plus nous numériserons, mieux nous sommes préparés pour l'avenir ».

La numérisation se poursuit à la vitesse de l'éclair et le monde de l'installation n’y coupera pas : désormais, les documents papier pour

l'ouverture du compteur de gaz naturel sont numérisés. Gas.be a développé la plateforme Elgacert (https://elgacert.be), conçue en tenant compte du travail de l'installateur. Pour prévenir d'éventuelles maladies d'enfance, il a été décidé de composer un panel test – dont Harry a fait partie. Harry Dewulf était déjà connu chez Gas.be (via Cerga) parce qu'il aime la théorie (fiches techniques, etc.) et, si nécessaire, poser des questions avec un esprit critique. « Je ne peux que recommander Elgacert car la plateforme est très conviviale. Il est aussi important que Gas. be travaille main dans la main avec l'installateur pour trouver des solutions à d'éventuels problèmes. »

Transition énergétique : l'habitation comme projet-témoin

En 2018, Harry a décidé de donner lui­même le bon exemple avec sa

PLEINS FEUX SUR UN MEMBRE 58 HEAT+ • 09 2022
« La numérisation ! Non seulement "à l'intérieur", mais aussi "à l'extérieur", sur le chantier, dans le but/ et avec pour résultat de travailler plus efficacement (ensemble). »
HARRY DEWULF

Cerga, qu'est-ce que c'est ?

Cerga est un label de qualité pour les installateurs gaz (gaz naturel et gaz propane). Il est synonyme de qualité, de sécurité et d'expertise. Il apporte la preuve que vous connaissez les dernières réglementations et normes en vigueur. En tant qu'installateur Cerga, vous avez suivi une formation spécifique et avez prouvé dans la pratique que vos installations sont conformes aux réglementations et normes les plus récentes. Chaque année, un organisme de contrôle indépendant vérifie certaines de vos installations. Votre client sait ainsi qu'il pourra profiter en toute sécurité du confort que procure le gaz.

Harry souligne la responsabilité de Cerga, une organisation qui fournit des informations actualisées et correctes aux installateurs gaz. Comme lui, Cerga est convaincue

nouvelle construction, dont le niveau E est négatif (E= ­8). Les clients qui ont des questions sur la transition énergétique et les nouvelles technologies connexes obtiennent ainsi des réponses provenant de la pratique

que les formations sont le meilleur moyen pour rester à jour. Plus que jamais, le professionnel doit avoir du flair pour les innovations prometteuses. « Aujourd'hui, savoir ne signifie pas tout connaître par cœur, mais savoir où trouver les bonnes informations, et Cerga et Techlink jouent un rôle important à cet égard », déclare Harry.

quotidienne. Il est temps de mettre en pratique ces intentions durables ! Sa maison est indépendante du réseau de gaz. Tout est alimenté par l'électricité et la « récolte » des panneaux photovoltaïques peut couvrir

la consommation annuelle. Pour des raisons de rendement, Harry a opté pour une pompe à chaleur géothermique. En termes de techniques d'installation, son habitation est aussi équipée d'une ventilation

HEAT+ • 09 | 2022 59
Plus d'infos ? Surfez sur www.cerga.be

↑ Ce projet comprend la rénovation d'une chaufferie pour 18 appartements avec un appareil de chauffage Viessmann Vitocrossal 100 et des compteurs énergétiques Caleffi avec stockage centralisé des données et connexion internet pour la récupération des données de consommation pour le chauffage et l'eau chaude sanitaire.

A propos de Dewulf Techniek:

Harry Dewulf a d'abord gagné ses galons en travaillant pour un patron pendant 20 ans, dont 15 années comme cadre dans le monde de l'installation. En 2013, Harry décide de suivre sa propre voie et fonde sa société d'installation indépendante. Lentement mais sûrement, Dewulf Techniek, petite entreprise unipersonnelle, devient une sprl comptant trois monteurs, trois techniciens, un magasinier et un employés, sans oublier les gérants, Michèle De Decker et Harry Dewulf. Une véritable entreprise familiale, donc. « En un certain sens, c'est un choix que nous avons fait consciemment. Mon fils aîné a commencé à travailler pour moi. Après un certain temps, ma femme a commencé à s'occuper de l'administration. Ensuite, c'est mon plus jeune fils qui a rejoint l'entreprise », raconte Harry. Dewulf Techniek se consacre à presque tout ce qui concerne le chauffage, les énergies renouvelables et la plomberie (entretien, rénovations et nouvelles installations).

← Installation d'une pompe à chaleur soleau de Vaillant dans un logement neuf, y compris chauffage par rayonnement du sol avec refroidissement passif pendant l'été. Vaillant utilise une technologie éprouvée et propose un package très facile à installer.

avec récupération de la chaleur et d'un chauffe­eau solaire. « Les combustibles fossiles ne disparaîtront pas tout de suite, mais ils finiront par appartenir au passé. Toute personne qui construit une nouvelle maison ou se lance dans une rénova­

tion approfondie se doit d'y réfléchir sérieusement. Sauf que le seuil financier est encore souvent trop élevé, ce qui explique pourquoi la grande majorité se chauffe encore avec une chaudière à condensation », explique Harry.

« Mes clients savent qu'ils peuvent compter sur nous et c'est la meilleure des publicités ». C'est ce même souci du service qui l'a poussé à obtenir la certification RESCERT pour les pompes à chaleur, afin de pouvoir garantir la qualité aux clients. Pour un installateur qui souhaite fournir un service, comme Dewulf Techniek, il est important de construire une relation à long terme avec les clients, ce qui signifie leur assurer le confort. « Cela dit, les fabricants doivent également partager notre vision et il est important que nous puissions compter sur leur soutien ».

PLEINS FEUX SUR UN MEMBRE 60 HEAT+ • 09 | 2022

Tom sera toujours Tom. Soyez vous-même dans un autre rôle.

Vous avez la technique dans le sang, mais il est temps que votre carrière prenne un autre tournant. Vous êtes à même de détecter, analyser et réparer des erreurs car vous réfléchissez en solutions.

Envie de partager vos connaissances et votre expérience ? Dans ce cas, vous êtes le 2nd Line Technical Helpdesk Agent que nous cherchons !

Consultez l’offre d’emploi sur www.boschclimatejobs.be

Dès à présent, vous trouvez toutes pièces de rechange pour chaudières murales gaz des marques les plus connues chez votre fournisseur habituel: SOVAC. Fini les déplacements inutiles. Tout à la même adresse !

SOVAC, le choix le plus vaste en pièces de rechange et outillage pour installateurs et dépanneurs en chauffage.

w w w . f e r nox-fr.b e Fernox Hoge Mauw, 1050 BE-2370 Arendonk Tel: 014 44 50 01 Email: belgium@fernox.com Protector F1 Fernox Concentration OK Ajoutez du Protector F1 Fernox Résultats Test Traitement de l’eau de chauffage central Mesurer – Savoir – Agir! Tampon pH – inhibiteur de corrosion – stabilisation calcaire
Tirez la bonne carte ! Chez SOVAC vous êtes toujours gagnant. SOVAC   V. Marchandstraat 17, 3090 Overijse Tél. : 02/672 20 62 | Fax : 02/673 93 92 E-mail: info@sovac.be | www.sovac.be

Mesures pour assurer une bonne qualité de l'eau

Nous ne le répéterons jamais assez : il est crucial de veiller à une bonne qualité de l'eau dans les systèmes de chauffage central. Comme indiqué à de multiples reprises dans les articles précédents, la bonne qualité de l'eau du système n'est pas une fin en soi, mais la conséquence d'une approche systémique correcte. Il faut donc considérer l'installation dans son ensemble et pas seulement l'eau. Dans quelle mesure est-ce difficile ? Si nous faisons la comparaison avec le corps humain, il ne suffit pas d'avoir de bonnes valeurs sanguines ou un test d'urine satisfaisant. L'idée est de vivre longtemps et de rester en bonne santé !

La question clé, généralement posée à la fin, tombe ici dès le départ : l'installation fonctionne­t­elle avec de l' « eau morte » ? (voir édition Heat+ de février) et toutes les mesures mentionnées précédemment concernant le maintien correct de la pression, etc.

ont­elles été correctement respectées ? (voir édition Heat+ de mai). Si ce n'est pas le cas, relisez les articles précédents car c'est là que réside le nœud de l'histoire !

Si vous y avez veillé, alors nous pouvons continuer. Car il y a des excep­

tions et, même avec de l'eau morte et un maintien correct de la pression, certaines choses peuvent mal tourner. C'est ici que les lignes directrices du CSTC (NIT 278) peuvent éclaircir la situation.

De l'eau de remplissage à l'eau du système

Les propriétés de l'eau du système s'équilibrent après l'écoulement d'une « période de rodage ». Après environ 8 à 12 semaines, il n'y a plus de changements importants, la plupart des processus (naturels) de changement étant terminés dans ce laps de temps. L'eau de remplissage est devenue l'eau du système : la dureté a diminué, ce qui aura aussi diminué la conductivité et le pH aura probablement augmenté quelque peu en raison de l'auto­alcalinisation, un processus naturel. La formation éventuelle (minime) de boues sous l'influence de la petite

NIT 278 ADDENDUM 3 HEAT+ • 09 2022 63
Échantillon d'eau du système pour l'évaluation du pH et de la couleur (© BWT Wassertechnik GmbH)

quantité d'oxygène qui accompagnait l'eau de remplissage et de l'oxygène de l'air résiduel qu'il était difficile voire impossible de purger a cessé, et le peu de boues qui s'est formé s'est déposé dans des zones calmes et de faible débit, où elle ne dérange personne. Si ce n'est pas le cas, la surveillance de la corrosion le signale déjà et nous avons affaire à un faux départ, par exemple parce que l'on a oublié de régler correctement la pression initiale du vase d'expansion, ou parce que le manomètre indique des valeurs erronées, à moins qu'il y a ait une autre raison à l'origine de ce mauvais départ. La NIT 278 souligne que le contrôle permettra d'identifier ces erreurs systémiques à un stade précoce afin d'éviter le pire. En résumé, si la dureté a été éliminée de l'eau de remplissage (adoucissement

ou déminéralisation) et qu'il n'y a pas de pénétration indésirable d'oxygène, on obtient de l’« eau morte » et tout ira bien. Il suffit de monitorer la corrosion, comme le fait un détecteur de fumées.

Heureusement, tout fonctionne comme il se doit dans la plupart des cas. Quand faut­il corriger la qualité de l'eau ? Cela dépend des circonstances : dans tous les cas, la NIT 278 indique qu'un contrôle minimum de l'eau du système doit être effectué après 8 à 12 semaines par prélèvement d'un échantillon d'eau, qu'il faut laisser reposer pendant cinq minutes avant de l'examiner :

● valeur du pH :

● Lo Si cette valeur se situe entre 8,2 et 10, tout va bien, A

MOINS que de l'aluminium soit en contact avec l'eau du système, auquel cas le pH ne doit pas dépasser 8,2 – ou 9 dans certains cas (selon le type d'alliage d'aluminium, le fabricant l'indique dans ses exigences en matière de qualité de l'eau). Une correction du pH doit parfois être effectuée avec des produits chimiques approuvés par le fabricant du générateur de chaleur.

● Si le pH est inférieur à 8,2, il est possible qu'il y ait de la corrosion..

● Apparence :

● Si l'eau est claire, incolore et sans boues, tout est OK.

● Une couleur jaunâtre indique une corrosion

NIT 278 ADDENDUM 3 64 HEAT+ • 09 2022
Mesure du pH avec des bandes test et/ou un pH-mètre (© Aqualisys)

Une analyse de la concentration en fer (plus de 0,5 mg/l) peut démontrer la présence de corrosion. Plus le pH est bas, plus il y a de chances que quelque chose cloche. Dans tous les cas, il faut identifier la cause de la corrosion et y remédier (souvent un apport d'oxygène, généralement causé par un manque de maintien de la pression, comme expliqué dans les articles précédents), à moins que cela ne soit impossible et que l'on doive recourir à un traitement chimique anticorrosion.

Traitement chimique de l'eau

L'avis technique le formule en toutes lettres : « Dans la grande majorité des cas, il n'est pas nécessaire d'ajouter des produits chimiques à

l'eau de remplissage, l’eau d’appoint ou l’eau du système d’une installation de chauffage fermé ». En outre, ces traitements de l'eau doivent être effectués par des personnes compétentes, car un traitement approprié requiert des connaissances très spécifiques. La coopération avec une entreprise spécialisée est absolument nécessaire ! Il faut veiller à ce que le produit chimique soit mélangé correctement avec l'eau du système dans l'ensemble de l'installation, ce qui nécessite un dispositif de mélange approprié. L'injection de la totalité de la quantité de produit chimique dans l'eau sans mélange préalable n'est donc pas recommandée.

Nous citons le texte : « L’injection d’une quantité forfaitaire d’un produit “universel” (de type “tout en un”, p.ex.)

contenu dans une cartouche ou un bidon standard ne répond évidemment pas aux critères mentionnés ci­avant ».

Certains installateurs seront peutêtre surpris, mais la note d’information technique ne laisse planer aucun doute sur le fait que la corrosion doit être combattue en remédiant à la cause (dans la plupart des cas, l'apport d'oxygène) et que l'utilisation de produits chimiques contre la corrosion ne doit être envisagée que dans les installations où la pénétration d'oxygène est inévitable. Après tout, n’est­ce pas le bon sens ?

Dans le prochain (et dernier) commentaire sur la NIT 278, nous aborderons la question du remplacement des chaudières et du traitement des installations existantes.

HEAT+ • 09 | 2022 65
L'injection d'une cartouche n'est pas conforme aux lignes directrices de la NIT 278 du CSTC

Le Trias Energetica et la transition énergétique

L’actualité n’est pas avare d’événements aujourd’hui au niveau de l'énergie et du développement durable dans l'environnement bâti. Dans le secteur de l'installation, la transition énergétique mobilise toute l'attention. A juste titre car le problème est urgent, les ambitions sont grandes et des solutions pratiques existent déjà. La transition énergétique est une histoire où les couches s’additionnent les unes aux autres, étant donné que l'objectif est arrêté avec précision mais que le chemin technologique ne l'est pas. Aucune bonne raison d’ignorer pour autant certains principes fondamentaux comme le « Trias Energetica » !

LES PRINCIPES DU TRIAS ENERGETICA

En réduisant notre demande en énergie et en produisant l'énergie dont nous avons besoin de façon durable, à partir de sources d'énergie renouvelables, la demande d'énergie fossile est continuellement réduite. Nous nous efforçons ensuite de faire une utilisation aussi efficace que possible de l'énergie fossile restante. L'objectif final est d'obtenir des bâtiments durablement neutres sur le plan énergétique.

La méthodologie d'une politique énergétique durable est connue sous le nom de « Trias Energetica ». Elle est largement appliquée et fournit un cadre solide lorsqu'il faut faire des compromis relatifs à un approvisionnement énergétique durable.

ÉTAPE2 Utiliserdes sources d’énergie durables ÉTAPE1 limiterla demandeen énergie

Source : WKK-Wegwijzer 2021

ÉTAPE 3

ACTUALITÉS 66 HEAT+ • 09 | 2022
utiliser e cacement les sources d’énergie
BEGETUBE S.A. Kontichsesteenweg 53 - 55 B-2630 Aartselaar t + 32 3 870 71 40 f + 32 3 877 55 75 www.begetube.com Raccord de transition Ivarpress / Cuivre (contour SA/M/V) NOUVEAU Disponible à partir de septembre 2022 Art. Dia 308012018 16/2 x Cu15 308012035 20/2 x Cu15 308044035 20/2 x Cu22 308044056 26/3 x Cu22

Les principes du Trias Energetica

Le Trias Energetica fournit un cadre conceptuel pratique pour parvenir à un renforcement systématique de la durabilité des installations énergétiques, sur la base de trois étapes :

1LIMITER LA DEMANDE EN ÉNERGIE

La réduction de la demande en énergie peut passer par des choix conscients au niveau de la conception du bâtiment. Par exemple avec des fenêtres orientées au sud pour plus de chaleur et de lumière en hiver ou avec une meilleure isolation et une construction plus hermétique à l'air. Beaucoup moins de chaleur s'échappera et le climat intérieur sera mieux préservé. De telles mesures ont un effet positif sur la production centrale d'énergie car il faut fournir moins de chaleur. En outre, quand la demande en énergie est réduite, il est également possible de chauffer avec des températures plus basses, ce qui offre plus de possibilités à l'étape 2 : utiliser des sources d'énergies durables.

Ces choix de construction peuvent toutefois entraîner une demande de refroidissement en été. Cette demande de refroidissement est principalement due à des gains de chaleur internes trop importants, la chaleur étant maintenue à l'intérieur d'une maison par l'isolation, et/ou à l'entrée de la chaleur par de grandes surfaces vitrées. Dans la mesure où les étés belges sont de plus en plus chauds, il faut s'attendre à ce que le refroidissement devienne un besoin fondamental dans les années à venir. Une solution pour se protéger des rayons du soleil en été est d'utiliser un parasol d'extérieur, par exemple. Une ventilation nocturne permet également d'évacuer l'excès de chaleur vers l'extérieur pendant la nuit. La demande d'eau chaude sanitaire (ECS) est peu ou pas affectée par l'amélioration de l'isolation, car les gens continue­

ront à se doucher ou à se laver autant qu'avant.

2UTILISER DES SOURCES D'ÉNERGIE RENOUVELABLES

Dans un deuxième temps, il faut examiner si nous pouvons utiliser des sources d'énergie renouvelables telles que l'énergie solaire et éolienne, la biomasse, la chaleur résiduelle de l'industrie, les pompes à chaleur, etc. pour répondre à la demande en énergie réduite. Notez qu'une source d'énergie renouvelable est généralement plus chère qu'une chaudière au gaz à condensation classique. Cela peut dissuader les gens de franchir le pas vers l'énergie durable. Cela dit, et sur ce plan, le chauffage collectif comme un réseau de chaleur ou une combilus (voir aussi page 70) peut offrir un potentiel considérable. En répondant à la demande en énergie de tout un quartier au moyen d’une source d'énergie durable centrale telle qu'une pompe à chaleur, il est possible de réduire le coût par logement grâce aux économies d'échelle d'une unité de plus grande taille. En outre, la pompe à chaleur aura un meilleur rendement annuel (Seasonal Performance Factor, SPF) en raison d'un fonctionnement plus constant, car la demande de chaleur sera davantage constante que si les pompes à chaleur sont individuelles.

3

UTILISER L'ÉNERGIE FOSSILE RESTANTE AUSSI EFFICACEMENT QUE POSSIBLE

Enfin, la troisième étape met l'accent sur l'utilisation efficace de l'énergie fossile là où elle reste nécessaire. Des procédés efficaces de transformation de l'énergie tels que la cogénération, les pompes à chaleur à absorption de gaz, mais aussi les réseaux de chaleur offrent des opportunités. Une source d'énergie renouvelable avec une chaudière auxiliaire peut être placée dans la chaufferie centrale du réseau de chaleur. La source durable fournit la

puissance de base et la chaudière auxiliaire permet de répondre à la demande de chaleur aux périodes de pointe. S'il n'y a pas de réseau de chaleur, il est possible que la source durable doive être surdimensionnée dans les maisons individuelles afin de satisfaire les crêtes de demande. Cela entraîne une diminution du nombre d'heures de fonctionnement sur une base annuelle et une augmentation du nombre d'allumages et d'extinctions de la source durable, ce qui se traduit par une augmentation des pertes au démarrage.

En conclusion

Les sources d'énergie renouvelables telles que le vent, le soleil, l'énergie hydraulique, les marées, la géothermie, la biomasse, les biocarburants, les gaz et les carburants synthétiques (indirects) remplacent de plus en plus les combustibles fossiles. Nos émissions de gaz à effet de serre en sont diminuées d'autant. Un autre avantage de cette transition est que nous devenons moins dépendants des marchés pétroliers et gaziers inconstants et tributaires de la géopolitique.

Le Trias Energetica constitue la pierre angulaire d'une approche structurelle en cette matière. Nous réduisons notre consommation totale d'énergie, investissons dans des sources d'énergie durables et utilisons les combustibles fossiles dont nous avons encore besoin aussi judicieusement que possible. Grâce à cette stratégie, nous pouvons traverser cette période critique jusqu'à ce que notre approvisionnement énergétique soit totalement durable.

Sources : LINK2030 (www.link2030.be)

Travail de fin d’études « Lage temperatuur combilus met boosterwarmtepompen: een conceptstudie » (2019-2020) van Stef Jacobs, Universiteit Antwerpen.

ACTUALITÉS 68 HEAT+ • 09 | 2022

SYSTEME FLEXIBLE D’EVACUATION DES GAZ DE COMBUSTION

• DOUBLE PAROI • FACILE A INSTALLER

• SYSTEME DE VEROUILLAGE ASTUCIEUX ET RAPIDE

Idéal pour tous vos projets

nouvelles constructions et rénovation

Quelque soit votre projet, M&G Group est votre partenaire pour toujours vous offrir la meilleure solution technique. Nos flexibles d’évacuation des gaz de combustion en PP sont agréables et faciles à installer grâce au système rapide et astucieux de verrouillage des raccords.

Vous réalisez des économies de temps grâce à la simplicité du système, qui est résistant, étanche, flexible, sûr et inaltérable dans le temps.

Nous vous aidons bien volontiers: 016 76 80 00

FLEX
INNOVATIVE PARTNER
burgerhout.com

Comment contrôler correctement un combilus avec solaire thermique ?

Un combilus est un système de chauffage collectif dans un immeuble à appartements, mais équipé d'une seule conduite d’arrivée et d’une seule conduite de retour. La chaleur destinée à la fois au chauffage des locaux et à l'eau chaude sanitaire (ECS) est donc distribuée via la même conduite. Il existe de nombreuses possibilités en ce qui concerne la conception du système de chauffage central dans un combilus. Ci-dessous, nous examinons de plus près un système combilus avec production de chaleur hybride : chaudières à gaz et solaire thermique.

Heat+ a consulté Senne Van Minnebruggen , chercheur en HVAC à l'université d'Anvers. Dans le cadre du projet TETRA « réseaux de chaleur de qualité », celui­ci a pris part à une étude concrète qui nous aidera à contrôler correctement un combilus avec solaire thermique. Nous lui avons donc posé quelques questions plus précises.

La figure 1 illustre le cas mesuré. Il s'agit d'un immeuble à appartements de 30 unités d'habitation et d’un système de fourniture de chaleur selon le principe du combilus avec chaudières satellites. La production de chaleur centrale est une installation hybride composée de capteurs solaires à tubes sous vide (deux champs de capteurs,

12 et 8 unités, pour une surface nette totale de 90 m²) et de chaudières gaz à condensation (3 x 110 kW). Les chaudières et l'installation solaire thermique sont raccordées à trois réservoirs tampons de 1 500 litres chacun.

Dans ce projet de recherche, l'accent a été placé sur l'influence de la configuration et du contrôle de l'hydronique sur la performance énergétique de l'installation hybride. Qu'estce qui est si important dans la configuration hydronique ?

Afin de répondre au mieux à la demande de chaleur avec le producteur de chaleur le plus durable (dans ce cas les capteurs solaires), outre un dimensionnement adéquat, la façon

QUESTIONS-RÉPONSES 70 HEAT+ • 09 | 2022
Figure 1: Représentation schématique du système de chauffage central et du dispositif de mesure Capteur de température Champ de capteurs 1 12 capteurs à tubes sous vide Champ de capteurs 2 8 capteurs à tubes sous vide
3x
+/- 110 kW Chaudière à condensation Capteur de température Débitmètre à ultrason

dont ces différents composants sont raccordés par des conduites, des vannes et des pompes est également importante (c'est­à­dire la configuration hydronique). Dans l'étude de cas considérée, le degré de couverture des capteurs solaires était de ± 20 % alors que nous nous attendons, pendant la campagne de mesure (de mai à juillet), à un niveau potentiellement deux fois plus élevé. Cela en raison d'une configuration et d'un contrôle hydroniques sub­optimaux.

A quoi faut-il faire attention en matière de configuration hydronique ?

L'installation solaire thermique hybride est typiquement composée de capteurs solaires, de réservoirs tampons et de chaudières à gaz. Les réservoirs tampons servent principalement à stocker la chaleur produite par les capteurs solaires pour une utilisation ultérieure. Les chaudières à gaz viennent en soutien quand l'installation solaire thermique ne peut fournir suffisamment de chaleur ou la température souhaitée. C'est pourquoi il faut raccorder les chaudières à gaz directement à la conduite d’arrivée qui part des réservoirs tampons ou du sommet du premier réservoir tampon, comme indiqué sur le schéma. Les chaudières font ensuite en sorte que l'eau de la partie supérieure du tampon soit en tout temps à la température souhaitée. Pour raccorder les capteurs solaires aux réservoirs tampons, il est préférable de placer la conduite d'alimentation juste en dessous du raccordement des chaudières et la conduite retour tout à fait en bas du dernier réservoir tampon. De cette façon, c'est toujours l'eau dont la température est la plus basse qui circule vers les capteurs solaires, ce qui améliore leur efficacité. Le caractère adéquat du raccordement des différents producteurs de chaleur est essentiel, mais le raccordement des conduites du combilus l'est tout autant. La conduite d'arrivée part

évidemment depuis le haut du premier réservoir tampon. La conduite retour est raccordée sous le dernier réservoir tampon. Étant donné qu'un combilus peut parfois avoir des températures différentes (certainement lorsqu'il fonctionne avec des chaudières satellites et un chauffage par le sol), une vanne de commutation (la vanne à trois voies dans le retour) est parfois placée dans la conduite retour pour diviser le retour en deux raccordements vers le réservoir tampon.

Pourquoi cette vanne de commutation est-elle installée et où raccorder le deuxième raccordement aux réservoirs tampons ?

Pour obtenir un rendement élevé des capteurs solaires, il faut une température de retour la plus basse possible. Quand la température de retour du combilus est plus élevée que la température dans le dernier réservoir tampon, il peut être intéressant de contourner ce dernier via la vanne de commutation (la vanne à 3 voies). Dans ce cas, il est préférable de rediriger le retour vers le réservoir tampon du milieu. Comme on peut le voir sur la figure, dans le cas analysé, le choix a été fait de connecter le deuxième raccordement de retour au milieu du premier réservoir tampon. Ce raccordement n'est pas idéal. En dehors de la saison de chauffe, il n'y a généralement qu'une demande de préparation d'ECS. Lors du chargement des chaudières satellites (préparation de l'ECS), la température de retour sera relativement élevée et donc déviée vers le premier réservoir tampon. Cela va principalement soustraire de la chaleur de la partie supérieure du premier réservoir tampon. Ce volume étant maintenu à température par les chaudières, la chaleur nécessaire sera principalement fournie par les chaudières. La « chaleur solaire » éventuellement stockée dans les deux autres réservoirs tampons restera donc inutilisée. De ce point de vue, il est préférable de connecter le

deuxième raccordement au réservoir tampon du milieu afin que la chaleur solaire stockée soit effectivement utilisée.

Comment se fait le contrôle et quels points d'attention sont importants ?

En plus d'une configuration hydronique correcte, il faut aussi un contrôle correct pour répondre à la plus grande partie possible de la demande de chaleur au moyen du solaire thermique. Les capteurs de température nécessaires doivent être présents pour contrôler les différents producteurs de chaleur. Les chaudières sont contrôlées via un capteur de température au sommet du premier réservoir tampon. Il est préférable de ne pas contrôler les capteurs solaires avec le même capteur de température. Dans ce cas, les capteurs solaires ne fourniront de la chaleur que lorsque la température dans les capteurs solaires sera supérieure au point de consigne auquel les chaudières maintiennent la chaleur dans la partie supérieure du réservoir tampon. Il est donc préférable de contrôler les capteurs solaires sur la base d'un capteur de température situé sous le premier réservoir tampon ou au­dessus du réservoir tampon du milieu. De cette façon, les capteurs solaires peuvent déjà préchauffer l'eau à des températures inférieures au point de consigne des chaudières, ce qui augmentera leur taux de couverture. En outre, il vaut mieux contrôler la vanne de commutation dans le retour du combilus sur la base d'un capteur de température situé dans le dernier réservoir tampon. Enfin, il est également important de garder à l'esprit qu'avec une installation solaire thermique, la température de l'eau peut devenir très élevée. Afin d'éviter tout dommage aux personnes et aux composants, il est conseillé de placer une vanne à trois voies dans la conduite d'arrivée du combilus de manière à pouvoir régler la température d'arriver sur une température maximale sûre.

QUESTIONS-RÉPONSES 72 HEAT+ • 09 | 2022

Il est temps d'associer énergies fossiles et renouvelables.

Pour des installations aisées. Systèmes de chauffage hybrides Buderus.

Les systèmes de chauffage hybrides de Buderus combinent le meilleur des deux mondes. Alliant énergies fossiles - chaudières mazout ou gaz - et énergies renouvelables - pompe à chaleur air/eau bivalente - ces solutions plug & play sont simples à installer et idéales pour les rénovations. Elles permettent de réduire fortement les émissions de CO2 et de réaliser jusqu'à 60% d'économies sur la facture gaz ou mazout de vos clients. En tant qu'expert en systèmes de chauffage, Buderus vous aide afin que vous puissez installer ces systèmes hybrides. Pour en savoir plus www.pac.buderus.be

*
Cette illustration n'est pas représentative d'un système réel. L'unité intérieure de la pompe à chaleur doit être ajoutée afin de compléter un système hybride.

La numérisation poursuit sa progression dans chaque secteur, aussi dans la construction. VMA, membre Techlink, a vite compris que le train de la digitalisation était en marche. Forte de son expérience dans d’autres secteurs, elle a développé un concept global ‘intelligent’ de techniques du bâtiment. L’entreprise ne peut dès lors plus être cataloguée comme un ‘simple’ installateur : désormais, elle offre également ses propres solutions, qui s’articulent autour d’une consommation d’énergie optimale et d’un système d’entretien intelligent. Une évolution dont les fruits sont récoltés non seulement par les clients de la société, mais également par VMA lorsqu’elle opère avec la casquette d’entreprise de maintenance.

VMA est une entreprise active dans la gamme complète des installations et des technologies multitechniques. Elle se concentre sur quatre domaines : les technologies du bâtiment, les infrastructures, l’automobile et les technologies de transformation & fa­

brication. « Il est logique que ces différents départements s’échangent des informations », débute Pascal Kinoo, responsable commercial de VMANAGER. « Ces interactions débouchent toujours sur des idées qui permettent à VMA de faire la différence, surtout à une époque où technologies et bâ­

timents sont de plus en plus indissociables. Nous sommes conscients depuis plusieurs années déjà que l’avenir appartient aux immeubles intelligents et que nous avons une grande plus­value à apporter dans ce domaine en tant qu’entreprise. C’est la raison pour laquelle nous avons commencé à réfléchir, en 2010, à comment nous pourrions traduire le concept Industrie 4.0 dans l’univers du bâtiment. Nous sommes partis de notre expertise en matière d’automatisation industrielle et nous avons développé une solution complète pour les installations techniques du bâtiment. Celle­ci comprend non seulement l’élaboration, l’implémentation et la maintenance d’installations électriques et HVAC, mais aussi leur intégration, leur automatisation et leur commande via un système de ges­

PLEINS FEUX SUR UN MEMBRE 74 HEAT+ • 08 | 2022
D’installateur à fournisseur de solutions complètes

Votre partenaire pour une eau parfaitement saine pour toute la maison

T R AITEMENT DEL’EAUDECHAUFFAGE
ADOUCISSEMENTDE
bwt.com BWT Belgium BWT Belgium NV SA BWT Scannez ce code QR et découvrez toutes les solutions BWT
FILTRATIONDEL’EAU DE PLUIE NEUTRALISATION CALCAIRE
L’EAU

tion du bâtiment. Parmi les spécificités importantes d’Industrie 4.0, nous avons adopté la standardisation, l’ouverture et la flexibilité. Pas étonnant, dès lors, que l’utilisation d’un PLC industriel – un contrôleur logique programmable – soit au centre de la solution que nous avons créée. Ce dispositif est en quelque sorte le cerveau du bâtiment. Nous créons ainsi une ‘open source story’ dont d’autres parties peuvent également écrire un chapitre. Pour le client, l’avantage est double : il peut implémenter les différents modules étape par étape et n’est plus contraint de travailler avec un partenaire unique. »

Une solution intelligente complète

VMA travaille depuis plusieurs années à une gamme complète de solutions afin de réaliser des bâtiments durables et confortables et d’optimiser leur consommation d’énergie. Le résultat de ces années de travail tient en un nom : VMANAGER. Il s’agit avant tout d’un système global de gestion du bâtiment et d’un hub de données qui peut être relié à de nouveaux services (BOS, ou Building Operating System). Avec ce volet – baptisé ‘VMANAGER Connect’ –, VMA entend décloisonner les différentes technologies du bâtiment. « Beaucoup de systèmes

que l’on retrouve dans les bâtiments constituent une source de données d’une richesse incroyable », souligne Pascal Kinoo. « La centralisation de toutes ces données peut aboutir à un grand nombre d’aperçus nouveaux, notamment en matière de commande et d’harmonisation de la consommation, de la production et du stockage de l’énergie. VMA est à la source à tous les niveaux, de la commande des machines au système de gestion du bâtiment. Nous pouvons apporter énormément de valeur ajoutée à nos clients en reliant des systèmes et

en en optimisant les réglages. L’outil ‘VMANAGER Connect’ nous permet de compiler toutes nos connaissances des bâtiments et d’offrir une solution globale intelligente alimentée par les données du système de gestion du bâtiment, de toutes les installations techniques et des autres systèmes, le cas échéant. Nous utilisons ces données afin de créer un environnement intelligent, dont la consommation d’énergie optimale et l’entretien intelligent sont les leitmotivs. Bien entendu, les clients peuvent toujours choisir entre une solution

VMANAGER utilise les données du système de gestion du bâtiment, de toutes les installations techniques et des autres systèmes et capteurs, le cas échéant, afin de créer un environnement intelligent. ©Philippe Van Gelooven

PLEINS FEUX SUR UN MEMBRE 76 HEAT+ • 09 | 2022

L’ÉTANCHÉITÉ IGNIFUGE (PAS) POUR TOUT LE MONDE

Les conduits électriques et sanitaires qui passent par des parois de compartiments ou des sols résistants au feu doivent être correctement rendus étanches. Toutefois, il n’est pas toujours clair de savoir quelle loi ou règlementation est d’application ni comment effectuer ceci correctement. Par conséquent, il est important de vous informer correctement avant le début des travaux. Il est dès lors recommandé de prendre contact avec un fabricant reconnu (membre de la PFPA) pour obtenir une solution personnelle et sur mesure.

Soudal, membre de la PFPA, est l’un des fabricants à qui vous pouvez vous adresser pour obtenir une solution personnelle et des conseils complémentaires sur l’étanchéité ignifuge correcte. Suite à l’extension de son assortiment ignifuge, Soudal est plus que jamais en mesure de vous aider en matière d’étanchéité ignifuge des conduits électriques et sanitaires.

000571-ADVERT

complète ou un simple système de commande, par exemple. C’est logique, car chaque bâtiment est différent et les besoins peuvent varier très fort d’un utilisateur à l’autre. Avec ‘VMANAGER Connect’, nous sommes en mesure de répondre aux souhaits spécifiques de chaque type de client. »

Un champ infini de possibilités

Aujourd’hui, on ne distingue encore que la pointe émergée du gigantesque iceberg d’applications combinant données et connectivité numérique. C’est pourquoi VMANAGER continue de travailler à de nouvelles solutions pour étendre son offre de services.

« Nous proposons déjà une app qui permet de consulter la disponibilité des places de parking, de réserver une salle de réunion ou d’adapter la climatisation. Cette app est également connectée au service de maintenance. Par ailleurs, elle permet de rendre compte des performances du bâtiment au gestionnaire. Et nous travaillons chaque jour à étendre les possibilités  », raconte

VMA est partie de son expertise en matière d’automatisation industrielle pour développer une solution complète pour les installations techniques du bâtiment. Celle-ci comprend non seulement l’élaboration d’installations électriques et HVAC, mais aussi leur intégration, leur automatisation et leur commande via un système de gestion du bâtiment. ©Philippe Van Gelooven

building management chez VMA. « Notre créativité est systématiquement alimentée par la question de savoir comment nous pouvons utiliser des données afin d’apporter de la valeur ajoutée pour les utilisateurs d’un bâtiment ­ utilisateur final, locataire, gestionnaire du bâtiment et propriétaire. Cette plus­value que nous apportons ne se limite pas à la durabilité : les avantages peuvent également se manifester à travers un plus grand confort ou une meilleure expérience en tant qu’utilisateur. Vu que nous proposons un système ouvert, le champ des possibilités ne se limite pas à une offre standardisée d’applications dans VMANAGER. Il est possible, en effet, d’intégrer harmonieusement des solutions qui ont été développées par des tiers. Pour vous donner un bel exemple, nous avons ajouté une application permettant de passer commande depuis son bureau dans la sandwicherie du coin. L’utilisateur commande lui­même son lunch via l’app, l’établissement horeca reçoit un mail avec la commande et l’apporte au client pour sa pause de midi. »

Des applications innovantes

Bien entendu, nombre de ces applications innovantes utilisent un large panel de capteurs. Lors du développement de VMANAGER, VMA a par exemple élaboré une solution permettant d’enregistrer les présences au moyen de capteurs placés sous les flexdesks, bureaux et tables des salles de réunion. « Cette solution s’est révélée un outil très intéressant et extrêmement précis pour mesurer le taux d’occupation de notre bâtiment », souligne Pascal Kinoo. « Nous utilisons ces informations dans le cadre de notre politique de sécurité, mais également dans notre communication à l’égard de notre équipe de nettoyage. » « Cet exemple montre bien que des données collectées par le biais d’un certain type de capteur peuvent être utilisées pour des applications diverses et variées », ajoute Joris Wouters. « Il est important de bien structurer les données – ce que nous rendons possible avec ‘VMANAGER Connect’ – afin de pouvoir les utiliser par la suite dans toutes sortes de domaines. »

PLEINS FEUX SUR UN MEMBRE 78 HEAT+ • 09 | 2022

Pompes & stations de

SANIPUMP®

SANIFOS®

• Stations à enterrer

• Pour des eaux grises, eaux usées ou eaux pluviales selon le modèle

• Pompes submersibles pour des eaux usées et eaux pluviales

• Compatible avec Sanifos® ou un regard existant

SANICUBIC®

• Stations à poser

• Pour des eaux usées

• 26 modèles en de nombre configurations

• 7 volumes de cuve avec di érentes options de pompes La meilleure

pour

projet

• Compact ou large • À poser ou à enterrer

• 1 ou 2 pompes

• Roue dilacératrice, vortex ou monocal

Un projet d’installation de
de relevage ? SFA vous accompagne : du dimensionnement, de la mise en service à la maintenance. Contactez-nous : e-mail info@sfabeneluxbv.nl téléphone +31 (0)475 487 100
station
relevage
pompe
votre
!
www.sanibroyeur.info
pour
Conseils
un station de relevage HAL C STAND 145

Des innovations au niveau de la maintenance

VMA utilise également des capteurs afin de collecter des données sur les installations techniques. Les informations ainsi récoltées contribuent à augmenter l’efficacité de la gestion et de la maintenance, qui est souvent gérée par VMA elle­même. « Nous contrôlons par exemple les heures d’utilisation des pompes, la consommation des différentes installations, etc. », explique Joris Wouters. « Dans beaucoup d’immeubles, l’équipe de maintenance ne dispose pas de ces informations et travaille par conséquent à l’aveugle. Les données captées nous permettent d’être informés beaucoup plus rapidement sur l’apparition d’un éventuel problème et sur sa nature, ce qui nous permet d’agir rapidement en conséquence. L’inverse est également vrai, car les données dont nous disposons peuvent également nous conduire à reporter un remplacement lorsqu’il apparaît qu’une telle intervention n’est pas encore nécessaire. Dans un cas comme dans l’autre, c’est du win­win pour les utilisateurs du bâtiment comme pour l’entreprise responsable de la gestion et de la maintenance. Intervenir ‘just

in time’ nous permet de garantir en permanence le confort des personnes présentes. Parallèlement à cela, l’entreprise de maintenance possède les données nécessaires afin d’améliorer son organisation. Nous apportons en outre une plus­value en termes d’économies et de durabilité dans la mesure où nous exploitons au mieux la durée de vie des composants. »

Une approche intégrale

Les avantages conférés sur le plan de la maintenance du bâtiment constituent également une raison évidente pour laquelle les échanges d’informations entre l’équipe de maintenance de VMA et l’équipe autour de VMANAGER sont à ce point précieux. « Dans l’optique de l’entretien, il est non seulement utile d’avoir accès aux données, mais la manièredontunappelàl’actionspécifique est communiqué à l’équipe de maintenance est importante elle aussi », explique Pascal Kinoo. « Au sein de VMANAGER, nous avons ajouté au système de gestion du bâtiment un processus automatisé pour envoyer des tickets à la société de maintenance lorsque les installations techniques génèrent une alerte. Ce système de ticketing s’accompagne d’un risque bien connu, celui qu’un très grand nombre d’alertes

Smart Buildings in Use

Dans le cadre du cluster "Smart Buildings in Use" et du service technologique "C-Tech", le CSTC documente certaines bonnes pratiques et leçons apprises sur les "Smart Buildings" afin d'informer et d'inspirer les professionnels du bâtiment sur leur potentiel. Ces études de cas examinent les solutions technologiques, la manière dont elles peuvent créer une valeur ajoutée et les questions que l'on peut ou doit se poser pour rendre les bâtiments plus intelligents. Toutes les études de cas peuvent être consultées sur le site web www.smartbuildingsinuse.be/ case-study/.

soient générées alors qu’elles sont pour une grande partie d’entre elles insignifiantes, voire injustifiées. Tout l’enjeu consiste dès lors à sélectionner les alertes pertinentes, un travail que nous pouvons désormais optimiser en faisant l’aller­retour entre l’équipe qui développe VMANAGER et les personnes de VMA qui ont pour mission quotidienne de gérer et d’entretenir les installations. » « En général, nous croyons qu’une approche intégrale des défis qui nous attendent est la seule approche adéquate, peu importe que ces défis concernent la maintenance, la gestion du bâtiment ou encore l’approvisionnement en énergie », conclut Joris Wouters.

PLEINS FEUX SUR UN MEMBRE 80 HEAT+ • 09 | 2022

Un projet immobilier dans une région non desservie par le gaz naturel

?

Optez pour le réseau de gaz propane de Primagaz !

Avec ses réseaux de propane, Primagaz vous offre une solution économique et facile d’utilisation pour les terrains sans raccordement au gaz naturel.

la nouvelle gamme de détecteurs de fuites de gaz testo 316 et l‘analyseur de gaz de combustion testo 300 NEXT LEVEL

Vous êtes intéressé ?

Retrouvez davantage d’informations sur nos réseaux de propane sur www.primagaz.be/reseau-de-gaz-propane

PZ-519-PubliAdv-B90x270-Heat-NLFR.indd 2 27/01/2021 16:19
www.testo.be Découvrez nos promos d’automne Promo! testo augustus.indd 1 19/08/2022 9:47:37

Roadshow Techlink

En raison des prix élevés du gaz naturel, les consommateurs s'intéressent de plus en plus aux pompes à chaleur (hybrides). Mais quelles sont les règles applicables à l'utilisation de cette technique de chauffage durable ? Cela dépend du type de pompe à chaleur choisi. En tant qu'installateur, il est important de conseiller correctement vos clients sur la meilleure pompe à chaleur en fonction de leur situation. En tant que fédération sectorielle, Techlink souhaite guider ses membres dans la transition énergétique.

L'installateur doit répondre à la demande du marché et se spécialise de plus en plus dans les techniques d'énergie renouvelable. Sont concernés les pompes à chaleur, les systèmes de ventilation à récupération de chaleur, les chauffe­eaux solaires et les panneaux photovoltaïques (panneaux solaires). Ce roadshow est l'occasion idéale d'en savoir plus et de s'entretenir avec nos experts.

Elgacert est une application web développée par Gas.be qui vous permet de créer, d'archiver et d'envoyer automatiquement aux clients finaux des certificats numériques de conformité pour l'ouverture d'un compteur de gaz naturel.

DATES :

● 19/09

Brabant Wallon/Namur

Hôtel 'Les 3 Clés', Chaussée de Namur 17, 5030 Gembloux

● 03/10

Liège/Verviers

CC Verviers, Avenue du Parc 42, 4650 Chaineux (Herve)

● 06/10

Bruxelles Sibelga, Quai des Usines 16, 1000 Bruxelles

● 10/10

Luxembourg

CC Luxembourg, Rue Fleurie 2, 6800 Libramont

● 20/10

Hainaut

CC Hainaut, Boulevard André Delvaux 15, 7000 Mons

PROGRAMME :

● 18h30 : Accueil | Boissons et restauration

● 19h30 - 21h00 :

• Présentation Techlink sur l’initiation à l’installation des pompes à chaleur (dont l’hybride)

• Présentation GAS.be sur l’application Elgacert

● 21h00 - 22h00 : Réseautage et drink

TARIF : Gratuit

QUESTIONS ?

Rudo Bonni, votre Account Manager Wallonie et Bruxelles est en permanence à votre disposition via consult@techlink.be

SAVE THE DATE 82 HEAT+ • 09 | 2022

APPEL À PROJETS

Techlink met volontiers ses membres à l’honneur, comme le montre une fois encore ce numéro de Heat+.

Votre entreprise a récemment mené à bien un projet intéressant ?

Prenez contact avec notre rédacteur Dirk De Wolf (dirk.dewolf@techlink.be) ; c'est sans engagement.

Ce projet vous permettra de placer votre entreprise sous le feu de l'actualité, mais à partir d'une autre perspective.

Le gaz propane d’Antargaz est la solution !

Faites vos clients bénéficier de tout le confort du gaz grâce au gaz propane dans une citerne aérienne ou enterrée.

Le gaz propane lui offre exactement le même confort que le gaz naturel et émet moins de suie, de CO2 et de NO x que d’autres combustibles fossiles.

De plus, vos clients peuvent dès maintenant choisir le gaz propane compensé en CO2 chez Antargaz. Découvrez tout sur cette nouvelle offre sur notre site web.

www.antargaz.be

DE GAZ NATUREL?
VOTRE CLIENT N’A PAS
installateur.service@antargaz.com - 02 246 00 65 COMPENSE

Session d'information Cybersécurité avec Skyforce

Avec la numérisation croissante à l'échelle mondiale, les risques et les menaces pour les PME augmentent également. L'utilisation du courrier électronique, la banque en ligne, les achats sur les sites d'e-commerce, le téléchargement de fichiers, la messagerie via les réseaux sociaux, la voix sur IP sont autant de possibilités d'intrusion pour les cybercriminels. La session d'information portera sur les cyberattaques actuelles, principalement les rançongiciels et le hameçonnage, en particulier dans les secteurs de la construction et des installations.

La croissance des échanges numériques dans un monde de plus en plus digitalisés ne fait qu’accroître les risques et les menaces pour les PME. L’utilisation du courriel, les opérations bancaires en ligne, les achats sur des sites d’e­commerce, le téléchargement de fichiers, le réseautage social, la voix sur IP sont tous des vecteurs de cybercriminalité. La séance d’informations s’articulera autour des cyberattaques actuelles, principalement les ransomwares et le phishing, en lien avec les métiers de la construction.

DATE : 8 novembre 2022

ORATEUR :

Philippe Verwerft, IT­directeur chez Skyforce. Après avoir travaillé durant plus de 20 ans en tant que IT Manager dans de grandes structures, il a décidé de devenir ICT­Director de sa propre société afin d’aider les indépendants à lutter contre la cybersécurité grandissante. Skyforce est alors née de la collaboration de 7 associés.

PROGRAMME :

● 18h00 – 18h45: Accueil | Apéritif et pains­surprise

● 18h45 – 20h15: Conférence et présentation de solutions pour contrer les cyber­attaques dans le PME

● 20h15 – 20h45: échanges et questions / réponses

ADRESSE DU JOUR :

Skyforce, Drève Richelle 167, 1410 Waterloo

TARIF :

● Gratuit pour les membres Techlink

● €45,­ htva pour les non­membres

SAVE THE DATE 84 HEAT+ • 09 | 2022

IZEGEM

Ouverture le 19 septembre 2022

Van Oirschot, grossiste familiale HVAC depuis 1967.

Depuis plus de 55 ans, nous accompagnons les installateurs professionnels et proposons des solu ons globales pour les projets de ven la on, chau age et sanitaire.

Ensuite en 2021, nous avons achevé la construc on de notre nouveau centre logis que d’une capacité de stockage de 21 000 m2

Après l’ouverture réussie en mai de notre 1er dépôt en Flandre occidentale à Bruges, nous ouvrons désormais également un 2ème dépôt dans ce e région, à savoir à Izegem

Cela signi e que Van Oirschot compte désormais 12 dépôts dans toute la Belgique. Une avancée majeure dans la disponibilité régionale pour les installateurs professionnels!

Ouverture d’un nouveau dépôt à Izegem.

Le lundi 19 septembre, nous ouvrirons les portes de notre nouveau dépôt Van Oirschot à Izegem

Pendant tout le mois d’ouverture, nous accueillons chaque installateur avec une bouteille de "Brugse Zot" gratuite lors de sa première visite.

Visitez notre nouveau dépôt et faites connaissance avec notre équipe!

Coordonnées: Lodewijk de Raetlaan 10 - 8870 Izegem - 051/15.22.30– a

aalizegem@vanoirschot.be

Heures d ‘ouverture: Lundi-Jeudi: 07h30 - 17h00 - Vendredi: 07h30 - 16h00

www.vanoirschot.be

Brugge Izegem Kristof De Wi e Responsable du dépôt Bart Dierckx Représentant Flandre Orientale et Occidentale Steven Schellekens Employé du dépôt

Les collaborateurs de Techlink montent tous les jours au créneau pour vous servir. Ils représentent notre secteur dans de nombreuses réunions, analysent ce que l'avenir réserve au secteur de l'installation et font bien d'autres choses encore. Voilà pour le côté public. En coulisse, se cache un être humain avec ses préoccupations et ses aspirations.

VINCENT VANCAEYZEELE

→ Date de naissance : 24/02/1984

→ Signe astrologique : Poisson

→ Fonction : Technology & Innovation Manager

→ En service depuis le 18 avril

2022

→ Plat favori : Onglet de bœuf à la béarnaise

→ Film favori : Donnie Darko (Richard Kelly)

86 HEAT+ • 09 | 2022 LE COLLABORATEUR

VINCENT VANCAEYZEELE TECHNOLOGY & INNOVATION MANAGER

« L'innovation, les gens, c'est l'avenir ! »

Formation

« Enfant, j'adorais démonter les postes de télévision, les magnétoscopes et les ordinateurs pour voir comment ils fonctionnaient exactement. Pour mes parents, le plus grand défi a été de comprendre comment il fallait remonter ces appareils. Cet intérêt pour la technologie n'a certainement pas été pour rien dans ma décision d'étudier le génie civil. Mes spécialisations étaient la conception d'antennes pour l'aviation et le design des puces informatiques.

Ensuite, j'ai encore fait des études en gestion financière. Le fait que mes parents étaient indépendants y est certainement pour quelque chose. La combinaison de ces deux filières m'aide en tous cas à ne pas perdre de vue que les nouvelles applications technologiques doivent aussi être commercialement viables. »

Secteur de l'énergie

Vincent travaille depuis plus de 10 ans dans le secteur de l'énergie et des techniques durables. Il a débuté chez le gestionnaire du réseau de distribution flamand, dans divers programmes innovants tels que les compteurs intelligents et les simulations en temps réel sur l'ensemble des réseaux de distribution flamands. C'est alors que lui est apparue l'importance des innovations telles que les panneaux solaires, les pompes à chaleur, les batteries et les véhicules électriques.

« C'est ainsi qu'est né le lien avec Techlink. Toutes ces technologies doivent être mises à la disposition de chaque citoyen et de chaque entreprise dans un délai très court. Je suis convaincu que nous sous­estimons encore la situation et que nous n'avons pas encore pris pleinement conscience que les choses vont devenir sérieuses dans les prochaines années. Les objectifs de 2020 n'étaient qu'un échauffement par rapport à ceux de 2030. Une vague de rénovations sans précédent nous

attend et les techniques durables y occupent une place centrale. Je n'ai aucune idée de comment nous pourrons réaliser tout cela avant 2030. Par contre, une chose est certaine à mes yeux : la transition énergétique n'aura pas lieu sans Techlink. »

Travail bénévole

« Pendant mon temps libre, je suis bénévole au Kiwanis d'Aalter. Avec les recettes de nos activités, nous avons récemment investi dans des lunettes de réalité virtuelle pour le département pédiatrie de l'AZ Sint­Lucas à Gand. Cette innovation aide les enfants qui ont une peur panique des piqûres. Les lunettes RV les plongent dans un monde virtuel où ils subissent une anesthésie dite numérique en nageant virtuellement derrière une baleine dont la nageoire caudale bouge en synchronisation avec la respiration de l'enfant. Au bout de quelques minutes, ils sont complètement absorbés et reçoivent une piqûre du médecin au moment où un événement survient dans le monde virtuel. Ils sont tellement distraits par l'histoire virtuelle que certains ne sentent même pas l'aiguille. Ce petit exemple montre que nous devons continuer à investir dans les innovations, surtout lorsqu'elles profitent à la jeunesse. »

A côté du travail

Mais tout son temps ne va pas à la technique pour autant. « Je suis un badiste régulier depuis des années. Ce sport existe depuis 1873, il ne nécessite donc pas beaucoup de technique. Pour être honnête, il est évident que je ne gagnerai pas de médaille, mais entre joueurs de loisirs nous nous amusons vraiment beaucoup. Ce qui m'attire dans le badminton, c'est que c’est un sport d'équipe et qu'il est possible de jouer de nombreuses parties courtes de façon successive. De plus le badminton a eu un grand impact sur ma vie puisque c'est comme ça que j'ai rencontré ma compagne, Evelien. »

HEAT+ • 09 2022 87

Chauffage LAVA sur le lieu de travail

Une température de l'air plus basse permet d'économiser de l'énergie ! Chaque degré inférieur représente 6 % d'énergie en moins. En ne chauffant que là où c'est vraiment nécessaire, vous pouvez réaliser d'importantes économies sur votre facture d'énergie et réduire vos émissions de CO2. Avec le chauffage infrarouge LAVA, ETHERMA propose des solutions pour le confort à basse température. Le LAVA® DESK apporte une chaleur parfaite et invisible sur les lieux de travail. Grâce à son assemblage facile, le chauffage infrarouge peut être facilement installé sous un plateau de table ou sur un mur. Avec une épaisseur de seulement 15 mm, le LAVA Desk ne prend pas de place sous la table. Le LAVA® DESK est disponible à la fois avec un câble de connexion avec un interrupteur ON/OFF et avec le câble de connexion ET­DESK­DIMM. Le LAVA®

Aucun outillage n’est nécessaire pour le (dé)montage. Le nouveau MT4 possède une face interne bleue et un indicateur de position de vanne bleu. Resideo commercialise le servomoteur en versions 230 et 240V. Les modèles sont livrables en modèles NC (fermé hors tension) ou NO (ouvert hors tension).

Vous nous trouverez au stand 5 lors de l’Install Day ! ● www.resideo.com

Testo lance ProCool

STAND est un chauffage infrarouge mobile qui, grâce à son support, peut être utilisé comme source de chaleur supplémentaire dans presque toutes les pièces. Le chauffage infrarouge est prêt à être branché et est équipé d'un système de contrôle intégré. Vous nous trouverez au stand 208 lors de l’Install Day ! ● www.etherma.com

Nouveau servomoteur Resideo pour régulation par pièce ou de zone

Les nouveaux servomoteurs MT4 de Resideo permettent de créer encore plus facilement un confort optimal avec une régulation de zone ou par pièce. Ces moteurs linéaires compacts sont universellement applicables sur les systèmes frigorifiques et de plancher chauffant. Le nouveau MT4­HCC/HCD possède un raccordement standard M30 x 1,50. Soit le plus fréquent dans les systèmes de chauffage par le sol, les plafonds froids, les ventilo­convecteurs et les radiateurs.

Testo Belgique, la filiale belge du leader mondial des solutions de mesure innovantes de haute précision, a lancé ProHeat en 2021 pour les installateurs et techniciens chauffagistes. Aujourd’hui, l’entreprise étend désormais sa plateforme cloud intégrée Pro+ avec un module pour le secteur du froid : ProCool. Testo, et plus particulièrement Testo Belgique, entretient son esprit pionnier, comme en témoigne l’intérêt pour Pro+ manifesté aux Pays­Bas, en Australie, aux États­Unis et au Royaume­Uni. Le numérique, c’est l’avenir, et ils l’ont bien compris chez Testo Belgique. Après avoir été la première à proposer des équipements de mesure numériques au début des années 1990, l’entreprise innove à nouveau avec des solutions entièrement numériques pour le secteur CVC/R. Avec l’application mobile ProCool, les installateurs et techniciens de systèmes de réfrigération peuvent désormais aussi enregistrer sur support numérique toutes leurs mesures, gérer toutes les données des clients et de l’installation, et fournir des certificats numériques.

88 HEAT+ • 09 2022

DuoSeal.

La cheville étanche pour pièces humides.

La fischer DuoSeal est une cheville bimatière qui scelle le trou de forage dans les zones humides sans aucun produit d‘étanchéité supplémentaire. La cheville en nylon, avec la vis fournie, a été testé par l‘Institut de test et de certification de la Säure Fliesner

Vereinigung e. V.. L‘étanchéité à l‘eau est confirmée selon ETAG 022 et DIN 18534 jusqu‘à la classe d‘exposition à l‘eau W3-I. La DuoSeal en combinaison avec la vis fournie convient aux applications dans les zones humides commerciales, privées et

publiques fréquemment exposées aux éclaboussures d‘eau et à l‘accumulation d‘eau occasionnelle. Veuillez tenir compte des réglementations nationales relatives à l‘utilisation de chevilles dans les zones humides.

DuoSeal

Tout comme ProHeat, ProCool n’est pas une solution autonome, mais une application qui fait partie de Testo Pro+, l’environnement cloud intégré qui a été développé et lancé en Belgique.

Vous nous trouverez au stand 4 lors de l’Install Day ! ● www.testo.be

Bart Vandenbergh est le nouveau CEO d’Itho Daalderop Belgium

Créatrice de climat, la société Itho Daalderop Belgium présente Bart Vandenberghe en tant que nouveau CEO. Il succède à Lieven Messiaen qui, après 7 ans, se sépare de l’entreprise de Zellik , filiale du holding néerlandais Climate for Life. Depuis le 1er juillet 2021, Bart Vandenberghe, sales director, dirige l’équipe des managers régionaux. Après une carrière internationale chez Daikin, il peut se targuer d’une grande connaissance de la régulation climatique. Tant chez

adoucisseur d'eau Perla Sphere ajoute quelques propriétés remarquables à toutes les qualités que vous pouvez attendre d'un adoucisseur d'eau BWT : l'adoucisseur d'eau par excellence, hygiène et sécurité optimales, le système le plus efficace, faible consommation d'eau et de sel, ergonomique, 100 % connecté – le BWT Perla Sphere est équipé d'une connexion Bluetooth via l'application BWT Best Water Home permettant de surveiller l'appareil et sa consommation d'eau, garanties exclusives. Le nouveau Perla Sphere est disponible en deux versions (L et XL) et est lancé le 2 mai chez le grossiste en sanitaire Facq. Vous nous trouverez au stand 105 lors de l’Install Day ! ● www.bwt.com

Schell présente son nouveau réservoir de chasse avec rinçage anti-stagnation intégré

Daikin Europe que chez Daikin US, il a occupé des fonctions exécutives. Sa carrière professionnelle est passée par la Belgique, la France, la Floride et l’Amérique latine. « Au début de cette année, nous avons décidé de proposer encore quelques solutions 100% électrique. Nos objectifs de croissance pour les PAC, la ventilation et l’ensemble des solutions de climat intérieur sont ambitieuses, mais réalistes », explique Vandenberghe.

Vous nous trouverez au stand 136 lors de l’Install Day ! ● www.ithodaalderop.be

Le BWT Perla Sphere : le nec plus ultra !

Avec le nouveau Perla Sphere, BWT fait un pas de plus vers l'adoucisseur d'eau parfait. Grâce à quelques caractéristiques supplémentaires, le BWT Perla Sphere est l'allié indispensable des appareils ménagers, du système de chauffage ou de la douche. Le nouvel

Schell, spécialiste des robinets sanitaires et des systèmes de chasse d'eau, a élargi sa gamme de produits avec un nouveau réservoir de chasse encastré pour WC avec rinçage anti­stagnation intégré, le Montus Flow. En cas d'interruption d'utilisation de plusieurs jours pendant les périodes de vacances ou lorsqu'un bâtiment connaît un faible taux d'occupation, le Montus Flow peut effectuer un rinçage automatique, garantissant ainsi l'hygiène et le maintien de la qualité de l'eau. Le Montus Flow peut également être contrôlé et actionné à distance grâce au module Bluetooth® de SSC. Avec le Montus Flow, le bouchon magnétique en laiton est intégré au réservoir de chasse et

90 POWER+ • 09 | 2022

Nous sommes Aliaxis

Tout commence au début du vingtième siècle en Belgique et dans le nord de la France, sous le nom de Nicoll. Deux familles décident d’unir leurs forces et construisent progressivement l’organisation qui existe à ce jour. Aujourd’hui, Aliaxis est un leader mondial dans les systèmes perfectionnés de canalisations en matériaux de synthèse utilisés dans les bâtiments, les infrastructures et applications industrielles ou agricoles.

Avec 15 500 employés dans le monde, nous fournissons dans plus de 40 pays dans le monde des solutions innovantes et durables pour la gestion de l’eau et de l’énergie. Notre bureau principal est situé à Bruxelles.

Vous êtes curieux de savoir ce que nous pouvons faire pour vous ? Jetez un coup d’œil sur aliaxis.be ou visitez notre stand à Install Day le 14 octobre ou à Aquarama le 20 octobre.

Venez nous rendre visite le 14/10/2022 au stand n°99

donc bien protégé. La stagnation se rince directement dans le tuyau d'évacuation. Par conséquent, la citerne n'est pas remplie de manière excessive et le niveau de remplissage reste conforme aux normes. Vous nous trouverez au stand 159 lors de l’Install Day ! ● www.schell.eu

Desco construit un nouveau site logistique. Mais pourquoi ?

Aujourd’hui, la logistique à Wijnegem est répartie sur 3 entrepôts différents situés à des endroits distincts. Le nouveau site (fin 2022 : début prévu des travaux –printemps 2024 : fin prévue des travaux) devrait simplifier la circulation des marchandises. Dès lors, les transports internes seront limités entre le centre logistique et les différents points de vente. Cela contribuera à des opérations commerciales plus durables.

Évaluation de la durabilité : EcoVadis attribue à Wilo la note de platine

La proximité du cœur administratif et commercial du siège sur la Bijkhoevelaan, la recherche de la continuité de l’emploi et de l’ancrage à Wijnegem, sont à la base de ce concept. La combinaison de l’expansion de la clientèle et du portefeuille de commandes, d’une part, et le maintien d’une large gamme de ± 15 000 articles disponibles pour les livraisons et les enlèvements pour tous les clients, d’autre part, non seulement un stock fiable mais aussi un stock énorme. En plus de cela, il y a aussi les articles commandés spécifiquement pour les clients... L’espace et la place sont plus importants que jamais pour la poursuite de la croissance.

Vous souhaitez en savoir plus sur Desco ? Rendez-vous au stand 118-119 lors de l’Install Day.

● www.desco.be

L'agence de notation de la durabilité EcoVadis a décerné au groupe Wilo la médaille de platine de la durabilité. En 2019 et 2020, le groupe a déjà reçu l'argent et en 2021, ses efforts ont été récompensés par l'or. Il est donc réjouissant que le groupe Wilo reçoive la plus haute distinction de l'agence de notation en 2022. Seul 1% des 90 000 entreprises évaluées par EcoVadis dans le monde entier obtient cette note de platine. Le groupe Wilo a été fondé en 1872. Depuis lors, il est passé d'un statut de champion caché à celui de champion visible et connecté. « La durabilité a toujours fait partie de notre ADN. Le classement platine reconnaît notre stratégie et constitue une grande fierté pour nous », déclare Oliver Hermes, président­directeur général du groupe Wilo. « La médaille de platine témoigne de la performance durable de Wilo tout au long de la chaîne de valeur », déclare Georg Weber, membre du conseil d'administration et directeur technique du groupe Wilo. « Je suis particulièrement fier de l'excellente évaluation de notre engagement en faveur de la protection de l'environnement. La meilleure note est également une incitation à poursuivre notre stratégie. Nous pouvons désormais améliorer nos performances de manière plus ciblée. »

Vous nous trouverez au stand 82 lors de l’Install Day ! ● www.wilo.be

Intelligent, plus sain et plus vert. C'est le credo de

92 HEAT+ • 09 2022
Découvrez les solutions complètes de DUCO pour les systèmes de ventilation simple flux et double flux !

Quelle que soit la source de chaleur que vous choisissez, la Thermostat intelligent T6 s’adapte partout et à tout moment.

Thermostat intelligent T6. Conçu pour le confort. Contrôle via smartphone et tablette Connexion Wifi intégré Peut être utilisé en tant que thermostat à horloge standard ou via une application

Universel : s’adapte à une source de chaleur tout ou rien ou une source de chaleur modulante Opentherm Programmation 7 jours, 6 commutations par jour Autodidacte et optimisation

Rendez-vous sur resideo.com pour découvrir la gamme complète des produits Resideo en matière de confort, de sûreté et de sécurité.

www.caleffi.com

FILTRE - POT DE DÉCANTATION MAGNÉTIQUE

CALEFFI XF

FILTRAGE SUPPLÉMENTAIRE

DE NIVEAU SUPÉRIEUR, POUR UN NETTOYAGE INÉGALÉ DU SYSTÈME

CALEFFI XF série 577 est un filtre - pot de décantation magnétique de niveau supérieur qui permet un filtrage et une séparation de boues extrêmement efficace, éliminant les particules de saleté jusqu’au 160µm lors du premier passage.

Équipé d’une surface de filtre extra large et extra raffinée et d’un aimant interne puissant, avec un risque minime de perte de pression

De plus, le CALEFFI XF est équipé du mécanisme de brosse « easy clean », qui permet de nettoyer facilement la maille du filtre sans démontage.

CALEFFI GUARANTEED.

v2_cale2250249_dEXE_CALEFFI XF_185x130mm_FR_ADF.indd

IDÉAL POUR LES POMPES À

CHALEUR

travaille avec
1 21/07/2022 16:42:01

DUCO. La ville de The Future is Green est plus verte que jamais. En tant qu'expert en ventilation, DUCO a tout ce dont vous avez besoin pour un système de ventilation résidentiel de haute qualité pour les systèmes simple et double flux. Des aérateurs et des systèmes de ventilation aux valves et aux conduits d'air. DUCO, la référence pour un climat intérieur sain, confortable et économe en énergie ! Avec pas moins de quatre nouveaux systèmes DucoBox Energy, DUCO élargit encore sa gamme de systèmes de VMC double flux. Les nouvelles unités se distinguent par une régulation intelligente à deux zones, via une vanne externe, qui permet de répartir les flux d'air de manière optimale entre les deux zones, avec un minimum de résistance, sur la base d'une régulation à la demande. Cela signifie que l'air n'est fourni et extrait que là où il est réellement nécessaire et dans la bonne quantité. Les espaces de vie vides ne sont pas (inutilement) ventilés. Les espaces de vie dont le taux d'occupation est plus élevé sont davantage ventilés. Vous nous trouverez au stand 202-210 lors de l’Install Day ! ● www.duco.eu

Nouvelle pompe à chaleur

Logatherm WLW196i AR S+

Fabriquant de pompes à chaleur depuis 1968, Buderus lance en Belgique une nouvelle pompe à chaleur air/ eau intégrant la technologie Silent Plus : la Logatherm WLW196i AR S+. Avec cette pompe à chaleur air/eau nouvelle génération, l'expert en systèmes de chauffage Buderus réduit fortement les émissions sonores par rapport aux modèles précédents. Cela grâce à l’optimisation de l'unité extérieure de la pompe à chaleur. L'accent est mis sur les petites puissances – pour s’adapter aussi bien aux nouvelles constructions qu’aux rénovations incluant des systèmes hybrides – : la Logatherm WLW196i­4 AR S+ de 4 kW et la WLW196i­6 AR S+ avec 6 kW. Avec des températures de départ de 35°C et 55°C, ces pompes à chaleur atteignent la classe d'efficacité énergétique A+++ (A7/ W35). La nouvelle unité extérieure peut être combi­

née avec toutes les unités intérieures murales de la gamme Logatherm WLW196i mais également avec la version tour – avec boiler intégré – ce qui permet un montage simple et rapide. Il est également possible d’associer cette unité extérieure avec certaines chaudières au sol Buderus, dans un système de chauffage hybride. Les installateurs Buderus disposent ainsi d’une grande flexibilité afin de proposer une pompe à chaleur adaptée aux exigences individuelles de chaque particulier.

Vous nous trouverez au stand 107 lors de l’Install Day ! ● www.buderus.com

94 HEAT+ • 09 | 2022

pipelife.be

PLUS SILENCIEUX. PLUS SOLIDE. PLUS RAPIDE.

MASTER 3 PLUS de Pipelife est le système d’évacuation sanitaire d’intérieur le plus complet en PP multi-paroi. Pour plus d’infos, contactez-nous sur buildings@pipelife.be

notrelaboratoirecherchedesTECHNICIENS(H|F)

ÊTES-VOUS LA TECHNICIENNE/LE TECHNICIEN QUE NOUS RECHERCHONS ?

Chère technicienne/cher technicien, avez vous envie de :

travailler dans un laboratoire de qualité ?

e ectuer des tests sur des appareils ?

faire partie d’une équipe petite mais sympathique ?

construire un réseau (inter)national ?

devenir une experte/un expert dans votre domaine ?

Des places sont désormais disponibles au sein du centre d’expertise de Gas.be (une association de gestionnaires de réseaux de transport et de distribution de gaz belges).

Occuperez-vous l’une de ces places ?

Plus d’info sur www.gas.be/fr/jobs-gasbe

Turn static files into dynamic content formats.

Create a flipbook
Issuu converts static files into: digital portfolios, online yearbooks, online catalogs, digital photo albums and more. Sign up and create your flipbook.