

Catálogo Herrajes de unión y accesorios
Te ofrecemos innovación, calidad y la más amplia variedad de opciones para hacer realidad tus ideas.
¡Encuentra aquí un mundo de soluciones para tus proyectos!
099 336 3767
edimca.com.ec

ÍNDICE
Descubre nuestros productos haciendo click.
Herrajes de unión
Soportes
Tornillos
Ganchos
Esquineros
Platina de Amarre
Chapeta
Pasacable redondo
Pie de amigo
Soporte para vidrio
Deslizadores
Cerraduras y seguros
Amortiguador
HERRAJES DE UNIÓN
CÓIDIGO DESCRIPCIÓN MEDIDAS SISTEMA
UNICNTI0038 HET 9046182 TORNILLO RASTEX 30 x 8Ø mm
sistema de unión oculta
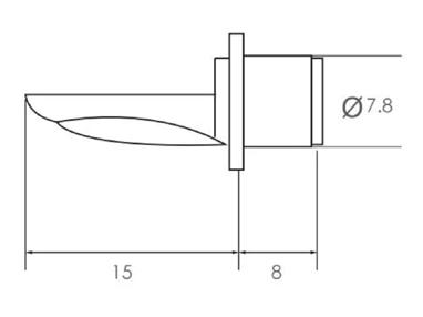
CÓIDIGO DESCRIPCIÓN MEDIDAS SISTEMA
UNICNTI0036 HET RASTEX TAMBOR 15 9064684 13 X 15Ø mm
tipo de aplicación ENCASTRE
acero cincado o plástico galvanizado niquelado
acero o plástico azul zamak

sistema de unión oculta



SOPORTE PEQUEÑO
EN MEDIA LUNA
CÓIDIGO DESCRIPCIÓN MEDIDAS SISTEMA
UNISOPI0013 MOB SOP VID MEDIA LUNA HVS008 13 X 200 mm soporte para repisa de cristal
tipo de aplicación ENCASTRE

zamak cromado
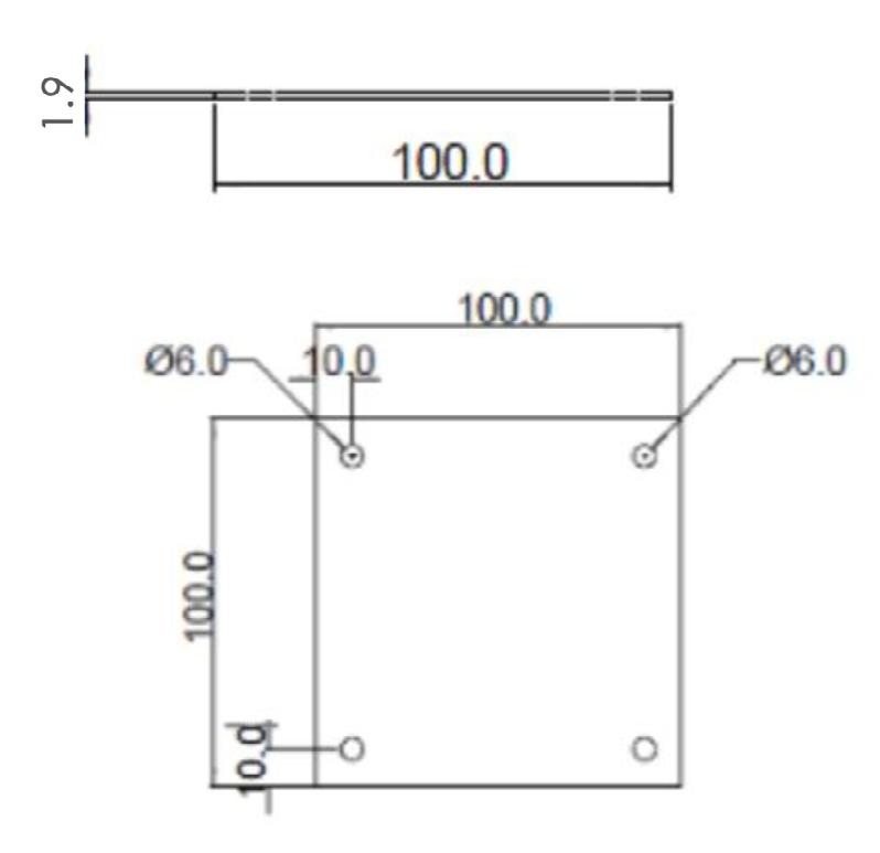
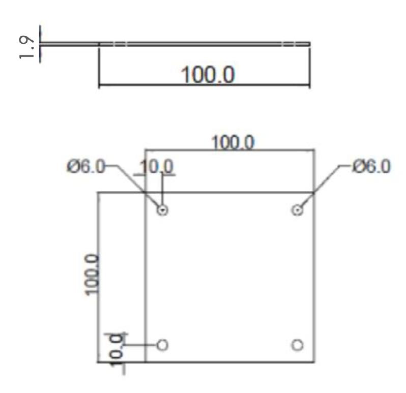
SOPORTE BALDA TITÁN
CÓIDIGO DESCRIPCIÓN MEDIDAS SISTEMA
UNISOPI0001 MOB SOPOR.BALDA TITAN KS0024 100 X 10Ø mm soporte oculto para repisas flotantes acero cincado cromado
tipo de aplicación ENCASTRE







SOPORTE REPISA
Para repisas de madera.
CÓIDIGO DESCRIPCIÓN MEDIDAS SISTEMA
UNISOPI0019 MOB SOPORTE METÁLICO REPISA 100 X 50Ø mm soporte metálico para repisas
aleación de zinc cromado zamak galvanizado niquelado
CÓIDIGO DESCRIPCIÓN MEDIDAS SISTEMA
UNISOPI0018 MOB SOPORTE REPISA ACER HVA057 250 x 10Ø mm soporte metálico para repisas
tipo de aplicación
ENCASTRE
SOPORTE REPISA DE CRISTAL
Grupo de carga L 75 (75 kg / m2)
CÓIDIGO DESCRIPCIÓN MEDIDAS SISTEMA
UNISOPI0007 MOB SOPORTE T05 REPISA VIDRIO 25 X 6Ø mm soporte para repisa de cristal

tipo de aplicación ENCASTRE
zamak niquelado o plástico transparente cromado


SOPORTE DE REPISA TRANSPARENTE
Para repisas de madera.
CÓIDIGO DESCRIPCIÓN MEDIDAS SISTEMA
UNISOPI0008 MOB SOPORTE T06 REPISA TRANSP. 20 X 6Ø mm
soporte plástico para repisa
tipo de aplicación ENCASTRE
plástico tranparente
TORNILLO GALVANIZADO
Excelentes características de agarre y tracción.
UNITORI0048 TORNILLO GALV AGL 6X1.1/2 100U 6 x 1 1/2 “
UNITORI0050 MOB TORNILLO AGL 6X2.1/2 100U 6 x 2 1/2 “
cabeza alana avellanada
cabeza alana avellanada

acero galvanizado niquelado


TORNILLO NEGRO
Excelentes características de agarre y tracción.
CÓIDIGO DESCRIPCIÓN MEDIDAS SISTEMA
UNITORI0049
UNITORI0041
UNITORI0015
UNITORI0038
UNITORI0039
NEGR AGL 6X2 100U 6 x 2 “ cabeza plana avellanda
UNITORC0030
UNITORC0031
UNITORC0032
8 X 5/8 “ cabeza plana avellanda
TACO FISCHER
Fijación segura y resistente para todo tipo de muro.
Soporte confiable para tus instalaciones y proyectos.
Anclaje firme que garantiza resultados duraderos.


plástico anclaje firme fácil instalación aplicación manual


TORNILLOS / TIRAFONDOS PARA TACO FISHER
Fuerza y agarre para una unión sólida en diversas superficies.
Conexión duradera esencial en instalaciones y ensamblajes.
Sujeción de confianza que asegura la estabilidad de tus proyectos.
aplicación manual
níquel y galvanizado anclaje firme fácil instalación
TACO FISCHER
Fijación segura y resistente para todo tipo de muro.
Soporte confiable para tus instalaciones y proyectos.
Anclaje firme que garantiza resultados duraderos.


plástico anclaje firme fácil instalación aplicación manual

GANCHOS AUXILIARES
CÓIDIGO DESCRIPCIÓN MEDIDAS
HACGANI0001 MOB GANCHOS NEGROS AUXILIARES 300 X 70 mm
Soporta 25 kg. acero pintura electrostática negra




ESQUINEROS
CÓIDIGO
HACVAAI0018 ESQ
HACVAAI0021
acero zincado cromado
PLATINA DE AMARRE
Para ser instalado en escritorios, comedor, oficina. acero pintura electrostática blanca




CHAPETA PARA CAMA
Juego de 4 unidades, tornillos.
CÓIDIGO DESCRIPCIÓN MEDIDAS SISTEMA
HACVAAI0034 MOB JGO CHAPETA CAMA JCHE11 110 X 20 mm soporte de sujección para cama
acero galvanizado zincado
PASACABLE REDONDO
Para ser instalado en mesas, escritorios, despachos, etc.
HACPSCI0001 MOB PASACABLES REDONDO NEGRO 60 Ø mm embutir

negro

plástico


PIE DE AMIGO ESCUALIZABLE
Soporta 35kg cada par. acero pintura electrostática negra
CÓIDIGO DESCRIPCIÓN MEDIDAS SISTEMA
HACVAAI0035 MOB JGO CHAPETA CAMA JCHE11 195 x 110 mm para mesas o escritorios plegables
MONEDA
CÓIDIGO DESCRIPCIÓN SISTEMA
HACVAAI0017 MOB MONEDA D30MM HVA125-02 SOPORTE DE VIDRIO

DILATADOR
CÓIDIGO DESCRIPCIÓN MEDIDAS SISTEMA
HACVAAI0023 MOB DILATADOR 19X25 HVD019-25 25 x 19Ø mm soporte de vidrio
HACVAAI0022 MOB DILATADOR 25X20 HVD025-20 20 x 25Ø mm soporte de vidrio
HACVAAI0024 MOB DILATADOR 30X45 HVD030-45 45 x 30Ø mm soporte de vidrio




DESLIZADORES
Escritorios, centros de entretenimiento, cocina, mueble de baño, oficina. Ø15 / Ø16
CÓIDIGO DESCRIPCIÓN MEDIDAS SISTEMA
HACTYTI0041 MOB RESBALON BLANCO HVA515-00 15 X 18Ø mm para clavar
HACTYTI004O MOB RESBALON CAFÉ HVA518-01 16 X 18Ø mm para clavar
plástico blanco o café
HACCERI0010 MOB SEG CAJÓN 19X22 HCM137-05
HACCERI0011 MOB SEG CAJÓN 19X32 HCM138-05
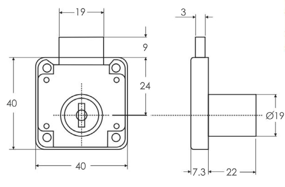
CERRAUDRA PARA MUEBLE
Closet,escritorios, centros de entretenimiento, oficina. acero galvanizado niquelado
40 X 40 mm
x 19Ø mm




SEGURO TRAMPA DE CAJÓN
Seguro múltiple de cajón lateral.
CÓIDIGO DESCRIPCIÓN MEDIDAS
HACCERI0012 MOB SEGURO TRAMPA CAJ HCM28806 16 X 20 X 66 mm
acero cromado
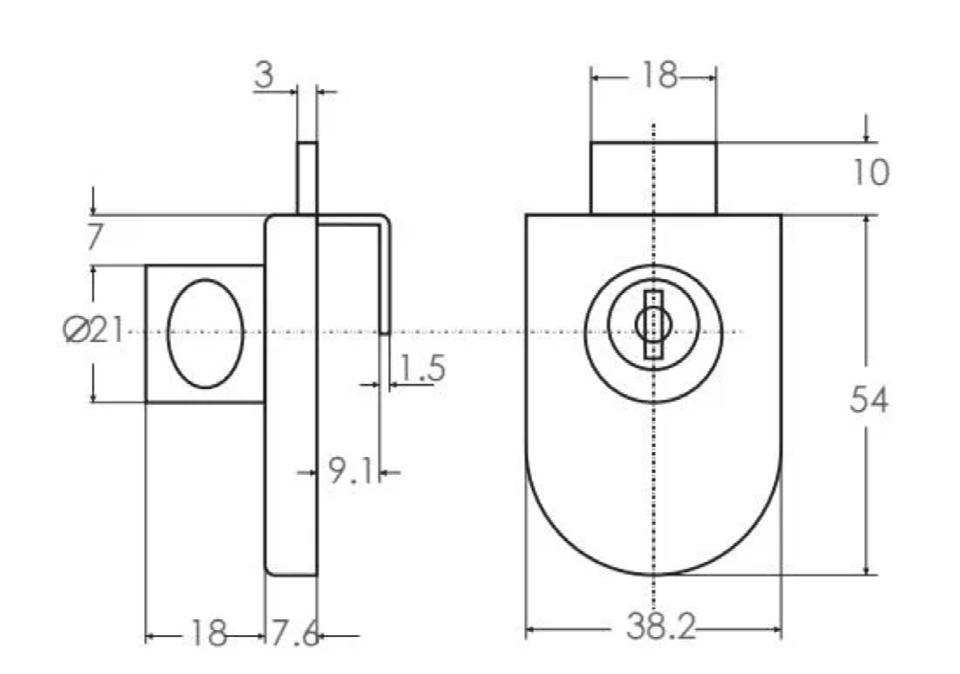
CERRADURA
PARA PUERTA DE VIDRIO
1 cerradura, 1 platina recibidora, 2 tornillos.
CÓIDIGO DESCRIPCIÓN
HACCERI0013 MOB SEG CAJÓN PUE VIDRIOHVI401 15 X 18Ø mm para clavar


acero cromado


AMORTIGUADOR TRANSPARENTE
Incluye 50 unidades.
CÓIDIGO DESCRIPCIÓN MEDIDAS SISTEMA
HACTYTI0013 MOB TOPE AMORT.TRAN 50U MT2062 8 Ø mm AUTOADHESIVO
plástico transparente
¡Gracias por preferirnos!
Todos los ítems en este catálogo están sujetos a cambios.
Consulta el stock, disponibilidad y más información adicional con tu asesor EDIMCA.
