New Arrivals 2023

Page 1

2023 NEW ARRIVALS

1 duuri.fi

GREAT LAUNCH YEAR 2023

We serve our partners with an even wider selection

Duuri complements its selection with more than 500 new articles. We have listened to our customers and are introducing an even wider range of colours in tile trim collections, improved professional products and many other interesting novelties.

Dione tile trim selection expands with new colours

The stock range of tile trims is expanded by 7 new shades. At the beginning of summer, 4 new textured Rustic stone patterns will be available in our warehouse, which fit wonderfully with the current tile trends. From autumn, our stock will be complemented with gorgeous, shiny stainless-steel mouldings available in brass, copper and black. With Dione tile trims, you can get a finished finish on the tiling and protect the corners of the bathroom tiling.

Stair nosing in different metallic colours

Stair nosing and inner corners for vinyl are coming in metallic colours during the fall. In addition to the new shades, rough and durable step angles for finishing public spaces will arrive in the collection in autumn 2023 with updated dimensions. A novelty in the tile step angles is the asymmetrical T-profile, which come in sizes 8/10 and 10/12 mm.

Hobby profiles for many different purposes

Hobby profiles have been an essential element in the interior design of public spaces. Today, they are also increasingly used in private applications. The durability, ease and elegance of Hobby profiles make it a great product when it comes to protecting corners from heavy wear. The hobby profile selection for 2023 will be updated with new, carefully considered colour options and dimensions.

2

CONTENTS

Flooring profiles

- Cover strips

- Self-adhesive edge trims

- Skirting end pieces

Tile trims

- Tile trims and corner pieces

- 45° tile trims

- Finishing profiles for tiles

Stair nosings

- Stair nosings LVT

- Stair nosings grooved

- Tile-stair nosings

Hobby-profiles and corner trims

- Hobby L-profiles

- Hobby profiles

- Hobby J-profiles

- Corner trims

s. 5

s. 6

s. 7-8

s. 11-17

s. 17

s. 18

s. 20

s. 21

s. 21

s. 23-25

s. 25-26

s. 26

s. 27

3

COVER STRIPS

COVER STRIPS

COVER STRIP A8

Cover strip 120mm A8

COVER STRIP B2

Cover strip 38mm B2

COVER STRIP B60

Cover strip 60mm B60

5
Product number Colour Height mm Width mm GTIN A8 HE1-R Hopea-anodisoitu 1000 120 *6417083037856* A8 HE2-R Hopea-anodisoitu 2000 120 *6417083037863* A8 HE3-R Hopea-anodisoitu 3000 120 *6417083037870*
Product number Colour Height mm Width mm GTIN B2 CBL1 Carbon black 1000 38 *6417083037887* B2 CBL2 Carbon black 2000 38 *6417083037894* B2 CBL3 Carbon black 3000 38 *6417083037900* SUMMER -23
Product number Colour Height mm Width mm GTIN B60 CBL1 Carbon black 1000 60 *6417083035821* B60 CBL2 Carbon black 2000 60 *6417083035838* B60 CBL3 Carbon black 3000 60 *6417083035845* B60 WH1 Maalattu valkoinen 1000 60 *6417083035852* B60 WH2 Maalattu valkoinen 2000 60 *6417083035869* B60 WH3 Maalattu valkoinen 3000 60 *6417083035876*
SUMMER -23
AUTUMN -23 120 mm

SELF-ADHESIVE EDGE TRIMS

SELF-ADHESIVE EDGE TRIM B3 | 0-12mm

Self-adhesive edge trim B3, for level difference of 0-12 mm

SELF-ADHESIVE EDGE TRIM B10 | 0-18mm

Self-adhesive edge trim B10, for level difference of 0-18 mm

6
Product number Colour Height mm Width mm GTIN B3 CBL1 Carbon black 1000 40 *6417083037917* B3 CBL2 Carbon black 2000 40 *6417083037924* B3 CBL3 Carbon black 3000 40 *6417083037931*
SUMMER -23
Product number Colour Height mm Width mm GTIN B10 CBL1 Carbon black 1000 50 *6417083035883* B10 CBL2 Carbon black 2000 50 *6417083035890* B10 CBL3 Carbon black 3000 50 *6417083035906* B10 WH1 White 1000 50 *6417083035913* B10 WH2 White 2000 50 *6417083035920* B10 WH3 White 3000 50 *6417083035937*
AUTUMN -23

SKIRTING END PIECES

END PIECE FOR ALUMINIUM SKIRTING

End piece for aluminium skirting board (L=left, R=right)

FITTING PIECE FOR ALUMINIUM SKIRTING

Fitting piece for aluminium skirting board

7
Product number Colour Height mm Compatibility GTIN EC-40 AS L Stainless steel anodized 40 JL AS 40 *6417083039669* EC-40 AS R Stainless steel anodized 40 JL AS 40 *6417083039690* EC-40 NG L Nordic graphite 40 JL NG 40 *6417083039676* EC-40 NG R Nordic graphite 40 JL NG 40 *6417083039706* EC-40 SI L Silver adonized 40 JL SI 40 *6417083039683* EC-40 SI R Silver adonized 40 JL SI 40 *6417083039713* EC-60 AS L Stainless steel anodized 60 JL AS 60 *6417083039720* EC-60 AS R Stainless steel anodized 60 JL AS 60 *6417083039645* EC-60 NG L Nordic graphite 60 JL NG 60 *6417083039614* EC-60 NG R Nordic graphite 60 JL NG 60 *6417083039652* EC-60 SI L Silver adonized 60 JL SI 60 *6417083039638* EC-60 SI R Silver adonized 60 JL SI 60 *6417083039621*
AUTUMN -23
Product number Colour Height mm Compatibility GTIN JP-40 AS Stainless steel anodized 40 JL AS 40 *6417083039096* JP-40 NG Nordic graphite 40 JL NG 40 *6417083039102* JP-40 SI Silver adonized 40 JL SI 40 *6417083039119* JP-60 AS Stainless steel anodized 60 JL AS 60 *6417083039126* JP-60 NG Nordic graphite 60 JL NG 60 *6417083039133* JP-60 SI Silver adonized 60 JL SI 60 *6417083039140*
AUTUMN -23 40 / 60 mm 40 / 60 mm 40 / 60 mm

INNER CORNER PIECE FOR

OUTER CORNER PIECE FOR ALUMINIUM SKIRTING

8
skirting
Product number Colour Height mm Compatibility GTIN IC-40 AS Stainless steel anodized 40 JL AS 40 *6417083038914* IC-40 NG Nordic graphite 40 JL NG 40 *6417083038921* IC-40 SI Silver anodized 40 JL SI 40 *6417083038938* IC-60 AS Stainless steel anodized 60 JL AS 60 *6417083038945* IC-60 NG Nordic graphite 60 JL NG 60 *6417083038952* IC-60 SI Silver anodized 60 JL SI 60 *6417083038969*
Inner
corner piece for aluminium
board
ALUMINIUM SKIRTING AUTUMN -23
Product number Colour Height mm Compatibility GTIN OC-40 AS Stainless steel anodized 40 JL AS 40 *6417083039409* OC-40 NG Nordic graphite 40 JL NG 40 *6417083039416* OC-40 SI Silver anodized 40 JL SI 40 *6417083039423* OC-60 AS Stainless steel anodized 60 JL AS 60 *6417083039430* OC-60 NG Nordic graphite 60 JL NG 60 *6417083039447* OC-60 SI Silver anodized 60 JL SI 60 *6417083039454*
Outer
corner piece for aluminium skirting board
AUTUMN -23 40 / 60 mm 9,4 mm 40 / 60 mm

DIONE TILE TRIM SELECTION EXPANDS EVEN FURTHER

The largest selection of tile trims on the market will be further expanded as we introduce many new products and colours to our stock selection this year. In the future, you will receive as many as 270 different tile trim associated products from our warehouse for immediate delivery!

On the following pages you can learn more about these new products.

SERVICE CONCEPT FOR DIONE TILE TRIMS

Stock selection for immediate delivery

• Basic tile trims, finishing profiles, stair nosings, 45-degree tile trims, and corner pieces

• Round and angular, dimensions 6, 8, 10, 12 mm

• 10 base colours + 7 new trend colours

• As materials: aluminium, stainless steel, and plastic

Complementary selection from order

• Tile trims, end mouldings and special trims with corner pieces

• Plenty of more colours, surfaces and treatments

Special Order Products

• Power coating in RAL-colour pallet, anodizing

• With our extensive partner network, we are able to meet most needs

Ask more from our sales!

9

TILE TRIM AND CORNER PIECES

The tile trim collection is complemented with new colours

The extensive stock range expands with 7 new sophisticated colour shades. Rustic stone patterns will be available from early summer onwards and in autumn the selection will be supplemented with bright stainless steel profiles available in brass, copper and black. In the selection you will find round tile trims as well as square tile trims as well as corner pieces suitable for these.

TILE TRIMS AND CORNER PIECES

Round tile trim | 8mm

11
Round tile trim 8mm Product number Colour Length mm Height mm Material GTIN 6534-BLR Black rustic 2700 8 Aluminium *6417083038143* 6534-GRR Grey rustic 2700 8 Aluminium *6417083038112* 6534-MUR Mud rustic 2700 8 Aluminium *6417083038136* 6534-NG Nordic graphite 2700 8 Aluminium *6417083035814* 6534-SAR Sand rustic 2700 8 Aluminium *6417083038129* SUMMER -23
Round tile trim 8mm Product number Colour Length mm Height mm Material GTIN 6534-RST BL Bright black 2700 8 Stainless steel *6417083038327* 6534-RST CU Bright copper 2700 8 Stainless steel *6417083038334* 6534-RST MS Bright brass 2700 8 Stainless steel *6417083038341* 6515-BLACK Black 2700 8 Plastic *6417083038273* AUTUMN -23
Bright brass Bright copper Bright black

Inner corner piece for round tile trim | 8mm

Inner corner piece for round tile trim 8mm

Outer corner piece for round tile trim | 8mm

Outer corner piece for round tile trim 8mm

Round tile trim | 10mm

12 VARASTOSSA
Product number Colour Height mm Compatible Material GTIN ICRSTBL-6534 Bright black 8 6534-RST BL Stainless steel *6417083038976* ICRSTCU-6534 Bright copper 8 6534-RST CU Stainless steel *6417083039003* ICRSTMS-6534 Bright brass 8 6534-RST MS Stainless steel *6417083039034*
VARASTOSSA
Product number Colour Height mm Compatible Material GTIN OCRSTBL-6534 Bright black 8 6534-RST BL Stainless steel *6417083039461* OCRSTCU-6534 Bright copper 8 6534-RST CU Stainless steel *6417083039492* OCRSTMS-6534 Bright brass 8 6534-RST MS Stainless steel *6417083039522*
Product number Colour Length mm Height mm Material GTIN 6535-BLR Black rustic 2700 10 Aluminium *6417083038181* 6535-GRR Grey rustic 2700 10 Aluminium *6417083038150* 6535-MUR Mud rustic 2700 10 Aluminium *6417083038174* 6535-SAR Sand rustic 2700 10 Aluminium *6417083038167* SUMMER -23
Round tile trim 10mm
| AUTUMN -23
| AUTUMN -23
Presales
Presales

Inner corner piece for round tile trim | 10mm

Inner corner piece for round tile trim 10mm

Outer corner piece for round tile trim | 10mm

Outer corner piece for round tile trim 10mm

13 Round
Product number Colour Length mm Height mm Material GTIN 6535-RST BL Bright black 2700 10 Stainless steel *6417083038358* 6535-RST CU Bright copper 2700 10 Stainless steel *6417083038365* 6535-RST MS Bright brass 2700 10 Stainless steel *6417083038372*
tile trim 10mm
Product number Colour Height mm Compatible Material GTIN ICRSTBL-6535 Bright black 10 6535-RST BL Stainless steel *6417083038983* ICRSTCU-6535 Bright copper 10 6535-RST CU Stainless steel *6417083039010* ICRSTMS-6535 Bright brass 10 6535-RST MS Stainless steel *6417083039041*
VARASTOSSA
Product number Colour Height mm Compatible Material GTIN OCRSTBL-6535 Bright black 10 6535-RST BL Stainless steel *6417083039478* OCRSTCU-6535 Bright copper 10 6535-RST CU Stainless steel *6417083039508* OCRSTMS-6535 Bright brass 10 6535-RST MS Stainless steel *6417083039539*
Presales | AUTUMN -23 Presales | AUTUMN -23 AUTUMN -23

Round tile trim | 12,5mm

Inner corner piece for round tile trim | 12,5mm

Outer corner piece for round tile trim | 12,5mm

14 VARASTOSSA SAATAVANA HUHTIKUUSSA SAATAVANA HUHTIKUUSSA VARASTOSSA Inner corner piece for round tile trim 12,5mm Product number Colour Height mm Compatible Material GTIN ICRSTBL-6570 Bright black 12,5 6570-RST BL Stainless steel *6417083038990* ICRSTCU-6570 Bright copper 12,5 6570-RST CU Stainless steel *6417083039027* ICRSTMS-6570 Bright brass 12,5 6570-RST MS Stainless steel *6417083039058*
Round tile trim 12,5mm Product number Colour Length mm Height mm Material GTIN 6570-RST BL Bright black 2700 12,5 Stainless steel *6417083038563* 6570-RST CU Bright copper 2700 12,5 Stainless steel *6417083038570* 6570-RST MS Bright brass 2700 12,5 Stainless steel *6417083038587* AUTUMN -23
SAATAVANA HUHTIKUUSSA Outer corner piece for round tile trim 12,5mm Product number Colour Height mm Compatible Material GTIN OCRSTBL-6570 Bright black 12,5 6570-RST BL Stainless steel *6417083039485* OCRSTCU-6570 Bright copper 12,5 6570-RST CU Stainless steel *6417083039515* OCRSTMS-6570 Bright brass 12,5 6570-RST MS Stainless steel *6417083039546* Presales | AUTUMN -23
Presales | AUTUMN -23

Square tile trim | 8mm

Square tile trim | 8mm

15 Square tile trim 8mm Product number Colour Length mm Height mm Material GTIN 6541-BLR Black rustic 2700 8 Aluminium *6417083038228* 6541-GRR Grey rustic 2700 8 Aluminium *6417083038198* 6541-MUR Mud rustic 2700 8 Aluminium *6417083038211* 6541-SAR Sand rustic 2700 8 Aluminium *6417083038204* SUMMER -23
Square tile trim 8mm Product number Colour Length mm Height mm Material GTIN 6550-RST BL Bright black 2700 8 Stainless steel *6417083038419* 6550-RST CU Bright copper 2700 8 Stainless steel *6417083038426* 6550-RST MS Bright brass 2700 8 Stainless steel *6417083038433* AUTUMN -23 Square tile trim 8mm Product number Colour Compatible Height mm Material GTIN 6550-CRSTBL Bright black 6550-RST BL 8 Stainless steel *6417083038389* 6550-CRSTCU Bright copper 6550-RST CU 8 Stainless steel *6417083038396* 6550-CRSTMS Bright brass 6550-RST MS 8 Stainless steel *6417083038402*
Presales | AUTUMN -23

Square tile trim | 10mm

Corner piece square tile trim | 10mm Presales

16 Square tile trim 10mm Product number Colour Length mm Height mm Material GTIN 6551-BLR Black rustic 2700 10 Aluminium *6417083038266* 6551-GRR Grey rustic 2700 10 Aluminium *6417083038235* 6551-MUR Mud rustic 2700 10 Aluminium *6417083038259* 6551-SAR Sand rustic 2700 10 Aluminium *6417083038242* SUMMER -23
Square tile trim 10mm Product number Colour Length mm Height mm Material GTIN 6555-RST BL Bright black 2700 10 Stainless steel *6417083038471* 6555-RST CU Bright copper 2700 10 Stainless steel *6417083038488* 6555-RST MS Bright brass 2700 10 Stainless steel *6417083038495* AUTUMN -23
HUHTIKUUSSA
-23
piece square tile trim 10mm Product number Colour Compatible Height mm Material GTIN 6555-CRSTBL Bright black 6555-RST BL 10 Stainless steel *6417083038440* 6555-CRSTCU Bright copper 6555-RST CU 10 Stainless steel *6417083038457* 6555-CRSTMS Bright brass 6555-RST MS 10 Stainless steel *6417083038464*
VARASTOSSA SAATAVANA
SYKSY
Corner
| AUTUMN -23
Black rustic Grey rustic Mud rustic Sand rustic

Square tile trim | 12,5mm

Corner square tile trim | 12,5mm

45° TILE TRIM

45° Tile trim | 8mm

45° Tile trim | 10mm

17 Square tile trim 12,5mm Product number Colour Length mm Height mm Material GTIN 6560-RST BL Bright black 2700 12,5 Stainless steel *6417083038532* 6560-RST CU Bright copper 2700 12,5 Stainless steel *6417083038549* 6560-RST MS Bright brass 2700 12,5 Stainless steel *6417083038556*
AUTUMN -23
square tile trim
Product number Colour Compatible Height mm Material GTIN 6560-CRSTBL Bright black 6560-RST BL 12,5 Stainless steel *6417083038501* 6560-CRSTCU Bright copper 6560-RST CU 12,5 Stainless steel *6417083038518* 6560-CRSTMS Bright brass 6560-RST MS 12,5 Stainless steel *6417083038525*
Corner
12,5mm
Presales | AUTUMN -23 45° Tile trim 8mm Product number Colour Length mm Height mm Material GTIN ABS45 80 Bright silver 2700 8 Aluminium *6417083038600* ASI45 80 Silver anodized 2700 8 Aluminium *6417083038624* AUTUMN -23
45° Tile trim 10mm Product number Colour Length mm Height mm Material GTIN ABS45 100 Bright silver 2700 10 Aluminium *6417083038594* ASI45 100 Silver anodized 2700 10 Aluminium *6417083038617* AUTUMN -23
8 mm 10 mm

FINISHING PROFILE FOR TILES

Finishing profile for tiles | 2mm

Finishing profile for tiles | 8mm

Finishing profile for tiles | 10mm

18 SAATAVANA HUHTIKUUSSA Finishing profile for tiles 8mm Product number Colour Length mm Height mm Material GTIN ACBL 80 Carbon black 2500 8 Aluminium *6417083035791* ANG 80 Nordic graphite 2500 8 Aluminium *6417083035807* SUMMER -23
SAATAVANA HUHTIKUUSSA Finishing profile for tiles 2mm Product number Colour Length mm Height mm Material GTIN AE 20 Silver anodized 2500 2 Aluminium *6417083039768* SUMMER -23
22 mm 2 mm 1 mm SAATAVANA HUHTIKUUSSA Finishing profile for tiles 8mm Product number Colour Length mm Height mm Material GTIN ACBL 100 Carbon black 2500 10 Aluminium *6417083035777* ANG 100 Nordic graphite 2500 10 Aluminium *6417083035784* SUMMER -23

STAIR NOSING

New metallic stair nosing in the range

The range of stair nosing will be updated in the autumn with new metallic shades. In addition to colour shades, step angles come in new dimensions, which allows them to be used even more diversely. As a completely new product, asymmetrical slab stair nosing will be introduced in the autumn, which will be available in sizes 8/10 and 10/12 mm.

STAIR NOSING

Internal angle

20
Stair nosing LVT 18x40x5mm Product number Colour Length mm Size mm Material GTIN DV5 NG1 Nordic graphite 1000 18x40 Aluminium *6417083035944* DV5 NG2 Nordic graphite 2000 18x40 Aluminium *6417083035951* DV5 NG3 Nordic graphite 3000 18x40 Aluminium *6417083035968* DV5 HE1 Silver anodized 1000 18x40 Aluminium *6417083035975* DV5 HE2 Silver anodized 2000 18x40 Aluminium *6417083035982* DV5 HE3 Silver anodized 3000 18x40 Aluminium *6417083035999* AUTUMN -23
LVT
18
40
5mm
for stairs LVT 13,5x27x5mm Product number Colour Length mm Size mm Material GTIN DIV5 NG1 Nordic graphite 1000 13,5x27 Aluminium *6417083036002* DIV5 NG2 Nordic graphite 2000 13,5x27 Aluminium *6417083036019* DIV5 NG3 Nordic graphite 3000 13,5x27 Aluminium *6417083036026* DIV5 HE1 Silver anodized 1000 13,5x27 Aluminium *6417083036033* DIV5 HE2 Silver anodized 2000 13,5x27 Aluminium *6417083036040* DIV5 HE3 Silver anodized 3000 13,5x27 Aluminium *6417083036057* AUTUMN -23
Stair nosing
|
x
x
Internal angle
for stairs LVT | 13,5 x 27 x 5mm
13,5 mm 28 mm 41 mm

Stair nosing - grooved | L=3M

TILE – STAIR NOSING

T-Profile | Tile - stair nosing

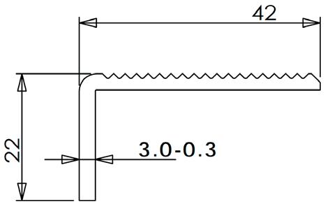
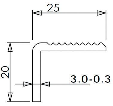
21 Stair nosing – grooved Product number Colour Length mm Size mm Material GTIN D3 RST3 Stainless steel 3000 25x20 Haponkestävä RST *6417083038655* D7 RST3 Stainless steel 3000 42x22 Haponkestävä RST *6417083038662* 70950305 Stainless steel 3000 50x30 Haponkestävä RST *6417083038310* AUTUMN -23
T-Profile | Tile – stair nosing Product number Colour Length mm Size mm Material GTIN T10-12 BS Bright silver 2500 10x12,5 Aluminium *6417083035760* T10-12 HE Silver anodized 2500 10x12,5 Aluminium *6417083035753* T8-10 BS Bright silver 2500 8x10 Aluminium *6417083035746* T8-10 HE Silver anodized 2500 8x10 Aluminium *6417083035739* AUTUMN -23
D3 - RST D7 - RST 2500 mm 10 mm / 8 mm 12,5 mm / 10 mm 70950305

HOBBY AND CORNER PROFILE

Hobby and corner profiles for many different purposes

The durability, ease and elegance of Hobby profiles make them a great product when it comes to protecting corners from heavy wear. The selection is updated with new, carefully considered colour options and dimensions.

HOBBY L-PROFILES

Hobby L-profile | 15 x 10mm

Hobby L-profile | 10 x 10mm

23 Hobby L-profile 15x10mm Product number Colour Length mm Size mm GTIN L1 CBL1 Carbon black 1000 10x15 *6417083039157* L1 CBL2 Carbon black 2000 10x15 *6417083039164* L1 CBL3 Carbon black 3000 10x15 *6417083039171* AUTUMN -23
Hobby L-profile 10x10mm Product number Colour Length mm Size mm GTIN L10 CBL1 Carbon black 1000 10x10 *6417083039188* L10 CBL2 Carbon black 2000 10x10 *6417083039195* L10 CBL3 Carbon black 3000 10x10 *6417083039201* L10 HE1 Silver anodized 1000 10x10 *6417083039218* L10 HE2 Silver anodized 2000 10x10 *6417083039225* L10 HE3 Silver anodized 3000 10x10 *6417083039232* L10 W1 Painted white 1000 10x10 *6417083039249* L10 W2 Painted white 2000 10x10 *6417083039256* L10 W3 Painted white 3000 10x10 *6417083039263* AUTUMN -23
10 mm 10 mm

Hobby L-profile | 15 x 15mm

Hobby L-profile | 20 x 20mm

Hobby L-profile | 25 x 25mm

24 Hobby L-profile 15x15mm Product number Colour Length mm Size mm GTIN L2 CBL1 Carbon black 1000 15x15 *6417083039270* L2 CBL2 Carbon black 2000 15x15 *6417083039287* L2 CBL3 Carbon black 3000 15x15 *6417083039294* AUTUMN -23
Hobby L-profile 20x20mm Product number Colour Length mm Size mm GTIN L3 CBL1 Carbon black 1000 20x20 *6417083039317* L3 CBL2 Carbon black 2000 20x20 *6417083039324* L3 CBL3 Carbon black 3000 20x20 *6417083039331* AUTUMN -23
Hobby L-profile
Product number Colour Length mm Size mm GTIN L4 CBL1 Carbon black 1000 25x25 *6417083039348* L4 CBL2 Carbon black 2000 25x25 *6417083039355* L4 CBL3 Carbon black 3000 25x25 *6417083039362* AUTUMN -23
25x25mm

Hobby L-profile | 30 x 30mm

HOBBY – FLAT PROFILE

Hobby – Flat profile | 20 x 2mm

25 Hobby L-profile 30x30mm Product number Colour Length mm Size mm GTIN L5 CBL1 Carbon black 1000 30x30 *6417083039379* L5 CBL2 Carbon black 2000 30x30 *6417083039386* L5 CBL3 Carbon black 3000 30x30 *6417083039393* AUTUMN -23
Hobby – flat profile 20x2mm Product number Colour Length mm Width mm GTIN I1 CBL1 Carbon black 1000 20 *6417083038747* I1 CBL2 Carbon black 2000 20 *6417083038754* I1 CBL3 Carbon black 3000 20 *6417083039607* I1 HE3 Silver anodized 3000 20 *6417083038778* I1 W3 Painted white 3000 20 *6417083038785*
AUTUMN -23

Hobby – Flat profile | 30 x 2mm

Hobby – Flat profile | 40 x 2mm

HOBBY J-PROFILES

Hobby J-profiles | 4mm

26 Hobby
Product number Colour Length mm Inner dimensions mm GTIN J1 CBL1 Carbon black 1000 4 *6417083039065* J1 CBL2 Carbon black 2000 4 *6417083039072* AUTUMN -23
J-profile 4mm
Hobby – flat profile 40x2mm Product number Colour Length mm Width mm GTIN I3 CBL1 Carbon black 1000 40 *6417083038860* I3 CBL2 Carbon black 2000 40 *6417083038877* I3 CBL3 Carbon black 3000 40 *6417083038884* I3 HE3 Silver anodized 3000 40 *6417083038891* I3 W3 Painted white 3000 40 *6417083038907*
AUTUMN -23 Hobby –
profile
Product number Colour Length mm Width mm GTIN I2 CBL1 Carbon black 1000 30 *6417083038808* I2 CBL2 Carbon black 2000 30 *6417083038815* I2 CBL3 Carbon black 3000 30 *6417083038822* I2 HE3 Silver anodized 3000 30 *6417083038839* I2 W3 Painted white 3000 30 *6417083038846*
flat
30x2mm
AUTUMN -23

PROTECTION PROFILE

Protection profile | PVC

Protection profile Elasticfix | B8

profile 30x30mm metal

Protection profile glue fastening

27 Protection profile PVC Product number Colour Length mm Size mm Material GTIN NU 50-410 White 2700 50x50 Plastic *6417083035609* NU 60-410 White 2700 60x60 Plastic *6417083035616* SUMMER -23
Protection
Product number Colour Length mm Size mm Material GTIN B8 CBL3 Carbon black 3000 30x30 Aluminium *6417083035647* B8 RST CU3 Bright copper 3000 30x30 Stainless steel *6417083038631* B8 RST BL3 Bright black 3000 30x30 Stainless steel *6417083038648*
Protection
Product number Colour Length mm Size mm Material GTIN 7303034 Brass 3000 30x30 Brass *6417083035654* 7333034 Brass 3000 20x20 Brass *6417083035661*
profile brass
AUTUMN -23 AUTUMN -23 50/60 mm
Brass - Protection profile

duuri@duuri.fi

www.dione.fi

NORWAY

FINLAND

DUURI OY Tapulikaupungintie 35 00750 Helsinki

tel. +358 9 351 050 duuri@duuri.fi

DENMARK

SWEDEN

SWEDEN

D-PROFILE AB Kabelvägen 10 SE-55302 Jönköping, Sverige

tel. +46 36 186363 info@d-profile.se

ESTONIA LATVIA

SIA D-PROFILE

Rigas iela 6.

LV2114- Olaine, Latvia

tel. +372 505 88 80 mark.koltovski@duuri.fi

SIA D-PROFILE

Rigas iela 6. LV2114- Olaine, Latvia

tel. +372 505 88 80 mark.koltovski@duuri.fi

FINLAND

ESTONIA

LATVIA

LITHUANIA

NORWAY

D-PROFILE AS Glåmveien 3 NO-2500 Tynset, Norge

tel. +47 94 824 932 info@d-profile.no

28

Turn static files into dynamic content formats.

Create a flipbook
Issuu converts static files into: digital portfolios, online yearbooks, online catalogs, digital photo albums and more. Sign up and create your flipbook.
New Arrivals 2023 by Duuri - Issuu