
1 minute read
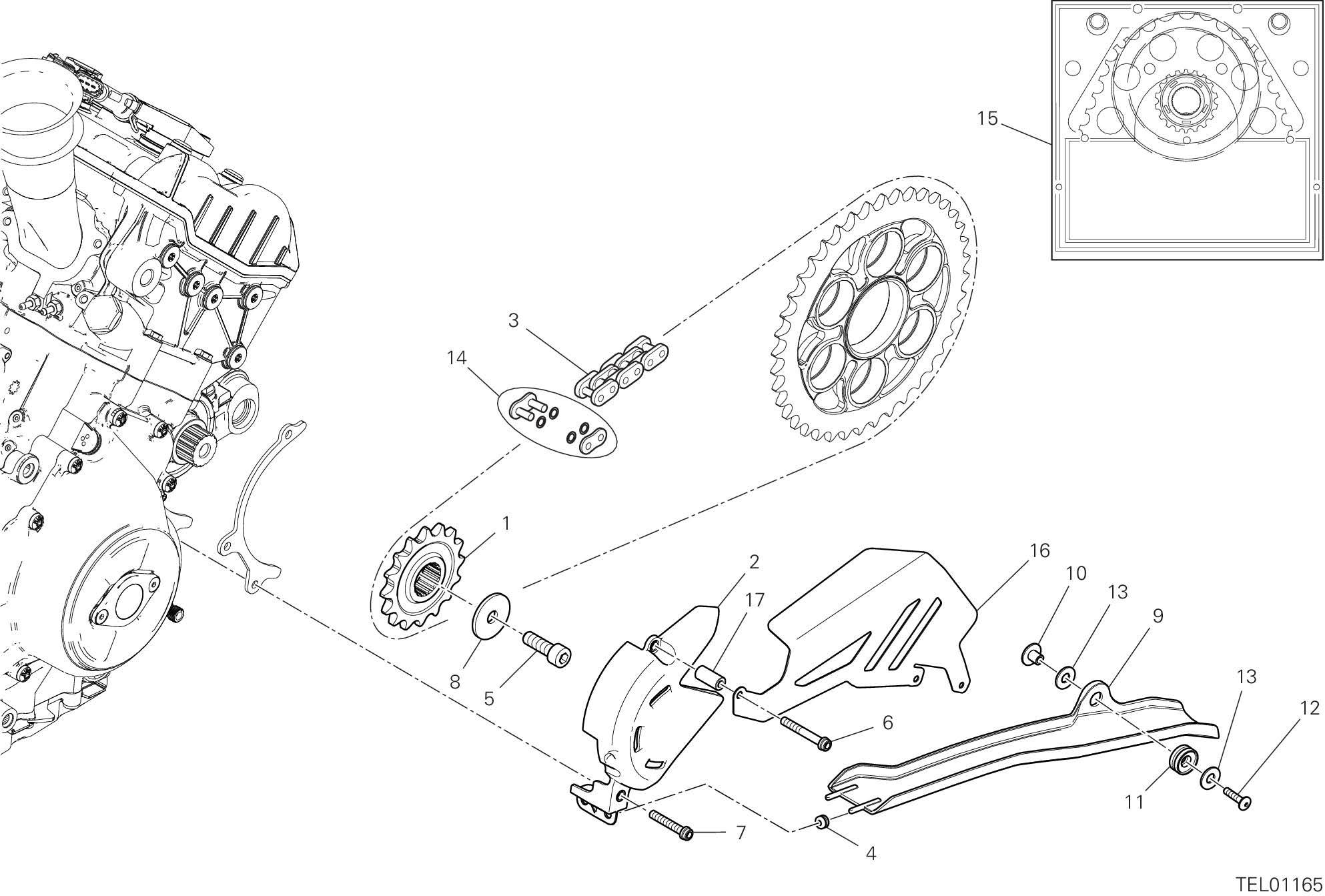
Drawing 17A - FRONT SPROCKET - CHAIN [MOD:PANV4 R;XST:AUS
POS. CODE
44910801A 4601G582A 67641601A 76440561A 77154337C 77156743C 77156723B 85212801A 46016761A 71615691AA 76411821A 77244213B 85640121A 67740033A 67621131A 44610401AA 71611701AA SPROCKET, CHAIN T16 CHAIN PINION COVER CHAIN 113+1 RUBBER PAD SCREW SCREW SCREW THRUST WASHER MUDFLAP SPACER VIBRATION DAMPER PAD SCREW WASHER CHAIN LINK FINAL DRIVE KIT CHAIN GUARD SPACER
Advertisement
DESCRIPTION QTY START DATE END DATE VALIDITY NOTES
1 1 1 2 1 1 1 1 1 1 1 1 2 1 1 1 1 09/11/2017 09/11/2017 09/11/2017 09/11/2017 09/11/2017 09/11/2017 09/11/2017 09/11/2017 12/11/2017 09/11/2017 09/11/2017 09/11/2017 09/11/2017
09/11/2017 09/11/2017









