
2 minute read
EXAMPLES OF SUSTAINABLE WATERWAYS ACTIONS
Example 1: Lifecycle costing and planning for maintenance of WSUD assets
WSUD assets are being constructed as part of new development to meet Council’s water management development controls. WSUD assets include a diverse range of infrastructure including gross pollutant traps, end of pipe bioretention systems, infiltration systems, wetlands, swales and streetscape raingardens. As these assets are relatively new to Council, asset management teams are less familiar with these assets and the associated costs of maintenance. Furthermore, these new assets require budgets to be allocated to maintenance teams to enable these assets to operate as they are intended to. An important part of this is to understand the lifecycle cost of WSUD assets that are being dedicated to Council.
The ACT Government implemented a waterway health improvement program. This project constructed $100 million in new WSUD assets. To understand the maintenance implications, the ACT Government undertook a life cycle costing exercise (for example refer Figure 19). This life cycle costing used two methods to determine the lifecycle cost. The first was to use existing data that had been captured by the broader industry. It also used an itemised bill of quantities approach collaborating with ACT Government staff to estimate the hours of staff and machinery and equipment required to maintain WSUD assets. This information was then used to inform future budgets to be allocated to the assets. It also informed the type of assets that were preferred by Council’s maintenance teams.

Examples Of Sustainable Waterways Actions
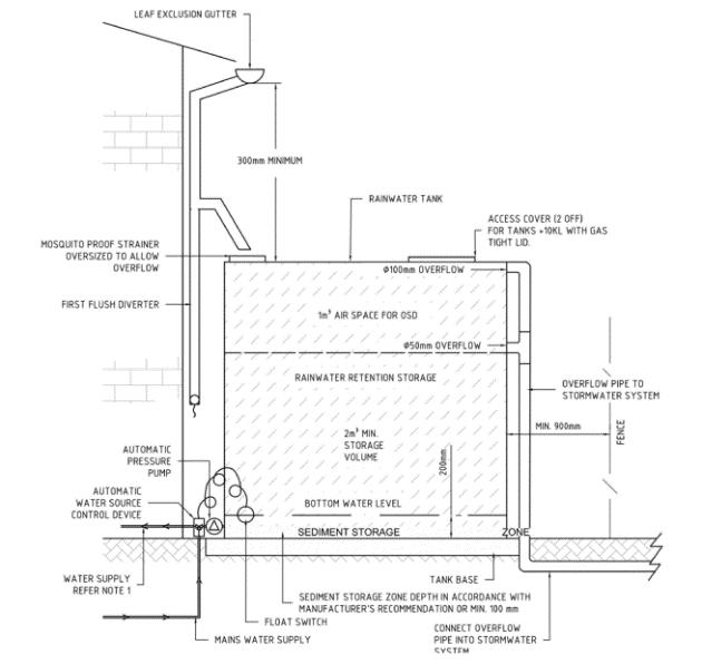
Example 2: Deemed to comply solutions
New WSUD infrastructure is being constructed as part of developer’s commitments to meet Council’s water management developments. A key opportunity for Council is for small scale development and infill development as well as those areas which are which are draining to less sensitive waterways (i.e. developments such as Junction Hill which drain directly to the Clarence River) there is the opportunity to implement simpler deemed to comply solutions for water quality. This could include for example a deemed to comply solution for rainwater tanks which outlines:
- minimum rainwater tank size

- minimum end use connections (for example plumbed internally to laundry, toilets and outdoor uses)
- minimum roof area to be connected
- overflow from rainwater tanks to on site infiltration systems (where appropriate)
This could then be used in place of end of pipe water quality basins and would make it simpler for developments to meet the water quality requirements and would focus Council WSUD assets and investments on those receiving waters which are sensitive to urban development.
Glossary
CEEC – Critically Endangered Ecological Community
CMP – Coastal Management Plan
CSP – Community Strategic Plan
CVC – Clarence Valley Council

DCP – Development Control Plan
DPE – Department of Planning and Environment
EEC –Endangered Ecological Community
ESL – Environmentally Sensitive Lands
LEP – Local Environment Plan
LGA – Local Government Area
LSPS – Local Strategic Planning Statement
OSD – On site detention
SEPP – State Environmental Planning Policy
WSUD – Water Sensitive Urban Design