
CONNECTING THE INDUSTRY



The Grid Code is the main instrument regarding reliability issued by the Energy Regulatory Commission (CRE) It corresponds to the general administrative provisions establishing the criteria of efficiency, quality, reliability, continuity, security, and sustainability of the National Electrical System (SEN), as provided in Article 12, section XXXVII of the Electrical Industry Law.
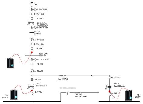
In general, the technical requirements that must be met in the network code are the following:
Strain
Frequency
Short circuit
power factor
Protection coordination
Control
Information exchange
Power quality (flicker, current harmonic distortion and current unbalance)
Performing an analysis of the network compliance code allows you to identify areas for improvement in regulating electrical safety regulations, and standards This process ensures facilities comply with established laws, avoiding penalties and ensuring legal compliance.
Risk Prevention: The analysis helps identify possible vulnerabilities in the electrical system that could represent risks to the security and integrity of facilities and personnel. By proactively correcting these deficiencies, you reduce the risk of accidents and promote a safer work environment
Full compliance with regulations and standards guarantees the operational efficiency of electrical installations to improve This results in reduced downtime, increased system reliability, and optimization of resources, contributing to more costeffective and efficient operations in the long term