



![]()





El Código de Red es el principal instrumento en materia de confiabilidad emitido por la Comisión Reguladora de Energía (CRE) Corresponde a las disposiciones administrativas de carácter general que establecen los criterios de eficiencia, calidad, confiabilidad, continuidad, seguridad y sustentabilidad del Sistema Eléctrico Nacional (SEN), conforme lo dispone el artículo 12, fracción XXXVII de la Ley de la Industria Eléctrica.
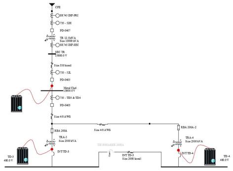
A manera general, los requerimientos técnicos que se deben cumplir en el código de red son los siguientes:
Tensión
Frecuencia
Cortocircuito
Factor de potencia
Coordinación de protecciones
Control
Intercambio de información
Calidad de la energía (flicker, distorsión armónica de corriente y desbalance de corriente)


Importancia de los estudios del análisis de cumplimiento de red


Optimización de Conformidad: Realizar un análisis del código de cumplimiento de red permite identificar áreas de mejora en relación con las normativas y estándares de seguridad eléctrica Este proceso garantiza que las instalaciones cumplan con las regulaciones establecidas, evitando sanciones y asegurando la conformidad legal
Prevención de Riesgos: El análisis ayuda a identificar posibles vulnerabilidades en el sistema eléctrico que podrían representar riesgos para la seguridad y la integridad de las instalaciones y el personal. Al corregir estas deficiencias de manera proactiva, se reducen los riesgos de accidentes y se promueve un entorno de trabajo más seguro
Mejora de la Eficiencia Operativa: Al garantizar el cumplimiento total de las normativas y estándares, se mejora la eficiencia operativa de las instalaciones eléctricas Esto se traduce en una reducción de tiempos de inactividad, una mayor confiabilidad del sistema y una optimización de los recursos, lo que contribuye a un funcionamiento más rentable y eficiente a largo plazo


