

D r o n e s e m m i ssã o d e p a z
![]()


D r o n e s e m m i ssã o d e p a z
Mauro Sérgio Crestani, Editor
Como quase tudo que o homem inventa, os drones podem servir ao bem ou ao mal, dependendo do grau de insanidade de quem utiliza. As aeronaves não tripuladas (tecnicamente, RPAS - remotely piloted aircraft systems) surgiram há muitas décadas, não surpreendentemente com objetivos militares, e têm provado sua (por assim dizer) “utilidade” nessa área a todo momento nos conflitos pelo mundo, incluindo os atuais, no Oriente Médio e Europa Oriental. Mas, ainda bem, cada vez mais a ferramenta é incorporada a atividades pacíficas, voltadas ao progresso da humanidade, não à sua exterminação. Hoje drones são aliados valorosos da agricultura, dos transportes, da segurança e da infraestrutura. No setor de energia elétrica, encaixou-se como luva às necessidades de sistemas baseados em linhas extensas e grandes equipamentos de potência, como é o caso brasileiro. Com voos supervisionados, câmeras, GPS, sensores, equipamento de termografia e processamento digital de imagens, os drones monitoram os ativos e detectam defeitos com muita rapidez e precisão. Além da economicidade, esse tipo de aplicação se reflete diretamente no custo da operação e nos índices de qualidade e continuidade do serviço de energia.
O advento das energias renováveis em larga escala, notadamente a solar e a eólica, agregou-lhes mais um fantástico campo de aplicação, como mostra a reportagem publicada nesta edição. Tanto que seu uso vem-se ampliando fortemente, no ritmo da expansão das próprias renováveis. Para se ter uma ideia, segundo a consultoria internacional Research Nester, o mercado mundial de drones para energias renováveis (renewable drones market) deve crescer à taxa anual média de 24,36% de agora até 2035, atingindo então cerca de US$ 335 milhões uma enormidade, considerando serem equipamentos com baixo custo relativo, devendo cair ainda mais ao longo dos próximos anos. O principal mercado, no campo das renováveis, é constituído pelas usinas solares fotovoltaicas, seguidas das eólicas. Drones coletam dados mais de 50 vezes mais rapidamente do que métodos tradicionais e fazendas solares são tipicamente grandes instalações, de modo que um RPAS equipado com câmeras apropriadas pode escanear toda uma fazenda muito mais rapidamente do que câmeras operadas manualmente no solo.
Mas o mundo dos drones não se restringe às grandes usinas e nem apenas a monitoramento/manutenção. Eles têm sido amplamente aplicados para avaliação e medição prévia dos locais de instalação, para subsidiar os projetos, seja uma área com quilômetros quadrados ou um simples telhado (e seu uso disseminado entre integradores de pequenos sistemas é prova disso). Além do mais, podem otimizar a própria instalação, fornecendo medições precisas e modelos do posicionamento de cada módulo. Por fim, fazendo isso tudo, ainda contribuem enormemente para a diminuição dos acidentes pessoais durante a manutenção e instalação.

Diretores: Edgard Laureano da Cunha Jr., José Roberto Gonçalves e José Rubens Alves de Souza (in memoriam )
REDAÇÃO
Editor: Mauro Sérgio Crestani (jornalista responsável – Reg. MTb. 19225) Redatora: Jucele Menezes dos Reis
PUBLICIDADE
Gerente comercial: Elcio Siqueira Cavalcanti
Contatos:
Eliane Giacomett – eliane.giacomett@arandaeditora.com.br; Ivete Lobo – ivete.lobo@arandaeditora.com.br
Pricilla Cazarotti – priscilla.cazarotti@arandaeditora.com.br Tel. (11) 3824-5300
REPRESENTANTES BRASIL:
Interior de São Paulo: Guilherme Freitas de Carvalho; cel. (11) 98149-8896; guilherme.carvalho@arandaeditora.com.br
Minas Gerais: Oswaldo Alípio Dias Christo – R. Wander Rodrigues de Lima, 82 cj. 503; 30750-160 Belo Horizonte, MG; tel./fax (31) 3412-7031; cel. (31) 99975-7031; oadc@terra.com.br
Paraná e Santa Catarina: Romildo Batista – R. Carlos Dietzsch 541, cj 204, bl. E; 80330-000 Curitiba, PR; tel. (41) 3209-7500 / 3501-2489; cel. (41) 9728-3060; romildoparana@gmail.com
Rio de Janeiro: Guilherme Freitas de Carvalho; cel. (11) 98149-8896; guilherme.carvalho@arandaeditora.com.br
Rio Grande do Sul: Maria José da Silva – Tel. (11) 2157-0291; cel. (11) 98179-9661; maria.jose@arandaeditora.com.br
INTERNATIONAL ADVERTISING SALES REPRESENTATIVES: China: Hangzhou Oversea Advertising – Mr. Weng Jie – 55-3-703 Guan Lane, Hangzhou, Zhejiang 310003; tel.: +86-571 8706-3843; fax: +1-928-752-6886 (retrievable worldwide); jweng@foxmail.com Germany: IMP InterMediaPartners – Mr. Sven Anacker – Beyeroehde 14, 42389 Wuppertal; tel.: +49 202 27169 13; fax: +49 202 27169 20; www.intermediapartners.de; sanacker@intermediapartners.de
Italy: Quaini Pubblicità – Ms. Graziella Quaini – Via Meloria 7 – 20148 Milan; tel.: +39 2 3921 6180; fax: +39 2 3921 7082; grquaini@tin.it
Japan: Echo Japan Corporation – Mr. Ted Asoshina – Grande Maison Room 303; 2-2, Kudan-kita 1-chome, Chiyoda-ku, Tokyo 102-0073; tel: +81-(0)3-3263-5065; fax: +81-(0)3-3234-2064; aso@echo-japan.co.jp
Korea: JES Media International – Mr. Young-Seoh Chinn – 2nd fl, Ana Building, 257-1, Myungil-Dong, Kandong-Gu, Seoul 134-070; tel: +82 2 481-3411; fax: +82 2 481-3414; jesmedia@unitel.co.kr
Switzerland: Rico Dormann – Media Consultant Marketing Moosstrasse 7, CH-8803 Rüschlikon; tel.: +41 44 720-8550; fax: +41 44 721-1474; dormann@rdormann.ch
Taiwan: Worldwide Services Co. – Ms. P. Erin King – 11F-2, No. 540 Wen Hsin Road, Section 1, Taichung, 408; tel.: +886 4 2325-1784; fax: +886 4 2325-2967; global@acw.com.tw
UK (+Belgium, Denmark, Finland, Norway, Netherlands, Norway, Sweden): Mr. Edward J. Kania – Robert G Horsfield International Publishers – Daisy Bank, Chinley, Hig Peaks, Derbyshire SK23 6DA; tel. +44 1663 750 242; mobile: +44 7974168188; ekania@btinternet.com
USA: Ms. Fabiana Rezak – 12911 Joyce Lane – Merrick, NY, 11566-5209; tel. (516) 858-4327; fax (516) 868-0607; mobile: (516) 476-5568; arandausa@gmail.com
ADMINISTRAÇÃO
Diretor Administrativo: Edgard Laureano da Cunha Jr.
PROJETO VISUAL GRÁFICO, DIAGRAMAÇÃO E EDITORAÇÃO ELETRÔNICA: Helio Bettega Netto
DEPARTAMENTO DE PRODUÇÃO: Vanessa Cristina da Silva e Talita Silva
CIRCULAÇÃO: Clayton Santos Delfino
Tel.: (11) 3824-5300; csd@arandaeditora.com.br
SERVIÇOS
Impressão: Ipsis Gráfica e Editora S.A.
Distribuição: ACF Ribeiro de Lima
TIRAGEM: 10.000 exemplares
FotoVolt é uma edição especial da Revista Eletricidade Moderna, publicação mensal da Aranda Editora Técnica e Cultural Ltda.
Redação, publicidade, administração e correspondência: Alameda Olga, 315; 01155-900 São Paulo, SP - Brasil. Tel.: +55 (11) 3824-5300; Fax: +55 (11) 3666-9585 em@arandaeditora.com.br – www.arandaeditora.com.br
ISSN 2447-1615






E X P O C E N TE R NO RT E, SÃO PAU LO, S P
— A maior plataforma latino-americana para a nova realidade energética e de mobilidade

Inscreva-se no Congresso Visite a Feira Gratuitamente * *Somente para inscrições online até 26 de agosto
Para visitar a feira ou increver-se no congresso acesse o site

maior feira & congresso da América Latina para o setor solar


A Intersolar South America é a maior feira & congresso da América Latina para o setor solar, enfocando os ramos de fotovoltaicos, produção FV e tecnologias termossolares. Simultaneamente, no Congresso Intersolar South America, especialistas renomados esclarecem assuntos atuais do setor Com vistas a alavancar o alto potencial de energia solar da América Latina, a Intersolar South America congrega fabricantes, fornecedoras, distribuidoras,
prestadoras de serviços e parceiras da indústria solar no esforço de criar um meio-ambiente mais limpo. A feira é a oportunidade ideal para discutir a situação atual e as tendências estratégicas dos mercados fotovoltaicos latino-americanos, bem como as inovações tecnológicas e as novas oportunidades de negócios. Com eventos distribuídos em quatro continentes, a Intersolar é mundialmente o principal ciclo de feiras e congressos para o setor solar.
Para visitar a feira ou increver-se no congresso acesse o site

O evento essencial para baterias e sistemas de armazenamento de energia na América Latina

A ees South America e o evento essencial para baterias e sistemas de armazenamento de energia na América Latina, enfocando soluções de armazenamento de energia para apoiar e complementar sistemas energéticos com número crescente de fontes renováveis de energia, e integrando prossumidores e veículos elétricos. A ees South America congrega investidores, concessionárias,

instaladoras, fabricantes e empreiteiras do mundo todo. A feira é a oportunidade ideal para discutir a situação atual e as tendências estratégicas dos mercados fotovoltaicos latino-americanos, bem como as inovações tecnológicas e as novas oportunidades de negócios. Juntamente com a ees Europe em Munique e a ees India em Gandhinagar, o ciclo de feiras ees está representado em três continentes.
Para visitar a feira ou increver-se no congresso acesse o site


A Eletrotec+EM-Power South America é o evento de infraestrutura elétrica e gestão de energia, enfocando tanto tecnologias de distribuição de energia elétrica quanto serviços e soluções informáticas para gestão de energia aos níveis de rede, de serviços públicos e de edificações. A feira é voltada para
profissionais e empresas dos ramos de projeto, montagem e manutenção de infraestrutura elétrica atuando em geração distribuída a partir de fontes renováveis, redes de distribuição aérea e subterrânea, subestações transformadoras, iluminação pública, instalações industriais e prediais
Para visitar a feira ou increver-se no congresso acesse o site

A feira e congresso fundamental para infraestrutura de carregamento e eletro-mobilidade na América Latina

Em 2024, a Power2Drive South America fará sua estreia como a feira & congresso fundamental para infraestrutura de carregamento e eletromobilidade na América Latina, enfocando a relevância do carro elétrico na matriz energética e na sustentabilidade do transporte no futuro, e apresentando soluções inovadoras de carregamento, conceitos de bateria e modelos de negócios para uma eletromobilidade sustentável. A Power2Drive South America é o ponto de encontro ideal para
fabricantes, fornecedoras, instaladoras, distribuidoras, administradoras de frotas e de energia, fornecedoras e eletro-mobilidade e novas empresas. A feira é uma oportunidade para discutir a situação atual e as tendências estratégicas dos mercados fotovoltaicos latino-americanos, bem como as inovações tecnológicas e as novas oportunidades de negócios Juntamente com a Power2Drive Europe em Munique e a Power2Drive India em Gandhinagar, o ciclo de feiras está representado em três continentes.


Os investimentos na produção das tecnologias-chave da energia limpa solar fotovoltaica, eólicas, baterias, eletrolisadores e bombas de calor tiveram aumento superior a 70% em 2023, segundo relatório da Agência Internacional de Energia (IEA, na sigla em inglês). De acordo com o estudo inédito, intitulado Advancing Clean Technology Manufacturing, o mercado atingiu no ano passado US$ 200 bilhões, contra US$ 115 bilhões de 2022.
timentos. O primeiro é a concentração de quase 40% do total investido para instalações que entrarão em operação em 2024, sendo que apenas no segmento de baterias aproximadamente 70% da produção se destina a sistemas com partida programada para este ano.
O segundo tem a ver com o fato de 85% dos projetos de usinas solares e um terço dos sistemas de baterias comprometidos estarem programados para 2025. Nesse caso, apenas essas instalações, combinadas com as já instaladas, devem produzir cerca de 150% (energia solar fotovoltaica) e 55% (baterias) referentes aos níveis de implantação global em 2030, previstos no Cenário de Emissões Líquidas Zero até 2050 (Cenário NZE) da IEA.

Os destaques entre as tecnologias, porém, foram a solar fotovoltaica, cujos recursos financeiros para produção de módulos e demais componentes mais do que dobraram em 2023, seguida pelas baterias, que tiveram crescimento de 60%. Juntas, as duas soluções representaram 95% do total investido.
A China respondeu por três quartos do investimento nas tecnologias, ante 85% em 2022. Isso porque Estados Unidos e União Europeia fizeram avanços significativos, com participação combinada de 16% em 2023, contra 11% no ano anterior. Índia, Japão, Coreia e Sudeste Asiático compuseram o restante dos aportes. Já África e Américas Central e do Sul, segundo o relatório, praticamente não registraram investimento em manufatura das tecnologias analisadas.
Para o estudo, há três sinais reveladores do impulso contínuo dos inves-
Já o terceiro sinal se refere à parte da capacidade programada para entrar em operação até o final da década, os quais já evidenciam comprometimento financeiro detectado pela análise da agência. “A produção recorde de usinas solares fotovoltaicas e de baterias está impulsionando transições de energia limpa e o forte pipeline de investimentos em novas instalações e expansões de fábricas deve adicionar mais impulso nos próximos anos”, disse o diretor executivo da AIE, Fatih Birol.
Embora a China abrigue atualmente mais de 80% da capacidade global de fabricação de módulos solares fotovoltaicos, o relatório conclui que a fabricação de células de bateria pode se tornar menos concentrada geograficamente até o final desta década. Se todos os projetos anunciados forem realizados, a Europa e os Estados Unidos poderão atingir cada um cerca de 15% da capacidade instalada global até 2030.
Apesar disso, o relatório aponta que a China continua sendo o produtor com menor custo de todas as tecnologias de energia limpa. As instalações de fabricação de baterias, eólicas e solares fotovoltaicas são 20% a 30% mais caras de construir na Índia do que na China, e 70% a 130% mais caras nos Estados Unidos e na Europa. Mas, segundo a agência, a maior parte dos custos totais de produção das tecnologias, entre 70% e 98%, tem origem nos custos operacionais, o que permite concluir que o cenário pode ser minimizado no longo prazo por políticas nacionais de incentivos.
Para baixar o relatório: https:// www.iea.org/reports/advancingclean-technology-manufacturing
Aconsultoria CELA - Clean Energy Latin America, especializada em assessoria financeira e estratégica para investidores do setor de energia renovável, criou uma nova área de negócios voltada para assessoramento de fusões e aquisições (M&A) e financiamento de projetos (project finance). O serviço é direcionado a projetos de energia eólica, solar, armazenamento de energia e hidrogênio verde.
A meta da consultoria com a nova unidade é dobrar o volume de negócios. Na última década, segundo comunicado da empresa, foram assessorados 3,5 GW em transações nos setores de energia eólica e solar, o que inclui

empreendimentos de geração centralizada e de geração distribuída de diferentes portes.
A nova área passa a ter uma equipe dedicada nos processos de M&A e project finance, que será comandada por Irving Petrazzini, executivo com passagens pelo Banco Votorantim, Morgan Stanley, BTCompany e Digital House. Formado em engenharia elétrica pela Poli-USP, Petrazzini tem experiência na estruturação e execução de estratégias de crescimento baseadas em aquisições.
Segundo estudo recente da CELA, os acordos com fusões e aquisições no setor de energias renováveis somam cerca de R$ 50 bilhões acumulados no Brasil nos últimos dez anos. De acordo com o estudo, foram mapeados mais de 50 GW de projetos e empresas transacionadas entre 2014 e 2023, período que registrou aumento de mais de 400% no número de transações mapeadas anualmente. Nos últimos 24 meses, entre 2022 e 2023, foram mapeadas mais de 60 transações, totalizando aproximadamente R$ 25 bilhões e uma capacidade de 30 GW em transações.
ASolfácil, que atua em financiamento e em distribuição de equipamentos solares, inaugurou um novo centro de distribuição em Jundiaí, SP. Sob investimento de R$ 200 milhões, o novo CD visa otimizar a logística da empresa na região Sudeste, com a redução mé-

O novo CD visa otimizar logística na região Sudeste, com redução média de quase 50% nos dias de entrega dos equipamentos solares
dia do prazo de entrega em quase 50%, dos atuais 11 dias úteis para seis dias. Com mais de 13 mil metros quadrados de área útil, o espaço vai armazenar todos os equipamentos distribuídos pela Solfácil, incluindo inversores on-grid e híbridos, baterias, carregadores veiculares, acessórios para kits fotovoltaicos e o hardware IoT Ampera, um dispositivo inteligente proprietário da empresa que monitora os sistemas de energia solar.
O novo centro de distribuição faz parte de plano nacional logístico da Solfácil. Isso porque, há um ano, foi inaugurado um outro em Jaboatão dos Guararapes, Pernambuco, no qual a empresa investiu R$ 100 milhões em um armazém de 6.200 m2. Segundo a empresa, o investimento permitiu redução de 30% no prazo de entrega na região Sudeste. Além disso, há também um CD em Itajaí, Santa Catarina. “Estamos buscando proximidade dos parceiros das regiões Sudeste, Centro-Oeste e Nordeste. Além de aumentar a eficiência operacional e reduzir o tempo de transporte, estaremos mais bem preparados para atender à alta demanda do mercado. O novo CD conta com um sistema de gestão automatizado,” disse o COO da Solfácil, Brainer Martins. Para 2024, a empresa projeta um crescimento de 43% em todas as operações.
APPP, usinas com o total de 4,1 MW de potência instalada, o suficiente para suprir a demanda energética de 441 unidades consumidoras de baixa tensão do município, como unidades básicas de saúde e o Mercado Público, além de estações e edificações do Dmae - Departamento Municipal de Água e Esgotos.
A iniciativa, segundo justificativa do edital, visa reduzir as emissões do município em cerca de 4.600 toneladas de CO2 por ano. Além disso, os custos anuais com energia elétrica devem cair cerca de R$ 15 milhões com a geração de créditos de compensação dos projetos de geração distribuída.

A contratação será na modalidade de concessão administrativa e o parceiro privado da PPP deverá, além de implantar, operar e manter as usinas, também se responsabilizar pela gestão dos créditos de compensação, que serão abatidos das contas de energia das unidades consumidoras por um período de 26 anos.
prefeitura de Porto Alegre, no Rio Grande do Sul, abriu licitação no dia 29 de maio para constituição de parceria público-privada (PPP) responsável pela implantação, operação e manutenção de usinas solares fotovoltaicas na capital gaúcha.
Segundo o edital publicado no Diário Oficial de Porto Alegre, o vencedor deverá implantar, por meio da
O programa de geração solar distribuída se somará à iniciativa de migração ao mercado livre de energia em andamento na prefeitura e no Dmae, que visa suprir a demanda de unidades de média tensão. Desde março deste ano, o consumo dos prédios municipais da administração centralizada já registra economia de R$ 34 mil na fatura de energia, com 8% das unidades consumidoras migradas. Já no Dmae a economia já chega a R$ 880 mil.
Ações para ajudar as vítimas das enchentes
Oprojeto Energia Amiga (@energiaamigabr), coordenado por Caroline Raduns, engenheira eletricista e professora da Unijuí – Universidade Regional do Noroeste do Estado do Rio Grande do Sul, juntamente com a Abracopel – Associação Brasileira de Conscientização para os Perigos da Eletricidade (@abracopel), está realizando uma campanha de arrecadação de materiais elétricos, como lâmpadas, tomadas, interruptores, condutores e outros. A ação tem como objetivo contribuir para que as instalações elétricas das residências atingidas pelas chuvas possam ser reconstruídas. Mais informação pode ser obtida pelo e-mail energiaamiga@unijui.edu.br.

Projeto de professora da Unijuí faz campanha para doação de material elétrico. JA Solar doa água e pede auxílio para as vítimas.
Já a Solar lançou a campanha “O Sol que gera energia é o mesmo que leva esperança”. Além da doação de uma carreta de água potável com mais de 54 mil litros, empresa uniu esforços com parceiros, distribuidores e outros players do mercado de energia solar. A JA está fazendo as doações por meio da empresa de água mineral Dias D’ávila, a qual ofereceu um preço promocional para atender as doações e fica responsável pela entrega segura das carretas na Cruz Vermelha, enviando fotos e comprovantes.
Para quem quiser doar diretamente – na Dias D’ávila: WhatsApp 71 99726-4100 (Inácio). Na Cruz vermelha: R. Feijor Junior, 269, São Pelegrino (Município de Caxias do Sul), CEP 95034- 160; financeiro@ cvbcxs.org.br ou secretaria@cvbcxs.org.br; telefone (54) 3538-3448; WhatsApp 54093300-3448; Facebook e Instagram: @cruzvermelhabrasileiracxs
A migração das unidades consumidoras, quando totalmente concluídas, vai gerar economia aproximada de R$ 10 milhões ao ano, com redução aproximada de 3.200 toneladas de CO2 com a compra de energia renovável. Treze unidades consumidoras (UC) compõem o lote que foi arrematado em janeiro por R$ 50 milhões.
AEletrobrás assinou um memorando de entendimento (MoU) com a Green Energy Park (GEP) para avaliar oportunidades de produção de H2R a preços competitivos, acelerando a transição energética. A empresa também oficializou acordo com o governo do Ceará para suprimento de energia renovável, fomento a descarbonização da economia e promoção da cadeia de produção de hidrogênio de baixo carbono em futuros projetos industriais no estado.
A parceria com a Green Energy Park visa contribuir para a produção de hidrogênio renovável e derivados a preços competitivos para impulsionar a economia verde e a segurança energética. A colaboração combinará recursos de mais de 10 GW, disponíveis para produção de H2R na Eletrobras, com uma plataforma única de produção de hidrogênio e derivados, projetada e implementada pela Green Energy Park.
O memorando assinado entre a Eletrobras e o governo do Ceará tem como objetivo o desenvolvimento de projetos de transição energética, de descarbonização da economia e de fomento ao hub de hidrogênio de baixo carbono no Estado, estimulando a cadeia de produção na região. O acordo prevê o fornecimento de energia renovável e de hidrogênio verde a futuros projetos industriais no Ceará, bem como a busca por soluções para o escoamento de energia elétrica onde há desenvolvimento de projetos eletrointensivos.

e derivados a preços competitivos


Com localização geográfica diferenciada, o Estado do Ceará se destaca na geração de energia elétrica a partir de fontes renováveis, como solar e eólica. Além disso, o estado, por meio do hub de hidrogênio verde, no Complexo do Pecém, incentiva as oportunidades de negócios com o suprimento de energia renovável.
A Eletrobras já assinou este ano outros dois memorandos de entendimento para o desenvolvimento de H2R: em abril, com o governo do Maranhão, para suprimento de energia renovável na cadeia de produção de hidrogênio de baixo carbono em futuros projetos industriais no Estado; e em março, com o braço no Brasil da Paul Wurth, de Luxemburgo, para parceria no mercado de produção e utilização de hidrogênio renovável em processos industriais.
No final do ano passado, a planta de hidrogênio renovável da usina hidrelétrica de Itumbiara, operada pela Eletrobras Furnas, na fronteira dos estados de Minas Gerais e Goiás, obteve a primeira certificação brasileira de hidrogênio renovável da Câmara de Comercialização de Energia Elétrica (CCEE). A produção acumulada chegou ao final de 2023 somando duas toneladas.
Atualmente, estão sendo desenvolvidos três projetos em Itumbiara: um que estuda novas tecnologias para produção de hidrogênio; outro referente à operação e manutenção, envolvendo capacitação de mão de obra; e, ainda, um projeto de armazenamento em baterias.
OLuz Para Todos, programa federal de universalização dos serviços de energia elétrica, contabilizou o atendimento a mais de 150 mil moradores de regiões remotas da Amazônia Legal, nos últimos cinco anos, com o uso

exclusivo de kits solares fotovoltaicos. Além de módulos e inversores, os equipamentos instalados nas moradias contam com controladores e baterias de lítio.
De acordo com o Ministério de Minas e Energia, até 2026 a meta é ampliar o número de beneficiados para cerca de 900 mil pessoas, com a instalação dos kits em 228.287 unidades consumidoras. O programa foi criado em 2003 no primeiro governo do presidente Lula e já levou desde então, segundo o MME, energia elétrica para 17,3 milhões de pessoas, em 26 estados.
Ainda com a extensão da rede de distribuição em outras regiões, até 2026 devem ser beneficiados ao todo cerca de 2 milhões de pessoas. Em comunicado do MME, o ministro Alexandre Silveira ressaltou que a energia solar é voltada para comunidades onde não é possível fazer extensões de rede.
Os consumidores da classe C – média baixa – já representam 45% do total de pedidos de crédito para instalação de projetos solares em residências da plataforma Meu Financiamento Solar, fintech do banco BV. O percentual é referente ao primeiro trimestre deste ano.
O resultado representa um crescimento de quatro pontos percentuais sobre o mesmo período de 2023, quando
a classe C representava 41% do total. Como consequência do aumento da demanda nesse público, os pedidos de financiamento das classes com maior poder aquisitivo caíram. Na classe B, passaram de 37% em 2023 para 35% neste ano, e para a classe A, de 10% no ano passado para 9% em 2024.
“O cenário demonstra a popularização e a atratividade da tecnologia para todos os perfis de consumidores, beneficiando sobretudo os consumidores com menor poder aquisitivo, cuja conta de luz representa um enorme peso no orçamento familiar”, disse a diretora da empresa, Carolina Reis. Segundo ela, outro fator que tem impulsionado a contratação de crédito para instalação de painéis solares são as constantes quedas da taxa Selic desde a metade do ano passado, além da redução em torno de 40% no preço dos kits solares no último ano. “Com o custo do crédito mais atrativo, os consumidores passaram a adotar a energia

solar também para se blindarem da inflação energética e da aplicação de bandeiras vermelhas”, disse.
Aprefeitura de Santo André, no ABC paulista, inaugurou uma usina solar fotovoltaica de geração distribuída de 987 kWp. Batizada de UPES I – Unidade de Produção de Energia Solar, a instalação tem 1764 módulos solares



Ao todo a prefeitura vai ter até o m do ano quatro usinas de geração distribuída para gerar créditos para edi cações públicas
fotovoltaicos e ocupa área de 11 mil metros quadrados na Rua José Marçon, no bairro Jardim Las Vegas.
O projeto inaugurado é a primeira fase de um conjunto fotovoltaico com mais três usinas fotovoltaicas que, juntas, terão 8820 módulos de 560 Wp cada, totalizando 4,92 MWp de capacidade. Uma segunda será implantada na Avenida dos Estados, com 2352 módulos (1,31 MWp) e as outras duas ocuparão área de aterro sanitário no bairro Cidade São Jorge, com mais 4704 módulos e 2,63 MWp de potência.
Sob investimento total de R$ 41 milhões, oriundos do fundo de iluminação pública do município, o complexo quando concluído terá capacidade de gerar 517.787 kWh por mês, o que ocorrerá ainda neste ano. Segundo comunicado da prefeitura, o projeto será o maior complexo municipal de energia solar do Brasil e ocupará no total 56 mil metros quadrados, contribuindo com as metas de descarbonização de Santo André com a redução de emissões de 4 toneladas de CO2 por ano.
A energia elétrica das usinas, conectadas na rede da Enel, será consumida por prédios públicos e pela iluminação pública na forma de créditos de compensação de geração distribuída gerada no conjunto de usinas. Na primeira semana de operação, no fim de maio, a prefeitura divulgou já ter gerado R$ 20 mil em créditos, que serão abatidos do custo com iluminação pública.
O retorno sobre o investimento, ainda segundo a prefeitura,
é estimado em 7,4 anos. “A partir daí a usina passa a gerar benefícios financeiros que, durante a vida útil do parque, são estimados em R$ 138 milhões”, afirmou a prefeitura no comunicado.
Oprocesso produtivo de sistemas de armazenamento de energia elétrica por baterias (BESS, na sigla em inglês) passou a ser padronizado no Brasil por meio da publicação no Diário Oficial da União, no dia 14 de maio, da portaria interministerial MDIC/MCTI de número 54. O chamado Processo Produtivo Básico (PPB) estabelece critérios que deverão ser atendidos para os fabricantes atestarem a industrialização local de baterias de chumbo e de íons de lítio.
Para ser qualificado dentro do PPB a empresa precisará seguir vários itens de etapas produtivas exigidas, a começar pelo atendimento a portarias anteriores (MCT 950/06, MCTIC 356/18, MCTIC 3303/18 e MCTIC 4514/21) que estabelecem normas para caracterizar projetos de desenvolvimento nacionais. Na sequência, há mais cerca de 20 itens, divididos em tabelas específicas e separadas para as baterias de chumbo e de lítio. Cada atendimento, se comprovado, gera pontuações também estabelecidas nas tabelas.
Os pontos totais atribuídos, acumulados a cada etapa de produção

Fabricantes precisam atender etapas produtivas e garantir pontuação para atestar industrialização local
realizada, deverão atender metas de pontuação mínima, também estabelecidas em cronograma da Portaria, que valem de forma gradualmente mais exigentes e com faixas de atendimento específicas para os períodos de 2024 a 2025, 2026 a 2027 e para 2028 em diante. Segundo a norma, a pontuação será dada por técnicos de comprovado conhecimento e que atendam às portarias específicas do MCTI.
Entre as etapas, é preciso comprovar que o fabricante investiu em pesquisa, desenvolvimento e inovação adicional (PD&IA) nos projetos, valendo 20 pontos para cada 1% investido sobre o faturamento bruto anual. Com outros itens que exigem partes dos sistemas que precisam ser nacionalizados, como moldagem por injeção de partes plásticas, o que gera mais pontos é o de fabricação das células de carga do módulo acumulador de energia elétrica, feitos por vários processos, com tratamento químico, moldagem, enrolamento e encapsulamento das células.
Já válida a partir da data da publicação, a Portaria define o BESS (do inglês Battery Energy Storage System) como sistema composto por um banco de baterias de chumbo ou de lítio, por sistema de monitoramento de baterias (BMS, Battery Management System) e por sistema de conversão de potência (PCS, Power Conversion System). Além disso, o BESS deve ter sistema de gerenciamento de energia (EMS, Energy Management System) e componentes adicionais para climatização e segurança contra incêndio.
Chint Power fecha parceria com distribuidoras no sul
AChint Power, fabricante chinesa de inversores fotovoltaicos, fechou acordo comercial com duas distribuidoras com atuação na região Sul do país. As parcerias são com as empresas Odex Distribuidora, de Maringá, no Paraná, e a OIW, de Taquari, no Rio


chinês de inversores passa a contar com a representação das empresas Odex, do Paraná, e OIW, do
Grande do Sul. Em março, a chinesa já havia fechado contrato de representação com a distribuidora Carmehil, de Fortaleza, no Ceará, para comercialização de seus inversores no Nordeste.
Os contratos com as distribuidoras do Sul já envolveram, no primeiro mês, a compra de 40 contêineres de inversores tipo string, o que segundo a Chint corresponde a aproximadamente R$ 54 milhões em produtos, com potência total de até 200 MW. “As duas empresas serão importantes para a expansão que estamos estruturando para o Brasil para os próximos anos, sendo um elo fundamental com os integradores e instaladores”, disse a diretora executiva para a América Latina da Chint Power, Raquel Zhou.
A Chint Power tem linha de inversores monofásicos de 3-10 kW, trifásicos de 6-30 kW e trifásicos 220 V de 18-36 kW. Para aplicações comerciais e industriais, há soluções com potências entre 6-275 kW. Segundo divulgado pela empresa, há mais de 1 milhão de inversores da marca instalados em mais de 140 países e sua receita anual soma mais de US$ 18 bilhões.
AXS Energia obtém financiamento para usinas solares
AAXS Energia, integrante do grupo Roca no setor de energia renováveis, consolidou no primeiro trimestre de 2024 uma nova operação de longo prazo para o financiamento de usinas
de energia solar na modalidade de micro e minigeração distribuída. O valor total da operação foi de US$ 31,3 milhões.
A operação, via credit loan tomado pela AXS Delaware (subsidiária da AXS Energia) com fundos do grupo CIFI e Triodos, possibilitou o recurso para construção de 14 usinas de produção de energia fotovoltaica nos estados de Mato Grosso, Minas Gerais, São Paulo e Paraná, com capacidade instalada total de 39,7 MWp. O processo teve como coordenador líder a XP Investimentos.
Segundo comunicado da AXS, a ação marca um passo significativo na expansão da sua infraestrutura de energia renovável no Brasil “por meio da energia solar compartilhada, somando ainda com a geração de empregos e com a economia das regiões de operação das usinas”, disse o diretor comercial da AXS Energia, Eduardo Coutinho.
Projeções da empresa indicam que a iniciativa pode mitigar mais de 40.000 toneladas de CO2 na atmosfera anualmente, e que as usinas vão gerar mais de 760 postos de trabalho, direta e indiretamente, impulsionando a economia das comunidades envolvidas.
rica Latina e no Caribe. Desde sua fundação em 2001, o Grupo CIFI já analisou mais de 600 projetos e participou de mais de 200 transações, totalizando um valor superior a US$ 2,0 bilhões.
s investimentos na fonte solar fotovoltaica atingiram R$ 200 bilhões no Brasil, segundo levantamento da Absolar – Associação Brasileira de Energia Fotovoltaica. O cálculo se baseia no total acumulado em geração centralizada e distribuída, que segundo acompanhamento da Aneel soma 42,5 GW, sendo 13,6 GW e 28,9 GW respectivamente.
Na geração distribuída, os investimentos equivalem a cerca de R$ 142 bilhões, R$ 42,2 bilhões em arrecadação e mais de 867 mil empregos acumulados

O financiamento foi viabilizado pelo Grupo CIFI, que tem experiência em projetos de infraestrutura na Amé-

desde 2012. Já na centralizada, as grandes usinas atraíram cerca de R$ 58,4 bilhões em investimentos acumulados e mais de 407,4 mil empregos.
De janeiro a abril deste ano, de acordo com a apuração da Absolar com base nos dados da agência, a fonte solar adicionou 5,4 GW na matriz elétrica nacional. Isso faz sua participação equivaler a cerca de 18% do total da matriz. Ainda segundo cálculos da associação, o setor já evitou a emissão de 51,9 milhões de toneladas de CO2 na geração de eletricidade.


De acordo com a entidade, desde 2012 os negócios com a fonte geraram mais de 1,2 milhão de empregos no País. “A energia solar é uma das fontes mais competitivas. Quem investe consegue economizar até 90% na conta de energia. E o retorno é rápido, pois o preço das placas caiu mais de 50% no ano passado”, disse o presidente do conselho de administração da Absolar, Ronaldo Koloszuk.
AONG Revolusolar entregou recentemente dois novos projetos para combater a pobreza energética no País. O primeiro deles foi realizado nas favelas da Babilônia e Chapéu Mangueira, no Leme, bairro da Zona Sul do Rio de Janeiro, e permitiu dobrar a capacidade de geração de energia da primeira cooperativa de energia solar em favelas do Brasil, a Cooperativa Percília e Lúcio de Energias Renováveis. Criada em 2021, a cooperativa contava até então com uma usina de energia solar de 26 kW instalada no telhado da Associação de Moradores, beneficiando 34 famílias, que economizam em média 40% em seus gastos com energia. Foram agora instalados 55 novos módulos solares na quadra esportiva do Morro da Babilônia, com financiamento da TotalEnergies e outros parceiros. A nova instalação tem capacidade de 29 kWp e beneficia mais 40 famílias que passam a fazer parte da cooperativa solar local, totalizando 74 famílias economizando em suas contas de energia.
solar com 7 kWp de capacidade entrou em operação. O sistema possibilitará economia de cerca de R$ 700 reais por mês (90%) na fatura de energia da ONG, que poderá direcionar o recurso para a implantação de novas atividades para a comunidade beneficiada. A ONG atende 400 jovens e adultos em situação de vulnerabilidade no Rio de Janeiro, oferecendo atividades como informática, culinária e costura. Programa de Formação Profissional –As instalações realizadas na Cooperativa Percília e Lúcio de Energias Renováveis e na Anjinho Feliz estão sendo feitas por homens e mulheres formados no Programa de Formação Profissional promovido pela Revolusolar. A metodologia da ONG inclui, além da instalação da energia sustentável, oficinas de educação e cultura e a capacitação profissional de moradores locais para realização das instalações e posteriores manutenções das placas solares.

O segundo dos novos projetos em parceria foi realizado na ONG Anjinho Feliz, na Cidade Nova, bairro central do Rio de Janeiro que possui os piores indicadores sociais da cidade. Na primeira quinzena de maio uma usina
Um dos critérios de seleção para os cursos é a equidade de gênero, com o objetivo de aumentar a presença das mulheres em um mercado de trabalho em expansão. Nas comunidades, onde a maioria dos lares é chefiado por mulheres, investir em capacitação profissional e empregos sustentáveis não só beneficia diretamente dezenas de famílias, mas também contribui para a redução das desigualdades de gênero e para o fortalecimento da economia local, diz comunicado da Revolusolar.

ALongi, fabricante chinesa de equipamentos solares, fechou contrato com a RZK Energia para atender demandas de projetos equivalentes a 100 MW em módulos solares fotovoltaicos no Brasil. A RZK atua em geração, comercialização e gestão de energia e tem potência instalada de 210 MW entre usinas solares e a biogás. Segundo comunicado das empresas, o acordo tem o objetivo ainda de integrar recursos financeiros e tecnológicos para a ampliação da oferta de soluções em geração renovável, comercialização e eficiência energética, tanto em geração distribuída quanto no mercado livre. As empresas já tinham feito acordo similar no passado, que resultaram em projetos de geração distribuída e no atendimento a clientes como Banco Santander, TIM e RaiaDrograsil.

Segundo comunicado, parceria envolverá 100 MW em módulos e ainda integração de recursos nanceiros para ampliar projetos de geração
De acordo com o presidente da Longi nas Américas, Brad Li, o Brasil tem papel fundamental na estratégia da empresa para a região, o que justifica a parceria a longo prazo. “As alterações nas cadeias de suprimentos elevarão a posição econômica do Brasil na indústria global de manufatura. A RZK é uma empresa que atua no mercado brasileiro há mais de uma década com proeminência e seguirá ten-

do um desempenho favorável com nosso apoio tecnológico”, disse Li. Ainda como parte do acordo, as empresas também se comprometeram com a cooperação mútua em pesquisa e desenvolvimento, promoção de marca, capacidade de serviço e estratégias de vendas.
Migração ao ACL – A Power Mais, rede de franquias de integração solar fotovoltaica, de São José do Rio Preto, SP, firmou parceria com a comercializadora de energia do banco BTG Pactual para vender o serviço de migração para o Ambiente de Contratação Livre, o ACL. A ideia é permitir que todos os franqueados prospectem clientes. Com a parceria, a franquia, assim como vários outros novos competidores, aproveita a nova onda de migrações iniciada




























































































neste ano com a abertura do ACL para todos os consumidores de média e alta tensão do grupo A, mesmo os que tenham demanda contratada abaixo de 500 kW, que até então estavam impedidos de acessar o mercado livre. Trata-se de mercado com potencial superior a 100 mil novas unidades consumidoras.
A Power Mais vai efetuar todo o processo burocrático para realizar a transição da companhia elétrica antiga para o novo fornecedor.
10 GW de trackers – A Nextracker ultrapassou o marco de fornecimento de rastreadores solares para 10 GW em projetos de geração centralizada, tanto em operação quanto em desenvolvimento. A empresa já está presente em importantes usinas fotovoltaicas do País, como o complexo solar Janaúba, no norte de Minas Gerais, considerado o maior do Brasil, com 1,6 GW, e nos parques solares Sol do Cerrado (MG), Hélio Valgas (MG), Mendubim (RN),
Belmonte (PE), Boa Sorte (MG) e Pirapora (MG). A empresa possui um Centro de Excelência Solar, localizado em Sorocaba (SP), que é o primeiro espaço de P&D com o objetivo de exportar a tecnologia desenvolvida localmente para a aplicação em projetos globais. O local também funciona como treinamento de mão de obra especializada, com cursos práticos e multifuncionais para trabalhadores do setor de energia renovável e empresas que atuam com parques solares. O laboratório realiza pesquisas sobre o ciclo de vida dos sistemas de rastreadores solares, visando o aumento da produção de energia solar. Desde a sua criação, em 2022, já foram patenteados mais de 500 projetos. Segundo nota da empresa, atualmente a Nextracker tem 38% do mercado brasileiro de rastreadores e ocupa a primeira posição no ranking divulgado pela Wood Mackenzie Power & Renewables. Há oito anos no Brasil, a empresa celebra
o crescimento de 67% da equipe local só em 2024.
Eletropostos – A Kinsol, rede de franquias que atua em solar, eletromobilidade e no mercado livre de energia, anunciou investimento de R$ 150 milhões para instalar até o final de 2025 um total de mil eletropostos ultrarrápidos na capital paulista e em cidades da região metropolitana de São Paulo. Os sistemas que serão instalados, segundo a empresa, demandam de 20 a 40 minutos de tempo para concluir a carga total dos veículos elétricos. De acordo com o CEO da Kinsol, Mauricio Crivelin, todos os eletropostos terão seus serviços cobrados, “para garantir o andamento do empreendimento”, disse o executivo. O programa será viabilizado com recursos de investidores, que segundo comunicado lhes garantirá rentabilidade de 1% a 6%.

Se a característica da tecnologia solar de se adaptar aos mais variados tipos de terrenos e coberturas é mais um entre os vários motivos que a fazem crescer no mundo todo, da mesma forma ela é uma condição complicadora para a elaboração de projetos, inspeção e manutenção dos módulos. Na maioria das vezes, em locais ou alturas de difícil acesso, as usinas instaladas ou em projeto e instalação podem representar um desafio para o trabalho dos técnicos. É por conta disso que o uso de drones tem sido cada vez mais comum para atender demandas no setor fotovoltaico. Além de ser prática entre integradores ter seus próprios modelos de aeronaves não tripuladas, normalmente as mais simples e apenas para ter fotos aéreas das instalações ou dos telhados, empresas especializadas sobem um nível na especialização, com drones mais sofisticados, equipados com sensores e com câmeras termográficas especiais para as inspeções.
Aeronaves não tripuladas são cada vez mais comuns no setor solar. Das mais simples, usadas para obter imagens de instalações ou telhados, às mais sofisticadas, equipadas com sensores e câmeras termográficas especiais, dão suporte a projetos, comissionamentos e manutenção. Veja aqui diversas possibilidades do uso dos drones, e ainda superdrones que poderão ser utilizados nos sistemas isolados do Luz para Todos.

de fotometria, que fazem mapas de alta resolução e tridimensionais, as fotos gerais (ortofotos) ou os ortomosaicos georreferenciados. Nesses casos, a demanda ou é atendida por empresas que processam as imagens feitas pelos próprios integradores ou por prestadores de serviços que atuam também com operação de drones para o setor, em todas as suas demandas, incluindo manutenção.
Para começar pelas demandas iniciais, durantes os projetos, é rotineiro no mercado o uso do drone para coletar fotos que vão alimentar softwares
A empresa Grow Solar, de Florianópolis, SC, se especializou em processar as imagens de drones da área do projeto com software da alemã Valentin, que faz simulações de usinas sola-
res em design 3D. Apesar de ter seu próprio drone para realizar as coletas de imagens na região catarinense, para o resto do País, por questão de viabilidade econômica e operacional, a empresa utiliza as fotos feitas pelos drones dos integradores.
“O projeto gerado pode ser aliado para o integrador na hora da venda da usina ou para a realização da obras, na instalação. Com as fotos dos drones, vamos ter precisão das medidas do telhado para a usina por meio da fotogrametria”, disse o diretor da Grow, João Júnior.

E ainda, utilizando no trabalho o banco de dados meteorológicos Meteornorm, para cálculos de irradiação, temperatura, precipitação e vento, a Grow gera um relatório para o integrador, que pode ser utilizado na fase de vendas e posteriormente no projeto. Além do mapeamento em 3D,
o relatório contém todos os dados de uma usina solar, com a projeção de geração por todo o ano, a partir dos dados precisos do terreno, irradiação do local e quantidade e capacidade dos modelos de módulos e inversores que serão empregados. “É personalizado para a proposta”, afirma o diretor.
A empresa também realiza cursos e treinamentos para interessados em dominar o uso do software.
Há empresas que entraram no mercado solar aproveitando o know-how já adquirido em uso de drones para produção de estudos de topografia para vários outros setores. Esse é o caso da Aria, do grupo Azimute, de Joinville, SC, que além de estender o serviço de topografia para projetos solares também agregou, com o uso de um drone com câmera térmica, a oferta de inspeções para manutenção.
Segundo o gerente de projetos, Arthur Deyna, para as inspeções a empresa adquiriu o drone DJI M300, com câmera térmica DJI ZenMuse H20T. Em pouco mais de dois anos atuando nessa área, a empresa já realizou a inspeção termográfica em mais de 250 mil módulos. “Fizemos inspeções em usinas no Paraná, Rio Grande do Sul e em Santa Catarina”, diz.
De acordo com Deyna, normalmente os serviços são prestados para

empresas de manutenção, que contratam a Aria para o aerolevantamento de modo a poderem planejar suas ações na usina. Mas também há casos, explica o gerente, em que o serviço é feito na fase de comissionamento de usinas, para verificação da integridade do sistema antes da partida.
No caso da análise termográfica, a câmera térmica consegue detectar os hot spots (pontos quentes), partes dos módulos com temperatura acima do normal e que diminuem a capacidade de geração, além de várias outras avarias. Depois do levantamento feito pelo voo do drone, com as fotos, a equipe leva o material para ser processado em software.
“Daí sai um relatório com a identificação dos problemas identificados para que o cliente atue diretamente nos pontos críticos”, afirma Deyna. Segundo ele, o grande diferencial da prestação de serviços é a possibilidade de transformar os dados, no caso as fotos tiradas pela câmera, em informações, em um mapa que pode servir de plano de manutenção, incluindo áreas que precisam ser lavadas por excesso de sujeira.
O relatório é ilustrado também com a ortofoto, em 3D, um mapa que mostra toda a usina e que identifica os módulos com os problemas, com os hot spots (com os gradientes de temperaturas em comparação com o restante do módulo) e outras possíveis avarias, como curto-circuito no conjunto de células e módulos em circuito aberto. “É importante a inspeção preventiva porque se o ponto quente for se propagando, ele pode queimar um string completo”, complementa Deyna.
Com o aerolevantamento, a Aria produz o relatório com a identificação das anomalias e as ações recomendadas. No caso dos hot spots, para começar, a recomendação padrão é a verificação da integridade dos conectores. Já quando há um
curto-circuito a ação inicial é verificar o módulo e o cabeamento. Havendo danos consideráveis, a troca deve ser feita, o que pode ocorrer com o acionamento da garantia dos equipamentos.
Para Arthur Deyna, há usinas que são bem acompanhadas e que realizam inspeções periódicas, principalmente as maiores, de minigeração distribuída ou geração centralizada. Mas há muitos casos em que há um esquecimento da periodicidade da manutenção.
A necessidade crescente por manutenção nas usinas solares é também apontada por David Carvalho, o diretor da First Energy, de São Paulo, empresa de engenharia que atua na área não só com operação de voos com drone com câmera termográfica, mas também com prestação de serviços de manutenção e limpeza de usinas solares.
Para Carvalho, a demanda em alta tem relação direta com a maturação do mercado solar no Brasil, que além de crescer aceleradamente começa a ter usinas já há vários anos em operação. Segundo ele, com base em sua experiência no atendimento em inspeções, é possível concluir que muitas apresentam problemas decorrentes da falta de periodicidade no monitoramento e nos trabalhos de manutenção. “Pode-se afirmar que até 90% delas não tomam o devido cuidado”, diz.
Fundada em 2015, quando atuava mais na estruturação e desenvolvimento de projetos, com o passar do tempo, principalmente nos últimos dois anos, a First Energy passou a diversificar para a manutenção, dada a constatação de que muitos gestores de usinas passaram a se queixar de queda de rendimento.
Segundo ele, há um padrão nos atendimentos com o drone. Para co-
meçar, é feito um voo para fazer a termografia e assim apontar os locais com problemas, que inicialmente são principalmente áreas com acúmulo de sujeiras. “Isso já tem potencial de alterar o desempenho dos módulos”, diz.
Após essa primeira fase, Carvalho explica que é feita uma lavagem, com sistema especial com escova com cer das rotativas e bomba de pressão. De pois da limpeza, realiza se outro voo com o drone com câmera termográfi ca, o DJI Mavic 3 Thermal, equipamento que pode ir a 500 metros de altura e a 5 km de distância e que conta com software próprio para depuração das informações coletadas pelas imagens. “Com a segunda termografia, pode mos verificar se os problemas anterio res permanecem e apontar hot spots, gerando um relatório com as ações que precisam ser feitas, por exemplo a tro ca de módulos danificados”, explica.
Carvalho cita recente trabalho feito em usinas de grupo hospitalar no qual foi identificada de imediato a necessidade de limpeza, que nunca havia sido feita desde a entrada em operação em 2019. Depois da lavagem, passou a ser mais fácil encontrar ou tros defeitos na usina com nova ter mografia, a começar pela necessidade de troca de dez módulos danificados por hot spots
“O menor problema aí é queimar o módulo, o que faz toda a string em que ele está ligado parar de funcionar. No pior cenário, pode haver o início de um pequeno incêndio, o que no caso de um hospital tem maior gravida de”, explica.
usinas, antes da entrada em operação. Muitas vezes isso ocorre em empreen dimentos em que a própria empresa foi subcontratada para o comissio namento ou foi responsável pelas instalações, já que sua área de atuação envolve toda a cadeia de serviços de engenharia para a fonte solar.
Segundo Carvalho, já houve casos em serviços de comissionamento que, mesmo sendo os módulos novos, fo ram identificados alguns deles com pontos quentes. “Aí entramos em con tato com o fornecedor, apresentamos a termografia e eles fizeram a reposição com a garantia”, disse.
De acordo com o diretor da First, esses casos de defeitos em módulos novos ocorrem por baixa qualidade de muitos produtos que chegam no Brasil, mas que também podem ocor rer em virtude de avarias durante o transporte.
Além dos serviços de inspeção com drones (a empresa também tem mo delos mais simples de drones, apenas para produção de fotos e mapas, além dos empregados para termografia) e de lavagem e manutenção, a First realiza medições elétricas nas usinas. Também faz parte do escopo dos ser viços a termografia de equipamentos em altura normal, com câmera de mão, para analisar por exemplo inver sores e quadros elétricos.
“Procuramos reunir todos os tipos de informações elétricas da usina para fazer uma análise da degradação dos módulos e ver se a curva de desgaste está dentro do esperado

Outro tipo de serviço comum tam bém realizado pela First Energy é no comissionamento de David Carvalho (First Energy): inspeção termográfica de
pelo fabricante”, explica. Caso contrá‑ rio, continua Carvalho, a garantia pode ser acionada ao se constatar que a degradação está mais acelerada.
Os serviços de inspeção termográ fica por drones, segundo Carvalho, são normalmente contratados por em presas de manutenção de usinas, que fazem cotação no mercado entre os competidores. Em breve, inclusive, a First deve fechar contrato para realizar uma inspeção completa de parque de geração solar centralizada, com dez usinas de 30 MW cada.
O contrato, caso concretizado, consistirá em um sobrevoo do drone, que pode inclusive ser programado previamente de forma automatiza da. “O objetivo é ver os pontos com problemas para gerar um relatório”, diz. Provavelmente também, um ano depois, a operação deve ser repetida para acompanhar o nível de degrada ção após a manutenção.
Aliás, segundo Carvalho, no caso das usinas centralizadas, além de haver um cuidado maior com a ma nutenção em comparação com a GD, principalmente com lavagem frequente dos módulos, há também a vantagem de seus inversores serem mais sofisti‑ cados, com sistemas de traçadores de curva.
“Eles [donos de usinas centrali‑ zadas] normalmente lavam e coletam as informações elétricas com os tra çadores, mas ainda deixam a desejar na inspeção termográfica”, analisa. Segundo o diretor, apenas a termogra‑ fia consegue identificar qual módulo



está com problema de hot spot, enquanto o traçador tem a li‑ mitação de identifi car apenas o string com baixo desempe‑ nho.
O acompanha mento do desem penho das usinas de grande porte, continua Carvalho, é importante para averiguar se o grau de degradação está nas especificações do fabricante dos módulos. Segundo ele, o mais comum é os contratos garantirem até 85% da geração original por 25 anos. “Se estiver abaixo disso, teoricamente pode ser acionada a garantia, mas isso precisa estar muito bem documenta do”, diz.

Alexandre Moana (Energias Eficiência Energética): drones resultantes de projeto de P&D Aneel para inspeção a longas distâncias, além da linha de visada
sultou em dois drones, o primeiro é o de maior porte – com envergadura de 3 metros – tem autonomia de voo de cinco horas e alcance autorizado para operação de 40 km (embora a aeronave consiga voar até mil quilômetros).
Para além dos serviços executados por drones convencionais há, para casos mais específicos, a possibilidade de uso de aeronaves não tripuladas que podem realizar voos autônomos longos para inspeção de ativos, dentro do conceito conhecido como “além da linha de visada”, ou seja, cujos voos fogem da visão “a olho nu” dos con troladores.
Embora o recurso, no setor elétrico, seja mais orientado para inspeção de linhas de transmissão e outros ativos mais complexos, um projeto já finali zado em 2022 no âmbito dos progra mas de P&D Aneel pode vir a ser uti lizado para monitorar as instalações solares em regiões remotas da Amazô nia, que fazem parte do programa Luz para Todos.
Financiado com recursos da portu guesa EDP, para monitoramento aéreo de ativos do setor elétrico, trata se do projeto SIAD AERO, que foi coorde nado pela empresa Energias Eficiência Energética, de São Paulo. O P&D re
O segundo tipo é de menor autono mia, de 1 hora, com alcance de 5 km (linha de visada visual). Mas assim como o de maior porte tem navegação semiautônoma, gravação de dados de telemetria e imagens em sistema de armazenamento redundante, além de transmissão de dados em tempo real.
Segundo o diretor da Energias, Alexandre Moana, com a tecnologia do modelo de maior alcance está sen do elaborada proposta para o Luz para Todos, a fim de aproveitar a capacidade do sistema inteligente para planeja mento e execução de ativos de energia do projeto. “Ele se torna opção para onde não é possível fazer a inspeção com drones que exigem a visualização pelos controladores”, diz.
A tecnologia desenvolvida no projeto conta com estação móvel em viatura para gerenciar sensores e a pilotagem dos drones e é capaz de cap turar e processar imagens nas bandas do visível, infravermelho e ultravioleta, identificando automaticamente as anomalias existentes por intermédio do uso combinado das aeronaves.
“É o único até hoje com certifica‑ ção da Anac [Agência Nacional de Aviação Civil] para voar abaixo de 400 pés”, disse Moana, ex piloto da Força
Aérea Brasileira. O projeto, iniciado entre 2016 e 2017, consumiu cerca de R$ 15 milhões e gerou uma opção muito mais econômica do que simi lares estrangeiros, segundo ele. “En quanto há aeronaves importadas que saem na casa dos R$ 100 milhões, hoje utilizadas por exemplo pela FAB, a nossa tecnologia é de cerca de R$ 3 mi‑ lhões”, completa.
A tecnologia permite gravação de dados de telemetria e imagens em sis tema de armazenamento redundante, com transmissão em tempo real das imagens visíveis. Além disso, conta com planejador inteligente dos voos para inspecionar qualquer tipo de ativo, o que pode ser direcionado para cobrir as usinas solares com baterias em sistemas isolados na Amazônia. O processamento das imagens obtidas pelos sensores é automático após a realização dos voos.
Segundo Moana, além do uso das imagens para manutenção, que no caso foi incluído até sensor para iden tificar corrosão (demanda importante em redes de transmissão e distribuição de energia), o equipamento pode tam bém voar com um receptor para fazer leitura de relógios inteligentes em áreas remotas e enviar os dados por sinal de rádio, caso não exista internet na região.
“O drone de longas distâncias pode pedir uma verificação detalhada em um local específico. Aí entram os de menor autonomia para voar em locais de acesso mais restrito, como áreas densamente povoadas”, diz. Para o planejamento das missões e leitura in teligente dos dados, foi desenvolvido o software por pesquisadores brasileiros, que também conceberam o sistema de cibersegurança.

Da Redação de FotoVolt
Este levantamento apresenta a oferta de soluções para montagem de sistemas fotovoltaicos de diversos fabricantes que atuam no mercado nacional. Tais estruturas, que podem ser xas ou de ângulo ajustável, têm a responsabilidade de suportar cargas de vento e outras intempéries por toda a vida útil das instalações fotovoltaicas, além de preservar os módulos.
Empresa, telefone e e-mail
Acerta (11) 94779-9344 comercial@acertasolucoes.com.br
Alfix (54) 3471-1263 contato@alfix.com.br
Brasilsat (41) 2103-0682 comercial.estruturas@brasilsat.com.br
CCS Technology (17) 98102-5550 ccs@ccstechnology.com.br
Ciser 0800 147 4500 ciser@ciser.com.br
Dynamo (41) 99244-5594 contato@dynamoestruturas.com.br
Euro Tubos (11) 99616-1296 gustavo@eurotubos.com.br
Grupo Santa Catarina (49) 99992-1827 solargsc@gsc.ind.br
Hiper Estrutura (62) 99454-5190 prevendas02@hiperestruturasolar.com.br
Intelbras (48) 9836-0547 atendimento.revendasolar@intelbras.com.br
Isoeste Metálica 0800 943 1030 mkt.metalica@isoeste.com.br
Kewo (51) 3500-8291 comercial@kewo.com.br
Metal Light (62) 99684-5719 estruturasfotovoltaicas@metallightsolar.com.br
Milatec (79) 99692-0373 vendas@milatec.ind.br
Modular (45) 99152-8523 contato@modularestruturas.com.br
Empresa, telefone e e-mail
Modular (45) 99152-8523 contato@modularestruturas.com.br
NTC Somar (11) 94575-1761 contato@ntcsomar.com.br
Perfimec (41) 99620-3344 wellington.costa@perfimec.com.br
Romagnole (44) 3233-8500 posvenda@romagnole.com.br
Solar Group (11) 91102-8155 contato@solargroup.com.br
Sonnen (55) 99197-4070 contato@sonnen.com.br
Tessa (16) 99797-2583 joaoroberto@tessa.eng.br
Tufape (41) 99241-6721 comercial@tufape.com.br
WN Estruturas (41) 99187-0991 wnunes@wnunes.com.br
Obs.: Os dados constantes deste guia foram fornecidos pelas próprias empresas que dele participam, de um total de 87 empresas pesquisadas. Fonte: Revista Fotovolt, junho de 2024
Este e muitos outros guias estão disponíveis on-line, para consulta. Acesse www.arandanet.com.br/revista/fv e confira. Também é possível incluir a sua empresa na versão on-line de todos estes guias. Basta preencher o formulário em www.arandanet.com.br/revista/fotovolt/guia/inserir/


fotovoltaicas são relevantes como indicadores de desempenho, enquanto a segurança elétrica e, consequentemente, a confiabilidade do sistema, é determinada pelos seguintes parâmetros:
• resistência de isolamento Rf, em kΩ; e
• capacitância de fuga Cf, em μF
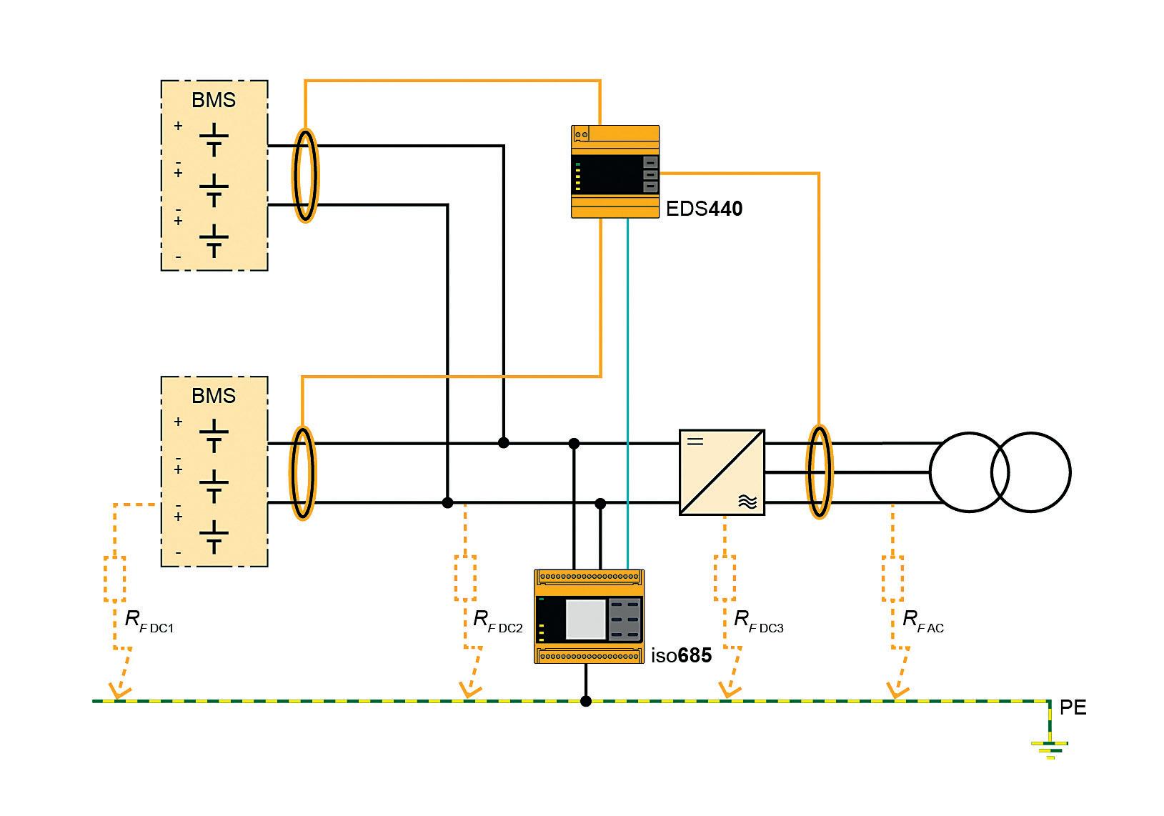
Os atuais dispositivos de supervisão de isolamento, que satisfazem os requisitos da norma DIN EN 61557-8 [3], medem ambas essas grandezas e as disponibilizam num visor local, ou ainda no sistema de controle via barramento de campo (figura 2).
Um DSI pode ser parte integrante do inversor central ou, em aplicações com inversores de string (figura 3), pode ser instalado na subestação transformadora.
Características singulares de um parque solar
Desde o primeiro dia, os sistemas fotovoltaicos são expostos às influências do ambiente. Fatores relacionados

ao clima, que afetam as pro priedades elétri cas, em particu lar a umidade, são preponde rantes. Medi ções de longo prazo indicam que a resistência de isolamento Rf pode apre sentar variações de 30%, e a capacitância de fuga Ce até mesmo decuplicar ao se alterarem as condições secas para úmidas (figura 4).
A alteração nas condições ambientais deve ser compensada pela tecnologia de medição. DSIs nos quais a capacitância de fuga Ce prevista deva ser predefinida não são adequados para aplicações altamente dinâmicas, como os parques solares. Portanto, é importante considerar o emprego de DSIs com função de controle metrológico desse parâmetro.

Sistemas de Armazenamento de Energia por Baterias (SAE), que tornam possível fechar a lacuna durante uma “cal-

Série FV 2
Série FV 3
Série FV N
maria” de energia solar, dispõem de diversos métodos de segurança elétrica. Este artigo se concentra nos SAEs de grande potência, que se distinguem dos sistemas de pequeno porte para aplicações residenciais.
Para empresas geradoras de energia, indústrias e operadores de rede, consolidaram-se duas configurações: de um lado, projetos de SAEs flexíveis, que podem ser instalados em prédios ou galpões; de outro, soluções prontas, instaladas em contêineres. A capacidade de armazenamento de tais soluções situa-se na faixa de centenas de quilowatts, ou mesmo megawatts. Uma outra característica dos SAEs deste porte é a presença de um transformador para acoplamento com a rede. A disponibilidade da energia armazenada é um critério decisivo para a disponibilidade do sistema. Em função da enorme densidade de energia, a carga de incêndio está em relação direta com a energia armazenada. Quanto maior o conteúdo energético, tanto mais permanente e intensa é a possibilidade de um incêndio, cujas causas podem ser de natureza elétrica, mecânica ou falha térmica. Por esta razão, os fabricantes de SAEs preveem amplas medidas de proteção contra incêndio.
Uma prática usual é a supervisão e controle de cada célula de bateria por

Com um profundo conhecimento tecnológico e as competências necessárias, estamos prontos para atender plenamente às necessidades da sua empresa, garantindo sempre as melhores soluções.



meio de um Sistema de Gerenciamento de Baterias (BMS, na sigla em inglês), a fim de eliminar ou reconhecer antecipadamente fontes de falha já no nível das baterias. Para o sistema como um todo, consagrou-se o esquema de aterramento IT, que tem como característica condutores vivos L+ e L- isolados da terra. Apenas as massas são ligadas ao condutor de proteção PE. A ausência de conexão dos condutores vivos com a terra traz importantes vantagens, já que na primeira falta não circulam correntes de curto-circuito com risco de incêndio, porque o laço de falta não está fechado. A figura 5 ilustra o esquema de princípio de um SAE típico.
Coordenação de isolamento para acoplamento de UFV e SAE
Cada aplicação em si impõe rigorosos requisitos para a tecnologia de medição. Uma característica marcante dos grandes parques solares são os valores relativamente baixos de resistência de isolamento Rf, tanto para instalações novas, quanto, especialmente, para instalações mais antigas. Por seu turno, a capacitância de fuga Ce em condições úmidas assume valores parciais da ordem de ≥ 2.000 μF.

Já nos sistemas de armazenamento de energia estes parâmetros se invertem, ou seja, predominam altas resistências de isolamento Rf, na faixa dos MΩ, e baixas capacitâncias Ce. Portanto, o acoplamento de ambos os sistemas (UFV e SAE) pode conduzir, nos casos mais simples, a uma interpretação equivocada das medições e, em casos extremos, ao desligamento de segurança do sistema completo, quando os valores medidos estão abaixo dos mínimos definidos para o nível de isolamento.
Os DSIs analisados neste artigo (figura 2) dispõem de uma função denominada “redes acopladas”, mediante a qual o operador do sistema pode coordenar a supervisão de isolamento de acordo com o uso de energia solar fotovoltaica ou energia armazenada nas baterias. Esta característica possibilita obter resultados de medição exatos, além de identificar rapidamente fontes de falha no sistema. A figura 5 mostra um esquema automático de detecção de faltas à terra (EDS, na sigla em inglês), que pode ser útil em aplicações complexas.

O grau de complexidade que o simples acoplamento de UFVs e SAEs pode assumir está esquematicamente representado na figura 6. Já existem instalações que incluem parques de geração eólicos como fonte alternativa adicional. Esta realidade requer a contribuição de especialistas na tecnologia de supervisão de isolamento, expe-
rientes na análise de sistemas completos e na seleção dos dispositivos que melhor se adaptem a cada aplicação.
[1] DIN VDE 0100-410 VDE 0100-410:2018-10 –Errichten von Niederspannungsanlagen Teil 4-41: Schutzmaßnahmen – Schutz gegen elektrischen Schlag - (IEC 60364-4-41:2005, modifiziert +
A1:2017, modifiziert); Deutsche Übernahme HD 60364-4-41:2017 + A11:2017
[2] E DIN VDE 0100-712 VDE 0100-712:2022-10 –Errichten von Niederspannungsanlagen Teil 7-712: Anforderungen für Betriebsstätten, Räume und Anlagen besonderer Art – Photovoltaik-(PV)-Stromversorgungssysteme (IEC 64/2514/ CD:2021, modifiziert)
[3] DIN EN 61557-8 VDE 0413-8:2015-12 –Elektrische Sicherheit in Niederspannungsnetzen bis AC 1 000 V und DC 1 500 V – Geräte zum Prüfen, Messen oder Überwachen von Schutzmaßnahmen Teil 8: Isolationsüberwachungsgeräte für IT-Systeme (IEC 61557-8:2014) Versão alemã da EN 61557-8:2015

c.a. 400...800 V Opcional c.a. 400 V
Artigo publicado originalmente na revista alemã de – das Elektrohandwerk, edição 8/2024. Copyright Hüthig GmbH, Heidelberg e München. www.elektro.net Publicado por FotoVolt sob licença dos editores. Tradução e adaptação de Celso Mendes. c.c. 1500 V isoPV1685DP Rede
principal Aplicativo
Fig. 6 – Sistema completo consistindo em UFV e SAE, equipados com DSI
B
c.c. 438...654 V



































Da Redação de FotoVolt
Instaladas na interface entre os módulos e o inversor, as string boxes são conjuntos pré-montados de proteções elétricas, que têm a tarefa de prevenir danos aos equipamentos decorrentes de surtos atmosféricos, falhas de componentes e condições anormais de operação. Este guia mostra a oferta de vários fornecedores, com informações como tensão de trabalho, dispositivo de proteção contra surto, grau de proteção IP e outras.
Empresa, telelefone e e-mail Número de strings Tensão de operação máxima (Vcc) Dispositivo de proteção contra surto DPS (Vcc) Número de fusíveis Número de disjuntores Corrente por string (A) Seccionadora (Acc)
Chint (11) 3266-7786 chintbr@chintglobal.com
Clamper (31) 3689-9500 atendimento@clamper.com.br
Embrastec (16) 3103-2021 cleiton.busse@embrastec.com.br
Intelbras (48) 9836-0547 atendimento.revendasolar@intelbras.com.br
Loja Elétrica (31) 99951-8300 rafaellalopes@lojaeletrica.com.br
Merz (15) 99619-0575 andreia.carvalho@merz-schaltgeraete.de
Proauto Solar (15) 99613-8250 solar@proauto-electric.com
Projoy (31) 98609-1048 marcelo@projoy-electric.com
Soprano (54) 2101-7070 marcelopiazza@soprano.com.br
WEG (47) 3276-4000 automacao@weg.net
Weidmüller (51) 99918-7459 vendas@weidmueller.com
Obs.: Os dados constantes deste guia foram fornecidos pelas próprias empresas que dele participam, de um total de 42 empresas pesquisadas. Fonte: Revista Fotovolt, junho de 2024 Este e muitos outros guias estão disponíveis on-line, para consulta. Acesse www.arandanet.com.br/revista/fv e confira. Também é possível incluir a sua empresa na versão on-line de todos estes guias. Basta preencher o formulário em www.arandanet.com.br/revista/fotovolt/guia/inserir/

Uma estratégia de avaliação dos parâmetros que influenciam a rede elétrica durante o carregamento de veículos elétricos é apresentada aqui. A análise proposta oferece uma ferramenta para gestão de redes elétricas, viabilizando uma avaliação do impacto do carregamento de veículos, possibilitando adoção de medidas para garantir a operação adequada de redes de distribuição a que estão conectadas estações de recarga.
Nos últimos anos tem sido observada a inserção significativa de veículos elétricos (VEs) nas frotas urbanas. Como consequência, carregadores ou estações de recarga rápida (ERRs) para VEs com conexão na rede de distribuição têm-se proliferado. As ERRs, em função da dinâmica de fornecimento de potência, podem provocar impactos no ponto de conexão. Neste sentido, é importante para as concessionárias e gestores de unidades consumidoras uma avaliação preliminar das condicionantes para a ocorrência de violação dos limites de qualidade.

Fig. 1 – Design conceitual do projeto com duas estações de carregamento rápido e um sistema solar fotovoltaico (FV) – Eletroposto Sustentável
É cada vez mais importante avaliar os potenciais impactos à rede elétrica do sistema de distribuição de energia (SDE) e a capacidade de atendimento à demanda associada das recargas rápidas. A avaliação dos efeitos da conexão de estações de recarga rápida no SDE tem sido um tópico de relevância para o setor de energia elétrica, como descrito em [2, 3].
Uma das estratégias para mitigar os picos de demanda pode ser a utilização de sistemas de armazenamento de energia alocados próximo aos carregadores, reduzindo a potência solicitada diretamente nos terminais alimentadores [4]. Adicionalmente,
visando descarbonizar o setor de transportes, sistemas de geração solar fotovoltaica podem ser implantados para dar suporte e/ou suprir os requisitos energéticos das recargas [5].
Neste contexto, o projeto PD-00063-3059/2019 (Soluções de Suporte à Expansão da Infraestrutura de Recarga de Veículos Elétricos) propôs a implantação de um empreendimento dotado de carregadores rápidos, sistema de baterias e geração solar fotovoltaica. A implantação proposta conta com um BESS (Battery Energy Storage System) de 100 kW/200kWh, um inversor fotovoltaico de 12,5 kW e duas estações rápidas de 60 kW. Esse eletroposto representa uma solução para auxiliar o suprimento à demanda elétrica gerada pelo carregamento de veículos elétricos e contribuir para a expansão sustentável e planejada da
1 Felipe J.C.P. Gouveia; Samuel D. Vasconcelos; José F.C Castro; Leonardo R. Limongi; Pedro A.C. Rosas; Luiz H. A. de Medeiros; Davidson C. Marques; Plácido N. M. Nascimento (UFPE - Universidade Federal de Pernambuco
Amanda L. Fernandes; Ricardo F. Buzo; Heliton O. Vilibor (CPFL Energia - Companhia Paulista de Força e Luz)
Nicolau K.L. Dantas; Antônio V. M. Filho (ITEMM - Instituto de Tecnologia Edson Mororó Moura)
Augusto Carvalho; Rafaela Nascimento (Moura Acumuladores)
mobilidade elétrica na área de concessão da CPFL Energia.

Estação de recarga 01
CCS2
CHAdeMO
Tipo 2 – c.a.
CCS2
CCS2
Tipo 2 – c.a.
Considerando a infraestrutura de recarga implantada no âmbito do projeto, foi simulada a operação a partir de um modelo gerado para avaliar os potenciais impactos elétricos no ponto de conexão, decorrentes do carregamento (rápido/elevada potência) de veículos elétricos. A simulação utiliza modelos desenvolvidos em ambiente do tipo HIL (Hardware in the Loop) [6] para cada equipamento utilizado no projeto instalado em unidade consumidora localizada em Campinas (SP), com as especificações equivalentes aos valores dimensionados para o eletroposto em operação. Dessa forma, permite avaliar a interação entre a rede elétrica e a microrrede do eletroposto, considerando as variações de potência em diversos pontos de operação. São considerados diferentes cenários de utilização do eletroposto, baseados em níveis de estado de carga (SoC – State of Charge) dos veículos elétricos. Além de dar suporte à especificação dos equipamentos, a simulação permite avaliar o impacto do carregamento dos veículos na rede elétrica, comparar as grandezas simuladas com as medições em campo, identificar eventuais pontos de operação críticos, e antecipar violações de indicadores de qualidade da energia elétrica.
Barramento c.c.
Estação de recarga 02
Em estações de recarga rápida, os dados históricos relatam a possibilidade de violações associadas a fator de potência, harmônicas no sinal das correntes e tensões, variações de tensão e ocorrência de flicker [7, 8]. Em função da presença dos conversores de potência do BESS e do inversor operando em paralelismo, alguns fenômenos de
Inversor c.c./c.a
Disjuntor
PoC
Medição e controle
Barramento c.a.
c.a.
Vcarms
Disjuntor e Static transfer switch
qualidade podem ser potencializados, ou, dependendo da estratégia de gerenciamento do EMS (Energy Management System), mitigados [9, 10].
Os resultados obtidos fazem parte do mencionado projeto de inovação aprovado no programa de Pesquisa e Desenvolvimento da Agência Nacional de Energia Elétrica, chamada estratégica nº 022/2018. Um dos objetivos do eletroposto é utilizar os resultados da operação para avaliar os impactos causados pelo carregamento de veículos elétricos e identificar medidas para minimizá-los, contribuindo para o desenvolvimento de soluções eficientes e sustentáveis para a expansão da mobilidade elétrica no Brasil. A seguir apresentam-se as principais características do projeto desenvolvido.
A figura 1 ilustra o modelo conceitual do eletroposto, desenvolvido no âmbito do projeto PD-00063-3059/ 2019 – “Soluções de Apoio à Expansão da Infraestrutura de Recarga para Veículos Elétricos: Estações de Recarga Integradas a Tecnologia Nacional de Bateria (Chumbo-Carbono, PbC) e
Sistemas Fotovoltaicos (FV)”. O sistema fotovoltaico é composto por um inversor de 12,5 kW/13,2 kWp. As duas estações de recarrega rápida (60 kWcc + 22 kWca de potência nominal, equipadas com terminais de plugues CCS2, CHAdeMO e c.a. Tipo 2) são conectadas ao barramento c.a. e podem ser supridas eletricamente por um BESS de chumbo-carbono de 100 kW ou por meio da rede de distribuição. O diagrama simplificado de conexão elétrica é mostrado na figura 2.
Prospecção de impactos elétricos da conexão de estações de recarga
Com o objetivo de avaliar e antecipar possíveis não-conformidades que podem ocorrer após a implementação do eletroposto, bem como subsidiar a proposição de estratégias de solução dos potenciais impactos, aqui se apresenta a análise dos principais efeitos na rede elétrica, no ponto de conexão de eletropostos, encontrados em literatura técnica. Conforme mencionado em [11, 13], um dos aspectos críticos na instalação é o terminal do circuito no ponto de conexão entre a rede elétrica de distribuição e o empreendimento (PAC – ponto de acoplamento comum). O PAC é o ponto suscetível a impactos de todos os subsistemas, principalmente das estações de recarga de VEs. Os indicadores de qualidade que quantificam os impactos elétricos no PAC podem sofrer influência não apenas dos elementos do eletroposto mas também do comportamento de outras cargas conectadas próximas ao ponto (cargas potencialmente perturbadoras na região de vizinhança). Diversas grandezas elétricas associadas a indicadores de qualidade podem ser impactadas durante o processo de carrega-











































































Fig. 5 – Comportamento da corrente para SoC inicial do VE em 50%
(a) Corrente na rede
Distribuição harmônica da corrente

Fig. 6 - Comportamento da corrente para o SoC de 5%
(a) Corrente na rede (b) Distribuição harmônica da corrente

Fig. 7 – Comportamento da corrente para SoC inicial de 95%
A forma de onda da tensão não sofre alteração significativa, mantendo-se como ilustrada anteriormente na figura 4. Porém a corrente fornecida pela rede, apresentada na figura 6a, é fortemente deformada. Conforme esperado, há elevado nível de distorção harmônica, com picos de amplitude de corrente maiores do que para o carregamento com SoC inicial de 50%.
A distribuição das componentes harmônicas de corrente está apresentada na figura 6b.
Cenário C: Estado de carga igual a 95% – Neste teste avalia-se o início da recarga de um VE a partir de um
estado de carga elevado, portanto com baixas magnitudes de corrente (conforme o comportamento CCCV
– Constant Current Constant Voltage de recarga das baterias de íons de lítio). Para a corrente de rede ilustrada na figura 7a, é notada uma distorção harmônica ainda maior quando comparada à dos outros pontos de operação. Esse aumento das componentes harmônicas no sinal da corrente é consequência da baixa potência requerida pelo VE e fornecida pelos conversores eletrônicos de potência dos carregadores (que continuam chaveando com tensão nominal, mas com baixa corrente). A distribuição das componen-
tes harmônicas deste sinal de corrente está apresentada na figura 7b.
Análise de dados de medição da operação do eletroposto
Com o início da operação do eletroposto, foram realizadas medições no barramento c.a. de um dos carregadores deste, utilizando o analisador de energia Fluke 438-II/ INTL 4779015 para a obtenção dos parâmetros de qualidade de energia. As medições foram registradas a cada três segundos durante dois dias de operação do eletroposto, totalizando mais de 120 minutos de carregamentos realizados na estação de recarga. Durante o período de medições, o sistema de armazenamento de energia (BESS) e o sistema de geração fotovoltaico encontravam-se desligados, fazendo com que a rede de distribuição fosse a única fornecedora de energia para o eletroposto.
Com a consolidação dos dados, foi possível observar os parâmetros de qualidade em diferentes etapas do carregamento, onde são fornecidos diferentes níveis de potência. Assim como na simulação, as medições buscaram registrar os dados referentes às distorções harmônicas, o fator de potência e a flutuação de tensão no barramento c.a. do carregador. Na figura 8 é possível observar o fator de potência do carregador para diferentes potências fornecidas. Conforme as estimativas da simulação, o fator de potência atingiu os seus menores valores quando a potência fornecida se tornava inferior a 20 kW. Como havia sido observado anteriormente por meio do modelo de simulação, valores inferiores à potência nominal de fornecimento têm como consequência uma degradação do fator de potência. Outro parâmetro analisado e potencialmente responsável pela ocorrência de flickers é a flutuação de tensão. Na figura 9 observa-se um maior percentual de variação de tensão para maiores


0 20 40 60 80
Potência ativa (kW)
Fig. 8 – Fator de potência do carregador em função da potência ativa fornecida pela estação de recarga

9 –
de tensão em função da potência ativa fornecida pela estação de recarga
níveis de potência fornecida durante o ciclo de carregamento. Entretanto, mes mo com maiores níveis de flutuação nos momentos de maior fornecimento de potência, o parâmetro se manteve adequado às margens de tolerância, com variações inferiores a 10%.
Por fim, foi possível verificar os ní veis de distorção harmônica de tensão e corrente. Conforme o modelo simu lado, os maiores níveis de distorção estiveram presentes onde a potência fornecida foi igual ou inferior a 20 kW. Tal resultado se mostrou dentro do es perado, pois com um menor nível de potência fornecida para os EV, maior o nível de distorção gerado pelos com ponentes eletrônicos (conversores cha veados) do sistema de carregamento. A distorção harmônica total de tensão e corrente estão representadas, respec tivamente, nas figuras 10 e 11.
Conclusões
A implantação de infraestrutura para recarga de veículos elétricos ainda levanta questionamentos referentes
aos potenciais impactos elétricos decorrentes da dinâmica de recarga rá pida dos veículos. Desta forma, no âmbito do pro jeto PD 00063 3059/2019 foram avaliados por meio de simulação e de medições os pontos de operação mais críticos e os indicadores de quali dade associados.
A utilização de um simulador do tipo HIL (Hardware in-the-loop) permitiu a análise de diferentes pontos de operação e a captura de parâmetros para verificar seus impactos na rede, sendo utilizada na sele ção de quais parâmetros devem compor análises de impacto elétrico. Posteriormente, foi realizada a medição das principais grandezas elétricas associadas à qua lidade da energia, dados utilizados para estruturação de procedimentos para a análise dos impactos causados pelo carregamento dos veículos elé tricos na rede elé trica, contribuindo para a implemen tação de soluções eficientes e susten‑ táveis para promo ver a mobilidade elétrica no Brasil.
Agradecimentos –Esta pesquisa foi financiada pelo Programa de P&D da Agência Na cional de Energia Elétrica (Aneel) e da CPFL Energia, projeto “PD 00063
3059/2019 – Soluções de Apoio à Ex pansão da Infraestrutura de Recarga de Veículos Elétricos: Estações de Carga Integradas à Tecnologia de Ba‑ terias e Sistemas Fotovoltaicos (FV)”. Os autores agradecem ao grupo CPFL pelo apoio técnico e financeiro, no âm bito do projeto de P&D Aneel mencio nado. Também agradecem aos reviso res anônimos e ao editor pelos valiosos comentários e sugestões.
[1] A. Ahmadi et al., “Power quality improvement in smart grids using electric vehicles: A re view,” IET Electr. Syst. Transp., vol. 9, no. 2, pp. 53–64, 2019, doi: 10.1049/iet est.2018.5023.
[2] S. M. Alshareef and W. G. Morsi, “Impact of fast charging stations on the voltage flicker in the electric power distribution systems,” 2017 IEEE Electr. Power Energy Conf. EPEC 2017, vol. 2017 Octob, pp. 1–6, 2018, doi: 10.1109/ EPEC.2017.8286226.
[3] S. Deb, K. Tammi, K. Kalita, and P. Mahanta, “Impact of electric vehicle charging station load on distribution network,” Energies, vol. 11, no. 1, pp. 1–25, 2018, doi: 10.3390/ en11010178.


[4] L. Richard and M. Petit, “Fast charging station with battery storage system for EV: Grid services and battery degradation,” 2018 IEEE Int. Energy Conf. ENERGYCON 2018, pp. 1–6, 2018, doi: 10.1109/ENERGYCON.2018.8398744.
[5] S. Vasconcelos, V. Barros, J. Castro, P. Rosas, A. Lima, and L. Medeiros, “Integração de geração distribuída fotovoltaica em eletropostos no âmbito do desenvolvimento de soluções tecnológicas para mobilidade elétrica,” RBS Mag., vol. 04, no. 33, pp. 10–18, 2020.
[6] Typhoon HIL, “Electric vehicle,” 2023. https:// www.typhoon-hil.com/documentation/ typhoon-hil-application-notes/References/ electric_vehicle.html (accessed Jun. 03, 2023).
[7] M. Nour, J. P. Chaves‐Ávila, G. Magdy, and Á. Sánchez‐Miralles, “Review of Positive and Negative Impacts of Electric Vehicles Charging on Electric Power Systems,” Energies, vol. 13, no. 18, 2020.
[8] M. R. Khalid, M. S. Alam, A. Sarwar, and M. S. Jamil Asghar, “A Comprehensive review on electric vehicles charging infrastructures and their impacts on power-quality of the utility grid,” eTransportation, vol. 1, p. 100006, 2019, doi: 10.1016/j.etran.2019.100006.
[9] R. Torquato, W. W. Teixeira, J. C. G. Andrade, D. S. Correa, and F. C. T. Arioli, “Modelo Probabilístico para Análise dos Impactos da Recarga de Veículos Elétricos em Sistemas de Distribuição de Energia Elétrica,” Citenel IX, 2017.
[10] S. Barsali, M. Ceraolo, R. Giglioli, and D. Poli, “Storage applications for Smartgrids,” Electr. Power Syst. Res., vol. 120, pp. 109–117, 2015, doi: 10.1016/j.epsr.2014.07.029.
[11] T. S. Costa, L. F. Ugarte, M. C. Almeida, and M. G. Villalva, “Technical study of hybrid PV/BESS system for charging station of the Electric Mobility Laboratory of the University of Campinas,” 2021 14th IEEE Int. Conf. Ind. Appl. INDUSCON 2021 - Proc., pp. 1274–1281, 2021, doi: 10.1109/INDUSCON51756.2021.9529410.
[12] M. Di Paolo, “Analysis of harmonic impact of electric vehicle charging on the electric power grid, based on smart grid regional demonstration project - Los angeles,” 2017 IEEE Green Energy Smart Syst. Conf. IGESSC 2017, vol. 2017-Novem, pp. 1–5, 2018, doi: 10.1109/IGESC.2017.8283460.
[13] L. Wang, Z. Qin, T. Slangen, P. Bauer, and T. Van Wijk, “Grid Impact of Electric Vehicle Fast Charging Stations: Trends, Standards, Issues and Mitigation Measures - An Overview,” IEEE Open J. Power Electron., vol. 2, no. February, pp. 56–74, 2021, doi: 10.1109/ OJPEL.2021.3054601.

Os instrumentos de medição podem elevar o rendimento das instalações FV, uma vez que permitem conhecer a natureza e o potencial da fonte solar no local, além de medir falhas nos módulos FV, de temperatura dos componentes, entre outras funções. Este guia lista fornecedores desses equipamentos, tanto para medição de grandezas individuais como medidores multifunção para comissionamento nos lados de c.c. e c.a. e para veri cações segundo a norma ABNT NBR 5410. Da Redação de FotoVolt
Instrumentos para medição de grandezas individuais
Empresa, telefone, e-mail Importador exclusivo Fabricante/País
Além Mar (11) 3229-8344 comercial@alemmar.com.br
Dualbase (48) 99103-5202 comercial@dualbase.com.br
Frata (11) 95851-0269 celia@frata.com.br
Geodesign (12) 98846-4715 rec@geodesign.com.br
Homis (11) 2318-2904 homis@homis.com.br
Minipa (11) 5078-1850 sac@minipa.com.br
MIT Meastech (11) 97855-2138 info@meastech.com.br
Ohmini (11) 3438-8434 contato@ohmini.com.br
RoMiotto (11) 3976-4003 vendas@romiotto.com.br
T&M Instruments (11) 99788-9300 info@tminstruments.com.br
Li-Cor/EUA
Albedômetro: Medição de radiação de albedo
Câmera de eletroluminescência: Análise de falhas em módulos FV Disco de sombreamento lateral: Medição de radiação difusa
Espectroradiômetro: Medição de faixas espectrais da radiação solar Heliógrafo: Medição do período de insolação diária
Medidor de ângulo de inclinação dos módulos
Medidor de UV: Medição de radiação ultravioleta
Net-radiômetro: Medição de saldo de radiação
Piranômetro: Medição de radiação solar global
Pireliômetro: Medição de radiação solar direta
Pirgeômetro: Medição de radiação infravermelha Radiômetro fotodiodo: Medição de faixas espectrais específicas Rastreador solar (sun tracker) Termovisor IR: Medição de temperatura dos componentes Traçador de curva I-V dos módulos
Instrumento multifunção para geradores fotovoltaicos
Medições do lado de c.c. Tensão Corrente Potência Tensão de circuito aberto Corrente de curto circuito Curva i-v do módulo fv Irradiância Temperatura do módulo
Satec/Israel
Middleton, Soluzione Solare/ Itália, Austrália
Kyoritsu,/Japão
Metrel, Gossen Metrawatt/ Eslovênia, Alemanha
Regatron, Zimmer, Solmetric, Photovoltaik, Seaward Buero/ Alemanha, EUA, Suíça
EKO/Japão
Chroma, Taiwan, Konica Minolta, EUA
Empresa, telefone e e-mail
Frata (11) 95851-0269 celia@frata.com.br
Geodesign (12) 98846-4715 rec@geodesign.com.br
Importador exclusivo Fabricante/País
Instrumento multifunção para geradores fotovoltaicos Medições do lado de c.a. Medições conforme NBR 5410 Tensão Corrente Frequência Potência FP Energia Harmônicos Eficiência
Continuidade dos condutores PE Ensaio de dispositivo DR Impedância da rede Impedância do laço Resistência de aterramento Resistência de isolamento Corrente Tensão Frequência Sequência De Fases Potência Energia Harmônicas Do módulo FV Do inversor Do sistema FV
Satec/Israel
Middleton, Soluzione Solare/ Itália, Austrália
Homis (11) 2318-2904 homis@homis.com.br Kyoritsu/Japão
Minipa (11) 5078-1850 sac@minipa.com.br
MIT Meastech (11) 97855-2138 info@meastech.com.br
Ohmini (11) 3438-8434 contato@ohmini.com.br
T&M Instruments (11) 99788-9300 info@tminstruments.com.br
Metrel, Gossen Metrawatt/ Eslovênia, Alemanha
Regatron, Zimmer, Solmetric, Photovoltaik, Seaward Buero/ Alemanha, EUA, Suíça
Chroma, Taiwan, Konica Minolta, EUA
Obs.: Os dados constantes deste guia foram fornecidos pelas próprias empresas que dele participam, de um total de 44 empresas pesquisadas. Fonte: Revista Fotovolt, junho de 2024
Este e muitos outros guias estão disponíveis on-line, para consulta. Acesse www.arandanet.com.br/revista/fv e confira. Também é possível incluir a sua empresa na versão on-line de todos estes guias. Basta preencher o formulário em www.arandanet.com.br/revista/fotovolt/guia/inserir/

Melhores práticas para impulsionar
mudanças regulatórias
Osistema elétrico simples mente não conseguirá lidar com a crescente in corporação de veículos elétricos (VEs), a menos que sua utiliza ção (o carregamento) seja gerida de forma inteligente. Se isso não ocorrer, os VEs poderão cons tituir um fardo para o sistema energético, especialmente em zonas congestionadas e durante horas de ponta. No entanto, se o carregamento for feito de forma inteli gente, o impacto para o sistema energé tico do mercado crescente de VEs po derá ser neutro. Mais importante ainda, a implantação massiva de VEs poderá até ter um impacto global positivo se os veículos servirem como ativos energéti cos bidirecionais, que possam interagir extensivamente com a rede.
Embora a mobilidade seja o objetivo principal dos veículos, o sistema energético torna-se cada vez mais relevante.
A eletrificação dos transportes, passo crucial para a descarbonização, exige a integração dos setores de transportes e de energia. Leis e regulamentos devem abordar essa integração desde o início da (r)evolução da mobilidade elétrica, contemplando os veículos elétricos como recursos ativos da rede de energia.

permitem a integração de cargas novas e dinâmicas situadas na extremidade do sistema de distribuição, sem atua lização da infraestrutura ou aumento significativo da capacidade de geração, permitindo ao mesmo tempo que os condutores carreguem e conduzam seus carros conforme sua conveniência com a eletricidade da sua escolha.
A fim de evitar reforços desneces sários na rede, garantindo ao mesmo tempo um sistema energético mais eficiente, os VEs devem ser conside rados uma solução de flexibilidade da rede, com serviços e tecnologias inovadoras para apoiar esse objetivo. A crescente complexidade do sistema elétrico do futuro pode ser gerida com soluções inteligentes que combinem dinamicamente as necessidades de carregamento de cada motorista com as necessidades e capacidades do sis tema. Modelos de negócios pioneiros
O carregamento é considerado “inte ligente” quando a carga pode ser medi da e controlada remotamente. Existem dois tipos de carregamento inteligente:
V1G: Quando o carregamento do veículo pode ser controlado, desacele rado, acelerado, interrompido ou adia do. O serviço V1G termina quando a bateria está completamente carregada.
V2G (Vehicle-to-Grid): Quando o veículo conectado pode trocar energia
com a rede em duas direções, car regando ou descarregando.
Estudos recentes, por exemplo os liderados pelo operador da rede francesa de transmissão, a RTE, demonstraram que o siste ma elétrico poderia fazer face ao aumento previsto da demanda de energia quase a qualquer hora do dia e época do ano se algumas soluções inteligentes, incluindo o carregamento inteligente, ajudas sem a suavizar a demanda e a aumentar a resiliência do sistema elétrico.
A RTE concluiu que a tarifação fle‑ xível dos VEs permitiria otimizar usi nas de produção de energia de baixo custo e aumentar o bem estar social em mais de 1 bilhão de euros/ano na França.
A smartEn (associação empresarial europeia que integra soluções descen tralizadas de transição para energias limpas) acredita que se os dois objetivos seguintes fossem alcançados, estaria aberto o caminho para sucesso do setor de mobilidade elétrica: – VEs tratados como recurso da rede, da mesma forma que outros recursos energéticos descentralizados, fornecen do uma gama completa de serviços;
1 Texto adaptado da publicação “E-mobility as an energy resource – Collection of best practices to drive regulatory changes”, elaborada pela associação SmartEn com apoio da Power2Drive Europe.

– infraestrutura de carregamento inteligente implantada, promovendo interação “ganha-ganha”, benéfica tanto para os VEs quanto para a rede. Embora não vise às especificidades da mobilidade elétrica, o “design” do mercado de eletricidade adotado no final de 2018 pela União Europeia estabeleceu uma estrutura regulamentar ambiciosa para todas as fontes flexíveis descentralizadas. Contém disposições específicas sobre instalações de armazenamento de energia, incluindo princípios que permitem que os VEs sejam tratados como recursos da rede. É importante ressaltar que essa legislação permite que todos os utilizadores finais (que possuem instalações de armazenamento de energia) participem ativamente no sistema energético, promove serviços de agregação e incentiva os operadores do sistema a adquirirem serviços de flexibilidade a partir de todos os recursos energéticos descentralizados.
Em linha com este quadro, terceiros podem agregar veículos e frotas individuais para participação no mercado, ao mesmo tempo que satisfazem as necessidades individuais de tarifação e mobilidade do motorista. Os VEs também podem ser agregados a outros ativos em pools mistos de recursos energéticos. A agregação de ativos de flexibilidade descentralizados e a sua subsequente participação no mercado elétrico podem ajudar na confiabilidade do sistema. Os agregadores desempenham um papel central na viabilização de ativos descentralizados de flexibilidade, pois são capazes de fornecer os serviços necessários aos operadores do sistema (o que seria difícil para os proprietários individuais de VEs). Os agregadores têm a responsabilidade final de otimizar seu portfólio, conhecer as capacidades dos ativos agrupados e prestar serviços aos operadores de sistemas de transmissão e distribuição.
Carregamento inteligente: benefícios para os motoristas e o sistema de energia
É necessário um enfoque específico nas infraestruturas de carregamento de eletricidade através da legislação, para aumentar a taxa de eletrificação no setor dos transportes sem colocar demasiada pressão na rede elétrica. Esse enfoque deve ser consistente com o design do mercado elétrico, ao mesmo tempo em que visa as especificidades da mobilidade elétrica e torna os VEs partes integrantes do sistema elétrico em uma transição justa e equitativa.
“ A legislação deve ser consistente com o ‘design’ do mercado de eletricidade para tornar os VEs partes integrantes do sistema energético”
Principais objetivos da legislação:
1. Definir claramente o carregamento inteligente e a infraestrutura de carregamento inteligente. Não existindo uma definição consolidada, gera-se confusão entre as empresas e os usuários finais, e os políticos tomadores de decisão precisam preencher esta lacuna. As capacidades V2G também devem ser incluídas devido ao seu potencial significativo para contribuir para o sistema elétrico. Por exemplo, as soluções V2G poderiam reduzir os custos da infraestrutura de carregamento de veículos elétricos em até 90% e, em 2030, poderiam cobrir até 65% da procura por armazenamento em baterias para alimentação de redes em nível mundial (World Economic Forum, “A Vision for a Sustainable Battery Value Chain in 2030”).
2. Considerar o estado do sistema elétrico ao planejar a infraestrutura de carregamento. As autoridades públicas devem ter em conta o estado do sistema elétrico (ou seja, possíveis zonas de congestionamento, digitalização e
flexibilidade da rede), para além dos volumes de frota e de tráfego e dos requisitos de espaço, ao planejarem a implantação de infraestruturas de carregamento.
3. Definir metas nacionais obrigatórias de implantação de infraestruturas de carregamento inteligente. Embora a maior parte do carregamento de VEs ocorra em edifícios (locais de trabalho e residências), um estudo da Transport & Environment estimou que o número de estações de carregamento públicas na Europa deverá ser de 3 milhões em 2030. As infraestruturas de carregamento públicas não devem ser apenas infraestruturas de carregamento rápido de alta potência, mas também, e principalmente, de carregamento de potência normal (7 kW-22 kW) para carregamentos noturnos ou de longa duração durante o horário de trabalho, ou para condutores que não dispõem de estacionamento que não seja na rua. O carregamento inteligente tem mais valor para o sistema de energia quando os veículos ficam conectados por períodos mais longos, o que torna o carregamento normal muito mais interessante para a rede do que o carregamento rápido. 4. As autoridades públicas devem ser responsáveis pelo planejamento eficiente e por uma estratégia abrangente com metas para infraestruturas de carregamento inteligentes, públicas e semipúblicas, em edifícios residenciais, espaços de trabalho, estacionamentos públicos, estacionamentos junto ao passeio, etc. Deve-se estabelecer metas para assegurar a implantação adequada de infraestruturas de carregamento inteligente que permitam a interação flexível dos VEs com o sistema energético. Ao definir estas metas, as autoridades devem considerar a evolução na utilização de VEs, garantir um alinhamento com os requisitos estabelecidos para os edifícios, diferenciar entre locais de estacionamento novos e existentes e definir um calendário com metas intermédias. Devem ser aborda-

Expandimos seu potencial com nossa tecnologia, oferecendo uma infraestrutura completa para soluções On Grid e O Grid.
Combinando a potência do sol com nossos painéis e inversores, temos energia da mais alta qualidade.
Descubra como nossa solução completa pode alavancar o seu negócio.
Conte com um time de especialistas, desde a área comercial até a engenharia.
Conte com a Intelbras no seu projeto
Fontes de energia renováveis, aliadas à tecnologia
Soluções que garantem economia, praticidade e energia em qualquer lugar
Suporte técnico altamente capacitado, em todo o território nacional


Também contamos com a tecnologia de monitoramento por drone:
Capture imagens, vídeos, panoramas e crie mapas 2D e modelos 3D. Conte com opções de voos automatizadas para cobrir grandes áreas facilmente.
Acesse o QR Code e saiba mais sobre como podemos impulsionar seu projeto!
das especificamente as zonas urbanas, onde o maior número de pessoas vivem, trabalham e carregam. Além disso, deve-se proporcionar acesso justo, inclusivo e fácil à mobilidade elétrica, sem colocar em desvantagem cidadãos com menos recursos que só podem estacionar na rua. É preciso permitir que os atores do mercado (quando autorizados pelos consumidores) tenham acesso aberto, seguro e fácil aos dados dos veículos (por exemplo, estado de carga e estado de saúde da bateria, hora de partida planejada, carga e capacidade de energia) para implementar flexibilidade.
Estes agentes do mercado incluem operadores de pontos de carregamento (CPOs, de charge point operators), agregadores e outros prestadores de serviços de eletromobilidade (EMSPs, na sigla em inglês) que agrupam veículos elétricos em uma carteira mista e fornecem aos proprietários dos veículos serviços inovadores, respeitando simultaneamente as condições de confidencialidade e segurança.
5. Definir requisitos mínimos para procedimentos de certames públicos transparentes, que devem incluir as seguintes características, a fim de permitir investimentos em infraestruturas de carregamento inovadoras que integrem VEs ao sistema energético:
– tornar as capacidades de carregamento inteligente requisitos das licitações para veículos da frota pública, em zonas urbanas e em zonas rodoviárias remotas. Quando um organismo público investe fundos públicos, seus veículos elétricos e infraestruturas de carregamento devem beneficiar a sociedade como um todo, tanto quanto possível (ou seja, também quando estão estacionados);
– incluir a liberdade de escolher um fornecedor de energia ao utilizar infraestruturas de carregamento como funcionalidade necessária em procedimentos de licitação pública; – quando já definidas, aplicar normas
técnicas abertas para evitar a dependência de fornecedores para infraestruturas com financiamento público; – cobrir também os custos de instalação e manutenção para garantir a prestação de serviços de mobilidade elétrica e não apenas a tecnologia para carregar VEs.
Uma política que permita que todos os cidadãos se beneficiem
A condução elétrica aumentou exponencialmente nos últimos anos. Cada vez mais pessoas estão se conscientizando da opção de dirigir um carro elétrico. A curto e médio prazo, de todos os kWh utilizados para carregamento, cerca de 20% serão consumidos através do carregamento em locais públicos dentro e entre cidades, enquanto 80% serão consumidos através do carregamento em locais privados (em casa ou no trabalho). A maioria destes últimos ocorrerá em edifícios onde serão suficientes pontos de carregamento inteligentes com potência normal (entre 3,7 e 22 kW).
É necessária uma nova política imobiliária para a promoção da mobilidade elétrica através da adoção de pontos de carregamento inteligentes, abordando as especificidades do carregamento de VEs nos edifícios, e da integração os setores de transportes e de edificações através da eletrificação. É necessária uma transição justa e inclusiva para a mobilidade elétrica que dê a todos os cidadãos, quer vivam em habitações isoladas com estacionamento interno ou em edifícios de apartamentos, a possibilidade de colher os benefícios da integração dos seus veículos à rede.
Para este efeito, nos regulamentos de eficiência energética de edificações não é suficiente apenas estabelecer requisitos mínimos para infraestruturas de pontos de carregamento para edifícios novos e para casos de grandes re-
formas, sem exigir funcionalidades de carregamento inteligente. Carregar VEs sem carregadores inteligentes representaria um fardo adicional desnecessário para a carga elétrica de cada edifício e para a rede em geral. Os VEs também podem fornecer serviços atrás do medidor nas instalações consumidoras e isto deve ser promovido através do carregamento inteligente nos edifícios.
Tendo em vista uma ambiciosa “onda de renovação” que integra diferentes prioridades políticas, é da maior importância que os regulamentos sobre desempenho energético de edificações sejam revistos para garantir que:
1. Apenas infraestruturas de carregamento inteligente sejam instaladas em edifícios residenciais e comerciais novos e reformados, ou pelo menos infraestruturas que preparam os edifícios para o carregamento inteligente (ou seja, dutos e cabeamento, incluindo cabos de comunicação e dispositivos de proteção elétrica para fluxos bidirecionais de eletricidade).
2. As infraestruturas de carregamento inteligentes em edifícios comerciais novos e reformados sejam capazes de se comunicar com os sistemas de gestão de energia de forma segura. Esse sistema de gestão de energia deverá ser capaz de se comunicar com a rede, a fim de permitir flexibilidade automatizada e otimizar o consumo de energia.
A transição energética só será bemsucedida quando todos os cidadãos puderem beneficiar-se de desempenhar um papel ativo nela. A eletromobilidade pode contribuir para o sucesso da transição energética, capacitando os usuários finais a evoluir de meros motoristas para clientes ativos do sistema energético. Ninguém deve ser deixado para trás. A transição para uma sociedade transportada pela mobilidade elétrica e a integração dos VEs ao sistema energético devem ser justas
e equitativas. As barreiras regulatórias devem ser removidas e devem ser dados sinais de preços que reflitam adequadamente o valor da flexibilidade para alavancar o potencial de flexibilidade dos VEs. O aprisionamento tecnológico deve ser evitado, favorecendo abordagens preparadas para o futuro.
“ A transição energética só será bem sucedida quando cada cidadão puder desempenhar um papel ativo nela”
A implementação do “desenho” do mercado elétrico, a revisão dos regulamentos de energéticos alternativos e uma nova política de construção para a promoção da mobilidade elétrica podem tornar esta visão uma realidade.
Neste contexto, o valor da interação flexível dos VEs e de todos os outros recursos energéticos descentralizados com a rede deve ser devidamente reconhecido. Qualquer cidadão deverá poder colher os benefícios dessa interação.
A flexibilidade do lado da demanda deve ser apoiada politicamente como o terceiro pilar da transição para as energias limpas, uma vez que ajuda a aumentar a eficiência do sistema, facilitando ao mesmo tempo a integração de energias renováveis intermitentes. O simples aumento da eficiência energética e a implantação de mais energias renováveis não são suficientes para alcançar, por exemplo, a meta europeia de neutralidade climática em 2050.
Juntamente com o desenvolvimento de edifícios e indústrias inteligentes, a (r)evolução da mobilidade elétrica deverá oferecer à rede mais recursos e promover a sua interação flexível com o sistema energético. Serviços e tecnologias de flexibilidade inovadores já estão no mercado. Os políticos devem agora elaborar legislações que os impulsionem em benefício da economia, da sociedade e do ambiente numa transição justa.

“ Um sistema solar não pode ser entregue como uma caixa preta. Em nossa experiência, temos visto pequenos sistemas serem não entregues, mas sim ‘abandonados”.

a edição anterior, nesta coluna, começamos uma análise mais apurada da norma ABNT NBR 16274 [1], a qual examinamos até a seção que trata de dados do sistema, que incluem as informações do sistema, do projetista e do instalador. Essa informação é importante para que qualquer um que, no futuro, vá interagir com o sistema fotovoltaico saiba as características mínimas e possa contactar os responsáveis originais, seja o projetista ou o executor.
Essas informações permitem também uma rastreabilidade dos responsáveis pelos trabalhos, seja em caso de dúvidas, seja em possíveis litígios.
Para os profissionais envolvidos, se bem elaborada, a documentação serve como limitador das responsabilidades, ou seja, é possível identificar qual profissional legalmente habilitado foi responsável por qual etapa do serviço, desde que condizente com as ART emitidas.
Na documentação de entrega, a NBR 16274 determina o fornecimento
dos diagramas unifilares. É uma exigência redundante, pois tanto a NR-10 [2] quanto a NBR 5410 [3] a fazem, porém a NBR 16274 detalha as informações mínimas que um diagrama unifilar necessita ter, as quais abordaremos a seguir.
Especificações do arranjo
Deve conter os tipos de módulos e suas principais características, número total de módulos, número de séries e quantidade de módulos por série. É importante salientar que o esquema unifilar entregue e aprovado na concessionária não necessariamente possui todas essas informações. O projeto junto à concessionária apenas objetiva obter o orçamento de conexão (antigo parecer de acesso) e não significa que

esse documento, mesmo que “aprovado” pela concessionária, seja suficiente pela ótica da NBR 16274.
Informações da série fotovoltaica e do arranjo fotovoltaico
Deve incluir a especificação do condutor, a localização das string boxes (caixas de junção), características das chaves c.c. (tensão e corrente) e as especificações dos dispositivos de proteção contra sobrecorrentes.
Aqui cabem alguns esclarecimentos. Essa norma, quando redigida, trouxe alguns termos técnicos não muito precisos, sendo portanto preciso analisá-la a partir do conhecimento da ABNT NBR 16690 [54].
A chaves são ou chaves seccionadoras, ou interruptoras ou seccionadoresinterruptores. A NBR 16690 determina onde instalar e qual tipo de chave deve ser instalado. Por isso, essa informação é importante no diagrama unifilar, pois só assim poderemos analisar a conformidade do projeto com a norma.
Quando a chave for interna ao inversor, o que é uma solução aceita pela NBR 16690, devemos representar isto no diagrama unifilar e especificar essa chave. Para isso, no entanto, precisaremos de informações do fabricante, as quais nem sempre estão claras, ou até a própria engenharia de aplicação do fabricante pode não saber a diferença.
Uma dica nesses casos é usar o manual ou datasheet em inglês. Os termos em inglês são: • interruptor – switch;



NO PORTAL DO INTEGRADOR, reunimos todos os nossos serviços e vantagens em um único local de fácil acesso. A partir de qualquer compra realizada com a Serrana Solar, o Integrador tem autonomia e acesso gratuito a qualquer hora:
• Cadastro de notas no programa Cashback
• Histórico detalhado de seus orçamentos e pedidos realizados
• Acompanhamento total desde o pedido realizado até a entrega
• Atualizações sobre solicitação de garantias
• Programa Desconto Progressivo

• Pós-vendas e Garantias
• Financiamento Solar
• Calculadora de Financiamento
• Prazo de Transporte
• Programa Capacita


• Acesse serranasolar.com.br/integrador





















































































DISTRIBUIDORA DE KITS FOTOVOLTAICOS COMPLETOS
ON GRID
OFF GRID

MICRO INVERSOR
DRIVER SOLAR

CARREGADOR VEICULAR


• seccionador – disconnector; e
• interruptor-seccionador – switch-disconnector.
Estes termos foram obtidos do site https://www. electropedia.org/, da IEC
Para os projetistas, sempre que a chave interna do inversor não atender às exigências da NBR 16690, deverá ser instalado um outro dispositivo, externo ao inversor, que atenda a esses requisitos.
Aterramento e proteção contra sobretensão
O diagrama deve conter os detalhes de todos os condutores de equipotencialização, as conexões ao sistema de proteção contra descargas atmosféricas, caso existam e necessárias, e os detalhes do dispositivo de proteção contra surtos (DPS).
Particularmente, não vejo como um diagrama possa ter os detalhes de conexão, por exemplo. Na minha opinião, a melhor prática é representar os pontos de conexão e os DPS, e referenciar à planta de aterramento, a qual, esta sim, deve conter todos os detalhes.
No projeto do sistema fotovoltaico, deve ser representada também a parte de corrente alternada. Especificações de condutores, dispositivos de controle e manobra, DRs e transformadores, por exemplo, devem estar informados no diagrama unifilar.
Esse é um item que originalmente eu achava desnecessário, visto que o projeto tem as especificações. Mas depois eu entendi. O projeto especifica as características mínimas, mas não a marca e o modelo do que foi comprado. Havendo necessidade de substituição por falha ou ampliações, necessidade de estoque de reposição e padronização de equipamentos quando temos vária usinas, esse conjunto de folhas de dados técnicos reduz o trabalho e facilita a gestão. Na prática, a ausência dessas informações vai se transformar em erros de suprimento e perda de mão de obra e geração de energia.
Informações do projeto mecânico
Esse é um item fundamental, principalmente as informações sobre manutenção. Os módulos têm uma longa garantia e problemas na estrutura podem significar falhas nos módulos que não serão cobertas por essa garantia.
Informações de operação e manutenção
Um sistema solar não pode ser entregue como uma caixa preta. Em nossa experiência, temos visto pequenos sistemas serem não entregues, mas sim “abandonados”.
Explicando melhor, além das instruções escritas sobre como operar e manter o sistema, um mínimo de treinamento e especificações devem, ou deveriam, ser dados ao usuário do sistema ou seu preposto.
Afinal, quando você compra um carro zero quilômetro, você recebe uma entrega técnica e não apenas o manual.
E muitos sistemas são bem mais caros que um automóvel.
Um bom documento de entrega é uma obrigação. E esse dever, se bem realizado, pode ajudar e muito os negócios do integrador em:
• Melhoria em processos e qualidade – Atender aos requisitos da norma vai exigir que o integrador organize seus processos e arquivos, bem como cobrar informações dos fornecedores. Essa organização em curto prazo vai trazer aumento da produtividade e melhoria nos controles de estoque e compras; e
• Processo de pós-vendas – Uma entrega mais estruturada pode virar um diferencial e aliado a uma estratégia de pósvendas (serviços de manutenção, revisão, ampliação) ou venda de outros serviços em disciplinas afins (instalações elétricas, eletrificação, armazenamento, etc.), aumentando o LTV (life time value) dos clientes.
Na próxima edição, falaremos sobre os ensaios. Até lá.
[1] ABNT: NBR16274: 2014 - Sistemas fotovoltaicos conectados à rede — Requisitos mínimos para documentação, ensaios de comissionamento, inspeção e avaliação de desempenho.
[2] Ministério do Trabalho e Emprego: NR 10 - Segurança em Instalações e Serviços em Eletricidade - Portaria SEPRT n.º 915, de 30 de julho de 2019 31/07/19.
[3] ABNT: NBR 5410: 2004 Versão Corrigida:2008 - Instalações elétricas de baixa tensão
[4] ABNT: NBR16690: 2019 - Instalações elétricas de arranjos fotovoltaicosRequisitos de projeto
* Engenheiro eletricista da Sinergia Consultoria, com grande experiência em instalações fotovoltaicas, instalações de MT e BT e entradas de energia, conselheiro da ABGD - Associação Brasileira de Geração Distribuída e diretor técnico do Sindistal RJ - Sindicato da Indústria de Instalações Elétricas, Gás, Hidráulicas e Sanitárias do Rio de Janeiro, Vinícius Ayrão apresenta e discute nesta coluna aspectos técnicos de projeto e execução das instalações fotovoltaicas. Os leitores podem apresentar dúvidas e sugestões pelo e-mail: fv_projetoinstalacao@arandaeditora. com.br, mencionando em “assunto” “Coluna Projeto e Instalação”.

“ A cooperação na elaboração de modelos de segurança pode contribuir para um estudo mais abrangente, resultando em normas e projetos mais adequados e alinhados com a realidade do mercado”
Rafael Cunha*


oda nova tecnologia gera entusiasmo em uma parcela dos consumidores, mas receio em maior medida, dado o desconhecimento da novidade. Esta fase inicial em que o mercado da mobilidade elétrica está passando não é diferente: há muitos mitos espalhados pelos mais céticos sobre a tecnologia aos desinformados, os quais, como uma bola de neve, ganham força antes que as informações verdadeiras atinjam esse público. O tema da vez é o risco de incêndio dos veículos elétricos, que, apesar de trazer uma dinâmica diferente na combustão por conta das baterias, é apresentado como um risco de ocorrência elevado, como se todo veículo elétrico pudesse a qualquer momento se incendiar.
Atualmente, por conta da velocidade do compartilhamento das informações, no mercado brasileiro diversos vídeos de incêndio de veículos são atribuídos a elétricos. Mas, depois de uma simples apuração dos fatos, se mostra apenas mais uma fake news. No entanto, gera um sentimento de insegurança na tecnologia. Adicionalmente, o tema ganhou força por conta de uma consulta pública do Corpo de Bombeiros de SP com medidas rigorosas e inéditas no mundo, a fim de reforçar a segurança.
O objetivo deste artigo é apresentar informações sobre os riscos envolvidos em um incêndio de veículo elétrico, estatísticas de ocorrências em países que adotam amplamente os carros elétricos, e, por fim, apresentar como alguns países têm mitigado os riscos.
A dinâmica do incêndio em um veículo elétrico é diferente da de um carro à combustão, podendo durar mais tempo e atingir temperaturas mais elevadas, a depender da tecnologia e estado de carga da bateria e outras variáveis.
A ocorrência de uma falha em uma célula ou módulo da bateria pode ocasionar fuga térmica. Nesse modo, inicia-se um processo exotérmico autoalimentado, que produz gases e calor por meio de reações químicas, que extravasam o invólucro da bateria, originando o incêndio ao entrar em contato com o ar, dada a elevada temperatura, que pode ultrapassar 1200 °C.
Por ser uma reação química autoalimentada, a extinção do incêndio é mais desafiadora, pois exige mais água para controle do fogo. Uma solução eficaz é utilizar mantas térmicas para controle das chamas e da temperatura, porém, mesmo assim, ainda há risco de reignição do incêndio [1].
Comparativamente, os veículos à combustão em incêndio geram temperaturas de 800 a 1000°C, que são inferiores às do veículo elétrico, e há maior facilidade de controle por meio de água, reduzindo o tempo de combate ao incêndio.
Outro risco no incêndio de um veículo elétrico são os gases tóxicos produzidos e vapores de eletrólitos, os quais, em espaços confinados, geram riscos a pessoas nas proximidades.
Apesar dos riscos gerados em um incêndio de veículo elétrico, é importante ressaltar que tais carros são consideravelmente menos propensos a sofrerem incêndio por falhas internas do que os veículos à combustão. Devido a notícias midiáticas sobre pontuais


incêndios em veículos elétricos, a Tesla passou a reportar anualmente os dados de incêndio de sua frota, e concluiu que, em média, os incêndios de veículos à combustão ocorrem a cada 19 milhões de milhas percorridas; já para os veículos da marca, acontecem a cada 205 milhões de milhas percorridas. Ou seja, os incêndios ocorrem 10,8 mais vezes em veículos à combustão [3].
Um levantamento realizado pelo EV Fire Safe, entidade apoiada pelo Departamento de Defesa da Austrália, indica a ocorrência de incêndio em 0,0012% dos veículos elétricos, enquanto nos carros à combustão há uma chance de incêndio de 0,1% do total de veículos cerca de 83 vezes maior.
A Holanda, país referência de tecnologias para recargas de veículos elétricos, possui um guia de segurança de combate a incêndio, que traz os mesmos itens apontados anteriormente, porém incluindo a compartimentação das vagas, mas fornecendo opções, permitindo o uso de materiais que impeçam a propagação do incêndio a outros veículos em vagas

A mobilidade elétrica é algo recente, porém há países em que a penetração destes modais já é significativa, com mais de uma década de experiência. Portanto, é interessante observar como outros países lidam com a questão da segurança contra incêndio dos veículos elétricos, principalmente em locais cobertos, como garagens e estacionamentos.
O Reino Unido publicou um guia de segurança para incêndio de veículos elétricos em 2023, elaborado em conjunto por diversas entidades públicas e privadas. A mitigação dos riscos se inicia por uma metodologia de gerenciamento, que tem o objetivo de observar e classificar os riscos envolvidos, provendo tabelas com diversos riscos já apontados. Posteriormente, são elencadas medidas de proteção e controle do incêndio, como o uso de sprinklers, sistema de ventilação, sistema para desligamento dos carregadores e até distanciamento físico de 90 a 120 cm de uma vaga para outra [4].
adjacentes. Além disso, é explicitada a importância e a necessidade de se utilizar carregadores certificados, materiais elétricos adequados e instalações elétricas projetadas conforme as normas aplicáveis [5].
A consulta pública dos Corpos de Bombeiros de São Paulo, assim como de outros estados, é crucial para promover o debate sobre a segurança e a eficácia no combate a incêndios em veículos elétricos. No entanto, é fundamental que essas iniciativas considerem a viabilidade técnica e econômica das propostas, evitando medidas extremas que possam ser proibitivas. O tema da segurança contra incêndios em veículos elétricos ainda não é consenso mundial, e diversas técnicas, muitas vezes mais brandas, são adotadas por países onde os veículos elétricos já são amplamente utilizados. Outro aspecto importante observado em diferentes países é a cooperação na elaboração de modelos de segurança. A colaboração entre diversos atores do mercado pode contribuir para um estudo mais abrangente, resultando em normas e projetos mais adequados e alinhados com a realidade do mercado.
Embora frequentemente se tente imputar aos veículos elétricos a causa
de diversos incêndios no Brasil, até o momento não há registros confirmados. É inevitável que, em algum momento, um incidente ocorra, e, como sociedade, devemos estar preparados com projetos e procedimentos eficazes para mitigar esses danos. No entanto, é essencial que essas soluções sejam viáveis; caso contrário, as omissões prevalecerão.
O mercado de baterias e veículos elétricos está em uma corrida tecnológica em busca de soluções mais eficientes, econômicas e seguras, e os avanços têm sido cada vez mais expressivos. Os riscos existem e não podem ser ignorados, mas, com uma abordagem equilibrada e cooperativa, é possível garantir uma transição segura e sustentável para a mobilidade elétrica.
[1] 04.4 Risks with EV battery fire https://www. evfiresafe.com/risks-ev-fires
[2] Fire Safety for Electric Vehicles and Other Modern Vehicles in Parking Structures https://www.nfpa.org/news-blogs-andarticles/blogs/2022/11/28/evs-and-parkingstructures
[3] Impact Report 2020 https://www.tesla.com/ ns_videos/2020-tesla-impact-report.pdf
[4] Covered car parks - fire safety guidance for electric vehicles https://assets.publishing.service. gov.uk/media/65bb7b5ccc6fd600145dbe1a/ covered-car-parks-fire-safety-guidance-forelectric-vehicles.pdf
[5] Fire safety of indoor car parks accommodating electrically powered vehicles https:// nipv.nl/wp-content/uploads/2023/09/ 20210715-NIPV-Fire-safety-of-indoor-carparks-accommodating-electrically-poweredvehicles.pdf
* Rafael Cunha é engenheiro eletricista e COO da startup movE Eletromobilidade. Nesta coluna, apresenta e discute aspectos da mobilidade elétrica: mercado, estrutura, regulamentos, tecnologias, afinidades entre veículos elétricos e geração solar fotovoltaica, e assuntos correlatos. E-mail: veletricos@arandaeditora.com.br, mencionando no assunto “Coluna Veículos Elétricos”.

The smarter E – O The smarter E South America acontece de 27 a 29 de agosto no Expo Center Norte, em São Paulo, congregando os eventos: Intersolar South America - A maior feira & congresso para o setor solar da América do Sul; ees South America - Feira de baterias e sistemas de armazenamento de energia; Eletrotec+EM-Power South AmericaFeira de infraestrutura elétrica e gestão de energia; e Power to Drive South America - Feira de produtos e serviços para eletromobilidade. Organização de Solar Promotion International GmbH, Freiburg Management and Marketing International e Aranda Eventos & Congressos. Informações: www.thesmartere. com.br
Intersolar Summit Sul – Em 29 e 30 de outubro acontece no Centro de Eventos FIERGS, em Porto Alegre, RS, a segunda edição do Intersolar Summit Brasil Sul, em formato congresso & feira, abordando entre outros temas solar FV com armazenamento, agrivoltaicos, FV off grid, etc. Realização: Solar Promotion, FMMI e Aranda Eventos. Informações: https:// www.intersolar-summit-brasil.com/sul
360 Solar – Realizado pela Elektsolar Innovations, o 4º 360 Solar acontece em 7 e 8 de novembro de 2024 em Florianópolis, SC, constituído por congresso e exposição de produtos e serviços para energia solar e tecnologias relacionadas. Informações: https://360solar.com.br/.
FIEE – A 32a edição da FIEE - Feira Internacional da Industria Elétrica, Eletrônica, Energia, Automação e Conectividade, organizada pela RX Brasil e a Abinee - Associação Brasileira da Indústria Elétrica e Eletrônica, vai ser realizada de 9 a 12 de setembro de 2025, no São Paulo Expo. O evento, que apresenta equipamentos, produtos, soluções e tendências em instalações elétricas e eletrônicas para a indústria de todos os segmentos, pretende abordar a transformação digital
da indústria, sustentabilidade, conectividade e tecnologia. Mais informações em https://www.fiee.com.br.
Armazenamento de energia – O SolaXP é um evento presencial, no formato roadshow, que foi lançado no mês de março, em São Paulo, e percorrerá até novembro 12 cidades em todo o País. Com o tema “Domine o mercado de inversores híbridos”, a iniciativa da SolaX Power visa capacitar distribuidores e integradores com informações sobre o mercado e a tendência do armazenamento de energia. Os próximos eventos acontecerão em Goiânia (12/7), Recife (9/8), Curitiba (13/9), Belo Horizonte (29/10), Florianópolis (13/11) e Porto Alegre (14/11). Informações: https://br.solaxpower.com.
Senai-SP – O curso de aperfeiçoamento profissional Energia Solar FotovoltaicaTecnologias e Aplicações, do Senai SP, tem carga horária de 24 horas. Inscrições em www.sp.senai.br/curso/energia-solarfotovoltaica-tecnologias-e-aplicacoes/ 89542
Gratuitos - tecnologias, instalação –
A Elgin, fabricante e distribuidora de equipamentos fotovoltaicos, oferece uma série de treinamentos gratuitos online sobre energia solar, com temas como aplicação técnica e comercial para sistemas FV, tecnologias e boas práticas de instalação. Visite https://loja.elgin.com.br/energiasolar/cursos-e-treinamentos-de-energiasolar.
Projetos e instalação – A Sunhub oferece cursos voltados para o mercado de projetos e instalação de sistemas fotovoltaicos, por meio de uma plataforma educacional online. Segundo a empresa, a iniciativa tem o objetivo de ajudar no aprendizado para impulsionar vendas dos integradores e instaladores. Os cursos são desenvolvidos por especialistas de diversas áreas do conhecimento. Mais informações:
https://www.sunhubeducacao.com.br/ treinamento-online.
RE+ – A exposição e conferência de energias limpas RE+ acontece de 9 a 12 de setembro em Anaheim, Califórnia, EUA. O evento reúne os predecessores Solar Power International, Energy Storage International e Smart Energy Week. Esperam-se mais de 40 000 profissionais e 1350 expositores. Realização da Smart Electric Power Alliance (SEPA) e Solar Energy Industries Association (SEIA). Website: www.re-plus.com
EU PVSEC 2024 – A 41ª Conferência e Exposição Europeia de Energia Solar Fotovoltaica vai ser realizada de 23 a 27 de setembro em Viena, no Austria Center, organizada pela WIP Renewable Energies. A EU PVSEC é um das principais eventos internacionais sobre investigação, tecnologias e aplicações fotovoltaicas. O programa científico da conferência é coordenado pelo European Commission Joint Research Centre. Informações: www.eupvsec.org
Transição energética – O Enlit Asia, composto por conferência e exposição para o setor de energia, vai ser realizado de 8 a 10 de outubro em Kuala Lumpur, Malásia. Sob o tema “Permitindo uma transição energética multidimensional na Associação das Nações do Sudeste Asiático”, o evento tem o objetivo de difundir conhecimento especializado, soluções inovadoras e visão de líderes da indústria para promover a transição para um futuro energético de baixo carbono no Sudeste Asiático. Pretende reunir desde representantes políticos e reguladores a fornecedores de tecnologia e consumidores de energia, e abordar a perspectiva internacional sobre o assunto. Mais informações em www. enlit-asia.com.


A Fox ESS lançou recentemente o sistema de armazenamento de energia em baterias G-MAX 215 kW/100 kWh. A solução visa atender unidades consumidoras atendidas em alta tensão e foi projetada para ser conectada à rede trifásica de 380 Vac (corrente alternada). Composto por quatro baterias refrigeradas a água, também inclui um sistema BMS (Sistema de Gerenciamento de Bateria) integrado. Pesa 2500 kg e tem garantia de 10 anos. Conta ainda com um sistema de detecção de incêndio interno. Possui capacidade de comunicação com um EMS externo (Sistema de Gerenciamento de Energia) por meio de Modbus ou TCP/IP, permitindo uma integração eficiente com outros sistemas de gerenciamento de energia, afirma a empresa. Na modalidade on-grid, é possível conectar até 10 unidades em paralelo; já na modalidade off-grid, são permitidas até cinco unidades. Segundo a fabricante, o G-MAX oferece três funcionalidades principais: redução de picos de demanda, balanceamento de carga e backup de emergência.
www.fox-ess.com
Iluminação natural com geração de energia
e à prova d’água. É equipada com uma lente prismática, permitindo a distribuição uniforme da luz, evitando o efeito de ponto quente. Um software próprio acompanha o sistema, permitindo o desenvolvimento de projetos de iluminação personalizados. Conta com células de cinco barramentos e eficiência de até 21%, além de estrutura de alumínio, que suporta cargas e pressões de vento significativas, de acordo com a fabricante. www.engepoli.com

A Inimex, marca brasileira pertencente ao Grupo HLT, fornece o painel fotovoltaico Inimex HJT 585-600 W com eficiência de 22,45% até 23,23% e coeficientes de baixa temperatura, que, de acordo com a empresa, permite funcionamento em temperaturas altas com menos perdas. Os equipamentos são bifaciais, com células solares amorfas tanto na parte superior quanto inferior. A empresa também fabrica o modelo Inimex 560-585W N-Type, com 22,65% de eficiência, destacando a maior tolerância a impurezas e menos defeitos, além de melhor desempenho em altas temperaturas do equipamento. Faz parte ainda do portfólio de produtos da companhia inversores híbridos.
https://grupohlt.com.br

nitora a temperatura dos conectores do sistema, identificando variações e níveis elevados/anormais que possam indicar potenciais arcos elétricos. Em caso de detecção de irregularidades, o sistema é desligado automaticamente e a equipe de manutenção é imediatamente notificada para correção local ou remota. Possui recurso SafeDC, que permite redução da tensão CC dos sistemas fotovoltaicos para níveis seguros ao toque (1V CC por módulo), em falhas de rede ou quando o inversor é desligado. Por fim, o recurso de Desligamento Rápido permite que os instaladores ativem o SafeDC, descarregando os condutores para níveis seguros de tensão em apenas 30 segundos. www.solaredge.com/br
O Skylux Energy, sistema de geração de energia por meio de claraboias, lançado pela Engepoli, apresenta-se como uma opção para produção de energia solar para indústrias e supermercados. Segundo a empresa, a solução possui design inovador que minimiza a transferência de calor, garantindo eficiência máxima durante a captação de energia solar, e é adaptável, podendo ser facilmente instalada em qualquer tipo de cobertura existente. É feita de material Classe A, autoextinguível CC1

A SolarEdge Technologies está oferecendo no mercado brasileiro o otimizador de potência S1400, voltado ao segmento Comercial e Industrial (C&I). A solução suporta módulos de alta potência e corrente de até 700 W e 20 A, incluindo módulos bifaciais G12. Segundo a empresa, isso possibilita mais potência com até 30,4 kW por string, permitindo até o dobro do comprimento e menos strings, e 50% menos cabos, fusíveis e caixas combinadoras. A série S conta com a tecnologia patenteada Sense Connect, que mo-

Um dos destaques do portfólio de produtos da SolaX Power é o inversor híbrido 5 em 1, que possui cinco diferentes funções. A primeira função disponível é a on-grid, ou seja, a de conectar um sistema fotovoltaico às redes de residências ou empresa, de forma a injetar energia na rede da concessionária. A segunda é a off-grid, quando são utilizados em sistemas desconectados da rede elétrica. A terceira é a função híbrida, ou seja, a on-grid e off-grid exercidas simultaneamente. Já a quarta é a retrofit, pela qual é possível colocar em paralelo uma estação fotovoltaica existente e, assim, transformar aquela usina, seja com um inversor tradicional ou microinversor, em uma unidade de armazenamento de energia. Por fim, a quinta função é apenas de armazenamento, na qual os inversores híbridos não precisam dos módulos fotovoltaicos, e utilizam a energia da concessionária para abastecer o banco de baterias.
www.solaxpower.com
Mercado de FV - A nova edição do Boletim M&A, elaborado pela Greener, traz informações sobre o mercado de transações no setor fotovoltaico. O levantamento, referente ao 1º trimestre de 2024, aponta que o número de transações ocorridas nos três primeiros meses do ano é

57% superior ao mesmo período de 2023 e mais do que o dobro do mapeado em 2022. Dessa forma, a expectativa é de que em 2024 o número de transações mapeadas seja superior ao de 2023. Entre os ativos solares, as 76 usinas fotovoltaicas transacionadas somam 1,3 GWp de potência (sendo 1,13 de GC e 0,17 de GD). Entre as transações de empresas, 80% das investidas são gestoras de energia, o que, de acordo com a consultoria, demonstra o crescimento deste segmento no mercado. O estudo aponta que em 2023 houve 26% de crescimento no número de transações mapeadas comparado a 2022. Ao longo do 1º trimestre de 2024, foram mapeadas 11 transações: cinco operações de compra e venda
de empresas da cadeia solar fotovoltaica e seis aquisições de portfólios com usinas de geração distribuída (GD) e geração centralizada (GC). Em relação à evolução das transações, observou-se que 63 ativos foram transacionados nos últimos 3 anos. 51% do total de transações ocorreram nos três últimos trimestres. Segundo a Greener, esses números refletem um aquecido e mercado cenários otimistas de investimentos na cadeia solar fotovoltaica para os próximos períodos. O levantamento aponta ainda que as 76 usinas fotovoltaicas foram transacionadas em fase de construção, construção não iniciada ou já operacionais, sendo três de portfólios GC e três de GD. Também foram mapeadas cinco aquisições de empresas atuantes no setor fotovoltaico (FV), sendo que 60% das empresas investidoras já atuam diretamente com a fonte solar, como gestoras, comercializadoras ou de serviços de energia. Já 80% das empresas investidas são gestoras de energia. A consultoria estima que, ao englobar a gestão de ativos e de consumidores, esse segmento se mostra promissor em virtude da abertura do Mercado Livre de Energia e avanço da geração compar-
tilhada. O estudo pode ser acessado em https://www. greener.com.br/estudos.
Evolução da energia solarO livro A evolução da energia solar na matriz elétrica brasileira: perspectivas de implementação e impacto positivo na sustentabilidade, dos autores Carlos Frederico Duarte Rocha e Filipe Gabriel Gama Rodrigues Neves, trata da evolução da matriz energética brasileira, com foco na matriz de energia elétrica, a partir do chamado período do “Milagre brasileiro” no início da década de 1970, especialmente estabelecida em fontes não limpas como combustíveis fósseis e termelétricas, que impactam os níveis de poluição e emissão de gases do efeito estufa. Os autores apontam a premência da inserção em grande escala no Brasil de fontes energéticas mais limpas, como a energia solar e a energia eólica, que têm potencial de reduzir as emissões dos gases do efeito estufa e que, na visão dos especialistas, comparadas com as demais, impactam muito menos o ambiente, promovendo maior sustentabilidade em escala local e global. A obra

mostra ainda o potencial do Brasil no uso da energia solar e as capacidades que o país possui para estabelecer toda a cadeia produtiva do conjunto dos equipamentos de geração de energia solar, tanto no nível industrial quanto no nível domiciliar. Rocha e Neves afirmam que uma mudança na atual matriz, além de contrapor os riscos das mudanças climáticas globais e o risco para o planeta e para a economia global, também resultaria em uma ampla vantagem e avanço na economia dos países e na economia global. Eles destacam que a migração para a energia solar (e outras fontes mais limpas) promoveria uma maior eficiência energética, reduziria o gasto de energia nos processos e a emissão de poluentes que causam o aquecimento da temperatura média do planeta, aumentando o nível de desenvolvimento, geração de empregos, economia nos custos energéticos, bem-estar geral e preservação dos recursos naturais. O livro aponta que a energia solar no Brasil consegue se enquadrar nos três pilares do conceito de sustentabilidade: ambiental, econômico e social. A obra tem 123 páginas e é publicada pela editora Appris (https://editoraappris.com.br).
Índice de anunciantes



