

HEAT PUMP PLACEMENT





All Systems
and




HEAT TRANSFER FLUID - INHIBITED PROPYLENE GLYCOL
CHART





FEATURES
15
HYDRONICS

TIME FOR HYDRONICS TO SHINE
A special edition of 30 Mechanical Minutes held live at CMPX, John Siegenthaler and Robert Bean share why now is the best time to be involved in hydronics.
By HPAC Staff
18
HYDRONICS
HOT BLASTS AND COLD SLUGS
Controlling the flow when heat pumps switch between space cooling and domestic hot water to maintain maximum personal comfort.
By John Siegenthaler
24
GEOTHERMAL
ALL IN ONE: IT CAN BE DONE
Combining radiant heating, forced air and domestic hot water with one ground source heat pump is possible, but is it the best option.
By Jeff Hunter
28 COVER STORY
HVAC
SETTING UP FOR SUCCESS
During your warm weather installations, remember to consider the defrost issues of residential heat pumps when it comes to positioning and commissioning.
By Ian McTeer




X-POD

Now you can inspect drain lines far from a power source. The Gen-Pack battery adapter allows up to 12 hours of remote operation with limited access to power. The Gen-Pack is also sold separately.
But wait, there’s more. You can now record onto a ash drive or send the recording to your customers with the built-in Wi-Fi transmitter. Also, you can track just how far the camera has traveled down the line with the on-screen distance counter.
For more information, visit www.drainbrain.com/XPodPlus, or call the Drain Brains ® at 800-245-6200
NEW Gen-Pack™ Battery Adapter. (Battery not included)
40 HR MANAGEMENT
PURSUING DEI: EMBRACING DIVERSITY, EQUITY AND INCLUSIVITY
Virtual event shares paths towards building an inclusive culture in the construction industry.
By Doug Picklyk
44 PLUMBING TALKING TANKLESS

This edition of 30 Mechanical Minutes explored the evolution of residential tankless water heating along with installation considerations.
By HPAC Staff
52
BUSINESS ARE YOU UNDERCHARGING?
Earning a profit is both your right and your responsibility as a business owner.
By Matthew Birch
54
MARKETING INVEST TO THRIVE
Now is the time to spend a little time and effort to enhance your local visibility and attract more clients.
By Mathew Pottins
56
REFRIGERATION
TEVS: ESSENTIAL AND ENDURING
Understanding how thermal expansion valves operate will ensure proper refrigeration system maintenance.
By Dave Demma



to retrofit
to meet carbon


SETTING A NEW INDUSTRY STANDARD IN HYBRID HEATING PRODUCTS.
Continental is recognized as an industry leader in Canada for our cold climate heat pump technology. Our new EQHUB SMART THERMOSTAT delivers efficiency and lower operating costs through fuel choice and time of use rates*.
Our hybrid systems are fully supported and eligible for federal and provincial rebate programs, benefiting homeowners. Count on our nationwide HVAC training and support for these innovative products to support the growth of your business.
*Time of use rates is currently only available in Ontario, Canada.

UPFRONT
HAVE YOU HEARD ABOUT QUILT?
SOMETIMES COMPANIES COME ALONG THAT SEEK TO DISRUPT
THE STA -
TUS QUO, CHANGE THE WAY BUSINESS IS DONE AND PROVIDE a customer experience that makes people appreciate the simplicity of its products.
I think of Apple and specifically the iPhone. The product is a global success making Apple among the most admired and valuable companies ever.
Google owns the search business. It made the user experience easy, and now when you want to find something you Google it. Tesla introduced its electric vehicles and looks after the selling and aftercare, cutting out the middleman and working directly with its customers. A streamlined process.
Well, I’m not going to say this next company is going to be anywhere near the category of these industry giants, but in mid-May a new “smart home-climate solution company” out of California held its official launch via livestream.
Called Quilt, the company creates what it calls “home climate systems designed to move humanity off fossil fuels.” Driven by the decarbonization movement, the Quilt team includes people from Google, Apple, Nest, and Tesla, and their aim is to install stylish heat pumps outside and fashionable ductless air handlers inside homes, all controlled by smart thermostats connected to your mobile phone.
And like the titans of industry, their vision is to control the whole ecosystem, from planning to installing, monitoring and aftercare, they’ll look after it all.
In mid-April Quilt received a US$33 million round of funding, financed by environmentally minded venture capital companies as well as Drew Scott of Property Brothers fame.
It’s very early days for this new outfit. They are starting out in the San Francisco area, to be followed by Los Angeles, and then new markets across the U.S. But its wait list could expand into Canada.
More than a product manufacturer or reseller, Quilt is offering full customer service. On its website it makes the four-step process sound very user friendly: 1. Reserve your system with a fully refundable down payment. 2. Consult with an advisor who will determine system needs and even search for rebates. 3. Meet the installation team and get the units installed. 4. One point of contact, any questions or concerns are just one click or call away.
Other details on the website include pricing. Remember, this is in the U.S., but they state the system is fully installed for US$6,499 per room (before any rebates or incentives they find on your behalf).
So, what’s the big deal? Well, it seems like the home heating/cooling market could be facing some disruption, so it’s probably a good idea to be aware of what’s out there and how it could affect where you do business.
Is this a threat today? No. And who knows if this business model will ever work. I just think that if you’re not working on making your customer experience as seamless and transparent as possible, just know there is a company out there trying its best—with the latest technology available—to build a platform that is.
Property Brother, Drew Scott, believes. Only time will tell if it ever pays off. <>
– Doug Picklyk, Editor
Reader Service
Print and digital subscription inquires or changes, please contact Angelita Potal, Customer Service
Tel: (416) 510-5113
Email: apotal@annexbusinessmedia.com
Mail: 111 Gordon Baker Rd., Suite 400, Toronto, ON M2H 3R1
EDITOR
ASSOCIATE PUBLISHER
NATIONAL ACCOUNTS
ACCOUNT COORDINATOR
AUDIENCE DEVELOPMENT MANAGER
MEDIA DESIGNER
PUBLISHER
PRESIDENT/COO
Doug Picklyk (416) 510-5218 dpicklyk@hpacmag.com
David Skene (416) 510-6884 dskene@hpacmag.com
Amanda McCracken (647) 628-3610 amccracken@hpacmag.com
Kim Rossiter (416) 510-6794 krossiter@hpacmag.com
Urszula Grzyb (416) 510-5180 ugrzyb@annexbusinessmedia.com
Emily Sun esun@annexbusinessmedia.com
Peter Leonard (416) 510-6847 pleonard@hpacmag.com
Scott Jamieson sjamieson@annexbusinessmedia.com
PUBLICATIONS MAIL AGREEMENT NO. 40065710
Heating Plumbing Air Conditioning (established 1925) is published 7 times per year by Annex Publishing & Printing Inc. HPAC Magazine is the leading Canadian business publication for the owner/manager of mechanical contracting businesses and their supply partners.
ISSN: 0017-9418 (Print) ISSN 2371-8536 (Online)
Contents Copyright © 2024 by Annex Publishing & Printing Inc. may not be reprinted without permission.
SUBSCRIBER SERVICES:
To subscribe, renew your subscription or to change your address or information please visit us at www.hpacmag.com.
Subscription Price per year: $44.88 (plus tax) CDN; United States: $114.24 CDN; Elsewhere: $125.46 CDN; Single copy Canada: $8.00 CDN. Heating Plumbing Air Conditioning (establish 1925) is published 6 times per year by Annex Business Media Inc. HPAC Magazine is the leading Canadian business publication for the owner/ manager of mechanical contracting businesses and their supply partners.
MAIL PREFERENCES: From time to time we make our subscription list available to select companies and organizations whose product or service may interest you. If you do not wish your contact information to be made available, please contact us via one of the following methods: Tel: 416-510-5113, Fax: 416-510-6875; E-mail: apotal@ annexbusinessmedia.com; or by mail: 111 Gordon Baker Rd., Suite 400, Toronto ON M2H 3R1
Annex Privacy Officer Privacy@annexbusinessmedia.com Tel: 800-668-2374
HPAC Magazine receives unsolicited materials (including letters to the editor, press releases, promotional items and images) from time to time. HPAC Magazine, its affiliates and assignees may use, reproduce, publish, re-publish, distribute, store and archive such unsolicited submissions in whole or in part in any form or medium whatsoever, without compensation of any sort.
NOTICE: HPAC Magazine, Annex Publishing & Printing Inc., their staff, officers, directors and shareholders (hence known as the “Publisher”) assume no liability, obligations, or responsibility for claims arising from advertised products. The Publisher also reserves the right to limit liability for editorial errors, omissions and oversights to a printed correction in a subsequent issue. HPAC Magazine’s editorial is written for management level mechanical industry personnel who have documented training in the mechanical fields in which they work. Manufacturers’ printed instructions, datasheets and notices always take precedence to published editorial statements.

Proud member of:



www.hpacmag.com
STAINLESS STEEL
PIPE VALVES FITTINGS HANGERS

304 SS / 316 SS
Available in sizes 1/2” - 24”
Sch.10, Standard and Extra Heavy pipe, weld fi�ngs and flanges available
Small fi�ngs available in threaded or socket-weld
Valves include, balls, gates, globes, checks and knife gates (various end connec�ons)
Material IN STOCK!


NEWS FEATURE
BUILDFORCE REPORT: MORE SKILLED WORKERS REQUIRED TO RETROFIT EXISTING BUILDINGS
A new report prepared by BuildForce Canada predicts that retrofitting Canadian homes and commercial building stock to incorporate sustainable energy sources could require as many as 57,000 additional construction workers and generate more than $81 billion in new construction investments by 2032.
Estimating the impact on labour demands from transitioning buildings away from fossil fuels, considers the implications of retrofitting existing buildings to improve their energy efficiency and reduce their carbon footprints in support of the Federal Government’s goals to achieve net-zero greenhouse gas emissions by 2050.
The new report was developed with input from industry associaations including the Heating, Refrigeration and Air Conditioning Institute of Canada (HRAI) and the Mechanical Contractors Assoc. of Canada (MCAC), along with contractor representation from ClimateCare and Reliance Home Comfort, and reps from the Canadian Home Builders’ Association.
The report models a scenario in which two types of green-building activities are performed:
• converting space and water heating equipment from fossil fuels to electric power sources, and
• retrofitting buildings to improve energy efficiency and minimize heat loss.
It finds that as many as 16,300 new jobs relating to fuel switching could be created in the residential sector alone, while a further 40,600 may be created to perform energy-efficiency retrofits.
More labour will be required to accommodate the conversion of, and renovations to, Canada’s stock of commercial and institutional buildings, although data to support modeling the impact of these

conversions was not available for this version of the report.
“Addressing this transition will be a huge undertaking for Canada’s construction and building retrofit sector, but it will create a significant number of new employment opportunities among several trades, most notably heating, refrigeration and air conditioning mechanics,” says Martin Luymes, vice president, government and stakeholder relations at HRAI.
“The challenge for the construction sector is that this transition is being considered at a time when non-residential construction demands are already reporting peak or near-peak levels in many provinces, and when the residential construction sector is confronted with the additional challenge of building millions of new housing units to address Canada’s housing crisis,” says Tania Johnston, CEO of MCAC.
Building a Greener Future also models the implications of the green-building transition across the provinces.
“Fuel switching is the quickest and most effective way to reduce greenhouse gas emissions in Canada’s building stock,” says Victor Hyman, executive director of ClimateCare Canada. “And with approximately 60% of homes in the country heated by fossil-fuels, this transition creates a significant opportunity for change.”
It finds that the impacts of fuel-switching could be comparatively lower in Quebec and the Atlantic provinces,
where a large proportion of homes are already equipped with electric-powered heating equipment. However, many homes in the Atlantic provinces may require extensive retrofits to bolster energy efficiency.
In Ontario and the Prairie provinces, a high percentage of homes rely on space and water heaters powered by fossil fuels. Demand for skilled workers to perform fuel switching will be high in these provinces. This is in addition to the requirements for additional workers to carry out energy-efficiency retrofits on older homes to reduce heat loss and minimize the draw on electricity infrastructure.
“While retrofitting Canada’s buildings is a top priority for achieving a greener future, it will not be without challenges,” says Kevin Lee, CEO of the Canadian Home Builders’ Association. “Achieving the targets set by the Government of Canada will require a significant increase in both consumer incentives and support programs, the cost competitiveness of these alternative solutions, and then on top of that, the additional workforce required to carry out these transition projects. The scenario also necessarily assumes that there would be sufficient power generation and grid capacity to heat Canada’s housing stock, which there currently is not, and which would require significant investment to create.
“This study still gives a sense of the magnitude of the challenge and points to important hurdles to be overcome in pursuit of these goals.”
Although the level of effort required to transition Canada’s stock of commercial and institutional buildings could not be completely assessed for this report, BuildForce estimates that the change will create significant human resource demands as most of these buildings are powered by fossil fuels. buildforce.ca
INDUSTRY NEWS
BUDGET 2024 PREVIEWS NEXT PHASE OF GREENER HOMES PROGRAM
In the 430-page Federal budget released on April 16 there was a strong focus on new home building and home affordability.
As part of the Canada Housing Plan, the government aims to see 3.87 million new homes by 2031, which includes a minimum of 2 million additional homes on top of the 1.87 million homes already expected to be built by 2031.

To achieve these targets the feds are looking at converting unused federal public buildings (including post office and national defence sites) into housing.
The budget also proposes $50 million over two years to launch a new Homebuilding Technology and Innovation Fund to invest in projects like prefabricated housing factories, mass timber production, panelization, 3D printing, and pre-approved housing design catalogues.
Also included is a proposal to provide $100 million over two years to Employment and Social Development Canada for the Apprenticeship Service to help create placements with small and medium-sized enterprises for apprentices.
The government announced the imminent launch the Canada Green Buildings Strategy and dropped some highlights on what we will see.
Budget 2024 proposes to provide $903.5 million over six years, starting in 2024-25, to Natural Resources Canada as follows:
• $800 million over five years, starting in 2025-26, to launch a new Canada Greener Homes Affordability Program (CGHAP) that will support the direct installation of energy efficiency retrofits for Canadian households with low- to median-incomes. This program represents the next phase of the Canada Greener Homes Initiative and will be co-delivered with provincial and territorial partners. It will also be complemented by CMHC’s existing Greener Homes Loan program.
• $73.5 million over five years to renew and modernize existing energy efficiency programs that offer tools to building owners. This funding will also spur the development of more ambitious building codes to further reduce emissions.
• $30 million over five years, starting in 2024-25, to continue developing a national approach to home energy labelling.
The Budget document includes a fictional scenario to illustrate how the new Canada Greener Homes Affordability Program will work:
A low-income renter with high heating bills from an electric baseboard heater and no air conditioning, with the agreement of the landlord, can undergo an assessment through CGHAP to determine if the apartment would be a good candidate for a heat pump. At no cost to the renter, CGHAP arranges the direct installation of a heat pump.
The budget document notes that NRCan will announce further details on the Canada Green Buildings Strategy in the coming weeks. budget.canada.ca
ALBERTA ENTICING SKILLED TRADES WITH $5,000
Alberta, seeking to fill job vacancies in the skilled trades, has launched the third phase of its ‘Alberta is Calling’ campaign targeting skilled trade workers in British Columbia, Québec and Ontario.
An ad campaign, running from May 1 to July 2, includes the ‘Alberta is Calling Moving Bonus’ – a one time, $5,000 refundable tax credit for skilled trades workers who relocate to Alberta.
The government allocated $10 million in its 2024 budget towards the Moving Bonus, enough to support 2,000 trade workers. Trades on the eligibility list include plumbing, gas fitting, heating, refrigeration and air conditioning mechanics, and more.
The ad campaign targeting post-secondary campuses, restaurants, bars and gyms, along with radio, streaming and social media, is expected to cost approximately $2.5 million.
albertaiscalling.ca

GEOTHERMAL CONFERENCE A SUCCESS
The Ontario Geothermal Association attracted some 300 people, a sellout, for its 2024 Conference held on Wednesday, May 22nd at Mohawk College in Hamilton. With a theme of ‘Geothermal: The New Normal’, the intent was to bring together stakeholders that touch all sectors of the geothermal universe including municipal -
ity advisors, HVAC/R professionals, consulting engineers and designers, as well as developers, educators, and utilities.
The day-long conference included big picture keynotes touching on decarbonization and electrification trends in the built environment and where geothermal fits into the broader picture.
As a final thank you, conference organizer Paul Frith stated he wants to see 500 people at the conference next year, “So please tell your peers about this event. We’re going to go really big.” ontariogeothermal.ca
QUEBEC SPENDING $10M ON MONTREAL DECARBONIZATION PROJECT
The government of Quebec has allocated $9,996,606 to Énergir urban heating and air conditioning (ECCU), a district energy network in downtown Montreal, for the installation two electric boilers and a heat recovery and valorization system which will reduce the network’s GHG emissions by nearly 10,000 tonnes.
The announcement was made as part of the 2024 Montreal Climate Summit.
ECCU operates Montreal’s thermal power plant and supplies heating and air conditioning to more than a third of the city centre covering nearly 2 million square meters of building space (office towers, shopping centres, hotels, railway stations, campuses and apartments).
The electric boilers will complement its natural gas operations, allowing ECCU to offset the demand for hydroelectricity during peak periods.
The city of Monteal has a goal of carbon neutrality by 2030. energirccu.com
COMMERCIAL HEAT PUMP MANUFACTURING CHALLENGE
With the intention of delivering more efficient and affordable next-generation commercial heat pump rooftop units to market by 2027, the U.S. Department of Energy (DOE) in collaboration with major
NEW PATHWAYS TO SKILLED TRADES IN ONTARIO
The Ontario government is introducing new policy to get more people into the skilled trades, including new high school programs, adding a new apprenticeship pathway and an online job matching platform.
Designed to promote the skilled trades to both youth and existing workers. Building on the Ontario Youth Apprenticeship Program (OYAP), the province is creating a new stream called Focused Apprenticeship Skills Training (FAST), that will allow students in Grades 11 and 12 to participate in more apprenticeship learning through additional co-op education credits while completing high school, allowing students to take up to 80% of their senior courses in co-op education.
The province is also launching an online job-matching portal for potential apprentices, journeypersons and employers to network. Developed in partnership with the private sector, it’s intended to help streamline the process for potential apprentices to find sponsors, register and begin training.
In addition, new measures will reduce barriers to apprenticeship training for workers who have prior professional experience, but cannot meet certain academic entry requirements to register as an apprentice.
This policy would create alternative pathways for immigrants and adults interested in the skilled trades as a second career. ontario.ca
manufacturers is launching the Better Buildings Commercial Building Heat Pump Accelerator.
The goal is to help manufacturers produce higher efficiency and life cycle costeffective heat pump rooftop units (RTUs).
Developed in partnership with Amazon, IKEA and Target, along with equipment manufacturers including AAON, Carrier, Lennox, Rheem, Trane, and York, the Accelerator is expected to enable energy, emissions and cost savings.
There are two programs, the Commercial Building Heat Pump Technology Challenge, where manufacturers will partner with DOE and its national laboratories to create emissions-effective heat pump RTUs that meet an advanced technology specification and undergo field validations with commercial partners, with commercial unit available by 2027; and the Commercial Building Heat Pump Campaign that will be providing building owners and operators with resources on how to deploy heat pump technology to support both site-level and portfolio-level installations. betterbuildingssolutioncenter.energy. gov

The Canada Infrastructure Bank (CIB) has introduced its Infrastructure for Housing Initiative (IHI).
The Bank is looking to partner on large-scale infrastructure projects, including district energy projects, as well as water, wastewater, stormwater conveyance and more.
The initiative will help municipalities and Indigenous communities by sharing in risks related to the timing of community growth and will work alongside existing federal supports for housing as part of the broader approach to address the housing shortage. cib-bic.ca
CANADA INFRASTRUCTURE BANK SUPPORTING NEW RESIDENTIAL DISTRICT ENERGY
ONTARIO UPGRADING WORKERS ACT TO SUPPORT WOMEN
The Ontario government is introducing the Working for Workers Five Act, 2024, with proposed regulatory changes to the Occupational Health and Safety Act would making the skilled trades more accessible to women. The act contains measures that include requiring that menstrual products be provided on larger construction sites and mandating that washrooms are clean and sanitary.
Ontario’s proposed amendments would also add virtual harassment to the definitions of workplace harassment and workplace sexual harassment in the Health and Safety Act, ensuring that workplace policies that address harassment in the workplace also cover online harassment.
Approximately one in 10 construction workers in Ontario are women, and only four percent in skilled trades. ontario.ca
U.S. RELEASES NATIONAL BUILDINGS DECARBONIZATION PLAN
As Canadians wait for the forthcoming Canada Green Buildings Strategy to be delivered by the federal government, the U.S. Department of Energy (DOE) released Decarbonizing the U.S. Economy by 2050: A National Blueprint for the Buildings Sector, a federal plan to reduce greenhouse-gas (GHG) emissions from buildings by 65% by 2035 and 90% by 2050.
The Blueprint sets four strategic objectives: increasing building energy efficiency; accelerating onsite emissions reductions; transforming the interactions between buildings and the electricity grid; and minimizing the emissions from producing, transporting, installing, and disposing of building materials
Each objective has performance targets and market, policy, and technology milestones to reach by 2035 and 2050.
As part of its call to action, the federal



government is looking to:
• reduce the cost of heat pumps,
• improve public awareness of lowcarbon solutions,
• provide technical assistance and workforce training,
• and lead by example with federal facility decarbonization.
The report recognizes the challenge in retrofitting residential space heating in the 100 million homes across the U.S. At the current pace of conversion to heat pumps (about 500,000 per year), it will take 200 years to transition all homes to non-fossil-fuel heating.
To meet the targets will require a 10-times increase in the current rate of residential heat pump conversions by 2030.
DOE’s Affordable Home Energy Shot, aims to reduce the upfront cost of upgrading a home by at least 50% and reduce energy bills by 20% within a decade: energy.gov
THE KEEPRITE CROSSOVER SOLUTION
96 Variable-Speed Gas Furnace with Two-Stage Operation (G96VTN) • Up to 96.7% AFUE • 60,000 – 120,000 BTUh • Lifetime Heat Exchanger Limited Warranty+ • 10-Year Parts Limited Warranty*
Compact Heat Pump (DLCURA)
• Up to 18 SEER2 / Up to 12.4 EER2 Cooling • Built-In 24V Interface • Traditional Line Sets • 10-Year Parts Limited Warranty*
CMPX 2024: HIGH ENERGY
Attendance up over 50% from the last edition. BY HPAC
Canada’s largest trade show for the plumbing, HVAC and refrigeration trades in 2024, CMPX, reported a 54% increase in attendance over the previous 2022 edition with some 13,400 participants taking over the South Building of the Metro Toronto Convention Centre from March 20 thru 22.
Inside the show hall, over 500 exhibitors were displaying the latest in equipment, tools and technology, while over 60 educational sessions including panel discussions, workshops and seminars were taking place over the three days.
In the Social Hub area on the tradeshow floor, an active bar and the Podcast Theatre were attracting crowds for networking and learning opportunities.
A lot of activity was happening in every aisle on the show floor, and every day in one corner was the Skills Competition, where young and upcoming professionals showed off their talents and competed for prizes.
“The entire mechanical and plumbing industry truly came together for three action-packed days of hands-on exhibits, valuable networking and real-world solutions,” said Joanna Woo, CMPX committee chair. “From start to finish, the energy, buzz and excitement was off the charts, and the show committee



Over 60 educational sessions over three days, including an over-capacity crowd at John Siegenthaler’s 3-hour workshop.
can’t wait to build on this incredible momentum for 2026 and beyond.”
Jointly produced by the Heating, Refrigeration and Air Conditioning Institute of Canada (HRAI) and the Canadian Institute of Plumbing and

Students from College Avenue Secondary School in Woodstock, Ont. claimed the top honours on the final day of the Skills Competition at CMPX.
Heating (CIPH), CMPX takes place every two years, with the next edition scheduled for March 25 - 27, 2026 returning to the South Building of the Metro Toronto Convention Centre. <>
CMPX Ribbon Cutting: (l-r) Tara Smith (Chair HRAI); Joanna Woo (Emco/CMPX Show Committee Chair); Premier Doug Ford; Minister Todd Smith; Minister David Piccini; and David Hammond (Chair CIPH).
STAFF
The Podcast Theatre stage hosted a steady stream of live conversations, including (l-r) Adam Gordon and Terence Chan of ‘Strictly Talking Sh*t’ podcast, speaking with Azlan Danish of Axiom.

TIME FOR HYDRONICS TO SHINE
A special edition of 30 Mechanical Minutes was held live at the Podcast Theatre during CMPX, where we spoke with hydronic industry experts John Siegenthaler and Robert Bean (Siggy & The Bean) about what’s hot in hydronics and why now is the best time to get involved in hydronics in the HVAC industry. BY HPAC STAFF
The first ever 30 Mechanical Minutes held before a live audience took place during CMPX 2024, and the topic of discussion was hydronics. The two guests joining the conversation are both legends in the hydronics industry: John Siegenthaler, regular HPAC contributor and author of Modern Hydronics (4th edition), and Robert Bean, a retired technologist in the building and mechanical world who has been travelling the world lecturing on decarbonization in the built environment.
This special edition of 30 Mechanical Minutes was sponsored by IBC, manufacturers of boilers, combi boilers, water heaters and the new HPX series of air-to-water heat pumps.
WHAT’S HAPPENING IN HYDRONICS?
For years Siegenthaler and Bean have been sharing their combined knowledge about hydronics, educating not only hydronic contractors and engineers but anyone involved in the built environment on the whys and the hows of designing, installing and optimizing hydronics systems.
When asked to identify where the hydronics market it going, Siegenthaler was quick to identify the move to air-towater heat pumps as a significant trend for the industry.
“For decades, the Achilles heel for hydronics has been the question of, ‘What

do we do about cooling?’” said Siegenthaler. “The availability of heat pumps, specifically air-to-water as well as geothermal water-to-water, is an answer to that question. So now hydronics should be thought of as a heating and cooling system, and that opens up a lot of opportunity.”
Bean agreed completely, “I’ve been saying for many years that hydronics is the great enabler. It allows the COPs [coefficient of performance] to be extracted out of the machines that the engineers intended, and without using hydronics you’ll never be able to achieve that level of performance.
“What we’re seeing now is people understanding those principles at a higher level and then designing systems for really low temperature for heating and really high temperatures for cooling and that’s just awesome.”
Both also spoke about the efficien -
cies around using water for thermal storage as well. With the growing movement towards electrification, the ability to create and store hot water during offpeak times (like a thermal battery) and using it when required is important.
“Everybody is so focused on electrical storage, and that has its own issues, but I can’t think of a better storage mechanism than water and being able to extract that energy out and then dump it back in at optimized times,” says Bean.
GREAT TIME TO BE IN HYDRONICS
Prior to the event, Siegenthaler and Bean noted how current market conditions present the greatest opportunity they’ve ever seen for the hydronics industry in their lifetimes.
“Over the last three or four decades opportunities have come and gone,”
Continued on p16
Continued from p15

says Bean. “One of them was demographically based, and we’re starting to see the tail end of that, where people had money to afford hydronics.
“But now it’s a different opportunity of hydronics being able to optimize designs and equipment, and this is an opportunity that started about five years ago when we really saw the world respond to renewable electrification and decarbonization. This is not a flash in the pan opportunity. This is something that is going to last for decades, and establishing yourselves as experts now is huge.”
Siegenthaler goes a bit further: “You need to be advocates for hydronics,” he says.
He encourages contractors to look beyond the pipes, the pumps, and the boilers and take a look at what’s going on in the construction industry—specifically the Net Zero building market.
“What I’ve seen over the last few years is people will default to ductless mini splits when teaching builders or architects about Net Zero home construction. They view hydronics as overly complex.
“We need to keep hydronics relevant
“If you’re just getting involved with radiant cooling, walk before you can run.”
in average construction, and in particular tie it in with Net Zero and combining it with heat pumps, photovoltaics, and low energy building envelopes. It’s a perfect combination, and we can’t, as an industry, let that slip away to ductless mini splits.”
Bean addressed the issue in larger buildings. “As you see these [energy demand] loads drop in buildings, the percentage of the load shifts more to make up air for example or ventilation, but domestic hot water and heating water will always be a requirement. For us to keep hydronics front and centre we have to get it back to where it should be, which is in simple systems that are part of an integrated solution.”
At the winter ASHRAE meeting in
Chicago earlier this year Bean discovered that the architectural and engineering community needs to learn more about thermal comfort. “A dry bulb thermostat does not represent thermal comfort, because it misses the radiant exchange. I don’t know of any other system—other than the building performance itself—than radiant floor heating that can create compliance with one of the oldest thermal comfort standards.”
Because Siegenthaler brought up the topic earlier, he was asked to address the topic of radiant cooling in residential settings. Is it a reality or a pipe dream?
“In a residential context, I’ll be very honest. I think right now, if you’re just getting involved with radiant cooling, walk before you can run.
“Start with an air handler and make sure you understand that chilled water can create a lot of condensation, and you don’t want that all over the floor and all over the piping.
“At some point I think we may see radiant panel cooling in homes, but right now my understanding is the costs are pretty high to do it, but there are products on the market to do it.”
John Siegenthaler and Robert Bean shared practical advice for promoting hydronics to homeowners and the construction industry.
SELLING COMFORT
When it comes to growing the installation base of hydronics in homes and buildings, the answer comes from selling comfort.
Siegenthaler notes that some customers are motivated by aesthetics—they don’t want to see panel radiators or base boards—and some strictly don’t want to use fossil fuels. “The nice thing about hydronics is that it’s flexible enough that you can start from whatever their objective is,” he says.
“I made a mistake early on in my career, getting excited about all the technology, and then after talking to consumers I realized they don’t care how you do it, they just want the comfort.”
So Siegenthaler suggests to always start the conversation right up front with the focus on comfort, and then be sure to get customers in their socks and put them on a radiant floor, nothing sells the comfort of hydronics better than warm feet.
Bean was asked, ‘Are fossil fuels going away?’
“No, fossil fuels will never go away because we’ll always need high-quality fuel for doing high-quality work, like power generation, moving planes, ships and freight liners. But for housing we don’t need such high-quality fuel.”
He went on to explain how a flame burns at 3,100F or 1,700 C, while the typical required air temperature in a home is 70F/21C. There are more efficient sources of energy to achieve that 72F/21C than burning fuel.
FINAL THOUGHTS
To wrap up the panelist shared some resources for learning more about hydronics and trends to follow.
“Watch what’s happening in the building market,” said Siegenthaler. “Observe what low-energy architects and builders are doing and keep asking yourself the question, ‘How would I fit a hydroinc system into what they’re trying to accomplish?’”
As an example, he points to a system based on a heat pump that is doing space heating, cooling, domestic hot water, and tempering heat recovery ventilation.
He recently ran a cost comparison of using a series of mini splits, a heat pump water heater and an HRV, versus a central air-to-water heat pump for heating, cooling, indirect domestic water and also tied into the HRV, and the cost came out very similar.
“So it isn’t always a case of the hydronic solution being the most expensive option. When you integrate components together, you can actually be very competitive against some of the other alternatives that are out there.”
The webinar closed with many great questions asked by the live audience. To see the entire webinar along with the audience questions, visit hpacmag.com/webinars, where you can also find past editions of 30 Mechanical Minutes. All episodes are also available on the HPAC YouTube channel youtube.com/@hpacmag. <>

AIR-TO-WATER MONOBLOC HEAT PUMP
• Renewable air energy with zero C02 emissions
• Advanced modulating temperature control
• Lowers ambient temperature operating range to as low as -22°F / -30°C
• Extremely quiet: 38-53 dB operational sound level
• Increased reliability with few moving parts
Easy-To-Install Decarb Solution For Year-Round Comfort




HOT BLASTS AND COLD SLUGS
Controlling the flow when heat pumps switch between space cooling and DHW to maintain maximum personal comfort. BY JOHN
SIEGENTHALER
Air-to-water heat pumps and water-to-water geothermal heat pumps can provide warm water for both space heating and domestic water heating. They can also provide chilled water for cooling. In some system designs a single heat pump supplies all three of these loads, though in most cases not at the same time.
Switching a hydronic heat pump system from space heating to cooling and vice versa, on a seasonable basis, is relatively simple. For example, the space heating load in most of Canada typically begins around late September and ends in April. The cooling season begins in late May and runs into early September. In many locations there’s a “dead band” of time when neither heating nor cooling are required.
This allows plenty of time for a buffer tank, which might be used in both heating and cooling mode, to equalize to room temperature before needed to be heated or cooled.
The system operating mode is changed at the thermostat, or perhaps a dedicated system mode switch with heat, off, and cool settings.
There are some geographies that may require heating in the morning and cooling by afternoon, and there are several ways to do this. One approach is to not use the buffer tank for cooling mode.
In this case, route the flow directly from the heat pump to an air handler that supplies cooling to the building.
or to an indirect tank for DHW (also shows a second diverter valve option for radiant heating).
This requires a reasonable match between the heat pump’s cooling capacity and the cooling capacity of the air handler installed.
Don’t connect a 5-ton rated singlespeed heat pump to a 3-ton rated air handler. Instead, choose a reasonable chilled water supply temperature, likely in the range of 45F to 55F (7.2C to 12.7C), determine the heat pump’s cooling capacity at this temperature, and select an air handler that can provide
about the same rate of cooling at this supply water temperature.
If the heat pump has a variable-speed compressor there is more “wiggle room” when matching a single air handler to the heat pump. Just be sure the air-handler’s capacity at the selected chilled water supply temperature is not lower than the minimum cooling capacity of the heat pump.
If multiple air handlers are used a variable-speed heat pump is usually a good
(cooling)
/from heat emitter (space heating)
this diverter may be present if the system uses heat emitters other than the air handler for space heating
Figure 1. Direct-to-load piping with a diverter valve to direct flow to either the air handler for heating/cooling
match. To minimize short cycling be sure the load from the smallest cooling zone is reasonably matched with the lowest cooling capacity of the heat pump. If there are many independently controlled cooling units, such as fancoils in each room, it’s probably best to have a buffer tank between the heat pump and all those zoned terminal units.
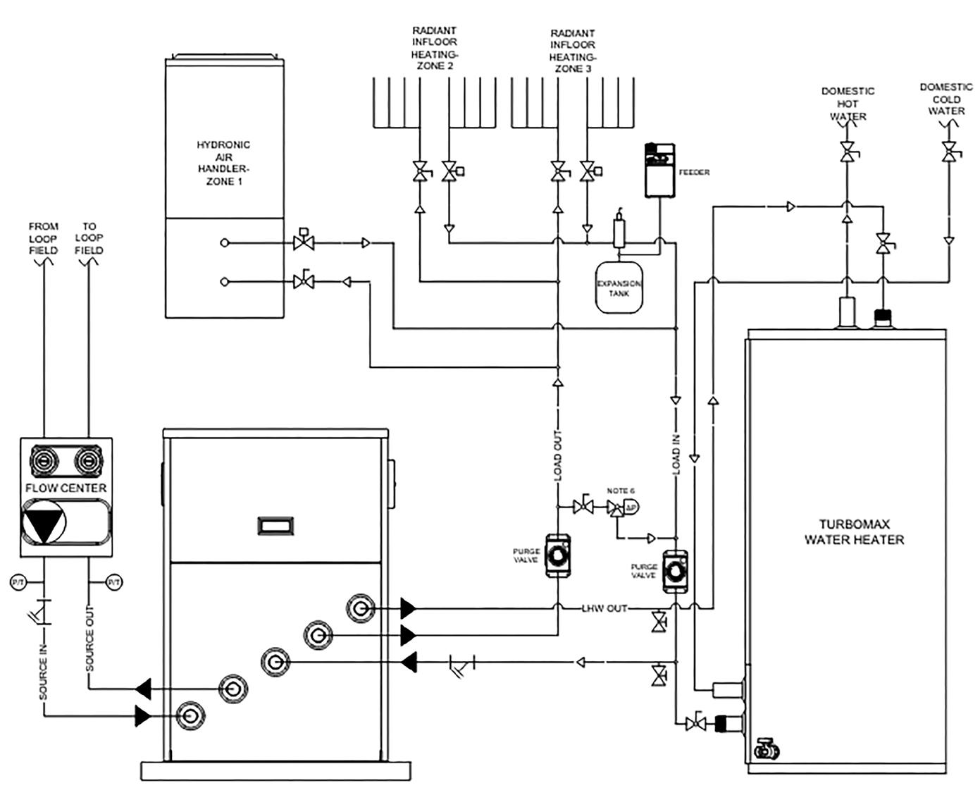
QUICK SWITCHES
One situation that’s common in residential applications is when a single heat pump (air-to-water, or water-to-water geothermal) needs to supply cooling and domestic hot water (DHW), with the possibility of both loads calling at the same time.
“What happens when a call for cooling occurs while the heat pump is operating in DHW mode?”
In systems where this is possible one load must have priority since a heat pump cannot operate in heating and cooling modes at the same time. Either load can be the priority load. Some heat pump systems even provide a commissioning menu in which the user can select which load has priority. If cooling is set as the priority, and the heat pump is producing hot water for domestic water heating, it stops, allows its internal pressures to equalize during a short two- to three-minute time delay, then restarts to produce chilled water. If DHW is set as the priority, and the heat pump is operating in cooling mode when a call for DHW occurs, the heat pump stops, goes through a similar time delay, and restarts in heating mode.
A typical system would have a divert-
ing valve that routes the flow leaving the heat pump to either an air handler for cooling or an indirect water heater as shown in Figure 1.
This layout assumes “direct-to-load” piping in which the circulator providing flow through the heat pump also creates flow through the load paths.
The lower diverter valve just determines if the flow from the heat pump goes to the indirect water heater or to
CONFORTO
space conditioning. The latter could be space heating or space cooling.
Figure 1 also shows a second diverter valve in the system that would direct flow to the air handler for cooling, or to some other distribution subsystem for space heating. If the air handler is used for both cooling and heating the upper diverter valve would not be needed.
Continued on p20

MAXIMUM HEAT PUMP
The perfect blend of comfort & convenience with heat pump inverting technology.



• Ductless systems use our sleek wall or ceiling mounted indoor air handlers, with a single or multi-zone outdoor condenser to deliver precise temperature control of one or more rooms.
• Advanced heat pump variable speed technology provides year-round cooling and heating solutions in extreme weather conditions.



• Maximum energy efficiency ratings qualify for utility rebates. ENERGY STAR® Certified.
• Auto Restart - if system shuts down due to power failure, system will restart with previous function settings when power is restored.
THERMAL CONSEQUENCES
Although this priority control concept is relatively simple it can, at times, create undesirable operating conditions.
For example, consider what happens when a call for cooling occurs while the heat pump is operating in DHW mode, and the system gives priority to cooling.
Assume there are five gallons of heated fluid at a temperature of 125F in the piping between an air-to-water heat pump and the mechanical room. If the controls immediately switch the position of the diverter valve that hot fluid will be pushed to the coil in the air handler and the occupants will feel a burst of hot air from the registers, which is obviously not what should be happening during a call for cooling.
While this burst of hot air may only be noticeable for a minute or two as the fluid is cooled by the heat pump, it’s going to reoccur whenever a call for cooling takes priority over an active domestic water heating cycle.
A similar, albeit less noticeable effect, will occur if DHW takes priority over cooling. In this case the cool fluid between the heat pump and balance of system will be pushed into the coil of the indirect water heater. It will absorb some heat from the water in the tank, but probably not to an extent that would be noticeable at the hot water fixtures. Still, it’s an undesirable effect that should be eliminated.
THE WORKAROUND
Both effects can be eliminated by temporarily preventing flow to either load following a switch from DHW to cooling or vice versa. Figure 2 shows the piping needed for one approach.
Valves (V1) and (V2) are either zone valves with high valve flow coefficient (Cv) ratings, or motorized ball valves, with equally high Cv ratings. Valve (V1) opens when the system is operating in domestic water heating mode. Valve
(V2) opens when the system is operating in either space heating or cooling mode. Valve (V3) is also a high Cv zone valve or motorized ball valve.
The Cv rating of all three valves is important. The Cv should be approximately equal to the flow rate through the heat pump. This will limit the pressure drop through each valve to about 1 psi (or about 2.3 feet of head loss).
Don’t “cheat” by using valves with lower Cv ratings. They will just create a choke point that limits flow to the loads. Assume the system is operating in DHW mode. Valve (V1) is open and valve (V2) is closed. Then a call for cooling occurs.
The system responds by closing valve (V1) and keeping valve (V2) closed. Valve (V3) opens. The heat pump circulator operates creating flow through the heat pump. The circulating fluid cools rapidly because it’s the only thermal mass upon which the heat pump is acting.
When the temperature of this fluid reaches some predetermined setpoint,
such as 55F, valve (V2) opens, valve (V3) closes, and the chilled fluid passes to the air handler for cooling. The blower in the air handler could be running during this transition time to circulate air through the building’s ducting.
A similar logic and valve sequencing occurs when the system changes from operating in cooling to heating domestic hot water. Both valves close and flow circulates between valve (V3) and the heat pump. It warms quickly, and at some predetermined temperature valve (V1) opens allowing flow to pass to the internal heat exchanger of the indirect water heater.
HARD-WIRED LOGIC
Some air-to-water heat pump systems come with the necessary valving and control logic to do what has just been described. For those that don’t, the logic can be created using a dual setpoint controller (two independent setpoint temperatures and differentials),
fluid feeder
air-to-water heat pump
indirect water heater DPBV
high Cv zone valves, or motorized ball valves (normally closed)
Using valves, this system allows for water temperature to adjust for sending it to the load.



< HYDRONICS
along with a couple of relays. The wiring is shown in Figure 3.
The wiring in Figure 3 assumes that some other control (likely within the heat pump) determines if cooling has priority over heating or vice versa. It also assumes that the heat pump turns on its circulator whenever it is operating.
The relay labelled RP has its coil wired in parallel with the line voltage supplied to the heat pump circulator. This causes the normally open contacts in relay (RP) to close whenever the circulator is operating. These contacts pass 24VAC through the normally closed relay contact (R1-1NC) to power on valve (V3). At that point the heat pump and its circulator are on, valve (V3) is open, and all flow is circulating between the heat pump and valve (V3). Valves (V1) and (V2) are closed.
A temperature setpoint controller with two independent setpoint and differential adjustments, (or two separate setpoint controls, each with a single setpoint and differential adjustment), is also powered on as soon as the circulator starts up. This controller monitors the temperature of the water leaving the heat pump at sensor Ts in Figure 2.
FOLLOW THE SEQUENCE
Assume there’s a call for domestic water heating. Based on the values shown in Figure 3, valve (V1) would open when the temperature of the water leaving the heat pump reaches 125F (assuming this is hot enough to adequately heat domestic water). As soon as the end switch in valve (V1) closes, 24 VAC is passed to relay coil (R1).
This causes contact (R1-1NC) to open, interrupting power to valve (V3) causing it to close. Flow from the heat pump is now forced through (V1) and on to the coil of the indirect water heater. Valve (V2) remains closed.
This control logic only allows water that has reached 125F to flow to the in -
line voltage relay (RP)
heat pump circulator
closed when Ts ≥ 125 ºF open when Ts ≤ 115 ºF closed when Ts ≤ 55 ºF open when Ts ≥ 65 ºF
R1-1NC
24 VAC controller w/ two independent setpoints T152 R C 120 VAC
V3 (normally closed)
V1 (DHW)
V2 (cooling)
Wiring logic to create a dual setpoint controller (two independent setpoint temperatures and differentials) to control valves in Figure 2 system. supply temperature sensor (Ts)
direct water heater, and it stops that flow if the water temperature drops to or is less than 115F.
The heat pump and circulator would turn off as soon as the call for domestic water heating cleared.
A similar control sequence takes place upon a call for cooling. Valve (V3) opens as soon as the heat pump’s circulator turns on, but (V2) only opens when the water leaving the heat pump has dropped to 55F. Valve (V2) closes if the cooling call clears, or if the temperature at the supply sensor increases to 65F or higher.
These setpoints and differential are only examples. They can be set as needed depending on the equipment
that is ultimately selected.
There are likely other hardware configurations and control concepts that could achieve similar results. Whatever approach is used, the goal remains the same: prevent hot blasts from registers at the start of cooling cycles as well as slugs of chilled water from entering the domestic water heater. < >

John Siegenthaler, P.E., has over 40 years of experience designing modern hydronic heating systems and is the author of Modern Hydronic Heating (4th edition) and Heating with Renewable Energy (visit hydronicpros.com).



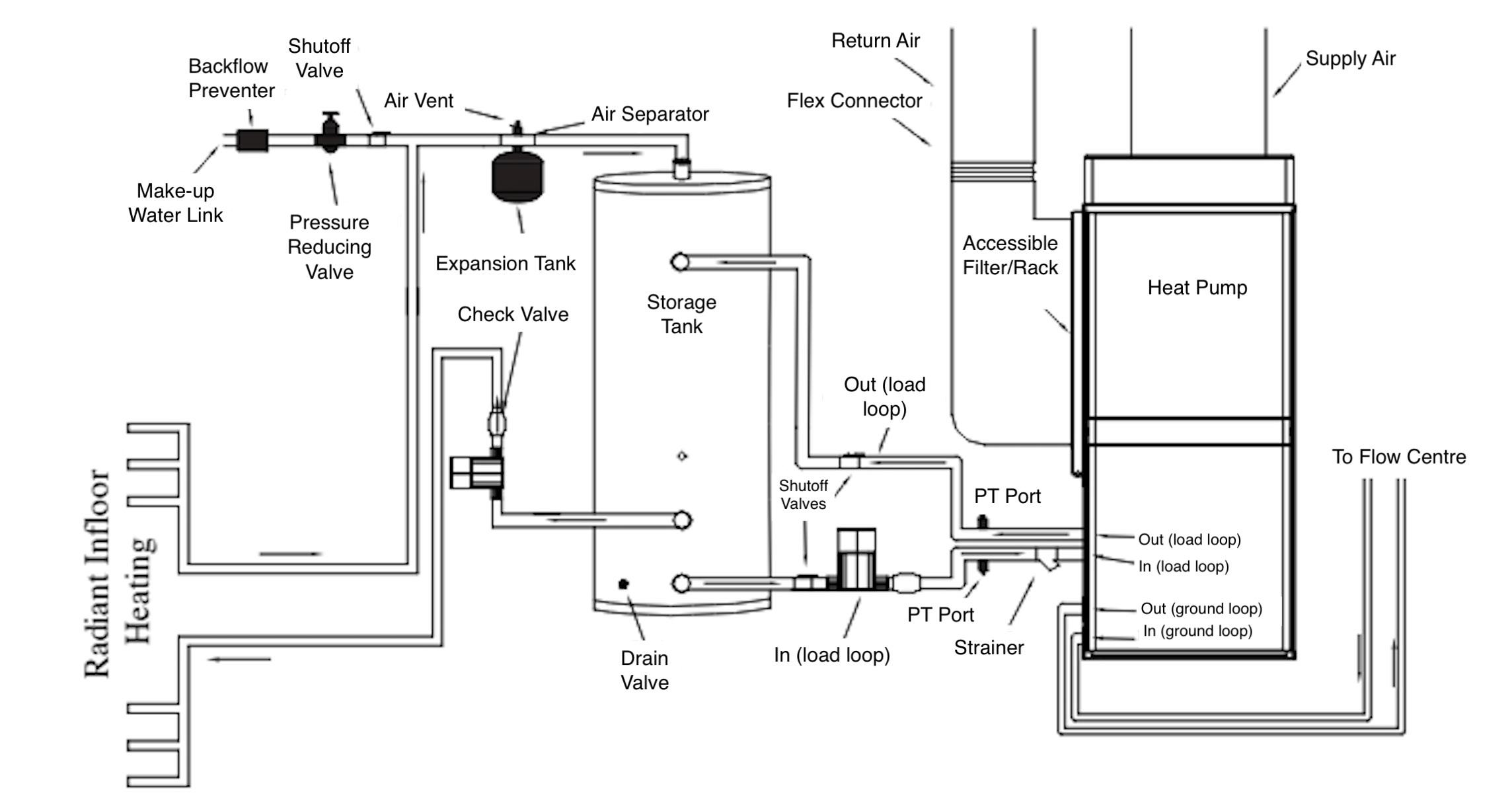
ALL IN ONE: IT CAN BE DONE
Combining radiant heating, forced air and DHW with one ground source heat pump is possible, but is it the best option. BY
JEFF HUNTER
Homer Simpson once quipped that bacon, ham, and pork chops could not possibly all come from the same “magical” animal. Likewise, some of us practicing residential HVAC might also think it magical to deliver hydronic heating, forced air heating and cooling, and domestic hot water (DHW) from within the same box, and then doing it without combustion and at a seasonal coefficient of performance (SCOP) that can generally outperform any other residential equipment available is just the icing on the “magical” cake.
For those familiar with the geothermal industry, these multipurpose units exist, and they are a ground source heat pump (GSHP) with a refrigerant-to-air coil, three refrigerant-to-water heat ex-
changers (when you include a desuperheater for DHW), a reversing valve, and a set of directional valves.
Essentially, theses combo units are two GSHPs combined in one chassis. Some manufacturers use the term “triple function” to describe their combo unit, which can be confusing, as one might think these units can provide all three of these functions simultaneously. Unfortunately, this is not the case, at least with the most common units commercially available.
Combo units use a priority control to set the operating logic of when hydronic heating or forced air heating/cooling is active. To switch between modes when a priority call is received, the combo unit shuts down, runs through the control de -
lays, change the valves to the prioritized mode, and starts the compressor again.
In this article, I’ll discuss the benefits, the application considerations, and the alternatives that may likely provide greater value to both the installer and the end-user.
THE PERCEIVED BENEFIT
As you might well imagine, packing the additional components needed to create a combo unit into the already bustling working compartment of a GSHP creates a unit that is around five feet tall and tips the scales at 500+ lbs. It sounds more like a mythical creature one wouldn’t want to encounter alone in the woods.
Though I understand why residential

Figure 1. Typical piping diagram using a combo GSHP unit with ductwork and buffer tank with in-floor radiant.

HVAC designers are keen to specify these units, especially when facing plans that demand hydronic and forced air systems in a high-performance, allelectric build. There is a certain appeal at first glance (Figure 1 is a typical combo piping diagram).
Designers might favour the combo units for the assumed space-saving advantages. However, with today’s compact water-to-air (W-A) and small water-to-water (W-W) units with brazed plate heat exchangers, typically more versatile and space-efficient solutions are available for managing mechanical room real estate in constrained situations.
The second benefit designers may be drawn to is a perceived cost reduction. Combo units, of course, carry a higher price tag than an individual W-A or W-W unit, though when combining two units the individual combo may have slight advantage.
There are also potential cost savings that installers may achieve during installation. If we think of splitting the W-W/W-A functions into two independent units, we will have some additional external accessory components, which
we wouldn’t require with just the single combo unit (i.e., flow centre, hose/piping, equipment pad, electrical).
Having said that, combo units generally only use the compressor’s second stage for the hydronic heating coil, meaning we won’t get the benefit of possible buffer tank size reduction that we could get from a smaller or twostage water-to-water, or even further elimination of a buffer tank altogether from utilizing a variable water-to-water with a direct-to-load piping strategy.
We can also run two independent units from a single flow centre to save cost converting the combo to a dual unit, though this would be my least favoured option as a designer.
DRAWBACKS AND OPPORTUNITY
The most significant downfall of the combo unit is the reduced ability to match the unit capacity to the load, the impact on the distribution system(s), and the potential for misapplying this unit.
Take, for example, a house with a 65,000-70,000 Btu/h peak heat loss and, say, a 30,000 Btu/h design cooling load.
The house has ductwork throughout with radiant infloor in the basement, and the output from those radiant panels at design can handle, let’s say, 30,000 Btu/h of the total building heating load.
What unit am I selecting, and what airflow am I basing the ductwork sizing on?
If I’m using a combo unit, I generally would need a 5-ton to meet requirements per CSA-448, assuming I’m designing a full-load GSHP system.
In cooling, that 5-ton combo unit might output around 32-37,000 Btu/h while on compressor stage one alone.
The ductwork must handle a potential 1800-2000+CFM on full load heating, potentially higher for auxiliary. As the loads get more unbalanced, the more challenge I might run into properly applying the unit.
Alternatively, we could possibly better match to the individual loads by splitting the combo into two independent GSHP units.
In this case, let’s use a small 2- or 3-ton water-to-water to meet the radiant load, which carries nearly half of the peak building heating load. I can then downsize the air side to a smaller compressor/blower, which matches the cooling load better.
So, 65,000 peak heating, subtracting, let’s say we get 25,000 Btu/h or so out of the water-to-water at design condition (30F source EWT, 100F LLT), the air side now only needs to take up the remaining 40,000 Btu/h Peak Heating, 30,000 cooling. That puts us into a 2.5 or 3-ton water-to-air unit (sized at 6570% peak per CSA 448).
The benefit is that I’m now starting two smaller compressors with better COPs matched to the loads they serve. I’ve adjusted the ductwork to suit the smaller water-to-air unit.
I have now built some redundancy and arguably improved serviceability with two independent refrigeration circuits for the tech to work on.
Additionally, I can run these units si -
Continued on p26
Piping for a variable water-to-water solution with in-floor radiant and air handlers.
multaneously (actual triple function) with lower annual run hours on the individual compressors. When choosing the source side pump arrangement, I must weigh the client’s desire for redundancy versus first cost implications.
NEXT GENERATION OF COMBO
Applying variable compressor capacity technology to GSHPs gives you the ultimate next-gen cold climate heat pump. It can also give you the ultimate combo system. A variable water-to-water heat pump creates the opportunity for a direct-to-load piping strategy (in some cases) that eliminates the need for any buffer tank. This means we can provide hydronic heating on one call, chilled water cooling (via hydronic air handler) on another call, and 100% DHW via a highperformance indirect tank without needing load side buffer tank(s) (see figure 2).
The operation may not be simultaneous but prioritized within the unit like the two-stage combo, the difference being that the variable compressor can do a much better job load matching, and we can handle DHW on demand, throwing the compressor’s total capacity behind it.
These variable water-to-water systems may fit the homeowner’s or builder’s needs if they seek the highest efficiency and greatest flexibility out of the smallest footprint.
We may combine the variable waterto-water with an independent water-toair unit rather than using a hydronic air handler. The possibilities are endless, depending on the budget.
GOOD, BETTER, BEST
When designing your next residential GSHP system, it’s important to remember that a triple-function or combo unit
shouldn’t be the default option when you need to serve multiple functions.
When you think about “good, better, and best” in that context, the combo is at the “good” end of the scale. If you look closely enough at the application in most cases, you will find that a better GSHP solution is available that delivers much more value for the investment.
The benefits of potential installation cost savings and footprint reduction of the combo may be overstated compared to the value the plethora of GSHP alternatives available may deliver for the customer. <>

Jeff Hunter is the cofounder and president of Evolved Thermal Energy and the current president of the Ontario Geothermal Association. jeff@evolvedthermal.com
MORE THAN 60 HYDRONIC BRANDS! AWAIT


































































REGISTRATION NOW OPEN!



NEW LOCATION IN VAUGHAN PARAMOUNT EVENTSPACE! SEPT 12, 2024
As always, the Summit will include our full slate of excellent speakers, 50+ exhibitors demonstrating the latest technologies, and unparalleled networking with hydronics professionals from all sectors of the trade.
Summit 2024 will again feature our Hydronics 101 sessions. Sponsored by we’ve added hands-on hydronic panel builds – the perfect training opportunity for newer technicians! Lots of prizes including, test instruments and Blue Jays tickets, will be won!











SETTING UP FOR SUCCESS < HEAT PUMPS
During your warm weather installations, remember to consider the defrost issues of residential heat pumps when it comes to positioning and commissioning. BY
WIAN McTEER
e may be well into the cooling season right now, but it’s never a bad time to remember the cold weather will be returning, so when installing a new heat pump unit we need to consider that even the most advanced cold climate air source heat pump systems encounter operational challenges with defrosting issues emerging as a persistent concern.
From poor installation practices that lead to inefficient operation, to improper commissioning that undermines performance, the root of these problems often lies in oversight during sales and specification processes.
When heat pumps are installed in suboptimal locations, or commissioned without regard for manufacturer’s instructions and industry standards, defrosting becomes a recurring obstacle, diminishing both efficiency and comfort for homeowners.
In this article, I will explore some intricacies of defrosting minutia that too often lead to poor performance or even catastrophic failure of residential cold climate air source heat pumps (ccASHP).
WHY DEFROST?
The only way a heat pump can capture heat energy from the outdoor air is to engineer an evaporator coil that runs much colder than the outdoor air entering that coil. Depending on the dewpoint temperature of the entering air, the outdoor evaporator coil will reach its frost point when the sensible air temperature entering is approximately 47F (8.3C).
The AHRI 210/240-2023 standard uses 47F as the first rating point for heat pump heating capacity. This rating point was adopted early on and likely because heat pumps were typically used in moderate climates in the U.S. where the outdoor temperature rarely drops below freezing.

Thus, 47F is a common average winter temperature in many of these geographies. Therefore, it provides a realistic and relevant benchmark for comparing the performance of different heat pump models.
For example, when an outdoor coil is engineered to have a 15F-degree delta T between the coil air entering temperature and the saturated temperature of the refrigerant within the coil, that means when the saturated temperature of the refrigerant is at 32F (0C), the outdoor air entering the coil will be at 47F (8.3C), thus the potential requirement for defrost cycles begins. But that’s not all, the number and duration of defrost cycles are necessarily related to the ambient outdoor frost point.
Allow me to illustrate. In late January of this year, an all too often episode of freezing rain befell the southern and eastern
PHOTO:
Figure 1. Unavoidable heavy wet snow accumulation on my heat pump outdoor unit.




UNIX SERIES
HIGH-EFFICIENCY CENTRAL HEAT PUMPS WITH CASED COILS
Heat pump combination AHRI Certified for installation with ANY 3rd party furnace.


ROOFTOP
COLD CLIMATE DC INVERTER HEAT PUMP
Two-stage, two-cylinder compression and hot gas injection for unparalleled heating efficiency.
Eligible for financial incentives in certain provinces, contact us for more detail.
SPARE PARTS
TO FULLY SUPPORT OUR DEALER NETWORK
OFFICIAL DISTRIBUTOR IN CANADA
*GREE Canada is not responsible for warranty on units sold outside GREE Canada’s sales channel.
For more detail, contact our team at proservice@gree.ca

< HEAT PUMPS
Ontario region where I live.
The storm delivered freezing rain and later several inches of heavy wet snow over a two-day period. The air temperature entering the outdoor coil was approximately 34F (1.1C), dew point temperature of 31F (-0.6C) [ data provided by the weather office] and strong winds out of the South gusting to 40 mph (64 km/h).
When the outdoor dew point temperature is that close to the outdoor ambient temperature, more defrost cycles will be required. This is not a great air source heat pump day.
Even though my own heat pump outdoor unit is partially shielded by a group of evergreen cedar shrubs, some snow managed to accumulate in front of the fans (see Figure 1, previous page).
Eventually, the outdoor temperature dropped to 28F (-2.2C), wind shifted to WSW gusting to 5 mph (9 km/h) and the dew point temperature dropped to 16F (-9C) as the drier air moved in.
While my current data collection setup does not permit me to view accumulated defrost cycle time periods, we can look at the heat pump thermostat data collection I used in another application (see Figure 2).
In the column marked “Last Month” this two-stage heat pump ran 408 cycles in Stage 1 (Y1) heating and 44 cycles in Stage 2 (Y2) heating for at total accumulated time of 11,737 minutes (196 hours).
The unit ran 29 defrost cycles accumulating 153 minutes in defrost, or approximately 5.3 minutes per defrost cycle. Is that good?
The answer is the shortest possible complete defrost cycle is the best defrost cycle.
Notice in the “Today” column, there is one defrost cycle lasting 6 minutes, also notice both W1 and W2 gas heat cycled to temper the cold air produced by a heat pump operating in cooling

“The shortest possible complete defrost cycle is the best defrost cycle.”
mode during defrost.
Thus, “Last Month,” regardless of temperature and dew point conditions, this heat pump was in defrost only 1.3% of the time. Defrosting averaged 5 to 6 minutes per cycle, this is close to ideal — ideal being zero minutes in defrost, something only a ground source heat pump can achieve.
DEFROST PHILOSOPHY
Moisture frozen onto the fins of the outdoor coil becomes a problem when it accumulates to the point where air flow across the coil is significantly diminished, and effective heat transfer is then substantially reduced.
Traditionally, by way of a reversing valve installed in the refrigeration circuit, hot gas is rerouted through the outdoor coil heating it to a point where the accumulated frost or ice will melt away.
Once defrosting is completed, the refrigeration circuit resumes its heating mode by directing the hot gas to the indoor coil where space heating of the
building continues.
Defrosting is an inherent inefficiency. During each defrost cycle, heat is literally “stolen” from the indoor space by shifting the reversing valve into cooling mode (hot gas goes outside) and using that heat to melt frost/ice from the outdoor coil.
In a forced warm air system, backup heat will be energized to temper the cold air being delivered to the space by the heat pump. When the indoor heat source is upstream of the indoor coil, additional heat from that source is added to the refrigerant helping to defrost the outdoor coil more quickly.
Most often, during defrost, the indoor heat source operates at 100% capacity and is not thermostatically controlled.
Thus, we want the shortest defrost period combined with the driest possible outdoor air to provide the best air source heat pump efficiency. Since we can’t control the moisture content of the outdoor air, what can be done to ensure efficient defrosting?
The answer is: just about everything!
Defrosting is more than just a control board in the outdoor unit. Steps can be taken for defrost optimization:
• Start by ensuring the heat pump equipment is properly specified: use AHRI matched components.
• Can the distribution system handle
Figure 2. Heat pump thermostat data collection results.
the necessary airflow – it’s possible a back-up gas furnace will require more airflow than the heat pump.
• Specify top quality air filters, MERV 11 is a good benchmark.
• Measure line set carefully following manufacturer’s guidelines for tube sizing, run and rise.
• Be sure to commission the unit following the manufacturer’s instructions: deep vacuum and charging in cooling mode could be the best practice in most cases.
• Use manufacturer supplied tables to verify the system is correctly charged.
• Pay attention to the location of the outdoor unit; it should be on a solid base, out of the prevailing wind, protected from dripping water, and readily serviced.
ROLE OF THE DEFROST CONTROL
Two defrost strategies are commonly used with today’s heat pumps: time and
temperature initiation; or demand initiation.
Time and temperature (T/T) initiation defrost control works well with units installed in milder winter climates such as AHRI Region IV and should not be used in cold climates, AHRI Region V, in my opinion.
The T/T system consists of an electronic control board that monitors a normally open coil temperature thermostat clamped to an outdoor coil tube stubout near the bottom of the coil.
• While running the heat mode, if the coil thermostat detects a coil temperature below 30F (+/- 3F), the switch closes, signaling the control board conditions are right for defrost.
• The control de-energizes the outdoor fan motor, shifts the reversing valve to cooling mode and energizes backup strip heaters or a fossil fueled furnace indoors.
• Hot gas is now directed to the out-
Discover the Strata ERV
The Perfect Harmony of Features
The Strata ERV delivers fresh, balanced air by continuously exchanging indoor and outdoor air, ensuring optimal ventilation and reducing pollutants. With 60% efficiency at -25°C, it controls humidity year-round, preventing mold and maintaining comfort. Made in Canada, it offers unmatched efficiency, quiet operation, and versatile configurations to meet various needs.
With the introduction of the Strata ERV, Dettson now offers a comprehensive and complete suite of HVAC solutions. Your Total HVAC Solution Learn more






door coil, and once the defrost thermostat detects the coil temperature has increased to approximately 65F (+/- 5F), defrost is terminated.
• The control board timing function monitors accumulated compressor run time: three timing options are permitted, 30, 60, or 90 minutes can be selected. For example, if the 60-minute timing alternative is employed, even though the defrost thermostat has been closed for 59 minutes of continuous or accumulated run time, the unit will not defrost until the 60th minute has passed.
• T/T control will terminate defrost after 10 minutes if the thermostat fails to reach termination temperature. Two major problems with T/T defrost controls that can cause poor performance or high utility bill complaints: T/T defrost will often initiate defrost cycles when they are not needed, as T/T cannot
Continued on p32










< HEAT PUMPS
WHAT CAN GO WRONG?
Always follow manufacturer’s location, clearance and wind shielding instructions.

Wind baffle is needed on a roof top location — it's always windy!


Horizontal unit is severely ice bound…move the unit or construct an appropriate wind/ ice shield.




Not an acceptable wind baffle or drip shield!
Despite a weather protected top design, water dripping from damaged overhead eavestrough created ice blockage over the heat pump air discharge outlet.

In defrost, a considerable amount of water is produced. The concrete slab should be slightly tipped forward to encourage drainage away from the building.
Patio slabs can be undermined causing a shift and potential refrigerant leak. The horizontal discharge unit is also too close to the wall.
This unit is icebound. Possible causes: loss of refrigerant critical charge, exposure to winds, recirculation from discharge to inlet… no amount of defrost will clean this coil. Manual defrost using buckets of hot water will be necessary.
This unit is shut down in a below balance point situation…too cold outside and the backup unit has taken over. A snowstorm occurred in the meantime, loading the condenser fan with snow and possibly ice. Unless cleared manually, or luckily melts away, the fan may be locked-up or out of balance causing damage to the motor/fan as the unit restarts.
deal with frosting caused by high humidity conditions; and for the opposite reason, the T/T control may hold-off defrost during rapid icing conditions because of the timing requirement.
Demand Defrost Control (DDC) has been dramatically improved over the decades since its introduction in the mid 1980’s. DDC is designed to permit defrost only when coil icing conditions have reached a point where heating performance becomes seriously reduced.
Many of today’s inverter driven cold climate heat pumps use demand defrost logic. Data is acquired from input provided by an ambient air temperature sensor. Additional information comes from a coil sensor installed in a copper well attached to one of the lower circuits of the outdoor coil.
The defrost control board evaluates the delta between these two sensors and determines when the outdoor coil is frosted and needs a defrost cycle.
While the enabling parameters of a defrost cycle may vary by manufacturer, a defrost control board is looking for the ambient sensor input to be below 52F (11C), the coil temperature should be below approximately 35F (1.7C) and the unit must have operated in heating mode for more than two minutes. Once a defrost cycle becomes necessary, the control board will:
• De-energize the outdoor fan motor.
• Drive the electronic expansion valve to fully open.
• Command the reversing valve to change into cooling mode.
• Instruct the compressor to run at maximum cooling speed.
• Send a message to the indoor blower to operate at maximum cooling speed.
• Energize indoor auxiliary heat.
• A smart communicating thermostat may indicate the system is in defrost mode.
• Defrost cycle will terminate when the outdoor coil temperature reaches 47F (8.3C) or some other temperature value as determined by the unit manufacturer and depending on the ambient conditions at the time.
• The defrost cycle may be terminated by time, typically 10 to 12 minutes in defrost will signal automatic termination.
• Too many defrost cycles terminated by time may indicate a fault in which a fault notification is sent to the indoor thermostat and may force the system into a degraded mode of operation called Limp Mode.
• Some units may have a communicating display assembly installed in the outdoor unit in which stored faults can be retrieved allowing the technician to determine the next steps.
TIPS FOR BEST DEFROSTING
Following are some suggestions to optimize heat pump performance keeping defrost cycles in mind.
Continued on p34
PHOTOS: MIKE DUNIK, IAN MCTEER

The HVAC industry is making a momentous transition to alternative refrigerants to meet Global Warming Potential Requirements. Manufacturers will need to meet the latest safety requirements to UL 60335-2-40 for certification.
Contact our experts today to learn more.
+1 800 WORLDLAB (967 5352) icenter@intertek.com Intertek.com/HVACR FOR MORE INFORMATION


Continued from p32
When doing a site survey, choose a location that is reasonably protected from high winds. Otherwise, specify or build a manufacturer approved wind shield.
Vertical discharge units should not be installed beneath low or wide roof overhang or any area where water can drip into the unit from above.
Avoid nearby dense foliage or any other object (fences, walls, etc.) that may block free airflow or cause recirculation of air from the discharge to the inlet side of the unit.
The outdoor unit should be installed in such a manner that snow and ice (due to freezing rain in cold weather) cannot block the outdoor coil.
The outdoor unit should be mounted on a solid concrete pad on a suitable support stand that raises the heat pump high enough to prevent drifting snow from blocking the coil.
And be sure the interior of the cabinet is clear of debris (grass clippings, leaves, etc.) that might prevent meltwater from exiting via drain holes in the base pan.
It is unlikely anyone would purposely market an “energy wasting machine”, yet, in my experience with heat pumps, that is precisely what they become when installation oversights and shortcuts force the machine to run excessive defrost cycles.
Consumer complaints related to high energy bills and poor performance can, too often, be traced back to something so simple as too many errant defrost cycles. <>

Ian McTeer is an HVAC consultant with over 35 years of experience in the industry. He was most recently a field rep for Trane Canada DSO. McTeer is a refrigeration mechanic and Class 1 Gas technician. Always eager to learn, he can be reached at imcteer@outlook.com.


Setting a new industry standard in hybrid heating products.
Napoleon is recognized as an industry leader in Canada for our cold climate heat pump technology. Our new EQ HUB SMART THERMOSTAT delivers efficiency and lower operating costs through fuel choice and time of use rates*
Our hybrid systems are fully supported and eligible for federal and provincial rebate programs, benefiting homeowners. Count on our nationwide HVAC training and support for these innovative products to support the growth of your business.
*Time of use rates are currently only available in Ontario, Canada.
LEARN MORE
MECHANICAL SUPPLY NEWS
MANUFACTURERS • DISTRIBUTORS • WHOLESALERS
PROKONTROL ACQUIRES CAROSTAN CONTROLS
ProKontrol, a national distributor of HVAC/R control equipment for commercial buildings for 40 years, has acquired Carostan Controls. Both companies are based in the Greater Montreal Area. Carostan Controls built its reputation in the manufacture of control panels and automated systems with experience in large-scale projects. The acquisition allows ProKontrol to increase its capacity for electrical panel production. prokontrol.com carostan.ca

MILWAUKEE CANADA RECOGNIZES 100 YEARS WITH 100 TREES
On Friday, May 10th team members from Milwaukee Tool Canada, a subsidiary of Techtronic Industries Co. Ltd. (TTI), ventured to the Rouge National Urban Park in the Greater Toronto Area to celebrate their organization’s 100th anniversary with a special tree planting project, with the goal of planting 100 trees for 100 years.
Craig Baxter, group president TTI Canada, pitched in to plant some seedlings, and before the planting began Baxter thanked the group of just over 30 Milwaukee colleagues in attendance.
The project was led by Tree Canada, a national non-profit organization dedicated to planting trees in rural and urban environments, along with Friends of the Rouge Watershed, custodians who monitor and maintain sections of the Rouge Park. milwaukeetool.ca
DISTRIBUTION
>> Noble opened plumbing and HVAC locations in Kanata, Ont. on June 3. Positioned side-by-side, the two new branches are located at 1300 Upper Canada St., units 3A and 3B. noble.ca
>> Noble BC expanded to seven locations with a new 15,400 sq. ft. branch in Kelowna. The wholesaler is now operating from the Fraser Valley, to Powell River, to the Thompson Okanagan. noblebc.ca
>> Emco Corp. expanded its relationship with Daikin North America, and the company is now distributing Daikin unitary equipment in the Ontario market. Emco is also now supporting the Daikin Comfort Pro (DCP) program in Ontario. emco.ca

TACO EXPANDS U.S. MANUFACTURING
Taco Comfort Solutions is adding 52,000 sq. ft. to its Fall River, Massachusetts manufacturing facility, almost doubling the 60,000 sq. ft. plant. The $20 million, project will allow it to build larger tanks, heat exchangers and a range of other products.
In addition, Taco Hydroflo Pump Solutions opened a new 45,000 sq. ft. facility in Lubbock, Texas (pictured above).
Taco acquired Hydroflo in 2012. The division manufactures a range of submersible turbine, vertical axial-flow, vertical mixed-flow, and vertical turbine pumps for commercial and industrial markets. tacocomfort.com
>> Refrigerative Supply Ltd. has launched RSL Rewards, a unique multi-tiered rewards program supporting customer growth and success. rsl.ca/news
>> Wolseley Canada’s branch in North Surrey opened on Wednesday, April 24. Located at 13070 – 115 Ave, the 20,000 sq. ft. plumbing and HVAC facility includes a Studio showroom. wolseleyexpress.com
>> Next Plumbing and Hydronics Supply has opened in Hamilton. Located at 401 Parkdale Ave. N., the shop has dedicated local trucking. nextsupply.ca
>> Manufacturers representative agency Prospect Agent Manufacturier is now supporting SFA Saniflo in the Montreal and Eastern Quebec regions. prospect-agent.com saniflo.ca
STELPRO AND INNOVAIR JOIN FORCES
Two major Quebec-based manufacturers in the heating, air conditioning and ventilation industry, Stelpro and Innovair Solutions, are merging.
This alliance of these two family-owned businesses draws on the combined expertise of both teams in the fields of electric heating and HVAC, as well as their manufacturing and distribution facilities at 16 locations across four countries. stelpro.com innovairsolutions.com
VIEGA CONTINUES NORTH AMERICAN INVESTMENTS
Viega North America is investing over $16 million in new equipment to bring more manufacturing to North America, specifically for its MegaPress line.
“We have only ever used this technology in Germany,” said Viega COO, Marki Huston, in a company release. The company also announced it will be manufacturing MegaPress fittings in sizes 2-½-in. to 4-in. in the plant. viega.us
YORKLAND CONTROLS ACQUIRED BY BUILDING CONTROLS & SOLUTIONS
Yorkland Controls, a Canadian distributor of HVAC controls and smart building automation solutions, is merging into U.S.-based Building Controls & Solutions (BCS), a distributor of building automation control solutions and parts.
The combination marks BCS’s expansion into the Canadian market, adding Yorkland’s nine Canadian branches to its existing 17 sites in the U.S. yorkland.net building-controls.com

ARMSTRONG TURNS 90
Founded in Toronto in 1934 by Samuel Allan Armstrong, this year marks the 90th anniversary of Armstrong Fluid Technology.
Growing from the challenges of the Great Depression, by 1952 under the leadership of James Allan Cary Armstrong the company adopted a series of initiatives that led to international growth. Today, Armstrong operates eight manufacturing facilities across four continents. armstrongfluidtechnology.com
WOLSELEY OPENS DISTRIBUTION CENTRE IN BRAMPTON

On Wednesday, May 29th, Wolseley Canada held the grand opening of its new branch, showroom and market distribution centre (MDC) in Brampton, Ont.
The new distribution centre will use robotic automation technology and is designed to offer 24-hour pick-up and 60-minute delivery across the Greater Toronto Area.
Located at 8480 Highway 50 in Brampton, the grand open ing event included an appearance by former Maple Leaf star, Doug Gilmour. wolseleyexpress.com
SFA SANIFLO CELEBRATES 35 YEARS IN CANADA
SFA Saniflo Canada is spending 2024 marking a milestone, as it celebrates its 35th anniversary in Canada and North America.
The Canadian division was the first North American site es tablished by the Paris-based SFA Group, the organization that originated macerating plumbing 65 years ago in France.
“Most industry professionals in Canada now readily recog nize the Saniflo brand,” says Regis Saragosti, CEO of SFA Saniflo North America, which includes Canadian, U.S. and Mexican operations. saniflo.ca





















Bradford White Canada has promoted Gino DiNezza to director of sales - eastern Canada/national sales manager-specialty products. DiNezza is now responsible for all sales across Bradford White’s portfolio in eastern Canada and maintains national responsibility for boilers and tankless water heaters. Damon Williamson has been promoted to district sales manager - Ontario for all products across the Bradford White portfolio. Williamson joined the company in August of 2022, overseeing growth in specialty products in Ontario. And Graeme Gilbert is now business development managernational accounts. Gilbert joined the company in July 2020 in the role of regional sales manager – eastern Canada.

General Pipe Cleaners promoted Angela Grieb to national sales manager. With the company since 2005, Grieb now manages, trains, and supports the network of independent sales reps, wholesalers, distributors, end-users, and influencers.
Drew Cameron has joined Viessmann as Academy trainer for heating and refrigeration equipment. Cameron is a commercial refrigeration mechanic with over a decade of service experience.
Viega named Andreas Reger president/CEO, to replaceMarkus Brettschneider, who becomes global CEO for Viega Group as of September 2024.





REHAU appointed Michael Nicholson to director of floor heating, North America. Nicholson brings 30 years of experience in business development most recently for a manufacturer’s PP-RCT business.

Grundfos named Anna Charlotte Meyer Poulsen as global vice president of HVAC OEM. With Grundfos for 25 years, Poulsen was group vice president and member of the executive leadership for the domestic building services division.


Nibco has promoted Joe Choflet to vice president, sales and marketing. Most recently vice president sales, Choflet will now oversee product marketing for plastic and metal fittings and valves.
Wolseley Canada promoted Steven Beggs to vice president, human resources. The company also named Jeffrey Gallanty, to vice president supply chain. Gallanty was previously with Ferguson where he managed distribution in the Northeastern U.S. for the past five years.



Swegon North America has named Chris DesRoches, P. Eng. business development manager, heating and cooling. With over 12 years within HVAC manufacturing, DesRoches was most recently product manager, HVAC division, with Mitsubishi Electric Sales Canada.
Zoeller announced that Bill Zoeller is now CEO, taking over the role upon the retirement in May of John Zoeller, who served for 22 years.


This Ain’t Your Grandpa’s Wholesaler
Williamson Gilbert Grieb
Cameron
Nicholson
Poulsen
Choflet Beggs
Gallanty
Reger
DiNezza
Zoeller
DesRoches

American Standard’s Aspirations™ EcoStrength™ toilet leads the industry in water-savings and ushing power with its advanced vacuum-assisted technology.
50% less water consumption*
Reduced unpleasant buildup
More comfort and accessibility
Easy installation
Multiple trip lever nish options
Promise of dependability
Available at NEXT Supply along with a wide selection of other American Standard products.

PURSUING DEI
Virtual event shares paths towards building an inclusive culture in the construction industry.
BY HPAC STAFF
Pursuing DEI, a virtual event held Wednesday, April 24, delivered on its promise to generate discussion and demonstrate the challenges and benefits of fostering diverse, equitable, and inclusive workplaces across all sectors of the construction industry.
Attracting and retaining more workers from under-represented populations to fill the thousands upon thousands of jobs currently available in Canada’s construction sector, and the even more that will open in the coming years, is a strategy that can only benefit the industry.
During the event, speakers representing multiple aspects of the workforce, including the mechanical trades, provided insights into real world issues and solutions to growing the labour pool through creating a more accommodating work environment.
RECOGNIZING BIAS
The keynote speaker, Rubiena Duarte, vice president, global diversity and inclusion with Procore Technologies, led off the day with a presentation entitled Navigating Unconscious Bias
“Last year, it was reported that Canadian construction companies missed out on $9.6 billion in revenue opportunities because of the labour shortage,” said Duarte.
Given the massive number of job openings, she explained that companies need to think about how to entice the next generation of workers to the industry, including Gen Zs, as well as new Canadians, women, Indigenous communities, and other equity deserving groups that are under-represented on


“When we ignore biases it becomes detrimental to people and cultures.”
construction jobsites.
We all inherently carry unconscious bias in our minds based on our personal experiences, and when surrounded by others we can all sense when people may be evaluating us based on their own impressions based on how we look, she explained.
“It’s not a negative thing if you have biases,” notes Duarte. “Just be aware of what they are and how they’re showing up.”
There are different types of bias, including affinity bias—where individuals tend to give preferential treatment to others who are like them. And there is conformity bias, where in certain environments individuals adjust their behavior, attitudes or beliefs, so they fit in
with the dominant group (even if they personally disagree).
This conformance could be a desire to fit in, to avoid social rejection, and to seek approval from others. Duarte explained that if you have a culture where someone’s doing this, it’s likely because they don’t feel they can be themselves, and that behaviour is going to impact a company’s worker retention.
Researchers found that 48% of employees have looked for another job while in their current role when they have perceived bias at work. She encourages leaders to make a list of those they are engaging with and consider, do you engage with them all in a similar way? Are you showing up differently for certain individuals? And then consider the other peoples’ experience and how they could be feeling.
POSITIVE CULTURE
The first panel discussion addressed how to build an inclusive culture and the challenges that exist, and entitled, Building and Maintaining Your Culture of
Continued on p42
Rubiena Duarte


Inclusion, it was moderated by Kenny Leon, vice president of marketing innovation and industry collaboration at the Canadian Construction Association. The panelists included: Brandi Ferenc, of Fair-Trades Toolbox; Graeme Aitken, of the Electrical Contractors Association of Ontario; Maraika De Groot with Maven Consulting; and Luanne Whitecrow with the Canadian Council for Aboriginal Business.
The panelists discussed the steps you can take to establish a culture of inclusivity, and provided tips on communicating (and enforcing) a positive company culture.
“I [as a woman] represent less than 0.4% of my industry, and that needle hasn’t moved in 20 years,” said Ferenc, a Red Seal 313A refrigeration mechanic/gas fitter 1 journeyperson.
She believes in the power of affinity groups (like women’s groups within workplaces and industries) to help encourage and support others in the field, but more importantly she believes under-represented groups in the trades need allies among their co-workers, colleagues who will support, guide, defend and encourage their growth.
She shared a story of a young woman she mentors who was inappropriately touched by a male co-worker. There were five other guys that saw it happen and all returned to working. “If just one of them had said, ‘That’s not okay,’ it would have been a way they could break

Brandi Ferenc
“It’s critical for employers to ensure that everyone feels included and like they belong.”

“People want to work where they feel welcomed, where they feel safe.”
that conformity bias,” said Ferenc. “Unfortunately, 99% of the time, they’re going to stick with the status quo, because they don’t want to be called out.”
She also shared her definition of inclusivity, “To me an inclusive culture doesn’t mean everyone is given a pair of work boots, it means everyone gets a pair of work boots that fit and the ones that they want … It’s so critical for employers and industry leaders to try to shift that mindset and ensure that everyone feels included and like they belong.”
The panelists agreed that leadership needs to play an active role in being champions of change, but more important is having all employees engaged and participating to create an inclusive culture.
Having a company policy cannot be a one-and-done effort, and the establishment of a DEI committee is not a guarantee of success. As Aitken put it, “A committee is not enough, unless you simply want to check a box.”
Leadership also needs to make clear what is acceptable and what’s not acceptable, noted De Groot. “If it’s really clear what isn’t acceptable you can shut that down and make sure it’s shared,” she said
RECRUITMENT
The next panel, moderated by Martin Luymes, vice president, government and stakeholder relations with the Heating, Refrigeration and Air Conditioning Institute of Canada (HRAI), was called Putting Your Culture of Inclusive Recruitment into Practice. The session featured Bill Ferreira of BuildForce Canada, Kim Rutherford from Emco Corp., Viktoriya Syromyatova
of Boralex and Craig Swanberg from PCL Construction.
Ferreira outlined how over the next 10 years the Canadian construction industry is going to need to hire about 350,000 new workers to replace the retiring workforce and keep up with a growing industry.
Rutherford offered a few recruiting tips to ensure a fair and inclusive experience. For example, share interview questions with candidates in advance (this makes it a much better experience for neurodiverse individuals (i.e. those with ADHD, autism, dyspraxia, and dyslexia), also ask candidates, “What can we do to make this the best experience for you?” to ensure your workplace will provide an equitable experience for them.
“When I joined the industry, and even now, I still represent a minority in terms of a disabled woman in a male dominated industry,” said Rutherford, who is hearing impaired. “What has helped me in my career is having a sponsor, somebody who has political leverage within the organization and industry who will advocate for my success.”
As for reaching out to diverse communities to attract new talent, Swanberg from PCL shared that it’s important to get in front of the people with messages that let them know that your workplace is somewhere employees can be their authentic selves.
These messages may finally be resonating, as Ferriera noted that the industry is seeing a significant rise in the number of female apprentices in the trades. The number of women in the 15to 24-year-old age bracket is up by about 37% from 2022 to 2023.
Kim Rutherford
BEST PRACTICES
The final panel for the day was Leveraging Your Inclusive Workplace and Becoming an Employer of Choice
Moderated by Michelle Branigan, CEO, Electricity Human Resources Canada (EHRC), this panel included Meg Mathes of Modern Niagara, Elaine Carelse of Orion Construction, and Lindsay Janca from Hatch.
Branigan highlighted that employers are competing in a tight labour market across the country in every sector, and job seekers are reporting that a diverse workforce is important for them when they evaluate job opportunities and offers.
Mathes encouraged people to learn about intersectionality—the acknowledgement that everyone has their own unique experiences of discrimination and we must consider everything and anything that can marginalize people including gender, race, class, sexual orientation, physical ability, and more. And

Meg Mathes
“There’s no real silver bullet in DEI, but it’s the small things that you do that can lead to meaningful change.”
then we need to take the time to understand the many sides of the individuals in your own workforce.
Stereotyping and having biases does not make us bad, but it takes communication and understanding to break that cycle. As a transgender woman, Mathes saw meaningful action by the leadership at her employer that provided the courage to be her true self.
A key takeaway from this panel was the importance of communication and

education about diversity, equity and inclusion, both internally and externally, in order for organizations in construction to both grow their workforces and retain the talent they have.
“Organizations that can build truly inclusive workplaces are going to have the edge when it comes to both the recruitment and retention,” said Branigan.
The Pursuing DEI virtual event was produced by HPAC magazine along with sister publications Electrical Business and On-Site (all part of the Annex Business Media family).
Sponsors of the event included: Procore Technologies (platinum); Jacques Cartier + Champlain Bridges (gold); Electricity Human Resources Canada (EHRC) and EMCO Corp. (bronze).
Recordings of every session from the Pursuing DEI event are available for viewing online at hpacmag.com/virtualevents. <>
SHIPPING SUPPLY SPECIALISTS






TALKING TANKLESS
This edition of 30 Mechanical Minutes explored the evolution of residential tankless water heating and installation considerations. BY HPAC STAFF

HPAC magazine hosted another edition of 30 Mechanical Minutes, the free webinar series, on May 21st placing the focus on tankless water heaters. In this episode, HPAC editor Doug Picklyk was joined by Joshua Ferguson, RSE, technical sales specialist with Barclay Sales who is based in Alberta.
Ferguson lives just outside of Calgary and is a journeyman plumber and gas fitter who has been operating in the trade for over 20 years. He owned a plumbing company in Calgary for 14 years before joining the rep side of the industry in the Fall of 2022.
His first recollection of working with tankless water heating was working as an apprentice when the company he was with created its own tankless system. While installing a boiler for in floor heating in a larger estate home they had a client who wanted instant hot water to wash his cars and his motorbikes and to fill up his hot tub.
“We did a little take off from the boiler loop and had a flat plate exchanger with a flow switch,” he recalls. “And it worked like a charm for his application.”
Aside from DIY systems, Ferguson was also involved in the early wave of tankless units being introduced to Canada in the early 2000’s, “Which left a little bit of a sour taste in people’s mouths to be completely honest,” he notes.
On the market for many years, tankless water heaters have been promoted for their many benefits over traditional gas-fired tank water heaters. And although they had a more expensive upfront cost, the wall-mounted units were space savers in tight mechanical rooms, more efficient on a gas consumption, and they offer that continuous flow of hot water.
Some of the early units had issues dealing with the very cold groundwater temperatures and poor water quality found in some areas of Canada. But Ferguson has seen manufacturers overcome these issues over the past 20 years.
INSTALLATION CONSIDERATIONS
When advising clients on installing a tankless water heater it’s not a one size fits all, so contactors need to look at the situation and the units available.
Ferguson would look at what he calls the first fast five:
• Where is the tankless made?
• Does the company manufacture itself or is it a rebrand or an OEM?
• What type of exchanger does it have— copper, aluminum, stainless steel, or is it a mixture of both?
• Is the heat exchanger one piece, two piece?
• And then, does it perform like the sales sheet says it does. Once you’ve selected the right unit, then comes the calculations to ensure your customer receives the hot water they’re after.
• We need to know the entering water temperature, in the worst-case scenario of that area, household or business.
• What is the desired outlet temperature? Typical residential applications range from 120F to 130F, while commercial applications can range from 160F to 185F
• What is the average maximum load at one time, adding up the flow rate of showerheads, taps, etc.? A house -
Continued on p46
Joshua Ferguson (left) shares insights with HPAC editor, Doug Picklyk, on the issues to be aware of when considering installing a gas-fired tankless water heater unit.

The Cleaner Way to Heat


Global Warming Potential of 1.0
Aegis commercial heat pump water heaters use electricity and natural, non-toxic CO2 (R744) refrigerant to produce domestic hot water up to 170°F all year round with no need for supplemental heat.
Available in air and water sources, as well as a unique hybrid air source with cool recovery, The Aegis is one of the cleanest, most efficient and environmentally friendly ways to heat domestic water. Learn more at lyncbywatts.com.
817.335.9531 | lyncbywatts.com/aegis
< PLUMBING
hold could only need 3 to 4 gallons per minute (gpm) where a laundromat could require 40 gpm.
• Then take the Btu/h load of the tankless unit, divide that by the required temperature rise multiplied by 500. So, consider a 70F-degree temperature rise times 500 equals 35,000.
For a tankless that fires at 199,000 Btu/h, it would be 199,000 divided by 35,000 equalling 5.7 gpm in optimal times. At the coldest times it could reduce to 4 to 4.5 gpm.
The two most common sizes for tankless units are 180,000 or 199,000 Btu/h units, which is enough energy to satisfy most homeowner demands.
Ferguson also notes that water quality is becoming more important, especially in areas where hard water or bad water quality can affect these systems.
For the contractor, this requires measuring the hardness of the water and following the user manual, because manufacturers will identify certain levels of grains per gallon before some form of water softening or pre filtering for that water would be required.
“We have to understand that the heat exchangers on these tankless units are small and sometimes the flow passageways are as small as 3/8-in., so if we have any particulate, calcium deposits or iron deposits, we want to make sure that they are passing through the system and not getting caught.”
CONDENSING ONLY
Is installing a tankless system easier than installing or replacing a tank? Not necessarily, says Ferguson. In Canada, all gas-fired tankless water heaters must be condensing units, so for one thing there must be somewhere for condensate to drain.
“There may be certain situations where a floor drain is in a different area, so condensate pumps and condensate neutralizers are very important,” says
Ferguson.
Contractors also need to determine what type of piping system is in the ground that goes out to the city water, and they must know if their jurisdiction requires a condensate neutralizer.
“If you’re dumping down into cast piping and you don’t have a great refresh rate on that P-trap, eventually it’s going wear away at that cast iron.”
“We still have units out there today that I installed 20 years ago.”
Tankless installs have other variables like high-efficiency venting requirements including certain lengths and grades. A centrally located mechanical room can be a bit tougher because you either have to go sidewall or some manufacturers have flexible venting where you can go through an existing B vent. “In that case, it’s just making sure you’ve got room in the vent for a furnace or an air handler or something like that in the future as well.”
COLD SANDWICH
The cold water sandwich is something that’s been prevalent with either electric tanks or tankless water heater units. It’s that sensation that happens you step into the warm shower and then suddenly you get blasted with cold water before the hot water comes back.
Ferguson explains that the cold water sandwich can happen in a couple of different ways. “One is on the initial startup and you’ve got some water in the line from the tankless all the way to the farthest fixture that has to evacuate.
“Some tankless units have a specific flow path, so they only have about 10- or 15-min of optimal performance before they will creep into a bit of a cold water sandwich.
“Also, if the house is using more gallons per minute than the unit can serve, say you’re doing four showers at a time when your unit can only handle two, you’ll get some cold water sandwich effect there.
“Finally, if you’ve got scale and debris build up in either your exchanger, your water piping system, an aerator or shower screen, that can cause some flow restriction, and this can cause the unit to fire on and off and present some cold water issues.”
He notes that the biggest issue, aside from the discomfort factor, is the detrimental effect it can have on two-piece heat exchangers.
“The cold water sandwich is shocking that exchanger, and it’s causing a bit of a deflection,” says Ferguson. He adds that often, in the case of a tankless with a failed exchanger, it’s usually on the two front points of a two-piece exchanger.
The best way to mitigate against cold water sandwich is either a buffer tank or a recirculation line, although he notes that sometimes a recirc line can be part of the problem, so he suggests that it’s important to make sure that the recirculating system has either a timer or a push button start.
He points out that an internal recirc pump in tankless units is a very hot topic in the market, and they are beneficial in homes with dedicated recirc line.
For existing homes that are looking for an upgrade to a recirc line on a retrofit, he notes that contractors can get the kits that place a closely spaced T under a sink that will turn a cold water line into a hot water recirc line.
“That way you don’t have to cut open
Continued on p48
ONE TOOL. MULTIPLE SYSTEMS.
With Viega systems, you can save up to 90% on installation time*...without buying different tools for different sizes. One tool presses 1/2" up to 4".

See the Viega difference at viega.ca
*When compared to traditional methods.
< PLUMBING
Tankless Questions Answered
Following are questions asked from the live audience during the webinar:
Do the statements made about gas-fired tankless heaters also apply to electric versions? Please point out the differences.
Electric hot water heaters, whether they’re a tank or a tankless style, are mostly immersed probe style, where the element is in the water pathway. Many electric tankless models are a point-of-use model, like a European style, where they would have one in the kitchen, one in the bathroom.
Electric tankless units, although a great idea, they’re typically not able to manage a higher flow rate and can take 50% longer than gas to heat the water. So, when overcoming low groundwater temperatures, most electric tankless units will have a much longer refresh rate.
The maintenance is the same as a gas-fired unit, whether you have a tank or a tankless, you should be flushing that system once a year to get rid of that debris.
How does it work if your dishwasher needs a higher temperature to properly clean the dishes?
Most tankless units will have a residential setting that’s between 120F and 140F. You can turn your tank lifts up higher, but you must make sure you’ve got thermostatic control for the rest of the house. Anything over a 120F your risk of third-degree burn is quite quick.
Some high-end brand dishwashers may require a higher temperature, and typically plumbers will install a little electric tank or tankless under the sink to supply a higher temperature directly just to that dishwasher, because it needs a very small amount of extra hot water.
drywall, but it does come with some issues because during that recirc time you’re turning your cold water into hot water.”
But hot water recirculation systems are typically installed with either a push button timer, or a sensor as you walk into a room, where a schedule will turn on the system 15 min before you would need it.
LONG LASTING
One of the common selling features is the longer life span of gas-fired tankless units when compared with gas-fired tanks.
Ferguson suggests that a typical gasfired tank system will have a life span of eight to 12 years, but over those years that tank is firing up and reheating up to seven to 10 times a day, even when no hot water is being called for, while a tankless only fires up when there is a call for hot water.
So, he proposes that in the gas savings alone the system will pay for itself over its lifespan.
And he says that buying a good quality tankless unit, along with regular servicing, it should last 15 to 20 years.
“We still have units out there today that I installed 20 years ago as an apprentice that are just getting changed out now,” he notes.
As for the maintenance, that’s an area of opportunity for the contractor. Plumbers should be setting up a maintenance plan with their customers. If the homeowner is comfortable doing an annual system flush themselves, they can do it. But there are many other components to a tankless system that should be maintained on a regular basis.
He says that every manufacturer has
their own way to flush their system, and the process can take anywhere between 45 min to an hour, and should be accompanied with a complete maintenance check that should include going through sensors, igniters, and making sure the dip switches are set properly.
Every manufacturer will also have different warranty conditions that every contractor should be aware of. A big takeaway from all of Ferguson’s training sessions is the RTFM principle: Read The Freakn' Manual. “It’s the only way you’re going to get the information you need, right from the horse’s mouth.”
CONNECTED
Tankless water heater units from a variety of manufacturers are now coming with Bluetooth and Wi-Fi connectivity. And Ferguson says that WiFi is great for a tech savvy homeowner for things like cleaning schedule notifications or setting a recirculating schedule.
“Some units can also flash the contractors phone number if there is an issue, and some units can actually notify a contractor directly.”
He notes that Wi-Fi connectivity isn't a necessity, but as our life gets more connected to the appliances we own, it’s nice having that comfort and knowing that users can be alerted to problems if they occur.
The tankless water heater webinar closed with questions asked by the audience (see sidebar). To view the entire 30-minute webinar along with all the audience questions, visit hpacmag.com/ webinars, where you can also find all of the past editions of 30 Mechanical Minutes. All of the episodes are also available on the HPAC YouTube channel youtube.com/@hpacmag <>
CHOOSE SYSTEM XFR® PVC
DWV for high buildings, parkades, plenums and more
System XFR® pipe and fittings deliver all the performance advantages you would expect from thermoplastic piping.
Learn about the System XFR Water Line Guide! ipexna.com

The System XFR Water Line Guide allows the 1/2" CTS water lines to be securely braced to all basin or sink rough-ins, providing a neat, secure, and reliable installation with consistent spacing position and height relative to the drain pipe.

PLUMBING PRODUCTS

A.O. Smith has introduced its new ADAPT premium condensing gas tankless water heaters. The ADAPT tankless water heaters feature X3 scale prevention technology, extending the life by up to three times. Available in 160k, 180k, and 199k Btu/h inputs, these ENERGY STAR certified water heaters deliver on-demand hot water. Flexible venting options and integrated recirculation pump make the models suitable for any residential application. aosmith.com

Armstrong expanded its range of Design Envelope permanent magnet pumps with motors up to 60hp. These pumps operate at NEMA ultra-premium efficiency levels exceeding the targets set by NRCan. Design Envelope technology provides accurate flow metering (+/- 5%). Armstrong’s parallel sensorless control stages multiple pumps and regulates output for best efficiency across the entire pump array. The pumps are available with Pump Manager, a cloud-based performance tracking service. armstrongfluidtechnology.com
Sioux Chief’s ServiceBox systems come with a mounting box, full flow valves, union connections with EPDM seals, multiple connection types and sizes. Designed for installing at rough-in, separate kits are available for single valve main or water supply shut off, PRV for inline connection, water heater connections, water softener with inlet/outlet and brine discharge, dual valve for separating/isolating lines, and valved outlets for appliances. siouxchief.com

NIBCO has expanded its line of carbon steel BenchPress and BenchPressG fittings for plumbing and mechanical carbon steel pipe applications, as well as fuel and gas carbon steel pipe applications. The heavy-duty fittings feature stainless steel grip rings and separator rings. Available in 1/2-in. to 2-in. sizes, the line now includes 131 BenchPress and 130 BenchPressG options. nibco.com

Rinnai SENSEI RX/RXP tankless water heaters feature a 0.98 UEF and incorporate the company’s SmartSense adaptive gas valve allowing for propane or natural gas. Reduced product weight of 58lbs allows one-person installation, and its SmartConnect technology allows set up through Bluetooth. Models with built-in Smart-Circ intelligent recirculation pumps learn when consumers want hot water. rinnai.ca


Electric Eel’s EELvision Elite inspection camera for inspecting 3-in. to 10-in. diameter lines features a 1.3-in. diameter self-leveling colour camera with adjustable LED lights and a large 7-in. monitor. A sunshield allows for outdoor viewing. It also includes 200 feet. of ½-in. diameter push rod, continuous display odometer and dual power sources, AC and battery, with a Makita battery port and it accepts both Milwaukee and DeWalt batteries with adapter. electriceel.com

The Milwaukee M12 Brushless 1-¼-in. to 2-in. copper tubing cutter automatically adjusts diameter to cut Type K, L, and M copper pipes from 1-3/8-in. to 2-1/8-in. (OD). The unit can do over 100 cuts on a single XC 4.0 battery charge. A rotating head allows for faster cut speeds and access with as little as 1.7-in. clearance. The inline design also allows for balance and control for one-handed operation. Producing square cuts, the cutter reduces the amount to deburr. milwaukeetool.ca

Bradford White Infiniti GS and GR tankless gas water heaters offer the efficiency, performance and features you and your customers expect. They include a robust stainless steel heat exchanger, 11:1 turndown and a high output of 5.1 GPM at a 77F rise. Suitable for residential and commercial applications, they can be installed indoors or outdoors. bradfordwhite.com

SFA Saniflo has launched its Sanipit 24 GR CB pre-assembled, one horse-power, grinder pump system. Much lke its retrofit solution, the Sanipit 24 GR, the Sanipit 24 GR CB also includes a heavy-duty HDPE basin (24-in. diameter, 24 in. deep). The pre-assembled system includes the triple-redundant pressure switch plus an external control and alarm system. The pumping distance is up to 25 vertical feet or 328 horizontal feet; maximum shutoff head is 33 feet. saniflo.ca
Failed at 5.8 simulated years and 136,000 gallons.


Still running after 19.7 simulated years and 460,000 gallons.

ARE YOU UNDERCHARGING?
Earning a profit is both your right and your responsibility as a business owner. BY MATTHEW
BIRCH
Brian Spencer opened Rapid Rescue Plumbers three years ago. In 15 years in the plumbing industry Brian had seen it all. He had worked for several companies in a management capacity, trained and managed field staff, nurtured relationships with local vendors and he knew many of the regional reps for the major industry suppliers. Brian had experience with commercial installations and new home construction, but his heart was in emergency plumbing services.
Brian knew the first year would be tough and he had planned accordingly. He had saved nearly $100,000 he would use for working capital to pay for business expenses including a modest salary as he built up his clientele.
He built a strong website, did some local advertising and with his connections in the industry was able to provide support to other companies when their capacity was maxed.
Revenue followed quickly and in the first year he celebrated achieving revenues of $250,000. The milestone was exciting, but he still had a long way to go.
In year two Brian added to his team. He was well connected and good at his trade. Finding talented people wasn’t easy, but he was confident in his ability to train new hires on the job. He finished the year with revenue of $500,000 and a team of four.
Brian was still very much on the tools, but his own workload was growing considerably and he was frustrated that his team was not completing the volume of
work he expected.
As he started year three Brian was getting stressed. The savings he had started with were nearly gone, and to compensate he had cut his personal draws from the company. Winters were good for revenue, but he felt disorganized. The volume of calls requesting emergency response for burst pipes and furnace repairs was high and he didn’t want to turn people away.
He knew this meant that his crew could be spending 40 minutes or more traveling from one jobsite to another. He was also struggling to keep his trucks stocked with parts meaning more frequent trips to the wholesaler.
Brian began to question if his rates might be too low. In the beginning he wanted to offer fair pricing. He had a good idea of what others charged for service and he didn’t want to take advantage of his clients. But with strong sales, why was he struggling so much to make a profit?
It was at this time that Brian ran into an old friend named James. They had worked together many years ago. James had moved away and starting a plumbing business of his own and was back in town visiting family.
Asking about his business, Brian was blown away by the difference. Revenues were similar, but James was not having any cashflow difficulties. “What have you done so differently?” Brian asked.
Comparing notes, a few things stood out. James had moved to a small town of 30,000 people and didn’t have the

“Most people don’t understand the struggles of running a business,”
same issues with travel time between jobs. James was also charging premium rates (10% to 15% more than his competitors), and he charged an emergency call out fee of $200 for each job.
Occasionally clients would complain, but when James explained that this fee allowed him to invest in a larger supply of stock parts on his trucks, minimizing trips to the supply store and increasing the volume of clients that could be served, they understood.
Brian was amazed at how two simple differences could have such a significant impact on the business.
PROFITABILITY IS A RESPONSIBILITY
Think back to the time before you opened your business. Why did you choose to work for yourself instead of working for another company?
Whether you didn’t see eye-to-eye with the owner of your last company, or you wanted to provide a better life for your family and create a legacy you could

leave for your children, you chose to take a risk and started your own business.
Now think about what you would be earning if you still worked as an employee with a guaranteed paycheck and far less financial stress. The reality is that most business owners earn less than equally qualified professionals employed by other companies.
To further complicate things, life as a business owner is more expensive than life as an employee. Do you recall the last time you applied for a mortgage as a business owner. The bank probably asked you for two years of financials, both personal and corporate.
They may have also asked for a larger down payment, quoted you a higher rate or even denied your mortgage altogether. By contrast, your employee will only be asked for a letter from you stating their current salary combined with their prior year tax return, and they will likely get a better rate than you.
Profits are not a cherry on top, they are not a dream for one day. Profits are compensation for the job function provided by the business owner and the risk they accept in operating their business.
Business owners have a responsibility to many stakeholders. In fact, these responsibilities are often the things that consume our minds at 11 p.m. when we’re winding down for the day. When it’s quiet in the house, when our kids have gone to sleep and when there’s fi -
nally no phone calls distracting us. This is the time when we’re left alone with nothing but our thoughts.
We have a responsibility to our staff to ensure the reliability of their paycheck, to our clients to be available for that emergency call when their pipe bursts and to warranty their water tank if an issue arises. Can you imagine the stress of completing warranty work when your mind is consumed by ensuring you have the cash for payroll?
We have a responsibility to our vendors and the financial institutions that lend us money. Failing to live up to these commitments increases the cost of doing business. Vendors may reduce or revoke credit limits, banks may increase the rates on loans.
We also have a responsibility to our communities and our families. Business owners support community events, sports teams, charities and other local businesses. Our families rely on us for long term needs such as college education and retirement. They also rely on us for short term needs like family vacations and team sports. Without consistent, dependable profits how could we ever expect to live up to these responsibilities.
As a business owner you will be challenged constantly about your profitability. Some will call you greedy, some will call you tax cheats, some will say “can’t you give just a little bit more.”
Please remember, most people don’t understand the struggles of running a business. When we face these critics, we must always be kind, reminding ourselves that they only see one side of the coin, but we must never give in.
Earning a profit is both our right and our responsibility as business owners.
KEEPING SCORE AND GOOD COACHING
Think about your business like owning a sports team, it’s important to remember to keep track of all the statistics –the operational day-to-day business operations and also the financial statis -
tics – and remember the importance of having the right people in place to manage the team in the field, as well as coaching the front office or the financial side of the operation.
Your financial reporting is your scorecard – protect your scorecard at all costs. This means hiring experienced professionals to diligently manage your accounting system versus just hiring that affordable bookkeeper who charges $50/hr.
Review your scorecard frequently. The time to act is now and you can’t take action without reviewing your performance. Large profitable companies look at their performance at least every month. You can’t afford to wait until the end of the year for your meeting with your tax accountant.
Hire an amazing fractional CFO –think of this professional as your financial coach. The Edmonton Oilers started the 2023/2024 season with a record of 3-9-1 in their first 13 games. In a season where they were expected to be a contender, they were 31 st out of 32 teams leading to the firing of coach Jay Woodcroft. Over the next 29 games, with new coach Kris Knoblauch the Oilers record turned around, and as of this writing they’re headed to the Cup.
Aside from the coaching switch there were no material changes in the team. Having a coach matters, having the right coach can be a game changer. <>

Matthew Birch is the founder of Legacy Profit Sales an organization that connects premium bookkeeping firms with business owners searching for premium bookkeeping service. All firms in the Legacy network go through a 14-point pre-screening process to ensure they have robust systems and procedures that will enable them to meet the high standards expected. For more information he can be reached at Matthew@BirchAccounting.ca
INVEST TO THRIVE
Now is the time to spend a little time and effort to enhance your local visibility and attract more clients. BY MATHEW POTTINS
The last few years have been a whirlwind in the HVAC universe.
We’ve gone from pre-Covid to Covid, to shortages, to price increases, to acquisitions/consolidation, to Greener Homes rebates and now … well, we have no idea what’s going to happen next.
I’m hopeful that we don’t have a continued slow down like many are already feeling. The recession threat is real, but we can still make money if we plan properly and use all the resources we have. So let’s talk about marketing and how we can keep our companies afloat, make money and even grow in an economic downturn.
INVEST NOW
Yes, it seems crazy, but the great investors of our time are always spending money (if they have it) so they can capitalize when the economy eventually cycles upward again.
Here are some things that you can do in anticipation of a slow year to make it a not-so-slow year.
Strengthen Your Brand Identity: A strong brand identity is more than just a logo. It’s about building a company image that resonates with consumers. You may have noticed a lot of the larger HVAC contractors rebranding their trucks, being noticeable on the roads and being consistent with their messaging across all marketing channels. A strong brand sets you apart from your competitors and builds trust in your local community. Leverage SEO: You have to be online. I’m sorry, but you just do. This is the time we live in. Referrals are still power-
ful (and we’ll get to that), but consumers need to be able to search for your company and learn about you before they meet you. Create or increase your Google Business Profile and use keywords in your search engine optimization (SEO) to get noticed on Google. Yes, Google is expensive, but Bing isn’t, and Meta (Facebook) isn’t. You can do some serious damage with these platforms along with Google. Try it!
“Online customer reviews/testimonials are gold”
Utilize Customer Reviews: This is another referral source. I’ve heard the, “I don’t do any marketing, everything is word of mouth for me” tagline, but online customer reviews/testimonials are gold. Especially if you can keep them specific to the area, like an entire neighborhood in Mississauga just loves the work of Pottins Heating & Cooling. That is an absolute money maker because it’s local, it’s trusted, and it saves time and money.
Use Social Accounts: First, create them if they don’t exist. Second, get active. Tell your wife or your husband (depending on who is doing admin and who is installing) to start posting content. Tell your kids to get creative with some pictures, because they know how to use Instagram better than you do. And feel free to share special promotions. Better yet, negotiate with your local wholesaler
that you’ll purchase a certain amount of product if they help sponsor a promotion through your channels. Customer reviews are done on social media too, not just Homestars and Google.
Traditional Marketing: It’s an oldie but a goodie, use direct mail. This will be a more expensive marketing tactic than some of the others, but it works. It also keeps you designated to a particular geography, which is what you want, especially in a recession. Send out print ads and have your company logo on it. List your services and company values. There’s a reason I get real estate, landscaping, and borrowers sending me mail every day, it’s because it works, and will always work, as long as it’s consistent and stands out.
The idea here is to combine multiple strategies and create a robust marketing plan that enhances your local visibility and attracts more clients.
By focusing on both digital and traditional marketing tactics, HVAC companies can not only increase their revenue in challenging times but build lasting relationships within the community.
Investing in these strategies will ensure that your HVAC company remains competitive and continues to grow its local client base efficiently and effectively. <>

Mathew Pottins has worked with HVAC manufacturers and suppliers for over a decade, and his passion is in growing the industry. He runs Laylan Hydronics and HVAC Sales and can be reached at mathew@laylanhvac.com.
GROW FASTER
AD empowers independent distributors with:
• Dedicated in-market Canadian presence
• Robust financial reporting
• Multi-industry reach
• 100% member ownership and governance
• Growth programs: Networking, Sales, Leadership Education & Marketing
• Canadian warehouse & training centre

Plumbing • HVAC • Decorative Brands • Faucets • Fittings • Fixtures • Gauges • Pipe • Plastics • Pumps • Sinks • Tubing • Valves • Water Heaters • Water Product • Building Supplies • Gypsum • Insulation • Steel • Roofing • Electrical • Industrial
• Safety • Bearings & Power Transmission • Motors • Power Tools • PVF

TEVS: ESSENTIAL AND ENDURING
Understanding how thermal expansion valves operate ensures proper refrigeration system maintenance.
BY DAVE DEMMA
Refrigeration, as a process, is the means of lowering the temperature of the immediate surroundings. This is a simple heat transfer process, and removing heat from the conditioned space will result in a reduction in temperature.
While there are multiple methods of accomplishing heat transfer, as we know the most common is the vapour compression cycle. The entire goal of the vapour-compression cycle is to provide refrigerant at a state/condition that makes it usable as a heat transfer fluid.
For example: if the goal was to maintain a 35F temperature in a walk-in refrigerated box, typically this would be accomplished with 25F saturated liquid refrigerant flowing through the evaporator tubing as the means to transfer heat from the refrigerated space.
The vapour compression cycle requires four major components to achieve its goal:
1. Compressor: Receives the relatively cool low-pressure vapour after exiting the evaporator. The compressor has a twofold function: provide the mechanical means to facilitate constant refrigerant mass flow through the system, and convert the low-pressure vapour exiting the evaporator into a high-pressure vapour.
An unwelcome byproduct of the compression process is the addition of heat

to the high-pressure vapour, resulting in a superheated vapour. This superheated vapour is not useful for the desired heat transfer process, so additional manipulation of the refrigerant is required.
2. Condenser: Receives the superheated vapour from the compressor and transfers heat from it. This superheated vapour goes through the following processes as heat is transferred from it: (a) desuperheating, bringing the vapour to a saturated condition; (b) change of state, with the vapour transforming into a liquid, and (c) further heat transfer, resulting in some amount of subcooling.
This end result is a warm high-pressure liquid, which is still not useful for the desired heat transfer process.
3. Thermostatic Expansion Valve (TEV): Receives the warm high-pres -
sure liquid exiting the condenser. The TEV provides two functions: (a) the refrigerant flowing through the expansion device’s small port results in a reduction in pressure. When a saturated liquid refrigerant experiences a reduction in pressure, it must also undergo a reduction in temperature and assume the new saturation temperature for that pressure. This is accomplished as a percentage of the liquid refrigerant flowing through the port flashes into a vapour, removing heat from the remaining liquid refrigerant in the process, achieving the temperature reduction.
The refrigerant leaving the expansion device is a mixture of saturated liquid and vapour, and at a cooler temperature that corresponds to the lower pressure.
And then, (b) in addition to providing the necessary reduction in pressure to
Figure 1. TEV leading to evaporator where saturated liquid boils into a vapour.
accomplish the required saturation temperature for the heat transfer process, the TEV also regulates the refrigerant mass flow entering the evaporator, which will vary depending on the load requirement.
The TEV is a superheat control, responding to the superheat at the outlet of the evaporator. As the superheat increases/decreases in relation to a superheat set-point, the TEV valve will throttle close/open in an effort to maintain the set-point.
4. Evaporator: Receives the low temperature saturated liquid from the TEV, sending low-pressure vapour to the compressor to start the process again.
ESSENTIAL ROLE OF TEV
Figure 1 illustrates the low temperature saturated liquid-vapour mixture of refrigerant flowing from the TEV and into the evaporator tubing. Fans circulate air in the refrigerated space through the evaporator fin-tube bundle, allowing the heat content in the air to be transferred to the saturated refrigerant flowing through the evaporator tubing.
This heat transfer process results in the saturated liquid changing state into a vapour. At some point near the end of the evaporator tubing, the last molecule of saturated liquid boils into a vapour (point of complete vapourization).
Heat transfer continues in the remaining portion of the evaporator tubing, resulting in a superheated vapour at the evaporator outlet.
Since liquid cannot exist at a temperature above its saturation temperature, a superheated vapor at the evaporator outlet creates an environment where liquid refrigerant cannot exist. This prevents the possibility of liquid refrigerant returning to the compressor, and the resulting damage that would occur.
EXPANSION DEVICE VARIETIES
There are several types of expansion devices employed, with some of them being a fixed orifice (such as a cap tube,
or flow rater). While they are less expensive, and do not require any adjustment, they do not have the ability to modulate as the heat load and/or system conditions change.
The advantage of the TEV (or electric expansion valve, EEV) in comparison to fixed orifice expansion devices is that they do have the ability to respond to changes in the heat load and system conditions. This ability to modulate
maintains the proper refrigerant mass flow entering the evaporator under all conditions.
As the refrigeration load increases/ decreases, the TEV/EEV will open/close to maintain its superheat set-point. This maintains the correct refrigerant mass flow to the evaporator inlet, and maintains the proper superheat at the evaporator outlet, which protects the
Continued on p58





Products
compressor by preventing liquid floodback.
Most applications are subject to wide refrigeration load variations, consider commercial building doors opening, heat transmission through walls and windows, walk-in box door openings, warm product loaded into a refrigerated space, recovery after defrost, the indecisive shopper who requires the frozen food display case glass door to be open while “browsing”… there is no such thing as a constant refrigeration load. While variations in the refrigeration load may be small or large, a refrigeration load that is constantly varying results in a TEV/EEV that is constantly in a state of repositioning itself to meet the new refrigeration load demand.
TEV TROUBLESHOOTING
The first step in troubleshooting an expansion valve’s performance is to understand how the valve works.
The refrigerant enters the valve inlet, typically though a strainer, and flows though the valve’s port. This is where the pressure drop occurs.
There is a force balance in the valve’s operation, illustrated in Figure 2, where:
1.This represents the pressure from the fluid in the valve’s sensing bulb at the evaporator outlet. Its pressure will increase/decrease as the bulb temperature experiences an increase/ decrease. This pressure is exerted on the top of the valve’s diaphragm. This is an opening force.
2. This represents the evaporator pressure, exerting pressure on the bottom of the valve’s diaphragm. This is a closing force.
3. This represents the spring tension, exerting pressure on the bottom of the valve’s diaphragm. This is also a closing force.
You can look at the valve opening/ closing as a tug-of-war scenario. When the heat load increases, it causes the


refrigerant in the evaporator to boil at a greater rate, resulting in the point of complete vaporization moving closer to the inlet of the evaporator. This will raise the temperature at the evaporator outlet (the superheat), causing the fluid in the bulb to increase in pressure, which will then result in the valve moving to a more open position. When the heat load reduces, the opposite happens.
It’s important to remember the valve’s function as a superheat control. TEVs are frequently replaced unnecessarily by a segment of technicians known as “parts changers”.
There may be instances where a system is not maintaining proper temperature, yet the TEV is performing correctly. Knowing the operating superheat at the evaporator outlet is essential in deter-
Continued on p60
Figure 2.
Figure 3.

CONNECT with CONFIDENCE
Proven reliability in flame-free HVAC/R joints.

on tool & jaw sets Ends July 31, 2024

Continued from p58
mining whether the TEV is performing correctly.
Attaching an accurate pressure gauge to a port near the sensing bulb will reveal the pressure at the sensing bulb. Using a Pressure-Temperature chart (or Pressure-Temperature app) the saturation temperature corresponding to that pressure can be found.
In Figure 3 (previous page), the pressure at the bulb location on this R-404A system is 15.5 psi. The corresponding saturation temperature is -20F.
The next step is to measure the actual temperature at the bulb location with an accurate temperature meter. In the example below, the temperature at the bulb location is -14F.
The superheat can be easily calculated by subtracting the saturation temperature from the actual temperature: -14F - -20F = 6F
Once the superheat has been determined, it can then be compared to what the superheat should be for the particular application.
The superheat set-point is most typically established by the equipment manufacturer.
HIGH SUPERHEAT
The superheat reading will determine whether the TEV is feeding correctly, underfeeding, or overfeeding. A high superheat combined with a low compressor suction pressure reveals a TEV that is underfeeding. There is not enough refrigerant mass flow to fully remove the heat contained in the air moving through the fin-tube surface of the evaporator.
Because the TEV is underfeeding, the compressor becomes “oversized” for the reduced system refrigerant mass flow, resulting in a low suction pressure. There are a number of common causes for this scenario. The most common service-related issues are contamination in the valve, or a loss of fluid

charge in the sensing bulb (which reduces the valve’s ability to open).
Contamination can certainly have an adverse effect on TEV performance, but this is NOT a TEV problem; it’s a contamination problem. If a TEV is replaced due to contamination, it’s important to also remove the contaminants from the system, and eliminate the conditions leading to the contaminant production (usually high temperature resulting in the decomposition of the compressor oil).
LOW SUPERHEAT
This is the opposite the scenario above. There is too much refrigerant mass flow for the existing heat load. The saturated liquid in the evaporator is not fully vaporized, allowing some portion of liquid refrigerant to flow past the evaporator outlet, possibly putting the compressor at risk.
The increased refrigerant mass flow not only causes the low/no superheat, but also results in a higher-than-normal compressor suction pressure.
The most common cause is valve oversizing or mis-adjustment. Before replacing an expansion valve, it would be prudent to verify that the valve is set correctly. When removing the valve adjustment cap, a good ballpark starting point would be to position the valve adjustment stem to a midway position.
Other causes could be TEV seat leak, poor bulb installation with poor thermal contact, bad compressor (low capacity), or contamination.
ERRATIC PERFORMANCE, HUNTING
A scenario where the valve superheat is erratic, or a low superheat reading accompanied by a seemingly low load condition (low compressor suction pressure) could be the result of non-TEV related issues such as: poor air distribution, not enough air, dirty air filters, air too cold, coil icing, improper compressor/evaprotor balance, evaporator oil logged, flow from one TEV affecting another’s bulb.
A dirty air filter, restricting air flow through the evaporator fin-tube surface results in the properly sized TEV now becoming oversized, causing the low/no superheat condition. In addition, the reduced load causes the low compressor suction pressure.
The same result would be experienced with an iced-up evaporator surface, a dirty fan, loose/misadjusted fan belt, or adjustable motor pulley not adjusted correctly.
Any condition that would reduce the evaporator CFM to something below the design CFM will result in this scenario. This is also NOT a TEV problem, but
Dirty air filters can lead to erratic TEV operation.

rather a system problem.
In all of these scenarios, attempting to troubleshoot the problem would not be possible without knowing the superheat condition at the evaporator outlet.
It is important to approach solving system problems in the following manner: 1) understand the complaint; 2) take the appropriate data measure -
THE SOURCE
ments; 3) using a process of elimination, make an educated determination of the fault; 4) because some TEV issues are the result of other system issues, ensure that the root cause of the problem is discovered and corrected. As long as the vapour compression systems continue to be employed to provide refrigerating capacity, expan -
sion valves will remain in use.
Now, new technology might dictate that the mechanical TEV makes way for the more precise Electric Expansion valve. Nevertheless, as this article’s title suggests, expansion valves are essential. As an essential component, and they will endure.
Given the nature of any component that is deemed essential, whether it be an expansion valve, control, or compressor, understanding the function of a component, how it works, and the proper method of troubleshooting its operation, is essential to the successful technician. <>

Dave Demma holds a degree in refrigeration engineering and worked as a journeyman refrigeration technician before moving into the manufacturing sector where he regularly trains contractor and engineering groups. He can be reached at ddemma@uri.com.
Bibby-Ste-Croix
Dirt build up on a radial fan.
CALENDAR
2024
CIPH Annual Business Conference
June 16-18
The 2024 CIPH Annual Business Conference will take place in Kelowna, B.C. This marks the 91st anniversary of the national association for manufacturers and distributors of products and services for Canada’s plumbing and heating industry. ciph.com
World Refrigeration Day
June 26
World refrigeration day is an international awareness campaign established by the World Refrigeration Day Secretariat to raise the profile of the refrigeration, air conditioning and heat pump sector and focus on the significant role the industry and technology play in modern life. worldrefrigerationday.org
Canadian Hydronics Conference
September 25-26
The Canadian Hydronics Council hosts its now annual conference this year at the River Cree Resort and Casino in Edmonton. This will be a two-day conference including keynote presentations and a series of break-out technical sessions and workshops. There will also be a hydronics tabletop trade show. ciph.com/page/canadian_hydronics_ conference
Passive House Canada Conference
June 17-19
The 2024 Passive House Canada Conference is being held at the University of Victoria. This year’s theme is “By Design!: Transform the Built Environment”. The conference program addresses building envelope design and architectural elements as well as plumbing and HVAC-specific sessions. Virtual attendee registration is available. conference.passivehousecanada.com
Modern Hydronics Summit
September 12
HPAC magazine’s annual Modern Hydronics Summit lands at the Paramount EventSpace just north of Toronto with a day filled with learning opportunities and displays of the latest in products and technologies that are pushing the hydronics industry forward. modernhydronicssummit.com
ASHRE Annual Conference
June
22-26
The global Society of Heating, Refrigerating and Air-Conditioning Engineers will be holding its five-day annual conference in Indianapolis. The program will cover how legislation, electrification, AI and other factors are affecting the industry. Both in-person and virtual registration options are available. ashrae.org
HRAI Annual Conference
September 22 – 24
The Heating Refrigeration and Air Conditioning Institute of Canada 2024 Annual Conference will take place in Vancouver. As always, the yearly gathering will include a variety of social and networking events along with a series of informative and thought-provoking sessions on topics of interest for this evolving industry. hrai.ca
ASHRAE Decarbonization Conference
October 21-23
This edition of the Decarbonization Conference will be held in New York City and will focus on an information and idea exchange on topic of reducing carbon emissions from existing tall buildings in cold climates. ashrae.org
MCAC Annual National Conference
November 27-30
The Mechanical Contractors Association of Canada takes its annual national conference to the capital city of Texas, Austin, which is well known for its live-music scene centered around country, blues and rock. mcac.ca 2025 AHR Expo
February 10-12
The 2025 edition of North America’s largest tradeshow and conference travels to the Orange County Convention Center in Orlando. The AHR Expo brings together manufacturers and suppliers of all sizes and specialties to share ideas and showcase the future of HVAC/R technology. ahrexpo.com
IGSHPA Annual Conference
March 11-13
The International Ground Source Heat Pump Association (IGSHPA) is holding its annual conference in a dedicated conference center at the I Hotel in Champaign, Illinois. Breaking New Ground is the theme of this year’s event. igshpa.org
ISH
March 17-21
Hosted in Frankfurt, Germany, ISH is the flagship international event for the plumbing and HVAC sector. With a theme of “Solutions for a Sustainable Future” visitors will gain insights on where the industry is headed as manufacturers from around the world display the latest in modern plumbing, heating and air conditioning innovations. ish.messefrankfurt.com


CANADA’S HYDRONIC INSTALLATION CONTEST
WIN ONE OF THREE $2000 BUYING SPREES FROM EMCO!
Get your cameras ready. Be a part of Canada’s hydronic installation contest. Proud of your work? Better than the rest? It’s time to bring it on!
THERE WILL BE A WINNER IN EACH CATEGORY: COMMERICAL, RESIDENTIAL NEW-BUILD & RESIDENTIAL RETROFIT
ENTRY IS SIMPLE - send us pics of your installation. Include a brief description of the particular challenges that you faced with this installation and how you overcame the obstacles. Submissions are limited to one per contractor. Deadline to enter is July 31, 2024. All submissions will be shown at the Modern Hydronics Summit 2024. The three winners will also be announced by John Siegenthaler at the Summit. In addition to having your winning entry shared across our social media channels you’ll also be interviewed by HPAC’s editor and featured on the cover of the October edition of HPAC –



