
2 minute read
05 Flippin’ Chill

Design Build of Modular Furniture at the Bentway — Toronto
ARC395 | Design Build
Clinton Langevin
Academic | Group Project
August 2023
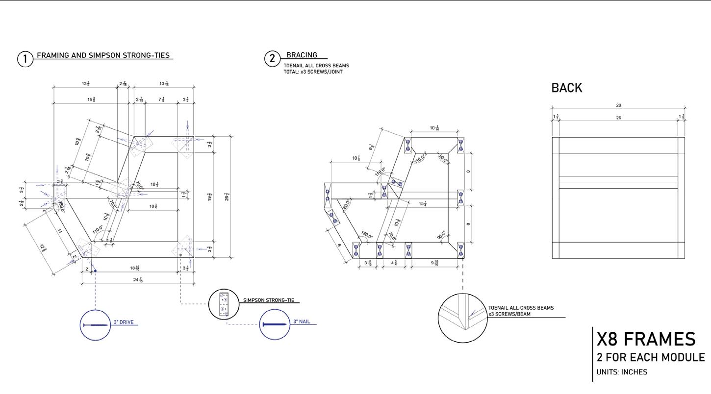
For this project, we were tasked with designing a modular, large-scale structure that could be reconfigured into 3-5 smaller, independent elements. The objective was to ensure that each element offered a unique public experience while collectively forming a cohesive design that aligns seamlessly with the distinctive brand of the Bentway.


Our modular furniture concept was not only intended to serve as a bar for the Bentway’s block party but also to have the capability of resting beneath the Gardiner Expressway during non-event periods. The design included four modular units, each catering to specific needs: a lounge, a kids’ unit, and both large and small chairs.
The bar has two distinct designs: one featuring additional shelving at a standard height, and the other offering accessibility services. We ensured that every unit includes ample shelving, and is covered with Crezon sheets to facilitate bar services.





Aside from my role within the structure team, where I ensured the designs were structurally sound, I made significant contributions by constructing three of the large chairs. This included building the shelving inside, covering the furniture with cedar shingles, and adding Crezon sheets at the bottom while ensuring the mobility of the furniture. This process involved not only conceptualizing their form and aesthetics but also finalizing the structural drawings with precise dimensions.













