
5 minute read
RESEARCH ABOUT RCR ARCHITECTS FIRM
BACKGROUND INFORMATION: THE RCR APPROACH: ACHEIVEMENTS:
Rafael (born in Olot, Spain in 1961), Carme (born in Olot, Spain in 1962), and Ramon (born in Vic, Spain in 1960) are architects who graduated from the Escuela Técnica Superior de Arquitectura del Vallès (ETSAV-UPC) in 1987. They have been working together under the name RCR ARQUITECTES with their team since 1988. Additionally, they earned a Master›s Degree in Landscape Architecture from 1987 to 1989. They have taught Architectural Projects in Vallès and Barcelona, as well as Urban Planning and Landscape Architecture in the Vallès. Moreover, since 2008, they have been hosting an international workshop of transversal disciplines every summer at their headquarters.
Advertisement
RCR Architects is recognized for its design approach that emphasizes the use of materials, consideration of the surroundings, and creation of sensory experiences. The firm values the relationship between architecture and nature and frequently incorporates natural elements into their designs. The aim of their work is to evoke emotions and foster a connection between people and their surroundings. The projects they create are distinguished by their understated sophistication, timeless elegance, and incorporation of traditional building methods and materials in a creative manner.

RCR Arquitectes is a Spanish architectural firm based in Catalonia that has received several awards, including:
1. Pritzker Prize (2017)
2. Venice Biennale Golden Lion for Lifetime Achievement (2016)

3. UIA Gold Medal (2015)
4. Mies van der Rohe Prize (2011)
5. RIBA European Award (2010)
6. National Architecture Prize of Spain (2005)
7. FAD Architecture Prize (1999)
These awards highlight the significance of RCR Arquitectes’s contributions to architecture and design, and its impact on the field both nationally and internationally.
Lira Theater Public Open Space Soulages Museum Crematorium Hofheide

The architects have designed a slatted-steel box to form a covered public space for theatre productions. The box has angled sides and is open at both ends, located over a plaza between two existing structures. It overlooks a river and is accessible from the opposite bank through a bridge made from the same material.

The contemporary art exhibitions are displayed in weathering-steel boxes that extend slightly from a slope. The galleries are connected by glass-enclosed walkways and bridges, creating a pathway through the museum.


Research
Crematorium Hofheide Louvres Study

LOUVRE DETAIL
The building is comprised of several boxes, each with its own internal circulation, while technical spaces are located in the basement level. This arrangement allows the ground floor, which is slightly lower than the lake level, to be used as a gathering place for meetings, ceremonies, and solitude. The exterior of the building is covered with a thin layer of steel, leaving a continuous strip at the base to incorporate the surrounding landscape into the farewell rituals. As the crematorium does not have a specific form of worship, it uses nature as a backdrop for the ceremony.

The rectangular building is mainly constructed with concrete that has been dyed to blend in with the local ironrich stone. The upper two thirds of the exterior walls are covered by a screen made of strips of weathering steel in varying widths. Some of the steel pieces have been slightly twisted, adding a textured design to the building.

Research About Rcr Architects
THE MURABA RESIDENCE, DUBAI
Research About Rcr Architects
THE MURABA RESIDENCE, DUBAI

ABOUT MURABA: MURABA WORD MEANING RESPONSE TO CONTEXT
Muraba Residences is an architectural gem set on the Estearn Crescent of the Palm Jumeirah, Dubai. Pritzker Prize 2017 laureates RCR Arquitectes designed the building, which is the first residential project they ever done.
A traditional Emirati word for a building with towers and walls which connect to form a secure home space. Often a landmark, the Muraba becomes a significant part of the identity of its surrounding community
The building’s design responds directly to its context, with its orientation determined by the trajectory of the sun and the windows and balconies pointed towards the views. The Muraba Residences seek to optimise the changing effects of daylight throughout the day, while providing the privacy required by occupants.
INTERIORS: LOUVRES: MATERIALITY:

Muraba Residences is an architectural gem set on the Estearn Crescent of the Palm Jumeirah, Dubai. Pritzker Prize 2017 laureates RCR Arquitectes designed the building, which is the first residential project they ever done.
A system of louvred glass slats moulded with a rippling pattern is incorporated into the building’s facades to restrict views into the residences.

The building’s design responds directly to its context, with its orientation determined by the trajectory of the sun and the windows and balconies pointed towards the views. The Muraba Residences seek to optimise the changing effects of daylight throughout the day, while providing the privacy required by occupants.



1. Precast GRC Panels Variable Length Depth 9cm

2. Joint Sealing between GRC panels and profiles (Silicon Cornering 813C same color as panel)
3. IPE200 Laminated Steel Profile (2 layers of antioxidant primer coating, highly resitant to marine enviroment - same color as natural aluminium in window frames)
4. Interior dry wall (composed of 45mm galvanized steel profile, inner thermal insulation (rockwool), 2 gypsum boards of 13mm)


5. Travertine Stone Paving - Variable width 22/14/10 cm Variable Length 70/60/50/40/30/20 cm Depth 2cm Laid on 6cm leveling cement mortar screed

16. Panel preinstalled screw for bracket fixing

17. Vertical wrinkled glass fin, 3 layers of laminated glass
18. Galvanized steel element for support fixing of glass fins, fixed to steel plate with compression screws

19. Structural steel plate factory pre-welded to IPE-200 profile 2 layers of antioxidant primer coating 2 layers of paint coating. Highly resistant to marine enviroment (same color as natural aluminum in window frames)
20. ALUCOBOND facade cladding panel (same color as natural aluminum in window frames)
6. Bottom Galvanized Steel Bracket for vertical panel with tridimensional adjustment
-High Resistance (screws, nuts, bolts)
7. Top Galvanized Steel Bracket for horizontal stabilization and fixing with tridimensional adjustment


-High Resistance hardware (screws, nuts, bolts)
8. Clay Hollow Block Wall (width 10 cm) for facade envelope enclosure, with access points for adjustment of panel fixing

9. Thermal Insulation Embedded within GRC Panels ribs
10. Gpysum Board False Ceiling

21. ALUCOBOND facade cladding panel - Side enclosure panel (same color as natural aluminum in window frames)
22. Facade thermal insulation
23. Fixed window hidden profiles with insulating glass



24. Painted steel facade cladding panel (same color as natural aluminum in window frames)
25. Laminated glass railing recessed bottom steel profile
11. Steel Reinforced Concrete Slab 12. Galvanized Steel Plate embedded in concrete slab for IPE200 steel profile fixing



13. HALFEEN built-in galvanized steel channel for panel fixing adjustment - Length 20cm


14. High Resistance Steel Fixing Screw


15. 20mm Insulation Block-Work at Site

26. Profile steel “U” to support the glass balustrade, mechanically attached to the structural slab
27. Galvanized steel plate fixed to the slab with high-strength bolts



28. Frame steel plates to support main glass railing. Finished with two coats of primer and two coats of finish paint
29. Auxilary structure of tubular galvanized steel to hold the plates, anchored to the structural slab

30. Vertical wrinkled glass - 2 layers of laminated glass Variable depth Horizontal wrinkled glass transition


Research
RCR ARCHITECTS
Research
ABOUT RCR ARCHITECTS
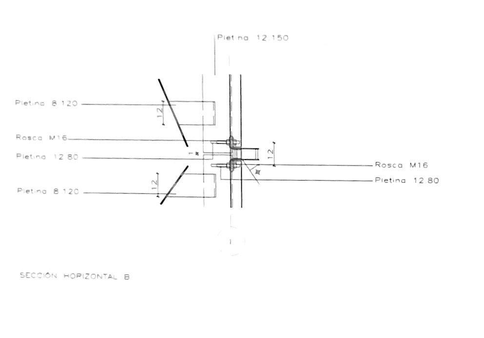
DETAIL SKETCH OF GLASS LOUVRE
ZOOMED SECTION VIEW




Research
ABOUT RCR ARCHITECTS
Research
ABOUT RCR ARCHITECTS
DETAIL SKETCH OF GRC PANELS
AXONOMETRIC VIEW


Research About
RCR ARCHITECTS

Research
ABOUT RCR ARCHITECTS
DETAIL

