Uutuudet - 2023

Page 1

2023 UUTUUDET

1 duuri.fi

SUURI LANSEERAUSVUOSI 2023

Palvelemme kumppaneitamme entistä laajemman valikoiman voimin

Duuri täydentää valikoimiaan runsaalla 500 uudella artikkelilla. Olemme kuunnelleet asiakkaitamme ja tuomme mallistoon entistä laajemman värivalikoiman laattalistoissa, parannettuja ammattilaistuotteita sekä monia muita mielenkiintoisia uutuuksia.

Uudet alakiskokiinnitteiset lattialistat vinyylille

Lattialistojen uudistetussa valikoimassa saatavilla laaja skaala Dione -värisävyjä, kuten puujäljitelmät sekä Carbon black että Nordic graphite. Värisävyjen lisäksi lattialistojen alakiskokiinnitystä on parannettu entisestään, jonka ansiosta asentaminen on helppoa ja nopeaa. Uudet alakiskokiinnitteiset lattialistat soveltuvat vinyylilattioille.

Dione laattalistavalikoima laajenee uusilla väreillä

Laattalistojen varastovalikoima laajenee 7 uudella värisävyllä. Alkukesästä varastostamme on saatavilla 4 uutta struktuuripintaista Rustic -kivikuosia, jotka istuvat upeasti tämän hetken laattatrendeihin. Syksystä varastomme täydentyy upeilla, kiiltävillä RST-listoilla, joita saa väreissä messinki, kupari sekä musta. Duurin laattalistoilla saat laatoitukseen viimeistellyn lopputuloksen sekä suojaat kylpyhuoneen laatoituksen kulmat.

Askelkulmat metallinsävyissä

Vinyylille tarkoitetut askelkulmat ja sisäkulmat ovat tulossa syksyllä metallinsävyissä. Uusien sävyjen lisäksi julkisten tilojen viimeistelyyn tarkoitetut rouheat ja kestävät askelkulmat saapuvat mallistoon syksyllä 2023 päivitetyillä mitoilla.

Uutuutena laatta-askelkulmissa on asymmetrinen T-lista, jotka tulevat koossa 8/10 sekä 10/12 mm.

Hobby-listat moneen eri käyttötarkoitukseen

Hobby-listat ovat olleet oleellinen elementti julkisten tilojen sisustuksessa. Nykyään niitä käytetään myös yhä enemmän yksityiskohteissa. Hobby-listojen kestävyys, helppous ja tyylikkyys tekevät siitä loistavan tuotteen, kun halutaan suojata kulmia kovalta kulutukselta. Vuoden 2023 hobby-listavalikoima päivittyy uusilla tarkkaan harkituilla värivaihtoehdoilla sekä mitoilla.

2

SISÄLTÖ

Lattialistat

- Saumalistat alakiskokiinnityksellä s. 5-8

- Saumalistat s. 9

- Eritasolistat alakiskokiinnityksellä s. 10-11

- Tarraeritasolistat s. 12

- Päätelistat alakiskokiinnityksellä s. 13-14

- Jalkalistojen päätypalat s. 15-16

Laattalistat

- Laattalistat ja kulmapalat s. 19-25

- 45° laattalistat s. 25

- Päätelistat laatoille s. 26

Askelkulmat

- Askelkulmat LVT s. 28

- Askelkulmat uritettu s. 29

- Laatta-askelkulmat s. 29

Hobbylistat ja muut kulmalistat

- Hobby L-listat s. 31-33

- Hobby lattalistat s. 33-34

- Hobby J-listat s. 34

- Kulmasuojalistat s. 35

3
DUURI OY | Tapulikaupungintie 35, FI-00750 Helsinki | FINLAND Tel. +358-9 351 050 | duuri@duuri.fi | www.duuri.fi LATTIALISTAT

Dione -lattialistat uusitulla alakiskokiinnityksellä

Uudistetun alakiskokiinnityksen ansioista lattialistojen asentaminen on entistä helpompaa ja lopputulos erittäin vakaa. Uudet alakiskokiinnitteiset lattialistat soveltuvat vinyylilattioille.

Lattialistavalikoima täydentyy suosituilla Dione -värisävyillä, joissa mukana on mm. suosittu Carbon black. Uutuuksien sekä monipuolisten profiilimallien ansiosta löydät valikoimasta takuuvarmasti lattiallesi sopivan listan.

SAUMALISTAT ALAKISKOKIINNITYKSELLÄ

5
Tuotenumero Väri Pituus mm Leveys mm EAN-KOODI E38V CW1 Cotton white 1000 38 *6417083036576* E38V CW2 Cotton white 2000 38 *6417083036583* E38V CW3 Cotton white 3000 38 *6417083036590* E38V HE1 Hopea-anodisoitu 1000 38 *6417083036514* E38V HE2 Hopea-anodisoitu 2000 38 *6417083036521* E38V HE3 Hopea-anodisoitu 3000 38 *6417083036538* E38V NG1 Nordic graphite 1000 38 *6417083036484* E38V NG2 Nordic graphite 2000 38 *6417083036491* E38V NG3 Nordic graphite 3000 38 *6417083036507* E38V NOA1 Natural oak 1000 38 *6417083036699* E38V NOA2 Natural oak 2000 38 *6417083036705* E38V NOA3 Natural oak 3000 38 *6417083036712* E38V TA1 Tammi 1000 38 *6417083036750* E38V TA2 Tammi 2000 38 *6417083036767* E38V TA3 Tammi 3000 38 *6417083036774* 38 mm
Saumalista E38V, alakiskokiinnityksellä vinyylille
KESÄ -23 3,5-6,5 mm
SAUMALISTA E38V | 3,5-6,5mm

SAUMALISTA E38V | 3,5-6,5mm

Saumalista

6
vinyylille Tuotenumero Väri Pituus mm Leveys mm EAN-KOODI E38V CBL1 Carbon black 1000 38 *6417083036453* E38V CBL2 Carbon black 2000 38 *6417083036460* E38V CBL3 Carbon black 3000 38 *6417083036477* E38V LA1 Valkaistu saarni 1000 38 *6417083036606* E38V LA2 Valkaistu saarni 2000 38 *6417083036613* E38V LA3 Valkaistu saarni 3000 38 *6417083036620* E38V LO1 Light oak 1000 38 *6417083036637* E38V LO2 Light oak 2000 38 *6417083036644* E38V LO3 Light oak 3000 38 *6417083036651* E38V MO1 Milky oak 1000 38 *6417083036668* E38V MO2 Milky oak 2000 38 *6417083036675* E38V MO3 Milky oak 3000 38 *6417083036682* E38V PE1 Pronssi anodisoitu 1000 38 *6417083036545* E38V PE2 Pronssi anodisoitu 2000 38 *6417083036552* E38V PE3 Pronssi anodisoitu 3000 38 *6417083036569* E38V ROA1 Aito tammiviilu 1000 38 *6417083036729* E38V ROA2 Aito tammiviilu 2000 38 *6417083036736* E38V ROA3 Aito tammiviilu 3000 38 *6417083036743*
E38V, alakiskokiinnityksellä
SYKSY -23 38 mm 3,5-6,5 mm
7
vinyylille Tuotenumero Väri Pituus mm Leveys mm EAN-KOODI E46V CW1 Cotton white 1000 46 *6417083036248* E46V CW2 Cotton white 2000 46 *6417083036255* E46V CW3 Cotton white 3000 46 *6417083036262* E46V HE1 Hopea-anodisoitu 1000 46 *6417083036187* E46V HE2 Hopea-anodisoitu 2000 46 *6417083036194* E46V HE3 Hopea-anodisoitu 3000 46 *6417083036200* E46V NG1 Nordic graphite 1000 46 *6417083036156* E46V NG2 Nordic graphite 2000 46 *6417083036163* E46V NG3 Nordic graphite 3000 46 *6417083036170* E46V NOA1 Natural oak 1000 46 *6417083036361* E46V NOA2 Natural oak 2000 46 *6417083036378* E46V NOA3 Natural oak 3000 46 *6417083036385* E46V TA1 Tammi 1000 46 *6417083036422* E46V TA2 Tammi 2000 46 *6417083036439* E46V TA3 Tammi 3000 46 *6417083036446*
Saumalista E46V, alakiskokiinnityksellä
KESÄ -23 46 mm 3,5-6,5 mm
SAUMALISTA E46V | 3,5-6,5mm Carbon black

SAUMALISTA E46V | 3,5-6,5mm

8
E46V, alakiskokiinnityksellä vinyylille Tuotenumero Väri Pituus mm Leveys mm EAN-KOODI E46V CBL1 Carbon black 1000 46 *6417083036125* E46V CBL2 Carbon black 2000 46 *6417083036132* E46V CBL3 Carbon black 3000 46 *6417083036149* E46V LA1 Valkaistu saarni 1000 46 *6417083036279* E46V LA2 Valkaistu saarni 2000 46 *6417083036286* E46V LA3 Valkaistu saarni 3000 46 *6417083036293* E46V LO1 Light oak 1000 46 *6417083036309* E46V LO2 Light oak 2000 46 *6417083036316* E46V LO3 Light oak 3000 46 *6417083036323* E46V MO1 Milky oak 1000 46 *6417083036330* E46V MO2 Milky oak 2000 46 *6417083036347* E46V MO3 Milky oak 3000 46 *6417083036354* E46V PE1 Pronssi anodisoitu 1000 46 *6417083036217* E46V PE2 Pronssi anodisoitu 2000 46 *6417083036224* E46V PE3 Pronssi anodisoitu 3000 46 *6417083036231* E46V ROA1 Aito tammiviilu 1000 46 *6417083036392* E46V ROA2 Aito tammiviilu 2000 46 *6417083036408* E46V ROA3 Aito tammiviilu 3000 46 *6417083036415* SYKSY -23
Saumalista
46 mm 3,5-6,5 mm

SAUMALISTAT

SAUMALISTA A8

SAUMALISTA B2

SAUMALISTA B60

9 Saumalista 120mm A8 Tuotenumero Väri Pituus mm Leveys mm EAN-KOODI A8 HE1-R Hopea-anodisoitu 1000 120 *6417083037856* A8 HE2-R Hopea-anodisoitu 2000 120 *6417083037863* A8 HE3-R Hopea-anodisoitu 3000 120 *6417083037870* Saumalista 38mm B2 Tuotenumero Väri Pituus mm Leveys mm EAN-KOODI B2 CBL1 Carbon black 1000 38 *6417083037887* B2 CBL2 Carbon black 2000 38 *6417083037894* B2 CBL3 Carbon black 3000 38 *6417083037900* KESÄ -23 Saumalista 60mm B60 Tuotenumero Väri Pituus mm Leveys mm EAN-KOODI B60 CBL1 Carbon black 1000 60 *6417083035821* B60 CBL2 Carbon black 2000 60 *6417083035838* B60 CBL3 Carbon black 3000 60 *6417083035845* B60 WH1 Maalattu valkoinen 1000 60 *6417083035852* B60 WH2 Maalattu valkoinen 2000 60 *6417083035869* B60 WH3 Maalattu valkoinen 3000 60 *6417083035876*
KESÄ -23
SYKSY -23 120 mm

ERITASOLISTAT ALAKISKOKIINNITYKSELLÄ

10
Tuotenumero Väri Pituus mm Leveys mm EAN-KOODI E40V CW1 Cotton white 1000 40 *6417083036903* E40V CW2 Cotton white 2000 40 *6417083036910* E40V CW3 Cotton white 3000 40 *6417083036927* E40V HE1 Hopea-anodisoitu 1000 40 *6417083036842* E40V HE2 Hopea-anodisoitu 2000 40 *6417083036859* E40V HE3 Hopea-anodisoitu 3000 40 *6417083036866* E40V NG1 Nordic graphite 1000 40 *6417083036811* E40V NG2 Nordic graphite 2000 40 *6417083036828* E40V NG3 Nordic graphite 3000 40 *6417083036835* E40V NOA1 Natural oak 1000 40 *6417083037023* E40V NOA2 Natural oak 2000 40 *6417083037030* E40V NOA3 Natural oak 3000 40 *6417083037047* E40V TA1 Tammi 1000 40 *6417083037085* E40V TA2 Tammi 2000 40 *6417083037092* E40V TA3 Tammi 3000 40 *6417083037108* KESÄ -23 40 mm
Eritasolista E40V, alakiskokiinnityksellä vinyylille
3,5-6,5 mm
ERITASOLISTA E40V | 3,5-6,5mm

ERITASOLISTA E40V | 3,5-6,5mm

Eritasolista E40V, alakiskokiinnityksellä vinyylille

11 SYKSY -23
Tuotenumero Väri Pituus mm Leveys mm EAN-KOODI E40V CBL1 Carbon black 1000 40 *6417083036781* E40V CBL2 Carbon black 2000 40 *6417083036798* E40V CBL3 Carbon black 3000 40 *6417083036804* E40V LA1 Valkaistu saarni 1000 40 *6417083036934* E40V LA2 Valkaistu saarni 2000 40 *6417083036941* E40V LA3 Valkaistu saarni 3000 40 *6417083036958* E40V LO1 Light oak 1000 40 *6417083036965* E40V LO2 Light oak 2000 40 *6417083036972* E40V LO3 Light oak 3000 40 *6417083036989* E40V MO1 Milky oak 1000 40 *6417083036996* E40V MO2 Milky oak 2000 40 *6417083037009* E40V MO3 Milky oak 3000 40 *6417083037016* E40V PE1 Pronssi anodisoitu 1000 40 *6417083036873* E40V PE2 Pronssi anodisoitu 2000 40 *6417083036880* E40V PE3 Pronssi anodisoitu 3000 40 *6417083036897* E40V ROA1 Aito tammiviilu 1000 40 *6417083037054* E40V ROA2 Aito tammiviilu 2000 40 *6417083037061* E40V ROA3 Aito tammiviilu 3000 40 *6417083037078* SYKSY -23
40 mm 3,5-6,5 mm

TARRAERITASOLISTAT

TARRAERITASOLISTA B3 | 0-12mm KESÄ

Tarraeritasolista B3, 0-12 mm tasoerolle

TARRAERITASOLISTA B10 | 0-18mm

Tarraeritasolista B10, 0-18 mm tasoerolle

12
Tuotenumero Väri Pituus mm Leveys mm EAN-KOODI B3 CBL1 Carbon black 1000 40 *6417083037917* B3 CBL2 Carbon black 2000 40 *6417083037924* B3 CBL3 Carbon black 3000 40 *6417083037931*
-23
Tuotenumero Väri Pituus mm Leveys mm EAN-KOODI B10 CBL1 Carbon black 1000 50 *6417083035883* B10 CBL2 Carbon black 2000 50 *6417083035890* B10 CBL3 Carbon black 3000 50 *6417083035906* B10 WH1 Maalattu valkoinen 1000 50 *6417083035913* B10 WH2 Maalattu valkoinen 2000 50 *6417083035920* B10 WH3 Maalattu valkoinen 3000 50 *6417083035937*
-23
SYKSY

PÄÄTELISTAT ALAKISKOKIINNITYKSELLÄ

13
E26V, alakiskokiinnityksellä Tuotenumero Väri Pituus mm Leveys mm EAN-KOODI E26V CW1 Cotton white 1000 26 *6417083037238* E26V CW2 Cotton white 2000 26 *6417083037245* E26V CW3 Cotton white 3000 26 *6417083037252* E26V HE1 Hopea-anodisoitu 1000 26 *6417083037177* E26V HE2 Hopea-anodisoitu 2000 26 *6417083037184* E26V HE3 Hopea-anodisoitu 3000 26 *6417083037191* E26V NG1 Nordic graphite 1000 26 *6417083037146* E26V NG2 Nordic graphite 2000 26 *6417083037153* E26V NG3 Nordic graphite 3000 26 *6417083037160* E26V NOA1 Natural oak 1000 26 *6417083037351* E26V NOA2 Natural oak 2000 26 *6417083037368* E26V NOA3 Natural oak 3000 26 *6417083037375* E26V TA1 Tammi 1000 26 *6417083037412* E26V TA2 Tammi 2000 26 *6417083037429* E26V TA3 Tammi 3000 26 *6417083037436* KESÄ -23 PÄÄTELISTA E26V 26 mm 3,5-6,5 mm
Päätelista

Päätelista

14
E26V, alakiskokiinnityksellä Tuotenumero Väri Pituus mm Leveys mm EAN-KOODI E26V CBL1 Carbon black 1000 26 *6417083037115* E26V CBL2 Carbon black 2000 26 *6417083037122* E26V CBL3 Carbon black 3000 26 *6417083037139* E26V LA1 Valkaistu saarni 1000 26 *6417083037269* E26V LA2 Valkaistu saarni 2000 26 *6417083037276* E26V LA3 Valkaistu saarni 3000 26 *6417083037283* E26V LO1 Light oak 1000 26 *6417083037290* E26V LO2 Light oak 2000 26 *6417083037306* E26V LO3 Light oak 3000 26 *6417083037313* E26V MO1 Milky oak 1000 26 *6417083037320* E26V MO2 Milky oak 2000 26 *6417083037337* E26V MO3 Milky oak 3000 26 *6417083037344* E26V PE1 Pronssi anodisoitu 1000 26 *6417083037207* E26V PE2 Pronssi anodisoitu 2000 26 *6417083037214* E26V PE3 Pronssi anodisoitu 3000 26 *6417083037221* E26V ROA1 Aito tammiviilu 1000 26 *6417083037382* E26V ROA2 Aito tammiviilu 2000 26 *6417083037399* E26V ROA3 Aito tammiviilu 3000 26 *6417083037405* SYKSY -23
26 mm 3,5-6,5 mm
PÄÄTELISTA E26V

JALKALISTOJEN PÄÄTYPALAT

PÄÄTYPALA ALUMIINISELLE JALKALISTALLE

Päätypala alumiiniselle jalkalistalle (L=Vasen, R=Oikea)

Tuotenumero

LIITOSKAPPALE ALUMIINISELLE JALKALISTALLE

Liitoskappale alumiiniselle jalkalistalle

15
Väri Korkeus mm Yhteensopivuus EAN-KOODI
AS L RST-anodisoitu 40 JL AS 40 *6417083039669*
AS R RST-anodisoitu 40 JL AS 40 *6417083039690*
NG L Nordic graphite 40 JL NG 40 *6417083039676* EC-40 NG R Nordic graphite 40 JL NG 40 *6417083039706* EC-40 SI L Hopea-anodisoitu 40 JL SI 40 *6417083039683* EC-40 SI R Hopea-anodisoitu 40 JL SI 40 *6417083039713*
AS L RST-anodisoitu 60 JL AS 60 *6417083039720* EC-60 AS R RST-anodisoitu 60 JL AS 60 *6417083039645* EC-60 NG L Nordic graphite 60 JL NG 60 *6417083039614* EC-60 NG R Nordic graphite 60 JL NG 60 *6417083039652* EC-60 SI L Hopea-anodisoitu 60 JL SI 60 *6417083039638* EC-60 SI R Hopea-anodisoitu 60 JL SI 60 *6417083039621*
EC-40
EC-40
EC-40
EC-60
SYKSY -23
Tuotenumero Väri Korkeus
Yhteensopivuus EAN-KOODI JP-40 AS RST-anodisoitu 40 JL AS 40 *6417083039096* JP-40 NG Nordic graphite 40 JL NG 40 *6417083039102* JP-40 SI Hopea-anodisoitu 40 JL SI 40 *6417083039119* JP-60 AS RST-anodisoitu 60 JL AS 60 *6417083039126* JP-60 NG Nordic graphite 60 JL NG 60 *6417083039133* JP-60 SI Hopea-anodisoitu 60 JL SI 60 *6417083039140*
mm
SYKSY -23 40 / 60 mm 40 / 60 mm 40 / 60 mm

SISÄKULMAPALA ALUMIINISELLE JALKALISTALLE

Sisäkulmapala

Ulkokulmapala alumiiniselle jalkalistalle

16
alumiiniselle jalkalistalle Tuotenumero Väri Korkeus mm Yhteensopivuus EAN-KOODI IC-40 AS RST-anodisoitu 40 JL AS 40 *6417083038914* IC-40 NG Nordic graphite 40 JL NG 40 *6417083038921* IC-40 SI Hopea-anodisoitu 40 JL SI 40 *6417083038938* IC-60 AS RST-anodisoitu 60 JL AS 60 *6417083038945* IC-60 NG Nordic graphite 60 JL NG 60 *6417083038952* IC-60 SI Hopea-anodisoitu 60 JL SI 60 *6417083038969*
SYKSY -23
Tuotenumero Väri Korkeus mm Yhteensopivuus EAN-KOODI OC-40 AS RST-anodisoitu 40 JL AS 40 *6417083039409* OC-40 NG Nordic graphite 40 JL NG 40 *6417083039416* OC-40 SI Hopea-anodisoitu 40 JL SI 40 *6417083039423* OC-60 AS RST-anodisoitu 60 JL AS 60 *6417083039430* OC-60 NG Nordic graphite 60 JL NG 60 *6417083039447* OC-60 SI Hopea-anodisoitu 60 JL SI 60 *6417083039454*
ALUMIINISELLE JALKALISTALLE SYKSY -23 40 / 60 mm 9,4 mm 40 / 60 mm
ULKOKULMAPALA

DIONE LAATTALISTAVALIKOIMA

LAAJENEE ENTISESTÄÄN

Markkinoiden mittavin laattalistavalikoima laajenee entisestään, kun tuomme tänä vuonna varastovalikoimaamme runsaasti uusia tuotteita ja värejä. Jatkossa saat varastostamme heti-toimitukseen peräti 270 erilaista laattalistatuotetta!

DIONE -LAATTALISTOJEN PALVELUKONSEPTI

Varastovalikoima heti-toimitukseen

• Peruslaattalistat, päätelistat, askelkulmat, 45 asteen listat + kulmapalat

• Pyöreät ja kulmikkaat, mitoissa 6, 8, 10, 12 mm

• 10 perusväriä + 7 uutta trendiväriä

• Materiaaleina alumiini, RST, muovi

Täydentävä tilausvalikoima

• Laattalistoja, päätelistoja ja erikoislistoja kulmapaloineen

• Runsaasti lisää värejä, pintoja ja käsittelyitä

Erikoistilaustuotteet

• Pulverimaalaus RAL-sävyissä, anodisointi

• Laajan kumppaniverkostomme avulla pystymme täyttämään useimmat tarpeet

Kysy lisää myynnistämme!

17
Seuraavilla sivuilla voit tutustua näihin uutuuksiin tarkemmin.
DUURI OY | Tapulikaupungintie 35, FI-00750 Helsinki | FINLAND Tel. +358-9 351 050 | duuri@duuri.fi | www.duuri.fi LAATTALISTAT
JA KULMAPALAT

Laattalistamallisto täydentyy uusilla väreillä

Mittava varastovalikoima laajenee 7 uudella hienostuneella värisävyllä. Alkukesästä

lähtien saatavilla on Rustic -kivikuosit ja syksyllä valikoima täydentyy vielä RST-listoilla, jotka ovat saatavilla sävyissä messinki, kupari ja musta. Valikoimasta löydät niin pyöreät laattalistat kuin myös neliölaattalistat sekä näihin sopivat kulmapalat.

LAATTALISTAT JA KULMAPALAT

Pyöreä laattalista | 8mm

19
Pyöreä laattalista 8mm Tuotenumero Väri Pituus mm Korkeus mm Materiaali EAN-KOODI 6534-BLR Black rustic 2700 8 Alumiini *6417083038143* 6534-GRR Grey rustic 2700 8 Alumiini *6417083038112* 6534-MUR Mud rustic 2700 8 Alumiini *6417083038136* 6534-NG Nordic graphite 2700 8 Alumiini *6417083035814* 6534-SAR Sand rustic 2700 8 Alumiini *6417083038129* KESÄ -23
Pyöreä laattalista 8mm Tuotenumero Väri Pituus mm Korkeus mm Materiaali EAN-KOODI 6534-RST BL Bright black 2700 8 Ruostumaton teräs *6417083038327* 6534-RST CU Bright copper 2700 8 Ruostumaton teräs *6417083038334* 6534-RST MS Bright brass 2700 8 Ruostumaton teräs *6417083038341* 6515-BLACK Musta 2700 8 Muovi *6417083038273* SYKSY -23
Bright brass Bright copper Bright black

Sisäkulmapala pyöreään laattalistaan | 8mm

Sisäkulmapala pyöreään laattalistaan 8mm Tuotenumero

Ulkokulmapala pyöreään laattalistaan | 8mm

Ulkokulmapala pyöreään laattalistaan 8mm

Pyöreä laattalista | 10mm

Pyöreä laattalista 10mm

20 VARASTOSSA
Väri Korkeus
Yhteensopiva Materiaali EAN-KOODI
8 6534-RST BL Ruostumaton teräs *6417083038976* ICRSTCU-6534 Bright copper 8 6534-RST CU Ruostumaton teräs *6417083039003* ICRSTMS-6534 Bright brass 8 6534-RST MS Ruostumaton teräs *6417083039034*
mm
ICRSTBL-6534 Bright black
VARASTOSSA
Tuotenumero Väri Korkeus mm Yhteensopiva Materiaali EAN-KOODI OCRSTBL-6534 Bright black 8 6534-RST BL Ruostumaton teräs *6417083039461* OCRSTCU-6534 Bright copper 8 6534-RST CU Ruostumaton teräs *6417083039492* OCRSTMS-6534 Bright brass 8 6534-RST MS Ruostumaton teräs *6417083039522*
Tuotenumero Väri Pituus mm Korkeus mm Materiaali EAN-KOODI 6535-BLR Black rustic 2700 10 Alumiini *6417083038181* 6535-GRR Grey rustic 2700 10 Alumiini *6417083038150* 6535-MUR Mud rustic 2700 10 Alumiini *6417083038174* 6535-SAR Sand rustic 2700 10 Alumiini *6417083038167* KESÄ -23
Ennakkomarkkinointi | SYKSY -23
SYKSY
Ennakkomarkkinointi |
-23

Pyöreä laattalista 10mm

Sisäkulmapala pyöreään laattalistaan | 10mm

Sisäkulmapala pyöreään laattalistaan 10mm

Ulkokulmapala pyöreään laattalistaan | 10mm

Ulkokulmapala pyöreään laattalistaan 10mm

21
Tuotenumero Väri Pituus mm Korkeus mm Materiaali EAN-KOODI 6535-RST BL Bright black 2700 10 Ruostumaton teräs *6417083038358* 6535-RST CU Bright copper 2700 10 Ruostumaton teräs *6417083038365* 6535-RST MS Bright brass 2700 10 Ruostumaton teräs *6417083038372* SYKSY -23
Tuotenumero Väri Korkeus mm Yhteensopiva Materiaali EAN-KOODI ICRSTBL-6535 Bright black 10 6535-RST BL Ruostumaton teräs *6417083038983* ICRSTCU-6535 Bright copper 10 6535-RST CU Ruostumaton teräs *6417083039010* ICRSTMS-6535 Bright brass 10 6535-RST MS Ruostumaton teräs *6417083039041*
VARASTOSSA
Tuotenumero Väri Korkeus
Yhteensopiva Materiaali EAN-KOODI OCRSTBL-6535 Bright black 10 6535-RST BL Ruostumaton teräs *6417083039478* OCRSTCU-6535 Bright copper 10 6535-RST CU Ruostumaton teräs *6417083039508* OCRSTMS-6535 Bright brass 10 6535-RST MS Ruostumaton teräs *6417083039539*
mm
Ennakkomarkkinointi
SYKSY -23 Ennakkomarkkinointi
SYKSY -23
|
|

Pyöreä laattalista | 12,5mm

Pyöreä

12,5mm

Sisäkulmapala pyöreään laattalistaan | 12,5mm

Ulkokulmapala pyöreään laattalistaan | 12,5mm

Ulkokulmapala pyöreään laattalistaan 12,5mm

22 VARASTOSSA SAATAVANA HUHTIKUUSSA SAATAVANA HUHTIKUUSSA VARASTOSSA Sisäkulmapala pyöreään laattalistaan
Tuotenumero Väri Korkeus mm Yhteensopiva Materiaali EAN-KOODI ICRSTBL-6570 Bright black 12,5 6570-RST BL Ruostumaton teräs *6417083038990* ICRSTCU-6570 Bright copper 12,5 6570-RST CU Ruostumaton teräs *6417083039027* ICRSTMS-6570 Bright brass 12,5 6570-RST MS Ruostumaton teräs *6417083039058*
12,5mm
Tuotenumero Väri Pituus mm Korkeus mm Materiaali EAN-KOODI 6570-RST BL Bright black 2700 12,5 Ruostumaton teräs *6417083038563* 6570-RST CU Bright copper 2700 12,5 Ruostumaton teräs *6417083038570* 6570-RST MS Bright brass 2700 12,5 Ruostumaton teräs *6417083038587* SYKSY -23
laattalistat
HUHTIKUUSSA
Tuotenumero Väri Korkeus
Yhteensopiva Materiaali EAN-KOODI OCRSTBL-6570 Bright black 12,5 6570-RST BL Ruostumaton teräs *6417083039485* OCRSTCU-6570 Bright copper 12,5 6570-RST CU Ruostumaton teräs *6417083039515* OCRSTMS-6570 Bright brass 12,5 6570-RST MS Ruostumaton teräs *6417083039546* Ennakkomarkkinointi
SYKSY
SAATAVANA
mm
|
-23
Ennakkomarkkinointi
SYKSY
|
-23

Neliölaattalista |

Kulmapala neliölaattalistaan | 8mm

Kulmapala neliölaattalistaan 8mm

23 Neliölaattalista
Tuotenumero Väri Pituus mm Korkeus mm Materiaali EAN-KOODI 6541-BLR Black rustic 2700 8 Alumiini *6417083038228* 6541-GRR Grey rustic 2700 8 Alumiini *6417083038198* 6541-MUR Mud rustic 2700 8 Alumiini *6417083038211* 6541-SAR Sand rustic 2700 8 Alumiini *6417083038204* KESÄ -23
8mm
Neliölaattalista
Tuotenumero Väri Pituus mm Korkeus mm Materiaali EAN-KOODI 6550-RST BL Bright black 2700 8 Ruostumaton teräs *6417083038419* 6550-RST CU Bright copper 2700 8 Ruostumaton teräs *6417083038426* 6550-RST MS Bright brass 2700 8 Ruostumaton teräs *6417083038433* SYKSY -23
Tuotenumero Väri Yhteensopiva Korkeus mm Materiaali EAN-KOODI 6550-CRSTBL Bright black 6550-RST BL 8 Ruostumaton teräs *6417083038389* 6550-CRSTCU Bright copper 6550-RST CU 8 Ruostumaton teräs *6417083038396* 6550-CRSTMS Bright brass 6550-RST MS 8 Ruostumaton teräs *6417083038402*
8mm
8mm
Ennakkomarkkinointi | SYKSY -23

Neliölaattalista | 10mm

Kulmapala neliölaattalistaan | 10mm

24 Neliölaattalista 10mm Tuotenumero Väri Pituus mm Korkeus mm Materiaali EAN-KOODI 6551-BLR Black rustic 2700 10 Alumiini *6417083038266* 6551-GRR Grey rustic 2700 10 Alumiini *6417083038235* 6551-MUR Mud rustic 2700 10 Alumiini *6417083038259* 6551-SAR Sand rustic 2700 10 Alumiini *6417083038242* KESÄ -23
Neliölaattalista 10mm Tuotenumero Väri Pituus mm Korkeus mm Materiaali EAN-KOODI 6555-RST BL Bright black 2700 10 Ruostumaton teräs *6417083038471* 6555-RST CU Bright copper 2700 10 Ruostumaton teräs *6417083038488* 6555-RST MS Bright brass 2700 10 Ruostumaton teräs *6417083038495* SYKSY -23 VARASTOSSA SAATAVANA HUHTIKUUSSA SYKSY -23 Kulmapala neliölaattalistaan 10mm Tuotenumero Väri Yhteensopiva Korkeus mm Materiaali EAN-KOODI 6555-CRSTBL Bright black 6555-RST BL 10 Ruostumaton teräs *6417083038440* 6555-CRSTCU Bright copper 6555-RST CU 10 Ruostumaton teräs *6417083038457* 6555-CRSTMS Bright brass 6555-RST MS 10 Ruostumaton teräs *6417083038464*
Ennakkomarkkinointi | SYKSY -23
rustic
Mud rustic Sand rustic
Black
Grey rustic

Neliölaattalista | 12,5mm

12,5mm

Kulmapala neliölaattalistaan | 12,5mm

Kulmapala neliölaattalistaan 12,5mm

45° LAATTALISTAT

45° Laattalista | 8mm

45° Laattalista | 10mm

25 Neliölaattalista
Tuotenumero Väri Pituus mm Korkeus mm Materiaali EAN-KOODI 6560-RST BL Bright black 2700 12,5 Ruostumaton teräs *6417083038532* 6560-RST CU Bright copper 2700 12,5 Ruostumaton teräs *6417083038549* 6560-RST MS Bright brass 2700 12,5 Ruostumaton teräs *6417083038556*
SYKSY -23
Tuotenumero Väri Yhteensopiva Korkeus mm Materiaali EAN-KOODI 6560-CRSTBL Bright black 6560-RST BL 12,5 Ruostumaton teräs *6417083038501* 6560-CRSTCU Bright copper 6560-RST CU 12,5 Ruostumaton teräs *6417083038518* 6560-CRSTMS Bright brass 6560-RST MS 12,5 Ruostumaton teräs *6417083038525*
Ennakkomarkkinointi | SYKSY -23 45° Laattalista 8mm Tuotenumero Väri Pituus mm Korkeus mm Materiaali EAN-KOODI ABS45 80 Kiiltävä hopea 2700 8 Alumiini *6417083038600* ASI45 80 Hopea-anodisoitu 2700 8 Alumiini *6417083038624* SYKSY -23
45° Laattalista 10mm Tuotenumero Väri Pituus mm Korkeus mm Materiaali EAN-KOODI ABS45 100 Kiiltävä hopea 2700 10 Alumiini *6417083038594* ASI45 100 Hopea-anodisoitu 2700 10 Alumiini *6417083038617* SYKSY -23
8 mm 10 mm

PÄÄTELISTAT LAATOILLE

Päätelista | 2mm

Päätelista | 8mm

Päätelista | 10mm

26 SAATAVANA HUHTIKUUSSA Päätelista laatalle 8mm Tuotenumero Väri Pituus mm Korkeus mm Materiaali EAN-KOODI ACBL 80 Carbon black 2500 8 Alumiini *6417083035791* ANG 80 Nordic graphite 2500 8 Alumiini *6417083035807* KESÄ -23
SAATAVANA HUHTIKUUSSA Päätelista laatalle 8mm Tuotenumero Väri Pituus mm Korkeus mm Materiaali EAN-KOODI AE 20 Hopea-anodisoitu 2500 2 Alumiini *6417083039768* KESÄ -23
22 mm 2 mm 1 mm SAATAVANA HUHTIKUUSSA Päätelista laatalle 8mm Tuotenumero Väri Pituus mm Korkeus mm Materiaali EAN-KOODI ACBL 100 Carbon black 2500 10 Alumiini *6417083035777* ANG 100 Nordic graphite 2500 10 Alumiini *6417083035784* KESÄ -23
DUURI OY | Tapulikaupungintie 35, FI-00750 Helsinki | FINLAND Tel. +358-9 351 050 | duuri@duuri.fi | www.duuri.fi ASKELKULMAT

Valikoiman uudet metallinsävyiset askelkulmat

Askelkulmavalikoima päivittyy syksyllä uusilla metallinsävyillä. Värisävyjen lisäksi askelkulmat tulevat uusissa mitoissa, mikä mahdollistaa niiden entistä monipuolisemman käytön.

Täysin uutena tuotteena valikoimaan saapuu syksyllä asymmetriset laatta-askelkulmat, jotka tulevat koossa 8/10 sekä 10/12 mm.

ASKELKULMAT

Askelkulma LVT | 18 x 40 x 5mm

Portaan sisäkulmalista LVT | 13,5 x 27 x 5mm

Portaan sisäkulmalista LVT 13,5x27x5mm

28
Askelkulma
Tuotenumero Väri Pituus mm Koko mm Materiaali EAN-KOODI DV5 NG1 Nordic graphite 1000 18x40 Alumiini *6417083035944* DV5 NG2 Nordic graphite 2000 18x40 Alumiini *6417083035951* DV5 NG3 Nordic graphite 3000 18x40 Alumiini *6417083035968* DV5 HE1 Hopea-anodisoitu 1000 18x40 Alumiini *6417083035975* DV5 HE2 Hopea-anodisoitu 2000 18x40 Alumiini *6417083035982* DV5 HE3 Hopea-anodisoitu 3000 18x40 Alumiini *6417083035999* SYKSY -23
LVT 18x40x5mm
Tuotenumero Väri Pituus mm Koko mm Materiaali EAN-KOODI DIV5 NG1 Nordic graphite 1000 13,5x27 Alumiini *6417083036002* DIV5 NG2 Nordic graphite 2000 13,5x27 Alumiini *6417083036019* DIV5 NG3 Nordic graphite 3000 13,5x27 Alumiini *6417083036026* DIV5 HE1 Hopea-anodisoitu 1000 13,5x27 Alumiini *6417083036033* DIV5 HE2 Hopea-anodisoitu 2000 13,5x27 Alumiini *6417083036040* DIV5 HE3 Hopea-anodisoitu 3000 13,5x27 Alumiini *6417083036057* SYKSY -23
13,5 mm 28 mm 41 mm

Askelkulma -

LAATTAASKELKULMAT

T-Profiili |

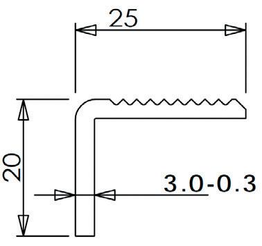
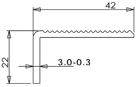
29 Askelkulma uritettu Tuotenumero Väri Pituus mm Koko mm Materiaali EAN-KOODI D3 RST3 Ruostumaton teräs 3000 25x20 Haponkestävä RST *6417083038655* D7 RST3 Ruostumaton teräs 3000 42x22 Haponkestävä RST *6417083038662* 70950305 Ruostumaton teräs 3000 50x30 Haponkestävä RST *6417083038310* SYKSY -23
uritettu | L=3M
T-Profiili | laatta-askelkulmalista Tuotenumero Väri Pituus mm Koko mm Materiaali EAN-KOODI T10-12 BS Kiiltävä hopea 2500 10x12,5 Alumiini *6417083035760* T10-12 HE Hopea-anodisoitu 2500 10x12,5 Alumiini *6417083035753* T8-10 BS Kiiltävä hopea 2500 8x10 Alumiini *6417083035746* T8-10 HE Hopea-anodisoitu 2500 8x10 Alumiini *6417083035739* SYKSY -23
Laatta-askelkulmalista D3 - RST D7 - RST 2500 mm 10 mm / 8 mm 12,5 mm / 10 mm 70950305

HOBBY-LISTAT JA KULMALISTAT

DUURI OY | Tapulikaupungintie 35, FI-00750 Helsinki | FINLAND Tel. +358-9 351 050 | duuri@duuri.fi | www.duuri.fi

Hobby- ja kulmalistat moneen eri käyttötarkoitukseen

Hobby-listojen kestävyys, helppous ja tyylikkyys tekevät niistä loistavan tuotteen, kun halutaan suojata kulmia kovalta kulutukselta. Valikoima päivittyy uusilla tarkkaan

sekä mitoilla.

HOBBY L-LISTAT

Hobby L-lista | 15 x 10mm

Hobby L-lista | 10 x 10mm

31 Hobby L-lista 15x10mm Tuotenumero Väri Pituus mm Koko mm EAN-KOODI L1 CBL1 Carbon black 1000 10x15 *6417083039157* L1 CBL2 Carbon black 2000 10x15 *6417083039164* L1 CBL3 Carbon black 3000 10x15 *6417083039171* SYKSY -23
Hobby L-lista 10x10mm Tuotenumero Väri Pituus mm Koko mm EAN-KOODI L10 CBL1 Carbon black 1000 10x10 *6417083039188* L10 CBL2 Carbon black 2000 10x10 *6417083039195* L10 CBL3 Carbon black 3000 10x10 *6417083039201* L10 HE1 Hopea-anodisoitu 1000 10x10 *6417083039218* L10 HE2 Hopea-anodisoitu 2000 10x10 *6417083039225* L10 HE3 Hopea-anodisoitu 3000 10x10 *6417083039232* L10 W1 Maalattu valkoinen 1000 10x10 *6417083039249* L10 W2 Maalattu valkoinen 2000 10x10 *6417083039256* L10 W3 Maalattu valkoinen 3000 10x10 *6417083039263* SYKSY -23
harkituilla värivaihtoehdoilla
10 mm 10 mm

Hobby L-lista | 15 x 15mm

Hobby L-lista | 20 x 20mm

Hobby L-lista | 25 x 25mm

32 Hobby L-lista 15x15mm Tuotenumero Väri Pituus mm Koko mm EAN-KOODI L2 CBL1 Carbon black 1000 15x15 *6417083039270* L2 CBL2 Carbon black 2000 15x15 *6417083039287* L2 CBL3 Carbon black 3000 15x15 *6417083039294* SYKSY -23
Hobby L-lista 20x20mm Tuotenumero Väri Pituus mm Koko mm EAN-KOODI L3 CBL1 Carbon black 1000 20x20 *6417083039317* L3 CBL2 Carbon black 2000 20x20 *6417083039324* L3 CBL3 Carbon black 3000 20x20 *6417083039331* SYKSY -23
Hobby L-lista
Tuotenumero Väri Pituus mm Koko mm EAN-KOODI L4 CBL1 Carbon black 1000 25x25 *6417083039348* L4 CBL2 Carbon black 2000 25x25 *6417083039355* L4 CBL3 Carbon black 3000 25x25 *6417083039362* SYKSY -23
25x25mm

Hobby L-lista | 30 x 30mm

HOBBY - LATTALISTAT

Hobby - Lattalista | 20 x 2mm

33 Hobby L-lista 30x30mm Tuotenumero Väri Pituus mm Koko mm EAN-KOODI L5 CBL1 Carbon black 1000 30x30 *6417083039379* L5 CBL2 Carbon black 2000 30x30 *6417083039386* L5 CBL3 Carbon black 3000 30x30 *6417083039393* SYKSY -23
Hobby - lattalista 20x2mm Tuotenumero Väri Pituus mm Leveys mm EAN-KOODI I1 CBL1 Carbon black 1000 20 *6417083038747* I1 CBL2 Carbon black 2000 20 *6417083038754* I1 CBL3 Carbon black 3000 20 *6417083039607* I1 HE3 Hopea-anodisoitu 3000 20 *6417083038778* I1 W3 Maalattu valkoinen 3000 20 *6417083038785*
SYKSY -23

Hobby - Lattalista | 30 x 2mm

Hobby - Lattalista | 40 x 2mm

HOBBY J-LISTAT

Hobby J-lista | 4mm

34 Hobby J-lista 4mm Tuotenumero Väri Pituus mm Sisämitta mm EAN-KOODI J1 CBL1 Carbon black 1000 4 *6417083039065* J1 CBL2 Carbon black 2000 4 *6417083039072* J1 CBL3 Carbon black 3000 4 *6417083039089* SYKSY -23
Hobby - lattalista 40x2mm Tuotenumero Väri Pituus mm Leveys mm EAN-KOODI I3 CBL1 Carbon black 1000 40 *6417083038860* I3 CBL2 Carbon black 2000 40 *6417083038877* I3 CBL3 Carbon black 3000 40 *6417083038884* I3 HE3 Hopea-anodisoitu 3000 40 *6417083038891* I3 W3 Maalattu valkoinen 3000 40 *6417083038907*
SYKSY -23 Hobby - lattalista
Tuotenumero Väri Pituus mm Leveys mm EAN-KOODI I2 CBL1 Carbon black 1000 30 *6417083038808* I2 CBL2 Carbon black 2000 30 *6417083038815* I2 CBL3 Carbon black 3000 30 *6417083038822* I2 HE3 Hopea-anodisoitu 3000 30 *6417083038839* I2 W3 Maalattu valkoinen 3000 30 *6417083038846*
30x2mm
SYKSY -23

KULMASUOJALISTAT

Kulmasuoja | PVC

Kulmasuoja Elasticfix | B8

Kulmasuoja liimakiinnitys

35 Kulmasuoja PVC Tuotenumero Väri Pituus mm Koko mm Materiaali EAN-KOODI NU 50-410 Valkoinen 2700 50x50 Muovi *6417083035609* NU 60-410 Valkoinen 2700 60x60 Muovi *6417083035616* KESÄ -23
Kulmasuoja
Tuotenumero Väri Pituus mm Koko mm Materiaali EAN-KOODI B8 CBL3 Carbon black 3000 30x30 Alumiini *6417083035647* B8 RST CU3 Bright copper 3000 30x30 Ruostumaton teräs *6417083038631* B8 RST BL3 Bright black 3000 30x30 Ruostumaton teräs *6417083038648*
30x30mm metalli
Kulmasuoja messinki Tuotenumero Väri Pituus mm Koko mm Materiaali EAN-KOODI 7303034 Messinki 3000 30x30 Messinki *6417083035654* 7333034 Messinki 3000 20x20 Messinki *6417083035661*
SYKSY -23 SYKSY -23 50/60 mm
Messinki - kulmasuoja

MYYNTI JA TEKNINEN NEUVONTA PUH. 09 351 050

Myynti ja tekninen neuvonta palvelee arkisin klo 7.00-16.00 numerossa  09 351 050 tai duuri@duuri.fi

NOUTOPALVELUPISTE AVOINNA KLO 7-16

Toimipisteemme sijaitsee Helsingin Suutarilassa, osoitteessa Tapulikaupungintie 35, 00750 Helsinki, jossa sijaitsee myös päävarastomme sekä noutopalvelupiste.

TUTUSTU MALLISTOON!

Laajan ja kattavan mallistomme löydät verkkosivuiltamme osoitteesta www.duuri.fi

36

Turn static files into dynamic content formats.

Create a flipbook
Issuu converts static files into: digital portfolios, online yearbooks, online catalogs, digital photo albums and more. Sign up and create your flipbook.