Skip to main content

EC&M - February 2026

Page 1


Insulation Resistance Testing Best Practices

Five key steps for conducting insulation resistance tests safely, accurately, and consistently. Read more on pg. 42.

The Rise of AI and Digital Innovation in 2026 pg. 12

Getting Started with Power Quality Services pg. 16

Measuring Productivity vs Production pg. 22

Conduit & Raceway Changes in the 2026 NEC pg. 47

Decoding NEC Art. 450 for Distribution Transformers pg. 50

New 2026 NEC guidelines clarify how conduit and raceway

Common questions answered about transformer protection, grounding, installation, cooling, and more.

Despite strong interest, shared solar programs face regulatory, utility, and economic barriers that limit expansion.

Transforming

design: The rise of AI and digital innovation in 2026

Getting started with power quality surveys

The differences between productivity and production

Addressing distraction problems on electrical job sites

Changes to arc flash label requirements in the 2026 NEC

design

for all-electric

ECMWEB.COM

With its exclusive online content, ecmweb.com is a valuable source of industry insight for electrical professionals. Here’s a sample of what you can find on our site right now:

CODE QUIZ OF THE WEEK: NO. 527

Quiz Test your NEC knowledge with this weekly quiz! ecmweb.com/55344725

NFPA 70E: KEY TERMS ELECTRICIANS SHOULD KNOW, PART 4

Safety Do you know what “competent person” means when this term is used in safety standards? It probably is not what you think. ecmweb.com/55340746

THE FUTURE OF ROADWAY ELECTRIFICATION: DYNAMIC CHARGING SYSTEMS AND HEAVY-DUTY VEHICLES

Electric Vehicles Purdue University technology could expand in-motion vehicle charging applications to critical space. ecmweb.com/55352104

Editorial

Editor-in-Chief: Ellen Parson, eparson@endeavorb2b.com

Managing Editor: Ellie Coggins, ecoggins@endeavorb2b.com

Editor: Michael Morris, mmorris@endeavorb2b.com

Art Director: David Eckhart, deckhart@endeavorb2b.com

Consultants and Contributors

NEC Consultant: Mike Holt, mike@mikeholt.com

NEC Consultant: Russ LeBlanc, russ@russleblanc.net

Sales and Marketing

VP/Market Leader - Buildings & Construction: Mike Hellmann, mhellmann@endeavorb2b.com

Regional/Territory Account Manager: David Sevin, dsevin@endeavorb2b.com

Regional/Territory Account Manager: Jay Thompson, jthompson@endeavorb2b.com

Regional/Territory Key Account Manager: Ellyn Fishman, efishman@endeavorb2b.com

Account Manager: Steve Suarez, ssuarez@endeavorb2b.com

Production and Circulation

Production Manager: Josh Troutman, jtroutman@endeavorb2b.com

Ad Services Manager: Deanna O’Byrne, dobyrne@endeavorb2b.com

User Marketing Manager: James Marinaccio, jmarinaccio@endeavorb2b.com

Endeavor Business Media, LLC

CEO: Chris Ferrell

COO: Patrick Rains

CDO: Jacquie Niemiec

CMO: Amanda Landsaw CALO: Tracy Kane EVP Building & Construction Group: Chris Perrino VP of Content Strategy: Mike Eby

Electrical Construction & Maintenance (USPS Permit 499-790, ISSN 1082-295X print, ISSN 2771-6384 online) is published monthly by Endeavor Business Media, LLC. 201 N. Main St 5th Floor, Fort Atkinson, WI 53538. Periodicals postage paid at Fort Atkinson, WI, and additional mailing offices. POSTMASTER: Send address changes to Electrical Construction & Maintenance, PO Box 3257, Northbrook, IL 60065-3257. SUBSCRIPTIONS: Publisher reserves the right to reject non-qualified subscriptions. Subscription prices: U.S. ($68.75 year); Canada/Mexico ($ 112.50); All other countries ($162.50). All subscriptions are payable in U.S. funds. Send subscription inquiries to Electrical Construction & Maintenance, PO Box 3257, Northbrook, IL 60065-3257. Customer service can be reached toll-free at 877-382-9187 or at electricalconstmaint@omeda.com for magazine subscription assistance or questions.

Printed in the USA. Copyright 2026 Endeavor Business Media, LLC. All rights reserved. No part of this publication may be reproduced or transmitted in any form or by any means, electronic or mechanical, including photocopies, recordings, or any information storage or retrieval system without permission from the publisher. Endeavor Business Media, LLC does not assume and hereby disclaims any liability to any person or company for any loss or damage caused by errors or omissions in the material herein, regardless of whether such errors result from negligence, accident, or any other cause whatsoever. The views and opinions in the articles herein are not to be taken as official expressions of the publishers, unless so stated. The publishers do not warrant either expressly or by implication, the factual accuracy of the articles herein, nor do they so warrant any views or opinions by the authors of said articles.

Reprints: Contact reprints@endeavorb2b.com to purchase custom reprints or e-prints of articles appearing in this publication.

Photocopies: Authorization to photocopy articles for internal corporate, personal, or instructional use may be obtained from the Copyright Clearance Center (CCC) at (978) 750-8400. Obtain further information at www.copyright.com.

Archives and Microform: This magazine is available for research and retrieval of selected archived articles from leading electronic databases and online search services, including Factiva, LexisNexis, and ProQuest.

Privacy Policy: Your privacy is a priority to us. For a detailed policy statement about privacy and information dissemination practices related to Endeavor Business Media products, please visit our website at www.endeavorbusinessmedia.com.

Please Note: The designations “National Electrical Code,” “NE Code,”

up to $26.00

Stacking CableAble Support Brackets on Threaded Rod

• Power, data, communications, control systems

• Plenum applications per NEC 300.22(c)

• Applications with temps from -5°C (23°F) to 90°C (194°F)

• Outdoor use, in wet locations

• Lowering total installed costs

• Minimizing space required for supportand reducing ceiling congestion

WATCH THE SAVINGS STACK UP with CableAble® Support Brackets... the ONE BRACKET for reliable support of EMT or flexible metal conduit, power MC and NM cables, and low voltage cables, in commercial or residential work, with plenum or non-plenum ceilings.

Four- and eight-hole CableAble mounts horizontally or vertically to studs or unistrut. And horizontally to all thread and beam clamps.

Insulation Resistance Testing: an Often-Overlooked Predictor of Electrical Failure

It’s no secret that electrical failures rarely announce themselves. More often than not, they simmer quietly and anonymously under the surface — oftentimes inside insulation that has either begun to degrade, absorb moisture, or leak current long before a breaker trips or smoke appears. Even though insulation failure is one of the most common root causes of downtime, equipment damage, and electrical fires, insulation resistance testing is sometimes treated as an afterthought rather than a frontline diagnostic tool. That mindset needs to change.

A recent NFPA study (https://bit.ly/4tdZKiV) underscores what many electrical professionals already know from experience: failures in electrical distribution equip ment and lighting systems remain a leading cause of home electrical fires and fatalities. According to this report, “the item that first ignited in home fires involving electrical distribution and lighting equipment was electrical wire or cable insulation in 32% of the fires.” Insulation breakdown is frequently at the center of such failures. The good news is insulation degradation doesn’t happen instantly — and when it’s measured cor rectly and consistently, it can be detected long before it becomes catastrophic. But why is performing this seemingly simple task so often misunderstood?

Historically, that’s probably why one of the most frequent keyword searches on EC&M website continues to be “insulation resistance testing.” Similarly, some of our most popular evergreen articles like “Understanding Insulation Resistance Testing” (ecmweb. com/20898954) and “Insulation Resistance Testing Simplified” (ecmweb.com/21160274) continue to top the charts when it comes to most popular content. Another blockbuster performer for us showcases five of the most useful videos EC&M’s editorial team curated on how to perform a proper insulation resistance test (ecmweb.com/21141246).

In this month’s cover story, “Insulation Resistance Testing Best Practices,” on page 42, longtime contributor and electrical consultant to EC&M, Randy Barnett outlines five key steps for conducting insulation resistance tests safely, accurately, and consistently. Randy is a master electrician, ICC Commercial Electrical Inspector, and NFPA-certified Electrical Safety Compli ance Professional, who has worked as an electrician and technician in nuclear and coal-fired power plants, government nuclear research facilities, and in industrial maintenance and construction. He also produces our monthly Tech Talk video series, two episodes of which discuss the ins and outs of insulation resistance testing.

In Episode 2 (ecmweb.com/21165454), Randy explains that the purpose of insulation is to keep electrons in the copper wire — the goal is to keep those electrons from leaking out. He offers an example. Let’s say you are running a conductor through some raceway, and you nick some insulation off inadvertently. You’ve now created a situation where, once the conductor is energized, current can flow from the copper wire through the missing or cracked insulation into the metal raceway, also known as a ground fault. Under these circumstances, excessive heat or fire could result, and someone could potentially get shocked or electrocuted. In Episode 27 (ecmweb.com/21267036), he reviews the purpose and methods used for measuring the quality of electrical insulation on conductors and equipment, namely how performing a spot reading test can give you a quick evaluation of the condition of the insulation, which tells you if further testing is required. Watch both videos for the full explanation.

The bottom line is insulation resistance testing is much more than a routine maintenance task or box to be checked at installation that’s soon forgotten. It is one of the clearest indicators of electrical system health at an electrical professional’s disposal. For electrical contractors, it supports code compliance and quality installations. For facility maintenance personnel, it provides early warning before failures disrupt operations. For everyone, it reinforces a culture that treats electrical safety as proactive rather than reactive.

Perfect for data center remote power panel feeds, panels, equipment feeds and EV Chargers in parking garages, Arlington’s Listed CableStop® Transition Fittings deliver the efficient, cost-effective way to transition feeder cables to 1.25", 2.5", 3" and 3.5" EMT, IMC and RMC conduit in protective drops, risers and feeds to panels and equipment. Our new CableStop fittings integrate our patented, versatile and SKU-reducing 8412 series cable fittings, with Arlington conduit fittings, allowing for easy transitions to larger knockout sizes.

Available with set-screw or compression connections into 1.25", 2.5", 3" and 3.5" conduit, they ship with multiple end stop bushings that vary the size of the opening – along with a free template select the right bushing for the cable.

AROUND THE CIRCUIT

Transforming Construction and Design: The Rise of AI and Digital Innovation in 2026

This year will be a critical inflection point when it comes to AI adoption in construction and engineering (C&E) firms.

While most industries are undergoing more rapid transformation — driven by the accelerating adoption of technologies like industrial AI, automation, and connected data — the construction and engineering industry is often characterized by a resistant approach to technological change.

But the tipping point has been reached, especially as asset-intensive sectors are opening their eyes to the potential of AI to make operations smarter, more

efficient, and more effective. The sector is standing on the brink of a once-in-ageneration innovation shift.

Construction and engineering (C&E) as a whole has been through a fundamental reshaping of how companies address long-standing challenges around profitability, productivity, and sustainability — how they respond to global economic pressures, redefine their value propositions, and deliver increasingly complex projects.

As a result, the shift from experimentation to enterprise-wide integration is now well underway, with 2026 guaranteed to mark a critical inflection point in AI adoption. But it’s essential for any business leader who is looking to leverage these technologies as essential components of larger digital transformation projects to understand the fundamental building blocks that must be in place before any type of scalable deployment is possible.

GETTING THE DATA FOUNDATION IN PLACE

One of the biggest trends we saw throughout this past year was the rapid adoption of modern enterprise resource planning (ERP) platforms that serve as digital backbones across organizations. In fact, our censuswide industry research study found that 63% of C&E companies planned to adopt a new ERP system in the next one to two years — a foundational move meant to enable the scaling of AI across their enterprises.

In terms of how many companies are embarking on digital transformation projects, this modernization statistic has proven to be underestimated. Nearly a year after making these predictions, we realize that the optimism around the role of AI being able to reshape workflows, project management, and intelligent decision-making is fueling a greater desire to adopt a future-proof ERP platform as the springboard for scalable, trusted AI deployments.

METER MOUNTING BASE

J-channel covers cut ends of siding

Remove flanges for retrofit work

Arlington’s one-piece, non-metallic Mounting Bases provide a smooth, flat mounting surface for most electric meters, including the largest sizes – as well as a variety of other products such as timers, disconnects, inlet boxes and more.

UV rated, paintable plastic for long outdoor life.

Squared-off corners make them gangable so you can create the mounting base needed for the product you’re installing.

MM7 info aifittings.com/landing/mm7 Other aifittings.com/landing/meter-mounting-bases

Arlington’s non-metallic Split Wall Plates provide a simple and effective way to accommodate pre-connectorized low voltage cable(s) of varying size and quantity or pre-existing low voltage cables.

Multiple split grommets are provided with our single- and two-gang wall plates for increased versatility in effectively sizing and covering the hole/opening.

Use as shipped, or with one of the supplied bushings to alter the size of the opening.

• Single-gang CESP1 w/ 1-1/2" opening, bushings for .312" • .500" • 1" openings bushings for .750" • 1.250" openings

AROUND THE CIRCUIT

AI IS SET TO TAKE POLE POSITION

Illumination Insider

This e-newsletter tracks the research, development, design, installation and operation of all types of lighting and control products.

This monthly product is geared toward professionals working in the industrial, commercial, retail, residential, institutional, health care, government, and utility market sectors.

Subscribe Today

See all of our EC&M e-newsletters at www.ecmweb.com

The latest IFS research study, “The Invisible Revolution,” which surveyed more than 300 senior executives from leading C&E firms in May and June of 2025, found that the sector is expected to become one of the most AI-first industries. Momentum is clearly building, with 91% of firms expecting to increase AI investment in 2026.

GIVING TIME BACK TO A RESOURCE-STRAPPED INDUSTRY

One of the greatest benefits of AI that we discuss with construction and engineering organizations is its ability to analyze and collate data in a much faster way. This gives all their employees — from workers on the construction site to senior management in the back office — more accurate, predictable, and reliable information.

The most practical example of how this enhanced and automated information gathering and analysis can benefit construction industry organizations is related to the enormous amount of time it takes to prepare their regular board presentations on project performance. Most companies host interdepartmental meetings monthly with all the senior leaders from each of their divisions. Typically, each team of people takes days, if not weeks, to prepare their data by gathering information across multiple software solutions.

Industrial AI gives C&E organizations more trusted control of their business by removing the unreliability and inconsistency of human guesswork, making it faster and easier to gather, analyze, and report on every dimension of project performance, including profitability, timeline delays, budget overruns, cost forecasting, safety incidents, quality, and more. Ultimately, leveraging industrial AI to enhance reporting and data sharing across the organization reduces business risk and delivers greater control over project results.

THE AI ADVANTAGES ARE PLAIN TO SEE

These benefits are clearly resonating across the industry. The latest

IFS research study found that the biggest applications of current AI deployments across construction & engineering firms were project deliv ery (62%) and business intelligence (59%). Out of these early adopters who are currently deploying AI, companies are already seeing these benefits: 89% report profitability gains, and 44% outperform the cross-sector average in operational efficiency, 42% in supply cost reduction, and 36% in lowering project expenditures.

With the growing economic uncer tainty across the globe, the most impactful benefit of industrial AI for this industry is giving companies greater control over project manage ment. Out of all other industries, the project-centric nature of C&E busi nesses makes them most at risk of diminishing and/or unpredictable profit margins in volatile and disrup tive markets.

Perhaps this is why the latest AI research shows that construction and engineering firms anticipate AI’s great est benefits in project delivery (41%) and increased profitability (36%).

PLANNING A BLUEPRINT FOR SUCCESS IN 2026

As we prepare to craft our 2026 predic tions for a rapidly evolving industry, we take a moment to reflect on the trajectory of AI adoption and overall digital transformation that exceeded our expectations in 2025. It’s clear that in a very short period, most construc tion and engineering organizations will modernize legacy ERP systems to pave the way for industrial AI and all the potential it offers to deliver greater project control.

The result will be a smarter, more connected, and more resilient industry — ready to redefine how the world designs, constructs, and builds.

Kenny Ingram is the Vice President of Construction & Engineering Industry, IFS with specialization in construction, contracting, engineering, infrastructure and shipbuilding.

Chris Knight is the Global Industry Director of Construction & Engineering at IFS.

SNAP2IT® CONNECTORS

17SAVE seconds

Fully assembled, SNAP2IT® fittings handle the widest variety of MC cable AND THE NEW MC-PCS cables.

Compared to fittings with a locknut and screw, you can’t beat these snap in connectors for time-savings!

LISTED SNAP2IT ® CONNECTORS FOR NEW MC-PCS CABLE ...lighting & low voltage circuits in the same cable

• Fits widest range and variety of MC cable 14/2 to 3/3

AC, MC, HCF, MC continuous corrugated aluminum cable and MCI-A cables (steel and aluminum)...including the new MC-PCS cable that combines power and low voltage in the same MC cable

ANY Snap2It Connectors LISTED for MC cable are also LISTED for MC-PCS cable! These products offer the greatest time-savings.

• Fast, secure snap-on installation

• Easy to remove, reusable connector From cable Loosen screw on top. Remove connector from cable. From box Slip screwdriver under notch in Snap-Tite® Remove connector.

Easy to Snap into Box!

Getting Started with Power Quality Surveys

In this first of a three-part series on power quality surveys, we take a look at the role of baseline surveys, the tools you’ll use, highlight applicable compliance standards, and share an overview of the PQ survey process.

Power issues are not abstract. They can cost money, degrade equipment performance, reduce reliability, lower productivity, and even pose safety hazards to personnel if left uncorrected.

A power quality (PQ) survey helps you see what’s on the wires to evaluate the compatibility of the power source with the loads. PQ surveys give you an organized approach to isolating the cause of power problems and verifying solutions. They can range from monitoring the electric utility service to facility-wide surveys or isolating loads or trouble areas. Reactive surveys are for troubleshooting and resolving problems. Proactive surveys are for benchmarking and understanding the present quality of supply versus the sensitivity of the loads.

PQ surveys can let you know if a problem is looming. Just because things appear to be working fine doesn’t mean that you aren’t operating near or above tolerance limits for voltage, harmonics, etc.

WHEN TO CONDUCT BASELINE SURVEYS

It is a good practice to run a baseline PQ survey for a proactive health check of your power system or to document site power quality at the start of a project. Where to connect the meter(s) will be project dependent. For facility-wide projects, the best location may be at the electric utility service entrance, at or near the electric utility meter, or point

of common coupling (PCC). Baseline surveys are also commonly done before designing in or commissioning sensitive loads or making major system changes.

If installing mitigation equipment such as UPS systems or harmonic filters, you should repeat the survey after installation to confirm performance and ensure the system is operating as expected.

TOOLS YOU’LL USE

Basic PQ survey tools are a power quality monitor, circuit tester, multimeter,

and infrared scanner. Helpful add-ons include clamp meters, an insulation tester, and a ground resistance meter. Taking photos, videos, or quick audio notes can also aid in survey documentation.

The power quality monitor is your most important survey tool and is available as a portable or fixed unit. Portable PQ monitors are typically installed for the survey duration and removed upon completion. They are usually used reactively to solve problems. Permanent (or fixed) PQ instruments are typically

Dranetz

PQ CORNER

installed proactively for the lifetime of the facility. Often, multiple permanent PQ monitors are installed at key points within a facility (e.g., at the PCC, UPS units, generators, and critical loads), creating a monitoring system.

You will want to ensure that whichever portable or fixed instrument you choose can capture the full spectrum of power quality problems — or at least the types of problems suspected. Otherwise, the survey results could be misleading or misreported, wasting time and money.

APPLICABLE COMPLIANCE STANDARDS

Modern PQ instruments should be Class A compliant with IEC 61000-430, Edition 3. This is an international standard for power quality measurement and specifies the instrument’s measurement techniques to measure the quality of supply. IEC 61000-4-30 encapsulates other IEC standards, such as IEC 61000-4-7 for harmonics and 61000-4-15 for flicker.

In the United States, the IEEE has harmonized with some of the IEC standards. Voltage flicker measurement techniques in IEC 61000-4-15 are included in IEEE 1453. For harmonics, IEEE 519 (versions 2014 and 2022) adopted the harmonic measurement techniques of IEC 610004-7 and added new harmonic parameters and compliance limits for voltage and current harmonics.

When your instrument is IEC 610004-30 Edition 3 Class A compliant, it fully complies with the standard. In Europe and other parts of the world, using a Class A instrument is a “need to have” in many applications. In the U.S. and other areas, it’s also strongly recommended, but not a regulatory requirement. Regardless, an Edition 3 Class A instrument means it’s from a reputable manufacturer, modern, and provides accurate, repeatable measurements.

PQ SURVEY PROCESS OVERVIEW

Whether your investigation involves a single piece of equipment or the facility’s entire electrical system, you’ll want to develop an understanding of the what, where, when, how, and why of the power-related problems before you start

monitoring. The survey process typically includes these steps:

Describing the power problem Review data logs and talk to equipment operators to learn the symptoms, when and where they appear, and what else may be occurring at the time, such as equipment startups. Document your findings.

Planning and preparing the survey

Based on your understanding of the power problem(s), decide initial monitoring points and duration, and the test equipment required. Set a safety plan and determine access needs.

The power quality monitor is your most important survey tool and is available as a portable or fixed unit.

Conducting a site inspection. Walk the site with facility operators to gain a better understanding of the electric utility service area and any equipment that might be causing problems. Sometimes a visual inspection may be all that’s needed to solve the problem.

Monitoring the power. Set up monitoring at the PCC if the concern is facility health or at the load for localized issues. Record both voltage and current based on your survey plan.

Collecting survey data. Use the power monitor’s scope mode to see realtime voltage and current magnitudes and wave shapes. Use its time interval setting to record parameter trends to see variations over time. Set instrument trigger limits to detect disturbances or other events affecting equipment.

Analyzing the data. Group events, align them with equipment logs, and determine likely causes such as sags, transients, distortion, grounding, or neutral issues. Compare system downtime or troubles with the PQ data recorded. If the PQ health is good — but the system

is still experiencing problems — you may have to look elsewhere. For instance, is the equipment hardware or software the source of the problem, not the power?

Applying corrective actions. Fix the basics first, such as wiring errors or damaged cords. Repair grounding and bonding. Then, mitigate as necessary by adding new wiring, UPS systems, transformers, or filters to resolve problems found in the survey. Document any changes made for future reference.

Verifying solutions. Re-measure with the same setup. Cover the same points, same thresholds, and same intervals so comparisons are apples to apples. Compare before and after to ensure your solution is working. Also, verify the solution hasn’t created other problems and the system is still operating as expected.

KEY TAKEAWAYS

• Power problems have real consequences. They can trip protection, upset controls, degrade product quality, and create safety risks.

• A PQ survey gives you a structured way to find the cause, prove the fix, and rule in or out power problems.

• Start with a baseline at the PCC, and repeat baselines after major changes or mitigation so future comparisons are valid.

• Use a small core kit and add tools as needed. Confirm that your monitor can capture the phenomena you suspect.

• Follow a simple process. Define the problem, plan and prepare, inspect the site, monitor at the right points, collect usable data, analyze with time correlation, apply fixes, and verify with the same setup.

NEXT IN THE SERIES

In the next article, we’ll go deep on planning and preparing a power quality survey as well as include a short checklist you can use before you roll a cart on-site.

Ross Ignall is the Director of Business Development and Marketing at Dranetz Technologies, a GMC Instruments company, where he has more than two decades of experience in power monitoring and analysis. He can be reached at RIgnall@ dranetz.com.

CONCRETE PIPE SLEEVE

Arlington’s Concrete Pipe Sleeves are the economical way to sleeve through concrete pours in tilt-up construction WALLS – and FLOORS allowing cable and conduit to run easily from one floor to the next.

No costly core drilling – No cutting holes in the form. Plus, you can position the hole prior to pouring the concrete.

• Attaches to form with nails or screws

• Stackable up to 23" h for extra deep pours

• Vents keep wet pipe sleeves from sticking together

• Multiple hole sizes: 1-1/2"

Arlington’s heavy-duty, plated steel fan/ fixture box has an adjustable bracket that mounts securely between joists spaced 16" to 24" o.c.

Flush ceiling installations

FBRS415 is designed for ceilings up to 1-1/4" thick. For 1/2" ceilings, use the pre-bent positioning tab. For other ceiling thicknesses, bend along the appropriate score line.

• 15.6 cu. inch box ships with captive screws, mud

installed NM cable connector

CPS40
After concrete sets, cut sleeve flush with surface. Insert conduit into sleeve.

Large Volume FURRED WALL BOX

Arlington’s new Furred Wall Box® kit makes challenging outlet box installations fast and easy!

Versatile mounting options Our high strength FSB series outlet box kits are designed for use with existing 1x2 drywall furring strips – but can also be mounted directly to a concrete block wall between furring strips. Place the box or outlet where it’s needed.

Integral cable securement – No pullout! Accommodates GFCI and USB receptacles. Convenient kits simplify ordering of FSB1 and FSB2.

High-strength No breakage in cold weather

Integral Mounting Flanges

FSB2
FSB1 Single gang on Block Wall

Low Profile

NEW FSB12 * FSB22

ADD OUR BOX EXTENDERS to BROADEN APPLICATION and USE

Furring strip flange Mounting Bracket

Base

Assemblies for 1/2" Wall Thickness & Standard Depth

Install on 1x2 Furring Strips or Block Wall with 1/2" Drywall

One-gang FSB12

Block wall flange Mounting

Our NEW Low Profile single and two-gang Furred Wall Box® base assemblies have 1/2" raised ring for use with standard wall plates.

They combine with Arlington’s Box Extenders to deliver installation solutions for wall thicknesses from 1/2" to 1-1/2" and varying device depths

• Integral cable securement – No pullout!

• For standard and GFCI devicesUses standard wall plates

• Single gang FSB12 - 17.0 cu. in. Two-gang FSB22 - 20.5 cu. in.

Add our BOX EXTENDERS for these specific conditions...

1 if Total Wall Layer Thickness is GREATER than 1/2" (up to 1-1/2") Add BE1 or BE2

if Using a Deep Depth Device with 1/2" Wall Thickness Add BES1 or BES2

or Dimmer

Bracket

Measuring Productivity vs. Production

Understand the critical distinction between production vs. productivity in construction and how focusing on efficiency/ value transfer can boost profits and project success.

You are running several jobs. Some of them make the profit expected, sometimes they don’t make the profit you expected, and other times they make much more than you planned. Assuming there’s not something unique in the scope of work/estimate, can you explain why? It may be in the way you measure productivity.

Think about what your customer pays you for — they pay for you to complete your performance obligations. Doing it as productively as possible is what will increase your profits.

PRODUCTION VS. PRODUCTIVITY

What is production? It’s the measure of construction put in place. Yes, but how?

What is productivity? It’s how well the construction was put in place. Yes, but how?

Think of it this way. On Floor 2, Section A in the medium-sized committee room, you plan to install boxes and run wire, conduit, and MC cable for the lights. You’ve installed half of the boxes and run half of the wire, conduit, and half of the MC cable. How “complete” are you?

If you’re measuring production, you’d likely say 50%. Why?

• Production tracking typically looks for linear calculations. This typically calculates percent complete based on the burn rate of units installed, or perhaps slightly different based on costs to date.

• Calculations are a typical costbased accounting perspective, which

may or may not accurately represent construction put in place.

• Production tracking is a simplistic method of dealing with a complicated environment.

If you’re measuring productivity, there’s slightly more to it than that, such as how much of the work planned is completed. It’s important to focus on the effort expended. This can be answered by reviewing these questions:

• How much of the layout is complete?

• How much of the material is purchased?

• How much prefabrication work is completed, but not yet installed?

• How much of the material handling is completed?

• How much of the testing is completed?

• Are we certain there are no rework or repairs required?

• How close are we to completing our performance obligation from the customer’s perspective?

Your contract defines what the customer expects upon completion. Your work is complete when the performance obligation is fulfilled from the customer’s perspective. Your customer doesn’t pay for activities that don’t transfer value to the completion of the project. These are the items that you pay for from your profits if your team isn’t able to be their most productive.

GETTING YOUR TEAM TO BE THEIR MOST PRODUCTIVE

Keep them working on transferring value. You help them be their most productive

ID 51360213 © Igor Zakharevich | Dreamstime.com

GROUNDING BRIDGE

MULTIPLE ZINC & BRONZE STYLES MEET NEC GROUND

Arlington’s heavy-duty Grounding Bridges provide reliable intersystem bonding between power and communication grounding systems. And handle multiple hookups of communications systems: telephone, CATV and satellite.

Our new GB5T comes with a Combination Threaded and Set-Screw hub for Threaded Rigid – or EMT Conduit.

Arlington’s zinc and bronze grounding bridges...

• Four termination points; more than required by the NEC

• Meet 2020 NEC bonding requirements for 250.94

• Fast, simple installation indoors or outside

• Textured, paintable plastic cover (except GB5NC)

• Easy access for inspections

JOB-SITE INTELLIGENCE

by managing the work environment. Note that neither productivity measurements nor production tracking has any weight on whether your teams are busy and/or working hard.

So what can you work with them to do? Review what’s not transferring value at all and what’s necessary, but still not transferring value. Work on items to enable your team to be more productive, like:

• Remove their waiting time

• Remove/reduce their walking time

• Reduce/eliminate rework and repairs

• Support and plan for limited material handling

• Reduce need for material movement (including handling/transferring waste)

• Reduce time spent working around other trades

• Reduce limitations in access to areas

You do this by making a work plan and then measuring productivity periodically and continuously. Keep thinking: Is it correct, necessary, and complete from a customer perspective?

HOW TO MEASURE (AND BE ABLE TO ADDRESS AND IMPROVE) PRODUCTIVITY

The standard for job productivity measurement in construction is ASTM E2691, and it is built taking all of the above into account (Fig. 1). It prescribes a measure of system productivity by comparing the transfer of value to all the hours spent in total or in a few labor codes (the standard allows for six to 15).

The work needed to complete the project (the performance obligations) to the customer’s expectation is planned and then measured by the observed percent completion of that work. Productivity differential conveys whether that work is taking more or less than planned, and forecasts that rate through the project’s completion.

Productivity trends are monitored weekly on most jobs, although some jobs require more frequent measurement. They are monitored for:

• Special causes of variation (abnormal ups and downs from the expected rate) require explanation. They’re not special because we think they’re special; they are indicators that the system is not predictable, and the cause for that instability needs to be understood to see if it is going to continue or not.

• Common causes of variation (the constant noise and minor ups and downs in productivity) should also be studied — but with a different tool for categorizing them. Otherwise, you’ll be spending a lot of time chasing your tail trying to fix the day-to-day impacts to productivity that are completely normal. This can cause tampering and actually make things worse (see Fig. 2 on page 26).

This monitoring and root cause analysis happens through a weekly job review meeting (see “Making Job Review Meetings More Effective,” which appeared in the EC&M August 2025 print issue), where the data is at hand, and the project team is reviewing it to explain the conditions.

Fig. 1. Under ASTM E2691, job-site productivity is measured at the system level by relating value delivered to total labor hours, accounting for both direct work and supporting activities across multiple labor codes.

SECURE MOUNTING TO SINGLE, DOUBLE JOISTS LOWEST COST • L-SHAPED

Super-secure installation!

Our lowest cost, L-shaped fan/fixture box mounts to single or double joists

This convenient combo box has power and low voltage openings in the same box for a neat, time-saving installation.

The box adjusts to fit wall thicknesses from 1/4" to 1-1/2".

Mounting wing screws hold it securely in place.

• 2-Hour Fire Rating

• Low voltage side has a combo 1/2" and 3/4" KO for raceway

• Includes NM cable connector (power side)

Arlington’s recessed STEEL combination power/low voltage TV BOX® is the best way to mount an LED or Hi-Def TV flush against a wall.

TV BOX provides power and/or low voltage in one or more of the openings. Plugs and connectors stay inside the box, without extending past the wall.

Designed for use in new or retrofit commercial construction where metal raceway is used, we have a STEEL TV BOX for almost any application!

• Steel box; non-metallic paintable white trim plate

• Easy, secure installation

• Optional covers

JOB-SITE INTELLIGENCE

The key is that the input for the entire process of productivity measurement must include input from the field. While the estimate and agreed-upon contract dictate the size of the checkbook and accounting represents what was spent, the field and productivity measurement are the explanation in the middle. The correct measurement and process to monitor, explain, and maintain stability are all important.

WHY PRODUCTIVITY VS. PRODUCTION MATTERS

You have a contract for a performance obligation to be completed from the customer’s perspective. Your profits are determined by how productively you deliver that performance obligation. Remember: Linear calculations to calculate production make it difficult to know where your projects will end up as planned — more profitable or less profitable. Knowledge is in managing the work environment and measuring and managing productivity.

Fig. 2. Common and special cause variations can both occur on the same project.

in the construction industry. Dr. Heather can be reached at hmoore@mca.net.

Dr. Heather Moore is Vice President for Customer Care and Support at MCA, Inc. as well as a well-known researcher/author

Jennifer Daneshgari is the Vice President of Financial Services at MCA, Inc. She can be reached at jennifer@mca.net.

Arlington’s Low Voltage Mounting Brackets are the solution for fast and easy cut-in installation and mounting of Class 2 communications, computer and cable TV wiring and connections.

Introducing METAL low voltage mounting brackets for EXISTING or RETROFIT construction...

LV1M and LV2M COMMERCIAL GRADE

• Extra rigidity and stability where performance and visibility are important or critical

• Threaded holes for easy, fast device installation

• Adjustable bracket for 1/4" to 1" wall board thicknesses

Our LV1S and LV2S PLATED STEEL bracket design, provide excellent stability and secure installation of low voltage devices in 1/4" to 1-1/4" walls - without an electrical box.

Addressing Distraction Problems on Electrical Job Sites

Distraction contributes to reduced work output, reduced work quality, and increased danger on the job.

Here’s how to stop it.

Suppose you find a 500-lb rock in your living room (never mind how it got there). That rock could be there a while because you’re just not strong enough to pick it up and move it. But if you find 20 rocks that each weigh 25 lb, you can easily move them one at a time.

You can apply this same concept to an electrical and/or construction job site. You can’t focus for every second of the workday — but you do have the ability to focus for the brief time it takes you to make a voltage check during lockout/ tagout. You can focus on this step in the PM procedure or that step in the repair procedure. You can focus during the short time it takes to perform a tool count. If you mentally hit the “focus switch” just before doing something for a brief period, you aren’t distracted while doing it.

This strategy is based on breaking down a big, seemingly impossible task into smaller, manageable ones that you can easily accomplish. You might not be able to fend off distraction for an hour at a time, but you can fend it off for a few important minutes at a time.

MUSCLING UP

Each of us has a limited amount of “focus power,” just as each of us has a limited amount of physical strength. And just as we can increase our physical strength by strength training, we can increase our ability to focus by deliberately challenging our “focus muscles.”

Experts in this area advise building concentration through activities such

as doing crossword puzzles. They aren’t wrong, but if they could work with the NEC, they would forget about crossword puzzles.

No matter how much effort is put into revising the Code, it will never be simple to understand or apply because the application of electricity is inherently complicated. Not only is the material dense enough to require focus, but it is also technical enough that you must recall facts and theory from memory as you read. It’s perfect for exercising your focus muscles.

You could start with 5-minute sessions, gradually working your way up to 30 minutes. Or you could pick any Article in the NEC and read one Part at a time with the intention of fully grasping it (noting that Art. 90 and Art. 100 have no Parts because they have no requirements).

Some other focus builders:

• Deliberately relax. If you try to lift weights all day, you will be weak and sore rather than strong. Focus is that way, too. Once you use up your reserve of focus, you need to rest until recharged.

Arlington’s Gard-N-Post® enclosures and supports offer the attractive, safe, and easy way to install a light fixture and/or one or two devices outdoors!

• Non-metallic, heavy-duty UV rated plastic

• Damage resistant

• No chipping... 4 permanent colors

• GARD-N-POST... a variety of styles, 9" to 73" tall

Arlington’s new one-piece RETROFIT SNAP2IT® fittings are easy to use in an OLD WORK installation, and handle the widest variety of cables! They’re ideal for adding additional circuits to a load center. And you get the same labor-savings in a retrofit installation!

Easy snap-in installation - NO TOOLS. Install connector into the knockout in an existing box, pulling cable/conduit through the knockout. Slip the fitting onto the cable, then snap the assembly into the box. That’s it... a secure installation with no pullout

Widest total cable ranges 14/2 to 10/3

Widest variety of cables AC, MC, HCF, MC continuous corrugated aluminum cable, MCI-A cables (steel and aluminum), AC90,

SAFETY CORNER

On the job, it could mean switching to another task, handling a previous distraction, or going for a short walk.

• Ratchet up. Determine how much time it usually takes before your thoughts wander. You can gauge this in terms of minutes passed, connections made, paragraphs read, sticks of raceway used, or whatever. The next time you do that activity, try to exceed that value by one unit. Keep doing this, and your focus will be far stronger a year from now.

• If your life situation permits, take up a sport or hobby. Nearly all sports and hobbies require concentration, and you can build your focus muscles without job pressure getting in the way.

• Take a defensive driving course. Defensive driving requires concentration. If you drive this way, you naturally become more focused in other areas. If you don’t have time to take such a course right now, get a driving discount app from your insurer. It will monitor things like unfocused trips (being on the phone while driving) and hard braking. If you can make the trip to work count as a focused trip, you are off to a good start for the day.

ANTI-DISTRACTION

In addition to building up your ability to focus, work on reducing the number, frequency, and magnitude of distractions. One common distraction is the compulsion to answer the phone. Whether text or voice, tell yourself it’s probably a telemarketer and ignore it. Don’t answer it just because it rings, dings, or vibrates. Unless impractical, leave the phone in your truck or at the shop. Electricians who are approaching retirement today did not have cell phones when coming up through the trade, so yes, you certainly can do electrical work without that phone nearby to distract you.

Some other tips:

• Remove potential distractions Your phone isn’t the only potential distraction. Others include the chatty customer, the bored operator, the disorganized tool kit, and the background noise in your location. Address each distraction so that it no longer distracts you — or at least address the worst ones.

• Compartmentalize. You may be excited about that football game or NASCAR race, but now is not the time to think about it. This takes discipline, but the more you do it, the easier it is.

• Take notes. This old-school method is one you will likely keep doing if you try it. Keep a pocket spiral notebook handy (e.g., in your shirt pocket) and when something potentially distracting comes up, jot down a quick note about it. This shifts the issue from your mind to that notebook. Regularly check your notebook between tasks, so that those distracting issues get tended to.

• Refuse chit chat. If a coworker wants to complain about the traffic on the way in, rant about something political, or gossip, that’s fine for your coworker. But he needs to take it somewhere else. It’s distracting, and it can get you killed. What if your supervisor is trying to engage you in conversation about your work while you work? No, that’s also off limits. Stop work and have the conversation, but don’t try to do both. Have a firm “work or talk” rule.

• Refuse hovering. Supervisors, production managers, and service clients are some of the people who might want to watch you work. If this is distracting to you, don’t “suck it up” and try to work anyhow. Stop what you are doing, and respectfully tell them they are making you nervous by looking over your shoulder. Ask if they have any questions or concerns to discuss now. When done answering, ask them to stop back later, at which time you will be happy to take another pause to update them.

• Don’t distract others. If you see Cheryl with her head in a cabinet and a meter in her hand, now is not the time to thank her for her advice that allowed you to solve the problem you discussed with her this morning.

TIPS FOR EMPLOYERS

• When talking with an employee, make him the only person in the room. By totally focusing on what this person is saying, you are sending the message that focus matters. There is probably no better way to do that.

• Avoid calling employees on their cell phones during working hours To reduce distractions, try setting up a process by which they can call you. Many service firms have adopted this practice; service techs call when they arrive and again before they leave. Their supervisor gets interrupted, but their supervisor isn’t face-first in a dis tribution panel.

• Ensure supervisors understand that people in the field can either talk or work less of any assurances they make.

• Talk about the distraction prob lem. Bring it up at a safety meeting occasionally. Pick an employee at ran dom, and ask him what distractions he has encountered lately.

• Fix systems that annoy or im pede employees annoy people and set them on the wrong mental path. They might do a slow simmer over it for hours. An em ployer can’t always hop onto a problem to fix it. One thing an employer can do is listen. If Jim complains that the parts bin never has ¾-in. EMT fittings when he needs them, but his boss listens to Jim and says something like, “Give me a couple of days, I’ll handle it,” you can bet Jim won’t be stewing on that issue later. If his boss simply waves him off, that treatment will intrude repeatedly into Jim’s mind. So always listen.

FOCUS WHEN IT MATTERS

Nobody can focus 100% of the time. But each of us can give 100% focus for the times that truly matter. How do you know when those are? If a single mistake in what you are about to do could have serious consequences, it’s time to focus.

This can be well ahead of the time you actually have a tool in your hand. For example, during the job briefing, while reading the system drawings, during the training class for that equipment, or while interviewing the operator. Focus on each point where you need to get it right — not just at the point where there’s the most danger present.

Mark Lamendola is an electrical consultant based in Merriam, Kan. He can be reached at mark@mindconnection.com.

MC CABLE FITTINGS

ONE FITTING FITS MULTIPLE CABLE/CONDUIT TYPES & SIZES

* Aluminum & Steel Flexible Metal Conduits

ONE trade size fits SEVERAL cable types and sizes, plus flexible metal conduit for super convenience and cost-savings! Reduces inventory and material handling too.

Patented

Conductor Size CSA TECK90 Conductor Size # of Conductors* # of Conductors* (AWG/KCMIL) (AWG/KCMIL/ACWU) 6/3, 6/4, 4-3, 4-4, 8/3, 8/4, 6/3

2-3, 2-4, 1-3

2-3, 2-4, 1-3, 1-4, 6/3, 6/4, 4/3, 4/4, 3/3, 1/0-3, 1/0-4, 2/0-3, 3/4, 2/3, 2/4

2/0-4, 3/0-3

2/0-4, 3/0-3, 3/0-4, 2/4, 1/3, 1/4, 1/0-3 4/0-3, 4/0-4, 250-3, 250-4 1/0-4, 2/0-3 250-4, 300-4, 350-3, 2/0-3, 2/0-4, 3/0-3, 3/0-4, 350-4, 500-3 4/0-3, 4/0-4, 250-3 500-3, 500-4, 600-3 4/0-4, 250-3, 250-4, 300-3 600-4, 750-3 300-4, 350-3, 350-4, 500-3 600-4, 750-3, 750-4 350-4, 500-3, 500-4 750-3, 750-4, 1000-4 750-3, 750-4, 1000-3

Concrete tight when taped

EYE ON SAFETY

Changes to Arc Flash Label Requirements in the 2026 NEC

Part 1 of this series addresses significant updates to arc flash hazard marking requirements found in Sec. 110.16 to improve the safety of all electrical professionals.

This “2026 NEC Insider Series” is written by Dean Austin, NFPA senior electrical specialist, master electrician, and former chief electrical inspector in Michigan. It intends to help electrical inspectors, electrical contractors, and electricians understand changes to the 2026 NEC and how all parties can work together — collectively as a team — to provide the safest electrical installations possible

The 2026 edition of the National Electrical Code (NEC) is now available in both print and digital form through NFPA LiNK. As expected, there were a significant number of changes in this Code cycle, all aimed at ensuring safe electrical installations in our everchanging electrified world. A substantial portion of these changes were structural in nature to make it easier for users to find information that will help with the installation or inspection of electrical wiring systems. Other changes were made to help better prepare the 2026 NEC to align with the proposed restructuring of the 2029 edition.

In Part 1 of this article series, we’ll focus on one of the major changes in Sec. 110.16 around arc flash hazard marking with a goal of having a positive impact on the safety of workers who engage with electrical equipment in their roles, such as electricians and electrical inspectors. This change appears to be creating quite a buzz in the electrical industry.

THE CHANGE

Within the 2023 edition of the NEC, the requirements found in Sec. 110.16

SHOCK & ARC FLASH HAZARD

Location: RP1-1242 (Line Side) Report #: TQSIDT0316867 Rev. 0

Label #18

Assessment Completed: AUG-2025

NO LOCAL CONSIDERED FOR ARC FLASH CALCULATIONS. UPSTREAM PROTECTIVE DEVICE APPLIES

6'7"

13.3 cal/cm2

ARC FLASH BOUNDARY

CALCULATED INCIDENT ENERGY AT 18" WORKING DISTANCE

208 V Shock Hazard

Min. Glove Class: 00

Limited Approach Boundary: 3' - 6': Restricted Approach Boundary: Avoid Contact Prohibited Approach Boundary: Avoid Contact

One of the main changes to Sec. 110.16 was renaming it from arc flash hazard “marking” instead of “warning,” illustrated by this warning label.

around arc flash hazard warning only applied to service and feeder equipment rated 1,000A or more in other than dwelling units. So, what changed for the 2026 edition of the NEC?

The first obvious change was in the formatting and the renaming of the Section to arc flash hazard “marking” instead of “warning.” Although the terminology “marking” provides some additional latitude, in most cases, it is likely to be done in the form of an arc

flash label that aligns with the requirements found in Sec. 110.16. To add clarity, the modifications to this Section also involved modifying the content into a list format for users to help find information more quickly.

Another significant part of the change involved the removal of the 1,000A or more threshold, which means all service and feeder-supplied equipment in other than dwelling units will require an arc flash hazard marking regardless of the

FOR NEW CONCRETE FLOORS

Side connections lock single gang FLBC8500 boxes together

Single gang box

(3) FLBC8500 boxes

(1) FLBC8530BL Black PLASTIC cover/frame kit

Lock two boxes together for a two-gang box. Add another for three-gang!

Here’s the easy way to add receptacles in a commercial concrete pour. Lock single gangable boxes together to build a two- or three-gang floor box!

Then add the UL LISTED single, two- or three-gang Cover/Frame kit, with devices included.

• PLASTIC in Black, Brown, Gray, Light Almond, Caramel...

• DIECAST ZINC with a Brass or Nickel finish... Furniture feed inserts also available with brass or nickel finish

• PLATED, PLASTIC or POWDER-COATED with Flip Lids

Fast, easy cover installation. Installs with hinge on either side.

FLBC8500

EYE ON SAFETY

size. While the specific types of equipment listed in Sec. 110.16 are examples, being presented with the preface of “such as” means that the equipment listed is not exhaustive in what will require an arc-flash hazard marking.

For example, fusible safety switches for HVAC equipment or motors may require servicing while energized. Because the safety switch is fusible, it means that it is serving feeder-supplied equipment, and it will need to be assumed as energized until it can be opened, with proper personal protective equipment (PPE) being worn, and tested/verified as deenergized.

The requirements for what must be displayed on the label or supplied by the equipment owner are consistent — but how they are displayed may not be. For example, in supervised industrial installations, there may be a QR code posted on the equipment. According to NFPA 70E-2024 [Sec. 130.5(H) Exception No. 2], these markings can be provided in a format that is easily accessible, like a QR code.

The 2026 NEC has made the marking requirements more explicit, requiring that one of the main items being displayed must now be the date the assessment was completed, rather than the date the label was applied, as was required under the 2023 NEC. This change ensures that more accurate and useful information is provided about the equipment’s assessment.

The other items that are required on the arc flash hazard marking in the 2026 NEC align closely with the requirements for arc flash hazard labels found in NFPA 70E, Standard for Electrical Safety in the Workplace. Whereas Sec. 110.16 in the 2023 NEC alluded to the use of NFPA 70E requirements through requiring the warning to be done “in accordance with applicable industry practice,” the 2026 NEC language specifically states it must be done to align with industry practice and goes on to spell out exactly what the marking must contain.

COMPARISON

It might be helpful to view the requirements by comparing the 2024 edition of NFPA 70E and the 2026 edition of the NEC. Section 130.5(H) of NFPA 70E, which addresses arc flash equipment labeling, requires the following to be displayed (items in bold are reflected in both NFPA 70E and 2026 NEC requirements):

1. Nominal system voltage

2. Arc flash boundary

3. At least one of the following:

1. Available incident energy and corresponding working distance, or the arc flash PPE category in Table 130.7(C)(15)(a) or Table 130.7(C)(15)(b) for the equipment, but not both

2. Minimum arc rating of clothing

3. Site-specific level of PPE

Section 110.16 of the 2026 NEC requires the following to be made available on the arc flash hazard marking:

1. The nominal system voltage

2. The arc flash boundary

3. The available incident energy or minimum required level of personal protective equipment

4. The date the assessment was completed

Based on the items listed in bold within both lists, there is

a clear tie between the requirements found in NFPA 70E and the 2026 NEC. Although NFPA 70E does not require the date the assessment was completed to be listed directly on the label, it does require the method used to calculate the data to be documented and reviewed in intervals not to exceed five years.

IMPACT ON THE ELECTRICAL INDUSTRY

The arc flash hazard marking requirements in Sec. 110.16 of the 2026 NEC help ensure consistent labeling of service and feeder-supplied equipment, thereby raising awareness about electrical hazards. Arc flash labels assist inspectors in Code compliance, guide contractors in accurate installations, and remind qualified people of proper personal protective equipment (PPE) usage when working on or near energized electrical equipment.

Ultimately, the updated Code requirements in Sec. 110.16 benefit all roles while fostering collaboration among industry professionals to create safer job sites and reduce injury risks.

Labeling requirements — such as nominal system voltage, arc flash boundary, incident energy, PPE levels, and the assessment completion date — clearly empower professionals to make informed safety decisions. By aligning with NFPA 70E, the arc flash hazard marking revisions help promote Electrically Safe Working Conditions (ESWCs), minimizing risks associated with energized conductors and equipment.

For the authority having jurisdiction (AHJ), Code compliance reviews are more streamlined. For contractors, installations will require precision to meet Code requirements and safety regulations. For electricians, these markings act as safeguards, reducing accidents and emphasizing adherence to safety protocols and procedures.

Ultimately, the updated Code requirements in Sec. 110.16 benefit all roles while fostering collaboration among industry professionals to create safer job sites and reduce injury risks. In a continually evolving electrical industry, the changes exemplify proactive measures addressing safety concerns.

Important Notice: Any opinion expressed in this column is the personal opinion of the author and does not necessarily represent the official position of NFPA or its Technical Committees. In addition, this piece is neither intended nor should it be relied upon to provide professional consultation or services.

Dean Austin is a senior electrical content specialist at the National Fire Protection Association (NFPA). In his current role, he serves as an electrical subject matter expert in the development of products and services that support NFPA documents and stakeholders.

LISTED BOX EXTENDERS

Arlington’s variety of cULus Listed Box Extenders extend set back electrical boxes up to 1-1/2".

Made of heavy-duty, 105°C continuous use 94V0 rated, flame retardant plastic, they level and support wiring devices, while protecting wires against damage and stripping.

Choose the one that’s right for you!

BE1, BE2, BE3, BE4...Single-, two-, three- and four-gang, and BE1R for round or octagonal boxes...

Box Extenders

device support in oversized or mis-cut wall openings, available in single-, two-, three- and four-gang, (patented BE1X, BE2X, BE3X, BE4X.)

Our new heavy duty, COMMERCIAL-GRADE steel support plate! As shipped, single and two-gang BE1XLS and BE2XLS work with maxi cover plates, but they’re and standard plates. Convenient. Saves time. Great for poorly cut drywall.

For all standard devices, switches and GFCIs, our box extenders comply with NEC Article 314.20 for set back boxes.

Electrical Power Design Considerations for All-Electric Hospitals

How load estimation, power source options, fuel capacity, and distribution strategies can create resilient and code-compliant electrical systems.

Electrical power design in hospitals is one of the most critical aspects of facility engineering. Reliable power ensures life-saving equipment, lighting, HVAC systems, and critical services always remain operational. The basis of design for a standard 100,000-sq-ft hospital includes:

• Departments. This may include surgery, sterile processing, laboratory, pharmacy, imaging, emergency, intensive care unit, labor and delivery, medical-surgical patient rooms, and support spaces for every department.

• Space heating. This is achieved by using condensing boilers with hydronic piping throughout the facility. Cooling is achieved by using air-cooled chillers with hydronic piping throughout the facility. Humidification is

achieved by electric steam generators.

The complexity of this task increases significantly when the hospital relies entirely on electrical utility services.

The trend to eliminate or reduce the use of natural gas is growing due to a combination of environmental, economic, and policy-driven factors. Whatever the reasons, engineers are tasked with delivering the same functionality of a traditional hospital without the use of natural gas. For electrical engineers, this includes utilizing the electrical service for all HVAC heating, domestic hot water heating, and any steam generation needs.

This article discusses the key considerations, initial load assessments, and best practices in designing robust, code-compliant, and resilient electrical

power systems for all-electric hospitals with utility and generator-only power infrastructure.

COMMUNICATION, COMMUNICATION, COMMUNICATION

As with anything new or unique to a project, success begins with great communication. In this case, early communication with the building owner and the design team is critical so all stakeholders understand the differences between an all-electric facility and a traditional natural gas facility.

Many owners already maintain an existing facility or several facilities, so it’s important that you inform them of how an all-electric facility is different. For an end-user working in an all-electric

Projects like the new all-electric Prosser Memorial Health Hospital in Prosser, Wash., designed by bcDESIGNGROUP and engineered by Henderson Engineers, are part of a growing trend to eliminate or reduce the use of natural gas. This shift in energy sources provides an exciting challenge for electrical engineers.

Plastic & Steel 8X10 TV BOX®

8X10 TV Box® with a Plastic or Steel Box offers the ultimate in versatility for installing TVs in new and retrofit projects. There's more room in the box for wires and it installs horizontally or vertically to properly position low voltage connections behind the TV.

• Ideal for home theater systems: multiple connections for sound systems, satellite TV, CATV, DVRs

• Brackets for neater cables, with a 1-1/2" knockout for ENT and other low voltage wiring

• Box mounts to stud in new work; for retrofit, mounting wing screws secure

or metal stud, and position the cables. Next bend the strap at the foldline (centerline). Fold the strap over the cables and insert the locking tab in the opening as shown to hold

SMART ENERGY

hospital, there is little to no direct impact on the everyday tasks and needs of staff and patients. The largest impacts fall on facility management departments and emergency planning personnel. Those are the key players who need to be at the table early in the project’s concept phase.

Since central steam systems and their distribution simply don’t exist in all-electric facilities, there should be a larger presence of electrically focused personnel on staff. This bodes well, given that electrical distribution takes on a higher level of importance — potentially incorporating alternate electric utility circuits or paralleling generator setups to increase redundancies. Most existing facilities already use multiple electric utility sources and paralleling generators; therefore, they have experience with those systems. For those new to paralleling, advances in paralleling technology have made that option simpler and more cost-effective than ever before.

Emergency planning is particularly crucial for all health care facilities, and many resources are devoted to this task alone. The key is that facility managers must understand the redundancies. Traditional facilities utilize natural gas and fuel oil as redundant energy sources for boilers and hot water heating. In an allelectric facility, all redundancies come from electrical power sources from the local electric utility as well as on-site power generation, typically in the form of diesel-powered generators.

PRELIMINARY LOAD ESTIMATION

Now that the owner is comfortable with an all-electrical design, it’s time to determine preliminary load estimates. The total normal demand load service size in VA/sq ft (volt-amps/square foot) for all-electric hospitals is typically in the 32 VA/sq ft to 40 VA/sq ft range. This range will differ based on your engineering judgment regarding load classifications and load factors applied to those classifications. Total emergency service demand load size will be in the 16 VA/sq ft to 20 VA/sq ft range.

As with any hospital project, you’ll be discussing what specific departments the owner would like to include in the emergency system. However, in

an all-electric hospital, there is another layer that involves additional discussions with plumbing and mechanical engineers. The primary objective is to understand their equipment redundancies and what is required to be on emergency versus normal.

For example, if the condensing boilers are designed in an N+1 configuration, where two boilers meet the design load, and one boiler is redundant, not all three boilers may need to be fed by emergency power. In addition, if the boilers are controlled such that only two of three can operate simultaneously, only include two boilers in your load calculations.

The same is true for chillers, hot water heating equipment, and the associated pumps for each system. Continue to apply the same logic for electric humidification. Decide with your design team where humidification is required to be on emergency and apply those loads as required. It’s important to go through this exercise with the owner and design team to ensure proper service and emergency service sizes.

SOURCES OF POWER

As mentioned in the introduction, all redundancies come from electric sources, so it’s imperative to limit single points of failure as much as possible. In an all-electric facility, it’s ideal to campaign for multiple electric utility sources for the normal service. These options will come directly from the electric utility, so get them engaged as soon as possible.

Most electric utilities are pleased to provide a single-circuit service and a single utility-owned transformer to the customer. Anything above and beyond typically requires negotiation and owner funding to achieve. Use the influential parties involved as needed.

In general, municipalities and the public at large desire a stable health care facility, so support can be gained by engaging several stakeholders. It’s also worth reminding the electric utility that they will benefit from selling the owner the only electric utility source to an allelectric facility.

Research any available rebates for an all-electric facility and even the possibility of paralleling the electric utility feed with the hospital’s emergency generators during peak demand windows. Potential solutions for normal service may be two electric utility circuits from two separate feeders, terminated in switchgear to operate in a main-tie-main configuration. Another may be as simple as getting two electric utility circuits from separate feeders, terminated in a single switch that can transfer between either source. Anything that can be done to limit the distance or the use of a single feeder into the facility is beneficial to surviving a normal power outage.

As with the normal sources previously mentioned, the emergency sources must be redundant as well. Don’t limit the emergency source to a single generator. In most cases, this will not be an issue due to the increased emergency

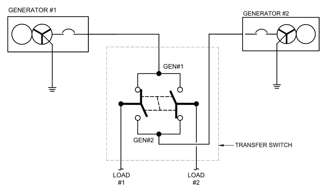
Fig. 1. Multiple source transfer switch schematic.

Extra-duty one-piece design

Pre-installed strut clip for faster installation on strut

corrosion-resistant QUICKLATCH® pipe hangers cost the same as a steel pipe hanger with a bolt and nut – but better. They’re faster and easier to install. And SAVE 25 seconds* per installation! • UV rated for outdoor

SMART ENERGY

demand load of an all-electric facility, in which a single generator becomes too large and impractical.

Traditional multiple generator setups can be as simple as using multiple source transfer switches (Fig. 1 on page 38) to utilizing main-tie-main switchboards with the tie normally open, and both sources separately feeding loads, with the ability for one source to feed all loads. This is a simple, cost-effective solution with a proven track record. It is also a good option for facilities when their personnel are hesitant or unfamiliar with paralleling systems.

As just mentioned, paralleling generators is another option to consider. Paralleling generators are designed to operate together and tie into a

Basis of Design

common bus to act as one source for the entire emergency system (Fig. 2). Traditional paralleling systems utilize large paralleling switchgear (UL1558) with logic controls within the gear or in separate cabinets.

Thankfully, if desired, manufacturers have been able to add paralleling systems into switchboard (UL891) construction, reducing cost and footprint. Additionally, on-board paralleling is another option in which all generator paralleling logic is contained within the generators themselves, and the emergency switchboard becomes a typical switchboard without any electrically operated breakers.

The advantages of paralleling cannot be overlooked. There are options at every

This sidebar outlines the electrical power demands and system strategies for an all-electric hospital project.

• 100,000-square-foot hospital.

• Departments include surgery, sterile processing, laboratory, pharmacy, imaging, emergency, intensive care unit, labor and delivery, medical-surgical patient rooms, and support spaces for every department.

• Space heating is achieved by using condensing boilers with hydronic piping throughout the facility. Cooling is achieved by using air-cooled chillers with hydronic piping throughout the facility. Humidification is achieved by electric steam generators.

price point, and the largest advantage is scalability. Many facilities have master plans of future expansion, and paralleling is the easiest method for adding generators in the future as expansion takes place and demand load increases. Paralleling controls also utilize humanmachine interface screens to allow the user to actively see how the electrical power system (EPS) is operating, and can also provide logging and monitoring when testing monthly and annually as required by NFPA 110, Standard for Emergency and Standby Power Systems

Fuel capacity is another factor that increases in all-electrical facilities. Simply put, larger generators consume more fuel. NFPA 99, Health Care Facilities Code, and NFPA 110 do not specifically dictate fuel supply requirements for Type 10, Class X, Level 1 generator systems, but rather defer that decision to the local authorities having jurisdiction (AHJ).

However, most AHJs will default to 96 hr for a couple of reasons. First, the Facility Guidelines Institute (FGI) recommends a storage capacity of 96 hr for facilities in areas that are likely to experience extended power outages with a minimum requirement of 24 hr. Second, 96 hr aligns with The Joint Commission’s requirement that hospitals must have an emergency management plan for the first 96 hr of an emergency. This does not dictate that the fuel supply provides 96 hr of runtime, but that facilities know what to expect and how to handle all operations.

Fig. 2. Paralleling switchboard schematic.

Another conversation to confirm with the AHJ and the owner is the runtime of fuel supply at a percentage of generator output. Generators naturally consume less fuel at 75% load than they do at 100% load. You’ll quickly discover that a generator consuming 75 gal of fuel per hour requires 7,200 gal of fuel to reach 96 hr just for that single generator.

NFPA 110 also requires the total capacity to be 133% of the code-required runtime capacity, pushing this amount to 9,596 gal. This additional 33% allows for several rounds of testing for maintenance before the fuel level reaches its minimum level to provide the full required runtime.

It’s possible to provide this amount of fuel in a sub-base tank mounted under the generator. However, it necessitates a custom tank. Due to the large capacity, the tank itself rises three to five feet above grade, with the generator sitting on top. At this height, you need to use raised platforms or catwalk structures to access the generator.

The other solution is a fuel storage tank either above or below grade. These systems introduce pumps, controls, alarms, and potential secondary containment requirements. All these complexities need to be communicated to the owner and design team, as many facilities have not experienced this much fuel on-site. Fuel-polishing, whether a permanently installed system on-site or a contracted service from a mobile system, is highly recommended.

Another design feature to consider is a combination load bank and temporary generator connection cabinet. NFPA 110 requires initial start-up testing, monthly testing, and annual testing at various loads on the generator. Many facilities encounter months where their testing does not meet the 30% load of the nameplate rating of the generator. In those situations, load banks must be used to achieve the desired load. The connection cabinet provides a method of connection for a mobile load bank.

When sizing and designing the emergency power supply system, consider these minimum load requirements for testing so an estimate can be achieved without a load bank. This same cabinet can be configured to allow a mobile temporary generator to connect to the emergency supply system. When using a single generator, NEC Sec. 700.3(F) requires a permanent method for connecting a temporary generator. While this is not required when multiple generators are in use, it is another feature that ensures you have a redundant source if failures are experienced with the permanent emergency power source.

DISTRIBUTION

When it comes to distribution, consider points of failure and options to eliminate single failure points. Traditional strategies include main-tie-main switchboards, allowing one side to feed another in maintenance or failure situations. Another is connecting switchboards fed by two different sources from bus to bus using interlocked circuit breakers to create a redundant path. You’ll also find that due to additional large heating loads once you’ve added to the equipment branch, you’ll most likely need to employ multiple transfer switches to divide up the loads in a practical manner. Always keep the owner in mind. All owners want a certain level of redundancy, but not

a system so complex that it requires unnecessary education and expense to operate.

KEY TAKEAWAYS

An all-electric facility is an exciting challenge for an electrical engineer. Designing electrical power systems for all-electric hospitals is a complex but increasingly vital task as health care facilities transition away from fossil fuels. Successful implementation starts with early and thorough communication among all stakeholders, especially facility managers and emergency planners, to align expectations and understand operational impacts.

Redundancy is paramount. Thoughtful distribution design that focuses on minimizing single points of failure without overcomplicating operations is the goal. Simplicity, scalability, and reliability must be balanced to deliver a power infrastructure that meets the demanding needs of modern health care.

In the end, the transition to all-electric hospitals represents not only a shift in energy sources but also a fundamental rethinking of health care facility engineering. With the right planning and design strategies, electrical engineers can lead this transformation — delivering sustainable, resilient, and future-ready hospitals.

Joe Levin, PE is a health sector senior project manager at Henderson Engineers, a national building systems design firm.

Five key steps for conducting insulation resistance tests safely, accurately, and consistently.

Electrical insulation failure is a common cause of downtime, rework, equipment damage, and fire. In fact, a recent NFPA study found that the largest contributor to home electrical fires and fatalities came from electrical distribution equipment and

lighting failures. Insulation breakdown can be detrimental, but its quality can be monitored by following best practices for insulation resistance testing. Electrical professionals must know the requirements, recognize the hazards, understand the process, and use written procedures to reduce equipment

issues and incidents. Let’s take a look at some best practices that will ensure better outcomes.

#1 KNOW THE REQUIREMENTS

Various codes and standards require insulation resistance testing for safety.

Photo. 1. As insulation degrades over time, undesired leakage current may cause ground faults or short circuits. Equipment failure, such as what has occurred with this motor, is just one undesirable result of failed insulation. Best practice is to perform periodic insulation resistance tests to monitor insulation quality and prevent such events.

NFPA 70B, Standard for Electrical Equipment Maintenance, the Health Care Facilities Code, and NFPA 79, Electrical Standard for Industrial Machinery, are examples of documents requiring insulation testing. Section 110.7 [Wiring Integrity] of the NEC requires that completed wiring installations be free from short circuits and ground faults. Complying with this Code section and other documents requires insulation resistance testing.

Insulation resistance testing is performed using specially designed test equipment to apply a DC voltage at a potential near the rating of the insulation and measure any current that leaks through the insulation. Insulation degrades over time and will gradually begin to leak more current into conduits and enclosures, possibly resulting in catastrophic failure of equipment if left unchecked (Photo 1 on page 42).

As with all electrical work, insulation resistance measurements must be performed by qualified persons — those who have been specially trained and demonstrated their skills and knowledge in the construction of the unit under test and the operation of the test equipment. An important component of qualifications is to recognize the hazards of performing these tests and the procedures to follow to avoid injury to oneself or others (Photo 2).

#2 COMPLETE A JOB SAFETY PLAN

Unquestionably, the most assured method of achieving safety when measuring insulation resistance is to complete a written job safety plan before work begins. Measurements are conducted at voltage levels from 250VDC to 5,000VDC. Current values are low but cannot be ignored. Contact with these hazards can result in painful to severe shock and burn injuries. While modern test sets have built-in protection, attempting to measure insulation resistance by applying voltage to an already energized circuit can be especially dangerous. Therefore, job safety planning must include lockout/tagout requirements for the item under test, identify the test voltages and specific test equipment to be used, the limited approach boundaries for shock protection, any

needed PPE (voltage-rated rubber goods), and any specific company procedures for conducting resistance testing.

An important consideration is protecting other personnel from electric shock. A shock potential exists not just at the point where test leads are applied, but also at downstream wiring, machinery, cable runs, conduit, cable trays, and wireways. All of these components and machinery have the potential to be energized when a test is performed. Large areas may be

prohibited from access when performing insulation resistance testing.

#3 SELECT AND INSPECT TEST EQUIPMENT

Insulation resistance test equipment, including test leads, must be inspected before each use. Without charged batteries, the proper output test voltage may not be achieved. The physical condition of the tester and leads must ensure no danger of electric shock to test operators. Calibration is generally required every

Photo. 2. Troubleshooting ground fault problems in an HVAC unit using an insulation resistance tester.

Spot Reading Insulation Resistance

Absorption and Capacitive Charging Currents are Flowing in this Area, Indicating Low Insulation Resistance Values

Primarily Leakage Current Only

Insulation Resister Tester converts leakage current to a resistance value

Take reading at 60 sec

When test voltage is first applied, three separate currents begin flowing into the equipment and wiring. As time progresses, the absorption current and capacitive charging currents will decrease to very low values, and only the actual leakage current flow through the insulation will be measured by the insulation resistance tester. It is always best to conduct the test for the same amount of time for consistency in readings. The industry standard is 1 min. and is called the spot reading test.

3.  NEC Sec. 110.7 requires completed wiring to be free from short circuits and ground faults. Insulation resistance measurements must be performed to ensure compliance with this Section. In the image on the left, the newly installed branch circuit ungrounded conductor measures 0.032 megohms — far below an acceptable value. Newly installed wiring will most likely read an infinite value as in the image on the right.

12 months, and labels should verify test equipment is in-date. Selecting test equipment that produces the proper test voltage is critical. Too low a test voltage and not enough current will be forced through damaged insulation to indicate a problem. Applying too high a voltage can result in damaging insulation. Equipment manufacturers and various standards provide recommended test voltages. These values can be based on equipment type and the condition of the equipment (see Sidebar, “Critical Considerations for Effective Insulation Resistance Testing,” at right).

#4 CONDUCT A SPOT READING TEST

Electrical workers must understand insulation test basics. A written test procedure ensures quality and consistent test results. This procedure must spell out the step-by-step instructions to conduct the test. Several variables can affect measurement values. Insulation temperature, humidity, and applied voltage all affect the resistance value that is displayed on the meter face.

When the test voltage is first applied to the item under test, current begins

Photo

to flow into the conductor. Some electrons will be absorbed into the insulation — the process of dielectric absorption. This is not current leaking through the insulation. Current also flows into the equipment or wiring and builds up a capacitive charge. The combination of dielectric absorption current and capacitive charging current causes initial megohm readings to be a low value. After these absorption currents and capacitive charging currents stabilize, the leakage current through the insulation is measured. The test equipment converts the current flow to ohms of resistance. The more leakage current flow, the lower the resistance reading. Less leakage current flow indicates greater insulation resistance. Insulation resistance is measured in ohms, kilohms, megohms, or gigohms.

If it is desired to measure actual insulation resistance, then how can it be determined when only this leakage current is being measured? The answer is: Take a reading 1-min. after energizing the item under test, and use this as a standard for each measurement.

The 1-min. reading is the spot reading test. Though a small amount of dielectric absorption current and capacitive charging current may continue to flow into the circuit after 1 min., using the industry standard of 1 min. provides consistency across many separate readings on the same equipment or cable (see the Figure on page 44).

Insulation resistance changes significantly with variations in temperature and the type of insulation. Best practice is to correct readings to a standard temperature for accurate insulation resistance values.

For example, a motor with Class B insulation was shut down a short time ago, and a quick check of the winding temperature with an infrared thermometer indicates 60°C (140°F). The spot reading test on the motor indicates 5 megohms of insulation resistance at a test voltage of 500VDC. During the previous maintenance period, a spot reading value was recorded as 30 megohms, but the motor temperature was recorded as 20°C (68°F). Rightly so, you consider the sudden drop in insulation value as suspect. However, correcting this 5 megohm reading at 60°C (140°F) to a standard 20°C (68°F) gives an insulation resistance value just more than 30 megohms. Therefore, there is no immediate concern about insulation quality. Standards and vendor information provide recommended

Critical Considerations for Effective Insulation Resistance Testing

• Follow a job safety plan (LOTO), as applicable.

• Use the proper test equipment. A multimeter does not supply sufficient voltage to conduct the test!

• Verify integrity of all newly installed wiring per NEC 110.7

• Correct measured values to a standard temperature.

• Disconnect sensitive electronics to avoid damage.

• Establish written maintenance procedures for test instructions and minimum insulation values for each type of item to be tested.

• For the spot reading test, apply voltage for 1 min., then record resistance value.

• Discharge insulation (especially motors) after test per test equipment instructions.

• Ensure only qualified persons conduct tests and interpret results.

Use industry best practices for insulation voltage rating and minimum resistance:

Based on 16°C (60°F) per ANSI/NECA 91 (see Table above)

Notes:

1. For rotating equipment with 600V insulation, minimum insulation resistance generally = 5 megohms

Minimum Test Voltages and Insulation Resistance

Voltage Rating Minimum Test Voltage Minimum Insulation Resistance

0-250V 500VDC 25 megohms

250V-600V 1,000VDC 100 megohms

601V-5,000V 2,500VDC 1,000 megohms

2. 115 V wiring minimum resistance = 2 megohms

• There are no consensus standards for applied test voltages and minimum insulation resistance. Use the references below for additional information.

• ANSI/IEEE 43, Recommended Practice for Testing Insulation Resistance of Rotating Machinery

• ANSI/NECA 91, Recommended Practice for Maintaining Electrical Equipment

• NFPA 70B, Standard for Electrical Equipment Maintenance

• ANSI/NETA MTS, Standard for Maintenance Testing Specifications for Electrical Power Equipment and Systems

• Insulation resistance test equipment instructions

• Manufacturer’s data for specific items under test

standard temperatures, necessary calculations, or easy-toread charts for making temperature corrections.

Best practice is to record the ambient temperature, relative humidity, dew point, winding temperature, length of time out-of-service, test voltage, and the test lead and motor lead or cable connection arrangement when the test is performed. Correct for temperature as needed to ensure consistency in testing. Plot insulation values of the items tested over time, and look for abnormal downward trends. Insulation degrades over time, so a slow steady decline is not abnormal. Look for any sudden large decreases in insulation resistance, and investigate further.

Humidity is an important consideration. Obviously, any visible moisture on insulation is a red flag, and the insulation needs to be dried. Condensation occurs when the ambient temperature reaches the dew point, and moisture in the air deposits onto the insulation. Insulation can also absorb moisture that may not be visible.

Any installation of wiring is critical for the safe operation of systems. Comply with NEC Sec. 110.7, and perform an insulation check of all branch circuit and feeder wiring once installed (Photo 3, on page 44).

#5 INVESTIGATE FURTHER

If a spot reading test indicates a potential problem, further action is required. Oftentimes, simply cleaning motor windings will significantly improve megohm readings. Insulation can be dried following the manufacturer’s instructions. The dielectric absorption ratio (DAR) and the polarization index (PI) are two insulation quality tests that can be performed with an insulation resistance tester. These tests can help identify dirty insulation or insulation containing moisture. Once identified, the problems can be corrected.

The tests are simple to perform, and, like the spot reading test, the process may require no more than pushing the appropriate labeled button on the modern insulation resistance tester. The test and calculations are performed automatically (Photo 4). The DAR test lasts for 1 min., and readings are recorded at the 30-sec and 60-sec intervals. Divide the 60-sec reading by the 30-sec reading, and the resultant number is the dielectric absorption ratio.

The PI test lasts for 10 min., with a measurement recorded at 1 min., then another at 10 min. Divide the 10-min. reading by the 1-min. reading, and the resultant number is the polarization index in the Table below.

additional features are often used in periodic maintenance applications because of increased features. At the push of the appropriate button, some will automatically perform and measure dielectric absorption ratio and polarization index. The red lead on this tester has a gray push button to allow applying test voltage without having to initiate the test from the meter itself.

IN SUMMARY

Various codes, standards, and manufacturers’ instructions provide requirements and guidelines for insulation resistance testing. Following a job safety plan and written procedures is key to safe, efficient, and consistent test processes. Qualified workers must understand the theory behind insulation resistance testing and follow industry best practices to consistently obtain meaningful insulation resistance values. For both electrical contractors and facility maintenance organizations, the overall result is an industry best practice that not only minimizes downtime but also mitigates the hazards of electricity (shock and fire).

This table provides general acceptance values for polarization index (PI). Use written maintenance procedures, standards, and manufacturer’s data for the most accurate analysis.

Randy Barnett is a master electrician, ICC Commercial Electrical Inspector, and NFPA-certified Electrical Safety Compliance Professional, who has worked as an electrician and technician in nuclear and coal-fired power plants, government nuclear research facilities, and in industrial maintenance and construction. Randy can be reached at www.randybarnett.net.

Photo 4.  Insulation resistance testers with
New 2026 NEC guidelines clarify how conduit and raceway must be installed, protected, and supported.

Every three years, the National Electrical Code (NEC) is updated, and the industry simultaneously reacts with excitement, complaints, and celebration. This article highlights the changes to conduit and tubing wiring methods recognized by the NEC. While updates to wiring method requirements might not generate as much emotion as changes to ground fault circuit interrupters (GFCIs) and arc fault circuit interrupters (AFCIs), they remain important to understand.

DEALING WITH DAMAGED CONDUITS: SEC. 300.4(C)

A new subsection under Sec. 300.4 clarifies that wiring methods or conductors damaged by water, fire, overloading, or corrosion must be replaced. This update comes from debates about reconditioning electrical equipment, introduced in the 2023 NEC under Sec. 110.20. While certain electrical components can be reconditioned under strict conditions, most wiring methods and conductors, especially conduit systems, cannot. Restoring a damaged conduit to a safe, Code-compliant state is often impractical. By adding this requirement to Sec. 300.4, the NEC clarifies that damaged conduit systems should not be salvaged but replaced.

The coupling in this photo is not marked for wet locations, but it does not have to be. It is listed as part of the conduit — not as a fitting.

PREVENTING CONDENSATION IN RACEWAYS: SEC. 300.9

Raceways passing through temperaturedifferentiated spaces have long posed challenges because condensation can accumulate and affect the insulation of conductors. Section 300.9 has been updated to include an additional method

for addressing this issue. Traditionally, sealants were required to prevent warm air from entering colder parts of the raceway. Now, a new provision permits the use of listed fittings designed to prevent warm-air movement and condensation. An Informational Note highlights thermal break couplings as an example. This

Steel Tube Institute

Welding a raceway is now completely prohibited as the allowance for designed systems has been removed. This photo was likely never the intended use of the “unless designed” language.

change offers installers more flexibility while ensuring raceway interiors stay dry and safe.

MANAGING MOISTURE IN INDOOR WET LOCATIONS:

SEC. 300.11(B)

While outdoor wet location requirements for raceways are well established, indoor wet locations received less attention in earlier editions of the NEC. Section 300.11 was introduced in a previous cycle to address this gap, and the 2026 NEC further strengthens it. Raceways located aboveground in wet indoor environments must now be designed to allow for drainage. This change aligns with the long-standing requirements in Sec. 225.22, which already mandates drainage for outdoor wet-location raceways. Installers can meet this new requirement using the listed drainage fittings or by ensuring that connected enclosures include weep holes.

NO MORE WELDING:

SEC. 300.20(B)

Welding has sometimes been used in the field to support or join raceways, but this practice introduces several risks. Weld quality can vary widely, making it difficult to verify both structural and electrical integrity. Poor welds may

harm conductors during installation, and, most importantly, raceways are not listed for welded connections. Earlier editions of the NEC allowed welding if the systems were “designed” for it, but this language was vague. The 2026 NEC eliminates that exception. Now, welding raceways is explicitly prohibited, with no exceptions. This change removes ambiguity and encourages safer, more standardized installation practices.

CLARIFYING BENDING

RULES ACROSS RACEWAY

TYPES: SEC. 300.24

It has long been understood that the total amount of bends between pull points must not exceed 360°. However, this rule was previously scattered across individual raceway articles, such as Sec. 358.24 for electrical metallic tubing (EMT) and Sec. 344.24 for rigid metal conduit (RMC). The 2026 NEC addresses potential loopholes by adding a broad requirement in Sec. 300.24. It clarifies that the 360° limit applies to any combination of conduit or tubing raceways in a single run. This prevents installers from exceeding the limit by switching materials mid-run — for example, using 360° of EMT followed by 360° of RMC. The new wording emphasizes that the

bend limit is cumulative, regardless of the type of raceway.

CORROSION PROTECTION

CLARIFIED: SEC. 342.10(B)

Intermediate metal conduit (IMC) is often used in corrosive environments, such as concrete encasement or underground installations. Section 342.10(B) confirms this usage but includes an informational note explaining what qualifies as acceptable corrosion protection. Galvanized or PVC-coated steel is provided as an example. While this does not alter the actual requirements, it helps clarify the rules. For example, standard galvanized IMC already meets corrosion resistance standards because of its zinc coating and usually doesn’t need extra protection unless special conditions require it.

ADDRESSING DISSIMILAR METALS:

SEC. 342.14

Galvanic corrosion can happen when different metals contact each other in moist environments. The 2026 NEC addresses this by listing acceptable combinations for stainless steel IMC. It can be used with stainless steel fittings and enclosures or with coated steel boxes and enclosures in non-corrosive areas. A new option in the Code is the use of “identified bimetallic

couplings,” which are specially designed to connect dissimilar metals without causing galvanic action. These special fittings are under development and must be listed for this use. This update finds a balance between durability, cost, and practicality, allowing hybrid raceway systems in suitable settings.

SECURING THREADS AT ENCLOSURES: SEC. 342.29

When a threaded conduit enters an enclosure through an unthreaded opening, there is confusion about how many locknuts are needed. The 2026 NEC now requires a locknut or fitting on both sides of the enclosure. This rule applies only when conduit threads go directly into the box — not when threadless fittings or threaded hubs are used. This update ensures mechanical continuity and electrical bonding and helps prevent misinterpretations of older Code language. A similar update is found in Sec. 344.29 for RMC.

TIGHTENING ALL FITTINGS: SEC. 342.42

Before the 2026 revision, Sec. 342.42 focused on threadless fittings, requiring them to be tightened properly and to be concrete-tight when installed in masonry and listed for wet locations

when applicable. The revision broadens this language to include all couplings and connectors, not just threadless types. This includes threaded fittings like unions and three-piece couplings. The requirement to make all fittings up tight and to ensure listing for the relevant environment emphasizes the importance of secure, Code-compliant connections. This same update appears in Sec. 344.42. It is important to note that a straight thread coupling is not listed as a fitting; it is listed as part of the conduit itself. These couplings are not required to be listed for wet locations because the conduit itself is permitted in wet locations, and the coupling is just part of it.

EXPANDING PVC CONDUIT SIZE LIMITS: SEC. 352.20

Polyvinyl chloride conduit (PVC) has traditionally been limited to a maximum trade size of 6. The 2026 NEC introduces an exception permitting larger sizes under specific conditions.

1. The conduit must be entirely underground.

2. It must be backfilled with the cover required by Sec. 300.7.

3. It must not be located in hazardous (classified) areas.

4. It must comply with Chapter 9 conduit fill requirements.

Currently, conduits larger than trade size 6 PVC conduit are available on the market, but they can only be used where listing is not required (e.g., electric utility installations). For this exception to become widely applicable, updates to product standards and Chapter 9 tables will be necessary. When those standards are revised, the Code is now ready to support larger conduit sizes, potentially providing benefits for high-capacity underground installations.

The 2026 NEC introduces a mix of clarifications, new allowances, and stricter prohibitions for conduit and tubing wiring methods. While some changes close long-standing loopholes, others add forward-looking flexibility. From banning welding on raceways to preparing for the use of oversized PVC, these updates reflect the NEC’s dual goal: ensuring safety and promoting innovation. For installers, designers, and inspectors alike, understanding these revisions is essential for maintaining compliance and protecting electrical systems.

Ryan Jackson is a National Electrical Code instructor and textbook author in the Salt Lake City, Utah area. He is also a technical consultant for the Steel Tube Institute.

Decoding NEC Art. 450 for Distribution Transformers

Common questions answered about transformer protection, grounding, installation, cooling, and more.

Distribution transformers are a vital component of any electrical system because they step voltage up and down to meet the requirements for power transmission and load support. For this reason, it is important — especially during design and construction — to understand the limitations and requirements for installing a distribution transformer.

The National Electrical Code (NEC), along with other standards and guidelines, outlines key requirements for distribution transformers.

When transformers are included in an electrical design, it is imperative to meet Art. 450 requirements, which outline common questions regarding overcurrent protection, grounding, marking, installation, and more. While not intended as a design manual, following these requirements helps ensure safe operation. Let’s address some common questions when it comes to transformer design, installation, and troubleshooting.

DO I NEED PROTECTIVE DEVICES FOR A TRANSFORMER? IF SO, WHAT TYPE OF PROTECTIVE DEVICES ARE REQUIRED?

Transformers operating over 1,000V on the primary side must have both primary and secondary overcurrent protection that is rated according to Table 450.5(A).

Transformers operating under 1,000V on the primary side must have both primary and secondary overcurrent protection that meets the criteria in Table 450.5(B).

Transformers rated under 1,000V require only primary overcurrent protection without secondary protection if the protective device is rated as detailed in Table 450.5(B) and meets the requirements of Sec. 240.21(C). For indoor transformers requiring secondary overcurrent protection, not located near the secondary side loads, an overcurrent protection device is required and must be within sight, per Sec. 240.21(C).

Photo 1 provides an example of a water treatment facility where the lighting panelboard was located out in the field, but the transformer was located indoors. Depending on their parameters, circuit breakers, fuses, fuse links, and other protective devices with similar protective settings as a circuit breaker can be used as the overcurrent protective device on the primary and secondary side.

If a transformer requires an insulating fluid (e.g., ester fluid), then additional protective devices and structural requirements (for the transformers) must be compliant with Art. 450.

If fluid-insulating transformers are installed indoors, they will often require some form of liquid confinement area or vault. In such cases, requirements for ventilation and the construction of walls/floors/roof of the transformer vault or confinement area must comply with Part III of Art. 450.

If fluid-insulating transformers are installed outdoors, various additional requirements must be met. Nonflammable fluid-insulated transformers are required to be furnished with means to absorb or transfer the gases generated by the coolant during an arcing event to an environmentally safe area.

Less-flammable liquid-insulated transformer requirements are dependent on the listing of the liquid. Depending on the liquid, these requirements may also affect the size of the overcurrent protective device — Table 450.5(A) and 450.5(B) list the maximum rating required. If the

liquid requirements cannot be met, less-flammable liquid-insulated transformers are required to meet the same outdoor requirements as oil-insulated transformers.

Oil-insulated transformers are required to have several safeguards, depending on the degree of hazard. The required safeguards are as follows: space separations, fire-resistant barriers, an automatic fire suppression system, and an enclosure that confines the oil from a ruptured transformer tank. Photo 2 on page 52 details a pad-mounted transformer with FR3 insulating fluid, which is considered a less-flammable liquid.

DO I NEED TO INSTALL A DISCONNECTING MEANS FOR A TRANSFORMER?

All transformers, except types Class 2 and Class 3, are required to have disconnecting means in sight of the transformer, or if the disconnecting means is in a remote location, per Sec. 450.16. For clarification, Class 2 and Class 3 transformers are power-limited and are not typically distribution transformers. Rather, they serve as transformers for doorbells, garage door openers, etc., and are often labeled as such.

HOW DO YOU SIZE THE PRIMARY AND SECONDARY SIDE CONDUCTORS FOR A TRANSFORMER?

The NEC only requires minimum transformer sizes in Sec. 240.21(C), based on the length of the secondary conductors. In Art. 450, only maximum overcurrent protection sizes are provided. However, other areas of the NEC require conductors to be sized for an ampacity not less than the total of 100% of noncontinuous loads and 125% of continuous loads. Adding all the loads fed from the transformer will provide a minimum conductor size. Based on NEC requirements, it is possible to have a conductor sized for less than the transformer-rated current. The overcurrent protection device would need to be sized to protect the conductors regardless of the conductor’s chosen size. This practice should only be used when the transformer loads will never exceed the Code minimum for the overcurrent protection device and conductors — and when the requirements of Sec. 240.21(C) are met.

A common method would be to size the primary conductors based on 125% of the primary side transformerrated current, and size the secondary

Photo 1. Protective device location for a low-voltage dry-type transformer.
150A Secondary Protective Device for Low Voltage Dry-Type Transformer
Manual Transfer Switch Upstream from the Dry-Type Transformer
Low Voltage 75kVA Dry-Type Transformer

conductors based on 125% of the secondary side transformer-rated current.

DOES A TRANSFORMER NEED TO BE GROUNDED?

Yes, transformers must be grounded per Sec. 450.12. All exposed non-currentcarrying metal parts of the transformers must be grounded and bonded, per Art. 250, regardless of the transformer configuration.

In addition to the bonding and grounding of the transformer, the secondary side of a transformer is a separately derived system. As such, the establishment of a ground in the secondary side is crucial to limit or remove floating voltages. Depending on the transformer configuration, the grounding of the secondary side needs to be established per the manufacturer’s or engineer’s design.

CAN YOU RUN TRANSFORMERS IN PARALLEL?

Yes, transformers can be operated in parallel. To do so, the transformers must have the same turns ratio, kVA rating, nearly the same percentage impedance, and must be switched as a unit.

The turns ratio is important to ensure the primary and secondary voltages match. Otherwise, the transformers will generate circulating currents as power is

fed from one transformer to the other. Having a near-identical percentage impedance is important to better balance the load on both transformers.

Per Sec. 450.7, the transformers are permitted to be switched as a unit, and the overcurrent protection for each transformer must meet the requirements in Sec. 450.5(A) or Sec. 450.5(B), depending on the voltage. Therefore, the shared overcurrent protective device cannot be larger than the maximum rating included in those tables. Paralleling transformers without switching them as a unit is not recommended because it can present dangerous backfeed situations for workers during electrical maintenance.

If installing secondary protection on a transformer with a voltage less than 1,000V and greater than 9A, then the maximum rating is 125% — whereas a secondary circuit breaker on a transformer with a voltage greater than 1,000V and impedance of 6% or less can have a maximum rating of 300%. For parallel transformers switched as a unit, the maximum rating would still be based on the transformer-rated current of one of the transformers. This can greatly limit the possible output from parallel transformers because the overcurrent protection device cannot be greatly increased. It is typically best

to install a larger transformer instead of multiple smaller transformers.

WHAT IS THE BEST COOLING SYSTEM FOR A TRANSFORMER?

There are several ways to cool a transformer. The main determining factors are the location and load parameters (rated capacity, voltage ratings, and frequency) of the transformer. First, determine whether to use a dry-type transformer or a liquid-filled transformer.

Dry-type transformers do not contain a liquid cooling system, which is advantageous for fire safety (Photo 3). These transformers rely on ambient air as the cooling source, so they require ventilation openings in the walls of the enclosure and/or heat sink cooling fins. That means dry-type transformers work best indoors; however, they can be installed within an outdoor-rated enclosure. It is generally recommended to use dry-type transformers for smaller power applications involving low voltage.

Most designs are advised to limit these transformers to low-voltage (480V-240/208/120V) applications, and to not exceed 300kVA. Article 450 outlines requirements for dry-type transformers. For instance, dry-type transformers greater than 112.5kVA must be located in a transformer room unless meeting an NEC exception, and dry-type transformers greater than 35,000V must be installed in a vault.

Liquid-filled transformers offer superior internal heat dissipation by using a

Photo 2. This pad-mounted distribution transformer is rated at 225kVA, 12.47kV to 208/120V and located at an industrial facility.
Photo 3. This 30kVA dry-type transformer is installed in an electrical building at a wastewater treatment plant.
Primary Side Protective Device — Bayonet Fuse
Drip Shield
Grounding on the Primary Side
Valve with Sampler
on the Secondary Side

fluid cooling medium, such as mineral oil or a natural ester. The transformer core is immersed in the fluid and completely sealed with no ventilation for cooling — this makes liquid-filled transformers best for outdoor installations; it is not ideal to have large quantities of flammable liquid indoors (Photo 4).

Liquid-filled transformers are recommended for larger applications involving medium-voltage and highpower requirements. For example, a 12,470V–480V, 3,000kVA pad-mounted outdoor transformer would typically work best as a liquid-filled transformer. If needed, both types of transformers can be installed with ventilation fans to force air over the heat sink cooling fins and increase the kVA output of the transformer. Liquid-filled transformers can also utilize forced fluid cooling to obtain higher kVA outputs.

Lilly Vang, PE is an electrical engineer at CDM Smith. She focuses on the design and analysis of low/medium voltage electrical power systems.

Josh Hunter, PE is an electrical engineer at CDM Smith. He has experience with low- and medium-voltage electrical power systems.

Photo 4. This 225kVA pad-mounted distribution transformer shows a certified FR3 label.
Despite strong interest, shared solar programs face regulatory, utility, and economic barriers that limit expansion.

Tomorrow the sun will come up. For community solar developers, that’s about all they can count on these days. Between federal funding pullbacks, state roadblocks, and a handful of saturated markets, the community solar market is on track to contract by an average of 8% annually through 2030, according to the analyst firm Wood Mackenzie.

In some respects, community solar should be easier to implement than utility-scale solar farms, which span hundreds of acres apiece. As EC&M explored in a February 2024 article, “Demand for New Solar Farms Soars,” utility-scale projects struggle to overcome community pushback regarding their environmental impact, property

value effects, and potential impacts on arable land.

Community solar systems typically are smaller, which makes it easier to find room for them in urban and suburban areas. Those places are also home to potential customers who want rooftop solar but can’t have it for reasons such as cost, foliage, HOA restrictions, or because they’re renters.

“The community solar value proposition makes so much sense for dense neighborhoods, apartment dwellers, places where there may even be warehouse space or public parking that’s available,” says Barry Cinnamon, CEO of San Francisco-based Cinnamon Energy Systems.

Another big challenge with utilityscale projects is getting power to market.

That’s less of a hurdle for community projects because they’re physically smaller and therefore closer to existing grid interconnections. Community systems average 5MW for ground installations and a megawatt or two for rooftops, which is easier for congested grids to accommodate.

“It definitely is still a key challenge for community scale, but it’s much less of a hurdle than it is for utility scale,” says Caitlin Connelly, Wood Mackenzie research analyst. “It’s about equivalent to what maybe you would see for a commercial and industrial (CNI) project. Rooftop [community solar] systems especially have a much easier time interconnecting. They’re usually connected to the distribution grid, so they don’t have to go into lengthy transmission studies.”

Community solar is an alternative for people who can’t have rooftop systems for reasons such as cost, foliage, HOA restrictions, or because they’re renters.

Scale also affects the types of contractors serving the community solar market.

“It’s not utility scale because you’re not talking about a 20MW system,” Cinnamon says. “It’s more on the order of a megawatt or two or three, and that’s well within the range of most commercial solar installers. Whether it’s put on top of a parking lot or apartment buildings or a warehouse, those are basically commercial-size installations.”

THE ROLE OF UTILITIES

There are a variety of community solar business models and developer types.

“The [community solar project type] that I work with mostly is the traditional model enabled by state legislation,” Connelly says. “That’s either a utility-led program or a state-run program enabling third-party developers. There are other community solar models that are customer or neighborhood-driven through CCAs or municipal utilities. Another thing that we see a lot is utility-driven programs focused on low-income customers that are community-scale. I think there are several hundred players in the market, but the top five community solar developers represent around 20% of the capacity installed in 2024. So it’s a very fragmented market in the long tail, but in terms of top players, it’s pretty consolidated.”

Some rural co-ops offer community solar, such as Citizens Electric in southeast Missouri.

“It’s been a pretty successful program,” says J.W. Hackworth, manager of member services. “I think it’ll probably even get more traction and more interest as [residential] tax credits and things like that sunset. We [often get] asked about rooftop solar and how it compares to our shared solar program. If the tax credits and all that go away, it’s a better value instead of putting panels on your roof.”

Its two farms — roughly 750kW apiece — are owned by Wabash Valley Power Alliance, which was Citizens’ generation and transmission provider until 2025.

“We’re just an off-taker of those facilities now,” Hackworth says. “Citizens is at this unique crossroads because we’re going to stand up our own power supply. Will it be community solar? Will it be some sort of additional generation asset? I don’t know. We haven’t done any evaluation to do any sort of community solar beyond what Wabash built here.”

Citizens Electric is among several Missouri utilities that offer community solar programs, including municipal ones such as City of Columbia Utilities and investor-owned ones such as Ameren.

“We are trying to get all the utilities to do it,” says James Owen, executive

director of Renew Missouri, a lobbyist group focused on solar and wind. “We think, from the perspective of a utilityowned solar subscription program, that’s a good way for them to serve their customers’ demand for clean energy.”

An HOA also could create its own community solar program, such as a country subdivision or rural town in a wildfire-prone area where transmission lines frequently are at risk.

“The most questions I get are for people who don’t want to do it just for their house; they want to do it for a neighborhood,” Owen told EC&M in a November 2022 article, “Rise in OffGrid Residential Solar Installations.” “In Missouri, if it’s not connected to the grid, there’s very little, if any, regulation of that. There was a case in front of the Public Service Commission where a group from Saint James wanted to get permission to do this. The PSC said: ‘You don’t need permission from us. You’re not a utility. You’re not selling this to the public.’”

SLOW GROWTH AHEAD

At a national level, community solar installations grew steadily between 2000 and 2023. In 2024, they spiked as developers scrambled to get projects online ahead of whatever changes a new president might bring. One example is the EPA’s August 2025 cancellation of a $7 billion grant program that included money

Community Solar Installations and Forecast (2020-2030)

Source: Wood Mackenzie

for community solar. In Q3 2025, they totaled 267MW in Q3 2025, according to the December 2025 “US Solar Market Insight,” a quarterly report series from Wood Mackenzie and the Solar Energy Industries Association (SEIA). For perspective, commercial and residential installations in Q3 totaled 554MW and 1,088MW, respectively. See the Chart on page 55 for the forecast for community solar installations through 2030.

That’s a 21% decline compared to Q3 2024, but six states bucked that trend. In fact, two of them — Illinois and New York — accounted for 68% of all new Q3 2025 capacity. That’s also an example of how the market opportunity for electrical contractors and design firms varies dramatically by geography.

“2024 was a huge year for community solar that was driven by only a few

Illinois, especially, will continue to be very strong throughout the next couple of years.”

California has a reputation for being a leader in renewables — except when it comes to community solar.

“When you look at the statistics ranking different states for their adoption of community solar, you’ll see some doing really well, [such as] Minnesota,” Cinnamon says. “And you see others where there’s tremendous potential, like California, where community solar barely even registers. You kind of scratch your head and say, ‘What’s the problem?’ I feel bad for the community solar developers who hope that California’s going to change.”

A major reason is utility opposition. “California utilities realize that they will lose profits [with] more community

“The bright side is that the pipeline for projects under development in existing state markets is very large.”
— Caitlin Connelly, Wood Mackenzie research analyst

top state markets — New York, Illinois, and Maine — as well as some growing momentum and a few of the less mature state markets,” says Connelly, who writes the “US Solar Market Insight.” “Maine had a particularly strong 2024 because it was transitioning into a new tariff mechanism for compensating for these solar projects. That expired in December 2024, so a lot of projects were rushing construction, trying to get as much capacity online. That really added to that uptick.”

Those mad dashes were followed by a relatively slow 2025.

“Those mature, very big community solar markets — like New York, Massachusetts, Minnesota — we’re seeing them reach a sort of saturation point where growth is stagnating,” Connelly says. “The bright side is that the pipeline for projects under development in existing state markets is very large. Even in markets where we’ve seen very slow buildout in terms of capacity coming online — like New Jersey, Maryland, Massachusetts — they’re very active in terms of projects that are under construction or in late-stage development.

solar,” Cinnamon says. “They’re really, really good at lobbying the California Public Utilities Commission (CPUC). Then Governor Newsom came in and really started to come down hard against independent solar and pushing utilityscale, and the situation got even worse. Until the attitude of the CPUC changes — where they’re actually going to regulate the utilities on the dimension of low ratepayer costs and making sure that underserved communities have local solar because they normally can’t put a lot of solar on the roof — the California market is going to be in hibernation.”

The outlook is somewhat brighter in the middle of the country.

“Especially for traditional community solar, there’s been some pushback and difficulty creating new programs in Ohio or other states in the Midwest,” Connelly says. “But there is a lot of bipartisan support because of their job creation and because these are smaller than utility-scale. So their development timelines are a lot faster than you would see for giant utility-scale projects. They’re also providing direct bill discount savings for customers. So all of

those are very attractive to not just community solar developers or contractors or other stakeholders but also policymakers and customers.”

One example is Missouri, where a 2025 bill would have required every retail electric supplier to implement a community solar pilot program from 2026 to 2028 and continue operating until total demand equaled 5% of its sales for the previous year. Each community solar facility would have been required to have at least 10% low-income customers and 20% residential customers.

The bill — which never got out of committee — also provided some highlevel interconnection requirements, such as applying net-metering standards to community solar facilities under 100kW. That’s noteworthy because interconnection is another aspect that varies by market, with lead times increasing in some states over the past few years.

“New York, which has a hugely successful community solar program, has seen development timelines nearly double in the last four years,” Connelly says. “That’s driven by the number of applications that the program receives. And then adding things like interconnection studies, it is a lengthy process, like four years.”

Streamlining and expediting that process is one more way that regulators and legislators could help.

“Everything I hear from utility companies, utility regulators, lawmakers, analysts is: ‘We need more power. We need more sources of power. ‘We need to figure out how we’re going to deal with the demands of the grid,’” says Renew Missouri’s Owen. “But all I’m seeing is limitations on what is going on to the grid and what customers can take advantage of. Instead of eliminating people’s options, we should be expanding them, and the law should be addressing that. And right now, I think the law is falling behind.”

Half a continent away, Cinnamon has a similar lament.

“I’m very supportive of it,” he says. “I’m just so jaded about 15 years of seeing what happens in California. It really never seems to go anywhere.”

Kridel is an independent analyst and freelance writer with experience in covering technology, telecommunications, and more. He can be reached at tim@timkridel.com.

PRODUCT NEWS

Emergency Lighting

LEDVANCE has expanded its emergency lighting portfolio with a new solution designed to combine dependable performance with practical installation features. The Emergency Twin Spot luminaire is designed for applications where high visibility and directional emergency lighting are required. Suitable for use in both indoor and outdoor environments, its IP65-rated housing offers protection against dust and moisture, making it appropriate for areas such as warehouses, car parks, plant rooms, and external escape routes. Two adjustable spotlights allow installers to direct light precisely where it is needed, helping to improve coverage along defined escape paths.

LEDVANCE

NFPA unveils NFPA LiNK 3.0

The National Fire Protection Association (NFPA) announced a major milestone update to its digital platform NFPA LiNK, which provides access to the organization’s vast codes and standards library and other related resources. The next generation of NFPA LiNK has been purpose-built — with AI top of mind — to help safety professionals make faster, smarter decisions as they work with NFPA guidelines to keep people safe, buildings up to code, and processes efficient. NFPA LiNK is a subscription-based, all-in-one digital platform that has long provided access to NFPA’s library of 300+ codes and standards with the click of a button, and now, the enhanced platform has introduced powerful new features designed to help users work smarter, faster, and more collaboratively.

NFPA

Industrial UPS Series

The Emerson SolaHD S4KD Industrial UPS Series includes upgraded 6kVA and 10kVA online double conversion UPS systems designed for mission-critical industrial and commercial applications. Featuring a reinforced full-steel enclosure, unity power factor (1.0), and a compact footprint, the systems support high load capacity and space-efficient installation. Standard features include programmable outlets, a full-color graphic LCD with auto-rotating display, and a factory-installed RDU101 network interface card for SNMP communications and environmental monitoring.

Emerson

Remote Switching Kit

The RSK-CGM.3 is a remote switching kit (RSK) that’s compatible with all configurations of the Ormazabal CGM.3 switchgear for disconnect and earthing switch operations. It allows users to remotely operate equipment from outside of the arc flash boundary (up to 300 ft away with line of sight). It is powered by a Milwaukee REDLITHIUM ion battery pack, which requires no modifications to existing electrical equipment. At 17 lb, it is designed to be compact and portable for easy access in hard-toreach places. Quick installation and removal ensure minimum downtime, and adjustable travel and locators are available to accommodate the entire product line.

CBS ArcSafe

PRODUCT NEWS

Electric Vehicle Tool Kits

The 13- and 18-piece electric vehicle tool kits were designed as the starting point for safely servicing any EV. According to the company, these kits provide a core selection of DC voltage-rated tools needed to approach high-voltage vehicles with confidence. The Cementex 13-piece kit includes a focused set of insulated tools, such as combination wrenches, pliers, screwdrivers, and a torque wrench, all organized in a tool roll pouch and large canvas tote. The 18-piece kitt (pictured) expands on this with an expanded range of tools including open end wrenches, additional pliers, and a ratchet with drive sockets. All tools in the kits feature the company’s double insulation, are tested to 10,000VAC, and rated for live use up to 1,000VAC/1,500VDC. Cementex

Vector-Duty Motor

Low Profile Furred Wall Box

Arlington’s listed Low Profile Furred Wall Box base assemblies offer an easy way to install an outlet box on a block wall. These new single and two-gang assemblies with ½ in. raised box covers combine with other products from the company to offer installation solutions for varying wall thicknesses from ½ in. to 1½ in. thick and device depths.

Arlington Industries

ABB has introduced the Baldor-Reliance V*S Master RS, a variablespeed, vector-duty motor designed as an option for applications requiring constant torque or a wide speed range. The rolled-steel, totally enclosed non-ventilated motor is available from ½ to 5 hp and is built for use with variable-speed drives in applications such as conveyors, pumps, fans, cranes, hoists, extruders, and process equipment. It features a compact, lightweight design with Class H insulation, shaft grounding, and integrated thermal protection to support reliable operation and extended service life in inverter-fed environments. The motor meets NEMA MG1 Part 31 requirements, supports high overload torque, and is intended to reduce the need for mechanical speed reducers or multiple motor sizes while delivering consistent performance across a broad operating range. ABB

Cold-Weather Gloves

The SmartFlex BK360 cold-weather work glove is engineered to keep hands warm, dry, and productive in punishing conditions. It starts with a 13-gauge nylon shell over a soft, 7-gauge napped acrylic liner for warmth and comfort. It’s finished with a full foam latex palm and fingers — and three-quarter coverage on the back of the hand — for improved insulation and grip. According to the company, unlike standard coatings that stiffen in low temperatures, this product’s foam latex stays pliable and responsive, preserving tactile control in cold environments.

Brass Knuckle

CODE BASICS

NEC Requirements for Overcurrent Protection

The way you select and install overcurrent protection will determine whether it does its job — or fails when it matters most.

Article 240 provides the general requirements for overcurrent protection and overcurrent protective devices (OCPDs).

The job of an OCPD is to open the circuit if the current reaches a value that may damage conductors, conductor insulation, or equipment. Table 240.3 provides a list of other Articles that may apply to overcurrent protection for your specific installation. For example, Art. 695 applies to fire pumps.

OVERCURRENT PROTECTION OF CONDUCTORS

Conductors must have overcurrent protection per their ampacities as specified in Sec. 310.14. If the conductor ampacity doesn’t correspond to a standard OCPD, you can use the next higher standard OCPD rating for OCPDs rated 800A or less. That is permitted only if the three conditions of Sec. 240.4(B) are met. For example, the next higher OCPD can’t exceed 800A (Fig. 1).

If the circuit OCPD exceeds 800A, the conductor ampacity must be equal to or greater than the standard ampere rating or setting of the OCPD, as shown in Table 240.6(A) [Sec. 240.4(C)].

Fig. 1. If the conductor ampacity doesn’t correspond to a standard OCPD, you can use the next higher standard OCPD rating for OCPDs rated 800A or less.

two exceptions in Sec. 240.4(E) and (G). Flexible cord must be protected by an OCPD per its ampacity as specified in Table 400.5(A)(1) and Table 400.5(A)(2) [Sec. 240.5].

The standard ampere ratings for fuses and inverse time circuit breakers are in Table 240.6(A). It covers 38 ratings — from 10A to 6,000A.

Overcurrent protection for conductors cannot exceed the values listed in Sec. 240.4(D)(1) through (8). For example, 15A for 14AWG copper. There are

STANDARD AMPERE RATINGS

The standard ampere ratings for fuses and inverse time circuit breakers are in Table 240.6(A). It covers 38 ratings

— from 10A to 6,000A.

The ampere rating of “adjustable trip circuit breakers” with restricted access to the adjusting means is equal to the longtime pickup current settings. Restricted access is achieved by one of the methods listed in Sec. 240.6(C)(1) through (4). For example, locating them behind bolted equipment enclosure doors.

A circuit breaker that can be adjusted remotely to modify the adjusting means can have an ampere rating equal to the adjusted current setting (long-time pickup setting) [Sec. 204.6(D)]. Remote access must be achieved by connecting through either a networked interface that complies with Sec. 204.6(D)(2)(a)

CODE BASICS

and (b), or through a local non-networked interface.

ALL PHASES

Circuit breakers must automatically open all phase conductors of the circuit during an overcurrent condition [Sec. 240.15(B)]. Four exceptions exist in Sec. 240.15(B)(1) through (4). For example, individual single-pole circuit breakers rated 120/240V with handle ties identified for the purpose are permitted for each phase conductor of a 3-phase circuit supplying line-to-line loads.

OCPD LOCATION

The location of an OCPD must be:

• Readily accessible [Sec. 240.24(A)].

• Not in bathrooms, over steps, near easily ignitable materials, or where exposed to physical damage [Sec. 240.24(E), (F), (D), and (C), respectively].

• Not too high. The center grip of the handle of the circuit breaker or switch containing fuses cannot (in its highest position) be more than 6 ft, 7 in. above the floor or working platform unless one of the four exceptions to Sec. 240.24(A) applies (Fig. 2).

Overcurrent protection is required at the point where conductors receive their supply, except as permitted by Sec. 240.21(A) through (H). The bulk of (A) through (H) is in Sec. 240.21(B)(1) through (4), which cover feeder taps. A few highlights:

• The feeder tap is permitted at any point on the load side of the feeder OCPD, including the load terminals of the feeder OCPD.

• You can’t use the next size up rule [Sec. 240.4(B)] for tap conductors.

• Tap conductors up to 10 ft long are permitted when they comply with the four requirements listed in Sec. 240.21(B)(1)(1) through (4). For example, they can’t extend beyond the equipment they supply.

• Tap conductors up to 25 ft long are permitted when they comply with the three requirements listed in Sec. 240.21(B)(2)(1) through (3). For example, the tap conductors are enclosed in a raceway or other means approved by the authority having jurisdiction.

Fig. 2. The center grip of the handle of the circuit breaker or switch containing fuses cannot (in its highest position) be more than 6 ft, 7 in. above the floor or working platform unless one of the four exceptions to Sec. 240.24(A) applies.

For transformer secondary conductors, check out some key points from Sec. 240.21(C):

• The secondary terminals of a transformer can supply multiple sets of secondary conductors [Sec. 240.21(C)]. But you can’t apply the next size up rule of Sec. 240.4(B).

• Outside secondary conductors can be of unlimited length if they comply with Secs. 240.21(C)(4)(1) through (4). For example, they terminate in a circuit breaker or set of fuses and have an ampacity of at least the rating of the OCPD.

• Secondary conductors up to 25 ft long are permitted when they comply with Secs. 240.21(C)(6)(1) through (3). For example, they’re enclosed in raceway or a similar approved means.

ENCLOSURES CONTAINING OCPDS

Enclosures containing fuses must be mounted in a vertical position [Sec. 240.33]. Enclosures containing circuit breakers must be mounted vertically if the circuit breaker handle is operated vertically in accordance with Sec. 240.81.

When the handle of a circuit breaker is operated vertically, the “up” position of the handle must be the “ON” position

[Sec. 240.81]. So, in effect, an enclosure that contains one row of circuit breakers can be mounted horizontally, but an enclosure that contains a panelboard with multiple circuit breakers on opposite sides of each other must be mounted vertically.

MARKINGS

Circuit breakers used to switch 120V or 277V fluorescent lighting circuits must be listed and marked “SWD” or “HID.” Circuit breakers used to switch high-intensity discharge lighting circuits must be listed and marked “HID” [Sec. 240.83(D)] (Fig. 3 on page 61).

A circuit breaker with a straight voltage marking (e.g., 240V or 480V) is permitted on a circuit if the nominal system voltage between any two conductors (line-to-neutral or line-to-line) does not exceed the circuit breaker’s marked voltage rating [Sec. 240.85].

A circuit breaker with a slash rating (such as 120/240V or 277/480V) marking is permitted if the nominal system voltage of any one conductor to ground does not exceed the lower voltage marking, and the nominal system voltage between any two conductors does not exceed the higher voltage marking.

Where a circuit breaker is used on a circuit having an available fault current higher than the marked interrupting rating by being connected on the load side of an approved OCPD having a higher rating, the circuit breaker must meet the requirements of Sec. 240.86(A), (B), or (C). For example, the combination of the lineside OCPD and the load-side circuit breakers is tested and marked on the end-use equipment, such as switchboards and panelboards.

ADJUSTING TO 1,200A

Where the highest continuous current trip setting of an adjustable trip circuit breaker can be adjusted to 1,200A or higher, Sec. 240.87(A) through Sec. 240.87(C) apply:

(A) Documentation. It is required to:

• Provide the location of the arcenergy reduction circuit breaker(s).

• Be available to those authorized to design, install, operate, or inspect the installation.

• Demonstrate that the method

Definitions

chosen to reduce clearing time is set to operate at a value below the available arcing current.

The following definitions from Art. 100 provide context for understanding overcurrent protection requirements in Art. 240:

Identified. Recognized as suitable for a specific purpose, function, or environment by listing, labeling, or other means approved by the authority having jurisdiction.

Ground fault. Unintentional electrical connection between a phase conductor and equipment grounding conductors, metal parts of enclosures, metal raceways, or metal equipment.

Overcurrent. Current that is more than the conductor’s ampacity (caused by an overload, short circuit, or ground fault).

OCPD. Device capable of protecting a circuit from an overload, short circuit, or ground fault.

Overload. Condition that occurs when equipment operates above its current rating or at more current than the ampacity of its supply conductors. A short circuit or ground fault is not an overload.

Short circuit. Abnormal connection of relatively low impedance, whether made accidentally or intentionally, between points of different potential.

Tap conductor. A conductor, other than a service conductor, with overcurrent protection rated more than the ampacity of the conductor.

(B) Method to reduce clearing time. One of the seven methods listed in Sec. 240.87(B) is required. For example, differential relaying. The method must be set to operate at less than the available arcing current.

(C) Performance testing. This must be done with primary current injection testing or another approved method when first installed on-site. It must be performed by qualified persons per the manufacturer’s instructions.

WHERE TO START?

Article 240 requirements are intended to protect conductors and equipment from overcurrent. But Art. 430, Parts III, IV, and V amend those requirements because motors have inrush current. And Art. 695 amends them because a fire pump must run no matter what — even if that means severely damaging the pump or its supply conductors.

Those exceptions aside, start the overcurrent protection aspect of your projects by asking what is needed to protect your circuit conductors and connected equipment from overcurrent.

These materials are provided by Mike Holt Enterprises in Leesburg, Fla. To view Code training materials offered by this company, visit www.mikeholt.com/code.

Fig. 3. Circuit breakers used to switch high-intensity discharge lighting circuits must be listed and marked “HID.”

PRACTICALLY SPEAKING

Measurement Methods Need Clarification

Several questions remain with NEC rules for measuring when it comes to appliances.

When it comes to determining whether GFCI protection may be required for receptacles near sinks, bathtubs, shower stalls, and similar open aquatic vessels, containers, tanks, or bowls, Sec. 210.8 in the 2026 edition of the NEC spells out exactly how we are supposed to take that measurement. For that section, it states, “the distance from receptacles shall be measured as the shortest path the power supply cord connected to the receptacle would follow without piercing a floor, wall, ceiling, or fixed barrier.” Now, when we look at Secs. 210.8(A)(9), and (A)(11) [Sec. 210.8(A)(8) and (A)(10) in the 2023 edition] for dwelling units as well as Secs. 210.8(B)(7), (B)(14), and (B)(16) [Sec. 210.8(B)(7),(B)(13), and (B)(15) in the 2023 edition], it is pretty clear on how

we should be measuring the 6-ft distance when it comes to receptacle placement and whether GFCI protection would be needed for the receptacles. But how do we measure the distance of an appliance plugged into a receptacle near a sink as specified in Sec. 210.8(B)(7)?

Section 210.8 only tells us how to measure the distance for receptacles. It does not tell us how to determine if an appliance would be within 6 feet of a sink. Do we measure horizontally? Vertically? Every direction? Does the measurement continue through doorways, windows, walls, or other fixed barriers? The photo I used here is a commercial kitchen, so all of the receptacles would need GFCI protection. But, for the sake of this discussion, let’s assume this is not a kitchen, and the toasters and ovens are appliances other than cooking

appliances. There is a sink on the far left of the photo. On the far right of the top shelf, there is an appliance plugged into a receptacle 8 ft away from the sink. Is that appliance within 6 ft of the sink? If it is, it needs GFCI protection. But how do we take this measurement? Is it taken from the closest edge of the appliance to the sink? Does the measurement continue around corners? Or is it only in a straight line? What if the appliance was plugged into a receptacle on the other side of the entrance door to this area? Do we measure from the appliance, through the doorway, and all the way to the edge of the sink? Or do we stop measuring at the doorway?

I think all of these questions will be great to discuss with your AHJ. Hopefully, the 2029 Code will provide some clarity on this topic.

Test Your Code IQ

How much do you know about the National Electrical Code?

All questions and answers are based on the 2023 NEC.

Q1: A meeting room that is at least 12 ft wide and that has a floor area of at least 215 sq ft shall have at least one receptacle outlet located in the floor at a distance not less than _____ from any fixed wall for each 215 sq ft or fraction thereof.

a) 6 ft

b) 6 ft, 6 in.

c) 7 ft

d) 7 ft, 6 in.

Q2: In assembly occupancies, Type NM cable, ENT, and PVC conduit can be installed in those portions of the building not required to be of _____ construction by the applicable building code.

a) Class I, Division 1

b) fire-rated

c) occupancy-rated

d) aboveground

Q3: Where flexibility is not required after installation, liquidtight flexible

metal conduit shall be permitted to be used as an equipment grounding conductor when installed in accordance with Sec. _____.

a) 250.102

b) 250.118(A)(5)

c) 250.118(A)(6)

d) 348.6

Q4: A pendant box shall be supported from a multiconductor cord or cable in an approved manner that protects the conductors against strain. A connection to a box equipped with a hub shall be made with a(an) _____ cord grip attachment fitting marked for use with a threaded hub.

a) approved

b) listed

c) marked

d) identified

Q5: The additional service disconnecting means for fire pumps, emergency

systems, legally required standby, or optional standby services shall be installed remote from the one to six service disconnecting means for normal service to minimize the possibility of _____ interruption of supply.

a) intentional

b) accidental

c) simultaneous

d) prolonged

Q6: The maximum number of disconnects for each PV system shall consist of not more than _____ switches or _____ sets of circuit breakers, or a combination of both, mounted in a single enclosure, or in a group of separate enclosures.

a) one

b) six

c) eight

d) twelve

See the answers to these Code questions online at ecmweb.com/55344235.

CODE VIOLATIONS

Illustrated Catastrophes

All references are based on the 2023 edition of the NEC.

SKETCHY CHANDELIER WIRING

I discovered this fancy chandelier for sale in a local shop. I also noticed some questionable wiring for this luminaire. The lamp cord feeding it has been spliced with two red crimp connectors and extended over to a receptacle where it is plugged in. Splicing and extending the lamp cord is a violation of Sec. 400.13. Are the metal parts of this luminaire connected to an equipment grounding conductor (EGC) in accordance with Part V of Art. 410? I don’t think so. The lamp cord only has two conductors. There is no EGC to trip the circuit breaker in the event of a ground fault in the luminaire wiring.

Perhaps the shop owner did this handy work or hired an unqualified person to power up this luminaire for display purposes. I’m not sure of that, but I am sure that this luminaire is presently not grounded and bonded. I am also wondering if this chandelier is listed as required by Sec. 410.6 (Sec. 410.2 in the 2026 edition). Over the years, I have had several customers purchase unlisted or custom-made luminaires at flea markets, yard sales, and garage sales, only to have me inform them that I would not install them because they were not listed.

A TERRIBLE USE OF TUBING

Like the Sword of Damocles, these floodlights dangled precariously above my head as I entered this store. The only thing keeping that box from falling on my head was a single electrical metallic tubing (EMT) set-screw connector. I hope the installer tightened that screw really tightly!

Quite simply, EMT cannot be used in this manner. Section 300.11(C) [Sec. 300.13(C) in the 2026 edition] places restrictions on using raceways as a means of support. None of the language there allows EMT to support a box. More specifically, Sec. 358.12(2) prohibits using EMT for the support of luminaires or other equipment other than conduit bodies no larger than the trade size of the EMT. Sections 314.23(A) through 314.23(H) provide many Codecompliant methods of supporting boxes, but none of them include using tubing to support boxes. A few methods allow conduit to support boxes, but EMT is not a conduit. Lastly, using set-screw EMT connectors in this outdoor wet location is a violation of Secs. 358.42 and 314.15, which require fittings installed in wet locations to be listed for use in wet locations. These set-screw connectors and couplings are not listed for wet locations.

ADVERTISER INDEX

To place a display ad (1/6 page or larger), call the Advertising Sales Representative for your area.

Vice President

Mike Hellmann

Andover, MA • (978) 289-0098

E-mail: mhellmann@endeavorb2b.com

Western U.S. & Western Canada

Ellyn Fishman | Key Account Manager (949) 239-6030

Email: efishman@endeavorb2b.com

Northeast U.S. & Eastern Canada

David Sevin | Account Manager 24 Houghton Street • Barrington, RI 02806 (401) 246-1903

E-mail: dsevin@endeavorb2b.com

Midwest, Southeast,and Southwest

Jay Thompson | Account Manager 7450 W. 130th Street, Suite #210

Overland Park, KS 66213 • (913) 967-7543

E-mail: jthompson@endeavorb2b.com

Marketplace/Inside Sales

Steve Suarez | Media Account Exec 7450 W. 130th Street, Suite #210 Overland Park, KS 66213 • (816) 588-7372

E-mail: ssuarez@endeavorb2b.com

CODE VIOLATIONS

How well do you know the Code? Think you can spot violations the original installer either ignored or couldn’t identify? Here’s your chance to moonlight as an electrical inspector and second-guess someone else’s work from the safety of your living room or office. Can you identify the specific Code violation(s) in this photo? Note: Submitted comments must include specific references from the 2023 NEC.

Hint: What’s hidden in the back?

‘TELL

THEM WHAT THEY’VE WON...’

Using the 2023 NEC, correctly identify the Code violation(s) in this month’s photo — in 200 words or less — and you could win a 40-oz. insulated tumbler valued at $39.99, courtesy of ABB. E-mail your response, including your name and mailing address, to russ@russleblanc.net, and Russ will select two winners (excluding manufacturers and prior winners) at random from the correct submissions. Note that submissions without an address will not be eligible to win.

DECEMBER WINNER

Unfortunately, there were no winners this month. Perhaps the holidays were keeping our readers busy, enjoying time with friends and family rather than finding Code violations. I fully understand and appreciate that.

What is holding up this box? The liquidtight flexible metal conduit (LFMC) and the extension cord plugged into the receptacle in the box are the only things providing any kind of support for this box. I don’t see any violations with securing the LFMC to the tree with UV-rated cable ties as long as those cable ties are Type 21S

or Type 2S, both of which are listed for securement and support. In fact, Sec. 350.30(A) specifically addresses using these types of cable ties to support this raceway. However, the lack of support and securement for the outlet box is another issue. While Sec. 350.12 does not specifically prohibit using LFMC to support boxes, we can look to other Code rules to determine whether it is permitted or not. Reading through the support methods in Sec. 314.23(A)(H), we can determine that LFMC is not one of the methods permitted as a means of support for boxes.

WHERE FACILITY CHALLENGES FIND SOLUTIONS

CENTRAL VALLEY

March 18-19, 2026

Lodi, CA

RENO

August 19-20, 2026

Reno, NV

SOUTHERN CALIFORNIA

April 8-9, 2026

Anaheim, CA

NORTHERN CALIFORNIA

September 2026

Santa Clara, CA

NORTHWEST

April 29-30, 2026

Portland, OR

NORTH TEXAS

October 14-15, 2026

Irving, TX

UTILITIES PROJECT SOLUTIONS FROM CHAMPION FIBERGLASS®

No burn-through eliminates elbow repairs

Lower material and installation costs

Mechanical strength protects conductors

Low coefficient of friction for smooth pulls

Height adjustable utility risers for easy installation

Operable in temperatures of -40° to +230°F